Управление и индикация
На лицевой панели прибора расположены (см. рисунок ниже):
цветной графический экран;
семь кнопок;
пять светодиодов;

Функции кнопок делятся на базовые и программируемые. Базовые функции приведены в таблице ниже. Программируемые описаны в разделе.
Функции кнопок
| Кнопка | Назначение |
|---|---|
| Режим просмотра | |
и ![]() | Переход или перелистывание в пределах текущего экрана. Переход к следующему экрану, когда зона выделения на границе текущего экрана |
![]() | Нажать и удерживать 6 секунд для входа в системное меню |
![]() | Нажать и удерживать 6 секунд для выхода из системного меню |
+ ![]() | Переход на экран аварий |
| Режим редактирования | |
![]() | Вход в режим редактирования на текущем экране. При нажатии становится доступным для редактирования первый доступный для редактирования элемент на экране, начинает мигать Применение измененного значения в режиме редактирования и переход к следующему компоненту |
и ![]() | Изменение значения параметра. Для ускорения изменения значения нажать и удерживать |
и ![]() | Перемещение по разрядам — на разряд выше и ниже. При подходе к максимальному разряду переходит на самый младший |
+ ![]() | Перемещение на разряд ниже |
+ ![]() | Перемещение на разряд выше |
![]() | Выход из режима редактирования без сохранения отредактированного значения |
![]() | Выход из режима редактирования и сохранение отредактированного значения |
Назначение светодиодов
| Светодиод | Цвет | Статус | Назначение |
|---|---|---|---|
| Зеленый | Светится | На прибор подано питание |
![]() | Красный | Светится | Авария (см. раздел) |
| Мигает | Неисправности не блокирующие работу прибора. Ошибку можно определить считыванием битов регистра 61620 (0xF0B4). Подробнее см. раздел. Если считывание регистров недоступно, то прибор находится в режиме загрузчика (см. раздел) | ||
| Мигает | Одновременное мигание со светодиодом — элемент питания часов реального
времени разряжен | ||
| F1 | Зеленый | — | Определяется при программировании |
| F2 | Красный | — | |
| Красный Зеленый | Не светится Мигает | Переключатель в положении Стоп. Прибор работает в режиме модуля ввода–вывода (см. раздел) |
Красный Зеленый | Не светится Не светится | Программа пользователя не загружена. Прибор не настроен | |
Красный Зеленый | Светится Не светится | Нет питания на клеммах 13 и 14. Питание от USB | |
Красный Зеленый | Не светится Светится | Переключатель в положении Работа. Программа пользователя выполняется | |
Красный Зеленый | Мигает Светится | Переключатель
в положении Работа. Одновременное мигание со светодиодом — элемент питания часов реального
времени разряжен | |
Красный Зеленый | Не светится Мигает | Переключатель
в положении Стоп. Одновременное мигание со светодиодом — элемент питания часов реального
времени разряжен | |
Красный Зеленый | Мигает Не светится | Прибор
не настроен. Одновременное мигание со светодиодом — элемент питания часов реального
времени разряжен | |
Красный Зеленый | Мигает с периодом Светится | Авария (см. раздел) | |
Красный Зеленый | Светится Светится | Прибор в режиме ожидания загрузки встроенного ПО | |
Красный Зеленый | Мигает Мигает | Загрузка встроенного ПО |

Твкл = Твыкл = 0,5 с
Тпаузы = 3 с
Индикация критических аварий
Количество импульсов | Описание |
|---|---|
1 | Ошибка микроконтроллера |
2 | |
3 | |
4 | Не инициализируется внутренняя шина |
5 | Неисправен генератор импульсов встроенных часов реального времени |
6 | Циклические перезагрузки из за некорректной программы пользователя |
7 | Ошибка Retain |
8 | Не хватило памяти для программы пользователя |
| 9 | Некорректная версия платы |
Индикация некритических аварий
Количество импульсов | Описание |
|---|---|
1 | Разряжена батарея питания часов реального времени и retain-памяти |
3 | Неисправен интерфейс Ethernet |
Более подробно об авариях см. раздел.

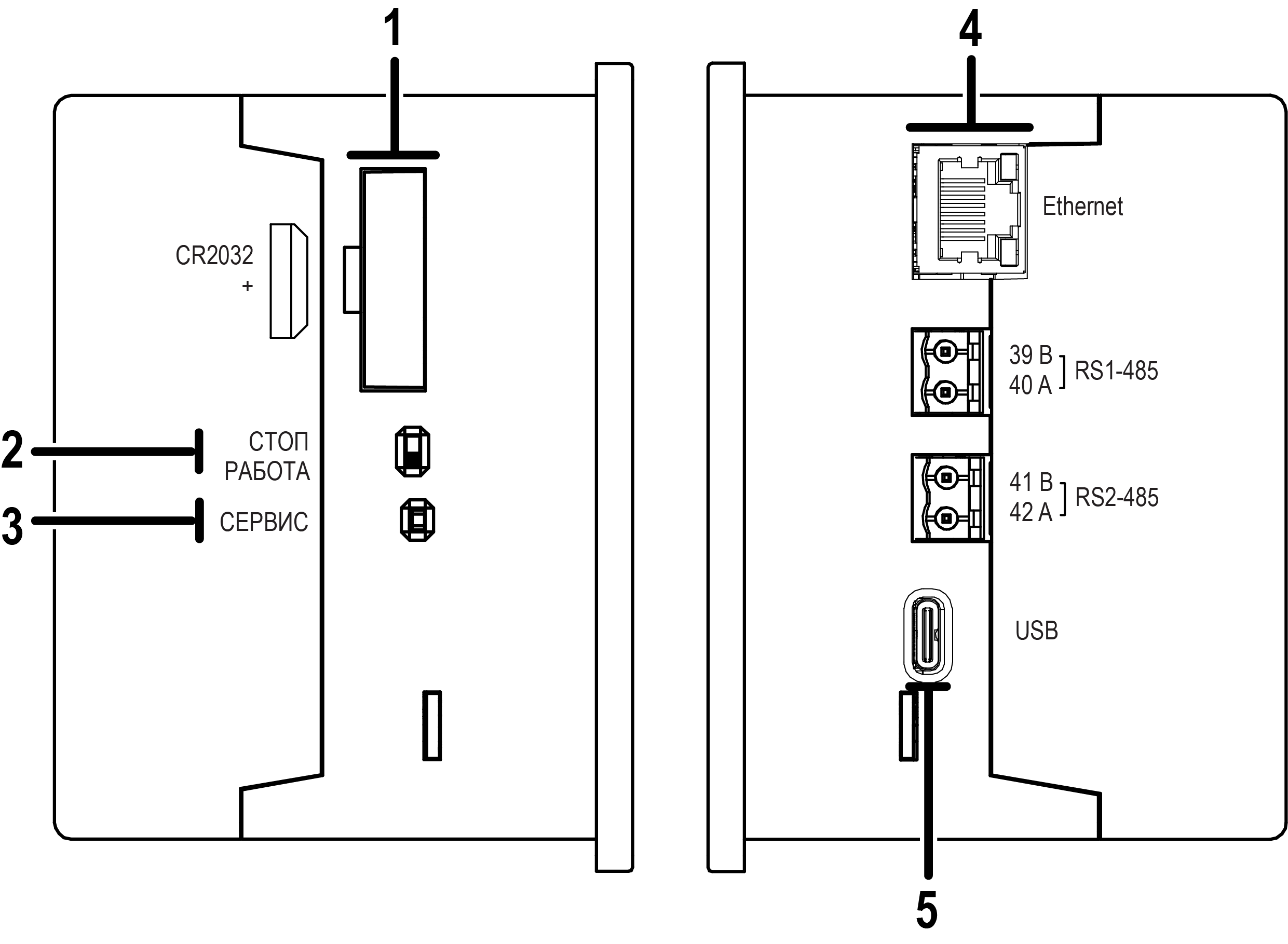
На боковых поверхностях прибора расположены:
Слот с батареей часов реального времени.
Переключатель Работа/Стоп.
Сервисная кнопка (см. раздел).
Разъем Ethernet (только для модификаций у которых он есть).
USB type C порт для программирования прибора.
Переключатель Работа/Стоп
| Положение переключателя | Функция |
|---|---|
| Работа | Пользовательская программа выполняется |
| Стоп | Пользовательская программа остановлена. Можно обновить встроенное ПО прибора (разделе). Или заменить пользовательскую программу, если она вызывает некорректную работу прибора |
| Прибор работает в режиме модуля ввода/вывода (см. раздел) |
Сервисная кнопка
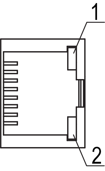
Порт Ethernet снабжен двумя светодиодами. Описание светодиодов и режимов их индикации приведено на рисунке и в таблице ниже.

Назначение светодиодов порта Ethernet
| Светодиод | Статус | Назначение |
|---|---|---|
| Оранжевый | Не светится | Скорость обмена 10 Мбит/с |
| Светится* | Скорость обмена 100 Мбит/с | |
* Если провод не подключен, то указывает, что на интерфейс
Ethernet подано питание | ||
| Зеленый | Не светится | Нет связи |
| Светится | Связь установлена | |
| Мигает | Идет обмен данными | |
Функции ЖКИ
ЖКИ предназначен для отображения графической и текстовой информации. На экранах пользовательской визуализации можно создавать элементы управления. В OwenLogic можно создавать несколько связанных друг с другом переходами экранов, отображающими состояние управляемого объекта и с размещенными на них элементами управления.
Поддерживаются следующие виды графических объектов:
индикатор;
прогресс-бар;
динамический текст;
текстовая метка;
ввод/вывод float/int
и т. п.
полный список поддерживаемых элементов указан в Руководстве пользователя OwenLogic.
ЖКИ может отображать набор символов в кодировке Windows-1251. Поддерживаются дополнительные символы (см. таблицу ниже)
Дополнительные символы
| Описание | Символ |
|---|---|
| Градус | ° |
| Вторая степень | ² |
| Третья степень | ³ |
| Альфа прописная* | α |
| Бета прописная* | β |
| Гамма прописная* | γ |
| Дельта заглавная* | Δ |
| Эта прописная* | η |
| Сигма заглавная* | Σ |
| Тау прописная* | τ |
| Фи прописная* | φ |
| Пси прописная* | ψ |
| Омега заглавная* | Ω |
| Номер | № |
В случае, если символы не поддерживаются, Редактор экранов отобразит предупреждение:

Элементы экрана могут быть редактируемыми и нередактируемыми в зависимости от типа элемента и его свойств, заданных с помощью OwenLogic.
Работа с меню
В приборе предусмотрены меню пользователя и системное меню.
Меню пользователя создается в OwenLogic с помощью «Менеджера экранов». Переходы могут осуществляться с помощью кнопок или по изменению переменной. Системное меню присутствует в приборе всегда, даже если в него не записана пользовательская программа. Принципы работы с меню пользователя и с системным меню одинаковы.
Работа с меню возможна в следующих режимах:
- отображения;
- редактирования.
В режиме отображения можно просматривать параметры прибора или меню пользователя.
В режиме редактирования можно редактировать параметры прибора в системном меню или пользовательскую программу с лицевой панели без остановки работы прибора. При повторном входе в режим редактирования выбирается последний редактируемый элемент.
Системное меню
Системное меню прибора доступно в случае отсутствия пользовательской
программы в памяти прибора и с любого экрана программы. Для вызова
системного меню следует удерживать кнопку
в течение шести
секунд. Для выхода из системного меню следует удерживать кнопку
в
течение шести секунд.
Структура системного меню приведена на рисунке ниже.
Описание пунктов системного меню
| Элемент | Описание |
|---|---|
| Логика | Отображаются значения времени цикла и статус программы пользователя |
| Дискретные входы | Параметры аналогичны описанным в разделе |
| Дискретные выходы | Параметры аналогичны описанным в разделе |
| Дискретно-аналоговые входы | Параметры аналогичны описанным в разделе |
| Аналоговые выходы | Параметры аналогичны описанным в разделе |
| Пользовательские светодиоды | Параметры аналогичны описанным в разделе |
| Modbus Slave | Параметры аналогичны описанным в разделе |
| Мастер Modbus | В узле приведены параметры опроса приборов, аналогично настроенным в OwenLogic |
| OwenCloud | Параметры и разрешения для OwenCloud (см. разделе) |
| Настройки порта RS-485 1 (2) | Параметры аналогичны описанным в разделе |
| Архив | Параметры аналогичны описанным в разделе |
| Сетевые настройки | Содержит настройки Ethernet (см. раздел) |
| Часы реального времени | Параметры аналогичны описанным в разделе |
| Батарея | Параметры аналогичны описанным в разделе |
| Статус прибора | Параметры аналогичны описанным в разделе |
| Настройки прибора | Параметры аналогичны описанным в разделе |
| Пароль | Параметры аналогичны описанным в разделе |
| Часы | Параметры аналогичны описанным в разделе |
Экран аварий
На экране аварий отображаются аварии из битов регистра статуса
(см. таблицу). Переход на экран
аварий производится по сочетанию кнопок
+
.
Переходы между экранами
Для перемещения между экранами используются переходы, создаваемые пользователем с помощью OwenLogic. Переходы могут осуществляться по нажатию кнопок и по изменению переменной. Более подробно о переходах и их работе см. справку OwenLogic.
Пример
Назначение на кнопки
и
перехода на другой экран не позволяет
пролистывать строки или переходить на элементы на текущем экране.
Назначение на кнопку
перехода на другой экран не позволяет перейти
в режим редактирования.
Программируемые функции кнопок
Кроме основных (см. таблицу), кнопкам прибора можно назначить дополнительные действия. Назначение дополнительных действий производится с помощью Редактора кнопок в OwenLogic. Программируемые пользователем действия назначаются на:
короткое нажатие (менее 2 с);
длинное нажатие (более 2 с);
удержание.
Действия, назначаемые кнопке:
переход на экран;
изменение значения переменной.
Режим автоформатирования
Режим автоформатирования отображает переменную с максимальной точностью в зависимости от количества зарезервированных знаков. Режим автоформатирования работает только для вещественных переменных. Режим можно включить установив в поле «Знаков после запятой» значение Авто в OwenLogic.
Режимы работы
По включению напряжения питания (основного или от USB), прибор анализирует положение переключателя Работа/Стоп. Далее прибор проводит самодиагностику.
Для программирования прибора достаточно питания от USB. При питании от USB, не работают входы, выходы и интерфейсы RS-485 и Ethernet.
Пользовательская программа, если она записана в память прибора, начинает выполняться сразу после подачи основного питания на клеммы 13 и 14.

Рабочий режим
В рабочем режиме прибор повторяет следующую последовательность (рабочий цикл):
- начало цикла;
- чтение состояния входов;
- выполнение кода пользовательской программы;
- запись состояния выходов;
- переход в начало цикла.
В начале цикла прибор считывает состояния входов и копирует считанные значения в область памяти входов. Далее выполняется код пользовательской программы, которая работает с копией значений входов.
Аварийный режим
При возникновении аварийной ситуации прибор переходит в аварийный режим.
В таблице ниже представлены примеры аварийных ситуаций и рекомендации по их устранению.
Неисправности и способы их устранения
Индикация светодиода | Причина | Рекомендации по устранению |
|---|---|---|
| Светится | Прибор неисправен | Обратиться в сервисный центр |
| Мигает | Если
мигает и светодиод
| Заменить элемент питания (см. раздел) |
Если неисправность позволяет подключиться к прибору и по Modbus прочитать регистр статуса, то можно узнать вид неисправности. Назначение его бит приведено в таблице ниже.
Назначение бит регистра статуса 61620 (0xF0B4)
Номер бита | Назначение |
|---|---|
Бит 0 | Неисправность дискретных входов |
Бит 1 | Неисправность дискретных выходов |
Бит 2 | Неисправность аналоговых входов |
Бит 3 | Неисправность аналоговых выходов |
Бит 4 | Неисправность интерфейса Ethernet |
Бит 5 | Не используется |
Бит 6 | Неисправность интерфейса USB |
Бит 7 | Не используется |
Бит 8 | Неисправность RS-485 #1 |
Бит 9 | Неисправность RS-485 #2 |
Бит 10 | Не используется |
Бит 11 | Неисправность часов реального времени |
Бит 12 | Отсутствует напряжение на клеммах 13 и 14 |
Бит 13 | Ошибка встроенного ПО. Или цикл логики превышает 100 мс |
Бит 14 | Не используется |
Бит 15 | Ошибка операционной системы |
Бит 16 | Неисправность файловой системы |
Бит 17 | Встроенный накопитель отформатирован |
Бит 18 | Нет оперативных параметров |
Бит 19 | Неисправность встроенного ПО. Или несоответствие версий программы пользователя и встроенного ПО |
Бит 20 | Программа пользователя отсутствует, настройки сброшены на заводские |
Бит 21 | Нет архива. Или ошибка записи архива. Или отключена запись параметров в архив из OwenLogic |
Бит 22 | Переключатель в положении Стоп |
Бит 23 | Программа пользователя отсутствует |
Бит 24 | Программа пользователя остановлена |
Бит 25 | Не используется |
Бит 26 | Не используется |
Бит 27 | Не используется |
Бит 28 | Не используется |
Бит 29 | Не используется |
Бит 30 | Не используется |
Бит 31 | Неисправность программы пользователя в retain-памяти |
Режим модуля ввода-вывода
Если переключатель Работа/Стоп перевести в положение Стоп, то пользовательская программа будет остановлена. И прибор начнет работать в режиме модуля ввода-вывода.
В режиме модуля ввода-вывода доступен опрос входов и запись выходов, но сетевые переменные недоступны.
Режим загрузчика
В режиме загрузчика прибор ждет обновление встроенного ПО по интерфейсу USB. Остальные функции прибора не работают.
Прибор переходит в режим загрузчика:
если невозможен запуск встроенного ПО в штатном режиме (см. раздел);
если пользователь принудительно сменил режим работы прибора.
Для принудительного перевода прибора в режим загрузчика следует:
Снять питание с прибора. Отключить кабель USB, если он был подключен.
Нажать и удерживать сервисную кнопку.
Подать питание на клеммы 13 и 14 или подключить кабель USB.
Часы реального времени и retain-память
Прибор оснащен встроенными часами реального времени. Все настройки прибора хранятся в retain-памяти. При наличии питания прибора часы реального времени и retain-память питаются от подаваемого на контакты 13 и 14 напряжения.
Если основное питание отсутствует, то часы реального времени и retain-память прибора питаются от сменного элемента типоразмера CR2032 (далее — «батарея»). Показания часов реального времени используется для записи в архив.
Энергии полностью заряженной батареи хватает на непрерывное питание часов реального времени и retain-памяти в течение 5 лет. В случае эксплуатации прибора при температуре на границах рабочего диапазона время непрерывного питания от батареи сокращается.
Ошибки, связанные с часами реального времени и retain-памятью, приведены в разделе.
При разряженной батарее часы реального времени и настройки, что были изменены в процессе работы по Modbus или программы пользователя, будут сброшены в случае пропадания основного питания. Если настройки сбросились, то следует заменить батарею (см. раздел).
Уровень заряда батареи можно проверить с помощью OWEN Configurator или OwenLogic.
Настройка даты и времени с лицевой панели
Для настройки даты и времени с помощью кнопок на лицевой панели следует:
Нажать и удерживать кнопку
. На экране появится системное меню.Выбрать пункт Часы реального времени, нажав кнопку
.Нажать кнопку
.Курсор начнет мигать в параметре Время и дата (UTC) у единиц секунд. С помощью кнопок
и
можно увеличивать или уменьшать значение. Для перехода к
следующему разряду следует нажать кнопку
. Для сохранения
измененных значений следует нажать кнопку
.Если нужно изменить параметр Часовой пояс, то с помощью кнопок
и
выбрать нужное значение
и подтвердить выбор, нажав кнопку
.
Для выхода из системного меню нажать и удерживать кнопку
.
Обновление встроенного ПО
В приборе можно обновлять встроенное ПО через интерфейсы программирования.
Для смены встроенного ПО следует:
Подготовить ПК с ОС Windows Vista/7/8/10/11, установленным OWEN Configurator или OwenLogic и доступом в Интернет;
Установить USB драйвер прибора на ПК.
Обновление с помощью OwenLogic
Если встроенное ПО не получается автоматически обновить при загрузке проекта OwenLogic, то можно обновить принудительно. Данный способ может потребоваться, если прибор не определяется в OwenLogic, но прибор корректно отображается в Диспетчере устройств.
Для принудительной смены встроенного ПО следует:
Подключить прибор к ПК с помощью кабеля microUSB — USB или Ethernet.
- Далее:
если прибор подключен по USB, проверить в диспетчере устройств Windows какой СОМ-порт был присвоен прибору;
если прибор подключен по Ethernet, проверить сетевые настройки с помощью ПО OWEN Configurator.
В OwenLogic указать уточненные в п. 2 значения в меню Прибор/Настройка порта.
В меню OwenLogic выбрать пункт Прибор/Обновить встроенное ПО.
OwenLogic отобразит окно, в котором будет указана модификация прибора и предложение обновить встроенное ПО.
ПримечаниеЕсли окно не появилось или в нем нет нужно модификации, то следует обратиться в сервисный центр.
Запустить процесс смены встроенного нажатием кнопки Да.
Разрыв связи между ПК и прибором во время обновления приведет к повреждению встроенного ПО и неработоспособности прибора. Для восстановления работоспособности прибора следует повторить операцию принудительного обновления встроенного ПО. Если вышеперечисленные действия не помогли следует прибор перевести в режим «загрузчика» (см. раздел) и повторить процедуру принудительной смены встроенного ПО.




