1-RU-141221-1.14

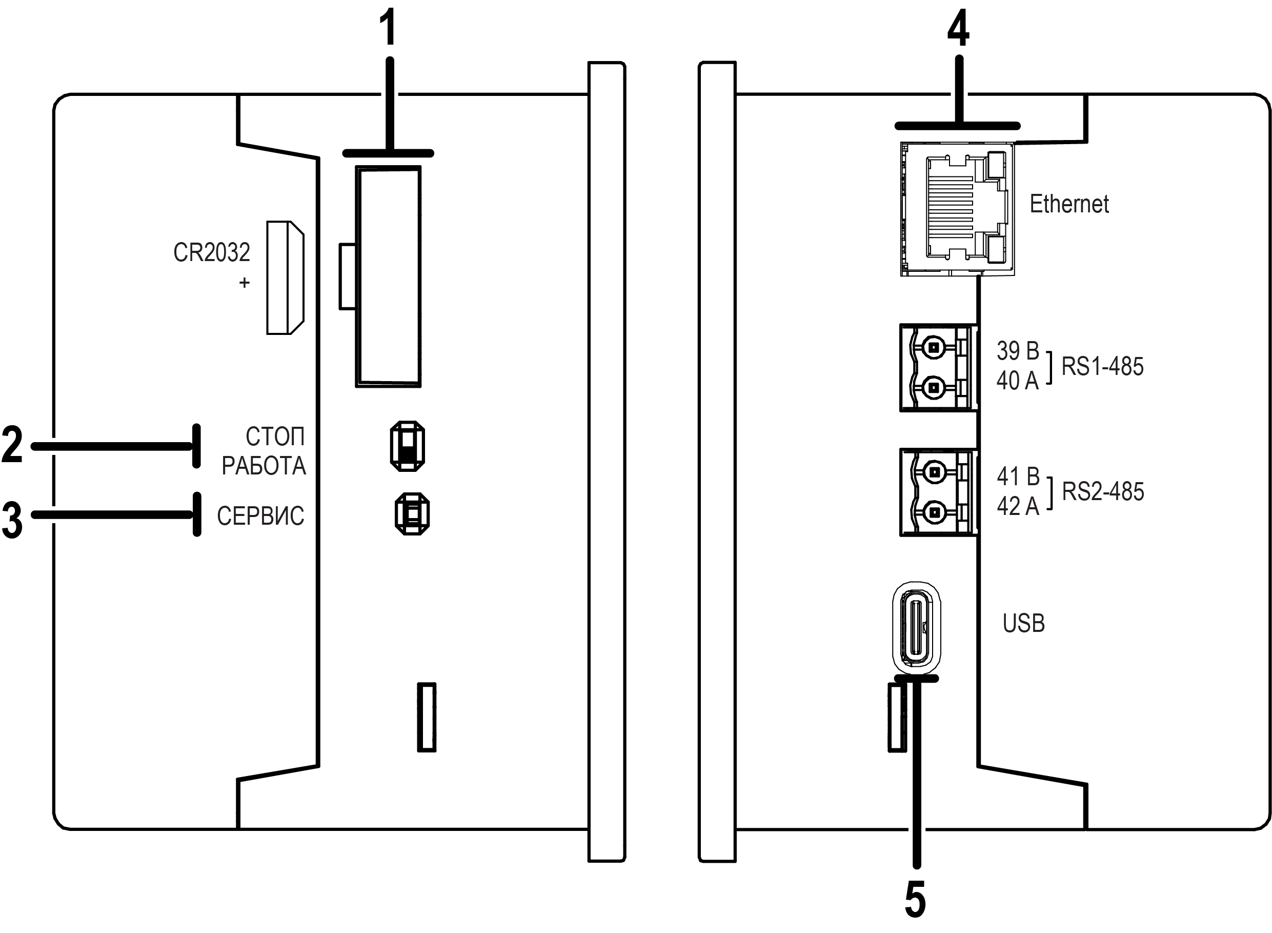
Руководство по эксплуатации

Лицензионные условия при использовании облачного ПО OWEN CLOUD

Пользователю прибора предоставляется право использования программного обеспечения (ПО) «OWEN CLOUD», предназначенного для удаленной диспетчеризации, мониторинга, аналитики и управления событиями на приборах, выпускаемых ООО «Завод№ 423». Условия использования ПО содержатся в пользовательском лицензионном соглашении, размещенном по адресу: https://web.owencloud.ru/site/agreement.

Срок действия права использования – в соответствии со средним сроком службы соответствующего прибора.

Облачное ПО «OWEN CLOUD» размещено по адресу: https://web.owencloud.ru (для использования требуется отдельная регистрация).

Право использования указанного ПО предоставляется в базовом функционале. Дополнительные функции ПО (при их наличии) предоставляются отдельно в соответствии с пользовательским лицензионным соглашением ПО.

Термины и аббревиатуры

  • АЦП – аналого-цифровой преобразователь.

  • Выходной элемент (ВЭ) – элемент схемы прибора, служащий для подключения исполнительных механизмов или коммутации внешнего управляющего сигнала.

  • Исполнительный механизм (ИМ) – внешнее устройство, функционирующее под управлением прибора.

  • МК – микроконтроллер.

  • ОЗУ – оперативное запоминающее устройство, оперативная память.

  • ПЗУ – постоянное запоминающее устройство, энергонезависимая память.

  • ПК – персональный компьютер.

  • ПО – программное обеспечение.

  • Пользовательская программа – программа, созданная в OwenLogic.

  • ТС – термопреобразователь сопротивления.

  • ШИМ – широтно-импульсная модуляция.

  • DNS (Domain Name System) – компьютерная распределенная система для получения информации о доменах.

  • Modbus – открытый протокол обмена по сети RS-485, разработан компанией ModiCon, в настоящий момент поддерживается независимой организацией Modbus-IDA (www.modbus.org).

  • Modbus TCP – протокол Modbus, адаптированный для передачи информации по протоколу TCP.

  • NТС-датчики (Negative Temperature Coefficient – отрицательный температурный коэффициент) – термисторы с отрицательным температурным коэффициентом сопротивления.

  • OwenCloud – облачный сервис компании «ОВЕН». Применяется для удаленного мониторинга, управления и хранения архивов данных приборов систем автомацизации. Доступ к сервису возможен с помощью web-браузера или из мобильного приложения.

  • OWEN Configurator – ПО для настройки устройств компании «ОВЕН».

  • OwenLogic – специализированная среда программирования приборов «ОВЕН» на основе визуального языка графических диаграмм FBD (Function Block Diagram).

  • РТС-датчики (Positive Temperature Coefficient – положительный температурный коэффициент) – термисторы с положительным температурным коэффициентом сопротивления.

  • Retain-память – энергонезависимая память для хранения значений Retain-переменных пользовательской программы

    .
  • Retain-переменные – переменные пользовательской программы, значение которых сохраняется в случае выключения питания прибора.

  • UTC (Coordinated Universal Time) – всемирное координированное время, стандарт времени, принятый на Земле. От UTC отсчитываются часовые пояса. UTC заменил устаревшее время по Гринвичу (GMT).

Введение

Настоящее Руководство по эксплуатации предназначено для ознакомления обслуживающего персонала с устройством, принципом действия, конструкцией, технической эксплуатацией и обслуживанием устройства управляющего многофункционального ПР225, в дальнейшем по тексту именуемых «прибор» или «ПР225».

Подключение, настройка и техобслуживание прибора должны производиться только квалифицированными специалистами после прочтения настоящего руководства по эксплуатации.

Прибор изготавливается в различных модификациях, указанных в коде полного условного обозначения:

Graphic
Примечание

Расшифровка буквенных обозначений приведена в таблице.

Пример наименования при заказе: ПР225-24.1210.02.1

Приведенное условное обозначение указывает, что изготовлению и поставке подлежит устройство управляющее многофункциональное ПР225, работающее при номинальном напряжении питания 24 В постоянного, оснащенное:

  • IPS ЖКИ дисплеем и семью кнопками;

  • восемью дискретными входами для сигналов 24 В постоянного тока;
  • четырьмя универсальными входами для измерения аналоговых сигналов 0…10 В, 4…20 мА, 0…300 кОм и термосопротивлений;
  • восемью дискретными выходами типа электромагнитное реле;
  • двумя универсальными аналоговыми выходами;
  • одним интерфейсом RS-485;
  • одним интерфейсом Ethernet.

Назначение и функции

Прибор предназначен для решения типовых задач в системах вентиляции, отопления, сельском хозяйстве и системах автоматизации зданий.

Прибор программируется в OwenLogic.

Прибор выпускается согласно ТУ 26.51.70-049-46526536-2025.

Функции прибора:

  • работа по программе, записанной в память;
  • отображение данных и мнемосхем на ЖКИ;

  • ввод и редактирование данных с помощью кнопок на лицевой панели;

  • работа в сети RS-485 по протоколам Modbus RTU/Modbus ASCII в режиме Master или Slave;
  • работа в сети Ethernet по протоколу Modbus TCP в режиме Master или Slave;
  • работа с удаленным сервисом OwenCloud без дополнительного шлюза;
  • обработка входных сигналов от датчиков;

  • управление подключенными устройствами с помощью дискретных или аналоговых сигналов.

Технические характеристики и условия эксплуатации

Технические характеристики

Модификации прибора
МодификацияТип питанияВИП*ВходыВыходыКоличество RS-485Ethernet
ДискретныеАналоговыеДискретныеАналоговые

ПР225-24.1208.01.1.0

=24 В

8 Д

4 ДАТ

8 Р

1

ПР225-24.1208.01.2.0

=24 В

8 Д

4 ДАТ

8 Р

2

ПР225-24.1210.02.1.0

=24 В

8 Д

4 ДАТ

8 Р

2 АУ

1+

ПР225-24.1210.02.2.0

=24 В

8 Д

4 ДАТ

8 Р

2 АУ

2+

ПР225-24.1208.04.1.0

=24 В

8 Д

4 ДАТ

8 Р

1+

ПР225-24.1208.04.2.0

=24 В

8 Д

4 ДАТ

8 Р

2+

ПР225-24.1210.06.1.0

=24 В

8 Д

4 ДАТ

4 Р,

4 КТ

2 АУ

1+

ПР225-24.1210.06.2.0

=24 В

8 Д

4 ДАТ

4 Р,

4 КТ

2 АУ

2+

ПР225-230.1208.01.1.0

~230 В

8 ДФ

4 ДАТ

8 Р

1

ПР225-230.1208.01.2.0

~230 В

8 ДФ

4 ДАТ

8 Р

2

ПР225-230.1210.02.1.0

~230 В

8 ДФ

4 ДАТ

8 Р

2 АУ

1+

ПР225-230.1210.02.2.0

~230 В

8 ДФ

4 ДАТ

8 Р

2 АУ

2+

ПР225-230.1208.04.1.0

~230 В

8 ДФ

4 ДАТ

8 Р

1+

ПР225-230.1208.04.2.0

~230 В

8 ДФ

4 ДАТ

8 Р

2+

ПР225-230.1210.06.1.0

~230 В

8 ДФ

4 ДАТ

4 Р,

4 КТ

2 АУ

1+

ПР225-230.1210.06.2.0

~230 В

8 ДФ

4 ДАТ

4 Р,

4 КТ

2 АУ

2+
Примечание

Расшифровка буквенных обозначений приведена в таблице.

* Встроенный источник питания.

Сводная таблица характеристик
ТипТаблица характеристик
Индикация и элементы управлениятаблица
Характеристики приборов с питанием 230 Втаблица
Характеристики приборов с питанием 24 Втаблица
Дискретный вход для сигналов =24 В (вход типа «Д»)таблица
Дискретный вход для сигналов ~230 В (вход типа «ДФ»)таблица
Универсальный аналоговый вход (вход типа «ДАТ»)таблица
Дискретный выход типа «электромагнитное реле» (выход типа «Р»)таблица
Дискретный выход типа «транзистор n-p-n типа» (выход типа «КТ»)таблица
Универсальный аналоговый выход типа «ток 4...20 мА / напряжение 0...10 В» (выход типа «АУ»)таблица
Характеристики приборов с питанием 230 В
НаименованиеЗначение

Диапазон переменного напряжения питания

~90…264 В (номинальное ~230 В, при 50 Гц)

Диапазон постоянного напряжения питания

=127...373 В (номинальное =230 В)

Гальваническая развязка

Есть

Электрическая прочность изоляции между входом питания и другими цепями

2300 В

Потребляемая мощность, не более

15 ВА

Характеристики приборов с питанием 24 В
НаименованиеЗначение

Диапазон постоянного напряжения питания

=19…29 В (номинальное 24 В)

Защита от подключения питания неправильной полярностиЕсть

Потребляемая мощность, не более

10 Вт

Общие характеристики прибора
НаименованиеЗначение

Вычислительные ресурсы и дополнительное оборудование

Минимальное время цикла (зависит от сложности программы)

1 мс

Объем памяти для сетевых переменных:

  режим Slave

2040 байт

  режим Master384 байт

Встроенные часы реального времени

Есть

Точность работы встроенных часов прибора при +25 °С

± 3 с/сутки

Время автономной работы часов от сменного элемента питания

5 лет

Элемент питания встроенных часов реального времени

CR2032

Flash-память (архив)
Количество циклов записи и стирания100 000
Максимальный размер файла архива2048 байт
Максимальное количество файлов архива50 шт.
Минимальный период записи архива30 с

Программирование и конфигурирование

Интерфейсы программирования и конфигурирования

USB, Ethernet

Среда программирования

OwenLogic
ПО для конфигурированияOWEN Configurator

Объем Retain-памяти

1024 байт

Объем ПЗУ

64 кб

Объем ОЗУ

320 кб

Объем памяти для программы пользователя128 кб

Интерфейсы связи

Типы сетевых интерфейсов

RS-485 и Ethernet

Интерфейс Ethernet

Протокол связи

Modbus TCP

Режим работы

Master/Slave

Скорость передачи данных по Ethernet10/100 Мбит/с

Электрическая прочность изоляции между Ethernet и другими цепями

1000 В

Интерфейс RS-485

Протокол связи

Modbus-RTU/Modbus ASCII

Режим работы

Master/Slave

Скорость передачи данных по RS-485

9600, 14400, 19200, 38400, 57600, 115200 бит/с

Максимальное количество интерфейсов RS-4852

Электрическая прочность изоляции между RS-485 и другими цепями

1000 В

Работа с облачным сервисом
Работа с OwenCloudПоддерживается
Интерфейс взаимодействия с облачным сервисомEthernet

Конструкция

Тип корпуса

Для крепления в щит

Габаритные размеры:

100 × 100 × 71 мм

Степень защиты корпуса по ГОСТ 14254-2015

IP54 с лицевой панели,

IP20 со стороны клемм

Степень горючестиV2

Масса прибора, не более (для всех вариантов исполнений)

0,5 кг

Средний срок службы

10 лет

Параметры элементов индикации и управления

Параметры элементов индикации и управления
ПараметрЗначение
Дисплей
Тип дисплея (тип матрицы)Графический (IPS LCD)
Тип подсветкиCветодиодная
Количество отображаемых цветов65535
Диагональ3,5“
Рабочая зона дисплея73,4 × 48,9 мм
Разрешение480 × 320 пикселей
Яркость250 кд/м2
Контрастность800:1
Угол обзора слева/справа/сверху/снизу80/80/80/80°
Время наработки на отказ подсветки, не менее50 000 часов при температуре 25 °C
Управление временем работы подсветкиЕсть*
Поддерживаемые языкиРусский, английский
Светодиодные индикаторы
Описание светодиодовсм. раздел
Кнопки
Описание механических кнопоксм. раздел
Примечание
* Можно выставить таймер отключения (см. раздел) и величину яркости. Если подсветка выключилась, то включить можно нажатием на любую кнопку.

Характеристики входов

Характеристики дискретных входов типа «Д»
НаименованиеЗначение
Защита от переполюсовки входного сигналаЕсть

Напряжение «логической единицы»

9…30 В

Ток «логической единицы»

2…15 мА

Напряжение «логического нуля»

минус 3…плюс 5 В

Ток «логического нуля»

0…15 мА

Минимальная длительность импульса, воспринимаемая дискретным входом

2 мс

Максимальная задержка переключения из «лог. 0» в «лог. 1» и из «лог. 1» в «лог.0»

30 мс

Максимальная частота следования импульсов (зависит от времени цикла программы)

150 Гц

Гальваническая развязка

Гальваническая развязка

Групповая, по 4 входа

Электрическая прочность изоляции относительно других цепей прибора

510 В

Характеристики дискретных входов «ДФ»
НаименованиеЗначение

Напряжение «логической единицы»

164…264 В

Ток «логической единицы»

0,4…15 мА

Напряжение «логического нуля»

0…40 В

Ток «логического нуля»

0…0,5 мА

Минимальная длительность сигнала, воспринимаемая дискретным входом

85 мс

Максимальная задержка переключения из «лог. 0» в «лог. 1» и из «лог. 1» в «лог.0»

105 мс

Гальваническая развязка

Групповая, по 4 входа

Электрическая прочность изоляции между группами каналов

2300 В

Электрическая прочность изоляции относительно других цепей прибора

2300 В

Характеристики дискретно-аналоговых входов типа «ДАТ»
НаименованиеЗначение
Разрешающая способность АЦП 12 бит12 бит

Период обновления результатов измерения всех каналов, мс, не более

1

Режим аналогового входа 1 (сигналы тока и напряжения)

Тип измеряемых сигналов, униполярный

0…10 В,

4…20 мА

Предел основной приведенной погрешности, не более

±0,5 %

Дополнительная приведенная погрешность, вызванная изменением температуры окружающей среды в пределах рабочего диапазона, на каждые 10 градусов

0,5 от основной

Предельное положительное входное напряжение, для режима дискретного входа и датчика 0…10 В

30 В

Входное сопротивление для режима 0…10 В, не менее

10 кОм

Режим аналогового входа 2 (сопротивление и термисторы)
Диапазон измерения

0...300 кОм

Значение единицы младшего разряда, не более

1 °С

Предел основной приведенной погрешности для сопротивлений 0...150 кОм, не более

± 1,0 %

Предел основной приведенной погрешности для сопротивлений 150...300 кОм, не более

± 2,0 %

Предел основной приведенной погрешности для ТС и датчиков NTC и PTC, не более

± 1,5 %

Дополнительная приведенная погрешность, вызванная изменением температуры окружающей среды в пределах рабочего диапазона, на каждые 10 градусов

0,5 от основной

Режим дискретного входа

Порог переключения входа из состояния «логическая единица» в состояние «логический ноль»1...8 В (устанавливается в OwenLogic)
Порог переключения входа из состояния «логический ноль» в состояние «логическая единица»2...9 В (устанавливается в OwenLogic)
Входной ток в режиме дискретного входа2…15 мА
Минимальная длительность импульса, воспринимаемая дискретным входом (постоянный ток)15 мс
Максимальная частота сигнала, воспринимаемая в режиме дискретного входа25 Гц
Гальваническая развязка

Гальваническая развязка

Нет
Примечание
При воздействии помех основная приведенная погрешность может увеличиваться.

Поддерживаемые датчики и сигналы

Предупреждение
Перед подключением датчика из таблицы ниже следует настроить в OwenLogic тип сигнала, подаваемый на вход.
Датчики и сигналы, подключаемые к входу типа «ДАТ»
НаименованиеДиапазон измерений
Сигнал постоянного напряжения0...10 В
Сигнал постоянного тока4...20 мА
Резистивный сигнал*0...300 кОм
Примечание
*С резистивным сигналом прибор работает как омметр, диапазон которого пользователь не может задать.
Список поддерживаемых ТС входом типа «ДАТ»
Наименование датчика по ГОСТ 6651–2009Наименование датчика в OwenLogicДиапазон температур

Pt 500 (α = 0,00385 °С−1)*

Pt500 (а = 0,00385)

–200…+850 °С

500П (α = 0,00391 °С−1)

500П (а = 0,00391)

–200…+850 °С

Cu 500 (α = 0,00426 °С−1)

Cu500 (а = 0,00426)

–50...+200 °С

500М (α = 0,00428 °С−1)

500М (а = 0,00428)

–180...+200 °С

Ni500 (α = 0,00617 °С−1)

Ni 500 (а = 0,00617)

–60...+180 °С

Cu 1000 (α = 0,00426 °С−1)

Cu1000 (а = 0,00426)

–50...+200 °С

1000М (α = 0,00428 °С−1)

1000М (а = 0,00428)

–180...+200 °С

Pt 1000 (α = 0,00385 °С−1)

Pt1000 (а = 0,00385)

–200...+850 °С

1000П (α = 0,00391 °С−1)

1000П (а = 0,00391)

–200...+850 °С

Ni 1000 (α = 0,00617 °С−1)

Ni 1000 (а = 0,00617)

–60...+180 °С

Примечание
*  Коэффициент, определяемый по формуле Graphic, где R100, R0 — значения сопротивления термопреобразователя сопротивления по номинальной статической характеристике, при 100 и 0 °С соответственно и округляемый до пятого знака после запятой.
Поддерживаемые термисторы NTC входом типа «ДАТ»
Наименование датчикаНаименование датчика в OwenLogicДиапазон температур

Серия B57861S, характеристика № 1008, R25 = 2 кОм

NTC1008, R25 = 2 кОм, В25/100 = 3560

–55…+100 °С

–55…+120 °С*

Серия B57861S, характеристика № 8016, R25 = 3 кОм

NTC8016, R25 = 3 кОм, В25/100 = 3988

–55…+125 °С

–55…+145 °С*

Серия B57861S, характеристика № 8016, R25 = 5 кОм

NTC8016, R25 = 5 кОм, В25/100 = 3988

–35…+140 °С

–55…+145 °С*

Серия B57861S, характеристика № 8016, R25 = 10 кОм

NTC8016, R25 = 10 кОм, В25/100 = 3988

–35…+155 °С

Серия B57861S, характеристика № 8018, R25 = 30 кОм

NTC8018, R25 = 30 кОм, В25/100 = 3964

–20…+155 °С

Серия B57861S, характеристика № 2901, R25 = 50 кОм

NTC2901, R25 = 50 кОм, В25/100 = 3760

–10…+155 °С

NTC3435, 10 кОм

NTC3435, R25 = 10 кОм, В25/85 = 3435

–40…+105 °С

NTC3977, 10 кОм

NTC3977, R25 = 10 кОм, В25/85 = 3977

–40…+125 °С

Примечание
* Значения для обновленного ПР205(М02).
Поддерживаемые термисторы РТС входом типа «ДАТ»
Наименование датчикаНаименование датчика в OwenLogicДиапазон температур

KTY82-110

KTY82-110

–55…+150 °С

KTY82-120

KTY82-120

–55…+150 °С

KTY82-121

KTY82-121

–55…+150 °С

KTY82-122

KTY82-122

–55…+150 °С

KTY82-150

KTY82-150

–55…+150 °С

KTY82-151

KTY82-151

–55…+150 °С

KTY82-152

KTY82-152

–55…+150 °С

Характеристики выходов

Характеристики дискретных выходов типа «Р»
НаименованиеЗначение

Тип выходного устройства

Электромагнитное реле (нормально разомкнутые контакты)

Электрическая прочность изоляции между выходом и другими цепями

  • 2300 В

Коммутируемое напряжение в нагрузке:

  • для цепи постоянного тока, не более

30 В (резистивная нагрузка)

  • для цепи переменного тока, не более

250 В (резистивная нагрузка)

Допустимый ток нагрузки, не более

  • 5 А при напряжении не более 250 В переменного тока и cos(φ) > 0,95;

  • 3 А при напряжении не более 30 В постоянного тока

Допустимый ток нагрузки, не менее

10 мА (при 5 В постоянного тока)

Электрический ресурс реле, не менее

  • 200000 циклов: 5 А при 250 В переменного тока;

  • 50000 циклов: 7 А при 250 В переменного тока;

  • 100000 циклов: 3 А, 30 В постоянного тока,

  • резистивная нагрузка

Характеристики транзисторных выходов типа «КТ»
НаименованиеЗначение

Тип выходного устройства

Транзистор n-p-n-типа

Тип коммутируемого сигнала

Постоянный ток

Защита от перегрузки и короткого замыкания

Есть

Тепловая защита

Есть

Гальваническая изоляция

Нет

Коммутируемое напряжение в нагрузке, постоянного тока, не более

40 В

Допустимый ток нагрузки, не более

0,5 А

Характеристики универсальных аналоговых выходов типа «АУ»
НаименованиеЗначение

Тип аналогового выхода

Универсальный

(ток или напряжение)

Разрядность ЦАП

12 бит

Напряжение питания15...30 В

Диапазон генерации тока

4…20 мА

Диапазон генерации напряжения

0…10 В

Сопротивление нагрузки для режима:
  4...20 мА, не более600 Ом
  0...10 В, не менее600 Ом

Предел основной приведенной (к диапазону генерации сигнала) погрешности

± 0,5 %

Дополнительная приведенная (к диапазону генерации сигнала) погрешность, вызванная изменением температуры окружающей среды в пределах рабочего диапазона, на каждые 10 градусов

0,5 от основной

Гальваническая изоляция

Нет

Условия эксплуатации

Прибор предназначен для эксплуатации в следующих условиях:

  • закрытые взрывобезопасные помещения без агрессивных паров и газов;
  • температура окружающего воздуха от минус 20 до плюс 70 °С;
  • верхний предел относительной влажности воздуха от 30 до 98 % без конденсации влаги;
  • допустимая степень загрязнения 1 (несущественные загрязнения или наличие только сухих непроводящих загрязнений);
  • атмосферное давление от 84,0 до 106,7 кПа.

По устойчивости к климатическим воздействиям во время эксплуатации прибор соответствует группе исполнения В4 по ГОСТ Р 52931–2008.

По устойчивости к синусоидальным вибрациям во время эксплуатации прибор соответствует группе исполнения N2 по ГОСТ Р 52931–2008 (частота вибрации от 10 до 55 Гц).

По устойчивости к воздействию атмосферного давления прибор относится к группе Р1 по ГОСТ Р 52931–2008.

Прибор отвечает требованиям по устойчивости к воздействию помех в соответствии с ГОСТ IEC 61131-2-2012.

По уровню излучения радиопомех (помехоэмиссии) прибор соответствует ГОСТ 30804.6.3.

Прибор устойчив к прерываниям, провалам и выбросам напряжения питания для переменного тока в соответствии с требованиями ГОСТ IEC 61131-2-2012.

Меры безопасности

По способу защиты обслуживающего персонала от поражения электрическим током ПР225-230.Х относится к классу II, а ПР225-24.Х к классу III ГОСТ IEC 61131-2-2012.

Во время эксплуатации и технического обслуживания прибора следует соблюдать требования ГОСТ 12.3.019–80, «Правил технической эксплуатации электроустановок потребителей электрической энергии» и «Правил охраны труда при эксплуатации электроустановок».

Во время эксплуатации прибора открытые контакты клеммника находятся под опасным для жизни напряжением. Прибор следует устанавливать в специализированных шкафах, доступных только квалифицированным специалистам.

Любые подключения к прибору и работы по его техническому обслуживанию следует производить только при отключенном питании прибора и подключенных к нему устройств.

Не допускается попадание влаги на контакты выходного разъема и внутренние электроэлементы прибора. Прибор запрещено использовать в агрессивных средах с содержанием в атмосфере кислот, щелочей, масел и т. п.

Настройка и программирование

Ввод в эксплуатацию

Для ввода в эксплуатацию прибора следует:

  1. Соединить ПК и прибор с помощью USB кабеля.

  2. Подсоединить съемный клеммник к источнику питания.

    Предупреждение

    Перед подачей питания на ПР225-230.Х следует проверить уровень напряжения питания:

    • если напряжение ниже 90 В, то прибор прекращает функционировать, но не выходит из строя, поэтому не гарантируется его работа;

    • если напряжение выше 264 В, то прибор может выйти из строя.

    Перед подачей питания постоянного тока на ПР225-24.Х следует проверить правильность подключения напряжения питания и его уровень:

    • если напряжение ниже 19 В, то прибор прекращает функционировать, но не выходит из строя, поэтому не гарантируется его работа;
    • если напряжение выше 29 В, то прибор может выйти из строя.
  3. Съемный клеммник подключить к прибору.

    Предупреждение

    В случае изменения температуры окружающего воздуха с низкой на высокую в приборе возможно образование конденсата. Чтобы избежать выхода прибора из строя, рекомендуется выдержать прибор в выключенном состоянии не менее 1 часа.

  4. Подать питание на прибор.

  5. Убедиться в отсутствии ошибок (см. раздел).

  6. Запустить OwenLogic или OWEN Configurator и настроить время/дату.

  7. Снять питание и отключить провод USB от прибора.

  8. Подключить провод USB и подать питание. Проверить время/дату. В случае сброса часов заменить батарейку (см. раздел).

  9. Создать пользовательскую программу OwenLogic и записать ее в память прибора. Пользовательская программа записывается в энергонезависимую память прибора и запускается после включения питания или перезагрузки прибора.

    Примечание
    Записать в память прибора пользовательскую программу можно с помощью специально созданного исполняемого файла (см. Мастер тиражирования в справке OwenLogic).
  10. Снять питание.

  11. Подсоединить линии связи «прибор – устройства» к съемным клеммникам.

  12. Съемные части клеммников линий связи «прибор – устройства» подключить к прибору (см. Приложение Описание клеммников).

Примечание
Выполнение программы пользователя при возникновении сбоев, можно остановить. Для для остановки программы пользователя следует переключатель Работа/Стоп перевести в положение Стоп (см. раздел).

Настройка входов

Настройка универсальных входов

Меню настройки универсальных входов расположено в OwenLogic во вкладке Прибор/Настройка прибора (см. рисунок ниже).

Graphic
Настройка режима работы входа
Graphic
Меню настройки аналогового режима входа
Graphic
Настройки дискретного режима входа
Параметры универсального входа
НазваниеОписание

Режим работы входа

Выбор режима работы универсального входа: аналоговый или дискретный
Настройки режима “Аналоговый”

Тип датчика

Выбор типа входного сигнала:
  • датчики с выходным сигналом сопротивления в диапазоне от 0 до 300 кОм;

  • датчики с выходным сигналом тока в диапазоне от 4 до 20 мА;

  • датчики с выходным сигналом напряжения в диапазоне от 0 до 10 В;

  • датчики ТС и NTC/PTC

Постоянная времени фильтра

Постоянная времени фильтрации встроенного сглаживающего цифрового фильтра. Задает период обработки входного сигнала. Увеличение значения параметра улучшает помехозащищенность канала, но одновременно увеличивает его инерционность, т. е. реакция прибора на быстрые изменения входной величины замедляется

Нижняя граница измерения

Минимальный уровень измеренного сигнала

Верхняя граница измерения

Максимальный уровень измеренного сигнала
Настройки режима “Дискретный”
Фильтр антидребезгаЗадает значение встроенного дискретного фильтра, который указывает период контроля входного сигнала. Увеличение значения параметра улучшает помехозащищенность канала, но одновременно увеличивает его инерционность, т. е. реакция прибора на быстрые изменения входной величины замедляется
Уровень логического нуляЗадает верхнюю границу определения «логического нуля»
Уровень логической единицыЗадает нижнюю границу определения «логической единицы»
Работа универсального входа в аналоговом режиме

Для измерения токового сигнала 4...20 мА в прибор встроен шунтирующий резистор с номинальным сопротивлением 121 Ом для каждого канала. В приборе масштабируются шкалы измерения для сигналов «0…10 В» и «4…20 мА», после чего контролируемые физические величины отображаются непосредственно в единицах их измерения (атмосферах (кг/см2), кПа и т. д.).

Пример

Используется датчик с выходным током 4…20 мА, контролирующий давление в диапазоне 0…25 атм, в параметре «нижняя граница измерения» задается значение «0,00», а в параметре «верхняя граница измерения» — значение «25,00» (см. рисунок). Теперь значения на аналоговом входе будут измеряться в атмосферах.

Graphic
Пример задания диапазона измерения

Значения в приборе представлены в абсолютном виде (float32). Сопротивление измеряется по двухпроводной схеме, поэтому во время подключения датчиков сопротивление проводов вносит дополнительную погрешность измерения. Размер дополнительной погрешности зависит от длины и типа проводов подключаемого датчика. Коррекцию дополнительной погрешности следует предусмотреть в пользовательской программе.

Работа универсального входа в дискретном режиме

Универсальный вход работает в режиме компаратора. Минимальный уровень «логического нуля» — 0 В, максимальный уровень «логической единицы» — 30 В (см. рисунок).

Graphic
Работа универсального входа в дискретном режиме

Чтобы избежать неоднозначности определения состояния входа, следует устанавливать параметр «Уровень логической единицы» больше параметра «Уровень логического нуля» не менее, чем на 0,5 В.

Если входное напряжение попадает в диапазон dU, то состояние входа не меняется. Состояние входа изменится:

  • с «0» на «1» только в случае достижения входным напряжением «Уровень логической единицы»;

  • с «1» на «0» только в случае достижения входным напряжением «Уровень логического нуля».

Диагностика ошибок подключенного датчика

Универсальный вход в аналоговом режиме поддерживает диагностику ошибок подключенного датчика. Коды ошибок представлены в таблице ниже.

Коды ошибок

Код

Расшифровка

0Норма
1Нет данных
2Датчик отключен
3Велика температура холодного спая*
4Мала температура холодного спая*

5

Вычисленное значение слишком велико

6

Вычисленное значение слишком мало

7

Короткое замыкание

8

Обрыв датчика

9Отсутствие связи с АЦП
10Некорректный калибровочный коэффициент
Примечание
* Зарезервировано для будущих модификаций.
Graphic
Меню кодов ошибок датчиков

Описание ошибок для разных типов сигналов приведено в таблице ниже.

Поддерживаемые коды ошибок для разных типов сигналов
Тип сигналаКод ошибки

5

6

7

8

Резистивный сигнал

Унифицированные сигналы по ГОСТ 26.011-80:

  0...10 В

  4...20 мА

 

+

+

 

+

 

 

Термопреобразователи сопротивления по ГОСТ Р 6651-2009

++++

Термисторы NTC

++++

Термопреобразователи сопротивления серии KTY

++++

Настройка дискретных входов

Graphic
Настройка инверсии дискретных входов
Параметр состояния дискретных входов
ПараметрОписание
ИнверсияПрименить инвертирование к состоянию DI. Битовая маска, расположение битов little endian
Примечание
Для подписи на скриншоте: 000000 = 0b, 111111 = 111111b
Graphic
Настройка фильтра дискретного входа
Настройки дискретных входов
НастройкаОписание
Фильтр андидребезга

Задает значение сглаживающего фильтра дребезга контактов. Увеличение значения параметра улучшает помехозащищенность канала, но одновременно увеличивает его инерционность, т. е. реакция прибора на быстрые изменения входной величины замедляется

Настройка программируемых светодиодов F1 и F2

К состоянию пользовательских светодиодов можно привязать переменную и управлять ей из программы.

Graphic
Состояние программируемых светодиодов F1 и F2
Параметр состояния пользовательских светодиодов
ПараметрОписание
Состояние

Битовая маска, расположение битов little endian.

Примечание
Для подписи на скриншоте: 00 = 0b, 11 = 11b

Настройка параметров архива

Graphic
Настройка параметров архива

Настройка параметров архива
ПараметрОписание
Период архивированияВременной отрезок сохранения в архив
Количество архивовКоличество файлов архива
Размер архиваРазмер файла архива

Настройка выходов

Настройка дискретных выходов

Graphic
Состояние дискретных выходов
Параметры дискретных выходов
ПараметрОписание
Изменить состояние

Битовая маска, расположение битов little endian.

Примечание
Для подписи на скриншоте: 00000000 = 0b, 11111111 = 11111111b
Состояние

Настройка безопасного состояния дискретных выходов

Для каждого дискретного выхода прибора возможна установка безопасного состояния.

Graphic
Настройка безопасного состояния дискретных выходов
Настройка безопасного состояния дискретных выходов
ПараметрОписание
Настройка безопасного состояния выхода

Выход прибора переходит в безопасное состояние, если в течение времени тайм-аута отсутствуют команды от Мастера сети. Возможные значения:

  • 0 — выход переводится в состояние «разомкнут»;

  • 1 — выход переводится в состояние «замкнут»;

  • 0 — без изменений

Настройка аналоговых выходов типа «АУ»

Graphic
Настройка универсальных аналоговых выходов
Настройка аналоговых выходов типа «АУ»
ПараметрОписание
Вид сигналаОпределяет тип выходного сигнала. Возможные значения:
  • Выкл. — выход не используется;

  • Напряжение 0...10 В;

  • Ток 4...20 мА

Возможные значения:

 0 – выкл.

 1 – 0…10 В

 2 – 4…20 мА

Состояние

Диагностический параметр, доступный только для чтения. Возможные значения:

 0 – канал отключен

 1 – норма

 2 – отсутствие связи

 3 – авария

 4 – отсутствие питания

 5 – отсутствие нагрузки

Безопасное состояниеВыход переходит в безопасное состояние, если в течение времени тайм-аута отсутствуют команды от Мастера сети. На выходе устанавливается значение параметра «Безопасное состояние» в диапазоне от 0 до 1

Для управления выходным элементом аналогового типа следует подавать значение в формате «с плавающей запятой» (float32) в диапазоне от 0,0 до 1,0.

Пример
Во время подачи на выход значения «0,5», выходной ток будет равен 12 мА для работы в режиме 4…20 мА.
Пример
Во время подачи на выход значения «0,5», выходное напряжение будет равно 5 В для работы в режиме 0…10 В.

Настройка выходов типа «КТ»

Работа выхода типа «КТ» в дискретном режиме аналогична работе релейных выходов.

В режиме ШИМ выход генерирует последовательность прямоугольных импульсов с задаваемыми в OwenLogic периодом и минимальным импульсом.

Graphic
Настройка параметров работы выхода типа «КТ» в режиме ШИМ
Настройка выходов типа «КТ»
ПараметрОписание
Режим работы

Режим работы выхода:

  • Реле;

  • ШИМ

Период ШИМПериод следования импульсов
Минимальная продолжительность импульсаЗадает минимальное время между любыми соседними фронтами импульсов (минимальная длительность включенного и выключенного состояний выхода). Следует задавать большим, чем время срабатывания подключенного к нему ИМ
Безопасное состояние

Выход переходит в безопасное состояние, если в течение времени тайм-аута отсутствуют команды от Мастера сети. На выходе устанавливается значение параметра «Безопасное состояние» в диапазоне от 0 до 1

Скважность ШИМДоступны только в режиме модуля расширения (см. раздел)
Коэффициент заполнения ШИМ

В режиме ШИМ на ВЭ типа «КТ» следует подавать значение в формате «с плавающей запятой» (float32) в диапазоне от 0,0 до 1,0. Если значение поданное на вход:

  • меньше нуля или равное нулю — выход выключен;

  • в диапазоне от нуля до единицы — скважность ШИМ;

  • больше или равно единице — выход включен.

Работа с OWEN Configurator

Подключение к

Для настройки прибора можно использовать OWEN Configurator. Для настройки прибора с помощью OWEN Configurator следует:

  1. Скачать с сайта www.owen.ru архив с OWEN Configurator.

  2. Извлечь из архива файл .ехе.

  3. Запустить .ехе файл и следовать указаниям мастера установки.

Прибор можно подключить к ПК с помощью следующих интерфейсов:

  • USB (разъем micro-USB);
  • Ethernet;
  • RS-485.

Для настройки прибора следует:

  1. Подключить прибор к ПК с помощью интерфейса USB, Ethernet или RS-485.
    Предупреждение

    В случае подключения прибора к порту USB подача основного питания прибора не требуется.

    Питание прибора осуществляется от порта USB. Входы, выходы и интерфейсы прибора при этом не функционируют.

    В случае подключения по интерфейсам Ethernet и RS-485 следует подать основное питание на прибор.

  2. Открыть OWEN Configurator.
  3. Нажать кнопку «Добавить устройства».
  4. В выпадающем меню «Интерфейс» во вкладке «Сетевые настройки» выбрать:
    • Ethernet (или другую сетевую карту, к которой подключен прибор) — для подключения по Ethernet;
    • STMicroelectronics Virtual COM Port — для подключения по USB или RS-485.

      Примечание
      Название и номер COM порта, присвоенный прибору ПК, можно уточнить в Диспетчере устройств Windows.
    Graphic
    Меню выбора интерфейса
Дальнейшие шаги для поиска устройства зависят от выбора интерфейса.

Чтобы найти и добавить в проект прибор, подключенный по интерфейсу Ethernet, следует:

  1. Выбрать «Найти одно устройство».
  2. Ввести IP-адрес подключенного устройства.
  3. Нажать вкладку «Найти». В окне отобразится прибор с указанным IP-адресом.

    Предупреждение
    Значение IP-адреса по умолчанию (заводская настройка) — 192.168.1.99.

  4. Выбрать устройство (отметить галочкой) и нажать ОК. Если устройство защищено паролем, то следует ввести корректный пароль. Устройство будет добавлено в проект.

Чтобы найти и добавить в проект прибор, подключенный по USB или RS-485:

  1. В выпадающем меню «Протокол» выбрать протокол Owen Auto Detection Protocol.
    Graphic
    Выбор протокола
  2. В поле «Настройки подключения» задать Авто.

  3. Выбрать «Найти одно устройство».
  4. Если прибор подключен по USB, поле «Адрес» оставить без изменения, иначе ввести сетевой адрес прибора.
  5. Нажать кнопку «Найти». В окне отобразится прибор с указанным адресом.
  6. Выбрать устройство (отметить галочкой) и нажать ОК. Если устройство защищено паролем, то следует ввести корректный пароль. Устройство будет добавлено в проект.

Пароль доступа

Для ограничения доступа к чтению и записи параметров конфигурации и для ограничения доступа в облачный сервис OwenCloud используется пароль.

Graphic
Пароль доступа

Пароль можно установить или изменить с помощью OWEN Configurator или OwenLogic.

В случае утери пароля следует сбросить прибор до заводских настроек (см. раздел).

По умолчанию пароль не задан.

Запись архива

В прибор встроена флеш-память (flash), размеченная под файловую систему с шифрованием файлов. Алгоритм шифрования – Data Encryption Standard. В качестве ключа используется строка superkey. Вектор инициализации генерируется с помощью хеш-функции (см. Приложение Расчет вектора инициализации для шифрования файла архива).

В архиве по умолчанию сохраняются следующие данные:

  • состояние батареи;

  • статус прибора (служебная информация для обращения в сервисный центр и в группу технической поддержки).

В OwenLogic можно настроить архивирование параметров сетевого интерфейса, в том числе пользовательские сетевые переменные (подробнее см. Руководство пользователя OwenLogic).

В памяти прибора архивы хранятся в виде записей. Записи разделены символами переноса строки (0x0D0A). Каждая запись соответствует одному параметру и состоит из полей, разделенных символом «;» (без кавычек). Формат записи приведен в таблице ниже.

Формат записи в файле архива
ПараметрТипРазмерКомментарий
Метка времениBinary data4 байтаВ секундах начиная с 00:00 01.01.2000 (UTC+0)
РазделительСтрока1 байтСимвол «;» (без кавычек)
Уникальный идентификатор параметра (UID)Строка8 байтВ виде строки из HEX-символов с ведущими нулями
РазделительСтрока1 байтСимвол «;» (без кавычек)
Значение параметраСтрокаЗависит от параметраВ виде строки из HEX-символов с ведущими нулями
РазделительСтрока1 байтСимвол «;» (без кавычек)
Статус параметраBinary data1 байт

1 – значение параметра корректно;

0 – значение параметра некорректно и его дальнейшая обработка не рекомендована

Перенос строкиBinary data2 байта\n\r (0x0D0A)

Запись в архив производится циклически. Период архивации, ограничение на размер одного файла и количество файлов архива задается пользователем в OWEN Configurator или OwenLogic. Если архив полностью заполнен, то данные перезаписываются, начиная с самых старых данных самого старого файла.

Архив можно считать с помощью:

  • OWEN Configurator;

  • пользовательского ПО (с помощью 20 функции Modbus).

С помощью OWEN Configurator архив можно сохранить в формате CSV, кодировка Win-1251.

Прибор фиксирует время в архивных файлах по встроенным часам реального времени. Также можно задать часовой пояс, который будет считываться внешним ПО. Архив записывается во флэш-память (flash) с определенной частотой, рассчитанной таким образом, чтобы ресурса флеш-памяти (flash) прибора хватило на срок не менее 10 лет работы.

Архив считывается с помощью 20 функции Modbus (0x14). Данная функция возвращает содержание регистров файла расширенной памяти. Функция поддерживает возможность считывать несколько групп, которые могут быть разделены, однако посылка внутри каждой группы должна быть непрерывной.

Запрос специфицирует группу или группы для чтения. Каждая группа определяется в поле «суб-запроса», которое содержит 7 байт:

  • тип ссылки – 1 байт (должен быть специфицирован как 6);

  • номер файла расширенной памяти – 2 байта;

  • начальный адрес регистра внутри файла – 2 байта;

  • количество регистров для чтения – 2 байта.

Количество регистров для чтения, вместе с другими полями в ответе, не должно превышать допустимую длину Modbus-сообщения – 256 байт.

Каждый файл содержит 10000 регистров, адресуемых как 0х0000–0х270F.

Внимание
В случае выключения питания прибора последняя запись в файле архива может не сохраниться.

Настройка сетевых интерфейсов

Общие сведения

В приборе, в зависимости от модификации, устанавливается до двух интерфейсов RS-485 для организации работы по стандартному протоколу Modbus. Вне зависимости от модификации в приборе всегда есть один интерфейс Ethernet.

Сетевые настройки прибора можно задать с помощью OWEN Configurator или в OwenLogic.

По интерфейсу Ethernet прибор работает по протоколу Modbus TCP (см. раздел).

Примечание

По Modbus TCP прибор можно опрашивать в четыре потока.

Примечание

OwenCloud опрашивает прибор в отдельном потоке и не мешает обмену по Modbus TCP.

Работа по интерфейсу RS-485 описана в разделах и.

Параметры сетевых интерфейсов

Ethernet

Параметры интерфейса Ethernet настраиваются с помощью OWEN Configurator или OwenLogic.

Предупреждение
Для применения новых сетевых настроек следует перезагрузить прибор. Если прибор подключен по USB, его также следует отключить от порта.
Graphic
Настройки параметров Ethernet

IP-адрес может быть:

  • статический;

  • динамический.

Статический IP-адрес устанавливается с помощью OWEN Configurator или OwenLogic.

Для обмена по сети Ethernet должны быть заданы параметры, приведенные в таблице ниже.

Параметры Ethernet
ПараметрОписание
IP-адресМожет быть статическим или динамическим. Заводская настройка – 10.2.11.122
Маска IP-адресаЗадает видимую прибором подсеть IP-адресов других устройств. Заводская настройка – 255.255.0.0
IP-адрес шлюзаЗадает адрес шлюза для выхода в Интернет. Заводская настройка – 10.2.1.1
Режим DHCP

Настройка режима работы DHCP. Возможные значения:

  • 0 – выкл.

  • 1 – вкл.

DNS сервер 1

Используется для получения IP-адреса по имени хоста. Минимальное значение — 0.0.0.0, максимальное — 255.255.255.255

DNS сервер 2

Применить сейчас

  0 – Нет;

  1 – Да

Для установки статического IP-адреса с помощью OWEN Configurator или OwenLogic следует:

  1. Зайти во вкладку «Сетевые настройки».

  2. Режим DHCP настроить как «Выкл»

  3. Установить значение в полях «Установить IP адрес», «Установить маску подсети» и «Установить IP-адрес шлюза».

Для установки статического IP-адреса c помощью сервисной кнопки следует:

  1. Подключить прибор к сети Ethernet.

  2. Зайти во вкладку «Сетевые настройки» в OwenLogic.

  3. Режим DHCP настроить как «Вкл»

  4. Установить значение в полях «Установить IP адрес», «Установить маску подсети» и «Установить IP-адрес шлюза».

  5. «Применить сейчас» настроить в «Нет».

  6. Запустить OWEN Configurator на ПК, подключенному к той же сети Ethernet.

  7. Выбрать вкладку «Назначение IP-адресов».

  8. Нажать сервисную кнопку, контролируя результат в окне программы. В окне OWEN Configurator будет отображаться информация о присвоенном статическом IP-адресе и других параметров сети.

При наличии в сети активного DHCP-сервера, прибор получит новый IP-адрес.

RS-485

Параметры интерфейса RS-485 настраиваются с помощью OWEN Configurator или OwenLogic.

Graphic
Настройки параметров RS-485
Параметры RS-485
ПараметрОписание
Скорость

Скорость работы СОМ-порта. Возможные значения:

 3 – 9600 бит/с

 4 – 14400 бит/с

 5 – 19200 бит/с

 6 – 38400 бит/с

 7 – 57600 бит/с

 8 – 115200 бит/с

Размер данных

Размер данных в посылке. Возможные значения:

 0 – 8 бит

 1 – 7 бит

Кол. стоп-битов

Возможные значения:

 0 – 1 стоп

 1 – 2 стопа

Контроль четности

Количество стоп-бит. Возможные значения:

 0 – нет

 1 – нечет

 2 – чет

Slave ID

Адрес прибора в сети RS-485. По умолчанию — 16

Modbus RTU/Modbus ASCII

Прибор работает по интерфейсу RS-485 по одному из режимов обмена данными: Modbus-RTU (Master/Slave) или Modbus-ASCII (Master/Slave). Прибор автоматически распознает режим обмена Modbus-RTU или Modbus-ASCII.

Параметры работы можно настроить в OwenLogic (см. раздел).

Modbus TCP

По протоколу Modbus TCP прибор работает только через Ethernet порт. Работа по протоколу Modbus TCP настраивается в OwenLogic (см. раздел).

Примечание

Следует отключать режим DHCP в настройках Ethernet в случаях:

  • в локальной сети нет DHCP сервера;

  • прибор соединен с компьютером в сеть «точка-точка».

Режимы Master и Slave

Режим Master

Когда сетевые интерфейсы настроены в режим Master, прибор поддерживает следующие возможности:

  • чтение по таймеру;

  • чтение/запись по событию;

  • запись по изменению (используется по умолчанию).

Для RS-485 допускается наличие только одного устройства в режиме Master.

Прибор поддерживает управление до 32 устройствами и 64 переменными. Допускается использование одинаковых адресов и имен переменных для каждого устройства.

В сетевом регистре с адресом 2008 DEC (0х7D8 HEX) хранятся статусы обмена со Slave устройствами: 1 в соответствующем бите (32 бита на 32 Slave устройства) означает, что обмен с устройством есть, 0 - что обмена нет.

Регистр с адресом 2010 DEC (0х7DA HEX) существует для управления обменом со Slave устройствами: 1 в соответствующем бите (32 бита на 32 Slave устройства) - разрешить обмен с устройством, 0 - запретить обмен.

Объем памяти под сетевые переменные в режиме Master — 512 байт.

Для опроса следует добавить и настроить устройства (см. рисунок ниже).

Graphic
Настройки Modbus Master

ПараметрОписание

Имя

Имя устройства для отображения в дереве настроек

ИнтерфейсУказывается интерфейс опроса RS-485 или Ethernet
Адрес

Сетевой адрес устройства

Таймаут ответа

Время, по истечении которого попытка опроса считается неудачной

ПротоколПротокол опроса прибора

Кол-во попыток

Неудачных попыток опроса, при достижении которого изменяется Статус устройства.

Старшим регистром вперед

Определяет очередность посылки регистров во время работы с двухрегистровыми переменными

Старшим байтом вперед

Определяет очередность следования байтов в посылке

Более подробное описание приведено в Руководстве пользователя OwenLogic.

Режим Slave

Когда сетевые интерфейсы настроены в режим Slave, прибор поддерживает следующие функции:

  • чтение значений из нескольких регистров флагов, хранения и ввода;
  • чтение значений из одиночных регистров флагов, хранения и ввода;
  • запись значений в несколько регистров хранения и флагов;
  • запись значений в одиночные регистры хранения и флагов.

Переключение сетевого интерфейса в режим Slave производится с помощью OwenLogic. Карты регистров для опроса приведены в Приложении Карты регистров.

Объем памяти под сетевые переменные в режиме Slave — 2040 байт.

Настройка таймаута перехода в безопасное состояние

В случае, когда связь с Мастером сети потеряна, прибор может перейти в безопасное состояние.

Graphic
Настройка таймаута
Настройка таймаута
ПараметрОписание
Таймаут перехода в безопасное состояниеПрибор переходит в безопасное состояние, если в течение времени тайм-аута отсутствуют команды от Мастера сети. Если значение 0, то переход в безопасное состояние отключен

Работа по протоколу Modbus

Список поддерживаемых функций

Название функции

Код согласно спецификации Modbus

Описание функции

MODBUS_READ_HOLDING_REGISTERS

3 (0x03)

Чтение значений из одного или нескольких регистров хранения

MODBUS_READ_INPUT_REGISTERS

4 (0x04)

Чтение значений из одного или нескольких регистров ввода

MODBUS_WRITE_SINGLE_REGISTER

6 (0x06)

Запись значения в один регистр

MODBUS_WRITE_MULTIPLE_REGISTERS

16 (0x10)

Запись значений в несколько регистров

MODBUS_READ_FILE_RECORD

20 (0x14)

Чтение архива из файла

MODBUS_WRITE_FILE_RECORD

21 (0x15)

Запись архива в файл

Параметры битовой маски могут читаться функциями 0х03 и 0х01. В случае использования функции 0x01 номер регистра следует умножить на 16 и прибавить номер бита.

Общие регистры оперативного обмена по протоколу Modbus
НазваниеРегистрРазмерТипОписание
Название (имя) прибора для показа пользователю (DEV)0xF00032 байтаСимвольная строкаКодировка Win-1251
Версия встроенного ПО прибора для показа пользователю (VER)0xF01032 байтаСимвольная строкаКодировка Win-1251
Название платформы0xF02032 байтаСимвольная строкаКодировка Win-1251
Версия платформы0xF03032 байтаСимвольная строкаКодировка Win-1251
Версия аппаратного обеспечения0xF04016 байтСимвольная строкаКодировка Win-1251
Дополнительная символьная информация0xF04816 байтСимвольная строкаКодировка Win-1251
Время и дата0xF0804 байтаUnsigned 32В секундах с 2000 г.
Часовой пояс0xF0822 байтаSigned shortСмещение в минутах от Гринвича
Заводской номер прибора0xF08432 байтаСимвольная строкаКодировка Win-1251, используется 17 символов
Основные форматы данных
Формат данныхКол-во регистровРазмерОписание
Unsigned 1612 байтаЦелое число без знака
Unsigned 3224 байта
Signed 1612 байтаЦелое число со знаком
Date time 3224 байтаДата/Время в секундах с 1 января 2000 г.
Специальные форматы данных
Формат данныхКол-во регистровРазмерОписание
Enum 1...Enum 3711 байт

Описывает позицию выбранного параметра из списка доступных в OWEN Configurator, например, тип датчика для дискретно-аналоговых входов

Float 3224 байт

Вещественный формат представления данных

Unsigned 811 байтЦелочисленный беззнаковый формат
String 4836 байтСтрока из шести символов
String 6448 байтСтрока из восьми символов
String 128816 байтСтрока из шестнадцати символов

Список регистров Modbus можно считать с прибора с помощью OWEN Configurator во вкладке «Параметры устройства».

Список регистров Modbus представлен в таблицах Приложения Карты регистров Modbus.

При работе с переменными, занимающими два и более регистра:

  • порядок байт — старшим байтом вперед;

  • порядок регистров — младшим регистром вперед.

Обработка ошибок обмена по Modbus

Список кодов общих ошибок Modbus

Возвращаемый код*

Описание ошибки

01

В приборе не реализована обработка запрашиваемого кода функции

02

Адрес данных, указанный в запросе, отсутствует в приборе. Критерии проверки – удовлетворение диапазону начального адреса регистра и количество регистров

03

Значение, содержащееся в поле данных запроса, является недопустимой величиной. Критерий проверки – соответствие длины записываемых или читаемых данных размерности типа регистра; соответствие записываемой величины условиям минимального и максимального значений регистра

04

Невосстанавливаемая ошибка. Критерий – получение запроса при нахождении прибора в состоянии «Авария»
05

Запрос принят в работу, но на его обработку требуется много времени. Код ошибки предохраняет ведущее устройство от генерации ошибки тайм-аута. Критерий проверки – время на обработку запроса превышает заданное значение (например, при приеме запроса при исполнении программы логики)

06

Устройство занято. Критерий – прием запроса при наличии в обработке предыдущего запроса

08

Ошибка при обращении с запросами на чтение (функция 20) или запись (функция 21) файла. Критерий – неверная CRC или нарушение целостности файла при его чтении из памяти

Примечание
* Согласно спецификации Modbus.

Обработка пакетов производится в следующем порядке:

  1. Проверяется валидность пакета. Не прошедший проверку пакет отбрасывается.

  2. Проверяется адрес (SlaveID), если получен чужой пакет, то такой пакет игнорируется.

  3. Проверка на функцию Modbus.

Если приходит запрос с функцией, не из таблицы выше, то выдается ошибка «MODBUS_ILLEGAL_FUNCTION».

Расшифровка ошибок данных и файлов приведена в таблицах ниже.

Обработка ошибок данных
Используемая функцияНаименование ошибкиВозможные ситуации, приводящие к ошибке
MODBUS_READ_ HOLDING_REGISTERSMODBUS_ILLEGAL_DATA_ADDRESS

Количество запрашиваемых регистров больше максимально возможного числа (125).

Запрос несуществующего параметра

MODBUS_READ_INPUT_ REGISTERSMODBUS_ILLEGAL_DATA_ADDRESS

Количество запрашиваемых регистров больше максимально возможного числа (125).

Запрос несуществующего параметра

MODBUS_WRITE_SINGLE_ REGISTERMODBUS_ILLEGAL_DATA_ADDRESS

Попытка записи параметра, размер которого превышает 2 байта.

Попытка записи параметра, доступ на запись к которому запрещен.

Попытка записи параметра такого типа, запись в который не может быть осуществлена данной функцией.

Запрос несуществующего параметра.

Поддерживаемые типы данных:

  • знаковые и беззнаковые целые (размер не более 2 байт);

  • перечисляемые

MODBUS_ILLEGAL_DATA_VALUEВыход за пределы максимального или минимального ограничений для параметра
MODBUS_WRITE_ MULTIPLE_REGISTERSMODBUS_ILLEGAL_DATA_ADDRESS

Запись несуществующего параметра.

Попытка записи параметра, доступ на запись к которому запрещен.

Количество записываемых регистров больше максимального возможного числа (123)

MODBUS_ILLEGAL_DATA_VALUE

Не найден терминирующий символ (\0) в строковом параметре.

Размер запрашиваемых данных меньше размера первого или последнего в запросе параметра.

Выход за пределы максимального или минимального ограничений для параметра

Ошибки во время работы с файлами архива
Используемая функцияНаименование ошибкиВозможные ситуации, приводящие к ошибке
MODBUS_READ_FILE_ RECORDMODBUS_ILLEGAL_ FUNCTIONОшибочный размер данных (0x07 ≤ data length ≤ 0xF5)
MODBUS_ILLEGAL_DATA_ ADDRESS

Reference type не соответствует спецификации;

не удалось открыть файл для чтения (возможно, он отсутствует)

MODBUS_ILLEGAL_DATA_ VALUEНе удалось переместиться к нужному смещению в файле
MODBUS_SLAVE_DEVICE_ FAILURE

Ошибка удаления файла при запросе на удаление.

Запрос слишком большого количества данных (больше 250 байт).

Недопустимый record number (больше 0x270F).

Недопустимый record length (больше 0x7A)

MODBUS_WRITE_FILE_ RECORDMODBUS_ILLEGAL_ FUNCTIONОшибочный размер данных (0x09 ≤ data length ≤ 0xFB)
MODBUS_ILLEGAL_DATA_ ADDRESS

Reference type не соответствует спецификации.

Не удалось открыть файл для записи

MODBUS_SLAVE_DEVICE_ FAILURE

Запрашиваемый файл отсутствует.

Запрашиваемый файл доступен только для чтения.

Не удалось записать необходимое количество байт

Настройка параметров работы OwenCloud

Примечание

Для соединения с сервером OwenCloud в локальной сети должен быть открыт порт 26502.

Рекомендуется в настройках подключаемых приборов указывать в качестве DNS-сервера Google Public DNS (8.8.8.8).

Прибор должен быть запитан от внешнего источника питания и подключен к Интернет с помощью интерфейса Ethernet.

Для подключения прибора к OwenCloud следует:

  1. Подключить прибор к ПК и создать проект в OwenLogic с использованием сетевых переменных.

  2. Установить пароль для доступа к прибору (см. раздел).

    Предупреждение
    Если пароль для прибора не задан, то подключение к OwenCloud невозможно.
  3. В окне настроек прибора разрешить доступ к OwenCloud.

    Graphic
    Настройки подключения к OwenCloud
    Примечание

    Значение параметра Статус подключения к OwenCloud можно считать по Modbus или привязать переменную пользовательской программы. Описание параметра приведено в таблице ниже.

    Возможные состояния параметра «Статус подключения к OwenCloud»
    СостояниеЗначениеОписание
    Нет соединения0Выключен обмен с OwenCloud
    Идентификация1Устанавливается подключение к OwenCloud
    Работа2OwenCloud управляет прибором, ошибок нет
    Ошибка сети3Прибор не может установить соединение с сервером OwenCloud
    Нет пароля4Не установлен пароль на прибор

  4. Разрешить удаленный доступ к регистрам Modbus.

    Graphic
    Удаленный доступ к регистрам Modbus
    Примечание
    Настроить параметры прибора для работы с OwenCloud так же можно в OWEN Configurator. Но без загруженной программы сетевые переменные доступны не будут.
  5. Загрузить программу в прибор.

    Примечание
    Следует убедиться, что переключатель Работа/Стоп находится в положении Работа.
  6. Зайти на главную страницу сервиса OwenCloud. Если необходимо, то пройти процедуру регистрации.

  7. Перейти на вкладку Администрирование, открыть вкладку Приборы и нажать кнопку Graphic.

  8. Появится окно с выбором типа прибора.

    Graphic
    Выбор типа прибора

    Вариант ПР225 по Ethernet — Автоопределение:

    1. В появившемся окне в полях:

      • Идентификатор ввести заводской номер прибора;

      • Адрес в сети оставить без изменения адрес 1;

      • Название прибора – ввести название прибора;

      • Часовой пояс – указать часовой пояс, в котором находится прибор.

    2. Нажать кнопку «Добавить». Откроется интерфейс базовых настроек прибора.

    3. Ввести пароль от прибора. Если необходимо, можно изменить и другие настройки (например, период опроса).

    4. Нажать кнопку «Сохранить» для применения новых настроек.

    5. OwenCloud подключится к прибору и считает все параметры из него.

    Вариант ПР225 по Ethernet — Ручная настройка:

    1. В полях:

      • Идентификатор ввести заводской номер прибора;

      • Адрес в сети оставить без изменения адрес 1;

      • Название прибора – ввести название прибора;

      • Часовой пояс – указать часовой пояс, в котором находится прибор.

    2. Нажать кнопку «Добавить». Откроется интерфейс общих настроек прибора.

    3. Нажать кнопку «Сохранить» для применения новых настроек.

    4. Далее на вкладке Параметры/Настройки параметров добавить сетевые параметры прибора. Сетевые параметры можно сохранить в виде файла *.json, если воспользоваться расширением Экспорт устройства в OwenCloud OwenLogic. Для добавления параметров следует нажать на выпадающий список Импортировать и выбрать вариант Загрузить из JSON. В открывшемся меню выбрать ранее созданный файл в формате *.json и нажать кнопку Загрузить параметры.

      Graphic
      Импорт параметров

    Вариант ПР225 по RS485 - Через шлюз:

    1. В появившемся окне в полях:

      • Идентификатор ввести заводской номер шлюза;

      • Адрес в сети установить в соответствии с адресом порта к которому подключен шлюз;

      • Название прибора – ввести название прибора;

      • Часовой пояс – указать часовой пояс, в котором находится прибор.

    2. Нажать кнопку «Добавить». Появится окно настройки обмена с OwenCloud.

      Graphic
      Настройки обмена с OwenCloud

      Поля:

      • Скорость СОМ-порта

      • Настройка СОМ-порта установить в соответствии с адресом порта к которому подключен шлюз;

      • Протокол Modbus – ввести название прибора;

      должны соответствовать аналогичным настройкам порта к которому подключен шлюз.

    3. Нажать кнопку «Сохранить» для применения новых настроек.

    4. Далее на вкладке Параметры/Настройки параметров добавить сетевые параметры прибора. Сетевые параметры можно сохранить в виде файла *.json, если воспользоваться расширением Экспорт устройства в OwenCloud OwenLogic. Для добавления параметров следует нажать на выпадающий список Импортировать и выбрать вариант Загрузить из JSON. В открывшемся меню выбрать ранее созданный файл в формате *.json и нажать кнопку Загрузить параметры.

      Graphic
      Импорт параметров

Если все настройки были корректными, то на вкладке Общие данные отобразятся данные от прибора.

Если прибор не опрашивается из OwenCloud, то следует проверить:

  1. Сетевые настройки, параметр Статус подключения:

    Graphic
    Пример отображения статуса
  2. Cтатус подключения к OwenCloud.

    Graphic
    Пример отображения подключения к OwenCloud

Если значения не пишутся в прибор из OwenCloud следует проверить наличие установленной галочки в столбце Управляемый параметр.

Graphic
Управляемый параметр

Настройка часов

Настройка часов производится в ветви Часы.

Graphic
Настройка значений даты и времени

Настройка часов
ПараметрОписание
Установить дату и время компьютераПосле нажатия кнопки Записать в прибор будет записаны дата и время с ПК
Установить часовой пояс компьютераПосле нажатия кнопки Записать в прибор будет записано значение часового пояса с ПК

В ветви Часы реального времени можно привязать переменные программы пользователя к настройкам часов реального времени прибора для их изменения из программы.

Graphic
Привязка переменных к настройкам часов реального времени
Часы реального времени
ПараметрОписание
Время и дата (UTC)Текущее время в секундах от 1 января 2000 г.
Часовой пояс, минЗадает часовой пояс, в котором находится прибор
Время в миллисек, мсВремя работы прибора с момента подачи питания (USB или внешнего)

Так же в узле Переменные даты и времени можно связать программу пользователя со значениями даты и времени.

Graphic
Привязка переменных к значениям даты и времени

Настройки прибора

Graphic
Настройки прибора
ПараметрОписание
Подсветка экранаНастраивает время работы подсветки экрана. Значения:
  • Всегда;

  • 10 секунд;

  • 30 секунд;

  • 1 минута;

  • 10 минут

Настройка параметров статуса

В дереве параметров прибора доступны параметры статуса прибора и его батареи.

Graphic
Параметры статуса прибора

Описание значений параметра «Ошибки»

Значение

Описание

Примечание

0

Нет основной тактовой частоты

Проверяются один раз при старте

1

Не корректный ID микроконтроллера

2

Зависание микроконтроллера из-за аппаратно-зависимой ошибки в ПО

3

Не инициализируется шина SPI Flash-памяти или установлена не поддерживаемая модель Flash-памяти

4

Ошибка часов реального времени

5

Ошибка сторожевого таймера

Проверяются периодически во время работы

6

Ошибка Retain

7

Ошибка инициализации логики

Описание значений параметра «Предупреждения»

Значение

Описание

Примечание

0

Предупреждение батареи

Проверяются периодически во время работы

1

Предупреждение интерфейса Ethernet

2

Предупреждение безопасного состояния

Graphic
Параметры состояния батареи
Возможные состояния параметра «Состояние батареи»
ЗначениеОписание
0Норма
1Разряжена

Восстановление заводских настроек

Внимание

После восстановления заводских настроек:

  • пользовательская программа удаляется;

  • все настройки, кроме IP-адресов Ethernet, сбрасываются на заводские значения;

  • пароль удаляется.

Graphic
Восстановление заводских настроек

Для восстановления заводских настроек следует:

  1. Включить питание прибора.

  2. С помощью тонкого инструмента нажать и удерживать сервисную кнопку более 12 секунд.

  3. Отпустить кнопку. Прибор перезагрузится и сбросит настройки на заводские значения.

  4. Отключить питание прибора.

При следующей подаче питания прибор начнет работу с заводскими настройками.

Монтаж

Установка

Для установки прибора следует:

Graphic
Монтаж прибора
  1. Подготовить в щите управления монтажный вырез для установки прибора (см. рисунок).
  2. Убедиться, что уплотнительная прокладка не повреждена и установлена на корпус прибора ровно.
  3. Вставить прибор в монтажный вырез щита.
  4. Вставить фиксаторы из комплекта поставки в отверстия на верхней и нижней поверхностях прибора.

  5. Завернуть винты из комплекта поставки в отверстия каждого фиксатора так, чтобы прибор был плотно и равномерно прижат к лицевой панели щита.

Демонтаж прибора следует производить в обратном порядке.

Graphic
Габаритные размеры и монтажного отверстия в щите

«Быстрая» замена

Конструкция клемм позволяет оперативно заменить прибор без демонтажа подключенных к нему внешних линий связи.

Для «быстрой» замены прибора следует:

  1. Обесточить все линии связи, подходящие к прибору, в том числе линии питания.
  2. Отделить от прибора съемные части каждой из клемм вместе с подключенными внешними линиями связи с помощью отвертки или другого подходящего инструмента (см. рисунок).
  3. Открутить винты и снять фиксаторы.

  4. Извлечь прибор из монтажного отверстия, на его место установить другой прибор (аналогичной модификации) с предварительно удаленными съемными частями клемм.
  5. К установленному прибору подсоединить съемные части клемм с подключенными внешними линиями связи.
Graphic
Отсоединение съемных частей клемм

Подключение

Рекомендации к подключению

В зависимости от модификации прибору требуется переменное или постоянное напряжение питания.

Прибор следует подключать к сети переменного тока от сетевого фидера, не связанного непосредственно с питанием мощного силового оборудования. Во внешней цепи рекомендуется установить выключатель, обеспечивающий отключение прибора от сети.

Внимание
Питание каких-либо устройств от сетевых контактов прибора запрещается.

Для обеспечения надежности электрических соединений рекомендуется использовать кабели медные многожильные, концы которых перед подключением следует тщательно зачистить и залудить или использовать кабельные наконечники. Жилы кабелей следует зачищать так, чтобы их оголенные концы после подключения к прибору не выступали за пределы клеммника. Сечение жил кабелей должно быть не более 2,5 мм2.

Для записи пользовательской программы прибор подключается через интерфейсный порт USB type C к USB-порту ПК.

Внимание
Перед подключением разъема USB прибор должен быть обесточен!

Аналоговые входы и интерфейс USB не имеют гальванической развязки между собой. Для безопасной работы с данными входами, подключаемое к ним оборудование должно иметь одинаковый потенциал заземления или иметь гальваническую изоляцию. Чтобы избежать выхода из строя прибора, перед включением оборудования следует убедиться, что подключаемые к данным входам устройства имеют одинаковый потенциал заземления. Если нет возможности обеспечить одинаковый потенциал заземления оборудования — запрещается подключать к аналоговым входам и USB устройства одновременно. Во время программирования прибора по USB следует отключать от аналоговых входов кабели или использовать устройства с гальванической развязкой (устройство гальванической развязки интерфейса USB, ноутбук с питанием от батареи и т. п.).

Предупреждение
Если существует вероятность возникновения разности потенциалов между общими клеммами аналоговых входов рекомендуем устанавливать внешнюю перемычку (провод минимальной длины сечением 1,5 мм2 между ними).
Примечание
Для повышения помехозащищенности прибора, рекомендуем разносить питание аналоговых входов на отдельный источник питания от питания самого прибора, дискретных входов/выходов. Если требуется объединить земли каналов для заземления, то необходимо делать это по схеме "звезда".
Предупреждение
Питание датчиков, концевых выключателей и других периферийных устройств, подключаемых к аналоговым и дискретным входам прибора, должно осуществляться только от источника питания с усиленной изоляцией согласно ГОСТ IEC 61131-2-2012, чтобы исключить появление опасного напряжения на портах прибора.

Помехи и методы их подавления

На работу прибора могут оказывать влияние внешние помехи:

  • возникающие под действием электромагнитных полей (электромагнитные помехи), наводимые на прибор и на линии связи с внешним оборудованием;
  • в питающей сети.

Для уменьшения влияния электромагнитных помех рекомендуется:

  • надежно экранировать сигнальные линии, экраны следует электрически изолировать от внешнего оборудования на протяжении всей трассы и подсоединить к заземленному контакту щита управления;
  • установить прибор в металлическом шкафу, внутри которого не должно быть никакого силового оборудования, корпус шкафа должен быть заземлен.

Для уменьшения помех, возникающих в питающей сети рекомендуется:

  • монтируя систему, в которой работает прибор, следует учитывать правила организации эффективного заземления и прокладки заземленных экранов:
    • все заземляющие линии и экраны прокладывать по схеме «звезда» с обеспечением хорошего контакта с заземляемым элементом;
    • заземляющие цепи должны быть выполнены кабелями наибольшего сечения.

Для уменьшения уровня помех можно применять программные фильтры, которые настраиваются индивидуально для каждого входа. Программные фильтры доступны для:

  • всех типов аналоговых датчиков;
  • дискретных входов с номинальным напряжением 24 В.
Примечание
Увеличение значения постоянной времени фильтра аналогового входа замедляет реакцию прибора на быстрые изменения входной величины.

Схемы гальванической развязки

Схемы гальванической развязки
ПриборСхема гальванической развязки
ПР225-230.1208.01.Х
Graphic
ПР225-230.1210.02.Х
Graphic
ПР225-230.1208.04.Х
Graphic
ПР225-230.1210.06.Х
Graphic
ПР225-24.1208.01.Х
Graphic
ПР225-24.1210.02.Х
Graphic
ПР225-24.1208.04.Х
Graphic
ПР225-24.1210.06.Х
Graphic

Подключение датчиков

Подключение датчиков с выходом типа «сухой контакт» к дискретным входам

Graphic
Схема подключения дискретных датчиков с питанием 230 В к входам типа «ДФ»
Примечание
Если входы типа«Д» не воспринимают входные сигналы, то следует проверить полярность подключения.
Graphic
Схема подключения дискретных датчиков с питанием 24 В к входам типа «Д»

Подключение датчиков c выходом транзистора n-p-n и p-n-p к дискретным входам типа «Д»

Датчик с выходом push-pull

Дискретный датчик с выходом push-pull следует подключать напрямую к входу типа «Д».

Graphic
Подключение к входам типа «Д» датчиков с выходом push-pull
Датчик с выходом n-p-n транзистора

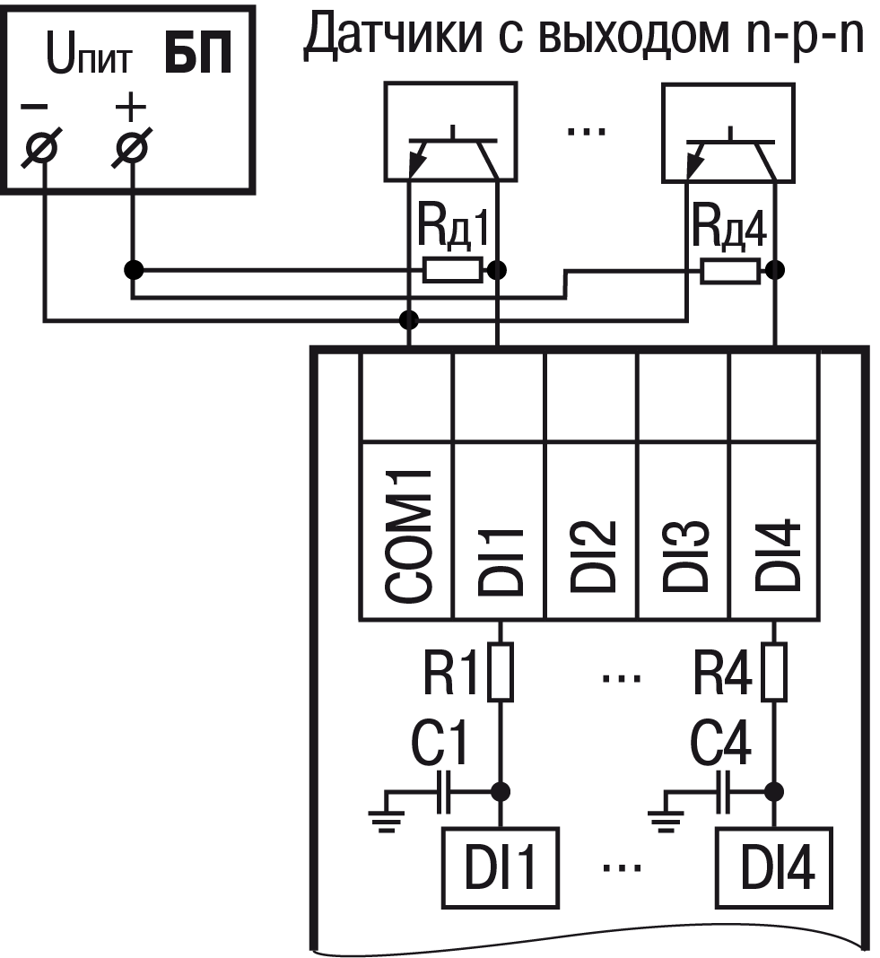
Датчик с выходом n-p-n транзистора следует подключать с помощью дополнительного резистора Rд (см. рисунок ниже).

Graphic
Подключение к входам типа «Д» датчиков с выходом n-p-n

Номинал Rд, не более которого мы можем использовать, рассчитываем по формуле:

Graphic

, где

Up.min - минимально возможное напряжение питания, к которому подключен Rд;

Iin.max = 2,75 мА - максимальный ток входа;

Vin.h.max = 8,55 В - максимальное напряжение смены состояния входа в логическую единицу;

Rin = 56 Ом - последовательный резистор в приборе.

Пример

При питании Rд от 12 В.

Примем Up.min = 9 В.

По формуле, получим Rд не более 107,636 Ом.

Пример

При питании Rд от 24 В.

Питание по ГОСТ IEC 61131-2-2012 может отклоняться на -15 %.

Получается, что минимально возможное напряжение питания: Up.min = 24 В ∙ (100 % - 15 %) = 20,4 В.

По формуле, получим Rд не более 4,253 кОм.

Датчик с выходом p-n-р транзистора

Датчик с выходом p-n-р транзистора следует подключать без дополнительного резистора.

Graphic
Подключение к входам типа «Д» датчиков с выходом p-n-р
Сводная таблица подобранных номиналов внешних резисторов для входа типа Д

Тип выхода датчика

Номинальное напряжение питания

Номинал дополнительного сопротивления, не более

n-p-n транзистор12 В107 Ом
24 В4253 Ом
p-n-p транзисторНе требуется

Подключение дискретных датчиков к аналоговым входам

Предупреждение
Перед подключением дискретных датчиков, следует проверить, что вход прибора настроен на дискретный режим.
Graphic
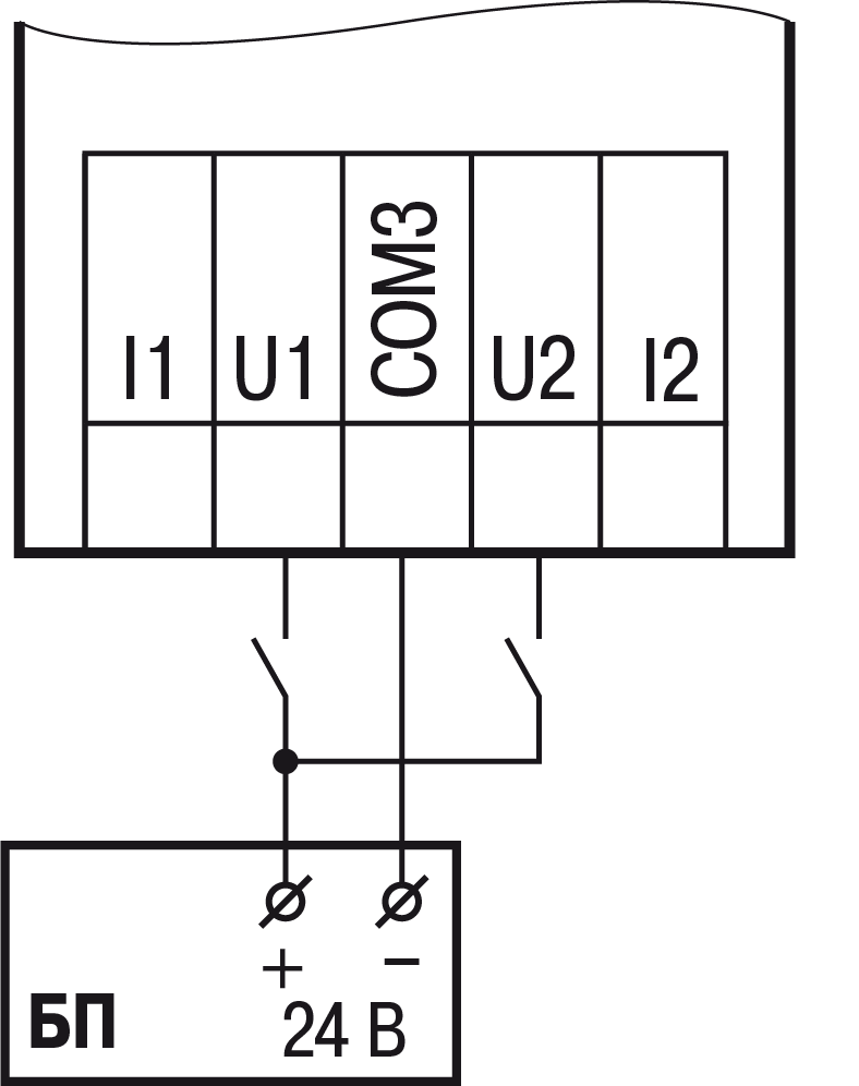
Схема подключения к универсальным входам, работающим в дискретном режиме датчиков типа «сухой» контакт
Graphic
Схема подключения к универсальным входам, работающим в дискретном режиме трехпроводных дискретных датчиков, имеющих выходной транзистор p-n-p-типа с открытым коллектором
Примечание
Контакты COM3 объединены электрически внутри прибора.

Подключение аналоговых датчиков

Предупреждение
Перед подключением аналоговых датчиков следует проверить, что вход прибора настроен на аналоговый режим.

Режим работы универсального входа переключается в OwenLogic (см. раздел).

Внимание
Настройка режима работы входа в OwenLogic должна соответствовать схеме подключения датчика к клеммам входа.
Предупреждение
Для защиты входных цепей прибора от возможного пробоя зарядами статического электричества, накопленного на линиях связи «прибор – датчик», перед подключением к клеммнику прибора их жилы следует на 1–2 секунды соединить с винтом функционального заземления (FE) щита.

Во время проверки исправности датчика и линии связи следует отключить прибор от сети питания. Чтобы избежать выхода прибора из строя при «прозвонке» связей, следует использовать измерительные устройства с напряжением питания не более 4,5 В. Для более высоких напряжений питания этих устройств отключение датчика от прибора обязательно.

Параметры линии соединения прибора с датчиком приведены в таблице ниже.

Параметры линии связи прибора с датчиками
Тип датчикаДлина линий, м, не болееСопротивление линии, Ом, не болееИсполнение линии
Резистивные сигналы100—*Двухпроводная, провода равной длины и сечения
Унифицированный сигнал постоянного тока100100Двухпроводная
Унифицированный сигнал напряжения постоянного тока1005Двухпроводная
Примечание

* Для двухпроводной схемы подключения датчика сопротивление проводов, идущих к датчику, суммируется с сопротивлением датчика, и вносит пропорциональную погрешность в измерение. Фактор суммирования сопротивлений следует учитывать во время проектирования схемы подключения и соотносить сопротивление подводящих проводов с рабочим диапазоном сопротивления датчика.

Например, датчик Cu 500 (α = 0,00428 °С−1) с диапазоном измерений −50...+200 °С имеет соответствующий диапазон сопротивлений 393,5...926 Ом. Рабочий диапазон датчика составляет 532,5 Ом. Следовательно, сопротивление подводящих проводов в 1 Ом внесет погрешность (1 ∙ 100) / 532,5 = 0,19 % в показания температуры.

ТС подключается по двухпроводной схеме.

Graphic
Подключение ТС к аналоговому входу
Graphic
Подключение датчиков с выходом в виде тока
Graphic
Подключение датчиков с выходом в виде напряжения
Graphic
Подключение резистивных датчиков

Подключение нагрузки к ВЭ

Подключение нагрузки к ВЭ типа «Р»

Graphic
Схема подключения ВЭ типа «Р»

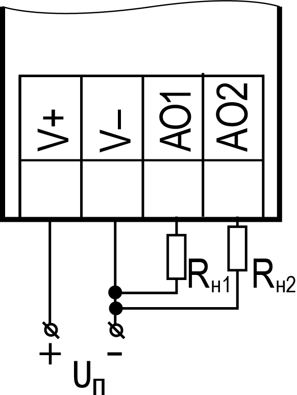
Подключение нагрузок к выходу типа «АУ»

Примечание
Для работы ВЭ следует использовать внешний источник питания постоянного тока.
Внимание
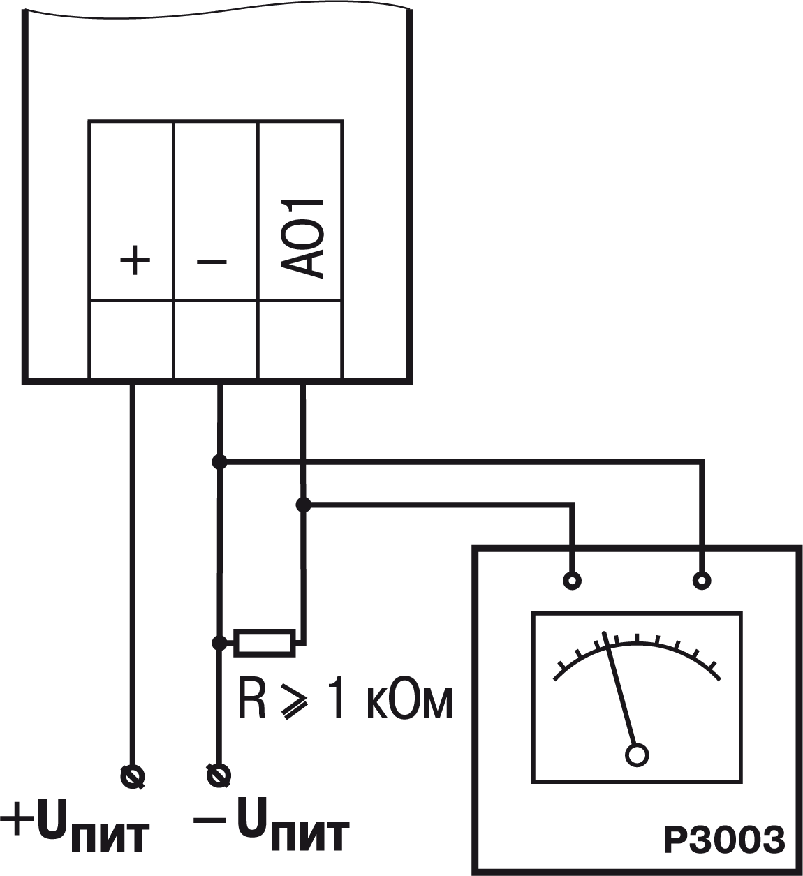
Напряжение источника питания ЦАП должно быть не более 30 В.
Graphic
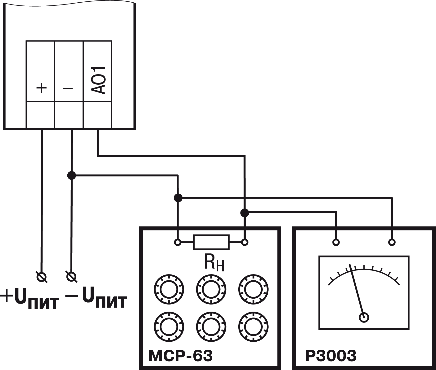
Подключение аналогового выхода, находящегося в режиме источника тока

Сопротивление нагрузки для режима работы выхода 4...20 мА должно быть не более 600 Ом.

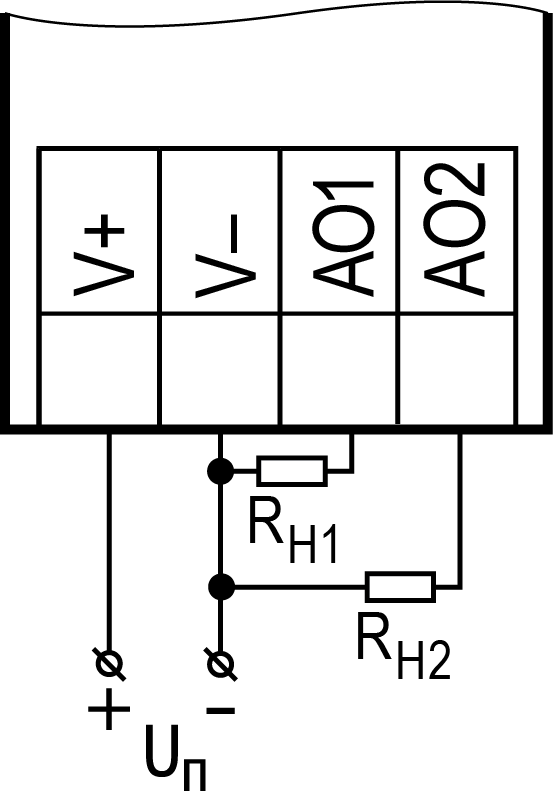
Graphic
Подключение аналогового выхода, находящегося в режиме источника напряжения

Сопротивление нагрузки для режима работы выхода 0...10 В должно быть не менее 600 Ом.

Подключение нагрузки к ВЭ типа «КТ»

Graphic
Подключение нагрузки к выходу типа «КТ»

Подключение к сети RS-485

Следует обеспечить максимально-возможную близость значений сопротивления согласующего резистора Rсогл и волнового сопротивления кабеля. Стандартные кабели для организации сети RS-485 имеют волновое сопротивление 120 Ом.

Graphic
Типовая схема подключения в режиме Slave
Graphic
Типовая схема подключения в режиме Master

Подключение по интерфейсу Ethernet

Graphic
Подключение по схеме «Звезда»

Подключение к OwenCloud

Примечание
Подключать к OwenCloud следует только запрограммированный прибор.

Graphic
Подключение к OwenCloud

Для подключения к OwenCloud следует использовать интерфейс Ethernet. Обмен с OwenCloud возможен одновременно с опросом прибора по Modbus TCP.

Настройка подключения к OwenCloud описана в разделе.

Подключение к ПК

Для подключения к ПК прибор следует использовать кабель USB type C — USB A или кабель Ethernet.

Graphic
Схема подключения прибора к ПК по USB
Graphic
Схема подключения прибора к ПК по Ethernet
Graphic
Схема подключения прибора к ПК по RS-485

Эксплуатация

Управление и индикация

На лицевой панели прибора расположены (см. рисунок ниже):

  • цветной графический экран;

  • семь кнопок;

  • пять светодиодов;

Graphic
Лицевая панель прибора

Функции кнопок делятся на базовые и программируемые. Базовые функции приведены в таблице ниже. Программируемые описаны в разделе.

Функции кнопок
КнопкаНазначение
Режим просмотра
Graphic и Graphic

Переход или перелистывание в пределах текущего экрана.

Переход к следующему экрану, когда зона выделения на границе текущего экрана

GraphicНажать и удерживать 6 секунд для входа в системное меню
GraphicНажать и удерживать 6 секунд для выхода из системного меню
Graphic + GraphicПереход на экран аварий
Режим редактирования
Graphic

Вход в режим редактирования на текущем экране.

При нажатии становится доступным для редактирования первый доступный для редактирования элемент на экране, начинает мигать

Применение измененного значения в режиме редактирования и переход к следующему компоненту

Graphic и Graphic

Изменение значения параметра.

Для ускорения изменения значения нажать и удерживать

Graphic и Graphic

Перемещение по разрядам — на разряд выше и ниже. При подходе к максимальному разряду переходит на самый младший

Graphic + Graphic

Перемещение на разряд ниже

Graphic + Graphic

Перемещение на разряд выше

GraphicВыход из режима редактирования без сохранения отредактированного значения
Graphic

Выход из режима редактирования и сохранение отредактированного значения

Назначение светодиодов
СветодиодЦветСтатусНазначение

Graphic

Зеленый

СветитсяНа прибор подано питание
GraphicКрасныйСветитсяАвария (см. раздел)
МигаетНеисправности не блокирующие работу прибора. Ошибку можно определить считыванием битов регистра 61620 (0xF0B4). Подробнее см. раздел. Если считывание регистров недоступно, то прибор находится в режиме загрузчика (см. раздел)
МигаетОдновременное мигание со светодиодом Graphic — элемент питания часов реального времени разряжен
F1ЗеленыйОпределяется при программировании
F2Красный

Graphic

Красный

Зеленый

Не светится

Мигает

Переключатель в положении Стоп. Прибор работает в режиме модуля ввода–вывода (см. раздел)

Красный

Зеленый

Не светится

Не светится

Программа пользователя не загружена. Прибор не настроен

Красный

Зеленый

Светится

Не светится

Нет питания на клеммах 13 и 14. Питание от USB

Красный

Зеленый

Не светится

Светится

Переключатель в положении Работа. Программа пользователя выполняется

Красный

Зеленый

Мигает

Светится

Переключатель в положении Работа. Одновременное мигание со светодиодом Graphic — элемент питания часов реального времени разряжен

Красный

Зеленый

Не светится

Мигает

Переключатель в положении Стоп. Одновременное мигание со светодиодом Graphic — элемент питания часов реального времени разряжен

Красный

Зеленый

Мигает

Не светится

Прибор не настроен. Одновременное мигание со светодиодом Graphic — элемент питания часов реального времени разряжен

Красный

Зеленый

Мигает с периодом

Светится

Авария (см. раздел)

Красный

Зеленый

Светится

Светится

Прибор в режиме ожидания загрузки встроенного ПО

Красный

Зеленый

Мигает

Мигает

Загрузка встроенного ПО

Graphic
Диаграмма индикации критических и некритических аварий

Твкл = Твыкл = 0,5 с

Тпаузы = 3 с

Примечание
При некритической аварии программа пользователя продолжает исполняться. При критической — нет.
Индикация критических аварий

Количество импульсов

Описание

1

Ошибка микроконтроллера

2

3

4

Не инициализируется внутренняя шина

5

Неисправен генератор импульсов встроенных часов реального времени

6

Циклические перезагрузки из за некорректной программы пользователя

7

Ошибка Retain

8

Не хватило памяти для программы пользователя

9

Некорректная версия платы

Индикация некритических аварий

Количество импульсов

Описание

1

Разряжена батарея питания часов реального времени и retain-памяти

3

Неисправен интерфейс Ethernet

Более подробно об авариях см. раздел.

Graphic
Описание боковых поверхностей

На боковых поверхностях прибора расположены:

  1. Слот с батареей часов реального времени.

  2. Переключатель Работа/Стоп.

  3. Сервисная кнопка (см. раздел).

  4. Разъем Ethernet (только для модификаций у которых он есть).

  5. USB type C порт для программирования прибора.

Переключатель Работа/Стоп
Положение переключателяФункция
РаботаПользовательская программа выполняется
СтопПользовательская программа остановлена. Можно обновить встроенное ПО прибора (разделе). Или заменить пользовательскую программу, если она вызывает некорректную работу прибора
Прибор работает в режиме модуля ввода/вывода (см. раздел)
Сервисная кнопка
Длительность нажатияФункция
12 сВосстановление заводских значений параметров прибора (см. раздел)
2 сУстановка IP адреса (см. раздел)

Порт Ethernet снабжен двумя светодиодами. Описание светодиодов и режимов их индикации приведено на рисунке и в таблице ниже.

Graphic
Расположение светодиодов порта Ethernet: 1) зеленый, 2) оранжевый
Назначение светодиодов порта Ethernet
СветодиодСтатусНазначение
ОранжевыйНе светитсяСкорость обмена 10 Мбит/с
Светится*Скорость обмена 100 Мбит/с
Примечание
* Если провод не подключен, то указывает, что на интерфейс Ethernet подано питание
ЗеленыйНе светитсяНет связи
СветитсяСвязь установлена
МигаетИдет обмен данными

Функции ЖКИ

ЖКИ предназначен для отображения графической и текстовой информации. На экранах пользовательской визуализации можно создавать элементы управления. В OwenLogic можно создавать несколько связанных друг с другом переходами экранов, отображающими состояние управляемого объекта и с размещенными на них элементами управления.

Поддерживаются следующие виды графических объектов:

  • индикатор;

  • прогресс-бар;

  • динамический текст;

  • текстовая метка;

  • ввод/вывод float/int

и т. п.

полный список поддерживаемых элементов указан в Руководстве пользователя OwenLogic.

ЖКИ может отображать набор символов в кодировке Windows-1251. Поддерживаются дополнительные символы (см. таблицу ниже)

Дополнительные символы
ОписаниеСимвол
Градус°
Вторая степень²
Третья степень³
Альфа прописная*α
Бета прописная*β
Гамма прописная*γ
Дельта заглавная*Δ
Эта прописная*η
Сигма заглавная*Σ
Тау прописная*τ
Фи прописная*φ
Пси прописная*ψ
Омега заглавная*Ω
Номер
Примечание
* Поддержаны, начиная с версии 2.8.361 OwenLogic.

В случае, если символы не поддерживаются, Редактор экранов отобразит предупреждение:

Graphic
Предупреждение о неподдерживаемых символах

Элементы экрана могут быть редактируемыми и нередактируемыми в зависимости от типа элемента и его свойств, заданных с помощью OwenLogic.

Работа с меню

В приборе предусмотрены меню пользователя и системное меню.

Меню пользователя создается в OwenLogic с помощью «Менеджера экранов». Переходы могут осуществляться с помощью кнопок или по изменению переменной. Системное меню присутствует в приборе всегда, даже если в него не записана пользовательская программа. Принципы работы с меню пользователя и с системным меню одинаковы.

Работа с меню возможна в следующих режимах:

  • отображения;
  • редактирования.

В режиме отображения можно просматривать параметры прибора или меню пользователя.

В режиме редактирования можно редактировать параметры прибора в системном меню или пользовательскую программу с лицевой панели без остановки работы прибора. При повторном входе в режим редактирования выбирается последний редактируемый элемент.

Системное меню

Системное меню прибора доступно в случае отсутствия пользовательской программы в памяти прибора и с любого экрана программы. Для вызова системного меню следует удерживать кнопку Graphic в течение шести секунд. Для выхода из системного меню следует удерживать кнопку Graphic в течение шести секунд.

Структура системного меню приведена на рисунке ниже.

Graphic
Структура системного меню
Описание пунктов системного меню
ЭлементОписание
ЛогикаОтображаются значения времени цикла и статус программы пользователя
Дискретные входыПараметры аналогичны описанным в разделе
Дискретные выходыПараметры аналогичны описанным в разделе
Дискретно-аналоговые входыПараметры аналогичны описанным в разделе
Аналоговые выходыПараметры аналогичны описанным в разделе
Пользовательские светодиодыПараметры аналогичны описанным в разделе
Modbus SlaveПараметры аналогичны описанным в разделе
Мастер ModbusВ узле приведены параметры опроса приборов, аналогично настроенным в OwenLogic
OwenCloudПараметры и разрешения для OwenCloud (см. разделе)
Настройки порта RS-485 1 (2)Параметры аналогичны описанным в разделе
АрхивПараметры аналогичны описанным в разделе
Сетевые настройкиСодержит настройки Ethernet (см. раздел)
Часы реального времениПараметры аналогичны описанным в разделе
БатареяПараметры аналогичны описанным в разделе
Статус прибораПараметры аналогичны описанным в разделе
Настройки прибораПараметры аналогичны описанным в разделе
ПарольПараметры аналогичны описанным в разделе
ЧасыПараметры аналогичны описанным в разделе
Примечание
Если в прибор записана программа пользователя, то в дереве настроек отображается ветка Логика. Внутри находится единственный неизменяемый параметр Время цикла, мс.

Экран аварий

На экране аварий отображаются аварии из битов регистра статуса (см. таблицу). Переход на экран аварий производится по сочетанию кнопок Graphic + Graphic.

Переходы между экранами

Для перемещения между экранами используются переходы, создаваемые пользователем с помощью OwenLogic. Переходы могут осуществляться по нажатию кнопок и по изменению переменной. Более подробно о переходах и их работе см. справку OwenLogic.

Примечание
Во время создания переходов следует помнить, что приоритет отдается командам перехода на экран.
Пример

Назначение на кнопки Graphic и Graphic перехода на другой экран не позволяет пролистывать строки или переходить на элементы на текущем экране. Назначение на кнопку Graphic перехода на другой экран не позволяет перейти в режим редактирования.

Программируемые функции кнопок

Кроме основных (см. таблицу), кнопкам прибора можно назначить дополнительные действия. Назначение дополнительных действий производится с помощью Редактора кнопок в OwenLogic. Программируемые пользователем действия назначаются на:

  • короткое нажатие (менее 2 с);

  • длинное нажатие (более 2 с);

  • удержание.

Примечание
В OwenLogic нельзя одновременно задать действия для короткое/длинное нажатий и удержания.

Действия, назначаемые кнопке:

  • переход на экран;

  • изменение значения переменной.

Режим автоформатирования

Режим автоформатирования отображает переменную с максимальной точностью в зависимости от количества зарезервированных знаков. Режим автоформатирования работает только для вещественных переменных. Режим можно включить установив в поле «Знаков после запятой» значение Авто в OwenLogic.

Режимы работы

По включению напряжения питания (основного или от USB), прибор анализирует положение переключателя Работа/Стоп. Далее прибор проводит самодиагностику.

Для программирования прибора достаточно питания от USB. При питании от USB, не работают входы, выходы и интерфейсы RS-485 и Ethernet.

Пользовательская программа, если она записана в память прибора, начинает выполняться сразу после подачи основного питания на клеммы 13 и 14.

Graphic
Схема переходов между режимами работы

Рабочий режим

В рабочем режиме прибор повторяет следующую последовательность (рабочий цикл):

  • начало цикла;
  • чтение состояния входов;
  • выполнение кода пользовательской программы;
  • запись состояния выходов;
  • переход в начало цикла.

В начале цикла прибор считывает состояния входов и копирует считанные значения в область памяти входов. Далее выполняется код пользовательской программы, которая работает с копией значений входов.

Аварийный режим

При возникновении аварийной ситуации прибор переходит в аварийный режим.

В таблице ниже представлены примеры аварийных ситуаций и рекомендации по их устранению.

Неисправности и способы их устранения

Индикация светодиода Graphic

Причина

Рекомендации по устранению

СветитсяПрибор неисправенОбратиться в сервисный центр
МигаетЕсли мигает и светодиод

Graphic

— элемент питания часов реального времени разряжен
Заменить элемент питания (см. раздел)

Если неисправность позволяет подключиться к прибору и по Modbus прочитать регистр статуса, то можно узнать вид неисправности. Назначение его бит приведено в таблице ниже.

Назначение бит регистра статуса 61620 (0xF0B4)

Номер бита

Назначение

Бит 0

Неисправность дискретных входов

Бит 1

Неисправность дискретных выходов

Бит 2

Неисправность аналоговых входов

Бит 3

Неисправность аналоговых выходов

Бит 4

Неисправность интерфейса Ethernet

Бит 5

Не используется

Бит 6

Неисправность интерфейса USB

Бит 7

Не используется

Бит 8

Неисправность RS-485 #1

Бит 9

Неисправность RS-485 #2

Бит 10

Не используется

Бит 11

Неисправность часов реального времени

Бит 12

Отсутствует напряжение на клеммах 13 и 14

Бит 13

Ошибка встроенного ПО. Или цикл логики превышает 100 мс

Бит 14

Не используется

Бит 15

Ошибка операционной системы

Бит 16

Неисправность файловой системы

Бит 17

Встроенный накопитель отформатирован

Бит 18

Нет оперативных параметров

Бит 19

Неисправность встроенного ПО. Или несоответствие версий программы пользователя и встроенного ПО

Бит 20

Программа пользователя отсутствует, настройки сброшены на заводские

Бит 21

Нет архива. Или ошибка записи архива. Или отключена запись параметров в архив из OwenLogic

Бит 22

Переключатель в положении Стоп

Бит 23

Программа пользователя отсутствует

Бит 24

Программа пользователя остановлена

Бит 25

Не используется

Бит 26

Не используется

Бит 27

Не используется

Бит 28

Не используется

Бит 29

Не используется

Бит 30

Не используется

Бит 31

Неисправность программы пользователя в retain-памяти

Режим модуля ввода-вывода

Если переключатель Работа/Стоп перевести в положение Стоп, то пользовательская программа будет остановлена. И прибор начнет работать в режиме модуля ввода-вывода.

В режиме модуля ввода-вывода доступен опрос входов и запись выходов, но сетевые переменные недоступны.

Режим загрузчика

Примечание
Для нормально функционирующего прибора обновление встроенного ПО следует производить согласно разделу.

В режиме загрузчика прибор ждет обновление встроенного ПО по интерфейсу USB. Остальные функции прибора не работают.

Прибор переходит в режим загрузчика:

  • если невозможен запуск встроенного ПО в штатном режиме (см. раздел);

  • если пользователь принудительно сменил режим работы прибора.

Для принудительного перевода прибора в режим загрузчика следует:

  1. Снять питание с прибора. Отключить кабель USB, если он был подключен.

  2. Нажать и удерживать сервисную кнопку.

  3. Подать питание на клеммы 13 и 14 или подключить кабель USB.

Часы реального времени и retain-память

Прибор оснащен встроенными часами реального времени. Все настройки прибора хранятся в retain-памяти. При наличии питания прибора часы реального времени и retain-память питаются от подаваемого на контакты 13 и 14 напряжения.

Если основное питание отсутствует, то часы реального времени и retain-память прибора питаются от сменного элемента типоразмера CR2032 (далее — «батарея»). Показания часов реального времени используется для записи в архив.

Энергии полностью заряженной батареи хватает на непрерывное питание часов реального времени и retain-памяти в течение 5 лет. В случае эксплуатации прибора при температуре на границах рабочего диапазона время непрерывного питания от батареи сокращается.

Ошибки, связанные с часами реального времени и retain-памятью, приведены в разделе.

При разряженной батарее часы реального времени и настройки, что были изменены в процессе работы по Modbus или программы пользователя, будут сброшены в случае пропадания основного питания. Если настройки сбросились, то следует заменить батарею (см. раздел).

Уровень заряда батареи можно проверить с помощью OWEN Configurator или OwenLogic.

Настройка даты и времени с лицевой панели

Для настройки даты и времени с помощью кнопок на лицевой панели следует:

  1. Нажать и удерживать кнопку Graphic. На экране появится системное меню.

  2. Выбрать пункт Часы реального времени, нажав кнопку Graphic.

  3. Нажать кнопку Graphic.

  4. Курсор начнет мигать в параметре Время и дата (UTC) у единиц секунд. С помощью кнопок Graphic и Graphic можно увеличивать или уменьшать значение. Для перехода к следующему разряду следует нажать кнопку Graphic. Для сохранения измененных значений следует нажать кнопку Graphic.

  5. Если нужно изменить параметр Часовой пояс, то с помощью кнопок Graphic и Graphic выбрать нужное значение и подтвердить выбор, нажав кнопку Graphic.

Для выхода из системного меню нажать и удерживать кнопку Graphic.

Обновление встроенного ПО

Внимание
Для обновления встроенного ПО следует отключить прибор от облачного сервиса OwenCloud.
Примечание
При обновлении встроенного ПО прибора через OwenLogic программа пользователя в приборе будет удалена.

В приборе можно обновлять встроенное ПО через интерфейсы программирования.

Для смены встроенного ПО следует:

  1. Подготовить ПК с ОС Windows Vista/7/8/10/11, установленным OWEN Configurator или OwenLogic и доступом в Интернет;

  2. Установить USB драйвер прибора на ПК.

Обновление с помощью OwenLogic
Примечание
OwenLogic может обновить ПО прибора во время записи пользовательской программы.

Если встроенное ПО не получается автоматически обновить при загрузке проекта OwenLogic, то можно обновить принудительно. Данный способ может потребоваться, если прибор не определяется в OwenLogic, но прибор корректно отображается в Диспетчере устройств.

Для принудительной смены встроенного ПО следует:

  1. Подключить прибор к ПК с помощью кабеля microUSB — USB или Ethernet.

  2. Далее:
    • если прибор подключен по USB, проверить в диспетчере устройств Windows какой СОМ-порт был присвоен прибору;

    • если прибор подключен по Ethernet, проверить сетевые настройки с помощью ПО OWEN Configurator.

  3. В OwenLogic указать уточненные в п. 2 значения в меню Прибор/Настройка порта.

  4. В меню OwenLogic выбрать пункт Прибор/Обновить встроенное ПО.

  5. OwenLogic отобразит окно, в котором будет указана модификация прибора и предложение обновить встроенное ПО.

    Примечание

    Если окно не появилось или в нем нет нужно модификации, то следует обратиться в сервисный центр.

  6. Запустить процесс смены встроенного нажатием кнопки Да.

Разрыв связи между ПК и прибором во время обновления приведет к повреждению встроенного ПО и неработоспособности прибора. Для восстановления работоспособности прибора следует повторить операцию принудительного обновления встроенного ПО. Если вышеперечисленные действия не помогли следует прибор перевести в режим «загрузчика» (см. раздел) и повторить процедуру принудительной смены встроенного ПО.

Техническое обслуживание

Техническое обслуживание

Во время выполнения работ по техническому обслуживанию прибора следует соблюдать требования безопасности из раздела.

Техническое обслуживание прибора проводится не реже одного раза в 6 месяцев и включает следующие процедуры:

  • проверка крепления прибора;
  • проверка винтовых соединений;
  • удаление пыли и грязи с клеммника прибора.

Замена элемента питания

Примечание
Во время смены элемента следует не отключать питающее напряжение от прибора. Иначе значения часов реального времени и параметров, записанных в retain-память, будут сброшены.

Для замены элемента питания следует:

  1. Вытащить кассету с батареей.

  2. Заменить батарею в кассете.

  3. Соблюдая полярность (плюс батарейки располагать от экрана прибора), вставить кассету с новой батареей в прибор.

Graphic
Замена элемента питания

Маркировка

На корпус прибора нанесены:

  • наименование прибора;
  • товарный знак предприятия-изготовителя;

  • степень защиты корпуса по ГОСТ 14254;
  • род питающего тока и напряжение питания;
  • потребляемая мощность;
  • маркировка класса защиты от поражения электрическим током по ГОСТ IEC 61131-2-2012;
  • единый знак обращения продукции на рынке Евразийского экономического союза;
  • страна-изготовитель;
  • заводской номер;
  • МАС-адрес;

  • QR-код, содержащий заводской номер прибора;

  • указания по монтажу;

  • месяц и год изготовления.

На потребительскую тару нанесены:

  • наименование прибора;
  • товарный знак предприятия-изготовителя;

  • единый знак обращения продукции на рынке Евразийского экономического союза;
  • почтовый адрес предприятия-изготовителя;

  • страна-изготовитель;
  • заводской номер;
  • штрих-код;

  • месяц и год изготовления.

Упаковка

Упаковка прибора производится в соответствии с ГОСТ 23088-80 в потребительскую тару, выполненную из коробочного картона по ГОСТ 7933-89.

Упаковка прибора при пересылке почтой производится по ГОСТ 9181-74.

Комплектность

НаименованиеКоличество
Прибор 1 шт.
Руководство по эксплуатации1 экз.
Паспорт и Гарантийный талон1 экз.
Комплект клеммных соединителей 1 к-т
Комплект крепежных элементов1 к-т

Примечание
Изготовитель оставляет за собой право внесения дополнений в комплектность прибора.

Транспортирование и хранение

Прибор должен транспортироваться в закрытом транспорте любого вида, кроме пассажирского воздушного судна. В транспортных средствах тара должна крепиться согласно правилам, действующим на соответствующих видах транспорта.

Условия транспортирования — при температуре окружающего воздуха от минус 25 до плюс 55 °С с соблюдением мер защиты от ударов и вибраций.

Прибор следует перевозить в транспортной таре поштучно или в контейнерах.

Хранить приборы следует на стеллажах в индивидуальной упаковке или транспортной таре в закрытых отапливаемых помещениях при температуре воздуха от плюс 5 до плюс 40 °С и относительной влажности воздуха не более 80 %. В воздухе помещений должны отсутствовать кислотные, щелочные и другие агрессивные примеси.

Прибор следует хранить на стеллажах.

Гарантийные обязательства

Изготовитель гарантирует соответствие прибора требованиям ТУ при соблюдении условий эксплуатации, транспортирования, хранения и монтажа.

Гарантийный срок эксплуатации – 24 месяца со дня продажи.

В случае выхода прибора из строя в течение гарантийного срока при соблюдении условий эксплуатации, транспортирования, хранения и монтажа предприятие-изготовитель обязуется осуществить его бесплатный ремонт или замену.

Порядок передачи прибора в ремонт содержится в паспорте и в гарантийном талоне.

Назначение контактов клемм

Клеммники расположены на трех поверхностях прибора, поясняющий рисунок ниже.

Graphic
Размещение клеммников на поверхностях прибора
Graphic
Расположение контактов для ПР225–230.1208.01.Х.0
Назначение контактов клеммной колодки ПР225–230.1208.01.Х.0

Номер контакта

Назначение контактов

Номер контакта

Назначение контактов

1

Дискретный выход 1

19Общая клемма дискретных входов 1...4

2

Общая клемма дискретных выходов 1 и 220

Дискретный вход 1 (230 В)

3

Дискретный выход 2

21

Дискретный вход 2 (230 В)

4

Дискретный выход 3

22

Дискретный вход 3 (230 В)

5Общая клемма дискретных выходов 3 и 423

Дискретный вход 4 (230 В)

6

Дискретный выход 4

24Общая клемма дискретных входов 5...8
7

Дискретный выход 5

25

Дискретный вход 5 (230 В)

8Общая клемма дискретных выходов 5 и 626

Дискретный вход 6 (230 В)

9

Дискретный выход 6

27

Дискретный вход 7 (230 В)

10

Дискретный выход 7

28

Дискретный вход 8 (230 В)

11Общая клемма дискретных выходов 7 и 829

Клемма I AI1

12

Дискретный выход 8

30

Клемма U AI1

13Входное напряжение питания (230 В)31Общая клемма универсальных входов 1 и 2
14Входное напряжение питания (230 В)32

Клемма U AI2

39Клемма В интерфейса RS-485 №133

Клемма I AI2

40Клемма А интерфейса RS-485 №134

Клемма I AI3

41Клемма В интерфейса RS-485 №235

Клемма U AI3

42Клемма А интерфейса RS-485 №236Общая клемма универсальных входов 3 и 4
37

Клемма U AI4

38

Клемма I AI4

Graphic
Расположение контактов для ПР225–230.1210.02.Х.0
Назначение контактов клеммной колодки ПР225–230.1210.02.Х.0

Номер контакта

Назначение контактов

Номер контакта

Назначение контактов

1

Дискретный выход 1

15Клемма «V+» питания аналоговых выходов 1...2

2

Общая клемма дискретных выходов 1 и 216Клемма «V-» питания аналоговых выходов 1...2
3

Дискретный выход 2

17Клемма аналогового выхода 1
4

Дискретный выход 3

18Клемма аналогового выхода 2
5Общая клемма дискретных выходов 3 и 419Общая клемма дискретных входов 1...4
6

Дискретный выход 4

20

Дискретный вход 1 (230 В)

7

Дискретный выход 5

21

Дискретный вход 2 (230 В)

8Общая клемма дискретных выходов 5 и 622

Дискретный вход 3 (230 В)

9

Дискретный выход 6

23

Дискретный вход 4 (230 В)

10

Дискретный выход 7

24Общая клемма дискретных входов 5...8
11Общая клемма дискретных выходов 7 и 825

Дискретный вход 5 (230 В)

12

Дискретный выход 8

26

Дискретный вход 6 (230 В)

13Входное напряжение питания (230 В)27

Дискретный вход 7 (230 В)

14Входное напряжение питания (230 В)28

Дискретный вход 8 (230 В)

39Клемма В интерфейса RS-485 №129

Клемма I AI1

40Клемма А интерфейса RS-485 №130

Клемма U AI1

41Клемма В интерфейса RS-485 №231Общая клемма универсальных входов 1 и 2
42Клемма А интерфейса RS-485 №232

Клемма U AI2

33

Клемма I AI2

34

Клемма I AI3

35

Клемма U AI3

36Общая клемма универсальных входов 3 и 4
37

Клемма U AI4

38

Клемма I AI4

Graphic
Расположение контактов для ПР225–230.1208.04.Х.0
Назначение контактов клеммной колодки ПР225–230.1208.04.Х.0

Номер контакта

Назначение контактов

Номер контакта

Назначение контактов

1

Дискретный выход 1

19Общая клемма дискретных входов 1...4

2

Общая клемма дискретных выходов 1 и 220

Дискретный вход 1 (230 В)

3

Дискретный выход 2

21

Дискретный вход 2 (230 В)

4

Дискретный выход 3

22

Дискретный вход 3 (230 В)

5Общая клемма дискретных выходов 3 и 423

Дискретный вход 4 (230 В)

6

Дискретный выход 4

24Общая клемма дискретных входов 5...8
7

Дискретный выход 5

25

Дискретный вход 5 (230 В)

8Общая клемма дискретных выходов 5 и 626

Дискретный вход 6 (230 В)

9

Дискретный выход 6

27

Дискретный вход 7 (230 В)

10

Дискретный выход 7

28

Дискретный вход 8 (230 В)

11Общая клемма дискретных выходов 7 и 829

Клемма I AI1

12

Дискретный выход 8

30

Клемма U AI1

13Входное напряжение питания (230 В)31Общая клемма универсальных входов 1 и 2
14Входное напряжение питания (230 В)32

Клемма U AI2

39Клемма В интерфейса RS-485 №133

Клемма I AI2

40Клемма А интерфейса RS-485 №134

Клемма I AI3

41Клемма В интерфейса RS-485 №235

Клемма U AI3

42Клемма А интерфейса RS-485 №236Общая клемма универсальных входов 3 и 4
37

Клемма U AI4

38

Клемма I AI4

Graphic
Расположение контактов для ПР225–230.1210.06.Х.0
Назначение контактов клеммной колодки ПР225–230.1210.06.Х.0

Номер контакта

Назначение контактов

Номер контакта

Назначение контактов

1

Дискретный выход 1

15Клемма «V+» питания аналоговых выходов 1...2

2

Общая клемма дискретных выходов 1 и 216Клемма «V-» питания аналоговых выходов 1...2
3

Дискретный выход 2

17Клемма аналогового выхода 1
4

Дискретный выход 3

18Клемма аналогового выхода 2
5Общая клемма дискретных выходов 3 и 419Общая клемма дискретных входов 1...4
6

Дискретный выход 4

20

Дискретный вход 1 (230 В)

7Транзисторный выход 5 (коллектор)21

Дискретный вход 2 (230 В)

8Транзисторные выходы 5 и 6 (общий эмиттер)22

Дискретный вход 3 (230 В)

9Транзисторный выход 6 (коллектор)23

Дискретный вход 4 (230 В)

10Транзисторный выход 7 (коллектор)24Общая клемма дискретных входов 5...8
11Транзисторные выходы 7 и 8 (общий эмиттер)25

Дискретный вход 5 (230 В)

12Транзисторный выход 8 (коллектор)26

Дискретный вход 6 (230 В)

13Входное напряжение питания (230 В)27

Дискретный вход 7 (230 В)

14Входное напряжение питания (230 В)28

Дискретный вход 8 (230 В)

39Клемма В интерфейса RS-485 №129

Клемма I AI1

40Клемма А интерфейса RS-485 №130

Клемма U AI1

41Клемма В интерфейса RS-485 №231Общая клемма универсальных входов 1 и 2
42Клемма А интерфейса RS-485 №232

Клемма U AI2

33

Клемма I AI2

34

Клемма I AI3

35

Клемма U AI3

36Общая клемма универсальных входов 3 и 4
37

Клемма U AI4

38

Клемма I AI4

Graphic
Расположение контактов для ПР225–24.1208.01.Х.0
Назначение контактов клеммной колодки ПР225–24.1208.01.Х.0

Номер контакта

Назначение контактов

Номер контакта

Назначение контактов

1

Дискретный выход 1

19Общая клемма дискретных входов 1...4

2

Общая клемма дискретных выходов 1 и 220

Дискретный вход 1 (24 В)

3

Дискретный выход 2

21

Дискретный вход 2 (24 В)

4

Дискретный выход 3

22

Дискретный вход 3 (24 В)

5Общая клемма дискретных выходов 3 и 423

Дискретный вход 4 (24 В)

6

Дискретный выход 4

24Общая клемма дискретных входов 5...8
7

Дискретный выход 5

25

Дискретный вход 5 (24 В)

8Общая клемма дискретных выходов 5 и 626

Дискретный вход 6 (24 В)

9

Дискретный выход 6

27

Дискретный вход 7 (24 В)

10

Дискретный выход 7

28

Дискретный вход 8 (24 В)

11Общая клемма дискретных выходов 7 и 829

Клемма I AI1

12

Дискретный выход 8

30

Клемма U AI1

13Клемма «–»31Общая клемма универсальных входов 1 и 2
14Клемма «+»32

Клемма U AI2

39Клемма В интерфейса RS-485 №133

Клемма I AI2

40Клемма А интерфейса RS-485 №134

Клемма I AI3

41Клемма В интерфейса RS-485 №235

Клемма U AI3

42Клемма А интерфейса RS-485 №236Общая клемма универсальных входов 3 и 4
37

Клемма U AI4

38

Клемма I AI4

Graphic
Расположение контактов для ПР225–24.1210.02.Х.0
Назначение контактов клеммной колодки ПР225–24.1210.02.Х.0

Номер контакта

Назначение контактов

Номер контакта

Назначение контактов

1

Дискретный выход 1

15Клемма «V+» питания аналоговых выходов 1...2

2

Общая клемма дискретных выходов 1 и 216Клемма «V-» питания аналоговых выходов 1...2
3

Дискретный выход 2

17Клемма аналогового выхода 1
4

Дискретный выход 3

18Клемма аналогового выхода 2
5Общая клемма дискретных выходов 3 и 419Общая клемма дискретных входов 1...4
6

Дискретный выход 4

20

Дискретный вход 1 (24 В)

7

Дискретный выход 5

21

Дискретный вход 2 (24 В)

8Общая клемма дискретных выходов 5 и 622

Дискретный вход 3 (24 В)

9

Дискретный выход 6

23

Дискретный вход 4 (24 В)

10

Дискретный выход 7

24Общая клемма дискретных входов 5...8
11Общая клемма дискретных выходов 7 и 825

Дискретный вход 5 (24 В)

12

Дискретный выход 8

26

Дискретный вход 6 (24 В)

13Клемма «–»27

Дискретный вход 7 (24 В)

14Клемма «+»28

Дискретный вход 8 (24 В)

39Клемма В интерфейса RS-485 №129

Клемма I AI1

40Клемма А интерфейса RS-485 №130

Клемма U AI1

41Клемма В интерфейса RS-485 №231Общая клемма универсальных входов 1 и 2
42Клемма А интерфейса RS-485 №232

Клемма U AI2

33

Клемма I AI2

34

Клемма I AI3

35

Клемма U AI3

36Общая клемма универсальных входов 3 и 4
37

Клемма U AI4

38

Клемма I AI4

Graphic
Расположение контактов для ПР225–24.1208.04.Х.0
Назначение контактов клеммной колодки ПР225–24.1208.04.Х.0

Номер контакта

Назначение контактов

Номер контакта

Назначение контактов

1

Дискретный выход 1

19Общая клемма дискретных входов 1...4

2

Общая клемма дискретных выходов 1 и 220

Дискретный вход 1 (24 В)

3

Дискретный выход 2

21

Дискретный вход 2 (24 В)

4

Дискретный выход 3

22

Дискретный вход 3 (24 В)

5Общая клемма дискретных выходов 3 и 423

Дискретный вход 4 (24 В)

6

Дискретный выход 4

24Общая клемма дискретных входов 5...8
7

Дискретный выход 5

25

Дискретный вход 5 (24 В)

8Общая клемма дискретных выходов 5 и 626

Дискретный вход 6 (24 В)

9

Дискретный выход 6

27

Дискретный вход 7 (24 В)

10

Дискретный выход 7

28

Дискретный вход 8 (24 В)

11Общая клемма дискретных выходов 7 и 829

Клемма I AI1

12

Дискретный выход 8

30

Клемма U AI1

13Клемма «–»31Общая клемма универсальных входов 1 и 2
14Клемма «+»32

Клемма U AI2

39Клемма В интерфейса RS-485 №133

Клемма I AI2

40Клемма А интерфейса RS-485 №134

Клемма I AI3

41Клемма В интерфейса RS-485 №235

Клемма U AI3

42Клемма А интерфейса RS-485 №236Общая клемма универсальных входов 3 и 4
37

Клемма U AI4

38

Клемма I AI4

Graphic
Расположение контактов для ПР225–24.1210.06.Х.0
Назначение контактов клеммной колодки ПР225–24.1210.06.Х.0

Номер контакта

Назначение контактов

Номер контакта

Назначение контактов

1

Дискретный выход 1

15Клемма «V+» питания аналоговых выходов 1...2

2

Общая клемма дискретных выходов 1 и 216Клемма «V-» питания аналоговых выходов 1...2
3

Дискретный выход 2

17Клемма аналогового выхода 1
4

Дискретный выход 3

18Клемма аналогового выхода 2
5Общая клемма дискретных выходов 3 и 419Общая клемма дискретных входов 1...4
6

Дискретный выход 4

20

Дискретный вход 1 (24 В)

7Транзисторный выход 5 (коллектор)21

Дискретный вход 2 (24 В)

8Транзисторные выходы 5 и 6 (общий эмиттер)22

Дискретный вход 3 (24 В)

9Транзисторный выход 6 (коллектор)23

Дискретный вход 4 (24 В)

10Транзисторный выход 7 (коллектор)24Общая клемма дискретных входов 5...8
11Транзисторные выходы 7 и 8 (общий эмиттер)25

Дискретный вход 5 (24 В)

12Транзисторный выход 8 (коллектор)26

Дискретный вход 6 (24 В)

13Клемма «–»27

Дискретный вход 7 (24 В)

14Клемма «+»28

Дискретный вход 8 (24 В)

39Клемма В интерфейса RS-485 №129

Клемма I AI1

40Клемма А интерфейса RS-485 №130

Клемма U AI1

41Клемма В интерфейса RS-485 №231Общая клемма универсальных входов 1 и 2
42Клемма А интерфейса RS-485 №232

Клемма U AI2

33

Клемма I AI2

34

Клемма I AI3

35

Клемма U AI3

36Общая клемма универсальных входов 3 и 4
37

Клемма U AI4

38

Клемма I AI4

Карты регистров Modbus

В таблицах ниже представлены адреса регистров, которые можно загрузить из прибора с помощью OWEN Configurator.

Карта регистров Modbus ПР225-230.1208.01.Х.0

Карта регистров Modbus ПР225-230.1208.01.Х.0

Параметр

Группа

Адрес

Адрес (hex)

Количество регистров

Функция чтения

Функция записи

Тип данных

Время в миллисек

Часы реального времени

61563

0xF07B

2

3

-

Unsigned 32

Время и дата (UTC)

Часы реального времени

61553

0xF071

2

3

16

Date time 32

Часовой пояс

Часы реального времени

61555

0xF073

1

3

16

Enum 38

Секунды

Переменные даты и времени

61557

0xF075

1

3

-

Unsigned 8

Минуты

Переменные даты и времени

61558

0xF076

1

3

-

Unsigned 8

Часы

Переменные даты и времени

61559

0xF077

1

3

-

Unsigned 8

Дни

Переменные даты и времени

61560

0xF078

1

3

-

Unsigned 8

Месяцы

Переменные даты и времени

61561

0xF079

1

3

-

Unsigned 8

Годы

Переменные даты и времени

61562

0xF07A

1

3

-

Unsigned 16

День недели

Переменные даты и времени

61556

0xF074

1

3

-

Enum 8

Напряжение

Батарея

801

0x0321

1

3

-

Unsigned 16

Пороговое напряжение

Батарея

800

0x0320

1

3

-

Unsigned 16

Состояние

Батарея

802

0x0322

1

3

-

Enum 2

Период обновления информации

Статус прибора

61624

0xF0B8

1

3

16

Unsigned 8

Статус

Статус прибора

61620

0xF0B4

2

3

-

Unsigned 32

Ошибки

Статус прибора

61626

0xF0BA

1

3

-

Unsigned 16

Предупреждения

Статус прибора

61627

0xF0BB

1

3

-

Unsigned 16

Период архивирования

Архив

900

0x0384

1

3

16

Unsigned 16

Количество архивов

Архив

901

0x0385

1

3

16

Unsigned 16

Размер архива

Архив

902

0x0386

1

3

16

Unsigned 16

Последний индекс архива

Архив

903

0x0387

1

3

-

Unsigned 16

Состояние

Дискретные входы

51

0x0033

1

3

-

Unsigned 8

Инверсия

Дискретные входы

57

0x0039

1

3

16

Unsigned 8

Состояние

Дискретно-аналоговые входы

4000

0x0FA0

1

3

-

Unsigned 8

Инверсия

Дискретно-аналоговые входы

4357

0x1105

1

3

16

Unsigned 8

Режим работы

Вход  1

4100

0x1004

1

3

16

Enum 2

Фильтр антидребезга

Дискретный  режим

4108

0x100C

1

3

16

Unsigned 8

Уровень логического нуля

Дискретный  режим

4111

0x100F

2

3

16

Float 32

Уровень логической единицы

Дискретный  режим

4109

0x100D

2

3

16

Float 32

Тип датчика

Аналоговый  режим

4101

0x1005

1

3

16

Enum 28

Постоянная времени фильтра

Аналоговый  режим

4106

0x100A

2

3

16

Float 32

Нижняя  граница измерения

Аналоговый  режим

4104

0x1008

2

3

16

Float 32

Верхняя  граница измерения

Аналоговый  режим

4102

0x1006

2

3

16

Float 32

Режим работы

Вход  2

4116

0x1014

1

3

16

Enum 2

Фильтр антидребезга

Дискретный  режим

4124

0x101C

1

3

16

Unsigned 8

Уровень логического нуля

Дискретный  режим

4127

0x101F

2

3

16

Float 32

Уровень логической единицы

Дискретный  режим

4125

0x101D

2

3

16

Float 32

Тип датчика

Аналоговый  режим

4117

0x1015

1

3

16

Enum 28

Постоянная времени фильтра

Аналоговый  режим

4122

0x101A

2

3

16

Float 32

Нижняя  граница измерения

Аналоговый  режим

4120

0x1018

2

3

16

Float 32

Верхняя  граница измерения

Аналоговый  режим

4118

0x1016

2

3

16

Float 32

Режим работы

Вход  3

4132

0x1024

1

3

16

Enum 2

Фильтр антидребезга

Дискретный  режим

4140

0x102C

1

3

16

Unsigned 8

Уровень логического нуля

Дискретный  режим

4143

0x102F

2

3

16

Float 32

Уровень логической единицы

Дискретный  режим

4141

0x102D

2

3

16

Float 32

Тип датчика

Аналоговый  режим

4133

0x1025

1

3

16

Enum 28

Постоянная времени фильтра

Аналоговый  режим

4138

0x102A

2

3

16

Float 32

Нижняя  граница измерения

Аналоговый  режим

4136

0x1028

2

3

16

Float 32

Верхняя  граница измерения

Аналоговый  режим

4134

0x1026

2

3

16

Float 32

Режим работы

Вход  4

4148

0x1034

1

3

16

Enum 2

Фильтр антидребезга

Дискретный  режим

4156

0x103C

1

3

16

Unsigned 8

Уровень логического нуля

Дискретный  режим

4159

0x103F

2

3

16

Float 32

Уровень логической единицы

Дискретный  режим

4157

0x103D

2

3

16

Float 32

Тип датчика

Аналоговый  режим

4149

0x1035

1

3

16

Enum 28

Постоянная времени фильтра

Аналоговый  режим

4154

0x103A

2

3

16

Float 32

Нижняя  граница измерения

Аналоговый  режим

4152

0x1038

2

3

16

Float 32

Верхняя  граница измерения

Аналоговый  режим

4150

0x1036

2

3

16

Float 32

Вход  1

Измеренные значения

4002

0x0FA2

2

3

-

Float 32

Вход  2

Измеренные значения

4004

0x0FA4

2

3

-

Float 32

Вход  3

Измеренные значения

4006

0x0FA6

2

3

-

Float 32

Вход  4

Измеренные значения

4008

0x0FA8

2

3

-

Float 32

Вход  1

Состояния аналоговых входов

4014

0x0FAE

1

3

-

Enum 11

Вход  2

Состояния аналоговых входов

4015

0x0FAF

1

3

-

Enum 11

Вход  3

Состояния аналоговых входов

4016

0x0FB0

1

3

-

Enum 11

Вход  4

Состояния аналоговых входов

4017

0x0FB1

1

3

-

Enum 11

Изменить состояние

Дискретные выходы

470

0x01D6

1

3

16

Unsigned 8

Состояние

Дискретные выходы

468

0x01D4

1

3

-

Unsigned 8

Безопасное состояние

Выход  1

474

0x01DA

1

3

16

Enum 3

Безопасное состояние

Выход  2

475

0x01DB

1

3

16

Enum 3

Безопасное состояние

Выход  3

476

0x01DC

1

3

16

Enum 3

Безопасное состояние

Выход  4

477

0x01DD

1

3

16

Enum 3

Безопасное состояние

Выход  5

478

0x01DE

1

3

16

Enum 3

Безопасное состояние

Выход  6

479

0x01DF

1

3

16

Enum 3

Безопасное состояние

Выход  7

480

0x01E0

1

3

16

Enum 3

Безопасное состояние

Выход  8

481

0x01E1

1

3

16

Enum 3

Состояние

Пользовательские светодиоды (Fn)

601

0x0259

1

3

-

Unsigned 8

Изменить состояние

Пользовательские светодиоды (Fn)

600

0x0258

1

3

16

Unsigned 8

Таймаут перехода в безопасное состояние

Modbus Slave

700

0x02BC

1

3

16

Unsigned 8

Разрешение конфигурирования

Права удалённого доступа из OwenCloud

701

0x02BD

1

3

16

Enum 2

Управление и запись значений

Права удалённого доступа из OwenCloud

702

0x02BE

1

3

16

Enum 2

Доступ к регистрам Modbus

Права удалённого доступа из OwenCloud

703

0x02BF

1

3

16

Enum 4

Скорость

Настройки порта RS-485 1

750

0x02EE

1

3

16

Enum 6

Размер данных

Настройки порта RS-485 1

751

0x02EF

1

3

16

Enum 2

Контроль чётности

Настройки порта RS-485 1

752

0x02F0

1

3

16

Enum 3

Кол. стоп-битов

Настройки порта RS-485 1

753

0x02F1

1

3

16

Enum 2

Slave ID

Настройки порта RS-485 1

754

0x02F2

1

3

16

Unsigned 8

Скорость

Настройки порта RS-485 2

760

0x02F8

1

3

16

Enum 6

Размер данных

Настройки порта RS-485 2

761

0x02F9

1

3

16

Enum 2

Контроль чётности

Настройки порта RS-485 2

762

0x02FA

1

3

16

Enum 3

Кол. стоп-битов

Настройки порта RS-485 2

763

0x02FB

1

3

16

Enum 2

Slave ID

Настройки порта RS-485 2

764

0x02FC

1

3

16

Unsigned 8

Наличие обмена

Обмен с устройствами

2008

0x07D8

2

3

-

Unsigned 32

Включить обмен

Обмен с устройствами

2010

0x07DA

2

3

16

Unsigned 32

Время цикла

Логика

61680

0xF0F0

2

3

-

Unsigned 32

Состояние логики

Логика

61682

0xF0F2

1

3

-

Enum 2

Подсветка экрана

Настройки прибора

768

0x0300

1

3

16

Enum 5

Яркость

Настройки прибора

769

0x0301

1

3

16

Unsigned 8

Карта регистров Modbus ПР225-24.1208.01.Х.0

Карта регистров Modbus ПР225-24.1208.01.Х.0

Параметр

Группа

Адрес

Адрес (hex)

Количество регистров

Функция чтения

Функция записи

Тип данных

Параметр

Группа

Адрес

Адрес (hex)

Количество регистров

Функция чтения

Функция записи

Тип данных

Время в миллисек

Часы реального времени

61563

0xF07B

2

3

-

Unsigned 32

Время и дата (UTC)

Часы реального времени

61553

0xF071

2

3

16

Date time 32

Часовой пояс

Часы реального времени

61555

0xF073

1

3

16

Enum 38

Секунды

Переменные даты и времени

61557

0xF075

1

3

-

Unsigned 8

Минуты

Переменные даты и времени

61558

0xF076

1

3

-

Unsigned 8

Часы

Переменные даты и времени

61559

0xF077

1

3

-

Unsigned 8

Дни

Переменные даты и времени

61560

0xF078

1

3

-

Unsigned 8

Месяцы

Переменные даты и времени

61561

0xF079

1

3

-

Unsigned 8

Годы

Переменные даты и времени

61562

0xF07A

1

3

-

Unsigned 16

День недели

Переменные даты и времени

61556

0xF074

1

3

-

Enum 8

Напряжение

Батарея

801

0x0321

1

3

-

Unsigned 16

Пороговое напряжение

Батарея

800

0x0320

1

3

-

Unsigned 16

Состояние

Батарея

802

0x0322

1

3

-

Enum 2

Период обновления информации

Статус прибора

61624

0xF0B8

1

3

16

Unsigned 8

Статус

Статус прибора

61620

0xF0B4

2

3

-

Unsigned 32

Ошибки

Статус прибора

61626

0xF0BA

1

3

-

Unsigned 16

Предупреждения

Статус прибора

61627

0xF0BB

1

3

-

Unsigned 16

Период архивирования

Архив

900

0x0384

1

3

16

Unsigned 16

Количество архивов

Архив

901

0x0385

1

3

16

Unsigned 16

Размер архива

Архив

902

0x0386

1

3

16

Unsigned 16

Последний индекс архива

Архив

903

0x0387

1

3

-

Unsigned 16

Состояние

Дискретные входы

51

0x0033

1

3

-

Unsigned 8

Инверсия

Дискретные входы

57

0x0039

1

3

16

Unsigned 8

Фильтр антидребезга

Вход  1

96

0x0060

1

3

16

Unsigned 8

Фильтр антидребезга

Вход  2

97

0x0061

1

3

16

Unsigned 8

Фильтр антидребезга

Вход  3

98

0x0062

1

3

16

Unsigned 8

Фильтр антидребезга

Вход  4

99

0x0063

1

3

16

Unsigned 8

Фильтр антидребезга

Вход  5

100

0x0064

1

3

16

Unsigned 8

Фильтр антидребезга

Вход  6

101

0x0065

1

3

16

Unsigned 8

Фильтр антидребезга

Вход  7

102

0x0066

1

3

16

Unsigned 8

Фильтр антидребезга

Вход  8

103

0x0067

1

3

16

Unsigned 8

Состояние

Дискретно-аналоговые входы

4000

0x0FA0

1

3

-

Unsigned 8

Инверсия

Дискретно-аналоговые входы

4357

0x1105

1

3

16

Unsigned 8

Режим работы

Вход  1

4100

0x1004

1

3

16

Enum 2

Фильтр антидребезга

Дискретный  режим

4108

0x100C

1

3

16

Unsigned 8

Уровень логического нуля

Дискретный  режим

4111

0x100F

2

3

16

Float 32

Уровень логической единицы

Дискретный  режим

4109

0x100D

2

3

16

Float 32

Тип датчика

Аналоговый  режим

4101

0x1005

1

3

16

Enum 28

Постоянная времени фильтра

Аналоговый  режим

4106

0x100A

2

3

16

Float 32

Нижняя  граница измерения

Аналоговый  режим

4104

0x1008

2

3

16

Float 32

Верхняя  граница измерения

Аналоговый  режим

4102

0x1006

2

3

16

Float 32

Режим работы

Вход  2

4116

0x1014

1

3

16

Enum 2

Фильтр антидребезга

Дискретный  режим

4124

0x101C

1

3

16

Unsigned 8

Уровень логического нуля

Дискретный  режим

4127

0x101F

2

3

16

Float 32

Уровень логической единицы

Дискретный  режим

4125

0x101D

2

3

16

Float 32

Тип датчика

Аналоговый  режим

4117

0x1015

1

3

16

Enum 28

Постоянная времени фильтра

Аналоговый  режим

4122

0x101A

2

3

16

Float 32

Нижняя  граница измерения

Аналоговый  режим

4120

0x1018

2

3

16

Float 32

Верхняя  граница измерения

Аналоговый  режим

4118

0x1016

2

3

16

Float 32

Режим работы

Вход  3

4132

0x1024

1

3

16

Enum 2

Фильтр антидребезга

Дискретный  режим

4140

0x102C

1

3

16

Unsigned 8

Уровень логического нуля

Дискретный  режим

4143

0x102F

2

3

16

Float 32

Уровень логической единицы

Дискретный  режим

4141

0x102D

2

3

16

Float 32

Тип датчика

Аналоговый  режим

4133

0x1025

1

3

16

Enum 28

Постоянная времени фильтра

Аналоговый  режим

4138

0x102A

2

3

16

Float 32

Нижняя  граница измерения

Аналоговый  режим

4136

0x1028

2

3

16

Float 32

Верхняя  граница измерения

Аналоговый  режим

4134

0x1026

2

3

16

Float 32

Режим работы

Вход  4

4148

0x1034

1

3

16

Enum 2

Фильтр антидребезга

Дискретный  режим

4156

0x103C

1

3

16

Unsigned 8

Уровень логического нуля

Дискретный  режим

4159

0x103F

2

3

16

Float 32

Уровень логической единицы

Дискретный  режим

4157

0x103D

2

3

16

Float 32

Тип датчика

Аналоговый  режим

4149

0x1035

1

3

16

Enum 28

Постоянная времени фильтра

Аналоговый  режим

4154

0x103A

2

3

16

Float 32

Нижняя  граница измерения

Аналоговый  режим

4152

0x1038

2

3

16

Float 32

Верхняя  граница измерения

Аналоговый  режим

4150

0x1036

2

3

16

Float 32

Вход  1

Измеренные значения

4002

0x0FA2

2

3

-

Float 32

Вход  2

Измеренные значения

4004

0x0FA4

2

3

-

Float 32

Вход  3

Измеренные значения

4006

0x0FA6

2

3

-

Float 32

Вход  4

Измеренные значения

4008

0x0FA8

2

3

-

Float 32

Вход  1

Состояния аналоговых входов

4014

0x0FAE

1

3

-

Enum 11

Вход  2

Состояния аналоговых входов

4015

0x0FAF

1

3

-

Enum 11

Вход  3

Состояния аналоговых входов

4016

0x0FB0

1

3

-

Enum 11

Вход  4

Состояния аналоговых входов

4017

0x0FB1

1

3

-

Enum 11

Изменить состояние

Дискретные выходы

470

0x01D6

1

3

16

Unsigned 8

Состояние

Дискретные выходы

468

0x01D4

1

3

-

Unsigned 8

Безопасное состояние

Выход  1

474

0x01DA

1

3

16

Enum 3

Безопасное состояние

Выход  2

475

0x01DB

1

3

16

Enum 3

Безопасное состояние

Выход  3

476

0x01DC

1

3

16

Enum 3

Безопасное состояние

Выход  4

477

0x01DD

1

3

16

Enum 3

Безопасное состояние

Выход  5

478

0x01DE

1

3

16

Enum 3

Безопасное состояние

Выход  6

479

0x01DF

1

3

16

Enum 3

Безопасное состояние

Выход  7

480

0x01E0

1

3

16

Enum 3

Безопасное состояние

Выход  8

481

0x01E1

1

3

16

Enum 3

Состояние

Пользовательские светодиоды (Fn)

601

0x0259

1

3

-

Unsigned 8

Изменить состояние

Пользовательские светодиоды (Fn)

600

0x0258

1

3

16

Unsigned 8

Таймаут перехода в безопасное состояние

Modbus Slave

700

0x02BC

1

3

16

Unsigned 8

Разрешение конфигурирования

Права удалённого доступа из OwenCloud

701

0x02BD

1

3

16

Enum 2

Управление и запись значений

Права удалённого доступа из OwenCloud

702

0x02BE

1

3

16

Enum 2

Доступ к регистрам Modbus

Права удалённого доступа из OwenCloud

703

0x02BF

1

3

16

Enum 4

Скорость

Настройки порта RS-485 1

750

0x02EE

1

3

16

Enum 6

Размер данных

Настройки порта RS-485 1

751

0x02EF

1

3

16

Enum 2

Контроль чётности

Настройки порта RS-485 1

752

0x02F0

1

3

16

Enum 3

Кол. стоп-битов

Настройки порта RS-485 1

753

0x02F1

1

3

16

Enum 2

Slave ID

Настройки порта RS-485 1

754

0x02F2

1

3

16

Unsigned 8

Скорость

Настройки порта RS-485 2

760

0x02F8

1

3

16

Enum 6

Размер данных

Настройки порта RS-485 2

761

0x02F9

1

3

16

Enum 2

Контроль чётности

Настройки порта RS-485 2

762

0x02FA

1

3

16

Enum 3

Кол. стоп-битов

Настройки порта RS-485 2

763

0x02FB

1

3

16

Enum 2

Slave ID

Настройки порта RS-485 2

764

0x02FC

1

3

16

Unsigned 8

Наличие обмена

Обмен с устройствами

2008

0x07D8

2

3

-

Unsigned 32

Включить обмен

Обмен с устройствами

2010

0x07DA

2

3

16

Unsigned 32

Время цикла

Логика

61680

0xF0F0

2

3

-

Unsigned 32

Состояние логики

Логика

61682

0xF0F2

1

3

-

Enum 2

Подсветка экрана

Настройки прибора

768

0x0300

1

3

16

Enum 5

Яркость

Настройки прибора

769

0x0301

1

3

16

Unsigned 8

Карта регистров Modbus ПР225-230.1210.02.Х.0

Карта регистров Modbus ПР225-230.1210.02.Х.0

Параметр

Группа

Адрес

Адрес (hex)

Количество регистров

Функция чтения

Функция записи

Тип данных

Время в миллисек

Часы реального времени

61563

0xF07B

2

3

-

Unsigned 32

Время и дата (UTC)

Часы реального времени

61553

0xF071

2

3

16

Date time 32

Часовой пояс

Часы реального времени

61555

0xF073

1

3

16

Enum 38

Секунды

Переменные даты и времени

61557

0xF075

1

3

-

Unsigned 8

Минуты

Переменные даты и времени

61558

0xF076

1

3

-

Unsigned 8

Часы

Переменные даты и времени

61559

0xF077

1

3

-

Unsigned 8

Дни

Переменные даты и времени

61560

0xF078

1

3

-

Unsigned 8

Месяцы

Переменные даты и времени

61561

0xF079

1

3

-

Unsigned 8

Годы

Переменные даты и времени

61562

0xF07A

1

3

-

Unsigned 16

День недели

Переменные даты и времени

61556

0xF074

1

3

-

Enum 8

MAC адрес

Сетевые настройки

61712

0xF110

9

3

-

String 144

IP адрес

Сетевые настройки

20

0x0014

2

3

16

Unsigned 32

Маска подсети

Сетевые настройки

22

0x0016

2

3

16

Unsigned 32

IP адрес шлюза

Сетевые настройки

24

0x0018

2

3

16

Unsigned 32

DNS сервер 1

Сетевые настройки

12

0x000C

2

3

16

Unsigned 32

DNS сервер 2

Сетевые настройки

14

0x000E

2

3

16

Unsigned 32

Режим DHCP

Сетевые настройки

32

0x0020

1

3

16

Enum 2

Применить сейчас

Сетевые настройки

33

0x0021

1

3

16

Enum 2

Статус подключения

Сетевые настройки

34

0x0022

1

3

-

Enum 4

Напряжение

Батарея

801

0x0321

1

3

-

Unsigned 16

Пороговое напряжение

Батарея

800

0x0320

1

3

-

Unsigned 16

Состояние

Батарея

802

0x0322

1

3

-

Enum 2

Период обновления информации

Статус прибора

61624

0xF0B8

1

3

16

Unsigned 8

Статус

Статус прибора

61620

0xF0B4

2

3

-

Unsigned 32

Ошибки

Статус прибора

61626

0xF0BA

1

3

-

Unsigned 16

Предупреждения

Статус прибора

61627

0xF0BB

1

3

-

Unsigned 16

Период архивирования

Архив

900

0x0384

1

3

16

Unsigned 16

Количество архивов

Архив

901

0x0385

1

3

16

Unsigned 16

Размер архива

Архив

902

0x0386

1

3

16

Unsigned 16

Последний индекс архива

Архив

903

0x0387

1

3

-

Unsigned 16

Состояние

Дискретные входы

51

0x0033

1

3

-

Unsigned 8

Инверсия

Дискретные входы

57

0x0039

1

3

16

Unsigned 8

Фильтр антидребезга

Вход  1

96

0x0060

1

3

16

Unsigned 8

Фильтр антидребезга

Вход  2

97

0x0061

1

3

16

Unsigned 8

Фильтр антидребезга

Вход  3

98

0x0062

1

3

16

Unsigned 8

Фильтр антидребезга

Вход  4

99

0x0063

1

3

16

Unsigned 8

Фильтр антидребезга

Вход  5

100

0x0064

1

3

16

Unsigned 8

Фильтр антидребезга

Вход  6

101

0x0065

1

3

16

Unsigned 8

Фильтр антидребезга

Вход  7

102

0x0066

1

3

16

Unsigned 8

Фильтр антидребезга

Вход  8

103

0x0067

1

3

16

Unsigned 8

Состояние

Дискретно-аналоговые входы

4000

0x0FA0

1

3

-

Unsigned 8

Инверсия

Дискретно-аналоговые входы

4357

0x1105

1

3

16

Unsigned 8

Режим работы

Вход  1

4100

0x1004

1

3

16

Enum 2

Фильтр антидребезга

Дискретный  режим

4108

0x100C

1

3

16

Unsigned 8

Уровень логического нуля

Дискретный  режим

4111

0x100F

2

3

16

Float 32

Уровень логической единицы

Дискретный  режим

4109

0x100D

2

3

16

Float 32

Тип датчика

Аналоговый  режим

4101

0x1005

1

3

16

Enum 28

Постоянная времени фильтра

Аналоговый  режим

4106

0x100A

2

3

16

Float 32

Нижняя  граница измерения

Аналоговый  режим

4104

0x1008

2

3

16

Float 32

Верхняя  граница измерения

Аналоговый  режим

4102

0x1006

2

3

16

Float 32

Режим работы

Вход  2

4116

0x1014

1

3

16

Enum 2

Фильтр антидребезга

Дискретный  режим

4124

0x101C

1

3

16

Unsigned 8

Уровень логического нуля

Дискретный  режим

4127

0x101F

2

3

16

Float 32

Уровень логической единицы

Дискретный  режим

4125

0x101D

2

3

16

Float 32

Тип датчика

Аналоговый  режим

4117

0x1015

1

3

16

Enum 28

Постоянная времени фильтра

Аналоговый  режим

4122

0x101A

2

3

16

Float 32

Нижняя  граница измерения

Аналоговый  режим

4120

0x1018

2

3

16

Float 32

Верхняя  граница измерения

Аналоговый  режим

4118

0x1016

2

3

16

Float 32

Режим работы

Вход  3

4132

0x1024

1

3

16

Enum 2

Фильтр антидребезга

Дискретный  режим

4140

0x102C

1

3

16

Unsigned 8

Уровень логического нуля

Дискретный  режим

4143

0x102F

2

3

16

Float 32

Уровень логической единицы

Дискретный  режим

4141

0x102D

2

3

16

Float 32

Тип датчика

Аналоговый  режим

4133

0x1025

1

3

16

Enum 28

Постоянная времени фильтра

Аналоговый  режим

4138

0x102A

2

3

16

Float 32

Нижняя  граница измерения

Аналоговый  режим

4136

0x1028

2

3

16

Float 32

Верхняя  граница измерения

Аналоговый  режим

4134

0x1026

2

3

16

Float 32

Режим работы

Вход  4

4148

0x1034

1

3

16

Enum 2

Фильтр антидребезга

Дискретный  режим

4156

0x103C

1

3

16

Unsigned 8

Уровень логического нуля

Дискретный  режим

4159

0x103F

2

3

16

Float 32

Уровень логической единицы

Дискретный  режим

4157

0x103D

2

3

16

Float 32

Тип датчика

Аналоговый  режим

4149

0x1035

1

3

16

Enum 28

Постоянная времени фильтра

Аналоговый  режим

4154

0x103A

2

3

16

Float 32

Нижняя  граница измерения

Аналоговый  режим

4152

0x1038

2

3

16

Float 32

Верхняя  граница измерения

Аналоговый  режим

4150

0x1036

2

3

16

Float 32

Вход  1

Измеренные значения

4002

0x0FA2

2

3

-

Float 32

Вход  2

Измеренные значения

4004

0x0FA4

2

3

-

Float 32

Вход  3

Измеренные значения

4006

0x0FA6

2

3

-

Float 32

Вход  4

Измеренные значения

4008

0x0FA8

2

3

-

Float 32

Вход  1

Состояния аналоговых входов

4014

0x0FAE

1

3

-

Enum 11

Вход  2

Состояния аналоговых входов

4015

0x0FAF

1

3

-

Enum 11

Вход  3

Состояния аналоговых входов

4016

0x0FB0

1

3

-

Enum 11

Вход  4

Состояния аналоговых входов

4017

0x0FB1

1

3

-

Enum 11

Изменить состояние

Дискретные выходы

470

0x01D6

1

3

16

Unsigned 8

Состояние

Дискретные выходы

468

0x01D4

1

3

-

Unsigned 8

Безопасное состояние

Выход  1

474

0x01DA

1

3

16

Enum 3

Безопасное состояние

Выход  2

475

0x01DB

1

3

16

Enum 3

Безопасное состояние

Выход  3

476

0x01DC

1

3

16

Enum 3

Безопасное состояние

Выход  4

477

0x01DD

1

3

16

Enum 3

Безопасное состояние

Выход  5

478

0x01DE

1

3

16

Enum 3

Безопасное состояние

Выход  6

479

0x01DF

1

3

16

Enum 3

Безопасное состояние

Выход  7

480

0x01E0

1

3

16

Enum 3

Безопасное состояние

Выход  8

481

0x01E1

1

3

16

Enum 3

Вид сигнала

Выход  1

3160

0x0C58

1

3

16

Enum 3

Состояние

Выход  1

3128

0x0C38

1

3

-

Enum 6

Безопасное состояние

Выход  1

3032

0x0BD8

2

3

16

Float 32

Вид сигнала

Выход  2

3161

0x0C59

1

3

16

Enum 3

Состояние

Выход  2

3129

0x0C39

1

3

-

Enum 6

Безопасное состояние

Выход  2

3034

0x0BDA

2

3

16

Float 32

Выход  1

Значения сигнала

3000

0x0BB8

2

3

16

Float 32

Выход  2

Значения сигнала

3002

0x0BBA

2

3

16

Float 32

Состояние

Пользовательские светодиоды (Fn)

601

0x0259

1

3

-

Unsigned 8

Изменить состояние

Пользовательские светодиоды (Fn)

600

0x0258

1

3

16

Unsigned 8

Таймаут перехода в безопасное состояние

Modbus Slave

700

0x02BC

1

3

16

Unsigned 8

Скорость

Настройки порта RS-485 1

750

0x02EE

1

3

16

Enum 6

Размер данных

Настройки порта RS-485 1

751

0x02EF

1

3

16

Enum 2

Контроль чётности

Настройки порта RS-485 1

752

0x02F0

1

3

16

Enum 3

Кол. стоп-битов

Настройки порта RS-485 1

753

0x02F1

1

3

16

Enum 2

Slave ID

Настройки порта RS-485 1

754

0x02F2

1

3

16

Unsigned 8

Скорость

Настройки порта RS-485 2

760

0x02F8

1

3

16

Enum 6

Размер данных

Настройки порта RS-485 2

761

0x02F9

1

3

16

Enum 2

Контроль чётности

Настройки порта RS-485 2

762

0x02FA

1

3

16

Enum 3

Кол. стоп-битов

Настройки порта RS-485 2

763

0x02FB

1

3

16

Enum 2

Slave ID

Настройки порта RS-485 2

764

0x02FC

1

3

16

Unsigned 8

Подключение к OwenCloud

OwenCloud

35

0x0023

1

3

16

Enum 2

Статус подключения к OwenCloud

OwenCloud

36

0x0024

1

3

-

Enum 5

Разрешение конфигурирования

Права удалённого доступа из OwenCloud

701

0x02BD

1

3

16

Enum 2

Управление и запись значений

Права удалённого доступа из OwenCloud

702

0x02BE

1

3

16

Enum 2

Доступ к регистрам Modbus

Права удалённого доступа из OwenCloud

703

0x02BF

1

3

16

Enum 4

Наличие обмена

Обмен с устройствами

2008

0x07D8

2

3

-

Unsigned 32

Включить обмен

Обмен с устройствами

2010

0x07DA

2

3

16

Unsigned 32

Время цикла

Логика

61680

0xF0F0

2

3

-

Unsigned 32

Состояние логики

Логика

61682

0xF0F2

1

3

-

Enum 2

Подсветка экрана

Настройки прибора

768

0x0300

1

3

16

Enum 5

Яркость

Настройки прибора

769

0x0301

1

3

16

Unsigned 8

Карта регистров Modbus ПР225-24.1210.02.X.0

Карта регистров Modbus ПР225-24.1210.02.X.0

Параметр

Группа

Адрес

Адрес (hex)

Количество регистров

Функция чтения

Функция записи

Тип данных

Время в миллисек

Часы реального времени

61563

0xF07B

2

3

-

Unsigned 32

Время и дата (UTC)

Часы реального времени

61553

0xF071

2

3

16

Date time 32

Часовой пояс

Часы реального времени

61555

0xF073

1

3

16

Enum 38

Секунды

Переменные даты и времени

61557

0xF075

1

3

-

Unsigned 8

Минуты

Переменные даты и времени

61558

0xF076

1

3

-

Unsigned 8

Часы

Переменные даты и времени

61559

0xF077

1

3

-

Unsigned 8

Дни

Переменные даты и времени

61560

0xF078

1

3

-

Unsigned 8

Месяцы

Переменные даты и времени

61561

0xF079

1

3

-

Unsigned 8

Годы

Переменные даты и времени

61562

0xF07A

1

3

-

Unsigned 16

День недели

Переменные даты и времени

61556

0xF074

1

3

-

Enum 8

MAC адрес

Сетевые настройки

61712

0xF110

9

3

-

String 144

IP адрес

Сетевые настройки

20

0x0014

2

3

16

Unsigned 32

Маска подсети

Сетевые настройки

22

0x0016

2

3

16

Unsigned 32

IP адрес шлюза

Сетевые настройки

24

0x0018

2

3

16

Unsigned 32

DNS сервер 1

Сетевые настройки

12

0x000C

2

3

16

Unsigned 32

DNS сервер 2

Сетевые настройки

14

0x000E

2

3

16

Unsigned 32

Режим DHCP

Сетевые настройки

32

0x0020

1

3

16

Enum 2

Применить сейчас

Сетевые настройки

33

0x0021

1

3

16

Enum 2

Статус подключения

Сетевые настройки

34

0x0022

1

3

-

Enum 4

Напряжение

Батарея

801

0x0321

1

3

-

Unsigned 16

Пороговое напряжение

Батарея

800

0x0320

1

3

-

Unsigned 16

Состояние

Батарея

802

0x0322

1

3

-

Enum 2

Период обновления информации

Статус прибора

61624

0xF0B8

1

3

16

Unsigned 8

Статус

Статус прибора

61620

0xF0B4

2

3

-

Unsigned 32

Ошибки

Статус прибора

61626

0xF0BA

1

3

-

Unsigned 16

Предупреждения

Статус прибора

61627

0xF0BB

1

3

-

Unsigned 16

Период архивирования

Архив

900

0x0384

1

3

16

Unsigned 16

Количество архивов

Архив

901

0x0385

1

3

16

Unsigned 16

Размер архива

Архив

902

0x0386

1

3

16

Unsigned 16

Последний индекс архива

Архив

903

0x0387

1

3

-

Unsigned 16

Состояние

Дискретные входы

51

0x0033

1

3

-

Unsigned 8

Инверсия

Дискретные входы

57

0x0039

1

3

16

Unsigned 8

Фильтр антидребезга

Вход  1

96

0x0060

1

3

16

Unsigned 8

Фильтр антидребезга

Вход  2

97

0x0061

1

3

16

Unsigned 8

Фильтр антидребезга

Вход  3

98

0x0062

1

3

16

Unsigned 8

Фильтр антидребезга

Вход  4

99

0x0063

1

3

16

Unsigned 8

Фильтр антидребезга

Вход  5

100

0x0064

1

3

16

Unsigned 8

Фильтр антидребезга

Вход  6

101

0x0065

1

3

16

Unsigned 8

Фильтр антидребезга

Вход  7

102

0x0066

1

3

16

Unsigned 8

Фильтр антидребезга

Вход  8

103

0x0067

1

3

16

Unsigned 8

Состояние

Дискретно-аналоговые входы

4000

0x0FA0

1

3

-

Unsigned 8

Инверсия

Дискретно-аналоговые входы

4357

0x1105

1

3

16

Unsigned 8

Режим работы

Вход  1

4100

0x1004

1

3

16

Enum 2

Фильтр антидребезга

Дискретный  режим

4108

0x100C

1

3

16

Unsigned 8

Уровень логического нуля

Дискретный  режим

4111

0x100F

2

3

16

Float 32

Уровень логической единицы

Дискретный  режим

4109

0x100D

2

3

16

Float 32

Тип датчика

Аналоговый  режим

4101

0x1005

1

3

16

Enum 28

Постоянная времени фильтра

Аналоговый  режим

4106

0x100A

2

3

16

Float 32

Нижняя  граница измерения

Аналоговый  режим

4104

0x1008

2

3

16

Float 32

Верхняя  граница измерения

Аналоговый  режим

4102

0x1006

2

3

16

Float 32

Режим работы

Вход  2

4116

0x1014

1

3

16

Enum 2

Фильтр антидребезга

Дискретный  режим

4124

0x101C

1

3

16

Unsigned 8

Уровень логического нуля

Дискретный  режим

4127

0x101F

2

3

16

Float 32

Уровень логической единицы

Дискретный  режим

4125

0x101D

2

3

16

Float 32

Тип датчика

Аналоговый  режим

4117

0x1015

1

3

16

Enum 28

Постоянная времени фильтра

Аналоговый  режим

4122

0x101A

2

3

16

Float 32

Нижняя  граница измерения

Аналоговый  режим

4120

0x1018

2

3

16

Float 32

Верхняя  граница измерения

Аналоговый  режим

4118

0x1016

2

3

16

Float 32

Режим работы

Вход  3

4132

0x1024

1

3

16

Enum 2

Фильтр антидребезга

Дискретный  режим

4140

0x102C

1

3

16

Unsigned 8

Уровень логического нуля

Дискретный  режим

4143

0x102F

2

3

16

Float 32

Уровень логической единицы

Дискретный  режим

4141

0x102D

2

3

16

Float 32

Тип датчика

Аналоговый  режим

4133

0x1025

1

3

16

Enum 28

Постоянная времени фильтра

Аналоговый  режим

4138

0x102A

2

3

16

Float 32

Нижняя  граница измерения

Аналоговый  режим

4136

0x1028

2

3

16

Float 32

Верхняя  граница измерения

Аналоговый  режим

4134

0x1026

2

3

16

Float 32

Режим работы

Вход  4

4148

0x1034

1

3

16

Enum 2

Фильтр антидребезга

Дискретный  режим

4156

0x103C

1

3

16

Unsigned 8

Уровень логического нуля

Дискретный  режим

4159

0x103F

2

3

16

Float 32

Уровень логической единицы

Дискретный  режим

4157

0x103D

2

3

16

Float 32

Тип датчика

Аналоговый  режим

4149

0x1035

1

3

16

Enum 28

Постоянная времени фильтра

Аналоговый  режим

4154

0x103A

2

3

16

Float 32

Нижняя  граница измерения

Аналоговый  режим

4152

0x1038

2

3

16

Float 32

Верхняя  граница измерения

Аналоговый  режим

4150

0x1036

2

3

16

Float 32

Вход  1

Измеренные значения

4002

0x0FA2

2

3

-

Float 32

Вход  2

Измеренные значения

4004

0x0FA4

2

3

-

Float 32

Вход  3

Измеренные значения

4006

0x0FA6

2

3

-

Float 32

Вход  4

Измеренные значения

4008

0x0FA8

2

3

-

Float 32

Вход  1

Состояния аналоговых входов

4014

0x0FAE

1

3

-

Enum 11

Вход  2

Состояния аналоговых входов

4015

0x0FAF

1

3

-

Enum 11

Вход  3

Состояния аналоговых входов

4016

0x0FB0

1

3

-

Enum 11

Вход  4

Состояния аналоговых входов

4017

0x0FB1

1

3

-

Enum 11

Изменить состояние

Дискретные выходы

470

0x01D6

1

3

16

Unsigned 8

Состояние

Дискретные выходы

468

0x01D4

1

3

-

Unsigned 8

Безопасное состояние

Выход  1

474

0x01DA

1

3

16

Enum 3

Безопасное состояние

Выход  2

475

0x01DB

1

3

16

Enum 3

Безопасное состояние

Выход  3

476

0x01DC

1

3

16

Enum 3

Безопасное состояние

Выход  4

477

0x01DD

1

3

16

Enum 3

Безопасное состояние

Выход  5

478

0x01DE

1

3

16

Enum 3

Безопасное состояние

Выход  6

479

0x01DF

1

3

16

Enum 3

Безопасное состояние

Выход  7

480

0x01E0

1

3

16

Enum 3

Безопасное состояние

Выход  8

481

0x01E1

1

3

16

Enum 3

Вид сигнала

Выход  1

3160

0x0C58

1

3

16

Enum 3

Состояние

Выход  1

3128

0x0C38

1

3

-

Enum 6

Безопасное состояние

Выход  1

3032

0x0BD8

2

3

16

Float 32

Вид сигнала

Выход  2

3161

0x0C59

1

3

16

Enum 3

Состояние

Выход  2

3129

0x0C39

1

3

-

Enum 6

Безопасное состояние

Выход  2

3034

0x0BDA

2

3

16

Float 32

Выход  1

Значения сигнала

3000

0x0BB8

2

3

16

Float 32

Выход  2

Значения сигнала

3002

0x0BBA

2

3

16

Float 32

Состояние

Пользовательские светодиоды (Fn)

601

0x0259

1

3

-

Unsigned 8

Изменить состояние

Пользовательские светодиоды (Fn)

600

0x0258

1

3

16

Unsigned 8

Таймаут перехода в безопасное состояние

Modbus Slave

700

0x02BC

1

3

16

Unsigned 8

Скорость

Настройки порта RS-485 1

750

0x02EE

1

3

16

Enum 6

Размер данных

Настройки порта RS-485 1

751

0x02EF

1

3

16

Enum 2

Контроль чётности

Настройки порта RS-485 1

752

0x02F0

1

3

16

Enum 3

Кол. стоп-битов

Настройки порта RS-485 1

753

0x02F1

1

3

16

Enum 2

Slave ID

Настройки порта RS-485 1

754

0x02F2

1

3

16

Unsigned 8

Скорость

Настройки порта RS-485 2

760

0x02F8

1

3

16

Enum 6

Размер данных

Настройки порта RS-485 2

761

0x02F9

1

3

16

Enum 2

Контроль чётности

Настройки порта RS-485 2

762

0x02FA

1

3

16

Enum 3

Кол. стоп-битов

Настройки порта RS-485 2

763

0x02FB

1

3

16

Enum 2

Slave ID

Настройки порта RS-485 2

764

0x02FC

1

3

16

Unsigned 8

Подключение к OwenCloud

OwenCloud

35

0x0023

1

3

16

Enum 2

Статус подключения к OwenCloud

OwenCloud

36

0x0024

1

3

-

Enum 5

Разрешение конфигурирования

Права удалённого доступа из OwenCloud

701

0x02BD

1

3

16

Enum 2

Управление и запись значений

Права удалённого доступа из OwenCloud

702

0x02BE

1

3

16

Enum 2

Доступ к регистрам Modbus

Права удалённого доступа из OwenCloud

703

0x02BF

1

3

16

Enum 4

Наличие обмена

Обмен с устройствами

2008

0x07D8

2

3

-

Unsigned 32

Включить обмен

Обмен с устройствами

2010

0x07DA

2

3

16

Unsigned 32

Время цикла

Логика

61680

0xF0F0

2

3

-

Unsigned 32

Состояние логики

Логика

61682

0xF0F2

1

3

-

Enum 2

Подсветка экрана

Настройки прибора

768

0x0300

1

3

16

Enum 5

Яркость

Настройки прибора

769

0x0301

1

3

16

Unsigned 8

Карта регистров Modbus ПР225-230.1208.04.Х.0

Карта регистров Modbus ПР225-230.1208.04.Х.0

Параметр

Группа

Адрес

Адрес (hex)

Количество регистров

Функция чтения

Функция записи

Тип данных

Время в миллисек

Часы реального времени

61563

0xF07B

2

3

-

Unsigned 32

Время и дата (UTC)

Часы реального времени

61553

0xF071

2

3

16

Date time 32

Часовой пояс

Часы реального времени

61555

0xF073

1

3

16

Enum 38

Секунды

Переменные даты и времени

61557

0xF075

1

3

-

Unsigned 8

Минуты

Переменные даты и времени

61558

0xF076

1

3

-

Unsigned 8

Часы

Переменные даты и времени

61559

0xF077

1

3

-

Unsigned 8

Дни

Переменные даты и времени

61560

0xF078

1

3

-

Unsigned 8

Месяцы

Переменные даты и времени

61561

0xF079

1

3

-

Unsigned 8

Годы

Переменные даты и времени

61562

0xF07A

1

3

-

Unsigned 16

День недели

Переменные даты и времени

61556

0xF074

1

3

-

Enum 8

MAC адрес

Сетевые настройки

61712

0xF110

9

3

-

String 144

IP адрес

Сетевые настройки

20

0x0014

2

3

16

Unsigned 32

Маска подсети

Сетевые настройки

22

0x0016

2

3

16

Unsigned 32

IP адрес шлюза

Сетевые настройки

24

0x0018

2

3

16

Unsigned 32

DNS сервер 1

Сетевые настройки

12

0x000C

2

3

16

Unsigned 32

DNS сервер 2

Сетевые настройки

14

0x000E

2

3

16

Unsigned 32

Режим DHCP

Сетевые настройки

32

0x0020

1

3

16

Enum 2

Применить сейчас

Сетевые настройки

33

0x0021

1

3

16

Enum 2

Статус подключения

Сетевые настройки

34

0x0022

1

3

-

Enum 4

Напряжение

Батарея

801

0x0321

1

3

-

Unsigned 16

Пороговое напряжение

Батарея

800

0x0320

1

3

-

Unsigned 16

Состояние

Батарея

802

0x0322

1

3

-

Enum 2

Период обновления информации

Статус прибора

61624

0xF0B8

1

3

16

Unsigned 8

Статус

Статус прибора

61620

0xF0B4

2

3

-

Unsigned 32

Ошибки

Статус прибора

61626

0xF0BA

1

3

-

Unsigned 16

Предупреждения

Статус прибора

61627

0xF0BB

1

3

-

Unsigned 16

Период архивирования

Архив

900

0x0384

1

3

16

Unsigned 16

Количество архивов

Архив

901

0x0385

1

3

16

Unsigned 16

Размер архива

Архив

902

0x0386

1

3

16

Unsigned 16

Последний индекс архива

Архив

903

0x0387

1

3

-

Unsigned 16

Состояние

Дискретные входы

51

0x0033

1

3

-

Unsigned 8

Инверсия

Дискретные входы

57

0x0039

1

3

16

Unsigned 8

Состояние

Дискретно-аналоговые входы

4000

0x0FA0

1

3

-

Unsigned 8

Инверсия

Дискретно-аналоговые входы

4357

0x1105

1

3

16

Unsigned 8

Режим работы

Вход  1

4100

0x1004

1

3

16

Enum 2

Фильтр антидребезга

Дискретный  режим

4108

0x100C

1

3

16

Unsigned 8

Уровень логического нуля

Дискретный  режим

4111

0x100F

2

3

16

Float 32

Уровень логической единицы

Дискретный  режим

4109

0x100D

2

3

16

Float 32

Тип датчика

Аналоговый  режим

4101

0x1005

1

3

16

Enum 28

Постоянная времени фильтра

Аналоговый  режим

4106

0x100A

2

3

16

Float 32

Нижняя  граница измерения

Аналоговый  режим

4104

0x1008

2

3

16

Float 32

Верхняя  граница измерения

Аналоговый  режим

4102

0x1006

2

3

16

Float 32

Режим работы

Вход  2

4116

0x1014

1

3

16

Enum 2

Фильтр антидребезга

Дискретный  режим

4124

0x101C

1

3

16

Unsigned 8

Уровень логического нуля

Дискретный  режим

4127

0x101F

2

3

16

Float 32

Уровень логической единицы

Дискретный  режим

4125

0x101D

2

3

16

Float 32

Тип датчика

Аналоговый  режим

4117

0x1015

1

3

16

Enum 28

Постоянная времени фильтра

Аналоговый  режим

4122

0x101A

2

3

16

Float 32

Нижняя  граница измерения

Аналоговый  режим

4120

0x1018

2

3

16

Float 32

Верхняя  граница измерения

Аналоговый  режим

4118

0x1016

2

3

16

Float 32

Режим работы

Вход  3

4132

0x1024

1

3

16

Enum 2

Фильтр антидребезга

Дискретный  режим

4140

0x102C

1

3

16

Unsigned 8

Уровень логического нуля

Дискретный  режим

4143

0x102F

2

3

16

Float 32

Уровень логической единицы

Дискретный  режим

4141

0x102D

2

3

16

Float 32

Тип датчика

Аналоговый  режим

4133

0x1025

1

3

16

Enum 28

Постоянная времени фильтра

Аналоговый  режим

4138

0x102A

2

3

16

Float 32

Нижняя  граница измерения

Аналоговый  режим

4136

0x1028

2

3

16

Float 32

Верхняя  граница измерения

Аналоговый  режим

4134

0x1026

2

3

16

Float 32

Режим работы

Вход  4

4148

0x1034

1

3

16

Enum 2

Фильтр антидребезга

Дискретный  режим

4156

0x103C

1

3

16

Unsigned 8

Уровень логического нуля

Дискретный  режим

4159

0x103F

2

3

16

Float 32

Уровень логической единицы

Дискретный  режим

4157

0x103D

2

3

16

Float 32

Тип датчика

Аналоговый  режим

4149

0x1035

1

3

16

Enum 28

Постоянная времени фильтра

Аналоговый  режим

4154

0x103A

2

3

16

Float 32

Нижняя  граница измерения

Аналоговый  режим

4152

0x1038

2

3

16

Float 32

Верхняя  граница измерения

Аналоговый  режим

4150

0x1036

2

3

16

Float 32

Вход  1

Измеренные значения

4002

0x0FA2

2

3

-

Float 32

Вход  2

Измеренные значения

4004

0x0FA4

2

3

-

Float 32

Вход  3

Измеренные значения

4006

0x0FA6

2

3

-

Float 32

Вход  4

Измеренные значения

4008

0x0FA8

2

3

-

Float 32

Вход  1

Состояния аналоговых входов

4014

0x0FAE

1

3

-

Enum 11

Вход  2

Состояния аналоговых входов

4015

0x0FAF

1

3

-

Enum 11

Вход  3

Состояния аналоговых входов

4016

0x0FB0

1

3

-

Enum 11

Вход  4

Состояния аналоговых входов

4017

0x0FB1

1

3

-

Enum 11

Изменить состояние

Дискретные выходы

470

0x01D6

1

3

16

Unsigned 8

Состояние

Дискретные выходы

468

0x01D4

1

3

-

Unsigned 8

Безопасное состояние

Выход  1

474

0x01DA

1

3

16

Enum 3

Безопасное состояние

Выход  2

475

0x01DB

1

3

16

Enum 3

Безопасное состояние

Выход  3

476

0x01DC

1

3

16

Enum 3

Безопасное состояние

Выход  4

477

0x01DD

1

3

16

Enum 3

Безопасное состояние

Выход  5

478

0x01DE

1

3

16

Enum 3

Безопасное состояние

Выход  6

479

0x01DF

1

3

16

Enum 3

Безопасное состояние

Выход  7

480

0x01E0

1

3

16

Enum 3

Безопасное состояние

Выход  8

481

0x01E1

1

3

16

Enum 3

Состояние

Пользовательские светодиоды (Fn)

601

0x0259

1

3

-

Unsigned 8

Изменить состояние

Пользовательские светодиоды (Fn)

600

0x0258

1

3

16

Unsigned 8

Таймаут перехода в безопасное состояние

Modbus Slave

700

0x02BC

1

3

16

Unsigned 8

Скорость

Настройки порта RS-485 1

750

0x02EE

1

3

16

Enum 6

Размер данных

Настройки порта RS-485 1

751

0x02EF

1

3

16

Enum 2

Контроль чётности

Настройки порта RS-485 1

752

0x02F0

1

3

16

Enum 3

Кол. стоп-битов

Настройки порта RS-485 1

753

0x02F1

1

3

16

Enum 2

Slave ID

Настройки порта RS-485 1

754

0x02F2

1

3

16

Unsigned 8

Скорость

Настройки порта RS-485 2

760

0x02F8

1

3

16

Enum 6

Размер данных

Настройки порта RS-485 2

761

0x02F9

1

3

16

Enum 2

Контроль чётности

Настройки порта RS-485 2

762

0x02FA

1

3

16

Enum 3

Кол. стоп-битов

Настройки порта RS-485 2

763

0x02FB

1

3

16

Enum 2

Slave ID

Настройки порта RS-485 2

764

0x02FC

1

3

16

Unsigned 8

Подключение к OwenCloud

OwenCloud

35

0x0023

1

3

16

Enum 2

Статус подключения к OwenCloud

OwenCloud

36

0x0024

1

3

-

Enum 5

Разрешение конфигурирования

Права удалённого доступа из OwenCloud

701

0x02BD

1

3

16

Enum 2

Управление и запись значений

Права удалённого доступа из OwenCloud

702

0x02BE

1

3

16

Enum 2

Доступ к регистрам Modbus

Права удалённого доступа из OwenCloud

703

0x02BF

1

3

16

Enum 4

Наличие обмена

Обмен с устройствами

2008

0x07D8

2

3

-

Unsigned 32

Включить обмен

Обмен с устройствами

2010

0x07DA

2

3

16

Unsigned 32

Время цикла

Логика

61680

0xF0F0

2

3

-

Unsigned 32

Состояние логики

Логика

61682

0xF0F2

1

3

-

Enum 2

Подсветка экрана

Настройки прибора

768

0x0300

1

3

16

Enum 5

Яркость

Настройки прибора

769

0x0301

1

3

16

Unsigned 8

Карта регистров Modbus ПР225-24.1208.04.Х.0

Карта регистров Modbus ПР225-24.1208.04.Х.0

Параметр

Группа

Адрес

Адрес (hex)

Количество регистров

Функция чтения

Функция записи

Тип данных

Время в миллисек

Часы реального времени

61563

0xF07B

2

3

-

Unsigned 32

Время и дата (UTC)

Часы реального времени

61553

0xF071

2

3

16

Date time 32

Часовой пояс

Часы реального времени

61555

0xF073

1

3

16

Enum 38

Секунды

Переменные даты и времени

61557

0xF075

1

3

-

Unsigned 8

Минуты

Переменные даты и времени

61558

0xF076

1

3

-

Unsigned 8

Часы

Переменные даты и времени

61559

0xF077

1

3

-

Unsigned 8

Дни

Переменные даты и времени

61560

0xF078

1

3

-

Unsigned 8

Месяцы

Переменные даты и времени

61561

0xF079

1

3

-

Unsigned 8

Годы

Переменные даты и времени

61562

0xF07A

1

3

-

Unsigned 16

День недели

Переменные даты и времени

61556

0xF074

1

3

-

Enum 8

MAC адрес

Сетевые настройки

61712

0xF110

9

3

-

String 144

IP адрес

Сетевые настройки

20

0x0014

2

3

16

Unsigned 32

Маска подсети

Сетевые настройки

22

0x0016

2

3

16

Unsigned 32

IP адрес шлюза

Сетевые настройки

24

0x0018

2

3

16

Unsigned 32

DNS сервер 1

Сетевые настройки

12

0x000C

2

3

16

Unsigned 32

DNS сервер 2

Сетевые настройки

14

0x000E

2

3

16

Unsigned 32

Режим DHCP

Сетевые настройки

32

0x0020

1

3

16

Enum 2

Применить сейчас

Сетевые настройки

33

0x0021

1

3

16

Enum 2

Статус подключения

Сетевые настройки

34

0x0022

1

3

-

Enum 4

Напряжение

Батарея

801

0x0321

1

3

-

Unsigned 16

Пороговое напряжение

Батарея

800

0x0320

1

3

-

Unsigned 16

Состояние

Батарея

802

0x0322

1

3

-

Enum 2

Период обновления информации

Статус прибора

61624

0xF0B8

1

3

16

Unsigned 8

Статус

Статус прибора

61620

0xF0B4

2

3

-

Unsigned 32

Ошибки

Статус прибора

61626

0xF0BA

1

3

-

Unsigned 16

Предупреждения

Статус прибора

61627

0xF0BB

1

3

-

Unsigned 16

Период архивирования

Архив

900

0x0384

1

3

16

Unsigned 16

Количество архивов

Архив

901

0x0385

1

3

16

Unsigned 16

Размер архива

Архив

902

0x0386

1

3

16

Unsigned 16

Последний индекс архива

Архив

903

0x0387

1

3

-

Unsigned 16

Состояние

Дискретные входы

51

0x0033

1

3

-

Unsigned 8

Инверсия

Дискретные входы

57

0x0039

1

3

16

Unsigned 8

Фильтр антидребезга

Вход  1

96

0x0060

1

3

16

Unsigned 8

Фильтр антидребезга

Вход  2

97

0x0061

1

3

16

Unsigned 8

Фильтр антидребезга

Вход  3

98

0x0062

1

3

16

Unsigned 8

Фильтр антидребезга

Вход  4

99

0x0063

1

3

16

Unsigned 8

Фильтр антидребезга

Вход  5

100

0x0064

1

3

16

Unsigned 8

Фильтр антидребезга

Вход  6

101

0x0065

1

3

16

Unsigned 8

Фильтр антидребезга

Вход  7

102

0x0066

1

3

16

Unsigned 8

Фильтр антидребезга

Вход  8

103

0x0067

1

3

16

Unsigned 8

Состояние

Дискретно-аналоговые входы

4000

0x0FA0

1

3

-

Unsigned 8

Инверсия

Дискретно-аналоговые входы

4357

0x1105

1

3

16

Unsigned 8

Режим работы

Вход  1

4100

0x1004

1

3

16

Enum 2

Фильтр антидребезга

Дискретный  режим

4108

0x100C

1

3

16

Unsigned 8

Уровень логического нуля

Дискретный  режим

4111

0x100F

2

3

16

Float 32

Уровень логической единицы

Дискретный  режим

4109

0x100D

2

3

16

Float 32

Тип датчика

Аналоговый  режим

4101

0x1005

1

3

16

Enum 28

Постоянная времени фильтра

Аналоговый  режим

4106

0x100A

2

3

16

Float 32

Нижняя  граница измерения

Аналоговый  режим

4104

0x1008

2

3

16

Float 32

Верхняя  граница измерения

Аналоговый  режим

4102

0x1006

2

3

16

Float 32

Режим работы

Вход  2

4116

0x1014

1

3

16

Enum 2

Фильтр антидребезга

Дискретный  режим

4124

0x101C

1

3

16

Unsigned 8

Уровень логического нуля

Дискретный  режим

4127

0x101F

2

3

16

Float 32

Уровень логической единицы

Дискретный  режим

4125

0x101D

2

3

16

Float 32

Тип датчика

Аналоговый  режим

4117

0x1015

1

3

16

Enum 28

Постоянная времени фильтра

Аналоговый  режим

4122

0x101A

2

3

16

Float 32

Нижняя  граница измерения

Аналоговый  режим

4120

0x1018

2

3

16

Float 32

Верхняя  граница измерения

Аналоговый  режим

4118

0x1016

2

3

16

Float 32

Режим работы

Вход  3

4132

0x1024

1

3

16

Enum 2

Фильтр антидребезга

Дискретный  режим

4140

0x102C

1

3

16

Unsigned 8

Уровень логического нуля

Дискретный  режим

4143

0x102F

2

3

16

Float 32

Уровень логической единицы

Дискретный  режим

4141

0x102D

2

3

16

Float 32

Тип датчика

Аналоговый  режим

4133

0x1025

1

3

16

Enum 28

Постоянная времени фильтра

Аналоговый  режим

4138

0x102A

2

3

16

Float 32

Нижняя  граница измерения

Аналоговый  режим

4136

0x1028

2

3

16

Float 32

Верхняя  граница измерения

Аналоговый  режим

4134

0x1026

2

3

16

Float 32

Режим работы

Вход  4

4148

0x1034

1

3

16

Enum 2

Фильтр антидребезга

Дискретный  режим

4156

0x103C

1

3

16

Unsigned 8

Уровень логического нуля

Дискретный  режим

4159

0x103F

2

3

16

Float 32

Уровень логической единицы

Дискретный  режим

4157

0x103D

2

3

16

Float 32

Тип датчика

Аналоговый  режим

4149

0x1035

1

3

16

Enum 28

Постоянная времени фильтра

Аналоговый  режим

4154

0x103A

2

3

16

Float 32

Нижняя  граница измерения

Аналоговый  режим

4152

0x1038

2

3

16

Float 32

Верхняя  граница измерения

Аналоговый  режим

4150

0x1036

2

3

16

Float 32

Вход  1

Измеренные значения

4002

0x0FA2

2

3

-

Float 32

Вход  2

Измеренные значения

4004

0x0FA4

2

3

-

Float 32

Вход  3

Измеренные значения

4006

0x0FA6

2

3

-

Float 32

Вход  4

Измеренные значения

4008

0x0FA8

2

3

-

Float 32

Вход  1

Состояния аналоговых входов

4014

0x0FAE

1

3

-

Enum 11

Вход  2

Состояния аналоговых входов

4015

0x0FAF

1

3

-

Enum 11

Вход  3

Состояния аналоговых входов

4016

0x0FB0

1

3

-

Enum 11

Вход  4

Состояния аналоговых входов

4017

0x0FB1

1

3

-

Enum 11

Изменить состояние

Дискретные выходы

470

0x01D6

1

3

16

Unsigned 8

Состояние

Дискретные выходы

468

0x01D4

1

3

-

Unsigned 8

Безопасное состояние

Выход  1

474

0x01DA

1

3

16

Enum 3

Безопасное состояние

Выход  2

475

0x01DB

1

3

16

Enum 3

Безопасное состояние

Выход  3

476

0x01DC

1

3

16

Enum 3

Безопасное состояние

Выход  4

477

0x01DD

1

3

16

Enum 3

Безопасное состояние

Выход  5

478

0x01DE

1

3

16

Enum 3

Безопасное состояние

Выход  6

479

0x01DF

1

3

16

Enum 3

Безопасное состояние

Выход  7

480

0x01E0

1

3

16

Enum 3

Безопасное состояние

Выход  8

481

0x01E1

1

3

16

Enum 3

Состояние

Пользовательские светодиоды (Fn)

601

0x0259

1

3

-

Unsigned 8

Изменить состояние

Пользовательские светодиоды (Fn)

600

0x0258

1

3

16

Unsigned 8

Таймаут перехода в безопасное состояние

Modbus Slave

700

0x02BC

1

3

16

Unsigned 8

Скорость

Настройки порта RS-485 1

750

0x02EE

1

3

16

Enum 6

Размер данных

Настройки порта RS-485 1

751

0x02EF

1

3

16

Enum 2

Контроль чётности

Настройки порта RS-485 1

752

0x02F0

1

3

16

Enum 3

Кол. стоп-битов

Настройки порта RS-485 1

753

0x02F1

1

3

16

Enum 2

Slave ID

Настройки порта RS-485 1

754

0x02F2

1

3

16

Unsigned 8

Скорость

Настройки порта RS-485 2

760

0x02F8

1

3

16

Enum 6

Размер данных

Настройки порта RS-485 2

761

0x02F9

1

3

16

Enum 2

Контроль чётности

Настройки порта RS-485 2

762

0x02FA

1

3

16

Enum 3

Кол. стоп-битов

Настройки порта RS-485 2

763

0x02FB

1

3

16

Enum 2

Slave ID

Настройки порта RS-485 2

764

0x02FC

1

3

16

Unsigned 8

Подключение к OwenCloud

OwenCloud

35

0x0023

1

3

16

Enum 2

Статус подключения к OwenCloud

OwenCloud

36

0x0024

1

3

-

Enum 5

Разрешение конфигурирования

Права удалённого доступа из OwenCloud

701

0x02BD

1

3

16

Enum 2

Управление и запись значений

Права удалённого доступа из OwenCloud

702

0x02BE

1

3

16

Enum 2

Доступ к регистрам Modbus

Права удалённого доступа из OwenCloud

703

0x02BF

1

3

16

Enum 4

Наличие обмена

Обмен с устройствами

2008

0x07D8

2

3

-

Unsigned 32

Включить обмен

Обмен с устройствами

2010

0x07DA

2

3

16

Unsigned 32

Время цикла

Логика

61680

0xF0F0

2

3

-

Unsigned 32

Состояние логики

Логика

61682

0xF0F2

1

3

-

Enum 2

Подсветка экрана

Настройки прибора

768

0x0300

1

3

16

Enum 5

Яркость

Настройки прибора

769

0x0301

1

3

16

Unsigned 8

Карта регистров Modbus ПР225-230.1210.06.Х.0

Карта регистров Modbus ПР225-230.1210.06.Х.0

Параметр

Группа

Адрес

Адрес (hex)

Количество регистров

Функция чтения

Функция записи

Тип данных

Время в миллисек

Часы реального времени

61563

0xF07B

2

3

-

Unsigned 32

Время и дата (UTC)

Часы реального времени

61553

0xF071

2

3

16

Date time 32

Часовой пояс

Часы реального времени

61555

0xF073

1

3

16

Enum 38

Секунды

Переменные даты и времени

61557

0xF075

1

3

-

Unsigned 8

Минуты

Переменные даты и времени

61558

0xF076

1

3

-

Unsigned 8

Часы

Переменные даты и времени

61559

0xF077

1

3

-

Unsigned 8

Дни

Переменные даты и времени

61560

0xF078

1

3

-

Unsigned 8

Месяцы

Переменные даты и времени

61561

0xF079

1

3

-

Unsigned 8

Годы

Переменные даты и времени

61562

0xF07A

1

3

-

Unsigned 16

День недели

Переменные даты и времени

61556

0xF074

1

3

-

Enum 8

MAC адрес

Сетевые настройки

61712

0xF110

9

3

-

String 144

IP адрес

Сетевые настройки

20

0x0014

2

3

16

Unsigned 32

Маска подсети

Сетевые настройки

22

0x0016

2

3

16

Unsigned 32

IP адрес шлюза

Сетевые настройки

24

0x0018

2

3

16

Unsigned 32

DNS сервер 1

Сетевые настройки

12

0x000C

2

3

16

Unsigned 32

DNS сервер 2

Сетевые настройки

14

0x000E

2

3

16

Unsigned 32

Режим DHCP

Сетевые настройки

32

0x0020

1

3

16

Enum 2

Применить сейчас

Сетевые настройки

33

0x0021

1

3

16

Enum 2

Статус подключения

Сетевые настройки

34

0x0022

1

3

-

Enum 4

Напряжение

Батарея

801

0x0321

1

3

-

Unsigned 16

Пороговое напряжение

Батарея

800

0x0320

1

3

-

Unsigned 16

Состояние

Батарея

802

0x0322

1

3

-

Enum 2

Период обновления информации

Статус прибора

61624

0xF0B8

1

3

16

Unsigned 8

Статус

Статус прибора

61620

0xF0B4

2

3

-

Unsigned 32

Ошибки

Статус прибора

61626

0xF0BA

1

3

-

Unsigned 16

Предупреждения

Статус прибора

61627

0xF0BB

1

3

-

Unsigned 16

Период архивирования

Архив

900

0x0384

1

3

16

Unsigned 16

Количество архивов

Архив

901

0x0385

1

3

16

Unsigned 16

Размер архива

Архив

902

0x0386

1

3

16

Unsigned 16

Последний индекс архива

Архив

903

0x0387

1

3

-

Unsigned 16

Состояние

Дискретные входы

51

0x0033

1

3

-

Unsigned 8

Инверсия

Дискретные входы

57

0x0039

1

3

16

Unsigned 8

Состояние

Дискретно-аналоговые входы

4000

0x0FA0

1

3

-

Unsigned 8

Инверсия

Дискретно-аналоговые входы

4357

0x1105

1

3

16

Unsigned 8

Режим работы

Вход  1

4100

0x1004

1

3

16

Enum 2

Фильтр антидребезга

Дискретный  режим

4108

0x100C

1

3

16

Unsigned 8

Уровень логического нуля

Дискретный  режим

4111

0x100F

2

3

16

Float 32

Уровень логической единицы

Дискретный  режим

4109

0x100D

2

3

16

Float 32

Тип датчика

Аналоговый  режим

4101

0x1005

1

3

16

Enum 28

Постоянная времени фильтра

Аналоговый  режим

4106

0x100A

2

3

16

Float 32

Нижняя  граница измерения

Аналоговый  режим

4104

0x1008

2

3

16

Float 32

Верхняя  граница измерения

Аналоговый  режим

4102

0x1006

2

3

16

Float 32

Режим работы

Вход  2

4116

0x1014

1

3

16

Enum 2

Фильтр антидребезга

Дискретный  режим

4124

0x101C

1

3

16

Unsigned 8

Уровень логического нуля

Дискретный  режим

4127

0x101F

2

3

16

Float 32

Уровень логической единицы

Дискретный  режим

4125

0x101D

2

3

16

Float 32

Тип датчика

Аналоговый  режим

4117

0x1015

1

3

16

Enum 28

Постоянная времени фильтра

Аналоговый  режим

4122

0x101A

2

3

16

Float 32

Нижняя  граница измерения

Аналоговый  режим

4120

0x1018

2

3

16

Float 32

Верхняя  граница измерения

Аналоговый  режим

4118

0x1016

2

3

16

Float 32

Режим работы

Вход  3

4132

0x1024

1

3

16

Enum 2

Фильтр антидребезга

Дискретный  режим

4140

0x102C

1

3

16

Unsigned 8

Уровень логического нуля

Дискретный  режим

4143

0x102F

2

3

16

Float 32

Уровень логической единицы

Дискретный  режим

4141

0x102D

2

3

16

Float 32

Тип датчика

Аналоговый  режим

4133

0x1025

1

3

16

Enum 28

Постоянная времени фильтра

Аналоговый  режим

4138

0x102A

2

3

16

Float 32

Нижняя  граница измерения

Аналоговый  режим

4136

0x1028

2

3

16

Float 32

Верхняя  граница измерения

Аналоговый  режим

4134

0x1026

2

3

16

Float 32

Режим работы

Вход  4

4148

0x1034

1

3

16

Enum 2

Фильтр антидребезга

Дискретный  режим

4156

0x103C

1

3

16

Unsigned 8

Уровень логического нуля

Дискретный  режим

4159

0x103F

2

3

16

Float 32

Уровень логической единицы

Дискретный  режим

4157

0x103D

2

3

16

Float 32

Тип датчика

Аналоговый  режим

4149

0x1035

1

3

16

Enum 28

Постоянная времени фильтра

Аналоговый  режим

4154

0x103A

2

3

16

Float 32

Нижняя  граница измерения

Аналоговый  режим

4152

0x1038

2

3

16

Float 32

Верхняя  граница измерения

Аналоговый  режим

4150

0x1036

2

3

16

Float 32

Вход  1

Измеренные значения

4002

0x0FA2

2

3

-

Float 32

Вход  2

Измеренные значения

4004

0x0FA4

2

3

-

Float 32

Вход  3

Измеренные значения

4006

0x0FA6

2

3

-

Float 32

Вход  4

Измеренные значения

4008

0x0FA8

2

3

-

Float 32

Вход  1

Состояния аналоговых входов

4014

0x0FAE

1

3

-

Enum 11

Вход  2

Состояния аналоговых входов

4015

0x0FAF

1

3

-

Enum 11

Вход  3

Состояния аналоговых входов

4016

0x0FB0

1

3

-

Enum 11

Вход  4

Состояния аналоговых входов

4017

0x0FB1

1

3

-

Enum 11

Изменить состояние

Дискретные выходы

470

0x01D6

1

3

16

Unsigned 8

Состояние

Дискретные выходы

468

0x01D4

1

3

-

Unsigned 8

Безопасное состояние

Выход  1

474

0x01DA

1

3

16

Enum 3

Безопасное состояние

Выход  2

475

0x01DB

1

3

16

Enum 3

Безопасное состояние

Выход  3

476

0x01DC

1

3

16

Enum 3

Безопасное состояние

Выход  4

477

0x01DD

1

3

16

Enum 3

Состояние

Дискретные ШИМ-выходы

306

0x0132

1

3

-

Unsigned 8

Режим работы

Выход  5

272

0x0110

1

3

16

Enum 2

Период ШИМ

Выход  5

308

0x0134

1

3

16

Unsigned 16

Минимальный импульс ШИМ

Выход  5

404

0x0194

1

3

16

Unsigned 16

Безопасное состояние

Выход  5

538

0x021A

2

3

16

Float 32

Режим работы

Выход  6

273

0x0111

1

3

16

Enum 2

Период ШИМ

Выход  6

309

0x0135

1

3

16

Unsigned 16

Минимальный импульс ШИМ

Выход  6

405

0x0195

1

3

16

Unsigned 16

Безопасное состояние

Выход  6

540

0x021C

2

3

16

Float 32

Режим работы

Выход  7

274

0x0112

1

3

16

Enum 2

Период ШИМ

Выход  7

310

0x0136

1

3

16

Unsigned 16

Минимальный импульс ШИМ

Выход  7

406

0x0196

1

3

16

Unsigned 16

Безопасное состояние

Выход  7

542

0x021E

2

3

16

Float 32

Режим работы

Выход  8

275

0x0113

1

3

16

Enum 2

Период ШИМ

Выход  8

311

0x0137

1

3

16

Unsigned 16

Минимальный импульс ШИМ

Выход  8

407

0x0197

1

3

16

Unsigned 16

Безопасное состояние

Выход  8

544

0x0220

2

3

16

Float 32

Выход  5

Коэффициент заполнения

340

0x0154

2

3

16

Float 32

Выход  6

Коэффициент заполнения

342

0x0156

2

3

16

Float 32

Выход  7

Коэффициент заполнения

344

0x0158

2

3

16

Float 32

Выход  8

Коэффициент заполнения

346

0x015A

2

3

16

Float 32

Вид сигнала

Выход  1

3160

0x0C58

1

3

16

Enum 3

Состояние

Выход  1

3128

0x0C38

1

3

-

Enum 6

Безопасное состояние

Выход  1

3032

0x0BD8

2

3

16

Float 32

Вид сигнала

Выход  2

3161

0x0C59

1

3

16

Enum 3

Состояние

Выход  2

3129

0x0C39

1

3

-

Enum 6

Безопасное состояние

Выход  2

3034

0x0BDA

2

3

16

Float 32

Выход  1

Значения сигнала

3000

0x0BB8

2

3

16

Float 32

Выход  2

Значения сигнала

3002

0x0BBA

2

3

16

Float 32

Состояние

Пользовательские светодиоды (Fn)

601

0x0259

1

3

-

Unsigned 8

Изменить состояние

Пользовательские светодиоды (Fn)

600

0x0258

1

3

16

Unsigned 8

Таймаут перехода в безопасное состояние

Modbus Slave

700

0x02BC

1

3

16

Unsigned 8

Скорость

Настройки порта RS-485 1

750

0x02EE

1

3

16

Enum 6

Размер данных

Настройки порта RS-485 1

751

0x02EF

1

3

16

Enum 2

Контроль чётности

Настройки порта RS-485 1

752

0x02F0

1

3

16

Enum 3

Кол. стоп-битов

Настройки порта RS-485 1

753

0x02F1

1

3

16

Enum 2

Slave ID

Настройки порта RS-485 1

754

0x02F2

1

3

16

Unsigned 8

Скорость

Настройки порта RS-485 2

760

0x02F8

1

3

16

Enum 6

Размер данных

Настройки порта RS-485 2

761

0x02F9

1

3

16

Enum 2

Контроль чётности

Настройки порта RS-485 2

762

0x02FA

1

3

16

Enum 3

Кол. стоп-битов

Настройки порта RS-485 2

763

0x02FB

1

3

16

Enum 2

Slave ID

Настройки порта RS-485 2

764

0x02FC

1

3

16

Unsigned 8

Подключение к OwenCloud

OwenCloud

35

0x0023

1

3

16

Enum 2

Статус подключения к OwenCloud

OwenCloud

36

0x0024

1

3

-

Enum 5

Разрешение конфигурирования

Права удалённого доступа из OwenCloud

701

0x02BD

1

3

16

Enum 2

Управление и запись значений

Права удалённого доступа из OwenCloud

702

0x02BE

1

3

16

Enum 2

Доступ к регистрам Modbus

Права удалённого доступа из OwenCloud

703

0x02BF

1

3

16

Enum 4

Наличие обмена

Обмен с устройствами

2008

0x07D8

2

3

-

Unsigned 32

Включить обмен

Обмен с устройствами

2010

0x07DA

2

3

16

Unsigned 32

Время цикла

Логика

61680

0xF0F0

2

3

-

Unsigned 32

Состояние логики

Логика

61682

0xF0F2

1

3

-

Enum 2

Подсветка экрана

Настройки прибора

768

0x0300

1

3

16

Enum 5

Яркость

Настройки прибора

769

0x0301

1

3

16

Unsigned 8

Карта регистров Modbus ПР225-24.1210.06.Х.0

Карта регистров Modbus ПР225-24.1210.06.Х.0

Параметр

Группа

Адрес

Адрес (hex)

Количество регистров

Функция чтения

Функция записи

Тип данных

Время в миллисек

Часы реального времени

61563

0xF07B

2

3

-

Unsigned 32

Время и дата (UTC)

Часы реального времени

61553

0xF071

2

3

16

Date time 32

Часовой пояс

Часы реального времени

61555

0xF073

1

3

16

Enum 38

Секунды

Переменные даты и времени

61557

0xF075

1

3

-

Unsigned 8

Минуты

Переменные даты и времени

61558

0xF076

1

3

-

Unsigned 8

Часы

Переменные даты и времени

61559

0xF077

1

3

-

Unsigned 8

Дни

Переменные даты и времени

61560

0xF078

1

3

-

Unsigned 8

Месяцы

Переменные даты и времени

61561

0xF079

1

3

-

Unsigned 8

Годы

Переменные даты и времени

61562

0xF07A

1

3

-

Unsigned 16

День недели

Переменные даты и времени

61556

0xF074

1

3

-

Enum 8

MAC адрес

Сетевые настройки

61712

0xF110

9

3

-

String 144

IP адрес

Сетевые настройки

20

0x0014

2

3

16

Unsigned 32

Маска подсети

Сетевые настройки

22

0x0016

2

3

16

Unsigned 32

IP адрес шлюза

Сетевые настройки

24

0x0018

2

3

16

Unsigned 32

DNS сервер 1

Сетевые настройки

12

0x000C

2

3

16

Unsigned 32

DNS сервер 2

Сетевые настройки

14

0x000E

2

3

16

Unsigned 32

Режим DHCP

Сетевые настройки

32

0x0020

1

3

16

Enum 2

Применить сейчас

Сетевые настройки

33

0x0021

1

3

16

Enum 2

Статус подключения

Сетевые настройки

34

0x0022

1

3

-

Enum 4

Напряжение

Батарея

801

0x0321

1

3

-

Unsigned 16

Пороговое напряжение

Батарея

800

0x0320

1

3

-

Unsigned 16

Состояние

Батарея

802

0x0322

1

3

-

Enum 2

Период обновления информации

Статус прибора

61624

0xF0B8

1

3

16

Unsigned 8

Статус

Статус прибора

61620

0xF0B4

2

3

-

Unsigned 32

Ошибки

Статус прибора

61626

0xF0BA

1

3

-

Unsigned 16

Предупреждения

Статус прибора

61627

0xF0BB

1

3

-

Unsigned 16

Период архивирования

Архив

900

0x0384

1

3

16

Unsigned 16

Количество архивов

Архив

901

0x0385

1

3

16

Unsigned 16

Размер архива

Архив

902

0x0386

1

3

16

Unsigned 16

Последний индекс архива

Архив

903

0x0387

1

3

-

Unsigned 16

Состояние

Дискретные входы

51

0x0033

1

3

-

Unsigned 8

Инверсия

Дискретные входы

57

0x0039

1

3

16

Unsigned 8

Фильтр антидребезга

Вход  1

96

0x0060

1

3

16

Unsigned 8

Фильтр антидребезга

Вход  2

97

0x0061

1

3

16

Unsigned 8

Фильтр антидребезга

Вход  3

98

0x0062

1

3

16

Unsigned 8

Фильтр антидребезга

Вход  4

99

0x0063

1

3

16

Unsigned 8

Фильтр антидребезга

Вход  5

100

0x0064

1

3

16

Unsigned 8

Фильтр антидребезга

Вход  6

101

0x0065

1

3

16

Unsigned 8

Фильтр антидребезга

Вход  7

102

0x0066

1

3

16

Unsigned 8

Фильтр антидребезга

Вход  8

103

0x0067

1

3

16

Unsigned 8

Состояние

Дискретно-аналоговые входы

4000

0x0FA0

1

3

-

Unsigned 8

Инверсия

Дискретно-аналоговые входы

4357

0x1105

1

3

16

Unsigned 8

Режим работы

Вход  1

4100

0x1004

1

3

16

Enum 2

Фильтр антидребезга

Дискретный  режим

4108

0x100C

1

3

16

Unsigned 8

Уровень логического нуля

Дискретный  режим

4111

0x100F

2

3

16

Float 32

Уровень логической единицы

Дискретный  режим

4109

0x100D

2

3

16

Float 32

Тип датчика

Аналоговый  режим

4101

0x1005

1

3

16

Enum 28

Постоянная времени фильтра

Аналоговый  режим

4106

0x100A

2

3

16

Float 32

Нижняя  граница измерения

Аналоговый  режим

4104

0x1008

2

3

16

Float 32

Верхняя  граница измерения

Аналоговый  режим

4102

0x1006

2

3

16

Float 32

Режим работы

Вход  2

4116

0x1014

1

3

16

Enum 2

Фильтр антидребезга

Дискретный  режим

4124

0x101C

1

3

16

Unsigned 8

Уровень логического нуля

Дискретный  режим

4127

0x101F

2

3

16

Float 32

Уровень логической единицы

Дискретный  режим

4125

0x101D

2

3

16

Float 32

Тип датчика

Аналоговый  режим

4117

0x1015

1

3

16

Enum 28

Постоянная времени фильтра

Аналоговый  режим

4122

0x101A

2

3

16

Float 32

Нижняя  граница измерения

Аналоговый  режим

4120

0x1018

2

3

16

Float 32

Верхняя  граница измерения

Аналоговый  режим

4118

0x1016

2

3

16

Float 32

Режим работы

Вход  3

4132

0x1024

1

3

16

Enum 2

Фильтр антидребезга

Дискретный  режим

4140

0x102C

1

3

16

Unsigned 8

Уровень логического нуля

Дискретный  режим

4143

0x102F

2

3

16

Float 32

Уровень логической единицы

Дискретный  режим

4141

0x102D

2

3

16

Float 32

Тип датчика

Аналоговый  режим

4133

0x1025

1

3

16

Enum 28

Постоянная времени фильтра

Аналоговый  режим

4138

0x102A

2

3

16

Float 32

Нижняя  граница измерения

Аналоговый  режим

4136

0x1028

2

3

16

Float 32

Верхняя  граница измерения

Аналоговый  режим

4134

0x1026

2

3

16

Float 32

Режим работы

Вход  4

4148

0x1034

1

3

16

Enum 2

Фильтр антидребезга

Дискретный  режим

4156

0x103C

1

3

16

Unsigned 8

Уровень логического нуля

Дискретный  режим

4159

0x103F

2

3

16

Float 32

Уровень логической единицы

Дискретный  режим

4157

0x103D

2

3

16

Float 32

Тип датчика

Аналоговый  режим

4149

0x1035

1

3

16

Enum 28

Постоянная времени фильтра

Аналоговый  режим

4154

0x103A

2

3

16

Float 32

Нижняя  граница измерения

Аналоговый  режим

4152

0x1038

2

3

16

Float 32

Верхняя  граница измерения

Аналоговый  режим

4150

0x1036

2

3

16

Float 32

Вход  1

Измеренные значения

4002

0x0FA2

2

3

-

Float 32

Вход  2

Измеренные значения

4004

0x0FA4

2

3

-

Float 32

Вход  3

Измеренные значения

4006

0x0FA6

2

3

-

Float 32

Вход  4

Измеренные значения

4008

0x0FA8

2

3

-

Float 32

Вход  1

Состояния аналоговых входов

4014

0x0FAE

1

3

-

Enum 11

Вход  2

Состояния аналоговых входов

4015

0x0FAF

1

3

-

Enum 11

Вход  3

Состояния аналоговых входов

4016

0x0FB0

1

3

-

Enum 11

Вход  4

Состояния аналоговых входов

4017

0x0FB1

1

3

-

Enum 11

Изменить состояние

Дискретные выходы

470

0x01D6

1

3

16

Unsigned 8

Состояние

Дискретные выходы

468

0x01D4

1

3

-

Unsigned 8

Безопасное состояние

Выход  1

474

0x01DA

1

3

16

Enum 3

Безопасное состояние

Выход  2

475

0x01DB

1

3

16

Enum 3

Безопасное состояние

Выход  3

476

0x01DC

1

3

16

Enum 3

Безопасное состояние

Выход  4

477

0x01DD

1

3

16

Enum 3

Состояние

Дискретные ШИМ-выходы

306

0x0132

1

3

-

Unsigned 8

Режим работы

Выход 5

272

0x0110

1

3

16

Enum 2

Период ШИМ

Выход 5

308

0x0134

1

3

16

Unsigned 16

Минимальный импульс ШИМ

Выход 5

404

0x0194

1

3

16

Unsigned 16

Безопасное состояние

Выход 5

538

0x021A

2

3

16

Float 32

Режим работы

Выход 6

273

0x0111

1

3

16

Enum 2

Период ШИМ

Выход 6

309

0x0135

1

3

16

Unsigned 16

Минимальный импульс ШИМ

Выход 6

405

0x0195

1

3

16

Unsigned 16

Безопасное состояние

Выход 6

540

0x021C

2

3

16

Float 32

Режим работы

Выход 7

274

0x0112

1

3

16

Enum 2

Период ШИМ

Выход 7

310

0x0136

1

3

16

Unsigned 16

Минимальный импульс ШИМ

Выход 7

406

0x0196

1

3

16

Unsigned 16

Безопасное состояние

Выход 7

542

0x021E

2

3

16

Float 32

Режим работы

Выход 8

275

0x0113

1

3

16

Enum 2

Период ШИМ

Выход 8

311

0x0137

1

3

16

Unsigned 16

Минимальный импульс ШИМ

Выход 8

407

0x0197

1

3

16

Unsigned 16

Безопасное состояние

Выход 8

544

0x0220

2

3

16

Float 32

Выход 5

Коэффициент заполнения

340

0x0154

2

3

16

Float 32

Выход 6

Коэффициент заполнения

342

0x0156

2

3

16

Float 32

Выход 7

Коэффициент заполнения

344

0x0158

2

3

16

Float 32

Выход 8

Коэффициент заполнения

346

0x015A

2

3

16

Float 32

Вид сигнала

Выход  1

3160

0x0C58

1

3

16

Enum 3

Состояние

Выход  1

3128

0x0C38

1

3

-

Enum 6

Безопасное состояние

Выход  1

3032

0x0BD8

2

3

16

Float 32

Вид сигнала

Выход  2

3161

0x0C59

1

3

16

Enum 3

Состояние

Выход  2

3129

0x0C39

1

3

-

Enum 6

Безопасное состояние

Выход  2

3034

0x0BDA

2

3

16

Float 32

Выход  1

Значения сигнала

3000

0x0BB8

2

3

16

Float 32

Выход  2

Значения сигнала

3002

0x0BBA

2

3

16

Float 32

Состояние

Пользовательские светодиоды (Fn)

601

0x0259

1

3

-

Unsigned 8

Изменить состояние

Пользовательские светодиоды (Fn)

600

0x0258

1

3

16

Unsigned 8

Таймаут перехода в безопасное состояние

Modbus Slave

700

0x02BC

1

3

16

Unsigned 8

Скорость

Настройки порта RS-485 1

750

0x02EE

1

3

16

Enum 6

Размер данных

Настройки порта RS-485 1

751

0x02EF

1

3

16

Enum 2

Контроль чётности

Настройки порта RS-485 1

752

0x02F0

1

3

16

Enum 3

Кол. стоп-битов

Настройки порта RS-485 1

753

0x02F1

1

3

16

Enum 2

Slave ID

Настройки порта RS-485 1

754

0x02F2

1

3

16

Unsigned 8

Скорость

Настройки порта RS-485 2

760

0x02F8

1

3

16

Enum 6

Размер данных

Настройки порта RS-485 2

761

0x02F9

1

3

16

Enum 2

Контроль чётности

Настройки порта RS-485 2

762

0x02FA

1

3

16

Enum 3

Кол. стоп-битов

Настройки порта RS-485 2

763

0x02FB

1

3

16

Enum 2

Slave ID

Настройки порта RS-485 2

764

0x02FC

1

3

16

Unsigned 8

Подключение к OwenCloud

OwenCloud

35

0x0023

1

3

16

Enum 2

Статус подключения к OwenCloud

OwenCloud

36

0x0024

1

3

-

Enum 5

Разрешение конфигурирования

Права удалённого доступа из OwenCloud

701

0x02BD

1

3

16

Enum 2

Управление и запись значений

Права удалённого доступа из OwenCloud

702

0x02BE

1

3

16

Enum 2

Доступ к регистрам Modbus

Права удалённого доступа из OwenCloud

703

0x02BF

1

3

16

Enum 4

Наличие обмена

Обмен с устройствами

2008

0x07D8

2

3

-

Unsigned 32

Включить обмен

Обмен с устройствами

2010

0x07DA

2

3

16

Unsigned 32

Время цикла

Логика

61680

0xF0F0

2

3

-

Unsigned 32

Состояние логики

Логика

61682

0xF0F2

1

3

-

Enum 2

Подсветка экрана

Настройки прибора

768

0x0300

1

3

16

Enum 5

Яркость

Настройки прибора

769

0x0301

1

3

16

Unsigned 8

Юстировка

Общие указания

Юстировка прибора заключается в проведении технологических операций, обеспечивающих восстановление метрологических характеристик прибора в случае изменения их после длительной эксплуатации.

Внимание
Необходимость проведения юстировки определяется по результатам поверки прибора и должна производиться только квалифицированными специалистами метрологических служб, осуществляющих эту поверку.

Юстировка проводится в OWEN Configurator.

Юстировка выполняется с помощью эталонных источников сигналов, имитирующих работу датчиков и подключаемых к контактам прибора. Во время юстировки прибор вычисляет соотношения между поступившим входным сигналом и опорным сигналом.

Вычисленные соотношения (коэффициенты юстировки) записываются в энергонезависимую память прибора и используются как базовые для выполнения всех дальнейших расчетов.

Каждый аналоговый вход имеет собственные коэффициенты юстировки для каждого типа датчика.

Если вычисленные значения коэффициентов выходят за пределы, установленные для него во время разработки прибора, в OWEN Configurator выводится сообщение о причине этой ошибки.

Юстировка универсальных входов

Для юстировки входного сигнала типа «напряжение» следует:

  1. Подключить к контактам входа прибора дифференциальный вольтметр В1-12 в режиме калибратора напряжений или аналогичный ему источник образцового напряжения с классом точности не ниже 0,05. Прибор следует соединять с калибратором по схеме, приведенной на рисунке, 1 с соблюдением полярности подключения.

    Graphic
    Подключение источника эталонного сигнала

  2. Подключить прибор к ПК с помощью USB кабеля.

  3. Подать питание на прибор.

  4. Запустить OWEN Configurator.

  5. Добавить прибор в OWEN Configurator.

  6. Выбрать в меню кнопку «Юстировать устройство» для запуска мастера юстировки. В появившемся меню выбрать (см. рисунок):

    • аналоговые входы;

    • тип датчика;

    • количество каналов;

    • метод юстировки.

    Graphic
    Выбор элементов
  7. Нажать кнопку «Далее» и следовать указаниям мастера юстировки.

В случае использования входа для измерения сигналов «ток» рекомендуется провести юстировку входа, предварительно выбрав параметр «Тип датчика» равным «4…20 мА». Схема подключения изображена на рисунке, 2. Действия аналогичны пп. 1–4.

В случае использования входа для измерения сигналов «сопротивление» (например, для ТС) рекомендуется провести юстировку входа, предварительно выбрав параметр «Тип датчика» равным «0…300 кОм». Схема подключения изображена на рисунке, 3. Действия аналогичны пп. 1–4.

Юстировка универсальных аналоговых выходов

Перед началом юстировки выходов переключатель Работа/Стоп следует перевести в положение «Стоп».

Для юстировки универсальных аналоговых выходов следует:

  1. Подключить ВЭ согласно схеме, приведенной на рисунке или рисунке.

    Graphic
    Схема подключения к ВЭ для юстировки сигналов типа «4…20 мА» (R < 600 Ом)
    Graphic
    Схема подключения нагрузки к ВЭ для юстировки сигналов типа «0...10 В» (R > 600 Ом)

  2. Проконтролировать напряжение источника питания — оно должно быть в диапазоне 15…30 В.

    В качестве измерителя напряжения можно использовать прибор для калибровки вольтметров Р3003 или иной прибор того же класса с разрешающей способностью 0,001 В.

  3. Подключить прибор к ПК с помощью USB кабеля.

  4. Подать питание на прибор.

  5. Запустить OWEN Configurator.

  6. Добавить прибор в OWEN Configurator.

  7. Выбрать в меню кнопку «Юстировать прибор» для запуска мастера юстировки. В появившемся меню выбрать (см. рисунок):

    • аналоговые выходы;

    • тип сигнала;

    • количество каналов.

    Graphic
    Выбор элементов
  8. Далее следовать рекомендациям мастера для юстировки.

Расчет вектора инициализации для шифрования файла архива

Для расшифровки файла архива в качестве вектора инициализации следует использовать хеш-функцию. Хеш-функция должна возвращать 8 байт (тип long long).

Пример реализации хеш-функции на языке программирования С:

typedef union {         struct {                 unsigned long lo;                 unsigned long hi;         };         long long hilo; }LONG_LONG; long long Hash8(const char *str) {     // На основе Rot13         LONG_LONG temp;         temp.lo = 0;         temp.hi = 0;         for ( ; *str; )         {                 temp.lo += (unsigned char) (*str);                 temp.lo –= (temp.lo << 13) | (temp.lo >> 19);                 str++;                 if (!str) break;                 temp.hi += (unsigned char) (*str);                 temp.hi –= (temp.hi << 13) | (temp.hi >> 19);                 str++;         }         return temp.hilo; }

Предупреждающие сообщения

В данном руководстве применяются следующие предупреждения:

Опасность

Ключевое слово ОПАСНОСТЬ сообщает о непосредственной угрозе опасной ситуации, которая приведет к смерти или серьезной травме, если ее не предотвратить.

Внимание

Ключевое слово ВНИМАНИЕ сообщает о потенциально опасной ситуации, которая может привести к небольшим травмам.

Предупреждение

Ключевое слово ПРЕДУПРЕЖДЕНИЕ сообщает о потенциально опасной ситуации , которая может привести к повреждению имущества.

Примечание

Ключевое слово ПРИМЕЧАНИЕ обращает внимание на полезные советы и рекомендации, а также информацию для эффективной и безаварийной работы оборудования.

Ограничение ответственности

Ни при каких обстоятельствах ООО «Производственное Объединение ОВЕН» и его контрагенты не будут нести юридическую ответственность и не будут признавать за собой какие-либо обязательства в связи с любым ущербом, возникшим в результате установки или использования прибора с нарушением действующей нормативно-технической документации.