1-RU-115562-1.18

Руководство по эксплуатации

Лицензионные условия при использовании облачного ПО OWEN CLOUD

Пользователю прибора предоставляется право использования программного обеспечения (ПО) «OWEN CLOUD», предназначенного для удаленной диспетчеризации, мониторинга, аналитики и управления событиями на приборах, выпускаемых ООО «Завод№ 423». Условия использования ПО содержатся в пользовательском лицензионном соглашении, размещенном по адресу: https://web.owencloud.ru/site/agreement.

Срок действия права использования – в соответствии со средним сроком службы соответствующего прибора.

Облачное ПО «OWEN CLOUD» размещено по адресу: https://web.owencloud.ru (для использования требуется отдельная регистрация).

Право использования указанного ПО предоставляется в базовом функционале. Дополнительные функции ПО (при их наличии) предоставляются отдельно в соответствии с пользовательским лицензионным соглашением ПО.

Термины и аббревиатуры

  • АЦП – аналого-цифровой преобразователь.

  • Выходной элемент (ВЭ) – элемент схемы прибора, служащий для подключения исполнительных механизмов или коммутации внешнего управляющего сигнала.

  • Исполнительный механизм (ИМ) – внешнее устройство, функционирующее под управлением прибора.

  • ЖКИ – жидкокристаллический индикатор.

  • ОЗУ – оперативное запоминающее устройство, оперативная память.

  • ПЗУ – постоянное запоминающее устройство, энергонезависимая память.

  • ПК – персональный компьютер.

  • ПО – программное обеспечение.

  • Пользовательская программа – программа, созданная в OwenLogic.

  • ЦАП – цифро-аналоговый преобразователь.

  • ШИМ – широтно-импульсная модуляция.

  • Элементы меню – элементы, выводимые на экране прибора и несущие информацию, заложенную при написании пользовательской программы.

  • Modbus – открытый протокол обмена по сети RS-485, разработан компанией ModiCon, в настоящий момент поддерживается независимой организацией Modbus-IDA (www.modbus.org).

  • OwenLogic – специализированная среда программирования прибора на основе визуального языка графических диаграмм FBD (Function Block Diagram).

  • Retain-память – энергонезависимая память для хранения значений Retain-переменных пользовательской программы

    .
  • Retain-переменные – переменные пользовательской программы, значение которых сохраняется в случае выключения питания прибора.

Введение

Настоящее Руководство по эксплуатации предназначено для ознакомления обслуживающего персонала с устройством, принципом действия, конструкцией, технической эксплуатацией и обслуживанием устройства управляющего многофункционального ПР200, в дальнейшем по тексту именуемых «прибор» или «ПР200».

Подключение, настройка и техобслуживание прибора должны производиться только квалифицированными специалистами после прочтения настоящего руководства по эксплуатации.

Функциональные возможности ПР200 могут быть расширены с помощью:

  • плат расширения ПР-ИП485 (размещаются внутри корпуса прибора, см.раздел);

  • модулей расширения (подключаются к интерфейсу модульной шины с помощью кабеля, см. раздел):

    • ПРМ-X.1 – модуль дискретного ввода-вывода;

    • ПРМ-X.2 – комбинированный модуль расширения входов-выходов;

    • ПРМ-X.3 – модуль аналогового ввода-вывода;

    • ПРМ-X.4 – модуль дискретного ввода;

    • ПРМ-X.5 – модуль дискретного вывода;

    • ПРМ-X.6 – модуль дискретного ввода-вывода.

Прибор изготавливается в различных модификациях, указанных в коде полного условного обозначения:

Graphic
Примечание

Расшифровка буквенных индексов входов и выходов приведена в таблице.

Наименование при заказе: ПР200-220.28.2.0

Приведенное условное обозначение указывает, что изготовлению и поставке подлежит устройство управляющее многофункциональное модели ПР200, работающее при номинальном напряжении питания 230 В переменного тока, оснащенное:

  • восемью дискретными входами для сигналов 24 В постоянного тока;
  • четырьмя универсальными входами для измерения аналоговых сигналов 0…10 В, 4…20 мА, термисторов;
  • четырьмя кондуктометрическими входами;

  • восемью дискретными выходами типа электромагнитное реле;
  • двумя универсальными аналоговыми выходами;
  • двумя интерфейсами RS-485.

Назначение и функции

Прибор предназначен для построения простых автоматизированных систем управления технологическим оборудованием в промышленности, жилищно-коммунальном и сельском хозяйстве.

Область применения:

  • управление системами водоснабжения и водоподготовки;

  • управление системами отопления и подпитки;

  • управление дренажными системами;

  • управление наружным и внутренним освещением;

  • управление технологическим оборудованием (насосами, вентиляторами, компрессорами, прессами);

  • конвейерные системы;

  • управление подъемниками и т.д.

ПР200 программируется в OwenLogic на языке FBD. Пользовательская программа записывается в энергонезависимую Flash-память прибора.

Прибор выпускается согласно ТУ 4252-009-46526536-2015.

Прибор поддерживает следующие функции:

  • работа по программе, записанной в память;
  • работа в сети RS-485 по протоколам Modbus RTU/Modbus ASCII в режиме Master или Slave;
  • обработка входных сигналов от датчиков;

  • управление подключенными устройствами с помощью дискретных или аналоговых сигналов;

  • отображение данных на ЖКИ;

  • ввод и редактирование данных с помощью кнопок на лицевой панели.

Технические характеристики и условия эксплуатации

Технические характеристики

Модификации прибора
МодификацияТип питанияВИП*ВходыВыходыКоличество RS-485
ДискретныеАналоговыеДискретныеАналоговые

ПР200-220.28.1

~230 В

+

8 Д

4 CI,

4 ДАТ

8 Р

2 АУ

1

ПР200-220.28.2

~230 В

+

8 Д

4 CI,

4 ДАТ

8 Р

2 АУ

2

ПР200-24.8.1

=24 В

8 Д

4 CI,

4 ДАТ

8 Р

2 АУ

1

ПР200-24.8.2

=24 В

8 Д

4 CI,

4 ДАТ

8 Р

2 АУ

2
Примечание
* ВИП — встроенный источник питания.
Сводная таблица характеристик
ТипТаблица характеристик
Характеристики приборов с питанием 230 В со встроенным источником питаниятаблица
Характеристики встроенного источника питаниятаблица
Характеристики приборов с питанием 24 Втаблица
Общие параметры приборатаблица
Параметры элементов индикации и управлениятаблица
Дискретный вход для сигналов =24 В (вход типа «Д»)таблица
Универсальный аналоговый вход (вход типа «ДАТ»)таблица
Кондуктометрический вход (вход типа «CI»)таблица
Дискретный выход типа «электромагнитное реле» (выход типа «Р»)таблица
Универсальный аналоговый выход типа «ток 4...20 мА/напряжение 0...10 В» (выход типа «АУ»)таблица
Характеристики приборов с питанием 230 В со встроенным источником питания
ПараметрЗначение
Диапазон переменного напряжения питания

~90…264 В (номинальное ~230 В, при 50 Гц)

Диапазон постоянного напряжения питания*127...373 В (номинальное 230 В)

Гальваническая развязка

Есть

Электрическая прочность изоляции между входом питания и другими цепями

2300 В

Встроенный источник питанияЕсть

Потребляемая мощность, не более

17 ВА

Примечание
* При подаче постоянного напряжения 230 В, полярность подключения питания значения не имеет.
Характеристики встроенного источника питания
ПараметрЗначение

Выходное напряжение встроенного источника питания постоянного тока

=24 ± 3 В

Ток нагрузки встроенного источника питания, не более

100 мА

Электрическая прочность изоляции между выходом питания и другими цепями

1780 В

Характеристики приборов с питанием 24 В
ПараметрЗначение

Диапазон напряжения питания

=19…30 В (номинальное =24 В)

Гальваническая развязка

Есть

Электрическая прочность изоляции между входом питания и другими цепями

2300 В

Потребляемая мощность, не более

10 Вт

Защита от подачи питающего напряжения неправильной полярностиЕсть
Общие параметры прибора
ПараметрЗначение
Интерфейсы связи
Тип интерфейсаRS-485
Количество интерфейсных плат, не более (зависит от модификации)2
Протокол связиModbus-RTU и Modbus-ASCII
Режим работыMaster/Slave
Скорость передачи данных9600, 14400, 19200, 38400, 57600, 115200 бит/с
Электрическая прочность изоляции между RS-485 и другими цепями510 В
Интерфейсная плата ПР-ИП485
Вычислительные ресурсы и дополнительное оборудование
Минимальное время цикла (зависит от сложности программы)1 мс
Объем памяти для сетевых переменных
  режим Master128 байт
  режим Slave128 байт
Количество подключаемых модулей расширения, не более2
Модули расширенияСерия ПРМ
Встроенные часы реального времениДа
Точность работы встроенных часов прибора при +25 °С± 3 с/сутки
Время автономной работы часов от сменного элемента питания5 лет
Элемент питания встроенных часов реального времениCR2032
Программирование
Среда программированияOwenLogic
Объем Retain-памяти1016 байт
Память ПЗУ128 кбайт
Память ОЗУ 32 кбайт
Конструкция
Тип корпусаДля крепления на DIN-рейку (35 мм)
Габаритные размеры123 × 90 × 58 мм
Степень защиты корпуса по ГОСТ 14254-2015IP20
Масса прибора, не более (для всех вариантов исполнений)0,6 кг
Средний срок службы10 лет

Параметры элементов индикации и управления

Параметры элементов индикации и управления
ПараметрЗначение
Дисплей
Тип дисплеяМонохромный текстовый ЖКИ с подсветкой
Управление временем работы подсветкиЕсть
Управление яркостью подсветкиЕсть
Управление контрастностью экранаЕсть
Размеры дисплея60 × 15 мм
Отображение информации2 строки по 16 символов
Высота символа5 мм
Поддерживаемые языкиРусский, английский
Светодиодные индикаторы
Количество (цвет)Два (красный и зеленый)
НазначениеНастраиваются при программировании
Кнопки
Количество механических кнопок6 шт.
Назначениесм. раздел

Характеристики входов

Характеристики дискретных входов типа «Д»

Наименование

Значение

Напряжение «логической единицы»

15…30 В

Ток «логической единицы»

2…15 мА

Напряжение «логического нуля»

минус 3…плюс 5 В

Ток «логического нуля»

0…15 мА

Минимальная длительность импульса, воспринимаемая дискретным входом

2 мс

Максимальное время реакции на событие по дискретному входу

30 мс

Максимальная частота следования импульсов

150 Гц

Гальваническая развязка

Есть
Прочность гальванической развязки2830 В
Защита от подключения питания неправильной полярностиЕсть
Характеристики универсальных дискретно-аналоговых входов типа «ДАТ»

Наименование

Значение

Разрешающая способность АЦП12 бит

Период обновления результатов измерения восьми каналов, мс, не более

1

Гальваническая развязка

Отсутствует

Режим аналогового входа 1 (сигналы тока и напряжения)

Тип измеряемых сигналов, униполярный

0…10 В,

4…20 мА

Предел основной приведенной погрешности

± 0,5 %

Дополнительная приведенная погрешность, вызванная изменением температуры окружающей среды в пределах рабочего диапазона, на каждые 10 градусов

0,5 от основной

Входное сопротивление для режима 0…10 В, не менее

10 кОм

Режим аналогового входа 2 (сопротивление и термисторы)
Диапазон измерения

0…300 кОм

Значение единицы младшего разряда, не более

1 °С

Предел основной приведенной погрешности для сопротивлений 0...150 кОм, не более

± 1,0 %

Предел основной приведенной погрешности для сопротивлений 150...300 кОм, не более

± 2,0 %

Предел основной приведенной погрешности для датчиков NTC и PTC, не более

± 1,5 %

Дополнительная приведенная погрешность, вызванная изменением температуры окружающей среды в пределах рабочего диапазона, на каждые 10 градусов

0,5 от основной

Режим дискретного входа

Диапазон входного напряжения0...30 В
Порог переключения входа из состояния «логическая единица» в состояние «логический ноль»1...8 В (устанавливается в OwenLogic)
Порог переключения входа из состояния «логический ноль» в состояние «логическая единица»2...9 В (устанавливается в OwenLogic)
Входной ток в режиме дискретного входа2…15 мА
Минимальная длительность импульса, воспринимаемая дискретным входом (постоянный ток)5 мс
Максимальная частота сигнала, воспринимаемая дискретным входом постоянного тока100 Гц
Характеристики входа типа «CI»
ПараметрЗначение

Диапазон измерения электропроводности

0...2000 мкСм/см

Тип схемы измерения

двухэлектродная

Предел основной приведенной погрешности

±1,5 %

Дополнительная приведенная погрешность, вызванная изменением температуры окружающей среды в пределах рабочего диапазона, на каждые 10 градусов0,5 от основной
Погрешность измерения электропроводности, определяющей логическое состояние входа, (к максимальному значению диапазона)

±1,5 %

Рабочая частота входа1400 Гц
Тип подключаемых датчиков электропроводностиКондуктометрический
Тип подаваемого сигнала на электроды датчикаМеандр
Режим аналогового входа

Температурная компенсация

к 18, 20 или 25°С

(устанавливается в OwenLogic)

Диапазон компенсации температуры раствора0…50 ˚С

Допустимый диапазон значений коэффициентов датчиков электропроводности (коэффициентов ячеек)

0,01…2

Время обновления данных от входа, не более

800 мс

Режим дискретного входа
Порог переключения входа из состояния «логическая единица» в состояние «логический ноль»1...1990 мкСм/см

(устанавливается в OwenLogic)

Порог переключения входа из состояния «логический ноль» в состояние «логическая единица»3...2000 мкСм/см

(устанавливается в OwenLogic)

Время обновления данных от входа, не более65 мс

Поддерживаемые датчики и сигналы

Предупреждение
Перед подключением датчика из таблицы ниже следует настроить в OwenLogic тип сигнала, подаваемый на вход.
Датчики и сигналы, подключаемые к входу типа «ДАТ»

Наименование

Диапазон измерений

Сигнал постоянного напряжения0...10 В
Сигнал постоянного тока4...20 мА
Резистивный сигнал*0...300 кОм
Примечание
*С резистивным сигналом прибор работает как омметр, диапазон которого пользователь не может задать.
Список поддерживаемых ТС входом типа «ДАТ»

Наименование датчика по ГОСТ 6651–2009

Наименование датчика в OwenLogic

Диапазон температур

Pt 500 (α = 0,00385 °С−1)*

Pt500 (а = 0,00385)

–200…+850 °С

500П (α = 0,00391 °С−1)

500П (а = 0,00391)

–200…+850 °С

Cu 500 (α = 0,00426 °С−1)

Cu500 (а = 0,00426)

–50...+200 °С

500М (α = 0,00428 °С−1)

500М (а = 0,00428)

–180...+200 °С

Ni500 (α = 0,00617 °С−1)

Ni 500 (а = 0,00617)

–60...+180 °С

Cu 1000 (α = 0,00426 °С−1)

Cu1000 (а = 0,00426)

–50...+200 °С

1000М (α = 0,00428 °С−1)

1000М (а = 0,00428)

–180...+200 °С

Pt 1000 (α = 0,00385 °С−1)

Pt1000 (а = 0,00385)

–200...+850 °С

1000П (α = 0,00391 °С−1)

1000П (а = 0,00391)

–200...+850 °С

Ni 1000 (α = 0,00617 °С−1)

Ni 1000 (а = 0,00617)

–60...+180 °С

Примечание
*  Коэффициент, определяемый по формуле Graphic, где R100, R0 — значения сопротивления термопреобразователя сопротивления по номинальной статической характеристике, при 100 и 0 °С соответственно и округляемый до пятого знака после запятой.
Поддерживаемые термисторы NTC входом типа «ДАТ»

Наименование датчика

Наименование датчика в OwenLogic

Диапазон температур

Серия B57861S, характеристика № 1008, R25 = 2 кОм

NTC1008, R25 = 2 кОм, В25/100 = 3560

–55…+100 °С

Серия B57861S, характеристика № 8016, R25 = 3 кОм

NTC8016, R25 = 3 кОм, В25/100 = 3988

–55…+125 °С

Серия B57861S, характеристика № 8016, R25 = 5 кОм

NTC8016, R25 = 5 кОм, В25/100 = 3988

–35…+140 °С

Серия B57861S, характеристика № 8016, R25 = 10 кОм

NTC8016, R25 = 10 кОм, В25/100 = 3988

–35…+155 °С

Серия B57861S, характеристика № 8018, R25 = 30 кОм

NTC8018, R25 = 30 кОм, В25/100 = 3964

–20…+155 °С

Серия B57861S, характеристика № 2901, R25 = 50 кОм

NTC2901, R25 = 50 кОм, В25/100 = 3760

–10…+155 °С

NTC3435, 10 кОм

NTC3435, R25 = 10 кОм, В25/85 = 3435

–40…+105 °С

NTC3977, 10 кОм

NTC3977, R25 = 10 кОм, В25/85 = 3977

–40…+125 °С

Поддерживаемые термисторы РТС входом типа «ДАТ»

Наименование датчика

Наименование датчика в OwenLogic

Диапазон температур

KTY82-110

KTY82-110

–55…+150 °С

KTY82-120

KTY82-120

–55…+150 °С

KTY82-121

KTY82-121

–55…+150 °С

KTY82-122

KTY82-122

–55…+150 °С

KTY82-150

KTY82-150

–55…+150 °С

KTY82-151

KTY82-151

–55…+150 °С

Характеристики выходов

Характеристики дискретных выходов типа «Р»
НаименованиеЗначение

Тип выходного устройства

Электромагнитное реле (нормально разомкнутые контакты)

Электрическая прочность изоляции между выходом и другими цепями

  • 2300 В

Коммутируемое напряжение в нагрузке:

  • для цепи постоянного тока, не более

30 В (резистивная нагрузка)

  • для цепи переменного тока, не более

250 В (резистивная нагрузка)

Допустимый ток нагрузки, не более

  • 5 А при напряжении не более 250 В переменного тока и cos(φ) > 0,95;

  • 3 А при напряжении не более 30 В постоянного тока

Допустимый ток нагрузки, не менее

10 мА (при 5 В постоянного тока)

Электрический ресурс реле, не менее

  • 200000 циклов: 5 А при 250 В переменного тока;

  • 50000 циклов: 7 А при 250 В переменного тока;

  • 100000 циклов: 3 А, 30 В постоянного тока,

  • резистивная нагрузка

Характеристики универсальных аналоговых выходов «АУ»

Наименование

Значение

Тип аналогового выхода

Универсальный (ток или напряжение)

Разрядность ЦАП

12 бит

Напряжение питания

15…30 В

Диапазон генерации тока

4…20 мА

Диапазон генерации напряжения

0…10 В

Сопротивление нагрузки для режима:
  4...20 мА, не более600 Ом
  0...10 В, не менее1000 Ом

Предел основной приведенной погрешности

± 0,5 %

Дополнительная приведенная погрешность, вызванная изменением температуры окружающей среды в пределах рабочего диапазона, на каждые 10 градусов

0,5 от основной

Гальваническая развязка

Есть

Электрическая прочность изоляции

510 В

Условия эксплуатации

Прибор предназначен для эксплуатации в следующих условиях:

  • закрытые взрывобезопасные помещения без агрессивных паров и газов;
  • температура окружающего воздуха от минус 20 до плюс 55 °С;
  • относительная влажность воздуха от 30 до 80 % без конденсации влаги;
  • допустимая степень загрязнения 1 (несущественные загрязнения или наличие только сухих непроводящих загрязнений);
  • атмосферное давление от 84,0 до 106,7 кПа.

По устойчивости к синусоидальным вибрациям во время эксплуатации прибор соответствует группе исполнения N2 по ГОСТ Р 52931–2008 (частота вибрации от 10 до 55 Гц).

По устойчивости к воздействию атмосферного давления прибор относится к группе Р1 по ГОСТ Р 52931–2008.

Прибор отвечает требованиям по устойчивости к воздействию помех в соответствии с ГОСТ 30804.6.2–2013.

По уровню излучения радиопомех (помехоэмиссии) прибор соответствует ГОСТ IEC 61000-6-3-2016.

Прибор устойчив к прерываниям, провалам и выбросам напряжения питания:

  • для переменного тока в соответствии с требованиями ГОСТ 30804.4.11–2013;
  • для постоянного тока в соответствии с требованиями ГОСТ IEC 61131–2–2012 – длительность прерывания напряжения питания до 10 мс включительно, длительность интервала от 1 с и более.

Меры безопасности

По способу защиты обслуживающего персонала от поражения электрическим током ПР200-220.Х относится к классу II, а ПР200-24.Х к классу III ГОСТ IEC 61131-2-2012.

Во время эксплуатации и технического обслуживания прибора следует соблюдать требования ГОСТ 12.3.019–80, «Правил технической эксплуатации электроустановок потребителей электрической энергии» и «Правил охраны труда при эксплуатации электроустановок».

Во время эксплуатации прибора открытые контакты клеммника находятся под опасным для жизни напряжением. Прибор следует устанавливать в специализированных шкафах, доступных только квалифицированным специалистам.

Любые подключения к прибору и работы по его техническому обслуживанию следует производить только при отключенном питании прибора и подключенных к нему устройств.

Не допускается попадание влаги на контакты выходного разъема и внутренние электроэлементы прибора. Прибор запрещено использовать в агрессивных средах с содержанием в атмосфере кислот, щелочей, масел и т. п.

Настройка и программирование

Ввод в эксплуатацию

Для ввода в эксплуатацию прибора следует:

  1. Соединить ПК и прибор с помощью USB кабеля.

  2. Подсоединить источник питания к съемному клеммнику.

    Предупреждение

    Перед подачей питания на ПР200-230.Х следует проверить уровень напряжения питания. Если напряжение выше 264 В, то прибор может выйти из строя.

    Перед подачей питания на ПР200-24.Х следует проверить правильность подключения напряжения питания и его уровень:

    • если напряжение ниже 19 В, то прибор прекращает функционировать, но не выходит из строя, поэтому не гарантируется его работа;
    • если напряжение выше 30 В, то прибор может выйти из строя;
    • в случае неверного подключения к источнику постоянного напряжения (перепутана полярность) прибор не включится.

  3. Съемный клеммник подключить к прибору.

    Предупреждение

    В случае изменения температуры окружающего воздуха с низкой на высокую в приборе возможно образование конденсата. Чтобы избежать выхода прибора из строя рекомендуется выдержать прибор в выключенном состоянии не менее 1 часа.

  4. Подать питание на прибор.

  5. Убедиться в отсутствии системных ошибок (см. раздел).

  6. Запустить OwenLogic и настроить часы.

  7. Снять питание и отключить USB провод.

  8. Подключить провод USB и подать питание. Проверить время/дату. В случае сброса часов заменить батарейку (см. раздел). Если часы работают корректно, то снять питание.

  9. Настроить входы и выходы. Если требуется, настроить сетевые интерфейсы.

  10. Создать пользовательскую программу OwenLogic и записать ее в память прибора. Пользовательская программа записывается в энергонезависимую память прибора и запускается после включения питания или перезагрузки прибора.

    Примечание
    Записать в память прибора пользовательскую программу можно с помощью специально созданного исполняемого файла (см. Мастер тиражирования в справке OwenLogic).
  11. Снять питание.

  12. Подсоединить линии связи «прибор – устройства» съемным клеммникам.

  13. Съемные клеммники подключить к прибору (см. Приложение Описание клеммников).

Если после включения питания выполнение программы не началось, необходимо повторно записать программу в прибор. Если программу не удалось записать, то следовать инструкциям раздела.

Настройка универсальных входов

Меню настройки универсальных входов расположено в OwenLogic во вкладке Прибор/Настройка прибора (см. рисунок).

Graphic
Настройки универсального входа

Для выбора типа сигнала датчика следует задать параметр «Тип датчика аналогового входа» в OwenLogic.

Настройки универсального входа
НазваниеОписание
Режим работы входаПозволяет выбрать между двумя режимами работы: аналоговый или дискретный
Аналоговый режим
Тип датчика аналогового входа

Выбор типа входного сигнала:

  • сопротивление в диапазоне от 0 до 300 кОм;

  • сигналы тока в диапазоне от 4 до 20 мА;

  • сигналы напряжения в диапазоне от 0 до 10 В;

  • 24 типа термодатчиков;

  • дискретные сигналы постоянного тока

Постоянная времени фильтраПостоянная времени фильтрации встроенного сглаживающего цифрового фильтра. Увеличение значения параметра улучшает помехозащищенность канала, но одновременно увеличивает его инерционность, т. е. реакция прибора на быстрые изменения входной величины замедляется
Смещение десятичной точкиСмещение десятичной точки при опросе по протоколу Modbus
Нижняя граница измеренияМинимальный уровень измеренного сигнала
Верхняя граница измеренияМаксимальный уровень измеренного сигнала
Дискретный режим
Уровень переключения в “0”Задает верхнюю границу определения «логического нуля»
Уровень переключения в “1”Задает нижнюю границу определения «логической единицы»

Работа входа в аналоговом режиме

Для измерения токового сигнала 4...20 мА в прибор встроен шунтирующий резистор с номинальным сопротивлением 121 Ом для каждого канала. В приборе масштабируются шкалы измерения для каналов «0…10 В» и «4…20 мА», после чего контролируемые физические величины отображаются непосредственно в единицах их измерения (атмосферах (кг/см2), кПа и т. д.). Для каждого такого датчика следует установить диапазон измерения:

  • нижняя граница диапазона измерения задается параметром Нижняя граница измерения и соответствует минимальному уровню выходного сигнала датчика;

  • верхняя граница диапазона измерения задается параметром Верхняя граница измерения и соответствует максимальному уровню выходного сигнала датчика.

Для сигнала 4…20 мА параметр Смещение десятичной точки используется в обмене по протоколу Modbus и определяет точность передаваемого значения в формате целого числа.

Пример

Используется датчик с выходным током 4…20 мА, контролирующий давление в диапазоне 0…25 атм, в параметре «нижняя граница измерения» задается значение «0,00», а в параметре «верхняя граница измерения» — значение «25,00» (см. рисунок). Теперь значения на аналоговом входе будут измеряться в атмосферах.

Graphic
Пример задания диапазона измерения

Значения в приборе представлены в абсолютном виде (float32). Сопротивление измеряется по двухпроводной схеме, поэтому во время подключения датчиков сопротивление проводов вносит дополнительную погрешность измерения. Размер дополнительной погрешности зависит от длины и типа проводов подключаемого датчика. Коррекцию дополнительной погрешности следует предусмотреть в пользовательской программе.

Работа входа в дискретном режиме

Вход работает в режиме компаратора. Минимальный уровень «логического нуля» — 0 В, максимальный уровень «логической единицы» 30 В (см. рисунок).

Graphic
Работа универсального входа в дискретном режиме

Чтобы избежать неоднозначности определения состояния входа, следует устанавливать параметр Уровень переключения в “1” больше параметра Уровень переключения в “0”, как минимум, на 0,5 В.

Если входное напряжение попадает в диапазон dU (см. рисунок), то состояние входа не меняется.

Условия изменения состояния входа:

  • состояние входа изменится с «0» на «1» только когда входное напряжение достигнет «минимального уровня логической единицы» (в настройках OwenLogic это параметр Уровень переключения в “1”);

  • состояние входа изменится с «1» на «0» только когда входное напряжение достигнет «максимального уровня логического нуля» (в настройках OwenLogic это параметр Уровень переключения в “0”).

Диагностика ошибок подключенного датчика

Универсальный вход в аналоговом режиме поддерживает диагностику ошибок подключенного датчика. Описание ошибок приведено в таблице ниже.

Описание ошибок подключенного датчика

Тип датчика аналогового входа

Значение на входе после обработки

Описание аварии

0…300 кОм

999999,9

Обрыв линии связи с датчиком

Для датчиков ТСП, ТСМ, ТСН, NTC и PTC

9999

Вычисленное значение больше верхней границы измерения датчика

–9999

Вычисленное значение меньше нижней границы измерения датчика

Примечание

Для датчиков «0…10 В» и «4…20 мА» аварии не диагностируются.

Настройка кондуктометрического входа

Меню настройки универсальных входов расположено в OwenLogic во вкладке Прибор/Настройка прибора (см. рисунок ниже).

Graphic
Настройка кондуктометрического входа
Параметры кондуктометрического входа
ПараметрЗначение
Режим работы входаПозволяет выбрать между двумя режимами работы: аналоговый или дискретный
Режим «Аналоговый»
Постоянная времени фильтраПостоянная времени фильтрации встроенного сглаживающего цифрового фильтра. Увеличение значения параметра улучшает помехозащищенность канала, но одновременно увеличивает его инерционность, т. е. реакция прибора на быстрые изменения входной величины замедляется
Константа ячейки датчикаИзмеренное значение ячейки датчика. Это геометрическая характеристика датчика электропроводности. Равна отношению расстояния между электродами к площади электрода. Величина влияет на чувствительность и точность измерения
Измеряемая величинаПозволяет выбрать между двумя величинами: проводимость или концентрация
Температурная коррекцияПозволяет выбрать между методами температурной коррекции:
  • Нет — коррекция не производится;

  • Линейный;

  • ISO888;

  • NaCl

Температурный коэффициент коррекцииПоказывает значение проводимости в зависимости от температуры, относительно нормировочного значения
Нормировочная температураПозволяет выбрать между значениями температуры нормировки — 18, 20 или 25 °С
Температурный входПозволяет выбрать вход (AI1 — AI4) для измерения температуры коррекции
Режим «Дискретный»
Постоянная времени фильтраАналогично режиму «Аналоговый»
Уровень переключения в “0”*Задает верхнюю границу определения «логического нуля»
Уровень переключения в “1”*Задает нижнюю границу определения «логической единицы»
Примечание

* Значение «логической единицы» и «логического нуля» в диапазоне от 0 до 200 мкСм/см должны отличаться не менее, чем на 2 мкСм/см. Значение «логической единицы» и «логического нуля» в диапазоне от 200 до 2000 мкСм/см должны отличаться не менее, чем на 10 мкСм/см

Настройка выходов

Настройка аналоговых выходов типа «АУ»

Graphic
Настройка универсальных аналоговых выходов
Настройка аналоговых выходов типа «АУ»
НазваниеОписание
Тип выходного сигналаОпределяет тип выходного сигнала:
  • Напряжение 0...10 В;

  • Ток 4...20 мА

Для управления выходным элементом аналогового типа следует подавать значение в формате «с плавающей запятой» (float32) в диапазоне от 0,0 до 1,0.

Пример

Во время подачи на выход значения «0,5», выходной ток будет равен 12 мА для работы в режиме 4…20 мА.

Во время подачи на выход значения «0,5», выходное напряжение будет равно 5 В для работы в режиме 0…10 В.

Сетевой интерфейс

Общие сведения

В приборе, в зависимости от модификации, устанавливается до двух интерфейсных плат с модулями интерфейсов RS-485 для организации работы по стандартному протоколу Modbus в режиме Master или Slave. Если в приборе с завода не установлено плат или установлена одна, можно заказать интерфейсную плату/платы ПР-ИП485. Инструкция по установке интерфейсной платы приведена в разделе.

Для работы прибора в сети RS-485 следует настроить интерфейс в OwenLogic. Также сетевые настройки можно задать с помощью меню прибора.

Прибор работает по протоколу Modbus по одному режимов обмена данными: Modbus-RTU (Master/Slave) или Modbus-ASCII (Master/Slave). Режим работы Master/Slave можно выбрать в настройках прибора в OwenLogic.

С помощью установки перемычек на плате ПР-ИП485 можно подключить или отключить подтягивающие резисторы линий связи А и В. Подтягивающие резисторы устанавливаются для задания определенного состояния линий связи, когда в сети RS-485 нет передачи. Резисторы устанавливаются в одном месте сети RS-485, как правило, возле Мастера сети.

Заводская установка - подтягивающие резисторы отключены.

Graphic
Положение перемычек на плате ПР-ИП485: 1) подтягивающие резисторы подключены, 2) подтягивающие резисторы отключены

В режиме Modbus Master для минимизации времени получения данных со всех устройств рекомендуется:

  • если одно или несколько подчиненных устройств не подключены или недоступны, то рекомендуется предусмотреть в программе блокировку опроса этих устройств или сократить до минимума параметр «Таймаут ответа» для этих устройств. В ином случае время опроса будет расти пропорционально количеству неподключенных устройств и величине установленного параметра «Таймаут ответа» для этих устройств;
  • во время установки параметра «Интервал между запросами» следует учитывать количество подчиненных устройств и общее количество запросов. Если время обработки всех запросов занимает больше времени, чем установлено параметром «Интервал между запросами», то данный параметр будет игнорироваться.

Все сетевые переменные, используемые в режиме Modbus Slave, по умолчанию являются Retain переменными. Размер памяти под Slave переменные ограничен и указан в таблице.

Режим Master

На линии связи допускается наличие только одного устройства в режиме Master.

В режиме Master прибор поддерживает следующие возможности:

  • чтение по таймеру;
  • чтение/запись по событию;
  • запись по изменению (используется по умолчанию).

Прибор поддерживает управление до 16 устройствами по каждому интерфейсу связи. Каждое устройство поддерживает до 256 переменных. Допускается использование одинаковых адресов и имен переменных для каждого устройства.

Объем памяти под сетевые переменные в режиме Master — 128 байт.

Режим Slave

Прибор работает по протоколу Modbus по одному из режимов обмена данными: Modbus-RTU (Slave) или Modbus-ASCII (Slave). Прибор автоматически распознает режим обмена.

Прибор в режиме Slave поддерживает следующие функции:

  • чтение значений из нескольких регистров флагов, хранения и ввода;
  • чтение значений из одиночных регистров флагов, хранения и ввода;
  • запись значений в несколько регистров хранения и флагов;

  • запись значений в одиночные регистры хранения и флагов.

Регистры прибора, доступные по протоколу Modbus, приведены в разделе .

Объем памяти под сетевые переменные в режиме Slave — 128 байт.

Карта регистров Modbus

Функции чтения:

  • 0х01 (read coil status);

  • 0x02 (read multiple registers);

  • 0х03 (read holding registers);

  • 0х04 (read input registers).

Функции записи:

  • 0х05 (force single coil);

  • 0х06 (preset single register);

  • 0х10 (preset multiple registers);

  • 0x0F (force multiple coils).

Параметры битовой маски могут читаться функциями 0х03 и 0х01. В случае использования функции 0x01 номер регистра следует умножить на 16 и прибавить номер бита.

Поддерживаемые типы данных:

  • int16 — беззнаковое целое (2 байта), на каждый параметр отводится один регистр Modbus;

  • float32 — с плавающей точкой (4 байта), занимает два соседних регистра Modbus. Передача числа осуществляется младшим регистром вперед (little-endian)

    ;
  • bit — булевский тип, занимает один бит.

Типы доступа: R — только чтение, RW — чтение/запись.

Параметры, доступные по протоколу Modbus

Прибор

Параметр

Тип переменой

(тип функции Modbus)

Адреса регистров Modbus (hex)

Адреса регистров Modbus (dec)

Тип доступа

Входы

Все исполнения

Дискретные входы типа «Д» (входы DI1...DI8), кондуктометрические входы в дискретном режиме (CI1...CI4) и аналоговые входы в дискретном режиме (входы AI1...AI4)

bit

(01, 02)

1000–100F4096–4111R

int16

(03, 04)

100256R

Все исполнения

Аналоговый вход № 1 (число с плавающей точкой)

float32

(03, 04)

B00, B01

2816, 2817R

Аналоговый вход № 2 (число с плавающей точкой)

float32

(03, 04)

B02, 0B03

2818, 2819R

Аналоговый вход № 3 (число с плавающей точкой)

float32

(03, 04)

B04, B05

2820, 2821R

Аналоговый вход № 4 (число с плавающей точкой)

float32

(03, 04)

B06, B07

2822, 2823R

Кондуктомерический вход № 1 (число с плавающей точкой)

float32

(03, 04)

B08, B09

2824, 2825R

Кондуктомерический вход № 2 (число с плавающей точкой)

float32

(03, 04)

B0A, B0B

2826, 2827R

Кондуктомерический вход № 3 (число с плавающей точкой)

float32

(03, 04)

B0C, B0D

2828, 2829R

Кондуктомерический вход № 4 (число с плавающей точкой)

float32

(03, 04)

B0E, B0F

2830, 2831R

Аналоговый вход № 1 (целое число = результат измерения × 10dp)

int16

(03, 04)

B80

2944R

Аналоговый вход № 2 (целое число = результат измерения × 10dp)

int16

(03, 04)

B81

2945R

Аналоговый вход № 3 (целое число = результат измерения × 10dp)

int16

(03, 04)

B82

2946R

Аналоговый вход № 4 (целое число = результат измерения × 10dp)

int16

(03, 04)

B83

2947R

Кондуктомерический вход № 1 (целое число = результат измерения × 10dp)

int16

(03, 04)

B84

2948R

Кондуктомерический вход № 2 (целое число = результат измерения × 10dp)

int16

(03, 04)

B85

2949R

Кондуктомерический вход № 3 (целое число = результат измерения × 10dp)

int16

(03, 04)

B86

2950R

Кондуктомерический вход № 4 (целое число = результат измерения × 10dp)

int16

(03, 04)

B87

2951R

Смещение десятичной точки № 1 (dp)

int16

(03, 04)

BC0

3008R

Смещение десятичной точки № 2 (dp)

int16

(03, 04)

BC1

3009R

Смещение десятичной точки № 3 (dp)

int16

(03, 04)

BC2

3010R

Смещение десятичной точки № 4 (dp)

int16

(03, 04)

BC3

3011R

Смещение десятичной точки № 5 (dp)

int16

(03, 04)

BC4

3012R

Смещение десятичной точки № 6 (dp)

int16

(03, 04)

BC5

3013R

Смещение десятичной точки № 7 (dp)

int16

(03, 04)

BC6

3014R

Смещение десятичной точки № 8 (dp)

int16

(03, 04)

BC7

3015R

Аналоговый вход AI1 в режиме дискретного

bit

(01, 02)

1008

4104R

Аналоговый вход AI2 в режиме дискретного

bit

(01, 02)

1009

4105R

Аналоговый вход AI3 в режиме дискретного

bit

(01, 02)

100A

4106R

Аналоговый вход AI4 в режиме дискретного

bit

(01, 02)

100B

4107R

Кондуктомерический вход CI1 в режиме дискретного

bit

(01, 02)

100C

4108R

Кондуктомерический вход CI2 в режиме дискретного

bit

(01, 02)

100D

4109R

Кондуктомерический вход CI3 в режиме дискретного

bit

(01, 02)

100E

4110R

Кондуктомерический вход CI4 в режиме дискретного

bit

(01, 02)

100F

4111R

Выходы

Все исполнения

Дискретные выходы типа «Р» (Q1…Q8) и светодиоды (F1, F2)

bit

(01, 02, 05, 0F)

0

0

RW**

int16

(03, 04, 06, 10)

0

0RW**

Все исполнения

Аналоговый выход AO1 (число с плавающей точкой, 0,0–1,0)

float32

(03, 04)

A00, A01

2560, 2561RW**

Аналоговый выход AO2 (число с плавающей точкой, 0,0–1,0)

float32

(03, 04)

A02, A03

2562, 2563RW**

Аналоговый выход AO1 (целое число, 0–10000)*

int16

(03, 04)

A80

2688RW**

Аналоговый выход AO2 (целое число, 0–10000)*

int16

(03, 04)

A81

2689RW**
Сетевые и служебные переменные

Все исполнения

Сетевые переменные

bit

(01, 02, 05, 0F)

2000–23F0

8192–9200RW

int16

(03, 04, 06, 10)

200–23F

512–575RW

Все исполнения

Секунды

int16

(03, 04, 06, 10)

400

1024RW

Минуты

int16

(03, 04, 06, 10)

401

1025RW

Часы

int16

(03, 04, 06, 10)

402

1026RW

Число

int16

(03, 04, 06, 10)

403

1027RW

Месяц

int16

(03, 04, 06, 10)

404

1028RW

Год

int16

(03, 04, 06, 10)

405

1029RW

День недели

int16

(03, 04)

406

1030R

Неделя в месяце

int16

(03, 04)

407

1031R

Неделя в году

int16

(03, 04)

408

1032R
Примечание

* Положение десятичной точки для выходов всегда равно «4» и не меняется.

** Запись состояния выходов по RS-485 возможна, если прибор находится в режиме модуля ввода-вывода (см. раздел).

Настройка даты и времени с лицевой панели

Для настройки времени и даты следует:

  1. Нажать и удерживать кнопку Graphic три секунды.

  2. На экране появится меню Прибор. Нажать кнопку Graphic.

  3. На экране появится меню Версия. Нажимать кнопку Graphic до тех пор, пока не появится меню Часы.

  4. Нажать на кнопку Graphic. Появится меню Время/Дата.

  5. Нажать на кнопку Graphic. Первая цифра даты начнет мигать. Кнопками Graphic и Graphic установить нужное значение. Для редактирования следующего значения нажать сочетание Graphic + Graphic.

  6. После ввода необходимого значения выйти из системного меню, удерживая кнопку Graphic три секунды.

Монтаж

Установка

Опасность
Монтаж должен производить только обученный специалист с допуском на проведение электромонтажных работ. Во время монтажа следует использовать средства индивидуальной защиты и специальный электромонтажный инструмент с изолирующими свойствами до 1000 В.

Во время размещения прибора следует учитывать меры безопасности из раздела.

Прибор следует монтировать в шкафу, конструкция которого должна обеспечивать защиту от попадания в него влаги, грязи и посторонних предметов.

Предупреждение
Монтировать и подключать следует только предварительно сконфигурированный прибор.
Внимание
Питание каких-либо устройств от сетевых контактов прибора запрещается.
Graphic
Монтаж и демонтаж прибора

Для монтажа прибора на DIN-рейке следует:

  1. Подготовить на DIN-рейке место для установки прибора в соответствии с размерами прибора (см. рисунок).
  2. Вставив отвертку в проушину, оттянуть защелку (см. рисунок, 1). Прибор установить на DIN-рейку.
  3. Прибор прижать к DIN-рейке (см. рисунок, 2, стрелки 1 и 2). Отверткой вернуть защелку в исходное положение.
  4. Смонтировать внешние устройства с помощью ответных клеммников из комплекта поставки.

Демонтаж прибора:

  1. Отсоединить съемные части клемм от прибора (см. раздел).
  2. В проушину защелки вставить острие отвертки.
  3. Защелку отжать, после чего прибор отвести от DIN-рейки.

Graphic
Габаритный чертеж прибора

«Быстрая» замена

Конструкция клемм позволяет оперативно заменить прибор без демонтажа подключенных к нему внешних линий связи.

Для «быстрой» замены прибора следует:

  1. Обесточить все линии связи, подходящие к прибору, в том числе линии питания.
  2. Отделить от прибора съемные части каждой из клемм вместе с подключенными внешними линиями связи с помощью отвертки или другого подходящего инструмента (см. рисунок).
  3. Снять прибор с DIN-рейки, на его место установить другой прибор (аналогичной модификации) с предварительно удаленными съемными частями клемм.
  4. К установленному прибору подсоединить съемные части клемм с подключенными внешними линиями связи.
Graphic
Отсоединение съемных частей клемм

Подключение

Рекомендации к подключению

Прибор следует подключать к сети переменного тока от сетевого фидера, не связанного непосредственно с питанием мощного силового оборудования. Во внешней цепи рекомендуется установить выключатель, обеспечивающий отключение прибора от сети.

Внимание
Питание каких-либо устройств от сетевых контактов прибора запрещается.

Для обеспечения надежности электрических соединений рекомендуется использовать медные многожильные кабели, концы которых перед подключением следует тщательно зачистить и залудить или использовать кабельные наконечники. Жилы кабелей следует зачищать так, чтобы их оголенные концы после подключения к прибору не выступали за пределы клеммника. Сечение жил кабелей должно быть не более 2,5 мм2.

Для записи пользовательской программы прибор подключается через интерфейсный порт «ПРОГ.» (Mini-USB) к USB-порту ПК.

Внимание
Перед подключением разъема USB прибор должен быть обесточен!

Аналоговые входы и интерфейс USB не имеют гальванической развязки между собой. Для безопасной работы с данными портами, подключаемое к ним оборудование должно иметь одинаковый потенциал цепей заземления, или иметь гальваническую изоляцию. Чтобы избежать выхода из строя прибора, перед включением оборудования следует убедиться, что подключаемые к данным портам устройства имеют одинаковый потенциал цепей заземления. Если нет возможности обеспечить данное требование, то не следует подключать устройства к аналоговым входам и USB одновременно. Например, при программировании прибора по USB отключать от аналоговых входов кабели или использовать устройства с гальванической развязкой (устройство гальванической развязки интерфейса USB, ноутбук с питанием от батареи и т. п.).

Предупреждение
Питание датчиков, концевых выключателей и других периферийных устройств, подключаемых к аналоговым входам прибора, должно осуществляться только от источника питания с усиленной изоляцией согласно ГОСТ IEC 61131-2-2012, чтобы исключить появление опасного напряжения на портах прибора.

Помехи и методы их подавления

На работу прибора могут оказывать влияние внешние помехи:

  • возникающие под действием электромагнитных полей (электромагнитные помехи), наводимые на прибор и на линии связи с внешним оборудованием;
  • в питающей сети.

Для уменьшения влияния электромагнитных помех рекомендуется:

  • надежно экранировать сигнальные линии, экраны следует электрически изолировать от внешнего оборудования на протяжении всей трассы и подсоединить к заземленному контакту щита управления;
  • установить прибор в металлическом шкафу, внутри которого не должно быть никакого силового оборудования, корпус шкафа должен быть заземлен.

Для уменьшения помех, возникающих в питающей сети рекомендуется:

  • монтируя систему, в которой работает прибор, следует учитывать правила организации эффективного заземления и прокладки заземленных экранов:
    • все заземляющие линии и экраны прокладывать по схеме «звезда» с обеспечением хорошего контакта с заземляемым элементом;
    • заземляющие цепи должны быть выполнены кабелями наибольшего сечения.

Для уменьшения уровня помех можно применять программные фильтры, которые настраиваются индивидуально для каждого входа. Программные фильтры доступны для:

  • всех типов аналоговых датчиков;
  • дискретных входов с номинальным напряжением 24 В.
Примечание
Увеличение значения постоянной времени фильтра аналогового входа замедляет реакцию прибора на быстрые изменения входной величины.

Схемы гальванической развязки

МодификацияСхема
ПР200-220.28.Х.Х
Graphic
ПР200-24.8.Х.Х
Graphic

Подключение датчиков

Общие сведения

Предупреждение
Для защиты входных цепей прибора от возможного пробоя зарядами статического электричества, накопленного на линиях связи «прибор – датчик», перед подключением к клеммнику прибора их жилы следует на 1–2 секунды соединить с винтом функционального заземления (FE) щита.

Во время проверки исправности датчика и линии связи следует отключить прибор от сети питания. Чтобы избежать выхода прибора из строя при «прозвонке» связей следует использовать измерительные устройства с напряжением питания не более 4,5 В. Для более высоких напряжений питания этих устройств отключение датчика от прибора обязательно.

Подключение датчиков

Подключение к дискретным входам
Graphic
Подключение к дискретным входам датчиков типа «сухой контакт» для сигналов 24 В
Graphic
Схема подключения к дискретным входам трехпроводных дискретных датчиков, имеющих выходной транзистор p-n-p-типа с открытым коллектором для сигналов 24 В
Подключение дискретных датчиков к универсальным входам
Предупреждение
Перед подключением дискретных датчиков, следует проверить, что вход прибора настроен на дискретный режим.
Graphic
Схема подключения к универсальным входам, работающим в дискретном режиме датчиков типа «сухой» контакт
Graphic
Схема подключения к универсальным входам, работающим в дискретном режиме трехпроводных дискретных датчиков, имеющих выходной транзистор p-n-p-типа с открытым коллектором
Примечание
Контакты COM3 объединены электрически внутри прибора.
Подключение аналоговых датчиков
Предупреждение
Перед подключением аналоговых датчиков следует проверить, что вход прибора настроен на аналоговый режим.

Режим работы универсального входа переключается в OwenLogic (см. раздел).

Внимание
Настройка режима работы входа в OwenLogic должна соответствовать схеме подключения датчика к клеммам входа.
Предупреждение
Для защиты входных цепей прибора от возможного пробоя зарядами статического электричества, накопленного на линиях связи «прибор – датчик», перед подключением к клеммнику прибора их жилы следует на 1–2 секунды соединить с винтом функционального заземления (FE) щита.

Во время проверки исправности датчика и линии связи следует отключить прибор от сети питания. Чтобы избежать выхода прибора из строя при «прозвонке» связей, следует использовать измерительные устройства с напряжением питания не более 4,5 В. Для более высоких напряжений питания этих устройств отключение датчика от прибора обязательно.

Параметры линии соединения прибора с датчиком приведены в таблице ниже.

Параметры линии связи прибора с датчиками
Тип датчикаДлина линий, м, не болееСопротивление линии, Ом, не болееИсполнение линии
Резистивные сигналы100—*Двухпроводная, провода равной длины и сечения
Унифицированный сигнал постоянного тока100100Двухпроводная
Унифицированный сигнал напряжения постоянного тока1005Двухпроводная
Примечание

* Для двухпроводной схемы подключения датчика сопротивление проводов, идущих к датчику, суммируется с сопротивлением датчика, и вносит пропорциональную погрешность в измерение. Фактор суммирования сопротивлений следует учитывать во время проектирования схемы подключения и соотносить сопротивление подводящих проводов с рабочим диапазоном сопротивления датчика.

Например, датчик Cu 500 (α = 0,00428 °С−1) с диапазоном измерений −50...+200 °С имеет соответствующий диапазон сопротивлений 393,5...926 Ом. Рабочий диапазон датчика составляет 532,5 Ом. Следовательно, сопротивление подводящих проводов в 1 Ом внесет погрешность (1 ∙ 100) / 532,5 = 0,19 % в показания температуры.

ТС подключается по двухпроводной схеме.

Graphic
Подключение ТС к аналоговому входу
Graphic
Подключение датчиков с выходом в виде тока
Graphic
Подключение датчиков с выходом в виде напряжения
Graphic
Подключение резистивных датчиков
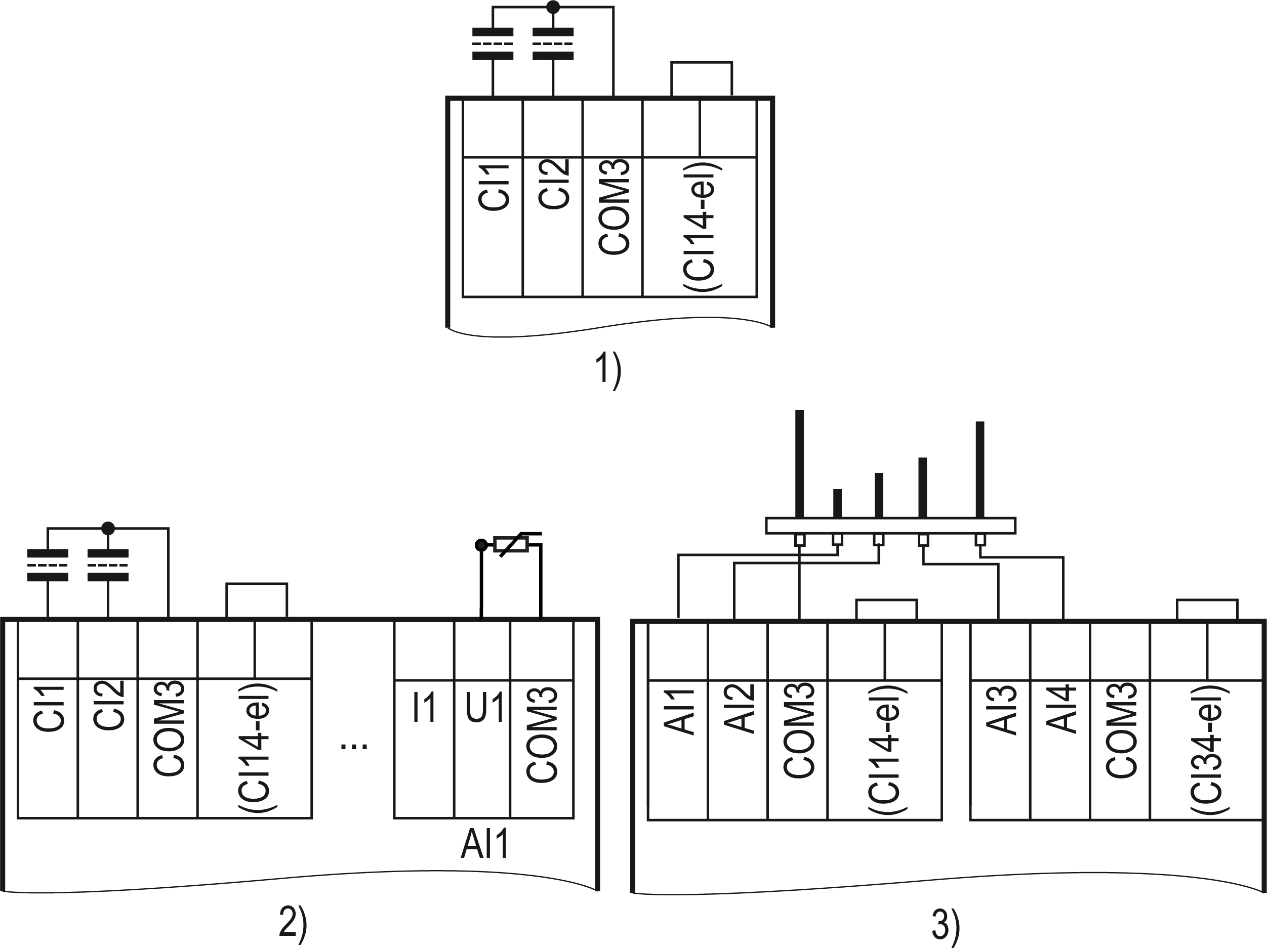
Подключение кондуктометрических датчиков

Режим работы кондуктометрического входа настраивается в OwenLogic (см. раздел).

Примечание
Установка перемычки рекомендуется, так как уменьшает уровень помех.
Внимание
Настройка режима работы входа в OwenLogic должна соответствовать схеме подключения датчика к клеммам входа.
Graphic
Подключение кондуктометрических датчиков

1) двухэлектродная схема, 2) двухэлектродная схема с коррекцией температуры,

3) схема подключения для дискретного режима

Если используется датчик проводимости со встроенным датчиком температуры, то датчик температуры следует подключать к выходу типа ДАТ (см. рисунок выше, 2).

Подключение нагрузки к ВЭ

Подключение нагрузки к ВЭ типа «Р»

Graphic
Схема подключения нагрузки к ВЭ типа «Р»

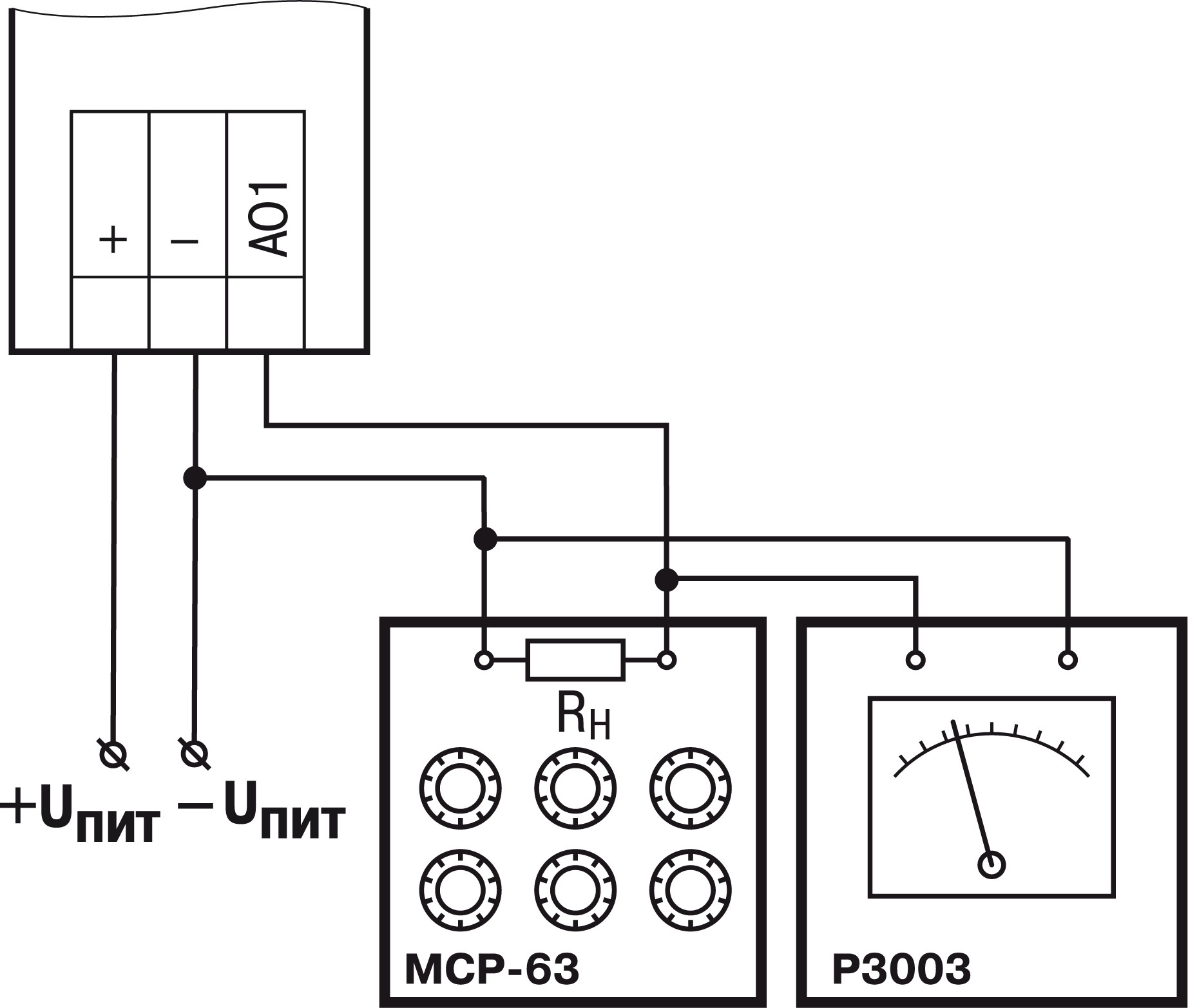
Подключение нагрузок к выходу типа «АУ»

Примечание
Для работы ВЭ следует использовать внешний источник питания постоянного тока.
Внимание
Напряжение источника питания ЦАП должно быть не более 30 В.
Graphic
Подключение аналогового выхода, находящегося в режиме источника тока

Сопротивление нагрузки для режима работы выхода 4...20 мА должно быть не более 600 Ом.

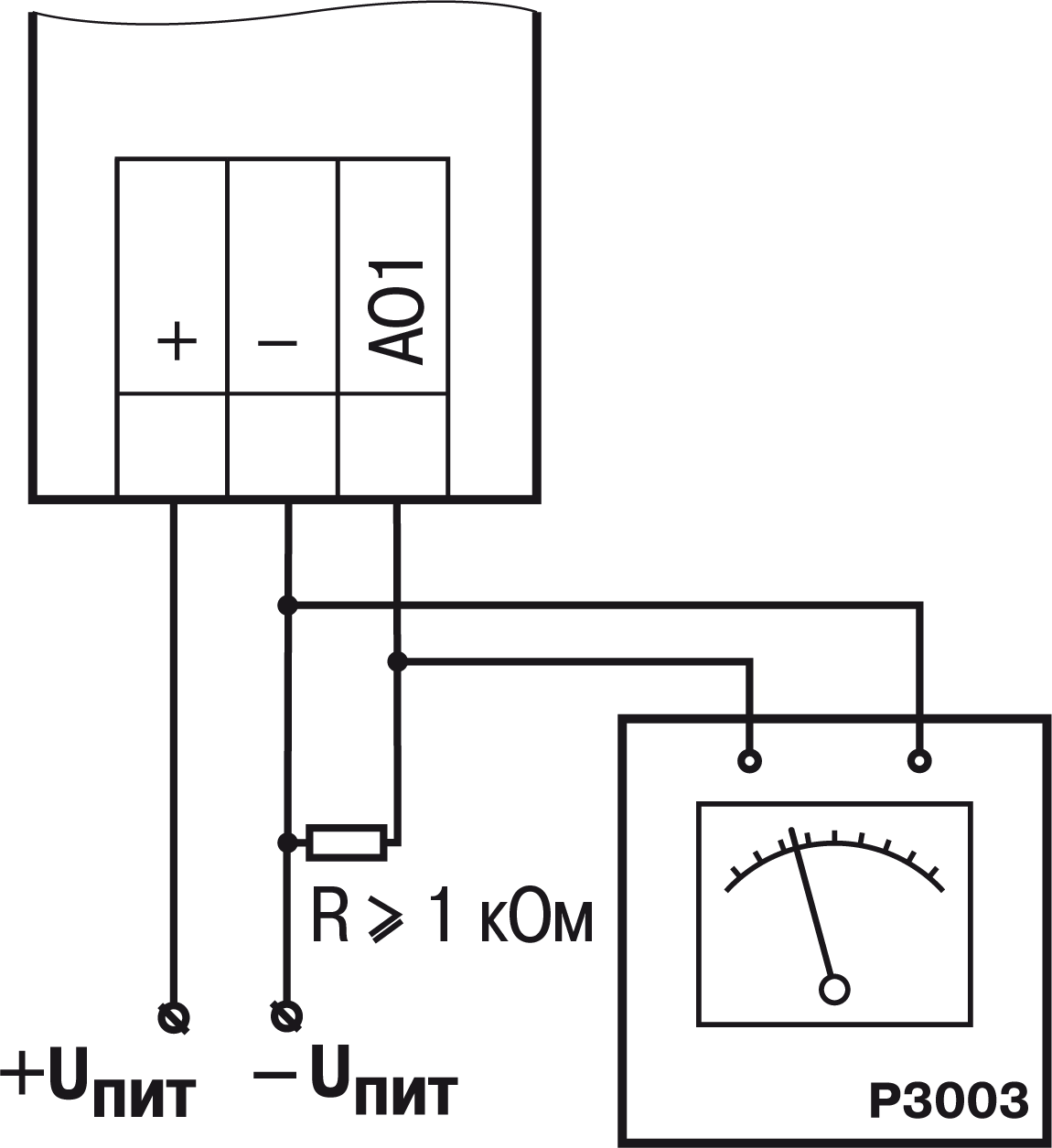
Graphic
Подключение аналогового выхода, находящегося в режиме источника напряжения

Сопротивление нагрузки для режима работы выхода 0...10 В должно быть не менее 1 кОм.

Подключение модуля расширения

Внимание
Подключение модулей к прибору и подключение устройств к модулям следует выполнять только при отключенном питании всех устройств.

Модуль подключается к прибору с помощью шлейфа длиной 4,5 см из комплекта поставки модуля. После подключения шлейф следует поместить в специальное углубление под крышкой модуля (рисунок, стрелка 1), тем самым позволяя придвинуть модуль вплотную к головному устройству (рисунок, стрелка 2).

Graphic
Укладка шлейфа в углубление

Модули подключаются только последовательно. Ближайший модуль к головному устройству всегда будет располагаться в слоте 1 (см. раздел). Подключение модуля в слот 2 без модуля в слоте 1 невозможно.

Каждый модуль имеет независимое питание с усиленной гальванической изоляцией, что позволяет подключать к прибору модули любой модификации с любым питающим напряжением.

Graphic
Расположение модулей расширения на шине

При первом подключении к головному устройству на модуле будет мигать светодиод «Авария». Это происходит из за того, что модуль не получает команд от головного устройства. После настройки модуля в программе пользователя и записи программы в головное устройство светодиод «Авария» на модуле перестанет мигать. В противном случае следует обновить встроенное ПО модуля.

Подключение к сети RS-485

Graphic
Типовая схема подключения для ПР200 в режиме Slave
Graphic
Типовая схема подключения для ПР200 в режиме Master
Graphic
Смешанная схема подключения

Подключение к ПК

Внимание
Перед подключением разъема USB прибор должен быть обесточен!

Для подключения прибора к ПК следует:

  1. Подключить прибор к ПК (см. рисунок);

  2. Подать питание на прибор;

Graphic
Схема подключения прибора к ПК

Эксплуатация

Управление и индикация

На лицевой панели прибора расположены элементы индикации и управления.

Graphic
Лицевая панель прибора (крышка отсека подключения модулей условно не показана)

Под крышкой на лицевой панели расположены:

  • разъем «МОДУЛИ» (тип MIMS-10-TR-U) для подключения модулей расширения (не входят в комплект поставки);
  • разъем «ПРОГ.» (тип mini-USB) для программирования прибора. Прибор следует подключать к ПК кабелем USB A — mini-USB B.
Назначение кнопок в зависимости от режима
КнопкаФункция
Режим отображения
GraphicПеремещение на одну строку вверх
GraphicПеремещение на одну строку вниз
Режим редактирования
GraphicВход в режим редактирования на текущем экране. Первый доступный для редактирования элемент на экране начнет мигать
Graphic и GraphicИзменение значения параметра
Graphic + GraphicПеремещение на разряд выше
Graphic + GraphicПеремещение на разряд ниже
GraphicВыход из режима редактирования и сохранения в системе отредактированного значения
GraphicВыход из режима редактирования без сохранения отредактированного значения
GraphicСохранение отредактированного параметра и переход к редактированию следующего
Рабочий режим
Graphic + GraphicБлокировка работы программы пользователя (см. раздел)

Назначение светодиодов F1 и F2 определяется при программировании.

Режимы работы

Пользовательская программа начинает выполняться сразу после подачи напряжения питания на запрограммированный прибор. По включению напряжения питания, перед началом выполнения пользовательской программы, прибор выполняет самодиагностику. Если самотестирование прошло успешно, прибор переходит в к анализу положения перемычки (см. разделы ). В противном случае, прибор переходит в Аварийный режим.

Graphic
Алгоритм запуска прибора

Рабочий режим

В рабочем режиме прибор повторяет следующую последовательность (рабочий цикл):

  • начало цикла;
  • чтение состояния входов;
  • выполнение кода пользовательской программы;
  • запись состояния выходов;
  • переход в начало цикла.

В начале цикла прибор считывает состояния входов и копирует считанные значения в область памяти входов. Далее выполняется код пользовательской программы, которая работает с копией значений входов.

Аварийный режим

В случае возникновения аварийной ситуации прибор переходит в Аварийный режим.

В таблице ниже представлены примеры аварийных ситуаций и рекомендации по их устранению.

Неисправности и способы их устранения

Индикация

Причина

Рекомендации по устранению

На дисплее
Graphic

В прибор записана некорректная пользовательская программа

Обновить пользовательскую программу в OwenLogic

Graphic

Ошибка чтения Retain-переменных

Graphic

Установлена перемычка «Run-STOP» (см. раздел). Пользовательская программа не выполняется

Актививована блокировака программы пользователя (см. раздел).

Удалить перемычку «Run-STOP», перезагрузить прибор

Graphic

Пользовательская программа остановлена

Запустить программу через меню прибора, перезагрузить прибор

Светодиод F2

Светодиод F2 светится

Встроенное ПО повреждено

Самостоятельно обновить встроенное ПО прибора, либо обратиться в сервисный центр

Светодиод F2 мигает

Режим Run-Stop

Предупреждение

Чтобы избежать порчи прибора, любые операции по разборке прибора должен выполнять обученный специалист.

Внимание
Одновременное замыкание разъемов ХР2 и ХР3 приведет к неработоспособности прибора!
Graphic
Вид на разъем ХР2

Данный режим используется для остановки пользовательской программы, если она повреждена, либо приводит к нестабильной работе прибора и не позволяет перезаписать пользовательскую программу в нормальном режиме.

Для переключения прибора в режим Run-Stop следует:

  1. Отключить питание прибора и всех подключенных к нему устройств.

  2. Снять крышку с прибора (см. раздел).

  3. Установить перемычку на разъем ХР2.

  4. После подачи питания прибор перейдет в режим Run-Stop. На экране прибора появится сообщение ”Программа Logic заблокирована”.

Далее можно принудительно перезаписать пользовательскую программу из OwenLogic. Для выхода из режима Run-Stop следует отключить питание прибора, снять перемычку ХР2 и надеть крышку прибора.

Режим Down.Mode

Предупреждение

Чтобы избежать порчи прибора, любые операции по разборке прибора должен выполнять обученный специалист.

Внимание
Одновременное замыкание разъемов ХР2 и ХР3 приведет к неработоспособности прибора!
Graphic
Вид на разъем ХР3

Установка перемычки на разъем ХР3 активирует режим Down.Mode. Данный режим используется, если произошла ошибка во время обновления программного обеспечения (отключение питания, пропадание связи). В режиме Down.Mode можно принудительно обновить встроенное ПО. Порядок принудительного обновления встроенного ПО подробно описан справке OwenLogic.

Для переключения прибора в режим Down.Mode следует:

  1. Отключить питание прибора и всех подключенных к нему устройств.

  2. Снять крышку с прибора (см. раздел).

  3. Установить перемычку на разъем ХР3.

  4. Подать питание на прибор.

Далее следует принудительно обновить встроенное ПО из OwenLogic. Проверить на отсутствие ошибок (см. раздел). Снять питание с прибора и убрать перемычку с разъема ХР3. Надеть крышку.

Режим модуля ввода-вывода

В данном режиме прибор можно использовать как Modbus slave модуль ввода/вывода. Для режима следует предварительно настроить интерфейс связи в режим Slave (из OwenLogic). В режиме модуля ввода/вывода доступен опрос входов и запись выходов, но сетевые переменные недоступны.

Алгоритм переключения прибора в режим модуля ввода/вывода аналогичен переключению в режим Run.Stop, за исключением того, что для длительной эксплуатации следует надеть крышку на прибор.

Режим блокировки программы пользователя

Если программа пользователя работает нестабильно или вызывает зависание прибора, то ее можно принудительно заблокировать. Данная возможность доступна, начиная с версии 2.31 встроенного ПО. Данный режим эквивалентен режиму Run-Stop (см. раздел), но для его активации не нужно разбирать прибор.

Принудительную блокировку программы пользователя можно активировать:

  • перед подачей питания на прибор;

  • когда прибор «завис».

Для принудительной блокировки программы, вызвавшей «зависание» прибора, следует нажать и удерживать сочетание кнопок Graphic + Graphic. После блокировки программы на экране прибора появится надпись «Программа LOGIC: Заблокирована».

После блокировки программы пользователя ее можно перезаписать, используя ПК. Если программа пользователя была заблокирована по ошибке, то для ее запуска достаточно перезапустить прибор по питанию.

Работа с меню

В приборе предусмотрены меню пользователя и системное меню.

Меню пользователя создается в OwenLogic с помощью «Менеджера экранов». Переходы могут осуществляться с помощью кнопок или по изменению переменной. Системное меню присутствует в приборе всегда, даже если в него не записана пользовательская программа. Принципы работы с меню пользователя и с системным меню одинаковы.

Работа с меню возможна в следующих режимах:

  • отображения;
  • редактирования.

В режиме отображения можно просматривать параметры прибора или меню пользователя.

В режиме редактирования можно редактировать параметры прибора в системном меню или пользовательскую программу с лицевой панели без остановки работы прибора. При повторном входе в режим редактирования выбирается последний редактируемый элемент.

Системное меню

Системное меню прибора доступно в случае отсутствия пользовательской программы в памяти прибора и с любого экрана программы. Для вызова системного меню следует удерживать кнопку Graphic в течение трех секунд. Для выхода из системного меню следует удерживать кнопку Graphic в течение трех секунд.

В системном меню прибора представлена информация:

  • имя прибора;
  • версия встроенного ПО;
  • время цикла;
  • состояние входов/выходов;
  • настройки и режим работы аналоговых и кондуктометрических входов;

  • настройки и режим работы интерфейсов RS-485;

  • просмотр количества и типы подключенных модулей;

  • пароль от системного меню.

С помощью системного меню можно настроить:

  • параметры и режимы работы аналоговых и кондуктометрических входов;
  • экран (подсветка, яркость/контраст);

  • интерфейсы RS-485;
  • часы;
  • запуск/остановку программы;

  • задать пароль.

В системном меню можно остановить выполнение пользовательской программы, если это необходимо. Программа будет остановлена после перезагрузки прибора. В режиме остановленной пользовательской программы все параметры прибора доступны по сети RS-485 (режим Slave) и через меню прибора.

Вход в меню можно защитить паролем, который задается в системном меню с лицевой панели прибора. В случае потери пароля, восстановить его возможно только в сервисном центре.

Структура системного меню приведена на рисунке ниже.

Graphic
Структура системного меню
Описание пунктов системного меню
ЭлементОписание
Входы
ДискретныеСостояние дискретных входов отображается в виде побитового состояния каждого входа, где «0» означает, что дискретный вход выключен, а «1» — включен. Отсчет начинается слева направо, начиная с первого входа. Подпункт меню «Фильтр» позволяет установить значение фильтра для каждого дискретного входа. Единица измерения — мс
АналоговыеЗначение аналоговых входов выводится с учетом верхней и нижней границ, заданных в пользовательской программе. Значение имеет тип числа с плавающей точкой. Тип датчиков выводит информацию, для какого типа датчика сконфигурирован каждый вход в пользовательской программе. В соответствующих подпунктах меню можно настроить: Тип датчика, Фильтр аналогового входа, Верхние и нижние границы масштабирования
КондуктометрическиеВ пункте можно задать тип схемы подключения, режим работы входа (Проводимость, Концентрация, Дискретный), константу ячейки и т.п.
Выходы
ДискретныеСостояние дискретных выходов отображается в виде побитового состояния каждого выхода, где «0» означает, что дискретный выход выключен, «1» — включен. Отсчет начинается слева направо, начиная с первого выхода
Аналоговые Состояние аналоговых выводов отображается как текущее значение на каждом канале с диапазоном от 0 до 1. Выводимое значение имеет тип числа с плавающей точкой
Интерфейсы
Настройка интерфейса связи зависит от типа установленной интерфейсной платы и режима работы прибора — Master или Slave
Slave RS-485
  • Настройка параметров работы интерфейса по схеме: скорость обмена/бит данных/четность/стоп бит;
  • Протокол позволяет изменить собственный адрес устройства в сети Modbus
Master RS-485
  • Настройка параметров работы интерфейса по схеме: скорость обмена/бит данных/четность/стоп бит;
  • Протокол – данный подпункт меню содержит список сконфигурированных устройств с помощью OwenLogic и настройку задержки между запросами
Устройство

Для каждого устройства можно настроить следующие параметры:

  • Адрес Modbus — устройства для опроса;
  • Период опроса — временной интервал, через который повторяется опрос;
  • Таймаут ответа — время ожидания ответа от удаленного устройства;
  • Количество попыток — запросов в случае отсутствия ответа от удаленного устройства
Модули

Пункт меню содержит информацию о подключенном устройстве на соответствующей позиции:

  • Модуль 1 — первый модуль на шине;

  • Модуль 2 — второй модуль на шине.

Если нет подключенных модулей, пункт меню скрыт

Пароль
В пункте можно задать пароль для входа в системное меню

Переходы между экранами

Для перемещения между экранами используются переходы, создаваемые пользователем с помощью OwenLogic. Переходы могут осуществляться по нажатию кнопок и по изменению переменной. Более подробно о переходах и их работе см. справку OwenLogic.

Примечание
Во время создания переходов следует помнить, что приоритет отдается командам перехода на экран.
Пример

Назначение на кнопки Graphic и Graphic перехода на другой экран не позволяет пролистывать строки на текущем экране. Назначение на кнопку Graphic перехода на другой экран не позволяет перейти в режим редактирования.

Режим редактирования

ЖКИ может отображать набор символов, изображенный на рисунке ниже.

Graphic
Поддерживаемые символы для отображения на экране ПР200
Примечание
Набор символов реализован в рамках кодировки Windows-1251.

Элементы меню могут быть редактируемыми и нередактируемыми в зависимости от типа элемента и его свойств, заданных с помощью OwenLogic.

Для изменения значения элемента меню следует:

  1. Нажать кнопку Graphic. Выбранный элемент начнет мигать.

  2. С помощью кнопок Graphic и Graphic изменить значение. Если необходимо перемещаться по разрядам, то следует использовать комбинации кнопок Graphic + Graphic и Graphic + Graphic.

  3. Для сохранения измененного значения и перехода к следующему редактируемому элементу — нажать Graphic. Для сохранения измененного значения и выхода из режима редактирования — нажать кнопку Graphic. Для сброса измененного значения в первоначальное состояние и выхода из режима редактирования следует нажать кнопку Graphic.

Режим автоформатирования

Режим автоформатирования отображает переменную с максимальной точностью в зависимости от количества зарезервированных знаков. Режим автоформатирования работает только для вещественных переменных. Режим можно включить установив в поле «Знаков после запятой» режим АВТО в OwenLogic.

Пример

Для отображения переменной «VAR1» зарезервировано 4 знака с автоформатированием. Значение переменной в приборе составляет «1,546745», на экране прибора переменная будет отображена в виде значения 1,547 (автоматически округляется). Если в ходе выполнения пользовательской программы переменная принимает значение «110,478692», то на экране прибора переменная будет отображена в виде значения 110,5.

Работа с модулями расширения

Чтобы увеличить количество входов/выходов прибора, следует воспользоваться модулями расширения линейки ПРМ (см. раздел). Работа модулей расширения определяется пользовательской программой, написанной в OwenLogic.

Время опроса входов и записи состояния выходов модулей расширения определяется сложностью пользовательской программы и не отличается от времени работы с встроенными в прибор входами/выходами.

Часы реального времени

Прибор оснащен встроенными часами реального времени. При наличии питания прибора часы реального времени питаются от него. В случае отсутствия питания часы реального времени питаются от батареи.

Энергии полностью заряженной батареи хватает на непрерывную работу часов реального времени в течение 5 лет. В случае эксплуатации прибора при температуре на границах рабочего диапазона время работы часов сокращается.

В OwenLogic можно настроить коррекцию показаний часов реального времени прибора с помощью часов ПК или с помощью корректирующего значения (см. руководство пользователя OwenLogic).

Обновление встроенного ПО

В приборе можно изменять версии встроенного программного обеспечения через интерфейс программирования.

Для смены встроенного ПО следует подготовить:

  • ПК с ОС Windows Vista/7/8/10, установленным OwenLogic и доступом в Интернет;

  • установить драйвер прибора на ПК.

OwenLogic может обновить ПО прибора во время записи алгоритма.

Если встроенное ПО не получается автоматически обновить, то можно обновить его принудительно (см. раздел и справку OwenLogic). Данный способ может потребоваться, если прибор не определяется в OwenLogic, но драйвер прибора корректно отображается в диспетчере устройств.

Для принудительной смены встроенного ПО следует:

  1. Произвести действия из раздела;

  2. Подключить прибор к ПК.

  3. Проверить в диспетчере устройств Windows какой СОМ-порт был присвоен прибору.

  4. В OwenLogic указать номер этого COM-порта: Прибор/Настройка порта.

    Примечание
    Уточнить модификацию можно по надписи на боковой поверхности прибора.
  5. В меню OwenLogic выбрать пункт Прибор/Обновить встроенное ПО. Из списка выбрать нужную модель.

  6. Запустить процесс смены встроенного нажатием кнопки Выбрать.

  7. Дождаться окончания процесса.

Разрыв связи между ПК и прибором во время обновления приведет к повреждению встроенного ПО и неработоспособности прибора. Для восстановления работоспособности прибора следует повторить операцию принудительной смены встроенного ПО.

Техническое обслуживание

Техническое обслуживание

Во время выполнения работ по техническому обслуживанию прибора следует соблюдать требования безопасности из раздела.

Техническое обслуживание прибора проводится не реже одного раза в 6 месяцев и включает следующие процедуры:

  • проверка крепления прибора;
  • проверка винтовых соединений;
  • удаление пыли и грязи с клеммника прибора.

Снятие крышки

Предупреждение

Чтобы избежать порчи прибора, любые операции по разборке прибора должен выполнять обученный специалист.

Для снятия крышки следует:

  1. Отключить питание прибора и всех подключенных к нему устройств. Отделить от прибора съемные части клеммников.

  2. Снять верхнюю крышку. Для этого отверткой вывести из зацепления защелки основания из отверстий в торцевых поверхностях крышки (см. рисунок, 1). Приподнять крышку над основанием.

  3. Отверткой отогнуть крышку от разъемов на среднем уровне с двух сторон (см. рисунок, 2). Усилие следует прикладывать у нижних разъемов.

    Graphic
    Снятие верхней крышки
  4. Снять крышку (см. рисунок, стрелка 1). Убрать клавиатуру (стрелка 2).

    Graphic
    Отделение верхней крышки и клавиатуры

Замена элемента питания

Предупреждение

Чтобы избежать порчи прибора, любые операции по разборке прибора должен выполнять обученный специалист.

Для замены элемента питания следует:

  1. Отключить питание прибора и всех подключенных к нему устройств. Снять крышку.

  2. Удерживая у торцов и аккуратно раскачивая, отделить верхнюю плату от штыревых разъемов средней платы (см. рисунок).

    Graphic
    Схема разборки ПР200. Демонтаж верхней платы

  3. Перевернуть верхнюю плату, поддеть отверткой справа и извлечь из гнезда элемент питания CR2032.

    Graphic
    Вид на оборотную сторону верхней платы
  4. Соблюдая полярность установить новый элемент питания.
  5. Верхнюю плату установить на штыревые разъемы средней платы.

  6. Надеть крышку.

Установка интерфейсной платы

Предупреждение

Чтобы избежать порчи прибора, любые операции по разборке прибора должен выполнять обученный специалист.

У прибора предусмотрено два посадочных места под интерфейсную плату ПР-ИП485 — слот 1 и слот 2 (см. рисунок).

Graphic
Нумерация слотов RS-485

Для установки интерфейсной платы следует:

  1. Отключить питание прибора.

  2. Снять крышку корпуса, аккуратно раскачивая, вытащить верхнюю плату.
  3. Вырезать окно в крышке под клеммник платы, смонтировать в стойки интерфейсную плату.
  4. Вставить верхнюю плату.

  5. Надеть крышку обратно.
Graphic
Последовательность установки интерфейсной платы

После установки платы в прибор, настройки обмена по добавленному интерфейсу RS-485 следует произвести в OwenLogic.

Примечание
По умолчанию в OwenLogic интерфейс добавляется в слот с номером 1.

Маркировка

На корпус прибора нанесены:

  • условное обозначение прибора;
  • товарный знак предприятия-изготовителя;

  • степень защиты корпуса по ГОСТ 14254;
  • род питающего тока и напряжение питания;
  • QR-код

  • потребляемая мощность;
  • маркировка класса защиты от поражения электрическим током по ГОСТ IEC 61131-2-2012;
  • единый знак обращения продукции на рынке Евразийского экономического союза;
  • страна-изготовитель;
  • заводской номер прибора, месяц и год изготовления.

На потребительскую тару нанесены:

  • наименование и условное обозначение прибора;
  • товарный знак предприятия-изготовителя;

  • почтовый адрес офиса изготовителя;

  • штрих-код;

  • дата упаковки;

  • единый знак обращения продукции на рынке Евразийского экономического союза;
  • страна-изготовитель;
  • заводской номер;
  • дата упаковки.

Упаковка

Упаковка прибора производится в соответствии с ГОСТ 23088-80 в потребительскую тару, выполненную из коробочного картона по ГОСТ 7933-89.

Упаковка прибора при пересылке почтой производится по ГОСТ 9181-74.

Комплектность

НаименованиеКоличество
Прибор 1 шт.
Руководство по эксплуатации1 экз.
Паспорт и Гарантийный талон1 экз.
Комплект клеммных соединителей 1 к-т

Примечание
Изготовитель оставляет за собой право внесения дополнений в комплектность прибора.

Транспортирование и хранение

Прибор должен транспортироваться в закрытом транспорте любого вида. В транспортных средствах тара должна крепиться согласно правилам, действующим на соответствующих видах транспорта.

Транспортирование приборов в упаковке предприятия-изготовителя должно соответствовать следующим условиям:

  • температура окружающего воздуха от минус 40 до плюс 70 °С;

  • относительная влажность от 10 до 95 % без конденсации влаги;

  • атмосферное давление не менее 80 кПа (эквивалентно высоте 3000 м над уровнем моря)

Прибор следует перевозить в транспортной таре поштучно или в контейнерах с соблюдением мер защиты от ударов и вибраций.

Условия хранения в таре на складе изготовителя и потребителя должны соответствовать условиям 1 по ГОСТ 15150-69. В воздухе не должны присутствовать агрессивные примеси.

Прибор следует хранить на стеллажах.

Гарантийные обязательства

Изготовитель гарантирует соответствие прибора требованиям ТУ при соблюдении условий эксплуатации, транспортирования, хранения и монтажа.

Гарантийный срок эксплуатации – 24 месяца со дня продажи.

В случае выхода прибора из строя в течение гарантийного срока при соблюдении условий эксплуатации, транспортирования, хранения и монтажа предприятие-изготовитель обязуется осуществить его бесплатный ремонт или замену.

Порядок передачи прибора в ремонт содержится в паспорте и в гарантийном талоне.

Описание клеммников

Общий вид прибора с указанными номерами клемм, разъема программирования и светодиодов представлен на рисунках ниже. Назначение клемм приведено в таблицах после каждого рисунка.

Graphic
Расположение контактов ПР200-220.28.2.Х
Назначение контактов клеммной колодки ПР200-220.28.2.Х

Номер контакта

Назначение контактов

Номер контакта

Назначение контактов

1

Напряжение питания (230 В)

27Кондуктометрический вход СI1

2

Напряжение питания (230 В)

28Кондуктометрический вход СI2

3

Общий контакт для входов 1...4

29Общая клемма кондуктометрических входов СI1 и СI2

4

Дискретный вход 1 (24 В)

30Дополнительные клеммы кондуктометрических входов СI1 и СI2

5

Дискретный вход 2 (24 В)

31

6

Дискретный вход 3 (24 В)

32Кондуктометрический вход СI3

7

Дискретный вход 4 (24 В)

33Кондуктометрический вход СI4

8

Общий контакт для входов 5...8

34Общая клемма кондуктометрических входов СI3 и СI4

9

Дискретный вход 5 (24 В)

35Дополнительные клеммы ондуктометрических входов СI3 и СI4

10

Дискретный вход 6 (24 В)

36

11

Дискретный вход 7 (24 В)

37Клемма I AI1

12

Дискретный вход 8 (24 В)

38Клемма U AI1

13

Выходное напряжение питания 24 В — контакт «+»

39Общая клемма универсальных входов 1 и 2

14

Выходное напряжение питания 24 В — контакт «—»

40Клемма U AI2

15

Дискретный выход 1

41Клемма I AI2

16

Общий контакт для выходов 1...2

42Клемма I AI3
17

Дискретный выход 2

43Клемма U AI3
18

Дискретный выход 3

44Общая клемма универсальных входов 3 и 4
19

Общий контакт для выходов 3...4

45Клемма U AI4
20

Дискретный выход 4

46Клемма I AI4
21

Дискретный выход 5

47

СЛОТ1 Сигнал RS-485 B

22

Общий контакт для выходов 5...6

48

СЛОТ1 Сигнал RS-485 А

23

Дискретный выход 6

49

СЛОТ2 Сигнал RS-485 B

24

Дискретный выход 7

50

СЛОТ2 Сигнал RS-485 А

25

Общий контакт для выходов 7...8

51

Питание аналоговых выходов V–

26

Дискретный выход 8

52

Питание аналоговых выходов V+

53

Аналоговый выход 1

54

Аналоговый выход 2

Graphic
Расположение контактов ПР200-24.8.2.Х
Назначение контактов клеммной колодки ПР200-24.8.2.Х

Номер контакта

Назначение контактов

Номер контакта

Назначение контактов

1

Входное напряжение питания (24 В) – контакт «—»

27Кондуктометрический вход СI1

2

Входное напряжение питания (24 В) – контакт «+»

28Кондуктометрический вход СI2

3

Общий контакт для входов 1...4

29Общая клемма кондуктометрических входов СI1 и СI2

4

Дискретный вход 1 (24 В)

30Дополнительные клеммы кондуктометрических входов СI1 и СI2

5

Дискретный вход 2 (24 В)

31

6

Дискретный вход 3 (24 В)

32Кондуктометрический вход СI3

7

Дискретный вход 4 (24 В)

33Кондуктометрический вход СI4

8

Общий контакт для входов 5...8

34Общая клемма кондуктометрических входов СI3 и СI4

9

Дискретный вход 5 (24 В)

35Дополнительные клеммы ондуктометрических входов СI3 и СI4

10

Дискретный вход 6 (24 В)

36

11

Дискретный вход 7 (24 В)

37Клемма I AI1

12

Дискретный вход 8 (24 В)

38Клемма U AI1
39Общая клемма универсальных входов 1 и 2
40Клемма U AI2

15

Дискретный выход 1

41Клемма I AI2

16

Общий контакт для выходов 1...2

42Клемма I AI3
17

Дискретный выход 2

43Клемма U AI3
18

Дискретный выход 3

44Общая клемма универсальных входов 3 и 4
19

Общий контакт для выходов 3...4

45Клемма U AI4
20

Дискретный выход 4

46Клемма I AI4
21

Дискретный выход 5

47

СЛОТ1 Сигнал RS-485 B

22

Общий контакт для выходов 5...6

48

СЛОТ1 Сигнал RS-485 А

23

Дискретный выход 6

49

СЛОТ2 Сигнал RS-485 B

24

Дискретный выход 7

50

СЛОТ2 Сигнал RS-485 А

25

Общий контакт для выходов 7...8

51

Питание аналоговых выходов V—

26

Дискретный выход 8

52

Питание аналоговых выходов V+

53

Аналоговый выход 1

54

Аналоговый выход 2

Юстировка

Общие указания

Юстировка прибора заключается в проведении технологических операций, обеспечивающих восстановление метрологических характеристик прибора в случае изменения их после длительной эксплуатации.

Предупреждение
Необходимость проведения юстировки определяется по результатам поверки прибора и должна производиться только квалифицированными специалистами метрологических служб, осуществляющих эту поверку.

Юстировка выполняется с помощью эталонных источников сигналов, имитирующих работу датчиков и подключаемых к контактам прибора. Во время юстировки прибор вычисляет соотношения между поступившим входным сигналом и опорным сигналом.

Вычисленные соотношения (коэффициенты юстировки) записываются в энергонезависимую память прибора и используются как базовые для выполнения всех дальнейших расчетов.

Каждый аналоговый вход и выход имеют собственные коэффициенты юстировки для каждого типа датчика.

Если вычисленные значения коэффициентов выходят за пределы, установленные для него во время разработки прибора, в OwenLogic выводится сообщение о причине этой ошибки.

Предупреждение
Не рекомендуется прерывать процедуру юстировки отключением питания прибора. Если питание было отключено во время юстировки, то при всех последующих включениях на экране прибора будет надпись «Программа Logic Остановлена». Чтобы перевести прибор в обычный режим работы следует записать в него любую новую программу, либо провести юстировку заново.

Юстировка универсальных входов

Для юстировки входного сигнала типа «напряжение» следует:

  1. Подключить к контактам входа прибора дифференциальный вольтметр В1-12 в режиме калибратора напряжений или аналогичный ему источник образцового напряжения с классом точности не ниже 0,05. Соединять прибор с калибратором следует по схеме, приведенной на рисунке, 1 с соблюдением полярности подключения.

    Graphic
    Подключение источника эталонного сигнала

  2. Запустить OwenLogic и выбрать в меню пункт «Прибор» → «Юстировка входов/выходов» для запуска мастера юстировки.

  3. В появившемся меню выбрать «Аналоговые входы» (см. рисунок).

    Graphic
    Выбор элемента
  4. Далее в окне «Настройка параметров» выбрать значение параметра «Тип датчика» равным «0…10 В».

    Graphic
    Меню настройки параметров

    Установить уровни для юстировки, постоянную времени фильтра и канал. Увеличение постоянной времени фильтра увеличивает время юстировки, но позволяет получить более точные калибровочные коэффициенты. Юстировку проходит каждый канал в отдельности. Если выбрать настройку «все каналы», то юстировка проходит по всем четырем каналам, поэтому необходимо подавать соответствующие уровни сигнала на все каналы сразу.

    Нажать кнопку «Далее» и следовать указаниям мастера юстировки.

В случае использования входа для измерения сигналов «ток» рекомендуется провести юстировку входа, предварительно выбрав параметр «Тип датчика» равным «4…20 мА». Схема подключения изображена на рисунке, 2. Действия аналогичны пп. 2–4.

В случае использования входа для измерения сигналов «сопротивление» (например, для ТС) рекомендуется провести юстировку входа, предварительно выбрав параметр «Тип датчика» равным «0…300 кОм». Схема подключения изображена на рисунке, 3. Действия аналогичны пп. 2–4.

Юстировка кондуктометрических входов

Для юстировки кондуктометрических входов следует:

  1. Подключить к контактам входа прибора магазин сопротивлений. Соединять прибор с калибратором следует по схеме, приведенной на рисунке с соблюдением полярности подключения.

    Graphic
    Подключение источника эталонного сигнала

  2. Запустить OwenLogic и выбрать в меню пункт «Прибор» → «Юстировка входов/выходов» для запуска мастера юстировки.

  3. В появившемся меню выбрать «Кондуктометрические входы» (см. рисунок).

    Graphic
    Выбор элемента

  4. Далее в окне «Выбор параметров юстировки» выбрать канал для юстировки в параметре «Юстировать».

    Graphic
    Меню настройки параметров

  5. Провести измерение сопротивлений 500 Ом, 2 кОм, 5 кОм для калибровки первого диапазона, выставив нужные номиналы на магазине сопротивлений.

  6. Для второго диапазона использовать сопротивления 6,25 кОм, 20 кОм, 100 кОм, выставив нужные номиналы на магазине сопротивлений.

  7. Нажать кнопку «Далее» и следовать указаниям мастера юстировки.

После завершения мастер юстировки запишет скорректированные коэффициенты в память прибора.

Юстировка универсальных аналоговых выходов

Для юстировки сигналов типа «4…20 мА» следует:

  1. Подключить ВЭ типа «И» (ЦАП «параметр – ток 4…20 мА») согласно схеме, приведенной на рисунке.

    Graphic
    Схема подключения к ВЭ для юстировки сигналов типа «4…20 мА» (R < 300 Ом)
    Проконтролировать напряжение источника питания — оно должно быть в диапазоне 15…30 В.

    В качестве измерителя напряжения можно использовать прибор для калибровки вольтметров Р3003 или иной прибор того же класса с разрешающей способностью 0,001 В.

  2. Запустить OwenLogic и выбрать в меню пункт «Прибор» → «Юстировка входов/выходов» для запуска мастера юстировки. В появившемся далее меню выбрать «Аналоговые выходы».

    Graphic
    Выбор элемента

  3. В выпадающем списке «Тип датчика» задать «Аналоговый, ток». В выпадающем меню «Выбор канала» задать канал для юстировки.

    Graphic
    Выбор типа сигнала
  4. Во время подачи прибором выходного тока, пересчитать значение измеренного напряжения в ток и задать его в параметре «Измеренное значение».

    Graphic
    Калибровка минимального значения

  5. Далее следовать рекомендациям мастера юстировки для проведения процедуры юстировки выходных элементов типа «И».

Для юстировки сигналов типа «0...10 В» следует:

  1. Подключить прибор по схеме, приведенной на рисунке ниже, с соблюдением полярности подключения. Проконтролировать напряжение источника питания – оно должно быть в диапазоне 15…30 В. В качестве измерителя напряжения можно использовать прибор для калибровки вольтметров Р3003 или иной прибор того же класса с разрешающей способностью 0,001 В.

    Graphic
    Схема подключения нагрузки к ВЭ для юстировки сигналов типа «0...10 В»

  2. Запустить OwenLogic и выбрать в меню пункт «Прибор» → «Юстировка входов/выходов» для запуска мастера юстировки. В появившемся далее меню выбрать «Аналоговые выходы».
    Graphic
    Выбор элемента
  3. В выпадающем списке «Тип датчика» задать «Аналоговый, напряжение». В выпадающем меню «Выбор канала» задать канал для юстировки.

  4. Далее следовать рекомендациям мастера юстировки для проведения процедуры юстировки выходных элементов типа «У».

Предупреждающие сообщения

В данном руководстве применяются следующие предупреждения:

Опасность

Ключевое слово ОПАСНОСТЬ сообщает о непосредственной угрозе опасной ситуации, которая приведет к смерти или серьезной травме, если ее не предотвратить.

Внимание

Ключевое слово ВНИМАНИЕ сообщает о потенциально опасной ситуации, которая может привести к небольшим травмам.

Предупреждение

Ключевое слово ПРЕДУПРЕЖДЕНИЕ сообщает о потенциально опасной ситуации , которая может привести к повреждению имущества.

Примечание

Ключевое слово ПРИМЕЧАНИЕ обращает внимание на полезные советы и рекомендации, а также информацию для эффективной и безаварийной работы оборудования.

Ограничение ответственности

Ни при каких обстоятельствах ООО «Производственное Объединение ОВЕН» и его контрагенты не будут нести юридическую ответственность и не будут признавать за собой какие-либо обязательства в связи с любым ущербом, возникшим в результате установки или использования прибора с нарушением действующей нормативно-технической документации.