1-RU-158256-1.1

Руководство по эксплуатации

Введение

Настоящее руководство по эксплуатации предназначено для ознакомления обслуживающего персонала с установкой, подключением, принципом работы, настройкой и техническим обслуживанием контроллера чиллера ВЬЮГА-1, в дальнейшем по тексту именуемого «прибор».

Подключение, настройка и техническое обслуживание прибора должны производиться только квалифицированными специалистами после прочтения настоящего руководства по эксплуатации.

Руководство по эксплуатации распространяется на прибор, выпущенный в соответствии с ТУ 26.51.70-048-46526536-2025.

Прибор изготавливается в различных модификациях, указанных в коде полного условного обозначения:

Graphic
Примечание

Номинальное напряжение питания дискретных входов совпадает с напряжением питания прибора.

Используемые термины, обозначения и аббревиатуры

FIFO – способ организации и управления работой ИМ по времени «первым включился, первым отключился».

FILO – способ организации и управления работой ИМ по времени «первым включился, последним отключился».

АВР – автоматический ввод резерва.

ВД – высокое давление.

Вх – Вентилятор конденсатора №х.

ЖКИ – жидкокристаллический индикатор.

ИМ – исполнительный механизм.

Кх – компрессор №х

ПИ-закон – пропорционально-интегральный закон.

ПИ-регулятор – пропорционально-интегральный регулятор.

ПК – персональный компьютер.

ПЧ – преобразователь частоты.

РУ – разгрузочное устройство.

РУх Кy – разгрузочное устройство №х компрессора №у.

ТС – термометр сопротивления.

НД – низкое давление.

НЗ – нейтральная зона.

Назначение и функции

Прибор предназначен для управления водоохлаждающей установкой (чиллером) с одним фреоновым контуром в составе с гидромодулем. Контроллер регулирует температуру хладоносителя на входе либо на выходе испарителя, управляя производительностью холодильных компрессоров и конденсатора.

Прибор управляет чиллерами на базе:

  • одиночных компрессоров с одинаковой производительностью;

  • ведущего компрессора с частотным регулированием производительности и одиночных опорных компрессоров одинаковой производительности;

  • компрессоров с разгрузочными устройствами одинаковой производительности;

  • конденсатора со ступенями одинаковой производительности;

  • конденсатора с частотным регулированием производительности 1-й ступени и дополнительными ступенями одинаковой производительности;

  • гидромодуля с одним или двумя насосами: управление дискретное либо с помощью ПЧ, также возможна конфигурация “внешний + внутренний насосы”

Функции прибора:

  • гибкая настройка различных конфигураций ИМ;

  • регулирование температуры хладоносителя: температуры, уходящей потребителю, либо входящей в теплообменник от потребителя;

  • совместное управление до 4 компрессоров, до 6 ступеней конденсатора и до 2 насосов циркуляции;

  • чередование исполнительных механизмов по времени наработки;

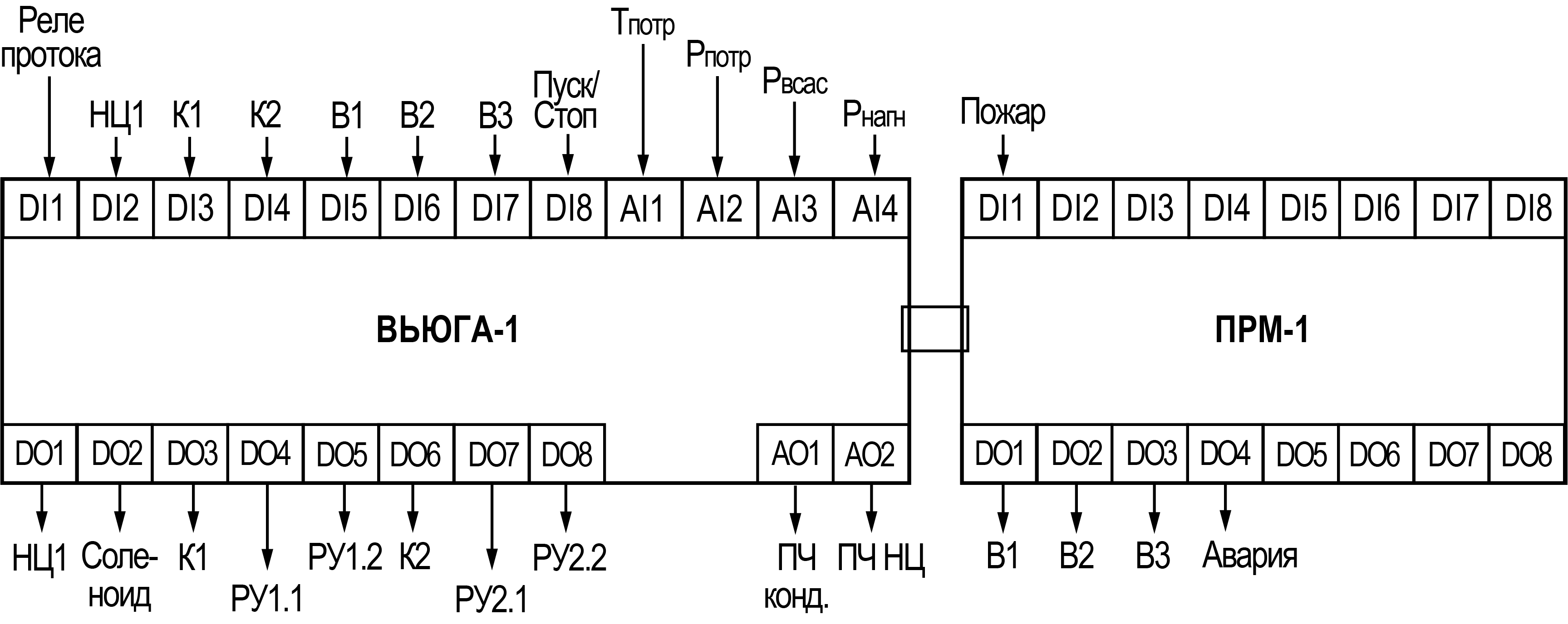
  • поддержка подключения модуля расширения ПРМ-1 для увеличения количества дискретных сигналов управления до 16 входных и 16 выходных;

  • защита теплообменника от обмерзания;

  • защита от низкого и высокого давления всасывания хладагента;

  • защита от высокого давления нагнетания;

  • контроль наличия протока хладоносителя;

  • контроль работоспособности исполнительных механизмов и подключенных датчиков;

  • контроль низкого уровня воды в накопительной емкости (опция);

  • контроль температуры хладоносителя на входе в теплообменник (опция);

  • опция блокировки компрессоров или вентиляторов конденсатора на время проведения сервисных работ;

  • счетчик времени наработки исполнительных механизмов;

  • защита паролем доступа в меню настроек.

Примечание

Если настроенная пользователем конфигурация использует более 8 дискретных входов либо выходов, то к прибору следует подключить модуль расширения ПРМ-1 (см. раздел). Модуль в комплект поставки не входит и заказывается отдельно.

Предупреждение

Если пользователем выбрана конфигурация, которая задействует более 8 дискретных входов или выходов, но модуль расширения ПРМ-1 не подключен к прибору, то прибор зафиксирует обрыв связи с ПРМ и не запустит систему в работу до восстановления подключения с модулем.

На схеме обозначены:

Рнагн — датчик давления нагнетания.

Рпотр — датчик давления в трубопроводе потребителя.

Рвсас — датчик давления всасывания.

Твх — датчик температуры хладоносителя на входе в теплообменник.

Твых — датчик температуры хладоносителя на выходе из теплообменника.

Тпотр — датчик температуры хладоносителя, уходящего потребителю.

НЦ1, НЦ2 — насосы циркуляции 1, 2.

PDS — реле перепада давления на теплообменнике.

К1...К4 — компрессоры 1...4.

Вк1...Вк6 — вентиляторы 1...6 конденсатора.

Graphic
Пример схемы объекта управления

Технические характеристики

Характеристики прибора

Наименование

Значение

ВЬЮГА-1.230

ВЬЮГА-1.24

Питание

Диапазон напряжения питания

от ~90 до 264 В

(номинальное ~230 В, при от 47 до 63 Гц)

от =19 до 30 В (номинальное =24 В)

Гальваническая развязка

Есть

Электрическая прочность изоляции между входом питания и другими цепями3000 В1500 В

Потребляемая мощность, не более

17 ВА

10 Вт

Встроенный источник питания

Есть

Выходное напряжение встроенного источника питания постоянного тока

от 21,6 до 26,4 В

Ток нагрузки встроенного источника питания, не более

100 мА

Дискретные входы

Количество входов

8 шт.

Напряжение «логической единицы»

от 159 до 264 В

(переменный ток)

от 15 до 30 В (постоянный ток)

Ток «логической единицы»

от 0,75 до 1,5 мА

от 2 до 5 мА

Напряжение «логического нуля»

от 0 до 40 В

от –3 до +5 В

Подключаемые входные устройства

Датчики типа «сухой контакт», коммутационные устройства

(контакты реле, кнопок и т. д.)

Гальваническая развязка

Групповая, по 4 входа

(1–4 и 5–8, «общий минус»)

Электрическая прочность изоляции между входами и другими цепями3000 В1500 В

Аналоговые входы

Количество входов

4 шт.

Тип измеряемых сигналов

РТ1000 α = 0,00385 1/°C (от – 200 до + 850 °C),

от 4 до 20 мА,

NTC10K R25 = 10 000 Ом, B25/100 = 3950 К (от –20 до +125 °С)

Пределы допускаемой основной приведенной (к диапазону измерений) погрешности измерений

Pt 1000   ±0,5 %;

NTC10K R25 = 10 000 Ом, B25/100 = 3950 К (от –20 до +125 °С)   ±1 %;

от 4 до 20 мА   ±0,5 %

Время опроса входов

10 мс

Гальваническая развязка

Отсутствует
Дискретные выходы

Количество выходных устройств, тип

8 шт., электромагнитное реле

(нормально-разомкнутые)

Коммутируемое напряжение в нагрузке:

  • для цепи постоянного тока, не более

 

30 В (резистивная нагрузка)

  • для цепи переменного тока, не более

 

250 В (резистивная нагрузка)

Допустимый ток нагрузки, не более

5 А при напряжении не более 250 В переменного тока и cos φ > 0,95;

3 А при напряжении не более 30 В постоянного тока

Гальваническая развязка

Групповая по 2 реле

(1–2; 3–4; 5–6; 7–8)

Электрическая прочность изоляции между выходом и другими цепями3000 В
Аналоговые выходы

Количество выходных устройств, тип

2 ЦАП, напряжение

Диапазон генерации напряжения

от 0 до 10 В

Внешняя нагрузка, не менее

2 кОм

Напряжение питания

от 15 до 30 В, питание внешнее

Гальваническая развязка

Есть (групповая)

Электрическая прочность изоляции3000 В
Интерфейсы связи

Тип интерфейса, количество интерфейсных плат

RS-485, 2 шт.

Протокол связи

Modbus-RTU и Modbus-ASCII

Режим работы

Slave

Скорость передачи данных

9600, 14400, 19200, 38400, 57600, 115200 бит/с

Гальваническая развязка

Есть

Электрическая прочность изоляции между RS-485 и другими цепями1500 В
Индикация и элементы управления

Тип дисплея

Монохромный текстовый ЖКИ с подсветкой, 2 строки по 16 символов

Размеры дисплея

60 × 15 мм

Индикаторы

Два светодиодных индикатора

(красный и зеленый)

Кнопки6 шт.

Корпус

Тип корпуса

Для крепления на DIN-рейку (35 мм)

Габаритные размеры

123 × 90 × 58 мм

Степень защиты корпуса по ГОСТ 14254–2015

IP20

Масса прибора, не более (для всех вариантов исполнений)

0,6 кг

Средний срок службы

10 лет

Условия эксплуатации

Прибор предназначен для эксплуатации в следующих условиях:

  • закрытые взрывобезопасные помещения без агрессивных паров и газов;
  • температура окружающего воздуха от минус 20 до плюс 55 °С;
  • относительная влажность воздуха от 30 до 80 % без конденсации влаги;
  • допустимая степень загрязнения 1 (несущественные загрязнения или наличие только сухих непроводящих загрязнений);
  • атмосферное давление от 84,0 до 106,7 кПа.

Нормальные условия эксплуатации:

  • закрытые взрывобезопасные помещения без агрессивных паров и газов;
  • температура окружающего воздуха от плюс 15 до плюс 25 °С;
  • относительная влажность воздуха от 30 до 80 % без конденсации влаги;
  • допустимая степень загрязнения 1 (несущественные загрязнения или наличие только сухих непроводящих загрязнений);
  • атмосферное давление от 84,0 до 106,7 кПа.

По устойчивости к синусоидальным вибрациям во время эксплуатации прибор соответствует группе исполнения N2 по ГОСТ Р 52931–2008 (частота вибрации от 10 до 55 Гц).

По устойчивости к воздействию атмосферного давления прибор относится к группе Р1 по ГОСТ Р 52931–2008.

Прибор отвечает требованиям по устойчивости к воздействию помех в соответствии с ГОСТ 30804.6.2–2013.

По уровню излучения радиопомех (помехоэмиссии) прибор соответствует ГОСТ IEC 61000-6-3-2016.

Меры безопасности

Опасность
На клеммнике присутствует опасное для жизни напряжение величиной до 250 В. Любые подключения к прибору и работы по его техническому обслуживанию следует производить только при отключенном питании прибора.

По способу защиты от поражения электрическим током ВЬЮГА-1.230 соответствует классу II, а ВЬЮГА-1.24 классу III по ГОСТ 12.2.007.0-75.

Во время эксплуатации и технического обслуживания прибора следует соблюдать требования ГОСТ 12.3.019-80, «Правил технической эксплуатации электроустановок потребителей электрической энергии» и «Правил охраны труда при эксплуатации электроустановок».

Не допускается попадание влаги на контакты выходного разъема и внутренние электроэлементы прибора. Прибор запрещено использовать в агрессивных средах с содержанием в атмосфере кислот, щелочей, масел и т. п.

Установка

Монтаж

Опасность

Монтаж должен производить только обученный специалист с допуском на проведение электромонтажных работ. Во время монтажа следует использовать средства индивидуальной защиты и специальный электромонтажный инструмент с изолирующими свойствами до 1000 В.

Во время монтажа прибора следует учитывать меры безопасности из раздела.

Прибор следует монтировать в шкафу, конструкция которого должна обеспечивать защиту от попадания в него влаги, грязи и посторонних предметов.

Предупреждение

Монтировать и подключать следует только предварительно сконфигурированный прибор.

Внимание

Питание каких-либо устройств от сетевых контактов прибора запрещается.

Для монтажа прибора на DIN-рейке следует:

Graphic
Монтаж и демонтаж прибора
  1. Подготовить на DIN-рейке место для установки прибора в соответствии с размерами прибора (см. рисунок).
  2. Установить прибор на DIN-рейку, предварительно оттянув защелку.
  3. С усилием прижать прибор к DIN-рейке и зафиксировать защелку.
  4. Смонтировать внешние устройства с помощью ответных клеммников из комплекта прибора.

Демонтаж прибора:

  1. Отсоединить съемные части клемм от прибора (см. рисунок).
  2. В проушину защелки вставить острие отвертки.
  3. Защелку отжать, после чего отвести прибор от DIN-рейки.

Graphic
Габаритный чертеж прибора

«Быстрая» замена

Конструкция клемм прибора позволяет оперативно заменить прибор без демонтажа подключенных к нему внешних линий связи.

Graphic
Отсоединение съемных частей клемм

Последовательность замены прибора:

  1. Обесточить все линии связи, подходящие к прибору, в том числе линии питания.
  2. Отделить от прибора съемные части каждой из клемм вместе с подключенными внешними линиями связи с помощью отвертки или другого подходящего инструмента.
  3. Снять прибор с DIN-рейки, а на его место установить другой прибор с предварительно удаленными разъемными частями клемм.
  4. К установленному прибору подсоединить разъемные части клемм с подключенными внешними линиями связи.

Элементы индикации и управления

На лицевой панели прибора расположены элементы индикации и управления:

  • двухстрочный 16-разрядный ЖКИ;
  • два светодиода;
  • шесть кнопок.
Graphic
Лицевая панель прибора
Назначение кнопок
КнопкаНазначение
Graphic GraphicСмещение видимой области вверх или вниз. Перемещение по пунктам меню
GraphicПрименяется в комбинациях с другими кнопками. При удержании более 3 секунд — переход в системное меню
GraphicВыбор параметра
GraphicСохранение измененного значения
GraphicВыход/отмена. При удержании более 3 секунд выход из системного меню. Возврат на Главный экран
Graphic + GraphicПереход с Главного экрана в меню
Graphic + Graphic

Переход с Главного экрана в меню аварий

Graphic + Graphic или Graphic + GraphicПереход между разрядами редактируемого параметра
Назначение светодиодов

Режим

Светодиод «Работа»

Светодиод «Авария»

Стоп

Работа

Светится

Тест

Мигает

Критическая авария

Светится

Некритическая авария

Светится

Мигает

Мигает

На ЖКИ отображается информация о работе установки и ее составных частей. С помощью ЖКИ можно настраивать значения параметров установки.

Graphic
Внешний вид параметра и значения на ЖКИ

Для выбора и редактирования значений следует:

  1. С помощью кнопки Graphic выбрать нужный параметр (выбранный параметр начинает мигать).

  2. С помощью кнопок Graphic и Graphic установить нужное значение. Во время работы с числовыми параметрами комбинация кнопок Graphic + Graphic/Graphic меняет редактируемый разряд.

  3. Возможные варианты действия с измененным значением:

    • для сохранения следует нажать кнопку Graphic;

    • для сохранения и перехода к следующему параметру следует нажать Graphic.

  4. Для отмены введенного значения следует нажать Graphic.

Подключение

Монтаж электрических цепей

Предупреждение
Подключение следует выполнять при отключенном питании прибора и всех подключенных к нему устройств. Иначе можно повредить прибор или подключенные устройства.

Прибор следует питать переменным или постоянным напряжением в зависимости от модификации.

Прибор следует подключать к сети переменного тока от сетевого фидера, не связанного непосредственно с питанием мощного силового оборудования. Во внешней цепи рекомендуется установить выключатель, обеспечивающий отключение прибора от сети.

Для обеспечения надежности электрических соединений рекомендуется использовать кабели с медными многопроволочными жилами, сечением не более 0,75 мм2, концы которых перед подключением следует зачистить и залудить. Жилы кабелей следует зачищать с таким расчетом, чтобы срез изоляции плотно прилегал к клеммной колодке, т. е. чтобы оголенные участки провода не выступали за ее пределы.

Рекомендации к подключению

Прибор следует подключать к сети переменного тока от сетевого фидера, не связанного непосредственно с питанием мощного силового оборудования. Во внешней цепи рекомендуется установить выключатель, обеспечивающий отключение прибора от сети.

Если в цепи питания возможно возникновение помех выше нормированных по ГОСТ 30804.6.2–2013, следует ставить в цепь питания блок сетевого фильтра, например БСФ.

Внимание
Питание каких-либо устройств от сетевых контактов прибора запрещается.

Настройка входов для работы с датчиками температуры

Общие сведения

Предупреждение
Операции по настройке входных сигналов следует проводить на обесточенном приборе и отключенных от прибора и питания линиях связи «прибор-датчик».

По умолчанию аналоговые входы прибора настроены на работу со следующими сигналами:

  • AI1 – сопротивление (датчик температуры);

  • AI2 – сопротивление (датчик температуры);

  • AI3 – 4...20 мА (датчик давления всасывания);

  • AI4 – 4...20 мА (датчик давления нагнетания).

Вход AI2 может быть настроен на измерение сигнала 4..20 мА, если требуется поддерживать заданное давление с помощью насоса, управляемого ПЧ.

Для настройки входа на режим работы с датчиком давления следует:

  1. Снять крышку с прибора.

  2. На входе AI2 изменить конфигурацию перемычек.

  3. Надеть крышку обратно.

  4. Подать питание на прибор.

  5. В системном меню прибора настроить вход AI2.

  6. В меню пользовательских настроек в разделе Входы настроить вход AI2.

  7. Отключить питание прибора.

  8. Подключить линии связи «прибор-датчик».

Снятие крышки

Предупреждение

Чтобы избежать порчи прибора, любые операции по разборке прибора должен выполнять обученный специалист.

Для снятия крышки следует:

  1. Отключить питание прибора и всех подключенных к нему устройств. Отделить от прибора съемные части клеммников.

  2. Снять верхнюю крышку. Отверткой вывести из зацепления защелки основания из отверстий в торцевых поверхностях крышки (см. рисунок , 1). Приподнять крышку над основанием.

  3. Отверткой отогнуть крышку от разъемов на среднем уровне с двух сторон (см. рисунок , 2). Усилие следует прикладывать у нижних разъемов.

    Graphic
    Снятие верхней крышки
  4. Снять крышку (см. рисунок , стрелка 1). Убрать клавиатуру (стрелка 2).

    Graphic
    Отделение верхней крышки и клавиатуры

Аппаратная настройка типа сигнала

Для аппаратной настройки типа сигнала следует:

  1. Определить вход, на котором нужно изменить тип сигнала (см. рисунок ниже).

    Graphic
    Расположение входов
  2. С помощью тонкого инструмента, например пинцета, изменить конфигурацию перемычек (см. рисунок ниже).

    Graphic
    Изменение конфигурации перемычек

Настройка типа сигнала в системном меню

Для программной настройки типа сигнала следует:

  1. Подать питание на прибор.

  2. Нажав и удерживая 3 секунды кнопку Graphic, войти в системное меню прибора.

  3. Ориентируясь по схеме на рисунке ниже, выбрать параметр Входы/Аналоговые/Датчик.

    Graphic
    Схема системного меню
  4. Для изменения значения нажать кнопку Graphic.

  5. Кнопками Graphic и Graphic выбрать значение 4...20 мА.

  6. Сохранить значение в памяти прибора, нажав кнопку Graphic.

  7. Выйти из системного меню, нажав и удерживая 3 секунды кнопку Graphic.

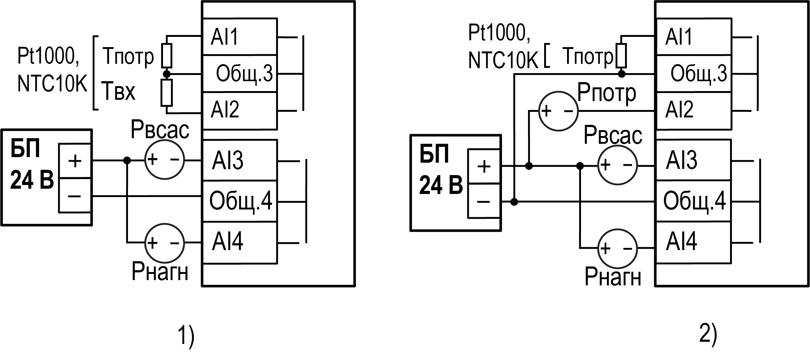
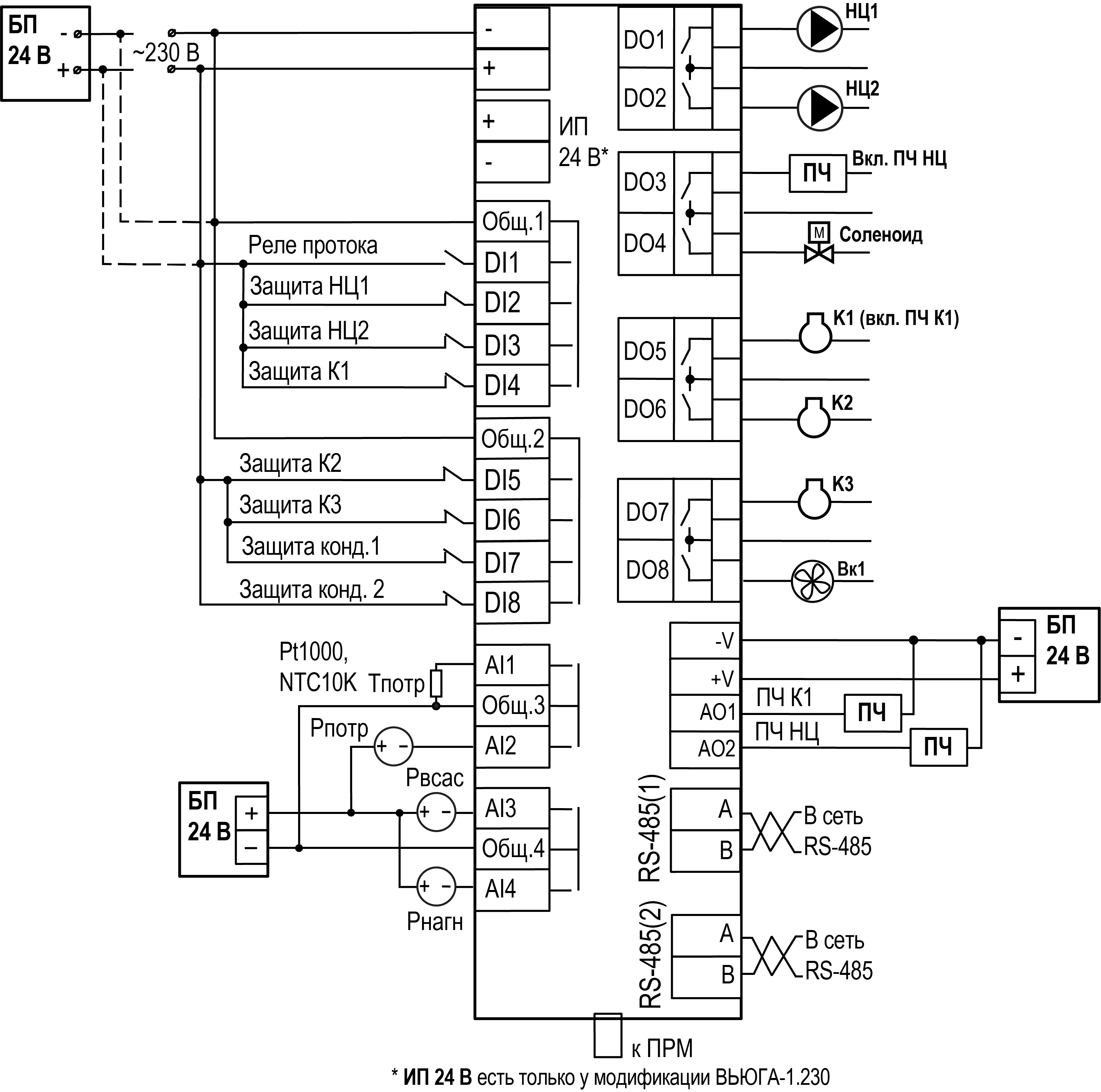
Схемы подключения датчиков

Примечание
Перед подключением ко входу AI2 датчика давления следует перенастроить тип сигнала (см. раздел).
Graphic
Схема подключения датчиков

1) ко входу AI2 подключен датчик температуры входного хладоносителя;

2) ко входу AI2 подключен датчик давления потребителя

В качестве управляющих сигналов используются:

  • для контура потребителя:

    • Тпотр – датчик температуры потребителя для регулирования производительности компрессоров;

    • Твх – датчик температуры входного хладоносителя для регулирования производительности компрессоров. Тпотр в таком случае выступает в качестве защитного от обмерзания;

    • Рпотр – датчик давления потребителя для управления производительностью насоса в целях поддержания заданного давления.

  • для холодильного контура:

    • Рнагн – датчик давления нагнетания для регулирования производительности конденсатора.

Сигналы, применяемые для защитных функций:

  • Рвсас – датчик давления всасывания для защиты от низкого и высокого давления всасывания;

  • Твх – датчик температуры входного хладоносителя для предупреждения выхода значения за допустимый диапазон;

  • Твых – датчик температуры хладоносителя для защиты от низкой температуры на выходе теплообменника, перед накопительной емкостью;

  • Тпотр – датчик температуры потребителя для защиты от низкой температуры хладоносителя.

  • Рнагн – датчик давления нагнетания для защиты от высокого давления нагнетания

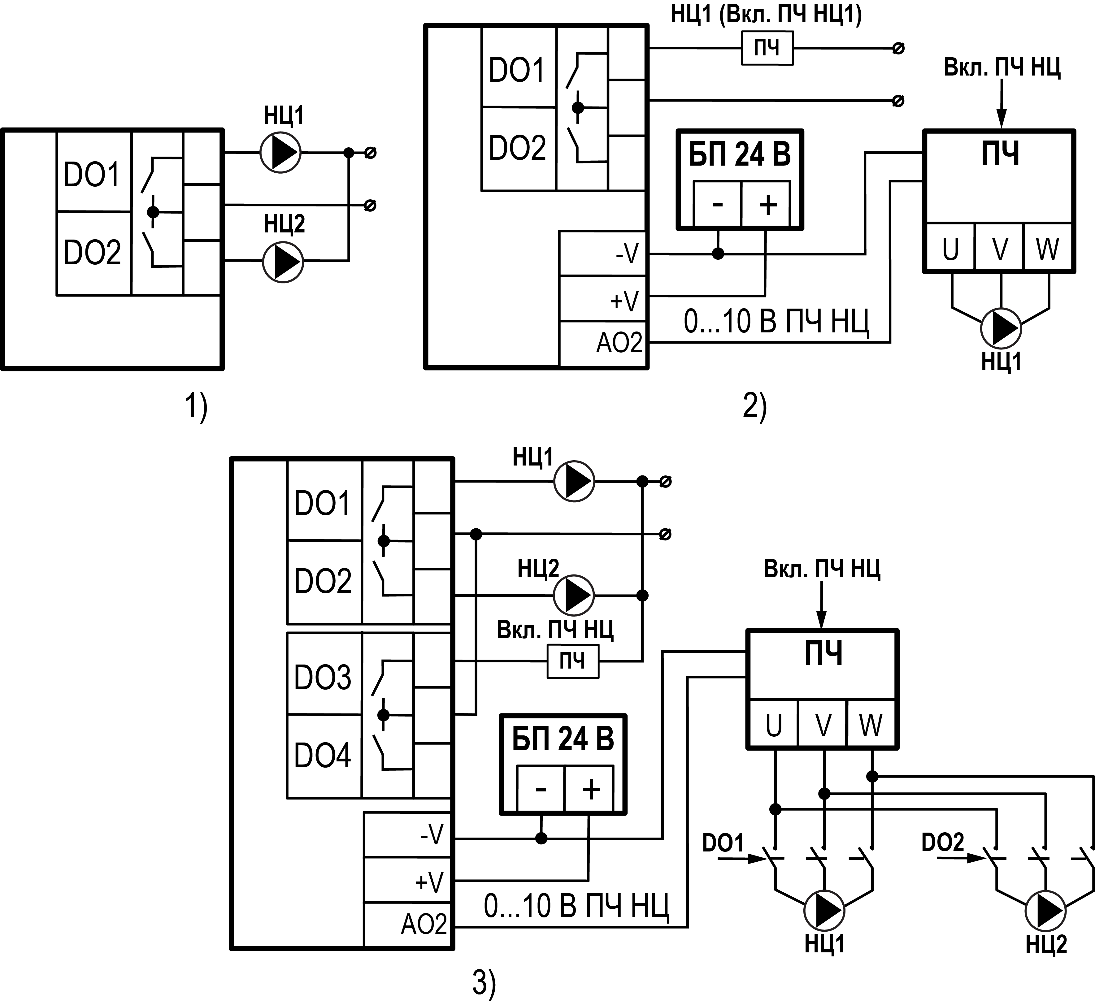
Схемы подключения насосов

Graphic
Схемы подключения насосов с управлением: 1) прямым пуском (2 насоса); 2) 1 насос с помощью ПЧ; 3) 2 насоса с помощью ПЧ

Схемы подключения компрессоров

Graphic
Примеры схем подключения компрессоров

1) три компрессора в режиме ступенчатого управления;

2) ведущий компрессор с ПЧ и два опорных компрессора

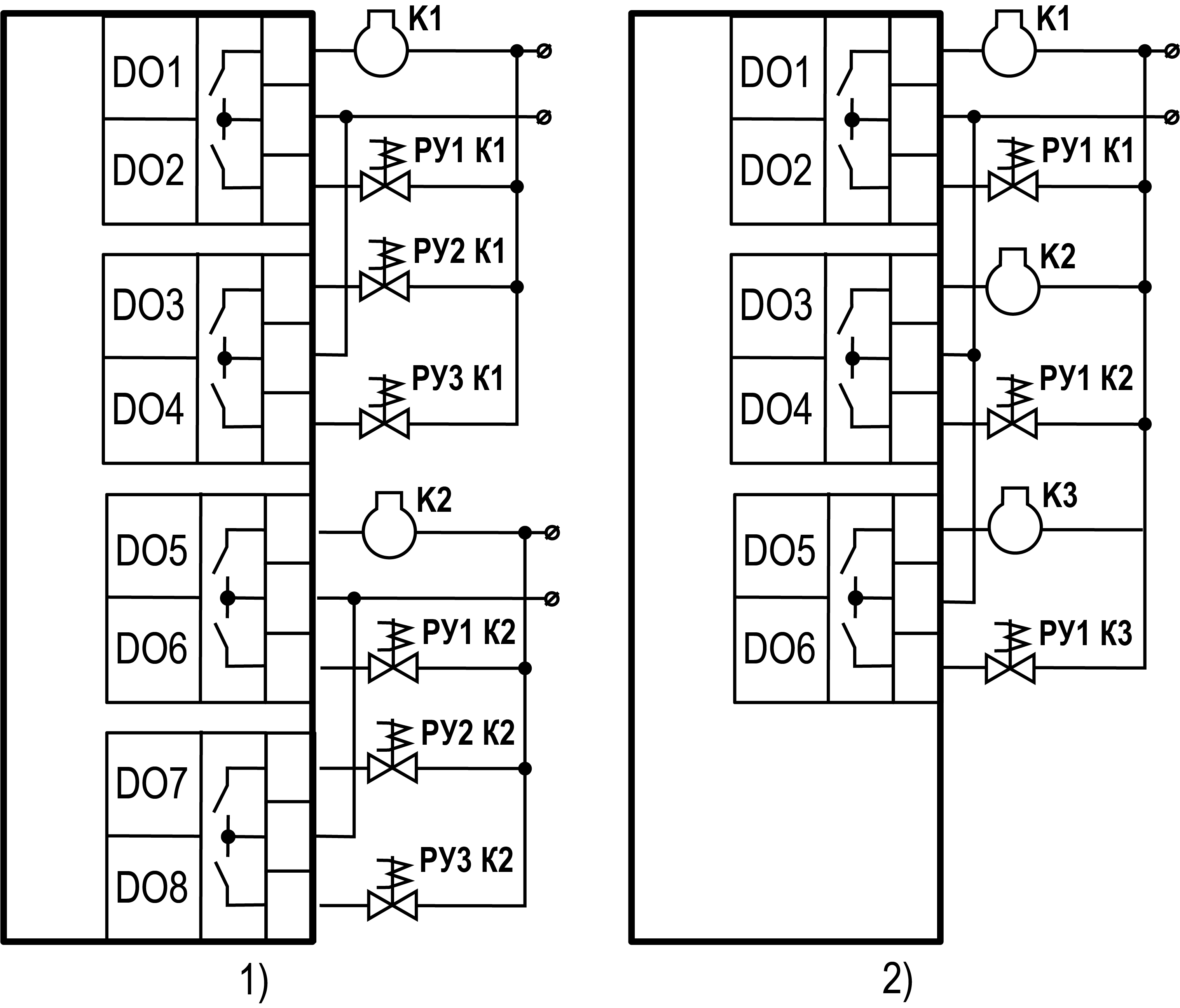
Дискретные выходы прибора используются для включения компрессоров и разгрузочных устройств.

Graphic
Примеры схем подключения компрессоров с разгрузочными устройствами в разных конфигурациях

1) два компрессора, по три разгрузочных устройства на каждом;

2) три компрессора, по одному разгрузочному устройству на каждом

В режиме «ведущий компрессор с ПЧ, остальные одиночные» дискретный выход прибора используется для включения ПЧ ведущего компрессора, а аналоговый выход — для управления его мощностью.

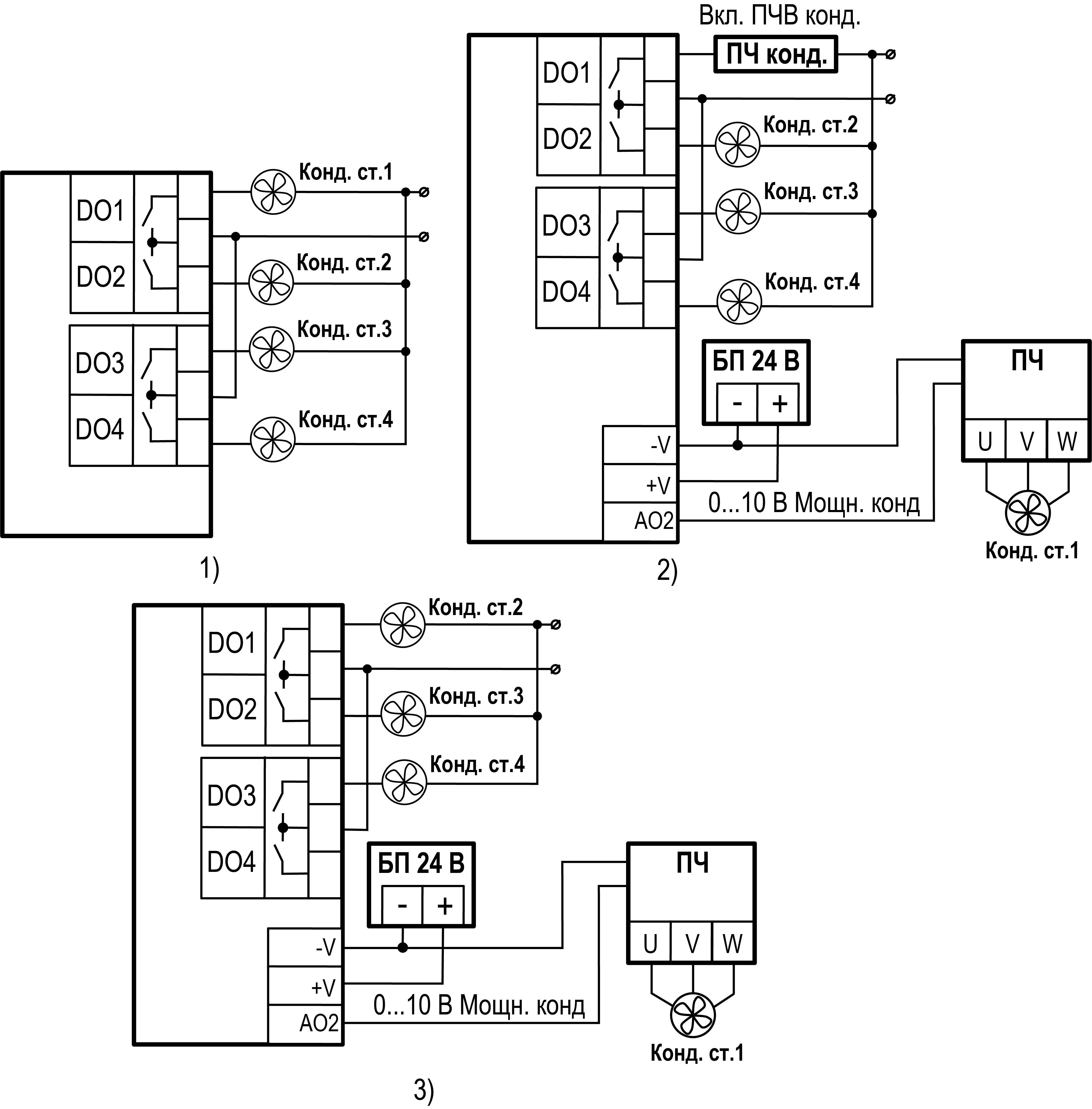
Схемы подключения конденсаторов

Graphic
Схема подключения на примере конфигурации из 4-х ступеней конденсатора, где 1-я ступень управляется: 1) дискретно вкл/откл; 2) плавно с командой на включение; 3) плавно без команды на включение

Дискретные выходы прибора используются для включения ступеней конденсатора.

В режиме «1-я ступень с ПЧ, остальные одиночные» один из назначенных для управления конденсатором дискретных выходов прибора используется для включения ПЧ 1-й ступени конденсатора, а аналоговый выход — для управления его мощностью.

Нумерация дискретных выходов, назначенных прибором для управления конденсатором, зависит от выбранной конфигурации оборудования.

Если при плавном регулировании не требуется задействовать дискретный выход для включения 1-й ступени конденсатора (например, при использовании фазорезки), то в Конфигурации в параметре DO 1-й ступ следует выбрать Нет.

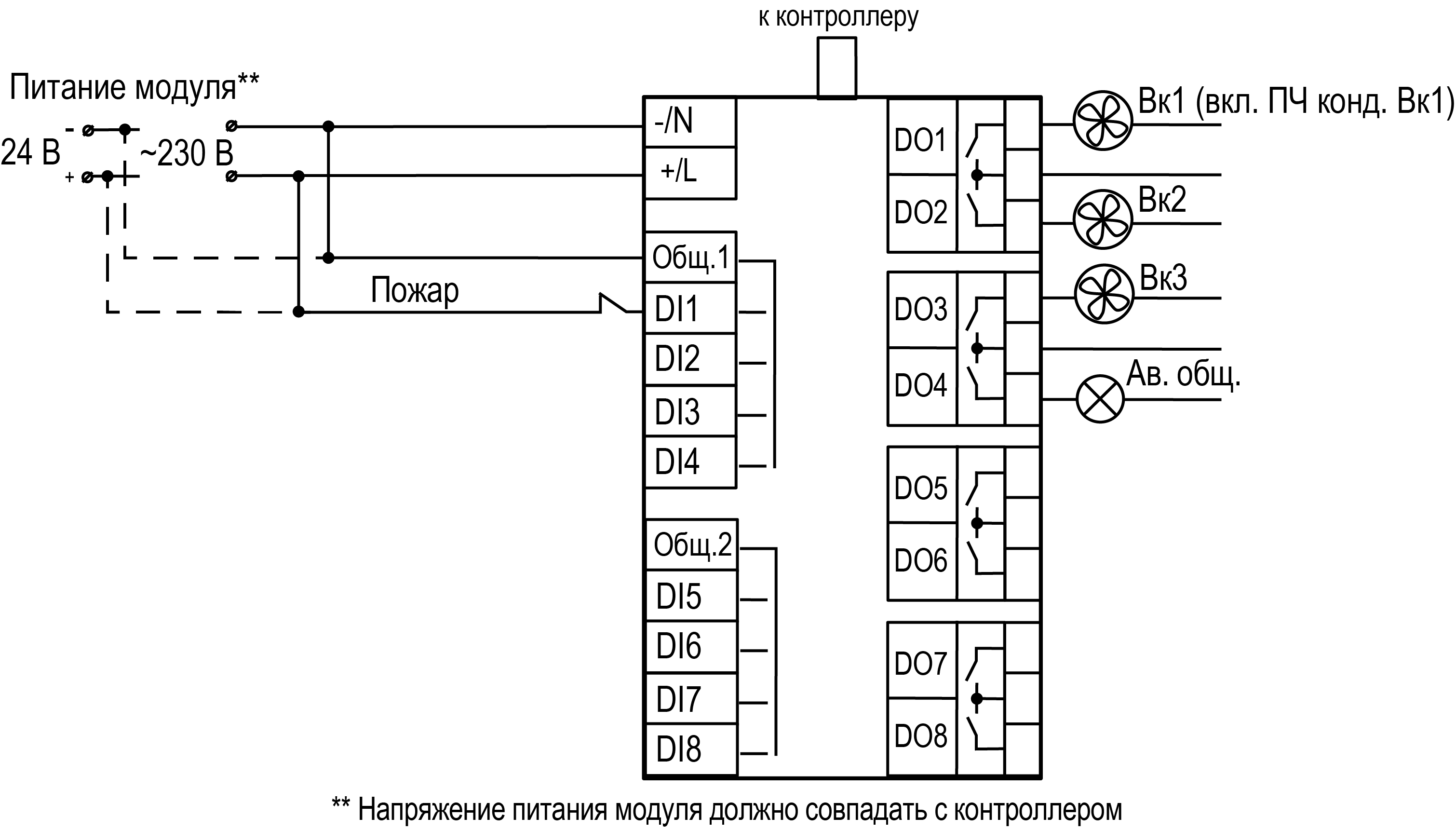
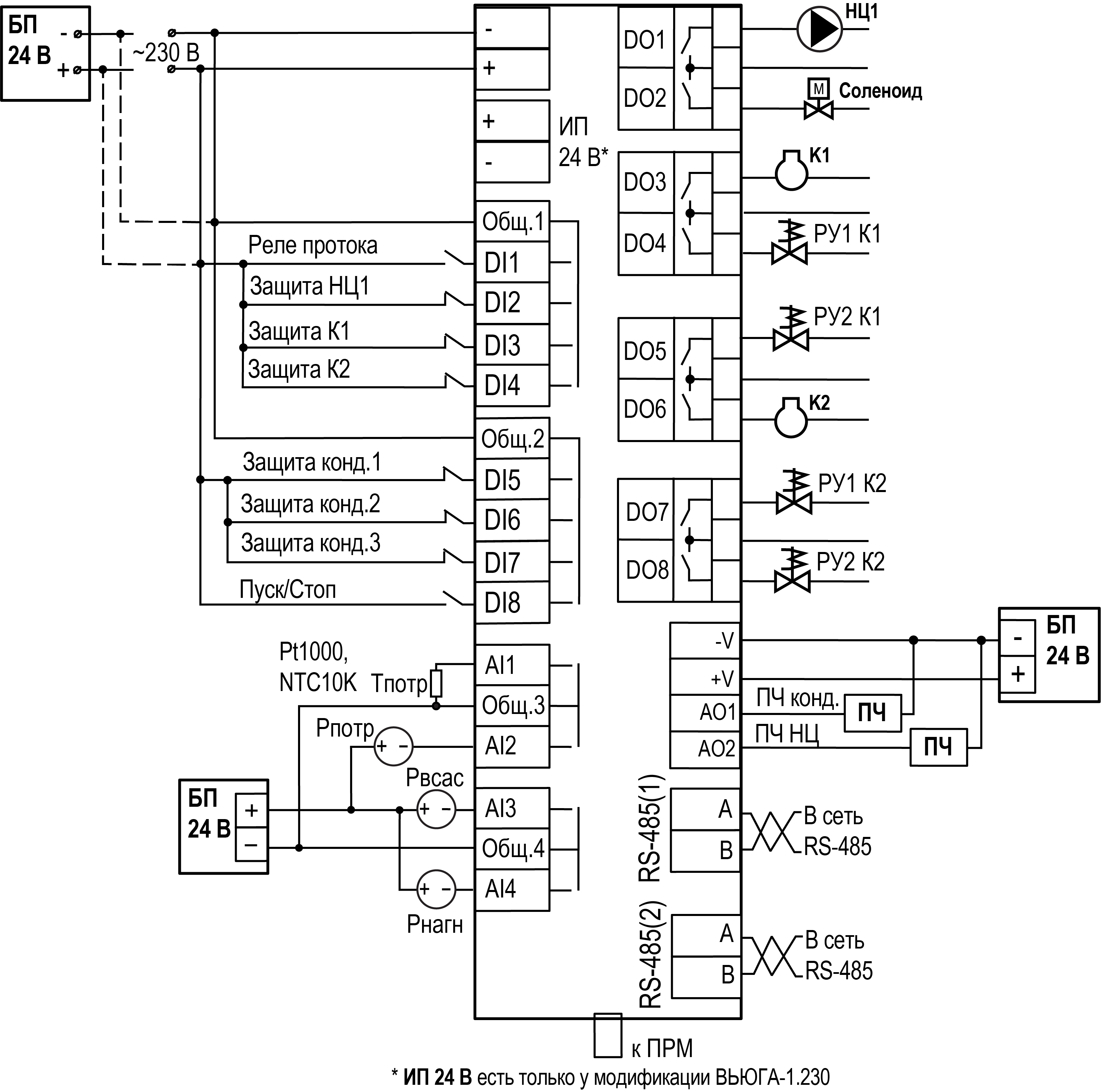
Схема подключения цепи безопасности ИМ

Для обеспечения безопасности объекта управления следует к дискретным входам прибора подключить цепи безопасности. В случае неисправности ИМ цепь безопасности заблокирует его работу. Для мониторинга аварий ИМ следует в цепь безопасности вывести несколько контрольных дискретных сигналов с ИМ

Для каждого компрессора прибор автоматически назначает дискретный вход для подключения цепи безопасности.

Для конденсатора пользователь выбирает способ мониторинга аварии: один общий дискретный вход на все ступени или для каждой ступени конденсатора свой дискретный вход. Реакция прибора на аварию при этом отличается (см. в разделе).

Для насосов пользователь выбирает, требуется ли отслеживать их аварию по цепи безопасности.

Схема подключения к дискретным входам контроллера зависит от настроенной пользователем конфигурации.

Graphic
Пример подключения цепи безопасности

На рисунке обозначены:

  • С1 — реле перегрева обмотки ИМ;
  • С2 — реле уровня масла ИМ;

  • С3 — реле перегрузки ИМ.

Примеры схем подключения

Примечание

Количество задействованных дискретных входов\выходов прибора и их назначение определяется заданной пользователем конфигурацией ИМ и выбранными функциями. По этой причине для прибора отсутствует единая схема подключения. Подробнее о настройке конфигурации оборудования см. раздел.

Для демонстрации принципа назначения прибором входов\выходов ниже представлены примеры схем подключения для нескольких конфигураций оборудования.

На схеме обозначены:

Тпотр — датчик температуры потребителя для регулирования производительности компрессоров;

Твых — датчик температуры хладоносителя для защиты от низкой температуры на выходе теплообменника, до накопительной емкости;

Рвсас — датчик давления всасывания для защиты от низкого и высокого давления всасывания;

Рнагн — датчик давления нагнетания для регулирования производительности конденсатора;

Защита К1...К2 – цепи безопасности компрессоров 1...2;

К1...К2 — компрессоры 1...2.

Вк1... — вентилятор конденсатора 1

Защита конд. общая – общий сигнал аварии конденсатора;

Пуск/Стоп – внешняя кнопка для дистанционного запуска установки;

НЦ1 – насос циркуляции;

ПЧ конд. – сигнал 0...10 В для управления преобразователем частоты конденсатора

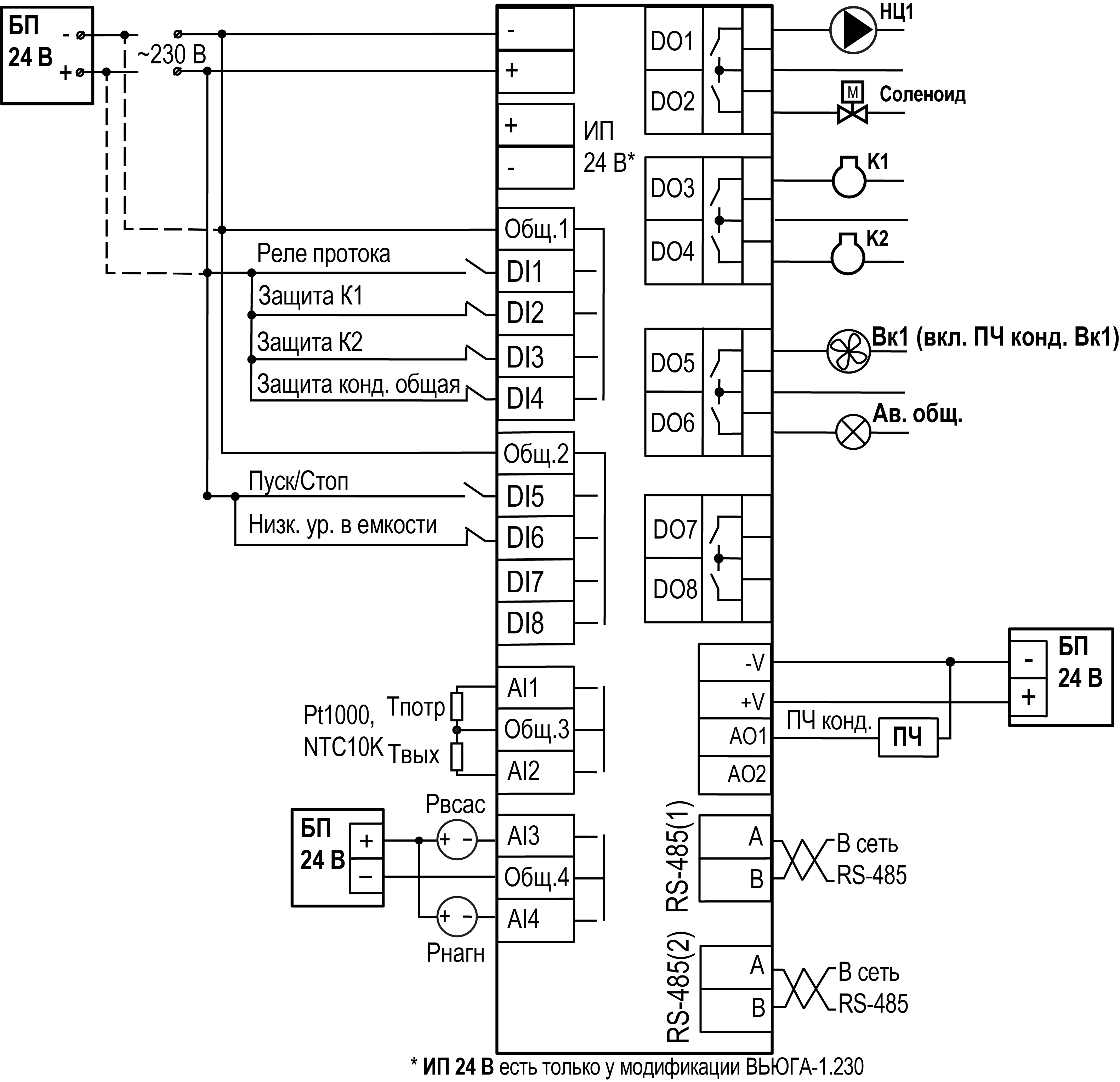
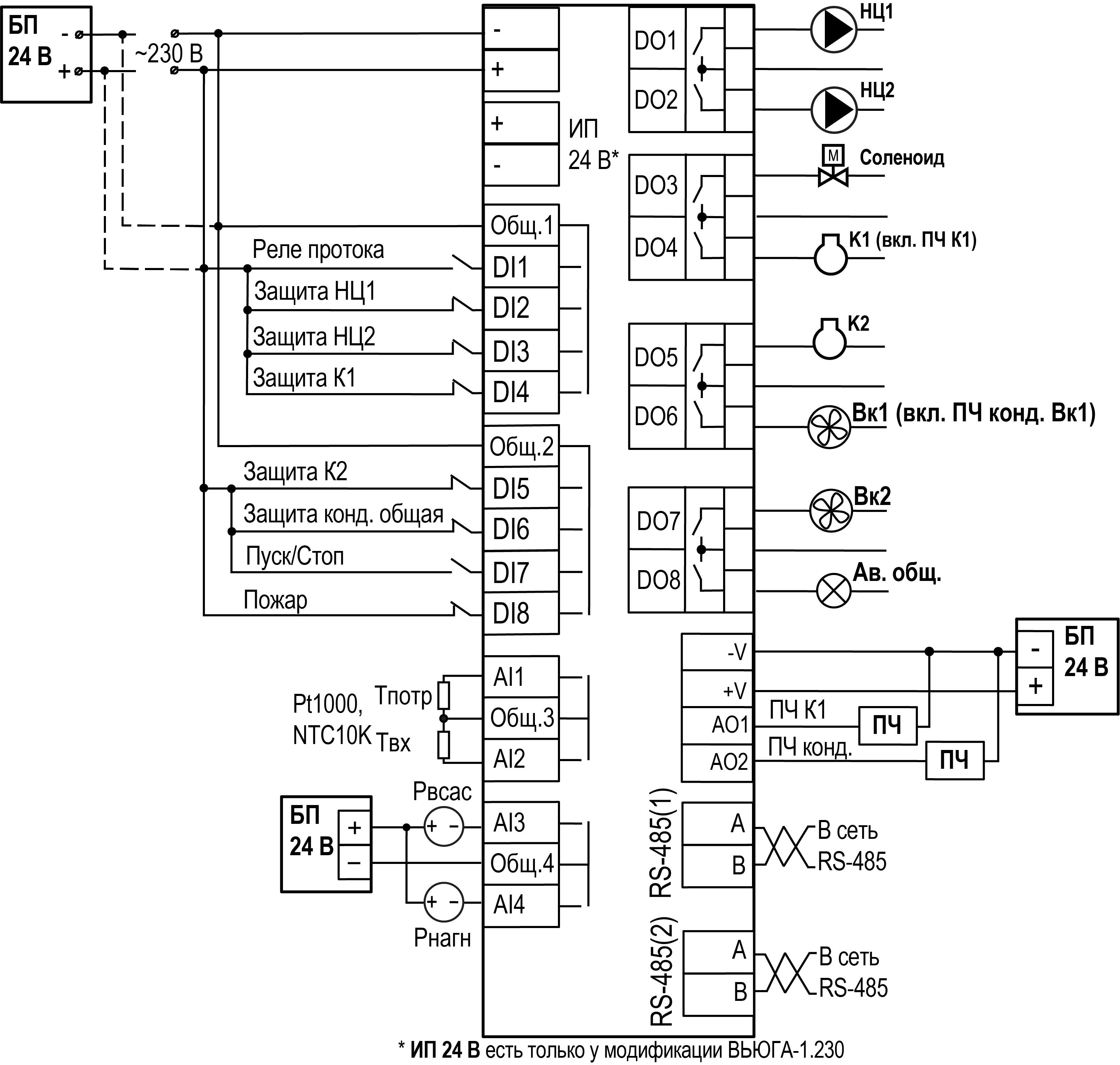
Graphic
1 насос, 2 компрессора, конденсатор с ПЧ, контроль низкого уровня в ёмкости и значения температуры выходящей из теплообменника воды

На схеме обозначены:

Защита К1...К2 – цепи безопасности компрессоров 1...2;

Защита НЦ1...НЦ2 – цепи безопасности насосов циркуляции 1...2;

Защита конд. общая – общий сигнал аварии конденсатора;

Пуск/Стоп – внешняя кнопка для дистанционного запуска установки;

Тпотр – датчик температуры потребителя для регулирования производительности компрессоров;

Твх – датчик температуры входного хладоносителя

Рвсас – датчик давления всасывания для защиты от низкого и высокого давления всасывания;

Рнагн – датчик давления нагнетания для регулирования производительности конденсатора

К1...К2 – компрессоры 1…2;

Вк1...Вк2 – вентиляторы (ступени) 1…2 конденсатора;

ПЧ К1 – сигнал 0...10 В для управления преобразователем частоты ведущего компрессора;

ПЧ конд. – сигнал 0...10 В для управления преобразователем частоты 1-й ступени конденсатора.

НЦ1...НЦ2 – насосы циркуляции 1...2

Graphic
2 насоса, 2 компрессора (ведущий и опорный), 2 ступени конденсатора, сигнал пожара
Graphic
Graphic
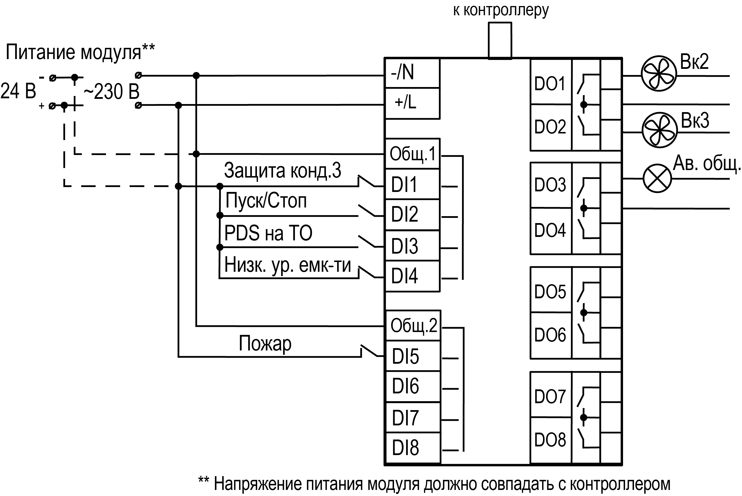
2 насоса с ПЧ, 3 компрессора (ведущий и 2 опорных), 3 ступени конденсатора, контроль низкого уровня в ёмкости, реле перепада давления в теплообменнике, сигнал пожара

На схемах обозначены:

Тпотр – датчик температуры потребителя для регулирования производительности компрессоров.

Рвсас – датчик давления всасывания для защиты от низкого и высокого давления всасывания.

Рпотр – датчик давления потребителя для управления производительностью насоса в целях поддержания заданного давления.

Рнагн – датчик давления нагнетания для регулирования производительности конденсатора.

К1…К3 – компрессоры 1…3.

Вк1...Вк3 – вентиляторы конденсатора 1...3.

Защита К1 ... К3 – защиты компрессоров 1...3.

Защита конд. 1 ... 3 – защиты ступеней конденсатора 1...3.

ПУСК/СТОП – внешняя кнопка Пуск/Стоп.

PDS на ТО – реле перепада давления на теплообменнике.

Низк. ур. емк-ти – авария низкого уровня хладоносителя в емкости.

Пожар – внешняя авария Пожар.

Вкл. ПЧ НЦ – сигнал включения преобразователя частоты насосов; используется для корректного переключения при чередовании насосов, управляемых одним частотником.

ПЧ К1 – сигнал 0...10 В для управления преобразователем частоты ведущего компрессора.

ПЧ НЦ – сигнал 0...10 В для управления преобразователем частоты насосов.

НЦ1...НЦ2 – насосы циркуляции 1...2.

Graphic
Graphic
1 насос с ПЧ, 2 компрессора с разгрузочными соленоидами, 3 ступени конденсатора, сигнал пожара

На схеме обозначены:

Тпотр – датчик температуры потребителя для регулирования производительности компрессоров.

Рпотр – датчик давления потребителя для управления производительностью насоса в целях поддержания заданного давления.

Рвсас – датчик давления всасывания для защиты от низкого и высокого давления всасывания.

Рнагн – датчик давления нагнетания для регулирования производительности конденсатора.

К1…К2 – компрессоры 1…2.

РУ1...РУ2 К1, К2 – разгрузочные устройства 1 и 2 компрессоров 1 и 2.

Вк1...Вк3 – вентиляторы конденсатора 1...3.

Защита К1 ... К2 – защиты компрессоров 1...2.

Защита конд. 1 ... 3 – защиты ступеней конденсатора 1...3.

ПУСК/СТОП – внешняя кнопка Пуск/Стоп.

Пожар – внешняя авария Пожар.

ПЧ Конд. – сигнал 0...10 В для управления преобразователем частоты ведущего конденсатора.

ПЧ НЦ – сигнал 0...10 В для управления преобразователем частоты насоса.

НЦ1 – насос циркуляции.

Принцип работы

Режимы работы

Общие сведения

Прибор может работать в следующих режимах:

  • Пуск;
  • Стоп;
  • Авария.

Схема переходов между режимами представлена на рисунке.

Graphic
Схема переходов между режимами

Режим «Пуск»

В режиме Пуск прибор:

  • регулирует температуру хладоносителя на выходе либо на входе теплообменника в чиллере, управляя ИМ;

  • контролирует время наработки ИМ;

  • управляет очередностью включения/выключения ИМ;

  • контролирует аварии.

Режим «Стоп»

В режиме Стоп прибор не выдает управляющих сигналов, но контролирует аварии.

Внимание
Прибор перед пуско-наладочными работами следует настраивать в режиме Стоп.

Из режима Стоп в режим Пуск можно перейти следующими способами:

  • на Главном экране с помощью кнопок управления;

  • подать команду на запуск по сети RS-485;

  • внешней кнопкой «Старт/Стоп».

Graphic
Перевод из режима Стоп в режим Пуск с Главного экрана

Обратный переход осуществляется аналогично.

Режим «Авария»

Режим Авария предназначен для обеспечения безопасности установки. Если появляются ошибки, то прибор фиксирует причины аварии, выдает аварийный сигнал на соответствующий выход и включает светодиод «Авария» (постоянное свечение либо мигание). В режиме Авария функционирование прибора определяется типом возникшей аварии и настройками, см. столбец Действие в таблице.

Режим «Тест»

Внимание
Режим Тест предусмотрен только для пусконаладочных работ. Не рекомендуется оставлять прибор в тестовом режиме без контроля наладчика, это может привести к повреждению оборудования.

Режим Тест предназначен для проверки:

  • работоспособности дискретных и аналоговых датчиков;

  • работоспособности дискретных и аналоговых выходов;

  • правильности подключения ИМ.

Для перехода в режим Тест следует:

  1. Перевести прибор в режим Стоп,

    внешней кнопкой «Старт/Стоп», с Главного экрана или командой по RS-485.

  2. Открыть экран Меню → Тест Вх/Вых.

  3. Перевести прибор в режим Тест, выбрав значение «Вкл»

    в параметре Режим Тест.

Для каждого дискретного входа и выхода отображается присвоенная ему в результате конфигурирования функция или ИМ.

Принципы управления ИМ

Управление насосами циркуляции

Если выбрано Кол-во насосов = 1, то насос включается в момент перехода в режим Пуск. Отключение насоса происходит в случае перехода в режим Стоп или при определённых авариях (см. таблицу).

Наличие протока в контуре ХВС контролируется по реле протока, сигнал от которого должен прийти в течение таймера ОжПротока, который отсчитывается с момента запуска насоса.

При переводе контроллера в Пуск разрешающий сигнал на работу компрессоров появляется в момент появления протока и исчезает при переходе в режим Стоп или при аварии Нет рабочих насосов.

Если выбрано Кол-во насосов = 2, то добавляется функция чередования насосов по времени и АВР. Когда с момента включения насоса 1 проходит время, равное параметру Вр.Смены, насос 1 выключается, отсчитывается таймер Вр.Паузы и запускается насос 2. Если 1 из насосов переходит в аварию и отключается, то через Вр.Паузы подключается второй (т.е. срабатывает АВР).

Если Насос = ПрямойПуск, то управление насосами осуществляется только выходными реле прибора.

Наработка насосов выводится в меню Наработка ИМ в параметры Насос x. Предусмотрена функция сброса наработки, если указать Насос x в строке сброса.

Graphic
Диаграмма управления двумя насосами с помощью прямого пуска
Управление насосами с ПЧ

Если параметр Насос = ПЧ, то производительность насоса вычисляется с помощью ПИ-регулятора, выход которого идет на AO = Управление ПЧ насоса, а обратной связью для ПИ-регулятора служит давление воды потребителя Pпотр. При данном режиме управления параметр AI2 в меню Конфигурации должен быть задан как AI2 = Рпотр. Уставка регулирования давления – параметр Рпотр,уст. Кп и Ти для данного регулятора настраиваются с экрана Насосы. Выходной управляющий сигнал для ПЧ насоса ограничивается нижним значением, соответствующим минимальной рабочей частоте насоса fmin. Формула для расчета нижней границы сигнала:

Graphic

В режиме Стоп и в критической аварии сигнал на аналоговом выходе отсутствует. В остальных случаях на аналоговом выходе формируется напряжение в диапазоне Uупр.мин10 В.

С момента запуска НЦ отсчитывается 0,5 с и замыкается DO Пуск ПЧ. Если в системе 2 насоса под управлением ПЧ, то при их чередовании отключение DO соответствующего НЦ осуществляется с задержкой Откл.от ПЧ от момента отключения DO Пуск ПЧ.

Graphic
Диаграмма управления двумя насосами с помощью ПЧ
Режим “Внешний + внутренний контур”

Если в конфигурации выбрано Насос:ВнешКонтур, то Пуск и Останов обоих насосов происходит одновременно, управление дискретное. В данном случае принимается, что НЦ1 – внутренний, а НЦ2 – внешний. Функции чередования и АВР насосов при этом отсутствуют. Авария НЦ1 ав-т становится критической (т.к. НЦ1 внутренний) и её возникновение приводит к остановке работы компрессоров и конденсатора. НЦ2 продолжает работу при аварии протока и аварии НЦ1 ав-т, но только до момента, пока Тпотр не достигнет значения Тпотр уст + ОтклВнешНЦ, затем отключается.

Авария НЦ2 ав-т приводит к отключению НЦ2, но остальная система продолжает работу.

Управление соленоидным клапаном

Если в конфигурации параметр Соленоид имеет значение да, то таймер ВклПослеСол (экран Таймеры) вступает в силу. Если параметр Соленоид имеет значение нет, то таймер ВклПослеСол принимает значение 0, то есть этот таймер не учитывается на временной диаграмме.

Соленоид открыт только при условии работы одного из компрессоров. Алгоритм следующий: с момента того, как регулятор внутри логики выдал сигнал на включение первого компрессора (имеется в виду очередность, а не порядковый номер компрессоров), открывается соленоид, а затем с временной задержкой (параметр ВклПослеСол) включается этот компрессор. При отключении последнего компрессора (т.е. все компрессоры в контуре отключены) соленоид закрывается совместно с ним.

Управление компрессорами

Общие положения
  • Обратная связь для работы компрессоров – датчик температуры потребителя Tпотр либо датчик температуры входящей в теплообменник воды Твх. Работа компрессоров ведётся на уменьшение Tпотр (либо Твх). Дальнейшее описание приведено на примере Тпотр. Уставка – параметр Tпотр,уст (экран Компрессоры). Вверх и вниз от уставки равными отрезками величиной НЗ/2 формируется зона нечувствительности. НЗ – нейтральная зона, величина которой задается на экране Компрессоры.

  • Если в течение таймеров ЗадержВкл, ВклПослеСол, ЗадержОткл необходимость запуска компрессора пропадает, то отсчёт соответствующего таймера прекращается, система остается в её текущем состоянии.

  • Компрессор считается доступным для включения, если:

    • Нет аварии по цепи безопасности компрессора;

    • Компрессор не заблокирован, то есть параметр комп. х имеет значение Работа на экране Блокировка ИМ

    • В контуре не произошла авария по низкому/высокому давлению всасывания и по высокому давлению нагнетания;

    • С момента отключения компрессора прошло время Повтор вкл.

  • Порядок включения компрессоров: от компрессора с наименьшей наработкой к компрессору с наибольшей наработкой из доступных для включения. Этот порядок распространяется и на выбор компрессора при АВР.

  • После отключения каждого компрессора для него отсчитывается таймер Повтор вкл, в течении которого компрессор недоступен для включения. После включения каждого компрессора для него отсчитывается таймер МинВрРаботы, в течение которого компрессор не может быть выключен, но в случае аварии или команды на останов чиллера компрессор отключается, даже если этот таймер ещё не истек.

  • Для компрессоров предусмотрен механизм АВР при переходе в аварию. На замену вышедшему из строя компрессору, если тот работал на момент аварии, включается другой доступный компрессор с наименьшим временем наработки.

  • Если во время работы компрессора параметр комп. х сменился с значения Работа на Блок, то компрессор отключается, происходит АВР, и ему на смену включается доступный компрессор, следуя логике очередности включения.

Наработка компрессоров выводится в меню Наработка ИМ в параметры Комп x. Имеется функция сброса наработки, если указать Комп x в строке сброса.

Ввод в работу компрессорной группы

Для ввода в эксплуатацию группы компрессоров следует:

  1. Выбрать количество компрессоров: 1…4

  2. Выбрать тип управления компрессорами:

    • ступенчатое управление одиночными компрессорами;

    • первый компрессор с преобразователем частоты (ведущий), остальные одиночные (опорные);

    • все компрессоры имеют разгрузочные устройства.

  3. Для компрессоров с разгрузкой выбрать количество разгрузчиков и тип контакта дискретного выхода прибора для отключения разгрузки.

  4. Настроить таймеры для компрессоров.

    Примечание

    Чередование компрессоров осуществляется по времени наработки.

Разрешение работы компрессоров

При переводе в Пуск разрешающий сигнал на работу компрессоров появляется по истечении таймера ВклПослеНЦ, который отсчитывается с момента появления протока, и исчезает при переходе в режим Стоп или при аварии нет рабочих насосов. То есть в течении Вр. Паузы и дальнейших ОжПротока разрешение не пропадает (и при обычной смене, и при АВР). Когда разрешение пропадает, то компрессоры сразу отключаются и закрывается соленоидный клапан. При этом начинает отсчитываться таймер на запрет повторного включения Повтор вкл компрессоров.

Ступенчатое управление одиночными компрессорами

Если на экране Конфигурация параметр Комп имеет значение Ступени, то:

  • Компрессоры подключаются ступенчато: когда Tпотр превысила Tпотр,уст + НЗ/2 отсчитывается таймер ЗадержВкл (опорные). Далее открывается соленоидный клапан, отсчитывается таймер ВклПослеСол и включается первый компрессор (имеется ввиду по очерёдности, а не привязке к DO). Далее компрессоры подключаются через таймеры ЗадержВкл (опорные) до момента, пока Tпотр не войдёт в НЗ.
  • Когда Tпотр стала меньше Tпотр,уст – НЗ/2, начинает отсчитываться таймер ЗадержОткл (опорные), по истечении которого отключится компрессор, отработавший больше остальных. Далее опять отсчитывается ЗадержОткл (опорные) и так до последнего работающего компрессора. Одновременно с отключением последнего компрессора закрывается Соленоидный клапан.

  • Внутри нейтральной зоны производительность компрессоров не изменяется.

Graphic
Диаграмма ступенчатого управления одиночными компрессорами
Управление по схеме "ведущий компрессор с ПЧ, остальные одиночные (опорные)"

Если на экране Конфигурация параметр Комп имеет значение ПЧ+Ступени, то:

Подключение ведущего компрессора (всегда включается первым) осуществляется, когда выходная мощность ПИ-регулятора становится больше Pвкл относительно рассогласования Tпотр с уставкой (ведущий компрессор ведет регулирование всегда, в т. ч. в рамках НЗ).

Graphic

Отсчитывается ЗадержВкл (Ведущий компрессор). Открывается соленоидный клапан, отсчитывается таймер ВклПослеСол, подается сигнал на включение компрессора №1 и на AO ПЧ ведущего компрессора подается сигнал ПИ-регулятора. Далее опорные компрессоры подключаются ступенчато: когда мощность ПИ-регулятора достигла 100 %, а Tпотр находится выше Tпотр,уст + НЗ/2, то отсчитывается таймер ЗадержВкл (Опорный компрессор здесь и далее в этом пункте). В момент подключения мощность ПИ-регулятора снижается на величину мощности опорного компрессора Pоп.

Далее компрессоры подключаются через таймеры ЗадержВкл до момента, пока Tпотр не войдёт в НЗ.

Когда Tпотр стала меньше Tпотр,уст – НЗ/2 и мощность ПИ-регулятора достигла 0 %, начинает отсчитываться таймер ЗадержОткл, по истечении которого отключится опорный компрессор с наибольшей наработкой. В момент отключения мощность ПИ-регулятора увеличивается на величину Pоп. Аналогично для каждого следующего компрессора отсчитывается ЗадержОткл и так до ведущего компрессора. Ведущий компрессор отключится последним после отсчета ЗадержОткл (ведущий компрессор) и вместе с этим закроется соленоидный клапан.

Так как ни один опорный компрессор не может быть включен без ведущего, то пока для ведущего не истечет таймер Повтор вкл, ни один компрессор не будет включен и соленоидный клапан будет оставаться закрытым.

Кп и Ти для данного ПИ-регулятора задаются с экрана “Компрессоры”. Это же касается и fmin, fmax, fвкл, Мощн.опор, Мощн К1.

Внутри нейтральной зоны производительность компрессоров не изменяется.

АВР опорных и ведущего компрессоров происходит с вводом в работу другого опорного компрессора. Когда ведущий компрессор во время работы уходит в аварию, происходит включение доступного опорного компрессора по порядку включения. Его возвращение в работу происходит после снятия аварии, игнорируя таймер Повтор вкл. При возвращении ведущего компрессора в работу отключается опорный компрессор (по порядку отключения), таймер МинВрРаботы в этом случае игнорируется.

При находящемся в аварии ведущем компрессоре ведётся ступенчатое управление опорными компрессорами (см. предыдущий пункт). При переходе между этими двумя типами управления (в случае аварии ведущего компрессора) не происходит отключение всех компрессоров.

Graphic
Диаграмма управления ведущим компрессором с ПЧ совместно с одиночными (опорными) компрессорами
Управление компрессорами с разгрузочными устройствами

Если на экране Конфигурация параметр Комп: имеет значение Разгр, то:

Алгоритм аналогичен ступенчатому управлению, но в роли ступеней выступают также и разгрузочные устройства. Включение разгрузочного устройства снижает производительность компрессора.

Количество разгрузочных устройств, приходящихся на каждый компрессор, определяется параметром Кол-во разгр. Алгоритм следующий: когда Tпотр превысила Tпотр,уст + НЗ/2 отсчитывается таймер ЗадержВкл (опорные). Далее открывается соленоидный клапан, отсчитывается таймер ВклПослеСол и подключаются все разгрузочные устройства первого компрессора, через секунду включается он сам (имеется ввиду по очередности, а не привязке к DO). Со всеми включенными разгрузками компрессор имеет минимальную мощность. Если Tпотр больше Tпотр,уст + НЗ/2, то аналогично ступенчатому регулированию отсчитывается таймер ЗадержОткл(Разгрузка) и выключается 1-я разгрузка и так до момента, пока все разгрузки первого компрессора не будут отключены. Следующие компрессоры и разгрузки подключаются аналогично первому до момента пока Tпотр не войдёт в НЗ.

Сброс производительности осуществляется в обратном порядке, т. е. по принципу FILO.

Когда Tпотр стала меньше Tпотр,уст – НЗ/2, начинает отсчитываться таймер ЗадержВкл(разгрузки), по истечении которого включается последняя отключенная разгрузка компрессора, далее снова отсчитывается ЗадержВкл(разгрузки) и так до первой подключенной разгрузки этого компрессора. Для отключения компрессора отсчитывается таймер ЗадержОткл(опорные). Вместе с отключением последнего компрессора закрывается соленоидный клапан.

Внутри нейтральной зоны производительность компрессоров не изменяется.

АВР запускается для компрессора целиком без учета количества отключенных разгрузок. Когда появляется потребность в вводе резервного компрессора, сначала включаются его разгрузки, а через секунду сам компрессор. Отключение разгрузок производится регулятором.

Graphic
Диаграмма управления компрессорами с разгрузочными устройствами
Пример соответствия включенных ИМ общей производительности группы из 2-х компрессоров с 3-мя разгрузчиками при увеличении производительности

Что включено

Общая производительность группы компрессоров

К1

РУ1

РУ2

РУ3

К2

РУ1

РУ2

РУ3

 

0 %

вкл

вкл

вкл

вкл

 

12 %

вкл

 

вкл

вкл

 

25 %

вкл

 

 

вкл

 

37 %

вкл

 

 

 

 

50 %

вкл

 

 

 

вкл

вкл

вкл

вкл

62 %

вкл

 

 

 

вкл

 

вкл

вкл

75 %

вкл

 

 

 

вкл

 

 

вкл

87 %

вкл

 

 

 

вкл

 

 

 

100 %

Управление конденсатором

В роли ступени конденсатора может выступать отдельно взятый вентилятор или секция вентиляторов.

Количество ступеней конденсатора пользователь задает в параметре Кол-во ступ, в котором доступно от 1 до 6 ступеней.

Для проведения техобслуживания ступень конденсатора может быть исключена из работы, если на экране Блокировка ИМ указать КондСт X: Блок . При переводе работающей ступени в блокировку происходит АВР, то есть вместо нее подключается другая ступень в порядке очерёдности включения.

Если параметр Раб. с компр = да, то конденсатор может работать только при условии работы хотя бы 1 компрессора. Если выбрано нет, то конденсатор работает независимо.

Для обеспечения чередования по наработке опорных ступеней включение происходит в порядке от ИМ с наименьшей наработкой до ИМ с наибольшей наработкой. Отключение происходит по принципу FIFO.

Наработка ступеней конденсатора выводится в меню Наработка ИМ в параметры КондСт x. Имеется функция сброса наработки, если указать КондСт x в строке сброса.

На линии нагнетания есть датчик высокого давления (давления нагнетания) Рнагн. Работа конденсатора ведется на уменьшение Pнагн с помощью ПИ-регулятора. Кп и Ти для данного регулятора настраиваются с экрана Конденсатор. Обратной связью для ПИ-регулятора служит сигнал со входа AI4 = Pнагн. Уставка задается в параметре Рнагн,уст (экран Конденсатор).

Ступенчатое управление конденсатором

Если параметр Конд имеет значение Ступени, то производительность регулируется путем включения и отключения ступеней с помощью ПИ-регулятора. Для удобства принимается, что одна ступень несет в себе 100 % мощности. Тогда 2-я ступень включится при достижении регулятором 200 %, 3-я ступень при 300 % и т.д. с учетом времени задержки на подключение.

Graphic
Диаграмма ступенчатого управления конденсатором на примере 2-х ступеней
Управление конденсатором с ПЧ

Если параметр Конд имеет значение ПЧ+Ступени и параметр DO 1-й ступ = да, то первая ступень конденсатора управляется с помощью ПЧ (AO - Регулирование конденсатора) и одного DO (В1), остальные ступенчато.

При потребности в производительности сначала замыкается дискретный выход контроллера, связанный с 1-ой ступенью конденсатора, и прибор выдает управляющий аналоговый сигнал для этой ступени в соответствии с рассчитанной ПИ-регулятором мощностью. Если производительности 1-ой ступени, работающей на 100 %, недостаточно, отсчитывается таймер ЗадержВкл, подключается еще одна ступень. И так далее с учетом заданной задержки включения и чередования по наработке. Мощность 1-ой ступени с ПЧ не снижается при активации последующих ступеней. ПИ-регулятор продолжает вычислять мощность для 1-ой ступени и изменять ее согласно текущему рассогласованию вне зависимости от подключенных ступеней. Если мощность 1-й ступени достигает 0 %, то одна из вспомогательных ступеней отключается с учетом времени ЗадержОткл. Если в течение этих временных задержек мощность изменится ниже или выше порога включения (отключения), то таймер сбросится и ступень не будет включена (отключена).

Когда ведущая ступень отключена, на AO управляющий сигнал равен 0. В остальных случаях дискретный выход ведущей ступени замкнут и на аналоговом выходе формируется напряжение в диапазоне Uупр,min10 В. При разомкнутом дискретном выходе для включения ПЧ конденсатора сигнал на аналоговом выходе отсутствует.

Graphic
Диаграмма управления конденсатором на примере 3-х ступеней, где первая управляется с помощью ПЧ
Управление конденсатором с фазорезкой

Если параметр Конд имеет значение ПЧ+Ступени и параметр DO 1-й ступ = нет, то производительность регулируется аналогично пункту выше, но DO для первой ступени не резервируется.

Graphic
Диаграмма управления конденсатором на примере 3-х ступеней, где первая управляется с помощью фазорезки

Защитные функции

Аварии контура ХВС

Для контура циркуляционных насосов предусмотрены следующие аварии:

  • Проток – сигнал от реле протока пропал во время работы НЦ1 или НЦ2 или не появился в течение заданного времени (таймера ОжПротока) после пуска насоса. АВР насоса при этом не происходит;

  • НЦ1 автомат и НЦ2 автомат – сработала цепь безопасности (мотор-автомат) соответствующего насоса. При этом происходит АВР насоса. Контроль аварий насосов присутствует, только если в конфигурации для насосов указано Цепь безопасности: да;

  • Нет рабочих насосов (если есть авария и по НЦ1, и по НЦ2) – сброс автоматический, если 1 из насосов становится доступным для запуска. Эта авария скрыта внутри логики прибора и не выводится на экран текущих аварий.

Авария по низкому давлению всасывания

На линии всасывания перед компрессорами есть датчик низкого давления (датчик давления всасывания) Рвсас. Датчик выполняет защитную функцию. При понижении давления ниже установленного в настройках (параметр Рвс,min) прибор регистрирует аварию Рвс,min и по истечении времени задержки (параметр Задержка (Pвс,min)) происходит отключение компрессора(-ов), если давление не вернулось в норму. Параметр СбросАварии (Pвс,min) определяет механизм сброса аварии, которая была зарегистрирована по истечению задержки: ручн – вручную с экрана текущих аварий; авто – автоматически после восстановления давления всасывания: Рвсас > Рвс,min + Дифф-л (Рвс,min).

Если же давление восстанавливается в течение времени задержки (Задержка (Pвс,min)) до значения Рвс,min + Дифф-л (Рвс,min), то авария Рвс,min сбрасывается и компрессоры не останавливаются.

Graphic
Поясняющая диаграмма регистрации аварии низкого давления всасывания
Авария по высокому давлению всасывания

Если давление всасывания достигло предельного значения Рвс,max, то работа компрессоров прекращается с учетом времени задержки (параметр Задержка (Pвс,max)). Сброс аварии осуществляется вручную и возможен только при снижении Рвсас до значений, меньших Рвс,max – Дифф-л (Рвс,max). Если же давление восстанавливается в течение времени задержки, то авария Рвс,max автоматически сбрасывается и компрессоры не останавливаются.

Graphic
Поясняющая диаграмма регистрации аварии высокого давления всасывания
Защита вентиляторов конденсатора

Если параметр Защ.вент (экран Конфигурация) = общая, то при пропадании сигнала Общий сигнал защиты конденсатора (DI) сообщение заносится в журнал текущих аварий и в архивный журнал. При восстановлении сигнала происходит автоматический сброс аварийного оповещения. На работу вентиляторов конденсатора авария не влияет, регулирование продолжается без изменений.

Если параметр Защ.вент (экран Конфигурация) = индивидуальная, то при пропадании сигнала Цепь защиты X ступени конденсатора данная ступень исключается из работы, вместо нее вводится другая доступная для включения (с учетом очередности включения ступеней по наработке). В журнал аварий и архивный журнал выводится соответствующее сообщение. Метод сброса такой аварии определяет пользователь (ручной либо автоматический), и сброс возможен только при восстановлении сигнала от цепи безопасности.

Контроль максимального давления нагнетания

При превышении Рнагн заданного предела (параметр Рнагн,max) компрессоры немедленно отключаются (соленоидный клапан закрывается) и включаются все ступени конденсатора на максимальную мощность.

Конденсатор затем отключается только при снижении Рнагн до значений, меньших Рнагн,max – Дифф-л Рнагн,max, и остается отключенным до момента ручного сброса аварии. Компрессоры также остаются выключенными. На контур ХВС эта авария не влияет, насосы продолжают работу. Метод сброса аварии определяет пользователь (ручной или автоматический), и сброс возможен только при снижении Рнагн до значений, меньших Рнагн,max – Дифф-л Рнагн,max. После ручного сброса аварии компрессоры и ступени конденсатора остаются отключенными до момента их подключения регулятором.

Graphic
Поясняющая диаграмма регистрации аварии высокого давления конденсации
Авария по низкой температуре потребителя

В случае снижения значения Тпотр до аварийного порога контроллер остановит компрессоры и зарегистрирует аварию Тпотр,min. Сброс аварии ручной и возможен, если Тпотр > Тпотр + Дифф-л. Дифференциал задается под параметром Твых в меню Защиты (см. раздел).

Дополнительные функции

Контроль аварий насосов

На экране задания конфигурации с помощью параметра Цепь без-ти пользователь выбирает, резервировать ли дискретные входы контроллера для подключения цепей безопасности насосов, чтобы контролировать их аварийное отключение. При появлении неисправности насоса происходит АВР при наличии второго насоса в конфигурации.

Датчик на входе AI2

Ко второму аналоговому входу на выбор пользователя можно подключить один из следующих компонентов системы:

  • датчик температуры выходящего из теплообменника хладоносителя (Твых). Датчик рекомендуется использовать при наличии накопительной емкости в чиллере, чтобы отслеживать снижение Твых до опасных значений;

  • датчик температуры входящего в теплообменник хладоносителя (Твх). С помощью него осуществляется контроль нахождения Твх в допустимых пределах;

  • датчик давления хладоносителя в магистрали потребителя (Рпотр). Подключение датчика обязательно при частотном управлении насосами циркуляции, но и в случае прямого пуска насосов можно вести мониторинг давления потребителя.

В меню Конфигурация необходимо выбрать, какой датчик подключен ко входу AI2. В зависимости от этого активируется соответствующая защитная функция.

Для Твых в меню Защиты (см. раздел) задается аварийный порог и дифференциал снятия аварии. При этом мониторинг снижения Тпотр до аварийной границы также продолжается. Заданное значение дифференциала распространяется одновременно на пороговые значения Тпотр и Твых. При аварии по низкой Твых контроллер остановит компрессоры.

Для Твх задаются максимальный и минимальный пороги, дифференциал снятия и задержка срабатывания аварии. При аварии по низкой или высокой Твх контроллер остановит компрессоры по истечении времени задержки.

Дистанционный Пуск\Стоп по внешней кнопке, подключенной к дискретному входу

Функция активируется пользователем в параметре Внеш.выкл-ль в меню Конфигурация.

 

При подаче сигнала на дискретный вход, соответствующий внешней кнопке, прибор запускает систему в работу.

Если дистанционный Пуск\Стоп не выбран, то управление пуском системы осуществляется с панели прибора или по сети Modbus.

Все три способа управления пуском – команда по сети, параметр на Главном экране и внешняя кнопка, – работают по логике ИЛИ.

Включение аварийной сигнализации

Параметр Реле аварии на экране настройки конфигурации определяет, будет ли задействовано выходное реле контроллера для включения аварийной сигнализации в случае регистрации прибором аварий.

Реле перепада давления на теплообменнике

С помощью параметра PDS на ТО в меню Конфигурация резервируется дискретный вход прибора для подключения реле перепада давления. Срабатывание реле может произойти вследствие появления обледенения внутри трубок теплообменника. В этом случае контроллер остановит работу компрессоров и зарегистрирует аварию PDS на ТО.

Контроль низкого уровня в накопительной емкости

С помощью параметра Ур.в емкости в меню Конфигурация резервируется дискретный вход прибора для подключения сигнализатора уровня. В случае пропажи сигнала от сигнализатора прибор остановит работу чиллера и зарегистрирует аварию низкого уровня жидкости в накопительной емкости (Низк. ур.).

Сигнал внешней аварии (Пожар)

С помощью параметра Пожар в меню Конфигурация резервируется дискретный вход прибора для подключения сигнала внешней аварии или пожара, при возникновении которого чиллер будет остановлен и зафиксировано аварийное событие в приборе.

Ручная блокировка ИМ

В контроллере предусмотрена ручная блокировка работы компрессоров и ступеней конденсатора на время проведения сервисных работ. Работа ИМ блокируется в специальном меню Блокировка ИМ (см. раздел). Заблокированный ИМ исключается из регулирования. Если он работал в момент блокировки, то ему на замену включится другой доступный ИМ.

Настройка конфигурации оборудования

Примечание

Для работы системы, в которой задействованы более 8 дискретных входов\выходов требуется подключение модуля расширения ПРМ-1. Тип питания модуля расширения (=24 В или ~230 В) должен совпадать с питанием прибора. Если в конфигурации задействовано до 8 дискретных входов\выходов, то для работы прибора ПРМ-1 подключать к нему не требуется.

Предупреждение
Если пользователем выбрана конфигурация, которая задействует более 8 дискретных входов или выходов, а модуль расширения ПРМ-1 не подключен к прибору, то прибор зафиксирует обрыв связи с ПРМ-1 и не запустит систему в работу до восстановления подключения с модулем.

При первом включении прибора на экране открывается меню конфигурации, где пользователь выбирает тип схемы и активирует необходимые функции. В последствии можно повторно зайти в это меню (Меню → Настройки → Конфигурация) и изменить конфигурацию оборудования.

Проведение настройки конфигурации оборудования возможно только при остановленном регулировании для исключения ошибок. Если установка запущена в работу, то при попытке изменения параметров раздела “Конфигурация” вносимые изменения блокируются.

Пока не выбрана схема или выбранная конфигурация задействует более 16 дискретных входов или 16 дискретных выходов, будет невозможен выход из меню Конфигурация. При попытке выхода из этого меню прибор выведет на экран ошибку, из-за которой конфигурация считается некорректной (см. таблицу). Следует нажать кнопку Graphic, чтобы вернуться на экран настройки конфигурации.

При некорректной конфигурации блокируется пуск системы в работу. Выйти из меню Конфигурация возможно только при корректно заданной конфигурации оборудования.

После настройки параметров раздела Конфигурация контроллер самостоятельно распределяет выбранный функционал по дискретным входам и выходам. Принцип, по которому осуществляется распределение, рассмотрен далее.

Максимально может быть задействовано 16 дискретных входов и 16 дискретных выходов. Модуль расширения ПРМ-1 требуется, если в конкретном применении используется более 8 дискретных входов или выходов.

При первичном конфигурировании контроллера пользователь выбирает оборудование и необходимый набор функций. Последовательность настройки следующая:

  • конфигурация насосов;

  • конфигурация компрессоров;

  • конфигурация конденсаторов;

  • дополнительные функции.

В зависимости от настроенной конфигурации контроллер определяет назначение дискретных входов и выходов. Приоритет назначения входов и выходов (по убыванию приоритета сверху вниз) указан в таблице ниже.
Примечание
В конфигурации доступны три управляющих аналоговых сигнала. Поскольку на борту контроллера предусмотрено только два аналоговых выхода, то распределение этих управляющих сигналов также осуществляется с учетом приоритета и при настройке конфигурации следует это учитывать. Одновременно все три сигнала задействовать нельзя.
Таблица приоритетов

Приоритет

DI

DO

AO

1

Реле протока ХВС

0 - нет протока

1 - проток есть

НЦ1

0 - НЦ1 не работает

1 - НЦ1 работает

ПЧ ведущего компрессора

2

Мотор-автомат НЦ1

0 - авария НЦ1

1 - норма

НЦ2

0 - НЦ2 не работает

1 - НЦ2 работает

Регулирование 1-й ступени конденсатора (ПЧ или фазорезка)

3

Мотор-автомат НЦ2

0 - авария НЦ2

1 - норма

Пуск ПЧ

0 - ПЧ выключен

1 - ПЧ запущен

ПЧ насосов циркуляции

4

Цепь защиты компрессора 1

0 - авария К1

1 - норма

Э/м соленоидный клапан

0 - закрыт

1 - открыт

 

5

Цепь защиты компрессора 2

0 - авария К2

1 - норма

К1

0 - остановлен

1 - запущен

 

6

Цепь защиты компрессора 3

0 - авария К3

1 - норма

РУ1.1

Если “DO для разгр” = NO

0 - РУ отключено

1 - РУ подключено

Если “DO для разгр” = NC

0 - РУ подключено

1 - РУ отключено

7

Цепь защиты компрессора 4

0 - авария К4

1 - норма

РУ1.2

Если “DO для разгр” = NO

0 - РУ отключено

1 - РУ подключено

Если “DO для разгр” = NC

0 - РУ подключено

1 - РУ отключено

8

Общий сигнал защиты конденсатора

0 - авария вентилятора(-ов) (общая)

1 - норма

РУ1.3

Если “DO для разгр” = NO

0 - РУ отключено

1 - РУ подключено

Если “DO для разгр” = NC

0 - РУ подключено

1 - РУ отключено

9

Цепь защиты 1-й ступени конденсатора

0 - авария В1

1 - норма

К2

0 - остановлен

1 - запущен

10

Цепь защиты 2-й ступени конденсатора

0 - авария В2

1 - норма

РУ2.1

Если “DO для разгр” = NO

0 - РУ отключено

1 - РУ подключено

Если “DO для разгр” = NC

0 - РУ подключено

1 - РУ отключено

11

Цепь защиты 3-й ступени конденсатора

0 - авария В3

1 - норма

 

РУ2.2

Если “DO для разгр” = NO

0 - РУ отключено

1 - РУ подключено

Если “DO для разгр” = NC

0 - РУ подключено

1 - РУ отключено

12

Цепь защиты 4-й ступени конденсатора

0 - авария В4

1 - норма

РУ2.3

Если “DO для разгр” = NO

0 - РУ отключено

1 - РУ подключено

Если “DO для разгр” = NC

0 - РУ подключено

1 - РУ отключено

13

Цепь защиты 5-й ступени конденсатора

0 - авария В5

1 - норма

К3

0 - остановлен

1 - запущен

14

Цепь защиты 6-й ступени конденсатора

0 - авария В6

1 - норма

РУ3.1

Если “DO для разгр” = NO

0 - РУ отключено

1 - РУ подключено

Если “DO для разгр” = NC

0 - РУ подключено

1 - РУ отключено

15

Кнопка “Пуск/Стоп”

1 - ПУСК

0 - СТОП

РУ3.2

Если “DO для разгр” = NO

0 - РУ отключено

1 - РУ подключено

Если “DO для разгр” = NC

0 - РУ подключено

1 - РУ отключено

16

PDS на ТО

0 - перепада давл. нет

1 - перепад давл. есть

РУ3.3

Если “DO для разгр” = NO

0 - РУ отключено

1 - РУ подключено

Если “DO для разгр” = NC

0 - РУ подключено

1 - РУ отключено

17

Датчик низкого уровня воды в накопительной ёмкости

0 - низкий уровень

1 - нормальный уровень

К4

0 - остановлен

1 - запущен

18

Сигнал “Пожар”

0 - авария

1 - норма

РУ4.1

Если “DO для разгр” = NO

0 - РУ отключено

1 - РУ подключено

Если “DO для разгр” = NC

0 - РУ подключено

1 - РУ отключено

19

РУ4.2

Если “DO для разгр” = NO

0 - РУ отключено

1 - РУ подключено

Если “DO для разгр” = NC

0 - РУ подключено

1 - РУ отключено

20

РУ4.3

Если “DO для разгр” = NO

0 - РУ отключено

1 - РУ подключено

Если “DO для разгр” = NC

0 - РУ подключено

1 - РУ отключено

21

В1

0 - отключен

1 - включен

22

В2

0 - отключен

1 - включен

23

В3

0 - отключен

1 - включен

24

В4

0 - отключен

1 - включен

25

В5

0 - отключен

1 - включен

26

В6

0 - отключен

1 - включен

27

Сигнализация АВАРИЯ

0 - отключена

1 - включена

Примечание

* В случае группы компрессоров с РУ выходы, управляющие разгрузкой, назначаются вслед за выходом соответствующего им компрессора, см. таблицу ниже.

Назначение дискретных выходов в конфигурации “2 компрессора, по 2 разгрузочных устройства на каждом”

DO1

DO2

DO3

DO4

DO5

DO6

DO7

DO8

К1

РУ1.1

РУ1.2

К2

РУ2.1

РУ2.2

Если какая-то из функций не выбрана пользователем, то назначение дискретного входа или выхода замещается следующей выбранной функцией в соответствии с таблицей.

Предупреждение

Если набранная конфигурация задействует свыше 16 дискретных входов или 16 дискретных выходов, контроллер не даст уйти с экрана конфигурации. При настройке конфигурации оборудования следует распределить весь функционал в доступное количество входов\выходов.

Примечание
После первичной настройки конфигурации управляющих сигналов в приборе рекомендуется проверить журнал аварий. При необходимости очистите его перед запуском установки в эксплуатацию, чтобы удалить аварии, зарегистрированные прибором при настройке конфигурации.

Примеры конфигураций по набору дискретных входов/выходов:

  1. 1 насос, 2 компрессора, конденсатор с ПЧ, контроль низкого уровня в ёмкости и значения температуры выходящей из теплообменника воды

    Graphic
    Пример схемы 1
  2. 2 насоса, 2 компрессора (ведущий и опорный), 2 ступени конденсатора, сигнал пожара

    Graphic
    Пример схемы 2

  3. 2 насоса с ПЧ, 3 компрессора (ведущий и 2 опорных), 3 ступени конденсатора, контроль низкого уровня в ёмкости, реле перепада давления в теплообменнике, сигнал пожара

    Graphic
    Пример схемы 3

  4. 1 насос с ПЧ, 2 компрессора с разгрузочными соленоидами, 3 ступени конденсатора, сигнал пожара.

    Graphic
    Пример схемы 4

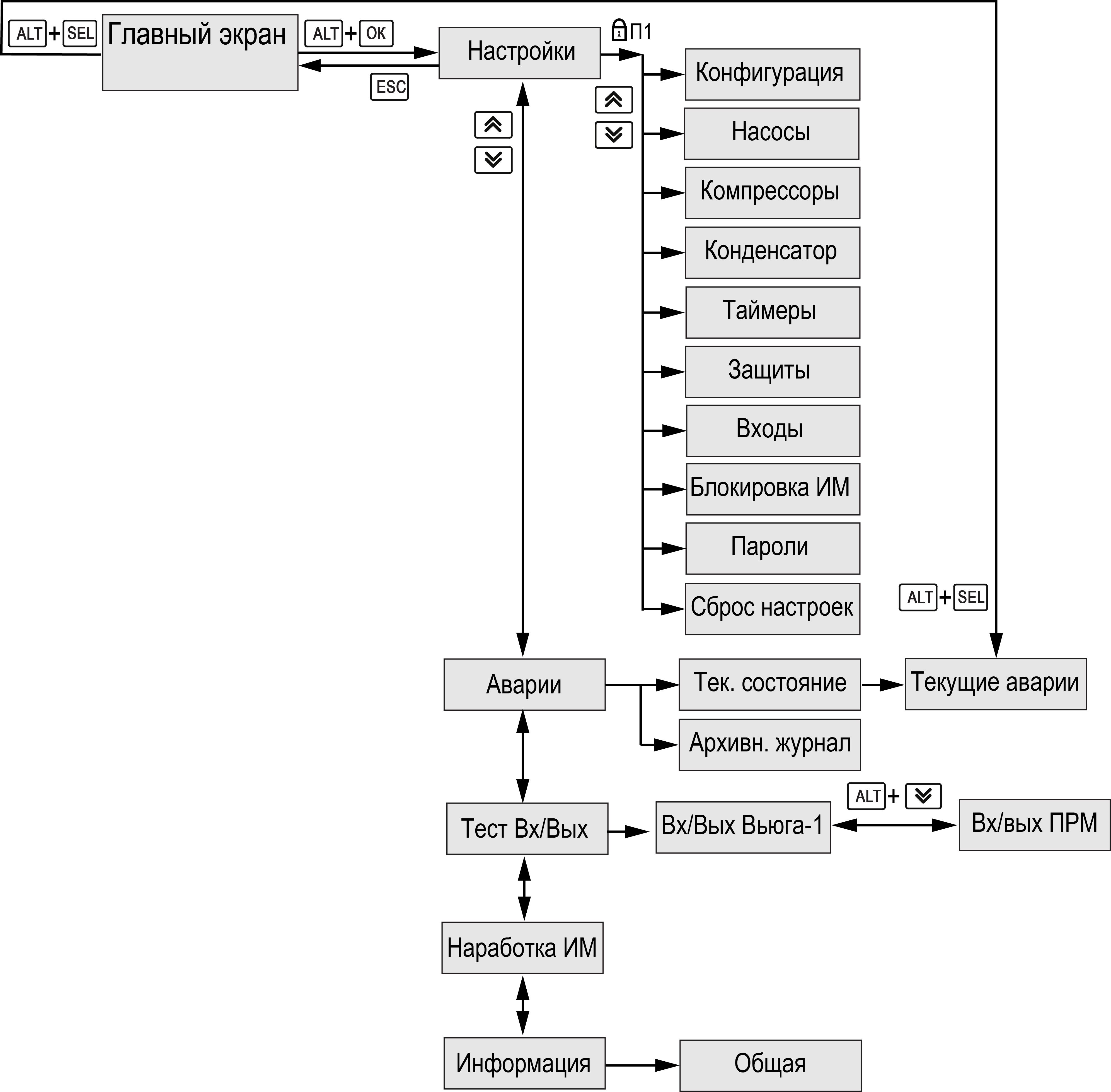
Меню

Структура меню

Примечание

Доступ к некоторым пунктам меню защищен паролем.

Значение пароля настраивается (см. раздел). Если значение 0, то ввод пароля отключен (по умолчанию отключен).

Graphic
Схема переходов по меню

Главный экран

Информация на Главном экране

Параметр/Статус

Описание

Пуск        Норма

Слева расположена “кнопка” Пуск (Стоп). Авария мигает при некритической аварии, горит постоянно при критической аварии

Тпотр:     -10,0°С

Текущее значение регулируемой температуры (Тпотр либо Твх). При аварии этого датчика выводится Ав.Дат.

Уставка: -10,0°С

Уставка регулируемой температуры

Рвсас:     10,0БарТекущее значение давления всасывания. При аварии этого датчика выводится Ав.Дат.
Рнагн:     10,0Бар

Текущее значение давления нагнетания. При аварии этого датчика выводится Ав.Дат.

Уст.Рнаг: 10,0Бар

Уставка давления нагнетания

Н1: Пуск Н2:Стоп

Статус насосов: Пуск / Стоп / Авар Если второй насос отсутствует в системе, то на экране отключается вывод статуса Н2.

Комп: 1/4 ПЧ: 100%Статус компрессоров. Слева: сколько компрессоров находится в работе из числа заданных. Если работа компрессоров заблокирована (таймером перезапуска, по аварии, ручной блокировкой), то количество заданных компрессоров уменьшается на число заблокированных. Справа: производительность преобразователя частоты ведущего компрессора. Если выбрано управление без ПЧ, то будет указано нет. Если ведущий компрессор в аварии, то вместо производительности отрисовываются прочерки ”---”.
Конд: 1/6 ПЧ: 100%Статус конденсатора. Слева: сколько ступеней конденсатора находится в работе из числа заданных. Если ступени заблокированы, то количество заданных ступеней уменьшается на число заблокированных. Справа: производительность преобразователя частоты или фазорезки, если выбрана соответствующая конфигурация. Если выбрано ступенчатое регулирование, то выводится расчетная производительность для конденсатора, которая соответствует выходной мощности ПИ-регулятора. Для удобства восприятия действует правило, что каждая ступень несет в себе 100% мощности. Параметр призван помочь при настройке ПИ-регулятора.
Твх:          12,0°С

В зависимости от конфигурации входа AI2:

– текущее значение температуры жидкости Твх на входе в ТО;

– текущее значение температуры жидкости Твых на выходе из ТО (перед накопительной емкостью);

– текущее значение давления потребителя Рпотр

– надпись AI2 отключен, если вход не используется.

При аварии датчика выводится надпись Авар.Дат.

При выборе регулирования по Твх, в этой строке выводится Тпотр.
Меню ->ALT+OK

Подсказка комбинации для перехода в основное меню контроллера

Аварии ->ALT+SELПодсказка комбинации для перехода в меню текущих аварий

Экраны настроек

Конфигурация

Перечень параметров экрана Конфигурация
ПараметрЗначение по умолчаниюОписаниеДиапазон
Конфигурация

Строка-подсказка

Насос:ПрямойПуск

Прямой пуск насоса

ПрямойПуск

ПИ-регулирование производительности насоса, управляемого ПЧ

ПЧ

Одновременная работа НЦ1 во внутреннем контуре и НЦ2 во внешнем

ВнешКонтур

Кол-во насосов:1

Количество насосов

1, 2

Цепь без-ти:да

Резервирование дискретного(-ых) входа(-ов) для подключения цепи(-ей) безопасности насоса(-ов)

нет, да

Комп:<Выбрать>

Выбор способа управления компрессорами:

  Не выбрано

<Выбрать>

  Ступенчатое управление одиночными компрессорами

Ступенч

1-й компрессор с преобразователем частоты, остальные одиночные

ПЧ+Ступ

Все компрессоры с разгрузочными устройствами

Разгр

Кол-во комп:1

Количество компрессоров

1…4

Реле НД:Нет

Резервирование дискретного(-ых) входа(-ов) для контроля реле низкого давления каждого компрессора

Да, Нет

Реле ВД:Нет

Резервирование дискретного(-ых) входа(-ов) для контроля реле высокого давления каждого компрессора

Да, Нет

Масло:Нет

Резервирование дискретного(-ых) входа(-ов) для контроля аварии регулятора уровня масла каждого компрессора

Да, Нет

Кол-во разгр:1

Количество разгрузочных устройств, приходящихся на компрессор(-ы).

Необходимо настроить только в случае способа управления компрессорами “Разгр”. Для других способов регулирования параметр игнорируется

1…3

DO для разгр:NC

Тип контакта DO для включения разгрузки

(тип указывается для ОТКЛюченного состояния разгрузочного устройства).

Необходимо настроить только в случае способа управления компрессорами “Разгр”. Для других способов регулирования параметр игнорируется

NC,

NO

Регул. по:Тпотр

Выбор датчика, по которому будет вестись регулирование температуры

Тпотр,

Твх

Конд:<Выбрать>

Тип управления конденсатором:

  Не выбрано

<Выбрать>

Ступенчатое управление

Ступени

1-я ступень управляется при помощи ПЧ, остальные выступают как опорные ступени

ПЧ+Ступени

DO 1-й ступ:Да

Резервирование дискретного выхода прибора для включения 1-й ступени конденсатора при её плавном регулировании.

При использовании ПЧ рекомендуется выбирать “да”, при использовании фазорезки – “нет”

Да,

Нет

Кол-во ступ:1

Количество ступеней конденсатора

1...6
Защ.вент:Общая

Тип защиты вентиляторов конденсатора:

Для всех вентиляторов зарезервирован общий дискретный вход

Общая

Для каждого вентилятора зарезервирован свой дискретный вход

Индив

Соленоид:Да

Резервирование выходного реле для управления соленоидом

Нет,

Да

AI2:Отключен

Назначение аналогового входа AI2.

 

защ. по Твых – следует выбирать при наличии накопительной ёмкости в чиллере для мониторинга низкой Твых. В иных случаях защита от обмерзания будет использовать показания датчика Тпотр (AI1);

Отключен,

Защ. по Твых

защ. по Твх – следует выбирать для мониторинга нахождения Твх в допустимых пределах;

Защ. по Твх

давл. Рпотр – необходимо выбрать, если насос управляется с помощью ПЧ и поддерживает заданное давление

Давл. Рпотр

Внеш.выкл-ль:Нет

Настройка использования внешней кнопки для старта и останова системы (кнопка подключается к дискретному входу прибора)

Нет,

Да

Реле аварии:Нет

Настройка использования выходного реле контроллера для включения аварийной сигнализации

Нет,

Да

PDS на ТО:Нет

Резервирование дискретного входа для подключения реле перепада давления на ТО в целях предупреждения его обмерзания

Нет,

Да

Ур.в ёмкости:Нет

Резервирование дискретного входа для подключения датчика уровня в накопительной емкости в целях контроля достижения низкого уровня воды в нем

Нет,

Да

Пожар:Нет

Резервирование дискретного входа для подключения сигнала внешней аварии или пожара

Нет,

Да

Некорректная конфигурация

Перечень сообщений на экране “Некорректной конфигурации”

Сообщение на экране

Описание

Укажите тип комп

Надпись выводится, если в конфигурации не выбран способ управления компрессорами (параметр Комп: <Выбрать>)

Укажите тип конд

Надпись выводится, если в конфигурации не выбран способ управления конденсатором (параметр Конд: <Выбрать>)

Превышение по DO

Надпись выводится, если настроенная конфигурация по DO превышает 16 управляющих дискретных сигналов

Превышение по DI

Надпись выводится, если настроенная конфигурация по DI превышает 16 управляющих дискретных сигналов

Превышение по AO

Надпись выводится, если настроенная конфигурация по AO превышает 2 управляющих аналоговых сигнала

Нужно AI2:Pпотр

Надпись выводится, если выбрано “Насос:ПЧ” и AI2 не установлен в Pпотр

Уст-те кол. НЦ=2

Надпись выводится, если выбрано “Насос:ВнешКонтур” и “Кол-во насосов:1

Укажите AI2: Твх

Надпись выводится, если выбрано регулирование по датчику Твх и AI2 не установлен в Твх

Назад -> ESC

Строка-подсказка

Насосы

Параметры насосов

Параметр

Значение по умолчанию

Описание

Диапазон значений

Насосы

Строка-подсказка

Вр.Смены:

12 ч

Время наработки, по достижении которого одним насосом, включается другой насос, в часах

1…120

Вр.Паузы:

5 с

Время паузы между переключениями насосов при их чередовании, в секундах

1…360

(Не может быть задано меньше, чем Откл.от ПЧ)

ОжПротока:

20 с

Время ожидания появления сигнала от реле протока ХВС с момента запуска насоса, в секундах

1…360

ОтклВнешНЦ:

3,0 °C

При аварии протока или НЦ1 ав-т насос во внешнем контуре (НЦ2) отключится при условии: Тпотр > Тпотр уст + ОтклВнешНЦ

0…9,9

Регулир-е с ПЧ:

Строка-подсказка

Рпотр,уст:

3,0 Бар

Уставка давления воды потребителя, бар

(только для ПИ-регулирования производительности насоса с частотным преобразователем)

0…25

Откл. от ПЧ:

3 с

Задержка отключения насоса-мастера от ПЧ, в секундах. Таймер отсчитывается с момента отключения DO ПЧ до момента отключения DO насоса

(только для чередования двух насосов с регулированием от ПЧ)

1…360

Кп:

5

Пропорциональный коэффициент ПИ-регулятора

(только для ПИ-регулирования производительности насоса с частотным преобразователем)

0...9999

Ти:

60 с

Время интегрирования ПИ-регулятора, в секундах (только для ПИ-регулирования производительности насоса с частотным преобразователем)

0...1000

ЧастотаMin:

25 Гц

Минимальная рабочая частота насоса, Гц

(только для ПИ-регулирования производительности насоса с частотным преобразователем)

10…50

Компрессоры

Параметры компрессоров

Параметр

Значение по умолчанию

Описание

Диапазон значений

Компрессоры

Строка-подсказка

 Уставка:15,0 °C

Уставка температуры охлаждаемой жидкости потребителя, °С

-30,0…50,0

 НЗ:4,0 °C

Нейтральная зона температуры охлаждаемой жидкости потребителя, °С

0...20,0

Регулир-е с ПЧ:

Строка-подсказка

Кп:30

Пропорциональный коэффициент ПИ-регулятора

(если выбрано управление с преобразователем частоты)

0...9999

Ти:60 с

Время интегрирования ПИ-регулятора, в секундах

(если выбрано управление с преобразователем частоты)

0...1000

ЧастотаMax:60 Гц

Наибольшая допустимая частота работы ведущего компрессора, Гц (если выбрано управление с преобразователем частоты)

40…200

ЧастотаMin:30 Гц

Минимальная допустимая частота работы ведущего компрессора, Гц (если выбрано управление с преобразователем частоты)

0...60

ЧастотаВкл:45 Гц

Минимальная частота напряжения электродвигателя ведущего компрессора, требуемая для его пуска, Гц (если выбрано управление с преобразователем частоты)

10...60

Мощн К1:1,0 кВт

Мощность ведущего компрессора, соответствующая работе на максимальной частоте, кВт (если выбрано управление с преобразователем частоты)

1...100

Мощн.опор:1,0

Мощность опорных компрессоров, кВт (если выбрано управление с преобразователем частоты)

1...100

Конденсатор

Параметры конденсатора

Параметр

Значение по умолчанию

Описание

Диапазон значений

Конденсатор

Строка-подсказка

Рнагн,уст:19,5 Бар

Уставка давления нагнетания, бар

10…50

Раб.с компр:Нет

Разрешение работы конденсатора, только когда включен хотя бы один компрессор

Нет, Да

Регулир-е с ПЧ:

Строка-подсказка

Кп:10

Пропорциональный коэффициент ПИ-регулятора (если выбрано управление с преобразователем частоты или фазорезкой)

0…9999

Ти:180 с

Время интегрирования ПИ-регулятора, в секундах (если выбрано управление с преобразователем частоты или фазорезкой)

0…1000

Uупр,min:5 В

Минимальная величина напряжения аналогового выхода, управляющего конденсатором, В.

Соответствует минимальной рабочей частоте напряжения электродвигателя конденсатора и производительности 0%.

(если выбрано управление с преобразователем частоты или фазорезкой)

0...10

Таймеры

Параметры таймеров

Параметр

Значение по умолчанию

Описание

Диапазон значений

Таймеры:

Строка-подсказка

Общее:

Строка-подсказка: раздел настройки таймеров, связанных с компрессорами и э/м соленоидом

ВклПослеНЦ:20 с

Время задержки включения первого компрессора (по факту – открытия соленоида) при наличии потребности в холодопроизводительности после момента появления сигнала от реле протока при запуске чиллера в работу, в секундах

1…600

ВклПослеСол:3 с

Время задержки включения первого компрессора после открытия соленоида, в секундах

1…60

Ведущий комп:

Строка-подсказка: раздел настройки таймеров ведущего компрессора

ЗадержВкл:1 с

Время задержки включения ведущего компрессора, в секундах

0...3600

ЗадержОткл:0 с

Время задержки отключения ведущего компрессора, в секундах

0...600

МинВрРаб:0 с

Минимальное время во включенном состоянии ведущего компрессора, в секундах. Если контроллер определяет, что компрессор следует отключить, а таймер МинВрРаботы еще не истек, то компрессор проработает до окончания МинВрРаботы и только потом выключится. Данный таймер игнорируется в случае отключения установки или возникновения аварии, связанной с отключением компрессора

0…900

Повтор вкл:4 мин

Время задержки на повторный запуск ведущего компрессора после момента его отключения, в минутах

1...60

Опорные комп:

Строка-подсказка: раздел настройки таймеров опорных компрессоров

ЗадержВкл:1 с

Время задержки включения опорных компрессоров, в секундах

0...3600

ЗадержОткл:0 с

Время задержки отключения опорных компрессоров, в секундах

0...600

МинВрРаб:0 с

Минимальное время во включенном состоянии опорных компрессоров, в секундах. Если контроллер определяет, что компрессор следует отключить, а таймер МинВрРаботы еще не истек, то этот компрессор проработает до окончания МинВрРаботы и только потом выключится. Данный таймер игнорируется в случае отключения установки или возникновения аварии, связанной с отключением компрессора(-ов)

0…900

Повтор вкл:4 мин

Время задержки на повторный запуск опорных компрессоров после момента их отключения, в минутах

1...60

Разгрузка:

Строка-подсказка: раздел настройки таймеров разгрузочных устройств

ЗадержВкл:5 с

Время задержки включения разгрузочных устройств, в секундах

1...600

ЗадержОткл:5 с

Время задержки отключения разгрузочных устройств, в секундах

1...600

Конденсатор:

Строка-подсказка: раздел настройки таймеров ступеней конденсатора

ЗадержВкл:3 с

Время задержки включения ступеней конденсатора, в секундах

1…250

ЗадержОткл:3 с

Время задержки отключения ступеней конденсатора, в секундах

1…250

Защиты

Параметры защиты

Параметр

Значение по умолчанию

Описание

Диапазон значений

Защиты

Строка-подсказка

Темп. вых. min:

Строка-подсказка

   Тпотр:4 °C

Минимальная допустимая температура воды потребителя, °C

-50…50

   Твых:2 °C

Минимальная допустимая температура на выходе из ТО (если используется), °C

-50…50

   Дифф-л:2 °C

Дифференциал снятия аварийного сигнала по низкой температуре (одинаковый для Тпотр min и для Твых min), °С

0…20

Темп. входная:

Строка-подсказка

   Тmax:40 °C

Максимальная допустимая температура хладоносителя на входе в ТО (если используется), °C

-50…50

   Тmin:10 °С

Минимальная допустимая температура хладоносителя на входе в ТО (если используется), °C

-50…50

   Дифф-л:10 °C

Дифференциал снятия аварийного сигнала по выходу температуры на входе в ТО за допустимый диапазон (если используется), °С

0…20

   Задержка:600 с

Задержка срабатывания аварии по выходу температуры на входе в ТО за допустимый диапазон (если используется), в секундах

0…3600

Давл.всасывания:

Строка-подсказка

   Pвс,max:12,0 Бар

Максимальное допустимое значение давления всасывания хладагента, бар

1…30

      Дифф-л:1,0 Бар

Дифференциал снятия аварии по высокому давлению всасывания, бар

0…10

      Задержка:30 с

Задержка срабатывания аварии по высокому давлению всасывания, в секундах

0...99

   Pвс,min:3,0 Бар

Минимальное допустимое значение давления всасывания хладагента, бар

0…10

      Дифф-л:0,5 Бар

Дифференциал снятия аварии по низкому давлению всасывания, бар

0…5

      Задержка:3 с

Задержка отработки аварии по низкому давлению всасывания, в секундах

0...99

      СбросАвар:ручн

Настройка способа возвращения в рабочий режим после аварии по низкому давлению всасывания:

ручн – ручной сброс аварии Рвсас,min, после которого разрешается запуск фреонового контура;

 

авто – автоматическое возвращение в работу фреонового контура после восстановления давления всасывания: Рвсас > Рвсас,min + Дифф-лPmin

ручн

авто

Давл.нагнетания:

Строка-подсказка

   Рн,max:25,0 Бар

Максимальное допустимое значение давления нагнетания, бар

10…99

   Дифф-л:3,0 Бар

Дифференциал снятия аварии по высокому давлению нагнетания, бар

0…20

СбросАвар:Ручн

Сброс аварии по высокому давлению нагнетания

Ручн,

Авто
Конденсатор:

Строка-подсказка

СбросАвар:Ручн

Сброс аварий ступеней конденсатора

Ручн,

Авто

Входы

Параметры входов

Параметр

Значение по умолчанию

Описание

Диапазон значений

Входы

Строка-подсказка

Тпотр:NTC10K

Тип датчика температуры воды потребителя (вход AI1)

NTC10K,

РТ1000
B25/100:3950

Коэффициент температурной чувствительности В25/100 термистора NTC10k

1…9999

Сдвиг:0,0

Калибровка измеренного значения Тпотр, °С

-100…100

AI2:Отключен

Нередактируемый параметр-подсказка: значение в правой стороне строки дублирует назначение входа AI2, выбранное в меню конфигурации

Отключен,

Рпотр,

Твх,

Твых

Тип дат:Отключен

Тип датчика для аналогового входа AI2

Отключен,

NTC10k,

Pt1000,

4...20мА

B25/100:3950

Коэффициент температурной чувствительности В25/100 термистора NTC10k

1…9999

4 мА:-0,5

Нижняя граница измерения датчика давления воды, бар

-1…99

20 мА:11,0

Верхняя граница измерения датчика давления воды, бар

-1…99

Сдвиг:0,0

Калибровка измеренного значения температуры (давления)

-100…100

Рвсас:

Строка-подсказка

4 мА:0,0

Нижняя граница измерения датчика давления всасывания, бар

-1…99

20 мА:35,0

Верхняя граница измерения датчика давления всасывания, бар

-1…99

Сдвиг:0,0

Калибровка измеренного значения давления всасывания, бар

-100…100

Рнагн:

Строка-подсказка

4 мА:0,0

Нижняя граница измерения датчика давления нагнетания, бар

-1…99

20 мА:30,0

Верхняя граница измерения датчика давления нагнетания, бар

-1…99

Сдвиг:0,0

Калибровка измеренного значения давления нагнетания, бар

-100…100

Фильтр DI:1 с

Время фильтрации дискретных сигналов на входах, предназначенных для защитного отключения компрессоров и ступеней конденсатора, в секундах

1...600

Блокировка ИМ

Параметры блокировки ИМ

Параметр

Значение по умолчанию

Описание

Диапазон значений

Блокировка ИМ

Строка-подсказка

Комп. 1:Работа

Работа – компрессор может быть включен;

Блок – компрессор заблокирован и не может быть включен в работу.

Работа, Блок

Комп. 2:Работа
Комп. 3:Работа
Комп. 4:Работа
Конд. Ст1:Работа

Работа – ступень конденсатора может быть включена;

Блок – ступень конденсатора заблокирована и не может быть включена в работу.

Конд. Ст2:Работа
Конд. Ст3:Работа
Конд. Ст4:Работа
Конд. Ст5:Работа
Конд. Ст6:Работа

Пароли

Меню/Настройки/Пароли
ПараметрЗначение по умолчаниюОписаниеДиапазон
Пароли
 Пароль 10

Пароль доступа в меню Настройки

0 — нет

1...9999

Примечание
По умолчанию пароли не заданы.

Для сброса паролей следует:

  1. Перейти в Меню прибора.

  2. Нажать комбинацию кнопок Graphic + Graphic.

  3. Набрать пароль 118 и подтвердить cброс.

Наработка ИМ

Наработка ИМ

Параметр

Значение по умолчанию

Описание

Диапазон значений

Наработка ИМ

Строка-подсказка

Насос 1:0 ч

Время наработки насоса 1, ч

0…99999

Насос 2:0 ч

Время наработки насоса 2, ч

Комп-р 1:0 ч

Время наработки компрессора 1, ч

Комп-р 2:0 ч

Время наработки компрессора 2, ч

Комп-р 3:0 ч

Время наработки компрессора 3, ч

Комп-р 4:0 ч

Время наработки компрессора 4, ч

КондСт 1:0 ч

Время наработки 1-й ступени конденсатора, ч

КондСт 2:0 ч

Время наработки 2-й ступени конденсатора, ч

КондСт 3:0 ч

Время наработки 3-й ступени конденсатора, ч

КондСт 4:0 ч

Время наработки 4-й ступени конденсатора, ч

КондСт 5:0 ч

Время наработки 5-й ступени конденсатора, ч

КондСт 6:0 ч

Время наработки 6-й ступени конденсатора, ч

Сброс:<Выбрать>

Сброс времени наработки выбранного ИМ:

Все комп – сбросить наработку всех компрессоров;

Все конд – сбросить наработку всех конденсаторов;

Всех – сбросить наработку всех исполнительных механизмов

<Выбрать> Насос 1

Насос 2

Компр-р 1

Компр-р 2 Компр-р 3

Компр-р 4

КондСт 1

КондСт 2

КондСт 3

КондСт 4

КондСт 5

КондСт 6

Все комп

Все конд

Всех

Сброс настроек

Меню/Настройки/Сброс настроек
ПараметрЗначение по умолчаниюОписаниеДиапазон
Сброс настроекна заводские:

Нет

Сброс настроек на заводские значения

Нет

Да!

Внимание
Данная команда не распространяется на значения паролей, даты, времени и сетевые настройки прибора.

Журнал аварий

Аварийные события фиксируются в журнал.

В журнал заносятся следующие параметры:

  • краткое название аварии;

  • время аварии;

  • время сброса аварии.

Журнал рассчитан на 24 записи. При заполнении журнала наиболее старые записи удаляются.

Последнее событие находится в начале журнала под номером 1. Для пролистывания журнала на экране следует указать номер записи.

Перечень параметров экрана Архивный журнал
ПараметрЗначение по умолчаниюОписаниеДиапазон
Аварии: ЖурналНазвание раздела меню
01>Компрессор 10

Номер записи в журнале событий для отображения и краткое название аварии

1...20

Дата фиксации:22Ноя23 15:33:36

Дата и время возникновения аварии

Дата окончания:

22Ноя23 15:34:49

Дата и время пропадания аварии

Сброс журналаНет

Команда на сброс журнала аварий

Нет

Да

Вид записей в журнале аварий

Краткое название аварии

Описание

Проток

Отсутствует проток хладоносителя

НЦ1 автомат

Сработала цепь безопасности насоса №1

НЦ2 автомат

Сработала цепь безопасности насоса №2

Комп Х ЦБ

Сработала цепь безопасности компрессора №Х

Комп Х ВДСработало реле высокого давления компрессора №Х
Комп Х НДСработало реле низкого давления компрессора №Х
Комп Х РУМСработало реле регулятора уровня масла в компрессоре №Х
КондОбщ

Сработала общая защита конденсатора

КондСт Х

Сработала цепь безопасности конденсатора №Х

Рвсас max

Достигнуто высокое давление всасывания

Рвсас min

Достигнуто низкое давление всасывания

Рнагн max

Достигнуто высокое давление нагнетания

Тпотр min

Низкая температура хладоносителя потребителя

Твых min

Низкая температура хладоносителя на выходе из теплообменника

Твх max

Высокая температура хладоносителя на входе в теплообменник

Твх min

Низкая температура хладоносителя на входе в теплообменник

PDS на ТО

Сработало реле перепада давления на теплообменнике

Низк. ур.

Достигнут низкий уровень наполнения накопительной емкости

Пожар

Пришел внешний аварийный сигнал

ПРМ нет связи

Пропала связь с модулем ПРМ

Дат.Тпотр

Авария датчика температуры хладоносителя потребителя

Дат.Рвсас

Авария датчика давления всасывания

Дат.Рнагн

Авария датчика давления нагнетания

Дат.Рпотр

Авария датчика давления хладоносителя в магистрали потребителя

Дат.Твх

Авария датчика температуры хладоносителя на входе в теплообменник

Дат.Твых

Авария датчика температуры хладоносителя на выходе из теплообменника

Список аварий

Реакция и соответствие поведения в таблице:

  • останов компрессоров – отключаются и блокируются компрессоры (если «Раб. с комп» = «Нет», то конденсатор продолжит работу независимо; если «Да», то также отключится);

  • останов конденсатора – остановка работы конденсатора.

Критическая авария – приводит к останову всей системы: отключаются компрессоры, насосы, конденсатор.

Некритическая авария – узел, в котором произошла авария, выводится из работы, резервируется другим доступным ИМ. Такая авария не приводит к останову всей остальной системы

Список аварий

Тип аварии

Описание

Контроль аварии

Условие возникновения

Реакция

Сброс

Критичность

Проток:

Норма / Авария

Во время работы НЦ1 или НЦ2 сигнал от реле протока не появился в течении ОжПроток или пропал

В состоянии ПУСК

С момента начала работы НЦ1 или НЦ2 сигнал от реле протока ХВС не стал 1 в течении ОжПроток или в процессе работы стал 0.

Останов работы чиллера. При Насос:ВнешКонтур

происходит останов компрессоров, останов конденсатора, НЦ2 продолжает работу, пока Тпотр не станет больше значения “Тпотр,уст + ОтклВнешНЦ”.

ручной

крит.

НЦ1 ав-т:

Норма / Авария

Авария насоса №1 по мотор-автомату

Всегда, но реакция только в ПУСКе

Если сигнал от “Автомат НЦ1”  перешёл в состояние авария

НЦ1 выключается, исключается из чередования. Отсчитывается Вр. Паузы и включается НЦ2 (если исправен и доступен). При Насос:ВнешКонтур происходит останов компрессоров, останов конденсатора, НЦ2 продолжает работу, пока Тпотр не станет больше значения “Тпотр,уст + ОтклВнешНЦ”.

ручной

не критич.

НЦ2 ав-т:

Норма / Авария / Откл

Авария насоса №2 по мотор-автомату

Всегда, но реакция только в ПУСКе

Если сигнал от “Автомат НЦ2”  перешёл в состояние авария

НЦ2 выключается, исключается из чередования. Отсчитывается Вр. Паузы и включается НЦ1 (если исправен и доступен). При Насос:ВнешКонтур НЦ2 выключается.

ручной

не критич.

Нет раб. насосов (без вывода на экран)

Если все насосы в аварии по мотор-автомату

Всегда, но реакция только в ПУСКе

если есть авария и по НЦ1, и по НЦ2

Останов компрессоров, останов конденсатора.

автоматический, если 1 из насосов становится доступным для запуска

крит.

Аварии компрессоров

При отсутствии аварий напротив номера компрессора выводится слово “Норма”. При наличии одной аварии компрессора выводится слово “Авария” вместе с аббревиатурой, соответствующей причине неисправности:

  • ЦБ – цепь безопасности;

  • НД – реле низкого давления;

  • ВД – реле высокого давления;

  • РУМ – сигнал от регулятора уровня масла.

Если у одного компрессора произошло несколько аварий, то выводится несколько аббревиатур. Если компрессор заблокирован вручную, то напротив него выводится статус "Блокировка"

К1: ЦБ … К4: ЦБ

Авария компрессора 1...4 по цепи безопасности

Всегда, но реакция только в ПУСКе

Сработала цепь безопасности компрессора 1…4

Компрессор уходит в аварию, исключается из каскада. Если он работал, то вместо него включается доступный по порядку включения. При аварии ведущего компрессора он исключается из управления, а работа опорных компрессоров продолжается согласно ступенчатому принципу регулирования

ручной

не критич.

К1: ВД … К4: ВД

Авария компрессора 1...4 по реле высокого давления

Сработало реле высокого давления компрессора 1…4

К1: НД … К4: НД

Авария компрессора 1...4 по реле низкого давления

Сработало реле низкого давления компрессора 1…4

К1: РУМ … К4: РУМ

Авария компрессора 1...4 по уровню масла

Сработало реле регулятора уровня масла компрессора 1…4

Аварии конденсатора

КондОбщ:

Норма / Авария /

Откл

Сработала общая защита конденсатора

Всегда, но реакция только в ПУСКе. Статус Откл выводится, если Защ.вент: Индив

 

Если сигнал “Общий сигнал защиты конденсатора”  имеет значение “авария всех вентиляторов”

автоматический при переходе сигнала в состояние “норма”

не критич.

КондСт 1:

Норма / Авария / Откл

Авария ступени конденсатора №1

Всегда, но реакция только в ПУСКе. Статус Откл выводится, если Защ.вент: Общая

 

Если сигнал “Цепь защиты 1-й ступени конденсатора”  имеет значение “авария В1”

Вентилятор уходит в аварию, исключается из каскада. Если он работал, то вместо него включается доступный по порядку включения.

ручной, после устранения причины

не критич.

КондСт 2:

Норма / Авария / Откл

Авария ступени конденсатора №2

Всегда, но реакция только в ПУСКе. Статус Откл выводится, если ИМ отсутсвует в конф-ции или Защ.вент: Общая

Если сигнал “Цепь защиты 2-й ступени конденсатора”  имеет значение “авария В2”

Вентилятор уходит в аварию, исключается из каскада. Если он работал, то вместо него включается доступный по порядку включения.

ручной, после устранения причины

не критич.

КондСт 3:

Норма / Авария / Откл

Авария ступени конденсатора №3

Всегда, но реакция только в ПУСКе. Статус Откл выводится, если ИМ отсутсвует в конф-ции или Защ.вент: Общая

Если сигнал “Цепь защиты 3-й ступени конденсатора”  имеет значение “авария В3”

Вентилятор уходит в аварию, исключается из каскада. Если он работал, то вместо него включается доступный по порядку включения.

ручной, после устранения причины

не критич.

КондСт 4:

Норма / Авария / Откл

Авария ступени конденсатора №4

Всегда, но реакция только в ПУСКе. Статус Откл выводится, если ИМ отсутсвует в конф-ции или Защ.вент: Общая

 

Если сигнал “Цепь защиты 4-й ступени конденсатора”  имеет значение “авария В4”

Вентилятор уходит в аварию, исключается из каскада. Если он работал, то вместо него включается доступный по порядку включения.

ручной, после устранения причины

не критич.

КондСт 5:

Норма / Авария / Откл

Авария ступени конденсатора №5

Всегда, но реакция только в ПУСКе. Статус Откл выводится, если ИМ отсутсвует в конф-ции или Защ.вент: Общая

 

Если сигнал “Цепь защиты 5-й ступени конденсатора”  имеет значение “авария В5”

Вентилятор уходит в аварию, исключается из каскада. Если он работал, то вместо него включается доступный по порядку включения.

ручной, после устранения причины

не критич.

КондСт 6:

Норма / Авария / Откл

Авария ступени конденсатора №6

Всегда, но реакция только в ПУСКе. Статус Откл выводится, если ИМ отсутсвует в конф-ции или Защ.вент: Общая

 

Если сигнал “Цепь защиты 6-й ступени конденсатора”  имеет значение “авария В6”

Вентилятор уходит в аварию, исключается из каскада. Если он работал, то вместо него включается доступный по порядку включения.

ручной, после устранения причины

не критич.

Нет раб. конд. (без вывода на экран)

Все ступени конденсатора в аварии

Всегда, но реакция только в ПУСКе

Если сигналы “Цепь защиты X-й ступени конденсатора” ? , Х = 1-6 имеет значение “авария ВХ”. Авария КондОбщ не влияет.

Останов компрессоров.

автоматический, если сброшена авария хотя бы 1 из 6 вентиляторов

не критич.

Общие аварии

Рвс,min:

Норма / Авария

Давление всасывания ниже допустимого порога

Всегда, но реакция только в ПУСКе

Если Рвсас < Рвс,min

 

Начинает мигать светодиод F2, авария отображается на экране  аварий (в архив не заносится). Отсчитывается Задержка (Pвс,min), если Рвсас так и не превысило Рвс,min+Дифф-л(Рвс,min) в течение времени задержки, то  Останов компрессоров, после этого вносится в архивный журнал.

1. автоматический, если давление Pвсас стало больше Рвс,min+Дифф-л (Рвс,min) за время Задержка (Pвс,min),

2. автоматический,  если СбросАвар: “авто”  И  Задержка (Pвс,min) прошла И Pвсас стало больше Рвс,min+Дифф-л (Рвс,min)

3.  ручной, если СбросАвар: “ручн” И

 Задержка (Pвс,min) прошла и возможен если  Pвсас стало больше Рвс,min+Дифф-л (Рвс,min)

не крит.

Рвс,max:

Норма / Авария

Давление всасывания превысило допустимый порог

Всегда, но реакция только в ПУСКе

Если Рвсас > Рвс,max

 

Начинает мигать светодиод F2, авария отображается на экране  аварий (в архив не заносится). Отсчитывается Задержка (Pвс,max), если Рвсас так и не понизилось до Рвс,max-Дифф-л(Рвс,max) в течение времени задержки, то  Останов компрессоров, после этого вносится в архивный журнал.

 

автоматически, если давление Pвсас стало меньше Рвс,max-Дифф-л(Рвс,max) за время Задержка (Pвс,max), иначе ручной и возможен если Рвсас < Рвс,max-Дифф-л(Рвс,max)

не критич.

Рн,max:

Норма / Авария

Давление нагнетания превысило допустимый порог

Всегда, но реакция только в ПУСКе

Если Рнагн > Рн,max

 

Останов компрессоров. Включаются все доступные ступени конденсатора. Когда Рнагн опустится до значений, меньших Рн,max – Дифф-л (Рн,max) отключаются все ступени конденсатора и остаются заблокированными до сброса.

ручной, возможен если давление Pнагн стало меньше Рн,max – Дифф-л (Рн,max) 

не критич.

Тпотр,min:

Норма / Авария

 

Температура потребителя  ниже допустимого порога

Всегда, но реакция только в ПУСКе

Тпотр <  Тпотр min.

Останов компрессоров (и запрет на запуск).

ручной, возможен если Тпотр > (Тпотр + Дифф-л (Темп. выходная)

не критич.

Твых,min:

Норма / Авария /

Откл

 

Температура на выходе из теплообменника ниже допустимого порога

Всегда, если в конфигурации параметр AI2  установлен  в “защ. по Твых” И датчик исправен (если датчик неисправен, то индикация откл), иначе не контролируется

Твых <  Твых min

Останов компрессоров (и запрет на запуск).

ручной, возможен если Твых > (Твых+ Дифф-л (Темп. выходная)

 

не критич.

Твх,min:

Норма / Авария /

Откл

Температура на входе в теплообменник ниже допустимого порога

Всегда, если в конфигурации параметр AI2 установлен  в “защ. по Твх” И датчик исправен (если датчик неисправен, то индикация откл), иначе не контролируется

Твх <  Твх min.

Начинает мигать светодиод F2, авария отображается на экране  аварий (в архив не заносится). Отсчитывается Задержка (Твх), если Твх так и не повысилась до Твх min + Дифф-л(Твх) в течение времени задержки, то: Останов компрессоров, после этого вносится в архивный журнал.

автоматически, если Твх стала больше Твх min + Дифф-л (Твх) за время Задержка (Твх), иначе ручной и возможен если Твх > Твх min + Дифф-л (Твх)

не критич.

Твх,max:

Норма / Авария /

Откл

Температура на входе в теплообменник превысила допустимый порог

Всегда, если в конфигурации параметр AI2 установлен  в “защ. по Твх” И датчик исправен (если датчик неисправен, то индикация откл), иначе не контролируется

Твх >  Твх max.

Начинает мигать светодиод F2, авария отображается на экране  аварий (в архив не заносится). Отсчитывается Задержка (Твх), если Твх так и не понизилось до Твх max-Дифф-л(Твх) в течение времени задержки, то: Останов компрессоров, после этого вносится в архивный журнал.

автоматически, если Твх стала меньше Твх max - Дифф-л (Твх) за время Задержка (Твх), иначе ручной и возможен если Твх < Твх max - Дифф-л (Твх)

не критич.

PDS на ТО:

Норма / Авария /

Откл

Пришёл сигнал перепада давления на теплообменнике, что говорит о его обмерзании

Всегда, если в конфигурации PDS на ТО: “Да”

Если сигнал PDS на ТО равен “перепад есть”

Останов компрессоров (и запрет на запуск).

ручной, если устранена причина

не критич.

Низк. ур.:

Норма / Авария /

Откл

В накопительной ёмкости низкий уровень

Всегда, если в конфигурации Ур.в ёмкости: “Да”

Если Датчик уровня воды в накопительной ёмкости имеет значение “низкий уровень”

НЦ отключаются, останов компрессоров, останов конденсатора.

ручной, если устранена причина

крит.

Пожар:

Норма / Авария /

Откл

Пришел сигнал о пожаре

Всегда, если в конфигурации Пожар: “Да”

Сигнал “Пожар” имеет значение “авария”

НЦ отключаются, останов компрессоров, останов конденсатора.

ручной, если устранена причина

крит.

Дат.Рвсас: Норма / Авария

Авария датчика давления всасывания

Всегда

обрыв, кз, измеренное значение вне диапазона

Останов компрессоров.

автоматический

не крит.

Дат.Рнагн: Норма / Авария

Авария датчика давления нагнетания

Всегда

обрыв, кз, измеренное значение вне диапазона

Останов компрессоров, останов конденсатора.

автоматический

не крит.

Дат.Tпотр:

Норма / Авария

Авария датчика температуры воды потребителя

Всегда

обрыв, кз, измеренное значение вне диапазона

Останов компрессоров.

автоматический

не крит.

Дат.Твых:

Норма / Авария /

Откл

Авария датчика температуры воды на выходе из теплообменника

Всегда, если в конфигурации параметр AI2 установлен  в “защ. по Твых”, иначе не контролируется

обрыв, кз, измеренное значение вне диапазона

Отключается контроль аварии Tвых,min.

автоматический

не крит.

Дат.Твх:

Норма / Авария /

Откл

Авария датчика температуры воды на входе в теплообменник

Всегда, если в конфигурации параметр AI2 установлен  в “защ. по Твх”, иначе не контролируется

 

обрыв, кз, измеренное значение вне диапазона

Отключается контроль аварий Tвх,min, Tвх,max. Если по датчику велось регулирование, то останов компрессоров

автоматический

не крит.

Дат.Pпотр:

Норма / Авария /

Откл

 

Авария датчика давления потребителя

Всегда, если в конфигурации параметр AI2 установлен  в “давл. Рпотр”, иначе не контролируется

 

обрыв, кз, измеренное значение вне диапазона

НЦ отключаются, останов компрессоров, останов конденсатора.

автоматический

крит.

ПРМ: Норма / Авария /

Откл

Нет связи с ПРМ

Всегда. Только если конфигурация занимает больше 8 DO или DI

Нет связи с ПРМ

НЦ отключаются, останов компрессоров, останов конденсатора.

автоматический

крит.

Общая информация

На экране общей информации представлены: наименование модификации контроллера, версия ПО, дата релиза.

Перечень параметров экрана Общая
Параметр

Описание

Информация
ВЬЮГА-1

Наименование модификации прибора

Версия: 2.0.3

Версия программного обеспечения

от 09.02.2026

Дата релиза программного обеспечения

Тест вх/вых

Тест входов/выходов контроллера

Параметр

Значение по умолчанию

Описание

Диапазон

DO и DI контроллера

 

Строка-подсказка

 

Режим Тест

Откл.

Активация режима проверки входов, выходов

Откл.

Вкл.

Выходы дискр:

 

Строка-подсказка

DO1:

Сокращения для распиновки:

НЦ1...2 - Насос циркуляции 1...2;

Пуск ПЧ - Команда на запуск ПЧ насоса циркуляции;

Соленоид - соленоидный клапан;

К1 - Компрессор 1;

РУ1.1...1.3 - Компрессор 1, разгрузка 1...3;

К2 - Компрессор 2;

РУ2.1...2.3 - Компрессор 2, разгрузка 1...3;

К3 - Компрессор 3;

РУ3.1...3.3 - Компрессор 3, разгрузка 1...3;

К4 - Компрессор 4;

РУ4.1...4.3 - Компрессор 4, разгрузка 1...3;

Конд 1...6 - Конденсатор, ступень 1...6;

РелеАвар - Реле сигнализации об аварии

0, 1

DO2:

0, 1

DO3:

0, 1

DO4:

0, 1

DO5:

0, 1

DO6:

0, 1

DO7:

0, 1

DO8:

0, 1

Выходы аналог:

 

Обозначение раздела с аналоговыми выходами

АО1: :

Сокращения для распиновки:

ПЧ К1 - ПЧ ведущего компрессора

ПЧ конд. - Регулирование конденсатора (ПЧ или фазорезка ведущей ступени)

ПЧ НЦ - Преобразователь частоты насосов циркуляции

0...100

АО2: :

0...100

Входы дискр:

 

Строка-подсказка

DI1:

Сокращения для распиновки:

РелПрот - Реле протока;

Авт НЦ1...2 - Автомат насоса циркуляции 1...2;

ЦЗ К1 - Цепь защиты компрессора 1;

НД К1 - Низкое давление компрессора 1;

ВД К1 - Высокое давление компрессора 1;

РУМ К1 - Регулятор уровня масла компрессора 1;

...

ЦЗ К4 - Цепь защиты компрессора 4;

НД К4 - Низкое давление компрессора 4;

ВД К4 - Высокое давление компрессора 4;

РУМ К4 - Регулятор уровня масла компрессора 4;

Конд Общ - Общий сигнал защиты конденсатора;

ЦЗ Конд 1...6 - Цепь защиты 1...6-й ступени конденсатора;

ПускСтоп - Внешняя кнопка Пуск/Стоп;

PDS - Реле перепада давления на теплообменнике;

НизкУр - Реле низкого уровня воды в накопительной емкости;

Пожар - Сигнал “Пожар” (внешняя авария)

0, 1

DI2:

0, 1

DI3:

0, 1

DI4:

0, 1

DI5:

0, 1

DI6:

0, 1

DI7:

0, 1

DI8:

0, 1

Входы аналог:

 

Строка-подсказка

AI1:

 

Тпотр - Датчик температуры хладоносителя, уходящего потребителю

AI2:

 

Твых - Датчик температуры хладоносителя на выходе из теплообменника;

Твх - Датчик температуры хладоносителя на входе в теплообменник;

Рпотр - Датчик давления в трубопроводе потребителя

AI3:

 

Рвсас - Датчик давления всасывания

AI4:

 

Рнагн - Датчик давления нагнетания

Далее -> ALT+Вниз

 

Подсказка перехода к меню проверки входов/выходов модуля ПРМ

Тест вх/вых модуля ПРМ

Параметр

Значение по умолчанию

Описание

Диапазон

DO и DI модуля ПРМ

 

Строка-подсказка

 

Режим Тест

Откл.

Активация режима проверки входов, выходов

Откл.

Вкл.

Выходы дискр:

 

Строка-подсказка

DO1: Аналогично таблице

0, 1

DO2:

0, 1

DO3:

0, 1

DO4:

0, 1

DO5:

0, 1

DO6:

0, 1

DO7:

0, 1

DO8:

0, 1

Входы дискр:

 

Строка-подсказка

DI1: Аналогично таблице

0, 1

DI2:

0, 1

DI3:

0, 1

DI4:

0, 1

DI5:

0, 1

DI6:

0, 1

DI7:

0, 1

DI8:

0, 1

Далее -> ALT+Вниз

 

Подсказка перехода к меню проверки входов/выходов контроллера

Установка времени и даты

 

Graphic
Схема доступа к меню настройки времени и даты
Внимание
Часы реального времени настраиваются на заводе при изготовлении прибора. Коррекцию можно проводить, если время и дата прибора не соответствуют действительным.

В прибор встроены энергонезависимые часы реального времени. Время и дата поддерживаются, даже если основное питание отключено.

Просмотр и редактирование текущего времени и даты доступны из Системного меню.

Сетевой интерфейс

Опасность
Для корректной работы прибора вносить изменения в параметры системного меню «Прибор», «Входы», «Выходы» ЗАПРЕЩЕНО!

В приборе установлен модуль интерфейса RS-485 для организации работы по протоколу Modbus в режиме Slave.

Для работы прибора в сети RS-485 следует установить его сетевые настройки в системном меню прибора с помощью кнопок и ЖКИ на лицевой панели (см. рисунок).

Прибор в режиме Slave поддерживает следующие функции:

  • чтение состояния входов/выходов;
  • чтение/запись сетевых переменных.

Прибор работает по протоколу Modbus в одном из двух режимов: Modbus-RTU или Modbus-ASCII, автоматически распознает режим обмена RTU/ASCII. Адреса регистров, тип переменных параметров, доступных по протоколу Modbus, приведены в разделе.

Graphic
Настройка параметров сетевого интерфейса

Работа с ПО Owen Configurator

Начало работы

Для установки Owen Configurator (далее - Конфигуратор) следует:

  1. Скачать с сайта архив с ПО (https://owen.ru/documentation/907).

  2. Извлечь из архива ехе-файл установщика.

  3. Запустить .ехе-файл.

Установить на ПК драйвер прибора (https://owen.ru/documentation/1103).

Для настройки связи с прибором следует:

  1. Подать питание на прибор.

  2. Подключить прибор к ПК с помощью кабеля USB A – microUSB B.

  3. В Диспетчере устройств Windows уточнить номер назначенного прибору COM-порта.

  4. Запустить Конфигуратор.

  5. Нажать кнопку Graphic Добавить устройства.

  6. Выбрать интерфейс «PR200» или «STMicroelectronics Virtual COM Port» (см. рисунок, 1). Номер СОМ порта, присвоенный прибору можно узнать в Диспетчере устройств Windows.

  7. Выбрать протокол ОВЕН (см. рисунок, 2).

  8. Воспользоваться автоматическим поиском устройства либо выбрать его самостоятельно из перечня (рисунок, 3). Модификация прибора указана на боковой стороне прибора.

  9. Выбрать «Найти одно устройство». Запустить поиск нажатием на кнопку «Найти» (см. рисунок, 4).

  10. Выделить найденное устройство (см. рисунок, 5).

  11. Добавить устройство в проект Конфигуратора по нажатию кнопки «Добавить устройства» (см. рисунок, 6).

    Graphic
    Настройки связи с устройством

Если изображение прибора серого цвета и запись параметров в прибор завершается всплывающим окном красного цвета, то следует проверить правильность подключения прибора к ПК.

Graphic
Ошибка при добавлении устройства
Предупреждение

Если в процессе настройки или работы в режиме «Офлайн» были изменены Сетевые настройки, то связь с прибором пропадет. (см. раздел).

Подключение можно восстановить повтором настройки подключения.

Режим «офлайн»

Для конфигурирования прибора в режиме офлайн (без подключения прибора к ПК) следует:

  1. Нажать кнопку Graphic Добавить устройства.

  2. В появившемся окне выбрать в списке «Интерфейс» – Работа офлайн.

    Graphic
    Добавление устройства
  3. В списке «Устройства», выбрать нужную модификацию прибора.

    Graphic
    Выбор модификации
  4. Нажать кнопку «Добавить». Параметры прибора отобразятся в главном окне.

    Graphic
    Отображение прибора в главном окне

Конфигурация доступна для редактирования. После подключения прибора к ПК, конфигурацию можно будет загрузить в него.

Обновление встроенного ПО

Примечание

Сменить встроенное ПО можно только у приборов с одинаковой модификацией по питанию!

Нельзя сменить встроенное ПО, например, с ВЬЮГА-1.230[M02] на ВЬЮГА-1.24[M02].

Примечание
Перед сменой встроенного ПО прибора следует добавить Конфигуратор в список исключений антивирусной программы. В противном случае обновление встроенного ПО прибора приведет к его неработоспособности.

Для обновления встроенного ПО следует:

  1. Нажать на кнопку Graphic Обновить устройство в контекстном меню выбранного устройства или в главном меню. Откроется диалоговое окно для смены встроенного ПО устройства.

    Примечание
    Допускается обновление одного или нескольких устройств. Устройства следует выделить в области устройств (см. рисунок, 5) и выбрать Обновить устройство в контекстном меню или главном меню.
  2. Выбрать источник загрузки:

    • Загрузить встроенное ПО из файла – требуется указать путь к файлу встроенного ПО в окне Проводника Windows;

    • Загрузить встроенное ПО, выбрав из списка – выбрать встроенное ПО из списка на сервере, доступных для загрузки в прибор данного типа;

    • Обновить до последней версии – последняя версия встроенного ПО будет загружена автоматически (требуется подключение к Интернету). Пункт недоступен, если версия встроенного ПО прибора актуальная.

      Graphic
      Выбор источника встроенного ПО
  3. Выбрать необходимую модификацию прибора (см. рисунок ниже).

    Graphic
    Выбор алгоритма

  4. Нажатием кнопки «Загрузить», подтвердить загрузку выбранного встроенного ПО в прибор (см. рисунок ниже).

    Graphic
    Начало загрузки встроенного ПО

    Пока идет загрузка встроенного ПО в устройство, в окне будет отображаться индикатор загрузки.

    Graphic
    Индикатор прогресса процесса смены встроенного ПО
  5. Дождаться сообщения об окончании загрузки встроенного ПО в прибор (см. рисунок ниже).

    Graphic
    Сообщение об окончании процесса смены встроенного ПО

    Примечание
    В случае возникновения сбоя во время загрузки встроенного ПО, процесс смены встроенного ПО следует произвести повторно.

Для проверки версии встроенного ПО прибора следует нажать кнопку Graphic Информация об устройстве. Откроется окно информации об устройстве.

Graphic
Окно информации о версии встроенного ПО

Настройка часов

Из Конфигуратора можно настроить часы прибора.

После нажатия кнопки Graphic Настроить часы появится меню, приведенное на рисунке ниже.

Graphic
Меню настройки часов

Для настройки часов следует:

  1. Выбрать дату с помощью календаря.

  2. Ввести время в поле часов или воспользоваться кнопкой Установить дату и время компьютера.

  3. Нажать кнопку Записать значения.

Загрузка конфигурации в прибор

Для загрузки конфигурации в прибор следует нажать кнопку Graphic Записать значения или щелкнуть правой кнопкой мыши на значке прибора и в появившемся меню выбрать пункт «Записать значения».

Graphic
Контекстное меню

Техническое обслуживание

Во время выполнения работ по техническому обслуживанию прибора следует соблюдать требования безопасности из раздела.

Техническое обслуживание прибора проводится не реже одного раза в 6 месяцев и включает следующие процедуры:

  • проверка крепления прибора;
  • проверка винтовых соединений;
  • удаление пыли и грязи с клеммника прибора.

Маркировка

На корпус прибора нанесены:

  • наименование и обозначение прибора;
  • товарный знак;

  • род питающего тока и напряжение питания;
  • потребляемая мощность;
  • маркировка класса защиты от поражения электрическим током ГОСТ 12.2.007.0;
  • единый знак обращения продукции на рынке Евразийского экономического союза;
  • страна-изготовитель;
  • QR-код;

  • заводской номер прибора, месяц и год выпуска.

На потребительскую тару нанесены:

  • наименование и условное обозначение прибора;
  • товарный знак

  • почтовый адрес офиса изготовителя;

  • штрих-код;

  • единый знак обращения продукции на рынке Евразийского экономического союза;
  • страна-изготовитель;
  • заводской номер прибора и дата упаковки.

Упаковка

Упаковка прибора производится в соответствии с ГОСТ 23088-80 в потребительскую тару, выполненную из коробочного картона по ГОСТ 7933-89.

Упаковка прибора при пересылке почтой производится по ГОСТ 9181-74.

Транспортирование и хранение

Прибор должен транспортироваться в закрытом транспорте любого вида, кроме пассажирского воздушного судна. В транспортных средствах тара должна крепиться согласно правилам, действующим на соответствующих видах транспорта.

Условия транспортирования — при температуре окружающего воздуха от минус 25 до плюс 55 °С с соблюдением мер защиты от ударов и вибраций.

Прибор следует перевозить в транспортной таре поштучно или в контейнерах.

Хранить приборы следует на стеллажах в индивидуальной упаковке или транспортной таре в закрытых отапливаемых помещениях при температуре воздуха от плюс 5 до плюс 40 °С и относительной влажности воздуха не более 80 %. В воздухе помещений должны отсутствовать кислотные, щелочные и другие агрессивные примеси.

Прибор следует хранить на стеллажах.

Комплектность

НаименованиеКоличество
Прибор*1 шт.
Руководство по эксплуатации1 экз.
Паспорт и Гарантийный талон1 экз.

Комплект клеммных соединителей

1 к-т
Кабель для программирования1 шт.

* Исполнение в соответствии с заказом.

Примечание
Изготовитель оставляет за собой право внесения дополнений в комплектность прибора.

Гарантийные обязательства

Изготовитель гарантирует соответствие прибора требованиям ТУ при соблюдении условий эксплуатации, транспортирования, хранения и монтажа.

Гарантийный срок эксплуатации – 24 месяца со дня продажи.

В случае выхода прибора из строя в течение гарантийного срока при соблюдении условий эксплуатации, транспортирования, хранения и монтажа предприятие-изготовитель обязуется осуществить его бесплатный ремонт или замену.

Порядок передачи прибора в ремонт содержится в паспорте и в гарантийном талоне.

Карта регистров

Прибор поддерживает протоколы обмена Modbus RTU и Modbus ASCII (переключение автоматическое).

Функции чтения:

  • 0х01 (read coil status);

  • 0х03 (read holding registers);

  • 0х04 (read input registers).

Функции записи:

  • 0х05 (force single coil);

  • 0х06 (preset single register);

  • 0х10 (preset multiple registers).

Параметры битовой маски (состояние системы, аварии и др.) могут читаться как функцией 0х03, так и 0х01 - в этом случае номер регистра нужно умножить на 16 и прибавить номер бита.

Пример

Требуется считать функцией 0х01 статус второго дискретного входа (адрес регистра 256, номер бита 1).

Адрес ячейки рассчитывается следующим образом: 256 ∙ 16 + 1 = 4097.

Поддерживаемые типы данных:

  • word - беззнаковое целое (2 байта), на каждый параметр отводится один регистр Modbus;

  • real - с плавающей точкой (4 байта), занимает два соседних регистра Modbus. Передача числа осуществляется младшим регистром вперед (little-endian)

    ;
  • bool - бит.

 

Типы доступа: R - только чтение, R/W - чтение/запись, W - только запись.

 

Карта регистров ВЬЮГА-1.Х

Регистр

Тип данных

Тип доступа

Имя параметра в приборе

Описание

Диапазон

Параметры состояния входов/выходов
Дискретные выходы

512

word

R

Битовая маска состояния дискретных выходов контроллера

  512.0

bool

R

ИМ, подключенный к DO1

0 — Выключен

1 — Включен

  512.1

bool

R

ИМ, подключенный к DO2

0 — Выключен

1 — Включен

  512.2

bool

R

ИМ, подключенный к DO3

0 — Выключен

1 — Включен

  512.3

bool

R

ИМ, подключенный к DO4

0 — Выключен

1 — Включен

  512.4

bool

R

ИМ, подключенный к DO5

0 — Выключен

1 — Включен

  512.5

bool

R

ИМ, подключенный к DO6

0 — Выключен

1 — Включен

  512.6

bool

R

ИМ, подключенный к DO7

0 — Выключен

1 — Включен

  512.7

bool

R

ИМ, подключенный к DO8

0 — Выключен

1 — Включен

Дискретные входы

513

word

R

Битовая маска состояния дискретных входов контроллера

  513.0

bool

R

Вход DI1

0 — Разомкнут

1 — Замкнут

  513.1

bool

R

Вход DI2

0 — Разомкнут

1 — Замкнут

  513.2

bool

R

Вход DI3

0 — Разомкнут

1 — Замкнут

  513.3

bool

R

Вход DI4

0 — Разомкнут

1 — Замкнут

  513.4

bool

R

Вход DI5

0 — Разомкнут

1 — Замкнут

  513.5

bool

R

Вход DI6

0 — Разомкнут

1 — Замкнут

  513.6

bool

R

Вход DI7

0 — Разомкнут

1 — Замкнут

  513.7

bool

R

Вход DI8

0 — Разомкнут

1 — Замкнут

Аналоговые входы

514

real

R

Тпотр

Температура воды потребителя, °С

–99,9…99,9

516

real

R

Твх, Твых или Рпотр

Температура на входе в ТО, на выходе из ТО или давление воды потребителя

–99,9…99,9 °С

или

–99,9…99,9 бар

518

real

R

Рвсас

Давление всасывания, бар

–99,9…99,9

520

real

R

Рнагн

Давление нагнетания, бар

–99,9…99,9

Дискретные входы ПРМ-1

522

word

R

Битовая маска состояния дискретных входов и выходов модуля ПРМ-1

  522.0

bool

R

Вход DI1 ПРМ

0 — Разомкнут

1 — Замкнут

  522.1

bool

R

Вход DI2 ПРМ

0 — Разомкнут

1 — Замкнут

  522.2

bool

R

Вход DI3 ПРМ

0 — Разомкнут

1 — Замкнут

  522.3

bool

R

Вход DI4 ПРМ

0 — Разомкнут

1 — Замкнут

  522.4

bool

R

Вход DI5 ПРМ

0 — Разомкнут

1 — Замкнут

  522.5

bool

R

Вход DI6 ПРМ

0 — Разомкнут

1 — Замкнут

  522.6

bool

R

Вход DI7 ПРМ

0 — Разомкнут

1 — Замкнут

  522.7

bool

R

Вход DI8 ПРМ

0 — Разомкнут

1 — Замкнут

Дискретные выходы ПРМ-1

523

word

R

Битовая маска состояния дискретных входов и выходов модуля ПРМ-1

  523.0

bool

R

ИМ, подключенный к DO1 ПРМ

0 — Разомкнут

1 — Замкнут

  523.1

bool

R

ИМ, подключенный к DO2 ПРМ

0 — Разомкнут

1 — Замкнут

  523.2

bool

R

ИМ, подключенный к DO3 ПРМ

0 — Разомкнут

1 — Замкнут

  523.3

bool

R

ИМ, подключенный к DO4 ПРМ

0 — Разомкнут

1 — Замкнут

  523.4

bool

R

ИМ, подключенный к DO5 ПРМ

0 — Разомкнут

1 — Замкнут

  523.5

bool

R

ИМ, подключенный к DO6 ПРМ

0 — Разомкнут

1 — Замкнут

  523.6

bool

R

ИМ, подключенный к DO7 ПРМ

0 — Разомкнут

1 — Замкнут

  523.7

bool

R

ИМ, подключенный к DO8 ПРМ

0 — Разомкнут

1 — Замкнут

Аналоговые выходы

524

real

R

Выход АО1

0...1

526

real

R

Выход АО2

0…1

Состояние входных сигналов

528

word

R

Битовая маска состояния входных сигналов (без привязки к DI, кроме первого)

  528.0

bool

R

Реле протока ХВС

0 — нет протока

1 — проток есть

  528.1

bool

R

Автомат НЦ1

0 — авария НЦ1

1 — норма НЦ1

  528.2

bool

R

Автомат НЦ2

0 — авария НЦ2

1 — норма НЦ2

  528.3

bool

R

Цепь защиты компрессора 1

0 — авария К1

1 — норма К1

  528.4

bool

R

Цепь защиты компрессора 2

0 — авария К2

1 — норма К2

  528.5

bool

R

Цепь защиты компрессора 3

0 — авария К3

1 — норма К3

  528.6

bool

R

Цепь защиты компрессора 4

0 — авария К4

1 — норма К4

  528.7

bool

R

Общий сигнал защиты конденсатора

0 — авария

1 — норма

  528.8

bool

R

Цепь защиты 1-й ступени конденсатора

0 — авария

1 — норма

  528.9

bool

R

Цепь защиты 2-й ступени конденсатора

0 — авария

1 — норма

  528.10

bool

R

Цепь защиты 3-й ступени конденсатора

0 — авария

1 — норма

  528.11

bool

R

Цепь защиты 4-й ступени конденсатора

0 — авария

1 — норма

  528.12

bool

R

Цепь защиты 5-й ступени конденсатора

0 — авария

1 — норма

  528.13

bool

R

Цепь защиты 6-й ступени конденсатора

0 — авария

1 — норма

  528.14

bool

R

PDS на ТО

0 — перепада давл. нет

1 — перепад давл. есть

  528.15

bool

R

Датчик уровня воды в накопительной емкости

0 — низкий уровень

1 — нормальный уровень

  529.0

bool

R

Сигнал “Пожар”

0 — авария

1 — норма

Состояние ИМ

530

word

R

Битовая маска состояния выходных сигналов (без привязки к DO)

  530.0

bool

R

НЦ1

0 — отключен

1 — включен

  530.1

bool

R

НЦ2

0 — отключен

1 — включен

  530.2

bool

R

Пуск ПЧ насоса

0 — ПЧ СТОП

1 — ПЧ ПУСК

  530.3

bool

R

Э/м соленоидный клапан

0 — закрыт

1 — открыт

  530.4

bool

R

Компрессор 1

0 — отключен

1 — включен

  530.5

bool

R

Компрессор 2

0 — отключен

1 — включен

  530.6

bool

R

Компрессор 3

0 — отключен

1 — включен

  530.7

bool

R

Компрессор 4

0 — отключен

1 — включен

  530.8

bool

R

Ступень конденсатора 1

0 — отключен

1 — включен

  530.9

bool

R

Ступень конденсатора 2

0 — отключен

1 — включен

  530.10

bool

R

Ступень конденсатора 3

0 — отключен

1 — включен

  530.11

bool

R

Ступень конденсатора 4

0 — отключен

1 — включен

  530.12

bool

R

Ступень конденсатора 5

0 — отключен

1 — включен

  530.13

bool

R

Ступень конденсатора 6

0 — отключен

1 — включен

  530.14

bool

R

Сигнализация АВАРИЯ

0 — отключен

1 — включен

  530.15

bool

R

Блокировка ИМ

531

word

R

Битовая маска блокировки ИМ

  531.0

bool

R

Комп. 1

Работа – компрессор может быть включен.

Блок – компрессор заблокирован и не может быть включен в работу

0 – Блок

1 – Работа

  531.1

bool

R

Комп. 2

  531.2

bool

R

Комп. 3

  531.3

bool

R

Комп. 4

  531.4

bool

R

Конд. Ст1

Работа – ступень конденсатора может быть включена.

Блок – ступень конденсатора заблокирована и не может быть включена в работу

0 – Блок

1 – Работа

  531.5

bool

R

Конд. Ст2

  531.6

bool

R

Конд. Ст3

  531.7

bool

R

Конд. Ст4

  531.8

bool

R

Конд. Ст5

  531.9

bool

R

Конд. Ст6

Аварии

532

word

R

Битовая маска аварий, часть 1 – общие аварии

  532.0

bool

R

НЦ1 ав-т

Авария насоса №1

0 – Норма

1 – Авария

  532.1

bool

R

НЦ2 ав-т

Авария насоса №2

0 – Норма

1 – Авария

  532.2

bool

R

К1

Авария компрессора №1

0 – Норма

1 – Авария

  532.3

bool

R

К2

Авария компрессора №2

0 – Норма

1 – Авария

  532.4

bool

R

К3

Авария компрессора №3

0 – Норма

1 – Авария

  532.5

bool

R

К4

Авария компрессора №4

0 – Норма

1 – Авария

  532.6

bool

R

КондОбщ

Сработала общая защита конденсатора

0 – Норма

1 – Авария

  532.7

bool

R

КондСт 1

Авария ступени конденсатора №1

0 – Норма

1 – Авария

  532.8

bool

R

КондСт 2

Авария ступени конденсатора №2

0 – Норма

1 – Авария

  532.9

bool

R

КондСт 3

Авария ступени конденсатора №3

0 – Норма

1 – Авария

  532.10

bool

R

КондСт 4

Авария ступени конденсатора №4

0 – Норма

1 – Авария

  532.11

bool

R

КондСт 5

Авария ступени конденсатора №5

0 – Норма

1 – Авария

  532.12

bool

R

КондСт 6

Авария ступени конденсатора №6

0 – Норма

1 – Авария

  532.13

bool

R

Рвсас,max

Превышено максимальное допустимое значение давления всасывания

0 – Норма

1 – Авария

  532.14

bool

R

Рвсас,min

Давление всасывания ниже минимального допустимого значения

0 – Норма

1 – Авария

  532.15

bool

R

Рнагн,max

Превышено максимальное допустимое значение давления нагнетания

0 – Норма

1 – Авария

533

word

R

Битовая маска аварий, часть 2 – аварии ИМ

  533.0

bool

R

Тпотр,min

Температура потребителя ниже минимального допустимого значения

0 – Норма

1 – Авария

  533.1

bool

R

Твых,min

Температура выходящего из ТО хладоносителя ниже минимального допустимого значения

0 – Норма

1 – Авария

  533.2

bool

R

Твх,max

Перегрев хладоносителя на входе в ТО

0 – Норма

1 – Авария

  533.4

bool

R

Твх,min

Температура входящего в ТО хладоносителя ниже минимального допустимого значения

0 – Норма

1 – Авария

  533.5

bool

R

PDS на ТО

Сработало реле перепада давления на ТО (угроза замерзания ТО)

0 – Норма

1 – Авария

  533.6

bool

R

Низк. ур

Низкий уровень воды в накопительной емкости

0 – Норма

1 – Авария

  533.7

bool

R

ПРМ

Обрыв связи с модулем ПРМ-1

0 – Норма

1 – Авария

  533.8

bool

R

Дат.Tпотр

Авария датчика Тпотр

0 – Норма

1 – Авария

  533.9

bool

R

Дат.Рвсас

Авария датчика Рвсас

0 – Норма

1 – Авария

  533.10

bool

R

Дат.Рнагн

Авария датчика Рнагн

0 – Норма

1 – Авария

  533.11

bool

R

Дат.Pпотр

Авария датчика Рпотр

0 – Норма

1 – Авария

  533.12

bool

R

Дат.Твх

Авария датчика Твх

0 – Норма

1 – Авария

  533.13

bool

R

Дат.Твых

Авария датчика Твых

0 – Норма

1 – Авария

  533.14

bool

R

Проток

Авария протока

0 – Норма

1 – Авария

534

word

R

Битовая маска аварий, часть 3

  534.0

bool

R

К1: НД

Сработало Реле НД компрессора 1

0 – Норма

1 – Авария

  534.1

bool

R

К1: ВД

Сработало Реле ВД компрессора 1

0 – Норма

1 – Авария

  534.2

bool

R

К1: РУМ

Авария по маслу компрессора 1

0 – Норма

1 – Авария

  534.3

bool

R

К2: НД

Сработало Реле НД компрессора 2

0 – Норма

1 – Авария

  534.4

bool

R

К2: ВД

Сработало Реле ВД компрессора 2

0 – Норма

1 – Авария

  534.5

bool

R

К2: РУМ

Авария по маслу компрессора 2

0 – Норма

1 – Авария

  534.6

bool

R

К3: НД

Сработало Реле НД компрессора 3

0 – Норма

1 – Авария

  534.7

bool

R

К3: ВД

Сработало Реле ВД компрессора 3

0 – Норма

1 – Авария

  534.8

bool

R

К3: РУМ

Авария по маслу компрессора 3

0 – Норма

1 – Авария

  534.9

bool

R

К4: НД

Сработало Реле НД компрессора 4

0 – Норма

1 – Авария

  534.10

bool

R

К4: ВД

Сработало Реле ВД компрессора 4

0 – Норма

1 – Авария

  534.11

bool

R

К4: РУМ

Авария по маслу компрессора 4

0 – Норма

1 – Авария

Конфигурация оборудования
Насос

537

word

R

Насос

Способ управления насосами

0 – Прямой пуск

1 – ПЧ

2 – Внешний контур

538

word

R

Количество насосов

Количество насосов

1...2

539

word

R

Цепь безопасности

Резервирование DI под цепь безопасности насосов

0 – Да

1 – Нет

Компрессоры

540

word

R

Комп

Тип управления компрессорами

0 – <Выбрать>

1 – Ступенчатое управление одиночными компрессорами

2 – 1-й компрессор с ПЧ, остальные одиночные

3 – Все компрессоры с разгрузочными устройствами

541

word

R

Количество компрессоров

Количество компрессоров

1...4

542

word

R

Количество разгрузочных устройств

Количество разгрузочных устройств, приходящихся на компрессор

1...3

543

word

R

DO для разгр:

Тип контакта DO для включения разгрузки

0 – NC

1 – NO

544

word

R

Регул. по

Регулирование по датчику

0 – Тпотр

1 – Твх

Конденсатор

545

word

R

Конд

Тип управления конденсатором

0 – <Выбрать>

1 – Ступени

2 – ПЧ+Ступени

546

word

R

DO 1-й ступ

Резервирование DO для включения 1-й ступени конденсатора при ее плавном регулировании

0 – Да

1 – Нет

547

word

R

Кол-во ступ

Количество ступеней конденсатора

1...6

548

word

R

Защ.вент

Тип защиты вентиляторов конденсатора

0 – Общая

1 – Индивидуальная

Общие

549

word

R

Соленоид

Резервирование выходного реле для управления соленоидом

0 – Да

1 – Нет

550

word

R

AI2

Назначение аналогового входа AI2

0 – Отключен

1 – Твыходная

2 – Твходная

3 – Давл. Рпотр.

551

word

R

Внеш.выкл-ль

Использовать внешнюю кнопку для старта и останова системы

0 – Да

1 – Нет

552

word

R

Реле аварии

Настройка использования выходного реле контроллера для включения аварийной сигнализации

0 – Да

1 – Нет

553

word

R

PDS на ТО

PDS на теплообменнике

0 – Да

1 – Нет

554

word

R

Ур.в емкости

Контроль уровня в емкости

0 – Да

1 – Нет

555

word

R

Пожар

Контроль сигнала о пожаре

0 – Да

1 – Нет

Наработка

560

word

R

Насос 1

Наработка насоса №1, ч

0...65535

561

word

R

Насос 2

Наработка насоса №2, ч

0...65535

562

word

R

Комп-р 1

Наработка компрессора №1, ч

0...65535

563

word

R

Комп-р 2

Наработка компрессора №2, ч

0...65535

564

word

R

Комп-р 3

Наработка компрессора №3, ч

0...65535

565

word

R

Комп-р 4

Наработка компрессора №4, ч

0...65535

566

word

R

КондСт 1

Наработка конденсатора, ступень №1, ч

0...65535

567

word

R

КондСт 2

Наработка конденсатора, ступень №2, ч

0...65535

568

word

R

КондСт 3

Наработка конденсатора, ступень №3, ч

0...65535

569

word

R

КондСт 4

Наработка конденсатора, ступень №4, ч

0...65535

570

word

R

КондСт 5

Наработка конденсатора, ступень №5, ч

0...65535

571

word

R

КондСт 6

Наработка конденсатора, ступень №6, ч

0...65535

572

word

W

Сброс

Сбросить время наработки

0 – <Выбрать>

1 – Насос 1

2 – Насос 2

3 – Компрессор 1

4 – Компрессор 2

5 – Компрессор 3

6 – Компрессор 4

7 – Конденсатор, ступень №1

8 – Конденсатор, ступень №2

9 – Конденсатор, ступень №3

10 – Конденсатор, ступень №4

11 – Конденсатор, ступень №5

12 – Конденсатор, ступень №6

13 – Все компрессоры

14 – Все конденсаторы

15 – Сброс всего

Управление

  576.0

bool

W

Перейти в режим «Пуск»

1 – Подача команды «Пуск»

  576.1

bool

W

Перейти в режим «Стоп»

1 – Подача команды «Стоп»

  576.2

bool

W

Сбросить аварии

1 – Подача команды «Сброс»

  576.3

bool

R/W

Раб.с компр

Разрешение работы конденсатора, только когда включен хотя бы один компрессор

0 – Нет

1 – Да

576.4

bool

R/W

СбросАвар

Настройка способа сброса аварии по низкому давлению всасывания

0 – авто

1 – ручной

577

word

R

Приоритет вывода реализован в соответствии с порядковым номером статуса:

1 – Критическая авария

2 – СТОП

3 – Произошла авария по Твых min и Твых не повысилась до Твых min + Дифф-л

4 – Произошла авария по Tпотр min и Tпотр не повысилась до Tпотр min + Дифф-л

5 – Произошла авария по Pн,max и Pнагн не понизилось до Pн,max - Дифф-л. Идет отработка аварийной стратегии

6 – Произошла авария по Pвс,min и Pвсас не повысилось до Pвс,min + Дифф-л

7 – Произошла авария по Tвх max и Tвх не понизилась до Tвх max - Дифф-л

8 – Произошла авария по Tвх min и Tвх не повысилась до Tвх min + Дифф-л

9 – Произошла авария по Pвс,max и Pвсас не понизилось до Pвс,max - Дифф-л

10 – Идет отсчет таймера на запуск первого компрессора

11 – Регулирование в Зоне+ (Тпотр > Тпотр,уст+НЗ/2)

12 – Регулирование в Зоне- (Тпотр < Тпотр,уст-НЗ/2)

13 – Регулирование в пределах Нейтральной Зоны

Примечание
0 – высший приоритет, 13 – низший
0...13
Настройки
Уставки

600

real

R/W

Тпотр,уст

Уставка температуры охлаждаемой жидкости потребителя, °С

-30…50,0

602

real

R/W

НЗ

Нейтральная зона регулируемой величины, °С

0...20

604

real

R/W

Рнагн,уст

Уставка давления нагнетания, бар

10…50

606

real

R/W

Рпотр,уст

Уставка давления воды потребителя, бар

(только для ПИ-регулирования производительности насоса с частотным преобразователем)

0…25

Настройки входов

608

word

R/W

Тпотр

Тип датчика температуры воды потребителя

0 – РТ1000

1 – NTC10K

609

word

R/W

B25/100

Коэффициент температурной чувствительности В25/100 термистора NTC10k

1...9999

610

word

R/W

Фильтр DI

Время фильтрации дискретных входов цепи защиты компрессоров и конденсаторов, в секундах

1...600

611

word

R/W

Тип дат

Тип датчика температуры подключенного к AI2

0 – Отключен

1 – РТ1000

2 – NTC10K

3 – 4...20 мА

612

word

R/W

B25/100

Коэффициент температурной чувствительности В25/100 термистора NTC10k на AI2

1...9999

613

real

R/W

4 мА

Нижняя граница измерения датчика давления воды, бар

-1...99

615

real

R/W

20 мА

Верхняя граница измерения датчика давления воды, бар

-1...99

617

real

R/W

Сдвиг

Сдвиг измеренного значения температуры (давления)

-100...100

619

real

R/W

4 мА

Нижняя граница измерения датчика давления всасывания, бар

-1...99

621

real

R/W

20 мА

Верхняя граница измерения датчика давления всасывания, бар

-1...99

623

real

R/W

Сдвиг

Сдвиг измеренного значения давления всасывания, бар

-100...100

625

real

R/W

4 мА

Нижняя граница измерения датчика давления нагнетания, бар

-1...99

627

real

R/W

20 мА

Верхняя граница измерения датчика давления нагнетания, бар

-1...99

629

real

R/W

Сдвиг

Сдвиг измеренного значения давления нагнетания, бар

-100...100

631

real

R/W

Сдвиг

Сдвиг измеренного значения Тпотр, °С

-100...100

Насосы

633

word

R/W

Откл. от ПЧ

Задержка отключения насоса-мастера от ПЧ, в секундах

1...360

634

real

R/W

Кп

Пропорциональный коэффициент ПИ-регулятора

0,1...9999

636

real

R/W

Ти

Время интегрирования ПИ-регулятора, в секундах

0...1000

638

real

R/W

ЧастотаMin

Минимальная рабочая частота насоса, Гц

10...50

640

real

R/W

ОтклВнешНЦ

Дельта от уставки для отключения внешнего насоса при аварии протока или НЦ1 ав-т

0...9,9

Компрессоры

642

word

R/W

Ти

Время интегрирования ПИ-регулятора, в секундах

0...1000

643

word

R/W

ЧастотаMax

Наибольшая допустимая частота работы ведущего компрессора, Гц

40...200

644

word

R/W

ЧастотаMin

Минимальная допустимая частота работы ведущего компрессора, Гц

0...60

645

word

R/W

ЧастотаВкл

Минимальная частота напряжения электродвигателя ведущего компрессора, требуемая для его пуска, Гц

0...60

646

real

R/W

Кп

Пропорциональный коэффициент ПИ-регулятора

0,1...9999

648

real

R/W

Мощн К1

Мощность ведущего компрессора, соответствующая работе на максимальной частоте, кВт

1...100

650

real

R/W

Мощн.опор

Мощность опорных компрессоров, кВт

1...100

Конденсатор

652

word

R/W

Ти

Время интегрирования ПИ-регулятора, в секундах

0...1000

653

real

R/W

Кп

Пропорциональный коэффициент ПИ-регулятора

0,1...9999

655

real

R/W

Uупр,min

Минимальная величина напряжения аналогового выхода, В

0...10

Таймеры

660

word

R/W

Вр.Смены

Время наработки, по достижении которого одним насосом, включается другой насос, в часах

1…120

661

word

R/W

Вр.Паузы

Время паузы между переключениями насосов при их чередовании, в секундах

0…360

662

word

R/W

ОжПротока

Время ожидания появления сигнала от реле протока ХВС с момента запуска насоса, в секундах

1…360

663

word

R/W

ВклПослеНЦ

Время задержки включения первого компрессора (по факту – открытия соленоида) после момента появления сигнала от реле протока при запуске чиллера в работу, в секундах

1…600

664

word

R/W

ВклПослеСол:

Время задержки включения первого компрессора после открытия соленоида, в секундах

1…60

665

word

R/W

ЗадержВкл

Время задержки включения ведущего компрессора, в секундах

0...3600

666

word

R/W

ЗадержОткл

Время задержки отключения ведущего компрессора, в секундах

0...600

667

word

R/W

МинВрРаботы

Минимальное время во включенном состоянии ведущего компрессора, в секундах

0…900

668

word

R/W

Повтор вкл

Время задержки на повторный запуск ведущего компрессора после момента его отключения, в минутах

1...60

669

word

R/W

ЗадержВкл

Время задержки включения опорных компрессоров, в секундах

0...3600

670

word

R/W

ЗадержОткл

Время задержки отключения опорных компрессоров, в секундах

0...600

671

word

R/W

МинВрРаботы

Минимальное время во включенном состоянии опорных компрессоров, в секундах

0…900

672

word

R/W

Повтор вкл

Время задержки на повторный запуск опорных компрессоров после момента их отключения, в минутах

1...60

673

word

R/W

ЗадержВкл

Время задержки включения разгрузочных устройств, в секундах

1...600

674

word

R/W

ЗадержОткл

Время задержки отключения разгрузочных устройств, в секундах

1...600

675

word

R/W

ЗадержВкл

Время задержки включения ступеней конденсатора, в секундах

1…250

676

word

R/W

ЗадержОткл

Время задержки отключения ступеней конденсатора, в секундах

1…250

Параметры защит

680

word

R/W

Задержка

Задержка срабатывания аварии по выходу температуры на входе в ТО за допустимый диапазон, в секундах

0...3600

681

word

R/W

Задержка

Задержка отработки аварии по высокому давлению всасывания, в секундах

1…99

682

word

R/W

Задержка

Задержка отработки аварии по низкому давлению всасывания, в секундах

0...99

683

word

R/W

СбросАвар

Сброс аварии по низкому давлению всасывания

0 – Ручной

1 – Авто

684

word

R/W

СбросАвар

Сброс аварии по высокому давлению нагнетания

0 – Ручной

1 – Авто

685

word

R/W

СбросАвар

Сброс аварии ступеней конденсатора

0 – Ручной

1 – Авто

686

real

R/W

Тпотр min

Минимальная допустимая температура потребителя, °C

0…50

688

real

R/W

Твых min

Минимальная допустимая температура на выходе из ТО, °C

-50...50

690

real

R/W

Дифф-л

Дифференциал снятия аварии по минимальной температуре выходящей и ТО воды / температуре воды потребителя, °С

0…20

692

real

R/W

Твх max

Максимальная допустимая температура хладоносителя на входе в ТО, °C

10…99

694

real

R/W

Твх min

Минимальная допустимая температура хладоносителя на входе в ТО, °C

-20…50

696

real

R/W

Дифф-л

Дифференциал снятия аварийного сигнала по выходу температуры на входе в ТО за допустимый диапазон, °С

0…20

698

real

R/W

Pвс,max

Максимальное допустимое значение давления всасывания, бар

1…30

700

real

R/W

Дифф-л

Дифференциал снятия аварии по высокому давлению всасывания, бар

0…10

702

real

R/W

Pвс,min

Минимальное допустимое значение давления всасывания хладагента, бар

0…10

704

real

R/W

Дифф-л

Дифференциал снятия аварии по низкому давлению всасывания, бар

0…5

706

real

R/W

Рн,max

Максимальное допустимое значение давления нагнетания, бар

10…99

708

real

R/W

Дифф-л

Дифференциал снятия аварии по высокому давлению нагнетания, бар

0…20

Предупреждающие сообщения

В данном руководстве применяются следующие предупреждения:

Опасность

Ключевое слово ОПАСНОСТЬ сообщает о непосредственной угрозе опасной ситуации, которая приведет к смерти или серьезной травме, если ее не предотвратить.

Внимание

Ключевое слово ВНИМАНИЕ сообщает о потенциально опасной ситуации, которая может привести к небольшим травмам.

Предупреждение

Ключевое слово ПРЕДУПРЕЖДЕНИЕ сообщает о потенциально опасной ситуации , которая может привести к повреждению имущества.

Примечание

Ключевое слово ПРИМЕЧАНИЕ обращает внимание на полезные советы и рекомендации, а также информацию для эффективной и безаварийной работы оборудования.

Ограничение ответственности

Ни при каких обстоятельствах ООО «Производственное Объединение ОВЕН» и его контрагенты не будут нести юридическую ответственность и не будут признавать за собой какие-либо обязательства в связи с любым ущербом, возникшим в результате установки или использования прибора с нарушением действующей нормативно-технической документации.