1-RU-53119-2.13

Руководство по эксплуатации

Введение

Настоящее Руководство по эксплуатации предназначено для ознакомления обслуживающего персонала с устройством, конструкцией, работой и техническим обслуживанием модулей дискретного ввода МВ210-212 и МВ210-214 (в дальнейшем по тексту именуемых «прибор» или «модуль»).

Подключение, настройка и техобслуживание прибора должны производиться только квалифицированными специалистами после прочтения настоящего руководства по эксплуатации.

Обозначение прибора при заказе: МВ210-212 и МВ210-214.

Используемые аббревиатуры

  • ПО – программное обеспечение.
  • ПК – персональный компьютер.
  • ПЛК – программируемый логический контроллер.
  • USB – последовательный интерфейс для подключения периферийных устройств к вычислительной технике.
  • UTC – всемирное координированное время.
  • RTC – часы реального времени.

Назначение

Модуль предназначен для сбора данных со встроенных дискретных входов и передачи их в сеть Ethernet к ПЛК, панельным контроллерам, компьютерам или иным устройствам.

В модуле реализовано 32 дискретных входа, предназначенных для подключения датчиков или сигналов следующих типов:

  • Для МВ210-212: контактный датчик, транзисторный ключ n-p-n типа, транзисторный ключ p-n-p типа.

  • Для МВ210-214: «сухой контакт», транзисторный ключ n-p-n типа.

Модуль предназначен для применения в промышленности и сельском хозяйстве.

Модуль выпускается согласно ТУ 26.51.70-019-46526536-2017.

Технические характеристики и условия эксплуатации

Технические характеристики

Технические характеристики
ХарактеристикаЗначение
Питание
Напряжение питанияОт 10 до 48 В (номинальное 24 В)
Потребляемая мощность (при питании 24 В), не более9 Вт
Защита от переполюсовки напряжения питанияЕсть
Гистерезис выключения дискретного входа0,5 В
Интерфейсы
Интерфейс обменаСдвоенный Ethernet 10/100 Mbit
Интерфейс конфигурированияUSB 2.0 (MicroUSB), Ethernet 10/100 Mbit
Протокол обмена

Modbus TCP;

MQTT;

SNMP;

NTP

Версия протоколаIPv4
Дискретные входы модуля МВ210-212
Количество входов32
Тип сигнала
  • контактный датчик (требует внешнее питание =24 В);
  • транзисторный ключ n-p-n типа;
  • транзисторный ключ p-n-p типа;
  • AB энкодер
Режимы работы
  • определение логического уровня;
  • подсчет количества высокочастотных импульсов (только первые 8);
  • измерение частоты (только первые 8);
  • обработка сигналов энкодера (до 3 AB энкодеров)
Минимальная длительность импульса, воспринимаемая дискретным входом (только для DI1–DI8)5 мкс (до 100 кГц)
Минимальная длительность единичного импульса (для входов DI9–DI20)1 мс (до 400 Гц)
Ток «логического нуля», не более1,2 мА
Ток «логической единицы», не более5,5 мА
Напряжение «логического нуля»0,0…6,1 В
Напряжение «логической единицы»8,8…30,0 В
Дискретные входы модуля МВ210-214
Количество входов32
Тип сигнала
  • «сухой контакт»;
  • транзисторный ключ n-p-n типа
Режимы работы
  • определение логического уровня;
  • подсчет числа импульсов
Минимальная длительность единичного импульса1 мс
Сопротивление контактов (ключа) и соединительных проводов, подключаемых к дискретному входу, не более100 Ом
Минимальное сопротивление утечки, не менее10 кОм
Flash-память (архив)
Количество циклов записи и стиранияДо 100000
Максимальный размер файла архива2 Кб
Максимальное количество файлов архива1000
Минимальный период записи архива10 секунд
Часы реального времени
Погрешность хода, не более:
– при температуре +25 °С3 секунды в сутки
– при температурах –40 °C и +55 °C10 секунд в сутки
Тип питания часов реального времениБатарея CR2032
Время работы часов реального времени на одной батарее6 лет
Общие характеристики
Габаритные размеры(82 × 124 × 83) ±0,5 мм
Степень защиты корпусаIP20
Cредняя наработка на отказ*60 000 ч
Средний срок службы10 лет
Масса, не более0,6 кг
Примечание
* Кроме элемента питания часов реального времени.

Изоляция узлов прибора

Схема гальванически изолированных узлов и прочность гальванической изоляции приведены на рисунке.

Graphic
Изоляция узлов прибора
Типы изоляции
ТипОписание
Основная (О)

Изоляция для частей оборудования, находящихся под напряжением, с целью защиты от поражения электрическим током. Электрическая прочность основной изоляции прибора проверяется типовыми испытаниями: приложением испытательного переменного напряжения, величина которого различна для различных цепей прибора

Дополнительная (Д)

Независимая изоляция, в дополнение к основной изоляции для гарантии защиты от поражения электрическим током в случае отказа основной изоляции. Электрическая прочность дополнительной изоляции прибора проверяется типовыми испытаниями испытательного переменного напряжения различной величины (действующее значение)

Предупреждение
Значение прочности изоляции указано для испытаний при нормальных климатических условиях (время воздействия – 1 минута) согласно ГОСТ IEC 61131-2.

Условия эксплуатации

Прибор отвечает требованиям по устойчивости к воздействию помех в соответствии с ГОСТ IEC 61131-2. По уровню излучения радиопомех (помехоэмиссии) прибор соответствует нормам, установленным для оборудования класса А по ГОСТ 30804.6.3. Прибор предназначен для эксплуатации в следующих условиях:

  • температура окружающего воздуха от минус 40 до плюс 55 °С;

  • относительная влажность воздуха от 10 % до 95 % (при +35 °С без конденсации влаги);
  • атмосферное давление от 84 до 106,7 кПа;
  • закрытые взрывобезопасные помещения без агрессивных паров и газов;
  • допустимая степень загрязнения 2 по ГОСТ IEC 61131-2.

По устойчивости к механическим воздействиям во время эксплуатации прибор соответствует ГОСТ IEC 61131-2.

По устойчивости к климатическим воздействиям во время эксплуатации прибор соответствует ГОСТ IEC 61131-2.

Прибор относится к приборам II класса электробезопасности по ГОСТ IEC 61131-2.

Меры безопасности

Во время эксплуатации и технического обслуживания следует соблюдать требования ГОСТ 12.3.019-80, «Правил эксплуатации электроустановок потребителей электрической энергии» и «Правил охраны труда при эксплуатации электроустановок потребителей».

Прибор следует устанавливать в специализированных шкафах, доступ внутрь которых разрешен только квалифицированным специалистам. Любые подключения к прибору и работы по его техническому обслуживанию следует проводить только при отключенном питании прибора и подключенных к нему устройств.

Не допускается попадание влаги на контакты выходных разъемов и внутренние элементы прибора.

Внимание
Запрещено использовать прибор при наличии в атмосфере кислот, щелочей, масел и иных агрессивных веществ.

Монтаж

Graphic
Верный монтаж

Прибор устанавливается в шкафу электрооборудования. Конструкция шкафа должна обеспечивать защиту прибора от попадания влаги, грязи и посторонних предметов.

Для установки прибора следует выполнить действия:

  1. Убедиться в наличии свободного пространства для подключения прибора и прокладки проводов.
  2. Закрепить прибор на DIN-рейке или на вертикальной поверхности с помощью винтов (см. рисунок).
Graphic
Неверный монтаж
Внимание
Во время монтажа необходимо свободное пространство минимум в 50 мм над прибором и под ним.
Graphic
Graphic
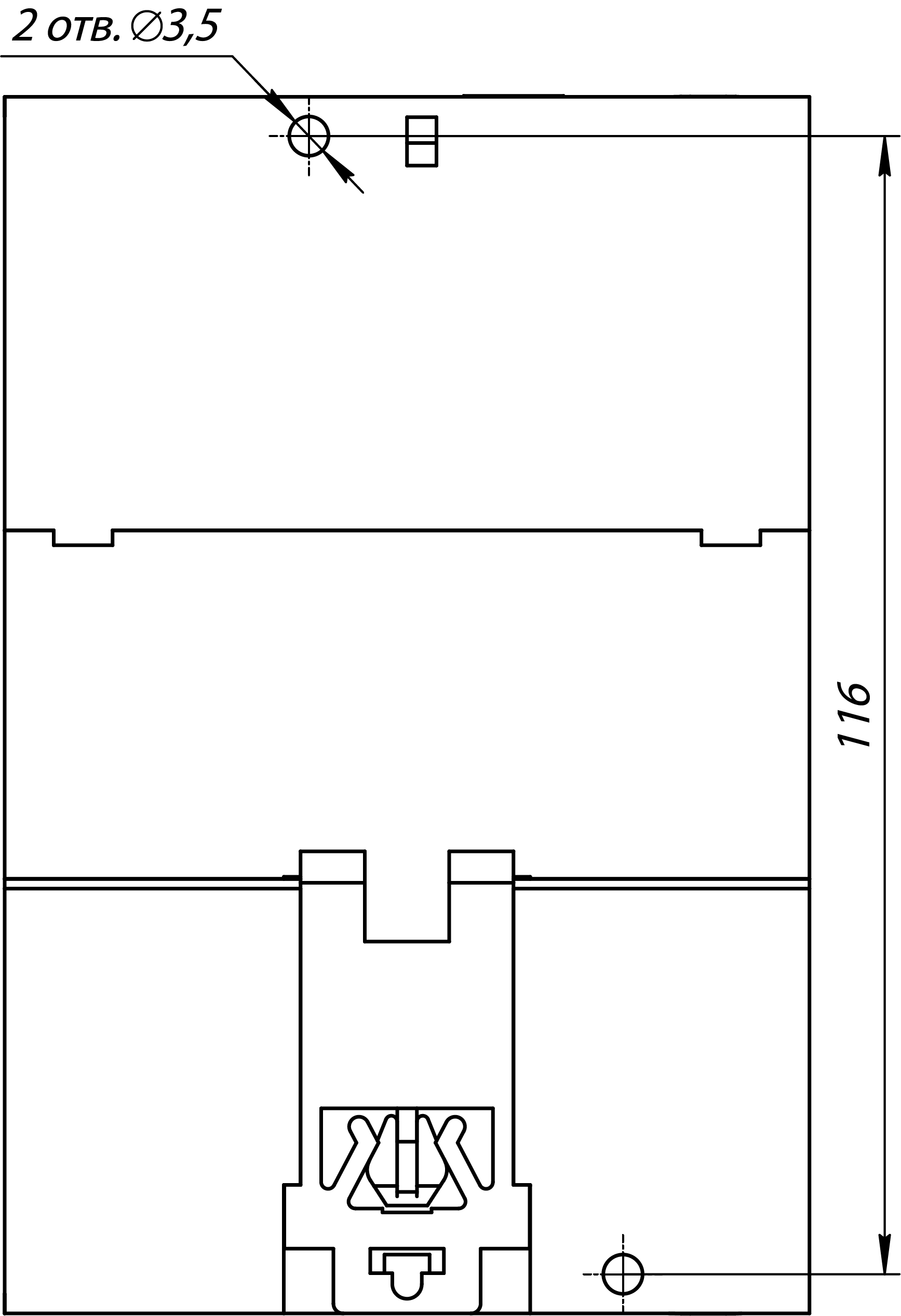
Габаритный чертеж
Установочные размеры

Подключение

Рекомендации по подключению

Внешние связи монтируют проводом сечением не более 0,75 мм2.

Для многожильных проводов следует использовать наконечники.

После монтажа провода следует уложить в кабельном канале корпуса прибора и закрыть крышкой.

Если необходимо снять клеммники модуля, то следует открутить два винта по углам клеммников.

Провода питания следует монтировать с помощью ответного клеммника из комплекта поставки.

Внимание
Подключение и техническое обслуживание производится только при отключенном питании прибора и подключенных к нему устройств.
Внимание
Запрещается подключать провода разного сечения к одной клемме.

Назначение контактов клеммника

Graphic
Назначение контактов клеммника
Назначение контактов
НаименованиеНазначение
DI1–DI32Входы DI1–DI32
COM (для МВ210-214)Общая точка питания входов
SS (для МВ210-212)

Назначение разъемов

Разъемы интерфейсов и питания прибора приведены на рисунке ниже.

Graphic
Разъемы прибора

Питание

Внимание
Рекомендуется применять источник питания с током нагрузки не более 8 А.
Внимание
Длина кабеля питания не должна превышать 30 м.

    

Graphic
Назначение контактов питания
Внимание
Использование источников питания без потенциальной развязки или с базовой (основной) изоляцией цепей низкого напряжения от линий переменного тока, может привести к появлению опасных напряжений в цепях.

Подключение к входам

Подключение к дискретным входам контактных датчиков

К прибору можно подключать до 32 датчиков типа «сухой контакт».

Цепи COM/SS объединены внутри прибора.

Схема подключения датчиков к МВ210-212 представлена на рисунке и на рисунке.

Graphic
Схема подключения к входам DI1–DI32 – вариант 1 (МВ210-212)
Graphic
Схема подключения к входам DI1–DI32 – вариант 2 (МВ210-212)
Примечание
Обе схемы равнозначны, допускается использование любой. В случае применения контактных датчиков совместно с датчиками, имеющими на выходе транзисторный ключ, схема подключения должна определяться типом транзисторных датчиков, согласно рисунку и рисунку.

Схема подключения датчиков к МВ210-214 представлена на рисунке.

Graphic
Схема подключения к входам DI1–DI32 МВ210-214

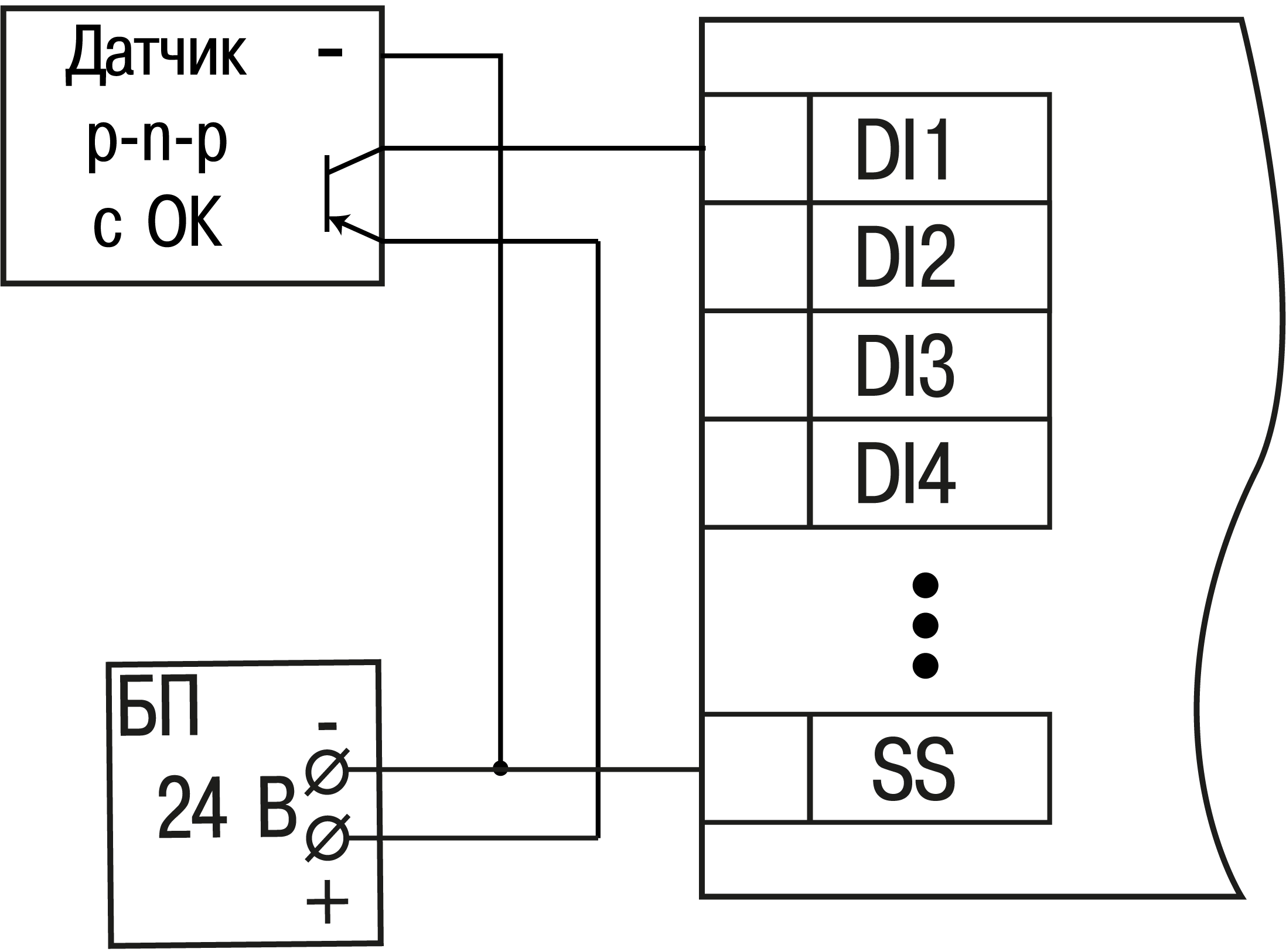
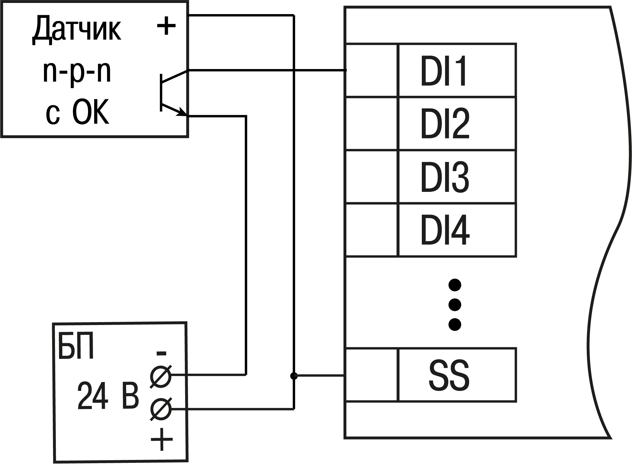
Подключение сигналов транзисторов p-n-p и n-p-n типов

Graphic
Подключение транзисторов p-n-p (МВ210-212)
Graphic
Подключение транзисторов n-p-n (МВ210-212)
Предупреждение
Для подключения транзисторов типа n-p-n к дискретным входам следует использовать отдельный источник питания для входов.  Клемма SS объединена со входом питания (см. раздел).
Graphic
Подключение транзисторов n-p-n (МВ210-214)

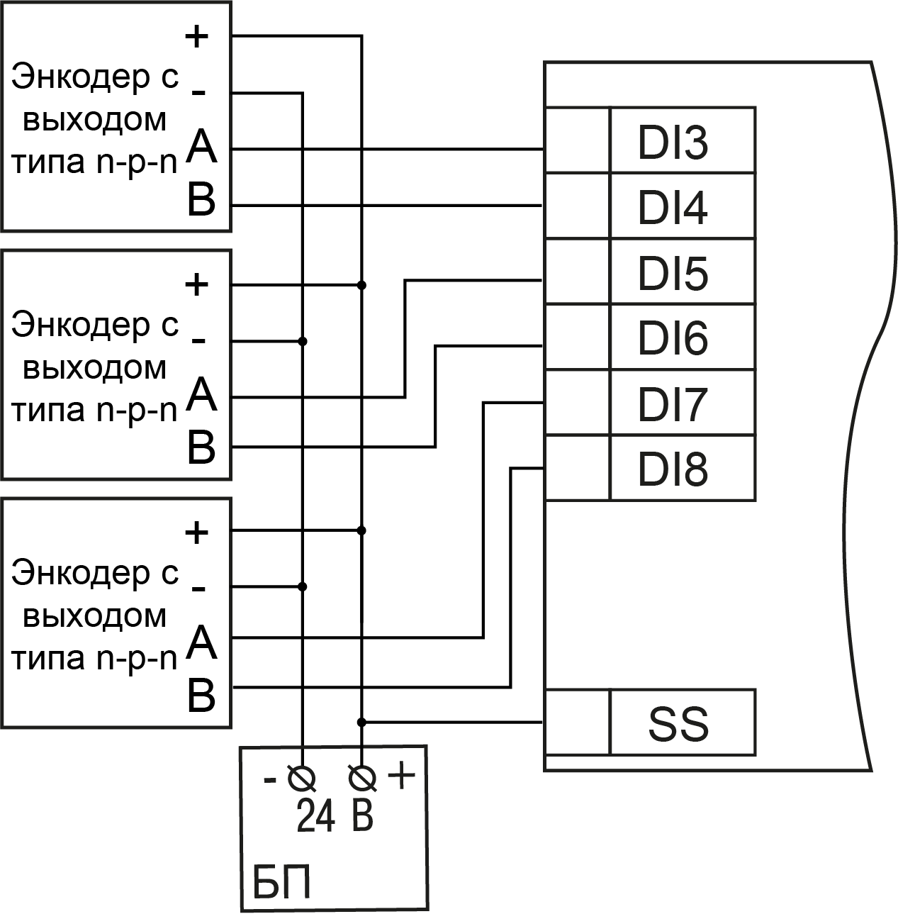
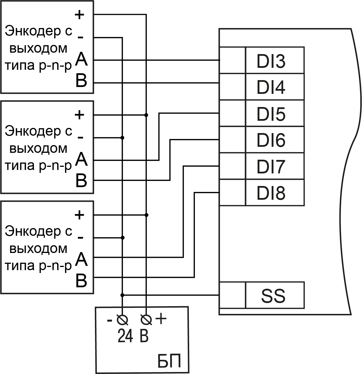
Подключение энкодеров p-n-p и n-p-n типов

На рисунках ниже представлено подключение энкодеров к модулю МВ210-212.

Graphic
Подключение энкодеров типа p-n-p
Graphic
Подключение энкодеров типа n-p-n

Подключение по интерфейсу Ethernet

Для подключения прибора к сети Ethernet можно использовать следующие схемы:

Graphic
Подключение по схеме «Звезда»
Предупреждение
  1. Максимальная длина линий связи – 100 м.
  2. Подключиться можно к любому Ethernet-порту прибора.
  3. Незадействованный Ethernet-порт следует закрыть заглушкой.

Для подключения по схеме «Цепочка» следует использовать оба Ethernet-порта прибора. Если прибор вышел из строя или отключилось питание, то данные будут передаваться с порта 1 на порт 2 без разрыва связи.

Graphic
Подключение по схеме «Цепочка»
Предупреждение
  1. Максимальная длина линии связи между двумя соседними активными устройствами при подключении по схеме «Цепочка» должна быть не более 100 м.
  2. Допускается смежная схема подключения.
  3. Незадействованный Ethernet-порт следует закрыть заглушкой.

Устройство и принцип работы

Принцип работы

Модуль получает команды от Мастера сети и в ответ отправляет информацию о состоянии дискретных входов.

В качестве Мастера сети можно использовать:

  • ПК;

  • ПЛК;
  • панель оператора;
  • удаленный облачный сервис.

Индикация и управление

На лицевой панели прибора расположены элементы индикации – светодиоды. Назначение светодиодов приведено в таблице.

Graphic
Лицевая панель прибора
Предупреждение

В нижней части лицевой панели расположено поле «IP».

Поле «IP» предназначено для нанесения IP-адреса модуля тонким маркером или на бумажной наклейке.

Назначение индикаторов
ИндикаторСостояние индикатораНазначение
Питание (зеленый)СветитсяНапряжение питания прибора подано (рабочий режим) / подано питание от USB (режим конфигурирования)*
Eth 1 (зеленый)МигаетПередача данных по порту 1 Ethernet
Eth 2 (зеленый)МигаетПередача данных по порту 2 Ethernet
Авария (красный)**Не светитсяСбои отсутствуют
Светится постоянноСбой основного приложения и/или конфигурации
Включается на 200 мс один раз в три секундыНеобходимо заменить батарею питания часов (напряжение батареи ниже 2 В)
Включается на 100 мс два раза в секунду (через паузу 400 мс)Модуль находится в безопасном состоянии
Включен 900 мс, 100 мс выключенАппаратный сбой периферии (Flash, RTC, Ethernet Switch)
Индикаторы состояния выходов (зеленый)Светится зеленымЗамкнутое состояние входа
Не светитсяРазомкнутое состояние входа
Примечание

* В режиме конфигурирования (при питании от USB и отсутствии основного питания) Ethernet-порты модуля находятся в режиме Ethernet Bypass, встроенный коммутатор не функционирует. Входы/выходы модуля не функционируют.

** Приоритеты индикации светодиода «Авария» от большего к меньшему: аппаратный сбой, программные ошибки, безопасный режим, уровень заряда батареи.

Под лицевой панелью расположены клеммники и сервисная кнопка.

Сервисная кнопка предназначена для выполнения следующих функций:

  • восстановление заводских настроек (раздел);

  • установка IP-адреса (раздел);

  • обновление встроенного программного обеспечения (раздел).

Часы реального времени

В приборе есть встроенные часы реального времени (RTC). Часы реального времени работают от собственного батарейного источника питания.

Отсчет времени производится по UTC в секундах, начиная с 00:00 01 января 2000 года. Значение RTC используется для записи в архив.

Подробнее о настройке часов реального времени см. раздел.

Запись архива

В модуль встроена флеш-память (flash), размеченная под файловую систему с шифрованием файлов. Алгоритм шифрования — Data Encryption Standard (DES) в режиме сцепления блоков шифротекста (CBC). В качестве ключа используется строка superkey. Вектор инициализации генерируется с помощью хеш-функции (см. приложение А). Аргументом функции является пароль, заданный в ПО Owen Configurator. В конце файла сохраняется контрольная сумма, рассчитанная по алгоритму CRC32 (контрольная сумма также шифрируется).

Архив модуля сохраняется в виде набора файлов. Период архивации, ограничение на размер одного файла и их количество задается пользователем в ПО Owen Configurator. Если архив полностью заполнен, то данные перезаписываются, начиная с самых старых данных самого старого файла.

Файл архива состоит из набора записей. Записи разделены символами переноса строки (0x0A0D). Каждая запись соответствует одному параметру и состоит из полей, разделенных символом «;» (без кавычек). Формат записи приведен в таблице ниже.

Формат записи в файле архива
ПараметрТипРазмерКомментарий
Метка времениBinary data4 байтаВ секундах начиная с 00:00 01.01.2000 (UTC+0)
РазделительСтрока1 байтСимвол «;» (без кавычек)
Уникальный идентификатор параметра (UID)Строка8 байтВ виде строки из HEX-символов с ведущими нулями
РазделительСтрока1 байтСимвол «;» (без кавычек)
Значение параметраСтроказависит от параметраВ виде строки из HEX-символов с ведущими нулями
РазделительСтрока1 байтСимвол «;» (без кавычек)
Статус параметраBinary data1 байт1 – значение параметра корректно, 0 – значение параметра некорректно и его дальнейшая обработка не рекомендована
Перенос строкиBinary data2 байта\n\r (0x0A0D)
Пример

Расшифрованная запись:

0x52 0x82 0xD1 0x24 0x3B 0x30 0x30 0x30 0x30 0x61 0x39 0x30 0x30 0x3B 0x30 0x30 0x30 0x30 0x30 0x30 0x30 0x31 0x3B 0x31 0x0A 0x0D

где

  • 0x52 0x82 0xD1 0x24 — метка времени. Для получения даты и времени в формате UnixTime следует изменить порядок байт на противоположный и добавить константу-смещение (число секунд между 00:00:00 01.01.1970 и 00:00:00 01.01.2000): 0x24D18252 (HEX) + 946684800 (DEC) = 1564394971 (DEC, соответствует 29 июля 2019 г., 10:09:31);

  • 0x3B — разделитель;

  • 0x30 0x30 0x30 0x30 0x61 0x39 0x30 0x30 — уникальный идентификатор параметра (00003ba00);

  • 0x30 0x30 0x30 0x30 0x30 0x30 0x30 0x31 — значение параметра (00000001);

  • 0x31 — статус параметра (1 – значение параметра корректно);

  • 0x0A 0x0D — символы переноса строки.

Прибор фиксирует время в архивных файлах по встроенным часам реального времени. Также можно задать часовой пояс, который будет считываться OwenCloud или внешним ПО. Запись во флеш-память (flash) происходит с определенной частотой, рассчитанной таким образом, чтобы ресурса флеш-памяти (flash) прибора хватило на срок не менее 10 лет работы.

Для чтения архива можно использовать:

  • облачный сервис OwenCloud (автоматическое чтение в случае потери и дальнейшего восстановления связи);

  • ПО Owen Configurator (например, для ручного анализа);

  • ПО пользователя (с помощью 20 функции Modbus).

Список архивируемых параметров доступен в Owen Configurator на вкладке Информация об устройстве. Порядок записи параметров в архив соответствует порядку параметров на вкладке.

Архив считывается с помощью 20 функции Modbus (0x14). Данная функция возвращает содержание регистров файла памяти и позволяет с помощью одного запроса прочитать одну или несколько записей из одного или нескольких файлов.

В запросе чтения файла для каждой записи указывается:

  • тип ссылки – 1 байт (должен быть равен 6);

  • номер файла – 2 байта;

  • начальный адрес регистра внутри файла – 2 байта;

  • количество регистров для чтения – 2 байта.

Примечание
Номер файла в запросе по Modbus рассчитывается как 4096 + порядковый номер файла. Порядковая нумерация файлов ведется с нуля. Параметр «Последний индекс архива» содержит порядковый номер файла архива, в который последний раз записывались данные.

Количество считываемых регистров в запросе должно быть подобрано таким образом, чтобы длина ответа не превышала допустимую длину пакета Modbus (256 байт).

Размер файла архива заранее неизвестен, поэтому следует считывать порции данных с помощью отдельных запросов. Если в ответ на запрос будет получено сообщение с кодом ошибки 0х04 (MODBUS_SLAVE_DEVICE_FAILURE), то можно сделать вывод, что адреса регистров в запросе находятся за пределами файла. Чтобы считать последние данные файла, требуется уменьшить количество регистров в запросе.

Примечание
Если отключить питание во время записи данных в архив, запись может не сохраниться.

Режимы обмена данными

Модуль поддерживает следующие режимы обмена данными:

  • обмен с Мастером по протоколу Modbus TCP (порт 502) — до 4 одновременных соединений с разными Мастерами сети;
  • соединение и обмен данными с ПК с помощью ПО OWEN Configurator;
  • обмен с удаленным облачным сервисом OwenCloud (необходим доступ в Интернет);
  • обмен по протоколу MQTT;
  • обмен по протоколу SNMP.

Работа по протоколу Modbus TCP

Чтение и запись параметров по протоколу Modbus TCP
ОперацияФункция
Чтение3 (0х03) или 4 (0х04)
Запись6 (0х06) или 16 (0х10)

Список регистров Modbus считывается с прибора с помощью ПО OWEN Configurator во вкладке Параметры устройства. А также список регистров Modbus представлен в таблицах ниже.

Общие регистры оперативного обмена по протоколу Modbus
НазваниеРегистрРазмер/тип/описание
Название (имя) прибора для показа пользователю (DEV)0xF000Символьная строка до 32 байт, кодировка Win1251
Версия встроенного ПО прибора для показа пользователю (VER)0xF010Символьная строка до 32 байт, кодировка Win1251
Название платформы0xF020Символьная строка до 32 байт, Win1251
Версия платформы0xF030Символьная строка до 32 байт, Win1251
Версия аппаратного обеспечения0xF040Символьная строка до 16 байт, Win1251
Дополнительная символьная информация0xF048Символьная строка до 16 байт, Win1251
Время и дата0xF0804 байта, в секундах с 2000 г
Часовой пояс 0xF0822 байта, signed short, смещение в минутах от Гринвича
Заводской номер прибора0xF084Символьная строка 32 байта, кодировка Win1251, используется 17 символов
Регистры обмена по протоколу ModBus
ПараметрЗначение (ед. изм.)Адрес регистраТип доступаФормат данных
DECHEX
Время и дата (UTC)с 2000 г., секунд615680xF080Только чтениеUINT 32
Новое времяс 2000 г., секунд615650xF07DЧтение и записьUINT 32
Записать новое время

0 – не записывать;

1 – записать

615670xF07FЧтение и записьUINT 16
Часовой пояссмещение в минутах от Гринвича615700xF082Чтение и записьUINT 16
Время в миллисекундах615630xF07ВТолько чтениеUINT 32
Текущий IP-адрес260x1AТолько чтениеUINT 32
Текущая маска подсети280x1CТолько чтениеUINT 32
Текущий IP-адрес шлюза300x1EТолько чтениеUINT 32
Установить IP-адрес200x14Чтение и записьUINT 32
Установить маску подсети220x16Чтение и записьUINT 32
Установить IP-адрес шлюза240x18Чтение и записьUINT 32
Режим DHCP

0 – полный запрет;

1 – только чтение;

2 – только запись

320x20Чтение и записьUINT 16
Подключение к OwenCloud

0 – выкл.;

1 – вкл.

350x23Чтение и записьUINT 16
Статус подключения к OwenCloud

0 – нет связи;

1 – соединение;

2 – работа;

3 – ошибка;

4 – нет пароля

360x24Только чтениеUINT 16
Тайм-аут перехода в безопасное состояние0...60 (секунд)7000х2BCЧтение и записьUINT 8
Разрешение конфигурирования из удаленного облачного сервиса

0 – заблокировано;

1 – разрешено

7010х2BDЧтение и записьUINT 16
Управление и запись значений из удаленного облачного сервиса

0 – заблокировано;

1 – разрешено

7020х2BEЧтение и записьUINT 16
Доступ к регистрам Modbus из удаленного облачного сервиса

0 – полный запрет;

1 – только чтение;

2 – только запись;

3 – полный доступ

7030x2BFЧтение и записьUINT 16
Статус прибора616200xF0B4Только чтениеUINT 32
MAC адрес616960xF100Только чтениеUINT 48
DNS сервер 1120xCЧтение и записьUINT 32
DNS сервер 2140xEЧтение и записьUINT 32
Состояние батареи (напряжение)0…3300 (мВ)8010x321Только чтениеUINT 16
Период архивирования

0…3600 (секунд);

заводская настройка – 30

9000x384Чтение и запись UINT 16
Состояние дискретных входов DI1–DI32, битовая маска0...4294967295510х33Только чтениеUINT 32
Дополнительный режим работы входа DI1*0 – отключен;

1 – подсчет импульсов;

2 – измерение периода;

3 – измерение частоты;

640х40Чтение и записьUINT 16
Дополнительный режим работы входа DI2*0 – отключен;

1 – подсчет импульсов;

2 – измерение периода;

3 – измерение частоты;

650х41Чтение и записьUINT 16
Дополнительный режим работы входа DI3*0 – отключен;

1 – подсчет импульсов;

2 – измерение периода;

3 – измерение частоты;

4 – обработка сигналов энкодера

660х42Чтение и записьUINT 16
Дополнительный режим работы входа DI4*0 – отключен;

1 – подсчет импульсов;

2 – измерение периода;

3 – измерение частоты;

4 – обработка сигналов энкодера

670х43Чтение и записьUINT 16
Дополнительный режим работы входа DI5*0 – отключен;

1 – подсчет импульсов;

2 – измерение периода;

3 – измерение частоты;

4 – обработка сигналов энкодера

680х44Чтение и записьUINT 16
Дополнительный режим работы входа DI6*0 – отключен;

1 – подсчет импульсов;

2 – измерение периода;

3 – измерение частоты;

4 – обработка сигналов энкодера

690х45Чтение и записьUINT 16
Дополнительный режим работы входа DI7*0 – отключен;

1 – подсчет импульсов;

2 – измерение периода;

3 – измерение частоты;

4 – обработка сигналов энкодера

700х46Чтение и записьUINT 16
Дополнительный режим работы входа DI8*0 – отключен;

1 – подсчет импульсов;

2 – измерение периода;

3 – измерение частоты;

4 – обработка сигналов энкодера

710х47Чтение и записьUINT 16
Включение фильтра антидребезга для входа DI10 – выкл.;

1 – вкл.

960х60Чтение и записьUINT 16
Включение фильтра антидребезга для входа DI20 – выкл.;

1 – вкл.

970х61Чтение и записьUINT 16
Включение фильтра антидребезга для входа DI30 – выкл.;

1 – вкл.

980х62Чтение и записьUINT 16
Включение фильтра антидребезга для входа DI40 – выкл.;

1 – вкл.

990х63Чтение и записьUINT 16
Включение фильтра антидребезга для входа DI50 – выкл.;

1 – вкл.

1000х64Чтение и записьUINT 16
Включение фильтра антидребезга для входа DI60 – выкл.;

1 – вкл.

1010х65Чтение и записьUINT 16
Включение фильтра антидребезга для входа DI70 – выкл.;

1 – вкл.

1020х66Чтение и записьUINT 16
Включение фильтра антидребезга для входа DI80 – выкл.;

1 – вкл.

1030х67Чтение и записьUINT 16
Включение фильтра антидребезга для входа DI90 – выкл.;

1 – вкл.

1040х68Чтение и записьUINT 16
Включение фильтра антидребезга для входа DI100 – выкл.;

1 – вкл.

1050х69Чтение и записьUINT 16
Включение фильтра антидребезга для входа DI110 – выкл.;

1 – вкл.

1060х6АЧтение и записьUINT 16
Включение фильтра антидребезга для входа DI120 – выкл.;

1 – вкл.

1070х6ВЧтение и записьUINT 16
Включение фильтра антидребезга для входа DI130 – выкл.;

1 – вкл.

1080х6CЧтение и записьUINT 16
Включение фильтра антидребезга для входа DI140 – выкл.;

1 – вкл.

1090х6DЧтение и записьUINT 16
Включение фильтра антидребезга для входа DI150 – выкл.;

1 – вкл.

1100х6EЧтение и записьUINT 16
Включение фильтра антидребезга для входа DI160 – выкл.;

1 – вкл.

1110х6FЧтение и записьUINT 16
Включение фильтра антидребезга для входа DI170 – выкл.;

1 – вкл.

1120х70Чтение и записьUINT 16
Включение фильтра антидребезга для входа DI180 – выкл.;

1 – вкл.

1130х71Чтение и записьUINT 16
Включение фильтра антидребезга для входа DI190 – выкл.;

1 – вкл.

1140х72Чтение и записьUINT 16
Включение фильтра антидребезга для входа DI200 – выкл.;

1 – вкл.

1150х73Чтение и записьUINT 16
Включение фильтра антидребезга для входа DI210 – выкл.;

1 – вкл.

1160х74Чтение и записьUINT 16
Включение фильтра антидребезга для входа DI220 – выкл.;

1 – вкл.

1170х75Чтение и записьUINT 16
Включение фильтра антидребезга для входа DI230 – выкл.;

1 – вкл.

1180х76Чтение и записьUINT 16
Включение фильтра антидребезга для входа DI240 – выкл.;

1 – вкл.

1190х77Чтение и записьUINT 16
Включение фильтра антидребезга для входа DI250 – выкл.;

1 – вкл.

1200х78Чтение и записьUINT 16
Включение фильтра антидребезга для входа DI260 – выкл.;

1 – вкл.

1210х79Чтение и записьUINT 16
Включение фильтра антидребезга для входа DI270 – выкл.;

1 – вкл.

1220х7АЧтение и записьUINT 16
Включение фильтра антидребезга для входа DI280 – выкл.;

1 – вкл.

1230х7ВЧтение и записьUINT 16
Включение фильтра антидребезга для входа DI290 – выкл.;

1 – вкл.

1240х7СЧтение и записьUINT 16
Включение фильтра антидребезга для входа DI300 – выкл.;

1 – вкл.

1250х7DЧтение и записьUINT 16
Включение фильтра антидребезга для входа DI310 – выкл.;

1 – вкл.

1260х7EЧтение и записьUINT 16
Включение фильтра антидребезга для входа DI320 – выкл.;

1 – вкл.

1270х7FЧтение и записьUINT 16
Период измерения частоты входа DI1*0 – 10 миллисекунд;

1 – 100 миллисекунд;

2 – 1 секунда;

3 – 10 секунд

1280х80Чтение и записьUINT 16
Период измерения частоты входа DI2*0 – 10 миллисекунд;

1 – 100 миллисекунд;

2 – 1 секунда;

3 – 10 секунд

1290х81Чтение и записьUINT 16
Период измерения частоты входа DI3*0 – 10 миллисекунд;

1 – 100 миллисекунд;

2 – 1 секунда;

3 – 10 секунд

1300х82Чтение и записьUINT 16
Период измерения частоты входа DI4*0 – 10 миллисекунд;

1 – 100 миллисекунд;

2 – 1 секунда;

3 – 10 секунд

1310х83Чтение и записьUINT 16
Период измерения частоты входа DI5*0 – 10 миллисекунд;

1 – 100 миллисекунд;

2 – 1 секунда;

3 – 10 секунд

1320х84Чтение и записьUINT 16
Период измерения частоты входа DI6*0 – 10 миллисекунд;

1 – 100 миллисекунд;

2 – 1 секунда;

3 – 10 секунд

1330х85Чтение и записьUINT 16
Период измерения частоты входа DI7*0 – 10 миллисекунд;

1 – 100 миллисекунд;

2 – 1 секунда;

3 – 10 секунд

1340х86Чтение и записьUINT 16
Период измерения частоты входа DI8*0 – 10 миллисекунд;

1 – 100 миллисекунд;

2 – 1 секунда;

3 – 10 секунд

1350х87Чтение и записьUINT 16
Значение входа DI1 в дополнительном режиме*

0...4294967295 (импульсы) – режим 1;

10…4294967295 (мс) – режим 2

100… 4294967295 (Гц) – режим 3;

0...4294967295 (импульсы) – режим 4

1600хА0Только чтениеUINT 32
Значение входа DI2 в дополнительном режиме*

0...4294967295 (импульсы) – режим 1;

10…4294967295 (мс) – режим 2

100… 4294967295 (Гц) – режим 3;

0...4294967295 (импульсы) – режим 4

1620хА2Только чтениеUINT 32
Значение входа DI3 в дополнительном режиме*

0...4294967295 (импульсы) – режим 1;

10…4294967295 (мс) – режим 2

100… 4294967295 (Гц) – режим 3;

0...4294967295 (импульсы) – режим 4

1640хА4Только чтениеUINT 32
Значение входа DI4 в дополнительном режиме*

0...4294967295 (импульсы) – режим 1;

10…4294967295 (мс) – режим 2

100… 4294967295 (Гц) – режим 3;

0...4294967295 (импульсы) – режим 4

1660xA6Только чтениеUINT 32
Значение входа DI5 в дополнительном режиме*

0...4294967295 (импульсы) – режим 1;

10…4294967295 (мс) – режим 2

100… 4294967295 (Гц) – режим 3;

0...4294967295 (импульсы) – режим 4

1680xA8Только чтениеUINT 32
Значение входа DI6 в дополнительном режиме*

0...4294967295 (импульсы) – режим 1;

10…4294967295 (мс) – режим 2

100… 4294967295 (Гц) – режим 3;

0...4294967295 (импульсы) – режим 4

1700xAAТолько чтениеUINT 32
Значение входа DI7 в дополнительном режиме*

0...4294967295 (импульсы) – режим 1;

10…4294967295 (мс) – режим 2

100… 4294967295 (Гц) – режим 3;

0...4294967295 (импульсы) – режим 4

1720xACТолько чтениеUINT 32
Значение входа DI8 в дополнительном режиме*

0...4294967295 (импульсы) – режим 1;

10…4294967295 (мс) – режим 2

100… 4294967295 (Гц) – режим 3;

0...4294967295 (импульсы) – режим 4

1740хАЕТолько чтениеUINT 32
Значение счетчика импульсов входа DI90...4294967295 (импульсы)1760хB0Только чтениеUINT 32
Значение счетчика импульсов входа DI100...4294967295 (импульсы)1780хB2Только чтениеUINT 32
Значение счетчика импульсов входа DI110...4294967295 (импульсы)1800хB4Только чтениеUINT 32
Значение счетчика импульсов входа DI120...4294967295 (импульсы)1820хB6Только чтениеUINT 32
Значение счетчика импульсов входа DI130...4294967295 (импульсы)1840хB8Только чтениеUINT 32
Значение счетчика импульсов входа DI140...4294967295 (импульсы)1860хBAТолько чтениеUINT 32
Значение счетчика импульсов входа DI150...4294967295 (импульсы)1880хBCТолько чтениеUINT 32
Значение счетчика импульсов входа DI160...4294967295 (импульсы)1900хBEТолько чтениеUINT 32
Значение счетчика импульсов входа DI170...4294967295 (импульсы)1920хC01Только чтениеUINT 32
Значение счетчика импульсов входа DI180...4294967295 (импульсы)1940хC2Только чтениеUINT 32
Значение счетчика импульсов входа DI190...4294967295 (импульсы)1960хC4Только чтениеUINT 32
Значение счетчика импульсов входа DI200...4294967295 (импульсы)1980хC6Только чтениеUINT 32
Значение счетчика импульсов входа DI210...4294967295 (импульсы)2000хC8Только чтениеUINT 32
Значение счетчика импульсов входа DI220...4294967295 (импульсы)2020хCAТолько чтениеUINT 32
Значение счетчика импульсов входа DI230...4294967295 (импульсы)2040хCCТолько чтениеUINT 32
Значение счетчика импульсов входа DI240...4294967295 (импульсы)2060хCEТолько чтениеUINT 32
Значение счетчика импульсов входа DI250...4294967295 (импульсы)2080хD0Только чтениеUINT 32
Значение счетчика импульсов входа DI260...4294967295 (импульсы)2100хD2Только чтениеUINT 32
Значение счетчика импульсов входа DI270...4294967295 (импульсы)2120хD4Только чтениеUINT 32
Значение счетчика импульсов входа DI280...4294967295 (импульсы)2140хD6Только чтениеUINT 32
Значение счетчика импульсов входа DI290...4294967295 (импульсы)2160хD8Только чтениеUINT 32
Значение счетчика импульсов входа DI300...4294967295 (импульсы)2180хDAТолько чтениеUINT 32
Значение счетчика импульсов входа DI310...4294967295 (импульсы)2200хDCТолько чтениеUINT 32
Значение счетчика импульсов входа DI320...4294967295 (импульсы)2220хDEТолько чтениеUINT 32
Сброс значения дополнительного режима входа DI1*

0 – сбросить;

1 – не сброшен

2240хE0Чтение и записьUINT 16
Сброс значения дополнительного режима входа DI2*

0 – сбросить;

1 – не сброшен

2250хE1Чтение и записьUINT 16
Сброс значения дополнительного режима входа DI3*

0 – сбросить;

1 – не сброшен

2260хE2Чтение и записьUINT 16
Сброс значения дополнительного режима входа DI4*

0 – сбросить;

1 – не сброшен

2270хE3Чтение и записьUINT 16
Сброс значения дополнительного режима входа DI5*

0 – сбросить;

1 – не сброшен

2280хE4Чтение и записьUINT 16
Сброс значения дополнительного режима входа DI6*

0 – сбросить;

1 – не сброшен

2290хE5Чтение и записьUINT 16
Сброс значения дополнительного режима входа DI7*

0 – сбросить;

1 – не сброшен

2300хE6Чтение и записьUINT 16
Сброс значения дополнительного режима входа DI8*

0 – сбросить;

1 – не сброшен

2310хE7Чтение и записьUINT 16
Сброс значения счетчика импульсов входа DI9

0 – сбросить;

1 – не сброшен

2320хE8Чтение и записьUINT 16
Сброс значения счетчика импульсов входа DI10

0 – сбросить;

1 – не сброшен

2330хE9Чтение и записьUINT 16
Сброс значения счетчика импульсов входа DI11

0 – сбросить;

1 – не сброшен

2340хEAЧтение и записьUINT 16
Сброс значения счетчика импульсов входа DI12

0 – сбросить;

1 – не сброшен

2350хEBЧтение и записьUINT 16
Сброс значения счетчика импульсов входа DI13

0 – сбросить;

1 – не сброшен

2360хECЧтение и записьUINT 16
Сброс значения счетчика импульсов входа DI14

0 – сбросить;

1 – не сброшен

2370хEDЧтение и записьUINT 16
Сброс значения счетчика импульсов входа DI15

0 – сбросить;

1 – не сброшен

2380хEEЧтение и записьUINT 16
Сброс значения счетчика импульсов входа DI16

0 – сбросить;

1 – не сброшен

2390хEFЧтение и записьUINT 16
Сброс значения счетчика импульсов входа DI17

0 – сбросить;

1 – не сброшен

2400хF0Чтение и записьUINT 16
Сброс значения счетчика импульсов входа DI18

0 – сбросить;

1 – не сброшен

2410хF1Чтение и записьUINT 16
Сброс значения счетчика импульсов входа DI19

0 – сбросить;

1 – не сброшен

2420хF2Чтение и записьUINT 16
Сброс значения счетчика импульсов входа DI20

0 – сбросить;

1 – не сброшен

2430хF3Чтение и записьUINT 16
Сброс значения счетчика импульсов входа DI21

0 – сбросить;

1 – не сброшен

2440хF4Чтение и записьUINT 16
Сброс значения счетчика импульсов входа DI22

0 – сбросить;

1 – не сброшен

2450хF5Чтение и записьUINT 16
Сброс значения счетчика импульсов входа DI23

0 – сбросить;

1 – не сброшен

2460хF6Чтение и записьUINT 16
Сброс значения счетчика импульсов входа DI24

0 – сбросить;

1 – не сброшен

2470хF7Чтение и записьUINT 16
Сброс значения счетчика импульсов входа DI25

0 – сбросить;

1 – не сброшен

2480хF8Чтение и записьUINT 16
Сброс значения счетчика импульсов входа DI26

0 – сбросить;

1 – не сброшен

2490хF9Чтение и записьUINT 16
Сброс значения счетчика импульсов входа DI27

0 – сбросить;

1 – не сброшен

2500хFAЧтение и записьUINT 16
Сброс значения счетчика импульсов входа DI28

0 – сбросить;

1 – не сброшен

2510хFBЧтение и записьUINT 16
Сброс значения счетчика импульсов входа DI29

0 – сбросить;

1 – не сброшен

2520хFCЧтение и записьUINT 16
Сброс значения счетчика импульсов входа DI30

0 – сбросить;

1 – не сброшен

2530хFDЧтение и записьUINT 16
Сброс значения счетчика импульсов входа DI31

0 – сбросить;

1 – не сброшен

2540хFEЧтение и записьUINT 16
Сброс значения счетчика импульсов входа DI32

0 – сбросить;

1 – не сброшен

2550хFFЧтение и записьUINT 16
Включение/Отключение NTP

0 – выкл.;

1 – вкл.

56320x1600Чтение и записьUINT 16
Пул NTP серверов56330x1601Чтение и записьSTRING 256
NTP сервер 156970x1641Чтение и записьUINT 32
NTP сервер 256990x6143Чтение и записьUINT 32
Период синхронизации NTP5…65535 с57010x1645Чтение и записьUINT 16
Статус NTP

0 – отключено;

1 – опрос;

2 – синхронизировано

57020x1646Чтение и записьUINT 16
Подключение к брокеру MQTT

0 – выкл.;

1 – вкл.

58880x1700Только чтениеUINT 16
Логин MQTT59280x1728Чтение и записьSTRING 256
Пароль MQTT59600x1748Чтение и записьSTRING 256
Имя устройства MQTT58960x1708Чтение и записьSTRING 256
Адрес брокера MQTT59930x1769Чтение и записьSTRING 256
Порт MQTT0…6553558910x1703Чтение и записьUINT 16
Хранение последнего сообщения MQTT

0 – выкл.;

1 – вкл.

58950x1707Чтение и записьUINT 16
Интервал публикации MQTT5…600 с58920x1704Чтение и записьUINT 16
Качество обслуживания MQTT

0 – QoS0;

1 – QoS1;

2 – QoS2

58930x1705Чтение и записьUINT 16
Интервал Keep Alive MQTT0…600 с59920x1768Чтение и записьUINT 16
Статус MQTT

0 – отключено;

1 – опрос;

2 – синхронизировано

60250x1789Только чтениеUINT 16
Включить (MQTTstatus)

0 – выкл.;

1 – вкл.

60260x158AЧтение и записьUINT 16
Включение/Отключение SNMP

0 – выкл.;

1 – вкл.

51200x1400Чтение и записьUINT 16
Сообщество для чтения SNMP60010x1771Чтение и записьSTRING 256
Сообщество для записи SNMP60170x1781Чтение и записьSTRING 256
IP адрес для ловушки SNMP51210x1401Чтение и записьUINT 32
Номер порта для ловушки0…6553551230x1403Чтение и записьUINT 16
Версия SNMP

0 – SNMPv1;

1 – SNMPv2

51240x1404Чтение и записьUINT 16
Примечание
* Только для модуля МВ210-212.

Коды ошибок для протокола Modbus

Во время работы модуля по протоколу Modbus возможно возникновение ошибок, представленных в таблице. В случае возникновения ошибки модуль отправляет Мастеру сети ответ с кодом ошибки.

Список возможных ошибок
Название ошибкиВозвращаемый кодОписание ошибки
MODBUS_ILLEGAL_FUNCTION01 (0x01)Недопустимый код функции – ошибка возникает, если модуль не поддерживает функцию Modbus, указанную в запросе
MODBUS_ILLEGAL_DATA_ADDRESS02 (0x02)Недопустимый адрес регистра – ошибка возникает, если в запросе указаны адреса регистров, отсутствующие в модуле
MODBUS_ILLEGAL_DATA_VALUE03 (0x03)Недопустимое значение данных – ошибка возникает, если запрос содержит недопустимое значение для записи в регистр
MODBUS_SLAVE_DEVICE_FAILURE04 (0x04)Ошибка возникает, если запрошенное действие не может быть завершено

Во время обмена по протоколу Modbus модуль проверяет соответствие запросов спецификации Modbus. Не прошедшие проверку запросы игнорируются модулем. Запросы, в которых указан адрес, не соответствующий адресу модуля, также игнорируются.

Далее проверяется код функции. Если в модуль приходит запрос с кодом функции, не указанной в таблице, возникает ошибка MODBUS_ILLEGAL_FUNCTION.

Список поддерживаемых функций
Название функцииКод функцииОписание функции
MODBUS_READ_HOLDING_REGISTERS3 (0x03)Чтение значений из одного или нескольких регистров хранения
MODBUS_READ_INPUT_REGISTERS4 (0x04)Чтение значений из одного или нескольких регистров ввода
MODBUS_WRITE_SINGLE_REGISTER6 (0x06)Запись значения в один регистр
MODBUS_WRITE_MULTIPLE_REGISTERS16 (0x10)Запись значений в несколько регистров
MODBUS_READ_FILE_RECORD20 (0x14)Чтение архива из файла
MODBUS_WRITE_FILE_RECORD21 (0x15)Запись архива в файл

Ситуации, приводящие к возникновению ошибок во время работы с регистрами, описаны в таблице.

Ошибки во время работы с регистрами
Используемая функцияНаименование ошибкиВозможные ситуации, приводящие к ошибке

MODBUS_READ_HOLDING_REGISTERS

MODBUS_ILLEGAL_DATA_ADDRESS

  • количество запрашиваемых регистров больше максимального возможного числа (125);
  • запрос несуществующего параметра

MODBUS_READ_INPUT_REGISTERS

MODBUS_ILLEGAL_DATA_ADDRESS

  • количество запрашиваемых регистров больше максимального возможного числа (125);
  • запрос несуществующего параметра

MODBUS_WRITE_SINGLE_REGISTER

MODBUS_ILLEGAL_DATA_ADDRESS

  • попытка записи параметра, размер которого превышает 2 байта;
  • попытка записи параметра, доступ на запись к которому запрещен;
  • попытка записи параметра такого типа, запись в который не может быть осуществлена данной функцией. Поддерживаемые типы:

    • знаковые и беззнаковые целые (размер не более 2 байт);
    • перечисляемые;

    • float16 (на данный момент в модуле такой тип не используется).

  • запрос несуществующего параметра

MODBUS_ILLEGAL_DATA_VALUE

  • выход за пределы максимального или минимального ограничений для параметра

MODBUS_WRITE_MULTIPLE_REGISTERS

MODBUS_ILLEGAL_DATA_ADDRESS

  • запись несуществующего параметра;
  • попытка записи параметра, доступ на запись к которому запрещен;
  • количество записываемых регистров больше максимального возможного числа (123)

MODBUS_ILLEGAL_DATA_VALUE

  • не найден терминирующий символ (\0) в строковом параметре;

  • размер запрашиваемых данных меньше размера первого или последнего в запросе параметра;

  • выход за пределы максимального или минимального ограничений для параметра

Ситуации, приводящие к возникновению ошибок во время работы с архивом, описаны в таблице.

Ошибки во время работы с архивом
Используемая функцияНаименование ошибкиВозможные ситуации, приводящие к ошибке

MODBUS_READ_FILE_RECORD

MODBUS_ILLEGAL_FUNCTION

  • ошибочный размер данных (0x07 <= data length <= 0xF5)

MODBUS_ILLEGAL_DATA_ADDRESS

  • reference type не соответствует спецификации;

  • не удалось открыть файл для чтения (возможно, он отсутствует)

MODBUS_ILLEGAL_DATA_VALUE

  • не удалось переместиться к нужному смещению в файле

MODBUS_SLAVE_DEVICE_FAILURE

  • ошибка удаления файла при запросе на удаление;

  • запрос слишком большого количества данных (больше 250 байт);

  • недопустимый record number (больше 0x270F);

  • недопустимый record length (больше 0x7A)

MODBUS_WRITE_FILE_RECORD

MODBUS_ILLEGAL_FUNCTION

  • ошибочный размер данных (0x09 <= data length <= 0xFB)

MODBUS_ILLEGAL_DATA_ADDRESS

  • reference type не соответствует спецификации;

  • не удалось открыть файл для записи

MODBUS_SLAVE_DEVICE_FAILURE

  • запрашиваемый файл отсутствует;

  • запрашиваемый файл доступен только для чтения;

  • не удалось записать необходимое количество байт

Работа по протоколу MQTT

Архитектура MQTT определяет три типа устройств в сети:

  • брокер – устройство (обычно – ПК с серверным ПО), которое осуществляет передачу сообщений от издателей к подписчикам;
  • издатели – устройства, которые являются источниками данных для подписчиков;
  • подписчики – устройства, которые получают данные от издателей.

Одно устройство может совмещать функции издателя и подписчика.

Graphic
Структурная схема обмена по протоколу MQTT

Подписка и публикация данных происходит в рамках топиков. Топик представляет собой символьную строку с кодировкой UTF-8, которая позволяет однозначно идентифицировать определенный параметр. Топики состоят из уровней, разделяемых симводом «/».

Примечание
Топики MQTT могут включать в себя заполнители – специальные символы, которые обрабатываются брокером особым образом. Существует два типа заполнителей – одноуровневый заполнитель «+» и многоуровневый заполнитель «#».
Предупреждение
Топики являются чувствительными к регистру.

Структура топиков модулей: Серия/Имя_устройства/Функция/Имя_узла/Параметр, где:

  • Серия – наименование серии устройства, всегда имеет значение МХ210;
  • Имя_устройства – имя конкретного модуля, заданное в ПО Owen Configurator (см. раздел);
  • Функция – GET (чтение значений входов или выходов) или SET (запись значений выходов модуля);
  • Имя_узла – тип входов или выходов (DI/DI/AI/AO);
  • Параметр – название конкретного параметра (см. таблицу).
Уровни топиков модуля
СерияИмя устройстваФункцияИмя узлаПараметрОписаниеФормат значения
MX210DeviceGETDIMASKБитовая маска дискретных входовЦелочисленный
MX210DeviceGETDI1–DI20COUNTERЗначение счетчика / дополнительного режима*Целочисленный
Примечание
* Только для МВ210-212
Пример

1. Чтение значения дискретных входов

MX210/Device/GET/DI/MASK

Пример полученного значения: 15 (замкнуты входы 1–4)

2. Использование одноуровневого заполнителя

MX210/Device1/SET/+/COUNTER – будет получена информация о значениях счетчиков всех дискретных входов модуля, то есть этот топик эквивалентен набору топиков:

MX210/Device1/GET/DI1/COUNTER

MX210/Device1/GET/DI2/COUNTER

MX210/Device1/GET/…/COUNTER

MX210/Device1/GET/DIn/COUNTER

3. Использование многоуровневого заполнителя

MX210/Device1/GET/# – будет получена информация о всех параметрах модуля, доступных для чтения (GET), то есть этот топик эквивалентен набору топиков:

MX210/Device1/GET/DI/MASK

MX210/Device1/GET/DI1/COUNTER

MX210/Device1/GET/DI2/COUNTER

MX210/Device1/GET/…/COUNTER

MX210/Device1/GET/DIn/COUNTER

Работа по протоколу SNMP

Протокол основан на архитектуре «Клиент/Сервер», при этом в терминологии протокола клиенты называются менеджерами, а серверы – агентами.

Менеджеры могут производить чтение (GET) и запись (SET) параметров агентов. Агенты могут отправлять менеджерам уведомления (трапы) – например, о переходе оборудования в аварийное состояние.

Каждый параметр агента имеет уникальный идентификатор (OID), представляющий собой последовательность цифр, разделенных точками. Для упрощения настройки обмена производители устройств-агентов обычно предоставляют MIB-файлы, которые включают в себя список параметров прибора с их названиями и идентификаторами. Эти файлы могут быть импортированы в SNMP-менеджер.

Graphic
Структурная схема обмена по протоколу SNMP

Режимы работы дискретных входов

Входы модуля работают в режиме определения логического уровня.

Для каждого входа задействован счетчик импульсов, поступающих на вход.

Примечание
По умолчанию счетчики входов всегда включены. Счетчики входов с дополнительными режимами включены только в том случае, если дополнительный режим у входа отключен.
Параметры счетчика импульсов
ПараметрЗначение
Разрядность32 бит
Максимальная частота входного сигнала400 Гц
Подавление дребезгаВкл./выкл. Настраивается в ПО OWEN Configurator
Время подавления дребезга25 мс (не настраивается)
Внимание
Для работы с сигналами частотой более 40 Гц при скважности 0,5 и менее не следует включать подавление дребезга контактов, так как полезный сигнал будет принят за дребезг и пропущен.

Если счетчик переполнился, то соответствующий регистр обнуляется автоматически. Последовательность действий для принудительного обнуления приведена в разделе.

Примечание
Счетчики входов являются энергонезависимыми, их значения сохраняются после перезагрузки модуля. Счетчики входов с дополнительными режимами после перезагрузки обнуляются.

Значения состояния дискретных входов хранятся в виде битовой маски и считываются из соответствующего регистра.

Первые 8 входов модуля МВ210-212 поддерживают следующие дополнительные режимы работы:

  • подсчет количества высокочастотных импульсов (см. раздел);
  • измерение частоты (см. раздел);
  • обработка сигналов энкодера (см. раздел). Возможно подключение до 3 энкодеров.

Предупреждение
На одном входе может быть включен только один дополнительный режим работы.

Выбирать и настраивать режимы следует:

  • в параметре Дополнительный режим работы ПО OWEN Configurator;
  • из удаленного облачного сервера;
  • по протоколу Modbus TCP.

Режим определения логического уровня

Группа входов DI1–DI20 модуля выполняет определение логического уровня.

По опросу модуль возвращает в регистр Modbus битовую маску, соответствующую состоянию входов. Определение логического уровня производится постоянно и не зависит от включения режима счетчика импульсов, измерения частоты или обработки сигналов энкодера.

Режим подсчета числа высокочастотных импульсов

Режим подсчета числа высокочастотных импульсов работает для входов DI1–DI8.

Максимальная частота входного сигнала — 100 кГц при коэффициенте заполнения 0,5.

Для каждого входа задействован 32-разрядный счетчик. Значения счетчика входа считываются из регистра, соответствующего данному входу.

В случае переполнения счетчика значение обнуляется. Для принудительного обнуления счетчика следует записать значение 0 в регистр сброса значения входа. Обнуление счетчика будет произведено в течение 10 мс после записи значения 0.

Режим измерения частоты и периода

Входы DI1-DI8 можно настроить на режим измерения частоты или периода.

Диапазоны измерения:

  • в режиме «измерение частоты» – от 100 Гц до 100 кГц;
  • в режиме «измерение периода» – от 0 мс до 10 мс.

Интервал измерения частоты или периода настраивается в параметре «Период измерения».

Возможные значения параметра «Период измерения»: 10 мс, 100 мс, 1 с, 10 с. Значение по умолчанию – 10 мс.

Для отображения измеренных значений частоты или периода задействован 32-разрядный регистр.

Режим обработки сигналов с энкодера

К модулю возможно подключение до трех двухканальных энкодеров (без Z канала). Номера входов для подключения: 3-4, 5-6, 7-8.

Максимальная частота сигналов с энкодера – 100 кГц.

Для каждого входа задействован 32–разрядный счетчик, в котором находится накопленное количество импульсов с учетом направления вращения после обнуления, зафиксированное энкодером. Если после обнуления направление вращения меняется, то счет начинается с максимального и уменьшается на количество накопленных импульсов.

Значения счетчика входа считываются из регистра, соответствующего данному входу.

В случае переполнения счетчика значение обнуляется. Для принудительного обнуления счетчика следует записать значение 0 в регистр сброса значения счетчика. Обнуление счетчика будет произведено в течение 10 мс после записи значения 0.

Настройка

Подключение к ПО «OWEN Configurator»

Прибор настраивается в ПО OWEN Configurator.

Прибор можно подключить к ПК с помощью следующих интерфейсов:

  • USB (разъем micro-USB);
  • Ethernet.

Для выбора интерфейса следует:

  1. Подключить прибор к ПК с помощью кабеля USB или по интерфейсу Ethernet.
    Предупреждение

    В случае подключения прибора к порту USB подача основного питания прибора не требуется.

    Питание прибора осуществляется от порта USB.

    В случае подключения по интерфейсу Ethernet следует подать основное питание на прибор.

  2. Открыть ПО OWEN Configurator.
  3. Выбрать Добавить устройства.
  4. В выпадающем меню Интерфейс во вкладке Сетевые настройки выбрать:
    • Ethernet (или другую сетевую карту, к которой подключен прибор) – для подключения по Ethernet.
    • STMicroelectronics Virtual COM Port – для подключения по USB.
    Graphic
    Меню выбора интерфейса
Дальнейшие шаги для поиска устройства зависят от выбора интерфейса.

Чтобы найти и добавить в проект прибор, подключенный по интерфейсу Ethernet, следует:

  1. Выбрать Найти одно устройство.
  2. Ввести IP-адрес подключенного устройства.
  3. Нажать вкладку Найти. В окне отобразится прибор с указанным IP-адресом.

    Предупреждение
    Значение IP-адреса по умолчанию (заводская настройка) — 192.168.1.99.

  4. Выбрать устройство (отметить галочкой) и нажать ОК. Если устройство защищено паролем, то следует ввести корректный пароль. Устройство будет добавлено в проект.

Чтобы найти и добавить в проект прибор, подключенный по интерфейсу USB, следует:

  1. В выпадающем меню Протокол выбрать протокол Owen Auto Detection Protocol.
    Graphic
    Выбор протокола
  2. Выбрать Найти одно устройство.
  3. Ввести адрес подключенного устройства (по умолчанию – 1).
  4. Нажать вкладку Найти. В окне отобразится прибор с указанным адресом.
  5. Выбрать устройство (отметить галочкой) и нажать ОК. Если устройство защищено паролем, то следует ввести корректный пароль. Устройство будет добавлено в проект.

Более подробная информация о подключении и работе с прибором приведена в Справке ПО OWEN Configurator. Для вызова справки в программе следует нажать клавишу F1.

Подключение к облачному сервису OwenCloud

Для подключения модуля к облачному сервису следует выполнить действия:

  1. Подключить модуль к Owen Configurator (см. раздел).
  2. Включить доступ к OwenCloud и настроить права удаленного доступа (см. раздел).
  3. Задать пароль для доступа к прибору (см. Справку Owen Configurator).
    Предупреждение
    Если пароль не задан, подключение к облачному сервису недоступно.
  4. Зайти на сайт облачного сервиса OwenCloud.
  5. Перейти в раздел Администрирование Graphic и добавить прибор.

Подробный пример настройки подключения к OwenCloud можно посмотреть в документе «Мх210. Примеры настройки обмена» на странице прибора на сайте www.owen.ru.

Ограничение обмена данными при работе с облачным сервисом OwenCloud

Облачный сервис OwenCloud является надежным хранилищем данных, обмен информации с которым зашифрован модулем. Если на производстве имеются ограничения на передачу данных, то обмен данными с облачным сервисом OwenCloud можно отключить. По умолчанию подключение модуля к облачному сервису запрещено. Ограничение доступа и обмена данными с модулем следует настраивать в ПО Owen Configurator.

Для разрешения подключения в Owen Configurator следует:

  1. Установить пароль для доступа к модулю (см. раздел).
  2. Задать значение Вкл. в параметре Подключение к OwenCloud (рисунок).

Примечание
Если для модуля не задан пароль, то автоматическое подключение к облачному сервису происходить не будет.
Graphic
Настройка автоматического подключения к облачному сервису

Если доступ к модулю через облачный сервис OwenCloud разрешен, то можно настроить следующие ограничения доступа (рисунок):

  • Разрешение конфигурирования — доступ к конфигурационным параметрам модуля;
  • Управление и запись значений — чтение и запись значений модуля;
  • Доступ к регистрам Modbus — чтение и/или запись значений регистров.

Graphic
Настройка удаленного доступа к модулю

Настройка сетевых параметров

Для обмена данных модуля в сети Ethernet должны быть заданы параметры, приведенные в таблице:

Сетевые параметры модуля
ПараметрПримечание
MAC-адресУстанавливается на заводе-изготовителе и является неизменным
IP-адресМожет быть статическим или динамическим. Заводская настройка – 192.168.1.99
Маска IP-адресаЗадает видимую модулем подсеть IP-адресов других устройств. Заводская настройка – 255.255.0.0
IP-адрес шлюзаЗадает адрес шлюза для выхода в Интернет. Заводская настройка – 192.168.1.1

IP-адрес может быть:

  • статический;
  • динамический.

Статический IP-адрес устанавливается с помощью Owen Configurator или сервисной кнопки.

Для установки статического IP-адреса с помощью Owen Configurator следует:

  1. Зайти во вкладку Сетевые настройки.
  2. Задать значение в поле Установить IP адрес.
  3. Задать значение в поле Установить маску подсети.
  4. Задать значение в поле Установить IP адрес шлюза.

При статическом IP-адресе параметр Режим DHCP должен иметь значение Выкл.

Для установки статического IP-адреса c помощью сервисной кнопки следует:

  1. Подключить модуль или группу модулей к сети Ethernet.
  2. Запустить Owen Configurator на ПК, подключенному к той же сети Ethernet.
  3. Выбрать вкладку Назначение IP-адресов.
  4. Задать начальный IP-адрес для первого модуля из группы модулей.
  5. Последовательно нажимать на модулях сервисные кнопки, контролируя результат в окне программы. В окне Owen Configurator будет отображаться информация о модуле, на котором была нажата кнопка, этому модулю будет присваиваться заданный статический IP-адрес и другие параметры сети. После присвоения адрес автоматически увеличивается на 1.
Для назначения статического IP-адреса с помощью кнопки параметр Режим DHCP должен иметь значение Разовая установка кнопкой.

Graphic
Настройка параметра «Режим DHCP»

С помощью сервисной кнопки можно установить IP-адреса сразу для группы модулей (см. справку к Owen Configurator, раздел Назначение IP-адреса устройству).

Динамический IP-адрес используется для работы с облачным сервисом и не подразумевает работу с Мастером сети Modbus TCP. IP-адрес модуля устанавливается DHCP-сервером сети Ethernet.

Примечание
Следует уточнить у служб системного администрирования о наличии DHCP-сервера в участке сети, к которому подключен модуль. Для использования динамического IP-адреса следует установить значение Вкл в параметре Режим DHCP.
Предупреждение
Для применения новых сетевых настроек следует перезагрузить модуль. Если модуль подключен по USB, его также следует отключить.

Настройка параметров обмена по протоколу MQTT в ПО «OWEN Configurator»

Модули поддерживают протокол MQTT (версия 3.1.1) и могут использоваться в роли клиентов. Модули публикуют сообщения о состоянии своих входов и подписаны на топики, в рамках которых производится управление их выходами.

Параметры обмена по MQTT настраиваются в Owen Configurator.

Graphic
Параметры обмена по MQTT
Параметры обмена по протоколу MQTT
ПараметрОписание
Сообщение о присутствии

Если параметр имеет значение Вкл., то в момент включении модуль публикует сообщение «Online» в топик MX210/Имя_устройства/MQTTstatus.

Если от модуля не поступает сообщений, брокер публикует в данный топик сообщение «Offline».

Подключение к брокеруДля работы с модулем по протоколу MQTT следует установить значение Вкл.
ЛогинИспользуются для аутентификации устройства на стороне брокера. Если значения параметров не заданы, то аутентификация не используется
Пароль
Имя устройстваИмя устройства. Входит в состав топика.
Адрес брокера

IP или URL брокера. Если брокер расположен во внешней сети, то следует установить для параметров Шлюз и DNS (вкладка Сетевые настройки) корректные значения

ПортПорт брокера
Хранение последнего сообщениеЕсли установлено значение Включено, то другие клиенты, подписанные на топики модуля, получат последние сообщения из этих топиков
Интервал публикацииИнтервал публикации данных (в секундах)
Качество обслуживания

Выбранный уровень качества обслуживания.

QoS 0 – передача сообщений осуществляется без гарантии доставки.

QoS 1 – передача сообщений осуществляется с гарантией доставки, но допускается дублирование сообщений (т.е. одно и тоже сообщение будет разослано подписчикам несколько раз).

QoS 2 – передача сообщений осуществляется с гарантией доставки и с гарантией отсутствия дублирования сообщений.

Интервал Keep Alive (в секундах)

Если в течение промежутка времени, равного полутора значениям данного параметра, брокер не получает сообщений от модуля, то соединение будет разорвано.

0 – параметр не используется (при отсутствии сообщений соединение никогда не будет разорвано).

СтатусСтатус подключения к брокеру
Примечание
При использовании протокола MQTT запись параметров обычно является событийной, а не циклической. Рекомендуется задать параметр Таймаут перехода в безопасное состояние (вкладка Modbus Slave) равным 0.

Настройка параметров обмена по протоколу SNMP в ПО «OWEN Configurator»

Модули поддерживают протокол SNMP (версии SNMPv1 и SNMPv2c) и могут быть использованы в роли агентов. Модули поддерживают запросы GET и SET. Модули с дискретными входами отправляют трапы с битовой маской входов при изменении значения любого входа.

По протоколу SNMP доступны все параметры модуля. Список OID параметров приведен в Руководстве по эксплуатации на конкретный модуль. MIB-файл модуля доступен на его странице на сайте owen.ru.

Graphic
Параметры обмена по SNMP
Параметры обмена по SNMP
ПараметрОписание
Включение/ОтключениеДля работы модуля по протоколу SNMP требуется установить значение Включено
Сообщество для чтенияПароль, используемый для чтения данных модуля
Сообщество для записиПароль, используемый для записи данных в модуль
IP адрес для ловушкиIP-адрес, на который будет отправлен трап в случае изменения маски дискретных входов модуля (только для модулей с дискретными входами)
Номер порта для ловушкиНомер порта, на который будет отправлен трап
Версия SNMPВерсия протокола, используемая модулем (SNMPv1 или SNMPv2)
Примечание
При использовании протокола SNMP без запросов чтения (GET) запись параметров обычно является событийной, а не циклической. Рекомендуется задать параметр Таймаут перехода в безопасное состояние (вкладка Modbus Slave) равным 0.

Пример настройки обмена модуля по протоколу SNMP можно посмотреть в документе «Мх210. Примеры настройки обмена», который доступен на странице прибора на сайте owen.ru.

Пароль доступа к модулю

Для ограничения доступа к чтению и записи параметров конфигурации и для доступа в облачный сервис OwenCloud используется пароль.

Установить или изменить пароль можно с помощью ПО Owen Configurator.

В случае утери пароля следует восстановить заводские настройки.

По умолчанию пароль не задан.

Обновление встроенного ПО

Обновление встроенного ПО модуля следует выполнять с помощью интерфейса USB.

Примечание
Перед обновлением ПО рекомендуется сохранить конфигурацию модуля (в меню Конфигуратора выбрать «Файл» далее «Сохранить как…»).

Для обновления встроенного ПО по интерфейсу USB следует выбрать один из способов:

  1. С помощью Конфигуратора, используя файл прошивки с расширением *.fw;

  2. С помощью ПО Мастер прошивки.

Обновление через Конфигуратор – рекомендовано. Второй способ подходит, если нет возможности подключить модуль к Конфигуратору. Подробная инструкция по обновлению встроенного ПО модуля находится в архиве прошивок, который доступен для скачивания на странице прибора на сайте www.owen.ru.

Примечание
После обновления встроенного ПО сетевые и конфигурационные параметры сбросятся на заводские значения.

Настройка часов реального времени

Значение часов реального времени (RTC) можно установить или считать с прибора через регистры Modbus, а также с помощью ПО Owen Configurator (см. справку к Owen Configurator, раздел Настройка часов).

Для установки нового времени через регистры Modbus следует:

  1. Записать значение времени в соответствующие регистры.

  2. Установить на время не менее 1 секунды значение 1 в регистре обновления текущего времени.
  3. Записать в регистр обновления текущего времени значение 0.

Следующую запись текущего времени можно выполнить через 1 секунду.

Если необходимо, то можно синхронизировать часы модуля с удаленным NTP сервером.

Graphic
Параметры NTP
ПараметрОписание
Включение/ОтключениеДля включения режима синхронизации времени следует установить значение Включено
Пул NTP серверовIP или URL используемого пула NTP-серверов
NTP сервер 1IP основного NTP-сервера
NTP сервер 2IP резервного NTP-сервера
Период синхронизацииПериод синхронизации времени в секундах. Следует убедиться, что установленное значение не превышает минимально возможного значения для конкретного NTP-сервера
СтатусСтатус подключения к серверу
Примечание
Если NTP-сервер расположен во внешней сети, то следует установить корректные значения для параметров Шлюз и DNS (вкладка Сетевые настройки) корректные значения.
Примечание
Часовой пояс прибора выбирается о вкладке Часы реального времени.
Примечание
Если модуль подключен к облачному сервису OwenCloud как автоопределяемое устройство, то его время автоматически синхронизируется со временем облачного сервиса раз в сутки.
Примечание
Все указанные NTP-сервера (в том числе сервера из пула) имеют одинаковый приоритет при опросе.

Восстановление заводских настроек

Внимание
После восстановления заводских настроек все ранее установленные настройки, кроме сетевых, будут удалены.

Для восстановления заводских настроек и сброса установленного пароля следует:

  1. Включить питание прибора.
  2. Нажать и удерживать сервисную кнопку более 12 секунд.

После отжатия кнопки прибор перезагрузится и будет работать с настройками по умолчанию.

Принудительное обнуление счетчика

Если счетчик состояний входа переполнился, то соответствующий регистр обнуляется автоматически. Для принудительного обнуления счетчика следует записать значение 0 в регистр сброса значения счетчика.

Техническое обслуживание

Общие указания

Во время выполнения работ по техническому обслуживанию прибора следует соблюдать требования безопасности из раздела.

Техническое обслуживание прибора проводится не реже одного раза в 6 месяцев и включает следующие процедуры:

  • проверка крепления прибора;
  • проверка винтовых соединений;
  • удаление пыли и грязи с клеммников прибора.

Батарея

В приборе используется сменная батарея типа CR2032. Батарея предназначена для питания часов реального времени.

Если заряд батареи опускается ниже 2 В, то индикатор Авария засвечивается на 100 мс один раз в две секунды. Такое свечение индикатора сигнализирует о необходимости замены батареи.

Если напряжение батареи часов реального времени меньше 1,6 В, то запись конфигурационных параметров выполняется во флеш-память модуля.

Порядок записи конфигурационных параметров при разряженной батарее:

  1. Новые значения конфигурационных параметров записываются в батарейный ОЗУ около 5 секунд.
  2. Из батарейного ОЗУ значения конфигурационных параметров переносятся во флеш-память и запускается таймаут не менее 2 минут (в зависимости от нагрузки на модуль).
Примечание
Состояния батареи обновляется после подачи питания или по истечении 12 часов с момента подачи питания.
Предупреждение
Не рекомендуется выполнять циклическую запись конфигурационных параметров в случае разряда батареи. Ресурс флеш памяти ограничен.

Для замены батареи следует:

  1. Отключить питание модуля и подключенных устройств.
  2. Для отсоединения клеммных колодок следует выполнить действия:

    1. Поднять крышку 1.
    2. Выкрутить два винта 3.
    3. Снять колодку 2, как показано на рисунке.
    Graphic
    Снятие первой клеммной колодки модуля
    Предупреждение
    При выкручивании винтов крепления клеммная колодка поднимается, поэтому чтобы избежать перекоса, рекомендуется выкручивать винты поочередно по несколько оборотов за один раз.

  3. Для снятия второй колодки проделать действия п 2.

    Graphic
    Снятие второй клеммной колодки
  4. Снять модуль с DIN-рейки.
  5. Поочередно вывести зацепы из отверстий с одной и другой стороны корпуса и снять верхнюю крышку.
    Graphic
    Замена батареи
  6. Заменить батарею. Рекомендуемое время замены батареи не более 1 минуты. Если батарея будет отсутствовать в приборе дольше 1 минуты, следует ввести корректное значение времени.
  7. Собрать прибор в обратном порядке и установить на объекте.
Внимание
Запрещается использовать батарею другого типа. При установке батареи следует соблюдать полярность.

После сборки и включения модуля следует убедиться в корректности показаний часов. При необходимости следует скорректировать показания часов реального времени в ПО OWEN Configurator.

Комплектность

НаименованиеКоличество
Модуль1 шт.
Паспорт и Гарантийный талон1 экз.
Руководство по эксплуатации 1 экз.
Коммутационный кабель UTP 5e 150 мм1 шт.
Клемма питания 2EGTK-5-02P-141 шт.
Заглушка разъема RJ45 (Ethernet)1 шт.
Примечание
Изготовитель оставляет за собой право внесения дополнений в комплектность модуля.

Маркировка

На корпус прибора нанесены:

  • наименование и условное обозначение прибора;
  • степень защиты корпуса по ГОСТ 14254-2015;
  • род питающего тока и напряжение питания;
  • потребляемая мощность;
  • класс защиты от поражения электрическим током по ГОСТ IEC 61131-2-2012;
  • единый знак обращения продукции на рынке Евразийского экономического союза;
  • страна-изготовитель;
  • заводской номер прибора, дата изготовления, товарный знак ОВЕН;
  • MAC-адрес;
  • год изготовления прибора.

На потребительскую тару нанесены:

  • наименование и условное обозначение прибора;
  • единый знак обращения продукции на рынке Евразийского экономического союза;
  • почтовый адрес офиса компании;
  • страна-изготовитель;
  • штрих код;
  • заводской номер прибора;
  • дата упаковки прибора.

Упаковка

Упаковка прибора производится в соответствии с ГОСТ 23088-80 в потребительскую тару, выполненную из коробочного картона по ГОСТ 7933-89.

Упаковка прибора при пересылке почтой производится по ГОСТ 9181-74.

Транспортирование и хранение

Прибор должен транспортироваться в закрытом транспорте любого вида. В транспортных средствах тара должна крепиться согласно правилам, действующим на соответствующих видах транспорта.

Транспортирование приборов в упаковке предприятия-изготовителя должно соответствовать следующим условиям:

  • температура окружающего воздуха от минус 40 до плюс 70 °С;

  • относительная влажность от 10 до 95 % без конденсации влаги;

  • атмосферное давление не менее 80 кПа (эквивалентно высоте 3000 м над уровнем моря)

Прибор следует перевозить в транспортной таре поштучно или в контейнерах с соблюдением мер защиты от ударов и вибраций.

Условия хранения в таре на складе изготовителя и потребителя должны соответствовать условиям 1 по ГОСТ 15150-69. В воздухе не должны присутствовать агрессивные примеси.

Прибор следует хранить на стеллажах.

Расчет вектора инициализации для шифрования файла архива

Для расшифровки файла архива в качестве вектора инициализации следует использовать хеш-функцию. Хеш-функция должна возвращать 8 байт (тип long long).

Пример реализации хеш-функции на языке программирования С:

typedef union {         struct {                 unsigned long lo;                 unsigned long hi;         };         long long hilo; }LONG_LONG; long long Hash8(const char *str) {     // На основе Rot13         LONG_LONG temp;         temp.lo = 0;         temp.hi = 0;         for ( ; *str; )         {                 temp.lo += (unsigned char) (*str);                 temp.lo –= (temp.lo << 13) | (temp.lo >> 19);                 str++;                 if (!str) break;                 temp.hi += (unsigned char) (*str);                 temp.hi –= (temp.hi << 13) | (temp.hi >> 19);                 str++;         }         return temp.hilo; }

Предупреждающие сообщения

В данном руководстве применяются следующие предупреждения:

Опасность

Ключевое слово ОПАСНОСТЬ сообщает о непосредственной угрозе опасной ситуации, которая приведет к смерти или серьезной травме, если ее не предотвратить.

Внимание

Ключевое слово ВНИМАНИЕ сообщает о потенциально опасной ситуации, которая может привести к небольшим травмам.

Предупреждение

Ключевое слово ПРЕДУПРЕЖДЕНИЕ сообщает о потенциально опасной ситуации , которая может привести к повреждению имущества.

Примечание

Ключевое слово ПРИМЕЧАНИЕ обращает внимание на полезные советы и рекомендации, а также информацию для эффективной и безаварийной работы оборудования.

Ограничение ответственности

Ни при каких обстоятельствах ООО «Производственное Объединение ОВЕН» и его контрагенты не будут нести юридическую ответственность и не будут признавать за собой какие-либо обязательства в связи с любым ущербом, возникшим в результате установки или использования прибора с нарушением действующей нормативно-технической документации.