1-RU-115982-1.8

Руководство по эксплуатации

Введение

Настоящее руководство по эксплуатации предназначено для ознакомления обслуживающего персонала с устройством, конструкцией, работой и техническим обслуживанием модуля дискретного вывода МУ210-412 (в дальнейшем по тексту именуемого «прибор» или «модуль»).

Подключение, настройка и техобслуживание прибора должны производиться только квалифицированными специалистами после прочтения настоящего руководства по эксплуатации.

Обозначение прибора при заказе: МУ210-412.

Используемые аббревиатуры

  • RTC

    – часы реального времени.
  • USB

    – последовательный интерфейс для подключения периферийных устройств к вычислительной технике.
  • UTC

    – всемирное координированное время.
  • ПК – персональный компьютер.
  • ПЛК – программируемый логический контроллер.
  • ПО – программное обеспечение.
  • ШИМ – широтно-имульсная модуляция.

Назначение

Модуль предназначен для управления исполнительными механизмами на объектах автоматизации и управляется от ПЛК, панельного контроллера, компьютера или иного управляющего устройства.

В модуле реализовано 24 дискретных выхода типа «транзисторный ключ».

Модуль выпускается согласно ТУ 26.51.70-019-46526536-2017.

Технические характеристики и условия эксплуатации

Технические характеристики

Основные технические характеристики
НаименованиеЗначение
ПитаниеНапряжение питанияОт 10 до 48 В (номинальное 24 В)
Потребляемая мощность, не более4 Вт
Защита от переполюсовки напряжения питанияЕсть
ИнтерфейсыИнтерфейс обменаСдвоенный Ethernet 10/100 Мбит
Интерфейс конфигурированияUSB 2.0 (MicroUSB), Ethernet 10/100 Мбит
Протокол обмена

Modbus TCP;

MQTT;

SNMP;

NTP

Версия протоколаIPv4
Дискретные выходыКоличество выходов24 (3 группы по 8)
Тип выходовТранзисторный ключ
Режимы работы

переключение логического сигнала;

генерация низкочастотного ШИМ сигнала;

генерация высокочастотного ШИМ сигнала (только первые 8 выходов);

генерация заданного количества импульсов (только первые 3 выхода)

Режим включения выхода

Верхний и нижний ключи

(DO1…DO8)

Верхний ключ

(DO9…DO24)

Напряжение питания выходов10…36 В
Максимальный постоянный ток нагрузки0,15 А0,4 А
Максимально допустимый кратковременный ток выхода0,19 А0,6 А
Максимальная частота выходного сигнала (для резистивной нагрузки)60 кГц1 Гц
Минимальная длительность выходного сигнала (для резистивной нагрузки)5 мкс1 мс
Максимально допустимая емкость нагрузки20 мкФ при частоте менее 10 Гц20 мкФ
Тип защиты выходов

от короткого замыкания при включении питания;

от перегрузки по току выхода

Встроенная флеш-память (архив)Количество циклов записи и стиранияДо 100 000
Максимальный размер файла архива2 кб
Максимальное количество файлов архива1000
Минимальный период записи архива10 секунд
Часы реального времениПогрешность хода часов реального времени, не более:
  • при температуре +25 °С
3 секунды в сутки
  • при температурах –40 и +55 °C
10 секунд в сутки
Тип питания часов реального времениБатарея CR2032
Время работы часов реального времени на одной батарее6 лет
Общие характеристикиГабаритные размеры(82 × 124 × 83) ± 0,5 мм
Степень защиты корпусаIP20
Cредняя наработка на отказ*60 000 ч
Средний срок службы10 лет
Масса, не более0,6 кг
Примечание

* Не считая элемента питания часов реального времени.

Гальваническая изоляция

Схема гальванически изолированных узлов и прочность гальванической изоляции приведена на рисунке.

Graphic
Изоляция узлов прибора
Типы изоляции
ТипОписание
Основная (О)

Изоляция для частей оборудования, находящихся под напряжением, с целью защиты от поражения электрическим током. Электрическая прочность основной изоляции прибора проверяется типовыми испытаниями – приложением испытательного переменного напряжения, величина которого отличается для различных цепей прибора

Дополнительная (Д)

Независимая изоляция, в дополнение к основной, для гарантии защиты от поражения электрическим током в случае отказа основной изоляции. Электрическая прочность дополнительной изоляции прибора проверяется типовыми испытаниями испытательного переменного напряжения различной величины (действующее значение)

Предупреждение
Значение прочности изоляции указано для испытаний при нормальных климатических условиях, время воздействия – 1 минута.

Прибор имеет II класс защиты от поражения электрическим током по ГОСТ IEC 61131-2-2012.

Условия эксплуатации

Прибор отвечает требованиям по устойчивости к воздействию помех в соответствии с ГОСТ IEC 61131-2. По уровню излучения радиопомех (помехоэмиссии) прибор соответствует нормам, установленным для оборудования класса А по ГОСТ 30804.6.3. Прибор предназначен для эксплуатации в следующих условиях:

  • температура окружающего воздуха от минус 40 до плюс 55 °С;
  • относительная влажность воздуха от 10 % до 95 % (при +35 °С без конденсации влаги);
  • атмосферное давление от 84 до 106,7 кПа;
  • закрытые взрывобезопасные помещения без агрессивных паров и газов;
  • допустимая степень загрязнения 1 по ГОСТ IEC 61131-2.

По устойчивости к механическим и климатическим воздействиям во время эксплуатации прибор соответствует ГОСТ IEC 61131-2.

Меры безопасности

Во время эксплуатации и технического обслуживания следует соблюдать требования:

  • ГОСТ 12.3.019;

  • «Правила эксплуатации электроустановок потребителей»;

  • «Правила охраны труда при эксплуатации электроустановок».

Прибор следует устанавливать в специализированных шкафах, доступ внутрь которых разрешен только квалифицированным специалистам. Любые подключения к прибору и работы по его техническому обслуживанию производить только при отключенном питании прибора и подключенных к нему устройств.

Не допускается попадание влаги на контакты выходных разъемов и внутренние элементы прибора.

Внимание
Запрещено использовать прибор при наличии в атмосфере кислот, щелочей, масел и иных агрессивных веществ.

Монтаж

Graphic
Верный монтаж

Прибор устанавливается в шкафу электрооборудования. Конструкция шкафа должна обеспечивать защиту прибора от попадания влаги, грязи и посторонних предметов.

Для установки прибора следует:

  1. Убедиться в наличии свободного пространства для подключения прибора и прокладки проводов.
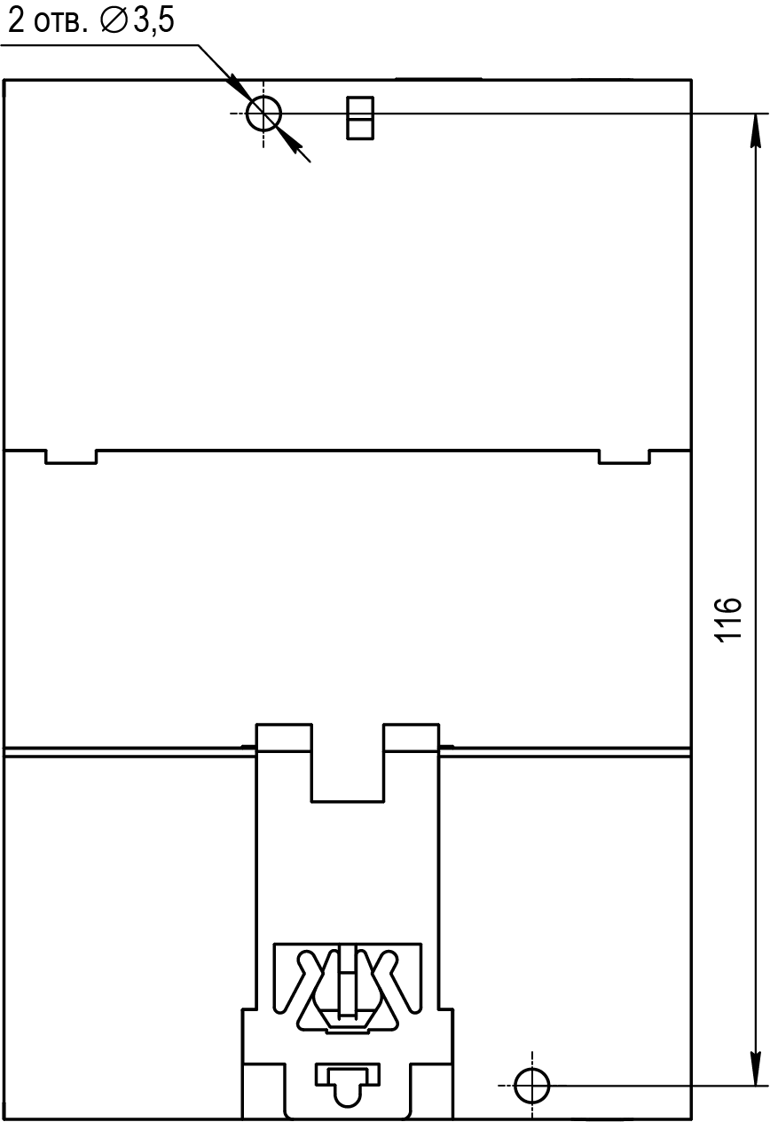
  2. Закрепить прибор на DIN-рейке или на вертикальной поверхности с помощью винтов (см. рисунок).
Graphic
Неверный монтаж
Внимание
Во время монтажа необходимо наличие свободного пространства 50 мм над модулем и под ним.
Graphic
Габаритный чертеж
Graphic
Установочные размеры

Подключение

Рекомендации по подключению

Внешние связи следует монтировать проводом сечением не более 0,75 мм2.

Для многожильных проводов следует использовать наконечники.

После монтажа следует уложить провода в кабельном канале корпуса модуля и закрыть крышкой.

В случае необходимости клеммники модуля можно снять, открутив два винта по углам клеммников.

Провода питания следует монтировать с помощью ответного клеммника из комплекта поставки.

Предупреждение
Подключение и техническое обслуживание производится только при отключенном питании модуля и подключенных к нему устройств.
Предупреждение
Запрещается подключать провода разного сечения к одной клемме.

Назначение контактов клеммника

Graphic
Назначение контактов клеммника
Назначение контактов клеммника
НаименованиеНазначение
+U1Напряжение питания выходов DO1–DO8
+U2Напряжение питания выходов DO9–DO16
+U3Напряжение питания выходов DO17–DO24
COMОбщая точка питания выходов
DO1–DO24Выходы DO1–DO24

Назначение разъемов

Разъемы интерфейсов и питания прибора приведены на рисунке ниже.

Graphic
Разъемы прибора

Питание

Внимание
Рекомендуется применять источник питания с током нагрузки не более 8 А.
Внимание
Длина кабеля питания не должна превышать 30 м.
Graphic
Назначение контактов питания
Внимание
Использование источников питания без потенциальной развязки или с базовой (основной) изоляцией цепей низкого напряжения от линий переменного тока, может привести к появлению опасных напряжений в цепях.

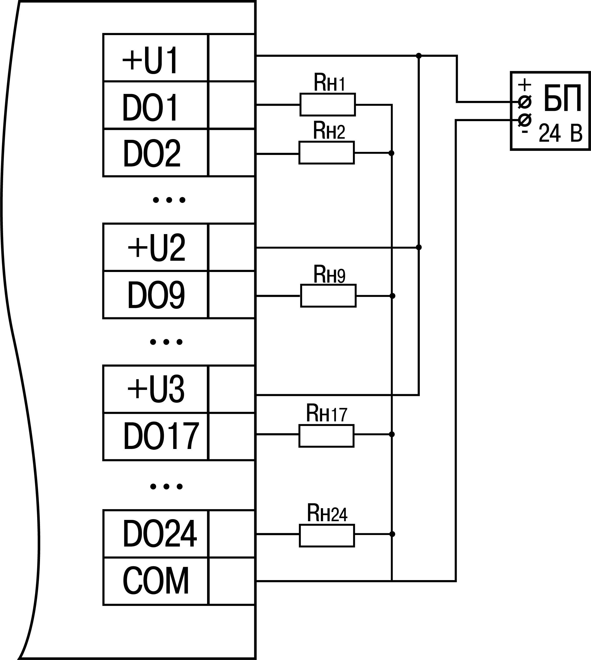
Подключение к выходам

На рисунке представлена схема подключения нагрузки к выходам типа «транзисторный ключ».

Graphic
Схема подключения внешних связей к дискретным выходам типа «транзисторный ключ»

Положительный потенциал напряжения питания выходов подается на клеммы +U1, +U2 и +U3 для питания выходов DO1–DO8, DO9–DO16 и DO17–DO24 соответственно.

Допускается использовать разные источники питания с различным номинальным значением выходного напряжения в диапазоне 10...36 В для подключения к клеммам +U1, +U2 и +U3.

Клеммы общего питания (COM) выходов объединены внутри модуля.

Максимальная длина линии питания выходов от источника питания до клемм +U1, +U2, +U3 – не более 30 метров.

Подключение по интерфейсу Ethernet

Для подключения модулей к сети Ethernet можно использовать следующие схемы:

Graphic
Подключение по схеме «Звезда»
Примечание
  1. Максимальная длина линий связи – 100 м.
  2. Подключение возможно к любому порту Ethernet модуля.
  3. Незадействованный Ethernet-порт следует закрыть заглушкой.

Для подключения по схеме «Цепочка» следует использовать оба Ethernet-порта модуля. Если модуль вышел из строя или отключилось питание, то данные будут передаваться с порта 1 на порт 2 без разрыва связи.

Graphic
Подключение по схеме «Цепочка»
Примечание
  1. Максимальная длина линии связи между двумя соседними активными устройствами при подключении по схеме «Цепочка» должна быть не более 100 м.
  2. Незадействованный Ethernet-порт следует закрыть заглушкой.

Устройство и принцип работы

Принцип работы

Модуль получает команды на управление выходами от Мастера сети.

В качестве Мастера сети можно использовать:

  • ПК;
  • ПЛК;
  • панель оператора;
  • удаленный облачный сервис.

Если превышен тайм-аут обмена с Мастером сети, то модуль переходит в безопасное состояние.

Индикация и управление

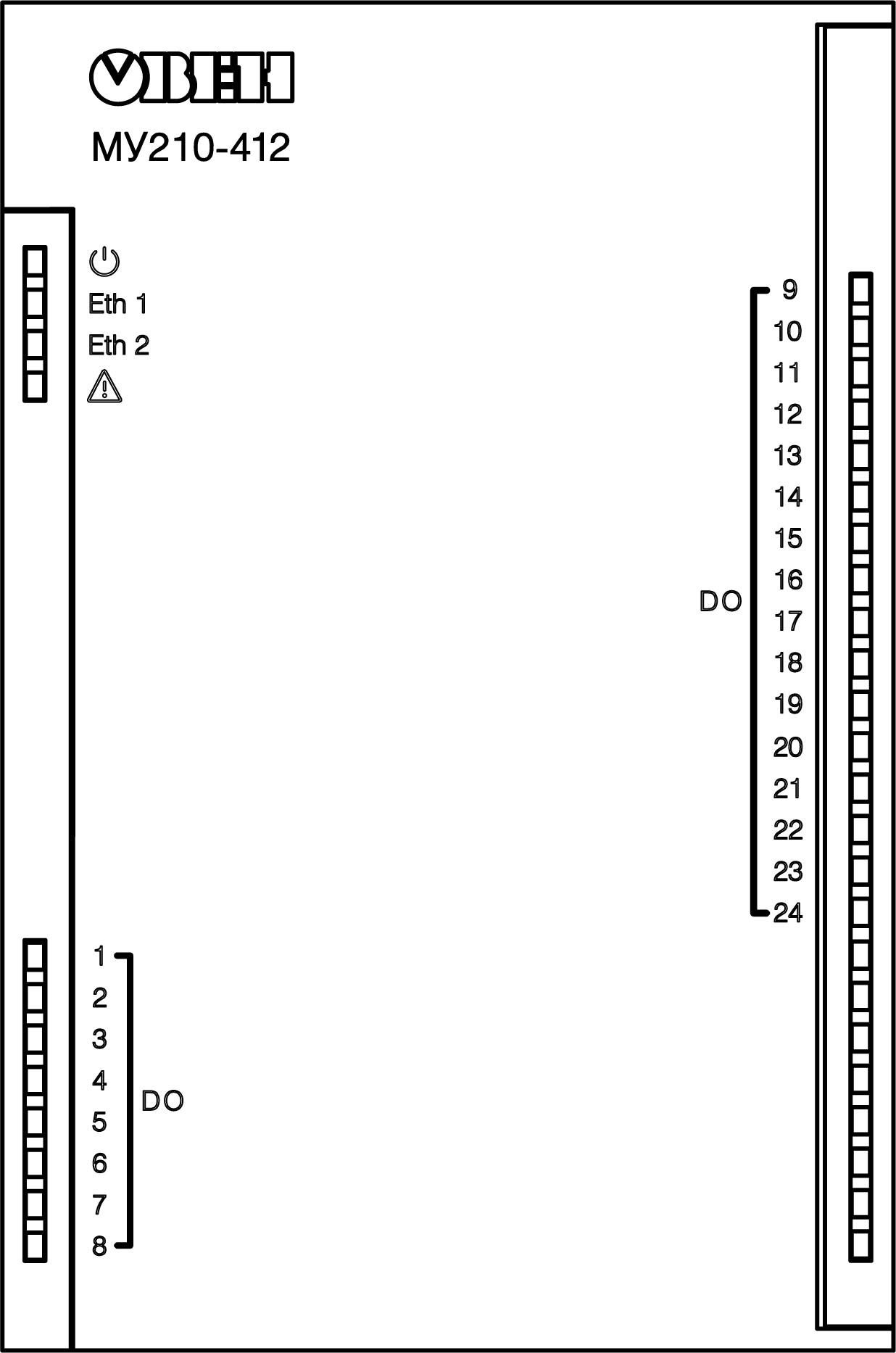
На лицевой панели прибора расположены элементы индикации — светодиоды. Назначение светодиодов приведено в таблице

Graphic
Лицевая панель прибора
Примечание

В нижней части лицевой панели расположено поле «IP».

Поле «IP» предназначено для нанесения IP-адреса модуля тонким маркером или на бумажной наклейке.
Назначение индикаторов
ИндикаторСостояние индикатораНазначение
Питание Graphic (зеленый)ВключенНапряжение питания прибора подано (рабочий режим) / подано питание от USB (режим конфигурирования)*
Eth 1 (зеленый)МигаетПередача данных по порту 1 Ethernet
Eth 2 (зеленый)МигаетПередача данных по порту 2 Ethernet
Авария Graphic (красный)**Не светитсяСбои отсутствуют
Светится постоянноСбой основного приложения и/или конфигурации
Модуль находится в режиме загрузчика (см. раздел)
Включается один раз в две секунды (включается на 100 мс)Необходима замена батареи питания часов (напряжение батареи ниже 2 В)
Включается два раза в секунду (включается на 100 мс через паузу 400 мс)Модуль находится в безопасном состоянии
Включается на 900 мс через паузу 100 мсАппаратный сбой периферийных устройств (Flash, RTC, Ethernet Switch)
Индикаторы состояния выходов (зеленый/красный)Не светитсяВыход выключен или авария выхода (короткое замыкание или перегрузка по току)
Светится зеленымВыход включен
Светится краснымОтсутствует питание
Примечание

* В режиме конфигурирования (при питании от USB и отсутствии основного питания) Ethernet-порты модуля находятся в режиме Ethernet Bypass, встроенный коммутатор не функционирует. Входы/выходы модуля не функционируют.

** Приоритеты индикации светодиода «Авария» от большего к меньшему: аппаратный сбой, программные ошибки, безопасный режим, уровень заряда батареи.

Под лицевой панелью расположены клеммники и сервисная кнопка (рисунок).

Функции сервисной кнопки:

  • восстановления заводских настроек (раздел);
  • установки IP-адреса (раздел);
  • обновления встроенного ПО (раздел).

Часы реального времени

В приборе есть встроенные часы реального времени (RTC). Часы реального времени работают от собственного батарейного источника питания.

Отсчет времени производится по UTC в секундах, начиная с 00:00 01 января 2000 года. Значение RTC используется для записи в архив.

Подробнее о настройке часов реального времени см. раздел.

Запись архива

В модуль встроена флеш-память (flash), размеченная под файловую систему с шифрованием файлов. Алгоритм шифрования — Data Encryption Standard (DES) в режиме сцепления блоков шифротекста (CBC). В качестве ключа используется строка superkey. Вектор инициализации генерируется с помощью хеш-функции (см. приложение А). Аргументом функции является пароль, заданный в ПО Owen Configurator. В конце файла сохраняется контрольная сумма, рассчитанная по алгоритму CRC32 (контрольная сумма также шифрируется).

Архив модуля сохраняется в виде набора файлов. Период архивации, ограничение на размер одного файла и их количество задается пользователем в ПО Owen Configurator. Если архив полностью заполнен, то данные перезаписываются, начиная с самых старых данных самого старого файла.

Файл архива состоит из набора записей. Записи разделены символами переноса строки (0x0A0D). Каждая запись соответствует одному параметру и состоит из полей, разделенных символом «;» (без кавычек). Формат записи приведен в таблице ниже.

Формат записи в файле архива
ПараметрТипРазмерКомментарий
Метка времениBinary data4 байтаВ секундах начиная с 00:00 01.01.2000 (UTC+0)
РазделительСтрока1 байтСимвол «;» (без кавычек)
Уникальный идентификатор параметра (UID)Строка8 байтВ виде строки из HEX-символов с ведущими нулями
РазделительСтрока1 байтСимвол «;» (без кавычек)
Значение параметраСтроказависит от параметраВ виде строки из HEX-символов с ведущими нулями
РазделительСтрока1 байтСимвол «;» (без кавычек)
Статус параметраBinary data1 байт1 – значение параметра корректно, 0 – значение параметра некорректно и его дальнейшая обработка не рекомендована
Перенос строкиBinary data2 байта\n\r (0x0A0D)
Пример

Расшифрованная запись:

0x52 0x82 0xD1 0x24 0x3B 0x30 0x30 0x30 0x30 0x61 0x39 0x30 0x30 0x3B 0x30 0x30 0x30 0x30 0x30 0x30 0x30 0x31 0x3B 0x31 0x0A 0x0D

где

  • 0x52 0x82 0xD1 0x24 — метка времени. Для получения даты и времени в формате UnixTime следует изменить порядок байт на противоположный и добавить константу-смещение (число секунд между 00:00:00 01.01.1970 и 00:00:00 01.01.2000): 0x24D18252 (HEX) + 946684800 (DEC) = 1564394971 (DEC, соответствует 29 июля 2019 г., 10:09:31);

  • 0x3B — разделитель;

  • 0x30 0x30 0x30 0x30 0x61 0x39 0x30 0x30 — уникальный идентификатор параметра (00003ba00);

  • 0x30 0x30 0x30 0x30 0x30 0x30 0x30 0x31 — значение параметра (00000001);

  • 0x31 — статус параметра (1 – значение параметра корректно);

  • 0x0A 0x0D — символы переноса строки.

Прибор фиксирует время в архивных файлах по встроенным часам реального времени. Также можно задать часовой пояс, который будет считываться OwenCloud или внешним ПО. Запись во флеш-память (flash) происходит с определенной частотой, рассчитанной таким образом, чтобы ресурса флеш-памяти (flash) прибора хватило на срок не менее 10 лет работы.

Для чтения архива можно использовать:

  • облачный сервис OwenCloud (автоматическое чтение в случае потери и дальнейшего восстановления связи);

  • ПО Owen Configurator (например, для ручного анализа);

  • ПО пользователя (с помощью 20 функции Modbus).

Список архивируемых параметров доступен в Owen Configurator на вкладке Информация об устройстве. Порядок записи параметров в архив соответствует порядку параметров на вкладке.

Архив считывается с помощью 20 функции Modbus (0x14). Данная функция возвращает содержание регистров файла памяти и позволяет с помощью одного запроса прочитать одну или несколько записей из одного или нескольких файлов.

В запросе чтения файла для каждой записи указывается:

  • тип ссылки – 1 байт (должен быть равен 6);

  • номер файла – 2 байта;

  • начальный адрес регистра внутри файла – 2 байта;

  • количество регистров для чтения – 2 байта.

Примечание
Номер файла в запросе по Modbus рассчитывается как 4096 + порядковый номер файла. Порядковая нумерация файлов ведется с нуля. Параметр «Последний индекс архива» содержит порядковый номер файла архива, в который последний раз записывались данные.

Количество считываемых регистров в запросе должно быть подобрано таким образом, чтобы длина ответа не превышала допустимую длину пакета Modbus (256 байт).

Размер файла архива заранее неизвестен, поэтому следует считывать порции данных с помощью отдельных запросов. Если в ответ на запрос будет получено сообщение с кодом ошибки 0х04 (MODBUS_SLAVE_DEVICE_FAILURE), то можно сделать вывод, что адреса регистров в запросе находятся за пределами файла. Чтобы считать последние данные файла, требуется уменьшить количество регистров в запросе.

Примечание
Если отключить питание во время записи данных в архив, запись может не сохраниться.

Режимы обмена данными

Модуль поддерживает следующие режимы обмена данными:

  • обмен с Мастером сети по протоколу Modbus TCP (порт 502) — до 4 одновременных соединений с разными Мастерами сети;
  • соединение и обмен данными с ПК с помощью ПО Owen Configurator;
  • обмен с удаленным облачным сервисом OwenCloud (необходим доступ в Интернет);
  • обмен по протоколу MQTT;
  • обмен по протоколу SNMP.

Работа по протоколу Modbus TCP

Чтение и запись параметров по протоколу Modbus TCP
ОперацияФункция
Чтение3 (0х03) или 4 (0х04)
Запись6 (0х06) или 16 (0х10)

Список регистров Modbus считывается с прибора с помощью ПО OWEN Configurator во вкладке Параметры устройства. Cписок регистров Modbus представлен в таблицах ниже.

Общие регистры оперативного обмена по протоколу Modbus
НазваниеРегистрРазмер/тип/описание
Название (имя) прибора (DEV)0xF000Символьная строка до 32 байт, кодировка Win1251
Версия встроенного ПО прибора (VER)0xF010Символьная строка до 32 байт, кодировка Win1251
Название платформы0xF020Символьная строка до 32 байт, Win1251
Версия платформы0xF030Символьная строка до 32 байт, Win1251
Версия аппаратного обеспечения0xF040Символьная строка до 16 байт, Win1251
Дополнительная символьная информация0xF048Символьная строка до 16 байт, Win1251
Время и дата0xF0804 байта, в секундах с 2000 г
Часовой пояс 0xF0822 байта, signed short, смещение в минутах от Гринвича
Заводской номер прибора0xF084Символьная строка 32 байта, кодировка Win1251, используется 17 символов
Регистры обмена по протоколу Modbus
ПараметрЗначение (ед. изм.)Адрес регистраТип доступаФормат данных
DECHEX
Режим работы выхода DO1

0 – переключение логического сигнала;

1 – ШИМ низкочастотная;

2 – ШИМ высокочастотная;

3 – генератор импульсов

2720х110Чтение и записьUINT 16
Режим работы выхода DO2

0 – переключение логического сигнала;

1 – ШИМ низкочастотная;

2 – ШИМ высокочастотная;

3 – генератор импульсов

2730х111Чтение и записьUINT 16
Режим работы выхода DO3

0 – переключение логического сигнала;

1 – ШИМ низкочастотная;

2 – ШИМ высокочастотная;

3 – генератор импульсов

2740х112Чтение и записьUINT 16
Режим работы выхода DO4

0 – переключение логического сигнала;

1 – ШИМ низкочастотная;

2 – ШИМ высокочастотная

2750х113Чтение и записьUINT 16
Режим работы выхода DO5

0 – переключение логического сигнала;

1 – ШИМ низкочастотная;

2 – ШИМ высокочастотная

2760х114Чтение и записьUINT 16
Режим работы выхода DO6

0 – переключение логического сигнала;

1 – ШИМ низкочастотная;

2 – ШИМ высокочастотная

2770х115Чтение и записьUINT 16
Режим работы выхода DO7

0 – переключение логического сигнала;

1 – ШИМ низкочастотная;

2 – ШИМ высокочастотная

2780х116Чтение и записьUINT 16
Режим работы выхода DO8

0 – переключение логического сигнала;

1 – ШИМ низкочастотная;

2 – ШИМ высокочастотная

2790х117Чтение и записьUINT 16
Режим работы выхода DO9

0 – переключение логического сигнала;

1 – ШИМ низкочастотная

2800х118Чтение и записьUINT 16
Режим работы выхода DO10

0 – переключение логического сигнала;

1 – ШИМ низкочастотная

2810х119Чтение и записьUINT 16
Режим работы выхода DO11

0 – переключение логического сигнала;

1 – ШИМ низкочастотная

2820х11АЧтение и записьUINT 16
Режим работы выхода DO12

0 – переключение логического сигнала;

1 – ШИМ низкочастотная

2830х11ВЧтение и записьUINT 16
Режим работы выхода DO13

0 – переключение логического сигнала;

1 – ШИМ низкочастотная

2840х11СЧтение и записьUINT 16
Режим работы выхода DO14

0 – переключение логического сигнала;

1 – ШИМ низкочастотная

2850х11DЧтение и записьUINT 16
Режим работы выхода DO15

0 – переключение логического сигнала;

1 – ШИМ низкочастотная

2860х11EЧтение и записьUINT 16
Режим работы выхода DO16

0 – переключение логического сигнала;

1 – ШИМ низкочастотная

2870х11FЧтение и записьUINT 16
Режим работы выхода DO17

0 – переключение логического сигнала;

1 – ШИМ низкочастотная

2880х120Чтение и записьUINT 16
Режим работы выхода DO18

0 – переключение логического сигнала;

1 – ШИМ низкочастотная

2890х121Чтение и записьUINT 16
Режим работы выхода DO19

0 – переключение логического сигнала;

1 – ШИМ низкочастотная

2900х122Чтение и записьUINT 16
Режим работы выхода DO20

0 – переключение логического сигнала;

1 – ШИМ низкочастотная

2910х123Чтение и записьUINT 16
Режим работы выхода DO21

0 – переключение логического сигнала;

1 – ШИМ низкочастотная

2920х124Чтение и записьUINT 16
Режим работы выхода DO22

0 – переключение логического сигнала;

1 – ШИМ низкочастотная

2930х125Чтение и записьUINT 16
Режим работы выхода DO23

0 – переключение логического сигнала;

1 – ШИМ низкочастотная

2940х126Чтение и записьUINT 16
Режим работы выхода DO24

0 – переключение логического сигнала;

1 – ШИМ низкочастотная

2950х127Чтение и записьUINT 16
Период низкочастотной ШИМ выхода DO11000…60000 (миллисекунд)3080х134Чтение и записьUINT 16
Период низкочастотной ШИМ выхода DO21000…60000 (миллисекунд)3090х135Чтение и записьUINT 16
Период низкочастотной ШИМ выхода DO31000…60000 (миллисекунд)3100х136Чтение и записьUINT 16
Период низкочастотной ШИМ выхода DO41000…60000 (миллисекунд)3110х137Чтение и записьUINT 16
Период низкочастотной ШИМ выхода DO51000…60000 (миллисекунд)3120х138Чтение и записьUINT 16
Период низкочастотной ШИМ выхода DO61000…60000 (миллисекунд)3130х139Чтение и записьUINT 16
Период низкочастотной ШИМ выхода DO71000…60000 (миллисекунд)3140х13АЧтение и записьUINT 16
Период низкочастотной ШИМ выхода DO81000…60000 (миллисекунд)3150х13ВЧтение и записьUINT 16
Период низкочастотной ШИМ выхода DO91000…60000 (миллисекунд)3160х13СЧтение и записьUINT 16
Период низкочастотной ШИМ выхода DO101000…60000 (миллисекунд)3170х13DЧтение и записьUINT 16
Период низкочастотной ШИМ выхода DO111000…60000 (миллисекунд)3180х13EЧтение и записьUINT 16
Период низкочастотной ШИМ выхода DO121000…60000 (миллисекунд)3190х13FЧтение и записьUINT 16
Период низкочастотной ШИМ выхода DO131000…60000 (миллисекунд)3200х140Чтение и записьUINT 16
Период низкочастотной ШИМ выхода DO141000…60000 (миллисекунд)3210х141Чтение и записьUINT 16
Период низкочастотной ШИМ выхода DO151000…60000 (миллисекунд)3220х142Чтение и записьUINT 16
Период низкочастотной ШИМ выхода DO161000…60000 (миллисекунд)3230х143Чтение и записьUINT 16
Период низкочастотной ШИМ выхода DO171000…60000 (миллисекунд)3240х144Чтение и записьUINT 16
Период низкочастотной ШИМ выхода DO181000…60000 (миллисекунд)3250х145Чтение и записьUINT 16
Период низкочастотной ШИМ выхода DO191000…60000 (миллисекунд)3260х146Чтение и записьUINT 16
Период низкочастотной ШИМ выхода DO201000…60000 (миллисекунд)3270х147Чтение и записьUINT 16
Период низкочастотной ШИМ выхода DO211000…60000 (миллисекунд)3280х148Чтение и записьUINT 16
Период низкочастотной ШИМ выхода DO221000…60000 (миллисекунд)3290х149Чтение и записьUINT 16
Период низкочастотной ШИМ выхода DO231000…60000 (миллисекунд)3300х14AЧтение и записьUINT 16
Период низкочастотной ШИМ выхода DO241000…60000 (миллисекунд)3310х14BЧтение и записьUINT 16
Коэффициент заполнения ШИМ выхода DO10…1000 (0,10 %)3400х154Чтение и записьUINT 16
Коэффициент заполнения ШИМ выхода DO20…1000 (0,10 %)3410х155Чтение и записьUINT 16
Коэффициент заполнения ШИМ выхода DO30…1000 (0,10 %)3420х156Чтение и записьUINT 16
Коэффициент заполнения ШИМ выхода DO40…1000 (0,10 %)3430х157Чтение и записьUINT 16
Коэффициент заполнения ШИМ выхода DO50…1000 (0,10 %)3440х158Чтение и записьUINT 16
Коэффициент заполнения ШИМ выхода DO60…1000 (0,10 %)3450х159Чтение и записьUINT 16
Коэффициент заполнения ШИМ выхода DO70…1000 (0,10 %)3460х15АЧтение и записьUINT 16
Коэффициент заполнения ШИМ выхода DO80…1000 (0,10 %)3470х15ВЧтение и записьUINT 16
Коэффициент заполнения ШИМ выхода DO90…1000 (0,10 %)3480х15СЧтение и записьUINT 16
Коэффициент заполнения ШИМ выхода DO100…1000 (0,10 %)3490х15DЧтение и записьUINT 16
Коэффициент заполнения ШИМ выхода DO110…1000 (0,10 %)3500х15EЧтение и записьUINT 16
Коэффициент заполнения ШИМ выхода DO120…1000 (0,10 %)3510х15FЧтение и записьUINT 16
Коэффициент заполнения ШИМ выхода DO130…1000 (0,10 %)3520х160Чтение и записьUINT 16
Коэффициент заполнения ШИМ выхода DO140…1000 (0,10 %)3530х161Чтение и записьUINT 16
Коэффициент заполнения ШИМ выхода DO150…1000 (0,10 %)3540х162Чтение и записьUINT 16
Коэффициент заполнения ШИМ выхода DO160…1000 (0,10 %)3550х163Чтение и записьUINT 16
Коэффициент заполнения ШИМ выхода DO170…1000 (0,10 %)3560х164Чтение и записьUINT 16
Коэффициент заполнения ШИМ выхода DO180…1000 (0,10 %)3570х165Чтение и записьUINT 16
Коэффициент заполнения ШИМ выхода DO190…1000 (0,10 %)3580х166Чтение и записьUINT 16
Коэффициент заполнения ШИМ выхода DO200…1000 (0,10 %)3590х167Чтение и записьUINT 16
Коэффициент заполнения ШИМ выхода DO210…1000 (0,10 %)3600х168Чтение и записьUINT 16
Коэффициент заполнения ШИМ выхода DO220…1000 (0,10 %)3610х169Чтение и записьUINT 16
Коэффициент заполнения ШИМ выхода DO230…1000 (0,10 %)3620х16AЧтение и записьUINT 16
Коэффициент заполнения ШИМ выхода DO240…1000 (0,10 %)3630х16BЧтение и записьUINT 16
Частота генератора импульсов выхода DO11…60000 (Гц)3720x174Чтение и записьUINT 16
Частота генератора импульсов выхода DO21…60000 (Гц)3730x175Чтение и записьUINT 16
Частота генератора импульсов выхода DO31…60000 (Гц)3740x176Чтение и записьUINT 16
Количество импульсов генератора импульсов выхода DO10…65535 (импульсов)4040x194Чтение и записьUINT 16
Количество импульсов генератора импульсов выхода DO20…65535 (импульсов)4050x195Чтение и записьUINT 16
Количество импульсов генератора импульсов выхода DO30…65535 (импульсов)4060x196Чтение и записьUINT 16
Битовая маска состояния выходов0…167772154680x1D4Только чтениеUINT 32
Битовая маска установки состояния выходов0…167772154700x1D6Чтение и записьUINT 32
Безопасное состояние выхода DO10…1000 (0,10 %)4740x1DAЧтение и записьUINT 16
Безопасное состояние выхода DO20…1000 (0,10 %)4750x1DВЧтение и записьUINT 16
Безопасное состояние выхода DO30…1000 (0,10 %)4760x1DCЧтение и записьUINT 16
Безопасное состояние выхода DO40…1000 (0,10 %)4770x1DDЧтение и записьUINT 16
Безопасное состояние выхода DO50…1000 (0,10 %)4780x1DEЧтение и записьUINT 16
Безопасное состояние выхода DO60…1000 (0,10 %)4790x1DFЧтение и записьUINT 16
Безопасное состояние выхода DO70…1000 (0,10 %)4800x1E0Чтение и записьUINT 16
Безопасное состояние выхода DO80…1000 (0,10 %)4810x1E1Чтение и записьUINT 16
Безопасное состояние выхода DO90…1000 (0,10 %)4820x1E2Чтение и записьUINT 16
Безопасное состояние выхода DO100…1000 (0,10 %)4830x1E3Чтение и записьUINT 16
Безопасное состояние выхода DO110…1000 (0,10 %)4840x1E4Чтение и записьUINT 16
Безопасное состояние выхода DO120…1000 (0,10 %)4850x1E5Чтение и записьUINT 16
Безопасное состояние выхода DO130…1000 (0,10 %)4860x1E6Чтение и записьUINT 16
Безопасное состояние выхода DO140…1000 (0,10 %)4870x1E7Чтение и записьUINT 16
Безопасное состояние выхода DO150…1000 (0,10 %)4880x1E8Чтение и записьUINT 16
Безопасное состояние выхода DO160…1000 (0,10 %)4890x1E9Чтение и записьUINT 16
Безопасное состояние выхода DO170…1000 (0,10 %)4900x1EAЧтение и записьUINT 16
Безопасное состояние выхода DO180…1000 (0,10 %)4910x1EBЧтение и записьUINT 16
Безопасное состояние выхода DO190…1000 (0,10 %)4920x1ECЧтение и записьUINT 16
Безопасное состояние выхода DO200…1000 (0,10 %)4930x1EDЧтение и записьUINT 16
Безопасное состояние выхода DO210…1000 (0,10 %)4940x1EEЧтение и записьUINT 16
Безопасное состояние выхода DO220…1000 (0,10 %)4950x1EFЧтение и записьUINT 16
Безопасное состояние выхода DO230…1000 (0,10 %)4960x1F0Чтение и записьUINT 16
Безопасное состояние выхода DO240…1000 (0,10 %)4970x1F1Чтение и записьUINT 16
Частота высокочастотной ШИМ выхода DO11…60000 (Гц)5060x1FAЧтение и записьUINT 16
Частота высокочастотной ШИМ выхода DO21…60000 (Гц)5070x1FAЧтение и записьUINT 16
Частота высокочастотной ШИМ выхода DO31…60000 (Гц)5080x1FВЧтение и записьUINT 16
Частота высокочастотной ШИМ выхода DO41…60000 (Гц)5090x1FDЧтение и записьUINT 16
Частота высокочастотной ШИМ выхода DO51…60000 (Гц)5100x1FEЧтение и записьUINT 16
Частота высокочастотной ШИМ выхода DO61…60000 (Гц)5110x1FFЧтение и записьUINT 16
Частота высокочастотной ШИМ выхода DO71…60000 (Гц)5120x200Чтение и записьUINT 16
Частота высокочастотной ШИМ выхода DO81…60000 (Гц)5130x201Чтение и записьUINT 16
Значение счетчика генератора импульсов выхода DO11…65535 (импульсов)5380x21AТолько чтениеUINT 16
Значение счетчика генератора импульсов выхода DO21…65535 (импульсов)5390x21ВТолько чтениеUINT 16
Значение счетчика генератора импульсов выхода DO31…65535 (импульсов)5400x21CТолько чтениеUINT 16
Тайм-аут перехода в безопасное состояние0…60 (секунд)7000x2BCЧтение и записьUINT 8
Разрешение конфигурирования из удаленного облачного сервиса

0 – заблокировано;

1 – разрешено

7010x2BDЧтение и записьUINT 16
Управление и запись значений из удаленного облачного сервиса

0 – заблокировано;

1 – разрешено

7020x2BEЧтение и записьUINT 16
Доступ к регистрам Modbus из удаленного облачного сервиса

0 – полный запрет;

1 – только чтение;

2 – только запись;

3 – полный доступ

7030x2BFЧтение и записьUINT 16
Состояние батареи (напряжение)0…3300 (мВ)8010x321Только чтениеUINT 16
Период архивирования

10…3600 (секунд);

заводская настройка – 30

9000x384Чтение и записьUINT 16
Количество архивов10…3009010x385Чтение и записьUINT 16
Размер архива200…20489020x386Чтение и записьUINT 16
Последний индекс архива0…655359030x387Только чтениеUINT 16
Время в миллисекундах615630xF07BТолько чтениеUINT 32
Новое времяДата/Время в секундах с 1 января 2000 г.615650xF07DЧтение и записьUINT 32
Записать новое время

0 – не записывать;

1 – записать

615670xF07FЧтение и записьUINT 16
Время и дата (UTC)Дата/Время в секундах с 1 января 2000 г.615680xF080Только чтениеUINT 32
Часовой поясСмещение в минутах от Гринвича615700xF082Чтение и записьINT 16
MAC адрес616960xF100Только чтениеUINT 48
DNS сервер 1120xСЧтение и записьUINT 32
DNS сервер 2140xЕЧтение и записьUINT 32
Установить IP-адрес200x14Чтение и записьUINT 32
Установить маску подсети220x16Чтение и записьUINT 32
Установить IP-адрес шлюза240x18Чтение и записьUINT 32
Текущий IP-адрес260x1AТолько чтениеUNT 32
Текущая маска подсети280x1CТолько чтениеUINT 32
Текущий IP-адрес шлюза300x1EТолько чтениеUINT 32
Режим DHCP

0 – полный запрет;

1 – только чтение;

2 – только запись

320x20Чтение и записьUINT 16
Подключение к «OwenCloud»

0 – выкл.;

1 – вкл.

350x23Чтение и записьUINT 16
Статус подключения к «OwenCloud»

0 – нет связи;

1 – соединение;

2 – работа;

3 – ошибка;

4 – нет пароля

360x24Чтение и записьUINT 16
Включение/Отключение NTP

0 – выкл.;

1 – вкл.

56320x1600Чтение и записьUINT 16
Пул NTP серверов56330x1601Чтение и записьSTRING 256
NTP сервер 156970x1641Чтение и записьUINT 32
NTP сервер 256990x6143Чтение и записьUINT 32
Период синхронизации NTP5…65535 с57010x1645Чтение и записьUINT 16
Статус NTP

0 – отключено;

1 – подключено;

2 – ошибка соединения

57020x1646Чтение и записьUINT 16
Подключение к брокеру MQTT

0 – выкл.;

1 – вкл.

58880x1700Только чтениеUINT 16
Логин MQTT59280x1728Чтение и записьSTRING 256
Пароль MQTT59600x1748Чтение и записьSTRING 256
Имя устройства MQTT58960x1708Чтение и записьSTRING 256
Адрес брокера MQTT59930x1769Чтение и записьSTRING 256
Порт MQTT0…6553558910x1703Чтение и записьUINT 16
Хранение последнего сообщения MQTT

0 – выкл.;

1 – вкл.

58950x1707Чтение и записьUINT 16
Интервал публикации MQTT5…600 с58920x1704Чтение и записьUINT 16
Качество обслуживания MQTT

0 – QoS0;

1 – QoS1;

2 – QoS2

58930x1705Чтение и записьUINT 16
Интервал Keep Alive MQTT0…600 с59920x1768Чтение и записьUINT 16
Статус MQTT

0 – отключено;

1 – опрос;

2 – синхронизировано

60250x1789Только чтениеUINT 16
Включить (MQTTstatus)

0 – выкл.;

1 – вкл.

60260x178AЧтение и записьUINT 16
Включение/Отключение SNMP

0 – выкл.;

1 – вкл.

51200x1400Чтение и записьUINT 16
Сообщество для чтения SNMP60010x1771Чтение и записьSTRING 256
Сообщество для записи SNMP60170x1781Чтение и записьSTRING 256
IP адрес для ловушки SNMP51210x1401Чтение и записьUINT 32
Номер порта для ловушки0…6553551230x1403Чтение и записьUINT 16
Версия SNMP

0 – SNMPv1;

1 – SNMPv2

51240x1404Чтение и записьUINT 16

Коды ошибок для протокола Modbus

Во время работы модуля по протоколу Modbus возможно возникновение ошибок, представленных в таблице. В случае возникновения ошибки модуль отправляет Мастеру сети ответ с кодом ошибки.

Список возможных ошибок
Название ошибкиВозвращаемый кодОписание ошибки
MODBUS_ILLEGAL_FUNCTION01 (0x01)Недопустимый код функции – ошибка возникает, если модуль не поддерживает функцию Modbus, указанную в запросе
MODBUS_ILLEGAL_DATA_ADDRESS02 (0x02)Недопустимый адрес регистра – ошибка возникает, если в запросе указаны адреса регистров, отсутствующие в модуле
MODBUS_ILLEGAL_DATA_VALUE03 (0x03)Недопустимое значение данных – ошибка возникает, если запрос содержит недопустимое значение для записи в регистр
MODBUS_SLAVE_DEVICE_FAILURE04 (0x04)Ошибка возникает, если запрошенное действие не может быть завершено

Во время обмена по протоколу Modbus модуль проверяет соответствие запросов спецификации Modbus. Не прошедшие проверку запросы игнорируются модулем. Запросы, в которых указан адрес, не соответствующий адресу модуля, также игнорируются.

Далее проверяется код функции. Если в модуль приходит запрос с кодом функции, не указанной в таблице, возникает ошибка MODBUS_ILLEGAL_FUNCTION.

Список поддерживаемых функций
Название функцииКод функцииОписание функции
MODBUS_READ_HOLDING_REGISTERS3 (0x03)Чтение значений из одного или нескольких регистров хранения
MODBUS_READ_INPUT_REGISTERS4 (0x04)Чтение значений из одного или нескольких регистров ввода
MODBUS_WRITE_SINGLE_REGISTER6 (0x06)Запись значения в один регистр
MODBUS_WRITE_MULTIPLE_REGISTERS16 (0x10)Запись значений в несколько регистров
MODBUS_READ_FILE_RECORD20 (0x14)Чтение архива из файла
MODBUS_WRITE_FILE_RECORD21 (0x15)Запись архива в файл

Ситуации, приводящие к возникновению ошибок во время работы с регистрами, описаны в таблице.

Ошибки во время работы с регистрами
Используемая функцияНаименование ошибкиВозможные ситуации, приводящие к ошибке

MODBUS_READ_HOLDING_REGISTERS

MODBUS_ILLEGAL_DATA_ADDRESS

  • количество запрашиваемых регистров больше максимального возможного числа (125);
  • запрос несуществующего параметра

MODBUS_READ_INPUT_REGISTERS

MODBUS_ILLEGAL_DATA_ADDRESS

  • количество запрашиваемых регистров больше максимального возможного числа (125);
  • запрос несуществующего параметра

MODBUS_WRITE_SINGLE_REGISTER

MODBUS_ILLEGAL_DATA_ADDRESS

  • попытка записи параметра, размер которого превышает 2 байта;
  • попытка записи параметра, доступ на запись к которому запрещен;
  • попытка записи параметра такого типа, запись в который не может быть осуществлена данной функцией. Поддерживаемые типы:

    • знаковые и беззнаковые целые (размер не более 2 байт);
    • перечисляемые;

    • float16 (на данный момент в модуле такой тип не используется).

  • запрос несуществующего параметра

MODBUS_ILLEGAL_DATA_VALUE

  • выход за пределы максимального или минимального ограничений для параметра

MODBUS_WRITE_MULTIPLE_REGISTERS

MODBUS_ILLEGAL_DATA_ADDRESS

  • запись несуществующего параметра;
  • попытка записи параметра, доступ на запись к которому запрещен;
  • количество записываемых регистров больше максимального возможного числа (123)

MODBUS_ILLEGAL_DATA_VALUE

  • не найден терминирующий символ (\0) в строковом параметре;

  • размер запрашиваемых данных меньше размера первого или последнего в запросе параметра;

  • выход за пределы максимального или минимального ограничений для параметра

Ситуации, приводящие к возникновению ошибок во время работы с архивом, описаны в таблице.

Ошибки во время работы с архивом
Используемая функцияНаименование ошибкиВозможные ситуации, приводящие к ошибке

MODBUS_READ_FILE_RECORD

MODBUS_ILLEGAL_FUNCTION

  • ошибочный размер данных (0x07 <= data length <= 0xF5)

MODBUS_ILLEGAL_DATA_ADDRESS

  • reference type не соответствует спецификации;

  • не удалось открыть файл для чтения (возможно, он отсутствует)

MODBUS_ILLEGAL_DATA_VALUE

  • не удалось переместиться к нужному смещению в файле

MODBUS_SLAVE_DEVICE_FAILURE

  • ошибка удаления файла при запросе на удаление;

  • запрос слишком большого количества данных (больше 250 байт);

  • недопустимый record number (больше 0x270F);

  • недопустимый record length (больше 0x7A)

MODBUS_WRITE_FILE_RECORD

MODBUS_ILLEGAL_FUNCTION

  • ошибочный размер данных (0x09 <= data length <= 0xFB)

MODBUS_ILLEGAL_DATA_ADDRESS

  • reference type не соответствует спецификации;

  • не удалось открыть файл для записи

MODBUS_SLAVE_DEVICE_FAILURE

  • запрашиваемый файл отсутствует;

  • запрашиваемый файл доступен только для чтения;

  • не удалось записать необходимое количество байт

Работа по протоколу MQTT

Архитектура MQTT определяет три типа устройств в сети:

  • брокер – устройство (обычно – ПК с серверным ПО), которое осуществляет передачу сообщений от издателей к подписчикам;
  • издатели – устройства, которые являются источниками данных для подписчиков;
  • подписчики – устройства, которые получают данные от издателей.

Одно устройство может совмещать функции издателя и подписчика.

Graphic
Структурная схема обмена по протоколу MQTT

Подписка и публикация данных происходит в рамках топиков. Топик представляет собой символьную строку с кодировкой UTF-8, которая позволяет однозначно идентифицировать определенный параметр. Топики состоят из уровней, разделяемых символом «/».

Примечание
Топики MQTT могут включать в себя заполнители – специальные символы, которые обрабатываются брокером особым образом. Существует два типа заполнителей – одноуровневый заполнитель «+» и многоуровневый заполнитель «#».
Предупреждение
Топики являются чувствительными к регистру.

Структура топиков модулей: Серия/Имя_устройства/Функция/Имя_узла/Параметр, где:

  • Серия – наименование серии устройства, всегда имеет значение МХ210;
  • Имя_устройства – имя конкретного модуля, заданное в ПО Owen Configurator (см. раздел);
  • Функция – GET (чтение значений входов или выходов) или SET (запись значений выходов модуля);
  • Имя_узла – тип входов или выходов (DI/DI/AI/AO);
  • Параметр – название конкретного параметра (см. таблицу).
Уровни топиков модуля
СерияИмя устройстваФункцияИмя узлаПараметрОписаниеФормат значения
MX210DeviceSETDOMASKБитовая маска дискретных выходовЦелочисленный
MX210DeviceGETDOSTATEБитовая маска дискретных выходовЦелочисленный
Пример

1. Чтение значения дискретных входов

MX210/Device/GET/DI/MASK

Пример полученного значения: 15 (замкнуты входы 1–4)

2. Запись значений дискретных выходов

MX210/Device/SET/DO/MASK

Пример записываемого значения: 15 (включить выходы 1–4)

3. Использование одноуровневого заполнителя

MX210/Device/GET/+/COUNTER – будет получена информация о значениях счетчиков всех дискретных входов модуля, то есть этот топик эквивалентен набору топиков:

MX210/Device/GET/DI1/COUNTER

MX210/Device/GET/DI2/COUNTER

MX210/Device/GET/…/COUNTER

MX210/Device/GET/DIn/COUNTER

4. Использование многоуровневого заполнителя

MX210/Device/GET/# – будет получена информация о всех параметрах модуля, доступных для чтения (GET), то есть этот топик эквивалентен набору топиков:

MX210/Device/GET/DI/MASK

MX210/Device/GET/DI1/COUNTER

MX210/Device/GET/DI2/COUNTER

MX210/Device/GET/…/COUNTER

MX210/Device/GET/DIn/COUNTER

Работа по протоколу SNMP

Протокол основан на архитектуре «Клиент/Сервер», при этом в терминологии протокола клиенты называются менеджерами, а серверы – агентами.

Менеджеры могут производить чтение (GET) и запись (SET) параметров агентов. Агенты могут отправлять менеджерам уведомления (трапы) – например, о переходе оборудования в аварийное состояние.

Каждый параметр агента имеет уникальный идентификатор (OID), представляющий собой последовательность цифр, разделенных точками. Для упрощения настройки обмена производители устройств-агентов обычно предоставляют MIB-файлы, которые включают в себя список параметров прибора с их названиями и идентификаторами. Эти файлы могут быть импортированы в SNMP-менеджер.

Graphic
Структурная схема обмена по протоколу SNMP

Режимы работы дискретных выходов

На одном выходе может быть включен только один режим работы:

  • переключение логического сигнала;
  • генерация низкочастотного ШИМ сигнала;
  • генерация высокочастотного ШИМ сигнала (только для выходов DO1–DO8);
  • генерация заданного числа импульсов (только для выходов DO1–DO3).

Для выбора режима и его настройки следует записать нужные значения в соответствующие Modbus регистры (см. раздел).

Режим переключения логического сигнала

Выходы в режиме переключения логического сигнала управляются путем записи битовой маски состояния выходов в соответствующие регистры Modbus.

Режим генерации низкочастотного ШИМ сигнала

Выходы модуля могут работать в режиме генерации ШИМ сигналов.

Для настройки режима следует задать значения параметров:

  • период ШИМ (от 1000 до 60000 мс);
  • коэффициент заполнения ШИМ (%).

Режим генерации высокочастотного ШИМ сигнала

Выходы DO1–DO8 могут работать в режиме генерации высокочастотных ШИМ сигналов.

Для настройки режима следует задать значения параметров:

  • частота следования импульсов (от 0 до 60 кГц);
  • коэффициент заполнения ШИМ (%).

Режим генератора заданного числа импульсов

Выходы DO1–DO3 могут работать в режиме генерации заданного числа импульсов.

Каждый выход управляется путем записи в регистры управления выхода значений параметров:

  • количества импульсов (от 1 до 65535);
  • частоты генератора импульсов (до 60 кГц).

Генерация импульсов начинается после записи количества импульсов в регистр «Количество импульсов генератора импульсов». Коэффициент заполнения сигнала неизменен и равен 50 %.

В регистре значения счетчика генератора импульсов конкретного выхода хранится количество импульсов, которые осталось выдать генератору данного выхода.

Для принудительной остановки генерации импульсов следует записать значение 0 в регистр «Количество импульсов генератора импульсов».

Режимы включения выходных элементов

Выходы DO1…DO8 работают в режиме верхний и нижний ключи. Выходы DO9…DO24 работают в режиме верхний ключ.

  • верхний ключ (рисунок) — для коммутации нагрузки с меньшей емкостью и большим током;
  • верхний и нижний ключи (рисунок) — для коммутации нагрузки с большей емкостью и меньшим током (менее 100 мА).
Примечание
Изменение режима включения выходов отсутствует.
Graphic
Схема подключения нагрузки в режиме включения «верхний ключ»
Graphic
Схема подключения нагрузки в режиме включения «верхний и нижний ключи»
Примечание
В режиме включения «верхний ключ» для увеличения тока нагрузки допускается подключать нагрузку параллельно к нескольким выходам одной группы.

Работа выходных элементов на емкостную нагрузку

Выходы модуля можно подключать к емкостной нагрузке. В зависимости от номинального значения емкости накладываются ограничения на максимальную частоту и на максимальную длительность импульса выходного сигнала.

Режим включения «верхний и нижний ключи»

Минимальная длительность импульса при напряжении питания выходов 24 В в зависимости от резистивной и емкостной нагрузки приведена в таблице:

Минимальная длительность импульса выходного сигнала в режиме включения «верхний и нижний ключи», мкс
Сопротивление нагрузки, RнагрЕмкость нагрузки, Снагр
0 пФ1000 пФ22 нФ50 нФ100 нФ1 мкФ
250 Ом112410
500 Ом11362080
5 кОм1141030100*
Примечание

При емкости нагрузки 1 мкФ и сопротивлении нагрузки 5 кОм:

  • максимальное время нарастания импульса — 10 мкс;
  • максимальное время спада импульса — 20 мкс.

Максимальная допустимая частота ШИМ при напряжении питания выходов 24 В при работе на резистивную и емкостную нагрузку приведена в таблице:

Максимальная допустимая частота ШИМ, Гц
Сопротивление нагрузки, RнагрЕмкость нагрузки, Снагр
0 пФ1000 пФ22 нФ50 нФ100 нФ1 мкФ
250 Ом60 00050 00014 0006 0003 000200
500 Ом60 00060 00031 00013 5006 500500
5 кОм60 00060 00050 00035 00017 0001 000

Режим включения «верхний ключ»

Минимальная длительность импульса при напряжении питания выходов 24 В в зависимости от резистивной и емкостной нагрузки приведена в таблице:

Минимальная длительность импульса выходного сигнала в режиме включения «верхний ключ», мкс
Сопротивление нагрузки, RнагрЕмкость нагрузки, Снагр
0 пФ1000 пФ22 нФ50 нФ100 нФ1 мкФ
50 Ом1010152540
500 Ом101030504001500
5 кОм1020300500500010000
Примечание

При емкости нагрузки 1 мкф и сопротивлении нагрузки 5 кОм:

  • максимальное время нарастания импульса – 10 мкс;
  • максимальное время спада импульса – 20 мкс.

Максимальная частота ШИМ при напряжении питания выходов 24 В и работе на резистивную и емкостную нагрузку приведена в таблице:

Максимальная частота ШИМ, Гц
Сопротивление нагрузки, RнагрЕмкость нагрузки, Снагр
0 пФ1000 пФ22 нФ50 нФ100 нФ1 мкФ
50 Ом10 0001 000650400250
500 Ом10 0001 000300200255
5 кОм10 000500302021

Работа выходных элементов на индуктивную нагрузку

Выходы модуля могут быть подключены к индуктивной нагрузке. В модуле реализована аппаратная защита от тока самоиндукции, возникающего во время отключения нагрузки. Подключение внешнего защитного диода не требуется.

Безопасное состояние выходных элементов

Для каждого выхода возможна установка безопасного состояния.

Выход переходит в безопасное состояние, если в течение времени тайм-аута отсутствуют команды от Мастера сети. На выходе модуля устанавливается значение параметра Безопасное состояние в процентах (от 0 до 100 %).

Тайм-аут перехода в безопасное состояние задается пользователем. Модуль при включении перейдет в состояние, которое было установлено последним до выключения, и будет находиться в нем до получения новой команды от Мастера сети. Для отключения функции перехода в безопасное состояние следует установить параметр Тайм-аут перехода в безопасное состояние равным 0.

Если Мастером сети является только облачный сервис OwenCloud, необходимо отключить Безопасное состояние для выходов. Для отключения безопасного состояния следует задать значение параметра Тайм-аут перехода в безопасное состояние равным 0.

Примечание
Заводская настройка параметра Тайм-аут перехода в безопасное состояние равна 30 секунд.

Настройка

Подключение к ПО «OWEN Configurator»

Прибор настраивается в ПО OWEN Configurator.

Прибор можно подключить к ПК с помощью следующих интерфейсов:

  • USB (разъем micro-USB);
  • Ethernet;
  • RS-485.

Для выбора интерфейса следует:

  1. Подключить прибор к ПК с помощью кабеля USB или по интерфейсу Ethernet.
    Предупреждение

    В случае подключения прибора к порту USB подача основного питания прибора не требуется.

    Питание прибора осуществляется от порта USB.

    В случае подключения по интерфейсу Ethernet следует подать основное питание на прибор.

  2. Открыть ПО OWEN Configurator.
  3. В меню выбрать Добавить устройства.
  4. В выпадающем меню Интерфейс во вкладке Сетевые настройки выбрать:
    • Ethernet (или другую сетевую карту, к которой подключен прибор) – для подключения по Ethernet;
    • STMicroelectronics Virtual COM Port – для подключения по USB.
    Graphic
    Меню выбора интерфейса
Дальнейшие шаги для поиска устройства зависят от выбора интерфейса.

Чтобы найти и добавить в проект прибор, подключенный по интерфейсу Ethernet, следует:

  1. Выбрать Найти одно устройство.
  2. Ввести IP-адрес подключенного устройства.
  3. Нажать вкладку Найти. В окне отобразится прибор с указанным IP-адресом.

    Примечание
    Значение IP-адреса по умолчанию (заводская настройка) — 192.168.1.99.

  4. Выбрать устройство (отметить галочкой) и нажать ОК. Если устройство защищено паролем, то следует ввести корректный пароль. Устройство будет добавлено в проект.

Чтобы найти и добавить в проект прибор, подключенный по интерфейсу USB и RS-485, следует:

  1. В выпадающем меню Протокол выбрать протокол Owen Auto Detection Protocol.
    Graphic
    Выбор протокола
  2. Выбрать Найти одно устройство.
  3. Ввести адрес подключенного устройства (по умолчанию — 1).
  4. Нажать вкладку Найти. В окне отобразится прибор с указанным адресом.
  5. Выбрать устройство (отметить галочкой) и нажать ОК. Если устройство защищено паролем, то следует ввести корректный пароль. Устройство будет добавлено в проект.

Более подробная информация о подключении и работе с прибором приведена в Справке ПО OWEN Configurator. Для вызова справки в программе следует нажать клавишу F1.

Подключение к облачному сервису OwenCloud

Для подключения модуля к облачному сервису следует выполнить действия:

  1. Подключить модуль к Owen Configurator (см. раздел).
  2. Включить доступ к OwenCloud и настроить права удаленного доступа (см. раздел).
  3. Задать пароль для доступа к прибору (см. Справку Owen Configurator).
    Предупреждение
    Если пароль не задан, подключение к облачному сервису недоступно.
  4. Зайти на сайт облачного сервиса OwenCloud.
  5. Перейти в раздел Администрирование Graphic и добавить прибор.

Подробный пример настройки подключения к OwenCloud можно посмотреть в документе «Мх210. Примеры настройки обмена» на странице прибора на сайте www.owen.ru.

Ограничение обмена данными при работе с облачным сервисом OwenCloud

Облачный сервис OwenCloud является надежным хранилищем данных, обмен информации с которым зашифрован модулем. Если на производстве имеются ограничения на передачу данных, то обмен данными с облачным сервисом OwenCloud можно отключить. По умолчанию подключение модуля к облачному сервису запрещено. Ограничение доступа и обмена данными с модулем следует настраивать в ПО Owen Configurator.

Для разрешения подключения в Owen Configurator следует:

  1. Установить пароль для доступа к модулю (см. раздел).
  2. Задать значение Вкл. в параметре Подключение к OwenCloud (рисунок).

Примечание
Если для модуля не задан пароль, то автоматическое подключение к облачному сервису происходить не будет.
Graphic
Настройка автоматического подключения к облачному сервису

Если доступ к модулю через облачный сервис OwenCloud разрешен, то можно настроить следующие ограничения доступа (рисунок):

  • Разрешение конфигурирования — доступ к конфигурационным параметрам модуля;
  • Управление и запись значений — чтение и запись значений модуля;
  • Доступ к регистрам Modbus — чтение и/или запись значений регистров.

Graphic
Настройка удаленного доступа к модулю

Настройка сетевых параметров

Для обмена данных модуля в сети Ethernet должны быть заданы параметры, приведенные в таблице:

Сетевые параметры модуля
ПараметрПримечание
MAC-адресУстанавливается на заводе-изготовителе и является неизменным
IP-адресМожет быть статическим или динамическим. Заводская настройка – 192.168.1.99
Маска IP-адресаЗадает видимую модулем подсеть IP-адресов других устройств. Заводская настройка – 255.255.0.0
IP-адрес шлюзаЗадает адрес шлюза для выхода в Интернет. Заводская настройка – 192.168.1.1

IP-адрес может быть:

  • статический;
  • динамический.

Статический IP-адрес устанавливается с помощью Owen Configurator или сервисной кнопки.

Для установки статического IP-адреса с помощью Owen Configurator следует:

  1. Зайти во вкладку Сетевые настройки.
  2. Задать значение в поле Установить IP адрес.
  3. Задать значение в поле Установить маску подсети.
  4. Задать значение в поле Установить IP адрес шлюза.

При статическом IP-адресе параметр Режим DHCP должен иметь значение Выкл.

Для установки статического IP-адреса c помощью сервисной кнопки следует:

  1. Подключить модуль или группу модулей к сети Ethernet.
  2. Запустить Owen Configurator на ПК, подключенному к той же сети Ethernet.
  3. Выбрать вкладку Назначение IP-адресов.
  4. Задать начальный IP-адрес для первого модуля из группы модулей.
  5. Последовательно нажимать на модулях сервисные кнопки, контролируя результат в окне программы. В окне Owen Configurator будет отображаться информация о модуле, на котором была нажата кнопка, этому модулю будет присваиваться заданный статический IP-адрес и другие параметры сети. После присвоения адрес автоматически увеличивается на 1.
Для назначения статического IP-адреса с помощью кнопки параметр Режим DHCP должен иметь значение Разовая установка кнопкой.

Graphic
Настройка параметра «Режим DHCP»

С помощью сервисной кнопки можно установить IP-адреса сразу для группы модулей (см. справку к Owen Configurator, раздел Назначение IP-адреса устройству).

Динамический IP-адрес используется для работы с облачным сервисом и не подразумевает работу с Мастером сети Modbus TCP. IP-адрес модуля устанавливается DHCP-сервером сети Ethernet.

Примечание
Следует уточнить у служб системного администрирования о наличии DHCP-сервера в участке сети, к которому подключен модуль. Для использования динамического IP-адреса следует установить значение Вкл в параметре Режим DHCP.
Предупреждение
Для применения новых сетевых настроек следует перезагрузить модуль. Если модуль подключен по USB, его также следует отключить.

Настройка параметров обмена по протоколу MQTT в ПО «OWEN Configurator»

Модули поддерживают протокол MQTT (версия 3.1.1) и могут использоваться в роли клиентов. Модули публикуют сообщения о состоянии своих входов и подписаны на топики, в рамках которых производится управление их выходами.

Параметры обмена по MQTT настраиваются в Owen Configurator.

Graphic
Параметры обмена по MQTT
Параметры обмена по протоколу MQTT
ПараметрОписание
Сообщение о присутствии

Если параметр имеет значение Вкл., то в момент включении модуль публикует сообщение «Online» в топик MX210/Имя_устройства/MQTTstatus.

Если от модуля не поступает сообщений, брокер публикует в данный топик сообщение «Offline».

Подключение к брокеруДля работы с модулем по протоколу MQTT следует установить значение Вкл.
ЛогинИспользуются для аутентификации устройства на стороне брокера. Если значения параметров не заданы, то аутентификация не используется
Пароль
Имя устройстваИмя устройства. Входит в состав топика.
Адрес брокера

IP или URL брокера. Если брокер расположен во внешней сети, то следует установить для параметров Шлюз и DNS (вкладка Сетевые настройки) корректные значения

ПортПорт брокера
Хранение последнего сообщениеЕсли установлено значение Включено, то другие клиенты, подписанные на топики модуля, получат последние сообщения из этих топиков
Интервал публикацииИнтервал публикации данных (в секундах)
Качество обслуживания

Выбранный уровень качества обслуживания.

QoS 0 – передача сообщений осуществляется без гарантии доставки.

QoS 1 – передача сообщений осуществляется с гарантией доставки, но допускается дублирование сообщений (т.е. одно и тоже сообщение будет разослано подписчикам несколько раз).

QoS 2 – передача сообщений осуществляется с гарантией доставки и с гарантией отсутствия дублирования сообщений.

Интервал Keep Alive (в секундах)

Если в течение промежутка времени, равного полутора значениям данного параметра, брокер не получает сообщений от модуля, то соединение будет разорвано.

0 – параметр не используется (при отсутствии сообщений соединение никогда не будет разорвано).

СтатусСтатус подключения к брокеру
Примечание
При использовании протокола MQTT запись параметров обычно является событийной, а не циклической. Рекомендуется задать параметр Таймаут перехода в безопасное состояние (вкладка Modbus Slave) равным 0.

Настройка параметров обмена по протоколу SNMP в ПО «OWEN Configurator»

Модули поддерживают протокол SNMP (версии SNMPv1 и SNMPv2c) и могут быть использованы в роли агентов. Модули поддерживают запросы GET и SET. Модули с дискретными входами отправляют трапы с битовой маской входов при изменении значения любого входа.

По протоколу SNMP доступны все параметры модуля. Список OID параметров приведен в Руководстве по эксплуатации на конкретный модуль. MIB-файл модуля доступен на его странице на сайте owen.ru.

Graphic
Параметры обмена по SNMP
Параметры обмена по SNMP
ПараметрОписание
Включение/ОтключениеДля работы модуля по протоколу SNMP требуется установить значение Включено
Сообщество для чтенияПароль, используемый для чтения данных модуля
Сообщество для записиПароль, используемый для записи данных в модуль
IP адрес для ловушкиIP-адрес, на который будет отправлен трап в случае изменения маски дискретных входов модуля (только для модулей с дискретными входами)
Номер порта для ловушкиНомер порта, на который будет отправлен трап
Версия SNMPВерсия протокола, используемая модулем (SNMPv1 или SNMPv2)
Примечание
При использовании протокола SNMP без запросов чтения (GET) запись параметров обычно является событийной, а не циклической. Рекомендуется задать параметр Таймаут перехода в безопасное состояние (вкладка Modbus Slave) равным 0.

Пример настройки обмена модуля по протоколу SNMP можно посмотреть в документе «Мх210. Примеры настройки обмена», который доступен на странице прибора на сайте owen.ru.

Пароль доступа к модулю

Для ограничения доступа к чтению и записи параметров конфигурации и для доступа в облачный сервис OwenCloud используется пароль.

Установить или изменить пароль можно с помощью ПО Owen Configurator.

В случае утери пароля следует восстановить заводские настройки.

По умолчанию пароль не задан.

Обновление встроенного ПО

Обновление встроенного ПО модуля следует выполнять с помощью интерфейса USB.

Примечание
Перед обновлением ПО рекомендуется сохранить конфигурацию модуля (в меню Конфигуратора выбрать «Файл» далее «Сохранить как…»).

Для обновления встроенного ПО по интерфейсу USB следует выбрать один из способов:

  1. С помощью Конфигуратора, используя файл прошивки с расширением *.fw;

  2. С помощью ПО Мастер прошивки.

Обновление через Конфигуратор – рекомендовано. Второй способ подходит, если нет возможности подключить модуль к Конфигуратору. Подробная инструкция по обновлению встроенного ПО модуля находится в архиве прошивок, который доступен для скачивания на странице прибора на сайте www.owen.ru.

Примечание
После обновления встроенного ПО сетевые и конфигурационные параметры сбросятся на заводские значения.

Настройка часов реального времени

Значение часов реального времени (RTC) можно установить или считать с прибора через регистры Modbus, а также с помощью ПО OWEN Configurator (см. справку к ПО OWEN Configurator, раздел «Настройка часов»).

Для установки нового времени через регистры Modbus следует:

  1. Записать значение времени в соответствующие регистры.

  2. Установить на время не менее 1 секунды значение 1 в регистре обновления текущего времени.
  3. Записать в регистр обновления текущего времени значение 0.

Следующая запись текущего времени может быть произведена через 1 секунду.

В случае необходимости можно синхронизировать часы модуля с удаленным NTP-сервером.

Восстановление заводских настроек

Внимание
После восстановления заводских настроек все ранее установленные настройки, кроме сетевых будут удалены.

Для восстановления заводских настроек и сброса установленного пароля следует:

  1. Включить питание прибора.
  2. Нажать и удерживать сервисную кнопку более 12 секунд.
  3. Выключить и включить прибор.

После включения прибор будет работать с настройками по умолчанию.

Техническое обслуживание

Общие сведения

Во время выполнения работ по техническому обслуживанию прибора следует соблюдать требования безопасности из раздела.

Техническое обслуживание прибора проводится не реже одного раза в 6 месяцев и включает следующие процедуры:

  • проверка крепления прибора;
  • проверка винтовых соединений;
  • удаление пыли и грязи с клеммника прибора.

Батарея

В приборе используется сменная батарея типа CR2032. Батарея предназначена для питания часов реального времени.

Если заряд батареи опускается ниже 2 В, то индикатор Авария засвечивается на 100 мс один раз в две секунды. Такое свечение индикатора сигнализирует о необходимости замены батареи.

Если напряжение батареи часов реального времени меньше 1,6 В, то запись конфигурационных параметров выполняется во флеш-память модуля.

Порядок записи конфигурационных параметров при разряженной батарее:

  1. Новые значения конфигурационных параметров записываются в батарейный ОЗУ около 5 секунд.
  2. Из батарейного ОЗУ значения конфигурационных параметров переносятся во флеш-память и запускается таймаут не менее 2 минут (в зависимости от нагрузки на модуль).
Примечание
Состояния батареи обновляется после подачи питания или по истечении 12 часов с момента подачи питания.
Предупреждение
Не рекомендуется выполнять циклическую запись конфигурационных параметров в случае разряда батареи. Ресурс флеш памяти ограничен.

Для замены батареи следует:

  1. Отключить питание модуля и подключенных устройств.
  2. Для отсоединения клеммных колодок следует:

    1. Поднять крышку 1.
    2. Выкрутить два винта 3.
    3. Снять колодку 2, как показано на рисунке.
    Graphic
    Замена батареи
    Предупреждение
    Во время выкручивания винтов крепления клеммная колодка поднимается, поэтому, чтобы избежать перекоса рекомендуется выкручивать винты поочередно по несколько оборотов за один раз.

  3. Для снятия второй колодки проделать действия шага 2.

    Graphic
    Замена батареи
  4. Снять модуль с DIN-рейки.
  5. Поочередно вывести зацепы из отверстий с одной и другой стороны корпуса и снять верхнюю крышку.
    Graphic
    Замена батареи
  6. Заменить батарею. Рекомендуемое время замены батареи не более 1 минуты. Если батарея будет отсутствовать в приборе дольше 1 минуты, то следует ввести корректное значение времени.
  7. Сборку и установку следует осуществлять в обратном порядке.
Внимание
Запрещается использовать батарею другого типа. Во время установки батареи следует соблюдать полярность.

После сборки и включения модуля следует убедиться в корректности показаний часов. В случае необходимости следует скорректировать показания часов реального времени в ПО OWEN Configurator.

Комплектность

НаименованиеКоличество
Модуль1 шт.
Паспорт и гарантийный талон1 экз.
Руководство по эксплуатации 1 экз.
Кабель патч-корд UTP 5e 150 мм1 шт.
Клемма питания 2EGTK-5-02P-141 шт.
Заглушка разъема Ethernet1 шт.
Методика проверки1 экз.*
Примечание
* Поставляется по требованию заказчика.
Примечание
Изготовитель оставляет за собой право внесения дополнений в комплектность модуля.

Маркировка

На корпус прибора нанесены:

  • наименование прибора;
  • степень защиты корпуса по ГОСТ IEC 61131-2-2012;
  • напряжение питания;
  • потребляемая мощность;
  • класс защиты от поражения электрическим током по ГОСТ IEC 61131-2-2012;
  • знак соответствия требованиям ТР ТС (ЕАС);
  • страна-изготовитель;
  • заводской номер прибора;
  • MAC-адрес.

На потребительскую тару нанесены:

  • наименование прибора;
  • знак соответствия требованиям ТР ТС (ЕАС);
  • страна-изготовитель;
  • заводской номер прибора;
  • дата изготовления прибора.

Упаковка

Упаковка прибора производится в соответствии с ГОСТ 23088-80 в потребительскую тару, выполненную из коробочного картона по ГОСТ 7933-89.

Упаковка прибора при пересылке почтой производится по ГОСТ 9181-74.

Транспортирование и хранение

Прибор должен транспортироваться в закрытом транспорте любого вида. В транспортных средствах тара должна крепиться согласно правилам, действующим на соответствующих видах транспорта.

Условия транспортирования должны соответствовать условиям 5 по ГОСТ 15150-69 при температуре окружающего воздуха от минус 25 до плюс 55 °С с соблюдением мер защиты от ударов и вибраций.

Прибор следует перевозить в транспортной таре поштучно или в контейнерах.

Условия хранения в таре на складе изготовителя и потребителя должны соответствовать условиям 1 по ГОСТ 15150-69. В воздухе не должны присутствовать агрессивные примеси.

Прибор следует хранить на стеллажах.

Расчет вектора инициализации для шифрования файла архива

Для расшифровки файла архива в качестве вектора инициализации следует использовать хеш-функцию. Хеш-функция должна возвращать 8 байт (тип long long).

Пример реализации хеш-функции на языке программирования С:

typedef union {         struct {                 unsigned long lo;                 unsigned long hi;         };         long long hilo; }LONG_LONG; long long Hash8(const char *str) {     // На основе Rot13         LONG_LONG temp;         temp.lo = 0;         temp.hi = 0;         for ( ; *str; )         {                 temp.lo += (unsigned char) (*str);                 temp.lo –= (temp.lo << 13) | (temp.lo >> 19);                 str++;                 if (!str) break;                 temp.hi += (unsigned char) (*str);                 temp.hi –= (temp.hi << 13) | (temp.hi >> 19);                 str++;         }         return temp.hilo; }

Предупреждающие сообщения

В данном руководстве применяются следующие предупреждения:

Опасность

Ключевое слово ОПАСНОСТЬ сообщает о непосредственной угрозе опасной ситуации, которая приведет к смерти или серьезной травме, если ее не предотвратить.

Внимание

Ключевое слово ВНИМАНИЕ сообщает о потенциально опасной ситуации, которая может привести к небольшим травмам.

Предупреждение

Ключевое слово ПРЕДУПРЕЖДЕНИЕ сообщает о потенциально опасной ситуации , которая может привести к повреждению имущества.

Примечание

Ключевое слово ПРИМЕЧАНИЕ обращает внимание на полезные советы и рекомендации, а также информацию для эффективной и безаварийной работы оборудования.

Ограничение ответственности

Ни при каких обстоятельствах ООО «Производственное Объединение ОВЕН» и его контрагенты не будут нести юридическую ответственность и не будут признавать за собой какие-либо обязательства в связи с любым ущербом, возникшим в результате установки или использования прибора с нарушением действующей нормативно-технической документации.