1-RU-151773-1.5

Руководство по эксплуатации

Лицензионные условия при использовании облачного ПО OWEN CLOUD

Пользователю прибора предоставляется право использования программного обеспечения (ПО) «OWEN CLOUD», предназначенного для удаленной диспетчеризации, мониторинга, аналитики и управления событиями на приборах, выпускаемых ООО «Завод№ 423». Условия использования ПО содержатся в пользовательском лицензионном соглашении, размещенном по адресу: https://web.owencloud.ru/site/agreement.

Срок действия права использования – в соответствии со средним сроком службы соответствующего прибора.

Облачное ПО «OWEN CLOUD» размещено по адресу: https://web.owencloud.ru (для использования требуется отдельная регистрация).

Право использования указанного ПО предоставляется в базовом функционале. Дополнительные функции ПО (при их наличии) предоставляются отдельно в соответствии с пользовательским лицензионным соглашением ПО.

Используемые термины и аббревиатуры

Вв – вентилятор вытяжной.

ВК – воздушный клапан.

ВКв – вытяжной воздушный клапан.

ВКр – воздушный клапан рециркуляции.

ВРГ – верхняя рабочая граница.

Вп – вентилятор притока.

ВКп – приточный воздушный клапан.

ВРГ – верхняя рабочая граница.

ВЭ – выходной элемент.

ДСО – допустимая степень открытия.

ЖКИ – жидкокристаллический индикатор.

КЗР – клапан запорно-регулирующий.

ККБ – компрессорно-конденсаторный блок.

ИМ – исполнительный механизм.

МВХ – минимальное время хода.

ПВХ – полное время хода.

ПК – персональный компьютер.

ПО – программное обеспечение.

ТС – термопреобразователь сопротивления.

ТП – преобразователь термоэлектрический (термопара).

ТО – водяной теплообменник нагрева (водяной калорифер).

ТОэ – электрический теплообменник нагрева (электрокалорифер).

ТЭН – термоэлектрический нагреватель.

Фп – фильтр приточный.

НАГ – нижняя аварийная граница.

НЗ – нормально-закрытый.

НО – нормально-открытый.

НРГ – нижняя рабочая граница.

ХО – водяной охладитель.

ЭКН – электрический калорифер нагрева (электрокалорифер).

NТС-датчики (Negative Temperature Coefficient – отрицательный температурный коэффициент) – термисторы с отрицательным температурным коэффициентом сопротивления.

PDS — датчик перепада давления.

РТС-датчики (Positive Temperature Coefficient – положительный температурный коэффициент) – термисторы с положительным температурным коэффициентом сопротивления.

Введение

Настоящее Руководство по эксплуатации предназначено для ознакомления обслуживающего персонала с устройством, принципом действия, конструкцией, технической эксплуатацией и обслуживанием контроллера систем вентиляции АЙРА360, в дальнейшем по тексту именуемого «АЙРА360», «контроллер» или «прибор».

Подключение, настройка и техобслуживание прибора должны производиться только квалифицированными специалистами после прочтения настоящего руководства по эксплуатации.

Прибор изготавливается в различных модификациях, указанных в коде полного условного обозначения:

Graphic

Пример записи обозначения прибора при заказе: АЙРА360–24.01.

Назначение

Контроллер предназначен для погодозависимого управления системой приточной или приточно-вытяжной вентиляции (далее — «вентустановка»).

Прибор в комплекте с датчиками и ИМ:

  • контролирует и регулирует температуру воздуха в помещении;

  • контролирует и регулирует дополнительные параметры системы:

    • температура приточного воздуха;

    • обратная вода (алгоритм с водяным калорифером нагрева).

  • управляет основными элементами вентиляционной системы, контролирует исправность подключенного оборудования.

Примечание
Для работы некоторых конфигураций требуются модули расширения ПРМ-2, ПРМ-1 и Мх110. Модули расширения в комплект поставки прибора не входят и приобретаются отдельно

Руководство по эксплуатации распространяется на прибор, выпущенный в соответствии с ТУ 26.51.70-047-46526536-2024.

Технические характеристики

Характеристики прибора

Наименование

Значение

Питание

Диапазон постоянного напряжения питания

от 20 до 36 В (номинальное = 24 В)

Диапазон переменного напряжения питанияот 20 до 27 В (номинальное ~24 В, при 50 Гц)

Защита защита от подключения питания неправильной полярности

Есть

Электрическая прочность изоляции между входом питания и другими цепями

510 В

Потребляемая мощность, не более

8 Вт

Дискретные входы

Количество входов

8

Напряжение «логической единицы»

от 8,5 до 40 В (постоянный ток)

Ток «логической единицы»

от 2 до 15 мА

Напряжение «логического нуля»

от –3 до +5 В

Ток «логического нуля»

от 0 до 15 мА

Подключаемые входные устройства

Датчики типа «сухой контакт», коммутационные устройства (контакты реле, кнопок и т. д.)

Гальваническая развязка

Групповая, по 4 входа (1–4 и 5–8, «общий минус»)

Электрическая прочность изоляции:

  между группами входов

510 В

  между другими цепями

2300 В

Аналоговые входы

Количество входов

4

Тип измеряемых сигналов

Термосопротивления, NTC и PTC

от 4 до 20 мА, от 0 до 10 В, от 0 до 300 кОм,

(см. раздел)

Входное сопротивление:
  в режиме от 0 до 10 В, не менее10 кОм
  в режиме от 4 до 20 мА121 Ом

Пределы основной приведенной к диапазону измерений погрешности измерения в режиме измерения тока и напряжения

± 0,5 %
Пределы основной приведенной к диапазону измерений погрешности измерения в режиме измерения температуры для термисторов PTC, NTC, ТС и сигналов от 0 до 300 кОм± 2,0 %
Дискретные выходы

Количество выходных устройств, тип

8 э/м реле (нормально-разомкнутые)

Коммутируемое напряжение в нагрузке:

  • для цепи постоянного тока, не более

30 В (резистивная нагрузка)

  • для цепи переменного тока, не более

250 В (резистивная нагрузка)

Допустимый ток нагрузки, не более

5 А при напряжении не более 250 В переменного тока и cos φ > 0,95;

3 А при напряжении не более 30 В постоянного тока

Гальваническая развязка

Групповая по 2 реле (1–2; 3–4; 5–6; 7–8)

Электрическая прочность изоляции:

 

  между другими цепями

2830 В

  между группами выходов

1780 В

Аналоговые выходы

Количество выходных устройств, тип

3 ЦАП «параметр—напряжение»/«параметр—ток»

Диапазон генерации напряжения

от 0 до 10 В

Диапазон генерации тока

от 4 до 20 мА

Напряжение питания

от 15 до 30 В, питание внешнее

Сопротивление нагрузки для режима:
  4...20 мА, не более600 Ом
  0...10 В, не менее1000 Ом
Предел основной приведенной к диапазону генерации погрешности± 0,5 %
Дополнительная приведенная погрешность, вызванная изменением температуры окружающей среды в пределах рабочего диапазона, на каждые 10 градусов для режима:0,5 от основной

Гальваническая развязка

Нет

Индикация и элементы управления

Тип дисплея

графический цветной с подсветкой, 320 х 240 пикселей

Индикаторы

два светодиодных индикатора (красный и зеленый)

Кнопки6 шт.
Интерфейсы связи
RS-485 (протокол)2 шт. (Modbus RTU/ASCII)
Ethernet (протокол)1 шт. (Modbus TCP)

Корпус

Тип корпуса

Для крепления на DIN-рейку (35 мм)

Габаритные размеры

123 × 90 × 57 мм

Степень защиты корпуса по ГОСТ 14254–2015

IP20

Масса прибора, не более

0,6 кг

Средний срок службы

8 лет

Список поддерживаемых датчиков

Сигналы постоянного тока и напряжения

Наименование

Диапазон измерений

Сигнал постоянного напряжения0...10 В
Сигнал постоянного тока4...20 мА
Список поддерживаемых ТС

Наименование датчика по ГОСТ 6651–2009

Диапазон температур

Pt 500 (α = 0,00385 °С−1)*

–200…+850 °С

500П (α = 0,00391 °С−1)

–200…+850 °С

Cu 500 (α = 0,00426 °С−1)

–50...+200 °С

500М (α = 0,00428 °С−1)

–180...+200 °С

Ni500 (α = 0,00617 °С−1)

–60...+180 °С

Cu 1000 (α = 0,00426 °С−1)

–50...+200 °С

1000М (α = 0,00428 °С−1)

–180...+200 °С

Pt 1000 (α = 0,00385 °С−1)

–200...+850 °С

1000П (α = 0,00391 °С−1)

–200...+850 °С

Ni 1000 (α = 0,00617 °С−1)

–60...+180 °С

Примечание
*  Коэффициент, который определяют по формуле Graphic, где R100, R0 — значения сопротивления термопреобразователя сопротивления по номинальной статической характеристике при 100 и 0 °С соответственно, и округляют до пятого знака после запятой.
Поддерживаемые термисторы NTC

Наименование датчика

Диапазон температур

Серия B57861S, характеристика № 1008, R25 = 2 кОм, В25/100 = 3560

–55…+100 °С

Серия B57861S, характеристика № 8016, R25 = 3 кОм, В25/100 = 3988

–55…+125 °С

Серия B57861S, характеристика № 8016, R25 = 5 кОм, В25/100 = 3988

–35…+140 °С

Серия B57861S, характеристика № 8016, R25 = 10 кОм, В25/100 = 3988

–35…+155 °С

Серия B57861S, характеристика № 8018, R25 = 30 кОм, В25/100 = 3964

–20…+155 °С

Серия B57861S, характеристика № 2901, R25 = 50 кОм, В25/100 = 3760

–10…+155 °С

NTC3435, 10 кОм, В25/85 = 3435

–40…+105 °С

NTC3977, 10 кОм, В25/85 = 3977

–40…+125 °С

Поддерживаемые термисторы РТС

Наименование датчика

Диапазон температур

KTY82-110

–55…+150 °С

KTY82-120

–55…+150 °С

KTY82-121

–55…+150 °С

KTY82-122

–55…+150 °С

KTY82-150

–55…+150 °С

KTY82-151

–55…+150 °С

KTY82-152

–55…+150 °С

Условия эксплуатации

Прибор предназначен для эксплуатации в следующих условиях:

  • закрытые взрывобезопасные помещения без агрессивных паров и газов;
  • температура окружающего воздуха от минус 20 до плюс 55 °С;
  • относительная влажность воздуха от 30 до 80 % без конденсации влаги;
  • допустимая степень загрязнения 1 (несущественные загрязнения или наличие только сухих непроводящих загрязнений);
  • атмосферное давление от 84,0 до 106,7 кПа.

Нормальные условия эксплуатации:

  • закрытые взрывобезопасные помещения без агрессивных паров и газов;
  • температура окружающего воздуха от плюс 15 до плюс 25 °С;
  • относительная влажность воздуха от 30 до 80 % без конденсации влаги;
  • допустимая степень загрязнения 1 (несущественные загрязнения или наличие только сухих непроводящих загрязнений);
  • атмосферное давление от 84,0 до 106,7 кПа.

По устойчивости к синусоидальным вибрациям во время эксплуатации прибор соответствует группе исполнения N2 по ГОСТ Р 52931–2008 (частота вибрации от 10 до 55 Гц).

По устойчивости к воздействию атмосферного давления прибор относится к группе Р1 по ГОСТ Р 52931–2008.

Прибор отвечает требованиям по устойчивости к воздействию помех в соответствии с ГОСТ 30804.6.2–2013.

По уровню излучения радиопомех (помехоэмиссии) прибор соответствует ГОСТ IEC 61000-6-3-2016.

Меры безопасности

По способу защиты обслуживающего персонала от поражения электрическим током, прибор относится к классу II ГОСТ IEC 61131–2–2012.

Во время эксплуатации и технического обслуживания прибора следует соблюдать требования ГОСТ 12.3.019–80, «Правил технической эксплуатации электроустановок потребителей электрической энергии» и «Правил охраны труда при эксплуатации электроустановок».

Во время эксплуатации прибора открытые контакты клеммника находятся под опасным для жизни напряжением. Прибор следует устанавливать в специализированных шкафах, доступных только квалифицированным специалистам.

Любые подключения к прибору и работы по его техническому обслуживанию производить только при отключенном питании прибора и подключенных к нему устройств.

Не допускается попадание влаги на контакты выходного разъема и внутренние электроэлементы прибора. Запрещено использовать прибор в агрессивных средах с содержанием в атмосфере кислот, щелочей, масел и т. п.

Установка

Установка

Опасность
Монтаж должен производить только обученный специалист с допуском на проведение электромонтажных работ. При проведении монтажа следует использовать индивидуальные защитные средства и специальный электромонтажный инструмент с изолирующими свойствами до 1000 В.

Во время размещения прибора следует учитывать меры безопасности из раздела.

Монтаж прибора производится в шкафу, конструкция которого должна обеспечивать защиту от попадания в него влаги, грязи и посторонних предметов.

Предупреждение
Монтировать и подключать следует только предварительно сконфигурированный прибор.
Внимание
Питание каких-либо устройств от сетевых контактов прибора запрещается.

Для установки прибора на DIN-рейке следует:

  1. Подготовить на DIN-рейке место для установки в соответствии с размерами прибора (см. рисунок).
    Graphic
    Габаритные размеры прибора
  2. Вставив отвертку в проушину, оттянуть защелку (см. рисунок, 1). Установить прибор на DIN-рейку.
  3. Прижать прибор к DIN-рейке (см. рисунок, 2, стрелки 1 и 2). Отверткой вернуть защелку в исходное положение.
  4. Смонтировать внешние устройства с помощью ответных клеммников из комплекта поставки.

Для демонтажа прибора следует:

  1. Отсоединить съемные части клемм от прибора.
  2. В проушину защелки вставить острие отвертки.
  3. Защелку отжать, после чего отвести прибор от DIN-рейки.

Graphic
Монтаж прибора

«Быстрая» замена

Конструкция клемм позволяет оперативно заменить прибор без демонтажа подключенных к нему внешних линий связи.

Для «быстрой» замены прибора следует:

  1. Обесточить все линии связи, подходящие к прибору, в том числе линии питания.
  2. Отделить от прибора съемные части каждой из клемм вместе с подключенными внешними линиями связи с помощью отвертки или другого подходящего инструмента (см. рисунок).
  3. Снять прибор с DIN-рейки, на его место установить другой прибор (аналогичной модификации) с предварительно удаленными съемными частями клемм.
  4. К установленному прибору подсоединить съемные части клемм с подключенными внешними линиями связи.
Graphic
Отсоединение съемных частей клемм

Монтаж электрических цепей

Предупреждение
Подключение следует выполнять при отключенном питании прибора и всех подключенных к нему устройств. Иначе можно повредить прибор или подключенные устройства.

Прибор следует питать переменным или постоянным напряжением в зависимости от модификации.

Прибор следует подключать к сети переменного тока от сетевого фидера, не связанного непосредственно с питанием мощного силового оборудования. Во внешней цепи рекомендуется установить выключатель, обеспечивающий отключение прибора от сети.

Для обеспечения надежности электрических соединений рекомендуется использовать кабели с медными многопроволочными жилами, сечением не более 0,75 мм2, концы которых перед подключением следует зачистить и залудить. Жилы кабелей следует зачищать с таким расчетом, чтобы срез изоляции плотно прилегал к клеммной колодке, т. е. чтобы оголенные участки провода не выступали за ее пределы.

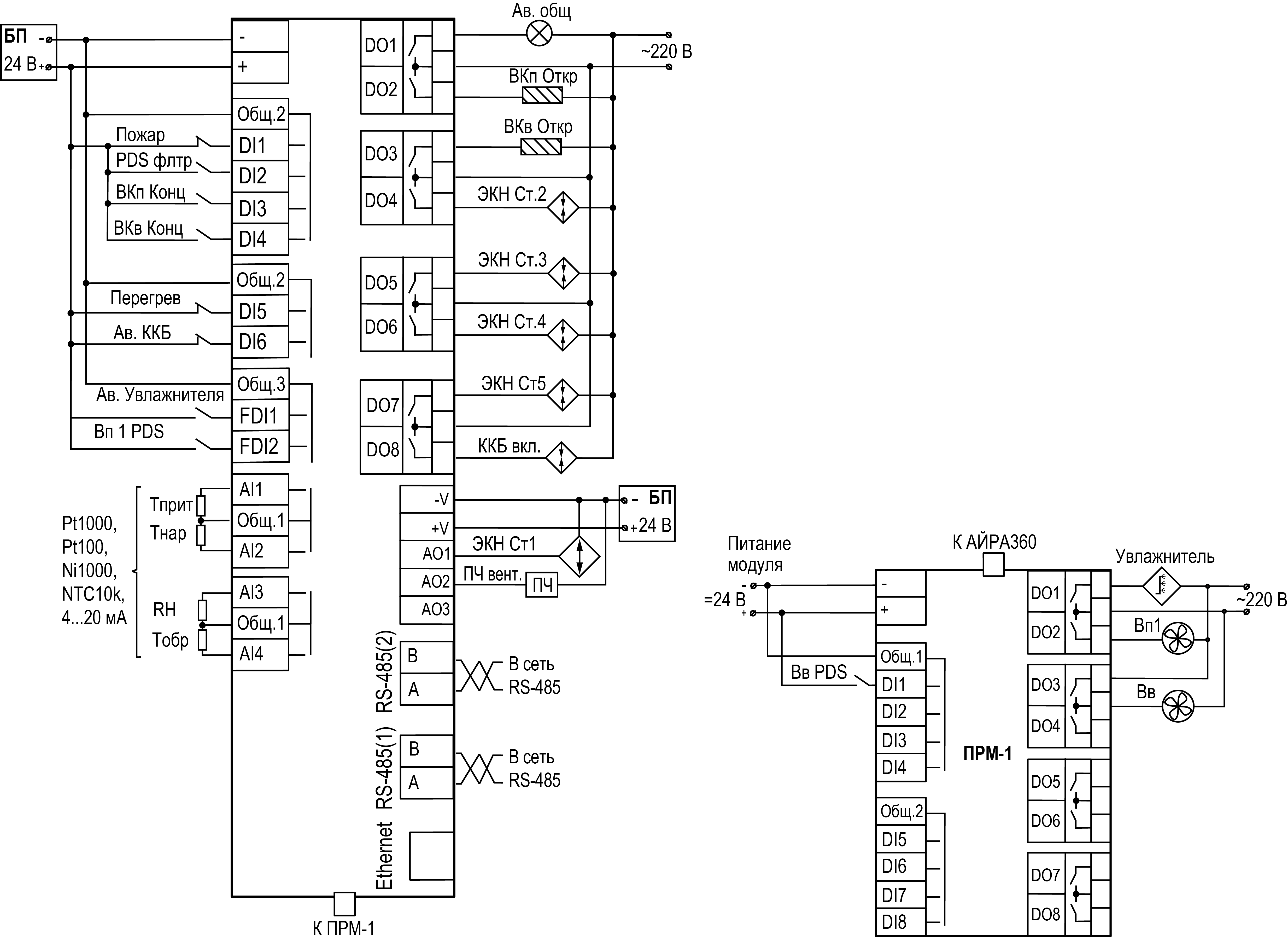
Схемы подключения

Обозначение элементов установки

Graphic
Водяной калорифер нагрева
  • Прогрев при запуске системы

  • Плавный выход на уставку температуры притока при запуске системы

  • Контроль обратной воды по погодозависимому графику

  • Контроль обмерзания

  • Контроль аварии насоса

  • Управление насосом – вкл/выкл

  • Управление приводом клапана – дискретное/аналоговое 0…10 В или 4...20 мА

Graphic
Водяной охладитель
  • Управление приводом клапана – дискретное/аналоговое 0…10 В или 4...20 мА

Graphic
Электрический калорифер нагрева
  • Поддержка до 3-х ступеней нагрева

  • Защита от перегрева

  • Режим продува

Graphic
Фреоновый охладитель
  • Управление – плавное, 1 ступень, 2 ступени

  • Контроль аварии

Graphic
Фильтр
  • Контроль засорения

Graphic
Увлажнитель
  • Поддержание заданного уровня влажности

  • Управление – дискретный, аналоговый, выключено

  • Контроль аварии

Graphic
Вентилятор
  • Контроль работоспособности по датчику перепада давления

  • Учет времени наработки

  • Резервирование

  • Переключение скоростей приточного и вытяжного вентиляторов. До четырех скоростей
  • Управление – вкл/выкл

Graphic
Воздушный клапан
  • Обогрев в зимний сезон

  • Контроль аварии по концевому выключателю

  • Управление открыть/закрыть или 0…10 В или 4...20 мА

Graphic
ТЭН воздушного клапана
  • Управление – вкл/выкл

Graphic
Пластинчатый рекуператор
  • Контроль обмерзания по датчику перепада давления

  • Управление клапаном байпаса – вкл/выкл

  • Прогрев воздуха перед рекуператором

Graphic
Гликолевый рекуператор
  • Управление насосом – вкл/выкл

  • Контроль аварии насоса

  • Управление приводом задвижки – аналоговое 0…10 В или 4...20 мА

  • Контроль обмерзания по датчику перепада давления

  • Прогрев воздуха перед рекуператором

Graphic
Роторный рекуператор
  • Контроль обмерзания по датчику перепада давления

  • Управление приводом – аналоговое 0…10 В или 4...20 мА

  • Контроль аварии привода

  • Прогрев воздуха перед рекуператором

Общая схема подключения

Примечание

Количество задействованных дискретных входов\выходов прибора, подключенных к нему модулей и их назначение определяется заданной пользователем конфигурацией ИМ и выбранными функциями. По этой причине для прибора отсутствует единая схема подключения. Подробнее о настройке конфигурации оборудования см. раздел.

Предупреждение
Перед подключением аналоговых датчиков к входам предварительно следует настроить тип датчика через системное меню (см. раздел).

Graphic
Пример схемы подключения с одним ПРМ

Примечание
Для подключения ПРМ-1 напрямую к прибору следует использовать шлейф ПРМ-СЛОТ2 из комплекта поставки контроллера. При подключении ПРМ-1 к ПРМ-2 используется стандартный шлейф SPI.
Graphic
Пример схемы подключения с двумя ПРМ
Graphic
Пример схемы подключения с двумя ПРМ и одним Мх110

Последовательность ввода в эксплуатацию

Примечание
Для настройки вентустановки рекомендуется использовать Мастер настройки (см. раздел).

Для ввода в эксплуатацию следует:

  1. Подключить прибор к ПК.

  2. Настроить конфигурацию оборудования с помощью Owen Configurator (см. разделы... ).

  3. Отключить прибор от ПК.

  4. Подключить прибор к источнику питания.

    Внимание

    Перед подачей питания на прибор следует проверить правильность подключения напряжения питания и его уровень.

    Для приборов с питанием от постоянного напряжения:

    • при напряжении ниже 20 В работа прибора не гарантируется (прибор прекращает функционировать, однако из строя не выходит);

    • при превышении напряжения питания до уровня 36 В возможен выход прибора из строя.

  5. Подключить входные/ выходные цепи (см. раздел) и, если необходимо, подключить модули расширения ПРМ и Мх110 и подключить входные/ выходные цепи к ним.

    Примечание
    Модули ПРМ в предварительной настройке не нуждаются.

    Для корректной работы модулям Мх110 следует настроить адреса согласно таблице ниже.

    Адреса модулей Мх110
    Наименование модуляАдрес
    МВ110–8Д1
    МУ110–16Д2
    МУ110–6У3
    МВ110–2А4
    МУ110–32Р5
  6. Если требуется, подключить прибор к сети Ethernet.

  7. Подать питание на прибор и модули.
  8. Проверить корректность работы подключенных устройств.

  9. Снять питание.

Индикация и управление

Основные элементы управления

Graphic
Лицевая панель прибора (крышка показаны открытой)

На лицевой панели прибора расположены элементы индикации и управления (см. рисунок):

  • графический цветной экран, 320 х 240 пикселей;
  • пять светодиодов;
  • шесть кнопок.
Назначение кнопок
КнопкаНазначение
Graphic и GraphicСмещение видимой области вверх или вниз. Перемещение по пунктам меню
GraphicВыбор параметра
GraphicСохранение измененного значения. При длительном нажатии переход в системное меню (см. раздел)
GraphicВыход/отмена
GraphicПереход с Главного экрана» в меню Аварии
Graphic

Пуск/стоп вентустановки с Главного экрана.

Перемещение между разрядами в режиме редактирования параметра

GraphicПереход с Главного экрана» в меню
GraphicВыбор и редактирование параметра
Graphic + Graphic или Graphic + GraphicИзменение редактируемого разряда (выше или ниже)
Назначение светодиодов F1 и F2

Режим

Светодиод F1

Светодиод F2

Дежурный режим

Рабочий режим

Светится

Авария

Светится

Некритическая авария

Мигает

Светится

Назначение системных светодиодов
СветодиодЦветСтатусНазначение

Graphic

Зеленый

СветитсяНа прибор подано питание
GraphicКрасныйСветитсяАппаратная авария. Следует обратиться в сервисный центр
Мигает
МигаетОдновременное мигание со светодиодом Graphic — элемент питания часов реального времени разряжен

Graphic

Красный

Зеленый

Не светится

Мигает

Переключатель в положении Стоп. Прибор работает в режиме модуля ввода–вывода

Красный

Зеленый

Светится

Не светится

Нет питания на клеммах 1 и 2. Питание от USB

Красный

Зеленый

Не светится

Светится

Переключатель в положении Работа. Программа пользователя выполняется

Красный

Зеленый

Мигает

Светится

Переключатель в положении Работа. Одновременное мигание со светодиодом Graphic — элемент питания часов реального времени разряжен

Красный

Зеленый

Не светится

Мигает

Аппаратная авария. Следует обратиться в сервисный центр

Красный

Зеленый

Мигает с периодом

Светится

Красный

Зеленый

Светится

Светится

Прибор в режиме ожидания загрузки встроенного ПО

Красный

Зеленый

Мигает

Мигает

Загрузка встроенного ПО

С помощью переключателя Работа/Стоп можно остановить работу алгоритма.

Предупреждение
Доступ к меню можно защитить паролем (см. раздел). Для настройки с ПК доступ можно ограничить системным паролем (см. раздел).

Для редактирования значений следует:

  1. С помощью кнопки Graphic выбрать нужный параметр. При выборе из списка параметр выделяется зеленой рамкой. Если выделено числовое значение, то оно начнет мигать после нажатия Graphic.

  2. С помощью кнопок Graphic и Graphic задать нужное значение. Во время работы с числовыми параметрами комбинация кнопок Graphic + Graphic / Graphic + Graphic меняет редактируемый разряд.

  3. Возможные варианты действия с измененным значением:

    • для сохранения следует нажать кнопку Graphic;

    • для перехода к следующему параметру без сохранения следует нажать Graphic.

  4. Для отмены введенного значения следует нажать Graphic.

Рабочий экран

Graphic
Элементы рабочего экрана

Меню

Меню

Примечание
Если какая то функция отключена, то пункт меню с ее параметрами скрывается.

Конфигурирование входов/выходов контроллера осуществляется только через Мастер Настройки (см. раздел) и нельзя настроить с самого контроллера.

Graphic
Схема меню
Graphic
Вид экрана меню

Для входа в режим навигации по пунктам меню следует нажать кнопку Graphic. С помощью кнопок Graphic и Graphic можно перемещаться по пунктам меню. Текущий пункт будет подсвечен зеленым цветом.

Для настройки типа и состава вентустановки в приборе есть меню Конфигурация, доступное из Конфигуратора (см. раздел).

Конфигурацию рекомендуется настраивать с помощью Мастера настройки (см. раздел).

Входы и выходы

Меню/Настройки/01. Входы/выходы

Параметр

По умолчанию

Описание

Диапазон значений

Входы
Корректировка Тприт 0Калибровка измеренного значения Тприт, °С

–100...100

Корректировка Тпом 0Калибровка измеренного значения Тпом, °С

–100...100

Корректировка Тнар 0Калибровка измеренного значения Тнар, °С

–100...100

Корректировка Тобр 0Калибровка измеренного значения Тобр, °С

–100...100

Корректировка Тприт (Догрев) 0Калибровка измеренного значения Тприт (Догрев), °С

–100...100

Корректировка Тобр (Догрев) 0Калибровка измеренного значения Тобр (Догрев), °С

–100...100

Корректировка Твых 0Калибровка измеренного значения Твых, °С

–100...100

Выходы
Uвых при Нагрев КЗР=0 %0Напряжение на выходе, В0, 0,5 и 2
Uвых при Догрев КЗР=0 %0Напряжение на выходе, В0, 0,5 и 2
Uвых при Охлаждение КЗР=0 %0Напряжение на выходе, В0, 0,5 и 2
ПВХ Нагрев КЗР в секундах0,5Полное время хода задвижки1...600
МВХ Нагрев КЗР в секундах60Минимальное время хода задвижки0,1...60
ПВХ Догрев КЗР в секундах0,5Полное время хода задвижки1...600
МВХ Догрев КЗР в секундах60Минимальное время хода задвижки0,1...60
ПВХ Охлаждение КЗР в секундах60Полное время хода задвижки1...600
МВХ Охлаждение КЗР в секундах60Минимальное время хода задвижки0,1...60
Период ШИМ в секундах0,5Период ШИМ, с1...60

Настройки общие

Последовательность пунктов меню приведена в том порядке, как она отображается в Конфигураторе.

Меню/Настройки/02. Общие

Параметр

По умолчанию

Описание

Значение

01. Смена 1
Включить недельный таймерОтключенаВключение расписания Смены 1Отключена, Включена
Выставить дни работыПн-ПтНастройка дней Смены 1Все дни, Пн-Пт, Сб-Вс, Пн, Ср, Пт, Вт, Чт, Сб
Время включения07:0000:00 — 23:59
Время выключения17:0000:00 — 23:59
02. Смена 2
Включить недельный таймерОтключенаВключение расписания Смены 2Отключена, Включена
Выставить дни работыСб-ВсНастройка дней Смены 2Все дни, Пн-Пт, Сб-Вс, Пн, Ср, Пт, Вт, Чт, Сб
Время включения09:0000:00 — 23:59
Время выключения16:0000:00 — 23:59
03. Смена 3
Включить недельный таймерОтключенаВключение расписания Смены 3Отключена, Включена
Выставить дни работыВсе дниНастройка дней Смены 3Все дни, Пн-Пт, Сб-Вс, Пн, Ср, Пт, Вт, Чт, Сб
Время включения07:0000:00 — 23:59
Время выключения17:0000:00 — 23:59
04. Смена 4
Включить недельный таймерОтключенаВключение расписания Смены 3Отключена, Включена
Выставить дни работыВсе дниНастройка дней Смены 3Все дни, Пн-Пт, Сб-Вс, Пн, Ср, Пт, Вт, Чт, Сб
Время включения09:0000:00 — 23:59
Время выключения16:0000:00 — 23:59
05. День/Ночь
Смена уставки Тприт ночьюОтключенаСмена уставки Тприт ночьюОтключена, Включена
Время наступления ночи16:0000:00 — 23:59
Время наступления дня08:0000:00 — 23:59
06. Сезон
Способ определения сезонаРучнойРучной, По Тнар
Задать сезон вручную (текущий сезон)Лето, Зима
Порог Тнар, соответствующий смене сезона с Лето на Зима80...99
07. Уставки
Уставка Тприт250...99
Зона нечувствительности Тприт10...9
Уставка Тприт ночью150...99
Уставка Тпом250...99
Уставка Тприт (Догрев)250...99
Зона нечувствительности Тприт (Догрев)11...9
Уставка влажности, в %5030...80
Задать сезон вручнуюЗимаЗима, Лето
Фильтр. Порог засорения фильтра, %9010...90

Воздушный клапан

Меню/Настройки/03. Воздушный клапан
ПараметрЗначение по умолчаниюОписаниеДиапазон
Время прогрева клапана10

Время прогрева клапана при помощи ТЭН, в секундах

0...900

Время открытия клапана5

Время открытия клапана, в секундах

0...900

Время задержки перед закрытием воздушного клапана5

Время задержки перед закрытием воздушного клапана, в секундах

0…900

Нагрев

Меню/Настройка/04. Нагрев
ПараметрЗначение по умолчаниюОписаниеДиапазон
Кп ПИ-регулятора5

Пропорциональный коэффициент

0...9999

Ти ПИ-регулятора, сек60

Время интегрирования, в секундах

0...9999

Падающая уставка Тприт700...200
Длительность падения, сек3002...600
Длительность прогрева калорифераПодсказка
 Перед стартом, сек100...6000
 В дежурном режиме, сек100...6000
 Max допустимая, мин201...1200
 При угрозе заморозки, сек100...6000
Время мониторинга трех перезапусков в мин1200...6000
Реакция на три перезапускаДеж РежДеж Реж, Откр КЗР
Время простоя до прогона, дней301...300
Время прогона насоса, сек0...300
График обратной воды (ВРГ)Подсказка
Количество точек графика42...4

ТочкаТнар, °СТобр, °С
№1-3060
№2-1540
№3030
№41520

График обратной воды аварийный (НАГ)Подсказка
Количество точек графика32...4

ТочкаТнар, °СТобр, °С
№1-4030
№2515
№3515
№4515

Рабочая Тобр (ВРГ)600...150
Коэфф. влияния на Тприт30...9
Допустимое отклонение Тобр50...20
Аварийная Тобр (НАГ)150...100
Время продува электрического нагревателя после включения300...6000
Максимально допустимая температура приточного воздуха1150...200

Догрев

Меню/Настройка/05. Догрев
ПараметрЗначение по умолчаниюОписаниеДиапазон
1. Водяной
Кп ПИ-регулятора5

Пропорциональный коэффициент

0...9999

Ти ПИ-регулятора60

Время интегрирования, в секундах

0...9999

Аварийная Тобр (НАГ)150...100
Рабочая Тобр (ВРГ)600...150
Падающая уставка Тприт70Уставка падения температуры приточного воздуха0...200
Длительность падения уставки приточного воздуха, в секундах3002...600
Длительность прогрева калорифера перед стартом, в секундах100...6000
Длительность прогрева калорифера в дежурном режиме, в секундах100...6000
Mаксимально допустимая длительность прогрева калорифера, в минутах201...1200
Длительность прогрева калорифера после аварии по угрозе замерзания, в секундах100...6000
2. Электрический
Время продува электрического нагревателя после выключения ,в секундах300...6000
Максимально допустимая температура приточного воздуха1150...200

Охлаждение

Меню/Настройка/06. Охлаждение
ПараметрЗначение по умолчаниюОписаниеДиапазон
Кп ПИ-регулятора5Пропорциональный коэффициент ПИ-регулятора

0...9999

Ти ПИ-регулятора60

Время интегрирования ПИ-регулятора, в секундах

0...9999

Фреоновое. Мощность включения 1й ступени25Только для фреонового охладителя с дискретным управлением0...100
Фреоновое. Мощность включения 2й ступени75Только для фреонового охладителя с дискретным управлением0...100
Фреоновое. Способ сброса аварии ККБРучнойТолько для фреонового охладителя Ручной, Авто

Вентилятор

Меню/Настройка/07. Вентилятор(ы)
ПараметрЗначение по умолчаниюОписаниеДиапазон
01. Резерв
Режим работы Вп 1ОсновнойОтключен, Основной, Резерв
Режим работы Вп 2Резерв
Время открытия клапанов ВКп В1 и ВКп В2, в секундах5Отслеживает время открытия клапанов ВКп. 0 — контроль отключен0...900
Время смены Вп, часов12Время по истечении которого вентиляторы будут сменять друг друга, в часах1...240
02. Скорость
Функция снижения скорости ОтклФункция снижения скорости вентилятора при нехватке мощности водяного нагревателяОтключена, Включена
Период снижения скорости вентилятора, в минутах1Функция снижения скорости вентилятора при нехватке мощности водяного нагревателя1...240
Нижний порог значения скорости, %30Нижний порог скорости вентилятора10...100
Шаг снижения скорости, %101...10
Режим задания скорости вентилятораВручнуюВручную, По сменам
 Скорость вентилятора при Ручном режиме управления, %10025...100
 Скорость вентилятора во время работы Смены 1, %30Скорость вентилятора во время работы Смены 1
 Скорость вентилятора во время работы Смены 2, %30Скорость вентилятора во время работы Смены 2
 Скорость вентилятора во время работы Смены 3, %30Скорость вентилятора во время работы Смены 3
 Скорость вентилятора во время работы Смены 4, %30Скорость вентилятора во время работы Смены 4
Время запуска Вп, сек5Время задержки запуска приточного вентилятора после подачи команды на открытие ВКп, в секундах

0...900

Время запуска Вв, сек5Время задержки запуска вытяжного вентилятора после подачи команды на открытие ВК, в секундах
Время остановки вентилятора, в секундах0Функция остановки вентилятора. 0 — функция контроля остановки выключена0...600
Время разгона вентилятора, в секундах52...600
Время фильтрации PDS, в секундах1Фильтр сигнала PDS. 0 — выключен0...60

Рекуператор

Меню/Настройка/08. Рекуператор

Параметр

Значение по умолчанию

Описание

Значение

01. Обмерзания
Пороговое значение Твых41...20
Кп ПИ-регулятора1Пропорциональный коэффициент ПИ-регулятора ограничителя0...9999
Ти ПИ-регулятора, сек50Время интегрирования ПИ-регулятора ограничителя, с10...9999
Пороговое значение PDS, в %25Параметр доступен при определении обмерзания по аналоговому PDS0...50
Реакция на обмерзаниеВключение преднагреваЗадание реакции контроллера на обмерзание рекуператораСнижение производительности, Включение преднагрева, Выключение притока, Переход в дежурный режим и авария
Время размораживания max, мин0Максимальное время размораживания рекуператора, минуты0...9999
02. Преднагрев
 Порог включения преднагрева Ст1–5Порог включения ступени 1 преднагрева, °С–60...60
 Порог включения преднагрева Ст2–15Порог включения ступени 2 преднагрева, °С
 Порог включения преднагрева Ст3–25Порог включения ступени 3 преднагрева, °С
Пропорциональный коэффициент ПИ-регулятора5Пропорциональный коэффициент ПИ-регулятора ограничителя0...9999
Время интегрирования ПИ-регулятора60Время интегрирования ПИ-регулятора ограничителя, секунды10...9999
Минимальная производительность рекуператора, %0Минимальная производительность рекуператора, %0...100
Максимальная производительность рекуператора, %100Максимальная производительность рекуператора, %0...100
ЦелесообразностьТолько нагревФункция определения целесообразности рекуперацииТолько нагрев, Нагрев и охлаждение

Рециркуляция

Меню/Настройка/09. Рециркуляция

Параметр

Значение по умолчанию

Описание

Значение

Кп ПИ-регулятора5Пропорциональный коэффициент ПИ-регулятора0...9999
Ти ПИ-регулятора,сек60Время интегрирования ПИ-регулятора, с10...9999
Минимальный процент открытия клапанов притока/вытяжки3020...90
Очередь включения рециркуляцииВо вторуюВ первую, Во вторую

Увлажнитель

Примечание
Параметры ниже доступны при параметре Наличие увлажнителя = Аналоговый.
Меню/Настройка/10. Увлажнитель

Параметр

Значение по умолчанию

Описание

Значение

Кп ПИ-регулятора5Пропорциональный коэффициент ПИ-регулятора0...9999
Ти ПИ-регулятора,сек600Время интегрирования ПИ-регулятора, с10...9999

Пароли

Примечание
Этот пункт меню доступен только в приборе (не отображается в Конфигураторе).
Меню/Настройки/Пароли

Параметр

Значение по умолчанию

Описание

Значение

Для доступа ко всем настройкам00000000 — ввод пароль отключен0000...9999

Оперативные параметры

В данном подменю представлены все оперативные параметры. Список меняется в зависимости от настроек.

Graphic
Оперативные параметры прибора доступны по сети (см. Приложение А).

Распиновка

Меню содержит схему распределения ИМ по входам/выходам прибора и подключенных к нему модулей расширения. В таблице ниже приведен пример возможной конфигурации входов/выходов. Значение 00 означает, что ИМ не используется.

Graphic
Экран с распределением сигналов по входам/выходам

Аварии

Аварийные события фиксируются в журнал.

В журнал заносятся следующие параметры (см. таблицу):

  • краткое название аварии;

  • время аварии;

  • время сброса аварии.

Graphic
Пример журнала аварий

Журнал рассчитан на 24 записи.

Последнее событие находится в начале журнала под номером 1.

При заполнении журнала наиболее старые записи удаляются.

Для пролистывания журнала на экране следует использовать кнопки Graphic и Graphic.

Graphic
Первый экран с авариями

Список аварий

Для уточнения причины перехода в режим «Авария» в приборе предусмотрен экран состояния аварий, на котором отображаются все возможные причины неисправности.

Для быстрого перехода c Главного экрана на экран состояния аварий следует нажать кнопку Graphic.

Аварии

Тип Аварии

Состояние

Условие

Реакция

Сигнализация

Отображение в журнале аварий

Сброс

Общие аварии

Пожар

Норма, Авария

Сработал дискретный датчик пожара

Переход в аварийный режим, выключение всех исполнительных механизмов.

Светодиод F2 светится, лампа «Авария» светится

Пожар

Ручной сброс в меню Аварии после устранения причины или по Ethernet

Воздушный клапан притока

Норма, Авария

После подачи команды на открытие/закрытие воздушного клапана не появился/не пропал сигнал от концевого выключателя клапана

Переход в аварийный режим с поддержанием всех функций, доступных в Дежурном режиме

Воздушный клапан притока

Вентилятор притока

Вентилятор притока

Датчик PDS фильтра

Норма, Авария

Сработал датчик перепада давления на фильтре

Мигание светодиода F2

Датчик PDS фильтра

Фильтр(ы) загрязнен(ы)

Фильтр(ы) загрязнен(ы)

Дат.Тприт

Норма, Авария

Величина сигнала от датчика температуры находится вне допустимого для выбранного типа диапазона или произошел обрыв датчика

Переход в аварийный режим с поддержанием всех функций, доступных в Дежурном режиме

Светодиод F2 светится, лампа «Авария» светится.

Датчик Тприт

Автоматически, через 3 с после устранения причины

Дат.Тнар

Датчик Тнар

Дат.Тобр

Авария возможна, только если датчик используется в управлении. Прекращают работать те функции, которые используют в своей работе комнатный датчик

Мигание светодиода F2

Датчик Тобр

Дат.Тпом

Датчик Тпом

Дат.Твых

Датчик Твых

Аварии, относящиеся к водяному калориферу

Нагрев. Насос

Норма, Авария

Сработал автомат защиты насоса

Переход в аварийный режим, выключение всех исполнительных механизмов, кроме клапана, который по умолчанию открыт на 10 %, для исключения возможности обмораживания водяного калорифера

Светодиод F2 светится, лампа «Авария» светится.

Нагрев. Насос

Автоматически после устранения причины

Нагрев. Угроза заморозки по воде

Норма, Авария

Температура обратной воды ниже НАГ (нижней аварийной границы) (Сезон - Зима)

Переход в аварийный режим. Заслонки закрываются и вентилятор останавливается, клапан работает на 100 %, насос работает

Светодиод F2 светится, лампа «Авария» светится.

 Нагрев. Угроза заморозки по воде

Автоматически после устранения причины и прогрева обратной воды до ВРГ

Нагрев. Угроза заморозки по ТС

Норма, Авария

Сработал капиллярный термостат защиты калорифера от замерзания (Сезон Зима)

Светодиод F2 светится, лампа «Авария» светится.

Нагрев. Угроза заморозки по термостату

Нагрев. Не прогреть

Норма, Авария

Не удалось прогреть калорифер за допустимое время. (параметр Время прогрева калорифера: Max допустимая)

Переход в аварийный режим. Заслонка закрывается и вентилятор останавливается, работа клапана аналогична работе в ДежРеж

Светодиод F2 светится, лампа «Авария» светится.

Нагрев. Не прогреть

Ручной сброс в меню Аварии или по Ethernet

Нагрев. 3 перезапуска

Норма, Авария

Произошло 3 аварии по угрозе замерзания калорифера (Замерз В, Замерз Т) за заданный промежуток времени

Переход в аварийный режим. Заслонка закрывается и вентилятор останавливается. При выборе Реакция: ДежРеж – работа клапана аналогична работе в ДежРеж. При выборе Реакция: ОткКЗР – клапан постоянно открыт на 100 %

Светодиод F2 светится, лампа «Авария» светится.

Нагрев. 3 перезапуска

Аварии, относящиеся к электрическому калориферу

Нагрев. Перегрев 

Норма, Авария

Сработал термостат или температура приточного воздуха превысила допустимое значение (Сезон Зима)

Переход в аварийный режим, одновременно включается Продув

 

Нагрев. Перегрев

Ручной сброс в меню Аварии или по Ethernet

Аварии, относящиеся к функции Догрев

Догрев. Насос

Норма, Авария

Сработал автомат защиты насоса

Переход в аварийный режим, выключение всех исполнительных механизмов, кроме клапана, который по умолчанию открыт на 10 %, для исключения возможности обмораживания водяного калорифера

 

Догрев. Насос

Автоматически после устранения причины

Догрев. Угроза заморозки по ТС

Норма, Авария

Сработал капиллярный термостат защиты калорифера от замерзания (Сезон Зима)

Переход в аварийный режим. Заслонки закрываются и вентилятор останавливается, клапан работает на 100 %, насос работает

Светодиод F2 светится, лампа «Авария» светится.

Догрев. Угроза заморозки по термостату

Автоматически после устранения причины и прогрева обратной воды до ВРГ

Догрев. Угроза заморозки по воде

Норма, Авария

Температура обратной воды ниже НАГ (Сезон Зима)

Светодиод F2 светится, лампа «Авария» светится.

Догрев. Угроза заморозки по воде

Догрев. Не прогреть 

Норма, Авария

Не удалось прогреть калорифер за допустимое время. (параметр Время прогрева калорифера: Max допустимая)

Переход в аварийный режим. Заслонка закрывается и вентилятор останавливается, работа клапана аналогична работе в ДежРеж

Светодиод F2 светится, лампа «Авария» светится.

Догрев. Не прогреть

Ручной сброс в меню Аварии или по Ethernet

Догрев. Перегрев

Норма, Авария

Сработал термостат или температура приточного воздуха превысила допустимое значение (Сезон Зима)

Переход в аварийный режим, одновременно включается Продув

Светодиод F2 светится, лампа «Авария» светится.

Догрев. Перегрев

Догрев. Датчик Тприт

Норма, Авария

Величина сигнала от датчика температуры находится вне допустимого для выбранного типа диапазона или произошел обрыв датчика

Авария возможна, только если датчик используется в управлении

Мигание светодиода F2

Догрев. Датчик Тприт

Автоматически, через 3 с после устранения причины

Догрев. Датчик Тобр

Норма, Авария

Догрев. Датчик Тобр

Аварии, относящиеся к фреоновому охладителю ККБ

ККБ

Норма, Авария

Сработал автомат защиты ККБ (Сезон Лето)

Переход в аварийный режим

Светодиод F2 светится, лампа «Авария» светится

Авария ККБ

Автоматически, через 3 с после устранения причины

Аварии, относящиеся к увлажнителю

Увлажнитель 

Норма, Авария

Сработал автомат защиты увлажнителя

Отключение увлажнителя

Мигание светодиода F2

Авария Увлажнитель

Автоматически, через 3 с после устранения причины

Датчик влажности

Норма, Авария

Величина сигнала от датчика влажности находится вне допустимого диапазона или произошел обрыв датчика

Датчик Влажности

Аварии, относящиеся к резервному вентилятору

ВК Вп1

Норма, Авария

После подачи команды на открытие/закрытие воздушного клапана не появился/не пропал сигнал от концевого выключателя клапана

Переход в аварийный режим с поддержанием всех функций доступных в Дежурном режиме

Светодиод F2 светится, лампа «Авария» светится

Воздушный клапан Вп1

Ручной сброс в меню Аварии или по Ethernet

ВК Вп2

Норма, Авария

Воздушный клапан Вп2

Вп1

Норма, Авария

После подачи команды на запуск/остановку вентилятора не изменился сигнал от датчика перепада давления или пропал во время работы

Вентилятор притока 1

Вп2

Норма, Авария

Вентилятор притока 2

Все вентиляторы притока

Норма, Авария

У обоих вентиляторов после подачи команды на запуск не изменился сигнал от датчика перепада давления или пропал во время работы

Нет рабочих Вп

Аварии, относящиеся к рециркуляции

Вентилятор вытяжной

Норма, Авария

После подачи команды на запуск/остановку вентилятора не изменился сигнал от датчика перепада давления или пропал во время работы

Переход в аварийный режим с поддержанием всех функций, доступных в Дежурном режиме

Светодиод F2 светится, лампа «Авария» светится

Вентилятор вытяжной

Ручной сброс в меню Аварии или по Ethernet

Аварии, относящиеся к рекуператору

Рекуператор

Норма, Авария

Сработал автомат защиты рекуператора

Переход в аварийный режим с поддержанием всех функций, доступных в Дежурном режиме

Светодиод F2 светится, лампа «Авария» светится

Рекуператор. Авария

Автоматически, через 3 с после устранения причины

Воздушный клапан вытяжки

Норма, Авария

После подачи команды на открытие/закрытие воздушного клапана не появился/не пропал сигнал от концевого выключателя клапан Зафиксировано обмерзание рекуператора

Воздушный клапан вытяжки

Ручной сброс в меню Аварии или по Ethernet

Рекуператор обмерзание

Норма, Авария

Зафиксировано обмерзание рекуператора

Зависит от выбранного варианта работы при обмерзании рекуператора: снижение производительности, включение преднагрева, выключение притока, переход в дежурный режим и авария

Зависит от выбранного варианта работы при обмерзании рекуператора

Рекуператор. Замерз

Зависит от выбранного варианта работы при обмерзании рекуператора

Рекуператор. Датчик PDS

Норма, Авария

Сработал датчик перепада давления на рекуператоре

Переход в аварийный режим с поддержанием всех функций, доступных в Дежурном режиме

Зависит от выбранного варианта работы при обмерзании рекуператора

Рекуператор. Датчик PDS

Автоматически после устранения причины

Рекуператор. Преднагрев

Норма, Авария

Разомкнут вход Перегрев ПН управления преднагревом рекуператора

Мигание светодиода F2

Рекуператор. Преднагрев

Аварии, связанные с модулями расширения

Нет связи ПРМ-1

Норма/Нет связи 

Отсутствие интерфейсной связи между контроллером и модулем расширения

Переход в аварийный режим с поддержанием всех функций, доступных в Дежурном режиме

Светодиод F2 светится, на ПРМ мигает светодиод «Авария»

Нет связи ПРМ-1

Автоматически после устранения причины

Нет связи ПРМ-2

Норма/Нет связи 

Нет связи ПРМ-2

Нет связи МВ110-8Д

Норма/Нет связи 

Светодиод F2 светится

Нет связи МВ110-8Д

Нет связи МВ110-8А

Норма/Нет связи 

Нет связи МВ110-8А

Нет связи МУ110-16Р

Норма/Нет связи 

Нет связи МУ110-16Р

Нет связи МУ110-32Р

Норма/Нет связи 

Нет связи МУ110-32Р

Нет связи МУ110-6У

Норма/Нет связи 

Нет связи МУ110-6У

Информация

Graphic
Экран Информация

Наименование модификации прибора, версия программного обеспечения и дата ее релиза расположены в разделе Меню → Информация.

Примечание
Данная информация понадобится для обращения в техническую поддержку или для проверки актуальности установленного программного обеспечения.

Настройка и описание работы элементов вентсистемы

Общие сведения

При рассмотрении функционала прибора используется последовательность параметров из Owen Configurator. Структура меню на экране прибора может отличаться.

В некоторых случаях расположение параметров совпадает, например, Оперативные параметры/07. Уставки.

Номера пунктов меню приведены при всех включенных элементах в конфигурации вентустановки.

Настройка входов и выходов

Graphic
Работа КЗР

Тип датчика задается для каждого входа отдельно с помощью системного меню (см. раздел) или в Конфигураторе.

Если измеренное значение отличается от фактического, то рекомендуется ввести корректировку: Т’изм = Тизм + Δ (в параметре Корректировка Т(название датчика) для каждого входа отдельно.

Примечание
Корректировка задается в основном меню.

Для датчиков с выходным сигналом 4...20 мА задаются верхняя и нижняя границы диапазона измерения.

В алгоритмах с водяным нагревателем и/или водяным охладителем предусмотрено два типа управления регулирующим клапаном:

  • дискретное (сигналы «КЗР открыть» и «КЗР закрыть»);

  • аналоговое (сигналы «КЗР нагрев» и «КЗР охлаждение»).

Тип управления для каждого нагревателя задается отдельно. Если выбрано аналоговое управление, то рассчитанный в алгоритме процент открытия клапана преобразуется в сигнал Х...10 В или Х...20 мА, где Х — минимальное напряжение/сила тока, задается в настройках (типовые значения: 0, 0,5 и 2 В или 4 мА — зависят от типа привода клапана).

Если выбрано дискретное управление, то для достижения соответствия между расчетным и фактическим положением клапана сервопривода подаются импульсы «КЗР открыть» или «КЗР закрыть» определенной длительности. Приросту процента открытия клапана от 0 до 100 соответствует импульс длительностью, равной времени полного хода сервопривода (параметр Полное время хода).

Прирост определяется как разница между новым рассчитанным и текущим значением. Для предотвращения лишних колебаний импульс на сервопривод подается, только если его длительность больше минимального времени хода (параметр Минимальное время хода). Если рассчитанный процент равен 100, то это соответствует открытому положению клапана — на сервопривод подается команда «КЗР открыть». Если рассчитанный процент равен 0, то это соответствует закрытому положению клапана — на сервопривод подается команда «КЗР закрыть».

В алгоритмах с электрическим нагревателем применяется аналоговое управление ТЭН.

При аналоговом управлении расчетная мощность преобразовывается в выходной сигнал 0...10 В или 4...20 мА.

Управление воздушным клапаном притока

Graphic
Работа воздушного клапана

В зимний период перед открытием воздушного клапана следует его прогреть. Тип обогрева задается в настройках прибора с помощью Конфигуратора.

Если выбран тип ТЭН, то обогрев производится каждый раз перед открытием клапана и длится заданное время (параметр Время прогрева клапана), по истечении которого клапан считается прогретым.

При выборе периметрального типа обогрев включен постоянно при сезоне Зима и замкнут соответствующий выход прибора. Задержка Время прогрева клапана действует сразу после момента задания данного типа обогрева в настройках ВК.

При сезоне Лето обогрев воздушных клапанов не производится.

Если в системе имеется концевой выключатель, свидетельствующий о том, что воздушный клапан открыт, необходимо настроить параметр Время открытия клапана. Если сигнал от концевика не будет получен прибором в течение времени, заданного в данном параметре, то система будет остановлена, а также зарегистрирована авария воздушного клапана. Если же концевик в системе отсутствует, то в параметре Время открытия клапана следует задать 0, тогда прибор не будет фиксировать аварию ВК.

При настройке контроллера с помощью "Мастер настройки" можно выбрать в параметры воздушного клапана/ открытие.наличие концевиков/нет.

В приборе можно настроить время задержки перед закрытием приточного воздушного клапана (параметр Время задержки перед закрытием воздушного клапана). Эта задержка отсчитывается с момента подачи команды на останов приточного вентилятора (см. рисунок).

В алгоритмах с рекуператором приточный и вытяжной воздушные клапаны открываются одновременно, но команды подаются с разных дискретных выходов. Указанные выше настраиваемые параметры распространяются сразу как на приточный, так и на вытяжной воздушные клапаны. Для остальных алгоритмов работы прибора сигнал на открытие вытяжной заслонки можно получать с выхода DO, предназначенного для ВКп.

Для алгоритмов с рециркуляцией настраивается минимальный процент открытия клапанов притока/вытяжки (параметр Минимальный % открытия клапана притока/вытяжки).

Датчик перепада давления на воздушном фильтре

Засорение фильтра приводит к возникновению перепада давления на нем. Для исключения ложных срабатываний действует временная нередактируемая задержка, равная 5 секундам.

Авария, связанная с засорением фильтра, не считается критической и к останову системы не приводит. При срабатывании датчика на лицевой панели прибора будет мигать светодиод F2 и появится соответствующая запись в журнале аварий.

Автомат защиты насоса

Для контроля работы насоса в контуре водяного калорифера в приборе можно подключить дополнительный контакт автоматического выключателя цепи питания насоса, который сигнализирует о положении этого выключателя.

Для водяного догрева также есть контакт автоматического выключателя цепи питания насоса и фиксируется авария "Догрев.Насос".

При исправной работе насоса сигнал с дополнительного контакта должен поступать на дискретный вход. При размыкании автоматом цепи питания насоса сигнал пропадет, из-за чего контроллер перейдет в Аварийный режим.

Если в системе отсутствует дополнительный контакт автомата или какой-либо другой схожий элемент для защиты насоса, то следует установить перемычку на вход DI "Ав.Насоса" согласно схеме подключения, поскольку контроллер не позволит запустить систему из-за аварии насоса.

Управление вентиляторами

Graphic
Управление вентиляторами

Приточный вентилятор запускается после подачи команды на открытие воздушного клапана с временной задержкой (см. раздел). Для контроля работоспособности вентилятора сигнал от датчика перепада давления должен появиться не позже заданного времени Время разгона вентилятора. После остановки вентилятора за время, заданное в параметре Время остановки вентилятора на контроллер должен перестать поступать сигнал с датчика перепада.

Если датчик перепада давления на вентиляторе отсутствует, необходимо задать Время остановки вентилятора = 0 и замкнуть соответствующий датчику дискретный вход.

Для вентустановки с рециркуляцией/рекуператором вытяжной вентилятор запускается со своей временной задержкой Задержка запуска Вв. Данная задержка отсчитывается после подачи команды на открытие воздушного клапана. Упомянутые выше параметры Время разгона вентилятора и Время остановки вентилятора распространяются также и на вытяжной вентилятор.

Наработка ИМ размещена в меню Оперативные параметры.

Если выбран дискретный тип управления скоростью вентиляторов, то управление осуществляется по шагам. Количество шагов задается в параметре Количество дискретных скоростей, диапазон значений от 2 до 4. Каждая дискретная скорость соответствует конкретной величине сигнала управления, обеспечивая воспроизводимую и стабильную работу вентилятора. Переключение между скоростями производится вручную с главного экрана контроллера. Редактирование выполняется нажатием кнопки Graphic, выбор нужной скорости - стрелками вверх/вниз, для сохранения необходимо нажать Graphic.

Алгоритм работы с резервным вентилятором

В Дежурном режиме прибор управляет воздушными клапанами вентиляторов. Если в параметре Наличие резерва на притоке задано есть, то прибор резервирует дополнительный DO для резервного вентилятора.

Функцию вентилятора можно выбрать из значений Основной, Резерв, Отключен. При выборе Основной вентилятор будет работать постоянно, если другой вентилятор задан как Отключен или Резерв, либо меняться по Время смены Вп с другим вентилятором, который был также выбран как Основной.

Если вентилятор выбран как Резерв, то он будет включаться при отказе Основного.

При выставлении Отключен вентилятор использоваться не будет.

При аварии одного из вентиляторов прибор закрывает соответствующий ВК и подает команду на открытие другого ВК, затем ждет сигнал с его датчика перепада давления.

Итоговое время наработки каждого вентилятора находится в Оперативных параметрах. Для сброса наработки на последнем экране оперативных параметров в строке Сброс наработки нажатием кнопки Graphic и стрелками выбрать приточный вентилятор или 2-ой приточный вентилятор

Управление преобразователем частоты приточного вентилятора

Управляющий сигнал 0…10 В или 4...20 мА для частотного преобразователя вентилятора поступает с аналогового выхода контроллера. Сигнал появляется одновременно с запуском приточного вентилятора и пропадает с его отключением.

В настройках прибора скорость вентилятора задается в процентах прямо пропорционально производительности вентилятора. Нижний порог скорости Вп составляет 10 %. Таким образом, рабочий диапазон – 10…100 %.

Режимы управления

Режим управления скоростью Вп задается в параметре Настройки/07. Вентилятор(ы)/02. Скорость . Для выбора доступны следующие режимы:

  • управление скоростью по расписанию;

  • управление скоростью вручную.

Управление не используется

При включении приточного вентилятора на аналоговый выход будет подан сигнал 10 В или 20 мА, что соответствует полной производительности вентилятора. Когда вентилятор отключен, управляющий сигнал на выходе отсутствует. Этот режим установлен в приборе по умолчанию.

Работа по расписанию

Значение мощности приточного вентилятора привязывается к недельным таймерам.

Чтобы настроить таймеры, следует перейти в Настройки/02. Общие. Для изменения производительности вентилятора в соответствии с расписанием следует активировать нужное количество Смен (см. раздел). Для каждой Смены задается свое значение скорости вентилятора, %. При работе системы управляющий сигнал на аналоговом выходе будет соответствовать заданной пользователем скорости Вп для текущей Смены.

Если настроенные Смены пересекаются между собой по времени работы, то результирующее время работы установки будет определено с помощью логического ИЛИ. В моменты подобного наложения Смен друг на друга за результирующую мощность Вп принимается наибольшее из значений мощности пересекающихся Смен. Таким образом можно настроить работу вентилятора на нескольких разных скоростях в течение суток, задав перекрывающие друг друга по времени действия Смены (см. рисунок).

Graphic
Пример изменения скорости Вп по расписанию в течение суток
Результирующая мощность Вп в течение суток в соответствии с рисунком выше

Время суток

Скорость вентилятора

Состояние системы

0:00-7:00

0

Установка в останове

7:00-9:00

30

Установка запущена

9:00-17:30

100

17:30-21:00

30

21:00-23:59

0

Установка в останове

Если в Общих настройках выбрано управление скоростью по расписанию, но не активированы недельные таймеры, то при запуске вентсистемы прибор задает 100 % мощности Вп (аналогично режиму «Управление не используется»).

Ручное задание скорости

При выборе ручного режима становится доступной строка задания скорости вентилятора в настройках прибора (параметр Режим задания скорости вентилятора = Вручную). Скорость задается в диапазоне 10…100 % с шагом 1 %. Также ее можно задать по сети Modbus (см. Приложение А).

Снижение производительности приточного вентилятора при нехватке мощности нагревателя

Функция реализована только в алгоритмах с водяным нагревом и действует только в режиме Работа при сезоне Зима. Функция опциональна, для ее включения следует в параметре Функция снижения скорости установить Включена. Ниже представлен принцип ее работы.

Снижение производительности Вп

В моменты, когда КЗР водяного калорифера достигает открытия 100 %, прибор сравнивает текущую температуру приточного воздуха Тприттек и ее уставку Тпритуст.

Если Тприттек Тпритуст, то дополнительные действия не производятся.

Если Тприттек < Тпритуст, то запускается счетчик времени, который ведет отсчет, пока выполняется условие по недогреву воздуха в канале с учетом полного открытия регулирующего клапана. Если температура в канале так и не достигла значения уставки за время, заданное в параметре Время задержки запуска приточного вентилятора после подачи команды на открытие ВК, прибор снижает мощность Вп на заданный пользователем % и сбрасывает счетчик.

Если и далее на протяжении Время задержки запуска приточного вентилятора после подачи команды на открытие ВК мощность нагрева составляет 100 % и Тприттек < Тпритуст, то прибор повторяет описанную процедуру.

Во время работы данной функции также учитывается нижний порог мощности Вп. Если производительность Вп уже снизилась до указанного пользователем значения, прибор не будет уменьшать ее дальше даже при соблюдении условий по нехватке мощности нагрева.

Пока скорость Вп снижена, на Главном экране в строке текущего состояния вентилятора мигает надпись Скор. снижена.

Увеличение производительности Вп

Обратное увеличение мощности Вп на заданный пользователем % происходит, если на протяжении заданного периода снижения скорости соблюдались следующие условия:

ТприттекТпритуст и процент открытия КЗР ≤ 90 %.

Таким образом, время реакции на нехватку мощности нагревателя учитывается как для снижения скорости Вп, так и для случая возврата скорости Вп к установленному значению.

Graphic
Иллюстрация работы функции снижения производительности вентилятора при нехватке мощности нагрева

Функция снижения скорости вентилятора совместима с каждым из двух режимов управления производительностью вентилятора.

При смене режима управления скоростью вентилятора или при изменении скорости (в недельных таймерах или вручную) прибор проверяет условия по нехватке мощности нагрева заново.

Если при работе установки наблюдается частое изменение скорости Вп, рекомендуется снизить установленное значение производительности Вп (в ручном режиме или по расписанию).

Управление водяным нагревателем

Для регулирования температуры приточного воздуха предусмотрено плавное управление приводом клапана водяного калорифера. Тип управления можно выбрать дискретный либо аналоговый (см. раздел).

Выходная мощность нагревателя вычисляется по ПИ-закону, регулируемая величина – температура приточного воздуха Тприт. Зависимость выходной мощности от управляющего воздействия можно записать в виде:

Graphic

где Yi – выходная мощность нагревателя;

КП – пропорциональный коэффициент (Настройки/04. Нагрев);

Ти – время интегрирования (Настройки/04. Нагрев);

Ei – разность между уставкой и текущим значением Тприт;

Δtизм – время дискретизации (1 с).

Чтобы исключить случаи частого срабатывания ИМ, в приборе предусмотрена зона нечувствительности температуры приточного воздуха. Данный параметр можно настроить в Настройки/Общие.

Если Тприт < Туст.прит – Δприт, клапан открывается;

если Тприт > Туст.прит + Δприт, клапан закрывается.

Δприт рассчитывается по формуле:

Graphic

Внутри зоны нечувствительности [Туст.прит – Δприт; Туст.прит + Δприт] мощность нагрева не изменяется и остается равной тому значению, которое было на выходе регулятора при входе в эту зону.

Уставка Туст.прит задается в Настройки/02. Общие/07. Уставки.

Контроль обратного теплоносителя

Graphic
График Тобр(Тн)

Функция контроля температуры обратной воды позволяет возвращать в теплосеть воду, соответствующую температурному графику, а также предупреждать обмерзание калорифера.

В приборе задается два погодозависимых графика: рабочий – выделен синим цветом, и аварийный – выделен красным цветом. Настраиваются графики в разделе Меню/Настройки/04. Нагрев (см. раздел). Они могут содержать от 2 до 4 точек перегиба.

Рабочий режим

В рабочем режиме прибор регулирует температуру теплоносителя, контролируя нахождение температуры обратной воды ниже ВРГ (верхней рабочей границы) относительно заданного рабочего графика.

  ВРГ = Тобр + Δобр,

где Тобр определяется по рабочему графику;

Δобр задается в параметре Допустимое отклонение Тобр(см. раздел). Δобр определяет допустимое отклонение температуры обратки от графика.

Как только температура обратной воды выходит за ВРГ, контроллер пересчитывает уставку приточного воздуха с поправочным коэффициентом влияния, чтобы устранить перегрев обратки.

Прибор производит расчет уставки по формуле:

Graphic

где Тпр.уст – заданная уставка для температуры притока;

Δ – разница между текущей температурой обратного теплоносителя и её максимально допустимым значением (Тобр.тек - ВРГ);

К– коэффициент влияния. Коэффициент задается в параметре коэффициент влияния на Тприт (см. раздел).

Таким образом, уставка температуры притока принудительно снижается, чтобы контроллер, выявив рассогласование между новой уставкой и текущим значением температуры в канале, начал призакрывать клапан и тем самым предотвращать перегрев обратки.

В это время на главном экране прибора значение уставки температуры приточного воздуха будет изменяться и появится обозначение «УстК», свидетельствующее о том, что значение уставки корректируется.

Graphic
Защита от перегрева обратной воды

Если контролировать температуру возвращаемой в теплосеть воды не требуется, коэффициент влияния следует задать равным 0. Тогда перегрев возвращаемой в теплосеть воды будет игнорироваться прибором.

Дежурный режим
Graphic
Дежурный режим в зимний период

В Дежурном режиме, когда вентустановка отключена и температура обратной воды снижается до НРГ (нижней рабочей границы), клапан открывается на 100 %. Когда температура обратки достигает ВРГ, клапан остается открытым в течение задаваемого пользователем времени (параметр Длительность прогрева калорифера: в дежурном режиме), затем полностью закрывается.

    НРГ = Тобр – Δобр

Таким образом предотвращается обмерзание калорифера.

Если же температура воды не достигнет ВРГ за максимально допустимое время прогрева (параметр Длительность прогрева калорифера: Мах допустимая, мин), то произойдет переход в аварию с названием «Нагрев. Не прогреть», а клапан продолжит работать на 100 %.

Аварийный график Тобр

В приборе также предусмотрена дополнительная защита от замораживания калорифера путем отслеживания аварийной температуры обратной воды. Для этого задается аварийный график.

При достижении НАГ (нижней аварийной границы) в любом из режимов работы прибор переходит в Аварийный режим, останавливая систему и открывая клапан на 100 % до тех пор, пока не будет достигнута ВРГ. Тип аварии - Замерз В.

   НАГ = Тобр Аварийное (значение по графику)

Контроль температуры обратной воды по фиксированной уставке

Осуществлять контроль за величиной температуры обратной воды можно не по графику, а по фиксированной уставке. Если в разделе Конфигурация/01. Общее параметр Использовать Тнар = Нет, то контроль температуры обратной воды осуществляется по фиксированной уставке. Уставка задается в разделе Меню/Настройки/Нагрев/Водяной. График обратной воды (ВРГ) параметр Рабочая температура обратной воды. Для аварий предусмотрен отдельный график с уставкой в разделе Меню/Настройки/Нагрев/Водяной. График обратной воды аварийный (НАГ) параметр Аварийная температура обратной воды.

Оба раздела доступны при любом значении параметра Использовать Тнар.

Если в параметре Использовать Тнар = Нет, то температура обратной воды начинает регулироваться по заданной рабочей уставке с учетом коэффициента влияния и Допустимое отклонение Тобр.

Меню/Настройки/Нагрев/Рабочая Тобр

Экран

Значение по умолчанию

Описание

Диапазон

Рабочая температура обратной воды60

Уставка температуры обратной воды

0…150

Аварийная температура обратной воды15

Аварийное значение температуры обратной воды

0…100

Режимы работы водяного нагревателя

Graphic
Работа водяного нагревателя
Прогрев ТО (прогрев теплообменника)

Во время прогрева калорифера происходит разогрев до температуры ВРГ обратного теплоносителя. Для этого прибор выдает сигнал на 100 % КЗР. Это обеспечит максимальную циркуляцию теплоносителя через калорифер, прогревая его до расчетной температуры ВРГ. Далее действует задержка прогрева (параметр Длительность прогрева калорифера: Перед стартом), в течение которой клапан остается полностью открытым.

Если температура воды не достигла ВРГ за максимальное время прогрева (параметр Длительность прогрева: Мах допустимая), то произойдет переход в Аварийный режим с названием аварии «Нагрев. Не прогреть», а работа клапана будет аналогична его работе в Дежурном режиме.

Режим «Падающая уставка»

Во время прогрева калорифера воздух в вентканале перегревается, поскольку вентилятор выключен, заслонки закрыты и движение воздуха почти отсутствует. При включении вентилятора перегретый воздух попадает на датчик температуры притока. Контроллер фиксирует перегрев приточного воздуха и подает команду на закрытие клапана теплоносителя. Как следствие, падает температура обратной воды и может сработать защита от замораживания.

Чтобы избежать такой ситуации, после прогрева теплообменника контроллер включает режим «Падающая уставка». Режим является переходным после прогрева калорифера и служит для плавного выхода на уставку приточного воздуха, который не допустит провала по температуре обратки.

На время действия режима обычная уставка приточного воздуха будет заменена на так называемую уставку «падения», которая представляет собой величину, линейно изменяющуюся от некоторого значения до обычной уставки в течение заданного времени «падения». Параметры режима можно настроить в разделе Меню/Настройки/04. Нагрев, а именно стартовую уставку падения и время действия режима, которое определит скорость изменения этой искусственной уставки (см. раздел).

Работа

После режима «Падающая уставка» прибор переходит в рабочий режим и регулирует температуру приточного воздуха, одновременно контролируя обратную воду согласно заданному для нее графику или уставке.

Управление электрическим нагревателем

Graphic
Управление электрическим нагревателем

В контроллере предусмотрено управление до двенадцати ступеней электрического нагревателя. Выходная мощность электрического нагревателя вычисляется по ПИ-закону, регулируемая величина – температура приточного воздуха Тприт. Зависимость выходной мощности от управляющего воздействия можно представить в виде:

Graphic

где Yi – выходная мощность нагревателя;

КП – пропорциональный коэффициент;

Ти – время интегрирования;

Ei – разность между уставкой и текущем значением Тприт;

Δtизм – время дискретизации (1 с).

Для температуры приточного воздуха в приборе предусмотрена зона нечувствительности. Данный параметр можно настроить в Настройки/02. Общие/07. Уставки.

Если Тприт < Туст.прит – Δприт, мощность нагрева увеличивается;

если Тприт > Туст.прит + Δприт, мощность нагрева уменьшается.

Δприт рассчитывается по формуле:

Graphic

Внутри зоны нечувствительности [Туст.прит – Δприт; Туст.прит + Δприт] мощность нагрева не изменяется и остается равной тому значению, которое было на выходе регулятора при входе в эту зону.

Уставка Туст.прит задается в Настройки/2. Общие/7. Уставки.

Первая ступень управляется плавно с помощью аналогового сигнала 0..10 В или 4...20 мА. Остальные ступени являются опорными (срабатывают выходные реле контроллера и подключенного ПРМ).

Для защиты от частого включения опорных ступеней используется гистерезис, равный 10 % вычисляемой мощности. Вторая ступень включится, когда рассчитываемая выходная мощность Yi достигнет 105 %, а выключится, когда эта мощность снизится до 95 % (205 % и 195 % для третьей ступени соответственно).

Для предотвращения перегрева ТЭН продувается в течение заданного времени (режим работы Продув) во время перехода в Дежурный режим (см. раздел).

Если температура притока поднимается выше максимально допустимого значения Максимально допустимая температура приточного воздуха или срабатывает защитный термостат, то прибор переходит в Аварийный режим и включается продувка.

Для вентустановки с электрическим калорифером нагрева датчик наружного воздуха обязателен, если прибор определяет сезон автоматически (в Конфигураторе Настройки/02. Общие/06. Сезон). Для датчика Тнар в параметре Конфигурация/01. Общее/Использовать Тнар (доступен только в Конфигураторе) должно быть задано «Да». Если произойдет обрыв датчика Тнар, контроллер перейдет в Аварийный режим.

Если же сезоны нужно менять вручную, в параметре Конфигурация/01. Общее/Использовать Тнар можно задать «Нет». Тогда контроллер автоматически сменит тип определения сезона на «Ручн» и будет запрещено изменение этого параметра обратно на «Авто». При отсутствии физически подключенного на вход датчика контроллер определит некритическую аварию и продолжит работу, но светодиод F2 будет мигать. Для устранения этого оповещения следует отключить использование Тнар с помощью “Мастера настройки”.

Управление водяным охладителем

Graphic
Управление водяным нагревателем

Регулятор температуры приточного воздуха формирует управляющий сигнал для электропривода клапана в контуре водяного охлаждения.

Выходная мощность охладителя вычисляется по ПИ-закону, регулирование осуществляется по датчику температуры приточного воздуха. Зависимость выходной мощности от управляющего воздействия можно записать в виде:

Graphic

где Yi — выходная мощность охладителя;

КП — пропорциональный коэффициент (Меню/Настройки/06. Охлаждение);

Ти — время интегрирования (Меню/Настройки/06. Охлаждение);

Ei — разность между уставкой и текущем значением Тприт;

Δtизм — время дискретизации (1 с).

Чтобы исключить случаи частого срабатывания ИМ, в приборе предусмотрена зона нечувствительности температуры приточного воздуха. Данный параметр можно настроить в Меню/Настройки/02. Общие/07. Уставки.

Если Тприт > Туст.прит + Δприт, клапан открывается;

если Тприт < Туст.прит – Δприт, клапан закрывается.

Δприт рассчитывается по формуле:

Graphic

Внутри зоны нечувствительности [Туст.прит – Δприт; Туст.прит + Δприт] мощность охлаждения не изменяется и остается равной тому значению, которое было на выходе регулятора при входе в эту зону.

Уставка Туст.прит задается в Меню/Настройки/Общие.

Режим осушения

Режим осушения используется для удаления избыточной влаги из воздуха в помещении, не снижая при этом его температуру. Работает только при сезоне Лето.

При фреоновом охлаждении работа режима осушения возможна только если выбрано плавное управление (задан параметр Фреоновое. Тип управления = плавное). При водяном охлаждении режим осушения работает и при аналоговом и при дискретном управлении.

Прибор поддерживает заданную влажность за счет охлаждения приточного воздуха до точки росы. Точка росы вычисляется из значений уставок температуры и влажности приточного воздуха.

Для подогрева воздуха после охлаждения используется Догрев. Наличие Догрева опционально, его отсутствие не является недопустимой конфигурацией.

Если в параметре Режим работы в Конфигурация/05. Охлаждение (в Конфигураторе) выбрано значение Осушение, то вентустановка снижает скорость вентилятора до минимальной. Влага конденсируется на испарителе охладителя и удаляется через дренажную систему.

Алгоритм работы увлажнителя

Graphic
Дискретное управление увлажнителем
Graphic
Аналоговое управление увлажнителем

Работу увлажнителя можно настроить, доступные значения:

  • нет - увлажнение отключено. Остальные настройки увлажнителя скрыты;

  • дискретный - увлажнитель работает по двухпозиционному закону с гистерезисом 3% относительно влажности

    Указанный гистерезис – величина нередактируемая.

    Если RH < RHуст – 3 %, увлажнитель включается;

    если RH > RHуст + 3 %, увлажнитель отключается.

    Остальные настройки увлажнителя скрыты

  • аналоговый - выходная мощность увлажнителя рассчитывается по ПИ-закону.

    Graphic

    где Yi — выходная мощность охладителя;

    КП — пропорциональный коэффициент (Меню/Настройки/10. Увлажнитель);

    Ти — время интегрирования (Меню/Настройки/10. Увлажнитель);

    Ei — разность между уставкой и текущем значением Тприт;

    Δtизм — время дискретизации (1 с).

    В меню доступны коэффициенты ПИ-регулятора.

Уставка влажности задается в Меню/Настройки/02. Общие/07. Уставки (в Конфигураторе).

Контроллер может регистрировать аварию увлажнителя. Для этого к дискретному входу прибора можно подключить дополнительный контакт от автоматического выключателя, установленного для защиты цепи питания увлажнителя. Рекомендуется использовать нормально-замкнутый контакт.

Если подключать дополнительный контакт не планируется, следует установить перемычку на вход DI Увлажнитель в соответствии со схемой подключения.

Авария увлажнителя не приводит к аварийному останову, но начинает мигать светодиод F2 и производится запись в журнале аварий.

Алгоритм работы рекуператора

Контроллер поддерживает управление рекуператорами трех видов: пластинчатым, роторным и гликолевым.

Для роторного рекуператора контроллер подает команду на включение и управляет приводом посредством аналогового сигнала. В рабочем режиме роторный рекуператор вращается с постоянной максимальной скоростью, которая соответствует величине управляющего сигнала 10 В или 20 мА. Для гликолевого рекуператора прибор управляет положением задвижки и включением насоса в контуре рекуперации.

Для всех типов рекуператора прибор контролирует обмерзания по датчику перепада давления.

Работа предварительного нагрева

Предварительный нагрев активируется, если задать в Конфигурация/Рекуперация/Количество ступеней преднагрева больше 0 (максимальное число ступеней 3). В Меню/Настройки/Рекуператор/Преднагрев можно задать параметр Определение целесообразности рекуперации. Функция определения целесообразности работает следующим образом:

  • нагрев включается при Тнар < Тпом;

  • охлаждение работает при Тнар > Тпом.

ПН включается одновременно с запуском Вп и Вв, если Тнар < Порог включения преднагрева, которая задается в настройках рекуператора (см. раздел).

После включения ПН срабатывает задержка в 10 с на появление сигнала с контактора ТЭН. При отсутствии сигнала прибор переходит в аварию.

Запуск рекуператора

1) Зима (для роторного и гликолевого)

  Рекуператор запускается совместно с открытием приточного воздушного клапана и прогревает приточный воздух перед основным теплообменником.

2) Лето (для всех типов)

  Рекуператор выключен.

Обмерзание рекуператора

В параметре Определение обмерзания можно выбрать тип сигнала:

  • по дискретному PDS;

  • по аналоговому PDS;

  • по Твых и дискретному PDS.

Возможны следующие варианты работы контроллера:

  1. В параметре Меню/Настройки/Рекуператор/01. Обмерзацие/Реакция на обмерзание выбран Переход в дежурный режим и выставление флага аварии происходит остановка вентиляционной системы с переходом в Аварийный режим.

  2. В параметре Реакция на обмерзание выбран Включение преднагрева скорость вращения рекуператора снижается до Минимальная производительность рекуператора для роторного, закрывается трехходовой клапан для гликолевого и включается байпас для пластинчатого. Также включается ПН независимо от текущей наружной температуры, если количество ступеней преднагрева 1 и более. Если по истечении Максимальное время размораживания рекуператора (в меню Меню/Настройки/08. Рекуператор) сигнал на DI не пропадает, то контроллер останавливает вентиляционную систему и переходит в Аварийный режим.

  3. В параметре Реакция на обмерзание выбран Выключение притока происходит остановка Вп и закрытие ВКп, отключение ПН, закрывается регулирующий клапан водяного калорифера, скорость вращения рекуператора снижается до Мин.Скор.Вр для роторного, закрывается трехходовой клапан для гликолевого и включается байпас для пластинчатого.

  4. В параметре Реакция на обмерзание выбран Снижение производительности до мин закрывается регулирующий клапан водяного калорифера, скорость вращения рекуператора снижается до Мин.Скор.Вр для роторного, закрывается трехходовой клапан для гликолевого и включается байпас для пластинчатого.

Если выбрано Включение преднагрева или Выключение притока, то при обнаружении обмерзания рекуператора на главном экране прибора текущее состояние системы изменится на ПрогРек, т. е. Прогрев рекуператора.

Алгоритм работы рециркуляции

Для рециркуляции контроллер управляет положением воздушных клапанов с помощью аналогового выхода (0…10 В или 4...20 мА в зависимости от настроенного типа выходного сигнала). Клапаны притока и вытяжки работают синфазно, клапан рециркуляции – в противофазе с ними. Для этого на приводе клапана рециркуляции необходимо инвертировать управление.

Для настройки работы рециркуляции задается минимальный процент открытия приточного и вытяжного клапанов в параметре Меню/Настройки/09. Рециркуляция.

Допустимую степень открытия (ДСО) клапана рециркуляции можно определить по разности:

   ДСО = 100 – МИН. ПРОЦЕНТ ОТКРЫТИЯ [%]

Работа рециркуляции с датчиком температуры в помещении

Диаграммы, представленные на рисунках ниже, носят поясняющий характер. На них температура в помещении изменяется линейно от нуля до бесконечности, а наружная температура постоянна. Такое представление необходимо для упрощения описания принципа работы алгоритма с рециркуляцией.

Если температура наружного воздуха больше уставки притока, клапан рециркуляции открыт на значение ДСО, чтобы охлаждать приток, пока температура в помещении не превышает уличную. Рециркуляция отключается, если температура в помещении больше уличной.

Graphic
Пояснительная диаграмма работы рециркуляции при использовании датчика температуры в помещении при

Если температура на улице меньше уставки притока и меньше температуры в помещении, рециркуляция работает на подогрев притока. Но если наружный воздух теплее воздуха в помещении, то рециркуляция отключается.

Graphic
Пояснительная диаграмма работы рециркуляции при использовании датчика температуры в помещении при Тнар < Тприт.уст
Работа рециркуляции без датчика температуры в помещении

Если датчик Тпом не используется, зимой рециркуляция работает постоянно с учетом ДСО, а летом работает, только если наружная температура больше уставки притока.

Graphic
Пояснительная диаграмма работы рециркуляции при отсутствии датчика температуры в помещении

Управление ККБ

Graphic
Двухступенчатое управление ККБ
Graphic
Плавное управление ККБ

В Конфигурации/Охлаждение при фреоновом типе охладителя можно выбрать тип управления:

  • плавное;

  • 1 ступень;

  • 2 ступени.

При выборе 1 ступени из списка меню пропадает пункт Охлаждение. При выборе 2 ступеней в настройках охлаждения задаются параметры Мощность включения 1й ступени и Мощность включения 2й ступени. При выборе плавного управления мощность рассчитывается по ПИ-закону, в настройках охлаждения задаются коэффициенты ПИ-регулятора.

Для исключения возможности переохлаждения помещения датчик температуры в помещении является обязательным для установки с ККБ и регулировка осуществляется по его показаниям.

Если Тпом > Туст.пом + Δпом, то включается ККБ.

А если Тпом < Туст.пом – Δпом, то ККБ выключается.

Δпом — нередактируемый параметр, равный 0,5 °С.

Уставка Туст.пом задается в Настройки/02. Общие/07. Уставки.

Контроллер может регистрировать аварию установки с фреоном. Для этого к дискретному входу прибора можно подключить дополнительный контакт от автоматического выключателя, установленного для защиты цепи питания ККБ. Рекомендуется использовать нормально-замкнутый контакт. Если произойдет аварийное отключение цепи ККБ, прибор перейдет в Аварийный режим. Способ сброса аварии ККБ задается в Меню/Настройки/Охлаждение в параметре Способ сброса аварии "ККБ". Можно выбрать ручной сброс или автоматический.

Если подключать дополнительный контакт не планируется, следует установить перемычку на вход DI "Ав.ККБ" согласно схеме подключения.

В режиме ЗИМА прибор игнорирует аварию ККБ (нет индикации). При переходе с режима ЛЕТО (авария ККБ) → ЗИМА (авария ККБ) и обратно авария учитывается (есть индикация).

Функция Догрев

Функция Догрев позволяет довести температуру приточного воздуха до необходимого уровня. Функция нужна для следующих задач:

  • исключение резких перепадов температуры и обеспечение равномерного распределения тепла;

  • предотвращение образования конденсата;

  • догрев поступающего воздуха, если основной нагреватель не справляется с нагрузкой (например, два помещения сообщаются через воздуховод значительной длины).

Догрев может быть следующих типов:

  • Водяной. Настройки аналогичны описанным в разделе;

  • Электрический. Настройки аналогичны описанным в разделе.

Использование таймеров

Graphic
Использование таймеров

В приборе предусмотрены следующие таймеры:

  • День/Ночь

    Позволяет задать ночной период времени, в который происходит смена уставки температуры приточного воздуха, а функция поддержания температуры в помещении отключается. Данный таймер работает ежедневно. На главном экране прибора появляется обозначение «УстК», которое оповещает о скорректированном значении уставки притока.

  • Смена 1Смена 4

    Позволяют задать часы работы вентсистемы с учетом дня недели. Управление вентсистемой происходит в заданные в настройках часы, только если запущен алгоритм.

По умолчанию все таймеры выключены.

Включаются таймеры в настройках прибора в разделе Настройки/02. Общие. Потом задается время действия таймера (Настройки/02. Общие/01. Смена 1...04. Смена 4). Таймеры Смена 1...Смена 4 настраиваются по отдельности.

Таймеры Смена 1 Смена 4 работают только в выбранные дни недели (Меню/Настройка/Недельные таймеры/Дни нед). Если Смены работают в одни и те же дни недели, результирующее время их действия высчитывается по логическому ИЛИ. Мощность приточного вентилятора равна наибольшему из значений мощности пересекающихся Смен (см. рисунок), если для скорости вентилятора выбрано управление по расписанию.

Функция поддержания заданной температуры помещения

Graphic
Каскадное регулирование

Регулирование температуры в помещении возможно, если установлен и сконфигурирован датчик температуры в помещении (Конфигурация/01. Общее/Использовать Тпом: Да). Настройка доступна только с помощью Конфигуратора.

Для поддержания требуемой температуры воздуха в контролируемом помещении используется каскадное регулирование – ПИ-регулятор вычисляет уставку для приточного воздуха с поправочным коэффициентом.

Скорректированная по температуре помещения уставка приточного воздуха рассчитывается по формуле:

Graphic,

где Тустуставка приточного воздуха (Настройка/2. Общие/7. Уставки);

разница между текущей температурой в помещении Тпом и уставкой температуры в помещении Уставка Тпом (рассчитывается контроллером).

Настройка регулятора

Проводить ручную настройку регулятора следует в режиме нагрева. Настройки регулятора, в зависимости от функции, расположены в меню:

  • Настройки/04. Нагрев;

  • Настройки/05. Догрев/01. Водяной;

  • Настройки/06.Охлаждение (при водяном охлаждении);

  • Настройки/08. Рекуператор/01. Обмерзание (в т. ч. преднагрев);

  • Настройки/09. Рециркуляция;

  • Настройки/10.Увлажнитель.

В ходе наблюдений необходимо фиксировать значения регулируемого параметра (скорость и время подхода к уставке).

Graphic
Влияние К на выход на уставку

Ручная настройка осуществляется итерационным методом с оценкой процесса по показателям:

Graphic
Влияние Т на выход на уставку
  • наличие колебаний;

  • наличие перехода графика регулируемой величины через уставку.

В зависимости от показателей корректировку проводить по рекомендациям:

Graphic
Оценка ошибки регулирования
  • увеличение Кп способствует увеличению колебаний регулируемой величины и амплитуда колебаний регулируемой величины может возрасти до недопустимого уровня;

  • уменьшение Кп способствует снижению быстродействия и ухудшается быстродействие регулятора с повышением вероятности колебаний регулируемой величины;

  • при завышенном Ти процесс подхода регулируемой величины к уставке становится односторонним даже при наличии колебаний. Быстродействие регулятора уменьшается;

  • при заниженном Ти появляется значительный переход регулируемой величины через уставку. Но существенно ухудшается быстродействие регулятора и повышается вероятность колебаний регулируемой величины.

При оптимальной настройке регулятора график регулируемой величины должен иметь минимальное значение показателя ошибки регулирования (А1) при достаточной степени затухания φ = 1 – А31 = 0,8 … 0,9.

Для настройки регулятора следует:

  1. Задать заводские уставки, если значения коэффициентов изменялись.

  2. Изменять значение Кп (на единицы), пока значение перерегулирования не будет 5 °С.

  3. Уменьшать Ти, пока отклонение от уставки не будет 2—3 °С.

  4. Уменьшать Кп, (на единицы) до достижения недорегулирования.

  5. Уменьшать Ти, пока отклонение от уставки не будет 1 °С.

Системное меню

Настройка типа датчика

Предупреждение
Тип датчика следует настроить до его подключения к прибору, чтобы не повредить вход.

Типы датчиков, которые можно подключать к прибору, приведены в разделе.

Graphic
Схема настройки типа датчика

Установка времени и даты

Внимание
Часы реального времени настраиваются на заводе при изготовлении прибора. Коррекцию следует производить, только если время и дата прибора не соответствуют действительным.

В прибор встроены энергонезависимые часы реального времени. Время и дата поддерживаются даже при отключении основного питания.

Просмотр и редактирование текущего времени и даты доступны из Системного меню.

Graphic
Схема доступа к меню настройки времени и даты

Интерфейс Ethernet

В контроллере установлен интерфейс Ethernet для организации работы по протоколу Modbus TCP.

Graphic
Настройка параметров Ethernet

Прибор в режиме Slave поддерживает следующие функции:

  • чтение состояния входов/выходов;
  • запись состояния выходов;
  • чтение/запись сетевых переменных.

Адреса регистров, тип переменных параметров, которые доступны по протоколу Modbus, приведены в Приложении А.

Интерфейсы RS-485

В контроллере установлены два интерфейса RS–485 для организации работы по протоколу Modbus. Интерфейсы RS-485–1 и RS-485–2 работают в режиме Master.

Graphic
Настройка параметров Ethernet

Прибор в режиме Master поддерживает следующие функции:

  • чтение состояния входов/выходов подключенных устройств;
  • запись состояния выходов подключенных устройств;
  • чтение/запись сетевых переменных подключенных устройств.

Прибор работает по интерфейсу RS-485 в одном из двух режимов: Modbus-RTU или Modbus-ASCII, автоматически распознает режим обмена RTU/ASCII. Адреса регистров, тип переменных параметров, которые доступны по протоколу Modbus, приведены в Приложении А.

Настройка в OWEN Configurator

Начало работы

Основные функции OWEN Configurator:

  • настройка параметров, в том числе загрузка подготовленной конфигурации в прибор (см. раздел);

  • отслеживание параметров (см. раздел).

Для установки OWEN Configurator (далее - Конфигуратор) следует:

  1. Скачать с сайта архив с ПО.

  2. Извлечь из архива ехе-файл установщика.

  3. Запустить .ехе-файл.

Установить на ПК драйвер прибора.

Для настройки связи с прибором следует:

  1. Подать питание на прибор.

  2. Подключить прибор к ПК с помощью кабеля USB A – miniUSB B.

  3. В Диспетчере устройств Windows уточнить номер назначенного прибору COM-порта.

  4. Запустить Конфигуратор.

  5. Нажать кнопку Graphic Добавить устройства.

  6. Выбрать интерфейс «STMicroelectronics Virtual COM Port» (см. рисунок, 1). Номер СОМ порта, присвоенный прибору, можно узнать в Диспетчере устройств Windows.

  7. Выбрать протокол Owen Auto Detection Protocol (см. рисунок, 2).

  8. Выбрать устройство (Пункт 3 на рисунок). Модификация прибора указана на боковой стороне прибора.

  9. Выбрать «Найти одно устройство», если добавляется один прибор. Нажать Найти. Запустится поиск устройств. (см. рисунок, 4).

  10. Выделить найденное устройство (см. рисунок, 5).

  11. Нажать кнопку Добавить устройства. Устройство будет добавлено в проект Конфигуратора. (см. рисунок, 6).

    Graphic
    Настройки связи с устройством

Если изображение прибора серого цвета и запись параметров в прибор завершается всплывающим окном красного цвета, то следует проверить правильность подключения прибора к ПК.

Graphic
Ошибка при добавлении устройства
Предупреждение

Если в процессе настройки или работы в режиме «Офлайн» были изменены Сетевые настройки, то связь с прибором пропадет (см. раздел).

Подключение можно восстановить повтором настройки связи.

Режим «офлайн»

Для конфигурирования прибора в режиме офлайн (без подключения прибора к ПК) следует:

  1. Нажать кнопку Graphic Добавить устройства.

  2. В появившемся окне выбрать в списке Интерфейс – Работа офлайн.

    Graphic
    Добавление устройства
  3. Выбрать нужную модификацию прибора в списке Устройства.

    Graphic
    Выбор модификации
  4. Нажать кнопку Добавить. Параметры прибора отобразятся в главном окне.

    Graphic
    Отображение приборов в главном окне

Параметры доступны для редактирования. После подключения прибора к ПК измененные параметры можно будет загрузить в него.

Установка системного пароля

Примечание
В данном разделе описана работа с системным паролем. Для доступа к меню следует задать второй пароль (см. раздел).

Пароль можно задать для одного или для нескольких устройств одновременно.

Для установки пароля следует:

  1. Выделить нужные устройства в области устройств. Нажать кнопку Graphic Установить пароль в контекстном меню устройств или в главном меню Проект.

  2. При первом нажатии кнопки откроется окно для создания пароля. Ввести пароль в поле ввода. Для избежания возможных ошибок при вводе пароль следует ввести два раза.

    Graphic
    Окно создания пароля
  3. Нажать кнопку Создать пароль.

При последующих нажатия кнопки Установить пароль откроется окно изменения и сброса пароля. Чтобы изменить пароль, нужно ввести в поля ввода текущий пароль и новый пароль (2 раза).

Graphic
Окно изменения пароля

После записи пароля появится уведомление с перечислением устройств:

  • для которых установлен пароль;

  • для которых не удалось установить пароль.

Если в проекте присутствуют устройства с разными паролями, то изменять пароль для каждого устройства следует отдельно.

Для просмотра и редактирования параметров устройств с установленным паролем во всплывающем окне необходимо ввести пароль. Чтобы добавить устройства с паролем в новый проект, тоже необходимо ввести пароль.

Graphic
Окно ввода пароля

Сброс пароля

Для сброса пароля следует:

  1. В области устройств выбрать устройства, для которых необходимо сбросить пароль.

  2. Нажать кнопкуGraphic Установить пароль в контекстном меню одного из устройств или в главном меню Проект.

  3. В открывшемся окне Изменить пароль выбрать вкладку Сбросить пароль.

    Graphic
    Окно сброса пароля
  4. Ввести текущий пароль и нажать кнопку Сбросить пароль. На экране появится уведомление с указанием наименований устройств, для которых пароль был сброшен.

Примечание
Если введенный пароль относится не ко всем выбранным устройствам, то появится уведомление со списком устройств, для которых не удалось сбросить пароль.

Настройка часов

Часы прибора можно настроить в Конфигураторе или из системного меню.

Graphic
Часы реального времени

Часы можно настроить в ветке Об устройстве/Часы в списке параметров устройства или из меню Конфигуратора. После нажатия кнопки Graphic Настроить часы появится меню, приведенное на рисунке ниже.

Graphic
Меню настройки часов

Для настройки часов следует:

  1. Выбрать дату с помощью календаря.

  2. Ввести время в поле часов или воспользоваться кнопкой Установить дату и время компьютера.

  3. Нажать кнопку Записать значения.

Настройка конфигурации оборудования

После распаковки следует настроить конфигурацию оборудования. Настройки состава вентустановки расположены в ветке Логика.

Graphic
Вид дерева параметров в Конфигураторе
Примечание

Для работы системы, в которой задействованы более 8 дискретных входов\выходов или более 4 аналоговых входов, требуется подключение модулей расширения ПРМ/Мх110. Тип питания ПРМ должен совпадать с типом питания прибора. Если в конфигурации задействовано менее 8 дискретных входов\выходов или менее 6 аналоговых входов, то модуль расширения не нужен.

После настройки параметров раздела Конфигурация контроллер самостоятельно распределяет выбранный функционал по дискретным входам и выходам.

При дальнейшем расширении количества входов/выходов максимальным приоритетом обладают модули ПРМ. Если на них не хватает входов/выходов, алгоритм начинает распределять сигналы по модулям Мх110.

Таблица сигналов установки в максимальной комплектации
ТипНомерУзелНазваниеОписание

DI

1

Общие

Пожар

Дискретный датчик пожара

DI

2

Общие

Кн. Старт

Переключатель для ручного запуска/останова системы

DI

3

Общие. Фильтр

PDS Фильтр дискр.

Датчик перепада давления на воздушном фильтре

DI

4

ВК

ВКп Конц

Концевой выключатель воздушного клапана притока

DI

5

ВК

ВКв Конц

Концевой выключатель воздушного клапана вытяжки

DI

6

Нагреватель

Капилляр

Капиллярный термостат для определения обмерзания калорифера

DI

7

Нагреватель

Ав. Насоса

Дополнительный контакт автоматического выключателя насоса 

DI

8

Нагреватель

Перегрев

Термостат для определения перегрева калорифера

DI

9

Догрев

Капиляр 2

Капиллярный термостат для определения обмерзания калорифера догрева

DI

10

Догрев

Ав. Насоса 2

Дополнительный контакт автоматического выключателя насоса догрева

DI

11

Догрев

Перегрев 2

Термостат для определения перегрева калорифера догрева

DI

12

Охладитель

Ав. ККБ

Доп. контакт автоматического выключателя ККБ

DI

13

Увлажнитель

Ав. Увлажнителя

Дополнительный контакт автоматического выключателя увлажнителя

DI

14

Вентилятор

Вп 1 PDS

Датчик перепада давления воздуха на приточном вентиляторе

DI

15

Вентилятор

Вп 2 PDS

Датчик перепада давления воздуха на втором приточном вентиляторе

DI

16

Вентилятор

ВК Вп1 Конц

Концевой выключатель воздушного клапана первого вентилятора

DI

17

Вентилятор

ВК Вп2 Конц

Концевой выключатель воздушного клапана второго вентилятора

DI

18

Вентилятор

Вв PDS

Датчик перепада давления воздуха на вытяжном вентиляторе

DI

19

Рекуператор

Ав. Рекуператора

Доп. контакт автоматического выключателя насоса (для гликолевого рекуператора)/электропривода (для роторного рекуператора)

DI

20

Рекуператор

PDS Рекуператор дискр.

Датчик перепада давления воздуха на рекуператоре

DI

21

Рекуператор

Перегрев ПН

Термостат для определения перегрева ТЭН предварительного нагрева

AI

1

Общие

Тприт

Датчик температуры приточного воздуха

AI

2

Общие

Тпом

Датчик температуры в помещении

AI

3

Общие

Тнар

Датчик температуры наружного воздуха

AI

4

Нагреватель

Тобр

Датчик температуры обратной воды

AI

5

Общие. Фильтр

PDS Фильтр аналог.

Сигнал от аналогового датчика PDS фильтра

AI

6

Догрев

Тприт догрев

Датчик температуры приточного воздуха после догрева

AI

7

Догрев

Тобр догрев

Датчик температуры обратной воды догрева

AI

8

Увлажнитель

RH%

Датчик влажности

AI

9

Рекуператор

PDS Рекуператор аналог.

Сигнал от аналогового датчика PDS

AI

10

Рекуператор

Твых

Датчик температуры после рекуператора

DO

1

Общие

Авария

Включить лампу аварии

DO

2

ВК

ВКп Обогрев

Включить обогрев воздушного клапана

DO

3

ВК

ВКп Открыть

Открыть приточный воздушный клапан

DO

4

ВК

ВКв Открыть

Открыть вытяжной воздушный клапан

DO

5

Нагреватель

Нагрев КЗР Откр

Открыть клапан теплообменника

DO

6

Нагреватель

Нагрев КЗР Закр

Закрыть клапан теплообменника

DO

7

Нагреватель

Нагрев насос

Включить насос в контуре теплообменника

DO

8

Нагреватель

Нагрев ступень 2

Включить вторую ступень калорифера

DO

9

Нагреватель

Нагрев ступень 3

Включить третью ступень калорифера

DO

10

Нагреватель

Нагрев ступень 4

Включить четвертую ступень калорифера

DO

11

Нагреватель

Нагрев ступень 5

Включить пятую ступень калорифера

DO

12

Нагреватель

Нагрев ступень 6

Включить шестую ступень калорифера

DO

13

Нагреватель

Нагрев ступень 7

Включить седьмую ступень калорифера

DO

14

Нагреватель

Нагрев ступень 8

Включить восьмую ступень калорифера

DO

15

Нагреватель

Нагрев ступень 9

Включить девятую ступень калорифера

DO

16

Нагреватель

Нагрев ступень 10

Включить десятую ступень калорифера

DO

17

Нагреватель

Нагрев ступень 11

Включить одиннадцатую ступень калорифера

DO

18

Нагреватель

Нагрев ступень 12

Включить двенадцатую ступень калорифера

DO

19

Догрев

Догрев КЗР Откр

Открыть клапан теплообменника догрева

DO

20

Догрев

Догрев КЗР Закр

Закрыть клапан теплообменника догрева

DO

21

Догрев

Догрев насос

Включить насос в контуре теплообменника догрева

DO

22

Догрев

Догрев

Включить первую ступень калорифера догрева

DO

23

Охладитель

Охлаждение КЗР Откр

Открыть клапан охладителя

DO

24

Охладитель

Охлаждение КЗР Закр

Закрыть клапан охладителя

DO

25

Охладитель

ККБ ступень 1

Включить ККБ первую ступень

DO

26

Охладитель

ККБ ступень 2

Включить ККБ вторую ступень

DO

27

Увлажнитель

Увлажнитель

Включить увлажнитель

DO

28

Вентилятор

Вп 1

Включить приточный вентилятор

DO

29

Вентилятор

Вп 2

Включить второй приточный вентилятор

DO

30

Вентилятор

Вв

Включить вытяжной вентилятор

DO

31

Вентилятор

ВК Вп 1 Открыть

Открыть воздушный клапан первого вентилятора

DO

32

Вентилятор

ВК Вп 2 Открыть

Открыть воздушный клапан второго вентилятора

DO

33

Вентилятор

Вп 1 скорость 2

Включить скорость 2 первого приточного вентилятора

DO

34

Вентилятор

Вп 1 скорость 3

Включить скорость 3 первого приточного вентилятора

DO

35

Вентилятор

Вп 1 скорость 4

Включить скорость 4  первого приточного вентилятора

DO

36

Вентилятор

Вп 2 скорость 2

Включить скорость 2 второго приточного вентилятора

DO

37

Вентилятор

Вп 2 скорость 3

Включить скорость 3 второго приточного вентилятора

DO

38

Вентилятор

Вп 2 скорость 4

Включить скорость 4 второго приточного вентилятора

DO

39

Вентилятор

Вв скорость 2

Включить скорость 2 вытяжного вентилятора

DO

40

Вентилятор

Вв скорость 3

Включить скорость 3 вытяжного вентилятора

DO

41

Вентилятор

Вв скорость 4

Включить скорость 4 вытяжного вентилятора

DO

42

Рекуператор

Рекуператор

Включить элемент рекуператора: насос для гликолевого, привод для роторного, байпас для пластинчатого

DO

43

Рекуператор

ПН ступень 1

Включить предварительный нагрев воздуха перед рекуператором первую ступень

DO

44

Рекуператор

ПН ступень 2

Включить предварительный нагрев воздуха перед рекуператором вторую ступень

DO

45

Рекуператор

ПН ступень 3

Включить предварительный нагрев воздуха перед рекуператором третью ступень

AO

1

Нагреватель

Нагрев КЗР 

Сигнал 0…10 В для управления положением клапана водяного калорифера

AO

2

Нагреватель

Нагрев

Сигнал 0…10 В для управления мощностью первой ступени калорифера

AO

3

Догрев

Догрев КЗР

Сигнал 0…10 В для управления положением клапана водяного калорифера

AO

4

Охладитель

Охлаждение КЗР

Сигнал 0…10 В для управления положением клапана водяного охладителя

AO

5

Охладитель

Охлаждение

Сигнал 0…10 В для управления положением клапана фреонового  охладителя

AO

6

Вентилятор

Вп скорость

Сигнал 0…10 В для управления скоростью вентилятора

AO

7

Рекуператор

Мощность рекуперации

Cигнал 0…10 В для управления рекуператором

AO

8

Рециркуляция

% рециркуляции

Сигнал 0...10 В для управления положением воздушных клапанов притока, рециркуляции и вытяжки

Примечание
Если пользователем выбрана конфигурация, которая задействует более 8 дискретных входов/выходов или более 4 аналоговых входов, а модули расширения не подключены к прибору, то прибор зафиксирует обрыв связи с модулями и не запустит систему в работу до восстановления подключения с модулями.

Прибор распределяет выбранный пользователем функционал. Если какая-то из функций не выбрана пользователем, то назначение входа или выхода замещается следующей выбранной функцией в соответствии с таблицей выше.

После выбора нужных элементов следует записать значения параметров в прибор.

Настроенная конфигурация доступна из меню прибора (см. раздел).

Отслеживание параметров

В Конфигураторе можно просматривать изменение параметров в режиме реального времени.

Для отслеживания параметров следует:

  1. Нажать кнопку Graphic Отслеживание параметров.

  2. Появится окно со списком параметров.

    Graphic
    Окно отслеживания параметров

Загрузка конфигурации в прибор

Для загрузки конфигурации (измененных параметров) в прибор следует нажать кнопку Graphic Записать значения или щелкнуть правой кнопкой мыши на значке прибора и в появившемся меню выбрать пункт «Записать значения».

Graphic
Контекстное меню

Мастер настройки

Мастер настройки это плагин Конфигуратора, который позволяет быстро настроить прибор.

Примечание
Перед началом работы с Мастером настройки следует добавить прибор в Конфигуратор (см. раздел).

После нажатия кнопки Graphic на панели появляется окно:

Graphic
Выбор режима работы Мастера Настройки

Для начальной настройки прибора следует нажать кнопку Конфигурация.

Для настройки параметров следует нажать кнопку Настройка.

Режим Конфигурация

В режиме Конфигурации можно настроить вентустановку, выбрав ее тип и задав наличие и входных и выходных сигналов. Настройка представлена в виде последовательности окон, в которых нужно выбирать значения параметров.

В верхней части окна есть индикатор, который показывает статус подключения прибора.

Graphic
Индикатор состояния подключения к прибору

Если рядом с именем прибора светится зеленый индикатор, то прибор подключен к ПК и доступен для записи параметров. Если индикатор красный — нет.

Graphic
Окно настройки общих параметров установки

После настройки всех нужных параметров следует нажать кнопку Далее. Мастер настройки перейдет на другую вкладку.

Graphic
Шаг настройки вентсистемы

Предпоследнее окно демонстрирует результат настройки.

Graphic
Результат настройки

После нажатия кнопки Далее будет показано финишное окно.

Graphic
Пояснения к схеме подключения

Мастер показывает выделенные красным цветом комментарии с описанием необходимых подключений к прибору.

Для завершения настройки конфигурации следует нажать кнопку Финиш. Окно Мастера закроется, далее следует записать настроенные значения в прибор, нажав кнопку Graphic Записать значения.

Режим Настройка

В режиме Настройки можно задать параметры, определяющие работу вентустановки с подключенными датчиками и ИМ.

Graphic
Пример настройки параметров

Для завершения настройки параметров следует нажать кнопку Финиш. Окно Мастера закроется, далее следует записать настроенные значения в прибор, нажав кнопку Graphic Записать значения.

Эксплуатация

Режимы работы

Graphic
Режимы работы

После загрузки контроллер переходит в Дежурный режим. При первом запуске подается команда «Сброс аварий», пока не произойдет первый переход в режим Работа.

Перейти из Дежурного режима в режим Работа можно несколькими способами:

  • с Главного экрана переключить режимы (кнопка Graphic переключает Стоп / Старт);

  • подать команду на запуск по сети;

  • подать сигнал на вход, настроенный как Старт/Стоп.

Обратный переход производится аналогично или автоматически по расписанию при использовании недельных таймеров (см раздел).

Режим Работа предполагает выполнение таких действий, как:

  • Прогрев ВК — обогрев воздушной заслонки на время tпрогр ВКп;

  • Прогрев ТО — прогрев водяного калорифера нагрева;

  • Пад. Уставка — для безударного перехода в режим работы (только для алгоритмов с водяным калорифером нагрева);

  • Работа — поддержание температуры по уставкам

    ;
  • Продув — исключает случаи перегрева калорифера, если установки выключается (только для алгоритмов с электрическим калорифером);

  • РеПрог — прогрев рекуператора при его обмерзании.

Прибор переходит в режим Авария с любого режима, если возникает критическая авария (см. раздел). Обратный переход производится либо после устранения причины аварии, либо после подачи команды «Сброс Аварии».

Для подачи команды «Сброс Аварии» следует:

  1. Перейти в экран аварий нажав кнопку Graphic.

  2. Нажать кнопку Graphic.

  3. Кнопкой Graphic выбрать Сбросить.

  4. Нажать кнопку Graphic.

Выбранный режим сохраняется и после отключения питания.

Определение сезона

Graphic
Определение сезона

Работа прибора зависит от текущего сезона (см. рисунок): Зима или Лето. Определение сезона осуществляется следующими способами:

  • задается вручную (Меню/Настройки/02. Общие/06. Сезон/Способ определения сезона: Ручной) и параметра Задать сезон вручную (текущий сезон);

  • определяется автоматически (Меню/Настройки/02. Общие/06. Сезон/Способ определения сезона: Автоматический) в зависимости от температуры наружного воздуха Порог Тнар. соответствующий смене сезона с Лето на Зима (далее по тексту — Тзима/лето) в Меню/Настройки/2. Общие/6. Сезон.

Если режим задан вручную, то выбранное значение режима сохраняется после выключения питания.

В автоматическом режиме переключение в сезон Зима происходит, если температура наружного воздуха становится ниже заданного порога (см. рисунок).

Обратное переключение в сезон Лето происходит, когда температура наружного воздуха превысила заданный порог более, чем на Тзима/лето + Δлето, где Δлето = 3 °С. Δлето является нередактируемым параметром.

Если выбран режим Зима:

  • процедура прогрева водяного калорифера во время запуска вентсистемы будет активна независимо от наружной температуры;

  • насос в контуре водяного нагревателя включен;

  • нагрев разрешен;

  • рекуперация тепла разрешена;

  • увлажнение воздуха разрешено;

  • рециркуляция разрешена;

  • охлаждение запрещено.

Если выбран режим Лето:

  • насос в контуре нагревателя выключен;

  • нагрев запрещен;

  • рекуперация тепла запрещена;

  • увлажнение воздуха запрещено;

  • рециркуляция разрешена;

  • охлаждение разрешено.

Дежурный режим в летний период

В Дежурном режиме при сезоне Лето контроллер производит следующие действия:

  • все исполнительные механизмы выключены;

  • отслеживаются возможные аварийные ситуации.

Предупреждение
В летнем режиме работы прибор игнорирует состояние капиллярного термостата. Защита от обмерзания калорифера в летний период не предусмотрена.
Дежурный режим в зимний период
Водяной калорифер нагрева
Graphic
Дежурный режим в зимний период

В Дежурном режиме при сезоне Зима контроллер производит следующие действия:

  • для защиты от замораживания контролируется температура обратной воды:

    если текущая температура обратки снижается до НРГ (нижней рабочей границы), то клапан открывается на 100 %, прогревая калорифер. Если температура обратки достигает ВРГ (верхней рабочей границы), то клапан остается в открытом положении на время tпр.калор., затем полностью закрывается.

    • ВРГ = Тобр + Δобр

      ;
    • НРГ = Тобр – Δобр

      .

      Тобр вычисляется по графику, прописанному в Меню/Настройки/04. Нагрев/Водяной. График обратной воды (ВРГ).

      Параметр Допустимое отклонение температуры обратной воды задается в Меню/Настройки/04. Нагрев/Водяной. График обратной воды (ВРГ).

      Длительность прогрева калорифера задается Меню/Настройки/Нагрев параметр Длительность прогрева калорифера в дежурном режиме .

      Подробнее о функции контроля температуры обратной воды см. раздел.

  • заслонки и вентилятор выключены, насос циркуляции включен;

  • отслеживаются возможные аварийные ситуации.

Электрический калорифер нагрева

В Дежурном режиме при сезоне Зима контроллер производит следующие действия:

  • все исполнительные механизмы выключены;

  • отслеживаются возможные аварийные ситуации.

Запуск вентсистемы в летний период

Graphic
Запуск вентсистемы в летний период

После перевода контроллера в режим Работа открывается воздушная заслонка. Далее с задержкой tзап вент. запускается вентилятор приточного воздуха (Меню/Настройки/07. Вентилятор(ы)/Задержки включения).

Для алгоритмов с ККБ:

  • ККБ включается одновременно с открытием воздушной заслонки. Регулирование температуры происходит по датчику температуры в помещении (Тпом). Подробнее о работе ККБ см раздел.

Предупреждение
По умолчанию датчик температуры в помещении не включен в работу. Для его включения следует в Конфигураторе выбрать Логика/Конфигурация/Общее/Использовать Тпом: да. Без датчика в помещении алгоритм не запустится!

Для вентсистемы с водяным охладителем:

  • По истечении времени tзап вент контроллер начинает регулировать температуру воздуха путем открытия или закрытия клапана водяного охладителя. Регулирование температуры происходит по датчику температуры приточного воздуха (Тприт). Подробнее о работе водяного охладителя см. раздел.

Запуск вентсистемы в зимний период

Водяной калорифер зимой
Graphic
Запуск вентсистемы в зимний период

В Дежурном режиме при сезоне Зима контроллер производит следующие действия:

  1. После перевода контроллера в режим Работа включается обогрев воздушной заслонки навремя прогрева клапана. Заслонка считается прогретой.

  2. По истечении времени прогрева клапана контроллер включит прогрев калорифера. Клапан открывается на 100 %, прогревая калорифер до расчетной температуры ВРГ, далее включается задержка времени прогрева клапана.

  3. По истечении времени времени прогрева клапана открывается воздушная заслонка.

  4. С Задержкой запуска Вп запускается вентилятор приточного воздуха.

  5. После открытия воздушного клапана уставка температуры притока начинает плавно снижаться к номинальному значению (подробнее о режиме Падающей уставки см. раздел).

ВРГ = Тобр + Δобр

Тобр вычисляется по графику Меню/Настройки/04. Нагрев/Водяной. График обратной воды (ВРГ).

Допустимое отклонение Тобр (Δобр) задается в Меню/Настройки/04. Нагрев/Водяной. График обратной воды (ВРГ).

Электрический калорифер зимой
Graphic
Работа установки с электрокалорифером

При сезоне Зима контроллер выполняет действия:

  1. После перевода контроллера в режим Работа включается обогрев воздушной заслонки на время время прогрева клапана. Заслонка считается обогретой.

  2. По истечении времени прогрева клапана, включаются ТЭН калорифера нагрева.

  3. Одновременно со включением ТЭН открывается воздушная заслонка.

  4. С Задержкой запуска Вп запускается вентилятор приточного воздуха.

Если происходит останов вентустановки, то формируется задержка tпродув для отключения приточного вентилятора. Это позволяет снизить температуры ТЭН до безопасных значений. Приточный воздушный клапан закрывается по истечении собственной задержки на закрытие tзадерж.закр после момента отключения вентилятора.

Техническое обслуживание

Во время выполнения работ по техническому обслуживанию прибора следует соблюдать требования безопасности из раздела.

Техническое обслуживание прибора проводится не реже одного раза в 6 месяцев и включает следующие процедуры:

  • проверка крепления прибора;
  • проверка винтовых соединений;
  • удаление пыли и грязи с клеммника прибора.

Маркировка

На корпус прибора нанесены:

  • наименование прибора;
  • товарный знак предприятия-изготовителя;

  • степень защиты корпуса по ГОСТ 14254;
  • род питающего тока и напряжение питания;
  • потребляемая мощность;
  • маркировка класса защиты от поражения электрическим током по ГОСТ IEC 61131-2-2012;
  • единый знак обращения продукции на рынке Евразийского экономического союза;
  • страна-изготовитель;
  • заводской номер;
  • МАС-адрес;

  • QR-код, содержащий заводской номер прибора;

  • указания по монтажу;

  • месяц и год изготовления.

На потребительскую тару нанесены:

  • наименование прибора;
  • товарный знак предприятия-изготовителя;

  • единый знак обращения продукции на рынке Евразийского экономического союза;
  • почтовый адрес предприятия-изготовителя;

  • страна-изготовитель;
  • заводской номер;
  • штрих-код;

  • месяц и год изготовления.

Упаковка

Упаковка прибора производится в соответствии с ГОСТ 23088-80 в потребительскую тару, выполненную из коробочного картона по ГОСТ 7933-89.

Упаковка прибора при пересылке почтой производится по ГОСТ 9181-74.

Транспортирование и хранение

Прибор должен транспортироваться в закрытом транспорте любого вида. В транспортных средствах тара должна крепиться согласно правилам, действующим на соответствующих видах транспорта.

Транспортирование приборов в упаковке предприятия-изготовителя должно соответствовать следующим условиям:

  • температура окружающего воздуха от минус 40 до плюс 70 °С;

  • относительная влажность от 10 до 95 % без конденсации влаги;

  • атмосферное давление не менее 80 кПа (эквивалентно высоте 3000 м над уровнем моря)

Прибор следует перевозить в транспортной таре поштучно или в контейнерах с соблюдением мер защиты от ударов и вибраций.

Условия хранения в таре на складе изготовителя и потребителя должны соответствовать условиям 1 по ГОСТ 15150-69. В воздухе не должны присутствовать агрессивные примеси.

Прибор следует хранить на стеллажах.

Комплектность

НаименованиеКоличество
Прибор*1 шт.
Руководство по эксплуатации1 экз.
Паспорт и Гарантийный талон1 экз.

Комплект клеммных соединителей

1 к-т
Кабель для программирования1 шт.

* Исполнение в соответствии с заказом.

Примечание
Изготовитель оставляет за собой право внесения дополнений в комплектность прибора.

Гарантийные обязательства

Изготовитель гарантирует соответствие прибора требованиям ТУ при соблюдении условий эксплуатации, транспортирования, хранения и монтажа.

Гарантийный срок эксплуатации – 2 года со дня продажи.

В случае выхода прибора из строя в течение гарантийного срока при соблюдении условий эксплуатации, транспортирования, хранения и монтажа предприятие-изготовитель обязуется осуществить его бесплатный ремонт или замену.

Порядок передачи прибора в ремонт содержится в паспорте и в гарантийном талоне.

Протокол Modbus

Типы доступа: R - только чтение; RW - чтение/запись; W - только запись.

Основные форматы данных
Формат данныхКол-во регистровРазмерОписание
Bool1 битБитовая переменная
Unsigned 1612 байтаЦелое число без знака
Date time 3224 байтаДата/Время в секундах с 1 января 2000 г.
Специальные форматы данных
Формат данныхКол-во регистровРазмерОписание
Enum X11 байт

Описывает позицию выбранного параметра из списка доступных, например, тип датчика для дискретно-аналоговых входов

Float 3224 байт

Вещественный формат представления данных

Stringзависит от длиныСтроковый тип

Карта регистров Modbus
Карта регистров Modbus

Код параметра

Регистр (HEX)

Регистр (DEC)

Тип

Доступ

Имя переменной

Значения

Оперативные параметры

setfnRegTassp

0х4173

16755

Float 32

R

Текущая уставка Тприт

 

setfnHeatWTwrhwl

0х4175

16757

Float 32

R

Текущая уставка Тобр

 

setfnHeatWTwrlal

0х4177

16759

Float 32

R

Текущая аварийная уставка Тобр

 

setfnReHeatWTwrhwl

0х4179

16761

Float 32

R

Текущая уставка Тобр догрева

 

setfnReHeatWTwrlal

0х417B

16763

Float 32

R

Текущая аварийная уставка Тобр догрева

 

codeSys

0x4172

16754

Enum 9

R

Статус вентуставноки

0 – Дежурный режим

1 – Тест IO

2 – Работа

3 – Авария

4 – ПрогВК

5 – ПрогТО

6 – ПадУст

7 – Продув

8 – ПрогРек

cmdStart

0x418C

16780

Enum 2

R/W

Команда запуска/остановки вентсистемы

0 – Стоп

1 – Пуск

cmdResetAv

0x418D

16781

Enum 2

R/W

Команда сброса аварий

0 -----

1 – Сбросить

01.  Входы/выходы

Tas

0х4142

16706

Float 32

R

Аналоговый вход. Температура приточного воздуха (Тприт)

 

Tar

0х4144

16708

Float 32

R

Аналоговый вход. Температура воздуха в помещении (Тпом)

 

Tao

0х4146

16710

Float 32

R

Аналоговый вход. Температура наружного воздуха (Тнар)

 

HeatWtwr

0х4148

16712

Float 32

R

Аналоговый вход. Температура обратной воды (Тобр)

 

Filtrpds

0х414A

16714

Float 32

R

Аналоговый вход. Перепад давления на фильтре (PDS фильтр)

 

ReHeattas

0x414C

16716

Float 32

R

Аналоговый вход. Температура приточного воздуха после догрева (Тпри догрев)

 

ReHeatWtwr

0x414E

16718

Float 32

R

Аналоговый вход. Температура обратной воды догрева (Тобр догрев)

 

Hum

0x4150

16720

Float 32

R

Аналоговый вход. Влажность

 

Recupds

0x4152

16722

Float 32

R

Аналоговый вход. Перепад давления на рекуператоре (PDS Рекуператор)

 

Recutae

0x4154

16724

Float 32

R

Аналоговый вход. Температура уходящего воздуха (Твых)

 

HeatWpwr

0x415A

16730

Float 32

R

Аналоговый выход. Положение клапана водяного калорифера

 

HeatEpwr

0x415C

16732

Float 32

R

Аналоговый выход. Мощность первой ступени электрического калорифера

 

ReHeatWpwr

0x415E

16734

Float 32

R

Аналоговый выход. Положение клапана водяного калорифера догрева

 

CoolWpwr

0x4160

16736

Float 32

R

Аналоговый выход. Положение клапана водяного охладителя

 

CoolKKBpwr

0x4162

16738

Float 32

R

Аналоговый выход. Мощность фреонового  охладителя

 

Fanspeed

0x4164

16740

Float 32

R

Аналоговый выход. Скорость вентилятора

 

Recupwr

0x4166

16742

Float 32

R

Аналоговый выход. Производительность рекуператора

 

Recpwr

0x4168

16744

Float 32

R

Аналоговый выход.  Производительность рециркуляции

 

net_oa_Hum_pwr

0х416A

16746

Float 32

R

Аналоговый выход. Производительность увлажнителя

 

 

0x413C

16700

Unsigned 16

R

Битовая маска дискретных входов 1

-

ib_Fire

  0x413C.0

  16700.0

Bool

R

Дискретный датчик пожара

0 – Разомкнут

1 – Замкнут

ib_Start

  0x413C.1

  16700.1

Bool

R

Переключатель для ручного запуска/останова системы

0 – Разомкнут

1 – Замкнут

ib_Filtr_pds

  0x413C.2

  16700.2

Bool

R

Датчик перепада давления на воздушном фильтре

0 – Разомкнут

1 – Замкнут

ib_Damper_In_ls

  0x413C.3

  16700.3

Bool

R

Концевой выключатель воздушного клапана притока

0 – Разомкнут

1 – Замкнут

ib_Damper_Out_ls

  0x413C.4

  16700.4

Bool

R

Концевой выключатель воздушного клапана вытяжки

0 – Разомкнут

1 – Замкнут

ib_Heat_W_freeze

  0x413C.5

  16700.5

Bool

R

Капиллярный термостат для определения обмерзания калорифера

0 – Разомкнут

1 – Замкнут

ib_Heat_W_pumpFault

  0x413C.6

  16700.6

Bool

R

Дополнительный контакт автоматического выключателя насоса

0 – Разомкнут

1 – Замкнут

ib_Heat_E_overheat

  0x413C.7

  16700.7

Bool

R

Термостат для определения перегрева калорифера

0 – Разомкнут

1 – Замкнут

ib_ReHeat_W_freeze

  0x413C.8

  16700.8

Bool

R

Капиллярный термостат для определения обмерзания калорифера догрева

0 – Разомкнут

1 – Замкнут

ib_ReHeat_W_pumpFault

  0x413C.9

  16700.9

Bool

R

Дополнительный контакт автоматического выключателя насоса догрева

0 – Разомкнут

1 – Замкнут

ib_ReHeat_E_overheat

  0x413C.A

  16700.10

Bool

R

Термостат для определения перегрева калорифера догрева

0 – Разомкнут

1 – Замкнут

ib_Cool_KKB_fault

  0x413C.B

  16700.11

Bool

R

Доп. контакт автоматического выключателя ККБ

0 – Разомкнут

1 – Замкнут

ib_Hum_fault

  0x413C.C

  16700.12

Bool

R

Дополнительный контакт автоматического выключателя увлажнителя

0 – Разомкнут

1 – Замкнут

ib_Fan_In_1_pds

  0x413C.D

  16700.13

Bool

R

Датчик перепада давления воздуха на приточном вентиляторе

0 – Разомкнут

1 – Замкнут

ib_Fan_In_2_pds

  0x413C.E

  16700.14

Bool

R

Датчик перепада давления воздуха на втором приточном вентиляторе

0 – Разомкнут

1 – Замкнут

ib_Fan_In_1_ls

  0x413C.F

  16700.15

Bool

R

Концевой выключатель воздушного клапана первого вентилятора

0 – Разомкнут

1 – Замкнут

 

0x413D

16701

Unsigned 16

R

Битовая маска дискретных входов 2

-

ib_Fan_In_2_ls

  0x413D.0

  16701.0

Bool

R

Концевой выключатель воздушного клапана второго вентилятора

0 – Разомкнут

1 – Замкнут

ib_Fan_Out_pds

  0x413D.1

  16701.1

Bool

R

Датчик перепада давления воздуха на вытяжном вентиляторе

0 – Разомкнут

1 – Замкнут

ib_Recu_fault

  0x413D.2

  16701.2

Bool

R

Доп. контакт автоматического выключателя насоса (для гликолевого рекуператора)/электропривода (для роторного рекуператора)

0 – Разомкнут

1 – Замкнут

ib_Recu_pds

  0x413D.3

  16701.3

Bool

R

Датчик перепада давления воздуха на рекуператоре

0 – Разомкнут

1 – Замкнут

ib_Recu_PreHeat_overheat

  0x413D.4

  16701.4

Bool

R

Термостат для определения перегрева ТЭН предварительного нагрева

0 – Разомкнут

1 – Замкнут

 

0x413E

16702

Unsigned 16

R

Битовая маска дискретных выходов 1

-

ob_av_Gen

  0x413E.0

  16702.0

Bool

R

Включить лампу аварии

0 – Разомкнут

1 – Замкнут

ob_Damper_heat

  0x413E.1

  16702.1

Bool

R

Включить обогрев воздушного клапана

0 – Разомкнут

1 – Замкнут

ob_Damper_In_open

  0x413E.2

  16702.2

Bool

R

Открыть приточный воздушный клапан

0 – Разомкнут

1 – Замкнут

ob_Damper_Out_open

  0x413E.3

  16702.3

Bool

R

Открыть вытяжной воздушный клапан

0 – Разомкнут

1 – Замкнут

ob_Heat_W_open

  0x413E.4

  16702.4

Bool

R

Открыть клапан теплообменника (водяной нагрев)

0 – Разомкнут

1 – Замкнут

ob_Heat_W_close

  0x413E.5

  16702.5

Bool

R

Закрыть клапан теплообменника (водяной нагрев)

0 – Разомкнут

1 – Замкнут

ob_Heat_W_pumpOn

  0x413E.6

  16702.6

Bool

R

Включить насос в контуре теплообменника (водяной нагрев)

0 – Разомкнут

1 – Замкнут

ob_Heat_E_st2

  0x413E.7

  16702.7

Bool

R

Включить вторую ступень калорифера (электрический нагрев)

0 – Разомкнут

1 – Замкнут

ob_Heat_E_st3

  0x413E.8

  16702.8

Bool

R

Включить третью ступень калорифера (электрический нагрев)

0 – Разомкнут

1 – Замкнут

ob_Heat_E_st4

  0x413E.9

  16702.9

Bool

R

Включить четвертую ступень калорифера (электрический нагрев)

0 – Разомкнут

1 – Замкнут

ob_Heat_E_st5

  0x413E.A

  16702.10

Bool

R

Включить пятую ступень калорифера (электрический нагрев)

0 – Разомкнут

1 – Замкнут

ob_Heat_E_st6

  0x413E.B

  16702.11

Bool

R

Включить шестую ступень калорифера (электрический нагрев)

0 – Разомкнут

1 – Замкнут

ob_Heat_E_st7

  0x413E.C

  16702.12

Bool

R

Включить седьмую ступень калорифера (электрический нагрев)

0 – Разомкнут

1 – Замкнут

ob_Heat_E_st8

  0x413E.D

  16702.13

Bool

R

Включить восьмую ступень калорифера (электрический нагрев)

0 – Разомкнут

1 – Замкнут

ob_Heat_E_st9

  0x413E.E

  16702.14

Bool

R

Включить девятую ступень калорифера (электрический нагрев)

0 – Разомкнут

1 – Замкнут

ob_Heat_E_st10

  0x413E.F

  16702.15

Bool

R

Включить десятую ступень калорифера (электрический нагрев)

0 – Разомкнут

1 – Замкнут

 

0x413F

16703

Unsigned 16

R

Битовая маска дискретных выходов 2

-

ob_Heat_E_st11

  0x413F.0

  16703.0

Bool

R

Включить одиннадцатую ступень калорифера (электрический нагрев)

0 – Разомкнут

1 – Замкнут

ob_Heat_E_st12

  0x413F.1

  16703.1

Bool

R

Включить двенадцатую ступень калорифера (электрический нагрев)

0 – Разомкнут

1 – Замкнут

ob_ReHeat_W_open

  0x413F.2

  16703.2

Bool

R

Открыть клапан теплообменника догрева

0 – Разомкнут

1 – Замкнут

ob_ReHeat_W_close

  0x413F.3

  16703.3

Bool

R

Закрыть клапан теплообменника догрева

0 – Разомкнут

1 – Замкнут

ob_ReHeat_W_pumpOn

  0x413F.4

  16703.4

Bool

R

Включить насос в контуре теплообменника догрева

0 – Разомкнут

1 – Замкнут

ob_ReHeat_E_st1

  0x413F.5

  16703.5

Bool

R

Включить первую ступень калорифера догрева

0 – Разомкнут

1 – Замкнут

ob_Cool_W_open

  0x413F.6

  16703.6

Bool

R

Открыть клапан охладителя

0 – Разомкнут

1 – Замкнут

ob_Cool_W_close

  0x413F.7

  16703.7

Bool

R

Закрыть клапан охладителя

0 – Разомкнут

1 – Замкнут

ob_Cool_KKB_st1

  0x413F.8

  16703.8

Bool

R

Включить ККБ первую ступень

0 – Разомкнут

1 – Замкнут

ob_Cool_KKB_st2

  0x413F.9

  16703.9

Bool

R

Включить ККБ вторую ступень

0 – Разомкнут

1 – Замкнут

ob_Hum_on

  0x413F.A

  16703.10

Bool

R

Включить увлажнитель

0 – Разомкнут

1 – Замкнут

ob_Fan_In_1_on

  0x413F.B

  16703.11

Bool

R

Включить приточный вентилятор

0 – Разомкнут

1 – Замкнут

ob_Fan_In_2_on

0x413F.C

16703.12

Bool

R

Включить второй приточный вентилятор

0 – Разомкнут

1 – Замкнут

ob_Fan_Out_on

  0x413F.D

  16703.13

Bool

R

Включить вытяжной вентилятор

0 – Разомкнут

1 – Замкнут

ob_Fan_In_1_open

  0x413F.E

  16703.14

Bool

R

Открыть воздушный клапан первого вентилятора

0 – Разомкнут

1 – Замкнут

ob_Fan_In_2_open

  0x413F.F

  16703.15

Bool

R

Открыть воздушный клапан второго вентилятора

0 – Разомкнут

1 – Замкнут

 

0x4140

16704

Unsigned 16

R

Битовая маска дискретных выходов 3

-

ob_Fan_In_1_st2

  0x4140.0

  16704.0

Bool

R

Включить скорость 2 первого приточного вентилятора

0 – Разомкнут

1 – Замкнут

ob_Fan_In_1_st3

  0x4140.1

  16704.1

Bool

R

Включить скорость 3 первого приточного вентилятора

0 – Разомкнут

1 – Замкнут

ob_Fan_In_1_st4

  0x4140.2

  16704.2

Bool

R

Включить скорость 4 первого приточного вентилятора

0 – Разомкнут

1 – Замкнут

ob_Fan_In_2_st2

  0x4140.3

  16704.3

Bool

R

Включить скорость 2 второго приточного вентилятора

0 – Разомкнут

1 – Замкнут

ob_Fan_In_2_st3

  0x4140.4

  16704.4

Bool

R

Включить скорость 3 второго приточного вентилятора

0 – Разомкнут

1 – Замкнут

ob_Fan_In_2_st4

  0x4140.5

  16704.5

Bool

R

Включить скорость 4 второго приточного вентилятора

0 – Разомкнут

1 – Замкнут

ob_Fan_Out_st2

  0x4140.6

  16704.6

Bool

R

Включить скорость 2 вытяжного вентилятора

0 – Разомкнут

1 – Замкнут

ob_Fan_Out_st3

  0x4140.7

  16704.7

Bool

R

Включить скорость 3 вытяжного вентилятора

0 – Разомкнут

1 – Замкнут

ob_Fan_Out_st4

  0x4140.8

  16704.8

Bool

R

Включить скорость 4 вытяжного вентилятора

0 – Разомкнут

1 – Замкнут

ob_Recu_on

  0x4140.9

  16704.9

Bool

R

Включить элемент рекуператора: насос для гликолевого, привод для роторного, байпас для пластинчатого

0 – Разомкнут

1 – Замкнут

ob_Recu_PreHeat_st1

  0x4140.A

  16704.10

Bool

R

Включить предварительный нагрев воздуха перед рекуператором первую ступень

0 – Разомкнут

1 – Замкнут

ob_Recu_PreHeat_st2

  0x4140.B

  16704.11

Bool

R

Включить предварительный нагрев воздуха перед рекуператором вторую ступень

0 – Разомкнут

1 – Замкнут

ob_Recu_PreHeat_st3

  0x4140.C

  16704.12

Bool

R

Включить предварительный нагрев воздуха перед рекуператором третью ступень

0 – Разомкнут

1 – Замкнут

02.  Аварии

 

0x416E

16750

Unsigned 16

R

Битовая маска аварий 1

-

av_Tas_sens

  416E.0

  16750.0

Bool

R

Авария датчика Тприт

0 – Норма,

1 – Авария

av_Tar_sens

  416E.1

  16750.1

Bool

R

Авария датчика Тпом

0 – Норма,

1 – Авария

av_Tao_sens

  416E.2

  16750.2

Bool

R

Авария датчика Тнар

0 – Норма,

1 – Авария

av_ Heat_W_twr_sens

  416E.3

  16750.3

Bool

R

Авария датчика Тобр

0 – Норма,

1 – Авария

av_ Filtr_pds_sens

  416E.4

  16750.4

Bool

R

Датчик PDS фильтра

0 – Норма,

1 – Авария

av_ ReHeat_Tas_sens

  416E.5

  16750.5

Bool

R

Догрев. Датчик Тприт

0 – Норма,

1 – Авария

av_ ReHeat_W_twr_sens

  416E.6

  16750.6

bool

R

Догрев. Датчик Тобр

0 – Норма,

1 – Авария

av_ Hum_sens

  416E.7

  16750.7

Bool

R

Датчик влажности

0 – Норма,

1 – Авария

av_ Recu_pds_sens

  416E.8

  16750.8

Bool

R

Рекуператор. Датчик PDS

0 – Норма,

1 – Авария

av_ Recu_tae_sens

  416E.9

  16750.9

Bool

R

Авария датчика Твых

0 – Норма,

1 – Авария

av_ Fire

  416E.A

  16750.10

Bool

R

Пожар 

0 – Норма,

1 – Авария

av_ Filtr_Duty

  416E.B

  16750.11

Bool

R

Фильтр(ы) загрязнен(ы)

0 – Норма,

1 – Авария

av_ Damper_In

  416E.C

  16750.12

Bool

R

Воздушный клапан притока

0 – Норма,

1 – Авария

av_ Damper_Out

  416E.D

  16750.13

Bool

R

Воздушный клапан вытяжки

0 – Норма,

1 – Авария

av_ Heat_W_pump

  416E.E

  16750.14

Bool

R

Нагрев. Насос.

0 – Норма,

1 – Авария

av_ Heat_W_freezeT

  416E.F

  16750.15

Bool

R

Нагрев. Угроза заморозки по ТС

0 – Норма,

1 – Авария

 

0x416F

16751

Unsigned 16

R

Битовая маска аварий 2

-

av_ Heat_W_freezeW

  0x416F.0

  16751.0

Bool

R

Нагрев. Угроза заморозки по воде

0 – Норма,

1 – Авария

av_ Heat_W_3res

  0x416F.1

  16751.1

Bool

R

Нагрев. 3 перезапуска

0 – Норма,

1 – Авария

av_ Heat_W_notHeat

  0x416F.2

  16751.2

Bool

R

Нагрев. Не прогреть

0 – Норма,

1 – Авария

av_ Heat_E_overheat

  0x416F.3

  16751.3

Bool

R

Нагрев.Перегрев

0 – Норма,

1 – Авария

av_Cool_F_kkb

  0x416F.4

  16751.4

Bool

R

ККБ

0 – Норма,

1 – Авария

av_Hum

  0x416F.5

  16751.5

Bool

R

Увлажнитель

0 – Норма,

1 – Авария

av_Recu_fault

  0x416F.6

  16751.6

Bool

R

Рекуператор

0 – Норма,

1 – Авария

av_Recu_defrost

  0x416F.7

  16751.7

Bool

R

Рекуператор обмерзание

0 – Норма,

1 – Авария

av_Recu_PreHeat

  0x416F.8

  16751.8

Bool

R

Рекуператор. Преднагрев

0 – Норма,

1 – Авария

av_ReHeat_W_pump

  0x416F.9

  16751.9

Bool

R

Догрев. Насос

0 – Норма,

1 – Авария

av_ReHeat_W_freezeT

  0x416F.A

  16751.10

Bool

R

Догрев. Угроза заморозки по ТС

0 – Норма,

1 – Авария

av_ReHeat_W_freezeW

  0x416F.B

  16751.11

Bool

R

Догрев. Угроза заморозки по воде

0 – Норма,

1 – Авария

av_ReHeat_W_notHeat

  0x416F.C

  16751.12

Bool

R

Догрев. Не прогреть

0 – Норма,

1 – Авария

av_ReHeat_E_overheat

  0x416F.D

  16751.13

Bool

R

Догрев. Перегрев

0 – Норма,

1 – Авария

av_Fan_In_1

  0x416F.E

  16751.14

Bool

R

Вп1

0 – Норма,

1 – Авария

av_Fan_In_2

  0x416F.F

  16751.15

Bool

R

Вп2

0 – Норма,

1 – Авария

 

0x4170

16752

Unsigned 16

R

Битовая маска аварий 3

-

av_Fan_In_noWork

  0x4170.0

  16752.0

Bool

R

Все вентиляторы притока

0 – Норма,

1 – Авария

av_Fan_In_1_damp

  0x4170.1

  16752.1

Bool

R

ВК Вп1

0 – Норма,

1 – Авария

av_Fan_In_2_damp

  0x4170.2

  16752.2

Bool

R

ВК Вп2

0 – Норма,

1 – Авария

av_Fan_Out

  0x4170.3

  16752.3

Bool

R

Вентилятор вытяжной

0 – Норма,

1 – Авария

av_Prm1_conn

  0x4170.8

  16752.8

Bool

R

Нет связи ПРМ-1

0 – Норма,

1 – Авария

av_Prm2_conn

  0x4170.9

  16752.9

Bool

R

Нет связи ПРМ-2

0 – Норма,

1 – Авария

av_Mx_8DI_conn

  0x4170.A

  16752.10

Bool

R

Нет связи МВ110-8Д

0 – Норма,

1 – Авария

av_Mx_2AI_conn

  0x4170.B

  16752.11

Bool

R

Нет связи МВ110-8А

0 – Норма,

1 – Авария

av_Mx_16DO_conn

  0x4170.C

  16752.12

Bool

R

Нет связи МУ110-16Р

0 – Норма,

1 – Авария

av_Mx_32DO_conn

  0x4170.D

  16752.13

Bool

R

Нет связи МУ110-32Р

0 – Норма,

1 – Авария

av_Mx_6AO_conn

  0x4170.E

  16752.14

Bool

R

Нет связи МУ110-6У

0 – Норма,

1 – Авария

03.  Наработка

FanIn1tgn

0х4182

16770

Unsigned 16

R

Время наработки приточного вентилятора

 

FanIn2tgn

0х4183

16771

Unsigned 16

R

Время наработки второго приточного вентилятора

 

FanOuttgn

0х4184

16772

Unsigned 16

R

Время наработки вытяжного вентилятора

 

HeatWpumptgn

0х4185

16773

Unsigned 16

R

Время наработки насоса в контуре теплообменника

 

ReHeatWpumptgn

0х4186

16774

Unsigned 16

R

Время наработки насоса в контуре теплообменника догрева

 

net_reset_TGN

 

0х4187

16775

Enum 7

R/W

Сброс времени наработки

0 – нет

1 – Приточного вентилятора

2 – 2-го приточного вентилятора

3 – Вытяжного вентилятора

4 – Насоса нагрева

5 – Насоса догрева

6 – Всех

Конфигурация
01.  Общее

f

0х4000

16384

Enum 2

R/W

Наличие кнопки запуска

0 – нет

1 – есть (по умолчанию)

OptiontypeFiltr

0х4001

16385

Enum 3

R/W

Контроль фильтра

0 – нет

1 – по дискретному PDS (по умолчанию)

2 – по аналоговому PDS

OptioninOut

0х4002

16386

Enum 3

R/W

Тип системы

0- Приточная (по умолчанию)

1- Вытяжная

2- Приточно-вытяжная

OptionisTao

0х4003

16387

Enum 2

R/W

Использовать Тнар

0- Нет

1- Да (по умолчанию)

OptionisTao

0х4004

16388

Enum 2

R/W

Использовать Тпом

0- Нет

1- Да (по умолчанию)

02.  Воздушный клапан

Damperheat

0х4005

16389

Enum 3

R/W

Обогрев

0- Отсутствует

1- Периметральный

2- ТЭН (по умолчанию)

DampertypeOut

0х4006

16390

Enum 2

R/W

Открытие. Управление

0- Нет

1- Да, индивидуальное (по умолчанию)

DamperisLS

0х4007

16391

Enum 2

R/W

Открытие. Наличие концевиков

0- Нет

1- Есть (по умолчанию)

03.  Нагрев

Heattype

0х4008

16392

Enum 3

R/W

Тип нагревателя

0- Отсутствует

1- Водяной (по умолчанию)

2- Электрический

HeatWtypeOut

0х4009

16393

Enum 2

R/W

Водяной. Тип управления

0- Дискретное

1- Аналоговое (по умолчанию)

HeatEtypeOut

0х400A

16394

Enum 2

R/W

Электрический. Тип управления первой ступенью

0- Аналоговое (по умолчанию)

1- ШИМ

HeatEcountSt

 

0x400B

16395

Unsigned 16

R/W

Электрический. Количество ступеней

1..12

04.  Догрев

ReHeattype

0x400C

16396

Enum 3

R/W

Тип нагревателя

0- Отсутствует (по умолчанию)

1- Водяной

2- Электрический

ReHeatWtypeOut

0x400D

16397

Enum 2

R/W

Водяной. Тип управления

0- Дискретное

1- Аналоговое (по умолчанию)

05.  Охлаждение

Cooltype

0x400E

16398

Enum 3

R/W

Тип охладителя

0- Отсутствует (по умолчанию)

1- Водяной

2- Фреоновый

CoolWtypeOut

0x400F

16399

Enum 2

R/W

Водяное. Тип управления

0- Дискретное

1- Аналоговое (по умолчанию)

CoolFtypeOut

0x4010

16400

Enum 3

R/W

Фреоновое. Тип управления

0- Плавное

1- 1 ступень (по умолчанию)

2- 2 ступени

Cool_mode

0x4019

16409

Enum 2

R/W

Режим работы

0 – Охлаждение (по умолчанию)

1 - Осушение

06.  Увлажнение

Humtype

0x4011

16401

Enum 3

R/W

Наличие увлажнителя

0- Отсутствует (по умолчанию)

1- Дискретный

2 - Аналоговый

07.  Вентилятор(ы)

FanisReserv

0x4012

16402

Enum 2

R/W

Наличие резерва на притоке

0- Нет (по умолчанию)

1- Есть

FanSpeedtypeOut

0x4013

16403

Enum 3

R/W

Управление скоростью

0- Отсутствует (по умолчанию)

1- Аналоговое

2- Дискретное

FanSpeedcountSt

0x4014

16404

Unsigned 16

R/W

Количество дискретных скоростей

2...4

08.  Рекуперация

Recutype

0х4015

16405

Enum 4

R/W

Тип рекуператора

0- Отсутствует (по умолчанию)

1- Пластинчатый

2- Роторный

3- Гликолевый

RecutypeFrostDetect

0х4016

16406

Enum 3

R/W

Определение обмерзания

0- По дискретному PDS (по умолчанию)

1- По аналоговому PDS

2- По Твых и дискретному PDS

RecuPreHeatcountSt

 

0х4017

16407

Unsigned 16

R/W

Количество ступеней преднагрева

0...3

09.  Рециркуляция

Rectype

0х4018

16408

Enum 2

R/W

Наличие рециркуляции

0- Нет (по умолчанию)

1- Есть

Настройки
Входы/выходы

SensTascorr

0х4024

16420

Float 32

R/W

Входы. Корректировка измеренного значения  Тприт

-100..100

SensTarcorr

0х4026

16422

Float 32

R/W

Входы. Корректировка измеренного значения  Тпом

-100..100

SensTaocorr

0х4028

16424

Float 32

R/W

Входы. Корректировка измеренного значения  Тнар

-100..100

SensTwrcorr

0х402A

16426

Float 32

R/W

Входы. Корректировка измеренного значения  Тобр

-100..100

SensReHeatTasCorr

0x402C

16428

Float 32

R/W

Входы. Корректировка измеренного значения  Тприт (Догрев)

-100..100

SensReHeatTwrcorr

0x402E

16430

Float 32

R/W

Входы. Корректировка измеренного значения  Тобр (Догрев)

-100..100

SensTaecorr

0х4030

16432

Float 32

R/W

Входы. Корректировка измеренного значения  Твых

-100..100

AOHeatWminV

0х4032

16434

Float 32

R/W

Выходы. Напряжение при "Нагрев КЗР"=0%  (0, 0.5, 2 В)

0..2

AOReHeatWminV

0х4034

16436

Float 32

R/W

Выходы. Напряжение при "Догрев КЗР"=0%  (0, 0.5, 2 В)

0..2

AOCoolWminV

0х4036

16438

Float 32

R/W

Выходы. Напряжение при "Охлаждение КЗР"=0%  (0, 0.5, 2 В)

0..2

AOHeatWmmt(s)

0х4039

16441

Float 32

R/W

Выходы. Минимальное время хода задвижки "Нагрев КЗР", в секундах

0,1..60

AOReHeatWmmt(s)

0х403C

16444

Float 32

R/W

Выходы. Минимальное время хода задвижки "Догрев КЗР", в секундах

0,1..60

AOCoolWmmt(s)

0x403F

16447

Float 32

R/W

Выходы. Минимальное время хода задвижки "Охлаждение КЗР", в секундах

0,1..60

AOHeatWfmt(s)

0х4038

16440

Unsigned 16

R/W

Выходы. Полное время хода задвижки "Нагрев КЗР", в секундах

1..600

AOReHeatWfmt(s)

0х403B

16443

Unsigned 16

R/W

Выходы. Полное время хода задвижки "Догрев КЗР", в секундах

1..600

AOCoolWfmt(s)

0x403E

16446

Unsigned 16

R/W

Выходы. Полное время хода задвижки "Охлаждение КЗР", в секундах

1..600

AOHeatEPWM(s)

0x4041

16449

Unsigned 16

R/W

Выходы. Период ШИМ, в секундах

1..60

Общее
01.  Смена 1

T1use

0х405B

16475

Enum 2

R/W

Включить недельные таймеры

0- Отключен (по умолчанию)

1- Включен

T1dayWork

0x405C

16476

Enum 5

R/W

Выставить дни работы

0- Все

1- Понедельник-Пятница (по умолчанию)

2- Суббота-Воскресенье

3- Понедельник, Среда, Пятница

4- Вторник, Четверг, Суббота

T1timeOn(hh)

0x405D

16477

Unsigned 16

R/W

Время включения вентустановки, часы

0..23

T1timeOn(mm)

0x405E

16478

Unsigned 16

R/W

Время включения вентустановки, минуты

0..59

T1timeOff(hh)

0x405F

16479

Unsigned 16

R/W

Время выключения вентустановки, часы

0..23

T1timeOff(mm)

0x4060

16480

Unsigned 16

R/W

Время выключения вентустановки, минуты

0..59

02.  Смена 2

T2use

0х4061

16481

Enum 2

R/W

Включить недельные таймеры

0- Отключен (по умолчанию)

1- Включен

T2dayWork

0х4062

16482

Enum 5

R/W

Выставить дни работы

0- Все

1- Понедельник-Пятница (по умолчанию)

2- Суббота-Воскресенье

3- Понедельник, Среда, Пятница

4- Вторник, Четверг, Суббота

T2timeOn(hh)

0х4063

16483

Unsigned 16

R/W

Время включения вентустановки, часы

0..23

T2timeOn(mm)

0х4064

16484

Unsigned 16

R/W

Время включения вентустановки, минуты

0..59

T2timeOff(hh)

0х4065

16485

Unsigned 16

R/W

Время выключения вентустановки, часы

0..23

T2timeOff(mm)

0х4066

16486

Unsigned 16

R/W

Время выключения вентустановки, минуты

0..59

03.  Смена 3

T3use

0х4067

16487

Enum 2

R/W

Включить недельные таймеры

0- Отключен (по умолчанию)

1- Включен

T3dayWork

0х4068

16488

Enum 5

R/W

Выставить дни работы

0- Все

1- Понедельник-Пятница (по умолчанию)

2- Суббота-Воскресенье

3- Понедельник, Среда, Пятница

4- Вторник, Четверг, Суббота

T3timeOn(hh)

0х4069

16489

Unsigned 16

R/W

Время включения вентустановки, часы

0..23

T3timeOn(mm)

0x406A

16490

Unsigned 16

R/W

Время включения вентустановки, минуты

0..59

T3timeOff(hh)

0x406B

16491

Unsigned 16

R/W

Время выключения вентустановки, часы

0..23

T3timeOff(mm)

0x406C

16492

Unsigned 16

R/W

Время выключения вентустановки, минуты

0..59

04.  Смена 4

T4use

0х406D

16493

Enum 2

R/W

Включить недельные таймеры

0- Отключен (по умолчанию)

1- Включен

T4dayWork

0x406E

16494

Enum 5

R/W

Выставить дни работы

0- Все

1- Понедельник-Пятница (по умолчанию)

2- Суббота-Воскресенье

3- Понедельник, Среда, Пятница

4- Вторник, Четверг, Суббота

T4timeOn(hh)

0x406F

16495

Unsigned 16

R/W

Время включения вентустановки, часы

0..23

T4timeOn(mm)

0х4070

16496

Unsigned 16

R/W

Время включения вентустановки, минуты

0..59

T4timeOff(hh)

0х4071

16497

Unsigned 16

R/W

Время выключения вентустановки, часы

0..23

T4timeOff(mm)

0х4072

16498

Unsigned 16

R/W

Время выключения вентустановки, минуты

0..59

05.  День/Ночь

TDNuse

0х4073

16499

Enum 2

R/W

Функция изменения уставки Тприт в ночное время суток

0- Отключена (по умолчанию)

1- Включена

TDNtimeOn(hh)

0х4074

16500

Unsigned 16

R/W

Время наступления "ночи", часы

0..23

TDNtimeOn(mm)

0х4075

16501

Unsigned 16

R/W

Время наступления "ночи", минуты

0..59

TDNtimeOff(hh)

0х4076

16502

Unsigned 16

R/W

Время наступления "дня", часы

0..23

TDNtimeOff(mm)

0х4077

16503

Unsigned 16

R/W

Время наступления "дня", минуты

0..59

06.  Сезон

WinterchangeMode

0х4078

16504

Enum 2

R/W

Способ определения сезона

0- По Тнар (по умолчанию)

1- Ручной

Winteris

0х4079

16505

Enum 2

R/W

Задать сезон вручную (текущий сезон)

0- Лето

1- Зима (по умолчанию)

Wintersp

0х407A

16506

Unsigned 16

R/W

Порог Тнар, соответствующий смене сезона с "Лето" на "Зима"

0..99

07.  Уставки

RegTassp

0х404D

16461

Float 32

R/W

Уставка Тприт

0..99

RegTasdz

0x404F

16463

Float 32

R/W

Зона нечувствительности Тприт

0..9

RegTasspNight

0x4051

16465

Float 32

R/W

Уставка Тприт в ночной время суток

0..99

RegTarsp

0x4053

16467

Float 32

R/W

Уставка Тпом

0..99

RegReHeatTassp

0x4055

16469

Float 32

R/W

Уставка Тприт (Догрев)

0..99

RegReHeatTasdz

0x4057

16471

Float 32

R/W

Зона нечувствительности Тприт (Догрев)

0..9

RegHumsp

0x4059

16473

Float 32

R/W

Уставка влажности, в %

30..80

FiltrHAL

0x404C

16460

Unsigned 16

R/W

Порог засорения фильтра, %

10..100

Воздушный клапан

DampertimeHeat(s)

0x4083

16515

Unsigned 16

R/W

Время прогрева клапана, в секундах

0..900

DampertimeOpen(s)

0x4084

16516

Unsigned 16

R/W

Время открытия клапана, в секундах

0..900

DamperdelayToClose(s)

0x4085

16517

Unsigned 16

R/W

Время задержки перед закрытием воздушного клапана, в секундах

0..900

Нагрев

HeatPIDkp

0x4088

16520

Float 32

R/W

Пропорциональный коэффициент ПИ-регулятора

0..9999

HeatPIDti

0x408A

16522

Unsigned 16

R/W

Время интегрирования ПИ-регулятора, в секундах

0..9999

Водяной

HeatWFallsp

0x408B

16523

Unsigned 16

R/W

Уставка падения температуры приточного воздуха

0..200

HeatWFallduratin(s)

0x408C

16524

Unsigned 16

R/W

Длительность падения уставки приточного воздуха, в секундах

2..600

HeatWduratinHeatInRun(s)

0x408D

16525

Unsigned 16

R/W

Длительность прогрева калорифера перед стартом, в секундах

0..6000

HeatWduratinHeatInStop(s)

0x408E

16526

Unsigned 16

R/W

Длительность прогрева калорифера в дежурном режиме, в секундах

0..6000

HeatWduratinHeatMax(m)

0x408F

16527

Unsigned 16

R/W

Максимально допустимая длительность прогрева калорифера, в минутах

1..1200

HeatWduratinHeatInFreeze(s)

0х4090

16528

Unsigned 16

R/W

Длительность прогрева калорифера после аварии по угрозе замерзания, в секундах

0..6000

HeatWavMonitoringTime(m)

0х4091

16529

Unsigned 16

R/W

Время мониторинга трех перезапусков на прогрев калорифера, в минутах (0- функция отключена)

0..6000

HeatWavReactionFreezes

0х4092

16530

Enum 2

R/W

Реакция прибора на 3 аварии по замерзанию

0- Дежурный режим (по умолчанию)

1- Открыть КЗР

HeatWPumpRuntimeInStop(D)

0х4093

16531

Unsigned 16

R/W

Время простоя насоса до прогона, в днях

1..300

HeatWPumpRuntimeRun(s)

0х4094

16532

Unsigned 16

R/W

Время прогона насоса, в секундах (0- функция прогона отключена)

0..300

Водяной. График обратной воды (ВРГ)

HeatWGraffx1

0х4096

16534

Float 32

R/W

Температура наружного воздуха, точка №1

-60..60

HeatWGraffx2

0х4098

16536

Float 32

R/W

Температура наружного воздуха, точка №2

-60..60

HeatWGraffx3

0х409A

16538

Float 32

R/W

Температура наружного воздуха, точка №3

-60..60

HeatWGraffx4

0х409C

16540

Float 32

R/W

Температура наружного воздуха, точка №4

-60..60

HeatWGraffMy1

0х409E

16542

Float 32

R/W

Температура обратной воды, точка №1

0..150

HeatWGraffMy2

0х40A0

16544

Float 32

R/W

Температура обратной воды, точка №2

0..150

HeatWGraffMy3

0х40A2

16546

Float 32

R/W

Температура обратной воды, точка №3

0..150

HeatWGraffMy4

0х40A4

16548

Float 32

R/W

Температура обратной воды, точка №4

0..150

HeatWTwrkp

0х40A8

16552

Float 32

R/W

Коэффициент влияния перегрева обратной воды на уставку температуры приточного воздуха

0..9

HeatWTwrhwl

0х40A6

16550

Float 32

R/W

Рабочая температура обратной воды

0..150

HeatWGraffcount

0х4095

16533

Unsigned 16

R/W

Количество точек графика

2..4

HeatWTwrdelt

0х40AA

16554

Unsigned 16

R/W

Допустимое отклонение температуры обратной воды

0..20

Водяной. График обратной воды аварийный (НАГ)

HeatWTwrlal

0х40BC

16572

Float 32

R/W

Аварийная температура обратной воды

0..100

HeatWGraffMx1

0х40AC

16556

Float 32

R/W

Температура наружного воздуха, точка №1

-60..60

HeatWGraffMx2

0х40AE

16558

Float 32

R/W

Температура наружного воздуха, точка №2

-60..60

HeatWGraffMx3

0х40B0

16560

Float 32

R/W

Температура наружного воздуха, точка №3

-60..60

HeatWGraffMx4

0х40B2

16562

Float 32

R/W

Температура наружного воздуха, точка №4

-60..60

HeatWGraffMy1

0х40B4

16564

Float 32

R/W

Температура обратной воды, точка №1

0..100

HeatWGraffMy2

0х40B6

16566

Float 32

R/W

Температура обратной воды, точка №2

0..100

HeatWGraffMy3

0х40B8

16568

Float 32

R/W

Температура обратной воды, точка №3

0..100

HeatWGraffMy4

0х40BA

16570

Float 32

R/W

Температура обратной воды, точка №4

0..100

HeatWGraffMcount

0х40AB

16555

Unsigned 16

R/W

Количество точек графика

2..4

Электрический

HeatEdelayFanOff(s)

0x40BE

16574

Unsigned 16

R/W

Время продува электрического нагревателя после выключения, в секундах

0...6000

HeatETashal

0x40BF

16575

Unsigned 16

R/W

Максимально допустимая температура приточного воздуха

0..200

Догрев
Водяной

ReHeatWPIDkp

0х40CE

16590

Float 32

R/W

Пропорциональный коэффициент ПИ-регулятора

0..9999

ReHeatWPIDti

0х40D0

16592

Unsigned 16

R/W

Время интегрирования ПИ-регулятора, в секундах

0..9999

ReHeatWFallsp

0х40D1

16593

Unsigned 16

R/W

Уставка падения температуры приточного воздуха

0..200

ReHeatWTwrhwl

0х40D3

16595

Float 32

R/W

Рабочая температура обратной воды

0..150

ReHeatWFallduratin(s)

0х40D2

16594

Unsigned 16

R/W

Длительность падения уставки приточного воздуха, в секундах

2..600

ReHeatWduratinHeatInRun(s)

0х40D5

16597

Unsigned 16

R/W

Длительность прогрева калорифера перед стартом, в секундах

0..6000

ReHeatWduratinHeatInStop(s)

0х40D6

16598

Unsigned 16

R/W

Длительность прогрева калорифера в дежурном режиме, в секундах

0..6000

ReHeatWduratinHeatMax(m)

0х40D7

16599

Unsigned 16

R/W

Максимально допустимая длительность прогрева калорифера, в минутах

1..1200

ReHeatWduratinHeatInFreeze(s)

0х40D8

16600

Unsigned 16

R/W

Длительность прогрева калорифера после аварии по угрозе замерзания, в секундах

0..6000

ReHeatWTwrlal

0х40D9

16601

Float 32

R/W

Аварийная температура обратной воды

0..100

Электрический

ReHeatEdelayFanOff(s)

0х40DB

16603

Unsigned 16

R/W

Время продува электрического нагревателя после выключения, в секундах

0..6000

ReHeatETashal

0х40DC

16604

Unsigned 16

R/W

Максимально допустимая температура приточного воздуха

0..200

Охлаждение

CoolPIDkp

0х40E2

16610

Float 32

R/W

Пропорциональный коэффициент ПИ-регулятора

0..9999

CoolPIDti

0х40E4

16612

Unsigned 16

R/W

Время интегрирования ПИ-регулятора, в секундах

0..9999

CoolpwrSt1

0х40E5

16613

Unsigned 16

R/W

Фреоновое. Мощность включения 1й ступени

0..100

CoolpwrSt2

0х40E6

16614

Unsigned 16

R/W

Фреоновое. Мощность включения 2й ступени

0..100

CoolresetAvMode

0х40E7

16615

Enum 2

R/W

Фреоновое. Способ сброса аварии «ККБ»

0- Ручной (по умолчанию)

1- Авто

Вентилятор(ы)

FanIndelayOn(s)

0х40EC

16620

Unsigned 16

R/W

Время задержки запуска  приточного вентилятора после подачи команы на открытие ВК, в секундах

0..900

FanOutdelayOn(s)

0х40ED

16621

Unsigned 16

R/W

Время задержки запуска  вытяжного вентилятора после подачи команы на открытие ВК, в секундах

0..900

FanstopTime(s)

0х40EF

16623

Unsigned 16

R/W

Время остановки вентилятора, в секундах (0- функция контроля остановки отключена)

0..600

FanstartTime(s)

0х40EE

16622

Unsigned 16

R/W

Время разгона вентилятора, в секундах

2..600

Fanfiltr(s)

0х40F0

16624

Unsigned 16

R/W

Время фильтрации сигнала PDS, в секундах

0..60

01.  Вентилятор(ы). Резерв

Fanmode1

0х40F1

16625

Enum 3

R/W

Режим работы Вп1

0- Отключен

1- Основной (по умолчанию)

2- Резерв

Fanmode2

0x40F2

16626

Enum 3

R/W

Режим работы Вп2

0- Отключен

1- Основной

2- Резерв (по умолчанию)

FandampOp(s)

0x40F3

16627

Unsigned 16

R/W

Время открытия клапанов ВКп В1 и ВКп В2, в секундах (0- контроль отключен)

0..900

Fanwork(h)

0x40F4

16628

Unsigned 16

R/W

Время, по истечении которого вентиляторы будут сменять друг друга, в часах

1..240

02.  Вентилятор(ы). Скорость

FanSpeedReduceuse

0x40F5

16629

Enum 2

R/W

Функция снижения скорости вентилятора при нехватке мощности нагревателя

0- Отключена (по умолчанию)

1- Включена

FanSpeedReducedelay(m)

0x40F6

16630

Unsigned 16

R/W

Период снижения скорости вентилятора, в минутах

1..99

FanSpeedReducelwl

0x40F7

16631

Unsigned 16

R/W

Нижний порог значения скорости, %

10..100

FanSpeedReducestep

0x40F8

16632

Unsigned 16

R/W

Шаг снижения скорости, %

1..10

FanSpeedmode

0x40F9

16633

Enum 2

R/W

Режим задания скорости вентилятора

0- По сменам

1- Вручную (по умолчанию)

FanSpeedpwrMan

0x40FA

16634

Unsigned 16

R/W

Скорость вентилятора при ручном режиме управления, %

25..100

FanSpeedpwrT1

0x40FB

16635

Unsigned 16

R/W

Скорость вентилятора во время работы Смены 1, %

25..100

FanSpeedpwrT2

0x40FC

16636

Unsigned 16

R/W

Скорость вентилятора во время работы Смены 2, %

25..100

FanSpeedpwrT3

0x40FD

16637

Unsigned 16

R/W

Скорость вентилятора во время работы Смены 3, %

25..100

FanSpeedpwrT4

0x40FE

16638

Unsigned 16

R/W

Скорость вентилятора во время работы Смены 4, %

25..100

Рекуператор

RecuPIDkp

0x410A

16650

Float 32

R/W

Пропорциональный коэффициент ПИ-регулятора

0..9999

RecuPIDti

0x410C

16652

Unsigned 16

R/W

Время интегрирования ПИ-регулятора, в секундах

10..9999

RecupwrMin

0x410D

16653

Unsigned 16

R/W

Минимальная производительность рекуператора, %

0..100

RecupwrMax

0x410E

16654

Unsigned 16

R/W

Максимальная производительность рекуператора, %

0..100

RecuneedMode

0х410F

16655

Enum 2

R/W

Определение целесообразности рекуперации

0 - Только на нагрев (по умолчанию)

1 - На нагрев и на охлаждение

01.  Рекуператор. Обмерзание

RecuTaesp

0x4112

16658

Float 32

R/W

Пороговое значение Твых

1..20

RecuLimitPIDkp

0x4116

16662

Float 32

R/W

Пропорциональный коэффициент ПИ-регулятора ограничителя

0..999

RecuPdssp

0x4114

16660

Float 32

R/W

Пороговое значение PDS, в %

0..50

RecuavReactionFeeze

0х4110

16656

Enum 4

R/W

Реакция на обмерзание

0- Снижение производительности до мин

1- Включение преднагрева (по умолчанию)

2- Выключение притока

3- Переход в дежурный режим и выставление флага аварии

RecutimeDefrostMax(m)

0x4111

16657

Unsigned 16

R/W

Максимальное время размораживания рекуператора, в минутах

0..9999

RecuLimitPIDti

0x4118

16664

Unsigned 16

R/W

Время интегрирования ПИ-регулятора ограничителя, в секундах

10..9999

02.  Рекуператор. Преднагрев

RecuPreHeattao1

0x4119

16665

Float 32

R/W

Порог включения преднагрева Ст1

-60..60

RecuPreHeattao2

0x411B

16667

Float 32

R/W

Порог включения преднагрева Ст2

-60..60

RecuPreHeattao3

0x411D

16669

Float 32

R/W

Порог включения преднагрева Ст3

-60..60

Рециркуляция

RecPIDkp

0х4128

16680

Float 32

R/W

Пропорциональный коэффициент ПИ-регулятора

0..9999

RecPIDti

0х412A

16682

Unsigned 16

R/W

Время интегрирования ПИ-регулятора, в секундах

10..9999

RecminO

0х412B

16683

Unsigned 16

R/W

Минимальный процент открытия клапанов притока/вытяжки

20..90

Recqueue

0х412C

16684

Enum 2

R/W

Очередь включения рециркуляции

0- В первую

1- Во вторую (по умолчанию)

Увлажнитель

net_set_Hum_kp

 

0х4132

16690

Float 32

R/W

Пропорциональный коэффициент ПИ-регулятора

0..9999

net_set_Hum_Ti

 

0х4134

16692

Unsigned 16

R/W

Время интегрирования ПИ-регулятора, в секундах

10..9999

Системные параметры
Регистры даты и времени
Часы реального времени

 

0xF07B

61563

Unsigned 32

R

Время в миллисек

 

 

0xF071

61553

Date time 32

R/W

Время и дата (UTC)

 

 

0xF073

61555

Enum 38

R/W

Часовой пояс

0 - (UTC-12:00)

1 - (UTC-11:00)

2 - (UTC-10:00)

3 - (UTC-09:30)

4 - (UTC-09:00)

5 - (UTC-08:00)

6 - (UTC-07:00)

7 - (UTC-06:00)

8 - (UTC-05:00)

9 - (UTC-04:00)

10 - (UTC-03:30)

11 - (UTC-03:00)

12 - (UTC-02:00)

13 - (UTC-01:00)

14 - (UTC+00:00)

15 - (UTC+01:00)

16 - (UTC+02:00)

17 - (UTC+03:00),

18 - (UTC+03:30)

19 - (UTC+04:00),

20 - (UTC+04:30),

21 - (UTC+05:00),

22 - (UTC+05:30),

23 - (UTC+05:45),

24 - (UTC+06:00),

25 - (UTC+06:30),

26 - (UTC+07:00),

27 - (UTC+08:00),

28 - (UTC+08:45),

29 - (UTC+09:00),

30 - (UTC+09:30),

31 - (UTC+10:00),

32 - (UTC+10:30),

33 - (UTC+11:00),

34 - (UTC+12:00),

35 - (UTC+12:45),

36 - (UTC+13:00),

37 - (UTC+14:00)

Переменные даты и времени

 

0xF075

61557

Unsigned 8

R

Секунды

 

 

0xF076

61558

Unsigned 8

R

Минуты

 

 

0xF077

61559

Unsigned 8

R

Часы

 

 

0xF078

61560

Unsigned 8

R

Дни

 

 

0xF079

61561

Unsigned 8

R

Месяцы

 

 

0xF07A

61562

Unsigned 16

R

Годы

 

 

0хF074

61556

Enum 8

R

День недели

0 – -------

1 – Понедельник

2 – Вторник

3 – Среда

4 – Четверг

5 – Пятница

6 – Суббота

7 – Воскресенье

Сетевые настройки

 

0xF110

61712

String 144

R

МАС адрес

 

 

0x0014

20

Unsigned 32

R/W

IP адрес

 

 

0x0016

22

Unsigned 32

R/W

Маска подсети

 

 

0x0018

24

Unsigned 32

R/W

IP адрес шлюза

 

 

0x000C

12

Unsigned 32

R/W

DNS сервер 1

 

 

0x000E

14

Unsigned 32

R/W

DNS сервер 2

 

 

0x0020

32

Enum 2

R/W

Режим DHCP

0 – Выкл

1 – Вкл

 

0x0021

33

Enum 2

R/W

Применить сейчас

0 – Нет

1 – Да

 

0x0022

34

Enum 4

R

Статус подключения

0 – Норма

1 – Кабель не подключен

2 – DHCP сервер не доступен

3 – Ошибка интерфейса

Батарея

 

0х0321

801

Unsigned 16

R

Напряжение

 

 

0х0320

800

Unsigned 16

R

Пороговое значение

 

 

0х0322

802

word

R

Состояние

0 – Норма

1 – Разряжена

Статус прибора

 

0xF0B8

61624

Unsigned 8

R/W

Период обновления информации

 

 

0xF0B4

61620

Unsigned 32

R

Статус

 

 

0x1770

6000

String 128

R

ПРМ Слот 1. Название модуля

 

 

0x1780

6016

String 64

R

ПРМ Слот 1. Версия ПО модуля

 

 

0x1790

6032

String 128

R

ПРМ Слот 2. Название модуля

 

 

0x17A0

6048

String 64

R

ПРМ Слот 2. Версия ПО модуля

 

 

0xF0BA

61626

Unsigned 16

R

Ошибки

 

 

0хF0BB

61627

Unsigned 16

R

Предупреждения

 

Состояние аналоговых входов

code_av_PR_AI_1

0x0FAE

4014

Enum 11

R

Вход 1

0 – Норма

1 – Нет данных

2 – Датчик отключен

3 – Велика температура холодного спая

4 – Мала температура холодного спая

5 – Вычисленное значение слишком велико

6 – Вычисленное значение слишком мало

7 – Короткое замыкание

8 – Обрыв датчика

9 – Отсутствие связи с АЦП

10 – Некорректный калибровочный коэффициент

 code_av_PR_AI_2

0x0FAF

4015

Enum 11

R

Вход 2

0 – Норма

1 – Нет данных

2 – Датчик отключен

3 – Велика температура холодного спая

4 – Мала температура холодного спая

5 – Вычисленное значение слишком велико

6 – Вычисленное значение слишком мало

7 – Короткое замыкание

8 – Обрыв датчика

9 – Отсутствие связи с АЦП

10 – Некорректный калибровочный коэффициент

code_av_PR_AI_3

0x0FB0

4016

Enum 11

R

Вход 3

0 – Норма

1 – Нет данных

2 – Датчик отключен

3 – Велика температура холодного спая

4 – Мала температура холодного спая

5 – Вычисленное значение слишком велико

6 – Вычисленное значение слишком мало

7 – Короткое замыкание

8 – Обрыв датчика

9 – Отсутствие связи с АЦП

10 – Некорректный калибровочный коэффициент

 code_av_PR_AI_4

0x0FB1

4017

Enum 11

R

Вход 4

0 – Норма

1 – Нет данных

2 – Датчик отключен

3 – Велика температура холодного спая

4 – Мала температура холодного спая

5 – Вычисленное значение слишком велико

6 – Вычисленное значение слишком мало

7 – Короткое замыкание

8 – Обрыв датчика

9 – Отсутствие связи с АЦП

10 – Некорректный калибровочный коэффициент

Измеренное значение

 

0x0FA2

4002

Float 32

R

Вход 1

 

 

0x0FA4

4004

Float 32

R

Вход 2

 

 

0x0FA6

4006

Float 32

R

Вход 3

 

 

0x0FA8

4008

Float 32

R

Вход 4

 

ПРМ-24.1, Слот 2

Is_Prm2_conn

0х1836

6198

Enum 2

R

Статус

0 – 0

1 – 1

Is_Prm2_conn

0х1837

6199

Enum 6

R

Состояние подключения

0 – Не подключен

1 – инициализация

2 – Обнаружен

3 – Несоответствие типа модуля

4 – Несоответствие ПО

5 – В работе

 

0x1826

6182

Unsigned 8

R

Дискретные входы. Состояние

 

ПРМ-24.2, Слот 1

 

0х1A70

6768

Enum 2

R

Статус

0 – 0

1 – 1

 

0x1A71

6769

Enum 6

R

Состояние подключения

0 – Не подключен

1 – инициализация

2 – Обнаружен

3 – Несоответствие типа модуля

4 – Несоответствие ПО

5 – В работе

Работа по протоколу Modbus
Список поддерживаемых функций

Название функции

Код согласно спецификации Modbus

Описание функции

MODBUS_READ_HOLDING_REGISTERS

3 (0x03)

Чтение значений из одного или нескольких регистров хранения

MODBUS_READ_INPUT_REGISTERS

4 (0x04)

Чтение значений из одного или нескольких регистров ввода

MODBUS_WRITE_SINGLE_REGISTER

6 (0x06)

Запись значения в один регистр

MODBUS_WRITE_MULTIPLE_REGISTERS

16 (0x10)

Запись значений в несколько регистров

MODBUS_READ_FILE_RECORD

20 (0x14)

Чтение архива из файла

MODBUS_WRITE_FILE_RECORD

21 (0x15)

Запись архива в файл

Параметры битовой маски могут читаться функциями 0х03 и 0х01. Для функции 0x01 номер регистра следует умножить на 16 и прибавить номер бита.

Общие регистры оперативного обмена по протоколу Modbus
НазваниеРегистрРазмерТипОписание
Название (имя) прибора для показа пользователю (DEV)0xF00032 байтаСимвольная строкаКодировка Win-1251
Версия встроенного ПО прибора для показа пользователю (VER)0xF01032 байтаСимвольная строкаКодировка Win-1251
Название платформы0xF02032 байтаСимвольная строкаКодировка Win-1251
Версия платформы0xF03032 байтаСимвольная строкаКодировка Win-1251
Версия аппаратного обеспечения0xF04016 байтСимвольная строкаКодировка Win-1251
Дополнительная символьная информация0xF04816 байтСимвольная строкаКодировка Win-1251
Время и дата0xF0804 байтаUnsigned 32В секундах с 2000 г.
Часовой пояс0xF0822 байтаSigned shortСмещение в минутах от Гринвича
Заводской номер прибора0xF08432 байтаСимвольная строкаКодировка Win-1251, используется 17 символов
Основные форматы данных
Формат данныхКол-во регистровРазмерОписание
Unsigned 1612 байтаЦелое число без знака
Unsigned 3224 байта
Signed 1612 байтаЦелое число со знаком
Date time 3224 байтаДата/Время в секундах с 1 января 2000 г.
Специальные форматы данных
Формат данныхКол-во регистровРазмерОписание
Enum 1...Enum Х11 байт

Описывает позицию выбранного параметра из списка доступных в OWEN Configurator, например, тип датчика для дискретно-аналоговых входов

Float 3224 байт

Вещественный формат представления данных

Unsigned 811 байтЦелочисленный беззнаковый формат
String 4836 байтСтрока из шести символов
String 6448 байтСтрока из восьми символов
String 128816 байтСтрока из шестнадцати символов

Список регистров Modbus можно считать с прибора с помощью OWEN Configurator во вкладке Параметры устройства.

При работе с переменными, занимающими два и более регистра:

  • порядок байт — старшим байтом вперед;

  • порядок регистров — младшим регистром вперед.

Обработка ошибок обмена по Modbus
Список кодов общих ошибок Modbus

Возвращаемый код*

Описание ошибки

01

В приборе не реализована обработка запрашиваемого кода функции

02

Адрес данных, указанный в запросе, отсутствует в приборе. Критерии проверки – удовлетворение диапазону начального адреса регистра и количество регистров

03

Значение, содержащееся в поле данных запроса, является недопустимой величиной. Критерий проверки – соответствие длины записываемых или читаемых данных размерности типа регистра; соответствие записываемой величины условиям минимального и максимального значений регистра

04

Невосстанавливаемая ошибка. Критерий – получение запроса при нахождении прибора в состоянии «Авария»
05

Запрос принят в работу, но на его обработку требуется много времени. Код ошибки предохраняет ведущее устройство от генерации ошибки тайм-аута. Критерий проверки – время на обработку запроса превышает заданное значение (например, при приеме запроса при исполнении программы логики)

06

Устройство занято. Критерий – прием запроса при наличии в обработке предыдущего запроса

08

Ошибка при обращении с запросами на чтение (функция 20) или запись (функция 21) файла. Критерий – неверная CRC или нарушение целостности файла при его чтении из памяти

Примечание
* Согласно спецификации Modbus.

Обработка пакетов производится в следующем порядке:

  1. Проверяется валидность пакета. Не прошедший проверку пакет отбрасывается.

  2. Проверяется адрес (SlaveID), если получен чужой пакет, то такой пакет игнорируется.

  3. Проверка на функцию Modbus.

Если приходит запрос с функцией не из таблицы выше, то выдается ошибка «MODBUS_ILLEGAL_FUNCTION».

Обработка ошибок данных
Используемая функцияНаименование ошибкиВозможные ситуации, приводящие к ошибке
MODBUS_READ_ HOLDING_REGISTERSMODBUS_ILLEGAL_DATA_ADDRESS

Количество запрашиваемых регистров больше максимально возможного числа (125).

Запрос несуществующего параметра

MODBUS_READ_INPUT_ REGISTERSMODBUS_ILLEGAL_DATA_ADDRESS

Количество запрашиваемых регистров больше максимально возможного числа (125).

Запрос несуществующего параметра

MODBUS_WRITE_SINGLE_ REGISTERMODBUS_ILLEGAL_DATA_ADDRESS

Попытка записи параметра, размер которого превышает 2 байта.

Попытка записи параметра, доступ на запись к которому запрещен.

Попытка записи параметра такого типа, который данная функция не поддерживает.

Запрос несуществующего параметра.

Поддерживаемые типы данных:

  • знаковые и беззнаковые целые (размер не более 2 байт);

  • перечисляемые

MODBUS_ILLEGAL_DATA_VALUEВыход за пределы максимального или минимального ограничений для параметра
MODBUS_WRITE_ MULTIPLE_REGISTERSMODBUS_ILLEGAL_DATA_ADDRESS

Запись несуществующего параметра.

Попытка записи параметра, доступ на запись к которому запрещен.

Количество записываемых регистров больше максимального возможного числа (123)

MODBUS_ILLEGAL_DATA_VALUE

Не найден терминирующий символ (\0) в строковом параметре.

Размер запрашиваемых данных меньше размера первого или последнего в запросе параметра.

Выход за пределы максимального или минимального ограничений для параметра

Ошибки во время работы с файлами архива
Используемая функцияНаименование ошибкиВозможные ситуации, приводящие к ошибке
MODBUS_READ_FILE_ RECORDMODBUS_ILLEGAL_FUNCTIONОшибочный размер данных (0x07 ≤ data length ≤ 0xF5)
MODBUS_ILLEGAL_DATA_ADDRESS

Reference type не соответствует спецификации;

не удалось открыть файл для чтения (возможно, он отсутствует)

MODBUS_ILLEGAL_DATA_VALUEНе удалось переместиться к нужному смещению в файле
MODBUS_SLAVE_DEVICE_FAILURE

Ошибка удаления файла при запросе на удаление.

Запрос слишком большого количества данных (больше 250 байт).

Недопустимый record number (больше 0x270F).

Недопустимый record length (больше 0x7A)

MODBUS_WRITE_FILE_ RECORDMODBUS_ILLEGAL_FUNCTIONОшибочный размер данных (0x09 ≤ data length ≤ 0xFB)
MODBUS_ILLEGAL_DATA_ADDRESS

Reference type не соответствует спецификации.

Не удалось открыть файл для записи

MODBUS_SLAVE_DEVICE_FAILURE

Запрашиваемый файл отсутствует.

Запрашиваемый файл доступен только для чтения.

Не удалось записать необходимое количество байт

Предупреждающие сообщения

В данном руководстве применяются следующие предупреждения:

Опасность

Ключевое слово ОПАСНОСТЬ сообщает о непосредственной угрозе опасной ситуации, которая приведет к смерти или серьезной травме, если ее не предотвратить.

Внимание

Ключевое слово ВНИМАНИЕ сообщает о потенциально опасной ситуации, которая может привести к небольшим травмам.

Предупреждение

Ключевое слово ПРЕДУПРЕЖДЕНИЕ сообщает о потенциально опасной ситуации , которая может привести к повреждению имущества.

Примечание

Ключевое слово ПРИМЕЧАНИЕ обращает внимание на полезные советы и рекомендации, а также информацию для эффективной и безаварийной работы оборудования.

Ограничение ответственности

Ни при каких обстоятельствах ООО «Производственное Объединение ОВЕН» и его контрагенты не будут нести юридическую ответственность и не будут признавать за собой какие-либо обязательства в связи с любым ущербом, возникшим в результате установки или использования прибора с нарушением действующей нормативно-технической документации.