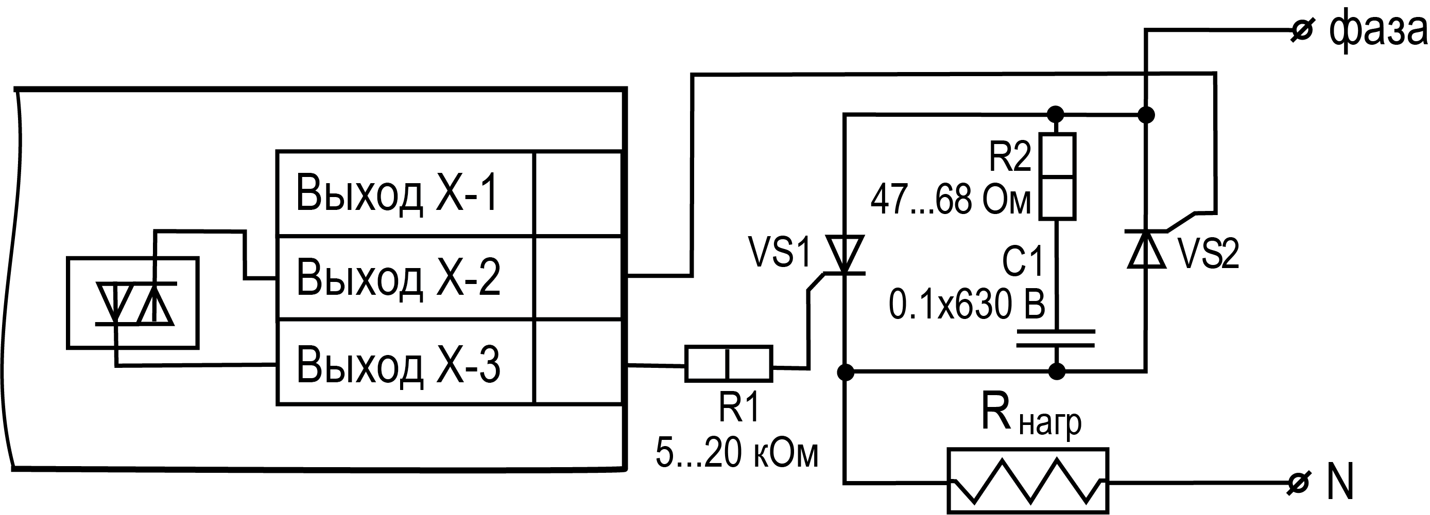
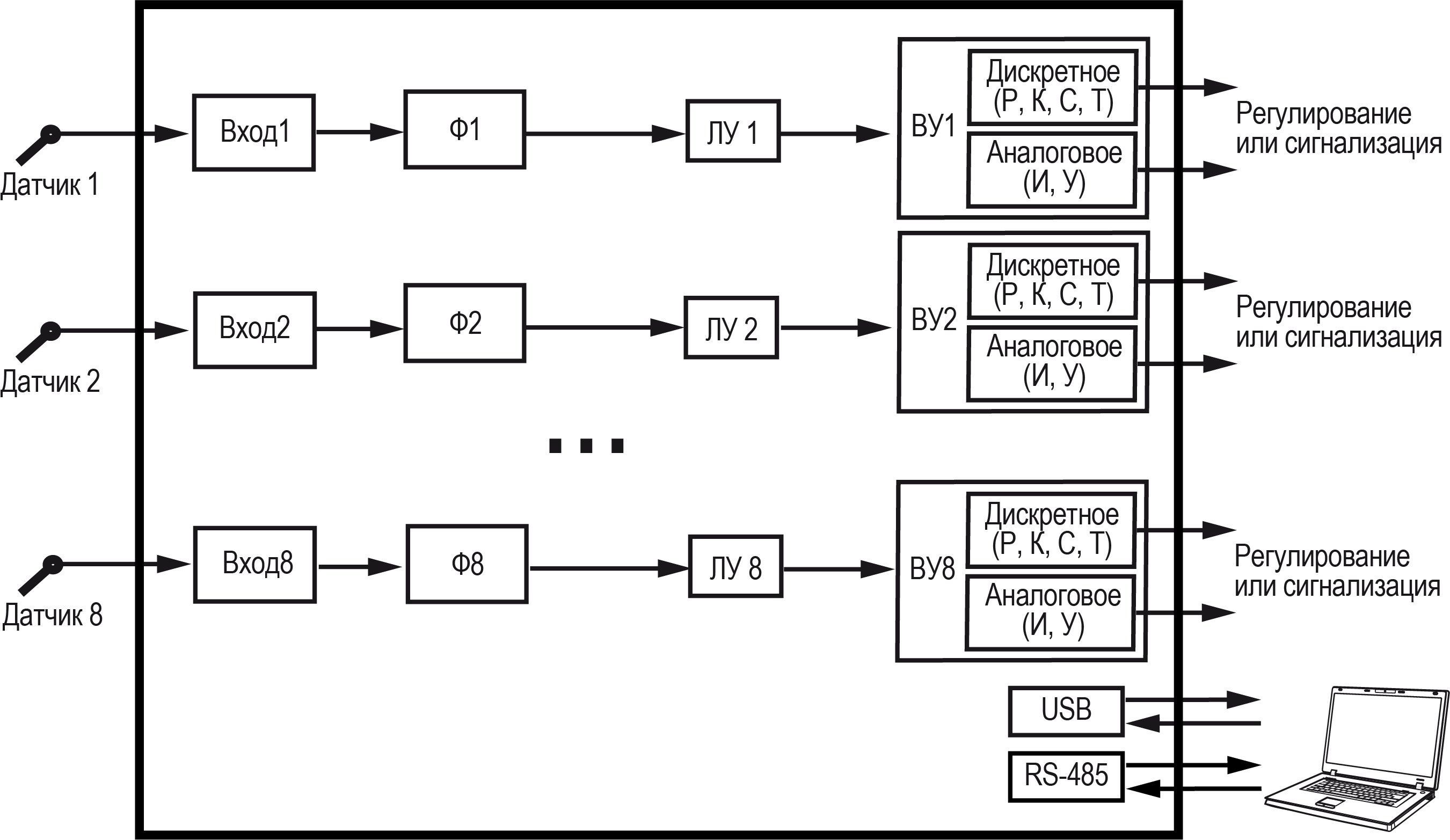
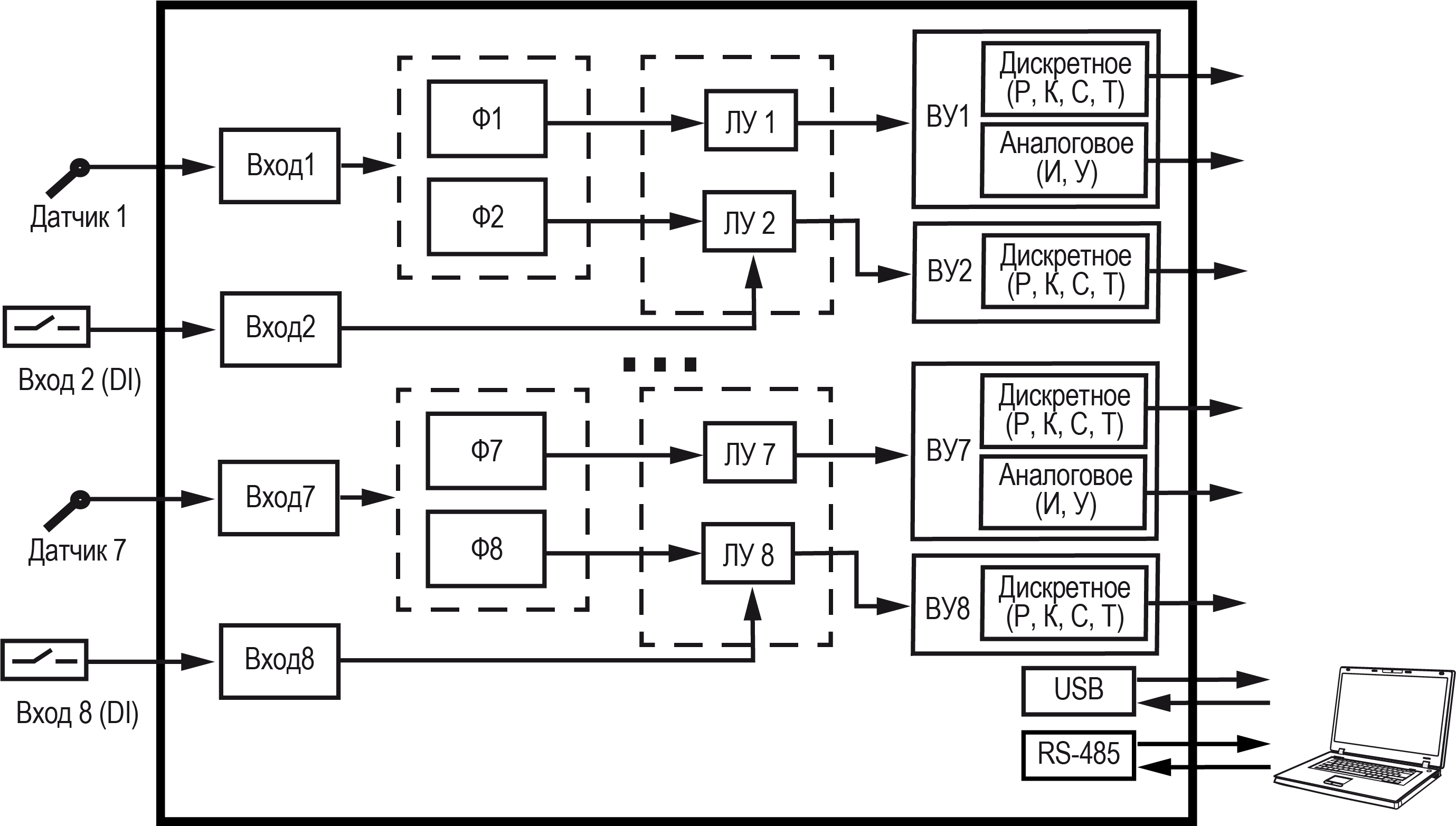
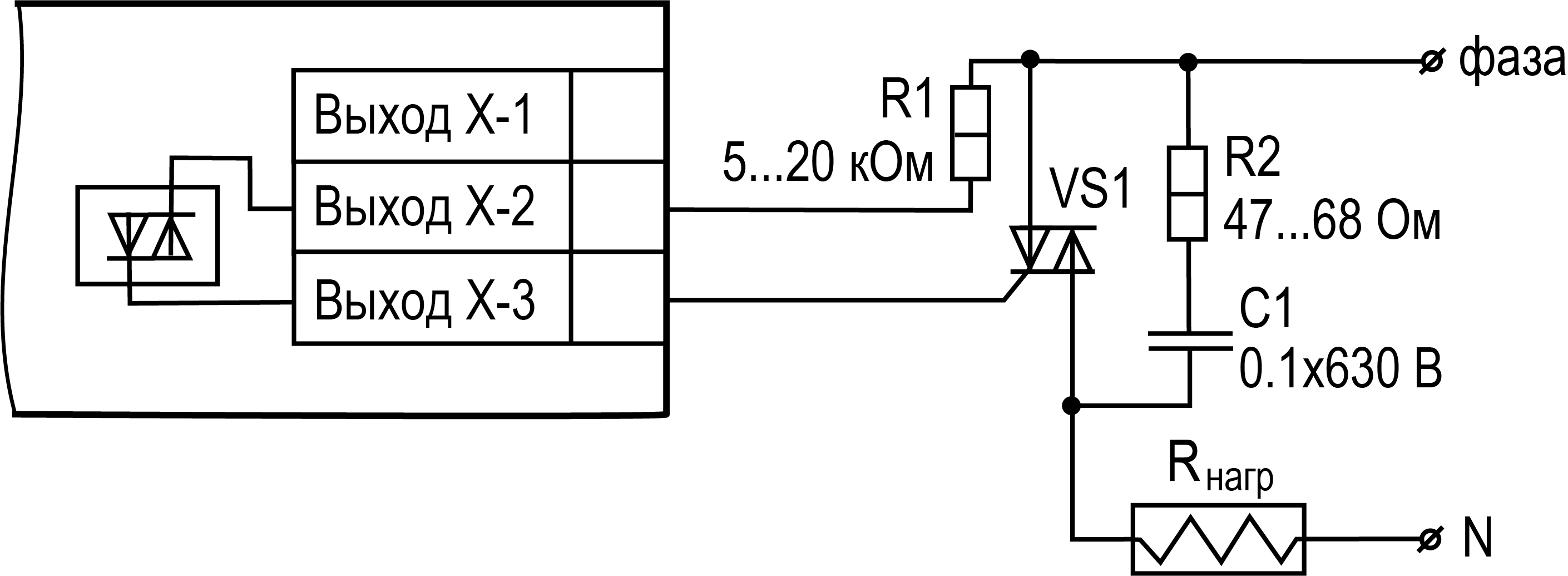
Настоящее руководство по эксплуатации предназначено для ознакомления обслуживающего персонала с устройством, принципом действия, конструкцией, технической эксплуатацией и обслуживанием многоканального измерителя-регулятора ТРМ138, в дальнейшем по тексту именуемого «прибор» или «ТРМ138».
Подключение, настройка и техобслуживание прибора должны производиться только квалифицированными специалистами после прочтения настоящего руководства по эксплуатации.
Прибор выпускается в соответствии с ТУ 26.51.70-050-46526536-2025.
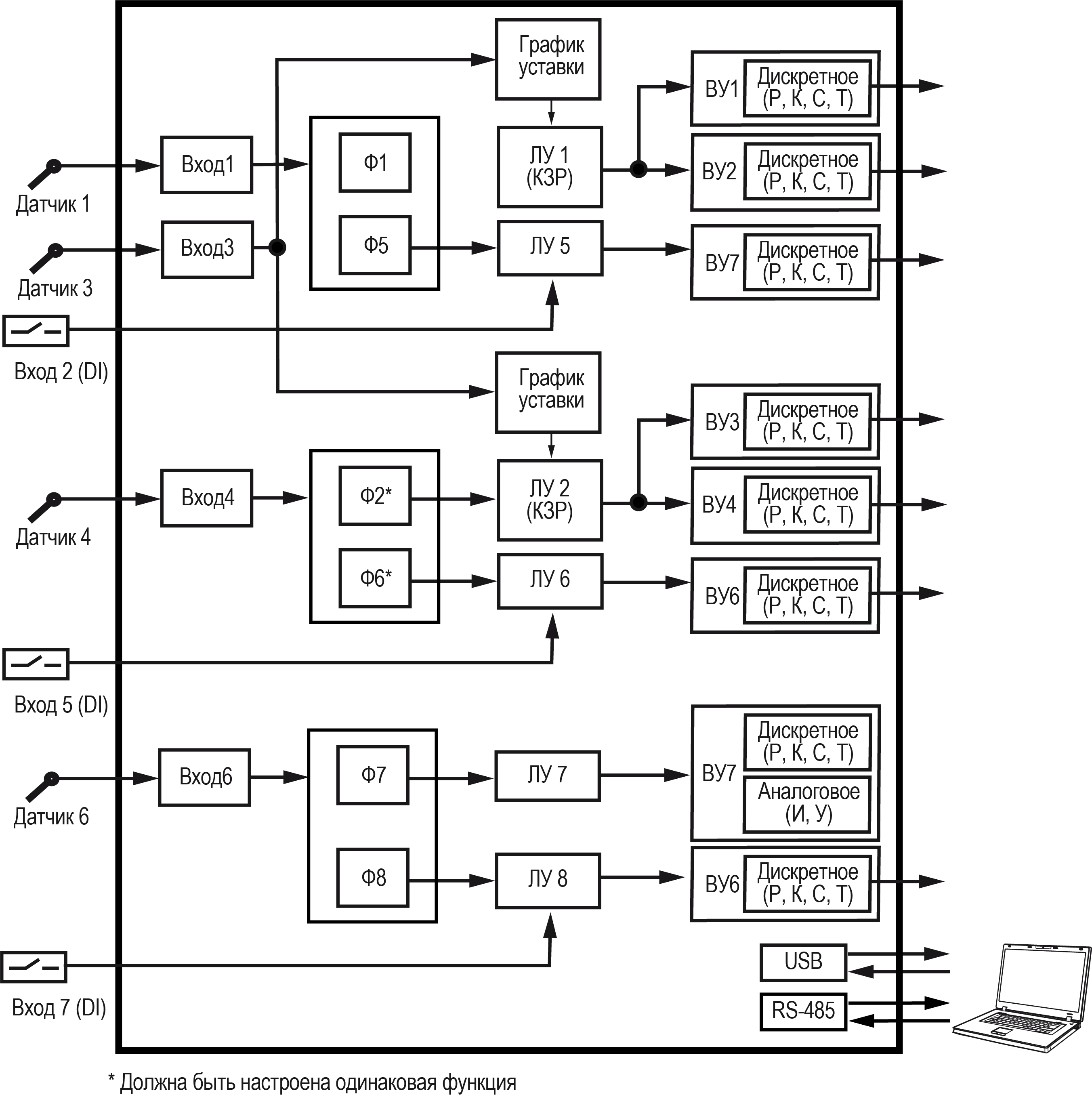
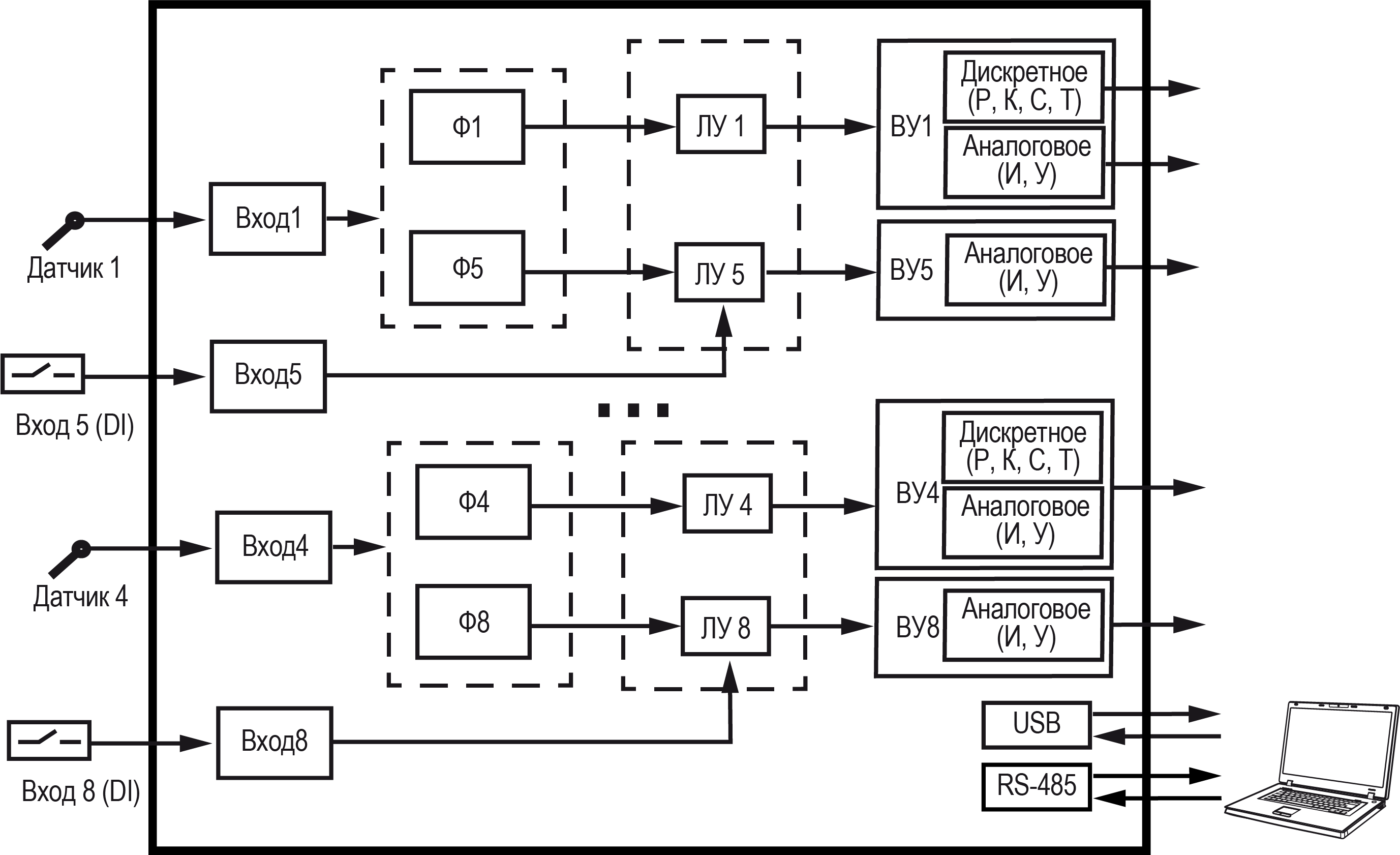
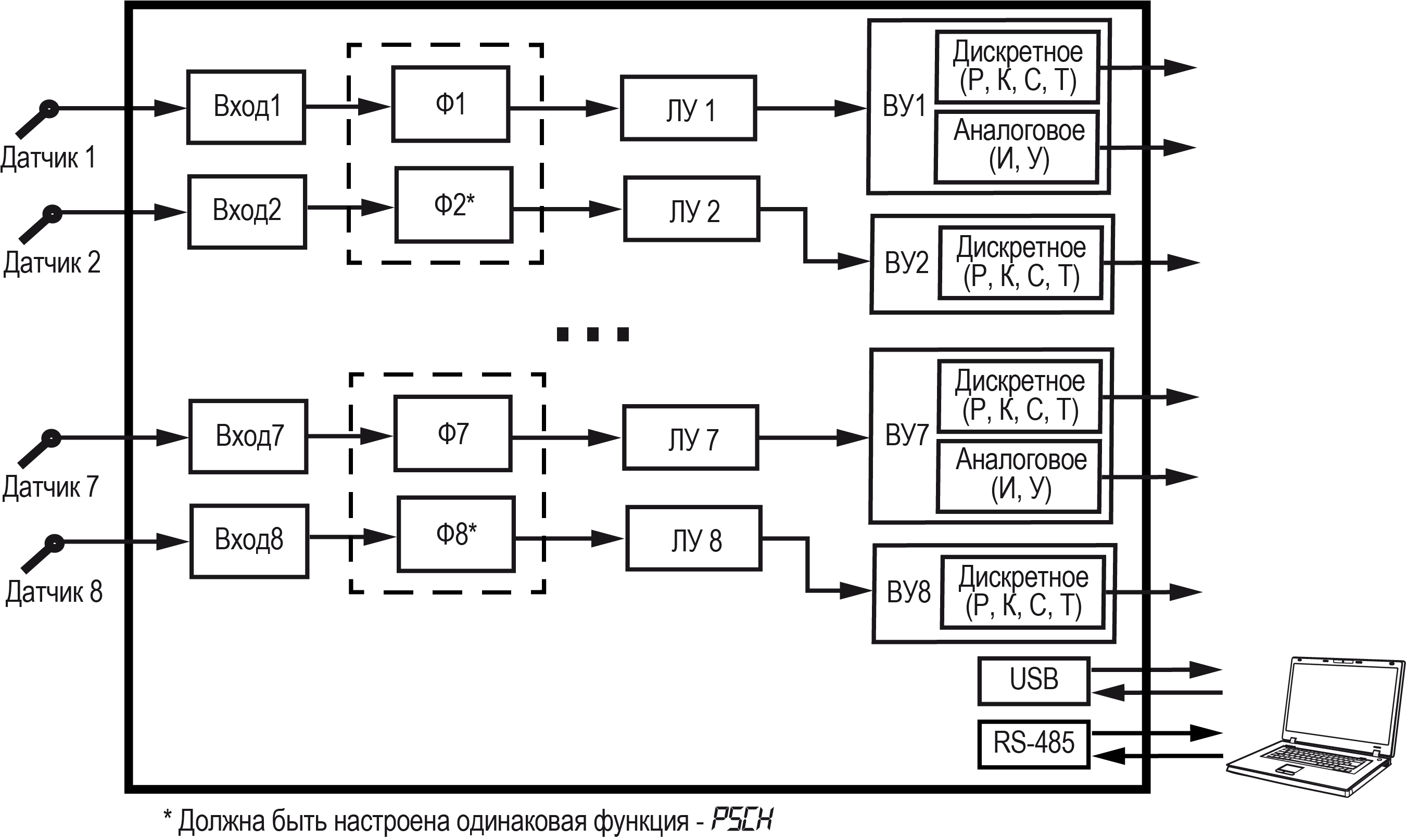
Прибор изготавливается в различных модификациях, указанных в коде полного условного обозначения:
