1-RU-151803-1.14

Руководство по эксплуатации

Введение

Настоящее руководство по эксплуатации предназначено для ознакомления обслуживающего персонала с устройством, принципом действия, конструкцией, технической эксплуатацией и обслуживанием многоканального измерителя-регулятора ТРМ136, в дальнейшем по тексту именуемого «прибор» или «ТРМ136».

Подключение, настройка и техобслуживание прибора должны производиться только квалифицированными специалистами после прочтения настоящего руководства по эксплуатации.

Прибор выпускается в соответствии с ТУ 26.51.70-050-46526536-2025.

Прибор изготавливается в различных модификациях, указанных в коде полного условного обозначения:

Graphic

Используемые аббревиатуры

  • АЦП – аналого-цифровой преобразователь;

  • ВУ – выходное устройство;

  • ДХС – датчик «холодного спая»;

  • ГВС – горячее водоснабжение;

  • ИМ – исполнительный механизм;

  • ЖКХ – жилищно-коммунальное хозяйство;

  • КЗР – клапан запорно-регулирующий;

  • КХС – компенсация «холодного спая»;

  • ЛУ – логическое устройство;

  • НСХ – номинальная статическая характеристика;

  • ПЛК – программируемый логический контроллер;

  • ПК – персональный компьютер;

  • ТП – преобразователь термоэлектрический (термопара);

  • ТС – термопреобразователь сопротивления;

  • ЦАП – цифро-аналоговый преобразователь;

  • ЦИ – цифровой индикатор.

Соответствие символов ЦИ буквам латинского алфавита

Graphic

Назначение и функции

Прибор предназначен для измерения и автоматического регулирования температуры (при использовании в качестве первичных преобразователей ТС или ТП), а также других физических параметров (давления, влажности, расхода, уровня и т.п.) с помощью задвижек или иных ИМ.

Прибор относится к изделиям государственной системы промышленных приборов и средств автоматизации.

Функции прибора

Работа с входными сигналами:

  • измерение температуры, давления, уровня и т. п. по независимым каналам;

  • встроенные функции для вычисления влажности, расхода и т.п.;

  • обработка входных сигналов:

    • цифровая фильтрация и коррекция;

    • масштабирование входного сигнала только для датчиков с выходным сигналом в виде тока или напряжения.

  • вычисление и индикация:

    • квадратного корня из измеряемой величины;

    • взвешенных суммы, разности и отношения величин от двух до шести каналов;

    • средневзвешенной и среднеквадратичной суммы значений измеряемых величин от двух до шести каналов.

  • группирование ЛУ и управление группой ЛУ;

  • питание активных датчиков от встроенного источника питания.

Индикация и настройка:

  • отображение на ЦИ:

    • текущего измеренного значения, уставки, выходной мощности, вычисленной математической функции;

  • автоматическая смена отображения параметров на ЦИ;

  • сброс прибора до заводских настроек;

  • защита от редактирования некоторых регистров по Modbus;

  • скрытие пунктов меню и защита от редактирования параметров.

Управление аналоговыми и дискретными ИМ:

  • для аналоговых ИМ:

    • настраиваемая логика работы ЛУ (регистратор, ПИД-регулятор);

    • формирование выходного тока от 4 до 20 мА или напряжения от 0 до 10 В для управления по П-закону;

  • для дискретных ИМ:

    • независимая работа с сигналами ”открыть” и ”закрыть”;

    • независимое управление двумя каналами по двухпозиционному закону;

  • управление в ручном режиме;

  • погодозависимое регулирование.

Обработка аварийных ситуаций:

  • отслеживание обрыва или «залипания» в контуре регулирования, обрыва датчиков и выхода измеренного сигнала за допустимый диапазон для выбранного типа датчика;

  • автоматическое восстановление процесса регулирования после устранения обрыва датчика или выхода показаний за диапазон измерения;

  • для дискретного ИМ в режиме «Стоп» задвижка реализована функция удержания задвижки в заданном положении;

  • переключение выходов в безопасное состояние при аварии и в режиме «Стоп».

Интерфейс USB Type-C:

  • конфигурирование прибора с помощью ПК;

Интерфейс RS-485:

  • регистрация данных и конфигурирование прибора с помощью ПК через интерфейс RS-485;

  • дистанционное управление процессом регулирования (запуск, остановка, изменение режимов и уставок).

В приборе предусмотрен набор из программных модификаций для задач:

  • термообработки:

    • восемь независимых регуляторов для многозонных печей;

    • 3–х канальный регулятор с регистрацией для независимых печей;

    • 3–х канальный регулятор с сигнализацией перегрева для экструдеров

  • задач пищевой и деревоперерабатывающей промышленности

    :
    • 3–х канальный регулятор влажности с сигнализацией для камер сушки;

    • 3–х канальный регулятор влажности для камер пропарки с логикой регистратора

  • задач ЖКХ:
    • управление задвижками «больше/меньше» на 3–х контурах отопления/ГВС;

    • управление двумя задвижками «больше/меньше» на 2х контурах отопление/ГВС с погодозависимым графиком и управлением насосом подпитки контура отопления

Примечание
Для модификаций с дискретными ВУ (управление по принципу «больше/меньше») алгоритм расчета длины управляющего импульса реализован основываясь на математической модели КЗР, а не на принципе широтно-импульсной модуляции.
Предупреждение
Для дискретного управления ИМ должны быть оснащены концевыми выключателями. Применение задвижек без концевых выключателей не допускается.

Технические характеристики и условия эксплуатации

Технические характеристики

Характеристики прибора

Наименование

Значение

Питание

Диапазон напряжения питания переменного тока:

от 90 до 253 В

(номинальное 230 В)

Диапазон частоты переменного тока:

от 47 до 63 Гц

(номинальное 50 Гц)

Потребляемая мощность, не более

30 ВА

Источник встроенного питания*
Номинальное напряжение= 24 В
Максимальный ток, не менее180 мА
Примечание
* Характеристики ИП24, который выведен на клеммы 51 и 52. Для питания пассивных датчиков тока предусмотрен отдельный источник питания.
Входы

Количество входов

6

Тип сигналаНастраиваемый: аналоговый или цифровой (дискретный)

Аналоговый режим

Время опроса входа

0,6 с

Пределы допускаемой основной приведенной (к диапазону измерений) погрешности измерений, не более:

  • для ТС (трехпроводная схема подключения)

± 0,25 %

  • для ТП с включенной КХС

± 0,5 %

  • ТП с отключенной КХС

± 0,25 %

  • в режиме измерения сигналов силы постоянного тока

± 0,25 %

  • в режиме измерения сигналов напряжения постоянного тока

± 0,25 %

Дополнительная приведенная к диапазону измерений погрешность измерений, вызванная изменением температуры окружающей среды в пределах рабочего диапазона, на каждые 10 °С

  • в режиме измерения сигналов силы постоянного тока

± 0,1 предела основной

  • в режиме измерения сигналов напряжения постоянного тока

± 0,1 предела основной

  • для ТП, не более

± 0,1 предела основной

  • для ТС, не более

± 0,1 предела основной

Входное сопротивление при измерении сигналов напряжения постоянного тока, не менее:

 

  при включенном делителе

30 кОм

  при выключенном делителе

10 МОм

Величина максимально допустимого напряжения на входе (при отключенном питании токовой петли), не менее

30 В

Время установления рабочего режима при измерении входных сигналов, не более

20 мин при работе с ТП и 5 мин при работе с остальными первичными преобразователями

Цифровой (дискретный) режим

Величина максимально допустимого напряжения на входе (при отключенном питании токовой петли), не менее

30 В

Номинальный ток возбуждения210 мкА
Тип элемента коммутацииТранзисторный ключ (открытый коллектор) типа n-p-n, «сухие» контакты реле, выключатель
Гальваническая развязка относительно датчикаотсутствует
Частота обработки цифрового (дискретного) входного сигнала, не более1 Гц (отсутствие высокочастотных сигналов)

Выходные устройства (ВУ)

Количество ВУ

61)

Интерфейс обмена данными

Тип интерфейса

RS-485

Протокол обмена данными

Modbus RTU, Modbus ASCII

Режим работы интерфейса

Slave

Скорость обмена данными

2,4; 4,8; 9,6; 14,4; 19,2; 28,8; 38,4; 57,6; 115,2 кбод

Параметры обмена данными:

  • количество бит данных

72), 8

  • бит четности

n, e, o

  • количество стоп-бит

1, 2

Задержка ответа прибора

от 0 до 20 мс

Интерфейс связи с ПК

Тип интерфейса

USB CDC

Разъем подключения

USB Type-C

Протокол обмена

Modbus RTU

Режим работы интерфейса

Slave

Питание изделия от интерфейса

Контроллер,

индикация

Ток потребления, не более

500 мА

Максимальная длина подключаемого кабеля, не более

3 м

Общие сведения

Габаритные размеры прибора

(169 × 138 × 56) ± 1 мм

Степень защиты корпуса:

  • со стороны лицевой панели

IP54

  • со стороны задней панели

IP20

Масса прибора:

  • с упаковкой, не более

0,85 кг

  • без упаковки, не более

0,61 кг

Средний срок службы

12 лет

Примечание

1) Характеристики ВУ в соответствии с их типом (см. таблицу).

2) Только для Modbus ASCII. Конфигурации 7N1 и 7N2 не поддерживаются

Датчики и входные сигналы

Сигнал датчика (условное обозначение НСХ первичного преобразователя)

Диапазон измерения

Дискретность измерения, не менее

Значение единицы младшего разряда1)

Термопреобразователи сопротивления по ГОСТ 6651-2009

50М (α = 0,00428 °С -1)

от –180 до +200 °С

0,1 °С

0,1; 1,0 °С

Pt50 (α = 0,00385 °С -1)

от –200 до +850 °С

0,1; 1,0 °С

50П (α = 0,00391 °С -1)

от –200 до +850 °С

0,1; 1,0 °С

Cu50 (α = 0,00426 °С -1) 2)

от –50 до +200 °С

0,1 °С

100М (α = 0,00428 °С -1)

от –180 до +200 °С

0,1; 1,0 °С

Pt100 (α = 0,00385 °С -1)

от –200 до +850 °С

0,1; 1,0 °С

100П (α = 0,00391 °С -1)

от –200 до +850 °С

0,1; 1,0 °С

Cu100 (α=0,00426 °С -1) 2)

от –50 до +200 °С

0,1 °С

100Н (α = 0,00617 °С -1)

от –60 до +180 °С

0,1 °С

500М (α = 0,00428 °С -1)

от –180 до +200 °С

0,1; 1,0 °С

Pt500 (α = 0,00385 °С -1)

от –200 до +850 °С

0,1; 1,0 °С

500П (α = 0,00391 °С -1)

от –200 до +850 °С

0,1; 1,0 °С

Cu500 (α = 0,00426 °С -1) 2)

от –50 до +200 °С

0,1 °С

500Н (α = 0,00617 °С -1)

от –60 до +180 °С

0,1 °С

1000М (α = 0,00428 °С -1)

от –180 до +200 °С

0,1; 1,0 °С

Pt1000 (α = 0,00385 °С -1)

от –200 до +850 °С

0,1; 1,0 °С

1000П (α = 0,00391 °С -1)

от –200 до +850 °С

0,1; 1,0 °С

Cu1000 (α = 0,00426 °С -1) 2)

от –50 до +200 °С

0,1 °С

1000Н (α = 0,00617 °С -1)

от –60 до +180 °С

0,1 °С

Термоэлектрические преобразователи по ГОСТ Р 8.585-2001

TХК (L)

от –200 до +800 °С

0,1 °С

0,1; 1,0 °С

ТХКн (Е)

от –200 до +900 °С

0,1 °С

0,1 °С

TЖК (J)

от –40 до +900 °С

0,1 °С

0,1; 1,0 °С

TПП (S)

от 0 до +1600 °С

0,2 °С

0,1; 1,0 °С

TНН (N)

от –200 до +1300 °С

0,2 °С

0,1; 1,0 °С

TХА (К)

от –200 до +1300 °С

0,2 °С

0,1; 1,0 °С

TПП (R)

от 0 до +1600 °С

0,2 °С

0,1; 1,0 °С

ТПР (В)

от +600 до +1800 °С

0,2 °С

0,1; 1,0 °С

TВР (А-1)

от +1000 до +2500 °С

0,4 °С

0,1; 1,0 °С

ТВР (А-2)

от +1000 до +1800 °С

0,2 °С

0,1; 1,0 °С

ТВР (А-3)

от +1000 до +1800 °С

0,2 °С

0,1; 1,0 °С

ТМК (Т)

от –200 до +400 °С

0,1 °С

0,1; 1,0 °С

Сигналы по ГОСТ 26.011–80

Сигналы силы постоянного тока

от 0 до 5 мА

от 0 до 5 мА

0,01 мА

0,01 мА

от 0 до 20 мА

от 0 до 20 мА

0,01 мА

0,01 мА

от 4 до 20 мА

от 4 от 20 мА

0,01 мА

0,01 мА

Сигналы напряжения постоянного тока

от –50 до +50 мВ

от –50 до +50 мВ

0,001 мВ

0,001 В

от 0,0 до 0,05 В

от 0,00 до 0,05 В

0,1 мВ

0,001 В

от 0 до 1 В

от 0 до 1 В

0,01 мА

0,001 мА

от 0 до 5 В

от 0 до 5 В

0,01 мА

0,01 мА

от 0 до 10 В

от 0 до 10 В

0,01 мВ

0,01/0,12)

Примечание

1) Зависит от Deltasense (диапазон датчика). Значения параметров настройки ind.L и ind.H влияют только на сигналы и датчики положения задвижки.

2) В Республике Беларусь носит справочную информацию

Поддерживаемые датчики и входные сигналы, для которых прибор не является средством измерения, представлены в таблице ниже.

Поддерживаемые датчики и входные сигналы (не средство измерений)

Сигнал датчика (условное обозначение НСХ первичного преобразователя)

Диапазон измерения

Дискретность измерения, не менее

Значение единицы младшего разряда 1)

Пирометры 2)

PC-20

от +900 до +2000 °С

0,1 °С

1

PC-25

от +1200 до +2500 °С

0,1 °С

1

PK-15

от +400 до +1500 °С

0,1 °С

1

PK-20

от +600 до +2000 °С

0,1 °С

1

Терморезисторы

3 кОм, 3950K

от –35 до +120 °С

0,1 °С

1

10 кОм, 3950K

от –20 до +120 °С

0,1 °С

1

20 кОм 3950K

от –5 до +120 °С

0,1 °С

1

Потенциометры

от 100 до 4700 Ом

от 100 до 4700 Ом

0,1 Ом

1

Нестандартизованные сигналы2)

Cu53 (α = 0,00426 °С -1) (гр.23 по ГОСТ 6651-78)

от –50 до +200 °С

0,1 °С

0,1

L 3)

от 0 до +900 °С

0,1 °С

0,1

Примечание

1) Зависит от значения параметров настройки ind.L и ind.H.

2) Предел допускаемой основной приведенной (к диапазону измерений) погрешности измерения, не более 0,4 % для пирометров, 0,5 % для ТП, 0,25 % для ТП с отключенным КХС, 0,4 % для терморезисторов — не более 0,25 % для Cu53 (α = 0,00426 °С -1).

3) НСХ согласно DIN 43710.

Типы цифровых (дискретных) сигналов
Обозначение на ЦИОписание

D.RUN

Переключает канал управления логическими устройствами между режимами RUN/STOP. Работает по фронту сигнала:

  замкнуто – RUN,

  разомкнуто – STOP,

При воздействии нескольких цифровых (дискретных) сигналов на канал управления логическими устройствами обрабатывается по схеме логического ИЛИ.

D.MAN

Переключает канал управления логическими устройствами между режимами RUN/MAN. Работает по фронту сигнала:

  замкнуто – RUN,

  разомкнуто – MAN

При воздействии нескольких цифровых (дискретных) сигналов на канал управления логическими устройствами обрабатывается по схеме логического ИЛИ

D.STP

Переводит канал управления логическими устройствами в режим STOP по фронту сигнала из замкнутого состояния в разомкнутое. При воздействии нескольких цифровых (дискретных) сигналов на канал управления логическими устройствами обработка осуществляется по схеме логического ИЛИ

D.BLK

Приостанавливает работу всех логических устройств, привязанных к каналу управления. Работает по уровню сигнала.

При воздействии нескольких цифровых (дискретных) сигналов на канал управления обрабатывается по схеме логического И

Параметры встроенных ВУ

Обозначение ВУ

(Тип выходного элемента)

Технические параметры

ВУ цифрового (дискретного) типа

Р

(Контакты электромагнитного реле)

Ток не более 4 А при переменном напряжении не более 250 В и cos(φ) > 0,4.

Ток не более 3 А при постоянном напряжении не более 30 В

К

(Оптопара транзисторная n-p-n типа)

Сила постоянного тока не более 400 мА при напряжении постоянного тока не более 60 В

Т

(Выход для управления внешним твердотельным реле)

Выходной ток не более 50 мА.

Выходное напряжение высокого уровня от 3,3 до 6,5 В.

Выходное напряжение низкого уровня от 0,0 до 0,7 В

С

(Оптопара симисторная)

В режиме управления внешним симистором:

  максимальный ток нагрузки, не более 40 мА;

  максимальное действующее напряжение переменного тока, не более 250 В.

В режиме коммутации:

   максимальный ток нагрузки 40 мА;

  максимальный ток нагрузки в импульсном режиме (< 2 мс) 400 мА;

  максимальное действующее напряжение переменного тока, не более 250 В

ВУ аналогового типа*

И

(ЦАП «параметр – ток»)

Сила постоянного тока от 4 до 20 мА на внешней нагрузке не более 500 Ом, напряжение питания от 12 до 32 В рассчитывается в зависимости от сопротивления нагрузки

У

(ЦАП «параметр – напряжение»)

Постоянное напряжение от 0 до 10 В на внешней нагрузке более 2 кОм, напряжение питания от 15 до 32 В

Примечание
*

Пределы допускаемой приведенной (к диапазону преобразований) дополнительной погрешности преобразований при изменении температуры окружающей среды от нормальных условий (от +15 до +25 °С включительно) в диапазоне рабочих условий измерений, на каждые 10 °С изменения температуры окружающего воздуха, составляют не более 0,1 от предела допускаемой приведенной основной погрешности преобразования.

Пределы допускаемой основной приведенной (к диапазону преобразований) погрешности преобразований составляют 0,25 %

Условия эксплуатации

Прибор предназначен для эксплуатации в следующих нормальных условиях:

  • закрытые взрывобезопасные помещения без агрессивных паров и газов;

  • температура окружающего воздуха от плюс 15 до плюс 25 °С;

  • относительная влажность от 30 до 80 % без конденсации влаги;

  • атмосферное давление от 84,0 до 106,7 кПа при эксплуатации до 2000 м над уровнем моря.

Прибор предназначен для эксплуатации в следующих рабочих условиях:

  • закрытые взрывобезопасные помещения без агрессивных паров и газов;

  • температура окружающего воздуха от минус 30 до плюс 50 °С;

  • относительная влажность до 95 % без конденсации влаги;

  • атмосферное давление от 84,0 до 106,7 кПа при эксплуатации до 2000 м над уровнем моря.

По устойчивости к электромагнитным воздействиям прибор соответствует ГОСТ 30804.6.1-2013, ГОСТ 30804.6.2-2013. По уровню излучаемых радиопомех прибор соответствует ГОСТ IEC 61000-6-3-2016, ГОСТ IEC 61000-6-4-2016.

По устойчивости к синусоидальным вибрациям во время эксплуатации прибор соответствует группе исполнения N2 по ГОСТ Р 52931-2008.

Меры безопасности

Опасность
На клеммнике присутствует опасное для жизни напряжение. Любые подключения к прибору и работы по его техническому обслуживанию следует производить только при отключенном питании прибора.

По способу защиты от поражения электрическим током прибор соответствует классу II по ГОСТ 12.2.007.0–75.

При эксплуатации, техническом обслуживании и поверке необходимо соблюдать требования «Правил технической эксплуатации электроустановок потребителей электрической энергии» и «Правил охраны труда при эксплуатации электроустановок потребителей».

Не допускается попадание влаги на контакты выходного разъема и внутренние компоненты прибора. Запрещено использовать прибор в агрессивных средах с содержанием в атмосфере кислот, щелочей, масел и т. п.

Не допускается подключение проводов к неиспользуемым клеммам.

Установка прибора щитового крепления

Graphic
Монтаж прибора щитового крепления

Для установки прибора следует:

  1. Подготовить на щите управления монтажный вырез для установки прибора (см. рисунок).
  2. Установить прокладку на рамку прибора для обеспечения степени защиты IP54.
  3. Вставить прибор в монтажный вырез.
  4. Вставить фиксаторы из комплекта поставки в отверстия на боковых стенках прибора.
  5. С усилием завернуть винты М4 × 35 из комплекта поставки в отверстиях каждого фиксатора так, чтобы прибор был плотно прижат к лицевой панели щита.

Демонтаж прибора следует производить в обратном порядке.

Graphic
Габаритные размеры корпуса Щ7

 

Graphic
Прибор в корпусе Щ7, установленный в щит толщиной 3 мм

Подключение

Рекомендации по подключению

Для обеспечения надежности электрических соединений следует использовать медные кабели и провода с однопроволочными или многопроволочными жилами. Концы проводов следует зачистить. Многопроволочные жилы следует залудить или использовать кабельные наконечники.

Требования к сечениям жил кабелей указаны на рисунке ниже.

Graphic
Требования к сечениям жил кабелей и длине зачистки

Общие требования к линиям соединений:

  • во время монтажа кабелей следует выделить сигнальные линии связи, соединяющие прибор с датчиком в самостоятельную трассу (или несколько трасс). Трассу (или несколько трасс) расположить отдельно от силовых кабелей, а также от кабелей, создающих высокочастотные и импульсные помехи;
  • для защиты входов прибора от влияния промышленных электромагнитных помех следует экранировать линии связи прибора с датчиком. В качестве экранов могут быть использованы специальные кабели с экранирующими оплетками или заземленные стальные трубы подходящего диаметра. Экраны кабелей с экранирующими оплетками следует подключить к контакту функционального заземления (FE) в щите управления;
  • фильтры сетевых помех следует устанавливать в линиях питания прибора;
  • искрогасящие фильтры следует устанавливать в линиях коммутации силового оборудования.

Монтируя систему, в которой работает прибор, следует учитывать правила организации эффективного заземления:

  • все заземляющие линии следует прокладывать по схеме «звезда» с обеспечением хорошего контакта;
  • все заземляющие цепи должны быть выполнены проводами наибольшего сечения;
  • запрещается объединять клеммы прибора и заземляющие линии.

Схема гальванической развязки

Graphic
Схема гальванической развязки

Порядок первого включения

Предупреждение
После распаковки прибора следует убедиться, что во время транспортировки прибор не был поврежден.

Порядок первого включения:

  1. Подключить линии связи «прибор – датчики» к первичным преобразователям и входам прибора.

  2. Подключить прибор к источнику питания.

    Предупреждение
    Перед подачей питания следует проверить величину его напряжения.

  3. Подать питание на прибор.

    Предупреждение
    Не рекомендуется подключать управляющие цепи до настройки прибора, чтобы избежать выхода из строя ИМ.
  4. Настроить прибор.

  5. Снять питание с прибора.

Назначение контактов клеммника

Graphic
Назначение контактов клеммника

Подключение по интерфейсу USB

Для настройки прибора следует использовать интерфейс USB (см. раздел). Настройку следует производить в Owen Configurator (далее — Конфигуратор). Подключение к Конфигуратору описано в разделе.

Примечание
USB предназначен только для настройки.

Для подключения по USB следует использовать кабель USB type C — USB A.

Примечание
Кабель USB в комплект не входит.

Допускается настройка прибора по интерфейсу USB без подачи основного питания. При питании от USB входы, выходы, интерфейс RS–485 и ИП24 не работают.

Подключение по интерфейсу RS-485

Для организации обмена данными в сети по протоколу Modbus необходим «мастер» сети. Основная функция мастера сети – инициализировать обмен данными между отправителем и получателем. В качестве мастера сети следует использовать ПК с подключенным адаптером интерфейса «ОВЕН» или приборы с функцией мастера сети Modbus (например, ПЛК и др.).

Все приборы в сети соединяются в последовательную шину. Пример соединения приборов представлен на рисунке. Для качественной работы приемопередатчиков и предотвращения влияния помех на концах линии связи следует установить согласующие резисторы на 120 Ом. Резистор следует подключать непосредственно к клеммам прибора.

Пример

Прибор подключается к ПК через адаптер интерфейса RS-485 ↔ USB, в качестве которого можно использовать АС4-М компании «ОВЕН».

Graphic
Подключение приборов по сети RS-485

Для работы по интерфейсу RS-485 следует:

  1. Подать питание на прибор.

  2. Подключить прибор к сети RS-485.

  3. Задать сетевые параметры прибора (см. раздел).

Список регистров Modbus приведен в Приложении Б.

Подключение ко встроенному источнику питания 24 В

Предупреждение
От клемм ИП24 можно питать только датчики и аналоговые ВУ, подключаемые к прибору. К встроенному источнику питания запрещено подключать другие приборы.

Максимальный выходной ток ИП24 – 180 мА. Пример схемы подключения приведен ниже.

Graphic
Подключение токового датчика с питанием от ИП24

Подключение датчиков

Общие сведения

Примечание
Для того чтобы избежать взаимного влияния каналов при работе, следует отключать датчики на неиспользуемых входах не только физически, но и программно.

Входные измерительные устройства в приборе являются универсальными, т. е. к ним можно подключать любые сочетания датчиков из перечисленных в таблице.

Опасность
Для защиты входных цепей прибора от возможного пробоя зарядами статического электричества, накопленного на линиях связи «прибор – датчик», перед подключением к клеммнику прибора следует обесточить датчик и соединить его жилы на 1–2 секунды с контактом функционального заземления (FE) щита.

Во время проверки исправности датчика и линии связи следует отключить прибор от сети питания.

Чтобы избежать выхода прибора из строя во время проверки электрического контакта в цепях, следует использовать измерительные устройства с напряжением питания не более 4,5 В. При более высоких напряжениях питания таких устройств отключение датчика от прибора обязательно.

Параметры линии связи прибора с датчиком приведены в таблице.

Параметры линии связи прибора с датчиками
Тип датчикаСопротивление линии*, Ом, не болееИсполнение линии
ТС, терморезисторы15Трехпроводная или двухпроводная, провода равной длины и сечения
ТП, пирометры100Термоэлектродный кабель (компенсационный)
Сигнал постоянного тока:Двухпроводная
  от 0 до 5 мА, не более2000
  от 0 до 20 мА, не более500
  от 4 до 20 мА, не более
Сигнал напряжения постоянного тока100Двухпроводная
Примечание
* Указано максимальное сопротивление соединительных проводов, за исключением токовых датчиков.
Предупреждение
На схемах подключения вместо номера входа (выхода) указан X (например, Х-1). Рекомендуется контролировать подключение по гравировке на корпусе.

Подключение цифровых (дискретных) сигналов к входу

Цифровой (дискретный) режим входа служит для управления режимом автоматического регулирования. Работа входа настраивается в параметрах меню IN (см. раздел).

Graphic
Схема подключения к входу, работающему в цифровом (дискретном) режиме

Подключение ТС по трехпроводной схеме

Трехпроводная схема подключения ТС представлена на рисунке ниже.

Graphic
Трехпроводная схема подключения ТС

Подключение ТС по двухпроводной схеме

Двухпроводная схема подключения ТС представлена на рисунке ниже.

Graphic
Двухпроводная схема подключения ТС

Для компенсации сопротивления проводов при двухпроводной схеме подключения следует:

  1. Перед началом работы установить перемычки между контактами Вход Х-1 и Вход Х-2 клеммника прибора, а двухпроводную линию подключить к контактам Вход Х-2 и Вход Х-3.
  2. Подключить к противоположным от прибора концам линии связи вместо ТС магазин сопротивлений с классом точности не ниже 0,05 (например, Р4831).
  3. Установить на магазине сопротивлений значение, равное сопротивлению ТС при температуре 0 °С (в соответствии с НСХ используемого ТС).
  4. Подать питание на прибор.
  5. Скорректировать показания прибора в точке 0 °С в соответствии с разделом.

    Примечание
    Если требуется, компенсацию соединительных проводов при подключении ТС по двухпроводной схеме следует проводить в соответствии с разделом.
  6. Выйти из меню и убедиться, что отклонение значения от НСХ на ЦИ не превышает допустимой абсолютной погрешности для используемого ТС.

    Пример расчета допустимой абсолютной погрешности для датчика типа 100М:

    Graphic

    где Δ – абсолютная погрешность измерения;

    γ = 0,25 % (см. таблицу) – основная приведенная погрешность;

    Xn = 380 °С (от минус 180 до плюс 200 °С, см. таблицу) – полный диапазон измерений.

    Graphic

    Максимальная величина отклонения показаний прибора от 0 °С для датчика типа 100М не должна превышать 0,95 °С.

  7. Отключить питание прибора, отсоединить линию связи от магазина сопротивлений и подключить ее к ТС.

Если нет возможности использовать магазин сопротивлений, следует провести компенсацию сопротивления проводов по следующей схеме:

  1. Измерить суммарное сопротивление проводников соединительной линии.

  2. По таблице НСХ соответствующего датчика определить температуру, соответствующую измеренному сопротивлению линии.

  3. При подключенном датчике скорректировать фактически измеренную температуру в сторону увеличения на величину, определенную в предыдущем пункте.

Подключение ТП

Graphic
Схема подключения термопары

ТП к прибору следует подключать с помощью компенсационных (термоэлектродных) проводов. При подключении компенсационных проводов к ТП и к прибору следует соблюдать полярность, чтобы не возникли значительные погрешности при измерении.

Внимание
Рабочий спай ТП должен быть электрически изолирован от внешнего оборудования!

В приборе предусмотрена схема автоматической компенсации температуры свободных концов ТП. Датчик температуры «холодного спая» установлен рядом с клеммником прибора. ДХС можно отключать и включать из меню прибора.

Подключение датчиков с выходным сигналом силы постоянного тока или напряжения постоянного тока

Предупреждение
При питании всех датчиков с выходным сигналом силы постоянного тока или напряжения постоянного тока от одного блока питания, при обрыве на одном из датчиков возможно влияние на показания соседних каналов. Это происходит из за отсутствия гальванической развязки между каналами. Для предотвращения подобных случаев рекомендуется использовать отдельные блоки питания на каждый канал.
Примечание
Если вход настроен на измерение напряжения или тока, то при включении прибора на дисплее в течение 10–15 с может отображаться ошибка nO.dt, которая пропадает после того, как на входе установится рабочий режим.

Подключать датчики можно непосредственно к входным контактам прибора.

Graphic
Схема подключения активного датчика с выходом в виде сигнала напряжения постоянного тока от –50 до +50 мВ или от 0 до 1 В
Graphic
Схема подключения активного датчика с выходом в виде сигналом напряжения постоянного тока от 0 до 5 В и от 0 до 10 В
Graphic
Схема подключения пассивного датчика с выходным сигналом силы постоянного тока от 0 до 5 мА или от 0(4) до 20 мА

Пассивные датчики можно питать от прибора (см. раздел, параметр LOOP).

Graphic
Схема подключения пассивного датчика с выходным сигналом силы постоянного тока от 0 до 5 мА или от 0(4) до 20 мА с питанием от прибора
Graphic
Подключение датчика с выходным сигналом силы постоянного тока с питанием встроенного в прибор источника питания

Подключение датчика положения

Датчик положения предназначен для определения степени открытия запорно-регулирующего клапана, задвижки, и т. п.

Прибор обрабатывает сигналы:

  • датчиков положения резистивного типа с сопротивлением от 0,1 до 4,7 кОм;
  • датчиков с выходным сигналом силы постоянного тока от 4 до 20 мА.

Graphic
Подключение датчика положения резистивного типа

Схемы подключения датчиков положения с выходным сигналом силы постоянного тока от 4 до 20 мА аналогичны представленным на рисунках .

Датчик положения с выходным сигналом силы постоянного тока подключается к прибору так же, как датчик с выходным сигналом силы постоянного тока.

Для датчика положения задается только его тип, а выходной сигнал автоматически нормируется прибором в зависимости от параметров IND.L и IND.H.

Если показания датчика любого типа не совпадают с ВУ, то их можно корректировать (см. раздел).

Подключение нагрузки к ВУ

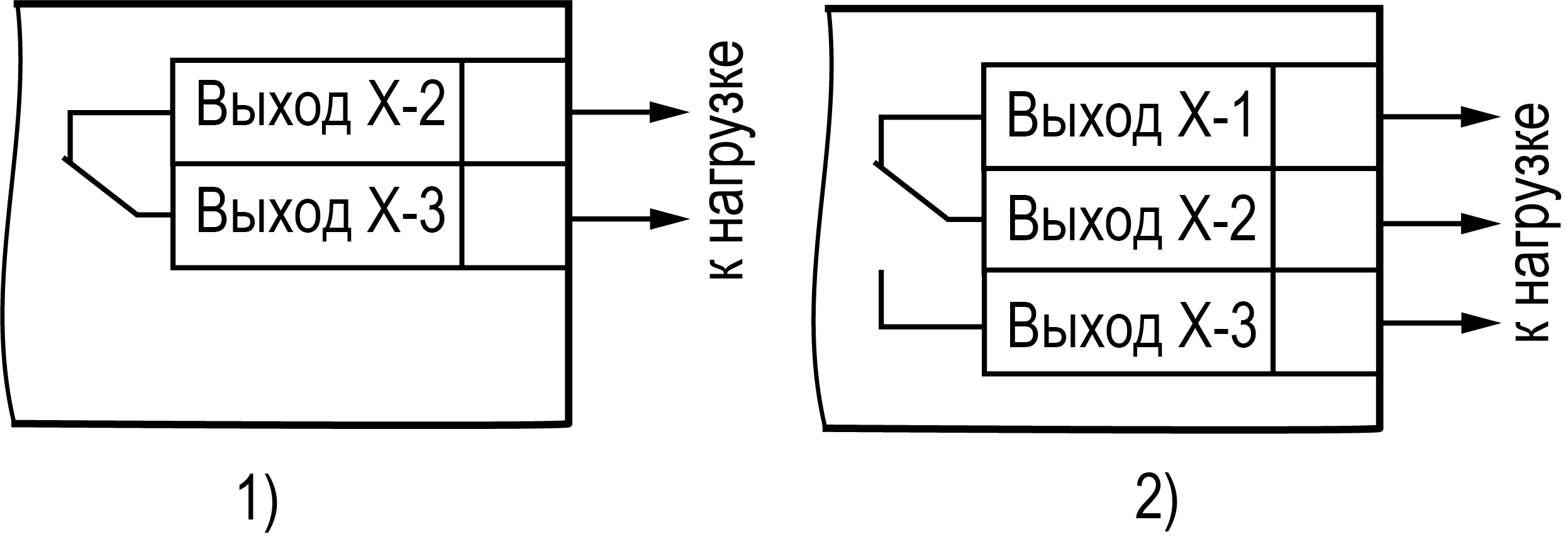
Подключение нагрузки к ВУ типа «Р»

Graphic
Подключение нагрузки к ВУ типа «Р»: 1) к выходам 1 ...4, 2) к выходам 5 ...8

Схема подключения нагрузки к ВУ типа «Р» приведена на рисунке.

Подключение нагрузки к ВУ типа «К»

Graphic
Схема подключения нагрузки к ВУ типа «К»

Транзисторная оптопара применяется, как правило, для управления силовым транзистором или низковольтным электромагнитным и твердотельным реле. Чтобы избежать выхода из строя транзистора из-за большого тока самоиндукции, следует установить диод VD1, рассчитанный на ток не менее 1 А и напряжение не менее 100 В, параллельно обмотке внешнего реле Р1.

Подключение нагрузки к ВУ типа «Т»

ВУ типа «Т» нужно для подключения твердотельных реле, которые рассчитаны на управление постоянным напряжением от 4 до 6 В с током управления не более 40 мА.

Graphic
Схема подключения нагрузки к ВУ типа «Т»

Внутри ВУ установлен ограничительный резистор Rогр номиналом 24 Ом.

Выход выполнен на основе транзисторного ключа n-p-n-типа и имеет два состояния:

  • от 0,0 до 0,7 В — низкий уровень («логический ноль»);
  • от 4 до 6 В — высокий уровень («логическая единица»).

Внимание
Длина соединительного кабеля между прибором с выходом Т и твердотельным реле не должна превышать 3 м.

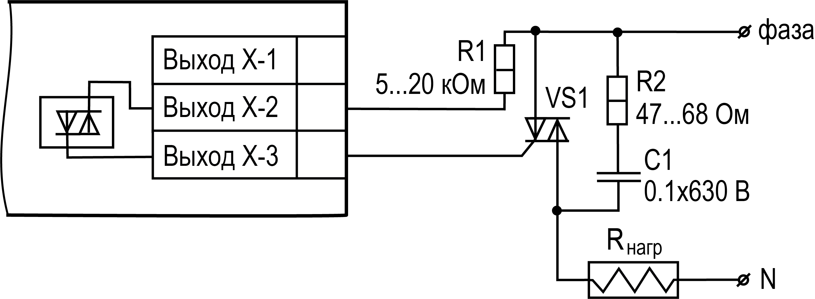
Подключение нагрузки к ВУ типа «С»

Оптосимистор следует включать в цепь управления силового симистора через ограничивающий резистор R1. Значение сопротивления резистора определяет величина тока управления симистора.

Graphic
Схема подключения силового симистора к ВУ типа «С»

Оптосимистор может также управлять парой встречно-параллельно включенных тиристоров VS1 и VS2. Для предотвращения пробоя тиристоров из-за высоковольтных скачков напряжения в сети к их выводам рекомендуется подключать фильтрующую RC-цепочку (R2C1).

Graphic
Схема встречно-параллельного подключения двух тиристоров к ВУ типа «С»

Подключение нагрузки к ВУ типа «И»

Для работы ЦАП «параметр — ток 4…20 мА» нужно использовать внешний источник питания постоянного тока.

Graphic
Подключение к ВУ типа «И»

Допустимый диапазон напряжения источника питания рассчитывается следующим образом:

Uп.min = 7,5 В + 0,02 А ∙ Rн – минимальное допустимое напряжение источника питания, не менее 12 В,

Uп.max = Uп.min + 2,5 В – максимальное допустимое напряжение источника питания, не более 30 В,

где Rн – сопротивление нагрузки ЦАП, не более 500 Ом.

Внимание

Внешний источник питания и прибор рекомендуется подключать к одной питающей сети.

Источники питания прибора и ЦАП должны быть гальванически развязаны. Не допускается питание прибора и ЦАП от одного источника.

Для подключения к ВУ типа «И» можно использовать канал встроенного источника питания 24 В.

Если напряжение источника питания ЦАП превышает расчетное значение Uп.max, то последовательно с нагрузкой необходимо включить ограничительный резистор Rогр.

Graphic
Подключение к ВУ типа «И» с ограничивающим резистором

Сопротивление Rогр рассчитывается по формулам:

Graphic Graphic Graphic

где Rогр – номинальное значение ограничительного резистора, Ом;

Rогр.min – минимально допустимое значение ограничительного резистора, Ом;

Rогр.max – максимально допустимое значение ограничительного резистора, Ом.

Внимание
Напряжение источника питания ЦАП не должно превышать 30 В.

Подключение нагрузки к ВУ типа «У»

Внимание

Внешний источник питания и прибор рекомендуется подключать к одной питающей сети.

Источники питания прибора и ЦАП должны быть гальванически развязаны. Запрещено подключать прибор и ЦАП к одному источнику питания.

Graphic
Схема подключения нагрузки к ВУ типа «У»

Для работы с нагрузкой типа «У» к ВУ следует подключить внешний источник питания постоянного тока с напряжением Uп в диапазоне от 16 до 30 В.

Для подключения к ВУ типа «У» можно использовать канал встроенного источника питания 24 В (только для модификации прибора с ИП24).

Сопротивление нагрузки RН, подключаемой к ЦАП, должно быть не менее 2 кОм.

Внимание
Напряжение источника питания ЦАП не должно превышать 30 В.

Эксплуатация

Принцип работы

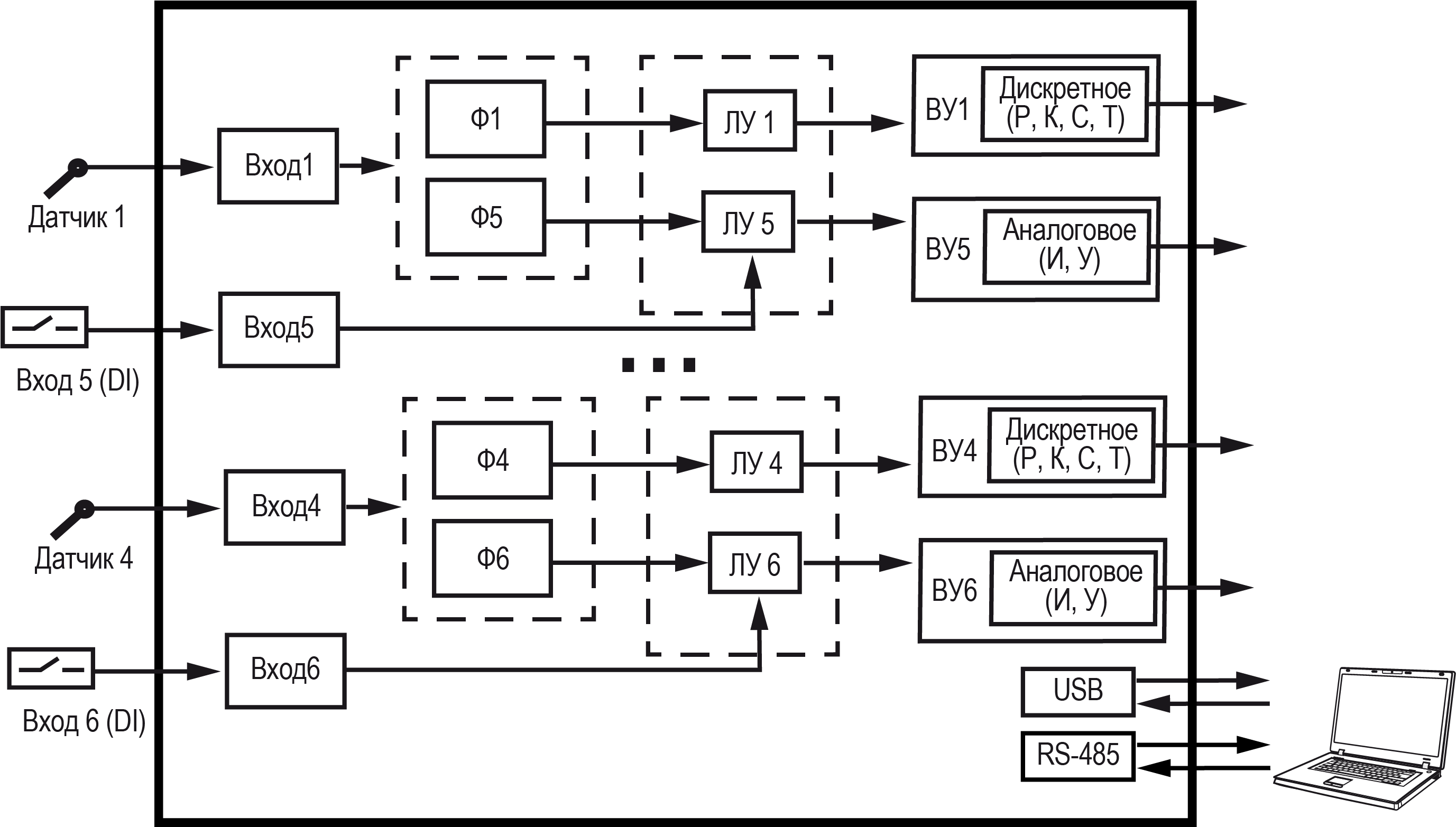
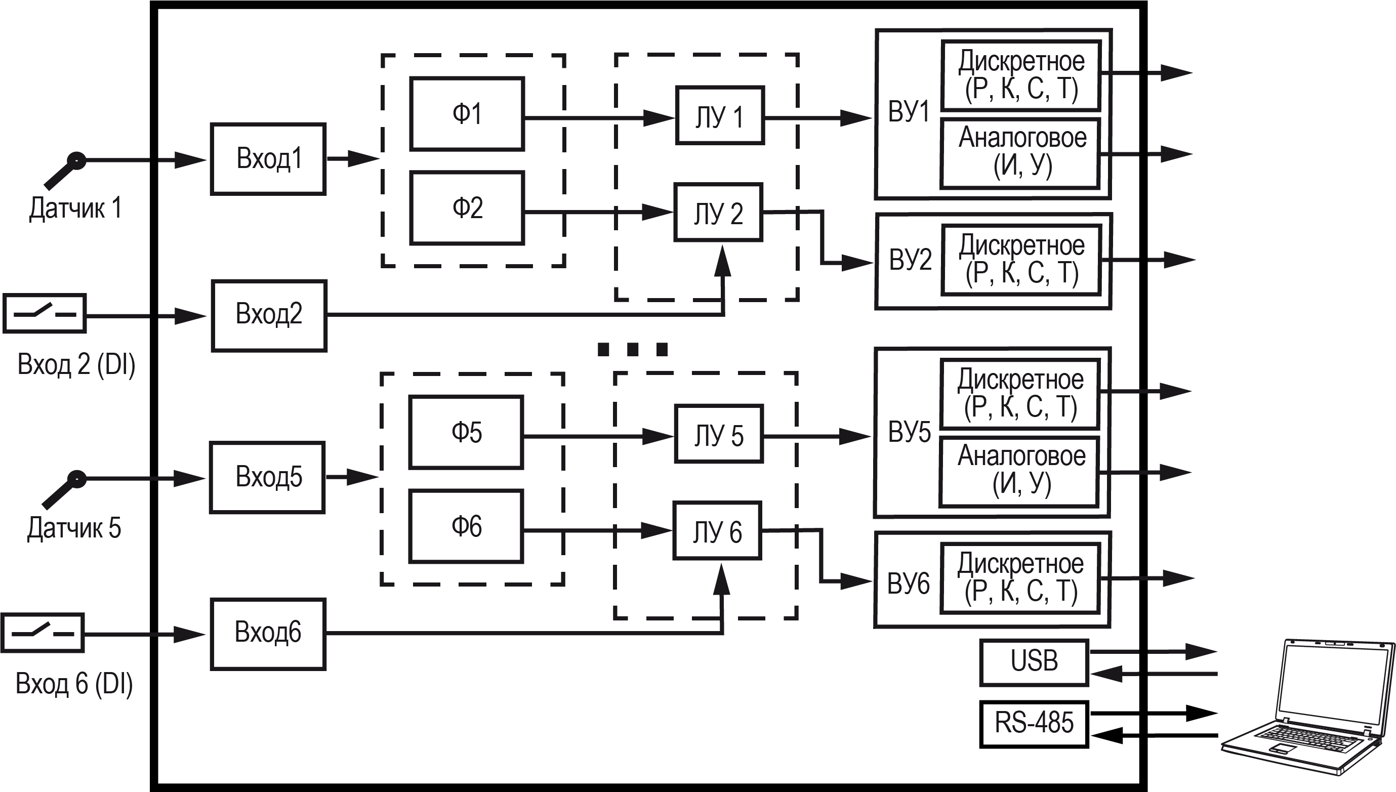
Функциональная схема прибора приведена на рисунке.

Graphic
Функциональная схема. Показана одна из возможных конфигураций обработки внешних сигналов

На схеме отмечены:

  • Датчик 1 ... 6 – первичные преобразователи (датчики) для контроля физических параметров объекта;

  • Вход1 … Вход 6 – входные измерительные модули прибора для преобразования сигналов датчиков в цифровые значения для вычисления необходимых для работы прибора математических величин. Каждый вход обрабатывает сигнал только подключенного к нему датчика.

  • Ф1 … Ф 6 – блок математической функции. В зависимости от настроек, выходной сигнал одного входа можно обработать восемью функциями.

  • ЛУ1 … ЛУ 6 – логические устройства для формирования сигналов управления ВУ и для вывода измеренных значений входных параметров на ЦИ.

  • ВУ1 … ВУ 6 – выходные устройства для передачи сигналов, сформированных ЛУ, на входах. ВУ жестко привязаны к ЛУ*.

Примечание
* Для управления дискретной задвижкой одно ЛУ управляет двумя ВУ одновременно.

Для управления дискретной задвижкой можно использовать только ЛУ1 … ЛУ3.

Таблица соответствия ЛУ и ВУ в режиме управления дискретной задвижкой

ЛУ

ВУ для управления дискретной задвижкой

ЛУ1

ВУ1 и ВУ2

ЛУ2

ВУ3 и ВУ4

ЛУ3

ВУ5 и ВУ6

Сигнал на входе преобразуется в соответствии с типом выбранного датчика. Для датчиков ТС и ТП сигнал преобразовывается в значение температуры согласно НСХ выбранного датчика. Для датчиков с выходными сигналами силы постоянного тока или постоянного напряжения выполняется линейное преобразование сигнала. Датчик положения используется для отображения положения задвижки, но не используется для регулирования.

При обработке измеренного значения могут быть использованы следующие функции:

  • цифровая фильтрация измерений (для ослабления влияния внешних импульсных помех);

  • коррекция измерительной характеристики датчиков (для устранения начальной погрешности преобразования входных сигналов и погрешностей, вносимых соединительными проводами);

  • математические функции.

ВУ управляется на основании данных:

  • полученных со входа или входов, в случае их группировки для одного или нескольких ЛУ;

  • из ЛУ и преобразованных в соответствии с настройками ЛУ.

В результате сравнения ЛУ подает команду на управление ВУ в соответствии с выбранной логикой. ЛУ можно объединять в группы по признаку одновременного включения/выключения.

Прибор имеет следующие режимы работы:

Режимы работы
Режим работыОписание

Автоматическое регулирование

Процесс регулирования в автоматическом режиме. Значение уставки сравнивается с измеренным сигналом на входе. В зависимости от выбранной логики работы ЛУ, формируется сигнал управления на ВУ

Ручное регулирование

Ручное управление выходной мощностью (выходом) с помощью ЦАП (для аналоговых выходов) и/или ШИМ (для дискретных ВУ). Без обратной связи по входу

Стоп

Процесс регулирования остановлен. Выходы в безопасном состоянии

Авария

Процесс регулирования остановлен по причине аварии. Выходы в безопасном состоянии

При перезапуске прибора по питанию, режим работы можно задать в параметре STR.S.

Прибор отслеживает следующие ошибки:

  • внутренние ошибки;

  • ошибки на входе: обрыв датчика, выход показаний за диапазон измерений;

  • ошибки на выходе: обрыв контура регулирования.

В случае появления ошибок прибор переходит в режим Авария. Внутренние ошибки и ошибки на входе выводятся на ЦИ.

Любой тип аварии приводит к остановке регулирования. Каждый канал отключается независимо друг от друга (только если данные с другого аварийного входа не участвуют в вычислении для ЛУ).

Авария снимается одним из следующих способов:

  • путем перевода прибора в режим Стоп или режим ручного регулирования и повторным запуском в режим автоматического регулирования;

  • автоматически при восстановлении показаний датчиков.

Общие принципы ПИД-регулирования

На выходе ПИД-регулятора вырабатывается управляющий (выходной) сигнал Yi, действие которого направлено на уменьшение отклонения Ei:

Graphic

где Xp – полоса пропорциональности (настраиваемый параметр P);

Ei – разность между заданными Tуст и текущими Ti значением измеряемой величины, или рассогласование;

τд – постоянная времени дифференцирования (настраиваемый параметр d — «дифференциальная постоянная ПИД-регулятора»);

ΔEi – разность между двумя соседними измерениями Ei и Ei–1;

Δtизм – время между двумя соседними измерениями Ti и Ti–1;

τи – постоянная времени интегрирования (настраиваемый параметр i — «интегральная постоянная ПИД-регулятора»);

Graphic – накопленная сумма рассогласований.

Из формулы видно, что во время ПИД-регулирования сигнал управления зависит от:

  • разницы между текущим параметром Ti и заданным значением Tуст измеряемой величины Ei, которая реагирует на мгновенную ошибку регулирования (отношения Graphic);
  • скорости изменения параметра Graphic, которая позволяет улучшить качество переходного процесса, выражение Graphic называется дифференциальной составляющей выходного сигнала;
  • накопленной ошибки регулирования Graphic, которая позволяет добиться максимально быстрого достижения температуры уставки, выражениеGraphic называется интегральной составляющей выходного сигнала.

Для эффективной работы ПИД-регулятора следует задать оптимальные для конкретного объекта регулирования значения коэффициентов Xр, τд и τи, которые можно определить в режиме автонастройки или в режиме ручной настройки.

Работа ПИД-регулятора при изменении режимов работы прибора

Переход из режима автоматического регулирования в режим ручного регулирования и наоборот происходит безударным способом, т.е. значение мощности Out.P сохраняется. Все накопленные интегральные и дифференциальные составляющие сохраняются и действуют при возвращении в режим автоматического регулирования. Для режима ручного регулирования ограничение выходной мощности не действует.

При переходе в режим Стоп все накопленные интегральные и дифференциальные составляющие сбрасываются. Выходная мощность ВУ составляет значение StP.S. В режиме Стоп прибор может поддерживать заданную выходную мощность, но не отслеживает состояние входа.

В режиме Авария также происходит сброс интегральной и дифференциальной составляющей. Выходная мощность ВУ принимает значение Err.S. В режиме Авария прибор может поддерживать заданную выходную мощность, но не отслеживает состояние входа.

При перезагрузке прибора или смене режима параметры PID.P, PID.I, PID.D не сбрасываются. Накопленные интегральная и дифференциальная составляющая не изменяются.

Управление и индикация

На лицевой панели прибора расположены элементы индикации и управления:

  • два четырехразрядных ЦИ;

  • одноразрядный ЦИ;

  • десять светодиодов;

  • четыре кнопки.

Назначение индикаторов и кнопок приведено в таблицах ниже.

Graphic
Лицевая панель: 1) ЦИ1, 2) ЦИ2, 3) ЦИ3
Назначение цифровых индикаторов

Состояние прибора

Отображаемая информация (для настроек по умолчанию)

ЦИ1ЦИ2ЦИ3

Загрузка*

Наименование прибора

Версия встроенного ПО

Регулирование

Если в настройках отображения выбрано PV, то будет отображаться значения со входа.

Если FUN - значение функции ЛУ (см. раздел)

Номер ЛУ

Значение уставки или мощности на выходе

Меню

Название параметра настройки

Номер отображаемого канала

Значение параметра настройки

Название группы параметров

Номер отображаемого канала

Надпись MEnu

Авария

Обозначение ошибки выбранного канала (см. таблицу)

Номер отображаемого канала

Авария LBA.

Когда логика выключена (не выбран тип логики) отображается L.OFF

Примечание
* После подачи питания, на лицевой панели прибора светятся все индикаторы. Потом на ЦИ появляется справочная информация, указанная в строке «Загрузка»
Назначение светодиодов

Светодиод

Состояние

Назначение

РАБОТА

Светится

Текущий регулятор/регистратор включен

Мигает

Текущий регулятор/регистратор в ручном режиме

Не светится

Текущий регулятор/регистратор отключен

СТОП

Светится

Остановлена работа всех регуляторов

Не светится

Разрешена работа регуляторов

АВАРИЯ

Светится

Текущее логическое устройство в аварийном состоянии

Мигает

Неактивное логическое устройство в аварийном состоянии

Не светится

Аварий нет

RS

Светится

Обнаружены данные по интерфейсу RS-485

Мигает

Обнаружен пакет, предназначенный для данного устройства

Не светится

Нет обмена данными по интерфейсу RS-485

Выходы 1...6СветитсяСоответствующий выход в состоянии: ”замкнуто” для дискретных ВУ
МигаетПропорционально выходному сигналу для аналогового ВУ

Не светится

Соответствующий выход в состоянии: ”разомкнуто” для дискретных ВУ
Назначение кнопок

Кнопка

Режим

Тип нажатия

Назначение

GraphicРабота

Удержание

Вход в меню выбора режима работы группы ЛУ:

  • runавтоматическое регулирование;

  • MAnручное регулирование;

  • StOPСтоп

РедактированиеОднократное нажатие

Возврат в меню

МенюОднократное нажатие

Выход из подпункта меню

Удержание

Переход на главный экран. Выход из сервисного режима

Graphic

РаботаОднократное нажатие

Навигация по главному экрану вверх, циклично

РедактированиеОднократное нажатие

Увеличение значения на один минимальный разряд.

Если в подгруппе меню, то переход к следующей подгруппе меню, циклично

Удержание

Непрерывное увеличение значения с изменяемой скоростью нарастания и шагом, с округлением

МенюОднократное нажатие

Навигация по списку меню вверх, если первый пункт меню, то действие игнорируется

Удержание

Переход в первый пункт меню

Graphic

РаботаОднократное нажатие

Навигация по главному экрану вниз, циклично

РедактированиеОднократное нажатие

Уменьшение значения на один минимальный разряд.

Если в подгруппе меню, то переход к предыдующей подгруппе меню, циклично

Удержание

Непрерывное уменьшение значения с изменяемой скоростью нарастания и шагом, с округлением

МенюОднократное нажатие

Навигация по списку меню вниз, если первый пункт меню, то действие игнорируется

Удержание

Переход в последний пункт меню

GraphicРаботаОднократное нажатиеПереход в режим редактирования, если разрешено редактирование данного параметра
Удержание

Переход в основное меню

РедактированиеОднократное нажатие

Запись значения параметра, возврат в меню.

Выход из режима редактирования подгруппы меню произойдет при отпускании кнопки

Бездействие 5 секунд

Запись параметров, только при редактировании параметров главного экрана и меню режимов работы

МенюОднократное нажатиеПереход в подпункт меню или переход в режим редактирования, если разрешено редактирование данного параметра
Удержание

Переход в режим редактирования подгруппы меню

Просмотр параметраУдержание + нажатие

Graphic

или

Graphic

Смена канала для выбранного параметра. Для того, чтобы поменять выбранный для редактирования канал, необходимо удерживать кнопку Graphic. Индикатор ЦИ2 начнет мигать. Кнопками Graphic и Graphic выбрать нужный для редактирования канал

Graphic

+

Graphic

РаботаУдержание Переход в меню настройки доступа (см. раздел)

Graphic

+

Graphic

РаботаУдержание Переход в меню выбора встроенной конфигурации (см. раздел)
Graphic и GraphicРаботаУдержание Сброс на заводские настройки (см. раздел)
Индикация аварий на ЦИ

Отображаемое значение

Наименование обозначений

HI

Вычисленное значение выше допустимого предела отображения

LO

Вычисленное значение ниже допустимого предела отображения

HHHH

Измеренное значение входной величины выше допустимого предела

LLLL

Измеренное значение входной величины ниже допустимого предела

|----|

Обрыв или неверное подключение датчика

NO.DT

Данные не готовы

OCL.H

ДХС превысил верхнюю границу измерения +100 °С (только для ТП)

OCL.L

ДХС превысил нижнюю границу измерения –50 °С (только для ТП)

A.ERR

Ошибка связи с АЦП

OFF*

Канал измерения выключен

F.ERR

Ошибка вычисления функции

LBA

Обрыв контура регулирования

S.MOD*Сервисный режим
Примечание
* Не является аварией, но прибор перестает измерять входной сигнал.

Включение и работа

Внимание
Любая ошибка в настройке параметров прибора приведет к некорректной работе алгоритма. Настройка прибора должна производиться квалифицированным персоналом, который ознакомлен с данным РЭ. При возникновении трудностей в настройке рекомендуется обращаться в техническую поддержку support@owen.ru.
Предупреждение

В случае изменения температуры окружающего воздуха с низкой на высокую в приборе возможно образование конденсата. Чтобы избежать выхода прибора из строя рекомендуется выдержать прибор в выключенном состоянии не менее 1 часа.

Прибор переходит к работе автоматически после подачи питания, если параметр STR.S = RUN.

В процессе работы прибор измеряет физические величины с помощью датчиков. Результаты измерений для выбранного канала или результата вычисления, если к измеренному значению ИМ применена функция выводятся на ЦИ-1. Номер канала отображается на ЦИ-2.

Если главный экран настроен* на отображение уставки выбранного типа логики, можно во время работы прибора изменять уставки контролируемых величин в пределах допустимого диапазона значений. В этом случае перейти к изменению уставки можно выбрав необходимый ЦИ нажатием кнопок Graphic или Graphic. После этого нажать Graphic и выбрать необходимое значение с помощью кнопок Graphic или Graphic.

Если нажать Graphic + Graphic, то значение умножается на 10. Если нажать Graphic + Graphic, то значение делится на 10.

Если любую из кнопок нажать и удерживать (дольше 2 с), уставка будет изменяться непрерывно, с изменяющейся скоростью. Новое значение уставки начинает действовать сразу же после его записи в энергонезависимую память прибора после нажатия кнопки Graphic или бездействия в течение 5 с.

Примечание
* Порядок настройки главного экрана см. в разделе.

Для выбора режима работы следует:

  1. Нажать и удерживать (2 секунды) кнопку Graphic на любом экране.

  2. Выбрать режим кнопками Graphic и Graphic.

  3. Подтвердить выбор кнопкой Graphic.

Graphic
Схема переходов с главного экрана

Краткое описание предустановленных алгоритмов работы

Краткое описание предустановленных алгоритмов работы
Краткое описаниеНа ЦИСхема
6 независимых регуляторов. Показания каждого датчика привязаны к соответствующему ЛУ. Каждое ЛУ выдает сигнал на советующий ему ВУ. Конфигурация доступна на любом типе ВУ6.REG
Graphic
3 канальный регулятор с регистрацией. К одному каналу управления привязано 2 ЛУ (регулятор + регистратор). Конфигурация доступна только если выходы 4...6 аналогового типа. Запуск работы канала по внешнему сигналу от дискретного входа3R.AO
Graphic
3 канальный регулятор с сигнализацией перегрева. К одному каналу управления привязано 2 ЛУ (регулятор + сигнализатор). Конфигурация доступна только если выходы 2, 4, 6 дискретного типа. Запуск работы канала по внешнему сигналу от дискретного входа3R.DO
Graphic
3 канальный регулятор влажности с сигнализацией. Аналог конфигурации 3R.DO только с вычислением влажности по 2-м датчикам. Конфигурация доступна только если выходы 2, 4, 6 дискретного типа. Запуск работы канала по внешнему сигналу от дискретного входа3H.DO
Graphic
3 канальный регулятор влажности с логикой регистратора. Аналог конфигурации 3R.AO только с вычислением влажности по 2-м датчикам. Конфигурация доступна только если выходы 4...6 аналогового типа. Запуск работы канала по внешнему сигналу от дискретного входа3H.AO
Graphic
Управление 3 контурами отопления/ГВС клапанами «больше/меньше». Конфигурация доступна для выбора только если все ВУ дискретного типа. Запуск работы канала по внешнему сигналу от дискретного входа3.VLV
Graphic

Настройка

Настройка с помощью Owen Configurator

Прибор можно настроить с помощью интерфейса USB или RS-485.

Для подключения к прибору следует указать:

  1. Номер СОМ-порта, к которому подключен прибор (преобразователь АС4–М для настройки через RS-485). Номер СОМ можно уточнить в Диспетчере устройств Windows.

    Примечание
    К одному ПК по USB можно подключать только один прибор
  2. Протокол — Modbus RTU.

  3. Скорость — 9600.

  4. Модель прибора (выбрать из выпадающего списка Устройства в категории Регуляторы).

  5. Любой адрес для USB или 16* для настройки через RS-485.

    Примечание
    * Значение по умолчанию, можно изменить из прибора (см. раздел).
  6. Нажать кнопку Добавить.

Более подробно о подключении и работе с прибором можно прочитать в справке Конфигуратора. Справка вызывается по нажатию клавиши F1.

Настройка параметров с помощью кнопок на лицевой панели

Graphic
Структура меню

Текущий параметр редактируется кратковременным нажатием кнопки Graphic.

Для смены номера входа следует повторить действия с рисунка ниже.

Graphic
Смена номера канала

Чтобы избежать неверной настройки прибора, рекомендуется следующая последовательность:

  1. Настроить входы (см. раздел).

  2. Настроить ЛУ (см. раздел).

  3. Настроить ВУ (см. раздел).

  4. Если требуется, настроить CHNL (см. раздел).

Настройка входов

Для каждого входа параметры повторяются. Для смены номера входа следует повторить действия с рисунка ниже.

Graphic
Смена номера канала
Примечание
Некоторые параметры скрываются в зависимости от типа датчика
Параметры входов

Параметр

Значения (1)

По умолчанию (2)

Описание

(1)(2)

PV*

от –1999 до 9999

Измеренная величина на входе или код ошибки

ERR*

Ошибка на входе
HHHH

Измеренное значение входной величины выше допустимого предела

LLLL

Измеренное значение входной величины ниже допустимого предела

| - - |

Обрыв или неверное подключение датчика

NO.DT

Данные не готовы

OCL.H

ДХС превысил верхнюю границу измерения +100 °С, только для типов датчиков – термопара

OCL.L

ДХС превысил нижнюю границу измерения -50 °С, только для типов датчиков – термопара

A.ERR

Ошибка связи с АЦП

tYPE

OFF

OFF

Тип датчика.

Типы датчиков см. в приложении А

Типы датчиков

PRRT

V.HIG

HIGH

NORM

LOW

V.LOW

NORM

Приоритет опроса датчиков, чем выше значение переменной, тем выше приоритет датчика. Периодичность опроса датчика – древовидная, в один цикл опроса опрашиваются все датчики наивысшего приоритета и один датчик с более низким приоритетом. Первый опрос после запуска проводится с линейной периодичностью

FiL.b

OFF

OFF

Полоса фильтра.

Позволяет отфильтровать единичные помехи. Полоса фильтра задается в единицах измеряемой величины.

Ti – измеренное абсолютное значение сигнала.

Ti-1 – предыдущее абсолютное значение сигнала.

Если Ti > Ti-1 ± FiL.b, то Ti присваивается значение Ti-1 ± FiL.b (в зависимости от движения значения вверх или вниз) и FiL.b = 2 * FiL.b (значение полосы фильтра удваивается).

Если значение Ti < Ti-1 ± FiL.b, то значение FiL.b возвращается на первоначальное.

Малая ширина полосы фильтра приводит к замедлению реакции на быстрое изменение входной величины.

При низком уровне помех или при работе с быстро меняющимися процессами рекомендуется увеличить значение параметра FiL.b или отключить действие полосы фильтра, установив значение FiL.b = OFF.

В случае высокого уровня помех следует уменьшить значение параметра для устранения их влияния на работу прибора.

Graphic
Примечание
При смене типа датчика значение не сбрасывается

DeltaSens*

FiL.t

OFF

OFF

Постоянная времени фильтра (tф).

Интервал, в течение которого сигнал достигает 0,63 от значения каждого измерения Ti.

Значение сигнала рассчитывается по формуле:

Ti = Ti-tф + (Ti – Ti-tф) * 0,63.

Уменьшение значения FiL.t приводит к ускорению реакции на скачкообразные изменения температуры, но снижает помехозащищенность. Увеличение FiL.t повышает инерционность и подавляет шумы.

Graphic

от 1 до 999

ind.L

от –1999 до 9999

0.0

Параметры для приведения индикации измеренных значений тока и напряжения к значению физической величины.

Параметры настраиваются для сигналов от 0 до 5 мА, от 0 до 20 мА, от 4 до 20 мА, от –50 до +50 мВ, от 0 до 1 В, от 0 до 5 В, от 0 до 10 В, датчики положения. Для других типов датчиков данные параметры скрыты.

ind.L – индикация при минимальном значении сигнала (0 мА, 4 мА, –50 мВ, 0 В).

ind.H – индикация при максимальном значении сигнала (5 мА, 20 мА, +50 мВ, 1 В).

Все остальные промежуточные значения индикации располагаются линейно и высчитываются прибором по формуле:

T = ind.L + IX * (ind.Hind.L),

где IX – значение сигнала с датчика в единицах измерения датчика: мА, мВ, В. Диапазон соответствует датчику.

Пример

Используется датчик с выходным током от 4 до 20 мА, контролирующий давление в диапазоне от 0 до 25 атм.

В параметре ind.L задается значение 0.00, а в параметре ind.H значение 25.00. Теперь значения будут отображаться в атмосферах.

Graphic

ind.H

от –1999 до 9999

100.0

LOOP**

OFF

ON

OFF

Включение встроенного питания токовой петли

CH.1**

OFF

ON

OFF

Разрешение воздействия дискретного входа на группу каналов логических устройств с номером LOG.X

CH.2**
CH.3**
CH.4**
CH.5**
CH.6**
COR.A

0...2

1

Параметр коррекции компенсации погрешности подключенных датчиков. Множитель

Примечание
Не доступен для датчика D.STP
COR.B

DeltaSens***

0

Параметр коррекции компенсации погрешности подключенных датчиков. Смещение

Примечание
При выключенном датчике и больших значениях параметра произойдет выход за отображаемый диапазон и на ЦИ будет отображаться LO. Менять параметр рекомендуется при включенном датчике
Примечание
Не доступен для датчика D.STP.
Примечание

* Параметры доступны только по Modbus, на ЦИ не отображаются.

** Доступен только для токовых датчиков.

** SensMin – нижняя граница измерения датчика, SensMax – верхняя граница измерения датчика, DeltaSens – диапазон измерения датчика.

Коррекция показаний прибора

Измеренное прибором значение можно скорректировать, чтобы устранить начальную погрешность преобразования входных сигналов и погрешности, вносимые соединительными проводами.

График НСХ корректируется в зависимости от коэффициентов COR.A и COR.B:

Graphic
Graphic
Коррекция графика измерителя:

1) коррекция смещения

2) коррекция наклона

3) коррекция смещения и наклона

Кратковременное нажатие на кнопку Graphic отобразит на верхнем ЦИ значение смещения.

Если нажать кнопку Graphic, то прибор удалит точку корректировки. На ЦИ будет сообщение OFF.

Если нажать кнопку Graphic, удаление точки отменяется.

Примечание
Параметры коррекции сохраняются, даже если тип датчика был изменен.

Настройка ЛУ

В ручном режиме работы прибора ЛУ отключены.

Примечание
В зависимости от типа ВУ некоторые параметры скрываются.
Параметры ЛУ

Параметр

Значения (1)

По умолчанию (2)

Описание

(1)(2)

FUN.V*

от –1999 до 9999Вычисленное значение функции

ERR*

Ошибка ЛУ
HHHH

Измеренное значение входной величины выше допустимого предела

LLLL

Измеренное значение входной величины ниже допустимого предела

| - - |

Обрыв или неверное подключение датчика

NO.DT

Данные не готовы

OCL.H

ДХС превысил верхнюю границу измерения 100 °С, только для типов датчиков – термопара

OCL.L

ДХС превысил нижнюю границу измерения -50 °С, только для типов датчиков – термопара

F.ERR

Ошибка вычисления функции

LBA

Обрыв контура регулирования

L.TYPOFFOFF

Логическое устройство выключено. Регистр OUT.P управляет мощностью ВУ, которые подключены к данному логическому устройству, значение SP не сохраняется в энергонезависимой памяти

HEAT

Цифровое (дискретное) ВУ: нагреватель с гистерезисом.

Аналоговое ВУ: П-регулятор нагреватель

COOL

Цифровое (дискретное) ВУ: охладитель с гистерезисом

Аналоговое ВУ: П-регулятор охладитель

H.PID

ПИД-регулятор нагреватель

C.PID

ПИД-регулятор охладитель

ALRM

Сигнализатор. Прибор отслеживает ошибки и аварийные события в ходе своей работы. Ошибки могут быть внутренними, на входе и на выходе.

Ошибки на входе: обрыв датчика, короткое замыкание входа, выход показаний за диапазон измерений.

Ошибки на выходе: обрыв контура регулирования.

Примечание
Работает только на дискретных ВУ. В ином случае сбрасывается на OFF.
Примечание
Недоступен в ручном режиме
CONV

Нормирующий преобразователь. При аварии принимает значение ERR.S. Режим не имеет принудительной остановки, не имеет ошибки LBA и восстанавливается, когда ошибка на входе устранена

Примечание
Работает только на аналоговых ВУ. В ином случае сбрасывается на OFF.
Примечание
Недоступен в ручном режиме
H.VLV

ПИД-регулятор для задвижки, нагреватель

C.VLV

ПИД-регулятор для задвижки, охладитель

L.inПодменю логических функций на входе
FUN.TPV

Вычисление значения по выбранной функции.

Прибор производит математические операции со значениями, полученными на измерительных входах.

Вычисленное значение FUNC является источником данных для текущего ЛУ

IN

FUNC = IN.F[1]

SQRT

Корень квадратный из текущего значения

   FUNC = SQRT(IN.F[1])
SUM

Сумма значений каналов

   FUNC = Σ(IN.F[N] * CF[N])
Примечание
При выборе функции SUM следует указать минимум два аргумента для вычисления суммы. Если указать только один аргумент, логика работать не будет
ASUM

Средневзвешенная сумма значений каналов

   FUNC = Σ(IN.F[N] * CF[N]) / N
SQSM

Корень квадратный из средневзвешенной суммы значений каналов

   FUNC = SQRT (Σ(IN.F[N] * CF[N]) / N)
LoW

Минимальное значение

   FUNC = MIN(IN.F[N] * CF[N])
HiGH

Максимальное значение

   FUNC = MAX(IN.F[N] * CF[N])
diV

Соотношение двух входов

   FUNC = IN.F[0] / IN.F[1]

REG

Значения задаются внешним устройством по Modbus из регистра E.VAL

PSCH

Расчет влажности по психрометрическому методу

CHNL

CH.1

CH.2

CH.3

CH.4

CH.5

CH.6

CH.1

Список каналов логических устройств для группового изменения состояния работы, задает принадлежность данного логического устройства соответствующему каналу

DPT

0,

1,

2,

3,

AUTO = 4

4

Положение десятичной точки. Определяет отображение дробной части сигнала. Для значения AUTO точка автоматически смещается.

Если значение выходит за пределы отображения на индикаторе с учетом положения десятичной точки, то отображается значение LLLL или HHHH.

SP

FunMin ...

FunMax**

30

Уставка регулятора. Величина, которую прибор использует для обратной связи показаний датчика при управлении ВУ.

Единицы измерения: единицы измерения аналогового входа.

GrAFПодменю графиков уставок
GRF.I

OFF

IN 1

IN 2

IN 3

IN 4

IN 5

IN 6

OFF

Источник данных для графика уставок для канала

HYST

0...

DeltaFun

1

Для цифрового (дискретного) выхода: зона нечувствительности при переключении состояния выхода.

Для аналогового выхода: полоса пропорциональности.

LBaПодменю
LBa.t

OFF

1...9999

OFF

Функция диагностики обрыва контура регулирования. Описание работы функции см. раздел. LbA.t – время диагностики обрыва контура. При значении LbA.t = OFF функция диагностики обрыва контура регулирования выключена
LBa.b0...DeltaFun**10LbA.b – ширина зоны диагностики обрыва контура. Параметр появляется, если LbA.t отлично от OFF
IN.F.1

OFF

IN 1

OFF

Выбор источника входных данных для вычисления функции логического устройства.

Для IN.F.1 значение по умолчанию соответствует номеру логического устройства.

Для FUNC = PV | SQRT отображается в меню только IN.F.1.

IN.F.2IN 2

Для FUNC = PSCH отображается в меню только IN.F.1 и IN.F.2.

Для FUNC = SUM | ASUM | SQSM | MIN | MAX отображаются в меню все IN.F.X ≠ OFF и одно значение IN.F.X = OFF с минимальным порядковым номером.

IN.F.3IN 3
IN.F.4IN 4
IN.F.5IN 5
IN.F.6IN 6
CF.1

от -100 до 100

1

Коэффициент знака и веса для вычисления функции. CF.X отображается в меню, если IN.F.X ≠ OFF и/или FUN.T = IN

CF.2
CF.3
CF.4
CF.5
CF.6

A.tYP

SP.U

Тип логики срабатывания сигнализатора. Появляется, когда L.tYP = aLrM

OFF

Сигнализатор выключен

SP.П

Сигнализатор включается, когда измеренное значение находится в диапазоне SP ± A.bnd с учетом параметра HYST.

Параметр A.bnd – порог срабатывания сигнализатора.

Параметр HYST – гистерезис срабатывания сигнализатора.

Graphic

SP.u

Сигнализатор включается, когда измеренное значение находится вне диапазона SP ± A.bnd с учетом параметра A.HYS.

Параметр A.bnd – порог срабатывания сигнализатора.

Параметр HYST – гистерезис срабатывания сигнализатора.

Graphic

SP.Hi

Сигнализатор включается, когда измеренное значение превышает SP на величину A.bnd.

Параметр A.bnd – порог срабатывания сигнализатора.

Параметр HYST – гистерезис срабатывания сигнализатора.

Graphic

SP.Lo

Сигнализатор включается, когда измеренное значение ниже SP на величину A.bnd.

Параметр A.bnd – порог срабатывания сигнализатора.

Параметр HYST – гистерезис срабатывания сигнализатора.

Graphic

0.П

Сигнализатор включается, когда измеренное значение находится в диапазоне 0 ± A.bnd с учетом параметра A.HYS.

Параметр A.bnd – порог срабатывания сигнализатора.

Параметр HYST – гистерезис срабатывания сигнализатора.

Graphic

0.u

Сигнализатор включается, когда измеренное значение находится вне диапазона 0 ± A.bnd с учетом параметра A.HYS.

Параметр A.bnd – порог срабатывания сигнализатора.

Параметр HYST – гистерезис срабатывания сигнализатора.

Graphic

0.Hi

Сигнализатор включается, когда измеренное значение превышает ноль на величину A.bnd.

Параметр A.bnd – порог срабатывания сигнализатора.

Параметр HYST – гистерезис срабатывания сигнализатора.

Graphic

0.LO

Сигнализатор выключается, когда измеренное значение превышает ноль на величину A.bnd.

Параметр A.bnd – порог срабатывания сигнализатора.

Параметр HYST – гистерезис срабатывания сигнализатора.

Graphic
OUT.P

0...100

0

Выходная мощность ЛУ.

В ручном режиме и при выключенном типе регулятора – уставка мощности регулятора.

В автоматическом режиме – мощность передаваемая на ВУ

Примечание
При переходе из режима автоматического регулирования в режим ручного регулирования значение OUT.P не сохраняется
Man.V

-1

0

1

Направление движения задвижки в ручном режиме
SP.C

-1999...9999

Текущая уставка, передаваемая на ЛУ, может отличаться от ожидаемой уставки (см. параметр V.SP)

OUT.L

FunMin...

OUT.H

0

Нижняя граница выходного значения ВУ нормирующего преобразователя. Значение аналогового входа нормирующего преобразователя, которому соответствует 0 % ВУ.

Примечание
Работает только на аналоговых ВУ
OUT.H

OUT.L...

FunMax

Верхняя граница выходного значения ВУ нормирующего преобразователя. Значение аналогового входа нормирующего преобразователя, которому соответствует 100 % ВУ.

Примечание
Работает только на аналоговых ВУ
A.BND

0

DeltaFun

20

Порог срабатывания компаратора сигнализатора, Х на графике. Единицы измерения: единицы измерения аналогового входа

F.BLCOFFONOFF

Блокировка первого срабатывания компаратора.

Примечание

Параметр F.bLc не работает на логике работы компаратора 0.Lo.

Параметр появляется при L.TYP = ALrM.

ON – блокируется

OFF – не блокируется.

Примечание
Блокировка служит для предотвращения срабатывания сигнализатора при включении прибора до выхода системы управления на заданный режим работы. Если после включения прибора значение измеренного сигнала на входе находится вне аварийной зоны, то блокировка 1-го срабатывания сбрасывается.
Флаг обнуляется при переходе из режима Стоп в режим автоматического регулирования
PID.P

0.001...DeltaFun

10

Полоса пропорциональности ПИД-регулятора. Значения в единицах измерения с учетом положения десятичной точки

PID.I

0...3999

10

Интегральная постоянная ПИД-регулятора. При I = 0 в регуляторе отключается действие интегральной составляющей

PID.D

0...3999

10

Дифференциальная постоянная ПИД-регулятора

V.SP

OFF = 0...DeltaFun

OFF

Cкорость изменения уставки используется для ограничения мощности ПИД-регулятора при смене уставки.

Скорость изменения уставки. При OFF – нет ограничения по скорости.

Скорость изменения уставки используется для сглаживания перехода с текущего значения уставки на заданное.

При изменении уставки пользователем – ПИД-регулятор должен использовать уставку SP[t] = SP[t-1]+ V.SP в течение минуты. Далее снова идет увеличение (уменьшение) уставки до тех пор, пока SP[t] = SP.

Увеличение (уменьшение) уставки происходит до тех пор, пока текущая уставка не станет равной заданной.

При включении прибора или переходе из режима Стоп или ручного регулирования в режим автоматического регулирования в качестве начального значения используется текущее значение на входе

OL.L

0...OL.H

0

Минимальная выходная мощность

OL.H

OL.L...100

100

Максимальная выходная мощность

OL.V

0.2...100

100

Максимальная скорость изменения выходной мощности. С данной максимальной скоростью может изменяться значение OUT.P за 1 секунду.

ANR

OFF

RUN

GOOD(RO)

FAIL(RO)

OFF

Автонастройка ПИД-регулятора. Алгоритм запускается при значении измеренной текущей величины ниже уставки (для нагревателя) и выше (для холодильника) из режима CTR = STOP.

После автонастройки канал переходит в режим STOP.

Для запуска автонастройки следует задать ANR = RUN. Уставка текущего канала заменяется на значение регистра ANR.

Во время АНР постоянная времени фильтра становится FiL.t = 2. Когда АНР заканчивается, прибор возвращает рекомендованное значение FiL.t (можно изменить).

Для прерывания автонастройки следует записать в регистр значение OFF. Чтобы запустить/остановить автонастройку через интерфейс прибора, нужно задать в параметре ANR значение OFF или RUN соответственно.

После окончания автонастройки на ЦИ будет одно из сообщений:

  GOOD – автонастройка успешно завершена. Новые параметры ПИД-регулятора перезаписаны;

  FAIL – не удалось успешно завершить автонастройку из-за аварийных состояний входов, выходов или внутренней ошибки блока автонастройки. Новые параметры не записаны.

Для выхода из режима автонастройки следует записать в регистр значение ANR = OFF.

GRF.N

2...4

2

Динамическое создание количества точек для графика уставок. Количество точек от 2 до 4. Точки с номерами, превышающими данный параметр, будут скрыты в меню

IN.G.1

FunMin...

FunMax

0

Между точками значения аппроксимируются линейно.

На крайних точках графика значение уставки не изменяется (горизонтальный график) при увеличении/уменьшении значения входа Единицы измерения: единицы измерения аналогового входа

IN.G.2
IN.G.3
IN.G.4
SP.G.1
SP.G.2
SP.G.3
SP.G.4
Примечание

* Параметры доступны только по Modbus, на ЦИ не отображаются.

** FunMin – нижняя граница значения функции, FunMax – верхняя граница значения функции, DeltaFun — диапазон изменения сигнала после функции

Диагностика неисправности контура регулирования

Логика отслеживания LBA аварии для ИМ с аналоговым управлением

Диагностика неисправности контура регулирования применяется для логики «нагреватель» или «холодильник». Прибор отслеживает реакцию системы на управляющее воздействие:

  • для «нагревателя», при максимальном значение аналогового ВУ показания входа увеличиваются. При минимальном значении – уменьшаются;

  • для «холодильника», при максимальном значение аналогового ВУ показания входа уменьшаются. При минимальном значении – увеличиваются.

После достижения максимальной выходной мощности включается таймер LbA.t. Если за время LbA. t значение входа изменяется на значение, большее LbA. b, то таймер LbA. t сбрасывается. Если нет, то регистрируется авария по неисправности контура регулирования. Начинает мигать светодиод Авария, а также происходит остановка прибора и переход выхода в безопасное состояние в соответствии с параметром Err. S.

Graphic
Диагностика неисправности контура регулирования
Принцип работы

Для «нагревателя»:

  • если выходная мощность максимальная - прибор фиксирует значение на входе. Если за время LbA.t на входе сигнал не изменится на величину LbA.b или более, то прибор фиксирует неисправность контура регулирования;

  • если выходная мощность минимальному - прибор фиксирует значение на входе. Если за время LbA.t на входе сигнал не изменится на величину LbA.b или более, то прибор фиксирует неисправность контура регулирования.

Для «холодильника»:

  • если выходная мощность максимальная - прибор фиксирует значение на входе. Если за время LbA.t на входе сигнал не изменится на величину LbA.b или более, то прибор фиксирует неисправность контура регулирования;

  • если выходная мощность минимальному - прибор фиксирует значение на входе. Если за время LbA.t на входе сигнал не изменится на величину LbA.b или более, то прибор фиксирует неисправность контура регулирования.

Если в течение LbA. t значение выходной мощности меняется, то таймер сбрасывается каждый раз, когда происходит это изменение или когда значение становится промежуточным между минимумом и максимумом. Если значение входного сигнала изменилось на LbA.b раньше, чем сработал таймер LbA.t, то прибор фиксирует новое значение входа в этот момент и обнуляет таймер LbA. t (если выходная мощность все это время максимальная).

Рекомендации по настройке

Для того, чтобы подобрать время диагностики обрыва контура (LbA.t), следует:

  1. Установить выходной сигнал на максимальный уровень.

  2. Измерить время, за которое измеряемая величина изменится на ширину зоны диагностики обрыва контура (параметр LbA.b).

  3. Увеличить измеренное время вдвое и принять его за время диагностики обрыва контура.

Graphic
Пример диагностики обрыва контура для аналогового регулирования
Примечание
Функция автоматического восстановления (параметр ArEC) для данного типа аварии не действует.

После устранения причин аварии процесс автоматического регулирования следует возобновить вручную. Для этого следует перевести прибор в режим Стоп или режим ручного регулирования, а затем перевести в режим автоматического регулирования.

Логика отслеживания LBA аварии для задвижек с цифровым (дискретным) управлением больше/меньше

Прибор с цифровым (дискретным) управлением задвижек без датчика положения выходного вала оценивает крайнее положение задвижки по времени полного хода V.Mot в одну сторону. В начальный момент времени задвижка находится в произвольном положении P. Прибор управляет задвижкой согласно алгоритму регулирования. Если суммарное время импульсов, вращающих задвижку подряд в одну сторону, достигает времени полного хода (A + B + C = V.Mot), то в момент достижения мощности P' (100 % в точке P' на рисунке) прибор фиксирует значение температуры T' и включает отслеживание обрыва контура регулирования. В момент достижения мощности P' фиксируется значение температуры T' и включается отслеживание обрыва контура регулирования. Если за время LBA.t входной сигнал прирастает на величину, большую, чем LBA.B (точка TB), это означает, что контур регулирования работает в штатном режиме. Если на меньшую величину (точка ТA) - то фиксируется авария по обрыву контура регулирования.

Прибор подает сигнал управления на переход задвижки в безопасное состояние Err.S и включает светодиод Авария.

Graphic
Пример диагностики обрыва контура для цифрового (дискретного) регулирования

После устранения причин аварии процесс автоматического регулирования следует возобновить вручную. Для этого следует перевести прибор в режим Стоп или режим ручного регулирования, а затем перевести в режим автоматического регулирования.

Настройка ВУ

Примечание
Некоторые параметры скрыты или недоступны, в зависимости от типа ВУ (аналоговое/дискретное).
Параметры ВУ

Параметр

Значения (1)

По умолчанию (2)

Описание

(1)(2)

CNT.P

1...250

5

Период ШИМ

D.ON

0...250

0

Задержка включения цифрового (дискретного) выхода. Время, которое проходит после срабатывания условия до замыкания выходного устройства. Если за данное время условие включения сбрасывается, то отсчет обнуляется

D.OFF

0...250

0

Задержка выключения цифрового (дискретного) выхода. Время, которое проходит после срабатывания условия до размыкания выходного устройства. Если за данное время условие выключения сбрасывается, то отсчет обнуляется

H.ON

0...250

0

Минимальное время удержания цифрового (дискретного) выхода в состоянии включено. После замыкания ВУ нельзя переключить

H.OFF

0...250

0

Минимальное время удержания цифрового (дискретного) выхода в состоянии выключено. После замыкания ВУ нельзя переключить

DB.A

0...100

0

Минимальное изменение аналогового ВУ. Управляющие воздействия не выдаются, пока величина не достигнет db.A

DB.D

0.02...9.99

0.02

Минимальная длительность ШИМ/Минимальный ход задвижки под цифровым (дискретным) управлением

Выходной сигнал подается на исполнительный механизм тогда, когда рассчитанная длительность импульса включения(выключения) больше или равна db.d. Не выданные воздействия накапливаются до достижения db.d. Параметр относится как ко времени включения, так и ко времени выключения ВУ.

Примечание
В режиме ручного регулирования нельзя выдать управляющее воздействие меньше, чем db.d.
V.MOT

5...999

100

Время полного хода задвижки

V.GAP

0...10

0

Время выборки люфта задвижки. При смене направления движения требуется учитывать люфт задвижки. Это время складывается с временем полезного воздействия

V.REV

0.5...10

1

Минимальное время реверса. Если нужно сменить направление, то прибор должен снять питание со всех обмоток и начать управление только после истечения времени реверса. Время требуется для полной остановки двигателя

ERR.S

HOLD (-1)

0...100

0

Безопасное состояние в аварийном режиме.

HOLD - текущее состояние. Положение задвижки при аварии сохраняется в текущем положении.
Примечание
Значение -1 можно записать только когда тип ЛУ - Задвижка
STP.S

HOLD (-1)

0...100

0

Безопасное состояние в режиме STOP.

HOLD - текущее состояние. Положение задвижки при аварии сохраняется в текущем положении.
Примечание
Значение -1 можно записать только когда тип ЛУ - Задвижка

Управление задвижкой

Для управления задвижкой с помощью кнопок на лицевой панели следует перевести прибор в ручной режим. О переходе в ручной режим любого ЛУ сигнализирует мигание светодиода РАБОТА, состояние отображается в CTR. В ручном режиме прибор перестает выдавать управляющие сигналы.

При нажатии кнопки Graphic замыкается реле «открыть ВУ1» для дискретного выхода или увеличивается параметр для аналогового выхода на время равное времени удержания кнопки.

При нажатии кнопки Graphic замыкается реле «закрыть ВУ2» для дискретного выхода или уменьшается параметр для аналогового выхода на время равное времени удержания кнопки.

На ЦИ2 выводится:

  • индикация положения КЗР, если tYPE = PoS.i или PoS.P;

  • oPEn или cLoS, если tYPE не равен PoS.i или PoS.P.

При управлении по сети RS-485 прибор работает следующим образом:

  1. Для приборов с первым ВУ аналогового типа (И, У) записываемое значение мощности задается в процентах от 0 до 100 и линейно соответствует физическому сигналу ВУ в мА или В.

  2. Для приборов с четным количеством ВУ дискретного типа для записи мощности используются значения 1 (например, ВУ1 замкнуто, ВУ2 разомкнуто), 0 (например, ВУ1 разомкнуто, ВУ2 разомкнуто), -1 (например, ВУ1 разомкнуто, ВУ2 замкнуто). Значения, кроме чисел (1, 0, -1) не будут записаны в прибор.

Примечание

Когда в параметре TYPE для входа 2 выбран датчик положения задвижки (tYPE = PoS.i или PoS.P), регулирование происходит в ручном режиме по показаниям датчика положения задвижки.

Примечание
Если при удаленном управлении задвижкой перейти в изменению мощности (однократное нажатие кнопки Graphic), то параметр Out.P примет значение 0 и удаленное управление остановится.

Настройка группировки ЛУ

Параметры группировки ЛУ

Параметр

Значения (1)

По умолчанию (2)

Описание

(1)(2)

STR.S

ALRM

RUN
RUN

Режим работы после перезагрузки устройства.

ALRM – регуляторы в аварийном режиме, для запуска регулятора требуется квитирование

RUN – регуляторы включены

A.REC

OFF = -1

0

999

0

Таймер автоматического восстановление процесса регулирования после устранения обрывадатчика.

Если A.REC = OFF, то восстановление регулирования осуществляется посредством квитирования аварии переходом в режим MAN или STOP.

Обрыв контура регулирования всегда требует квитирования

CTR.1

RUN

MAN

STOP

STOP

Режим работы группы каналов логических устройств.

STOP – регуляторы отключены, выходы переводятся в безопасное состояние

MAN – ручной режим регулятора, регистр SP управляет мощностью выходных устройств группы, значение SP не сохраняется в энергонезависимой памяти.

RUN – автоматическое регулирование

CTR.2
CTR.3
CTR.4
CTR.5
CTR.6

Настройка индикации

Параметры меню индикации

Параметр

Диапазон значений

Назначение

SCR

FU.SP

FU.SP

PV.SP

Pu.OV

Конфигурация отображаемых оперативных параметров.

В режиме навигации отображаются параметры в сокращенной форме (1 строка таблицы), разделенные точкой.

В режиме редактирования каждый экран редактируется отдельно. При переходе в режим редактирования на верхнем индикаторе отображается конфигурация верхнего экрана. После записи параметра нижний экран переходит в режим редактирования.

Обозначение на ЦИОписание
FUФункция
SPУставка, в ручном режиме выходная мощность OUT.P. OUT
OVВыходная мощность в процентах
PVИзмеренное значение на входе, положение десятичной точки из логического устройства SCR.X

RET.T

OFF

5

10

30

60

Время автоматического возврата из меню в режим отображения оперативных параметров при отсутствии активности (нажатия кнопок).

В процессе редактирования параметра автоматический возврат не происходит.

Из сервисных меню автоматический возврат тоже не происходит

CHG.T

OFF

5

10

30

60

120

Автоматическая смена экранов отображения оперативных параметров. Если параметр на экране пользователя находится в состоянии редактирования, то автоматическая смена экранов не происходит

Настройки RS-485

Параметры интерфейса RS-485

Параметр

Диапазон значений

По умолчанию

Назначение

PROT

RTU

ASCI

RTU

Протокол обмена

ADDR

1...

247

16

Адрес прибора

BAUD

2.4

4.8

9.6

14.4

19.2

28.8

38.4

57.6

115.2

9.6

Скорость обмена данными

DPS

8N1

8O1

8E1

8N2

8O2

8E2

7O1

7E1

7O2

7E2

8N1

Формат посылки данных.

Количество бит: 7, 8.

Контроль четности: N – отсутствует, O – нечетный, E – четный.

Количество стоп-бит: 1, 2

Примечание
Параметры 7хх доступны только для PROT= ASCI
IDLE

0...

20

2

Задержка ответа от прибора.

Согласно стандарту на протокол Modbus:

  • для Modbus RTU — ответ от Slave должен приходить не раньше, чем время передачи 1 байта (со служебными битами) * 3,5. В зависимости от скорости обмена будут отличаться — выше скорость, меньше время ответа. Из заданного пользователем значения и расчетного выбирается наибольшее ,которое и будет реальным временем ответа от Slave;

  • для Modbus ASCII есть только время ответа Slave, заданное пользователем.

Например, при скорости 4800 кбит/с и формате посылки 8n1 расчетное время t = (8 + 1 + 1) / 4800 = 0,00208 с = 2,08 мс:

  • для Modbus RTU, если пользователь оставил значение по умолчанию — 2, то ответ от прибора будет не ранее, чем через 3,5 * 2,08 = 7,3 мс;

  • для Modbus ASCII ответ от прибора будет не раньше, чем заданное пользователем время задержки ответа

B.ORD

MSB

LSB

MSB

Порядок байт в регистре.

MSB – старший байт вперед, LSB – младший байт вперед

INIT*

OFF

ON

OFF

Регистр реинициализации настроек RS–485. Доступен только по интерфейсу. Для запуска процесса задать значение ON

Примечание

* Параметры доступны только по Modbus, на ЦИ не отображаются.

Предустановленные алгоритмы

Примечание
Если тип установленных ВУ прибора не совпадает с типом ВУ, используемых алгоритмом, то алгоритм будет скрыт из меню.

Параметр

Диапазон значений

Назначение

PRES

Выбор алгоритма работы (см. раздел). Прибор заменяет значения переменных параметрами из соответствующего алгоритма работы.

Для применения настроек из предустановленного алгоритма следует:

  1. На первый вход подключить перемычку (см. рисунок).

    Предупреждение
    Перед подключением перемычки датчик должен быть отключен от входа 1.
  2. Зажать комбинацию клавиш Graphic и Graphic до появления запроса ввести пароль.

  3. Ввести пароль 105.

  4. На верхнем ЦИ отобразится название пресета, на нижнем — его состояние (ON или OFF).

  5. Для включения нужного пресета кнопками Graphic и Graphic выбрать его из списка и задать значение ON.

USER = 0

Пользовательская конфигурация. Позволяет сконфигурировать собственный алгоритм работы. При изменении со значения USER на любое другое значение настройки не сохраняются.

6.REG = 1

Шесть независимых регуляторов

3R.AO = 2

3 канальный регулятор с регистрацией

3R.DO = 3

3 канальный регулятор с сигнализацией перегрева

3H.DO = 4

3 канальный регулятор влажности с сигнализацией

3H.AO = 5

3 канальный регулятор влажности с логикой регистратора

3.VLV = 6

Управление 3 контурами отопления/ГВС клапанами «больше/меньше»

Настройка ограничения доступа

Параметры ограничения доступа

Параметр

Диапазон значений

По умолчанию

Назначение

PASS

0...

9999

100

Пароль доступа к меню SCRT. Если пароль не совпадает с PASS.IN, то чтение значения регистр выдает -1

PRT.E

OFF

SETT

ALL

HIDE

OFF

Защита от редактирования значений переменных.

  OFF – защита отключена, все параметры доступны для редактирования

  SETT – запрет редактирования настроек, редактирование только уставок, выходной мощности и RUN/MAN/STOP

  ALL – блокировка редактирования всех параметров.

  HIDE – скрыть все параметры. Нет доступа в основное меню настроек и в меню CTR

ATR.E

OFF

EDIT

ON

OFF

Атрибуты защиты параметров от просмотра и изменения.

  OFF – отключить атрибуты.

  EDIT – редактирование атрибутов, вместо параметров в меню отображаются их атрибуты.

  ON – включить атрибуты

CJS.E

OFF

ON

ON

Компенсация температуры холодного спая

Восстановление заводских настроек

Примечание
Восстановление заводских настроек сбрасывает значения всех параметров до заводских значений.
Меню сброса до заводских настроек

Параметр

Диапазон значений

По умолчанию

Назначение

PASS

0...9999

100

Регистр ввода пароля для доступа к параметрам группы. Если пароль не совпадает с 0100, то регистры группы доступны только для чтения. Пароль сбрасывается (PASS.IN = 0) каждые 15 минут после успешного ввода и каждый неверный ввод. Регистр игнорируется, меню не отображается, если CONF = OFF. После верного ввода пароля производится возврат к заводским настройкам параметры с последующей перезагрузкой устройства

D.RST

OFF

ON

OFF

Возврат на заводские настройки. После применения заводских параметров прибор перезагружается

Для восстановления заводских настроек следует:

  1. Установить перемычку согласно рисунку ниже.

    Graphic
    Установка перемычки

    1) для всех сигналов, кроме от 0 до 10 В, от 0 до 5 В, от 0 до 5 мА, от 0 до 20 мА, от 4 до 20 мА;

    2) для сигналов от 0 до 10 В, от 0 до 5 В, от 0 до 5 мА, от 0 до 20 мА, от 4 до 20 мА

    Предупреждение
    Перед подключением перемычки датчик должен быть отключен от входа 1.
    Примечание
    Если перемычка установлена верно, что на ЦИ отобразится S.MOD.
  2. На основном экране зажать комбинацию клавиш Graphic и Graphic до появления экрана d.rSt.

  3. Ввести пароль 0100 и нажать кнопку Graphic.

  4. Задать d.rSt = On.

  5. На нижнем ЦИ на 5 секунд появится сообщение rSt, затем прибор восстановит заводские настройки.

Техническое обслуживание

Общие указания

Во время выполнения работ по техническому обслуживанию прибора следует соблюдать требования безопасности из раздела.

Техническое обслуживание прибора проводится не реже одного раза в 6 месяцев и включает следующие процедуры:

  • проверка крепления прибора;
  • проверка винтовых соединений;
  • удаление пыли и грязи с клеммника прибора.

Комплектность

Наименование

Количество

Прибор

1 шт.

Уплотнительная прокладка

1 шт.

Паспорт и гарантийный талон

1 экз.

Руководство по эксплуатации

1 экз.

Комплект крепежных элементов

1 к-т.

Примечание

Изготовитель оставляет за собой право внесения изменений в комплектность прибора.

Маркировка

На корпус прибора нанесены:

  • условное обозначение и наименование прибора;
  • товарный знак;
  • степень защиты корпуса по ГОСТ 14254;
  • род питающего тока и напряжение питания;
  • потребляемая мощность;

  • маркировка класса защиты от поражения электрическим током по ГОСТ 12.2.007.0–75;
  • знак утверждения типа средств измерений;
  • QR-код;
  • единый знак обращения продукции на рынке Евразийского экономического союза

    ;
  • страна-изготовитель;
  • заводской номер прибора, месяц и год изготовления.

На потребительскую тару нанесены:

  • наименование и условное обозначение прибора;
  • товарный знак;
  • почтовый адрес офиса изготовителя;
  • штрих-код;
  • дата упаковки;

  • единый знак обращения продукции на рынке Евразийского экономического союза;

  • страна-изготовитель;

  • заводской номер прибора.

Упаковка

Упаковка прибора производится в соответствии с ГОСТ 23088-80 в потребительскую тару, выполненную из коробочного картона по ГОСТ 7933-89.

Упаковка прибора при пересылке почтой производится по ГОСТ 9181-74.

Транспортирование и хранение

Прибор должен транспортироваться в закрытом транспорте любого вида. В транспортных средствах тара должна крепиться согласно правилам, действующим на соответствующих видах транспорта.

Условия транспортирования при температуре окружающего воздуха от минус 50 до плюс 50 °С относительной влажности окружающего воздуха от 30 до 80 % без конденсации влаги и атмосферном давлении от 84,0 до 106,7 кПа с соблюдением мер защиты от ударов и вибраций.

Прибор следует перевозить в транспортной таре поштучно или в контейнерах.

Условия хранения в таре на складе изготовителя и потребителя должны соответствовать ГОСТ Р 52931-2008. В воздухе не должны присутствовать агрессивные примеси.

Прибор следует хранить на стеллажах.

Гарантийные обязательства

Изготовитель гарантирует соответствие прибора требованиям ТУ при соблюдении условий эксплуатации, транспортирования, хранения и монтажа.

Гарантийный срок эксплуатации – 24 месяца со дня продажи.

В случае выхода прибора из строя в течение гарантийного срока при соблюдении условий эксплуатации, транспортирования, хранения и монтажа предприятие-изготовитель обязуется осуществить его бесплатный ремонт или замену.

Порядок передачи прибора в ремонт содержится в паспорте и в гарантийном талоне.

Перечень подключаемых датчиков

Перечень подключаемых датчиков

Условное обозначение

Наименование датчика

Диапазон отображения*

Отсутствует

oFF

Не подключен

Термопреобразователи сопротивления

С 50

ТСМ (Cu50)

от –50 до +200 °С

С 53

ТСМ (Cu53)**

от –50 до +200 °С

С100

ТСМ (Cu100)

от –50 до +200 °С

С500

ТСМ (Cu500)

от –50 до +200 °С

С 1.0

ТСМ (Cu1000)

от –50 до +200 °С

50 С

ТСМ (50М)

от –185 до +200 °С

100С

ТСМ (100М)

от –185 до +200 °С

500С

ТСМ (500М)

от –185 до +200 °С

1.0 С

ТСМ (1000М)

от –185 до +200 °С

P 50

ТСП(Pt50)

от –200 до +850 °С

P100

ТСП(Pt100)

от –200 до +850 °С

P500

ТСП(Pt500)

от –200 до +850 °С

P 1.0

ТСП(Pt1000)

от –200 до +850 °С

50 P

ТСП (50П)

от –200 до +850 °С

100P

ТСП (100П)

от –200 до +850 °С

500P

ТСП (500П)

от –200 до +850 °С

1.0 P

ТСП (1000П)

от –200 до +850 °С

100n

ТСН (100Н)

от –65 до +180 °С

500n

ТСН (500Н)

от –65 до +180 °С

1.0 n

ТСН (1000Н)

от –65 до +180 °С

Терморезисторы

NT_3

Терморезистор 3 кОм

от –35 до +120 °С

NT10

Терморезистор 10 кОм

от –20 до +120 °С

NT20

Терморезистор 20 кОм

от –5 до +120 °С

Термопары

tC.L

ТХК (L)

от –200 до +800 °С

tC.HA

ТХА (K)

от –200 до +1300 °С

tC.J

ТЖК(J)

от –40 до +900 °С

tC.n

ТНН (N)

от –200 до +1300 °С

tC.t

ТМК (T)

от –200 до +400 °С

tC.S

ТПП (S)

от 0 до +1600 °С

tC.r

ТПП (R)

от 0 до +1600 °С

tC.b

ТПР (B)

от +600 до +1800 °С

tC.A1

ТВР (A-1)

от +1000 до +1800 °С

tC.A2

ТВР (A-2)

от +1000 до +1800 °С

tC.A3

ТВР (A-3)

от +1000 до +1800 °С

tC.dL

Typ.L (DIN 43710)

от 0 до +905 °С

tC.E

ТХКн (Е)

от –200 до +900 °С

Пирометры

PIr.1

Пирометр РК-15

от +400 до +1500 °С

PIr.2

Пирометр РК-20

от +600 до +2000 °С

PIr.3

Пирометр РС-20

от +900 до +2000 °С

PIr.4

Пирометр РС-25

от +1200 до +2500 °С

Датчики с выходным сигналом постоянного тока

I 0.5

Ток от 0 до 5 мА

от 0 до 5,25 мА

I0.20

Ток от 0 до 20 мА

от 0 до 21 мА

I4.20

Ток от 4 до 20 мА

от 3 до 21 мА

Датчики с с выходным сигналом напряжения постоянного тока

U-5.5

Напряжение от –50 до 50 мВ

от -55 до 55 мВ

U 0.1

Напряжение от 0 до 1 В

от -0,05 до 1,05 В

U 5

Напряжение от 0 до 5 В

от -0,25 до 5,25 В

U 10

Напряжение от 0 до 10 В

от -0,5 до 10,5 В

Датчики положения задвижки

POS.R

Резистивный датчик положения, потенциометр

от -5 до 105 %

POS.I

Токовый датчик положения от 4 до 20 мА

от -5 до 105 %

Цифровые (дискретные) сигналы

D.STP

Цифровой (дискретный) вход СТОП, изменение режима работы устройства, изменение значения по фронту цифрового (дискретного) входа только в состояние STOP и по фронту регистра CTR в любое состояние

D.MAN

Цифровой (дискретный) вход СТОП - РУЧНОЙ изменение режима работы устройства, изменение значения по фронту цифрового (дискретного) входа в состояние STOP - MAN и по фронту регистра CTR в любое состояние

D.RUN

Цифровой (дискретный) вход изменение режима работы устройства, изменение значения по фронту цифрового (дискретного) входа в состояние STOP - RUN и по фронту регистра CTR в любое состояние

D.BLC

Приостанавливает работу всех логических устройств, привязанных к каналу управления. Работает по уровню сигнала. При воздействии нескольких дискретных сигналов на канал управления обрабатывается по схеме логического И

Примечание

*  В данном столбце указаны диапазоны отображения показаний на ЦИ. Диапазон отображения шире, чем диапазон измерения по таблице. Указанные в таблице величины погрешностей приведены для диапазонов измерения.

**  В Республике Беларусь носит справочную информацию

Протокол Modbus

Работа про протоколу Modbus

Функции работы с параметрами по протоколу Modbus

Операция

Функция

Чтение

0х03 или 0х04

Запись (групповая)

0х10

Поддерживаемые типы переменных

Параметр

Размер

Назначение

ENUM

2 байта

Перечисление, на экране отображаются цифробуквенный эквивалент цифрового значения регистра

BIT_ARRAY

2 байта

Массив однобитных булевых переменных

INT16

2 байта

Целочисленный беззнаковый

INT64

8 байт

Целочисленный беззнаковый

FLOAT_A

4 байта

Число с плавающей точкой, расположение точки в режиме AUTO

FLOAT_1

4 байта

Число с фиксированной точкой, расположение точки в разряде 1

FLOAT_2

4 байта

Число с фиксированной точкой, расположение точки в разряде 2

FLOAT_3

4 байта

Число с фиксированной точкой, расположение точки в разряде 3

FLOAT_4

4 байта

число с фиксированной точкой, расположение точки в разряде 4

FLOAT_X

4 байта

Число с фиксированной точкой, расположение точки согласно параметру DPT ЛУ

PASS

2 байта

Целочисленный, всегда отображаются цифры во всех разрядах

CHAR[N]

N байт

Массив строковых переменных

Регистры Modbus

Типы доступа к параметрам

Параметр

Назначение

RW

Чтение и запись

RO

Только чтение

Регистры Modbus

Параметр

Адрес (HEX)

Адрес (DEC)

Описание

Тип

Доступ

Диапазон

Оперативные параметры входов

IN

0x1000

4 096Измеренное значение на канале 1

FLOAT_A

RO

-1999...9999

0x1100

4 352Измеренное значение на канале 2

0x1200

4 608Измеренное значение на канале 3

0x1300

4 864Измеренное значение на канале 4

0x1400

5 120Измеренное значение на канале 5

0x1500

5 376Измеренное значение на канале 6

ERR

0x10024 098

Код ошибки на канале 1

BIT_ARRAY

RO

ИмяОписаниеНомер бита
OVL

Измеренное значение входной величины выше допустимого предела

0
UNL

Измеренное значение входной величины ниже допустимого предела

1
WIRE

Обрыв или неверное подключение датчика

2
NO.DT

Данные не готовы

3
OCL.H

ДХС превысил верхнюю границу измерения +100 °С, только для типов датчиков – термопара

4
OCL.L

ДХС превысил нижнюю границу измерения -50 °С, только для типов датчиков – термопара

5
A.ERR

Ошибка связи с АЦП

6

0x11024 354Код ошибки на канале 2
0x12024 610Код ошибки на канале 3
0x13024 866Код ошибки на канале 4
0x14025 122Код ошибки на канале 5
0x15025 378Код ошибки на канале 6
Оперативные параметры выходов
MAN.V.10x007046Управление задвижкой 1 в ручном режимеINT16

RW

ИмяСигналОписание
CLoS–1закрыть
VALV0удерживание текущего положения
oPEn1открыть

MAN.V.10x007147Управление задвижкой 2 в ручном режимеINT16

RW

MAN.V.30x007248Управление задвижкой 3 в ручном режимеINT16

RW

OUT.1

0x0040

64

Значение на ВУ 1

FLOAT_1

RW

0...100

OUT.2

0x0042

66

Значение на ВУ 2

FLOAT_1

RW

OUT.3

0x0044

68

Значение на ВУ 3

FLOAT_1

RW

OUT.4

0x0046

70

Значение на ВУ 4

FLOAT_1

RW

OUT.5

0x0048

72

Значение на ВУ 5

FLOAT_1

RW

OUT.6

0x004A

74

Значение на ВУ 6

FLOAT_1

RW

Общие настройки входов (см. раздел)

TYPE

0x1008

4 104

Тип датчика

ENUM

RW

ЗначениеОписаниеНомер бита

oFF

Не подключен

0

С 50

ТСМ (Cu50)

1

С 53

ТСМ (Cu53)

2

С100

ТСМ (Cu100)

3

С500

ТСМ (Cu500)

4

С 1.0

ТСМ (Cu1000)

5

50 С

ТСМ (50М)

6

100С

ТСМ (100М)

7

500С

ТСМ (500М)

8

1.0 С

ТСМ (1000М)

9

P 50

ТСП(Pt50)

10

P100

ТСП(Pt100)

11

P500

ТСП(Pt500)

12

P 1.0

ТСП(Pt1000)

13

50 P

ТСП (50П)

14

100P

ТСП (100П)

15

500P

ТСП (500П)

16

1.0 P

ТСП (1000П)

17

100n

ТСН (100Н)

18

500n

ТСН (500Н)

19

1.0 n

ТСН (1000Н)

20

NT_3

Терморезистор 3 кОм

21

NT10

Терморезистор 10 кОм

22

NT20

Терморезистор 20 кОм

23

tC.L

ТХК (L)

24

tC.HA

ТХА (K)

25

tC.J

ТЖК(J)

26

tC.n

ТНН (N)

27

tC.t

ТМК (T)

28

tC.S

ТПП (S)

29

tC.r

ТПП (R)

30

tC.b

ТПР (B)

31

tC.A1

ТВР (A-1)

32

tC.A2

ТВР (A-2)

33

tC.A3

ТВР (A-3)

34

tC.dL

Typ.L (DIN 43710)

35

tC.E

ТХКн (Е)

36

PIr.1

Пирометр РК-15

37

PIr.2

Пирометр РК-20

38

PIr.3

Пирометр РС-20

39

PIr.4

Пирометр РС-25

40

I 0.5

Ток от 0 до 5 мА

41

I0.20

Ток от 0 до 20 мА

42

I4.20

Ток от 4 до 20 мА

43

U-5.5

Напряжение от –50 до 50 мВ

44

U 0.1

Напряжение от 0 до 1 В

45

U 5

Напряжение от 0 до 5 В

46

U 10

Напряжение от 0 до 10 В

47

POS.R

Резистивный датчик положения, потенциометр

48

POS.I

Токовый датчик положения от 4 до 20 мА

49

D.STP

Цифровой (дискретный) вход СТОП, изменение режима работы устройства, изменение значения по фронту цифрового (дискретного) входа только в состояние STOP и по фронту регистра CTR в любое состояние

50

D.MAN

Цифровой (дискретный) вход СТОП - РУЧНОЙ отображение для IN

51

D.RUN

Цифровой (дискретный) вход СТОП - ПУСК отображение для IN

52

d.bLC

Приостанавливает работу всех логических устройств, привязанных к каналу управления. Работает по уровню сигнала. При воздействии нескольких дискретных сигналов на канал управления обрабатывается по схеме логического И

53

0x1108

4 360

0x12084 616
0x13084 872
0x14085 128
0x15085 384

PRRT

0x1009

4 105

Приоритет опроса датчиков канала 1

ENUM

RW

ИмяНомер бита

V.HIG

0

HIGH

1

NORM

2

LOW

3

V.LOW

4

0x1109

4 361

Приоритет опроса датчиков канала 2

0x1209

4 617

Приоритет опроса датчиков канала 3

0x1309

4 873

Приоритет опроса датчиков канала 4

0x1409

5 129

Приоритет опроса датчиков канала 5

0x1509

5 385

Приоритет опроса датчиков канала 6

Термосопротивление

FIL.B

0x10104 112

Полоса фильтра канала 1

FLOAT_A

RW

0...Delta_Sens

0x11104 368

Полоса фильтра канала 2

0x12104 624

Полоса фильтра канала 3

0x13104 880

Полоса фильтра канала 4

0x14105 136

Полоса фильтра канала 5

0x15105 392

Полоса фильтра канала 6

FIL.T

0x10124 114

Постоянная времени фильтра канала 1

INT16

RW

0...999
0x11124 370

Постоянная времени фильтра канала 2

0x12124 626

Постоянная времени фильтра канала 3

0x13124 882

Постоянная времени фильтра канала 4

0x14125 138

Постоянная времени фильтра канала 5

0x15125 394

Постоянная времени фильтра канала 6

BARR

0x10134 115

Компенсация сопротивления барьера искрозащиты для ТС канала 1

ENUM

RW

ЗначениеНомер бита
OFF0
ON1

0x11134 371

Компенсация сопротивления барьера искрозащиты для ТС канала 2

0x12134 627

Компенсация сопротивления барьера искрозащиты для ТС канала 3

0x13134 883

Компенсация сопротивления барьера искрозащиты для ТС канала 4

0x14135 139

Компенсация сопротивления барьера искрозащиты для ТС канала 5

0x15135 395

Компенсация сопротивления барьера искрозащиты для ТС канала 6

Терморезистор

FIL.B

0x10204 128

Полоса фильтра канала 1

FLOAT_A

RW

0...Delta_Sens

0x11204 384

Полоса фильтра канала 2

0x12204 640

Полоса фильтра канала 3

0x13204 896

Полоса фильтра канала 4

0x14205 152

Полоса фильтра канала 5

0x15205 408

Полоса фильтра канала 6

FIL.T

0x1022

4 130

Постоянная времени фильтра канала 1

INT16

RW

0...999
0x11224 386

Постоянная времени фильтра канала 2

0x12224 642

Постоянная времени фильтра канала 3

0x13224 898

Постоянная времени фильтра канала 4

0x14225 154

Постоянная времени фильтра канала 5

0x15225 410

Постоянная времени фильтра канала 6

Термопара

FIL.B

0x10304 144

Полоса фильтра канала 1

FLOAT_A

RW

0...Delta_Sens

0x11304 400

Полоса фильтра канала 2

0x12304 656

Полоса фильтра канала 3

0x13304 912

Полоса фильтра канала 4

0x14305 168

Полоса фильтра канала 5

0x15305 424

Полоса фильтра канала 6

FIL.T

0x10324 146

Постоянная времени фильтра канала 1

INT16

RW

0...999
0x11324 402

Постоянная времени фильтра канала 2

0x12324 658

Постоянная времени фильтра канала 3

0x13324 914

Постоянная времени фильтра канала 4

0x14325 170

Постоянная времени фильтра канала 5

0x15325 426

Постоянная времени фильтра канала 6

Датчик тока

IND.L

0x10404 160

Нижний порог приведения значений тока и напряжения к значению физической величины канала 1

FLOAT_A

RW

-1999...9999

0x11404 416

Нижний порог приведения значений тока и напряжения к значению физической величины канала 2

0x12404 672

Нижний порог приведения значений тока и напряжения к значению физической величины канала 3

0x13404 928

Нижний порог приведения значений тока и напряжения к значению физической величины канала 4

0x14405 184

Нижний порог приведения значений тока и напряжения к значению физической величины канала 5

0x15405 440

Нижний порог приведения значений тока и напряжения к значению физической величины канала 6

IND.H

0x10424 162

Верхний порог приведения значений тока и напряжения к значению физической величины канала 1

FLOAT_A

RW

-1999...9999

0x11424 418

Верхний порог приведения значений тока и напряжения к значению физической величины канала 2

0x12424 674

Верхний порог приведения значений тока и напряжения к значению физической величины канала 3

0x13424 930

Верхний порог приведения значений тока и напряжения к значению физической величины канала 4

0x14425 186

Верхний порог приведения значений тока и напряжения к значению физической величины канала 5

0x15425 442

Верхний порог приведения значений тока и напряжения к значению физической величины канала 6

FIL.B

0x10444 164

Полоса фильтра канала 1

FLOAT_A

RW

0...Delta_Sens

0x11444 420

Полоса фильтра канала 2

0x12444 676

Полоса фильтра канала 3

0x13444 932

Полоса фильтра канала 4

0x14445 188

Полоса фильтра канала 5

0x15445 444

Полоса фильтра канала 6

FIL.T

0x10464 166

Постоянная времени фильтра канала 1

INT16

RW

0...999
0x11464 422

Постоянная времени фильтра канала 2

0x12464 678

Постоянная времени фильтра канала 3

0x13464 934

Постоянная времени фильтра канала 4

0x14465 190

Постоянная времени фильтра канала 5

0x15465 446

Постоянная времени фильтра канала 6

LOOP

0x10474 167

Включение встроенного питания токовой петли канала 1

ENUM

RW

ЗначениеНомер бита
OFF0
ON1

0x11474 423

Включение встроенного питания токовой петли канала 2

0x12474 679

Включение встроенного питания токовой петли канала 3

0x13474 935

Включение встроенного питания токовой петли канала 4

0x14475 191

Включение встроенного питания токовой петли канала 5

0x15475 447

Включение встроенного питания токовой петли канала 6

Датчик напряжения

IND.L

0x11504 176

Нижний порог приведения значений тока и напряжения к значению физической величины канала 1

FLOAT_A

RW

-1999...9999

0x12504 432

Нижний порог приведения значений тока и напряжения к значению физической величины канала 2

0x13504 688

Нижний порог приведения значений тока и напряжения к значению физической величины канала 3

0x14504 944

Нижний порог приведения значений тока и напряжения к значению физической величины канала 4

0x15505 200

Нижний порог приведения значений тока и напряжения к значению физической величины канала 5

0x16505 456

Нижний порог приведения значений тока и напряжения к значению физической величины канала 6

IND.H

0x10524 178

Верхний порог приведения значений тока и напряжения к значению физической величины канала 1

FLOAT_A

RW

-1999...9999

0x11524 434

Верхний порог приведения значений тока и напряжения к значению физической величины канала 2

0x12524 690

Верхний порог приведения значений тока и напряжения к значению физической величины канала 3

0x13524 946

Верхний порог приведения значений тока и напряжения к значению физической величины канала 4

0x14525 202

Верхний порог приведения значений тока и напряжения к значению физической величины канала 5

0x15525 458

Верхний порог приведения значений тока и напряжения к значению физической величины канала 6

FIL.B

0x10544 180

Полоса фильтра канала 1

FLOAT_A

RW

0...Delta_Sens

0x11544 436

Полоса фильтра канала 2

0x12544 692

Полоса фильтра канала 3

0x13544 948

Полоса фильтра канала 4

0x14545 204

Полоса фильтра канала 5

0x15545 460

Полоса фильтра канала 6

FIL.T

0x1056

4 182

Постоянная времени фильтра канала 1

INT16

RW

0...999
0x11564 438

Постоянная времени фильтра канала 2

0x12564 694

Постоянная времени фильтра канала 3

0x13564 950

Постоянная времени фильтра канала 4

0x14565 206

Постоянная времени фильтра канала 5

0x15565 462

Постоянная времени фильтра канала 6

Датчик положения

IND.L

0x10604 192

Нижний порог приведения значений тока и напряжения к значению физической величины канала 1

FLOAT_A

RW

-1999...9999

0x11604 448

Нижний порог приведения значений тока и напряжения к значению физической величины канала 2

0x12604 704

Нижний порог приведения значений тока и напряжения к значению физической величины канала 3

0x13604 960

Нижний порог приведения значений тока и напряжения к значению физической величины канала 4

0x14605 216

Нижний порог приведения значений тока и напряжения к значению физической величины канала 5

0x15605 472

Нижний порог приведения значений тока и напряжения к значению физической величины канала 6

IND.H

0x10624 194

Верхний порог приведения значений тока и напряжения к значению физической величины канала 1

FLOAT_A

RW

-1999...9999

0x11624 450

Верхний порог приведения значений тока и напряжения к значению физической величины канала 2

0x12624 706

Верхний порог приведения значений тока и напряжения к значению физической величины канала 3

0x13624 962

Верхний порог приведения значений тока и напряжения к значению физической величины канала 4

0x14625 218

Верхний порог приведения значений тока и напряжения к значению физической величины канала 5

0x15625 474

Верхний порог приведения значений тока и напряжения к значению физической величины канала 6

FIL.B

0x10644 196

Полоса фильтра канала 1

FLOAT_A

RW

0...Delta_Sens

0x11644 452

Полоса фильтра канала 2

0x12644 708

Полоса фильтра канала 3

0x13644 964

Полоса фильтра канала 4

0x14645 220

Полоса фильтра канала 5

0x15645 476

Полоса фильтра канала 6

FIL.T

0x10664 198

Постоянная времени фильтра канала 1

INT16

RW

0...999
0x11664 454

Постоянная времени фильтра канала 2

0x12664 710

Постоянная времени фильтра канала 3

0x13664 966

Постоянная времени фильтра канала 4

0x14665 222

Постоянная времени фильтра канала 5

0x15665 478

Постоянная времени фильтра канала 6

Режим цифрового (дискретного) входа

CH.1

0x10704 208

Разрешение воздействия входа в цифровом (дискретном) режиме на группу каналов логических устройств с номером LOG.1 канала 1

ENUM

RW

ЗначениеНомер бита
OFF0
ON1

0x11704 464

Разрешение воздействия входа в цифровом (дискретном) режиме на группу каналов логических устройств с номером LOG.1 канала 2

0x12704 720

Разрешение воздействия входа в цифровом (дискретном) режиме на группу каналов логических устройств с номером LOG.1 канала 3

0x13704 976

Разрешение воздействия входа в цифровом (дискретном) режиме на группу каналов логических устройств с номером LOG.1 канала 4

0x14705 232

Разрешение воздействия входа в цифровом (дискретном) режиме на группу каналов логических устройств с номером LOG.1 канала 5

0x15705 488

Разрешение воздействия входа в цифровом (дискретном) режиме на группу каналов логических устройств с номером LOG.1 канала 6

CH.2

0x10714 209

Разрешение воздействия входа в цифровом (дискретном) режиме на группу каналов логических устройств с номером LOG.2 канала 1

ENUM

RW

ЗначениеНомер бита
OFF0
ON1

0x11714 465

Разрешение воздействия входа в цифровом (дискретном) режиме на группу каналов логических устройств с номером LOG.2 канала 2

0x12714 721

Разрешение воздействия входа в цифровом (дискретном) режиме на группу каналов логических устройств с номером LOG.2 канала 3

0x13714 977

Разрешение воздействия входа в цифровом (дискретном) режиме на группу каналов логических устройств с номером LOG.2 канала 4

0x14715 233

Разрешение воздействия входа в цифровом (дискретном) режиме на группу каналов логических устройств с номером LOG.2 канала 5

0x15715 489

Разрешение воздействия входа в цифровом (дискретном) режиме на группу каналов логических устройств с номером LOG.2 канала 6

CH.3

0x10724 210

Разрешение воздействия входа в цифровом (дискретном) режиме на группу каналов логических устройств с номером LOG.3 канала 1

ENUM

RW

ЗначениеНомер бита
OFF0
ON1

0x11724 466

Разрешение воздействия входа в цифровом (дискретном) режиме на группу каналов логических устройств с номером LOG.3 канала 2

0x12724 722

Разрешение воздействия входа в цифровом (дискретном) режиме на группу каналов логических устройств с номером LOG.3 канала 3

0x13724 978

Разрешение воздействия входа в цифровом (дискретном) режиме на группу каналов логических устройств с номером LOG.3 канала 4

0x14725 234

Разрешение воздействия входа в цифровом (дискретном) режиме на группу каналов логических устройств с номером LOG.3 канала 5

0x15725 490

Разрешение воздействия входа в цифровом (дискретном) режиме на группу каналов логических устройств с номером LOG.3 канала 6

CH.4

0x10734 211

Разрешение воздействия входа в цифровом (дискретном) режиме на группу каналов логических устройств с номером LOG.4 канала 1

ENUM

RW

ЗначениеНомер бита
OFF0
ON1

0x11734 467

Разрешение воздействия входа в цифровом (дискретном) режиме на группу каналов логических устройств с номером LOG.4 канала 2

0x12734 723

Разрешение воздействия входа в цифровом (дискретном) режиме на группу каналов логических устройств с номером LOG.4 канала 3

0x13734 979

Разрешение воздействия входа в цифровом (дискретном) режиме на группу каналов логических устройств с номером LOG.4 канала 4

0x14735 235

Разрешение воздействия входа в цифровом (дискретном) режиме на группу каналов логических устройств с номером LOG.4 канала 5

0x15735 491

Разрешение воздействия входа в цифровом (дискретном) режиме на группу каналов логических устройств с номером LOG.4 канала 6

CH.5

0x10744 212

Разрешение воздействия цифровом (дискретном) входа на группу каналов логических устройств с номером LOG.5 канала 1

ENUM

RW

ЗначениеНомер бита
OFF0
ON1

0x11744 468

Разрешение воздействия цифровом (дискретном) входа на группу каналов логических устройств с номером LOG.5 канала 2

0x12744 724

Разрешение воздействия цифровом (дискретном) входа на группу каналов логических устройств с номером LOG.5 канала 3

0x13744 980

Разрешение воздействия цифровом (дискретном) входа на группу каналов логических устройств с номером LOG.5 канала 4

0x14745 236

Разрешение воздействия цифровом (дискретном) входа на группу каналов логических устройств с номером LOG.5 канала 5

0x15745 492

Разрешение воздействия цифровом (дискретном) входа на группу каналов логических устройств с номером LOG.5 канала 6

CH.6

0x10754 213

Разрешение воздействия входа в цифровом (дискретном) режиме на группу каналов логических устройств с номером LOG.6 канала 1

ENUM

RW

ЗначениеНомер бита
OFF0
ON1

0x11754 469

Разрешение воздействия входа в цифровом (дискретном) режиме на группу каналов логических устройств с номером LOG.6 канала 2

0x12754 725

Разрешение воздействия входа в цифровом (дискретном) режиме на группу каналов логических устройств с номером LOG.6 канала 3

0x13754 981

Разрешение воздействия входа в цифровом (дискретном) режиме на группу каналов логических устройств с номером LOG.6 канала 4

0x14755 237

Разрешение воздействия входа в цифровом (дискретном) режиме на группу каналов логических устройств с номером LOG.6 канала 5

0x15755 493

Разрешение воздействия входа в цифровом (дискретном) режиме на группу каналов логических устройств с номером LOG.6 канала 6

Коррекция показаний датчиков

COR.A

0x10804 224

Параметр коррекции компенсации погрешности подключенных датчиков канала 1

FLOAT_A

RW

0

1

2

0x11804 480

Параметр коррекции компенсации погрешности подключенных датчиков канала 2

0x12804 736

Параметр коррекции компенсации погрешности подключенных датчиков канала 3

0x13804 992

Параметр коррекции компенсации погрешности подключенных датчиков канала 4

0x14805 248

Параметр коррекции компенсации погрешности подключенных датчиков канала 5

0x15805 504

Параметр коррекции компенсации погрешности подключенных датчиков канала 6

COR.B

0x10824 226

Параметр коррекции компенсации погрешности подключенных датчиков канала 1

FLOAT_A

RW

SensMin...SensMax
0x11824 482

Параметр коррекции компенсации погрешности подключенных датчиков канала 2

0x12824 738

Параметр коррекции компенсации погрешности подключенных датчиков канала 3

0x13824 994

Параметр коррекции компенсации погрешности подключенных датчиков канала 4

0x14825 250

Параметр коррекции компенсации погрешности подключенных датчиков канала 5

0x15825 506

Параметр коррекции компенсации погрешности подключенных датчиков канала 6

Оперативные параметры ЛУ

FUN.V

0x20008 192

Вычисленное значение функции канала 1

FLOAT_X

RO

-1999...9999

0x21008 448

Вычисленное значение функции канала 2

0x22008 704

Вычисленное значение функции канала 3

0x23008 960

Вычисленное значение функции канала 4

0x24009 216

Вычисленное значение функции канала 5

0x25009 472

Вычисленное значение функции канала 6

OUT.P

0x20028 194

Выходная мощность ЛУ канала 1

FLOAT_1

в режиме MAN: RW

в режиме RUN: RO

0...100

0x21028 450

Выходная мощность ЛУ канала 2

0x22028 706

Выходная мощность ЛУ канала 3

0x23028 962

Выходная мощность ЛУ канала 4

0x24029 218

Выходная мощность ЛУ канала 5

0x25029 474

Выходная мощность ЛУ канала 6

ERR

0x20048 196

Код ошибки на входе 1...6

BIT_ARRAY

RO

ОписаниеЗначение бита

Измеренное значение входной величины выше допустимого предела

0

Измеренное значение входной величины ниже допустимого предела

1

Обрыв или неверное подключение датчика

2

Данные не готовы

3

ДХС превысил верхнюю границу измерения 100 °С, только для типов датчиков – термопара

4

ДХС превысил нижнюю границу измерения -50 °С, только для типов датчиков – термопара

5

Ошибка вычисления функции

6

Обрыв контура регулирования

7

0x21048 452
0x22048 708
0x23048 964
0x24049 220
0x25049 476

Логика работы ЛУ (см. раздел)

L.TYP

0x20088 200

Тип ЛУ

ENUM

RW

ЗначениеОписаниеНомер бита
OFF

Логическое устройство выключено.

0
HEAT

Дискретный: нагреватель с гистерезисом

Аналоговый: П-регулятор нагреватель

1
COOL

Дискретный: охладитель с гистерезисом

Аналоговый: П-регулятор охладитель

2
H.PID

ПИД-регулятор нагреватель

3
C.PID

ПИД-регулятор охладитель

4
ALRM

Сигнализатор. Прибор должен отслеживать ошибки и аварийные события в ходе своей работы. Ошибки могут быть внутренними, на входе и на выходе.

Ошибки на входе: обрыв датчика, короткое замыкание входа, выход показаний за диапазон измерений.

Ошибки на выходе: обрыв контура регулирования.

5
CONV

Нормирующий преобразователь. При аварии принимает значение ERR.S. Режимы не имеют принудительной остановки, не имеют ошибки LBA и восстанавливаются, когда ошибка на входе устранена

6
H.VLV

ПИД-регулятор для задвижки, нагреватель

7
C.VLV

ПИД-регулятор для задвижки, охладитель

8

0x21088 456
0x22088 712
0x23088 968
0x24089 224
0x25089 480

FUN.T

0x20098 201

Вычисление значения по выбранной функции для канала 1...6

ENUM

RW

ЗначениеНомер бита

FUNC = IN.F[1]

0

Корень квадратный из текущего значения

FUNC = SQRT(IN.F[1])

1

Сумма значений каналов

FUNC = Σ(IN.F[N] * CF[N])

2

Средневзвешенная сумма значений каналов

FUNC = Σ(IN.F[N] * CF[N]) / N

3

Корень квадратный из средневзвешенной суммы значений каналов

FUNC = SQRT (Σ(IN.F[N] * CF[N]) / N)

4

Минимальное значение FUNC = MIN(IN.F[N] * CF[N])

5

Максимальное значение FUNC = MAX(IN.F[N] * CF[N])

6

Соотношение двух входов

FUNC = IN.F[0] / IN.F[1]

7

Расчет влажности по психрометрическому методу

8

Значения задаются внешним устройством по Modbus в регистр E.VAL

9

0x21098 457
0x22098 713
0x23098 969
0x24099 225
0x25099 481

CHNL

0x200A8 202

Принадлежность каналу 1 логических устройств

ENUM

RW

ЗначениеНомер бита
CH.10
CH.21
CH.32
CH.43
CH.54
CH.65

0x210A8 458

Принадлежность каналу 2 логических устройств

0x220A8 714

Принадлежность каналу 3 логических устройств

0x230A8 970

Принадлежность каналу 4 логических устройств

0x240A9 226

Принадлежность каналу 5 логических устройств

0x250A9 482

Принадлежность каналу 6 логических устройств

DPT

0x200B8 203

Положение десятичной точки канала 1

ENUM

RW

ЗначениеНомер бита
00
11
22
33
AUTO4

0x210B8 459

Положение десятичной точки канала 2

0x220B8 715

Положение десятичной точки канала 3

0x230B8 971

Положение десятичной точки канала 4

0x240B9 227

Положение десятичной точки канала 5

0x250B9 483

Положение десятичной точки канала 6

IN.F.1

0x20108 208

Выбор источника входных данных для вычисления функции логического устройства (см. раздел)

ENUM

RW

ЗначениеНомер бита
OFF0
IN11
IN22
IN33
IN44
IN55
IN66

0x21108 464
0x22108 720
0x23108 976
0x24109 232
0x25109 488

IN.F.2

0x20118 209

ENUM

RW

0x21118 465
0x22118 721
0x23118 977
0x24119 233
0x25119 489

IN.F.3

0x20128 210

ENUM

RW

0x21128 466
0x22128 722
0x23128 978
0x24129 234
0x25129 490

IN.F.4

0x21138 211

ENUM

RW

0x22138 467
0x23138 723
0x24138 979
0x25139 235
0x26139 491

IN.F.5

0x20148 212

ENUM

RW

0x21148 468
0x22148 724
0x23148 980
0x24149 236
0x25149 492

IN.F.6

0x20158 213

ENUM

RW

0x21158 469
0x22158 725
0x23158 981
0x24159 237
0x25159 493

CF.1

0x20208 224

Коэффициент знака и веса для вычисления функции (см. раздел)

FLOAT_A

RW

-1999...9999

0x21208 480
0x22208 736
0x23208 992
0x24209 248
0x25209 504

CF.2

0x20228 226

FLOAT_A

RW

-1999...9999

0x21228 482
0x22228 738
0x23228 994
0x24229 250
0x25229 506

CF.3

0x20248 228

FLOAT_A

RW

-1999...9999

0x21248 484
0x22248 740
0x23248 996
0x24249 252
0x25249 508

CF.4

0x20268 230

FLOAT_A

RW

-1999...9999

0x21268 486
0x22268 742
0x23268 998
0x24269 254
0x25269 510

CF.5

0x20288 232

FLOAT_A

RW

-1999...9999

0x21288 488
0x22288 744
0x23289 000
0x24289 256
0x25289 512

CF.6

0x202A8 234

FLOAT_A

RW

-1999...9999

0x212A8 490
0x222A8 746
0x232A9 002
0x242A9 258
0x252A9 514
Нагреватель / охладитель

SP

0x20508 272Уставка для канала 1

FLOAT_X

RW

-1999...9999

0x21508 528Уставка для канала 2
0x22508 784Уставка для канала 3
0x23509 040Уставка для канала 4
0x24509 296Уставка для канала 5
0x25509 552Уставка для канала 6

HYST

0x20528 274

Цифровой (дискретный) выход 1: зона нечувствительности при переключении состояния выхода.

Аналоговый выход 1: полоса пропорциональности

FLOAT_X

RW

0...DeltaFun
0x21528 530

Цифровой (дискретный) выход 2: зона нечувствительности при переключении состояния выхода.

Аналоговый выход 2: полоса пропорциональности

0x22528 786

Цифровой (дискретный) выход 3: зона нечувствительности при переключении состояния выхода.

Аналоговый выход 3: полоса пропорциональности

0x23529 042

Цифровой (дискретный) выход 4: зона нечувствительности при переключении состояния выхода.

Аналоговый выход 4: полоса пропорциональности

0x24529 298

Цифровой (дискретный) выход 5: зона нечувствительности при переключении состояния выхода.

Аналоговый выход 5: полоса пропорциональности

0x25529 554

Цифровой (дискретный) выход 6: зона нечувствительности при переключении состояния выхода.

Аналоговый выход 6: полоса пропорциональности

Сигнализатор

A.TYP

0x20608 288

Тип сигнализации (см. раздел)

ENUM

RW

ЗначениеНомер бита

OFF

0

SP.П

1

SP.U

2

SP.HI

3

SP.LO

4

0.П

5

0.U

6

0.HI

7

0.LO

8

0x21608 544
0x22608 800
0x23609 056
0x24609 312
0x25609 568

SP

0x20618 289Уставка 1

FLOAT_X

RW

-1999...9999

0x21618 545Уставка 2
0x22618 801Уставка 3
0x23619 057Уставка 4
0x24619 313Уставка 5
0x25619 569Уставка 6

A.BND

0x20638 291

Порог срабатывания компаратора сигнализатора канала 1

FLOAT_X

RW

0...DeltaFun
0x21638 547

Порог срабатывания компаратора сигнализатора канала 2

0x22638 803

Порог срабатывания компаратора сигнализатора канала 3

0x23639 059

Порог срабатывания компаратора сигнализатора канала 4

0x24639 315

Порог срабатывания компаратора сигнализатора канала 5

0x25639 571

Порог срабатывания компаратора сигнализатора канала 6

HYST

0x20658 293

Цифровой (дискретный) выход 1: зона нечувствительности при переключении состояния выхода.

Аналоговый выход 1: полоса пропорциональности

FLOAT_X

RW

0...DeltaFun
0x21658 549

Цифровой (дискретный) выход 2: зона нечувствительности при переключении состояния выхода.

Аналоговый выход 2: полоса пропорциональности

0x22658 805

Цифровой (дискретный) выход 3: зона нечувствительности при переключении состояния выхода.

Аналоговый выход 3: полоса пропорциональности

0x23659 061

Цифровой (дискретный) выход 4: зона нечувствительности при переключении состояния выхода.

Аналоговый выход 4: полоса пропорциональности

0x24659 317

Цифровой (дискретный) выход 5: зона нечувствительности при переключении состояния выхода.

Аналоговый выход 5: полоса пропорциональности

0x25659 573

Цифровой (дискретный) выход 6: зона нечувствительности при переключении состояния выхода.

Аналоговый выход 6: полоса пропорциональности

F.BLC

0x20678 295

Блокировка первого срабатывания компаратора 1

ENUM

RW

ЗначениеНомер бита
OFF0
ON1

0x21678 551

Блокировка первого срабатывания компаратора 2

0x22678 807

Блокировка первого срабатывания компаратора 3

0x23679 063

Блокировка первого срабатывания компаратора 4

0x24679 319

Блокировка первого срабатывания компаратора 5

0x25679 575

Блокировка первого срабатывания компаратора 6

ПИД-регулятор

SP

0x20708 304Уставка регулятора 1

FLOAT_X

RW

-1999...9999

0x21708 560Уставка регулятора 2
0x22708 816Уставка регулятора 3
0x23709 072Уставка регулятора 4
0x24709 328Уставка регулятора 5
0x25709 584Уставка регулятора 6

PID.P

0x20728 306

Полоса пропорциональности ПИД-регулятора 1

FLOAT_X

RW

0.001...9999

0x21728 562

Полоса пропорциональности ПИД-регулятора 2

0x22728 818

Полоса пропорциональности ПИД-регулятора 3

0x23729 074

Полоса пропорциональности ПИД-регулятора 4

0x24729 330

Полоса пропорциональности ПИД-регулятора 5

0x25729 586

Полоса пропорциональности ПИД-регулятора 6

PID.I

0x20748 308

Интегральная постоянная ПИД-регулятора 1

INT16

RW

0...3999
0x21748 564

Интегральная постоянная ПИД-регулятора 2

0x22748 820

Интегральная постоянная ПИД-регулятора 3

0x23749 076

Интегральная постоянная ПИД-регулятора 4

0x24749 332

Интегральная постоянная ПИД-регулятора 5

0x25749 588

Интегральная постоянная ПИД-регулятора 6

PID.D

0x20758 309

Дифференциальная постоянная ПИД-регулятора 1

INT16

RW

0...3999
0x21758 565

Дифференциальная постоянная ПИД-регулятора 2

0x22758 821

Дифференциальная постоянная ПИД-регулятора 3

0x23759 077

Дифференциальная постоянная ПИД-регулятора 4

0x24759 333

Дифференциальная постоянная ПИД-регулятора 5

0x25759 589

Дифференциальная постоянная ПИД-регулятора 6

V.SP

0x20768 310

Скорость изменения уставки 1

FLOAT_X

RW

0...9999
0x21768 566

Скорость изменения уставки 2

22768 822

Скорость изменения уставки 3

0x23769 078

Скорость изменения уставки 4

0x24769 334

Скорость изменения уставки 5

0x25769 590

Скорость изменения уставки 6

HYST

0x20788 312

Цифровой (дискретный) выход 1: зона нечувствительности при переключении состояния выхода.

Аналоговый выход 1: полоса пропорциональности

FLOAT_X

RW

0...DeltaFun
0x21788 568

Цифровой (дискретный) выход 2: зона нечувствительности при переключении состояния выхода.

Аналоговый выход 2: полоса пропорциональности

0x22788 824

Цифровой (дискретный) выход 3: зона нечувствительности при переключении состояния выхода.

Аналоговый выход 3: полоса пропорциональности

0x23789 080

Цифровой (дискретный) выход 4: зона нечувствительности при переключении состояния выхода.

Аналоговый выход 4: полоса пропорциональности

0x24789 336

Цифровой (дискретный) выход 5: зона нечувствительности при переключении состояния выхода.

Аналоговый выход 5: полоса пропорциональности

0x25789 592

Цифровой (дискретный) выход 6: зона нечувствительности при переключении состояния выхода.

Аналоговый выход 6: полоса пропорциональности

OL.L

0x207A8 314

Минимальная выходная мощность канала 1

FLOAT_1

RW

0...OL.H

0x217A8 570

Минимальная выходная мощность канала 2

0x227A8 826

Минимальная выходная мощность канала 3

0x237A9 082

Минимальная выходная мощность канала 4

0x247A9 338

Минимальная выходная мощность канала 5

0x257A9 594

Минимальная выходная мощность канала 6

OL.H

0x207C8 316

Максимальная выходная мощность канала 1

FLOAT_1

RW

OL.L...100

0x217C8 572

Максимальная выходная мощность канала 2

0x227C8 828

Максимальная выходная мощность канала 3

0x237C9 084

Максимальная выходная мощность канала 4

0x247C9 340

Максимальная выходная мощность канала 5

0x257C9 596

Максимальная выходная мощность канала 6

OL.V

0x207E8 318

Максимальная скорость изменения выходной мощности канала 1

FLOAT_1

RW

0.2...100

0x217E8 574

Максимальная скорость изменения выходной мощности канала 2

0x227E8 830

Максимальная скорость изменения выходной мощности канала 3

0x237E9 086

Максимальная скорость изменения выходной мощности канала 4

0x247E9 342

Максимальная скорость изменения выходной мощности канала 5

0x257E9 598

Максимальная скорость изменения выходной мощности канала 6

ANR

0x20808 320

Автонастройка ПИД-регулятора канала 1

ENUM

RW

ЗначениеНомер бита
OFF0
RUN 1
GOOD*2
FAIL*3
Примечание
* Не доступны для записи по Modbus

0x21808 576

Автонастройка ПИД-регулятора канала 2

0x22808 832

Автонастройка ПИД-регулятора канала 3

0x23809 088

Автонастройка ПИД-регулятора канала 4

0x24809 344

Автонастройка ПИД-регулятора канала 5

0x25809 600

Автонастройка ПИД-регулятора канала 6

Нормирующий преобразователь

OUT.L

0x20908 336

Принудительная установка значения выхода 1

FLOAT_X

RW

0...100
0x21908 592

Принудительная установка значения выхода 2

0x22908 848

Принудительная установка значения выхода 3

0x23909 104

Принудительная установка значения выхода 4

0x24909 360

Принудительная установка значения выхода 5

0x25909 616

Принудительная установка значения выхода 6

OUT.H

0x20928 338

Принудительная установка значения выхода 1

FLOAT_X

RW

0...100
0x21928 594

Принудительная установка значения выхода 2

0x22928 850

Принудительная установка значения выхода 3

0x23929 106

Принудительная установка значения выхода 4

0x24929 362

Принудительная установка значения выхода 5

0x25929 618

Принудительная установка значения выхода 6

Детектор обрыва контура регулирования

LBA.B

0x20A28 354

Порог изменения регулируемой величины в течение времени детектирования канала 1

FLOAT_X

RW

0...9999
0x21A28 610

Порог изменения регулируемой величины в течение времени детектирования канала 2

0x22A28 866

Порог изменения регулируемой величины в течение времени детектирования канала 3

0x23A29 122

Порог изменения регулируемой величины в течение времени детектирования канала 4

0x24A29 378

Порог изменения регулируемой величины в течение времени детектирования канала 5

0x25A29 634

Порог изменения регулируемой величины в течение времени детектирования канала 6

LBA.D

0x20A48 356

Зона нечувствительности детектора обрыва контура 1

FLOAT_X

RW

0...9999
0x21A48 612

Зона нечувствительности детектора обрыва контура 2

0x22A48 868

Зона нечувствительности детектора обрыва контура 3

0x23A49 124

Зона нечувствительности детектора обрыва контура 4

0x24A49 380

Зона нечувствительности детектора обрыва контура 5

0x25A49 636

Зона нечувствительности детектора обрыва контура 6

График уставки

GRF.I

0x20B08 368

Источник данных для графика уставки 1

ENUM

RW

ЗначениеНомер бита
OFF0
IN11
IN22
IN33
IN44
IN55
IN66

0x21B08 624

Источник данных для графика уставки 2

0x22B08 880

Источник данных для графика уставки 3

0x23B09 136

Источник данных для графика уставки 4

0x24B09 392

Источник данных для графика уставки 5

0x25B09 648

Источник данных для графика уставки 6

GRF.N

0x20B18 369

Количество точек для графика уставки 1

ENUM

RW

ЗначениеНомер бита
2 точки0
3 точки1
4 точки2

0x21B18 625

Количество точек для графика уставки 2

0x22B18 881

Количество точек для графика уставки 3

0x23B19 137

Количество точек для графика уставки 4

0x24B19 393

Количество точек для графика уставки 5

0x25B19 649

Количество точек для графика уставки 6

IN.G.1

0x20B28 370Значение входа точка 1

FLOAT_X

RW

–1999...9999
0x21B28 626Значение входа точка 2
0x22B28 882Значение входа точка 3
0x23B29 138Значение входа точка 4
0x24B29 394Значение входа точка 5
0x25B29 650Значение входа точка 6

SP.G.1

0x20B48 372Значение уставки точка 1 канал 1

FLOAT_X

RW

–1999...9999
0x21B48 628Значение уставки точка 1 канал 2
0x22B48 884Значение уставки точка 1 канал 3
0x23B49 140Значение уставки точка 1 канал 4
0x24B49 396Значение уставки точка 1 канал 5
0x25B49 652Значение уставки точка 1 канал 6

IN.G.2

0x20B68 374Значение входа точка 2 канал 1

FLOAT_X

RW

–1999...9999
0x21B68 630Значение входа точка 2 канал 2
0x22B68 886Значение входа точка 2 канал 3
0x23B69 142Значение входа точка 2 канал 4
0x24B69 398Значение входа точка 2 канал 5
0x25B69 654Значение входа точка 2 канал 6

SP.G.2

0x20B88 376Значение уставки точка 2 канал 1

FLOAT_X

RW

–1999...9999
0x21B88 632Значение уставки точка 2 канал 2
0x22B88 888Значение уставки точка 2 канал 3
0x23B89 144Значение уставки точка 2 канал 4
0x24B89 400Значение уставки точка 2 канал 5
0x25B89 656Значение уставки точка 2 канал 6

IN.G.3

0x20BA8 378Значение входа точка 3 канал 1

FLOAT_X

RW

–1999...9999
0x21BA8 634Значение входа точка 3 канал 2
0x22BA8 890Значение входа точка 3 канал 3
0x23BA9 146Значение входа точка 3 канал 4
0x24BA9 402Значение входа точка 3 канал 5
0x25BA9 658Значение входа точка 3 канал 6

SP.G.3

0x20BC8 380Значение уставки точка 3 канал 1

FLOAT_X

RW

–1999...9999
0x21BC8 636Значение уставки точка 3 канал 2
0x22BC8 892Значение уставки точка 3 канал 3
0x23BC9 148Значение уставки точка 3 канал 4
0x24BC9 404Значение уставки точка 3 канал 5
0x25BC9 660Значение уставки точка 3 канал 6

IN.G.4

0x20BE8 382Значение входа точка 4 канал 1

FLOAT_X

RW

–1999...9999
0x21BE8 638Значение входа точка 4 канал 2
0x22BE8 894Значение входа точка 4 канал 3
0x23BE9 150Значение входа точка 4 канал 4
0x24BE9 406Значение входа точка 4 канал 5
0x25BE9 662Значение входа точка 4 канал 6

SP.G.4

0x20C08 384Значение уставки точка 4 канал 1

FLOAT_X

RW

–1999...9999
0x21C08 640Значение уставки точка 4 канал 2
0x22C08 896Значение уставки точка 4 канал 3
0x23C09 152Значение уставки точка 4 канал 4
0x24C09 408Значение уставки точка 4 канал 5
0x25C09 664Значение уставки точка 4 канал 6

Цифровой (дискретный) выход (см. раздел)

CNT.P

0x300012 288

Период ШИМ канала 1

INT16

RW

1...250
0x310012 544

Период ШИМ канала 2

0x320012 800

Период ШИМ канала 3

0x330013 056

Период ШИМ канала 4

0x340013 312

Период ШИМ канала 5

0x350013 568

Период ШИМ канала 6

D.ON

0x300112 289

Задержка включения цифрового (дискретного) выхода 1

INT16

RW

0...250
0x310112 545

Задержка включения цифрового (дискретного) выхода 2

0x320112 801

Задержка включения цифрового (дискретного) выхода 3

0x330113 057

Задержка включения цифрового (дискретного) выхода 4

0x340113 313

Задержка включения цифрового (дискретного) выхода 5

0x350113 569

Задержка включения цифрового (дискретного) выхода 6

D.OFF

0x300212 290

Задержка выключения цифрового (дискретного) выхода 1

INT16

RW

0...250
0x310212 546

Задержка выключения цифрового (дискретного) выхода 2

0x320212 802

Задержка выключения цифрового (дискретного) выхода 3

0x330213 058

Задержка выключения цифрового (дискретного) выхода 4

0x340213 314

Задержка выключения цифрового (дискретного) выхода 5

0x350213 570

Задержка выключения цифрового (дискретного) выхода 6

H.ON

0x300312 291

Минимальное время удержания цифрового (дискретного) выхода 1 в состоянии включено

INT16

RW

0...250
0x310312 547

Минимальное время удержания цифрового (дискретного) выхода 2 в состоянии включено

0x320312 803

Минимальное время удержания цифрового (дискретного) выхода 3 в состоянии включено

0x330313 059

Минимальное время удержания цифрового (дискретного) выхода 4 в состоянии включено

0x340313 315

Минимальное время удержания цифрового (дискретного) выхода 5 в состоянии включено

0x350313 571

Минимальное время удержания цифрового (дискретного) выхода 6 в состоянии включено

H.OFF

0x300412 292

Минимальное время удержания цифрового (дискретного) выхода 1 в состоянии выключено

INT16

RW

0...250
0x310412 548

Минимальное время удержания цифрового (дискретного) выхода 2 в состоянии выключено

0x320412 804

Минимальное время удержания цифрового (дискретного) выхода 3 в состоянии выключено

0x330413 060

Минимальное время удержания цифрового (дискретного) выхода 4 в состоянии выключено

0x340413 316

Минимальное время удержания цифрового (дискретного) выхода 5 в состоянии выключено

0x350413 572

Минимальное время удержания цифрового (дискретного) выхода 6 в состоянии выключено

Аналоговый выход (см. раздел)

DB.A

0x301012 304

Минимальное изменение аналогового ВУ 1

FLOAT_1

RW

0...100
0x311012 560

Минимальное изменение аналогового ВУ 2

0x321012 816

Минимальное изменение аналогового ВУ 3

0x331013 072

Минимальное изменение аналогового ВУ 4

0x341013 328

Минимальное изменение аналогового ВУ 5

0x351013 584

Минимальное изменение аналогового ВУ 6

Дискретная задвижка

DB.D

0x302012 320

Минимальная длительность ШИМ/Минимальный ход задвижки канала 1

FLOAT_2

RW

0,02...9,99
0x312012 576

Минимальная длительность ШИМ/Минимальный ход задвижки канала 2

0x322012 832

Минимальная длительность ШИМ/Минимальный ход задвижки канала 3

0x332013 088

Минимальная длительность ШИМ/Минимальный ход задвижки канала 4

0x342013 344

Минимальная длительность ШИМ/Минимальный ход задвижки канала 5

0x352013 600

Минимальная длительность ШИМ/Минимальный ход задвижки канала 6

V.MOT

0x302212 322

Время полного хода задвижки канала 1

INT16

RW

5...999
0x312212 578

Время полного хода задвижки канала 2

0x322212 834

Время полного хода задвижки канала 3

0x332213 090

Время полного хода задвижки канала 4

0x342213 346

Время полного хода задвижки канала 5

0x352213 602

Время полного хода задвижки канала 6

V.GAP

0x302312 323

Время выборки люфта задвижки канала 1

FLOAT_1

RW

0...10
0x312312 579

Время выборки люфта задвижки канала 2

0x322312 835

Время выборки люфта задвижки канала 3

0x332313 091

Время выборки люфта задвижки канала 4

0x342313 347

Время выборки люфта задвижки канала 5

0x352313 603

Время выборки люфта задвижки канала 6

V.REV

0x302512 325

Минимальное время реверса канала 1

FLOAT_1

RW

0.5...10
0x312512 581

Минимальное время реверса канала 2

0x322512 837

Минимальное время реверса канала 3

0x332513 093

Минимальное время реверса канала 4

0x342513 349

Минимальное время реверса канала 5

0x352513 605

Минимальное время реверса канала 6

Безопасное состояние выходов

ERR.S

0x303012 336

Безопасное состояние в аварийном режиме выхода 1

FLOAT_1

RW

0...100

При типе ЛУ дискретная задвижка - диапазон меняется на -1...100.

При (-1) активируется режим HOLD

0x313012 592

Безопасное состояние в аварийном режиме выхода 2

0x323012 848

Безопасное состояние в аварийном режиме выхода 3

0x333013 104

Безопасное состояние в аварийном режиме выхода 4

0x343013 360

Безопасное состояние в аварийном режиме выхода 5

0x353013 616

Безопасное состояние в аварийном режиме выхода 6

STP.S

0x303212 338

Безопасное состояние выхода 1 в режиме

FLOAT_1

RW

0...100

При типе ЛУ дискретная задвижка - диапазон меняется на -1...100.

При (-1) активируется режим HOLD

0x313212 594

Безопасное состояние выхода 2 в режиме

0x323212 850

Безопасное состояние выхода 3 в режиме

0x333213 106

Безопасное состояние выхода 4 в режиме

0x343213 362

Безопасное состояние выхода 5 в режиме

0x353213 618

Безопасное состояние выхода 6 в режиме

Ограничение доступа к параметрам

SCR

0x5000

20480

Конфигурация отображаемых оперативных параметров

ENUM

RW

Обозначение на ЦИОписание
FUФункция
SPУставка, в ручном режиме выходная мощность OUT.P. OUT
OVВыходная мощность в процентах
INИзмеренное значение на входе, положение десятичной точки из логического устройства SCR.X

 

ЗначениеНомер бита
FU.SP0
FU.SP1
PV.SP2
Pu.OV3

RET.T

0x5001

20481

Время автоматического возврата из меню в режим отображения оперативных параметров при отсутствии активности

ENUM

RW

ЗначениеНомер бита
OFF0
51
102
303
604

CHG.T

0x5002

20482

Автоматическая смена экранов отображения оперативных параметров

ENUM

RW

ЗначениеНомер бита
OFF0
51
102
303
604
1205

Оперативные параметры каналов

E.VAL.1

0x0080

128Регистр для внешнего управления параметром FUN.T канала 1

FLOAT

RW

0...100

E.VAL.2

0x0082

130Регистр для внешнего управления параметром FUN.T канала 2

FLOAT

RW

E.VAL.3

0x0084

132Регистр для внешнего управления параметром FUN.T канала 3

FLOAT

RW

E.VAL.4

0x0086

134Регистр для внешнего управления параметром FUN.T канала 4

FLOAT

RW

E.VAL.5

0x0088

136Регистр для внешнего управления параметром FUN.T канала 5

FLOAT

RW

E.VAL.6

0x008A

138Регистр для внешнего управления параметром FUN.T канала 6

FLOAT

RW

FUN.1

0x0000

0Функция на канале 1

FLOAT_X

RO

DeltaFun

FUN.2

0x0002

2Функция на канале 2

FLOAT_X

RO

FUN.3

0x0004

4Функция на канале 3

FLOAT_X

RO

FUN.4

0x0006

6Функция на канале 4

FLOAT_X

RO

FUN.5

0x0008

8Функция на канале 5

FLOAT_X

RO

FUN.6

0x000A

10Функция на канале 6

FLOAT_X

RO

IN.1

0x0010

16Измеренное значение на канале 1

FLOAT_X

RO

minSense...maxSense

IN.2

0x0012

18Измеренное значение на канале 2

FLOAT_X

RO

IN.3

0x0014

20Измеренное значение на канале 3

FLOAT_X

RO

IN.4

0x0016

22Измеренное значение на канале 4

FLOAT_X

RO

IN.5

0x0018

24Измеренное значение на канале 5

FLOAT_X

RO

IN.6

0x001A

26Измеренное значение на канале 6

FLOAT_X

RO

SP.1

0x0020

32Уставка на канале 1

FLOAT_X

RW

–1999...9999

SP.2

0x0022

34Уставка на канале 2

FLOAT_X

RW

SP.3

0x0024

36Уставка на канале 3

FLOAT_X

RW

SP.4

0x0026

38Уставка на канале 4

FLOAT_X

RW

SP.5

0x0028

40Уставка на канале 5

FLOAT_X

RW

SP.6

0x002A

42Уставка на канале 6

FLOAT_X

RW

Интерфейс RS-485 (см. раздел)

PROT

0x5100

20736

Протокол обмена

ENUM

RW

ЗначениеНомер бита

RTU

0

ASCI

1

ADDR

0x5101

20737

Адрес прибора

INT16

RW

1...247

BAUD

0x5102

20738

Скорость обмена данными

ENUM

RW

ЗначениеНомер бита
2,40
4,81
9,62
14,43
19,24
28,85
38,46
57,67
115,28

DPS

0x5103

20739

Формат посылки данных (см. раздел)

ENUM

RW

ЗначениеНомер бита

8N1

0

8O1

1

8E1

2

8N2

3

8O2

4

8E2

5

7O1

6

7E1

7

7O2

8

7E2

9

IDLE

0x5104

20740

Задержка ответа от прибора

ENUM

RW

0...20

B.ORD

0x5105

20741

Порядок байт в регистре

ENUM

RW

ЗначениеНомер бита

MSB

0

LSB

1

INIT

0x5106

20742

Регистр инициализации интерфейса RS–485

ENUM

RW

ЗначениеНомер бита
OFF0
ON1

Выбор алгоритма (см. раздел)
PRES0x600024576Выбор алгоритма работы (см. раздел)
Примечание
В зависимости от модификации список доступных значений меняется

ENUM

RW

ЗначениеНомер бита

USER

0

6.REG

1

3R.AO

2

3R.DO

3

3H.DO

4

3H.AO

5

3.VLV

6

3VLV

7

Контроль доступа (см. раздел) *
Примечание
* Параметры доступны на запись, если установлена перемычка (см. раздел)
PASS.IN0x710028928Регистр ввода пароля для доступа в меню ScRt. Если пароль не совпадает с PASS, то регистры группы доступны только для чтения. Пароль сбрасывается (PASS.IN = 0) каждые 15 минут после успешного ввода и каждый неверный ввод. Регистр игнорируется, меню не отображается, если CONF = OFFINTRW*0...9999
PASS0x710128 929Пароль доступа к меню SCRT. Если пароль не совпадает с PASS.IN, то чтение значения регистр выдает -1INTRW*0...9999
PRT.E0x710228 930

Защита от редактирования значений переменных.

OFF – защита отключена, все параметры доступны для редактирования

SETT – запрет редактирования настроек, редактирование только уставок, выходной мощности и RUN/MAN/STOP

ALL – блокировка редактирования всех параметров.

HIDE – Скрыть все параметры. Нет доступа в основное меню настроек и в меню CTR

ENUMRW*

ЗначениеНомер бита
OFF0
SETT1
ALL2
HIDE3

ATR.E0x710328 931

Атрибуты защиты параметров от просмотра и изменения. OFF – отключить атрибуты EDIT – редактирование атрибутов, вместо параметров в меню отображаются их атрибуты ON – включить атрибуты

ENUMRW*

ЗначениеНомер бита
OFF0
EDIT1
ON2

CJS.E0x710428 932ENUMRW*

ЗначениеНомер бита
OFF0
ON1

Восстановление заводских параметров (см. раздел)*
Примечание
* Параметры доступны на запись, если установлена перемычка (см. раздел)
PASS.IN0x720029 184Регистр ввода пароля для доступа к параметрам группы. Если пароль не совпадает с 0100, то регистры группы доступны только для чтения. Пароль сбрасывается (PASS.IN = 0) каждые 15 минут после успешного ввода и каждый неверный ввод. Регистр игнорируется, меню не отображается, если CONF = OFF. После верного ввода пароля производится возврат на заводские параметры с последующей перезагрузкой устройстваINTRW*0...9999
D.RST0x720129 185Возврат на заводские настройки. После применения заводских параметров прибор перезагружаетсяENUMRW*

ЗначениеНомер бита
OFF0
ON1

REST0x720229 186Удаленная перезагрузка устройстваENUMRW*

ЗначениеНомер бита
OFF0
ON1

Обработка ошибок обмена по Modbus

Список кодов общих ошибок Modbus

Возвращаемый код*

Описание ошибки

01

В приборе не реализована обработка запрашиваемого кода функции

02

Адрес данных, указанный в запросе, отсутствует в приборе. Критерии проверки – удовлетворение диапазону начального адреса регистра и количество регистров

03

Значение, содержащееся в поле данных запроса, является недопустимой величиной. Критерий проверки – соответствие длины записываемых или читаемых данных размерности типа регистра; соответствие записываемой величины условиям минимального и максимального значений регистра
Примечание
* Согласно спецификации Modbus.

Обработка пакетов производится в следующем порядке:

  1. Проверяется валидность пакета. Не прошедший проверку пакет отбрасывается.

  2. Проверяется адрес (SlaveID), если получен чужой пакет, то такой пакет игнорируется.

  3. Проверка на функцию Modbus.

Если приходит запрос с функцией не из таблицы выше, то выдается ошибка «MODBUS_ILLEGAL_FUNCTION».

Расшифровка ошибок данных приведена в таблице ниже.

Обработка ошибок данных
Используемая функцияНаименование ошибкиВозможные ситуации, приводящие к ошибке
MODBUS_READ_ HOLDING_REGISTERSMODBUS_ILLEGAL_DATA_ADDRESS

Количество запрашиваемых регистров больше максимально возможного числа (125).

Запрос несуществующего параметра

MODBUS_READ_INPUT_ REGISTERSMODBUS_ILLEGAL_DATA_ADDRESS

Количество запрашиваемых регистров больше максимально возможного числа (125).

Запрос несуществующего параметра

MODBUS_WRITE_SINGLE_ REGISTERMODBUS_ILLEGAL_DATA_ADDRESS

Попытка записи параметра, размер которого превышает 2 байта.

Попытка записи параметра, доступ на запись к которому запрещен.

Попытка записи параметра такого типа, запись в который не может быть осуществлена данной функцией.

Запрос несуществующего параметра.

Поддерживаемые типы данных:

  • знаковые и беззнаковые целые (размер не более 2 байт);

  • перечисляемые

MODBUS_ILLEGAL_DATA_VALUEВыход за пределы максимального или минимального ограничений для параметра
MODBUS_WRITE_ MULTIPLE_REGISTERSMODBUS_ILLEGAL_DATA_ADDRESS

Запись несуществующего параметра.

Попытка записи параметра, доступ на запись к которому запрещен.

Количество записываемых регистров больше максимального возможного числа (123)

MODBUS_ILLEGAL_DATA_VALUE

Не найден терминирующий символ (\0) в строковом параметре.

Размер запрашиваемых данных меньше размера первого или последнего в запросе параметра.

Выход за пределы максимального или минимального ограничений для параметра

Измерение влажности психрометрическим методом

Относительная влажность вычисляется в приборе по психрометрическому методу.

Психрометрический метод основан на измерении разности температур сухого и влажного термометров. Температура влажного термометра всегда ниже температуры сухого из/за испарения воды с поверхности фитиля. Чем суше воздух (влажность ниже), тем интенсивнее испаряется вода с поверхности фитиля, тем ниже температура увлажняемого термометра.

Из существующих полуэмпирических психрометрических формул выведена общепринятая формула относительной влажности:

Graphic

где φ — относительная влажность воздуха, %;

Евлаж. — максимальное возможное парциальное давление водяного пара при температуре воздуха Твлаж., °С;

Есух. — максимальное возможное парциальное давление водяного пара при температуре воздуха Тсух., °С;

р — атмосферное давление;

Тсух. — температура сухого термометра, °С;

Твлаж. — температура влажного термометра, °С;

A — психрометрический коэффициент (психрометрическая постоянная), не редактируется и равен 0,000795, что соответствует естественному движению воздуха.

Примечание
Евлаж. и Есух. – коэффициенты, которые прибор вычисляет по известным Твлаж., Тсух. и др. Показания психрометрического датчика будут точнее, если есть датчик давления.

«Сухой» и «влажный» датчики температуры следует крепить один над другим на расстоянии 50...100 мм, перпендикулярно или параллельно стенке (см. рисунки ниже). Под «влажным» датчиком помещается резервуар с водой, в который опускают увлажняющий фитиль, закрывающий датчик.

Graphic
Крепление датчиков температуры перпендикулярно стенке камеры
Graphic
Крепление датчиков температуры параллельно стенке камеры

Резервуар изготавливается из нержавеющей стали, оцинкованного железа, термостойкой пластмассы, стекла или другого стойкого к условиям эксплуатации материала, не выделяющего вредных вещества.

Увлажняющий фитиль рекомендуется изготавливать из тонких неотбеленных хлопчатобумажных тканей — марли, батиста, муслина, — обладающих максимальной всасывающей способностью. Фитиль должен закрывать чувствительный элемент и максимальную площадь поверхности датчика.

Для снижения площади испарения воды из резервуара рекомендуется «бутылочный» профиль резервуара. Для пополнения резервуара можно смонтировать вне камеры дополнительный резервуар и соединить с внутренним (см. рисунки ниже).

Graphic
Форма резервуара с «бутылочным горлом»
Graphic
Конструкция резервуара для воды, не требующая входа в камеру

Предупреждающие сообщения

В данном руководстве применяются следующие предупреждения:

Опасность

Ключевое слово ОПАСНОСТЬ сообщает о непосредственной угрозе опасной ситуации, которая приведет к смерти или серьезной травме, если ее не предотвратить.

Внимание

Ключевое слово ВНИМАНИЕ сообщает о потенциально опасной ситуации, которая может привести к небольшим травмам.

Предупреждение

Ключевое слово ПРЕДУПРЕЖДЕНИЕ сообщает о потенциально опасной ситуации , которая может привести к повреждению имущества.

Примечание

Ключевое слово ПРИМЕЧАНИЕ обращает внимание на полезные советы и рекомендации, а также информацию для эффективной и безаварийной работы оборудования.

Ограничение ответственности

Ни при каких обстоятельствах ООО «Производственное Объединение ОВЕН» и его контрагенты не будут нести юридическую ответственность и не будут признавать за собой какие-либо обязательства в связи с любым ущербом, возникшим в результате установки или использования прибора с нарушением действующей нормативно-технической документации.