1-RU-132806-1.9

Руководство по эксплуатации

Перечень изменений

ПараметрТРМ-У2 (обновленные с USB)ТРМ-У2
ПО для настройкиOwenConfigurator
Интерфейс настройкиUSB, RS-485*RS-485*
Подача питания при настройкеЧерез USB**От внешнего блока питания
DIP-переключателиНетЕсть
Примечание

* Есть не во всех модификациях.

** При настройке прибора по USB подключать внешний источник питания не обязательно.

Введение

Настоящее руководство по эксплуатации предназначено для ознакомления обслуживающего персонала с устройством, принципом действия, конструкцией, технической эксплуатацией и обслуживанием одноканального измерителя-регулятора с универсальным входом ТРМ12, в дальнейшем по тексту именуемого «прибор» или «ТРМ12».

Подключение, настройка и техобслуживание прибора должны производиться только квалифицированными специалистами после прочтения настоящего руководства по эксплуатации.

Прибор выпускается в соответствии с ТУ 4217-041-46526536-2013.

Номер в Госреестре 17023-08 СТО РС № 22.44.01.01988.120.

Прибор изготавливается в различных модификациях, указанных в коде полного условного обозначения:

Graphic

Условия использования ПО «OWEN MONITOR»

Пользователю прибора предоставляется право использования программного обеспечения (ПО) «OWEN MONITOR», предназначенного для диспетчеризации приборов «ОВЕН». Условия использования ПО содержатся в пользовательском лицензионном соглашении, размещенном в ПО.

Срок действия права использования – в соответствии со средним сроком службы соответствующего прибора «ОВЕН».

Дистрибутив  ПО  «OWEN  MONITOR»  размещен  по  адресу:  https://www.owen.ru  и https://www.owendigital.ru либо на сайтах официальных дилеров «ОВЕН».

Право использования указанного ПО предоставляется в базовом функционале. Дополнительные функции ПО (при их наличии) предоставляются отдельно в соответствии с пользовательским лицензионным соглашением соответствующего ПО.

Используемые аббревиатуры

  • ВУ – выходное устройство;

  • ДХС – датчик «холодного спая»;

  • ИМ – исполнительный механизм;

  • ИП24 – источник питания 24 В для подключаемых датчиков (см. раздел);

  • КХС – компенсация «холодного спая»;

  • ЛУ – логическое устройство;

  • НСХ – номинальная статическая характеристика;

  • ПК – персональный компьютер;

  • ТП – преобразователь термоэлектрический (термопара);

  • ТС – термопреобразователь сопротивления;

  • ЦАП – цифро-аналоговый преобразователь;

  • ЦИ – цифровой индикатор.

Соответствие символов ЦИ буквам латинского алфавита

Graphic

Назначение и функции

Прибор предназначен для измерения и автоматического регулирования температуры (при использовании в качестве первичных преобразователей термопреобразователей сопротивления или термоэлектрических преобразователей), а также других физических параметров (давления, влажности, расхода, уровня и т.п.) с помощью задвижек.

Прибор относится к изделиям государственной системы промышленных приборов и средств автоматизации.

Прибор зарегистрирован в Государственном реестре средств измерений.

Функции прибора

Работа с входными сигналами:

  • измерение температуры, давления, влажности, расхода, уровня и т. п. по двум независимым каналам;

  • обработка входных сигналов:

    • цифровая фильтрация и коррекция;

    • масштабирование входного сигнала.

  • вычисление и индикация:

    • квадратного корня из измеряемой величины;

    • взвешенных суммы, разности и отношения величин двух каналов;

    • средневзвешенной и среднеквадратичной суммы значений измеряемых величин двух каналов.

  • работа с датчиками, подключенными через барьер искрозащиты;

  • анализ динамики входных сигналов (рост, падение, удержание);

  • питание активных датчиков от встроенного источника питания (только для модификации с ИП24).

Индикация и настройка:

  • отображение на ЦИ:

    • текущего измеренного значения, уставки, выходной мощности, вычисленной математической функции, динамики сигнала;

  • автоматическая смена отображения параметров на ЦИ;

  • сброс прибора до заводских настроек;

  • скрытие пунктов меню и защита от редактирования параметров.

Управление аналоговыми ИМ:

  • настраиваемая логика работы ЛУ (сигнализатор, регистратор, ПИД-регулятор);

  • формирование выходного тока 4…20 мА или напряжения 0…10 В для управления по П-закону (если ВУ1 аналоговое);

  • управление в ручном режиме;

  • погодозависимое регулирование.

Управление дискретными ИМ:

  • независимая работа с сигналами ”открыть” и ”закрыть”;

  • управление в ручном режиме.

Примечание
Для модификаций с дискретными ВУ (управление по принципу «больше/меньше») алгоритм расчета длины управляющего импульса реализован основываясь на математической модели КЗР, а не на принципе широтно-импульсной модуляции.
Примечание
ВУ2 всегда дискретное.
Предупреждение
Для дискретного управления ИМ должны быть оснащены концевыми выключателями. Применение задвижек без концевых выключателей не допускается.

Обработка аварийных ситуаций:

  • отслеживание обрыва или «залипания» в контуре регулирования, обрыва датчиков и выхода измеренного сигнала за допустимый диапазон для выбранного типа датчика;

  • автоматическое восстановление процесса регулирования после устранения обрыва датчика или выхода показаний за диапазон измерения;

  • переключение выходов в безопасное состояние при аварии и в режиме «Стоп».

Интерфейс USB Type-C:

  • конфигурирование прибора с помощью ПК;

Интерфейс RS-485 (только для модификации с RS-485):

  • регистрация данных и конфигурирование прибора с помощью ПК через интерфейс RS-485;

  • дистанционное управление процессом регулирования (запуск, остановка, изменение режимов и уставок).

Технические характеристики и условия эксплуатации

Технические характеристики

Характеристики прибора

Наименование

Значение

Питание

Диапазон входного напряжения питания для всех типов модификаций:

  • переменное

90...264 В (номинальное 230 В)

47...63 Гц (номинальное 50 Гц)

  • постоянное (номинальное)

21...120 В

(24 В)

Потребляемая мощность, не более

11 ВА

Потребляемая мощность при питании от источника постоянного напряжения, не более

9 Вт

Источник встроенного питания1)Напряжение и ток= 24 ± 2,4 В, максимально 50 мА

Измерительные входы

Количество измерительных каналов

2

Время опроса входа ТС/ТП и других типов датчиков, не более

1 с

Предел допускаемой основной приведенной (от диапазона измерений) погрешности измерения, не более2):

  • ТС

0,25 %

  • ТП с включенной КХС

0,5 %

  • ТП с отключенной КХС

0,25 %

  • токовые сигналы (4...20 мА, 0...5 мА, 0...20 мА)

0,25 %

  • сигналы напряжения (–50...+50 мВ, 0...1 В)

0,25 %

Дополнительная приведенная к диапазону измерений погрешность измерения, вызванная изменением температуры окружающей среды в пределах рабочего диапазона, на каждые 10 градусов, доля от основной

  • в режиме измерения тока

0,25 предела основной

  • в режиме измерения напряжения

0,25 предела основной

  • для ТП, не более

0,25 предела основной

  • для ТС, не более

0,25 предела основной

Входное сопротивление при измерении сигналов напряжения, не менее

300 кОм

Величина максимально допустимого напряжения на измерительных клеммах

12 В

Время установления рабочего режима при измерении входных сигналов, не более

10 мин

Дискретный входКоличество дискретных входов1
Величина максимально допустимого напряжения на клеммах12 В
Максимальный ток входа, не менее10 мА
Тип элемента коммутацииТранзисторный ключ (открытый коллектор) типа n-p-n, «сухие» контакты реле
Гальваническая развязкаотсутствует
Частота обработки дискретного входного сигнала1 Гц (отсутствие высокочастотных сигналов)

Выходные устройства (ВУ)

Количество ВУ

23)

Интерфейс для настройки прибора

Тип

USB CDC

Разъем подключения

USB Type-C

Протокол обмена

Modbus RTU

Режим работы интерфейса

Slave

Питание прибора

Да (работает индикация)

Ток потребления, не более

500 мА

Максимальная длина подключаемого кабеля, не более

3 м

Интерфейс обмена данными4)

Тип интерфейса

RS-485

Протокол обмена данными

Modbus RTU, Modbus ASCII

Режим работы интерфейса

Slave

Скорость обмена данными

2,4; 4,8; 9,6; 14,4; 19,2; 28,8; 38,4; 57,6; 115,2 кбод/с

Параметры обмена данными

7e15), 7e25), 7o15), 7o25), 8n1, 8n2, 8e1, 8e2, 8o1, 8o2

Задержка ответа прибора

0...20 мс

Общие сведения

Габаритные размеры прибора:

  • щитовой Щ1

(96 × 96 × 53) ± 1 мм

  • щитовой Щ2

(96 × 48 × 100) ± 1 мм

  • щитовой Щ5

(48 × 48 × 103) ± 1 мм

  • DIN-реечный

    Д

(90 × 88 × 59) ± 1 мм

  • настенный Н

(129 × 110 × 69) ± 1 мм

Степень защиты корпуса:

  • со стороны лицевой панели (кроме корпуса Д)

IP54

  • со стороны лицевой панели (для корпуса Д)

IP20

  • со стороны задней панели (кроме корпуса Н)

IP20

  • со стороны задней панели (для корпуса Н)

IP54

Масса прибора:

  • с упаковкой, не более (кроме корпуса Н)

0,4 кг

  • с упаковкой, не более (для корпуса Н)

0,5 кг
  • без упаковки, не более (кроме корпуса Н)

0,25 кг

  • без упаковки, не более (для корпуса Н)

0,4 кг

Средний срок службы

12 лет

Примечание

1) Только для модификации прибора со встроенным источником питания 24 В.

2) С учетом старения за межповерочный интервал. Для ТП данные при включенной КХС.

3) Характеристики ВУ в соответствии с их типом (см. таблицу).

4) Только для модификации прибора с интерфейсом RS-485.

5) Только для Modbus ASCII.

Датчики и входные сигналы

Сигнал датчика (условное обозначение НСХ первичного преобразователя)

Диапазон измерения

Дискретность измерения, не менее

Значение единицы младшего разряда1)

Термопреобразователи сопротивления по ГОСТ 6651-2009

50М (α = 0,00428 °С -1)

–180…+200 °С

0,1 °С

0,1; 1,0 °С

Pt50 (α = 0,00385 °С -1)

–200…+850 °С

0,1; 1,0 °С

50П (α = 0,00391 °С -1)

–200…+850 °С

0,1; 1,0 °С

Cu50 (α = 0,00426 °С -1)3)

–50…+200 °С

0,1 °С

100М (α = 0,00428 °С -1)

–180…+200 °С

0,1; 1,0 °С

Pt100 (α = 0,00385 °С -1)

–200…+850 °С

0,1; 1,0 °С

100П (α = 0,00391 °С -1)

–200…+850 °С

0,1; 1,0 °С

Cu100 (α=0,00426 °С -1)3)

–50…+200 °С

0,1 °С

100Н (α = 0,00617 °С -1)

–60…+180 °С

0,1 °С

500М (α = 0,00428 °С -1)

–180…+200 °С

0,1; 1,0 °С

Pt500 (α = 0,00385 °С -1)

–200…+850 °С

0,1; 1,0 °С

500П (α = 0,00391 °С -1)

–200…+850 °С

0,1; 1,0 °С

Cu500 (α = 0,00426 °С -1)3)

–50…+200 °С

0,1 °С

500Н (α = 0,00617 °С -1)

–60…+180 °С

0,1 °С

1000М (α = 0,00428 °С -1)

–180…+200 °С

0,1; 1,0 °С

Pt1000 (α = 0,00385 °С -1)

–200…+850 °С

0,1; 1,0 °С

1000П (α = 0,00391 °С -1)

–200…+850 °С

0,1; 1,0 °С

Cu1000 (α = 0,00426 °С -1)3)

–50…+200 °С

0,1 °С

1000Н (α = 0,00617 °С -1)

–60…+180 °С

0,1 °С

Термоэлектрические преобразователи по ГОСТ Р 8.585-2001

TХК (L)

–200…+800 °С

0,1 °С

0,1; 1,0 °С

ТХКн(Е)

–200...+900 °С

0,1 °С

0,1 °С

TЖК (J)

–200...+1200 °С

0,1 °С

0,1; 1,0 °С

TПП (S)

–50...+1750 °С

0,2 °С

0,1; 1,0 °С

TНН (N)

–200…+1300 °С

0,2 °С

0,1; 1,0 °С

TХА (К)

–200...+1360 °С

0,2 °С

0,1; 1,0 °С

TПП (R)

–50...+1750 °С

0,2 °С

0,1; 1,0 °С

ТПР (В)

+200...+1800 °С

0,2 °С

0,1; 1,0 °С

TВР (А-1)

0...+2500 °С

0,4 °С

0,1; 1,0 °С

ТВР (А-2)

0...+1800 °С

0,2 °С

0,1; 1,0 °С

ТВР (А-3)

0...+1800 °С

0,2 °С

0,1; 1,0 °С

ТМК (Т)

–250...+400 °С

0,1 °С

0,1; 1,0 °С

Унифицированные сигналы по ГОСТ 26.011–80

0...1 В

0...1 В

0,1 мВ

0,001 В

0...5 мА

0...5 мА

0,01 мА

0,001 мА

0...20 мА

0...20 мА

0,01 мА

0,01 мА

4...20 мА

4...20 мА

0,01 мА

0,01 мА

Сигналы постоянного напряжения

–50...+50 мВ

–50...+50 мВ

0,01 мВ

0,01/0,12)

Примечание

1) Зависит от параметра положения десятичной точки dPt и значения параметров настройки ind.L и ind.H.

2) 0.01 мВ при значении входного сигнала от минус 19,99 до 50,00 мВ и 0,1 мВ при значении входного сигнала от минус 50.0 до минус 20.0 мВ.

3) В Республике Беларусь носит справочную информацию

Поддерживаемые датчики и входные сигналы, для которых прибор не является средством измерения, представлены в таблице ниже.

Поддерживаемые датчики и входные сигналы (не средство измерений)

Сигнал датчика (условное обозначение НСХ первичного преобразователя)

Диапазон измерения

Дискретность измерения, не менее

Значение единицы младшего разряда1)

Унифицированные сигналы по ГОСТ 26.011–80

0…5 В

0…5 В

0,1 мВ

0,001 В

0…10 В

0…10 В

0,1 мВ

0,001 В

Пирометры2)

Пирометр РК-15

+400…+1500 °С

0,1 °С

1

Пирометр РК-20

+600…+2000 °С

0,1 °С

1

Пирометр РС-20

+900…+2000 °С

0,1 °С

1

Пирометр РС-25

+1200…+2500 °С

0,1 °С

1

Нестандартизованные сигналы2)

Cu53 (α = 0,00426 °С -1) (гр.23 по ГОСТ 6651-78)

–50…+200 °С

0,1 °С

0,1

Typ L3)

0…+900 °С

0,1 °С

0,1

Датчики положения
Резистивный0,1...5 кОм0,10,1
Токовый4...20 мА0,10,1
Примечание

1) Зависит от параметра положения десятичной точки dPt и значения параметров настройки ind.L и ind.H.

2) Предел допускаемой основной приведенной (от диапазона измерений) погрешности измерения, не более 0,5 % для пирометров и не более 0,25 % для Cu53 (α = 0,00426 °С -1).

3) НСХ согласно DIN 43710.

Параметры встроенных ВУ

Обозначение ВУ

Тип выходного элемента

Технические параметры

ВУ дискретного типа

Р

Контакты электромагнитного реле

Ток не более 8 А при переменном напряжении не более 250 В и cos(φ) > 0,9.

Ток не более 3 А при постоянном напряжении не более 30 В

К

Оптопара транзисторная n-p-n типа

Постоянный ток не более 400 мА при постоянном напряжении не более 60 В

Т

Выход для управления внешним твердотельным реле

Выходной ток не более 40 мА.

Выходное напряжение высокого уровня 4...6 В.

Выходное напряжение низкого уровня 0...0,7 В

С

Оптопара симисторная

Ток не более 50 мА при переменном напряжении не более 250 В (50 Гц).

Ток в импульсном режиме не более 500 мА, время импульса не более 5 мс.

Максимальное коммутируемое напряжение в импульсном режиме не более 600 В

ВУ аналогового типа*

И

ЦАП «параметр – ток»

Постоянный ток 4...20 мА на внешней нагрузке не более 500 Ом, напряжение питания 12...30 В рассчитывается в зависимости от сопротивления нагрузки (см. раздел)

У

ЦАП «параметр – напряжение»

Постоянное напряжение 0...10 В на внешней нагрузке более 2 кОм, напряжение питания 16...30 В

Примечание
* Пределы допускаемой приведенной (к диапазону преобразований) дополнительной погрешности преобразований при изменении температуры окружающей среды от нормальных условий (от +15 до +25 °С включительно) в диапазоне рабочих условий измерений, на каждые 10 °С изменения температуры окружающего воздуха, составляют не более 0,5 от предела допускаемой приведенной основной погрешности преобразования.

Условия эксплуатации

Прибор предназначен для эксплуатации в следующих условиях:

  • закрытые взрывобезопасные помещения без агрессивных паров и газов;

  • температура окружающего воздуха от минус 40 до плюс 55 °С;

  • верхний предел относительной влажности воздуха: не более 80 % без конденсации влаги;

  • атмосферное давление от 84,0 до 106,7 кПа при эксплуатации до 2000 м над уровнем моря.

По устойчивости к электромагнитным воздействиям прибор соответствует ГОСТ 30804.6.1-2013, ГОСТ 30804.6.2-2013. По уровню излучаемых радиопомех прибор соответствует ГОСТ IEC 61000-6-3-2016, ГОСТ IEC 61000-6-4-2016.

По устойчивости к синусоидальным вибрациям во время эксплуатации прибор соответствует группе исполнения N2 по ГОСТ Р 52931-2008.

Предупреждение
Требования в части внешних воздействующих факторов являются обязательными, так как относятся к требованиям безопасности.

Меры безопасности

Опасность
На клеммнике присутствует опасное для жизни напряжение. Любые подключения к прибору и работы по его техническому обслуживанию следует производить только при отключенном питании прибора.

По способу защиты от поражения электрическим током прибор соответствует классу II по ГОСТ 12.2.007.0–75.

При эксплуатации, техническом обслуживании и поверке необходимо соблюдать требования «Правил технической эксплуатации электроустановок потребителей электрической энергии» и «Правил охраны труда при эксплуатации электроустановок потребителей».

Не допускается попадание влаги на контакты выходного разъема и внутренние компоненты прибора. Запрещено использовать прибор в агрессивных средах с содержанием в атмосфере кислот, щелочей, масел и т. п.

Не допускается подключение проводов к неиспользуемым клеммам.

Монтаж

Установка прибора щитового крепления Щ1

Для установки прибора следует:

Graphic
Монтаж прибора щитового крепления Щ1
  1. Подготовить в щите управления монтажный вырез для установки прибора с помощью шаблона из комплекта поставки (см. рисунок).
  2. Убедиться, что уплотнительная прокладка не повреждена и установлена на корпус прибора ровно.
  3. Вставить прибор в монтажный вырез щита.
  4. Вставить фиксаторы из комплекта поставки в отверстия на боковых стенках прибора в вертикальной или горизонтальной плоскости.

    Примечание
    В комплект поставки входит два фиксатора. На рисунках изображены все возможные положения фиксаторов.

  5. Завернуть винты из комплекта поставки в отверстия каждого фиксатора так, чтобы прибор был плотно и равномерно прижат к лицевой панели щита.

Демонтаж прибора следует производить в обратном порядке.

Graphic
Габаритные размеры корпуса Щ1 и монтажного отверстия в щите
Graphic
Прибор в корпусе Щ1, установленный в щит толщиной 3 мм
Примечание
* Минимальное расстояние для монтажа. Рекомендуемое расстояние для удобного подключения разъема USB type-C составляет 60 мм.

Установка прибора щитового крепления Щ2

Для установки прибора следует:

Graphic
Монтаж прибора щитового крепления Щ2
  1. Подготовить в щите управления монтажный вырез для установки прибора с помощью шаблона из комплекта поставки (см. рисунок).

    Примечание
    Размеры монтажного выреза в щите, указанные на рисунке, подобраны для обеспечения IP54 с лицевой стороны щита. При подготовке выреза рекомендуется учитывать особенности используемого инструмента.
  2. Убедиться, что уплотнительная прокладка не повреждена и установлена на корпус прибора ровно.
  3. Вставить прибор в монтажный вырез щита.
  4. Вставить фиксаторы из комплекта поставки в отверстия на боковых стенках прибора в вертикальной или горизонтальной плоскости.

    Примечание
    В комплект поставки входит два фиксатора. На рисунках изображены все возможные положения фиксаторов.

  5. Завернуть винты из комплекта поставки в отверстия каждого фиксатора так, чтобы прибор был плотно и равномерно прижат к лицевой панели щита.

Демонтаж прибора следует производить в обратном порядке.

Graphic
Габаритные размеры корпуса Щ2 и монтажного отверстия в щите
Graphic
Прибор в корпусе Щ2, установленный в щит толщиной 3 мм
Примечание
* Минимальное расстояние для монтажа. Рекомендуемое расстояние для удобного подключения разъема USB type-C составляет 60 мм.

Установка прибора щитового крепления Щ5

Для установки прибора следует:

Graphic
Монтаж прибора щитового крепления Щ5
  1. Подготовить в щите управления монтажный вырез для установки прибора с помощью шаблона из комплекта поставки (см. рисунок).
  2. Убедиться, что уплотнительная прокладка не повреждена и установлена на корпус прибора ровно.
  3. Вставить прибор в монтажный вырез щита.
  4. Вставить фиксаторы из комплекта поставки в отверстия на боковых стенках прибора в вертикальной или горизонтальной плоскости.

    Примечание
    В комплект поставки входит два фиксатора. На рисунках изображены все возможные положения фиксаторов.

  5. Завернуть винты из комплекта поставки в отверстия каждого фиксатора так, чтобы прибор был плотно и равномерно прижат к лицевой панели щита.

Демонтаж прибора следует производить в обратном порядке.

Graphic
Габаритные размеры корпуса Щ5 и монтажного отверстия в щите
Graphic
Прибор в корпусе Щ5, установленный в щит толщиной 3 мм
Примечание
* Минимальное расстояние для монтажа. Рекомендуемое расстояние для удобного подключения разъема USB type-C составляет 60 мм.

Установка прибора DIN-реечного крепления Д

Для установки прибора следует выполнить действия:

  1. Подготовить место на DIN-рейке для установки прибора с учетом размеров корпуса (см. рисунок).
  2. Вставив отвертку в проушину, оттянуть защелку ( см. рисунок, 1)

  3. Установить прибор на DIN-рейку в соответствии с направлением стрелки 1 (см. рисунок, 2);

  4. Прижать прибор к DIN-рейке в направлении, показанном стрелкой 2 (см. рисунок, 2). Зафиксировать защелку (см. рисунок, 3).
  5. Подключить линии соединения «прибор-устройства».
Graphic
Монтаж прибора с креплением на DIN-рейку

Для демонтажа прибора следует выполнить действия:

  1. Отсоединить линии связи с внешними устройствами.
  2. Повторить действия с рисунка в обратном порядке.
Graphic
Габаритные размеры корпуса Д
Примечание
Рекомендуется обеспечить свободное расстояние над верхним рядом клеммников не менее 60 мм для подключения разъема USB type-C.

Установка прибора настенного крепления Н

Для установки прибора следует:

  1. Вытащить заглушки и отвинтить винты из передней части корпуса (см. рисунок)

    Graphic
    Разборка передней части корпуса
  2. Откинуть вниз переднюю часть корпуса (cм. рисунок, стрелка 1)

    Graphic
    Установка на стену
  3. Прижать прибор к поверхности монтажа. Вставить в отверстия задней крышки саморезы из комплекта поставки (cм. рисунок, стрелка 1). Закрутить саморезы в поверхность.

  4. Сквозь кабельные вводы продеть подготовленные провода. Смонтировать провода в клеммник.

  5. Проделать действия пп. 1–2 в обратном порядке.

    Примечание
    При затяжке винтов, удерживающих откидную часть корпуса, следует ограничить максимальный момент затяжки до 0,3 Н∙м.

Демонтаж производить в обратном порядке.

Graphic
Габаритные размеры прибора в корпусе Н

Подключение

Рекомендации по подключению

Для обеспечения надежности электрических соединений следует использовать медные кабели и провода с однопроволочными или многопроволочными жилами. Концы проводов следует зачистить. Многопроволочные жилы следует залудить или использовать кабельные наконечники.

Требования к сечениям жил кабелей указаны на рисунке ниже.

Graphic
Требования к сечениям жил кабелей и длине зачистки

Общие требования к линиям соединений:

  • во время монтажа кабелей следует выделить сигнальные линии связи, соединяющие прибор с датчиком в самостоятельную трассу (или несколько трасс). Трассу (или несколько трасс) расположить отдельно от силовых кабелей, а также от кабелей, создающих высокочастотные и импульсные помехи;
  • для защиты входов прибора от влияния промышленных электромагнитных помех следует экранировать линии связи прибора с датчиком. В качестве экранов могут быть использованы специальные кабели с экранирующими оплетками или заземленные стальные трубы подходящего диаметра. Экраны кабелей с экранирующими оплетками следует подключить к контакту функционального заземления (FE) в щите управления;
  • фильтры сетевых помех следует устанавливать в линиях питания прибора;
  • искрогасящие фильтры следует устанавливать в линиях коммутации силового оборудования.

Монтируя систему, в которой работает прибор, следует учитывать правила организации эффективного заземления:

  • все заземляющие линии следует прокладывать по схеме «звезда» с обеспечением хорошего контакта;
  • все заземляющие цепи должны быть выполнены проводами наибольшего сечения;
  • запрещается объединять клеммы прибора и заземляющие линии.

Схемы гальванической развязки

Схемы гальванической развязки изображены на рисунках ниже.

Graphic
Схема гальванической развязки (выход типа «Т»)
Graphic
Схема гальванической развязки (выходы кроме типа «Т»)

Порядок первого включения

Предупреждение
После распаковки прибора следует убедиться, что во время транспортировки прибор не был поврежден.

Порядок первого включения:

  1. Подключить линии связи «прибор – датчики» к первичным преобразователям и входам прибора.

  2. Подключить прибор к источнику питания.

    Предупреждение
    Перед подачей питания следует проверить величину его напряжения.

  3. Подать питание на прибор.

    Предупреждение
    Не рекомендуется подключать управляющие цепи до настройки прибора, чтобы избежать выхода из строя ИМ.
  4. Настроить прибор.

  5. Снять питание с прибора.

Назначение контактов клеммника

Примечание

В случае использования источника питания постоянного тока во время подключения к клеммам «Сеть» можно не соблюдать полярность.

Graphic
Общая схема подключения ТРМ12–Щ1/Щ2
Graphic
Общая схема подключения ТРМ12–Щ5
Graphic
Общая схема подключения ТРМ12–Д
Graphic
Общая схема подключения ТРМ12–Н

Подключение по интерфейсу USB

Для настройки прибора следует использовать интерфейс USB (см. раздел). Настройку следует производить в Owen Configurator (далее — Конфигуратор). Подключение к Конфигуратору описано в разделе.

Примечание
USB предназначен только для настройки.

Для подключения по USB следует следует использовать кабель USB type C — USB A.

Примечание
Кабель USB в комплект не входит.

Допускается настройка прибора по интерфейсу USB без подачи основного питания. При питании от USB интерфейс RS–485 и ИП24 не работают.

Расположение разъема USB отличается для разных корпусов(см. рисунки ниже).

Graphic
Расположение разъема USB для корпуса Щ1
Graphic
Расположение разъема USB для корпуса Щ2
Graphic
Расположение разъема USB для корпуса Щ5
Graphic
Расположение разъема USB для корпуса Д
Graphic
Расположение разъема USB для корпуса Н

Подключение по интерфейсу RS-485

Для организации обмена данными в сети по протоколу Modbus необходим «мастер» сети. Основная функция «мастера» сети – инициализировать обмен данными между отправителем и получателем. В качестве «мастера» сети следует использовать ПК с подключенным адаптером интерфейса компании «ОВЕН» или приборы с функцией «мастера» сети Modbus (например, ПЛК и др.).

Все приборы в сети соединяются в последовательную шину. Пример соединения приборов представлен на рисунке. Для качественной работы приемопередатчиков и предотвращения влияния помех на концах линии связи должны быть установлены согласующие резисторы на 120 Ом. Резистор следует подключать непосредственно к клеммам прибора.

Пример

Прибор подключается к ПК через адаптер интерфейса RS-485 ↔ USB, в качестве которого может быть использован АС4-М компании «ОВЕН».

Graphic
Подключение приборов по сети RS-485

Для работы по интерфейсу RS-485 следует:

  1. Подключить прибор к сети RS-485.

  2. Задать сетевые параметры прибора (см. раздел).

Список регистров Modbus приведен Приложении Б.

Подключение ко встроенному источнику питания 24 В

Примечание
Встроенный источник питания 24 В (далее — ИП24) есть не во всех модификациях (см. Введение).
Предупреждение
Запрещается питать от клемм ИП24 другие приборы, за исключением датчиков, подключаемых к прибору.
Примечание
После включения прибора, а также при подключении датчика к ИП24 при включенном приборе, ИП24 выходит в рабочий режим за 5 - 15 с.

Максимальный выходной ток ИП24 – 50 мА. Пример схемы подключения приведен ниже.

Graphic
Подключение токового датчика с питанием от ИП24

Подключение датчиков

Общие сведения

Входные измерительные устройства в приборе являются универсальными, т. е. к ним можно подключать любые сочетания датчиков из перечисленных в таблице.

Опасность
Для защиты входных цепей прибора от возможного пробоя зарядами статического электричества, накопленного на линиях связи «прибор – датчик», перед подключением к клеммнику прибора следует обесточить датчик и соединить его жилы на 1–2 секунды с контактом функционального заземления (FE) щита.

Во время проверки исправности датчика и линии связи следует отключить прибор от сети питания.

Чтобы избежать выхода прибора из строя во время проверки электрического контакта в цепях следует использовать измерительные устройства с напряжением питания не более 4,5 В. При более высоких напряжениях питания таких устройств отключение датчика от прибора обязательно.

Параметры линии связи прибора с датчиком приведены в таблице.

Параметры линии связи прибора с датчиками
Тип датчикаСопротивление линии, Ом, не болееИсполнение линии
ТС15Трехпроводная или двухпроводная, провода равной длины и сечения
ТП100Термоэлектродный кабель (компенсационный)
Унифицированный сигнал постоянного тока100Двухпроводная
Унифицированный сигнал напряжения постоянного тока5Двухпроводная
Предупреждение
На схемах подключения вместо номера входа (выхода) указан X (например, Х-1). Рекомендуется контролировать подключение по гравировке на корпусе.

Подключение к дискретному входу

Дискретный вход управляет режимом автоматического регулирования. Работа входа настраивается в параметре in2 (см. раздел).

Graphic
Схема подключения к дискретному входу

Подключение ТС по трехпроводной схеме

Трехпроводная схема подключения ТС представлена на рисунке ниже.

Graphic
Трехпроводная схема подключения ТС

Подключение ТС по двухпроводной схеме

Двухпроводная схема подключения ТС представлена на рисунке ниже.

Graphic
Двухпроводная схема подключения ТС

Для компенсации сопротивления проводов при двухпроводной схеме подключения следует:

  1. Перед началом работы установить перемычки между контактами Вход Х-1 и Вход Х-2 клеммника прибора, а двухпроводную линию подключить к контактам Вход Х-2 и Вход Х-3.
  2. Подключить к противоположным от прибора концам линии связи вместо ТС магазин сопротивлений с классом точности не ниже 0,05 (например, Р4831).
  3. Установить на магазине сопротивлений значение, равное сопротивлению ТС при температуре 0 °С (в соответствии с НСХ используемого ТС).
  4. Подать питание на прибор.
  5. Скорректировать показания прибора в точке 0 °С в соответствии с разделом.

    Примечание
    Если требуется, компенсацию соединительных проводов при подключении ТС по двухпроводной схеме следует проводить в соответствии с разделом.
  6. Выйти из меню и убедиться, что отклонение значения от НСХ на ЦИ не превышает допустимой абсолютной погрешности для используемого ТС.

    Пример расчета допустимой абсолютной погрешности для датчика типа 100М:

    Graphic

    где Δ – абсолютная погрешность измерения;

    γ = 0,25 % (см. таблицу) – основная приведенная погрешность;

    Xn = 380 °С (от минус 180 до плюс 200 °С, см. таблицу) – полный диапазон измерений.

    Graphic

    Максимальная величина отклонения показаний прибора от 0 °С для датчика типа 100М не должна превышать 0,95 °С.

  7. Отключить питание прибора, отсоединить линию связи от магазина сопротивлений и подключить ее к ТС.

Если нет возможности использовать магазин сопротивлений, следует провести компенсацию сопротивления проводов по следующей схеме:

  1. Измерить суммарное сопротивление проводников соединительной линии.

  2. По таблице НСХ соответствующего датчика определить температуру, соответствующую измеренному сопротивлению линии.

  3. При подключенном датчике скорректировать фактически измеренную температуру в сторону увеличения на величину, определенную в предыдущем пункте.

Подключение ТП

Graphic
Схема подключения термопары

ТП к прибору следует подключать с помощью компенсационных (термоэлектродных) проводов. При подключении компенсационных проводов к ТП и к прибору следует соблюдать полярность, чтобы не возникли значительные погрешности при измерении.

Внимание
Рабочий спай ТП должен быть электрически изолирован от внешнего оборудования!

В приборе предусмотрена схема автоматической компенсации температуры свободных концов ТП. Датчик температуры «холодного спая» установлен рядом с клеммником прибора. ДХС можно отключать и включать из меню прибора.

Подключение датчиков c унифицированным выходным сигналом тока или напряжения

Примечание
Если вход настроен на измерение напряжения или тока, то при включении прибора на дисплее в течение 10 – 15 с может отображаться ошибка nO.dt, которая пропадает после того, как на входе установится рабочий режим.

Подключать датчики можно непосредственно к входным контактам прибора.

Graphic
Схема подключения активного датчика с выходными сигналами постоянного напряжения от –50 до +50 мВ или от 0 до 1 В
Graphic
Схема подключения активного датчика с выходными сигналами постоянного напряжения от 0 до 5 В и от 0 до 10 В
Graphic
Схема подключения пассивного датчика с выходным сигналом силы постоянного тока от 0 до 5 мА или от 0(4) до 0 мА

Подключение датчика положения

Датчик положения предназначен для определения степени открытия запорно-регулирующего клапана, задвижки, и т. п.

Прибор обрабатывает сигналы:

  • датчиков положения резистивного типа с сопротивлением от 0,1 до 4 кОм;
  • датчиков с токовым выходом 4...20 мА.

Graphic
Подключение датчика положения резистивного типа

Датчик положения с токовым выходом подключается к прибору аналогично датчику с унифицированным выходным сигналом тока.

Для датчика положения задается только его тип, а выходной сигнал, автоматически нормируется прибором.

При использовании датчиков положения любого типа, если показания датчика не совпадают с ВУ, то показания датчика можно скорректировать (см. раздел).

Подключение нагрузки к ВУ

Подключение нагрузки к ВУ типа «Р»

Graphic
Схема подключения нагрузки к ВУ типа «Р»

Схема подключения нагрузки к ВУ типа «Р» приведена на рисунке.

Подключение нагрузки к ВУ типа «К»

Graphic
Схема подключения нагрузки к ВУ типа «К»

Транзисторная оптопара применяется, как правило, для управления силовым транзистором или низковольтным электромагнитным и твердотельным реле. Чтобы избежать выхода из строя транзистора из-за большого тока самоиндукции, следует установить диод VD1, рассчитанный на ток не менее 1 А и напряжение не менее 100 В, параллельно обмотке внешнего реле Р1.

Подключение нагрузки к ВУ типа «Т»

ВУ типа «Т» нужно для подключения твердотельных реле, которые рассчитаны на управление постоянным напряжением от 4 до 6 В с током управления не более 40 мА.

Graphic
Схема подключения нагрузки к ВУ типа «Т»

Внутри ВУ установлен ограничительный резистор Rогр номиналом 24 Ом.

Выход выполнен на основе транзисторного ключа n-p-n-типа и имеет два состояния:

  • от 0,0 до 0,7 В — низкий уровень («логический ноль»);
  • от 4 до 6 В — высокий уровень («логическая единица»).

Внимание
Длина соединительного кабеля между прибором с выходом Т и твердотельным реле не должна превышать 3 м.

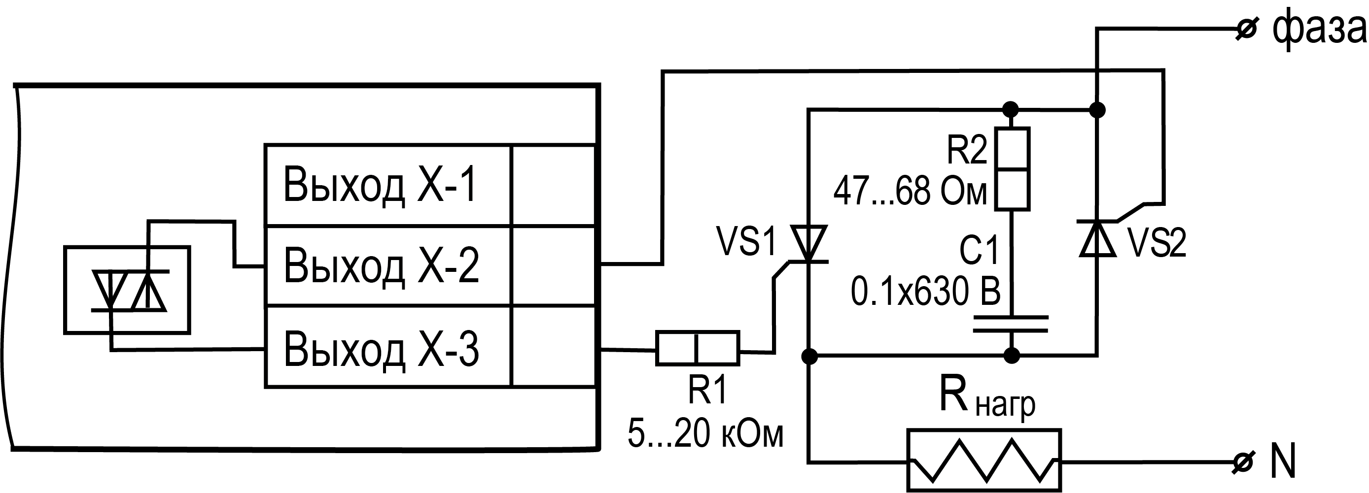
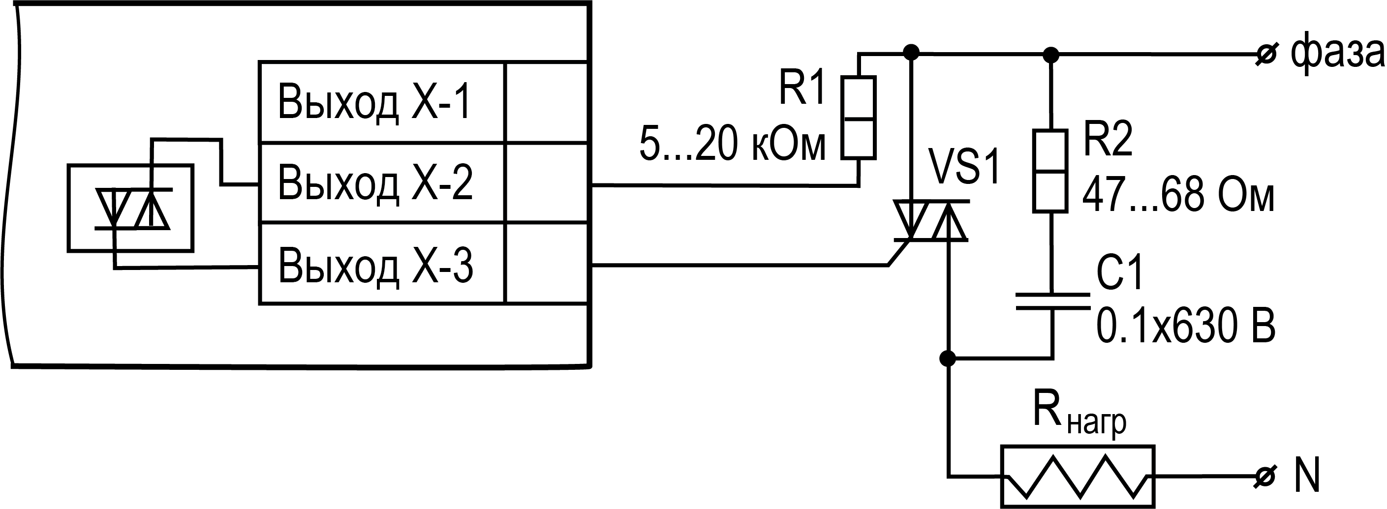
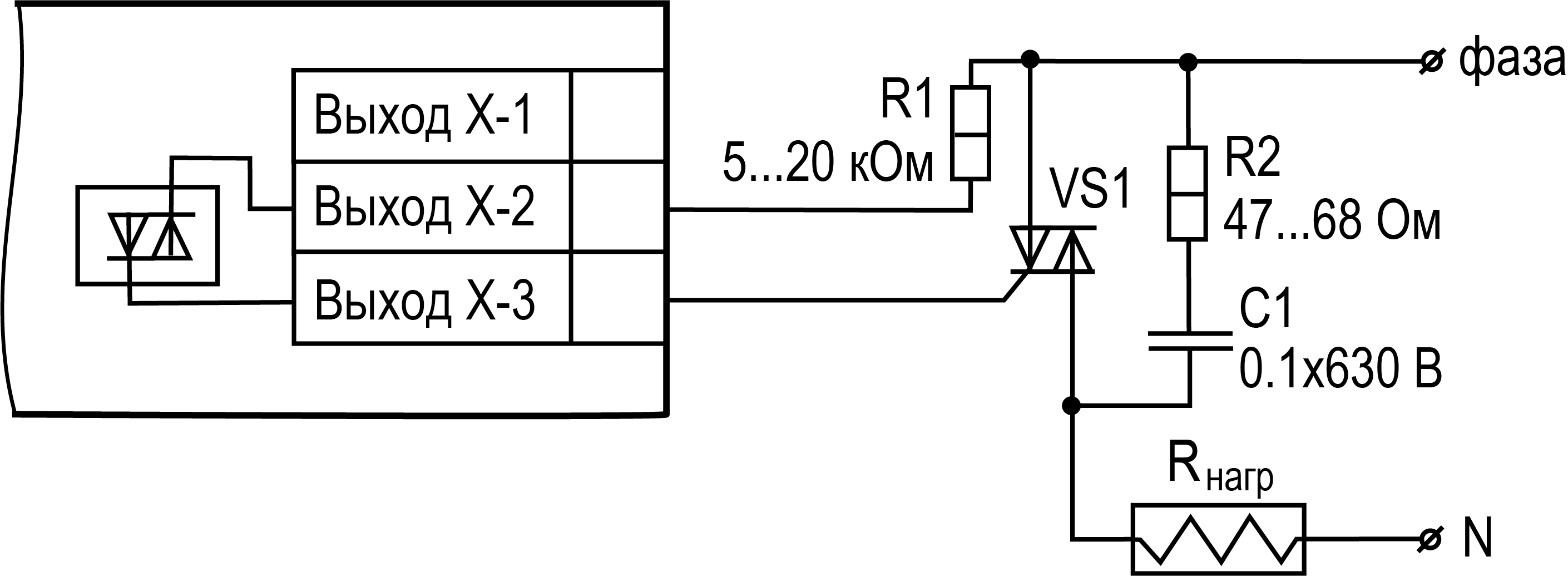
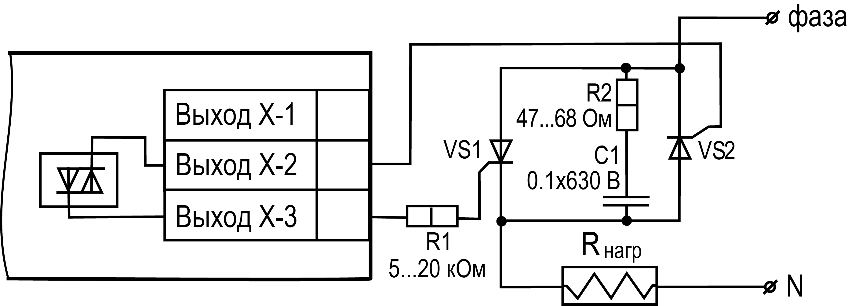
Подключение нагрузки к ВУ типа «С»

Оптосимистор следует включать в цепь управления силового симистора через ограничивающий резистор R1. Значение сопротивления резистора определяет величина тока управления симистора.

Graphic
Схема подключения силового симистора к ВУ типа «С»

Оптосимистор может также управлять парой встречно-параллельно включенных тиристоров VS1 и VS2. Для предотвращения пробоя тиристоров из-за высоковольтных скачков напряжения в сети к их выводам рекомендуется подключать фильтрующую RC-цепочку (R2C1).

Graphic
Схема встречно-параллельного подключения двух тиристоров к ВУ типа «С»

Подключение нагрузки к ВУ типа «И»

Для работы ЦАП «параметр — ток 4…20 мА» используется внешний источник питания постоянного тока.

Graphic
Подключение к ВУ типа «И»

Допустимый диапазон напряжения источника питания рассчитывается следующим образом:

Uп.min = 7,5 В + 0,02 А ∙ Rн – минимальное допустимое напряжение источника питания, не менее 12 В,

Uп.max = Uп.min + 2,5 В – максимальное допустимое напряжение источника питания, не более 30 В,

где Rн – сопротивление нагрузки ЦАП, не более 500 Ом.

Внимание

Внешний источник питания и прибор рекомендуется подключать к одной питающей сети.

Источники питания прибора и ЦАП должны быть гальванически развязаны. Не допускается питание прибора и ЦАП от одного источника.

Для подключения к ВУ типа «И» можно использовать канал встроенного источника питания 24 В (только для модификации прибора с ИП24).

Если напряжение источника питания ЦАП превышает расчетное значение Uп.max, то последовательно с нагрузкой необходимо включить ограничительный резистор Rогр.

Graphic
Подключение к ВУ типа «И» с ограничивающим резистором

Сопротивление Rогр рассчитывается по формулам:

Graphic Graphic Graphic

где Rогр – номинальное значение ограничительного резистора, Ом;

Rогр.min – минимально допустимое значение ограничительного резистора, Ом;

Rогр.max – максимально допустимое значение ограничительного резистора, Ом.

Внимание
Напряжение источника питания ЦАП не должно превышать 30 В.

Подключение нагрузки к ВУ типа «У»

Внимание

Внешний источник питания и прибор рекомендуется подключать к одной питающей сети.

Источники питания прибора и ЦАП должны быть гальванически развязаны. Запрещено подключать прибор и ЦАП к одному источнику питания.

Graphic
Схема подключения нагрузки к ВУ типа «У»

Для работы с нагрузкой типа «У» к ВУ следует подключить внешний источник питания постоянного тока с напряжением Uп в диапазоне от 16 до 30 В.

Для подключения к ВУ типа «У» можно использовать канал встроенного источника питания 24 В (только для модификации прибора с ИП24).

Сопротивление нагрузки RН, подключаемой к ЦАП, должно быть не менее 2 кОм.

Внимание
Напряжение источника питания ЦАП не должно превышать 30 В.

Эксплуатация

Принцип работы

Функциональная схема прибора приведена на рисунке.

Graphic
Функциональная схема

1) аналоговое управление задвижкой, 2) дискретное управление задвижкой

Сигнал на входе преобразуется в соответствии с типом выбранного датчика. Для датчиков ТС и ТП сигнал преобразовывается в значение температуры согласно НСХ выбранного датчика. Для датчиков c унифицированными выходными сигналами выполняется линейное преобразование сигнала. Датчик положения используется для отображения положения задвижки, но не используется для регулирования.

При обработке измеренного значения могут быть использованы следующие функции:

  • цифровая фильтрация измерений (для ослабления влияния внешних импульсных помех);

  • коррекция измерительной характеристики датчиков (для устранения начальной погрешности преобразования входных сигналов и погрешностей, вносимых соединительными проводами);

  • математические функции.

ВУ управляется на основании данных, полученных со входа, а также настроек ЛУ. ЛУ сравнивает значение уставки со значением входа. В результате сравнения ЛУ подает команду на управление ВУ в соответствии с выбранной логикой.

Примечание
Для модификаций с дискретными ВУ (управление по принципу «больше/меньше») алгоритм расчета длины управляющего импульса реализован основываясь на математической модели КЗР, а не на принципе широтно-импульсной модуляции. Для работы в системе «нагреватель-холодильник» (когда ВУ1 работает по алгоритму нагреватель, а ВУ2 по алгоритму холодильник для одной системы) рекомендуется применять ТРМ12-X.У.X.

Прибор имеет следующие режимы работы:

Режимы работы
Режим работыОписание

Автоматическое регулирование

Процесс регулирования в автоматическом режиме. Значение уставки сравнивается с измеренным сигналом на входе. В зависимости от выбранной логики работы ЛУ, формируется сигнал управления на ВУ

Ручное регулирование

Ручное управление выходной мощностью (выходом) с помощью ЦАП. Без обратной связи по входу

Стоп

Процесс регулирования остановлен. Выходы в безопасном состоянии

Авария

Процесс регулирования остановлен по причине аварии. Выходы в безопасном состоянии

Прибор отслеживает следующие ошибки:

  • внутренние ошибки;

  • ошибки на входе: обрыв датчика, выход показаний за диапазон измерений;

  • ошибки на выходе: обрыв контура регулирования.

В случае появления ошибок прибор переходит в режим Авария (мигает светодиод СТ1 (СТ2)). Внутренние ошибки и ошибки на входе выводятся на ЦИ. Ошибка обрыв или «залипания» контура регулирования сигнализируется светодиодом СТ1(СТ2).

Любой тип аварии приводит к остановке регулирования. Каждый канал отключается независимо друг от друга (только если данные с другого аварийного входа не участвуют в вычислении для ЛУ).

Авария снимается одним из следующих способов:

  • путем перевода прибора в режим Стоп или режим ручного регулирования и повторным запуском в режим автоматического регулирования;

  • автоматически при восстановлении показаний датчиков.

Общие принципы ПИД-регулирования

На выходе ПИД-регулятора вырабатывается управляющий (выходной) сигнал Yi, действие которого направлено на уменьшение отклонения Ei:

Graphic

где Xp – полоса пропорциональности (настраиваемый параметр P);

Ei – разность между заданными Tуст и текущими Ti значением измеряемой величины, или рассогласование;

τд – постоянная времени дифференцирования (настраиваемый параметр d — «дифференциальная постоянная ПИД-регулятора»);

ΔEi – разность между двумя соседними измерениями Ei и Ei–1;

Δtизм – время между двумя соседними измерениями Ti и Ti–1;

τи – постоянная времени интегрирования (настраиваемый параметр i — «интегральная постоянная ПИД-регулятора»);

Graphic – накопленная сумма рассогласований.

Из формулы видно, что во время ПИД-регулирования сигнал управления зависит от:

  • разницы между текущим параметром Ti и заданным значением Tуст измеряемой величины Ei, которая реагирует на мгновенную ошибку регулирования (отношения Graphic);
  • скорости изменения параметра Graphic, которая позволяет улучшить качество переходного процесса, выражение Graphic называется дифференциальной составляющей выходного сигнала;
  • накопленной ошибки регулирования Graphic, которая позволяет добиться максимально быстрого достижения температуры уставки, выражениеGraphic называется интегральной составляющей выходного сигнала.

Для эффективной работы ПИД-регулятора следует задать оптимальные для конкретного объекта регулирования значения коэффициентов Xр, τд и τи, которые можно определить в режиме автонастройки или в режиме ручной настройки.

Работа ПИД-регулятора при изменении режимов работы прибора

Переход из режима автоматического регулирования в режим ручного регулирования и наоборот происходит безударным способом, т.е. значение мощности Out.P сохраняется. Все накопленные интегральные и дифференциальные составляющие сохраняются и действуют при возвращении в режим автоматического регулирования. Для режима ручного регулирования ограничение выходной мощности не действует.

При переходе в режим Стоп все накопленные интегральные и дифференциальные составляющие сбрасываются. Выходная мощность ВУ составляет значение StP. В режиме Стоп прибор может поддерживать заданную выходную мощность, но не отслеживает состояние входа.

В режиме Авария также происходит сброс интегральной и дифференциальной составляющей. Выходная мощность ВУ принимает значение Err.P. В режиме Авария прибор может поддерживать заданную выходную мощность, но не отслеживает состояние входа.

При перезагрузке прибора интегральная и дифференциальная составляющие тоже сбрасываются.

Если параметры PID.P, PID.I, PID.D изменяются через меню прибора или через Modbus-интерфейс, то накопленные интегральная и дифференциальная составляющая не изменяются. Прибор рассчитывает выходную мощность для ВУ по новым коэффициентам, однако уже накопленные составляющие не сбрасываются, т.е. переход к новым параметрам регулирования происходит плавно. Для сброса уже накопленных параметров следует перезагрузить прибор.

Управление и индикация

На лицевой панели прибора расположены элементы индикации и управления:

  • два четырехразрядных семисегментных индикатора (ЦИ);

  • семь (для модификаций без RS-485) или восемь (для модификаций с RS-485) светодиодов;

  • четыре кнопки управления.

Graphic
Лицевая панель
Graphic
Лицевая панель корпусов Д и Н

Цифровые индикаторы

Graphic
Пользовательский экран

Информация выводится на ЦИ прибора. Верхний и нижний ЦИ образуют пользовательский экран. Выводимую на ЦИ информацию можно настроить (см.раздел). В приборе можно настроить до шести экранов.

Отображаемая информация на ЦИ

Состояние прибора

Отображаемая информация (для настроек по умолчанию)

Верхний ЦИ

Нижний ЦИ

Загрузка*Наименования прибораВерсия встроенного ПО

Регулирование

Текущее значение измеряемой величины

Значение уставки

Меню

Название параметра настройки

Значение параметра настройки

Название группы параметров

Надпись MEnu

Авария

Обозначение ошибки выбранного измерительного канала (см. таблицу)

Примечание
* После подачи питания, на лицевой панели прибора светятся все индикаторы. Потом на ЦИ появляется справочная информация, указанная в строке «Загрузка».
Индикация аварийных ситуаций

Текст на ЦИ

Описание

N0.dt

Данные еще не готовы

0CL.H

Датчик КХС превысил верхнюю границу измерения (+105 °С)

0CL.L

Датчик КХС превысил нижнюю границу измерения (минус 50 °С)

HHHH

Вычисленное значение входной величины выше допустимого предела

LLLL

Вычисленное значение входной величины ниже допустимого предела

Обрыв линии связи с датчиком

Hi

Вычисленное значение входной величины выше допустимого предела индикации.

Невозможно отобразить измеренную величину из-за ограничения разрядности отображения в параметре DPt

LO

Вычисленное значение входной величины ниже допустимого предела индикации.

Невозможно отобразить измеренную величину из-за ограничения разрядности отображения в параметре DPt

| - - |

Обрыв датчика или значительное превышение диапазона отображения

S.MOD

Активирована сервисная перемычка (канал измерения 1)

F.Err

Ошибка вычисления математической функции

ERR

Ошибка связи с АЦП

Светодиоды

Назначение светодиодов

Светодиод

Состояние

Значение

I

Светит

На ЦИ отображается значение Входа 1 (в т. ч. аварийное значение) или выполняется настройка параметра, относящегося к каналу 1 (Вход 1 или ВУ1)

Мигает

Ошибка на Входе 1 (обрыв датчика, выход показаний за диапазон измерений), значение Входа 1 не отображается на ЦИ

Не светит

На ЦИ не отображается значение Входа 1 и нет ошибки на Входе 1

II

Светит

На ЦИ отображается значение Входа 2 (в т. ч. аварийное значение) или выполняется настройка параметра, относящегося к каналу 2 (Вход 2 или ВУ2)

Мигает

Ошибка на Входе 2 (обрыв датчика, выход показаний за диапазон измерений), значение Входа 2 не отображается на ЦИ

Не светит

На ЦИ не отображается значение Входа 2 и нет ошибки на Входе 2

РУЧ

Светит

Режим ручного регулирования выходной мощности

Не светит

Режим автоматического регулирования или режим Стоп

ВУ1

Светит

Дискретное ВУ: ВУ1 замкнут.

Аналоговое ВУ: максимальное значение выхода ЦАП

Мигает

Аналоговое ВУ: частота мигания пропорциональна выходному сигналу

Не светит

Дискретное ВУ: ВУ1 разомкнут.

Аналоговое ВУ: минимальное значение выхода ЦАП

ВУ2

Светит

Дискретное ВУ: ВУ2 замкнут.

Аналоговое ВУ: максимальное значение выхода ЦАП

Мигает

Аналоговое ВУ: частота мигания пропорциональна выходному сигналу

Не светит

Дискретное ВУ: ВУ2 разомкнут.

Аналоговое ВУ: минимальное значение выхода ЦАП

RS

Не светит

Нет обмена данными по интерфейсу RS-485

Светит (10 с)

Обнаружены данные по интерфейсу RS-485

Мигает

Обнаружен пакет, предназначенный для данного устройства

СТ1

Светит

Канал 1: режим автоматического регулирования

Не светит

Канал 1: режим ручного регулирования выходной мощности или режим Стоп

Мигает

Канал 1 перешел из режима автоматического регулирования в режим Авария по причине обрыва датчика или выхода показаний за диапазон измерения

Мигает (дважды)

Канал 1 перешел из режима автоматического регулирования в режим Авария по причине обрыва или «залипания» контура регулирования

СТ2*

Светит

Канал 2: режим автоматического регулирования

Не светит

Канал 2: режим ручного регулирования выходной мощности или режим Стоп

Мигает

Канал 2 перешел из режима автоматического регулирования в режим Авария по причине обрыва датчика или выхода показаний за диапазон измерения

Мигает (дважды)

Канал 2 перешел из режима автоматического регулирования в режим Авария по причине обрыва или «залипания» контура регулирования

Примечание
* Сведиод СТ2 отображает состояние только аналогового ВУ2. Если ВУ2 дискретное, то светодиод не задействован.

Кнопки управления

Назначение кнопок

Кнопка

Состояние ЦИ

Тип нажатия

Назначение

Graphic

Работа

Удержание более 2 с

Вход в меню выбора режима работы:

  • runавтоматическое регулирование;

  • MAnручное регулирование;

  • StOPСтоп

Меню

Однократное нажатие

Возврат на основной экран или к предыдущему уровню меню.

Отмена изменения значения параметра и возврат исходного значения

Graphic

Работа

Удержание

Отображение конфигурации текущего экрана

Graphic

или

Graphic

Работа

Однократное нажатие

Переключение экранов.

Открывание/закрывание задвижки в режиме ручного регулирования

Меню

Однократное нажатие

Переключение пунктов меню.

Изменение значения параметра

Удержание

Увеличение скорости изменения редактируемого параметра

Graphic

Работа

Удержание более 3 с

Переход в меню

Однократное нажатие

Переход к изменению уставки или выходной мощности

Меню

Однократное нажатие

Переход в пункт меню.

Переход к редактированию параметра.

Сохранение измененного значения параметра в память прибора

Комбинации кнопок для входа в специальные режимы

Graphic

+

Graphic

Работа

Удержание более 2 с

Переход к настройкам защиты параметров SCrt (см. раздел)

Graphic

+

Graphic

Работа

Удержание более 2 с

Сброс до заводских настроек.

Перед нажатием следует установить перемычку (см. раздел)

Включение и работа

Предупреждение

В случае изменения температуры окружающего воздуха с низкой на высокую в приборе возможно образование конденсата. Чтобы избежать выхода прибора из строя рекомендуется выдержать прибор в выключенном состоянии не менее 1 часа.

Во время включения прибора выполняется проверка светодиодов (все светодиоды светятся 2 секунды).

После проверки на верхнем индикаторе отобразится измеренная величина с датчика, на нижнем – значение уставки для ЛУ1 (для значения параметра SCr.1 по умолчанию).

Кнопками Graphic или Graphic переключаются экраны. Экраны настраиваются в параметрах SCr.1 ... SCr.6 (см. раздел). Экраны можно включать и выключать. Выключенные экраны не отображаются. По умолчанию включен экран SCr.1.

Примечание
Экран SCr.1 выключить нельзя.

Для выбора режима работы следует:

  1. Нажать и удерживать (2 секунды) кнопку Graphic на любом экране.

  2. Выбрать режим кнопками Graphic и Graphic.

  3. Подтвердить выбор кнопкой Graphic.

Graphic
Схема переходов с главного экрана

Настройка

Настройка с помощью Owen Configurator

Прибор можно настроить с помощью интерфейса USB или RS-485*.

Примечание
* Только для модификаций с RS-485.

Для подключения к прибору следует указать:

  1. Номер СОМ-порта к которому подключен прибор (преобразователь АС4–М для настройки через RS-485). Номер СОМ можно уточнить в Диспетчере устройств Windows.

    Примечание
    К одному ПК можно подключать только один прибор
  2. Протокол — Modbus RTU.

  3. Скорость — 9600.

  4. Из выпадающего списка Устройства в категории Регуляторы выбрать модель прибора.

  5. Указать любой адрес для USB или 16 для настройки через RS-485.

  6. Нажать кнопку Добавить.

Более подробно о подключении и работе с приборов можно прочитать в справке Конфигуратора. Справка вызывается по нажатию клавиши F1.

Настройка параметров кнопками на лицевой панели

Graphic
Структура меню

Текущий параметр редактируется кратковременным нажатием кнопки Graphic.

Graphic
Пример настройки параметра

Настройка входов

Настройка входа 1

Параметры для входа 1 (меню in1) представлены в таблице.

Параметры входа 1

Параметр

Значения (1)

По умолчанию (2)

Описание

(1)(2)

tYPE

OFF

tC.L

Тип датчика.

Типы датчиков см. в приложении А

Типы датчиков

FiL.b*

OFF

1

Полоса фильтра.

Позволяет отфильтровать единичные помехи. Полоса фильтра задается в единицах измеряемой величины.

Ti – измеренное абсолютное значение сигнала.

Ti-1 – предыдущее абсолютное значение сигнала.

Если Ti > Ti-1 ± FiL.b, то Ti присваивается значение Ti-1 ± FiL.b (в зависимости от движения значения вверх или вниз) и FiL.b = 2 * FiL.b (значение полосы фильтра удваивается).

Если значение Ti < Ti-1 ± FiL.b, то значение FiL.b возвращается на первоначальное.

Малая ширина полосы фильтра приводит к замедлению реакции на быстрое изменение входной величины.

При низком уровне помех или при работе с быстро меняющимися процессами рекомендуется увеличить значение параметра FiL.b или отключить действие полосы фильтра, установив значение FiL.b = OFF.

В случае высокого уровня помех следует уменьшить значение параметра для устранения их влияния на работу прибора.

Graphic

DeltaSens**

FiL.t

OFF

10

Постоянная времени фильтра (tф).

Интервал, в течение которого сигнал достигает 0,63 от значения каждого измерения Ti.

Значение сигнала рассчитывается по формуле:

Ti = Ti-tф + (Ti – Ti-tф) * 0,63.

Уменьшение значения FiL.t приводит к ускорению реакции на скачкообразные изменения температуры, но снижает помехозащищенность. Увеличение FiL.t повышает инерционность и подавляет шумы.

Graphic

1...999

dPt

0

1

Положение десятичной точки.

Количество знаков после запятой, которое будет выводиться на ЦИ.

Значение AutO – положение точки автоматически выбирается для отображения максимального возможного количества разрядов.

Если значение не может быть отображено на ЦИ, то на ЦИ будут выведены сообщения об ошибках Hi или Lo.

1

2

3

AutO

ind.L*

–1999...9999

0.0

Параметры для приведения индикации измеренных значений тока и напряжения к значению физической величины.

Параметры настраиваются для сигналов 0...5 мА, 0...20 мА, 4...20 мА, –50...+50 мВ, 0...1 В, 0...5 В и 0...10 В. Для других типов датчиков данные параметры скрыты.

ind.L – индикация при минимальном значении сигнала (0 мА, 4 мА, –50 мВ, 0 В).

ind.H – индикация при максимальном значении сигнала (5 мА, 20 мА, 50 мВ, 1 В, 5 В, 10 В).

Все остальные промежуточные значения индикации располагаются линейно и высчитываются прибором по формуле:

T = ind.L + IX * (ind.Hind.L),

где IX – значение сигнала с датчика в относительных единицах диапазона от 0,000 до 1,000.

Пример. Используется датчик с выходным током 4…20 мА, контролирующий давление в диапазоне 0…25 атм.

В параметре ind.L задается значение 0.00, а в параметре ind.H значение 25.00. Теперь значения будут отображаться в атмосферах.

Graphic

ind.H*

–1999...9999

100.0

FunC

oFF

Математические функции

OFF

oFF – математические функции не используются

SQrt

SQrt – вычисление квадратного корня из текущего значения:

Graphic
SQri

SQri - вычисление расхода по датчикам дифференциального давления c токовым выходом

Для работы с датчиками дифференциального давления используется функция, вычисление которой, с учетом настроек масштабирования, происходит по формуле:

Graphic

где I – текущее значение сигнала с датчика, мА;

Ind.L – заданное нижнее значение границы диапазона измерения;

Ind.H – заданное верхнее значение границы диапазона измерения;

SensMin – нижняя граница измерения датчика, мА;

DeltaSense – диапазон измерения датчика, мА

SuM

SuM – взвешенная сумма значений двух каналов:

Graphic
Примечание

Если CF1 и CF2 > 1, то расчет формул SuM, diFF, ASuM и SQSM производится отдельно для каждого канала.

diFF

diFF – взвешенная разность значений двух каналов:

Graphic

ASuM

ASuM – средневзвешенная сумма значений двух каналов:

Graphic

SQSM

SQSM – квадратный корень из средневзвешенной суммы значений двух каналов:

Graphic

где T – результат вычисления функции;

CF.1 и CF.2 – дополнительные коэффициенты для расчета значений, которые вводятся в настройках прибора;

T1 и T2 – сигналы на входах 1 и 2 соответственно

rAt

rAt – отношение взвешенного сигнала на входе 1 к взвешенному сигналу на входе 2

Graphic

где Т – результат вычисления функции;

CF.1 и CF.2 – дополнительные коэффициенты для расчета значений, которые вводятся в настройках прибора;

 

Т1 и Т2 – сигналы на входах 1 и 2 соответственно

CF.1

–100.0...100.0

1.0

Коэффициенты для расчета значений по математическим функциям.

Параметры доступны, если в параметре FunC установлено одно из следующих значений: SuM, diFF, ASuM и SQSM

CF.2

–100.0...100.0

1.0

Corr*

Подменю

Cor.1*

Cor.2*

Cor.3*

OFF

SensMin...

SensMax**

OFF

Параметры коррекции графика измерителя.

Используются для компенсации погрешности подключенных датчиков или компенсации сопротивления проводов (для подключения ТС по двухпроводной схеме), когда есть возможность определить с помощью дополнительного оборудования точное значение измеренного сигнала, тем самым скорректировать показания прибора.

Методика коррекции приведена в разделе.

din.t

0...30

10

Параметры функции отслеживания динамики изменения входного сигнала.

din.t – период анализа динамики изменения сигнала.

din.d – дельта динамики сигнала.

За заданный период (din.t) анализируется динамика изменения сигнала. Прибор вычитает из текущего измеренного значения предыдущее и добавляет разницу к накопительному буферу. После накопления буфера за период din.t производится сравнение его содержимого со значением дельты динамики сигнала din.d по модулю.

Graphic

Буфер скользящий, т. е. в последующую секунду появляется новое значение, а последнее значение исключается из буфера. Затем динамика перерасчитывается.

Graphic

Если текущее значение буфера меньше din.d, то динамика сигнала определяется как «без изменений». Если текущее значение буфера больше din.d, то динамика определяется по знаку буфера (положительное значение – возрастает, отрицательное – убывает).

При выборе параметра din1 или din2 (для 1-го или 2-го входа соответственно) в параметре SCrX (меню ind) на нижнем индикаторе будет отображаться динамика измеряемой величины на соответствующем входе.

Graphic

din.d

0.2...DeltaSens**

0.2

bArr

OFF

OFF

Подключение барьера искрозащиты.

Примечание

Параметр bArr доступен только для датчиков типа ТС.

Для работы с ТС, подключенными через барьер искрозащиты, следует присвоить значение On. Диапазон измерений входного сопротивления будет расширен, чтобы скомпенсировать проходное сопротивление барьера искрозащиты. Для сохранения точности измерений рекомендуется выполнить процедуру корректировки в соответствии с компенсацией сопротивления соединительных проводов для трехпроводной линии.

Примечание

При bArr = On дополнительная приведенная погрешность составляет не более 0.5 %. Величина дополнительной приведенной погрешности определяется типом и характеристиками используемого барьера искрозащиты.

On

Примечание

* Положение десятичной точки определяется параметром dPt.

** SensMin – нижняя граница измерения датчика, SensMax – верхняя граница измерения датчика, DeltaSens – диапазон измерения датчика.

Коррекция показаний прибора

Измеренное прибором значение можно скорректировать, чтобы устранить начальную погрешность преобразования входных сигналов и погрешности, вносимые соединительными проводами.

График НСХ корректируется в зависимости от количества заданных точек. Если задать одну точку, весь график будет смещен вверх или вниз на заданную величину. Если задать две или три точки, график будет строиться по сплайнам между двумя ближайшими точками, определяющими абсолютное смещение или наклон (см. рисунок).

Graphic
Коррекция графика измерителя: Т — измеряемая температура, Т — температура, отображаемая на ЦИ

Для коррекции показаний прибора следует:

  1. Выбрать один из параметров COr.1, COr.2 и COr.3 и нажать кнопку Graphic. Запустится процесс корректировки.

    На нижнем ЦИ выводится измеренная температура, вычисленная в соответствии с НСХ используемого датчика (значение мигает), на верхнем ЦИ – номер точки коррекции.

  2. Подстроить кнопками Graphic и Graphic значение температуры на нижнем ЦИ до соответствия подключенной образцовой мере входного сигнала (магазин сопротивления, калибратор напряжения, тока и пр.) или до показаний контрольного прибора.

  3. После установки скорректированного значения требуется нажать кнопку Graphic для фиксации показаний. На нижнем ЦИ будет зафиксировано скорректированное значение и индикатор перестанет мигать.

Кратковременное нажатие на кнопку Graphic отобразит на верхнем ЦИ значение смещения.

При длительном удержании (3 секунды) кнопки Graphic появляется запрос на удаление точки корректировки. На нижнем ЦИ мигает значение ErS.

Если нажать кнопку Graphic, то прибор удалит точку корректировки. На ЦИ будет сообщение OFF.

Если нажать кнопку Graphic, удаление точки отменяется.

Примечание

Параметры коррекции сохраняются, даже если тип датчика был изменен. Для нового датчика следует удалить точки коррекции или провести корректировку заново.

Настройка входа 2

Параметры для входа 2 (меню in2) представлены в таблице.

Параметры входа 2

Параметр

Значения (1)

По умолчанию (2)

Описание

(1)(2)

tYPE

OFF

OFF

Тип датчика.

Типы датчиков см. в приложении А

D.StP

Дискретный вход

Переход из режима автоматического регулирования в режим Стоп.

Переход в замкнутое состояние входа соответствует переходу в режим Стоп

D.Man

Дискретный вход

Переход из режима автоматического регулирования в режим ручного регулирования.

Переход в замкнутое состояние входа соответствует переходу в режим ручного регулирования

d.BLC

Дискретный вход

Переход из режима автоматического регулирования в режим Стоп (не вносит изменения в регистр работы устройства CTRL).

Замкнутое состояние соответствует переходу в режим автоматического регулирования

Разомкнутое состояние соответствует переходу в режим Стоп

PoS.r

Резистивный датчик положения задвижки

PoS.I

Токовый датчик положения задвижки

FiL.b*

OFF

1

Полоса фильтра.

Позволяет отфильтровать единичные помехи. Полоса фильтра задается в единицах измеряемой величины.

Ti – измеренное абсолютное значение сигнала.

Ti-1 – предыдущее абсолютное значение сигнала.

Если Ti > Ti-1 ± FiL.b, то Ti присваивается значение Ti-1 ± FiL.b (в зависимости от движения значения вверх или вниз) и FiL.b = 2 * FiL.b (значение полосы фильтра удваивается).

Если значение Ti < Ti-1 ± FiL.b, то значение FiL.b возвращается на первоначальное.

Малая ширина полосы фильтра приводит к замедлению реакции на быстрое изменение входной величины.

При низком уровне помех или при работе с быстро меняющимися процессами рекомендуется увеличить значение параметра FiL.b или отключить действие полосы фильтра, установив значение FiL.b = OFF.

В случае высокого уровня помех следует уменьшить значение параметра для устранения их влияния на работу прибора.

Graphic

DeltaSens**

FiL.t

OFF

10

Постоянная времени фильтра (tф).

Интервал, в течение которого сигнал достигает 0,63 от значения каждого измерения Ti.

Значение сигнала рассчитывается по формуле:

Ti = Ti-tф + (Ti – Ti-tф) * 0,63.

Уменьшение значения FiL.t приводит к ускорению реакции на скачкообразные изменения температуры, но снижает помехозащищенность. Увеличение FiL.t повышает инерционность и подавляет шумы.

Graphic

1...999

dPt

0

1

Положение десятичной точки.

Количество знаков после запятой, которое будет выводиться на ЦИ.

Значение AutO – положение точки автоматически выбирается для отображения максимального возможного количества разрядов.

Если значение не может быть отображено на ЦИ, то на ЦИ будут выведены сообщения об ошибках Hi или Lo.

1

2

3

AutO

ind.L

–1999...9999

0.0

Параметры для приведения индикации измеренных значений тока и напряжения к значению физической величины.

Параметры настраиваются для сигналов 0...5 мА, 0...20 мА, 4...20 мА, –50...+50 мВ, 0...1 В, 0...5 В и 0...10 В. Для других типов датчиков данные параметры скрыты.

ind.L – индикация при минимальном значении сигнала (0 мА, 4 мА, –50 мВ, 0 В).

ind.H – индикация при максимальном значении сигнала (5 мА, 20 мА, 50 мВ, 1 В, 5 В, 10 В).

Все остальные промежуточные значения индикации располагаются линейно и высчитываются прибором по формуле:

T = ind.L + IX * (ind.Hind.L),

где IX – значение сигнала с датчика в относительных единицах диапазона от 0,000 до 1,000.

Пример. Используется датчик с выходным током 4…20 мА, контролирующий давление в диапазоне 0…25 атм.

В параметре ind.L задается значение 0.00, а в параметре ind.H значение 25.00. Теперь значения будут отображаться в атмосферах.

Graphic

ind.H

–1999...9999

100.0

FunC

oFF

Математические функции

OFF

oFF – математические функции не используются

SQrt

SQrt – вычисление квадратного корня из текущего значения:

Graphic
SQri

SQri - вычисление расхода по датчикам дифференциального давления c токовым выходом

Для работы с датчиками дифференциального давления используется функция, вычисление которой, с учетом настроек масштабирования, происходит по формуле:

Graphic

где I – текущее значение сигнала с датчика, мА;

Ind.L – заданное нижнее значение границы диапазона измерения;

Ind.H – заданное верхнее значение границы диапазона измерения;

SensMin – нижняя граница измерения датчика, мА;

DeltaSense – диапазон измерения датчика, мА

SuM

SuM – взвешенная сумма значений двух каналов:

Graphic
Примечание

Если CF1 и CF2 > 1, то расчет формул SuM, diFF, ASuM и SQSM производится отдельно для каждого канала.

diFF

diFF – взвешенная разность значений двух каналов:

Graphic

ASuM

ASuM – средневзвешенная сумма значений двух каналов:

Graphic

SQSM

SQSM – квадратный корень из средневзвешенной суммы значений двух каналов:

Graphic

где T – результат вычисления функции;

CF.1 и CF.2 – дополнительные коэффициенты для расчета значений, которые вводятся в настройках прибора;

T1 и T2 – сигналы на входах 1 и 2 соответственно

rAt

rAt – отношение взвешенного сигнала на входе 1 к взвешенному сигналу на входе 2

Graphic

где Т – результат вычисления функции;

CF.1 и CF.2 – дополнительные коэффициенты для расчета значений, которые вводятся в настройках прибора;

 

Т1 и Т2 – сигналы на входах 1 и 2 соответственно

CF.1

–100.0...100.0

1.0

Коэффициенты для расчета значений по математическим функциям.

Параметры доступны, если в параметре FunC установлено одно из следующих значений: SuM, diFF, ASuM и SQSM

CF.2

–100.0...100.0

1.0

Corr*

Подменю

Cor.1*

Cor.2*

Cor.3*

OFF

SensMin...

SensMax**

OFF

Параметры коррекции графика измерителя.

Используются для компенсации погрешности подключенных датчиков или компенсации сопротивления проводов (для подключения ТС по двухпроводной схеме), когда есть возможность определить с помощью дополнительного оборудования точное значение измеренного сигнала, тем самым скорректировать показания прибора.

Методика коррекции приведена в разделе.

din.t

0...30

10

Параметры функции отслеживания динамики изменения входного сигнала.

din.t – период анализа динамики изменения сигнала.

din.d – дельта динамики сигнала.

За заданный период (din.t) анализируется динамика изменения сигнала. Прибор вычитает из текущего измеренного значения предыдущее и добавляет разницу к накопительному буферу. После накопления буфера за период din.t производится сравнение его содержимого со значением дельты динамики сигнала din.d по модулю.

Graphic

Буфер скользящий, т. е. в последующую секунду появляется новое значение, а последнее значение исключается из буфера. Затем динамика перерасчитывается.

Graphic

Если текущее значение буфера меньше din.d, то динамика сигнала определяется как «без изменений». Если текущее значение буфера больше din.d, то динамика определяется по знаку буфера (положительное значение – возрастает, отрицательное – убывает).

При выборе параметра din1 или din2 (для 1-го или 2-го входа соответственно) в параметре SCrX (меню ind) на нижнем индикаторе будет отображаться динамика измеряемой величины на соответствующем входе.

Graphic

din.d

0.2...DeltaSens**

0.2

bArr

OFF

OFF

Подключение барьера искрозащиты.

Примечание

Параметр bArr доступен только для датчиков типа ТС.

Для работы с ТС, подключенными через барьер искрозащиты, следует присвоить значение On. Диапазон измерений входного сопротивления будет расширен, чтобы скомпенсировать проходное сопротивление барьера искрозащиты. Для сохранения точности измерений рекомендуется выполнить процедуру корректировки в соответствии с компенсацией сопротивления соединительных проводов для трехпроводной линии.

Примечание

При bArr = On дополнительная приведенная погрешность составляет не более 0.5 %. Величина дополнительной приведенной погрешности определяется типом и характеристиками используемого барьера искрозащиты.

On

Примечание

* Положение десятичной точки определяется параметром dPt.

** SensMin – нижняя граница измерения датчика, SensMax – верхняя граница измерения датчика, DeltaSens – диапазон измерения датчика.

Настройка ВУ1

Настройка дискретного ВУ1

Параметры ВУ дискретного типа (меню Out1) представлены в таблице.

Примечание
Для устройств с двумя дискретными ВУ (РР, КК, СС, ТТ) параметры out1 относятся сразу к двум ВУ, меню out2 в таких приборах не представлено. Настраивать второе ВУ отдельно не требуется.
Параметры ВУ дискретного типа

Параметр

Значения (1)

По умолчанию (2)

Описание

(1)(2)

LOG.d

Тип логики работы ЛУ

OFF

H.PID

Регулятор отключен. ВУ в безопасном состоянии

H.Pid

ПИД-регулятор «нагреватель»

Graphic

C.Pid

ПИД-регулятор «холодильник»

Graphic

SP*

SP.LO... SP.Hi

30.0

Уставка регулятора.

Требуемое значение регулируемой величины, которое должен поддерживать регулятор.

Примечание

Положение десятичной точки определяется параметром dPt.

SP.LO*

SensMin**...SP.Hi

–199.9

Нижняя и верхняя границы для выбора диапазона значений параметра уставки (SP).

Границы задаются в размерности параметра уставки.

При изменении параметров SP.Lo и SP.Hi их значения ограничиваются диапазоном измерения текущего датчика на соответствующем входе

Примечание
Не меняются при смене типа датчика

SP.Hi*

SP.LO...SensMax**

999.9

Pid.P

0,001...9999

10.0

Полоса пропорциональности ПИД-регулятора.

Значения устанавливаются в единицах измерения с учетом положения десятичной точки.

Pid.I

0...3999 с

10.0

Интегральная постоянная ПИД-регулятора.

Если установлено значение 0, то в регуляторе отключается действие интегральной составляющей. 

Pid.d

0...3999 с

10.0

Дифференциальная постоянная ПИД-регулятора

VSP*

OFF...DeltaSens**

OFF

Скорость изменения уставки ПИД-регулятора.

Скорость изменения уставки используется для сглаживания перехода с текущего значения уставки на заданное.

При изменении уставки ПИД-регулятор должен использовать уставку по формуле:

SPтекущ = SPпред + vSP в течение минуты.

Где SPтекущ – текущее значение уставки, SPпред – предыдущее значение уставки.

Увеличение (уменьшение) уставки происходит до тех пор, пока SPтекущ не станет равной SP

При включении прибора или переходе из режима Стоп или ручного регулирования в режим автоматического регулирования в качестве начального значения SPпред используется текущее значение на входе 1.

Значение OFF – нет ограничения по скорости

d.bnd*

0...DeltaSens**

0

Зона нечувствительности ПИД-регулятора.

Значения задаются в единицах измерения с учетом положения десятичной точки.

Если измеренный сигнал находится внутри диапазона SP ± d.bnd, то ПИД-регулятор не будет изменять выходную мощность до тех пор, пока регулируемая величина не выйдет из этой зоны

db.d

0.02...9.99 с

0.02

Минимальный ход задвижки (для дискретного ВУ)

Примечание
В режиме ручного регулирования значение db.d игнорируется при управлении задвижками.

Выходной сигнал подается на исполнительный механизм тогда, когда рассчитанная длительность импульса включения(выключения) больше или равна db.d. Не выданные воздействия накапливаются до достижения db.d.

Параметр относится как ко времени включения, так и ко времени выключения ВУ.

Примечание
В режиме ручного регулирования нельзя выдать управляющее воздействие меньше, чем db.d.

Err.V

ON

OFF

Состояние дискретной задвижки при возникновении аварии.

ON – Открыта.

OFF – Закрыта.

HoLd – задвижка сохраняет положение, при котором произошла авария.

При возникновении аварии прибор включает управление задвижкой в зависимости от параметра Err.V.

Действие ВУ на задвижку постоянное вне зависимости от времени хода или показаний датчика положения (в т.ч. после перезагрузки прибора). Состояние ВУ сбрасывается в 0 только после устранения неисправности.

OFF

HoLd

StP.V

ON

0.0

Состояние дискретной задвижки в режиме Стоп.

ON – Открыта.

OFF – закрыта.

HoLd – задвижка сохраняет положение, при котором произошла авария.

При переводе в режим Стоп прибор включает управление задвижкой в зависимости от параметра StP.V.

Действие ВУ на задвижку постоянное вне зависимости от времени хода или показаний датчика положения (в т.ч. после перезагрузки прибора). Состояние ВУ сбрасывается в 0 только при переводе прибора в режим ручного регулирования или автоматического регулирования.

OFF

HoLd

LbA.t

OFF

OFF

Функция диагностики обрыва контура регулирования. Описание работы функции см. раздел.

LbA.t – время диагностики обрыва контура.

При значении LbA.t = OFF функция диагностики обрыва контура регулирования выключена.

LbA.b – ширина зоны диагностики обрыва контура.

Параметр появляется, если LbA.t отлично от OFF

1...9999 с

LbA.b*

0...DeltaSens**

10

A.rEC

OFF

OFF

Автоматическое восстановление процесса регулирования после ошибки на соответствующем входе.

Если в режиме автоматического регулирования произошла аварийная остановка по причине обрыва датчика или выхода показаний за диапазон измерения, то при восстановлении измерения процесс регулирования автоматически запускается через A.rEC секунд.

Если A.rEC = OFF, то чтобы восстановить режим автоматического регулирования следует:

  1. Перейти в режим ручного регулирования или режим Стоп.

  2. Перейти в режим автоматического регулирования.

Примечание

Автоматическое восстановление процесса регулирования не распространяется на обрыв контура регулирования.

Обрыв контура регулирования требует ручного восстановления.

0...999 с

bLC.P

OFFOFF

Блокировка работы регулятора (ЛУ1) при обрыве датчика положения (на входе 2).

OFF – не блокировать регулятор.

ON – блокировать регулятор. Автоматическое восстановление регулирования в соответствии с параметром A.rEC.

Примечание

Параметр отображается, если параметр tYPE (меню in2)= PoS.r или PoS.I

ON
Примечание

* Положение десятичной точки определяется параметром dPt.

** SensMin – нижняя граница измерения датчика, SensMax – верхняя граница измерения датчика, DeltaSens – диапазон измерения датчика.

Настройка аналогового ВУ1

Параметры ВУ аналогового типа (Out1) представлены в таблице.

Параметры ВУ аналогового типа

Параметр

Значения (1)

По умолчанию (2)

Описание

(1)(2)

LOG.A

Тип логики работы ЛУ

OFF

H.Pid

Регулятор отключен

H.Pid

ПИД-регулятор «нагреватель»

C.Pid

ПИД-регулятор «холодильник»

SP*

SP.Lo...SP.Hi

30.0

Уставка регулятора.

Требуемое значение регулируемой величины, которое должен поддерживать регулятор.

Примечание

Положение десятичной точки определяется параметром dPt.

SP.Lo*

SensMin**...SP.HI

–199.9

Нижняя и верхняя границы для выбора диапазона значений параметра уставки (SP).

Границы задаются в размерности параметра уставки.

При смене типа датчика значения могут измениться согласно его диапазону

Примечание
Не меняются при смене типа датчика

SP.Hi*

SP.Lo...SensMax**

999.9

Pid.P

0.001...9999

10.0

Полоса пропорциональности ПИД-регулятора.

Значения устанавливаются в единицах измерения с учетом положения десятичной точки.

Pid.I

0..3999 с

10.0

Интегральная постоянная ПИД-регулятора.

Если установлено значение 0, то в регуляторе отключается действие интегральной составляющей. 

Pid.d

0..3999 с

10.0

Дифференциальная постоянная ПИД-регулятора

VSP*

OFF...DeltaSens**

OFF

Скорость изменения уставки ПИД-регулятора.

Скорость изменения уставки используется для сглаживания перехода с текущего значения уставки на заданное.

При изменении уставки ПИД-регулятор должен использовать уставку по формуле:

SPтекущ = SPпред + vSP в течение минуты.

Где SPтекущ – текущее значение уставки, SPпред – предыдущее значение уставки.

Увеличение (уменьшение) уставки происходит до тех пор, пока SPтекущ не станет равной SP.

При включении прибора или переходе из режима Стоп или ручного регулирования в режим автоматического регулирования в качестве начального значения SPпред используется текущее значение на входе 1.

Значение OFF – нет ограничения по скорости

d.bnd*

0...DeltaSens**

0

Зона нечувствительности ПИД-регулятора.

Значения задаются в единицах измерения с учетом положения десятичной точки.

Если измеренный сигнал находится внутри диапазона SP ± d.bnd/2, то ПИД-регулятор не будет изменять выходную мощность до тех пор, пока регулируемая величина не выйдет из этой зоны

db.A

0...100%

0.0

Минимальное изменение аналогового ВУ или Минимальный ход задвижки (для аналогового ВУ)

Примечание
В режиме ручного регулирования значение db.A игнорируется при управлении задвижками.

Минимальная степень открытия задвижки. Значение от 0 до 100% от диапазона выходного сигнала 4...20 мА или 0...10В.

Выходной сигнал на исполнительный механизм не меняется тогда, когда рассчитанная величина изменения меньше db.A. Не выданные воздействия накапливаются до достижения db.A.

Примечание
В режиме ручного регулирования нельзя выдать управляющее воздействие меньше, чем db.A

oL.L

0...100.0

0.0

Минимальная выходная мощность (нижний предел) ПИД-регулятора.

Значения в % от 0 до oL.H.

oL.H

0...250 с

100.0

Максимальная выходная мощность (верхний предел) ПИД-регулятора.

Значения в % от oL.L до 100.

oL.V

0.2..100 %/c

100.0

Максимальная скорость изменения выходной мощности ПИД-регулятора.

На данную величину может изменяться значение Out.P за 1 секунду.

Err.P

0…100 %

0.0

Значение ВУ1 в режиме Авария в случае использования ПИД-регулятора

StP.P

0…100 %

0.0

Значение ВУ1 в режиме Стоп в случае использования ПИД-регулятора

LbA.t

oFF

oFF

Функция диагностики обрыва контура регулирования. Описание работы функции см. разделе.

LbA.t – время диагностики обрыва контура.

При значении LbA.t = OFF функция диагностики обрыва контура регулирования выключена.

LbA.b – ширина зоны диагностики обрыва контура.

Параметр появляется, если LbA.t отлично от OFF

1...9999 c

LbA.b*

0.0...999.9

10

Hi

A.rEC

OFF

0...999 c

OFF

Автоматическое восстановление процесса регулирования после ошибки на соответствующем входе.

Если в режиме автоматического регулирования произошла аварийная остановка по причине обрыва датчика или выхода показаний за диапазон измерения, то при восстановлении измерения процесс регулирования автоматически запускается через A.rEC секунд.

Если A.rEC = OFF, то чтобы восстановить режим автоматического регулирования следует:

  1. Перейти в режим ручного регулирования или режим Стоп.

  2. Перейти в режим автоматического регулирования.

Примечание

Автоматическое восстановление процесса регулирования не распространяется на обрыв контура регулирования.

Обрыв контура регулирования требует ручного восстановления

Примечание

* Положение десятичной точки определяется параметром dPt.

** SensMin – нижняя граница измерения датчика, SensMax – верхняя граница измерения датчика, DeltaSens – диапазон измерения датчика.

Настройка ВУ2

Настройка дискретного ВУ2

Параметры ВУ дискретного типа (меню Out2) представлены в таблице.

Параметры ВУ дискретного типа

Параметр

Значения (1)

По умолчанию (2)

Описание

(1)(2)

LOG.d

Тип логики работы ЛУ

OFF

OFF

Регулятор отключен. ВУ в безопасном состоянии

ALrM

Сигнализатор.

Тип логики срабатывания сигнализатора задается в параметре A.tYP.

Сигнализатор продолжает работать в режиме Стоп и режиме ручного регулирования.

Переход в состояние установленное в параметре Err.d при ошибке на Входе 1, Входе 2 (если GraF не oFF) и Выходе 1

Сигнализатор восстанавливается при исчезновении ошибки на входе.

A.tYP

SP.U

Тип логики срабатывания сигнализатора

OFF

Сигнализатор выключен

SP.П

Сигнализатор включается, когда измеренное значение находится в диапазоне SP ± A.bnd с учетом параметра A.HYS.

Параметр A.bnd – порог срабатывания сигнализатора.

Параметр A.HYS – гистерезис срабатывания сигнализатора.

Graphic

SP.u

Сигнализатор включается, когда измеренное значение находится вне диапазона SP ± A.bnd с учетом параметра A.HYS.

Параметр A.bnd – порог срабатывания сигнализатора.

Параметр A.HYS – гистерезис срабатывания сигнализатора.

Graphic

SP.Hi

Сигнализатор включается, когда измеренное значение превышает SP на величину A.bnd.

Параметр A.bnd – порог срабатывания сигнализатора.

Параметр A.HYS – гистерезис срабатывания сигнализатора.

Graphic

SP.Lo

Сигнализатор включается, когда измеренное значение ниже SP на величину A.bnd.

Параметр A.bnd – порог срабатывания сигнализатора.

Параметр A.HYS – гистерезис срабатывания сигнализатора.

Graphic

0.П

Сигнализатор включается, когда измеренное значение находится в диапазоне 0 ± A.bnd с учетом параметра A.HYS.

Параметр A.bnd – порог срабатывания сигнализатора.

Параметр A.HYS – гистерезис срабатывания сигнализатора.

Graphic

0.u

Сигнализатор включается, когда измеренное значение находится вне диапазона 0 ± A.bnd с учетом параметра A.HYS.

Параметр A.bnd – порог срабатывания сигнализатора.

Параметр A.HYS – гистерезис срабатывания сигнализатора.

Graphic

0.Hi

Сигнализатор включается, когда измеренное значение превышает ноль на величину A.bnd.

Параметр A.bnd – порог срабатывания сигнализатора.

Параметр A.HYS – гистерезис срабатывания сигнализатора.

Graphic

0.LO

Сигнализатор выключается, когда измеренное значение превышает ноль на величину A.bnd.

Параметр A.bnd – порог срабатывания сигнализатора.

Параметр A.HYS – гистерезис срабатывания сигнализатора.

Graphic

A.bnd*

0...DeltaSens**

20

Порог срабатывания сигнализатора

A.HYS*

0...DeltaSens**

1.0

Гистерезис срабатывания сигнализатора

F.bLC

ON

OFF

Блокировка первого срабатывания сигнализатора.

ON – блокируется.

OFF – не блокируется.

Примечание
Блокировка служит для предотвращения срабатывания сигнализатора при включении прибора до выхода системы управления на заданный режим работы. Если после включения прибора значение измеренного сигнала на входе находится вне аварийной зоны, то блокировка 1-го срабатывания сбрасывается.

Флаг обнуляется при переходе из режима Стоп в режим автоматического регулирования.

OFF

Err.d

OFF

OFF

Состояние ВУ в режиме Авария.

ON – включен.

OFF – выключен

On

Примечание

* Положение десятичной точки определяется параметром dPt.

** SensMin – нижняя граница измерения датчика, SensMax – верхняя граница измерения датчика, DeltaSens – диапазон измерения датчика.

Настройка аналогового ВУ2

Параметры ВУ аналогового типа (Out2) представлены в таблице.

Примечание
Для устройств с двумя ВУ дискретного типа (РР, КК, СС, ТТ) данное меню не представлено, оба выхода настраиваются с помощью меню out1.
Параметры ВУ аналогового типа

Параметр

Значения (1)

По умолчанию (2)

Описание

(1)(2)

LOG.A

Тип логики работы ЛУ

OFF

OFF

Регулятор отключен

ConV

Регистратор.

Формирование на ВУ  аналогового сигнала в виде тока 4...20 мА (для выхода типа «И») или напряжения 0..10 В (для выхода типа «У») в зависимости от измеренного значения входного сигнала. Промежуточные значения формируются по линейной функции.

Для ТС, ТП данные формируются по НСХ.

Примеры формирования прямой и обратной зависимости выходного сигнала регистрации от измеренного значения для выходного сигнала 4...20 мА:

  • 4 мА для Out.L и 20 мА для Out.H (при Out.H > Out.L);

    Graphic
  • 20 мА для Out.L и 4 мА для Out.H (при Out.L > Out.H);

    Graphic

При аварии ВУ принимает значение Err.A.

Отсутствует режим Стоп

Out.L

SensMin...SensMax*

0.0

Нижняя граница регистрации. Параметр задается для типа логики ЛУ «регистратор» (LOG.A = ConV).

Нижняя граница регистрации задается в единицах измерения входа

Out.H

SensMin...SensMax*

100.0

Верхняя граница регистрации. Параметр задается для типа логики ЛУ «регистратор» (LOG.A = ConV).

Верхняя граница регистрации задается в единицах измерения входа

Err.A

HI

LO

Безопасное состояние выхода в режиме Авария.

Hi – 20 мА/10 В,

LO – 4 мА/0 В

LO

Примечание

* SensMin – нижняя граница измерения датчика, SensMax – верхняя граница измерения датчика, DeltaSens – диапазон измерения датчика.

Диагностика неисправности контура регулирования

Логика отслеживания LBA аварии для задвижек с аналоговым управлением

Диагностика неисправности контура регулирования применяется для логики «нагреватель» или «холодильник». Прибор отслеживает реакцию системы на управляющее воздействие:

  • для «нагревателя», при максимальном значение аналогового ВУ, показания входа увеличиваются. При минимальном значении – уменьшаются;

  • для «холодильника», при максимальном значение аналогового ВУ, показания входа уменьшаются. При минимальном значении – увеличиваются.

После достижения максимальной выходной мощности включается таймер LbA.t. Если за время LbA. t значение входа изменяется на значение, большее LbA. b, то таймер LbA. t сбрасывается. Если нет, то регистрируется авария по неисправности контура регулирования. Начинает мигать светодиод СТ1, а также происходит остановка прибора и переход выхода в безопасное состояние в соответствии с параметром Err. A (для аналогового ВУ).

Graphic
Диагностика неисправности контура регулирования
Принцип работы

Для «нагревателя»:

  • если выходная мощность максимальная - прибор фиксирует значение на входе. Если за время LbA.t на входе сигнал не изменится на величину LbA.b или более, то прибор фиксирует неисправность контура регулирования;

  • если выходная мощность минимальному - прибор фиксирует значение на входе. Если за время LbA.t на входе сигнал не изменится на величину LbA.b или более, то прибор фиксирует неисправность контура регулирования.

Для «холодильника»:

  • если выходная мощность максимальная - прибор фиксирует значение на входе. Если за время LbA.t на входе сигнал не изменится на величину LbA.b или более, то прибор фиксирует неисправность контура регулирования;

  • если выходная мощность минимальному - прибор фиксирует значение на входе. Если за время LbA.t на входе сигнал не изменится на величину LbA.b или более, то прибор фиксирует неисправность контура регулирования.

Если в течение LbA. t значение выходной мощности меняется, то таймер сбрасывается каждый раз, когда происходит это изменение или значение становится промежуточным между минимумом и максимумом. Если значение входного сигнала изменилось на LbA.b раньше, чем сработал таймер LbA.t, то прибор фиксирует новое значение входа в этот момент и обнуляет таймер LbA. t (если выходная мощность все это время максимальная).

Рекомендации по настройке

Для первоначального подбора значения времени диагностики обрыва контура (LbA.t) следует:

  1. Установить выходной сигнал на максимальный уровень.

  2. Измерить время, за которое измеряемая величина изменится на ширину зоны диагностики обрыва контура (параметр LbA.b).

  3. Увеличить измеренное время вдвое и принять его за время диагностики обрыва контура.

Graphic
Пример диагностики обрыва контура для аналогового регулирования
Примечание
Функция автоматического восстановления (параметр ArEC) для данного типа аварии не действует.

После устранения причин аварии процесс автоматического регулирования следует возобновить вручную. Для этого следует перевести прибор в режим Стоп или режим ручного регулирования, а затем перевести в режим автоматического регулирования.

Логика отслеживания LBA аварии для задвижек с дискретным управлением больше/меньше

Прибор с дискретным управлением задвижек без датчика положения выходного вала оценивает крайнее положение задвижки по времени полного хода V.Mot в одну сторону. В начальный момент времени задвижка находится в произвольном положении P. Прибор управляет задвижкой согласно алгоритму регулирования. Если суммарное время импульсов, вращающих задвижку в одну сторону подряд A + B + C = V.Mot т. е. достигает 100 % в точке P' на рисунке. В момент достижения мощности P' фиксируется значение температуры T' и включается отслеживание обрыва контура регулирования. Если за время LBA.t входной сигнал прирастает на величину, большую чем LBA.B (точка TB) - это означает что контур регулирования работает в штатном режиме. Если меньшую (точка ТA) - то фиксируется авария по обрыву контура регулирования.

Прибор подает сигнал управления на переход задвижки в безопасное состояние Err.V и включает светодиод СТ1 (СТ2).

Graphic
Пример диагностики обрыва контура для дискретного регулирования

После устранения причин аварии процесс автоматического регулирования следует возобновить вручную. Для этого следует перевести прибор в режим Стоп или режим ручного регулирования, а затем перевести в режим автоматического регулирования.

Настройка ПИД-регулятора (автонастройка)

Параметры автонастройки ПИД-регулятора (меню APId) представлены в таблице.

Параметры автонастройки ПИД-регулятора

Параметр

Значения (1)

По умолчанию (2)

Описание

(1)

(2)

Anr

OFF

OFF

Автонастройка ПИД-регулятора. 

В результате автонастройки ПИД-регулятора прибор вычисляет оптимальные значения коэффициентов ПИД-регулятора и фильтра.

Исходные условия для запуска автонастройки ПИД-регулятора:

  • значение измеренной текущей величины ниже уставки (для «нагревателя») и выше (для «холодильника») установить in1.fil.t = 0;

  • прибор в режиме Стоп.

Для запуска автонастройки следует установить параметру Anr значение run.

Далее прибор осуществляет автонастройку по заданному алгоритму. В течение этого периода на верхнем ЦИ отображается отображается надпись Anr, а на нижнем ЦИ текущая измеренная температура. Отображение температуры производится сразу после запуска автонастройки ПИД-регулятора.

В течение периода, пока идет автонастройка, ее можно отменить без сохранения новых коэффициентов, нажав кнопку Graphic.

По завершению автонастройки параметрам PID.P, PID.I, PID.D, Fil.b и Fil.t присваиваются новые значения. На ЦИ отображается надпись Good.

Если автонастройка завершилась неудачно, то на ЦИ отображается надпись FaiL.

После автонастройки прибор переходит в режим автоматического регулирования.

rUn

Настройка индикации

Параметры настройки индикации (меню ind) представлены в таблице .

Параметры индикации

Параметр

Значения (1)

По умолчанию (2)

Описание

(1)(2)

SCr.1

P1S1

P1.S1

Настройка конфигурации экранов.

Отображение выбранных значений параметров на верхнем и нижнем индикаторе.

Для отображения доступны следующие параметры:

Наименование

Обозначение

Индикация

Текущее измеренное значение

PV

Р1

Уставка

SP

S1

Выходная мощность (см. раздел) или значение аналогового выхода в единицах мА (0...20) или В (0...10).

Отображение задается в параметре Out.S.

Out.P

O1

Вычисленное значение математической функции

FuN

F1

Динамика сигнала

din

D1

Процедура настройки конфигурации экранов описана в разделе.

В режиме ручного регулирования вместо отображения уставки SP выводится значение Out.P в соответствии с настройками параметра Out.S.

Если значение Fun = OFF, то при выводе на индикацию параметра Fun1 отображается надпись F.Err.

P1S2

P1O1

P1D1

F1S1

F1O1

F1D1

P2S2
P2S1
P2D2
F2D2
P1P2
P1F2
F1P2
F1F2

SCr.2

SCr.3

SCr.4

SCr.5

SCr.6

oFF

OFF

P1S1

P1S2

P1O1

P1D1

F1S1

F1O1

F1D1

P2S2
P2S1
P2D2
F2D2
P1P2
P1F2
F1P2
F1F2

Out.S

Выбор единиц отображения мощности (только для аналогового выхода)

PErC

PErC

PErC – вывод процента мощности ВУ

dAC

dAC – вывод абсолютного значения ВУ (4...20 мА или 0...10 В) пропорционально выбранной мощности Out.P

rEt.t

oFF

30

Время (в секундах) автоматического возврата из меню настроек в рабочий режим при отсутствии активности (нажатия кнопок).

Значение OFF – автоматический возврат не производится.

Примечание

В процессе редактирования параметра автоматический возврат не производится.

5

10

30

60

CHG.t

OFF

OFF

Время (в секундах) автоматической смены экранов отображения параметров (Scr.1Scr.6).

Значение OFF – автоматическая смена экранов не производится

5

10

30

60

120

Управление задвижкой

Для управления задвижкой с помощью кнопок на лицевой панели следует перевести прибор в ручной режим. О переходе в ручной режим сигнализирует включенный светодиод РУЧ. В ручном режиме прибор перестает выдавать управляющие сигналы.

При нажатии кнопки Graphic замыкается реле «открыть ВУ1» для дискретного выхода или увеличивается параметр для аналогового выхода на время равное времени удержания кнопки.

При нажатии кнопки Graphic замыкается реле «закрыть ВУ2» для дискретного выхода или уменьшается параметр для аналогового выхода на время равное времени удержания кнопки.

На ЦИ2 выводится:

  • индикация положения КЗР, если in2.tYPE = PoS.i или PoS.P;

  • oPEn или cLoS, если in2.tYPE не равен PoS.i или PoS.P.

При управлении по сети RS-485 ТРМ12 работает следующим образом:

  1. Для приборов с первым ВУ аналогового типа (И, У) записываемое значение мощности задается в процентах от 0 до 100 и линейно соответствует физическому сигналу ВУ в мА или В.

  2. Для приборов с первым и вторым ВУ дискретного типа (РР, КК, СС, ТТ) для записи мощности используются значения 1 (ВУ1 замкнуто, ВУ2 разомкнуто), 0 (ВУ1 разомкнуто, ВУ2 разомкнуто), -1 (ВУ1 разомкнуто, ВУ2 замкнуто). Значения, кроме чисел (1, 0, -1) не будут записаны в прибор.

Примечание

Когда в параметре TYPE для входа 2 выбран датчик положения задвижки (in2.tYPE = PoS.i или PoS.P), регулирование происходит в ручном режиме по показаниям датчика положения задвижки.

Примечание
Если при удаленном управлении задвижкой перейти в изменению мощности (однократное нажатие кнопки Graphic), то параметр Out.P примет значение 0 и удаленное управление остановится.

Настройка экранов

Для настройки конфигурации экрана следует:

  1. Выбрать экран (SCr.1...SCr.6).

  2. Нажать кнопку Graphic.

    На верхнем ЦИ отображается параметр для редактирования (мигает): PV1, Fun1.

  3. Выбрать требуемый параметр.

    После выбора требуемого параметра он фиксируется (не мигает) и редактирование переходит к параметру на нижнем ЦИ.

  4. Выбрать параметр на нижнем ЦИ.

    В зависимости от выбранного значения на верхнем ЦИ, на нижнем ЦИ доступны параметры:

    Верхний ЦИ

    Нижний ЦИ

    PV1

    SP1, Out1, din1, PV2, Fun2

    PV2

    din2

    Fun1

    SP1, Out1, din1, PV2, Fun2

    Fun2din2
    Примечание
    Параметр out1 - мощность ВУ, отображаемая в единицах, установленных в параметре out.S.

  5. Нажать кнопку Graphic для фиксации параметра, отображаемого на нижнем ЦИ.

    После фиксации на верхнем ЦИ будет отображен номер экрана Scr..., на нижнем – конфигурация экрана в виде комбинации сокращенных наименований параметров.

Пример настройки экрана представлен на рисунке ниже.

Graphic
Пример настройки экрана

Настройка RS-485

Параметры интерфейса RS-485 (меню r485) представлены в таблице.

Параметры RS-485

Параметр

Значения (1)

По умолчанию (2)

Описание

(1)

(2)

PrOt

rtU

rtU

Протокол связи по RS-485

rtU – Modbus RTU.

ASCI – Modbus ASCII

ASCI

Addr

1...247

16

Адрес прибора по RS-485

BAud

2,4

9,6

Скорость обмена (в кбод/с) данными по RS-485

4,8

9,6

14,4

19,2

28,8

38,4

57,6

115,2

dPS

8N1

0

Формат посылки данных:

  • количество бит:

      7 (доступно только для Modbus ASCII);

      8.

  • контроль четности\нечетности:

    • n – контроль четности отсутствует;

    • o – контроль нечетности;

    • E – контроль четности.

  • количество стоп-бит: 1 или 2

8O1

1

8E1

2

8N2

3

8O2

4

8E2

5

7o1

6

7E1

7

7o2

8

7E2

9

idLE

0...20

2

Задержка (в мс) ответа от прибора по RS-485.

Согласно стандарту на протокол Modbus:

  • для Modbus RTU — ответ от Slave должен приходить не раньше, чем время передачи 1 байта (со служебными битами) * 3,5. В зависимости от скорости обмена будут отличаться — выше скорость, меньше время ответа. Из заданного пользователем значения и расчетного выбирается наибольшее ,которое и будет реальным временем ответа от Slave;

  • для Modbus ASCII есть только время ответа Slave, заданное пользователем.

Например, при скорости 4800 кбит/с и формате посылки 8n1 расчетное время t = (8 + 1 + 1) / 4800 = 0,00208 с = 2,08 мс:

  • для Modbus RTU, если пользователь оставил значение по умолчанию — 2, то ответ от прибора будет не ранее, чем через 3,5 * 2,08 = 7,3 мс;

  • для Modbus ASCII ответ от прибора будет не раньше, чем заданное пользователем время задержки ответа

b.Ord

MSb

MSb

Порядок байт в регистре. Требуется для согласования пакетов данных с Мастером сети Modbus.

MSb – старший байт вперед.

LSb – младший байт вперед.

LSb

Настройка графика уставок

График уставок применяется для задания уставки ЛУ1 в зависимости от измеренного значения на входе 2 (например, при погодозависимом регулировании).

Примечание

Меню графика уставок скрыто, если tYPE (вход 2) = OFF или LoG.d/LoG.A (выход 1) = oFF.

Параметры графика уставок (меню GrAF) представлены в таблице.

Параметры графика уставок

Параметр

Значения (1)

По умолчанию (2)

Описание

(1)(2)

GrF.n

OFF

OFF

Количество точек для графика уставок.

OFF – график уставок выключен.

После выбора значения параметра отличного от oFF становятся доступными параметры in... и SP... в соответствии с выбранным количеством точек

2...10

in.1*

SensMin...SensMax**

0.0

По значениям данных параметров формируются зависимости уставки ЛУ1 от измеренного на входе 2 значения. Значения между установленными точками аппроксимируются линейно. При значениях сигнала на входе 2 выше или ниже крайних точек графика уставка выхода 1 не изменяется (горизонтальный график).

Graphic
Примечание

Значения точек SP... задаются в пределах диапазона SP.Lo и SP.Hi.

SP.1*

0.0

...

...

...

in.10*

SensMin...SensMax**

0.0

SP.10*

0.0

Примечание

* Положение десятичной точки определяется параметром dPt соответствующих каналов (для SP канала 1, для in канала 2).

** SensMin – нижняя граница измерения датчика, SensMax – верхняя граница измерения датчика, DeltaSens – диапазон измерения датчика.

Настройка параметров задвижки

Примечание
Данное меню есть только у модификаций прибора с дискретными ВУ.

Параметры задвижки(vALv) представлены в таблице.

Параметры задвижки

Параметр

Значения (1)

По умолчанию (2)

Описание

(1)(2)

v.Mot

5…999 с

100

Полное время хода задвижки

Определяет время перемещения задвижки из полностью открытой в полностью закрытую и наоборот (указывается в характеристиках самого исполнительного механизма)

v.GAP

0.0…10.0 с

0.0

Время выборки люфта задвижки

При смене направления движения требуется учитывать люфт задвижки. Это время складывается с временем полезного воздействия

v.rev

0.5…10.0 с

1.0

Минимальное время реверса (минимальное время простоя при смене направления движения).

Минимальное время реверса требуется для полной остановки двигателя

При необходимости смены направления снимается питание со всех обмоток и начинается управление только после истечения времени v.rev

Настройка защиты от редактирования и скрытия параметров

Примечание
Доступ в меню SCRT возможен только после ввода пароля, установленного в параметре PASS.
Параметры защиты

Параметр

Значения (1)

По умолчанию (2)

Описание

(1)

(2)

PASS

0...9999

100

Пароль для доступа к меню SCRT

Prt.E

OFF

Защита от редактирования значений параметров

Для разблокировки или восстановления видимости параметров следует зайти в меню SCRT и установить Prt.E=OFF.

OFF

Защита отключена, все параметры доступны для редактирования

SETT

Блокировка редактирования параметров. Доступно только редактирование уставок, выходной мощности и выбора режима работы.

ALL

Блокировка редактирования всех параметров. Просмотр параметров доступен.

HidE

Скрыть все параметры. Нет доступа в основное меню настроек.

Atr.E

OFF

Отображение выбранных параметров в меню. Каждый параметр основного меню имеет атрибут видимости. В зависимости от значения атрибута параметр отображается в меню или нет.

OFF

Включить отображение всех параметров вне зависимости от значения их атрибутов видимости

Edit

Ручное редактирование атрибута видимости для каждого параметра.

После установки EdIt в значении каждого параметра отображается атрибут видимости. Редактирование с помощью кнопки Graphic.

Для редактирования атрибута следует:

  1. Установить Atr.E = Edit.

  2. Выйти из меню SCRT.

  3. Войти в основное меню и требуемое подменю. Теперь для каждого параметра на нижнем ЦИ отображается значение атрибута видимости - SHoW или HidE.

  4. С помощью процедуры выбора значения параметра выбрать значение атрибута для отдельных параметров. По умолчанию атрибуты всех параметров имеют значение SHoW.

  5. Вернуться в меню SCRT и задать Atr.E = ON. Атрибуты видимости применятся. Если задать Atr.E = OFF, то прибор сохранит измененные значения атрибутов, но не будет их применять. Основное меню вернется к рабочему состоянию.

SHoW – отображать параметр, HidE – скрывать параметр

On

Параметры со значением атрибута видимости HidE не отображаются в основном меню.

Параметры со значением атрибута видимости SHoW отображаются.

Доступность видимых параметров для редактирования определяется настройкой параметра Prt.E меню SCRT

CJS.E

On

Включение/отключение ДХС

On

ДХС включен

OFF

ДХС отключен

Восстановление заводских настроек

Примечание
Восстановление заводских настроек сбрасывает значения всех параметров до заводских значений.

Для восстановления заводских настроек следует:

  1. Установить перемычку согласно рисунку ниже.

    Graphic
    Установка перемычки

    1) для всех сигналов, кроме 0...10 В;     2) для сигналов 0...10 В

    Предупреждение
    Перед подключением перемычки датчик должен быть отключен от входа 1.
  2. На основном экране зажать комбинацию клавиш Graphic и Graphic до появления экрана d.rSt.

  3. Ввести пароль 100 и нажать кнопку Graphic.

  4. Задать параметру d.rSt значение On .

  5. На нижнем ЦИ на 5 секунд отобразится надпись rSt, затем прибор восстановит заводские настройки.

Техническое обслуживание

Общие указания

Во время выполнения работ по техническому обслуживанию прибора следует соблюдать требования безопасности из раздела.

Техническое обслуживание прибора проводится не реже одного раза в 6 месяцев и включает следующие процедуры:

  • проверка крепления прибора;
  • проверка винтовых соединений;
  • удаление пыли и грязи с клеммника прибора.

Комплектность

Наименование

Количество

Прибор

1 шт.

Уплотнительная прокладка*

1 шт.

Паспорт и гарантийный талон

1 экз.

Руководство по эксплуатации

1 экз.

Комплект крепежных элементов

1 к-т.

Самоклеющийся шаблон для вырезания отверстия в щите*

1 шт.

Примечание

* Только для типов корпусов Щ1, Щ2, Щ5.

Примечание

Изготовитель оставляет за собой право внесения изменений в комплектность прибора.

Маркировка

На корпус прибора нанесены:

  • условное обозначение и наименование прибора;
  • товарный знак;
  • степень защиты корпуса по ГОСТ 14254;
  • род питающего тока и напряжение питания;
  • потребляемая мощность;

  • маркировка класса защиты от поражения электрическим током по ГОСТ 12.2.007.0–75;
  • знак утверждения типа средств измерений;
  • QR-код;
  • единый знак обращения продукции на рынке Евразийского экономического союза

    ;
  • страна-изготовитель;
  • заводской номер прибора, месяц и год изготовления.

На потребительскую тару нанесены:

  • наименование и условное обозначение прибора;
  • товарный знак;
  • почтовый адрес офиса изготовителя;
  • штрих-код;
  • дата упаковки;

  • единый знак обращения продукции на рынке Евразийского экономического союза;

  • страна-изготовитель;

  • заводской номер прибора.

Упаковка

Упаковка прибора производится в соответствии с ГОСТ 23088-80 в потребительскую тару, выполненную из коробочного картона по ГОСТ 7933-89.

Упаковка прибора при пересылке почтой производится по ГОСТ 9181-74.

Транспортирование и хранение

Прибор должен транспортироваться в закрытом транспорте любого вида. В транспортных средствах тара должна крепиться согласно правилам, действующим на соответствующих видах транспорта.

Условия транспортирования должны соответствовать ГОСТ Р 52931-2008 при температуре окружающего воздуха от минус 40 до плюс 55 °С с соблюдением мер защиты от ударов и вибраций.

Прибор следует перевозить в транспортной таре поштучно или в контейнерах.

Условия хранения в таре на складе изготовителя и потребителя должны соответствовать ГОСТ Р 52931-2008. В воздухе не должны присутствовать агрессивные примеси.

Прибор следует хранить на стеллажах.

Гарантийные обязательства

Изготовитель гарантирует соответствие прибора требованиям ТУ при соблюдении условий эксплуатации, транспортирования, хранения и монтажа.

Гарантийный срок эксплуатации – 5 лет со дня продажи.

В случае выхода прибора из строя в течение гарантийного срока при соблюдении условий эксплуатации, транспортирования, хранения и монтажа предприятие-изготовитель обязуется осуществить его бесплатный ремонт или замену.

Порядок передачи прибора в ремонт содержится в паспорте и в гарантийном талоне.

Перечень подключаемых датчиков

Перечень подключаемых датчиков

Тип

Условное обозначение

Наименование датчика

Диапазон отображения*

Отсутствует

oFF

Не подключен

Термопреобразователи сопротивления

С 50

ТСМ (Cu50)

от –55 до +205 °С

С 53

ТСМ (Cu53)

от –55 до +205 °С

С100

ТСМ (Cu100)

от –55 до +205 °С

С500

ТСМ (Cu500)

от –55 до +205 °С

С 1.0

ТСМ (Cu1000)

–55…+205 °С

50 С

ТСМ (50М)

от –185 до +205 °С

100С

ТСМ (100М)

от –185 до +205 °С

500С

ТСМ (500М)

от –185 до +205 °С

1.0 С

ТСМ (1000М)

от –185 до +205 °С

P 50

ТСП(Pt50)

от –205 до +855 °С

P100

ТСП(Pt100)

от –205 до +855 °С

P500

ТСП(Pt500)

от –205 до +855 °С

P 1.0

ТСП(Pt1000)

от –205 до +855 °С

50 P

ТСП (50П)

от –205 до +855 °С

100P

ТСП (100П)

от –205 до +855 °С

500P

ТСП (500П)

от –205 до +855 °С

1.0 P

ТСП (1000П)

от –205 до +855 °С

100n

ТСН (100Н)

от –65 до +184,4 °С

500n

ТСН (500Н)

от –65 до +185 °С

1.0 n

ТСН (1000Н)

от –65 до +185 °С

Термопары

tC.L

ТХК (L)

от –205 до +805 °С

tC.HA

ТХА (K)

от –240 до +1372 °С

tC.J

ТЖК(J)

от –210 до +1205 °С

tC.n

ТНН (N)

от –270 до +1305 °С

tC.t

ТМК (T)

от –270 до +405 °С

tC.S

ТПП (S)

от –55 до +1768 °С

tC.r

ТПП (R)

от –55 до +1768 °С

tC.b

ТПР (B)

от 0 до +1820 °С

tC.A1

ТВР (A-1)

от –5 до +2505 °С

tC.A2

ТВР (A-2)

от –5 до +1805 °С

tC.A3

ТВР (A-3)

от –5 до +1805 °С

tC.dL

Typ.L (DIN 43710)

от –205 до +905 °С

tC.E

ТХКн (Е)

от –268 до +1000 °С

Пирометры

PIr.1

Пирометр РК-15

от +395,4 до +1505 °С

PIr.2

Пирометр РК-20

от +595,5 до +2005 °С

PIr.3

Пирометр РС-20

от +895,3 до +2005 °С

PIr.4

Пирометр РС-25

от +1195 до +2505 °С

Универсальные сигналы

I 0.5

Ток от 0 до 5 мА

от –0,01 до 5,25 мА

I0.20

Ток от 0 до 20 мА

от –0,01 до 22 мА

I4.20

Ток от 4 до 20 мА

от 3,5 до 22 мА

U-5.5

Напряжение от –50 до 50 мВ

от –55 до 55 мВ

U 0.1

Напряжение от 0 до 1 В

от –0,1 до 1,1 В

U 5

Напряжение от 0 до 5 В

от –0,1 до 5,5 В

U 10

Напряжение от 0 до 10 В

от –1 до 11 В

Примечание

* В данном столбце указаны диапазоны отображения показаний на ЦИ. Диапазон отображения шире, чем диапазон измерения по таблице. Указанные в таблице величины погрешностей приведены для диапазонов измерения.

Список регистров Modbus

Чтение и запись параметров по протоколу Modbus

Операция

Функция

Чтение

0х03 или 0х04

Запись

0х10

Типы доступа: R — только чтение, W — только запись, R/W — чтение и запись.

Общие регистры оперативного обмена

Параметр

Назначение

Адрес регистра (HEX)

Тип доступа

Формат данных

DEVICE

Тип прибора

1000

R

CHAR[8]

VERSION

Версия встраиваемого ПО

1004

R

CHAR[8]

STATUS*

Статус прибора (битовая маска)

1008

R

UINT16

PV1

Входная величина на входе 1 (до функции)

1009

R

FLOAT32

PV2

Входная величина на входе 2 (до функции)

100B

R

FLOAT32

Fun1

Измеренная величина на входе 1 (после функции)

100D

R

FLOAT32

SP1

Уставка регулятора для канала 1

100F

R/W

FLOAT32

SP.cur

Уставка регулятора для канала 2

1011

R

FLOAT32

Out.P

Выходная мощность ВУ1.

1013

R/W

FLOAT32

CtrL**

Режим регулирования

1015

R/W

UINT16

RESET

Удаленная перезагрузка прибора

1016

W

UINT16

Примечание

* Описание битов регистра STATUS:

  • 0 – ошибка на входе 1;

  • 1 – ошибка на входе 2;

  • 2 – ошибка вычисления функции 1;

  • 3 – ошибка вычисления функции 2;

  • 4 – внутренняя ошибка прибора;

  • 5 – срабатывание ВУ1 (только для DO);

  • 6 – срабатывание ВУ2 (только для DO);

  • 7 – включен ручной режим управления;

  • 8 – включен режим СТОП;

  • 9 – обрыв контура регулирования 1;

  • 11 – идет автонастройка ПИД-регулятора;

  • 12

    – успешная автонастройка ПИД-регулятора (сброс при подтв.)
Примечание

** Значения регистра CtrL:

  • 0 – STOP;

  • 1 – RUN;

  • 2 – MAN.

Регистры обмена по протоколу Modbus

Параметр

Назначение

Адрес регистра (HEX)

Тип доступа

Формат данных

Диапазон значений

Вход 1

Fun1

Измеренная величина на входе (после функции)

0000

R

FLOAT32

PV1

Входная величина на входе (до функции)

0002

R

FLOAT32

tYPE

Тип датчика на входе

0004

R/W

UINT16

oFF

0

С 50

1

С 53

2

С100

3

С500

4

С 1.0

5

50 С

6

100С

7

500С

8

1.0 С

9

P 50

10

P100

11

P500

12

P 1.0

13

50 P

14

100P

15

500P

16

1.0 P

17

100n

18

500n

19

1.0 n

20

tC.L

21

tC.HA

22

tC.J

23

tC.n

24

tC.t

25

tC.S

26

tC.r

27

tC.b

28

tC.A1

29

tC.A2

30

tC.A3

31

tC.dL

32

tC.E

33

PIr.1

34

PIr.2

35

PIr.3

36

PIr.4

37

I 0.5

38

I0.20

39

I4.20

40

U-5.5

41

U 0.1

42

U 5

43

U 10

44

FiL.b

Полоса фильтра

0005

R/W

FLOAT32

oFF, DeltaSens*

FiL.t

Постоянная времени фильтра

0007

R/W

UINT16

oFF, 1...999

dPt

Положение десятичной точки

0008

R/W

UINT16

0

0

1

1

2

2

3

3

Auto

4

Ind.L

Нижний порог приведения значения входа

0009

R/W

FLOAT32

–1999...9999

Ind.H

Верхний порог приведения значения входа

000В

R/W

FLOAT32

–1999...9999

FunC

Тип математической функции

000D

R/W

UINT16

oFF

0

SQrt

1

SQri2
SUM3
DIFF4
ASUM5
SQSM6
rAt7

CF.1

Коэффициент 1 взвешенной суммы

000E

R/W

FLOAT32

-100.0...100.0

CF.2

Коэффициент 2 взвешенной суммы

0010

R/W

FLOAT32

-100.0...100.0

dIn.t

Период анализа динамики изменения сигнала

0012

R/W

UINT16

0...30

dIn.d

Дельта динамики сигнала

0013

R/W

FLOAT32

0.2...DeltaSens*

bArr

Подключение барьера искрозащиты

0015

R/W

UINT16

oFF

0

on

1

Cor1.PoInt

Значение точки 1 корректировки входа

0016

R/W

FLOAT32

oFF, SensMin... SensMax*

Cor1.oFFSEt

Смещение для точки 1 корректировки входа

0018

R/W

FLOAT32

oFF, SensMin... SensMax*

Cor1.cLr

Сброс коррекции точки 1

001A

R/W

UINT16

0

0

1

1

Cor2.PoInt

Значение точки 2 корректировки входа

001В

R/W

FLOAT32

oFF, SensMin... SensMax*

Cor2.oFFSEt

Смещение для точки 2 корректировки входа

001D

R/W

FLOAT32

oFF, SensMin... SensMax*

Cor2.cLr

Сброс коррекции точки 2

001F

R/W

UINT16

0

0

1

1

Cor3.PoInt

Значение точки 3 корректировки входа

0020

R/W

FLOAT32

oFF, SensMin... SensMax*

Cor3.oFFSEt

Смещение для точки 3 корректировки входа

0022

R/W

FLOAT32

oFF, SensMin... SensMax*

Cor3.cLr

Сброс коррекции точки 3

0024

R/W

UINT16

0

0

1

1

Вход 2

FUN2

Измеренная величина на Входе (после функции)

0100R

FLOAT32

–9999...9999

PV2

Входная величина на Входе (до функции)

0102R

FLOAT32

–9999...9999

tYPE

Тип датчика на входе

0104

R/W

UINT16

oFF

0

С 50

1

С 53

2

С100

3

С500

4

С 1.0

5

50 С

6

100С

7

500С

8

1.0 С

9

P 50

10

P100

11

P500

12

P 1.0

13

50 P

14

100P

15

500P

16

1.0 P

17

100n

18

500n

19

1.0 n

20

tC.L

21

tC.HA

22

tC.J

23

tC.n

24

tC.t

25

tC.S

26

tC.r

27

tC.b

28

tC.A1

29

tC.A2

30

tC.A3

31

tC.dL

32

tC.E

33

PIr.1

34

PIr.2

35

PIr.3

36

PIr.4

37

I 0.5

38

I0.20

39

I4.20

40

U-5.5

41

U 0.1

42

U 5

43

U 10

44

D.StP

45

D.Man

46

d.BLc

47

PoS.r

48

PoS.I

49

FiL.b

Полоса фильтра

0105

R/W

FLOAT32

oFF, DeltaSens*

FiL.t

Постоянная времени фильтра

0107

R/W

UINT16

oFF, 1...999

dPt

Положение десятичной точки

0108

R/W

UINT16

0

0

1

1

2

2

3

3

Auto

4

Ind.L

Верхний порог приведения значения входа

0109

R/W

FLOAT32

–1999...9999

Ind.H

Нижний порог приведения значения входа

010В

R/W

FLOAT32

–1999...9999

FunC

Тип математической функции

010D

R/W

UINT16

oFF

0

SQrt

1

SQri2
SUM3
DIFF4
ASUM5
SQSM6
rAt7

CF.1

Коэффициент 1 взвешенной суммы

010E

R/W

FLOAT32

-100.0...100.0

CF.2

Коэффициент 2 взвешенной суммы

0110

R/W

FLOAT32

-100.0...100.0

dIn.t

Период анализа динамики изменения сигнала

0112

R/W

UINT16

0...30

dIn.d

Дельта динамики сигнала

0113

R/W

FLOAT32

0.2...DeltaSens*

bArr

Подключение барьера искрозащиты

0115

R/W

UINT16

oFF

0

on

1

Cor1.PoInt

Значение точки 1 корректировки входа

0116

R/W

FLOAT32

oFF, SensMin... SensMax*

Cor1.oFFSEt

Смещение для точки 1 корректировки входа

0118

R/W

FLOAT32

oFF, SensMin... SensMax*

Cor1.cLr

Сброс коррекции точки 1

011A

R/W

UINT16

0

0

1

1

Cor2.PoInt

Значение точки 2 корректировки входа

011В

R/W

FLOAT32

oFF, SensMin... SensMax*

Cor2.oFFSEt

Смещение для точки 2 корректировки входа

011D

R/W

FLOAT32

oFF, SensMin... SensMax*

Cor2.cLr

Сброс коррекции точки 2

011F

R/W

UINT16

0

0

1

1

Cor3.PoInt

Значение точки 3 корректировки входа

0120

R/W

FLOAT32

oFF, SensMin... SensMax*

Cor3.oFFSEt

Смещение для точки 3 корректировки входа

0122

R/W

FLOAT32

oFF, SensMin... SensMax*

Cor3.cLr

Сброс коррекции точки 3

0124

R/W

UINT16

0

0

1

1

Выход 1 (общее)

SP

Уставка регулятора на выходе

0200

R/W

FLOAT32

SP.Lo ... SP.Hi

SP.Lo

Нижняя граница уставки

0202

R/W

FLOAT32

SensMin*...SP.Hi

SP.HI

Верхняя граница уставки

0204

R/W

FLOAT32

SensMin*...SP.Hi

out.P

Положение задвижки0206

R/W

FLOAT32

0...100.0

LbA.t

Время диагностики обрыва контура

0208

R/W

UINT16

oFF

1...9999 с

LbA.b

Ширина зоны диагностики обрыва контура

0209

R/W

FLOAT32

0...DeltaSens*

A.rEC

Автоматическое восстановление после аварии

020B

R/W

UINT16

oFF

–1

0...999 с

bLC.P

Блокировка регулятора при обрыве датчика положения

020C

R/W

UINT16

oFF

0

oN

1

Выход 1 (дискретный)

LoG.d

Тип логики работы ЛУ

0220

R/W

UINT16

oFF

0

H.Pid

4

C.Pid

5

HYSt

Гистерезис

0221

R/W

FLOAT32

0...DeltaSens*

d.on

Задержка включения компаратора

0223

R/W

UINT16

0...250 с

d.oFF

Задержка выключения компаратора

0224

R/W

UINT16

0...250 с

H.oFF

Минимальное время удержания компаратора в состоянии включено

0225

R/W

UINT16

0...250 с

H.oFF

Минимальное время удержания компаратора в состоянии выключено

0226

R/W

UINT16

0...250 с

Cnt.P

Период управляющих импульсов для ручного управления

0227

R/W

UINT16

1...250 с

Выход 1 (аналоговый)

LoG.A

Тип логики работы ЛУ

0260

R/W

UINT16

oFF

0

C.Pid

1

H.Pid

2

out.L

Нижняя граница выходного значения выхода

0263

R/W

FLOAT32

SensMin...SensMax*

out.H

Верхняя граница выходного значения выхода

0265

R/W

FLOAT32

SensMin...SensMax*

Err.A

Безопасное состояние выхода в режиме Авария

0267

R/W

UINT16

HI

0

Lo

1

Выход 1 (ПИД-регулятор)

Pid.P

Полоса пропорциональности ПИД-регулятора

0280

R/W

FLOAT32

0.001...9999

Pid.I

Интегральная постоянная ПИД-регулятора

0282

R/W

UINT16

0..3999 с

Pid.d

Дифференциальная постоянная ПИД-регулятора

0283

R/W

UINT16

0..3999 с

VSP

Скорость изменения уставки ПИД-регулятора

0285

R/W

FLOAT32

oFF...DeltaSens*

d.bnd

Зона нечувствительности ПИД-регулятора

0289

R/W

FLOAT32

0...DeltaSens*

db.d

Минимальный ход для дискретной задвижки

028B

R/W

FLOAT32

0,02..9,99

db.A

Минимальное изменение аналогового ВУ/Минимальный ход для аналоговой задвижки

028D

R/W

FLOAT32

0...100 %

oL.L

Минимальная выходная мощность (нижний предел) ПИД-регулятора

028F

R/W

FLOAT32

0...100.0

oL.H

Максимальная выходная мощность (верхний предел) ПИД-регулятора

0291

R/W

FLOAT32

0...100.0

oL.V

Максимальная скорость изменения выходной мощности ПИД-регулятора

0293

R/W

FLOAT32

0.2..100 %/c

Err.P

Безопасное состояние выхода в режиме Авария

0295

R/W

FLOAT32

0…100 %

StP.P

Состояние выхода в режиме Стоп

0297

R/W

FLOAT32

0…100 %

Err.V

Значение ВУ1 в режиме Авария в случае использования ПИД-регулятора (Дискретная задвижка)

0299

R/W

UINT16

oFF

0

oN

1

HoLd

2

StP.V

Значение ВУ1 в режиме Стоп в случае использования ПИД-регулятора (Дискретная задвижка)

029A

R/W

UINT16

oFF

0

oN

1

HoLd

2

Выход 2 (общее)

FunC

Тип математической функции030B

R/W

UINT16

oFF

0

SQrt

1

SuM

2

diFF

3

ASuM

4

SQSM

5

rAt

6

A.rEC

Автоматическое восстановление после аварии

020B

R/W

UINT16

oFF

–1
0...999

Выход 2 (дискретный)

LoG.d

Тип логики работы ЛУ

0320

R/W

UINT16

oFF

0

ALrM

3

Err.d

Безопасное состояние выхода в режиме Авария

0328

R/W

UINT16

oN

0

oFF

1

Выход 2 (сигнализатор) Log.d = Alrm в группе out.2

A.tYP

Тип логики срабатывания сигнализатора

0340

R/W

UINT16

oFF

0

SP.П

1

SP.u

2

SP.Hi

3

SP.Lo

4

0.П

5

0.u

6

0.Hi

7

0.Lo

8

A.bnd

Порог срабатывания сигнализатора

0341

R/W

FLOAT32

0...DeltaSens*

A.HYS

Гистерезис срабатывания сигнализатора

0343

R/W

FLOAT32

0...DeltaSens*

F.bLC

Блокировка первого срабатывания сигнализатора

0345

R/W

UINT16

oN

0

oFF

1

Выход 2 (аналоговый)

LoG.A

Тип логики работы ЛУ

0360

R/W

UINT16

oFF

0

ConV

3

out.L

Нижняя граница выходного значения ВУ

0363

R/W

FLOAT32

SensMin...SensMax*

out.H

Верхняя граница выходного значения ВУ

0365

R/W

FLOAT32

SensMin...SensMax*

Err.A

Безопасное состояние выхода в режиме Авария

0367

R/W

UINT16

HI

0

Lo

1

Автонастройка ПИД-регулятора

Anr

Автонастройка ПИД-регулятора

02B0

R/W

UINT16

oFF

0

run

1

Индикация

SCr1

Пользовательский экран 1

0400

R/W

UINT16

P1S1

1

P1o1

2

P1D1

3

F1S1

4

F1o1

5

F1D1

6

P2D2

9

F2D2

12

P1P2

13

P1F2

14

F1P2

15

F1F2

16

SCr2

Пользовательский экран 2...6

0401

R/W

UINT16

oFF

P1S1

P1o1

P1D1

F1S1

F1o1

F1D1

P2D2

F2D2

P1P2

P1F2

F1P2

F1F2

0

1

2

3

4

5

6

9

12

13

14

15

16

SCr3

0402

R/W

UINT16

SCr4

0403

R/W

UINT16

SCr5

0404

R/W

UINT16

SCr6

0405

R/W

UINT16

out.S

Настройка вывода параметра мощности

0406

R/W

UINT16

PErC

0

dAC

1

rEt.t

Время автоматического возврата из меню настроек

0407

R/W

UINT16

oFF

0

5

1

10

2

30

3

60

4

CHG.t

Автоматическая смена экранов отображения параметров

0408

R/W

UINT16

oFF

0

5

1

10

2

30

3

60

4

120

5

RS-485

Prot

Протокол связи

0500

R/W

UINT16

rtu

0

ASCI

1

Addr

Адрес прибора в сети Modbus

0501

R/W

UINT16

1...247

bAud

Скорость обмена данными

0502

R/W

UINT16

2,4

0

4,8

1

9,6

2

14,4

3

19,2

4

28,8

5

38,4

6

57,6

7

115,2

8

dPS

Формат посылки данных

0503

R/W

UINT16

8N1

0

8O1

1

8E1

2

8N2

3

8O2

4

8E2

5

7o1

6

7E1

7

7O2

8

7E2

9

IdLE

Задержка ответа от прибора

0504

R/W

UINT16

0...20

b.ord

Порядок байт в регистре

0505

R/W

UINT16

mSb

0

LSb

1

aPLY

Применение текущих настроек порта RS-485

0506

R/W

UINT16

0

0

1

1

Параметры дискретной задвижки**

V.Mot

Полное время хода задвижки

0700

R/W

UINT16

5...999 c

V.GaP

Время выборки люфта задвижки0705

R/W

FLOAT 32

5...10 c

V.rEV

Минимальное время реверса0707

R/W

FLOAT 32

0,5…10,0 c

Меню скрытых параметров

PASS

Пароль доступа к меню

0800

R/W

UINT16

0...9999

Prt.E

Защита от редактирования значений параметров

0801

R/W

UINT16

oFF

0

SETT

1

ALL

2

HidE

3

Atr.E

Включение атрибутов скрытия параметров

0802

R/W

UINT16

oFF

0

on

1

Edit

2

CJS.E

Включение/отключение ДХС

0803

R/W

UINT16

oFF

0

on

1

Примечание

* SensMin – нижняя граница измерения датчика, SensMax – верхняя граница измерения датчика, DeltaSens – диапазон измерения датчика.

** Данные регистры доступны только в модификациях с дискретными ВУ

Предупреждающие сообщения

В данном руководстве применяются следующие предупреждения:

Опасность

Ключевое слово ОПАСНОСТЬ сообщает о непосредственной угрозе опасной ситуации, которая приведет к смерти или серьезной травме, если ее не предотвратить.

Внимание

Ключевое слово ВНИМАНИЕ сообщает о потенциально опасной ситуации, которая может привести к небольшим травмам.

Предупреждение

Ключевое слово ПРЕДУПРЕЖДЕНИЕ сообщает о потенциально опасной ситуации , которая может привести к повреждению имущества.

Примечание

Ключевое слово ПРИМЕЧАНИЕ обращает внимание на полезные советы и рекомендации, а также информацию для эффективной и безаварийной работы оборудования.

Ограничение ответственности

Ни при каких обстоятельствах ООО «Производственное Объединение ОВЕН» и его контрагенты не будут нести юридическую ответственность и не будут признавать за собой какие-либо обязательства в связи с любым ущербом, возникшим в результате установки или использования прибора с нарушением действующей нормативно-технической документации.