Настоящее руководство по эксплуатации предназначено для ознакомления обслуживающего персонала с устройством, принципом действия, конструкцией, технической эксплуатацией и обслуживанием преобразователя частоты векторного VFD1, и в дальнейшем по тексту именуемого «VFD», «ПЧВ» или «прибор».
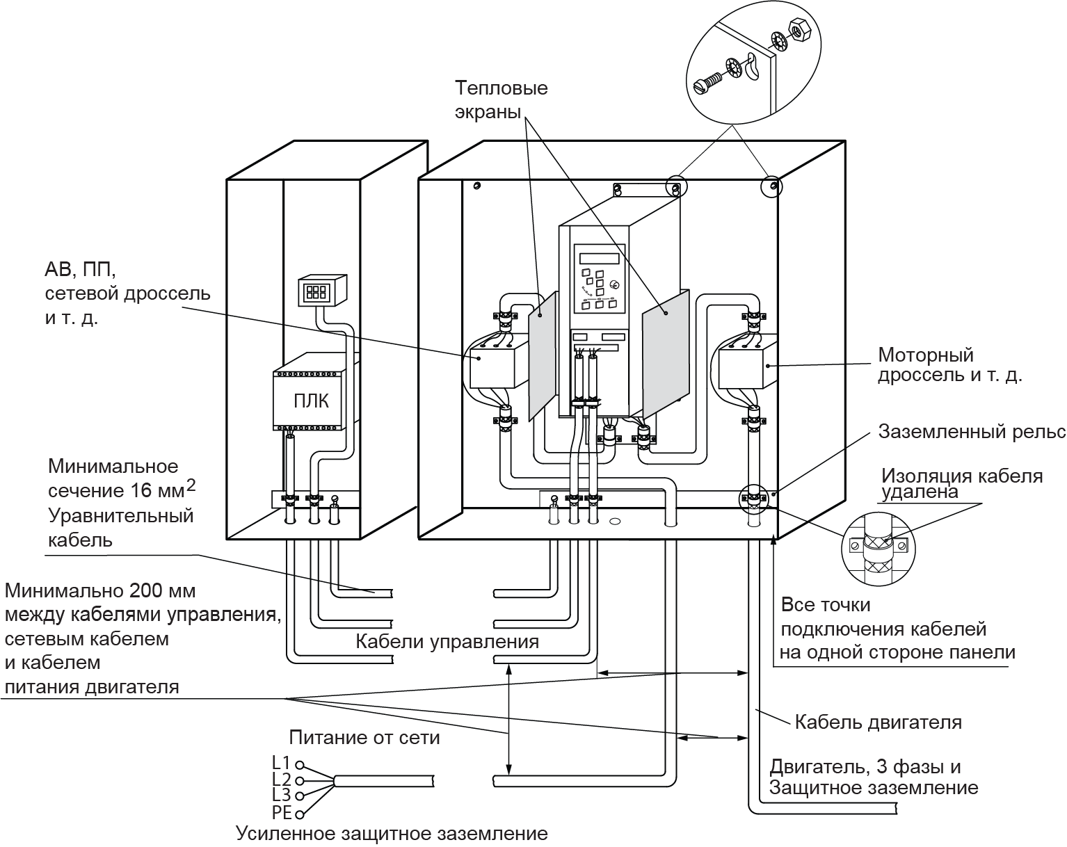
Подключение, настройку и техобслуживание прибора должны производить только квалифицированные специалисты после прочтения настоящего руководства по эксплуатации.
Прибор изготавливается в различных модификациях, указанных в коде полного условного обозначения:

Модификации прибора для заказа
Наименование | Код мощности ПЧВ | Код питающей сети |
|---|---|---|
VFD1 | К75 | A |
В | ||
1К5 | A | |
В | ||
2К2 | A | |
В | ||
4К | В | |
5К5 | В | |
7К5 | В | |
11К | В | |
15К | В | |
18К5 | В | |
22К | В | |
30К | В | |
37К | В | |
45К | В | |
55К | В | |
75К | В | |
90К | В |
Пример:
VFD1-1K5-A-20 – преобразователь частоты векторный номинальной мощностью 1,5 кВт с однофазным напряжением питания от 187 до 253 В переменного тока