| Параметр | ПР102 (обновленный) | ПР102 |
|---|---|---|
| Гальваническая изоляция входов типа «Д»* | Есть | Нет |
| Прочность гальванической изоляции | 510 В | - |
| Запущен в производство | февраль 2024 г. | август 2020 г. |
* Расшифровка буквенных индексов входов приведена в таблице.
| Параметр | ПР102 (обновленный) | ПР102 |
|---|---|---|
| Гальваническая изоляция входов типа «Д»* | Есть | Нет |
| Прочность гальванической изоляции | 510 В | - |
| Запущен в производство | февраль 2024 г. | август 2020 г. |
* Расшифровка буквенных индексов входов приведена в таблице.
Пользователю прибора предоставляется право использования программного обеспечения (ПО) «OWEN CLOUD», предназначенного для удаленной диспетчеризации, мониторинга, аналитики и управления событиями на приборах, выпускаемых ООО «Завод№ 423». Условия использования ПО содержатся в пользовательском лицензионном соглашении, размещенном по адресу: https://web.owencloud.ru/site/agreement.
Срок действия права использования – в соответствии со средним сроком службы соответствующего прибора.
Облачное ПО «OWEN CLOUD» размещено по адресу: https://web.owencloud.ru (для использования требуется отдельная регистрация).
Право использования указанного ПО предоставляется в базовом функционале. Дополнительные функции ПО (при их наличии) предоставляются отдельно в соответствии с пользовательским лицензионным соглашением ПО.
АЦП – аналого-цифровой преобразователь.
Выходной элемент (ВЭ) – элемент схемы прибора, служащий для подключения исполнительных механизмов или коммутации внешнего управляющего сигнала.
Исполнительный механизм (ИМ) – внешнее устройство, функционирующее под управлением прибора.
ОЗУ – оперативное запоминающее устройство, оперативная память.
ПЗУ – постоянное запоминающее устройство, энергонезависимая память.
ПК – персональный компьютер.
ПО – программное обеспечение.
Пользовательская программа – программа, созданная в OwenLogic.
ЦАП – цифро-аналоговый преобразователь.
ШИМ – широтно-импульсная модуляция.
ТС – термометр сопротивления.
Modbus – открытый протокол обмена по сети RS-485, разработан компанией ModiCon, в настоящий момент поддерживается независимой организацией Modbus-IDA (www.modbus.org).
OwenLogic – специализированная среда программирования прибора на основе визуального языка графических диаграмм FBD (Function Block Diagram).
Retain-память – энергонезависимая память для хранения значений Retain-переменных пользовательской программы
.Retain-переменные – переменные пользовательской программы, значение которых сохраняется в случае выключения питания прибора.
РТС датчики – (Positive Temperature Coefficient – положительный температурный коэффициент) это термисторы с положительным температурным коэффициентом сопротивления.
NТС датчики – (Negative Temperature Coefficient – отрицательный температурный коэффициент) это термисторы с отрицательным температурным коэффициентом сопротивления.
Настоящее Руководство по эксплуатации предназначено для ознакомления обслуживающего персонала с устройством, принципом действия, конструкцией, технической эксплуатацией и обслуживанием устройства управляющего многофункционального ПР102, в дальнейшем по тексту именуемых «прибор» или «ПР102».
Подключение, настройка и техобслуживание прибора должны производиться только квалифицированными специалистами после прочтения настоящего руководства по эксплуатации.
Функциональные возможности прибора могут быть расширены с помощью модулей расширения (подключаются к интерфейсу модульной шины с помощью кабеля, см. раздел):
ПРМ-X.1 – модуль дискретного ввода-вывода;
ПРМ-X.2 – комбинированный модуль расширения входов-выходов;
ПРМ-X.3 – модуль аналогового ввода-вывода;
ПРМ-X.4 – модуль дискретного ввода;
ПРМ-X.5 – модуль дискретного вывода;
ПРМ-X.6 – модуль дискретного ввода-вывода.
Прибор изготавливается в различных модификациях, указанных в коде полного условного обозначения:

Расшифровка буквенных индексов входов и выходов приведена в таблице.
Пример наименования при заказе: ПР102-24.2416.06.
Приведенное условное обозначение указывает, что изготовлению и поставке подлежит устройство управляющее многофункциональное ПР102, работающее при номинальном напряжении питания 24 В постоянного тока, оснащенное:
Прибор предназначен для построения простых автоматизированных систем управления технологическим оборудованием в промышленности, жилищно-коммунальном и сельском хозяйстве.
Прибор программируется в OwenLogic.
Прибор выпускается согласно ТУ 26.51.70-025-46526536-2018.
Функции прибора:
обработка входных сигналов от датчиков;
| Модификация | Тип питания | Входы | Выходы | Количество RS-485 | ||
|---|---|---|---|---|---|---|
| Дискретные | Аналоговые | Дискретные | Аналоговые | |||
ПР102-230.2416.01.1 | ~230 В | 24 ДФ* | — | 16 Р | — | 1 |
ПР102-230.2416.01.2 | ~230 В | 24 ДФ | — | 16 Р | — | 2 |
| ПР102-230.2416.11.1 | ~230 В | 24 ДФ | — | 16 K | — | 1 |
| ПР102-230.2416.11.2 | ~230 В | 24 ДФ | — | 16 K | — | 2 |
ПР102-24.2416.03.1 | =24 В | 16 Д | 8 ДАТ | 16 Р | — | 1 |
ПР102-24.2416.03.2 | =24 В | 16 Д | 8 ДАТ | 16 Р | — | 2 |
ПР102-24.2416.06.1 | =24 В | 16 Д | 8 ДАТ | 14 Р | 2 АУ | 1 |
ПР102-24.2416.06.2 | =24 В | 16 Д | 8 ДАТ | 14 Р | 2 АУ | 2 |
ПР102-24.2416.13.1 | =24 В | 16 Д | 8 ДАТ | 16 К | — | 1 |
ПР102-24.2416.13.2 | =24 В | 16 Д | 8 ДАТ | 16 К | — | 2 |
ПР102-24.2416.16.1 | =24 В | 16 Д | 8 ДАТ | 14 К | 2 АУ | 1 |
ПР102-24.2416.16.2 | =24 В | 16 Д | 8 ДАТ | 14 К | 2 АУ | 2 |
* Расшифровка обозначений приведена в таблице. | ||||||
| Тип | Таблица характеристик |
|---|---|
| Характеристики приборов с питанием 230 В | таблица |
| Характеристики приборов с питанием 24 В | таблица |
| Дискретный вход для сигналов ~230 В (вход типа «ДФ») | таблица |
| Дискретный вход для сигналов =24 В (вход типа «Д») | таблица |
| Универсальный аналоговый вход (вход типа «ДАТ») | таблица |
| Дискретный выход типа «электромагнитное реле» (выход типа «Р») | таблица |
| Дискретный выход типа «транзисторная оптопара» (выход типа «К») | таблица |
| Универсальный аналоговый выход типа «ток 4...20 мА/напряжение 0...10 В» (выход типа «АУ») | таблица |
Наименование | Значение | ||
|---|---|---|---|
Диапазон переменного напряжения питания | 90…264 В (номинальное 230 В, при 50 Гц) | ||
Диапазон постоянного напряжения питания | 127...373 В (номинальное 230 В) | ||
Гальваническая развязка | Есть | ||
Электрическая прочность изоляции между входом питания и другими цепями | 2300 В | ||
Потребляемая мощность, не более | 15 ВА | ||
Наименование | Значение | |||
|---|---|---|---|---|
Диапазон напряжения питания | =9…30 В (номинальное =24 В) | |||
| Защита от подключения питания неправильной полярности | Есть | |||
Потребляемая мощность, не более | 8 Вт | |||
| Параметр | Значение | |||
|---|---|---|---|---|
Вычислительные ресурсы и дополнительное оборудование | ||||
Наименование | Значение | |||
Минимальное время цикла (зависит от сложности программы) | 1 мс | |||
Объем памяти для сетевых переменных: | ||||
режим Slave | 128 байт | |||
режим Master | 128 байт | |||
Встроенные часы реального времени | Да | |||
Точность работы встроенных часов прибора при +25 °С | ± 3 с/сутки | |||
Время автономной работы часов от сменного элемента питания | 5 лет | |||
Элемент питания встроенных часов реального времени | CR2032 | |||
Программирование | ||||
Среда программирования | OwenLogic | |||
Объем Retain памяти | 1016 байт | |||
Объем ПЗУ | 128 кбайт | |||
Объем ОЗУ | 32 кбайт | |||
Интерфейс программирования | USB | |||
Интерфейсы связи | ||||
Тип и количество сетевых интерфейсов | ||||
Протокол связи | Modbus-RTU, Modbus-ASCII | |||
Режим работы | Master/Slave | |||
Скорость передачи данных | 9600, 14400, 19200, 38400, 57600, 115200 бит/с | |||
Электрическая прочность изоляции между RS-485 и другими цепями | 1500 В | |||
| Индикация и управление | ||||
| Элементы индикации и управления | см. раздел | |||
Конструкция | ||||
Тип корпуса | Для крепления на DIN-рейку (35 мм) | |||
Габаритные размеры | 123 × 90 × 58 мм | |||
Степень защиты корпуса по | IP20 | |||
Масса прибора, не более (для всех вариантов исполнений) | 0,6 кг | |||
Средний срок службы | 8 лет | |||
Наименование | Значение |
|---|---|
Напряжение «логической единицы» | 164…264 В |
Ток «логической единицы» | 0,75…15 мА |
Напряжение «логического нуля» | 0…40 В |
Ток «логического нуля» | 0…15 мА |
Минимальная длительность импульса, воспринимаемая дискретным входом | 25 мс |
Максимальное время реакции на событие по дискретному входу | 50 мс |
Максимальная частота следования импульсов | 10 Гц |
Гальваническая развязка | Групповая, по 4 входа |
Электрическая прочность изоляции между группами каналов | 1780 В |
Электрическая прочность изоляции относительно других цепей прибора | 2300 В |
Наименование | Значение |
|---|---|
Напряжение «логической единицы» | 8,5…30 В |
Ток «логической единицы» | 2…15 мА |
Напряжение «логического нуля» | минус 3…плюс 5 В |
Ток «логического нуля» | 0…15 мА |
Минимальная длительность импульса, воспринимаемая дискретным входом | 5 мс |
Максимальное время реакции на событие по дискретному входу | 30 мс |
Максимальная частота следования импульсов (зависит от времени цикла программы) | 200 Гц |
Гальваническая развязка | Групповая, по 4 входа |
Электрическая прочность изоляции относительно других цепей прибора | 510 В |
| Защита от подключения питания неправильной полярности | Есть |
Наименование | Значение |
|---|---|
| Разрешающая способность АЦП | 12 бит |
Период обновления результатов измерения восьми каналов, мс, не более | 1 |
Гальваническая развязка | Отсутствует |
| Режим аналогового входа 1 (сигналы тока и напряжения) | |
Тип измеряемых сигналов, униполярный | 0…10 В, 4…20 мА |
Предел основной приведенной погрешности | ± 0,5 % |
Дополнительная приведенная погрешность, вызванная изменением температуры окружающей среды в пределах рабочего диапазона, на каждые 10 градусов | 0,5 от основной |
Входное сопротивление для режима 0…10 В, не менее | 10 кОм |
| Режим аналогового входа 2 (сопротивление и термисторы) | |
| Диапазон измерения | 0…300 кОм |
Значение единицы младшего разряда, не более | 1 °С |
Предел основной приведенной погрешности для сопротивлений 0...150 кОм, не более | ± 1,0 % |
Предел основной приведенной погрешности для сопротивлений 150...300 кОм, не более | ± 2,0 % |
Предел основной приведенной погрешности для ТС и датчиков NTC и PTC, не более | ± 1,5 % |
Дополнительная приведенная погрешность, вызванная изменением температуры окружающей среды в пределах рабочего диапазона, на каждые 10 градусов | 0,5 от основной |
Режим дискретного входа | |
| Порог переключения входа из состояния «логическая единица» в состояние «логический ноль» | 1...8 В (устанавливается в OwenLogic) |
| Порог переключения входа из состояния «логический ноль» в состояние «логическая единица» | 2...9 В (устанавливается в OwenLogic) |
| Входной ток в режиме дискретного входа | 2…15 мА |
| Минимальная длительность импульса, воспринимаемая дискретным входом (постоянный ток) | 5 мс |
| Максимальная частота сигнала, воспринимаемая дискретным входом постоянного тока | 100 Гц |
Наименование | Диапазон измерений |
|---|---|
| Сигнал постоянного напряжения | 0...10 В |
| Сигнал постоянного тока | 4...20 мА |
| Резистивный сигнал* | 0...300 кОм |
*С резистивным сигналом
прибор работает как омметр, диапазон которого пользователь не может
задать. | |
Наименование датчика по ГОСТ 6651–2009 | Наименование датчика в OwenLogic | Диапазон температур |
|---|---|---|
Pt 500 (α = 0,00385 °С−1)* | Pt500 (а = 0,00385) | –200…+850 °С |
500П (α = 0,00391 °С−1) | 500П (а = 0,00391) | –200…+850 °С |
Cu 500 (α = 0,00426 °С−1) | Cu500 (а = 0,00426) | –50...+200 °С |
500М (α = 0,00428 °С−1) | 500М (а = 0,00428) | –180...+200 °С |
Ni500 (α = 0,00617 °С−1) | Ni 500 (а = 0,00617) | –60...+180 °С |
Cu 1000 (α = 0,00426 °С−1) | Cu1000 (а = 0,00426) | –50...+200 °С |
1000М (α = 0,00428 °С−1) | 1000М (а = 0,00428) | –180...+200 °С |
Pt 1000 (α = 0,00385 °С−1) | Pt1000 (а = 0,00385) | –200...+850 °С |
1000П (α = 0,00391 °С−1) | 1000П (а = 0,00391) | –200...+850 °С |
Ni 1000 (α = 0,00617 °С−1) | Ni 1000 (а = 0,00617) | –60...+180 °С |
* Коэффициент, определяемый
по формуле | ||
Наименование датчика | Наименование датчика в OwenLogic | Диапазон температур |
|---|---|---|
Серия B57861S, характеристика № 1008, R25 = 2 кОм | NTC1008, R25 = 2 кОм, В25/100 = 3560 | –55…+100 °С |
Серия B57861S, характеристика № 8016, R25 = 3 кОм | NTC8016, R25 = 3 кОм, В25/100 = 3988 | –55…+125 °С |
Серия B57861S, характеристика № 8016, R25 = 5 кОм | NTC8016, R25 = 5 кОм, В25/100 = 3988 | –35…+140 °С |
Серия B57861S, характеристика № 8016, R25 = 10 кОм | NTC8016, R25 = 10 кОм, В25/100 = 3988 | –35…+155 °С |
Серия B57861S, характеристика № 8018, R25 = 30 кОм | NTC8018, R25 = 30 кОм, В25/100 = 3964 | –20…+155 °С |
Серия B57861S, характеристика № 2901, R25 = 50 кОм | NTC2901, R25 = 50 кОм, В25/100 = 3760 | –10…+155 °С |
NTC3435, 10 кОм | NTC3435, R25 = 10 кОм, В25/85 = 3435 | –40…+105 °С |
NTC3977, 10 кОм | NTC3977, R25 = 10 кОм, В25/85 = 3977 | –40…+125 °С |
Наименование датчика | Наименование датчика в OwenLogic | Диапазон температур |
|---|---|---|
KTY82-110 | KTY82-110 | –55…+150 °С |
KTY82-120 | KTY82-120 | –55…+150 °С |
KTY82-121 | KTY82-121 | –55…+150 °С |
KTY82-122 | KTY82-122 | –55…+150 °С |
KTY82-150 | KTY82-150 | –55…+150 °С |
KTY82-151 | KTY82-151 | –55…+150 °С |
| Наименование | Значение |
|---|---|
Тип выходного устройства | Электромагнитное реле (нормально разомкнутые контакты) |
Электрическая прочность изоляции между выходом и другими цепями |
|
Коммутируемое напряжение в нагрузке: | |
| 30 В (резистивная нагрузка) |
| 250 В (резистивная нагрузка) |
Допустимый ток нагрузки, не более |
|
Допустимый ток нагрузки, не менее | 10 мА (при 5 В постоянного тока) |
Электрический ресурс реле, не менее |
|
Наименование | Значение |
|---|---|
Тип выходного устройства | Оптопара транзисторная n-p-n-типа |
Тип коммутируемого сигнала | Постоянный ток |
Электрическая прочность изоляции: между выходом и другими цепями между группами выходов | 740 В 740 В |
Коммутируемое напряжение в нагрузке, постоянного тока, не более | 60 В |
Допустимый ток нагрузки, не более | 0,2 А |
Наименование | Значение |
|---|---|
Тип аналогового выхода | Универсальный (ток или напряжение) |
Разрядность ЦАП | 12 бит |
Напряжение питания | 15…30 В |
Диапазон генерации тока | 4…20 мА |
Диапазон генерации напряжения | 0…10 В |
| Сопротивление нагрузки для режима: | |
| 4...20 мА | 0...300 Ом |
| 0...10 В | 1...20 кОм |
Предел основной приведенной погрешности | ± 0,5 % |
Дополнительная приведенная погрешность, вызванная изменением температуры окружающей среды в пределах рабочего диапазона, на каждые 10 градусов | 0,5 от основной |
Гальваническая развязка | Есть (индивидуальная) |
Электрическая прочность изоляции | 510 В |
Прибор предназначен для эксплуатации в следующих условиях:
По устойчивости к климатическим воздействиям во время эксплуатации
прибор соответствует
По устойчивости к механическим воздействиям во время эксплуатации
прибор соответствует
По устойчивости к воздействию атмосферного давления прибор соответствует
Прибор отвечает требованиям по устойчивости к воздействию помех
в соответствии с
По уровню излучения радиопомех (помехоэмиссии) прибор соответствует
Прибор устойчив к прерываниям, провалам и выбросам напряжения питания:
для переменного тока в соответствии с требованиями ГОСТ IEC 61131–2–2012;
для постоянного тока в соответствии с требованиями ГОСТ IEC 61131–2–2012 – для напряжения 24В +20 % / –15 % выдерживает прерывания до 10 мс включительно, длительность интервалов между прерываниями напряжения питания от 1 с и более;
при питании от пониженного постоянного напряжения (9 В) выдерживает провалы длительностью до 1 мс.
По способу защиты обслуживающего персонала от поражения электрическим
током ПР102-230.Х относится к классу
II, а ПР102-24.Х к классу III
Во время эксплуатации и технического обслуживания прибора следует соблюдать требования ГОСТ 12.3.019–80, «Правил технической эксплуатации электроустановок потребителей электрической энергии» и «Правил охраны труда при эксплуатации электроустановок».
Во время эксплуатации прибора открытые контакты клеммника находятся под опасным для жизни напряжением. Прибор следует устанавливать в специализированных шкафах, доступных только квалифицированным специалистам.
Любые подключения к прибору и работы по его техническому обслуживанию следует производить только при отключенном питании прибора и подключенных к нему устройств.
Не допускается попадание влаги на контакты выходного разъема и внутренние электроэлементы прибора. Прибор запрещено использовать в агрессивных средах с содержанием в атмосфере кислот, щелочей, масел и т. п.
Для ввода в эксплуатацию прибора следует:
Соединить ПК и прибор с помощью USB кабеля.
Подсоединить источник питания к съемному клеммнику.
Перед подачей питания на ПР102-230.Х следует проверить уровень напряжения питания. Если напряжение выше 264 В, то прибор может выйти из строя.
Перед подачей питания на ПР102-24.Х следует проверить правильность подключения напряжения питания и его уровень:
в случае неверного подключения к источнику постоянного напряжения (перепутана полярность) прибор не включится.
Съемный клеммник подключить к прибору.
В случае изменения температуры окружающего воздуха с низкой на высокую в приборе возможно образование конденсата. Чтобы избежать выхода прибора из строя рекомендуется выдержать прибор в выключенном состоянии не менее 1 часа.
Подать питание на прибор.
Убедиться в отсутствии системных ошибок (см. раздел).
Запустить OwenLogic и настроить часы.
Снять питание и отключить USB кабель.
Подключить провод USB и подать питание. Проверить время/дату. В случае сброса часов заменить батарейку (см. раздел). Если часы работают корректно, то обесточить прибор.
Настроить входы и выходы. Если требуется, настроить сетевые интерфейсы.
Создать пользовательскую программу OwenLogic и записать ее в память прибора. Пользовательская программа записывается в энергонезависимую память прибора и запускается после включения питания или перезагрузки прибора.
Снять питание.
Подсоединить линии связи «прибор – устройства» съемным клеммникам.
Съемные клеммники подключить к прибору (см. Приложение Описание клеммников).
Если после включения питания пользовательская программа не начала выполняться, необходимо повторно записать пользовательскую программу в прибор. Если пользовательскую программу не удалось записать, то следует остановить программу, переведя переключатель Работа/Стоп в положение Стоп (см. раздел).
Меню настройки универсальных входов расположено в OwenLogic во вкладке Прибор/Настройка прибора (см. рисунок).

Для выбора типа сигнала датчика следует задать параметр «Тип датчика аналогового входа» в OwenLogic.
| Название | Описание |
|---|---|
| Режим работы входа | Позволяет выбрать между двумя режимами работы: аналоговый или дискретный |
| Аналоговый режим | |
| Тип датчика аналогового входа | Выбор типа входного сигнала:
|
| Постоянная времени фильтра | Постоянная времени фильтрации встроенного сглаживающего цифрового фильтра. Увеличение значения параметра улучшает помехозащищенность канала, но одновременно увеличивает его инерционность, т. е. реакция прибора на быстрые изменения входной величины замедляется |
| Смещение десятичной точки | Смещение десятичной точки при опросе по протоколу Modbus |
| Нижняя граница измерения | Минимальный уровень измеренного сигнала |
| Верхняя граница измерения | Максимальный уровень измеренного сигнала |
| Дискретный режим | |
| Уровень переключения в “0” | Задает верхнюю границу определения «логического нуля» |
| Уровень переключения в “1” | Задает нижнюю границу определения «логической единицы» |
Для измерения токового сигнала 4...20 мА в прибор встроен шунтирующий резистор с номинальным сопротивлением 121 Ом для каждого канала. В приборе масштабируются шкалы измерения для каналов «0…10 В» и «4…20 мА», после чего контролируемые физические величины отображаются непосредственно в единицах их измерения (атмосферах (кг/см2), кПа и т. д.). Для каждого такого датчика следует установить диапазон измерения:
нижняя граница диапазона измерения задается параметром Нижняя граница измерения и соответствует минимальному уровню выходного сигнала датчика;
верхняя граница диапазона измерения задается параметром Верхняя граница измерения и соответствует максимальному уровню выходного сигнала датчика.
Для сигнала 4…20 мА параметр Смещение десятичной точки используется в обмене по протоколу Modbus и определяет точность передаваемого значения в формате целого числа.
Используется датчик с выходным током 4…20 мА, контролирующий давление в диапазоне 0…25 атм, в параметре «нижняя граница измерения» задается значение «0,00», а в параметре «верхняя граница измерения» — значение «25,00» (см. рисунок). Теперь значения на аналоговом входе будут измеряться в атмосферах.

Значения в приборе представлены в абсолютном виде (float32). Сопротивление измеряется по двухпроводной схеме, поэтому во время подключения датчиков сопротивление проводов вносит дополнительную погрешность измерения. Размер дополнительной погрешности зависит от длины и типа проводов подключаемого датчика. Коррекцию дополнительной погрешности следует предусмотреть в пользовательской программе.
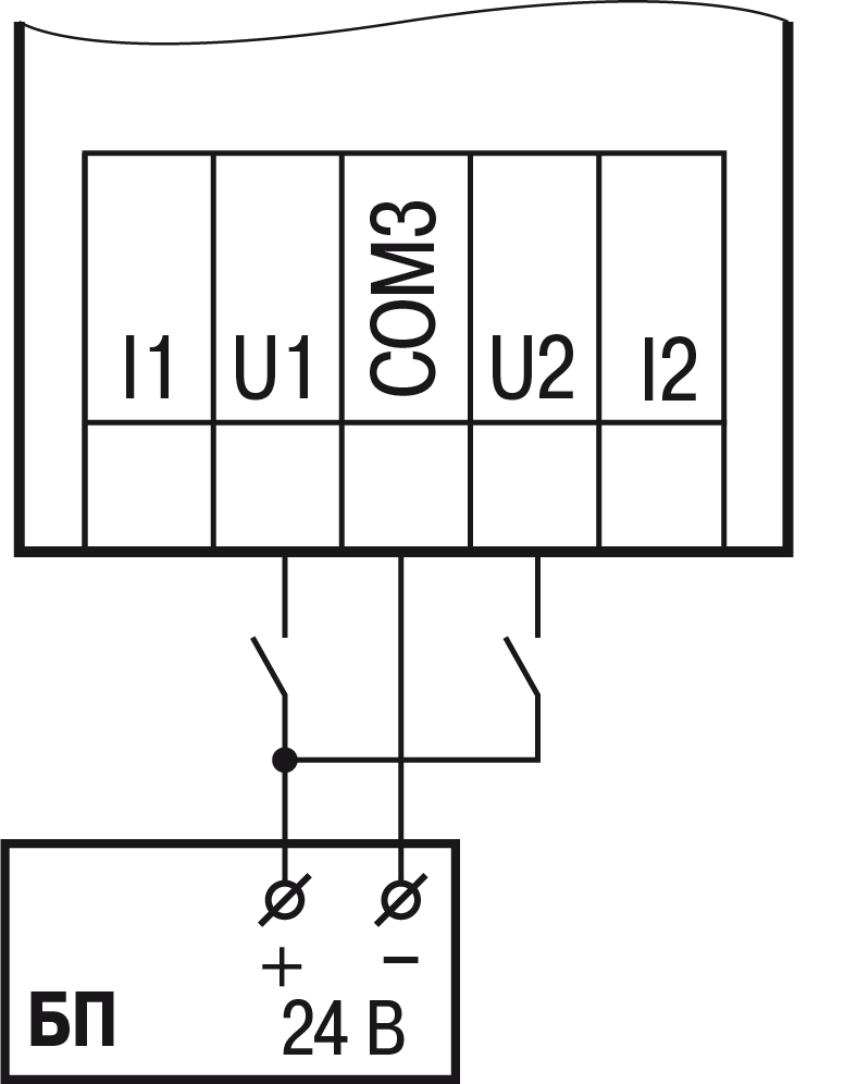
Вход работает в режиме компаратора. Минимальный уровень «логического нуля» — 0 В, максимальный уровень «логической единицы» 30 В (см. рисунок).

Чтобы избежать неоднозначности определения состояния входа, следует устанавливать параметр Уровень переключения в “1” больше параметра Уровень переключения в “0”, как минимум, на 0,5 В.
Если входное напряжение попадает в диапазон dU (см. рисунок), то состояние входа не меняется.
Условия изменения состояния входа:
состояние входа изменится с «0» на «1» только когда входное напряжение достигнет «минимального уровня логической единицы» (в настройках OwenLogic это параметр Уровень переключения в “1”);
состояние входа изменится с «1» на «0» только когда входное напряжение достигнет «максимального уровня логического нуля» (в настройках OwenLogic это параметр Уровень переключения в “0”).
Универсальный вход в аналоговом режиме поддерживает диагностику ошибок подключенного датчика. Описание ошибок приведено в таблице ниже.
Тип датчика аналогового входа | Значение на входе после обработки | Описание аварии |
|---|---|---|
0…300 кОм | 99 999 999 | Обрыв линии связи с датчиком |
Для датчиков ТСП, ТСМ, ТСН, NTC и PTC | 9999 | Вычисленное значение больше верхней границы измерения датчика |
–9999 | Вычисленное значение меньше нижней границы измерения датчика | |
Для датчиков «0…10 В» и «4…20 мА» аварии не диагностируются. | ||
Для модификаций прибора с питанием =24 В у дискретных входов есть настройка «Фильтр дребезга контактов».

| Название | Описание |
|---|---|
| Фильтр дребезга контактов | Задает значение сглаживающего фильтра дребезга контактов. Увеличение значения параметра улучшает помехозащищенность канала, но одновременно увеличивает его инерционность, т. е. реакция прибора на быстрые изменения входной величины замедляется |

| Название | Описание |
|---|---|
| Режим работы | Режим работы выхода:
|
| Период ШИМ | Период следования импульсов, формируемых выходом |
| Минимальный импульс ШИМ | Задает минимальное время между любыми соседними фронтами импульсов (минимальная длительность включенного и выключенного состояний выхода). Следует задавать большим, чем время срабатывания подключенного к нему ИМ |
В режиме ШИМ на ВЭ типа «К» следует подавать значение в формате «с плавающей запятой» (float32) в диапазоне от 0,0 до 1,0. Если значение поданное на вход:
меньше нуля или равное нулю — выход выключен;
в диапазоне от нуля до единицы — скважность ШИМ;
больше или равно единицы — выход включен.

| Название | Описание |
|---|---|
| Тип выходного сигнала | Определяет тип выходного сигнала:
|
Для управления выходным элементом аналогового типа следует подавать значение в формате «с плавающей запятой» (float32) в диапазоне от 0,0 до 1,0.
Во время подачи на выход значения «0,5», выходной ток будет равен 12 мА для работы в режиме 4…20 мА.
Во время подачи на выход значения «0,5», выходное напряжение будет равно 5 В для работы в режиме 0…10 В.
В приборе, в зависимости от модификации, устанавливается до двух интерфейсов RS-485 для организации работы по стандартному протоколу Modbus.
Для работы прибора по RS-485 следует настроить режим и параметры обмена в OwenLogic.
Прибор работает по протоколу Modbus по одному режимов обмена данными: Modbus-RTU (Master/Slave) или Modbus-ASCII (Master/Slave).
В настройках прибора в OwenLogic выбирается режим работы Master/Slave, а подтягивающие резисторы линий связи A и B подключаются/отключаются автоматически.
Подтягивающие резисторы устанавливаются для задания определенного состояния линий связи, когда в сети RS-485 нет передачи. Резисторы устанавливаются в одном месте сети RS-485, как правило, возле Мастера. Если прибор настроен на работу в режиме Master, то рекомендуется подключить подтягивающие резисторы, если в режиме Slave – отключить.
На линии связи допускается наличие только одного устройства в режиме Master.
В режиме Master прибор поддерживает следующие возможности:
Прибор поддерживает управление до 16 устройствами по каждому интерфейсу связи. Каждое устройство поддерживает до 256 переменных. Допускается использование одинаковых адресов и имен переменных для каждого устройства.
Объем памяти под сетевые переменные в режиме Master — 128 байт.
Прибор работает по протоколу Modbus по одному из режимов обмена данными: Modbus-RTU (Slave) или Modbus-ASCII (Slave). Прибор автоматически распознает режим обмена.
Прибор в режиме Slave поддерживает следующие функции:
запись значений в несколько регистров хранения и флагов;
Регистры прибора, доступные по протоколу Modbus, приведены в разделе .
Объем памяти под сетевые переменные в режиме Slave — 128 байт.
Функции чтения:
0х01 (read coil status);
0x02 (read multiple registers);
0х03 (read holding registers);
0х04 (read input registers).
Функции записи:
0х05 (force single coil);
0х06 (preset single register);
0х10 (preset multiple registers);
0x0F (force multiple coils).
Параметры битовой маски могут читаться функциями 0х03 и 0х01. В случае использования функции 0x01 номер регистра следует умножить на 16 и прибавить номер бита.
Поддерживаемые типы данных:
int16 — беззнаковое целое (2 байта), на каждый параметр отводится один регистр Modbus;
float32 — с плавающей точкой (4 байта), занимает два соседних регистра Modbus. Передача числа осуществляется младшим регистром вперед (little-endian)
;bit — булевский тип, занимает один бит.
Типы доступа: R — только чтение, RW — чтение/запись.
Прибор | Параметр | Тип переменой (тип функции Modbus) | Адреса регистров Modbus (hex) | Адреса регистров Modbus (dec) | Тип доступа |
|---|---|---|---|---|---|
Входы | |||||
ПР102-24.2416.03.X, ПР102-24.2416.06.X, ПР102-24.2416.13.X, ПР102-24.2416.16.X | Дискретные входы типа «Д» (входы DI1...DI16) | bit (01, 02) | 1000–100F | 4096–4111 | R |
int16 (03, 04) | 100 | 256 | R | ||
ПР102-230.2416.01.X, ПР102-230.2416.11.X | Дискретные входы типа «ДФ» (входы DI1...DI24) | bit (01, 02) | 1000–1017 | 4096–4119 | R |
int16 (03, 04) | 100–101 | 256–257 | R | ||
ПР102-24.2416.03.X, ПР102-24.2416.06.X, ПР102-24.2416.13.X, ПР102-24.2416.16.X | Аналоговый вход № 1 (число с плавающей точкой) | float32 (03, 04) | B00, B01 | 2816, 2817 | R |
Аналоговый вход № 2 (число с плавающей точкой) | float32 (03, 04) | B02, 0B03 | 2818, 2819 | R | |
Аналоговый вход № 3 (число с плавающей точкой) | float32 (03, 04) | B04, B05 | 2820, 2821 | R | |
Аналоговый вход № 4 (число с плавающей точкой) | float32 (03, 04) | B06, B07 | 2822, 2823 | R | |
Аналоговый вход № 5 (число с плавающей точкой) | float32 (03, 04) | B08, B09 | 2824, 2825 | R | |
Аналоговый вход № 6 (число с плавающей точкой) | float32 (03, 04) | B0A, B0B | 2826, 2827 | R | |
Аналоговый вход № 7 (число с плавающей точкой) | float32 (03, 04) | B0C, B0D | 2828, 2829 | R | |
Аналоговый вход № 8 (число с плавающей точкой) | float32 (03, 04) | B0E, B0F | 2830, 2831 | R | |
Аналоговый вход № 1 (целое число = результат измерения × 10dp) | int16 (03, 04) | B80 | 2944 | R | |
Аналоговый вход № 2 (целое число = результат измерения × 10dp) | int16 (03, 04) | B81 | 2945 | R | |
Аналоговый вход № 3 (целое число = результат измерения × 10dp) | int16 (03, 04) | B82 | 2946 | R | |
Аналоговый вход № 4 (целое число = результат измерения × 10dp) | int16 (03, 04) | B83 | 2947 | R | |
Аналоговый вход № 5 (целое число = результат измерения × 10dp) | int16 (03, 04) | B84 | 2948 | R | |
Аналоговый вход № 6 (целое число = результат измерения × 10dp) | int16 (03, 04) | B85 | 2949 | R | |
Аналоговый вход № 7 (целое число = результат измерения × 10dp) | int16 (03, 04) | B86 | 2950 | R | |
Аналоговый вход № 8 (целое число = результат измерения × 10dp) | int16 (03, 04) | B87 | 2951 | R | |
Смещение десятичной точки № 1 (dp) | int16 (03, 04) | BC0 | 3008 | R | |
Смещение десятичной точки № 2 (dp) | int16 (03, 04) | BC1 | 3009 | R | |
Смещение десятичной точки № 3 (dp) | int16 (03, 04) | BC2 | 3010 | R | |
Смещение десятичной точки № 4 (dp) | int16 (03, 04) | BC3 | 3011 | R | |
Смещение десятичной точки № 5 (dp) | int16 (03, 04) | BC4 | 3012 | R | |
Смещение десятичной точки № 6 (dp) | int16 (03, 04) | BC5 | 3013 | R | |
Смещение десятичной точки № 7 (dp) | int16 (03, 04) | BC6 | 3014 | R | |
Смещение десятичной точки № 8 (dp) | int16 (03, 04) | BC7 | 3015 | R | |
Аналоговый вход AI1 в режиме дискретного | bit (01, 02) | 1010 | 4112 | R | |
Аналоговый вход AI2 в режиме дискретного | bit (01, 02) | 1011 | 4113 | R | |
Аналоговый вход AI3 в режиме дискретного | bit (01, 02) | 1012 | 4114 | R | |
Аналоговый вход AI4 в режиме дискретного | bit (01, 02) | 1013 | 4115 | R | |
Аналоговый вход AI5 в режиме дискретного | bit (01, 02) | 1014 | 4116 | R | |
Аналоговый вход AI6 в режиме дискретного | bit (01, 02) | 1015 | 4117 | R | |
Аналоговый вход AI7 в режиме дискретного | bit (01, 02) | 1016 | 4118 | R | |
Аналоговый вход AI8 в режиме дискретного | bit (01, 02) | 1017 | 4119 | R | |
Выходы | |||||
ПР102-230.2416.01.X, ПР102-24.2416.03.X | Дискретные выходы типа «Р» (Q1…Q16) и светодиоды (F1, F2) | bit (01, 02, 05, 0F) | 0–11 | 0–17 | RW** |
int16 (03, 04, 06, 10) | 0–1 | 0–1 | RW** | ||
ПР102-230.2416.11.X, ПР102-24.2416.13.X | Светодиоды (F1, F2) и выходы типа «К» в дискретном режиме (К1…К16) | bit (01, 02, 05, 0F) | 0–11 | 0–17 | RW** |
int16 (03, 04, 06, 10) | 0–1 | 0–1 | RW** | ||
ПР102-24.2416.06.X | Дискретные выходы типа «Р» (Q1…Q14) и светодиоды (F1, F2) | bit (01, 02, 05, 0F) | 0–0F | 0–15 | RW** |
int16 (03, 04, 06, 10) | 0 | 0 | RW** | ||
ПР102-24.2416.16.X | Светодиоды (F1, F2) и выходы типа «К» в дискретном режиме (К1…К14) | bit (01, 02, 05, 0F) | 0–0F | 0–15 | RW** |
int16 (03, 04, 06, 10) | 0 | 0 | RW** | ||
ПР102-24.2416.06.X | Аналоговый выход AO1 (число с плавающей точкой, 0,0–1,0) | float32 (03, 04) | A00, A01 | 2560, 2561 | RW** |
Аналоговый выход AO2 (число с плавающей точкой, 0,0–1,0) | float32 (03, 04) | A02, A03 | 2562, 2563 | RW** | |
Аналоговый выход AO1 (целое число, 0–10000)* | int16 (03, 04) | A80 | 2688 | RW** | |
Аналоговый выход AO2 (целое число, 0–10000)* | int16 (03, 04) | A81 | 2689 | RW** | |
ПР102-24.2416.16.X | Аналоговый выход AO1 (число с плавающей точкой, 0,0–1,0) | float32 (03, 04) | A1C, A1D | 2588, 2589 | RW** |
Аналоговый выход AO2 (число с плавающей точкой, 0,0–1,0) | float32 (03, 04) | A1E, A1F | 2590, 2591 | RW** | |
Аналоговый выход AO1 (целое число, 0–10000)* | int16 (03, 04) | A8E | 2702 | RW** | |
Аналоговый выход AO2 (целое число, 0–10000)* | int16 (03, 04) | A8F | 2703 | RW** | |
ПР102-230.2416.11.X, ПР102-24.2416.13.X, ПР102-24.2416.16.X | Дискретный выход К1 в режиме ШИМ | float32 (03, 04, 06, 10) | A00, A01 | 2560, 2561 | RW** |
Дискретный выход К2 в режиме ШИМ | float32 (03, 04, 06, 10) | A02, A03 | 2562, 2563 | RW** | |
Дискретный выход К3 в режиме ШИМ | float32 (03, 04, 06, 10) | A04, A05 | 2564, 2565 | RW** | |
Дискретный выход К4 в режиме ШИМ | float32 (03, 04, 06, 10) | A06, A07 | 2566, 2567 | RW** | |
Дискретный выход К5 в режиме ШИМ | float32 (03, 04, 06, 10) | A08, A09 | 2568, 2569 | RW** | |
Дискретный выход К6 в режиме ШИМ | float32 (03, 04, 06, 10) | A0A, A0B | 2570, 2571 | RW** | |
Дискретный выход К7 в режиме ШИМ | float32 (03, 04, 06, 10) | A0C, A0D | 2572, 2573 | RW** | |
Дискретный выход К8 в режиме ШИМ | float32 (03, 04, 06, 10) | A0E, A0F | 2574, 2575 | RW** | |
Дискретный выход К9 в режиме ШИМ | float32 (03, 04, 06, 10) | A10, A11 | 2576, 2577 | RW** | |
Дискретный выход К10 в режиме ШИМ | float32 (03, 04, 06, 10) | A12, A13 | 2578, 2579 | RW** | |
Дискретный выход К11 в режиме ШИМ | float32 (03, 04, 06, 10) | A14, A15 | 2580, 2581 | RW** | |
Дискретный выход К12 в режиме ШИМ | float32 (03, 04, 06, 10) | A16, A17 | 2582, 2583 | RW** | |
Дискретный выход К13 в режиме ШИМ | float32 (03, 04, 06, 10) | A18, A19 | 2584, 2585 | RW** | |
Дискретный выход К14 в режиме ШИМ | float32 (03, 04, 06, 10) | A1A, A1B | 2586, 2587 | RW** | |
ПР102-230.2416.11.X, ПР102-24.2416.13.X | Дискретный выход К15 в режиме ШИМ | float32 (03, 04, 06, 10) | A1C, A1D | 2588, 2589 | RW** |
Дискретный выход К16 в режиме ШИМ | float32 (03, 04, 06, 10) | A1E, A1F | 2590, 2591 | RW** | |
ПР102-230.2416.11.X ПР102-24.2416.13.X ПР102-24.2416.16.X | Дискретный выход К15 в режиме ШИМ | float32 (03, 04, 06, 10) | A1C, A1D | 2588, 2589 | RW** |
Дискретный выход К16 в режиме ШИМ | float32 (03, 04, 06, 10) | A1E, A1F | 2590, 2591 | RW** | |
Дискретный выход К1 в режиме ШИМ (целое число, 0–10000)* | int16 (03, 04, 06, 10) | A80 | 2688 | RW** | |
Дискретный выход К2 в режиме ШИМ (целое число, 0–10000)* | int16 (03, 04, 06, 10) | A81 | 2689 | RW** | |
Дискретный выход К3 в режиме ШИМ (целое число, 0–10000)* | int16 (03, 04, 06, 10) | A82 | 2690 | RW** | |
Дискретный выход К4 в режиме ШИМ (целое число, 0–10000)* | int16 (03, 04, 06, 10) | A83 | 2691 | RW** | |
Дискретный выход К5 в режиме ШИМ (целое число, 0–10000)* | int16 (03, 04, 06, 10) | A84 | 2692 | RW** | |
Дискретный выход К6 в режиме ШИМ (целое число, 0–10000)* | int16 (03, 04, 06, 10) | A85 | 2693 | RW** | |
Дискретный выход К7 в режиме ШИМ (целое число, 0–10000)* | int16 (03, 04, 06, 10) | A86 | 2694 | RW** | |
Дискретный выход К8 в режиме ШИМ (целое число, 0–10000)* | int16 (03, 04, 06, 10) | A87 | 2695 | RW** | |
Дискретный выход К9 в режиме ШИМ (целое число, 0–10000)* | int16 (03, 04, 06, 10) | A88 | 2696 | RW** | |
Дискретный выход К10 в режиме ШИМ (целое число, 0–10000)* | int16 (03, 04, 06, 10) | A89 | 2697 | RW** | |
Дискретный выход К11 в режиме ШИМ (целое число, 0–10000)* | int16 (03, 04, 06, 10) | A8A | 2698 | RW** | |
Дискретный выход К12 в режиме ШИМ (целое число, 0–10000)* | int16 (03, 04, 06, 10) | A8B | 2699 | RW** | |
Дискретный выход К13 в режиме ШИМ (целое число, 0–10000)* | int16 (03, 04, 06, 10) | A8C | 2700 | RW** | |
Дискретный выход К14 в режиме ШИМ (целое число, 0–10000)* | int16 (03, 04, 06, 10) | A8D | 2701 | RW** | |
ПР102-230.2416.11.X, ПР102-24.2416.13.X | Дискретный выход К15 в режиме ШИМ (целое число, 0–10000)* | int16 (03, 04, 06, 10) | A8E | 2702 | RW** |
Дискретный выход К16 в режиме ШИМ (целое число, 0–10000)* | int16 (03, 04, 06, 10) | A8F | 2703 | RW** | |
| Сетевые и служебные переменные | |||||
Все исполнения | Сетевые переменные | bit (01, 02, 05, 0F) | 2000–23F0 | 8192–9200 | RW |
int16 (03, 04, 06, 10) | 200–23F | 512–575 | RW | ||
Все исполнения | Секунды | int16 (03, 04, 06, 10) | 400 | 1024 | RW |
Минуты | int16 (03, 04, 06, 10) | 401 | 1025 | RW | |
Часы | int16 (03, 04, 06, 10) | 402 | 1026 | RW | |
Число | int16 (03, 04, 06, 10) | 403 | 1027 | RW | |
Месяц | int16 (03, 04, 06, 10) | 404 | 1028 | RW | |
Год | int16 (03, 04, 06, 10) | 405 | 1029 | RW | |
День недели | int16 (03, 04) | 406 | 1030 | R | |
Неделя в месяце | int16 (03, 04) | 407 | 1031 | R | |
Неделя в году | int16 (03, 04) | 408 | 1032 | R | |
* Положение десятичной точки для выходов всегда равно «4» и не меняется. ** Запись состояния выходов по RS-485 возможна, если переключатель Работа/Стоп находится в положении Стоп (см. раздел). | |||||
Во время размещения прибора следует учитывать меры безопасности из раздела.
Прибор следует монтировать в шкафу, конструкция которого должна обеспечивать защиту от попадания в него влаги, грязи и посторонних предметов.
Для установки прибора на DIN-рейке следует:
Подготовить на DIN-рейке место для установки прибора в соответствии с размерами прибора (см. рисунок).

Для демонтажа прибора следует:
Защелку отжать, после чего прибор отвести от DIN-рейки.

Конструкция клемм позволяет оперативно заменить прибор без демонтажа подключенных к нему внешних линий связи.
Для «быстрой» замены прибора следует:

В зависимости от модификации прибору требуется переменное или постоянное напряжение питания.
Прибор следует подключать к сети переменного тока от сетевого фидера, не связанного непосредственно с питанием мощного силового оборудования. Во внешней цепи рекомендуется установить выключатель, обеспечивающий отключение прибора от сети.
Для обеспечения надежности электрических соединений рекомендуется использовать кабели медные многожильные, концы которых перед подключением следует тщательно зачистить и залудить или использовать кабельные наконечники. Жилы кабелей следует зачищать так, чтобы их оголенные концы после подключения к прибору не выступали за пределы клеммника. Сечение жил кабелей должно быть не более 2,5 мм2.
Для записи пользовательской программы прибор подключается через интерфейсный порт microUSB к USB-порту ПК.
Аналоговые входы, дискретные входы и интерфейс USB не имеют гальванической развязки между собой. Для безопасной работы с данными портами, подключаемое к ним оборудование должно иметь одинаковый потенциал заземления или иметь гальваническую изоляцию. Чтобы избежать выхода из строя прибора, перед включением оборудования следует убедиться, что подключаемые к данным портам устройства имеют одинаковый потенциал заземления. Если нет возможности обеспечить одинаковый потенциал заземления оборудования — запрещается подключать к аналоговым входам, дискретным входам и USB устройства одновременно. Во время программирования прибора по USB следует отключать от аналоговых и дискретных входов кабели или использовать устройства с гальванической развязкой (устройство гальванической развязки интерфейса USB, ноутбук с питанием от батареи и т. п.).
На работу прибора могут оказывать влияние внешние помехи:
Для уменьшения влияния электромагнитных помех рекомендуется:
Для уменьшения помех, возникающих в питающей сети рекомендуется:
Для уменьшения уровня помех можно применять программные фильтры, которые настраиваются индивидуально для каждого входа. Программные фильтры доступны для:
| Прибор | Схема гальванической развязки |
|---|---|
| ПР102-230.2416.01.1 | ![]() |
| ПР102-230.2416.01.2 | ![]() |
| ПР102-230.2416.11.1 | ![]() |
| ПР102-230.2416.11.2 | ![]() |
| Прибор | Схема гальванической развязки |
|---|---|
| ПР102-24.2416.03.1 | ![]() |
| ПР102-24.2416.03.2 | ![]() |
| ПР102-24.2416.06.1 | ![]() |
| ПР102-24.2416.06.2 | ![]() |
| ПР102-24.2416.13.1 | ![]() |
| ПР102-24.2416.13.2 | ![]() |
| ПР102-24.2416.16.1 | ![]() |
| ПР102-24.2416.16.2 | ![]() |





Режим работы универсального входа переключается в OwenLogic (см. раздел).
Во время проверки исправности датчика и линии связи следует отключить прибор от сети питания. Чтобы избежать выхода прибора из строя при «прозвонке» связей, следует использовать измерительные устройства с напряжением питания не более 4,5 В. Для более высоких напряжений питания этих устройств отключение датчика от прибора обязательно.
Параметры линии соединения прибора с датчиком приведены в таблице ниже.
| Тип датчика | Длина линий, м, не более | Сопротивление линии, Ом, не более | Исполнение линии |
|---|---|---|---|
| Резистивные сигналы | 100 | —* | Двухпроводная, провода равной длины и сечения |
| Унифицированный сигнал постоянного тока | 100 | 100 | Двухпроводная |
| Унифицированный сигнал напряжения постоянного тока | 100 | 5 | Двухпроводная |
* Для двухпроводной схемы подключения датчика сопротивление проводов, идущих к датчику, суммируется с сопротивлением датчика, и вносит пропорциональную погрешность в измерение. Фактор суммирования сопротивлений следует учитывать во время проектирования схемы подключения и соотносить сопротивление подводящих проводов с рабочим диапазоном сопротивления датчика. Например, датчик Cu 500 (α = 0,00428 °С−1) с диапазоном измерений −50...+200 °С имеет соответствующий диапазон сопротивлений 393,5...926 Ом. Рабочий диапазон датчика составляет 532,5 Ом. Следовательно, сопротивление подводящих проводов в 1 Ом внесет погрешность (1 ∙ 100) / 532,5 = 0,19 % в показания температуры. | |||
ТС подключается по двухпроводной схеме.





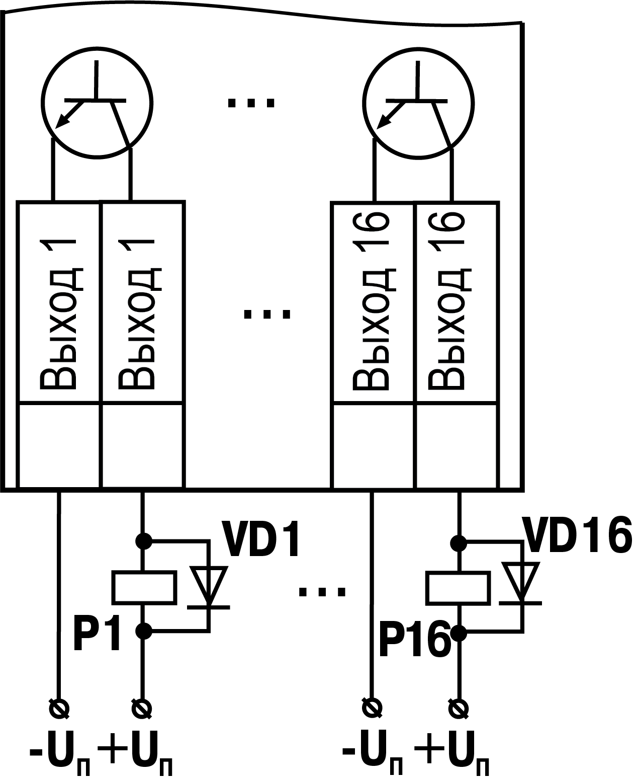
Схема подключения нагрузки к ВЭ приведена на рисунке. Чтобы транзистор не вышел из строя из-за большого тока самоиндукции, следует установить диоды VD1...VD16 параллельно обмотке внешних реле Р1...Р16.

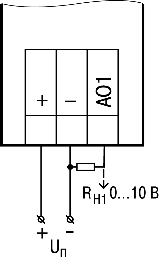
Аналоговые выходы гальванически развязаны друг от друга. Если необходимо, то каждый аналоговый выход можно запитать отдельно.

Сопротивление нагрузки для режима работы выхода 4...20 мА должно быть не более 300 Ом.

Сопротивление нагрузки для режима работы выхода 0...10 В должно быть не менее 1 кОм.
Если требуется получить гарантированную погрешность управляющего сигнала в 0,5 % в режиме 0...10 В, а входное сопротивление управляемого устройства гарантированно больше рабочего, то на выход прибора следует дополнительно подключить резистор 20 кОм.
Модуль расширения (далее по тексту – «модуль») подключается к прибору с помощью шлейфа длиной 4,5 см из комплекта поставки модуля. После подключения шлейф следует поместить в специальное углубление под крышкой модуля (рисунок, стрелка 1), тем самым позволяя придвинуть модуль вплотную к прибору (рисунок, стрелка 2).

Модули подключаются только последовательно. Ближайший модуль к прибору всегда будет располагаться в слоте 1 (см. рисунок ниже). Подключение модуля в слот 2 без модуля в слоте 1 невозможно.
Каждый модуль имеет независимое питание с усиленной гальванической изоляцией, что позволяет подключать к прибору модули любой модификации с любым питающим напряжением.

Во время первого подключения к прибору на модуле будет мигать светодиод «Авария», так как модуль не получает команд от прибора. После внесения модуля в пользовательскую программу и записи в прибор светодиод «Авария» на модуле перестанет мигать. В противном случае следует обновить встроенное ПО модуля.
Следует обеспечить максимально-возможную близость значений сопротивления согласующего резистора Rсогл и волнового сопротивления кабеля. Стандартные кабели для организации сети RS-485 имеют волновое сопротивление 120 Ом.


Для подключения к ПК прибор следует использовать кабель microUSB — USB.

На лицевой панели прибора расположены светодиоды (см. рисунок ниже).

| Светодиод | Статус | Назначение |
|---|---|---|
(зеленый) | Светится | На прибор подано питание |
(красный) | Светится | 1) Сбой программы; 2) Ошибка RETAIN; 3) Системная ошибка (подробнее см. раздел) |
| F1 (зеленый) | — | Определяется при программировании |
| F2 (зеленый в приборах, выпущенных до 04.24, после 04.24 — красный) | — | |
DI1...DI16* (зеленые) | Светится | На соответствующий вход подано напряжение, соответствующее уровню «логической единицы» |
AI1...AI8** (зеленые) | Светится | Соответствующий аналоговый вход настроен как дискретный и на вход подано напряжение, соответствующее уровню «логической единицы» |
DO1...DO16* (зеленые) | Светится | Соответствующий дискретный выход находится в активном состоянии (реле замкнуто, транзистор открыт) |
| — | см. раздел |
| Светится (красный) | Основное питание отключено, питание от USB, пользовательская программа не выполняется | |
| Светится (зеленый) | Основное питание подключено, пользовательская программа выполняется | |
Светится (красный) Мигает (зеленый) | Основное питание подключено, запись пользовательской программы в прибор | |
| — | Cветодиод не задействован |
* Нумерация отличается у различных модификаций. ** Присутствуют не у всех модификаций. | ||
Лицевая панель прибора представляет собой подвижный элемент, соединенный с верхней частью корпуса с помощью двух петель.

Под лицевой панелью расположены:
Сервисный разъем.
Мicro-USB порт для подключения прибора к ПК.
Разъем для подключения модулей расширения.
| Положение переключателя | Функция |
|---|---|
| Работа | Пользовательская программа выполняется |
| Стоп | Пользовательская программа остановлена. Можно обновить встроенное ПО прибора (вразделе). Или заменить пользовательскую программу, если она вызывает некорректную работу прибора |
| Прибор работает в режиме модуля ввода/вывода (см. раздел) |
По включению напряжения питания (основного или от USB), прибор анализирует положение переключателя Работа/Стоп. Далее прибор проводит самодиагностику.
Для программирования прибора достаточно питания от USB. При питании от USB, не работают входы, выходы и интерфейс RS-485.
Пользовательская программа, если она записана в память прибора, начинает выполняться сразу после подачи основного питания на клеммы 1 и 2.

В рабочем режиме прибор повторяет следующую последовательность (рабочий цикл):
В начале цикла прибор считывает состояния входов и копирует считанные значения в область памяти входов. Далее выполняется код пользовательской программы, которая работает с копией значений входов.
В случае возникновения аварийной ситуации прибор переходит в аварийный режим.
В таблице ниже представлены примеры аварийных ситуаций и рекомендации по их устранению.
Индикация светодиода | Причина | Рекомендации по устранению |
|---|---|---|
| Светится | Сбой пользовательской программы. Не совпала контрольная сумма образа памяти | Обновить встроенное ПО прибора. Повторно загрузить пользовательскую программу в прибор. В случае неудачи обратиться в сервисный центр |
Ошибка RETAIN. Не удалось восстановить RETAIN | ||
Системная ошибка. Работа прибора невозможна |
Если переключатель Стоп/Работа перевести в положение Стоп (см. раздел), то пользовательская программа будет остановлена. Прибор начнет работать в режиме модуля ввода/вывода.
Для работы в режиме модуля ввода/вывода следует предварительно настроить интерфейс связи в режим Slave (в OwenLogic). В режиме модуля ввода/вывода доступен опрос входов и запись выходов, но сетевые переменные недоступны.
Если к прибору подключены модули ПРМ, то опрос их по RS-485 будет невозможен.
Чтобы увеличить количество входов/выходов прибора, следует воспользоваться модулями расширения линейки ПРМ (см. раздел). Работа модулей расширения определяется пользовательской программой, написанной в OwenLogic.
Время опроса входов и записи состояния выходов модулей расширения определяется сложностью пользовательской программы и не отличается от времени работы с встроенными в прибор входами/выходами.
Прибор оснащен встроенными часами реального времени. При наличии питания прибора часы реального времени питаются от него. В случае отсутствия питания часы реального времени питаются от батареи.
Энергии полностью заряженной батареи хватает на непрерывную работу часов реального времени в течение 5 лет. В случае эксплуатации прибора при температуре на границах рабочего диапазона время работы часов сокращается.
В OwenLogic можно настроить коррекцию показаний часов реального времени прибора с помощью часов ПК или с помощью корректирующего значения (см. руководство пользователя OwenLogic).
В приборе можно изменять версии встроенного программного обеспечения через интерфейс программирования.
Для смены встроенного ПО следует подготовить:
ПК с ОС Windows Vista/7/8/10, установленным OwenLogic и доступом в Интернет;
установить драйвер прибора на ПК.
OwenLogic может обновить ПО прибора во время записи пользовательской программы.
Если встроенное ПО не получается автоматически обновить, то его можно обновить принудительно. Принудительное обновление встроенного ПО может потребоваться, если прибор не определяется в OwenLogic, но подключение прибора корректно отображается в Диспетчере устройств.
Для принудительной смены встроенного ПО следует:
Подключить прибор к ПК кабелем USB.
Подать питание на прибор.
Открыть крышку на лицевой стороне прибора. Установить переключатель
Работа/Стоп в положение Стоп. Светодиод
начинает светиться красным.
В данном режиме блокируется встроенное ПО и пользовательская программа.
Проверить в диспетчере устройств Windows какой СОМ-порт был присвоен прибору.
В OwenLogic указать номер присвоенного COM-порта: Прибор/Настройка порта.
В меню OwenLogic выбрать пункт Прибор/Обновить встроенное ПО. Если модель прибора определена неверно, то из списка выбрать нужную модель.
Запустить обновление встроенного ПО нажатием кнопки Выбрать.
В процессе смены встроенного ПО светодиод
светит красным и мигающим зеленым
одновременно. Установить переключатель в положение Работа.
Запускается пользовательская программа. Светодиод
переключается на зеленый цвет.
Если проблемы с работоспособностью прибора не удалось решить после принудительной смены встроенного ПО, то следует обратиться в сервисный центр.
Во время выполнения работ по техническому обслуживанию прибора следует соблюдать требования безопасности из раздела.
Техническое обслуживание прибора проводится не реже одного раза в 6 месяцев и включает следующие процедуры:
Для замены элемента питания следует:
Подцепив за рифленую зону (см. рисунок, стрелка 1), открыть крышку на лицевой панели прибора (стрелка 2).
Отверткой подцепить батарейку сверху и, придерживая ее, достать из прибора.
Соблюдая полярность, вставить новую батарейку.
Закрыть крышку.

На корпус прибора нанесены:
товарный знак предприятия-изготовителя;
QR-код
На потребительскую тару нанесены:
товарный знак предприятия-изготовителя;
почтовый адрес офиса изготовителя;
штрих-код;
дата упаковки;
дата упаковки.
Упаковка прибора производится в соответствии с ГОСТ 23088-80 в потребительскую тару, выполненную из коробочного картона по ГОСТ 7933-89.
Упаковка прибора при пересылке почтой производится по ГОСТ 9181-74.
| Наименование | Количество |
|---|---|
| Прибор | 1 шт. |
| Руководство по эксплуатации | 1 экз. |
| Паспорт и Гарантийный талон | 1 экз. |
| Комплект клеммных соединителей | 1 к-т |
Прибор должен транспортироваться в закрытом транспорте любого вида. В транспортных средствах тара должна крепиться согласно правилам, действующим на соответствующих видах транспорта.
Транспортирование приборов в упаковке предприятия-изготовителя должно соответствовать следующим условиям:
температура окружающего воздуха от минус 40 до плюс 70 °С;
относительная влажность от 10 до 95 % без конденсации влаги;
атмосферное давление не менее 80 кПа (эквивалентно высоте 3000 м над уровнем моря)
Прибор следует перевозить в транспортной таре поштучно или в контейнерах с соблюдением мер защиты от ударов и вибраций.
Условия хранения в таре на складе изготовителя и потребителя должны соответствовать условиям 1 по ГОСТ 15150-69. В воздухе не должны присутствовать агрессивные примеси.
Прибор следует хранить на стеллажах.
Изготовитель гарантирует соответствие прибора требованиям ТУ при соблюдении условий эксплуатации, транспортирования, хранения и монтажа.
Гарантийный срок эксплуатации – 24 месяца со дня продажи.
В случае выхода прибора из строя в течение гарантийного срока при соблюдении условий эксплуатации, транспортирования, хранения и монтажа предприятие-изготовитель обязуется осуществить его бесплатный ремонт или замену.
Порядок передачи прибора в ремонт содержится в паспорте и в гарантийном талоне.

Номер контакта | Назначение контактов | Номер контакта | Назначение контактов |
|---|---|---|---|
1 | Входное напряжение питания (230 В) | — | — |
2 | Входное напряжение питания (230 В) | — | — |
| 41 | Клемма А интерфейса RS-485 (1) | 63 | Клемма B интерфейса RS-485 (2) |
| 42 | Клемма B интерфейса RS-485 (1) | 64 | Клемма A интерфейса RS-485 (2) |
| 3 | Дискретный выход 1 | 25 | Дискретный выход 9 |
| 4 | Дискретный выход 1 | 26 | Дискретный выход 9 |
| 5 | Дискретный выход 2 | 27 | Дискретный выход 10 |
| 6 | Дискретный выход 2 | 28 | Дискретный выход 10 |
| 7 | Дискретный выход 3 | 29 | Дискретный выход 11 |
| 8 | Дискретный выход 3 | 30 | Дискретный выход 11 |
| 9 | Дискретный выход 4 | 31 | Дискретный выход 12 |
| 10 | Дискретный выход 4 | 32 | Дискретный выход 12 |
| 11 | Дискретный выход 5 | 33 | Дискретный выход 13 |
| 12 | Дискретный выход 5 | 34 | Дискретный выход 13 |
| 13 | Дискретный выход 6 | 35 | Дискретный выход 14 |
| 14 | Дискретный выход 6 | 36 | Дискретный выход 14 |
| 15 | Дискретный выход 7 | 37 | Дискретный выход 15 |
| 16 | Дискретный выход 7 | 38 | Дискретный выход 15 |
| 17 | Дискретный выход 8 | 39 | Дискретный выход 16 |
| 18 | Дискретный выход 8 | 40 | Дискретный выход 16 |
| 48 | Общая клемма дискретных входов 1...4 | 70 | Общая клемма дискретных входов 13...16 |
| 49 | Дискретный вход 1 (230 В) | 71 | Дискретный вход 13 (230 В) |
| 50 | Дискретный вход 2 (230 В) | 72 | Дискретный вход 14 (230 В) |
| 51 | Дискретный вход 3 (230 В) | 73 | Дискретный вход 15 (230 В) |
| 52 | Дискретный вход 4 (230 В) | 74 | Дискретный вход 16 (230 В) |
| 53 | Общая клемма дискретных входов 5...8 | 75 | Общая клемма дискретных входов 17...20 |
| 54 | Дискретный вход 5 (230 В) | 76 | Дискретный вход 17 (230 В) |
| 55 | Дискретный вход 6 (230 В) | 77 | Дискретный вход 18 (230 В) |
| 56 | Дискретный вход 7 (230 В) | 78 | Дискретный вход 19 (230 В) |
| 57 | Дискретный вход 8 (230 В) | 79 | Дискретный вход 20 (230 В) |
| 58 | Общая клемма дискретных входов 9...12 | 80 | Общая клемма дискретных входов 21...24 |
| 59 | Дискретный вход 9 (230 В) | 81 | Дискретный вход 21 (230 В) |
| 60 | Дискретный вход 10 (230 В) | 82 | Дискретный вход 22 (230 В) |
| 61 | Дискретный вход 11 (230 В) | 83 | Дискретный вход 23 (230 В) |
| 62 | Дискретный вход 12 (230 В) | 84 | Дискретный вход 24 (230 В) |

Номер контакта | Назначение контактов | Номер контакта | Назначение контактов |
|---|---|---|---|
1 | Входное напряжение питания (230 В) | — | — |
2 | Входное напряжение питания (230 В) | — | — |
| 41 | Клемма А интерфейса RS-485 (1) | 63 | Клемма B интерфейса RS-485 (2) |
| 42 | Клемма B интерфейса RS-485 (1) | 64 | Клемма A интерфейса RS-485 (2) |
| 3 | Выход типа «К1» (коллектор) | 25 | Выход типа «К9» (коллектор) |
| 4 | Выход типа «К1» (эмиттер) | 26 | Выход типа «К9» (эмиттер) |
| 5 | Выход типа «К2» (коллектор) | 27 | Выход типа «К10» (коллектор) |
| 6 | Выход типа «К2» (эмиттер) | 28 | Выход типа «К10» (эмиттер) |
| 7 | Выход типа «К3» (коллектор) | 29 | Выход типа «К11» (коллектор) |
| 8 | Выход типа «К3» (эмиттер) | 30 | Выход типа «К11» (эмиттер) |
| 9 | Выход типа «К4» (коллектор) | 31 | Выход типа «К12» (коллектор) |
| 10 | Выход типа «К4» (эмиттер) | 32 | Выход типа «К12» (эмиттер) |
| 11 | Выход типа «К5» (коллектор) | 33 | Выход типа «К13» (коллектор) |
| 12 | Выход типа «К5» (эмиттер) | 34 | Выход типа «К13» (эмиттер) |
| 13 | Выход типа «К6» (коллектор) | 35 | Выход типа «К14» (коллектор) |
| 14 | Выход типа «К6» (эмиттер) | 36 | Выход типа «К14» (эмиттер) |
| 15 | Выход типа «К7» (коллектор) | 37 | Выход типа «К15» (коллектор) |
| 16 | Выход типа «К7» (эмиттер) | 38 | Выход типа «К15» (эмиттер) |
| 17 | Выход типа «К8» (коллектор) | 39 | Выход типа «К16» (коллектор) |
| 18 | Выход типа «К8» (эмиттер) | 40 | Выход типа «К16» (эмиттер) |
| 48 | Общая клемма дискретных входов 1...4 | 70 | Общая клемма дискретных входов 13...16 |
| 49 | Дискретный вход 1 (230 В) | 71 | Дискретный вход 13 (230 В) |
| 50 | Дискретный вход 2 (230 В) | 72 | Дискретный вход 14 (230 В) |
| 51 | Дискретный вход 3 (230 В) | 73 | Дискретный вход 15 (230 В) |
| 52 | Дискретный вход 4 (230 В) | 74 | Дискретный вход 16 (230 В) |
| 53 | Общая клемма дискретных входов 5...8 | 75 | Общая клемма дискретных входов 17...20 |
| 54 | Дискретный вход 5 (230 В) | 76 | Дискретный вход 17 (230 В) |
| 55 | Дискретный вход 6 (230 В) | 77 | Дискретный вход 18 (230 В) |
| 56 | Дискретный вход 7 (230 В) | 78 | Дискретный вход 19 (230 В) |
| 57 | Дискретный вход 8 (230 В) | 79 | Дискретный вход 20 (230 В) |
| 58 | Общая клемма дискретных входов 9...12 | 80 | Общая клемма дискретных входов 21...24 |
| 59 | Дискретный вход 9 (230 В) | 81 | Дискретный вход 21 (230 В) |
| 60 | Дискретный вход 10 (230 В) | 82 | Дискретный вход 22 (230 В) |
| 61 | Дискретный вход 11 (230 В) | 83 | Дискретный вход 23 (230 В) |
| 62 | Дискретный вход 12 (230 В) | 84 | Дискретный вход 24 (230 В) |

Номер контакта | Назначение контактов | Номер контакта | Назначение контактов |
|---|---|---|---|
1 | Клемма питания 24 В («–») | — | — |
2 | Клемма питания 24 В («+») | — | — |
| 41 | Клемма А интерфейса RS-485 (1) | 63 | Клемма B интерфейса RS-485 (2) |
| 42 | Клемма B интерфейса RS-485 (1) | 64 | Клемма A интерфейса RS-485 (2) |
| 3 | Дискретный выход 1 | 25 | Дискретный выход 9 |
| 4 | Дискретный выход 1 | 26 | Дискретный выход 9 |
| 5 | Дискретный выход 2 | 27 | Дискретный выход 10 |
| 6 | Дискретный выход 2 | 28 | Дискретный выход 10 |
| 7 | Дискретный выход 3 | 29 | Дискретный выход 11 |
| 8 | Дискретный выход 3 | 30 | Дискретный выход 11 |
| 9 | Дискретный выход 4 | 31 | Дискретный выход 12 |
| 10 | Дискретный выход 4 | 32 | Дискретный выход 12 |
| 11 | Дискретный выход 5 | 33 | Дискретный выход 13 |
| 12 | Дискретный выход 5 | 34 | Дискретный выход 13 |
| 13 | Дискретный выход 6 | 35 | Дискретный выход 14 |
| 14 | Дискретный выход 6 | 36 | Дискретный выход 14 |
| 15 | Дискретный выход 7 | 37 | Дискретный выход 15 |
| 16 | Дискретный выход 7 | 38 | Дискретный выход 15 |
| 17 | Дискретный выход 8 | 39 | Дискретный выход 16 |
| 18 | Дискретный выход 8 | 40 | Дискретный выход 16 |
| 43 | Общая клемма дискретных входов 1...4 | 65 | Клемма I AI1 |
| 44 | Дискретный вход 1 (24 В) | 66 | Клемма U AI1 |
| 45 | Дискретный вход 2 (24 В) | 67 | Общая клемма универсальных входов 1 и 2 |
| 46 | Дискретный вход 3 (24 В) | 68 | Клемма U AI2 |
| 47 | Дискретный вход 4 (24 В) | 69 | Клемма I AI2 |
| 48 | Общая клемма дискретных входов 5...8 | 70 | Клемма I AI3 |
| 49 | Дискретный вход 5 (24 В) | 71 | Клемма U AI3 |
| 50 | Дискретный вход 6 (24 В) | 72 | Общая клемма универсальных входов 3 и 4 |
| 51 | Дискретный вход 7 (24 В) | 73 | Клемма U AI4 |
| 52 | Дискретный вход 8 (24 В) | 74 | Клемма I AI4 |
| 53 | Общая клемма дискретных входов 9...12 | 75 | Клемма I AI5 |
| 54 | Дискретный вход 9 (24 В) | 76 | Клемма U AI5 |
| 55 | Дискретный вход 10 (24 В) | 77 | Общая клемма универсальных входов 5 и 6 |
| 56 | Дискретный вход 11 (24 В) | 78 | Клемма U AI6 |
| 57 | Дискретный вход 12 (24 В) | 79 | Клемма I AI6 |
| 58 | Общая клемма дискретных входов 13...16 | 80 | Клемма I AI7 |
| 59 | Дискретный вход 13 (24 В) | 81 | Клемма U AI7 |
| 60 | Дискретный вход 14 (24 В) | 82 | Общая клемма универсальных входов 7 и 8 |
| 61 | Дискретный вход 15 (24 В) | 83 | Клемма U AI8 |
| 62 | Дискретный вход 16 (24 В) | 84 | Клемма I AI8 |

Номер контакта | Назначение контактов | Номер контакта | Назначение контактов |
|---|---|---|---|
1 | Клемма питания 24 В («–») | — | — |
2 | Клемма питания 24 В («+») | — | — |
| 41 | Клемма А интерфейса RS-485 (1) | 63 | Клемма B интерфейса RS-485 (2) |
| 42 | Клемма B интерфейса RS-485 (1) | 64 | Клемма A интерфейса RS-485 (2) |
| 3 | Выход типа «К1» (коллектор) | 25 | Выход типа «К9» (коллектор) |
| 4 | Выход типа «К1» (эмиттер) | 26 | Выход типа «К9» (эмиттер) |
| 5 | Выход типа «К2» (коллектор) | 27 | Выход типа «К10» (коллектор) |
| 6 | Выход типа «К2» (эмиттер) | 28 | Выход типа «К10» (эмиттер) |
| 7 | Выход типа «К3» (коллектор) | 29 | Выход типа «К11» (коллектор) |
| 8 | Выход типа «К3» (эмиттер) | 30 | Выход типа «К11» (эмиттер) |
| 9 | Выход типа «К4» (коллектор) | 31 | Выход типа «К12» (коллектор) |
| 10 | Выход типа «К4» (эмиттер) | 32 | Выход типа «К12» (эмиттер) |
| 11 | Выход типа «К5» (коллектор) | 33 | Выход типа «К13» (коллектор) |
| 12 | Выход типа «К5» (эмиттер) | 34 | Выход типа «К13» (эмиттер) |
| 13 | Выход типа «К6» (коллектор) | 35 | Выход типа «К14» (коллектор) |
| 14 | Выход типа «К6» (эмиттер) | 36 | Выход типа «К14» (эмиттер) |
| 15 | Выход типа «К7» (коллектор) | 37 | Выход типа «К15» (коллектор) |
| 16 | Выход типа «К7» (эмиттер) | 38 | Выход типа «К15» (эмиттер) |
| 17 | Выход типа «К8» (коллектор) | 39 | Выход типа «К16» (коллектор) |
| 18 | Выход типа «К8» (эмиттер) | 40 | Выход типа «К16» (эмиттер) |
| 43 | Общая клемма дискретных входов 1...4 | 65 | Клемма I AI1 |
| 44 | Дискретный вход 1 (24 В) | 66 | Клемма U AI1 |
| 45 | Дискретный вход 2 (24 В) | 67 | Общая клемма универсальных входов 1 и 2 |
| 46 | Дискретный вход 3 (24 В) | 68 | Клемма U AI2 |
| 47 | Дискретный вход 4 (24 В) | 69 | Клемма I AI2 |
| 48 | Общая клемма дискретных входов 5...8 | 70 | Клемма I AI3 |
| 49 | Дискретный вход 5 (24 В) | 71 | Клемма U AI3 |
| 50 | Дискретный вход 6 (24 В) | 72 | Общая клемма универсальных входов 3 и 4 |
| 51 | Дискретный вход 7 (24 В) | 73 | Клемма U AI4 |
| 52 | Дискретный вход 8 (24 В) | 74 | Клемма I AI4 |
| 53 | Общая клемма дискретных входов 9...12 | 75 | Клемма I AI5 |
| 54 | Дискретный вход 9 (24 В) | 76 | Клемма U AI5 |
| 55 | Дискретный вход 10 (24 В) | 77 | Общая клемма универсальных входов 5 и 6 |
| 56 | Дискретный вход 11 (24 В) | 78 | Клемма U AI6 |
| 57 | Дискретный вход 12 (24 В) | 79 | Клемма I AI6 |
| 58 | Общая клемма дискретных входов 13...16 | 80 | Клемма I AI7 |
| 59 | Дискретный вход 13 (24 В) | 81 | Клемма U AI7 |
| 60 | Дискретный вход 14 (24 В) | 82 | Общая клемма универсальных входов 7 и 8 |
| 61 | Дискретный вход 15 (24 В) | 83 | Клемма U AI8 |
| 62 | Дискретный вход 16 (24 В) | 84 | Клемма I AI8 |

Номер контакта | Назначение контактов | Номер контакта | Назначение контактов |
|---|---|---|---|
1 | Клемма питания 24 В («–») | — | — |
2 | Клемма питания 24 В («+») | — | — |
| 41 | Клемма А интерфейса RS-485 (1) | 63 | Клемма B интерфейса RS-485 (2) |
| 42 | Клемма B интерфейса RS-485 (1) | 64 | Клемма A интерфейса RS-485 (2) |
| 3 | Дискретный выход 1 | 25 | Дискретный выход 9 |
| 4 | Дискретный выход 1 | 26 | Дискретный выход 9 |
| 5 | Дискретный выход 2 | 27 | Дискретный выход 10 |
| 6 | Дискретный выход 2 | 28 | Дискретный выход 10 |
| 7 | Дискретный выход 3 | 29 | Дискретный выход 11 |
| 8 | Дискретный выход 3 | 30 | Дискретный выход 11 |
| 9 | Дискретный выход 4 | 31 | Дискретный выход 12 |
| 10 | Дискретный выход 4 | 32 | Дискретный выход 12 |
| 11 | Дискретный выход 5 | 33 | Дискретный выход 13 |
| 12 | Дискретный выход 5 | 34 | Дискретный выход 13 |
| 13 | Дискретный выход 6 | 35 | Дискретный выход 14 |
| 14 | Дискретный выход 6 | 36 | Дискретный выход 14 |
| 15 | Дискретный выход 7 | 19 | Клемма «V+» аналогового выхода 1 |
| 16 | Дискретный выход 7 | 20 | Клемма «V–» аналогового выхода 1 |
| 17 | Дискретный выход 8 | 21 | Клемма аналогового выхода 1 |
| 18 | Дискретный выход 8 | 22 | Клемма «V+» аналогового выхода 2 |
| 43 | Общая клемма дискретных входов 1...4 | 23 | Клемма «V–» аналогового выхода 2 |
| 44 | Дискретный вход 1 (24 В) | 24 | Клемма аналогового выхода 2 |
| 45 | Дискретный вход 2 (24 В) | 65 | Клемма I AI1 |
| 46 | Дискретный вход 3 (24 В) | 66 | Клемма U AI1 |
| 47 | Дискретный вход 4 (24 В) | 67 | Общая клемма универсальных входов 1 и 2 |
| 48 | Общая клемма дискретных входов 5...8 | 68 | Клемма U AI2 |
| 49 | Дискретный вход 5 (24 В) | 69 | Клемма I AI2 |
| 50 | Дискретный вход 6 (24 В) | 70 | Клемма I AI3 |
| 51 | Дискретный вход 7 (24 В) | 71 | Клемма U AI3 |
| 52 | Дискретный вход 8 (24 В) | 72 | Общая клемма универсальных входов 3 и 4 |
| 53 | Общая клемма дискретных входов 9...12 | 73 | Клемма U AI4 |
| 54 | Дискретный вход 9 (24 В) | 74 | Клемма I AI4 |
| 55 | Дискретный вход 10 (24 В) | 75 | Клемма I AI5 |
| 56 | Дискретный вход 11 (24 В) | 76 | Клемма U AI5 |
| 57 | Дискретный вход 12 (24 В) | 77 | Общая клемма универсальных входов 5 и 6 |
| 58 | Общая клемма дискретных входов 13...16 | 78 | Клемма U AI6 |
| 59 | Дискретный вход 13 (24 В) | 79 | Клемма I AI6 |
| 60 | Дискретный вход 14 (24 В) | 80 | Клемма I AI7 |
| 61 | Дискретный вход 15 (24 В) | 81 | Клемма U AI7 |
| 62 | Дискретный вход 16 (24 В) | 82 | Общая клемма универсальных входов 7 и 8 |
| — | — | 83 | Клемма U AI8 |
| — | — | 84 | Клемма I AI8 |

Номер контакта | Назначение контактов | Номер контакта | Назначение контактов |
|---|---|---|---|
1 | Клемма питания 24 В («–») | — | — |
2 | Клемма питания 24 В («+») | — | — |
| 41 | Клемма А интерфейса RS-485 (1) | 63 | Клемма B интерфейса RS-485 (2) |
| 42 | Клемма B интерфейса RS-485 (1) | 64 | Клемма А интерфейса RS-485 (2) |
| 3 | Выход типа «К1» (коллектор) | 25 | Выход типа «К9» (коллектор) |
| 4 | Выход типа «К1» (эмиттер) | 26 | Выход типа «К9» (эмиттер) |
| 5 | Выход типа «К2» (коллектор) | 27 | Выход типа «К10» (коллектор) |
| 6 | Выход типа «К2» (эмиттер) | 28 | Выход типа «К10» (эмиттер) |
| 7 | Выход типа «К3» (коллектор) | 29 | Выход типа «К11» (коллектор) |
| 8 | Выход типа «К3» (эмиттер) | 30 | Выход типа «К11» (эмиттер) |
| 9 | Выход типа «К4» (коллектор) | 31 | Выход типа «К12» (коллектор) |
| 10 | Выход типа «К4» (эмиттер) | 32 | Выход типа «К12» (эмиттер) |
| 11 | Выход типа «К5» (коллектор) | 33 | Выход типа «К13» (коллектор) |
| 12 | Выход типа «К5» (эмиттер) | 34 | Выход типа «К13» (эмиттер) |
| 13 | Выход типа «К6» (коллектор) | 35 | Выход типа «К14» (коллектор) |
| 14 | Выход типа «К6» (эмиттер) | 36 | Выход типа «К14» (эмиттер) |
| 15 | Выход типа «К7» (коллектор) | 19 | Клемма «V+» аналогового выхода 1 |
| 16 | Выход типа «К7» (эмиттер) | 20 | Клемма «V–» аналогового выхода 1 |
| 17 | Выход типа «К8» (коллектор) | 21 | Клемма аналогового выхода 1 |
| 18 | Выход типа «К8» (эмиттер) | 22 | Клемма «V+» аналогового выхода 2 |
| 43 | Общая клемма дискретных входов 1...4 | 23 | Клемма «V–» аналогового выхода 2 |
| 44 | Дискретный вход 1 (24 В) | 24 | Клемма аналогового выхода 2 |
| 45 | Дискретный вход 2 (24 В) | 65 | Клемма I AI1 |
| 46 | Дискретный вход 3 (24 В) | 66 | Клемма U AI1 |
| 47 | Дискретный вход 4 (24 В) | 67 | Общая клемма универсальных входов 1 и 2 |
| 48 | Общая клемма дискретных входов 5...8 | 68 | Клемма U AI2 |
| 49 | Дискретный вход 5 (24 В) | 69 | Клемма I AI2 |
| 50 | Дискретный вход 6 (24 В) | 70 | Клемма I AI3 |
| 51 | Дискретный вход 7 (24 В) | 71 | Клемма U AI3 |
| 52 | Дискретный вход 8 (24 В) | 72 | Общая клемма универсальных входов 3 и 4 |
| 53 | Общая клемма дискретных входов 9...12 | 73 | Клемма U AI4 |
| 54 | Дискретный вход 9 (24 В) | 74 | Клемма I AI4 |
| 55 | Дискретный вход 10 (24 В) | 75 | Клемма I AI5 |
| 56 | Дискретный вход 11 (24 В) | 76 | Клемма U AI5 |
| 57 | Дискретный вход 12 (24 В) | 77 | Общая клемма универсальных входов 5 и 6 |
| 58 | Общая клемма дискретных входов 13...16 | 78 | Клемма U AI6 |
| 59 | Дискретный вход 13 (24 В) | 79 | Клемма I AI6 |
| 60 | Дискретный вход 14 (24 В) | 80 | Клемма I AI7 |
| 61 | Дискретный вход 15 (24 В) | 81 | Клемма U AI7 |
| 62 | Дискретный вход 16 (24 В) | 82 | Общая клемма универсальных входов 7 и 8 |
| — | — | 83 | Клемма U AI8 |
| — | — | 84 | Клемма I AI8 |
Юстировка прибора заключается в проведении технологических операций, которые обеспечивают восстановление метрологических характеристик прибора в случае изменения их после длительной эксплуатации.
Юстировка проводится в OwenLogic.
Юстировка выполняется с помощью эталонных источников сигналов, которые подключаются к контактам прибора и имитируют работу датчиков. Во время юстировки прибор вычисляет соотношения между поступившим входным сигналом и опорным сигналом.
Вычисленные соотношения (коэффициенты юстировки) записываются в энергонезависимую память прибора и используются как базовые для выполнения всех дальнейших расчетов.
Каждый аналоговый вход имеет собственные коэффициенты юстировки для каждого типа датчика.
Если вычисленные значения коэффициентов выходят за пределы, установленные для входа во время разработки прибора, в OwenLogic выводится сообщение о причине этой ошибки.
Для юстировки входного сигнала типа «напряжение» следует:
Подключить к контактам входа прибора дифференциальный вольтметр В1-12 в режиме калибратора напряжений или аналогичный ему источник образцового напряжения с классом точности не ниже 0,05. Соединять прибор с калибратором следует по схеме, приведенной на рисунке, 1 с соблюдением полярности подключения.

Запустить OwenLogic и выбрать в меню пункт «Прибор» → «Юстировка входов/выходов» для запуска мастера юстировки.
В появившемся меню выбрать «Аналоговые входы» (см. рисунок).

Далее в окне «Настройка параметров» выбрать значение параметра «Тип датчика» равным «0…10 В».

Установить уровни для юстировки, постоянную времени фильтра и канал. Увеличение постоянной времени фильтра увеличивает время юстировки, но позволяет получить более точные калибровочные коэффициенты. Юстировку проходит каждый канал в отдельности. Если выбрать настройку «все каналы», то юстировка проходит по всем четырем каналам, поэтому необходимо подавать соответствующие уровни сигнала на все каналы сразу.
Нажать кнопку «Далее» и следовать указаниям мастера юстировки.
В случае использования входа для измерения сигналов «ток» рекомендуется провести юстировку входа, предварительно выбрав параметр «Тип датчика» равным «4…20 мА». Схема подключения изображена на рисунке, 2. Действия аналогичны пп. 2–4.
В случае использования входа для измерения сигналов «сопротивление» (например, для ТС) рекомендуется провести юстировку входа, предварительно выбрав параметр «Тип датчика» равным «0…300 кОм». Схема подключения изображена на рисунке, 3. Действия аналогичны пп. 2–4.
Для юстировки сигналов типа «4…20 мА» следует:
Подключить ВЭ типа «И» (ЦАП «параметр – ток 4…20 мА») согласно схеме, приведенной на рисунке.

В качестве измерителя напряжения можно использовать прибор для калибровки вольтметров Р3003 или иной прибор того же класса с разрешающей способностью 0,001 В.
Запустить OwenLogic и выбрать в меню пункт «Прибор» → «Юстировка входов/выходов» для запуска мастера юстировки. В появившемся далее меню выбрать «Аналоговые выходы».

В выпадающем списке «Тип датчика» задать «Аналоговый, ток». В выпадающем меню «Выбор канала» задать канал для юстировки.

Во время подачи прибором выходного тока, пересчитать значение измеренного напряжения в ток и задать его в параметре «Измеренное значение».

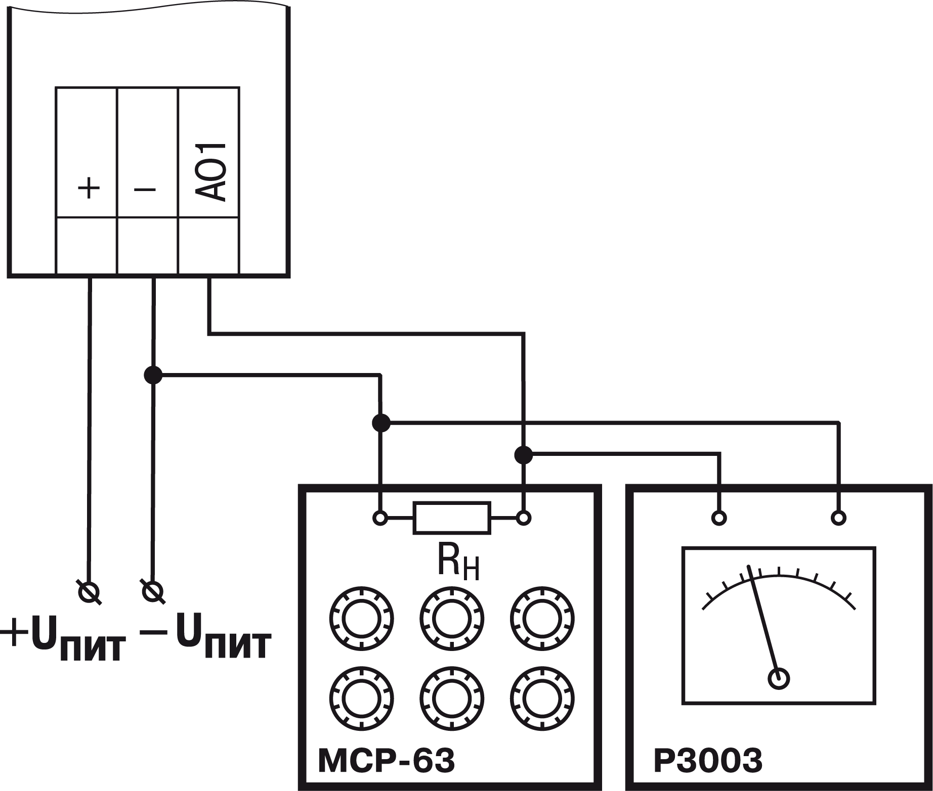
Для юстировки сигналов типа «0...10 В» следует:
Подключить прибор по схеме, приведенной на рисунке ниже, с соблюдением полярности подключения. Проконтролировать напряжение источника питания – оно должно быть в диапазоне 15…30 В. В качестве измерителя напряжения можно использовать прибор для калибровки вольтметров Р3003 или иной прибор того же класса с разрешающей способностью 0,001 В.


В выпадающем списке «Тип датчика» задать «Аналоговый, напряжение». В выпадающем меню «Выбор канала» задать канал для юстировки.
В данном руководстве применяются следующие предупреждения:
Ключевое слово ОПАСНОСТЬ сообщает о непосредственной угрозе опасной ситуации, которая приведет к смерти или серьезной травме, если ее не предотвратить.
Ключевое слово ВНИМАНИЕ сообщает о потенциально опасной ситуации, которая может привести к небольшим травмам.
Ключевое слово ПРЕДУПРЕЖДЕНИЕ сообщает о потенциально опасной ситуации , которая может привести к повреждению имущества.
Ключевое слово ПРИМЕЧАНИЕ обращает внимание на полезные советы и рекомендации, а также информацию для эффективной и безаварийной работы оборудования.
| Ограничение ответственности |
Ни при
каких обстоятельствах |