В данном руководстве применяются следующие предупреждения:
| Ограничение ответственности |
Ни при
каких обстоятельствах |
В данном руководстве применяются следующие предупреждения:
| Ограничение ответственности |
Ни при
каких обстоятельствах |
Настоящее руководство по эксплуатации предназначено для ознакомления
обслуживающего персонала с устройством, конструкцией, работой и техническим
обслуживанием
Подключение, регулировка и техобслуживание прибора должны производиться только квалифицированными специалистами после прочтения настоящего руководства по эксплуатации.
Контроллер изготавливается в нескольких модификациях. Различия между модификациями зашифрованы в условном обозначении прибора:

Напряжение питания:
220 – номинальное напряжение питания 120/230 В переменного тока;
24 – номинальное напряжение питания 24 В постоянного тока.
Тип встроенного выходного элемента:
И – ток от 4 до 20 мА;
У – напряжение от 0 до 10 В;
А – универсальные, ток от 4 до 20 мА, напряжение от 0 до 10 В.
Для всех модификаций контроллера объем памяти области ввода-вывода составляет 25 Кбайт.
Пример обозначения прибора при заказе:
Программируемый контроллер ПЛК160-24.И-М(М02)
У контроллера с этим наименованием будут следующие основные характеристики:
номинальное напряжение питания 24 В;
встроенный выходной элемент типа И, «4…20 мА».
Прибор зарегистрирован в Государственном реестре средств измерений, свидетельство RU.C.34.004A №45041.
Прибор выпускается согласно ТУ 4252-003-46526536-2008 и имеет декларацию соответствия ТР ТС.
CODESYS (Controllers Development System) – программное обеспечение, специализированная среда программирования логических контроллеров. Торговая марка компании 3S-Smart Software Solutions GmbH.
DCON – открытый протокол обмена по сети RS-485, разработан компанией Advantech, применяется в модулях ввода/вывода Adam, модулях компании IPC DAS и др.
Modbus – открытый протокол обмена по сети RS-485, разработан компанией ModiCon, в настоящий момент поддерживается независимой организацией Modbus-IDA (www.modbus.org).
Modbus-TCP – версия протокола Modbus, адаптированная к работе в сети TCP/IP.
Retain-переменные – переменные пользовательской программы, значение которых сохраняется в случае выключения питания контроллера.
Retain-память – энергонезависимая память для хранения значений Retain-переменных пользовательской программы.
ОЗУ – оперативное запоминающее устройство, оперативная память.
ПЛК – программируемый логический контроллер.
Пользовательская программа – программа, созданная в среде CODESYS пользователем контроллера (или лицом, производящим его начальное программирование).
ПО – программное обеспечение.
ПК – персональный компьютер.
РП – руководство пользователя «Программирование программируемых логических контроллеров ОВЕН ПЛК160(М02)».
ШИМ – широтно-импульсная модуляция.
Категория используемой нагрузки (по
Контроллер предназначен для использования в составе различных автоматизированных систем контроля и управления на промышленных предприятиях.
Контроллер может управлять:
выделенными локальными объектами;
локальным объектом в составе комплексной информационной сети;
группой локальных объектов в составе комплексной информационной сети.
Контроллер можно применить на промышленных объектах, подконтрольных ФСЭТАН.
Логика работы прибора программируется с помощью CODESYS v 2.3. Поддерживаются все языки программирования стандарта МЭК 61131-3:
LD: Релейно-контакторные схемы;
FBD: Функциональные блоковые диаграммы;
SFC: Последовательные функциональные диаграммы;
ST: Структурированный текст;
IL: Список инструкций.
Документация по программированию контроллера и работе с CODESYS
приведена на сайте
Основные технические характеристики контроллера представлены в таблице и в таблице.
Параметр | Значение (свойства) | ||
|---|---|---|---|
ПЛК160-Х.А | ПЛК160-Х.У | ПЛК160-Х.И | |
Питание | |||
Напряжение питания: | |||
| от 12 до 30 В постоянного тока при Т > минус 20 °С | ||
| от 12 до 26 В постоянного тока при минус 40 °С > Т > минус 20 °С (номинальное 24 В) | |||
| от 90 до 264 В переменного тока (номинальное 120/230 В) частотой от 47 до 63 Гц (номинальное значение 50 Гц) | ||
Потребляемая мощность, не более | 45 ВА | ||
Пусковой ток, не более: | |||
| 10 А | ||
| 44 А | ||
| 54 А | ||
Длительность переходного процесса, не более: | |||
| 3 мс | ||
| 2 мс | ||
| 2 мс | ||
Выходное напряжение встроенного источника питания: | |||
| 24 ± 3 В, ток потребления не более 400 мА | ||
| пропорционально напряжению источника питания прибора | ||
| Цифровые (дискретные) входы | |||
Количество входов из них быстродействующих | 16 4 (DI1–DI4) | ||
Тип входов по ГОСТ Р 52931 | 1 и 2 | ||
Напряжение питания дискретных входов | 24 ± 3 В | ||
Максимальный входной ток дискретного входа, не более | 7 мА при питании 24 В, 8,5 мА при питании 27 В | ||
Сигнал «логической единицы», соответствующий состоянию «Включено», дискретных входов для постоянного напряжения (ток в цепи) | От 15 до 30 В (ток от 3 до 15 мА) | ||
Сигнал «логического нуля», соответствующий состоянию «Выключено», дискретных входов для постоянного напряжения (ток в цепи) | От минус 3 до 5 В (ток до 15 мА) | ||
Минимальная длительность импульса, воспринимаемого дискретным входом: | |||
| 1 мс | ||
| 0,02 мс | ||
Подключаемые входные устройства | Коммутационные устройства (контакты кнопок, выключателей, герконов, реле и т. п.), | ||
| датчики, имеющие на выходе транзистор n-p-n или p-n-p типа с открытым коллектором, | |||
| дискретные сигналы 24 ± 3 В | |||
| Дискретные выходы (контакты электромагнитных реле) | |||
Количество релейных выходных каналов | 12 | ||
Максимальный ток, коммутируемый контактами реле, не более | 3 А (для переменного напряжения не более 250 В, частотой 50 Гц и cos φ > 0,4 – нагрузка для категории использования АС-15 по ГОСТ IEC 60947-1), 3 А (для постоянного напряжения не более
30 В – нагрузка для категории использования DC-13 по | ||
Время переключения контактов реле из состояния «лог. 0» в «лог. 1» и обратно, не более | 50 мс (выходы DО1–DО12) | ||
Механический ресурс реле, не менее | 300 000 циклов переключений при максимальной коммутируемой нагрузке, 500 000 циклов переключений при коммутации нагрузки менее половины от максимальной | ||
Аналоговые входы | |||
Количество аналоговых входов | 8 | ||
Тип поддерживаемых унифицированных сигналов | Ток от 0 (4) до 20 мА, ток от 0 до 5 мА, напряжение от 0 до 10 В | ||
Разрядность АЦП | 14 бит | ||
Входное сопротивление, не более: | |||
| 170 Ом | ||
| 200 кОм | ||
Период опроса одного входа | 10 мс | ||
Предел основной приведенной погрешности преобразования | ± 0,25 % | ||
Предел дополнительной приведенной погрешности преобразования на каждые 10 градусов изменения температуры | ± 0,05 % | ||
| Аналоговые выходы | |||
Количество аналоговых выходов | 4 | ||
Тип выходного сигнала | Универсальный, ток от 4 до 20 мА, напряжениеот 0 до 10 В | Напряжение от 0 до 10 В | Ток от 4 до 20 мА |
| Сопротивление нагрузки | Не более 500 Ом для 4…20 мА, не менее 2000 Ом для 0…10 В | Не менее 2000 Ом | Не более 500 Ом |
Предел основной приведенной погрешности ЦАП | ± 0,5 % | ||
Разрядность ЦАП | 12 бит | 10 бит | 10 бит |
Минимальный период обновления выходов | 100 мс | ||
Питание аналоговых выходов, внешнее | 24 ± 3 В, длина линии от источника питания не должна превышать 30 м | ||
Предел допускаемой дополнительной приведенной погрешности аналоговых выходов, вызванной изменением температуры окружающего воздуха от нормальной на каждые 10 °С изменения температуры | Не более 0,5 предела допускаемой основной приведенной погрешности аналоговых выходов | ||
| Вычислительные ресурсы | |||
Центральный процессор | RISC-процессор Texas Instruments Sitara AM1808 | ||
Объем оперативной памяти | Пользовательская программа 1 Мбайт, данные пользовательской программы 128 Кбайт, hеар до 4 Мбайт в зависимости от использования ресурсов (сокеты, конфигурация и др.) (SDRAM), RAM-диск 8 Мбайт | ||
Объем энергонезависимой памяти (FLASH) | 6 Мбайт доступно для хранения файлов и архивов | ||
Допустимое число циклов перезаписи энергонезависимой памяти (на блок данных) | 100 000 | ||
Размер Retain-памяти (MRAM) | 16 Кбайт* | ||
Количество сокетов | 30 | ||
Время выполнения пустого цикла | Установленное по умолчанию (стабилизированное) – 1 мс (настраивается в окне «Конфигурация ПЛК (PLC Configuration)» CODESYS). Не рекомендуется устанавливать время цикла равное 0 мс | ||
Встроенное оборудование | |||
Часы реального времени с собственным батарейным питанием. Погрешность хода, не более: | |||
| 5 с в сутки | ||
| 20 с в сутки | ||
Встроенный источник выдачи звукового сигнала | |||
Трехпозиционный переключатель на передней панели контроллера | |||
Заводские сетевые настройки | |||
IP-адрес | 10.0.6.10 | ||
Маска IP-адреса | 255.255.255.0 | ||
IP-адрес шлюза | 10.0.6.1 | ||
DNS | 8.8.8.8; 8.8.4.4 | ||
Общие сведения | |||
Габаритные размеры, не более | (208 ×110 × 83) ± 1 мм | ||
Масса, не более | 1,2 кг | ||
Степень защиты корпуса по ГОСТ 14254 | IP20 со стороны передней панели, IP00 со стороны клемм | ||
Индикация на передней панели | Светодиодная | ||
Средняя наработка на отказ** | 60 000 ч | ||
Средний срок службы | 10 лет | ||
* Работа с RETAIN переменными описана в документе ”Руководство по работе с RETAIN переменными”. ** Не считая электромеханических переключателей и элемента питания часов реального времени. | |||
| Интерфейсы связи | Протоколы (тип связи и особенности работы) | Формат передачи данных | Скорости передачи* | Длина кабеля**, не более | Тип рекомендуемого кабеля |
|---|---|---|---|---|---|
| RS-485 | ModBus-RTU, ModBus-ASCII, DCON, ОВЕН | 7 или 8 бит, четность есть /нет/не используется, 1 или 2 стоп бита | 300, 600, 1200, 2400, 4800, 9600, 14400, 19200, 28800, 38400, 57600, 115200 бит/с | 1000 м | КИПЭВ 1 × 2 × 0,6 ТУ 16.К99-008 или аналогичный |
| RS-232 | ModBus-RTU, ModBus-ASCII, DCON, ОВЕН | 7 или 8 бит, четность есть /нет/не используется, 1 или 2 стоп бита | 300, 600, 1200,1200, 2400, 4800, 9600, 14400, 19200, 28800, 38400, 57600, 115200 бит/с | 3 м | Кабели, выполненные в соответствии с рекомендациями раздела |
| RS-232 Debug | ModBus-RTU, ModBus-ASCII, DCON, CODESYS GateWay (только для Debug RS-232), ОВЕН | только 8 бит, нет 1 | 300, 600, 1200, 2400, 4800, 9600, 14400, 19200, 28800, 38400, 57600, 115200 бит/с | 1,8 м | Кабели, выполненные в соответствии с рекомендациями раздела |
| Ethernet 100 Base-T | ModBus-TCP, CODESYS Gateway, TCP-IP, UDP-IP, CODESYS Network Variables (over UDP), РРР | – | 10, 100 Мбит/с | 100 м | Категория 5 тип UTP (витые пары без экрана), STP или FTP (витые пары в экране) |
| USB-Device | CDC | – | 115200 бит/с | 1,8 м | – |
| USB-Host | MSD/HID/FTDI, USB 1.0/1.1 | – | – | 1,5 м | – |
* Критерий правильного функционирования интерфейсов связи контроллера – не более 1 % ошибок на любой из скоростей. ** Максимальная длина зависит от скорости обмена. | |||||
Интерфейсы USB и RS-232 прибора питают подключенные устройства. Ток потребления питаемых устройств не должен превышать значений, указанных в таблице.
| Интерфейс | Максимальный ток питания подключаемых устройств |
|---|---|
| RS-232-Debug | До 250 мА* |
| RS-232 | |
| USB-Host | До 150 мА |
* Допускается подключение линии питания только для одного из интерфейсов: либо RS-232, либо RS-232 Debug. | |
Типы изоляции представлены в таблице
| Тип | Описание |
|---|---|
| Основная (О) | Изоляция для защиты частей оборудования, находящихся под напряжением, от поражения электрическим током. Электрическая прочность основной изоляции прибора проверяется типовыми испытаниями: приложением испытательного переменного напряжения, величина которого различна для различных цепей прибора |
| Дополнительная (Д) | Дополнительная независимая изоляция для гарантии защиты от поражения электрическим током в случае отказа основной изоляции. Электрическая прочность дополнительной изоляции прибора проверяется приложением испытательного переменного напряжения различной величины (действующее значение) |
| Двойная | Включает основную и дополнительные изоляции |
| Усиленная (У) | Отдельная система изоляции для частей под напряжением со степенью
защиты от поражения электрическим током, эквивалентной двойной изоляции
согласно |
| Функциональная (Ф) | Изоляция для исправной работы оборудования. Не обеспечивает защиту от поражения электрическим током. Электрическая прочность функциональной изоляции прибора проверяется приложением испытательного переменного напряжения 1000 В (действующее значение) |
Время испытания – 1 минута. | |
Схемы прочности гальванической изоляции для контроллера ПЛК160(М02) приведены на рисунке и рисунке.


Параметр | Значение (свойства) | |||||
|---|---|---|---|---|---|---|
Встроенный источник питания | ||||||
Тип источника питания | ПЛК160-24.Х-М(М02) | ПЛК160-220.Х-М(М02) | ||||
Гальваническая развязка | Отсутствует | Есть | ||||
Электрическая прочность изоляции | Отсутствует | 3000 В (У) | ||||
| Цифровые (дискретные) входы | ||||||
Гальваническая развязка | Групповая (все входы объединены в одну группу) | |||||
Электрическая прочность изоляции | 1780 В (Д) | |||||
| Дискретные выходы (контакты электромагнитных реле) | ||||||
Гальваническая развязка | Индивидуальная или групповая (часть выходов объединены в группу по 2 шт. и имеют общую клемму (см. схему изоляции) | |||||
| Между группами остальных цепей | Между выходами (или группами выходов) | |||||
Электрическая прочность изоляции | 3000 В (У) | 1780 В (О) | ||||
| Аналоговые входы | ||||||
Гальваническая развязка | Групповая (все входы объединены в одну группу) | |||||
Электрическая прочность изоляции | 560 В (Д) | |||||
| Аналоговые выходы | ||||||
Гальваническая развязка | Индивидуальная | |||||
| Между группами остальных цепей | Между выходами | |||||
Электрическая прочность изоляции | 1780 В (Д) | 1780 В (Д) | ||||
| Интерфейсы связи | ||||||
Интерфейс | RS-485 | RS-232 | RS-232-Debug | Ethernet 100 Base-T | USB-Device | USB-Host |
Гальваническая развязка | Индивидуальная | Отсутствует | Отсутствует | Индивидуальная | Отсутствует | Отсутствует |
Электрическая прочность изоляции | 3000 В (Ф) | – | – | 1500 В (О) | – | – |
Условия эксплуатации ПЛК160 (М02) соответствуют требованиям
Прибор соответствует второму классу электробезопасности в соответствии
с
Прибор предназначен для эксплуатации в следующих условиях:
закрытые взрывобезопасные помещения или шкафы электрооборудования без агрессивных паров и газов;
температура окружающего воздуха от минус 40 до плюс 55 °С;
относительная влажность от 10 % до 95 % при плюс 35 °С (без образования конденсации);
высота над уровнем моря не более 2000 м;
допустимая степень загрязнения 1 (несущественные загрязнения или наличие только сухих непроводящих загрязнений).
По устойчивости к климатическим воздействиям во время эксплуатации
прибор соответствует группе исполнения В4
По устойчивости к механическим воздействиям при эксплуатации прибор
соответствует группе исполнения N2
По устойчивости к воспламенению и распространению пламени FV1 корпус
прибора соответствует
Прибор отвечает требованиям по устойчивости к воздействию помех
в соответствии с
По уровню излучения радиопомех (помехоэмиссии) контроллер соответствует
нормам, установленным для оборудования класса Б по
Прибор устойчив к колебаниям и провалам напряжения питания:
для переменного тока в соответствии с требованиями
для постоянного тока в соответствии с
По устойчивости к электромагнитным воздействиям и по уровню излучаемых
радиопомех прибор соответствует оборудованию класса А по
Прибор устойчив к воздушному электростатическому разряду ± 8 кВ.
Прибор устойчив к радиочастотному электромагнитному полю напряженностью до 10 В/м в полосе частот от 80 до 1000 МГц.
Контроллер ПЛК160(М02) выпускается в конструктивном исполнении для крепления на DIN-рейке 35 мм или на стену.

| № | Наименование | Описание |
|---|---|---|
| 1 | Переключатель работа/стоп/сброс | Трехпозиционный переключатель (см. подраздел) |
| 2 | USB-Host (Разъем USB Type-A) | Порт для подключения USB-flash накопителей (см. подраздел) |
| 3 | USB-Device (Разъем USB Type-B) | Порт для программирования (см. подраздел) |
| 4 | RS-232 (Разъем RJ-45) | Последовательный интерфейс для подключения устройств (см. подраздел) |
| 5 | Ethernet (Разъем RJ-45) | Порт Ethernet 100 Base-T предназначен для подключения ПЛК в локальные сети, передачи данных и программирования (см. подраздел) |
| 6 | RS-232 Debug (Разъем RJ-45) | Последовательный интерфейс предназначен для подключения устройств и программирования (см. подраздел) |
| 7 | Светодиодные индикаторы состояния входов | FDI – обозначение для быстрых входов контроллера; DI – обычные дискретные входы (см. подраздел) |
| 8 | Светодиодные индикаторы состояния выходов | DO – обычные дискретные выходы (см. подраздел) |
| 9 | Светодиодные индикаторы состояния | Индикация состояния контроллера: «Работа», «Питание», «Связь», «Батарея» (см. подраздел) |
| 10 | Съемные клеммные колодки | Для подключения питания прибора, дискретных датчиков, исполнительных механизмов, аналоговых входов и выходов, интерфейсов RS-485 и клеммы встроенного источника постоянного напряжения 24 В |
Прибор имеет 16 цифровых (дискретных) входов. Обработка значений с входов осуществляется пользовательской программой контроллера.
Входы DI1–DI4 можно запрограммировать на работу в качестве счетчиков импульсов, на работу с энкодерами или перевести в режим обработки по прерыванию высокочастотного таймера. Максимальные частоты входных сигналов, которые могут воспринимать эти входы, приведены в таблице.
Режим работы дискретного входа | Минимальная длительность импульса, воспринимаемого дискретным входом | Комментарий |
|---|---|---|
| Программная обработка | 1667 мкс (300 Гц) | Определяется длительностью цикла прибора |
| Счетчик импульсов | 5 мкс (100 кГц) | При коэффициенте заполнения 0,5 (50 %) и отключенном фильтре |
| Энкодер | 5 мкс (до 100 кГц*) | При коэффициенте заполнения 0,5 (50 %) и отключенном фильтре |
| Чтение из прерывания по высокочастотному таймеру | 31 мкс (до 16 кГц) | До 8 кГц в режиме энкодера |
* Частота на контактах энкодера A, B и Z. | ||
Все «быстродействующие» входы объединяются в общую группу и одновременно работают в одном из перечисленных режимов в таблице.
К «быстродействующим» входам в режиме работы с энкодерами можно подключать приведенные в таблице типы энкодеров.
| Тип | Выходы энкодеров | Входы |
| Подключение двух инкрементальных энкодеров | А1 и В1 | DI1–DI2 |
| А2 и В2 | DI3–DI4 | |
| Подключение одного инкрементального энкодера с указателем нулевой метки (ABZ энкодер) | А и В | DI1–DI2 |
| Указатель нулевой метки (Z) | DI3 |
Прибор имеет 12 цифровых (дискретных) выходов типа реле. Выходы управляются пользовательской программой ПЛК.
Частота изменения сигнала не более 1 кГц, определяется длительностью цикла ПЛК.
Прибор имеет 8 аналоговых входов. Значения с входов обрабатываются пользовательской программой. Входы можно настроить независимо друг от друга на работу в одном из следующих режимов:
измерение тока от 4 до 20 мА;
измерение тока от 0 до 20 мА;
измерение тока от 0 до 5 мА;
измерение напряжения от 0 до 10 В.
Период обновления результатов измерения по каждому входу равен 10 мс.
Результаты измерения каждого канала можно отфильтровать независимо друг от друга с помощью цифровых фильтров. Более подробные сведения о настройке аналоговых входов приведены в РП.
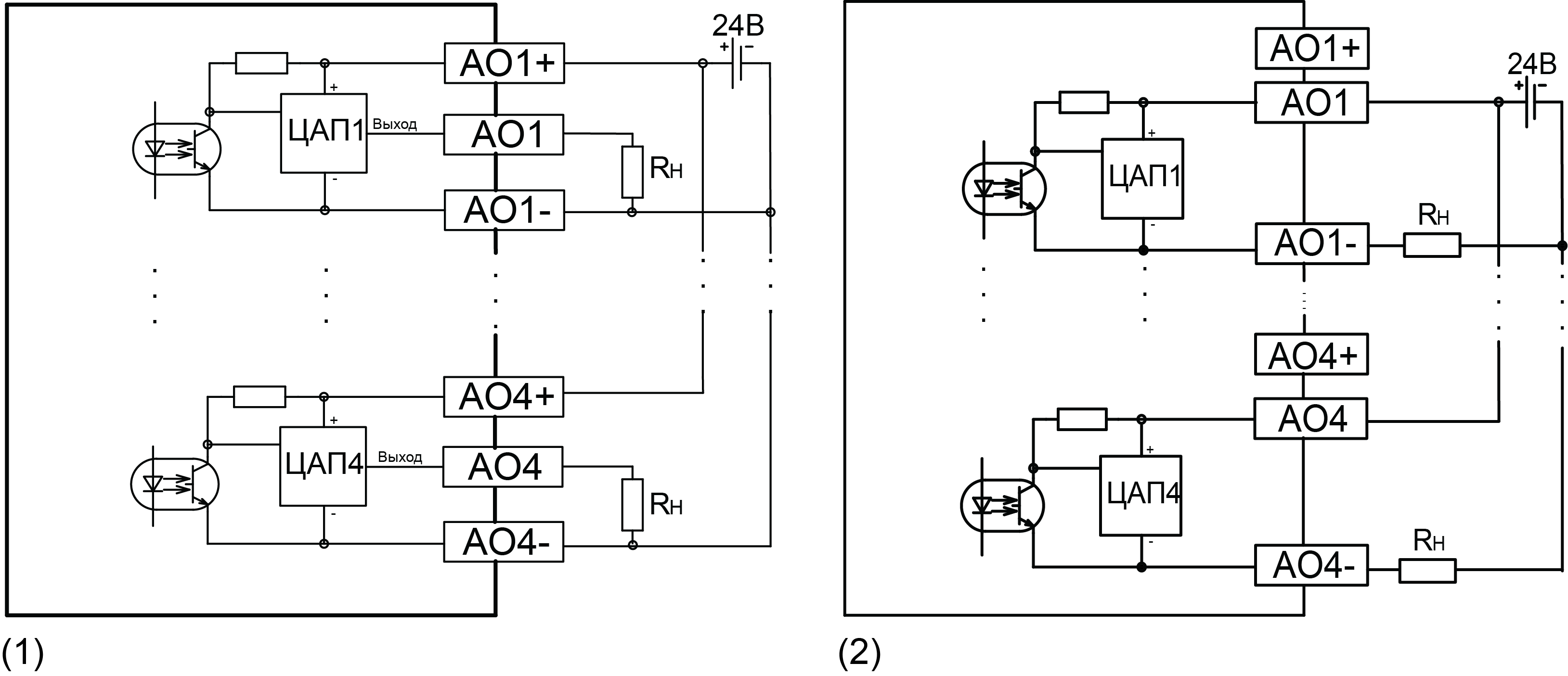
Прибор имеет 4 аналоговых выхода. Тип аналоговых выходов зависит от исполнения прибора:
И – ток от 4 до 20 мА;
У – напряжение от 0 до 10 В;
А – универсальный тип, который позволяет программно выбрать режим работы каждого выхода: ток от 4 до 20 мА или напряжение от 0 до 10 В.
На передней панели прибора светодиоды показывают следующую информацию:
состояние дискретных входов и выходов;
наличие питания;
наличие связи с CODESYS v 2.3;
работа контроллера.
| Индикатор | Состояние индикатора | Описание |
«Работа» | Слабо светится | Ядро ОС еще не загрузилось после включения питания контроллера |
| Мигает раз в 500 мс | Ядро ОС повреждено (не совпадает контрольная сумма) | |
| Мигает раз в 200 мс | Перегрузка центрального процессора | |
| Светится | Ядро ОС загружено успешно, программа CODESYS загрузилась и запустилась | |
| Не светится | Программа CODESYS не работает, остановлена или не загружена | |
«Питание» | Светится | Наличие питания у контроллера |
| Не светится | Отсутствие питания у контроллера | |
«Связь» | Светится | Наличие связи с CODESYS |
| Не светится | Отсутствие связи с CODESYS | |
| «Бат.» | Светится | Необходимо заменить батарейку (порядок замены см. подраздел) |
| Не светится | Батарейка не требует замены | |
| «FDI», «DI» | Светится | Соответствующий вход замкнут |
| Не светится | Вход разомкнут | |
| «DO» | Светится | Соответствующий выход замкнут |
| Не светится | Выход разомкнут |
В корпусе контроллера расположен маломощный звуковой излучатель. Во время работы пользовательской программы звуковой излучатель может использоваться как дискретный выход (см. РП). Излучатель можно использовать, например, для аварийной сигнализации или во время отладки программы. Частота и громкость звукового сигнала фиксированы и не подлежат изменению.
На передней панели прибора около порта интерфейса USB B расположен трехпозиционный переключатель.
Положения переключателя определяют состояния прибора, описанные в таблице
| Положение переключателя | Состояние прибора | Описание | |
|---|---|---|---|
| Перевод в
верхнее положение | Во включенном состоянии | Пользовательская программа не запустится | |
| До включения | Со стартом контроллера запустится пользовательская программа, если она настроена на автозапуск* | ||
| Перевод в среднее положение «Стоп» | Во включенном состоянии | Пользовательская программа не будет остановлена | |
| Перевод в среднее положение «Стоп» | До включения | Во время старта прибора пользовательская программа не будет загружена в ОЗУ контроллера и запущена | |
| Перевод в
нижнее (нефиксируемое) положение | Во включенном состоянии | Через 6 секунд удержания произойдет перезагрузка прибора | |
| В отключенном состоянии | Ничего не произойдет | ||
* Для настройки программы на автозапуск следует заранее подключить контроллер к CODESYS и создать загрузочный проект: CODESYS | Онлайн | Создание загрузочного проекта. | |||
На лицевой части прибора расположен интерфейс USB-Host для подключения устройств хранения: USB Mass Storage Device(MSD), USB HUB и HID-устройств.
Во время работы с интерфейсом USB-Host следует учитывать следующие особенности:
USB-Host имеет функцию защиты от перегрузки и короткого замыкания. Срабатывание защиты приводит к выключению питания на USB-Host с последующими периодическими попытками восстановления питания;
максимальный размер памяти USB MSD не должен превышать 8 GB;
прибор не поддерживает USB MSD в формате NTFS. Необходимо отформатировать USB MSD в формат FAT12, FAT16 или FAT32.
Для безопасного извлечения накопителя следует:
Завершить все процедуры записи.
Дождаться прекращения активности на накопителе (светится индикатор) или выждать не менее 3 секунд.
Извлечь накопитель.
Прибор подключается к ПК через порт USB-Device кабелем USB А-USB В (в комплект поставки не входит).
Подключение прибора к CODESYS v2.3 подробно описано в РП.
В приборе есть один интерфейс RS-232 для связи двух последовательных устройств по протоколу Modbus RTU/ASCII. Прибор поддерживает режимы Master и Slave.
Контакты порта RS-232 показаны на рисунке. Назначение контактов описано в таблице.

| № контакта | Описание |
|---|---|
| 1 | – |
| 2 | – |
| 3 | GND |
| 4 | – |
| 5 | +5 Vdc, 250 мA |
| 6 | – |
| 7 | RX |
| 8 | TX |
Следует отключить питание всех устройств в сети RS-232 перед подключением контроллера к сети. Если данное условие не может быть выполнено, то необходимо отключить питание хотя бы одного из этих устройств.
Порт имеет вывод 5 В и позволяет питать подключенные устройства током с силой не более 250 мA. Допускается подключать линию питания только для одного из интерфейсов: RS-232 или RS-232 Debug.
Контроллер оснащён коммуникационным портом Ethernet 100 Base-Т, который обеспечивает сетевое взаимодействие контроллера с другими устройствами.
Контакты порта Ethernet показаны на рисунке. Назначение контактов описано в таблице.

| № контакта | Описание |
|---|---|
| 1 | TD+ |
| 2 | TD- |
| 3 | RD+ |
| 4 | – |
| 5 | – |
| 6 | RD- |
| 7 | – |
| 8 | – |
На рисунке также представлены светодиоды, которые показывают состояние интерфейса Ethernet. Назначение светодиодов описано в таблице
| Светодиод | Описание | Статус | Описание |
| Желтый | Передача данных | Выкл. | Нет активности |
| Вкл. | Передача или получение данных | ||
| Зеленый | Соединение | Выкл. | Нет соединения или соединение 10 Мбит/с |
| Вкл. | Соединение 100 Mбит |
В приборе есть один интерфейс RS-232 Debug, который можно использовать для подключения контроллера к ПК и для связи двух последовательных устройств по протоколу Modbus RTU (только режим Slave) и Modbus ASCII (поддерживается режимы и Master, и Slave).
Контакты порта RS-232 Debug показаны на рисунке. Назначение контактов описано в таблице.

| № контакта | Описание |
|---|---|
| 1 | – |
| 2 | – |
| 3 | GND |
| 4 | – |
| 5 | +5 В, 250 мA |
| 6 | – |
| 7 | RX |
| 8 | TX |
Следует отключить питание всех устройств в сети RS-232 перед подключением контроллера к сети. Если данное условие не может быть выполнено, то необходимо отключить питание хотя бы одного из этих устройств.
Порт имеет вывод 5 В и позволяет осуществить питание подключенных устройств, ток не более 250 мA. Допускается подключать линию питания только для одного из интерфейсов: RS-232 или RS-232 Debug.
Порт RS-232 Debug можно использовать для подключения к CODESYS v2.3 (см. РП).
В приборе есть один интерфейс RS-485 для связи последовательных устройств по протоколам Modbus ASCII/RTU, DCON, ОВЕН в режимах Master и Slave.
Для соединения приборов по интерфейсу RS-485 применяется экранированная витая пара проводов, согласно требованиям таблицы. Общая длина линии RS-485 не должна превышать 1000 м.
Линии связи следует подключать с соблюдением полярности. Линия связи А подключается к клемме А прибора, аналогично подключается линия связи В к клемме В.
Подробную схему подключения см. в разделе.
Прибор оснащен встроенными часами реального времени (RTC), которые могут питаться от батареи. Энергии полностью заряженной батареи хватает на непрерывную работу часов реального времени в течение 5 лет. В случае эксплуатации контроллера при температуре на границах рабочего диапазона время работы часов сокращается.
В приборе используется сменная батарея типа CR2032. Батарея используется только для питания часов реального времени. В случае отключения питания контроллер сохраняет промежуточные результаты вычислений и выключается.
Если батарея разряжена (напряжение в ней опускается ниже определенного значения), то включается индикатор разряда батареи (светодиод «Бат.» на лицевой стороне прибора). Включение индикатора сигнализирует о необходимости замены батареи (см. раздел).
Для замены батареи следует:
Отключить питание прибора и подключенных к нему устройств.
Поднять прозрачную крышку 1 над клеммной колодкой 2.
Выкрутить два винта 3.
Зацепить колодку отверткой и снять ее как показано на стрелке 4.

Отсоединить клеммы.

Сборку корпуса и установку на место следует осуществлять в обратном порядке.
После сборки и включения прибора убедитесь, что показания часов корректны. Информация о том, как скорректировать показания часов, находится в РП.
По способу защиты от поражения электрическим током контроллер ПЛК160-24.Х(М02)
соответствует классу III, а ПЛК160-220.Х(М02) соответствует классу
II по
Во время эксплуатации и технического обслуживания прибора следует соблюдать требования ГОСТ 12.3.019-80, «Правил эксплуатации электроустановок потребителей» и «Правил охраны труда при эксплуатации электроустановок потребителей».
Открытые контакты клемм прибора во время эксплуатации находятся под напряжением величиной до 250 В. Любые подключения к прибору и работы по его техническому обслуживанию следует производить только при отключенном питании контроллера и подключенных к нему исполнительных механизмов.
Не допускается попадание влаги на контакты выходных соединителей и внутренние элементы контроллера. Запрещено использовать прибор при наличии в атмосфере кислот, щелочей, масел и иных агрессивных веществ.
В случае применения прибора на объектах, подконтрольных Федеральной службе по экологическому, технологическому и атомному надзору (ФСЭТАН), объектах органов безопасности и охраны правопорядка или иных объектах, потенциально представляющих опасность для жизни и здоровья окружающих, требуется обязательная защита паролем ПЛК.
Требования к паролю:
длина пароля должна составлять не менее 8 символов и не более 32 символов;
пароль должен содержать буквы латинского алфавита и цифры.
Пароль рекомендуется менять не реже 1 раза в 3 месяца. Не допускается подключать прибор к локальной сети Ethernet с выходом в сеть Intеrnet без обеспечения надежных средств межсетевого экранирования. Физический доступ к прибору должен быть разрешен только квалифицированному обслуживающему персоналу.
Во время монтажа прибора следует учитывать меры безопасности из раздела. Для обеспечения электробезопасности при монтаже прибора следует руководствоваться подразделом.
Перед монтажом прибора следует подготовить место в шкафу электрооборудования. Конструкция шкафа должна защищать прибор от попадания в него влаги, грязи и посторонних предметов.
Контроллер закрепляется на DIN-рейку или внутреннюю стену шкафа защелками вниз.
Для установки прибора на DIN-рейке следует:
Подготовить на DIN-рейке место для установки прибора в соответствии с размерами.
Установить прибор на DIN-рейку в соответствии с рисунком по стрелке 1 и с усилием прижать его к DIN-рейке в направлении стрелки 2 до фиксации защелки.

Для демонтажа прибора с DIN-рейки следует:
В проушину защелки вставить острие отвертки.
Защелку отжать по стрелке 1, после чего контроллер отвести от DIN-рейки по стрелке 2.
Обе защелки следует отжать одновременно.

Для установки прибора на стену следует:
Подготовить место на стене для установки прибора в соответствии с размерами;
Установить прибор на стене и закрепить двумя винтами М3 (не входят в комплект поставки). Для крепления используются проушины у основания корпуса контроллера.
Во время монтажа следует оставить зазоры между стенками и корпусом прибора не менее 30 мм.

Для обеспечения надежности электрических соединений рекомендуется использовать медные многожильные кабели, концы которых перед подключением следует тщательно зачистить, залудить или использовать кабельные наконечники. Жилы кабелей следует зачистить так, чтобы их оголенные концы после подключения к прибору не выступали за пределы клеммника. Сечение жил кабелей должно быть не более 1 мм2.
Общие требования к линиям соединений:
во время прокладки кабелей следует выделить линии связи, соединяющие прибор с датчиком, в самостоятельную трассу (или несколько трасс), располагая ее (или их) отдельно от силовых кабелей, а также от кабелей, создающих высокочастотные и импульсные помехи;
для защиты входов прибора от влияния промышленных электромагнитных помех линии связи прибора с датчиком следует экранировать. В качестве экранов могут быть использованы как специальные кабели с экранирующими оплетками, так и заземленные стальные трубы подходящего диаметра. Экраны кабелей с экранирующими оплетками следует подключить к контакту функционального заземления (FE) в щите управления;
фильтры сетевых помех следует устанавливать в линиях питания прибора;
искрогасящие фильтры следует устанавливать в линиях коммутации силового оборудования.
При монтаже системы, в которой работает прибор, следует учитывать правила организации эффективного заземления:
все заземляющие линии следует прокладывать по схеме «звезда» с обеспечением хорошего контакта с заземляемым элементом;
все заземляющие цепи должны быть выполнены проводами наибольшего сечения;
запрещается объединять клемму прибора с маркировкой «Общая» и заземляющие линии.
Прибор следует питать от распределенной питающей сети, не связанной непосредственно с питанием мощного силового оборудования. Во внешней цепи рекомендуется установить выключатель, обеспечивающий отключение прибора от сети. Следует использовать автоматический выключатель, рассчитанный на ток 1 А, характеристика В. Не следует осуществлять питание каких-либо устройств от сетевых контактов контроллера.
Схема подключения питания прибора представлена на рисунке:

Подключение источников сигналов к дискретным входам, а также подключение исполнительных механизмов к дискретным выходам осуществляются в соответствии со схемами, приведенными на рисунках ниже.




Релейные выходы не имеют внутренней защиты от перегрузки. По этой причине следует использовать элементы защиты, показанные на рисунке.


Для индуктивных нагрузок, например, для работы с контакторами или магнитными клапанами, управляемыми постоянным напряжением, следует всегда использовать безынерционные диоды. Эти диоды часто устанавливаются в управляемые устройства заранее. Если диоды не установлены, то их необходимо смонтировать.
Если индуктивные нагрузки включаются релейными выходами с переменным напряжением, следует предусмотреть RC-цепочку, снижающую пиковое напряжение при включении нагрузки и, благодаря этому, защищающую контакты реле от повреждений при искровом разряде.
В таблице перечислены устройства, которые можно подключить к контроллеру, а также способы подключения.
| Подключаемое устройство | Порт ПЛК160 | Кабель | Номер рисунка | Комментарий |
|---|---|---|---|---|
| Модули ввода/вывода Мх110, панели индикации, также любое, поддерживающее RS-485 и протоколы из таблицы | RS-485 | Витая пара | – | Подключение следует производить при отключенном напряжении питания всех устройств сети RS-485*. Соблюдать полярность |
| Панели индикации ИП320, СП270, СП3ХХ, также любое устройство, поддерживающее RS-232 и протоколы из таблицы | RS-232 Debug | КС16 | Подключение следует производить при отключенном напряжении питания прибора и подключаемого устройства* | |
| RS-232 | КС16 или КС17 в зависимости от вида разъема на присоединяемом устройстве | |||
| ПК, связь со SCADA-системой, модули ввода/вывода Мх210, OwenCloud | Ethernet | Ethernet UTP Cat 5 | – | |
| ПК, установка связи с CODESYS | Debug RS-232 | КС14 | Кабель КС14 подключается к обесточенным прибору и ПК** | |
| Модем ПМ01, АС3-М и другие устройства | Debug RS-232 | КС17 | Во время подключения модема к порту Debug RS-232 на кабеле КС17 следует установить переключатель в положение «OFF» | |
| ПК, установка связи с CODESYS | USB Device | USB B – USB A | – | Следует подключать спустя 3–5 секунд после подачи напряжения питания на прибор |
* Если данное условие не может быть выполнено, то следует отключить питание хотя бы одного из этих устройств. ** Если отключение питания прибора и ПК невозможно, то рекомендуется следующий порядок подключения кабеля:
| ||||
Схемы подключаемых кабелей представлены на рисунках ниже.


Для подключения можно использовать готовый кабель КС16 (приобретается отдельно).
Кабель программирования КС14 из комплекта поставки предназначен для подключения к ПК и не может быть использован для подключения к порту Debug RS-232 других устройств. На порт RS-232 это правило не распространяется, и другие устройства следует подключать к нему с помощью кабеля КС17 (приобретается отдельно).


Пример комплексной архитектуры системы управления с применением ПЛК160 приведен на рисунке.

Перед использованием прибор следует запрограммировать, то есть создать пользовательскую программу. После создания пользовательскую программу можно сохранить в энергонезависимой Flash-памяти прибора и запускаться на выполнение после включения питания или перезагрузки.
Прибор программируется с помощью CODESYS 2.3. С помощью одного из интерфейсов контроллера: Debug RS-232, USB-Device или Ethernet.
Прибор подключается к ПК через интерфейс Debug RS-232 с помощью кабеля программирования КС14. Кабель включается в гнездо (Debug RS-232) на лицевой панели прибора. Ответная часть кабеля подключается к СОМ-порту ПК.
Прибор подключается к ПК через порт USB-Device стандартным кабелем типа USB А-USB В (в комплект поставки не входит).
Время реакции зависит от типов применяемых входов/выходов. Аналитическое выражение для определения времени полного отклика прибора (Тоткл):
Тоткл = Твх + 2Тцикла + Твых, |
где Твх – время реакции входа на изменение физического сигнала (включая фильтрацию). По умолчанию значения для обычных входов – 1,0 мс, для быстродействующих входов – 0,001 мс (в таблице данный параметр называется «Минимальная длительность импульса, воспринимаемого дискретным входом»);
Тцикла – время цикла ПЛК. Установленное значение по умолчанию – 1 мс (стабилизированное). Настраивается в окне «Конфигурация ПЛК (PLC Configuration)» CODESYS. Длительность цикла можно узнать, подключив модуль статистики, – он подробно описан в РП;
Твых – задержка на срабатывание выхода. Значения для релейных выходов – 50 мс, для обычных транзисторных выходов – 5 мс, для быстродействующих транзисторных выходов – 0,02 мс.
Пример расчета времени полного отклика контроллера для разных вариантов использования входов и выходов.
Наиболее медленный отклик можно реализовать при использовании обычных входов, релейных выходов и установленном фиксированном значении (по умолчанию) времени цикла ПЛК:
Тоткл = Твх + 2Тцикла + Твых = 1 + 2 · 1 + 50 = 53 мс.
Если прибор находился длительное время при температуре ниже рабочей, то перед включением и началом работ с прибором необходимо выдержать его в помещении с температурой, соответствующей рабочему диапазону, в течение 30 мин.
Перед подачей питания на прибор следует проверить правильность подключения напряжения и его уровень.
Для моделей с питанием переменным током:
если напряжение ниже 90 В, то контроллер работать не будет (точный порог отключения не регламентируется);
если напряжение более 264 В, то возможен выход прибора из строя.
Для моделей с питанием от источника постоянного напряжения:
если напряжение ниже 9 В, то работа контроллера не гарантируется (контроллер прекращает функционировать, однако из строя не выходит);
если напряжения питания выше уровня 30 В, то возможен выход прибора из строя.
Во время подачи на прибор напряжения питания допустимого диапазона
на лицевой стороне корпуса начинает светиться зеленым светом индикатор
После включения питания контроллер загрузится и кратковременно включатся звуковой сигнализатор и все элементы индикации. Если в контроллер загружена пользовательская программа и трехпозиционный переключатель установлен в положении «Старт», то пользовательская программа сразу начинает исполняться.
Во время выполнения работ по техническому обслуживанию контроллера следует соблюдать меры безопасности из раздела.
Технический осмотр контроллера проводится обслуживающим персоналом не реже одного раза в 6 месяцев и включает в себя выполнение следующих операций:
очистка корпуса и клеммных колодок контроллера от пыли, грязи и посторонних предметов;
проверка заряда батареи по индикатору «Бат.» (когда прибор находится в рабочем режиме);
проверка качества подключения внешних связей.
Обнаруженные во время осмотра недостатки следует немедленно устранить.
На корпус прибора нанесены:
На потребительскую тару нанесены:
Упаковка прибора производится в соответствии с ГОСТ 23088-80 в потребительскую тару, выполненную из коробочного картона по ГОСТ 7933-89.
Упаковка прибора при пересылке почтой производится по ГОСТ 9181-74.
Прибор должен транспортироваться в закрытом транспорте любого вида. В транспортных средствах тара должна крепиться согласно правилам, действующим на соответствующих видах транспорта.
Транспортирование приборов в упаковке предприятия-изготовителя должно соответствовать следующим условиям:
температура окружающего воздуха от минус 40 до плюс 70 °С;
относительная влажность от 10 до 95 % без конденсации влаги;
атмосферное давление не менее 80 кПа (эквивалентно высоте 3000 м над уровнем моря)
Прибор следует перевозить в транспортной таре поштучно или в контейнерах с соблюдением мер защиты от ударов и вибраций.
Условия хранения в таре на складе изготовителя и потребителя должны соответствовать условиям 1 по ГОСТ 15150-69. В воздухе не должны присутствовать агрессивные примеси.
Прибор следует хранить на стеллажах.
| Наименование | Количество |
|---|---|
Контроллер ПЛК160(М02) (исполнение в соответствии с заказом) | 1 шт. |
Кабель КС14 | 1 шт. |
Заглушка Ethernet | 3 шт. |
Паспорт и гарантийный талон | 1 экз. |
Руководство по эксплуатации | 1 экз. |
Изготовитель гарантирует соответствие прибора требованиям ТУ при соблюдении условий эксплуатации, транспортирования, хранения и монтажа.
Гарантийный срок эксплуатации – 24 месяца со дня продажи.
В случае выхода прибора из строя в течение гарантийного срока при соблюдении условий эксплуатации, транспортирования, хранения и монтажа предприятие-изготовитель обязуется осуществить его бесплатный ремонт или замену.
Порядок передачи прибора в ремонт содержится в паспорте и в гарантийном талоне.