1-RU-32751-1.33

Руководство по эксплуатации

Введение

Настоящее руководство по эксплуатации предназначено для ознакомления обслуживающего персонала с устройством, принципом действия, конструкцией, технической эксплуатацией и обслуживанием модулей дискретного вывода МУ110-224.16К и МУ110-224.16Р (в дальнейшем по тексту именуемых «прибор», «модуль»).

Подключение, регулировка и техническое обслуживание прибора должны производиться только квалифицированными специалистами после прочтения настоящего руководства по эксплуатации.

Обозначение при заказе: МУ110-224.16К и МУ110-224.16Р.

Перечень обновлений

ПараметрМУ110-16К(Р) H/W v2.0МУ110-16К(Р)
ПО для настройкиOWEN ConfiguratorКонфигуратор М110
Поддерживаемые протоколыModbus RTU/ASCII, ОВЕНModbus RTU/ASCII, ОВЕН, DCON
Счётчики импульсов дискретных входовЭнергозависимыеЭнергонезависимые
Восстановление заводских настроекСбрасываются на заводские при включении питания с переключателем 2 в положении ВключенМодуль работает с заводскими значениями сетевых параметров, но в его памяти сохраняются установленные ранее значения сетевых параметров при включении питания с соответствующей перемычкой в положении ON
Поддерживаемые функции записи по протоколу Modbus0x06, 0x100x10, 0x0F
Доступ к сетевым параметрам по протоколу ModbusДаНет

Используемые аббревиатуры

  • ВЭ – выходные элементы.
  • ИМ – исполнительный механизм.
  • ПК – персональный компьютер.
  • ПЛК – программируемый логический контроллер.
  • ПО – программное обеспечение.
  • ШИМ – широтно-импульсная модуляция.

Назначение

Модули дискретного вывода МУ110-16К и МУ110-16Р предназначены для подключения исполнительных устройств на объектах автоматизации. Модуль управляется с помощью ПЛК, панельного контроллера, ПК или другого управляющего устройства.

Прибор изготавливается в нескольких модификациях, отличающихся друг от друга встроенными выходными элементами. Модификации прибора обозначаются в документации и заказах следующим образом:

МУ110-224.16X, где X — тип ВЭ:

  • Р – реле электромагнитное;
  • К – оптопара транзисторная n-p-n типа.

Прибор выпускается согласно ТУ 4217-016-46526536-2009.

Технические характеристики и условия эксплуатации

Технические характеристики

Технические характеристики
ХарактеристикаЗначение
Питание
Напряжение питания (универсальное):
  • переменного тока
от 90 до 264 В (номинальное 230 В), частота от 47 до 63 Гц
  • постоянного тока
от 18 до 30 В (номинальное 24 В)
Потребляемая мощность, не более12 ВА
Выходы МУ110-16Р
Количество дискретных выходных элементов16
Тип выходаэлектромагнитное реле
Тип контактанормально разомкнутый контакт
Режим работы

переключение логического сигнала;

генерация ШИМ сигнала

Максимальное напряжение на контакты реле

264 В (СКЗ) переменного напряжения;

30 В постоянного напряжения

Максимальный ток нагрузки

5 А (при переменном напряжении не более 250 В (СКЗ), 50 Гц, резистивная нагрузка);

5 А (при постоянном напряжении не более 30 В, резистивная нагрузка)

Категория применения по ГОСТ IEC 60947-5-1:2014АС-15, С300*
Механический ресурс реле20 000 000 срабатываний
Электрический ресурс реле, не менее

80 000 переключений при 3 А, 30 В постоянного напряжения, резистивная нагрузка;

100 000 переключений при 5 А, 250 В (СКЗ) переменного напряжения, резистивная нагрузка

Время переключения контактов реле из состояния «лог. 0» в «лог. 1»15 мс
Время переключения контактов реле из состояния «лог. 1» в «лог. 0»15 мс
Выходы МУ110-16К
Количество выходов16
Тип выходатранзисторная оптопара n-p-n-типа, открытый коллектор
Режим работы

переключение логического сигнала;

генерация ШИМ сигнала

Напряжение питания выходов10…60 В
Максимальный постоянный ток нагрузки0,4 А
Максимальное падение напряжения на выходе1,5 В
Максимальный ток для категории применения DC-13 по ГОСТ IЕС 60947-5-1-20140,4 А

(только с применением внешнего диода)

Максимальная длина линии питания транзисторных выходов30 м
Минимальная длительность импульса, не менее5 мс
Параметры ШИМ
Максимальная частота1 Гц (при коэффициенте заполнения 0,05)
Минимальная длительность импульса ШИМ50 мс
Интерфейсы
Тип интерфейсаRS-485
Скорости обмена по интерфейсу RS-4852400, 4800, 9600, 14400, 19200, 28800, 38400, 57600, 115200, 230440 бит/с
Гальваническая изоляция между питанием прибора и интерфейсом, не менее2300 В
Протокол обмена даннымиModbus ASCII, Modbus RTU, ОВЕН**
Допустимое число перезаписей flash-памяти***, не более10 000
Общие параметры
Габаритные размеры(63 × 110 × 75) ± 1 мм
Степень защиты корпуса:
  • со стороны передней панели
IP20
  • со стороны клеммной колодки
IP00
Средняя наработка на отказ100 000 ч****
Средний срок службы10 лет
Масса, не более0,5 кг
Примечание

* Управление электромагнитами переменным напряжением до 300 В (СКЗ) и полной мощностью до 360 ВА.

** Тип протокола определяется прибором автоматически.

*** Во flash-памяти хранятся кофигурационные параметры.

**** Не считая электромеханических переключателей.

Изоляция узлов прибора

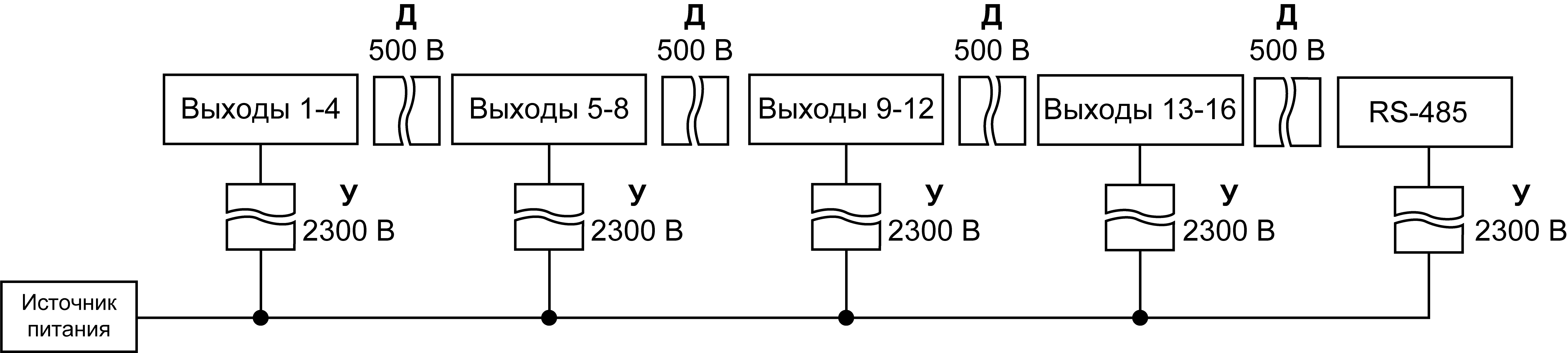
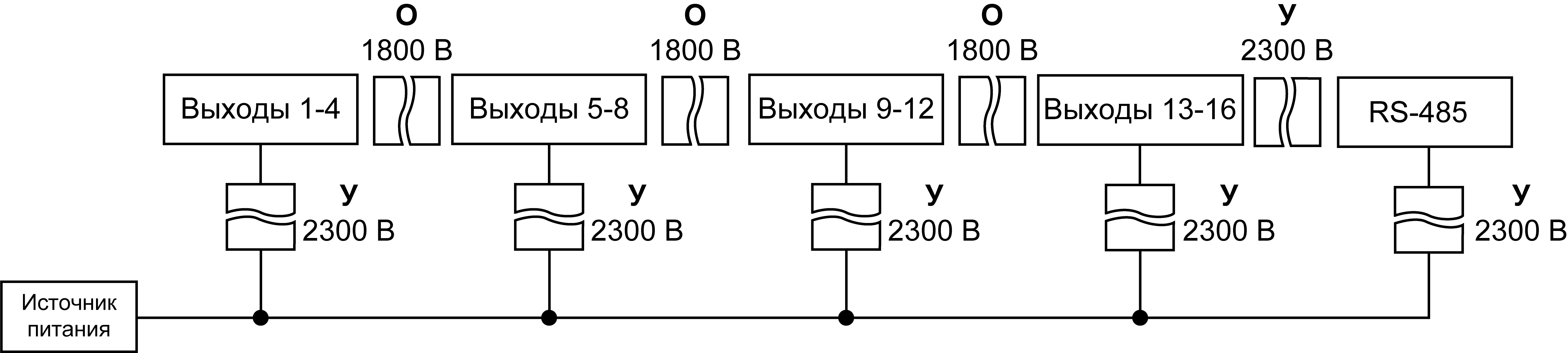
Схема гальванически изолированных узлов и прочность гальванической изоляции приведена на рисунке(МУ110-16К) и на рисунке (МУ110–16Р).

Graphic
Изоляция узлов модуля МУ110–16К
Graphic
Изоляция узлов модуля МУ110–16Р
Типы изоляции
ТипОписание
Основная (О)Изоляция для частей оборудования, находящихся под напряжением, с целью защиты от поражения электрическим током. Электрическая прочность основной изоляции прибора проверяется типовыми испытаниями: приложением испытательного переменного напряжения, величина которого различна для различных цепей прибора
Усиленная (У)Отдельная система изоляции для частей под напряжением со степенью защиты от поражения электрическим током, эквивалентной двойной изоляции согласно ГОСТ 51841-2001. Электрическая прочность усиленной изоляции прибора проверяется типовыми испытаниями: приложением испытательного переменного напряжения 3000 В (действующее значение) и контролем длины путей утечек
Дополнительная (Д)Независимая изоляция, в дополнение к основной изоляции для гарантии защиты от поражения электрическим током в случае отказа основной изоляции. Электрическая прочность дополнительной изоляции прибора проверяется типовыми испытаниями испытательного переменного напряжения различной величины (действующее значение)
Предупреждение
Значение прочности изоляции указано для испытаний при нормальных климатических условиях (время воздействия – 1 минута) согласно ГОСТ IEC 61131-2-2012.

Условия эксплуатации

Условия эксплуатации:

  • температура окружающего воздуха от –10 до +55 °C;
  • относительная влажность воздуха от 10 до 95 % (без образования конденсата);
  • атмосферное давление от 84,0 до 106,7 кПа;
  • закрытые взрывобезопасные помещения без агрессивных паров и газов.

По устойчивости к воздействию синусоидальных вибраций во время эксплуатации прибор соответствует группе исполнения N1 ГОСТ Р 52931-2008.

По устойчивости к воздействию температуры и влажности окружающего воздуха во время эксплуатации прибор соответствует группе исполнения В4 ГОСТ Р 52931-2008.

По устойчивости к воздействию атмосферного давления прибор относится к группе Р1 ГОСТ Р 52931-2008.

По электромагнитной совместимости модули относятся к оборудованию класса А ГОСТ 30804.6.2-2013

По устойчивости к воздействию помех прибор отвечает требованиям ГОСТ IEC 61131-2-2012, ГОСТ 30804.6.2-2013 (IEC 6100-6-26:2005), ГОСТ 30804.6.4-2013 (IEC 61000-6-4:2006).

По уровню излучения радиопомех (помехоэмиссии) прибор соответствует нормам, установленным ГОСТ 30804.6.3-2013 (IEC 61000-6-3:2006).

Во время подачи импульсных помех допускается кратковременное прекращение обмена по сети RS-485. Обмен должен восстанавливаться сразу по окончании действия помехи.

Меры безопасности

Внимание
Во время эксплуатации прибора открытые контакты клеммника находятся под опасным для жизни напряжением. Прибор следует устанавливать в специализированных шкафах, доступ внутрь которых разрешен только квалифицированным специалистам. Любые подключения к прибору и работы по его техническому обслуживанию производить только при отключенном питании прибора и подключенных к нему устройств.

По способу защиты от поражения электрическим током прибор соответствует классу III для номинального напряжения питания 24 В и классу II – для 230 В по ГОСТ 12.2.007.0-75.

Во время эксплуатации, технического обслуживания и поверки следует соблюдать требования следующих документов:

  • ГОСТ 12.3.019-80

  • «Правила технической эксплуатации электроустановок потребителей»;

  • «Правила охраны труда при эксплуатации электроустановок».

Не допускается попадание влаги на контакты выходного разъема и внутренние электроэлементы прибора.

Предупреждение
ЗАПРЕЩАЕТСЯ использование прибора при наличии в атмосфере кислот, щелочей, масел и иных агрессивных веществ.

Монтаж и демонтаж

Установка

Прибор может быть установлен на DIN-рейке 35 мм или закреплен на внутренней стенке шкафа с помощью винтов.

Для установки прибора на DIN-рейку следует:

  1. Подготовить место на DIN-рейке для установки прибора.
  2. Установить прибор на DIN-рейку.
  3. С усилием придавить прибор к DIN-рейке до фиксации защелки.

Для демонтажа прибора следует:

  1. Отсоединить линии связи с внешними устройствами.
  2. В проушину защелки вставить острие отвертки.
  3. Защелку отжать, после чего отвести прибор от DIN-рейки.

GraphicGraphic
Габаритные и установочные размеры

Отсоединение клеммных колодок

Для отсоединения клеммных колодок следует:

  1. Отключить питание модуля и подключенных к нему устройств.
  2. Поднять крышку.
  3. Выкрутить винты.
  4. Снять колодку, как показано на рисунке.
Graphic
Отделение съемных частей клемм

«Быстрая» замена

Конструкция клеммника позволяет оперативно заменить прибор без демонтажа подключенных к нему внешних линий связи.

Для замены прибора следует:

  1. Обесточить все линии связи, подходящие к прибору, в том числе линии питания.
  2. Открутить крепежные винты по краям обеих клеммных колодок прибора.
  3. Отделить съемную часть каждой колодки от прибора вместе с подключенными внешними линиями связи с помощью отвертки или другого подходящего инструмента.
  4. Снять прибор с DIN-рейки или вынуть прибор из щита.
  5. На место снятого прибора установить другой с предварительно удаленными разъемными частями клеммных колодок.
  6. Подсоединить к установленному прибору снятые части клеммных колодок с подключенными внешними линиями связи.
  7. Закрутить крепежные винты по краям обеих клеммных колодок.

Подключение

Порядок подключения

Для подключения прибора следует:

  1. Подсоединить прибор к источнику питания.
  2. Подсоединить линии связи «прибор – исполнительные механизмы».
  3. Подсоединить линии интерфейса RS-485.
  4. Подать питание на прибор.

Рекомендации по подключению

Внешние связи следует монтировать проводом сечением не более 0,75 мм2. Для многожильных проводов следует использовать наконечники.

Graphic
Рекомендации для проводов

Общие требования к линиям соединений:

  • во время прокладки кабелей следует выделить линии связи, соединяющие прибор с ИМ, в самостоятельную трассу (или несколько трасс), располагая ее (или их) отдельно от силовых кабелей, а также от кабелей, создающих высокочастотные и импульсные помехи;
  • для защиты выходов прибора от влияния промышленных электромагнитных помех линии связи прибора с ИМ следует экранировать. В качестве экранов могут быть использованы как специальные кабели с экранирующими оплетками, так и заземленные стальные трубы подходящего диаметра. Экраны кабелей с экранирующими оплетками следует использовать только с одной стороны – в начале линии, либо подключить к контакту функционального заземления (FE) в щите управления;
  • фильтры сетевых помех следует устанавливать в линиях питания прибора;
  • искрогасящие фильтры следует устанавливать в линиях коммутации силового оборудования.

Монтируя систему, в которой работает прибор, следует учитывать правила организации эффективного заземления:

  • все заземляющие линии прокладывать по схеме «звезда» с обеспечением хорошего контакта к заземляемому элементу;
  • все заземляющие цепи должны быть выполнены проводами наибольшего сечения;
  • запрещается объединять клемму прибора с маркировкой «Общая» и заземляющие линии.

Защита сетевых параметров от изменения

Прибор можно защитить от случайного изменения сетевых параметров.

Для защиты сетевых параметров прибора от записи следует:

  1. Отключить питание прибора.
  2. Открыть крышку на лицевой панели.
  3. Установить переключатель 1 в положение Включено.
Примечание
Для внесения изменений в сетевые параметры прибора следует вернуть переключатель 1 в положение Выключен и перезапустить питание модуля.

Назначение контактов клеммника

Общий чертеж прибора с указанием номеров клемм и расположения переключателей и светодиодов представлен на рисунке ниже.

Graphic
Назначение контактов клеммника МУ110-224.16К и МУ110-224.16Р

Назначение контактов клеммника МУ110-224.16К и МУ110-224.16Р
НазваниеНазначениеНазваниеНазначение
1220 V/0 V/PWR–Питание ~90…264 В или минус питания 18…30 В13BRS-485
2220 V/0 V/PWR+Питание ~90…264 В или плюс питания 18…30 В14ARS-485
3DO1Выход 115DO9Выход 9
4DO2Выход 2 16DO10Выход 10
5DO3Выход 3 17DO11Выход 11
6DO4Выход 418DO12Выход 12
7COM1Общий для выходов 1–419COM3Общий для выходов 9–12
8DO5Выход 5 20DO13Выход 13
9DO6Выход 6 21DO14Выход 14
10DO7Выход 7 22DO15Выход 15
11DO8Выход 823DO16Выход 16
12COM2Общий для выходов 5–824COM4Общий для выходов 13–16
Примечание
  1. Для МУ110-224.16Р назначение контактов следующее:
    • DO1–DO16 – нормально разомкнутые контакты реле;
    • COM1–COM4 – общие контакты для групп реле (контакты отдельной группы из 4 реле соединены внутри прибора, всего 4 группы).
  2. Для МУ110-224.16К назначение контактов следующее:
    • DO1–DO16 – контакты «открытый коллектор»;
    • COM1–COM4 –

      общие эмиттеры для групп выходов (эмиттеры отдельной группы из 4 оптотранзисторов соединены внутри прибора, всего 4 группы).

Назначение переключателей
ПереключательНазначение

Graphic
DIP1=ON

Защита сетевых параметров от изменения (см. раздел).Заводское положение переключателей – Выключен (защита отключена)

Graphic
DIP2=ON

Восстановление заводских настроек (см. раздел).Заводское положение переключателей – Выключен

Graphic
DIP1=ON и DIP3=ON

Обновление встроенного ПО прибора по интерфейсу RS-485 (см. раздел).Заводское положение переключателей – Выключен

Подключение питания

Питание переменного тока 230 В

Прибор следует питать напряжением 230 В переменного тока от сетевого фидера, не связанного непосредственно с питанием мощного силового оборудования.

Во внешней цепи рекомендуется установить выключатель, обеспечивающий отключение прибора от сети.

Питание постоянного тока 24 В

Прибор следует питать напряжением 24 В постоянного тока от локального источника питания подходящей мощности.

Источник питания следует устанавливать в том же шкафу электрооборудования, в котором устанавливается прибор.

Подключение по интерфейсу RS-485

Связь прибора по интерфейсу RS-485 выполняется по двухпроводной схеме.

Длина линии связи должна быть не более 1200 метров.

Обесточенный прибор следует подключать к сети RS-485 витой парой проводов, соблюдая полярность. Провод А подключается к выводу А прибора, аналогично соединяются между собой выводы В.

Примечание

Подключение нагрузки к выходам

Общие сведения

Прибор может быть оснащен шестнадцатью однотипными дискретными выходами следующих типов:

  • Р – электромагнитное реле;
  • К – транзисторный ключ.

Подключение к выходам типа «К»

Транзисторный ключ применяется, как правило, для управления низковольтным реле (до 60 В). Чтобы избежать выхода из строя выходного транзистора из-за большого тока самоиндукции параллельно обмотке реле «Р» следует устанавливать диод VD, рассчитанный на напряжение 100 В и ток 1 А.

Graphic
Схема подключения нагрузки к выходам типа «К» (для МУ110-224.16К)

Выходы разделены на 4 группы по 4 оптотранзисторных ключа. Каждая группа выходов гальванически изолирована от другой и имеет свою общую клемму «COM». ИМ можно подключать к выходам только относительно общей клеммы для данной группы:

Общие клеммы для групп выходов
Группа выходовОбщая клемма
DO1–DO4COM1
DO5–DO8COM2
DO9–DO12 COM3
DO13–DO16COM4

Подключение к выходам типа «Р»

На клеммы прибора выведены контакты шестнадцати нормально разомкнутых реле.

Graphic
Схема подключения к выходам типа «Р» (для МУ110-224.16Р)

Выходы разделены на 4 группы. Каждая группа выходов гальванически изолирована от другой и имеет свою общую клемму «COM». ИМ можно подключать к выходам только относительно общей клеммы для данной группы.

Общие клеммы для групп выходов
Группа выходовОбщая клемма
DO1–DO4COM1
DO5–DO8COM2
DO9–DO12COM3
DO13–DO16COM4

Устройство и принцип работы

Принцип работы

Работой модуля управляет Мастер сети. Модуль передает в сеть RS-485 получает команды на управление выходами от Мастера сети.

Мастером может являться:

  • ПК;
  • ПЛК;
  • Панель оператора;
  • Удаленный облачный сервис.

Индикация

На лицевой панели прибора расположены индикаторы:

Graphic
Лицевая панель прибора
Назначение индикаторов
ИндикаторСостояние индикатораНазначение
Выходы 1…16СветитсяВыход включен
RS-485МигаетПередача данных по сети RS-485 (см. раздел)
ПитаниеСветитсяПитание подано
АварияСветится*Превышен максимальный сетевой тайм-аут (см. раздел)
Ожидание первого запроса от Мастера сети
Мигает*Нарушена целостность встроенного ПО (см. раздел)
Примечание

* – Режим обновления встроенного ПО выключен (см. таблицу).

Настройка

Конфигурирование

Прибор конфигурируется с помощью ПО OWEN Configurator. Установочный файл располагается на сайте www.owen.ru.

Для конфигурирования прибора с помощью ПО OWEN Configurator следует:

  1. Подключить прибор к ПК через адаптер интерфейса RS-485/RS-232 или RS-485/USB.
  2. Подать питание на прибор.
  3. Установить и запустить ПО OWEN Configurator.
  4. Нажать кнопку Graphic Добавить устройства в главном меню Проект. Откроется окно выбора интерфейса подключения и поиска устройств.
  5. Задать сетевые настройки в левой части окна:
    • Номер COM-порта;
    • Протокол Modbus RTU;
      Примечание
      Протокол определяется прибором автоматически.
    • Настройка подключения – Авто;
    • Сетевые настройки COM-порта (скорость обмена, биты данных, четность, стоп-биты).
  6. Выбрать Найти несколько устройств и ввести диапазон адресов или Найти одно устройство и ввести адрес прибора (значение адреса по умолчанию – 16).
  7. Нажать кнопку Найти. В правой части окна отобразится прибор с указанным адресом.
    Примечание
    В столбце Версия отображается версия шаблона.
  8. Выбрать найденный прибор (отметить галочкой) и нажать Добавить устройства.
Graphic
Настройка сетевых параметров в ПО OWEN Configurator

Более подробная информация о подключении и работе с прибором приведена в Справке ПО OWEN Configurator. Для вызова справки в программе следует нажать клавишу F1.

Конфигурационные и оперативные параметры

Параметры в приборе разделяются на группы:

  • конфигурационные;
  • оперативные.

Конфигурационные параметры – это параметры, определяющие конфигурацию прибора: структуру и сетевые настройки.

Значения конфигурационных параметров хранятся в энергонезависимой памяти прибора и сохраняются при выключении питания.

Оперативные параметры – это энергозависимые данные, которые сбрасывают свои значения после перезагрузки питания. Оперативные параметры отражают текущее состояние регулируемой системы.

Предупреждение

Конфигурационные параметры сохраняются во flash-памяти прибора, ресурс которой ограничен (10 000 перезаписей).

Если ресурс исчерпан, то сохранение параметров во flash-память после их изменения невозможно (то есть после перезагрузки прибора по питанию будут использованы предыдущие значения параметров), поэтому не рекомендуется производить запись параметров во flash-память с высокой частотой.

Восстановление заводских сетевых настроек

Восстановление заводских сетевых настроек прибора используется при установке связи между ПК и прибором в случае утери информации о заданных значениях сетевых параметров прибора.

Для восстановления заводских сетевых настроек прибора следует:

  1. Отключить питание прибора.
  2. Открыть крышку на лицевой панели прибора.
  3. Установить переключатель 2 в положение Включен.
  4. Включить питание прибора. Значения сбросятся на заводские настройки.
  5. Установить переключатель 2 в положение Выключен.
  6. Закрыть крышку на лицевой панели прибора.
  7. Перезапустить питание модуля для записи новых значений параметров.
Заводские значения сетевых параметров прибора
ПараметрОписаниеЗаводская установка
bPSСкорость обмена данными9600 бод
LEnДлина слова данных8 бит
PrtYТип контроля четности слова данныхОтсутствует
SbitКоличество стоп-битов в посылке1
A.LenДлина сетевого адреса8 бит
AddrБазовый адрес прибора16
Rs.dlЗадержка ответа по RS-4852 мс
Примечание
Для применения новых сетевых настроек следует перезагрузить питание модуля или нажать кнопку Graphic Перезагрузить устройство в меню Проект ПО OWEN Configurator.

Обновление встроенного ПО

Встроенное ПО модуля обновляется по интерфейсу RS-485.

Для обновления встроенного ПО следует:

  1. Отключить питание прибора.
  2. Открыть крышку на лицевой панели прибора.
  3. Установить переключатели 1 и 3 в положение Включен.
  4. Подключить модуль к ПК через преобразователь интерфейсов (АС4, АС4-М или АС3-М).
  5. Включить питание прибора.
    Примечание
    После включения питания прибора с переключателями 1 и 3 в положении Включен модуль находится в режиме обновления встроенного ПО. Индикаторы Авария и RS-485 в этом режиме не светятся.
  6. Запустить утилиту для прошивки, которая доступна на странице прибора на сайте www.owen.ru
  7. Следовать указаниям программы.

После завершения обновления следует выключить питание прибора и установить переключатели 1 и 3 в положение Выключен.

Примечание
После обновления встроенного ПО модуля необходимо перезапустить ПО OWEN Configurator.

При включении прибора происходит проверка целостности встроенного ПО.

Внимание
Отключение питания прибора или обрыв линии RS-485 в процессе обновления встроенного ПО может привести к потере его целостности и выходу прибора из строя.
Примечание

Если режим обновления встроенного ПО выключен и индикатор «Авария» мигает, то нарушена целостность встроенного ПО.

Для восстановления работы прибора повторите процедуру обновления встроенного ПО в соответствии с содержанием настоящего раздела.

Интерфейс RS-485

Базовый адрес прибора в сети RS-485

Каждый прибор в сети RS-485 должен иметь свой уникальный базовый адрес.

Адресация в сети RS-485
ПараметрЗначение
Протокол ОВЕН*
Диапазон значений базового адреса при 8-битной адресацииот 16 до 240
Диапазон значений базового адреса при 11-битной адресацииот 16 до 2032
Широковещательный адрес при 8-битной адресации255
Широковещательный адрес при 11-битной адресации2040
Базовый адрес прибора по умолчанию16
Базовый адрес каждого следующего прибора[базовый адрес предыдущего прибора]** + [число каналов прибора]
Протокол Modbus
Диапазон значений базового адресаот 1 до 255
Примечание

* Длина базового адреса определяется параметром A.Len во время задания сетевых настроек. В адресе может быть 8 или 11 бит.

** Базовый адрес прибора должен быть кратен 8 и при 8-битной, и при 11-битной адресации.

Протокол ОВЕН

Для задания коэффициент заполнения ШИМ по сети RS-485 следует присвоить значения шестнадцати оперативным параметрам r.ОЕ прибора согласно таблице ниже:

Оперативные параметры протокола ОВЕН
Имя параметраФормат данныхНазвание параметраИндексацияДопустимые значения
r.ОЕFloat24Состояние выходапо выходу0,0…1,0
Примечание
r.ОЕ считывает/записывает состояние выхода. Дробные значения задают коэффициент заполнения ШИМ дискретных выходов.

Посылка групповой команды включения/выключения выходов по протоколу ОВЕН невозможна.

Каждый параметр имеет имя, состоящее из латинских букв (до четырех), которые могут быть разделены точками, и название. Например, «Безопасное состояние» O.ALr, где «Безопасное состояние» – название, O.ALr – имя.

Конфигурационные параметры имеют также индекс – цифру, отличающую параметры однотипных элементов. Индекс передается вместе со значением параметра.

Оперативные параметры не имеют индекса, но индексируются через сетевой адрес. Оперативный параметр для непосредственного обращения к выходу – r.ое.

Адресация оперативных параметров протокола ОВЕН

Каждый выход прибора имеет собственный сетевой адрес. Таким образом, прибор занимает шестнадцать адресов в адресном пространстве сети RS-485. Адреса прибора должны следовать подряд. Для удобства задания адресов задается только Базовый адрес, который соответствует адресу Выхода 1. Для каждого последующего выхода адрес увеличивается на 1.

Пример
Пусть Базовый адрес Addr = 32. Тогда для считывания или записи состояния первого выхода следует прочитать или записать r.ое с сетевым адресом 32, для считывания или записи состояния второго выхода — параметр r.ое с сетевым адресом 33 и т. д.
Оперативные параметры прибора
Выход  1Выход 2Выход 3Выход 16
Расчет сетевого адресаБазовый адрес (Addr)Addr + 1Addr + 2Addr + 15
Сетевой адрес Выхода32333447

Список параметров протокола ОВЕН приведен в приложении Б.

Протокол Modbus

Протокол Modbus поддерживает два режима передачи данных: RTU или ASCII.

Чтение осуществляется функциями 0x03 (Read Holding Registers) или 0x04 (Read Input Registers), запись – 0x06 (Preset Single Register) или 0x10 (Write Multiple Registers).

Адрес битовой маски дискретных выходов – 50 (0x32). Диапазон значений битовой маски соответствует количеству выходов.

Список всех регистров протокола Modbus приведен в Приложении А.

Управление выходами по сети RS-485

Дискретные выходы могут управляться двумя способами:

  • посылкой команды генерации сигнала ШИМ;
  • посылкой групповой команды на включение/выключение выходов.

Сигналы ШИМ, выдаваемые выходом прибора, формируются двумя параметрами:

  • периодом ШИМ;
  • коэффициент заполнения ШИМ.

Переключение между способами происходит по крайней записи в битовую маску или коэффициент заполнения ШИМ. В случае записи битовой маски, все выходы будут работать в режиме переключения логического сигнала. И наоборот, все выходы перейдут в режим генерации ШИМ сигнала в случае записи значения коэффициента заполнения ШИМ одного из выходов.

Примечание
Минимальная длительность импульса ШИМ составляет 50 мс.
Примечание
В протоколе ОВЕН битовая маска дискретных выходов отсутствует.

Коэффициент заполнения ШИМ передается в диапазоне:

  • от 0 до 1 — для протокола ОВЕН;
  • от 0 до 1000 — для протокола Modbus.

Списки регистров Modbus и параметров протокола ОВЕН приведены в таблицах и.

Режим «Авария»

В случае отсутствия запросов от Мастера сети RS-485 по истечении времени сетевого тайм-аута включается индикатор «Авария» и все дискретные выходы переводятся в безопасное состояние.

Внимание
После включения питания прибора включается индикатор «Авария». Прибор ожидает первого запроса от Мастера сети. Исключение – режим обновления встроенного ПО (см. раздел).

Значение безопасного состояния следует задавать отдельно для каждого выхода в параметре «Безопасное состояние». Значения параметров задаются в диапазоне от 0 до 1000.

Внимание
В случае перехода модуля в безопасное состояния в коэффициент заполнения ШИМ записывается значение безопасного состояния выхода.

Тайм-аут перехода в безопасное состояние задается пользователем в ПО OWEN Configurator. Для отключения функции перехода в безопасное состояние следует установить параметр Максимальный сетевой тайм-аут равным 0.

Примечание
Заводская настройка параметра Максимальный сетевой тайм-аут – 30 секунд.

Техническое обслуживание

Техническое обслуживание

Во время выполнения работ по техническому обслуживанию прибора следует соблюдать требования безопасности из раздела.

Техническое обслуживание прибора проводится не реже одного раза в 6 месяцев и включает следующие процедуры:

  • проверка крепления прибора;
  • проверка винтовых соединений;
  • удаление пыли и грязи с клеммника прибора.

Маркировка

На корпус прибора нанесены:

  • наименование прибора;
  • степень защиты корпуса по ГОСТ 14254;
  • напряжение и частота питания;
  • потребляемая мощность;
  • класс защиты от поражения электрическим током по ГОСТ 12.2.007.0;
  • знак соответствия требованиям ТР ТС (ЕАС);
  • страна-изготовитель;
  • заводской номер прибора и год выпуска.

На потребительскую тару нанесены:

  • наименование прибора;
  • знак соответствия требованиям ТР ТС (ЕАС);
  • страна-изготовитель;
  • заводской номер прибора и год выпуска.

Упаковка

Прибор упаковывается в соответствии с ГОСТ 23088-80 в потребительскую тару, выполненную из коробочного картона согласно ГОСТ 7933-89.

Для почтовой пересылки прибор упаковывается в соответствии с ГОСТ 9181-74.

Транспортирование и хранение

Прибор должен транспортироваться в закрытом транспорте любого вида. В транспортных средствах тара должна крепиться согласно правилам, действующим на соответствующих видах транспорта, кроме негерметизированных отсеков самолета.

Прибор должен транспортироваться при следующих условиях:

  • температура окружающего воздуха от –25 до +55 °C;
  • относительная влажность воздуха от 10 до 95 % (без конденсации влаги);
  • атмосферное давление от 84,0 до 106,7 кПа.

По устойчивости к механическим воздействиям при транспортировании прибор соответствует ГОСТ IEC 61131-2-2012.

Прибор следует перевозить в транспортной таре поштучно или в контейнерах.

Условия хранения в таре на складе изготовителя и потребителя должны соответствовать условиям 1 по ГОСТ 15150-69. В воздухе не должны присутствовать агрессивные примеси.

Прибор следует хранить на стеллажах.

Комплектность

НаименованиеКоличество
Прибор1 шт.
Паспорт и Гарантийный талон1 экз.
Руководство по эксплуатации1 экз.
Примечание
Изготовитель оставляет за собой право внесения дополнений в комплектность прибора.

Гарантийные обязательства

Изготовитель гарантирует соответствие прибора требованиям ТУ при соблюдении условий эксплуатации, транспортирования, хранения и монтажа.

Гарантийный срок эксплуатации – 24 месяца со дня продажи.

В случае выхода прибора из строя в течение гарантийного срока при соблюдении условий эксплуатации, транспортирования, хранения и монтажа предприятие-изготовитель обязуется осуществить его бесплатный ремонт или замену.

Порядок передачи прибора в ремонт содержится в паспорте и в гарантийном талоне.

Регистры протокола Modbus

Регистры протокола Modbus
ПараметрЗначение (ед. изм.)ТипАдрес регистра
(Hex)(Dec)
Коэффициент заполнения ШИМ на выходе 10…1000 (0,1 %)Uint160x00000000
Коэффициент заполнения ШИМ на выходе 20…1000 (0,1 %)Uint160x00010001
Коэффициент заполнения ШИМ на выходе 30…1000 (0,1 %)Uint160x00020002
Коэффициент заполнения ШИМ на выходе 40…1000 (0,1 %)Uint160x00030003
Коэффициент заполнения ШИМ на выходе 50…1000 (0,1 %)Uint160x00040004
Коэффициент заполнения ШИМ на выходе 60…1000 (0,1 %)Uint160x00050005
Коэффициент заполнения ШИМ на выходе 70…1000 (0,1 %)Uint160x00060006
Коэффициент заполнения ШИМ на выходе 80…1000 (0,1 %)Uint160x00070007
Коэффициент заполнения ШИМ на выходе 90…1000 (0,1 %)Uint160x00080008
Коэффициент заполнения ШИМ на выходе 100…1000 (0,1 %)Uint160x00090009
Коэффициент заполнения ШИМ на выходе 110…1000 (0,1 %)Uint160x000A0010
Коэффициент заполнения ШИМ на выходе 120…1000 (0,1 %)Uint160x000B0011
Коэффициент заполнения ШИМ на выходе 130…1000 (0,1 %)Uint160x000C0012
Коэффициент заполнения ШИМ на выходе 140…1000 (0,1 %)Uint160x000D0013
Коэффициент заполнения ШИМ на выходе 150…1000 (0,1 %)Uint160x000E0014
Коэффициент заполнения ШИМ на выходе 160…1000 (0,1 %)Uint160x000F0015
Безопасное состояние выхода 10…1000 (0,1 %)Uint160x00100016
Безопасное состояние выхода 20…1000 (0,1 %)Uint160x00110017
Безопасное состояние выхода 30…1000 (0,1 %)Uint160x00120018
Безопасное состояние выхода 40…1000 (0,1 %)Uint160x00130019
Безопасное состояние выхода 50…1000 (0,1 %)Uint160x00140020
Безопасное состояние выхода 60…1000 (0,1 %)Uint160x00150021
Безопасное состояние выхода 70…1000 (0,1 %)Uint160x00160022
Безопасное состояние выхода 80…1000 (0,1 %)Uint160x00170023
Безопасное состояние выхода 90…1000 (0,1 %)Uint160x00180024
Безопасное состояние выхода 100…1000 (0,1 %)Uint160x00190025
Безопасное состояние выхода 110…1000 (0,1 %)Uint160x001A0026
Безопасное состояние выхода 120…1000 (0,1 %)Uint160x001B0027
Безопасное состояние выхода 130…1000 (0,1 %)Uint160x001C0028
Безопасное состояние выхода 140…1000 (0,1 %)Uint160x001D0029
Безопасное состояние выхода 150…1000 (0,1 %)Uint160x001E0030
Безопасное состояние выхода 160…1000 (0,1 %)Uint160x001F0031
Период ШИМ на выходе 11…900 сUint160x00200032
Период ШИМ на выходе 21…900 сUint160x00210033
Период ШИМ на выходе 31…900 сUint160x00220034
Период ШИМ на выходе 41…900 сUint160x00230035
Период ШИМ на выходе 51…900 сUint160x00240036
Период ШИМ на выходе 61…900 сUint160x00250037
Период ШИМ на выходе 71…900 сUint160x00260038
Период ШИМ на выходе 81…900 сUint160x00270039
Период ШИМ на выходе 91…900 сUint160x00280040
Период ШИМ на выходе 101…900 сUint160x00290041
Период ШИМ на выходе 111…900 сUint160x002A0042
Период ШИМ на выходе 121…900 сUint160x002B0043
Период ШИМ на выходе 131…900 сUint160x002C0044
Период ШИМ на выходе 141…900 сUint160x002D0045
Период ШИМ на выходе 151…900 сUint160x002E0046
Период ШИМ на выходе 161…900 сUint160x002F0047
Битовая маска значений выходов0…65535Uint160x00320050
Скорость обмена, кбит/с

0 – 2,4;

1 – 4,8;

2 – 9,6;

3 – 14,4;

4 – 19,2;

5 – 28,8;

6 – 38,4;

7 – 57,6;

8 – 115,2

Uint160x02090521
Размер данных

0 – 7;

1 – 8

Uint160x020A0522
Количество стоп-бит

0 – 1 стоп-бит;

1 – 2 стоп-бита

Uint160x020B0523
Контроль четности

0 – отсутствует (no);

1 – четность (Even);

2 – нечетность (Оdd)

Uint160x020C0524
Задержка ответа0…45 мсUint160x020D0525
Адрес прибора1…255Uint160x020F0527
Длина сетевого адреса

0 – 8;

1 – 11

Uint160x02110529
Максимальный сетевой тайм-аут 0…600 сUint160x00300048
Имя прибораString80xF00061440
Версия прибораString80xF01061456
Примечание
  1. Запись в регистры осуществляется командами 06 (0x06) или 16 (0х10), чтение – командами 03 или 04 (прибор поддерживает обе команды).
  2. Счетчики обнуляются записью 0 в регистры хранения результатов счета.
  3. В регистрах битовых масок значений входов и выходов старший бит соответствует входу или выходу с наибольшим номером: (бит, равный 1, соответствует состоянию выхода «Включено» и входа «Замкнут»).
  4. Формат данных Uint16 в таблице является сокращением от Unsigned Integer 16.
Внимание

Невозможно использование в приборе следующих сочетаний сетевых параметров:

  • размер данных – 7 бит, 1 стоп-бит, контроль четности отсутствует;
  • размер данных – 7 бит, 2 стоп-бита, контроль четности отсутствует.

Параметры протокола ОВЕН

Параметры протокола ОВЕН
ПараметрОписаниеТипИндексацияДиапазон значенийАтрибутыЗаводская установкаКомментарий
ИмяHash-свертка
Общие параметры
dEvD681Название прибораASCIIбез индексадо 8 символовнет атрибутовMU110-16
vEr2D5BВерсия прошивкиASCIIбез индексадо 8 символовнет атрибутов
Сетевые параметры
bPSB760Скорость обмена данными

0: 2400

1: 4800

2: 9600

3: 14400

4: 19200

5: 28800

6: 38400

7: 57600

8: 115200

без индексанет ограниченийобычные атрибуты9600[бит/с]
LEn523FДлина слова данных

0: 7

1: 8

без индексанет ограниченийобычные атрибуты8
PrtYE8C4Тип контроля четности слова данных

0: Отсутствует (no)

1: Четность (even)

2: Нечетность (odd)

без индексанет ограниченийобычные атрибутыno
SbitB72EКоличество стоп-битов в посылке

0: 1 стоп-бит

1: 2 стоп-бита

без индексанет ограниченийобычные атрибуты1 стоп-бит
A.LEn1ED2Длина сетевого адреса

0: 8

1: 11

без индексанет ограниченийобычные атрибуты8[бит]
Addr9F62Базовый адрес прибораintбез индекса

16…240 для А.LЕn = 8

16...2032 для A.LЕn = 11

обычные атрибуты16
t.outBEC7Максимальный сетевой тайм-аутintбез индекса0…600обычные атрибуты30[с]
Rs.dLCBF5Задержка ответа по сети RS-485intбез индекса0…45обычные атрибуты2[мс]
Параметры дискретных выходов
THPD7BFEПериод ШИМ при управлении выходом по RS-485CLK_frm0,1…151…900обычные атрибуты1[с]
O.ALrDC64Безопасное состояние выходаuint160,1…150.0…1000.0обычные атрибуты0.0[%]
Оперативные параметры
r.OEE894Состояние выходаfloat24по выходу, 0…150…1.0нет атрибутовСчитывает/записывает состояние выхода. Дробные значения задают коэффициент заполнения ШИМ дискретных выходов
Примечание
Невозможно использование в приборе следующих сочетаний сетевых параметров:
  • PrtY = 0, Sbit = 0, LEn = 0 (контроль четности отсутствует, 1 стоп-бит, 7 бит);
  • PrtY = 0, Sbit = 1, LEn = 0 (контроль четности отсутствует, 2 стоп-бита, 7 бит).
Форматы представления данных
Сокращенная мнемоникаХарактеристика
int или int1616-разрядное знаковое число с односторонней десятичной точкой
ASCIIПараметр, отображаемый не в виде числа, а как последовательность символов (от 1 до 15 ASCII-символов)
Перечень значенийЗначение представляет собой 8разрядное целочисленное число. Каждое представленное значение ассоциируется в конфигураторе с текстом

Предупреждающие сообщения

В данном руководстве применяются следующие предупреждения:

Опасность

Ключевое слово ОПАСНОСТЬ сообщает о непосредственной угрозе опасной ситуации, которая приведет к смерти или серьезной травме, если ее не предотвратить.

Внимание

Ключевое слово ВНИМАНИЕ сообщает о потенциально опасной ситуации, которая может привести к небольшим травмам.

Предупреждение

Ключевое слово ПРЕДУПРЕЖДЕНИЕ сообщает о потенциально опасной ситуации , которая может привести к повреждению имущества.

Примечание

Ключевое слово ПРИМЕЧАНИЕ обращает внимание на полезные советы и рекомендации, а также информацию для эффективной и безаварийной работы оборудования.

Ограничение ответственности

Ни при каких обстоятельствах ООО «Производственное Объединение ОВЕН» и его контрагенты не будут нести юридическую ответственность и не будут признавать за собой какие-либо обязательства в связи с любым ущербом, возникшим в результате установки или использования прибора с нарушением действующей нормативно-технической документации.