Версия руководства | Описание изменений |
1.11 | Для версии аппаратной ревизии H/W v2.3*:
*Версию аппаратной ревизии см. на корпусе прибора и в Owen Configurator в разделе Параметры |
1.12 | В регистры обмена по протоколу Modbus добавлено состояние выходов “7 — отсутствие питания (прошивка g1.2.6 и выше)” |
1.13 | Изменено описание индикации прибора |
Руководство по эксплуатации
История изменений
Введение
Настоящее руководство по эксплуатации предназначено для ознакомления
обслуживающего персонала с устройством, конструкцией, работой и техническим
обслуживанием
Подключение, регулировка и техобслуживание прибора должны производиться только квалифицированными специалистами после прочтения настоящего руководства по эксплуатации.
Обозначение прибора при заказе: МУ210-502.
Используемые аббревиатуры
- ПК – персональный компьютер.
- ПЛК – программируемый логический контроллер.
- ПО – программное обеспечение.
- ЦАП –
цифро-аналоговый преобразователь.
USB
– последовательный интерфейс для подключения периферийных устройств к вычислительной технике.UTC
– всемирное координированное время.RTC
– часы реального времени.
Назначение
Модуль предназначен для подключения исполнительных устройств на объектах автоматизации. Прибор управляется с помощью ПЛК, панельного контроллера, ПК или другого управляющего устройства.
Модуль выпускается согласно ТУ 26.51.70-040-46526536-2022.
В приборе есть 6 аналоговых выходов. Для каждого выхода можно программно задать один из типов сигналов:
0...20 мА;
4...20 мА;
0...10 В.
Модуль предназначен для применения в промышленности и сельском хозяйстве.
Технические характеристики и условия эксплуатации
Технические характеристики
Технические характеристики
| Характеристика | Значение | ||
|---|---|---|---|
| Питание | |||
| Напряжение питания | От 10 до 48 В (номинальное 24 В) | ||
| Потребляемая мощность (при питании 24 В), не более | 5 Вт | ||
| Защита от переполюсовки напряжения питания | Есть | ||
| Класс источника питания | ИП2 (максимальная длительность прерывания напряжения питания не более 10 мс включительно) | ||
| Аналоговые выходы | |||
| Диапазон напряжения питания аналогового выхода | 12…36 В | ||
| Разрешение по постоянному напряжению | 0,073 мВ | ||
| Разрешение по постоянному току | 0,36 мкА | ||
| Время прогрева ЦАП* | 10 мин | ||
| Максимальная длина линии питания аналоговых выходов | 30 м | ||
| Минимальный период обновления выходов | 200 мс | ||
| Тип выходного сигнала | 0…20 мА,4…20 мА | 0…10 В | |
| Предел основной приведенной к диапазону погрешности выходного сигнала | ± 0,5 % | ± 0,5 % | |
| Максимальная пульсация выходного сигнала | 50 мкА | 20 мВ | |
| Предел дополнительной приведенной к диапазону погрешности, вызванной изменением температуры окружающего воздуха на каждые 10 °С | ± 0,1 % | ± 0,1 % | |
| Предел дополнительной погрешности, вызванной влиянием электромагнитных помех | ± 0,5 % | ± 0,5 % | |
| Защита от короткого замыкания на выходе | Есть | ||
| Диагностика состояния выходов |
| ||
| Интерфейсы связи | |||
Интерфейс обмена | Сдвоенный Ethernet 10/100 Mbps | ||
Интерфейс конфигурирования | USB 2.0 (MicroUSB), Ethernet 10/100 Mbps | ||
Протокол обмена | Modbus TCP; MQTT; SNMP; NTP | ||
Версия протокола | IPv4 | ||
| Flash-память (архив) | |||
| Максимальный размер файла архива | 2 кб | ||
| Максимальное количество файлов архива | 1000 | ||
| Минимальный период записи архива | 10 с | ||
| Часы реального времени | |||
Погрешность хода, не более: | |||
| в нормальных условиях | ± 3 с/сут | ||
| в рабочих условиях | ± 10 с/сут | ||
Тип питания | Батарея CR2032L | ||
Средний срок работы на одной батарее | 6 лет | ||
| Общие характеристики | |||
Габаритные размеры | (42 × 124 × 83) ±1 мм | ||
Степень защиты корпуса | IP20 | ||
Cредняя наработка на отказ** | 60 000 ч | ||
Средний срок службы | 10 лет | ||
Масса, не более | 0,4 кг | ||
* При включении прибора до времени прогрева ЦАП характеристики не регламентируются. ** Кроме элемента питания часов реального времени. | |||
Изоляция узлов прибора
Схема гальванически изолированных узлов и прочность гальванической изоляции приведены на рисунке.

Типы изоляции
| Тип | Описание |
|---|---|
| Основная (О) | Изоляция для частей оборудования, находящихся под напряжением, с целью защиты от поражения электрическим током. Электрическая прочность основной изоляции прибора проверяется типовыми испытаниями: приложением испытательного переменного напряжения, величина которого различна для различных цепей прибора |
| Дополнительная (Д) | Независимая изоляция, в дополнение к основной изоляции для гарантии защиты от поражения электрическим током в случае отказа основной изоляции. Электрическая прочность дополнительной изоляции прибора проверяется типовыми испытаниями испытательного переменного напряжения различной величины (действующее значение) |
| Функциональная (Ф) | Изоляция, необходимая только для исправной работы оборудования. Функциональная изоляция
не защищает от поражения электрическим током, однако уменьшает вероятность
возникновения воспламенения или огня |
Условия эксплуатации
Прибор отвечает требованиям по устойчивости к воздействию помех
в соответствии с
Рабочие условия эксплуатации:
- температура окружающего воздуха от минус 40 до плюс 55 °С;
- относительная влажность воздуха от 10 до 95 % (без конденсации влаги);
- атмосферное давление от 84,0 до 106,7 кПа;
- закрытые взрывобезопасные помещения без агрессивных паров и газов;
- допустимая степень загрязнения 2 по ГОСТ IEC 61131-2-2012.
Нормальные условия эксплуатации:
температура окружающего воздуха от плюс 15 до плюс 25 °С;
относительная влажность воздуха от 30 до 80 % (без конденсации влаги).
По устойчивости к механическим воздействиям во время эксплуатации
прибор соответствует
По устойчивости к климатическим воздействиям во время эксплуатации
прибор соответствует
Меры безопасности
Во время эксплуатации и технического обслуживания следует соблюдать требования ГОСТ 12.3.019-80, «Правил эксплуатации электроустановок потребителей электрической энергии» и «Правил охраны труда при эксплуатации электроустановок потребителей».
Прибор следует устанавливать в специализированных шкафах, доступ внутрь которых разрешен только квалифицированным специалистам. Любые подключения к прибору и работы по его техническому обслуживанию следует проводить только при отключенном питании прибора и подключенных к нему устройств.
Не допускается попадание влаги на контакты выходных разъемов и внутренние элементы прибора.
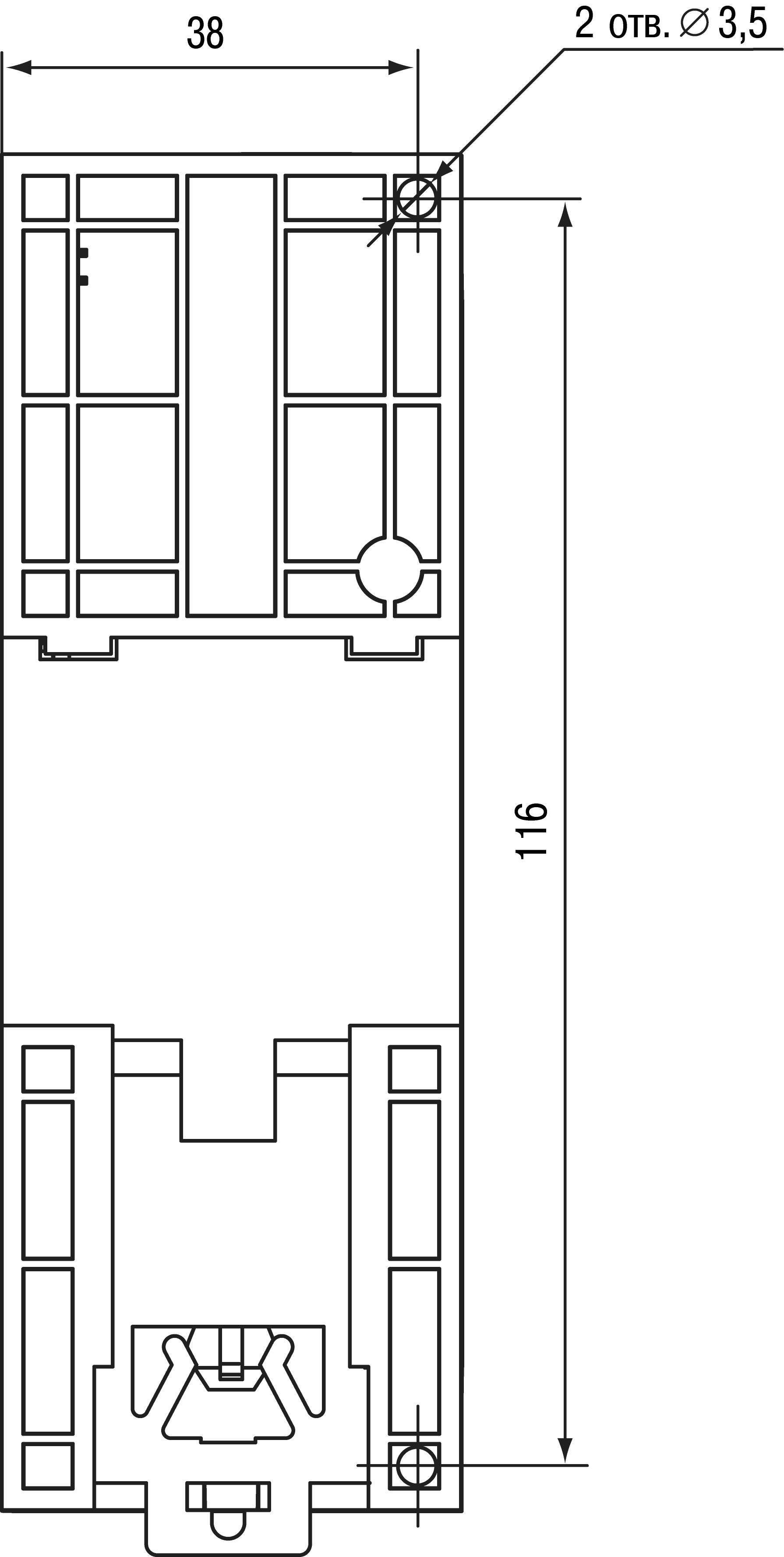
Монтаж

Прибор устанавливается в шкафу электрооборудования. Конструкция шкафа должна обеспечивать защиту прибора от попадания влаги, грязи и посторонних предметов.
Для установки прибора следует:
- Убедиться в наличии свободного пространства: необходимо 50 мм над прибором и под ним для подключения прибора и прокладки проводов.
- Закрепить прибор на DIN-рейке или на вертикальной поверхности с помощью винтов (см. рисунок).

![]() | ![]() |
Подключение
Рекомендации по подключению
Внешние связи монтируют проводом сечением не более 0,75 мм2.
Для многожильных проводов следует использовать наконечники.
После монтажа провода следует уложить в кабельном канале корпуса прибора и закрыть крышкой.
Если необходимо снять клеммники модуля, то следует открутить два винта по углам клеммников.
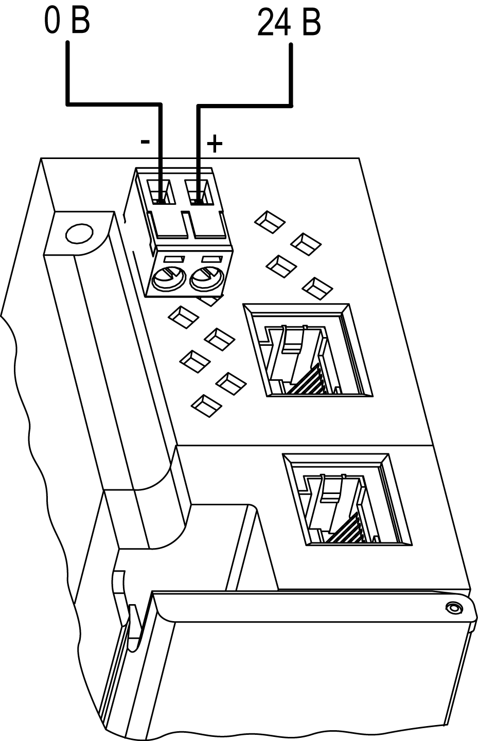
Провода питания следует монтировать с помощью ответного клеммника из комплекта поставки.
Назначение контактов клеммника

Назначение контактов
| Наименование | Назначение |
|---|---|
| AOxA | Напряжение питания (+) выходов |
| AOxB | Выходы AO1...AO6 |
| AOxC | Общие контакты питания (-) выходов (длина линии питания аналоговых выходов не более 30 м) |
Назначение разъемов
Разъемы интерфейсов и питания прибора приведены на рисунке.

Питание

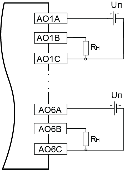
Подключение к выходам
На рисунке представлена схема подключения к аналоговым выходам.

Длина линии питания аналоговых выходов не более 30 м.
Параметры подбора напряжения источника питания
| Режим работы | Сопротивление, Ом | Напряжение питания выходов, В |
|---|---|---|
| 4–20 мА, 0–20 мА | 0…600 | 12...36 |
| 0–10 В | не менее 1 кОм | 12...36 |
Подключение по интерфейсу Ethernet
Для подключения прибора к сети Ethernet можно использовать следующие схемы:

- Максимальная длина линий связи – 100 м.
- Подключиться можно к любому Ethernet-порту прибора.
- Незадействованный Ethernet-порт следует закрыть заглушкой.
Для подключения по схеме «Цепочка» следует использовать оба Ethernet-порта прибора. Если прибор вышел из строя или отключилось питание, то данные будут передаваться с порта 1 на порт 2 без разрыва связи.

- Максимальная длина линии связи между двумя соседними активными устройствами при подключении по схеме «Цепочка» должна быть не более 100 м.
- Допускается смежная схема подключения.
- Незадействованный Ethernet-порт следует закрыть заглушкой.
Устройство и принцип работы
Принцип работы
Модуль получает команды на управление выходами от Мастера сети.
В качестве Мастера сети можно использовать:
- ПК;
- ПЛК;
- панель оператора;
- удаленный облачный сервис.
Если превышен тайм-аут обмена с Мастером сети, то модуль переходит в безопасное состояние.
Индикация и управление
На лицевой панели модуля расположены элементы индикации — светодиоды. Назначение светодиодов приведено в таблице.

В нижней части лицевой панели расположено поле «IP».
Необходимо записать IP-адрес модуля тонким маркером в этом поле или на бумажной наклейке сверху.Назначение индикаторов
| Индикатор | Состояние индикатора | Назначение |
|---|---|---|
Питание (зеленый) | Светится | Напряжение питания прибора подано (рабочий режим) / подано питание от USB (режим конфигурирования)* |
| Eth 1 (зеленый) | Мигает | Передача данных по порту 1 Ethernet |
| Eth 2 (зеленый) | Мигает | Передача данных по порту 2 Ethernet |
Авария (красный)** | Не светится | Сбои отсутствуют |
| Светится постоянно | Сбой основного приложения и/или конфигурации | |
| Включается один раз в две секунды (включается на 100 мс) | Необходимо заменить батарею питания часов (напряжение батареи менее 2 В) | |
| Включается два раза в секунду (включается на 100 мс через паузу 400 мс) | Модуль находится в безопасном состоянии | |
| Включается на 900 мс через паузу 100 мс | Аппаратный сбой периферии (Flash, RTC, Ethernet Switch), Перегрев модуля*** | |
| Индикаторы состояния выходов (красно-зеленые) | Светится зеленым | Выход включен |
| Не светится | Выход выключен | |
| Светится красным | Авария (неисправность выхода)**** | |
* В режиме конфигурирования (при питании от USB и отсутствии основного питания) Ethernet-порты модуля находятся в режиме Ethernet Bypass, встроенный коммутатор не функционирует. Входы/выходы модуля не функционируют. ** Приоритеты индикации светодиода «Авария» от большего к меньшему: аппаратный сбой, перегрев, программные ошибки, безопасный режим, уровень заряда батареи. *** При перегреве модуля до температуры выше 95 °С прибор выключает аналоговые выходы (режим работы выходного сигнала – Выкл.) и в параметр состояния выходов выводится «Перегрев ЦАП». При снижении температуры ниже 85 °С происходит сброс индикатора «Авария» и возможна установка значений выходов. В параметре Состояние выходов после завершения перегрева можно выбрать два режима: отключить выходы или восстановить предыдущие значения. Настройка по умолчанию – восстановить предыдущие значения. **** См. раздел. | ||
Под крышкой модуля расположены клеммники и сервисная кнопка (рисунок).
Сервисная кнопка выполняет следующие функции:
Часы реального времени
В приборе есть встроенные часы реального времени (RTC). Часы реального времени работают от собственного батарейного источника питания.
Отсчет времени производится по UTC в секундах, начиная с 00:00 01 января 2000 года. Значение RTC используется для записи в архив.
Подробнее о настройке часов реального времени см. раздел.
Запись архива
В модуль встроена флеш-память (flash), размеченная под файловую систему с шифрованием файлов. Алгоритм шифрования — Data Encryption Standard (DES) в режиме сцепления блоков шифротекста (CBC). В качестве ключа используется строка superkey. Вектор инициализации генерируется с помощью хеш-функции (см. приложение А). Аргументом функции является пароль, заданный в ПО Owen Configurator. В конце файла сохраняется контрольная сумма, рассчитанная по алгоритму CRC32 (контрольная сумма также шифрируется).
Архив модуля сохраняется в виде набора файлов. Период архивации, ограничение на размер одного файла и их количество задается пользователем в ПО Owen Configurator. Если архив полностью заполнен, то данные перезаписываются, начиная с самых старых данных самого старого файла.
Файл архива состоит из набора записей. Записи разделены символами переноса строки (0x0A0D). Каждая запись соответствует одному параметру и состоит из полей, разделенных символом «;» (без кавычек). Формат записи приведен в таблице ниже.
Формат записи в файле архива
| Параметр | Тип | Размер | Комментарий |
|---|---|---|---|
| Метка времени | Binary data | 4 байта | В секундах начиная с 00:00 01.01.2000 (UTC+0) |
| Разделитель | Строка | 1 байт | Символ «;» (без кавычек) |
| Уникальный идентификатор параметра (UID) | Строка | 8 байт | В виде строки из HEX-символов с ведущими нулями |
| Разделитель | Строка | 1 байт | Символ «;» (без кавычек) |
| Значение параметра | Строка | зависит от параметра | В виде строки из HEX-символов с ведущими нулями |
| Разделитель | Строка | 1 байт | Символ «;» (без кавычек) |
| Статус параметра | Binary data | 1 байт | 1 – значение параметра корректно, 0 – значение параметра некорректно и его дальнейшая обработка не рекомендована |
| Перенос строки | Binary data | 2 байта | \n\r (0x0A0D) |
Пример
Расшифрованная запись:
0x52 0x82 0xD1 0x24 0x3B 0x30 0x30 0x30 0x30 0x61 0x39 0x30 0x30 0x3B 0x30 0x30 0x30 0x30 0x30 0x30 0x30 0x31 0x3B 0x31 0x0A 0x0D
где
0x52 0x82 0xD1 0x24 — метка времени. Для получения даты и времени в формате UnixTime следует изменить порядок байт на противоположный и добавить константу-смещение (число секунд между 00:00:00 01.01.1970 и 00:00:00 01.01.2000): 0x24D18252 (HEX) + 946684800 (DEC) = 1564394971 (DEC, соответствует 29 июля 2019 г., 10:09:31);
0x3B — разделитель;
0x30 0x30 0x30 0x30 0x61 0x39 0x30 0x30 — уникальный идентификатор параметра (00003ba00);
0x30 0x30 0x30 0x30 0x30 0x30 0x30 0x31 — значение параметра (00000001);
0x31 — статус параметра (1 – значение параметра корректно);
0x0A 0x0D — символы переноса строки.
Прибор фиксирует время в архивных файлах по встроенным часам реального времени. Также можно задать часовой пояс, который будет считываться OwenCloud или внешним ПО. Запись во флеш-память (flash) происходит с определенной частотой, рассчитанной таким образом, чтобы ресурса флеш-памяти (flash) прибора хватило на срок не менее 10 лет работы.
Для чтения архива можно использовать:
облачный сервис OwenCloud (автоматическое чтение в случае потери и дальнейшего восстановления связи);
ПО Owen Configurator (например, для ручного анализа);
ПО пользователя (с помощью 20 функции Modbus).
Список архивируемых параметров доступен в Owen Configurator на вкладке Информация об устройстве. Порядок записи параметров в архив соответствует порядку параметров на вкладке.
Архив считывается с помощью 20 функции Modbus (0x14). Данная функция возвращает содержание регистров файла памяти и позволяет с помощью одного запроса прочитать одну или несколько записей из одного или нескольких файлов.
В запросе чтения файла для каждой записи указывается:
тип ссылки – 1 байт (должен быть равен 6);
номер файла – 2 байта;
начальный адрес регистра внутри файла – 2 байта;
количество регистров для чтения – 2 байта.
Количество считываемых регистров в запросе должно быть подобрано таким образом, чтобы длина ответа не превышала допустимую длину пакета Modbus (256 байт).
Размер файла архива заранее неизвестен, поэтому следует считывать порции данных с помощью отдельных запросов. Если в ответ на запрос будет получено сообщение с кодом ошибки 0х04 (MODBUS_SLAVE_DEVICE_FAILURE), то можно сделать вывод, что адреса регистров в запросе находятся за пределами файла. Чтобы считать последние данные файла, требуется уменьшить количество регистров в запросе.
Режимы обмена данными
Модуль поддерживает следующие режимы обмена данными:
- обмен с Мастером сети по протоколу Modbus TCP (порт 502) — до 4 одновременных соединений с разными Мастерами сети;
- соединение и обмен данными с ПК с помощью ПО Owen Configurator;
- обмен с удаленным облачным сервисом OwenCloud (необходим доступ в Интернет);
- обмен по протоколу MQTT;
- обмен по протоколу SNMP.
Работа по протоколу Modbus TCP
Чтение и запись параметров по протоколу Modbus TCP
| Операция | Функция |
|---|---|
| Чтение | 3 (0х03) или 4 (0х04) |
| Запись | 6 (0х06) или 16 (0х10) |
Полный список регистров Modbus представлен в таблицах ниже. Также можно считать доступные регистры с прибора с помощью Owen Configurator (вкладка Параметры устройства).
Общие регистры оперативного обмена по протоколу Modbus
| Название | Регистр | Размер/тип/описание |
|---|---|---|
| Название (имя) прибора (DEV) | 0xF000 | Символьная строка до 32 байт, кодировка Win1251 |
| Версия встроенного ПО прибора (VER) | 0xF010 | Символьная строка до 32 байт, кодировка Win1251 |
| Время | 0xF080 | 4 байта, в секундах с 2000 г |
| Часовой пояс | 0xF082 | 2 байта, INT16, смещение в минутах от Гринвича |
| Заводской номер прибора | 0xF084 | Символьная строка 32 байта, кодировка Win1251, используется 17 символов |
Регистры обмена по протоколу Modbus
| Параметр | Значение (ед. изм.) | Адрес регистра | Тип доступа | Формат данных | |
|---|---|---|---|---|---|
| DEC | HEX | ||||
| Значение выхода 1 в ‰ | 0…1000 (0,10 %) | 3000 | 0xBB8 | Чтение и запись | UINT 16 |
| Значение выхода 2 в ‰ | 3001 | 0xBB9 | Чтение и запись | UINT 16 | |
| Значение выхода 3 в ‰ | 3002 | 0xBBA | Чтение и запись | UINT 16 | |
| Значение выхода 4 в ‰ | 3003 | 0xBBB | Чтение и запись | UINT 16 | |
| Значение выхода 5 в ‰ | 3004 | 0xBBC | Чтение и запись | UINT 16 | |
| Значение выхода 6 в ‰ | 3005 | 0xBBD | Чтение и запись | UINT16 | |
| Безопасное значение выхода 1 | 0…1000 (0,10 %) | 3032 | 0xBD8 | Чтение и запись | UINT 16 |
| Безопасное значение выхода 2 | 3033 | 0xBD9 | Чтение и запись | UINT 16 | |
| Безопасное значение выхода 3 | 3034 | 0xBDA | Чтение и запись | UINT 16 | |
| Безопасное значение выхода 4 | 3035 | 0xBDB | Чтение и запись | UINT 16 | |
| Безопасное значение выхода 5 | 3036 | 0xBDC | Чтение и запись | UINT 16 | |
| Безопасное значение выхода 6 | 3037 | 0xBDD | Чтение и запись | UINT 16 | |
| Значение выхода 1 в мкА/мВ | мкА/мВ | 3064 | 0xBF8 | Чтение и запись | UINT 16 |
| Значение выхода 2 в мкА/мВ | 3065 | 0xBF9 | Чтение и запись | UINT 16 | |
| Значение выхода 3 в мкА/мВ | 3066 | 0xBFA | Чтение и запись | UINT 16 | |
| Значение выхода 4 в мкА/мВ | 3067 | 0xBFB | Чтение и запись | UINT 16 | |
| Значение выхода 5 в мкА/мВ | 3068 | 0xBFC | Чтение и запись | UINT 16 | |
| Значение выхода 6 в мкА/мВ | 3069 | 0xBFD | Чтение и запись | UINT 16 | |
| Состояние выхода 1 | 0 — норма; 2 — отсутствие нагрузки; 3 — перегрев ЦАП; 5 — канал отключен; 6 — короткое замыкание 7 — отсутствие питания (прошивка g1.2.6 и выше) | 3128 | 0xC38 | Только чтение | UINT 16 |
| Состояние выхода 2 | 3129 | 0xC39 | Только чтение | UINT 16 | |
| Состояние выхода 3 | 3130 | 0xC3A | Только чтение | UINT 16 | |
| Состояние выхода 4 | 3131 | 0xC3B | Только чтение | UINT 16 | |
| Состояние выхода 5 | 3132 | 0xC3C | Только чтение | UINT 16 | |
| Состояние выхода 6 | 3133 | 0xC3D | Только чтение | UINT 16 | |
| Режим работы выхода 1 | 0 — выключен; 1 — резерв (выключен); 2 — 0…10 В; 3 — 0…20мА; 4 — 4…20 мА | 3160 | 0xC58 | Чтение и запись | UINT 16 |
| Режим работы выхода 2 | 3161 | 0xC59 | Чтение и запись | UINT 16 | |
| Режим работы выхода 3 | 3162 | 0xC5A | Чтение и запись | UINT 16 | |
| Режим работы выхода 4 | 3163 | 0xC5B | Чтение и запись | UINT 16 | |
| Режим работы выхода 5 | 3164 | 0xC5C | Чтение и запись | UINT 16 | |
| Режим работы выхода 6 | 3165 | 0xC5D | Чтение и запись | UINT 16 | |
| Состояние диагностики выходов | 0…FF | 3192 | 0xC78 | Только чтение | UINT 8 |
| Состояние выходов после завершения перегрева | 0 - отключены, 1 - восстановить предыдущие значения | 4001 | 0x0FA1 | Чтение и запись | UINT 16 |
| Температура модуля | -200 до 200 | 61624 | 0xF0B8 | Только чтение | FLOAT 32 |
| Время в миллисекундах | — | 61563 | 0xF07B | Только чтение | UINT 32 |
| Новое время | Дата/Время в секундах с 1 января 2000 г. | 61565 | 0xF07D | Чтение и запись | UINT 32 |
| Записать новое время | 0 – не записывать; 1 – записать | 61567 | 0xF07F | Чтение и запись | UINT 16 |
| Время и дата (UTC) | Дата/Время в секундах с 1 января 2000 г. | 61568 | 0xF080 | Только чтение | UINT 32 |
| Часовой пояс | Смещение в минутах от Гринвича | 61570 | 0xF082 | Чтение и запись | INT 16 |
| MAC адрес | — | 61696 | 0xF100 | Только чтение | UINT 48 |
| DNS сервер 1 | — | 12 | 0xС | Чтение и запись | UINT 32 |
| DNS сервер 2 | — | 14 | 0xЕ | Чтение и запись | UINT 32 |
| Установить IP-адрес | — | 20 | 0x14 | Чтение и запись | UINT 32 |
| Установить маску подсети | — | 22 | 0x16 | Чтение и запись | UINT 32 |
| Установить IP-адрес шлюза | — | 24 | 0x18 | Чтение и запись | UINT 32 |
| Текущий IP-адрес | — | 26 | 0x1A | Только чтение | UINT 32 |
| Текущая маска подсети | — | 28 | 0x1C | Только чтение | UINT 32 |
| Текущий IP-адрес шлюза | — | 30 | 0x1E | Только чтение | UINT 32 |
| Режим DHCP | 0 – выкл.; 1 – вкл.; 2 – разовая установка кнопкой | 32 | 0x20 | Чтение и запись | UINT 16 |
| Подключение к OwenCloud | 0 – выкл.; 1 – вкл. | 35 | 0x23 | Чтение и запись | UINT 16 |
| Статус подключения к OwenCloud | 0 – нет связи; 1 – соединение; 2 – работа; 3 – ошибка; 4 – нет пароля | 36 | 0x24 | Чтение и запись | UINT 16 |
| Тайм-аут перехода в безопасное состояние | в секундах | 700 | 0x2BC | Чтение и запись | UINT 8 |
| Разрешение конфигурирования | 0 – заблокировано; 1– разрешено | 701 | 0x2BD | Чтение и запись | UINT 8 |
| Управление и запись значений | 0 – заблокировано; 1– разрешено | 702 | 0x2BE | Чтение и запись | UINT 8 |
| Доступ к регистрам Modbus | 0 – запрет; 1– чтение; 2– запись; 3– доступ | 703 | 0x2BF | Чтение и запись | UINT 8 |
| Состояние батареи (напряжение) | 0…3300 (мВ) | 801 | 0х321 | Только чтение | UINT 16 |
| Период архивирования | 10…3600 (секунд); заводская настройка — 30 | 900 | 0х384 | Чтение и запись | UINT 16 |
| Включение/Отключение NTP | 0 – выкл.; 1 – вкл. | 5632 | 0x1600 | Чтение и запись | UINT 16 |
| Пул NTP серверов | — | 5633 | 0x1601 | Чтение и запись | STRING 256 |
| NTP сервер 1 | — | 5697 | 0x1641 | Чтение и запись | UINT 32 |
| NTP сервер 2 | — | 5699 | 0x6143 | Чтение и запись | UINT 32 |
| Период синхронизации NTP | 5…65535 с | 5701 | 0x1645 | Чтение и запись | UINT 16 |
| Статус NTP | 0 – отключено; 1 – опрос; 2 – синхронизировано | 5702 | 0x1646 | Чтение и запись | UINT 16 |
| Подключение к брокеру MQTT | 0 – выкл.; 1 – вкл. | 5888 | 0x1700 | Только чтение | UINT 16 |
| Логин MQTT | — | 5928 | 0x1728 | Чтение и запись | STRING 256 |
| Пароль MQTT | — | 5960 | 0x1748 | Чтение и запись | STRING 256 |
| Имя устройства MQTT | — | 5896 | 0x1708 | Чтение и запись | STRING 256 |
| Адрес брокера MQTT | — | 5993 | 0x1769 | Чтение и запись | STRING 256 |
| Порт MQTT | 0…65535 | 5891 | 0x1703 | Чтение и запись | UINT 16 |
| Хранение последнего сообщения MQTT | 0 – выкл.; 1 – вкл. | 5895 | 0x1707 | Чтение и запись | UINT 16 |
| Интервал публикации MQTT | 5…600 с | 5892 | 0x1704 | Чтение и запись | UINT 16 |
| Качество обслуживания MQTT | 0 – QoS0; 1 – QoS1; 2 – QoS2 | 5893 | 0x1705 | Чтение и запись | UINT 16 |
| Интервал Keep Alive MQTT | 0…600 с | 5992 | 0x1768 | Чтение и запись | UINT 16 |
| Статус MQTT | 0 – отключено; 1 – подключено; 2 – ошибка соединения | 6025 | 0x1789 | Только чтение | UINT 16 |
| Включить (MQTTstatus) | 0 – выкл.; 1 – вкл. | 6026 | 0x178A | Чтение и запись | UINT 16 |
| Включение/Отключение SNMP | 0 – выкл.; 1 – вкл. | 5120 | 0x1400 | Чтение и запись | UINT 16 |
| Сообщество для чтения SNMP | — | 6001 | 0x1771 | Чтение и запись | STRING 256 |
| Сообщество для записи SNMP | — | 6017 | 0x1781 | Чтение и запись | STRING 256 |
| IP адрес для ловушки SNMP | — | 5121 | 0x1401 | Чтение и запись | UINT 32 |
| Номер порта для ловушки | 0…65535 | 5123 | 0x1403 | Чтение и запись | UINT 16 |
| Версия SNMP | 0 – SNMPv1; 1 – SNMPv2 | 5124 | 0x1404 | Чтение и запись | UINT 16 |
Используемые форматы данных
| Формат данных | Кол-во регистров | Размер | Описание |
|---|---|---|---|
| Unsigned 8 | 1 | 1 байт | Целое число без знака |
| Unsigned 16 | 1 | 2 байта | |
| Unsigned 32 | 2 | 4 байта | |
| Signed 16 | 1 | 2 байта | Целое число со знаком |
| Date time 32 | 2 | 4 байта | Дата/Время в секундах с 1 января 2000 г. |
Коды ошибок для протокола Modbus
Во время работы модуля по протоколу Modbus возможно возникновение ошибок, представленных в таблице. В случае возникновения ошибки модуль отправляет Мастеру сети ответ с кодом ошибки.
Список возможных ошибок
| Название ошибки | Возвращаемый код | Описание ошибки |
|---|---|---|
| MODBUS_ILLEGAL_FUNCTION | 01 (0x01) | Недопустимый код функции – ошибка возникает, если модуль не поддерживает функцию Modbus, указанную в запросе |
| MODBUS_ILLEGAL_DATA_ADDRESS | 02 (0x02) | Недопустимый адрес регистра – ошибка возникает, если в запросе указаны адреса регистров, отсутствующие в модуле |
| MODBUS_ILLEGAL_DATA_VALUE | 03 (0x03) | Недопустимое значение данных – ошибка возникает, если запрос содержит недопустимое значение для записи в регистр |
| MODBUS_SLAVE_DEVICE_FAILURE | 04 (0x04) | Ошибка возникает, если запрошенное действие не может быть завершено |
Во время обмена по протоколу Modbus модуль проверяет соответствие запросов спецификации Modbus. Не прошедшие проверку запросы игнорируются модулем. Запросы, в которых указан адрес, не соответствующий адресу модуля, также игнорируются.
Далее проверяется код функции. Если в модуль приходит запрос с кодом функции, не указанной в таблице, возникает ошибка MODBUS_ILLEGAL_FUNCTION.
Список поддерживаемых функций
| Название функции | Код функции | Описание функции |
|---|---|---|
| MODBUS_READ_HOLDING_REGISTERS | 3 (0x03) | Чтение значений из одного или нескольких регистров хранения |
| MODBUS_READ_INPUT_REGISTERS | 4 (0x04) | Чтение значений из одного или нескольких регистров ввода |
| MODBUS_WRITE_SINGLE_REGISTER | 6 (0x06) | Запись значения в один регистр |
| MODBUS_WRITE_MULTIPLE_REGISTERS | 16 (0x10) | Запись значений в несколько регистров |
| MODBUS_READ_FILE_RECORD | 20 (0x14) | Чтение архива из файла |
| MODBUS_WRITE_FILE_RECORD | 21 (0x15) | Запись архива в файл |
Ситуации, приводящие к возникновению ошибок во время работы с регистрами, описаны в таблице.
Ошибки во время работы с регистрами
| Используемая функция | Наименование ошибки | Возможные ситуации, приводящие к ошибке |
|---|---|---|
MODBUS_READ_HOLDING_REGISTERS | MODBUS_ILLEGAL_DATA_ADDRESS |
|
MODBUS_READ_INPUT_REGISTERS | MODBUS_ILLEGAL_DATA_ADDRESS |
|
MODBUS_WRITE_SINGLE_REGISTER | MODBUS_ILLEGAL_DATA_ADDRESS |
|
MODBUS_ILLEGAL_DATA_VALUE |
| |
MODBUS_WRITE_MULTIPLE_REGISTERS | MODBUS_ILLEGAL_DATA_ADDRESS |
|
MODBUS_ILLEGAL_DATA_VALUE |
|
Ситуации, приводящие к возникновению ошибок во время работы с архивом, описаны в таблице.
Ошибки во время работы с архивом
| Используемая функция | Наименование ошибки | Возможные ситуации, приводящие к ошибке |
|---|---|---|
MODBUS_READ_FILE_RECORD | MODBUS_ILLEGAL_FUNCTION |
|
MODBUS_ILLEGAL_DATA_ADDRESS |
| |
MODBUS_ILLEGAL_DATA_VALUE |
| |
MODBUS_SLAVE_DEVICE_FAILURE |
| |
MODBUS_WRITE_FILE_RECORD | MODBUS_ILLEGAL_FUNCTION |
|
MODBUS_ILLEGAL_DATA_ADDRESS |
| |
MODBUS_SLAVE_DEVICE_FAILURE |
|
Работа по протоколу MQTT
Архитектура MQTT определяет три типа устройств в сети:
- брокер – устройство (обычно – ПК с серверным ПО), которое осуществляет передачу сообщений от издателей к подписчикам;
- издатели – устройства, которые являются источниками данных для подписчиков;
- подписчики – устройства, которые получают данные от издателей.
Одно устройство может совмещать функции издателя и подписчика.

Подписка и публикация данных происходит в рамках топиков. Топик представляет собой символьную строку с кодировкой UTF-8, которая позволяет однозначно идентифицировать определенный параметр. Топики состоят из уровней, разделяемых символом «/».
Структура топиков модулей: Серия/Имя_устройства/Функция/Имя_узла/Параметр, где:
- Серия – наименование серии устройства, всегда имеет значение МХ210;
- Имя_устройства – имя конкретного модуля, заданное в ПО Owen Configurator (см. раздел);
- Функция – GET (чтение значений входов или выходов) или SET (запись значений выходов модуля);
- Имя_узла – тип входов или выходов (DI/DI/AI/AO);
- Параметр – название конкретного параметра (см. таблицу).
Уровни топиков модуля
| Серия | Имя устройства | Функция | Имя узла | Параметр | Описание | Формат значения |
|---|---|---|---|---|---|---|
| MX210 | Device | SET, GET | AO1-AO6 | VALUE_PERCENT | Значение аналогового выхода в ‰ (0,10 %) | С плавающей точкой |
| MX210 | Device | SET, GET | AO1-AO6 | VALUE_PHYS | Значение аналогового выхода в мВ или мкА | С плавающей точкой |
Пример
Работа по протоколу SNMP
Протокол основан на архитектуре «Клиент/Сервер», при этом в терминологии протокола клиенты называются менеджерами, а серверы – агентами.
Менеджеры могут производить чтение (GET) и запись (SET) параметров агентов. Агенты могут отправлять менеджерам уведомления (трапы) – например, о переходе оборудования в аварийное состояние.
Каждый параметр агента имеет уникальный идентификатор (OID), представляющий собой последовательность цифр, разделенных точками. Для упрощения настройки обмена производители устройств-агентов обычно предоставляют MIB-файлы, которые включают в себя список параметров прибора с их названиями и идентификаторами. Эти файлы могут быть импортированы в SNMP-менеджер.

Режимы работы аналоговых выходов
В приборе реализованы 6 аналоговых выходов, каждый из которых можно настроить для следующего режима работы:
0…20 мА;
4…20 мА;
0…10 В.
Каждый выход можно настроить на любой из вышеперечисленных режимов работы независимо от режима работы других выходов.
Значение аналогового выхода можно задать путем записи значения в соответствующие регистры по протоколу Modbus. Значение задается в долях процента от 0 до 1000 (что соответствует значению от 0 до 100 % с точностью 0,1 %) или в физических величинах – микроамперах (для режима 0…20 мА и 4…20 мА) или в милливольтах (для режима 0…10 В). Если задать значение в одном регистре, значение в другом автоматически пересчитывается.
Безопасное состояние выходных элементов
Для каждого выхода можно задать безопасное состояние в соответствующем параметре Безопасное состояние (от 0 до 100 %).
Выход переходит в безопасное состояние, если при включении или в течение времени тайм-аута отсутствуют команды от Мастера сети. Если значение тайм-аута равно 0, то выход не переходит в безопасное состояние.
При отключении основного питания модуля и наличии питания выходных элементов все выходы перейдут в состояние 0 В (для режима 0...10 В), 0 мА (для режимов 0...20 мА или 4...20 мА). Максимальное время перехода в безопасное состояние после отключения основного питания — 9 секунд.
Диагностика состояния выходных элементов
Для каждого выхода предусмотрена диагностика следующих неисправностей:
короткое замыкание в цепи нагрузки (только для режима 0...10 В);
обрыв нагрузки в режимах 0...20 мА, 4...20 мА;
отсутствие питания аналоговых выходов.
Если выход неисправен, прибор записывает «1» в соответствующий бит битовой маски регистра состояния аналоговых выходов. Тип ошибки записывается в регистре Состояние выхода. Индикатор неисправного выхода загорается красным.
Настройка
Подключение к ПО Owen Configurator
Прибор настраивается в ПО Owen Configurator.
Прибор можно подключить к ПК с помощью следующих интерфейсов:
- USB (разъем micro-USB);
- Ethernet.
Для выбора интерфейса следует:
- Подключить прибор к ПК с помощью кабеля USB или по интерфейсу
Ethernet.
ПредупреждениеЕсли прибор подключают к порту USB, то подача основного питания прибора не требуется.
Питание прибора осуществляется от порта USB, выходы модуля при этом не функционируют.
Если прибор подключают по интерфейсу Ethernet, то следует подать основное питание на прибор.
- Открыть ПО Owen Configurator.
- Выбрать Добавить устройства.
- В выпадающем меню Интерфейс во вкладке Сетевые настройки выбрать:
- Ethernet (или другую сетевую карту, к которой подключен прибор) – для подключения по Ethernet.
- COM Port – для подключения по USB.

Меню выбора интерфейса
Чтобы найти и добавить в проект прибор, подключенный по интерфейсу Ethernet, следует:
- Выбрать Найти одно устройство.
- Ввести IP-адрес подключенного устройства.
- Перейти к вкладке Найти. В окне отобразится прибор с указанным
IP-адресом.
ПредупреждениеЗначение IP-адреса по умолчанию (заводская настройка) — 192.168.1.99. - Выбрать устройство (отметить галочкой) и нажать кнопку ОК. Если устройство защищено паролем, то следует ввести корректный пароль. Устройство будет добавлено в проект.
Чтобы найти и добавить в проект прибор, подключенный по интерфейсу USB, следует:
- В выпадающем меню Протокол выбрать протокол Owen Auto
Detection Protocol.

Выбор протокола - Выбрать Найти одно устройство.
- Ввести адрес подключенного устройства (по умолчанию – 1).
- Перейти к вкладке Найти. В окне отобразится прибор с указанным адресом.
- Выбрать устройство (отметить галочкой) и нажать ОК. Если устройство защищено паролем, то следует ввести корректный пароль. Устройство будет добавлено в проект.
Более подробная информация о подключении и работе с прибором приведена в Справке ПО Owen Configurator. Для вызова справки в программе следует нажать клавишу F1.
Подключение к облачному сервису OwenCloud
Для подключения модуля к облачному сервису следует выполнить действия:
- Подключить модуль к Owen Configurator (см. раздел).
- Включить доступ к OwenCloud и настроить права удаленного доступа (см. раздел).
- Задать пароль для доступа к прибору (см. Справку Owen Configurator).
ПредупреждениеЕсли пароль не задан, подключение к облачному сервису недоступно. - Зайти на сайт облачного сервиса
OwenCloud . - Перейти в раздел Администрирование
и добавить прибор.
Подробный пример настройки подключения к OwenCloud можно
посмотреть в документе «Мх210. Примеры настройки обмена» на странице
прибора на сайте
Ограничение обмена данными при работе с облачным сервисом OwenCloud
Облачный сервис OwenCloud является надежным хранилищем данных, обмен информации с которым зашифрован модулем. Если на производстве имеются ограничения на передачу данных, то обмен данными с облачным сервисом OwenCloud можно отключить. По умолчанию подключение модуля к облачному сервису запрещено. Ограничение доступа и обмена данными с модулем следует настраивать в ПО Owen Configurator.
Для разрешения подключения в Owen Configurator следует:
- Установить пароль для доступа к модулю (см. раздел).
- Задать значение Вкл. в параметре Подключение к OwenCloud (рисунок).

Если доступ к модулю через облачный сервис OwenCloud разрешен, то можно настроить следующие ограничения доступа (рисунок):
- Разрешение конфигурирования — доступ к конфигурационным параметрам модуля;
- Управление и запись значений — чтение и запись значений модуля;
- Доступ к регистрам Modbus — чтение и/или запись значений регистров.

Настройка сетевых параметров
Для обмена данных модуля в сети Ethernet должны быть заданы параметры, приведенные в таблице:
Сетевые параметры модуля
| Параметр | Примечание |
|---|---|
| MAC-адрес | Устанавливается на заводе-изготовителе и является неизменным |
| IP-адрес | Может быть статическим или динамическим. Заводская настройка – 192.168.1.99 |
| Маска IP-адреса | Задает видимую модулем подсеть IP-адресов других устройств. Заводская настройка – 255.255.0.0 |
| IP-адрес шлюза | Задает адрес шлюза для выхода в Интернет. Заводская настройка – 192.168.1.1 |
IP-адрес может быть:
- статический;
- динамический.
Статический IP-адрес устанавливается с помощью Owen Configurator или сервисной кнопки.
Для установки статического IP-адреса с помощью Owen Configurator следует:
- Зайти во вкладку Сетевые настройки.
- Задать значение в поле Установить IP адрес.
- Задать значение в поле Установить маску подсети.
- Задать значение в поле Установить IP адрес шлюза.
При статическом IP-адресе параметр Режим DHCP должен иметь значение Выкл.
Для установки статического IP-адреса c помощью сервисной кнопки следует:
- Подключить модуль или группу модулей к сети Ethernet.
- Запустить Owen Configurator на ПК, подключенному к той же сети Ethernet.
- Выбрать вкладку Назначение IP-адресов.
- Задать начальный IP-адрес для первого модуля из группы модулей.
- Последовательно нажимать на модулях сервисные кнопки, контролируя результат в окне программы. В окне Owen Configurator будет отображаться информация о модуле, на котором была нажата кнопка, этому модулю будет присваиваться заданный статический IP-адрес и другие параметры сети. После присвоения адрес автоматически увеличивается на 1.

С помощью сервисной кнопки можно установить IP-адреса сразу для группы модулей (см. справку к Owen Configurator, раздел Назначение IP-адреса устройству).
Динамический IP-адрес используется для работы с облачным сервисом и не подразумевает работу с Мастером сети Modbus TCP. IP-адрес модуля устанавливается DHCP-сервером сети Ethernet.
Настройка параметров обмена по протоколу MQTT в ПО «OWEN Configurator»
Модули поддерживают протокол MQTT (версия 3.1.1) и могут использоваться в роли клиентов. Модули публикуют сообщения о состоянии своих входов и подписаны на топики, в рамках которых производится управление их выходами.
Параметры обмена по MQTT настраиваются в Owen Configurator.

Параметры обмена по протоколу MQTT
| Параметр | Описание |
|---|---|
| Сообщение о присутствии | Если параметр имеет значение Вкл., то в момент включении модуль публикует сообщение «Online» в топик MX210/Имя_устройства/MQTTstatus. Если от модуля не поступает сообщений, брокер публикует в данный топик сообщение «Offline». |
| Подключение к брокеру | Для работы с модулем по протоколу MQTT следует установить значение Вкл. |
| Логин | Используются для аутентификации устройства на стороне брокера. Если значения параметров не заданы, то аутентификация не используется |
| Пароль | |
| Имя устройства | Имя устройства. Входит в состав топика. |
| Адрес брокера | IP или URL брокера. Если брокер расположен во внешней сети, то следует установить для параметров Шлюз и DNS (вкладка Сетевые настройки) корректные значения |
| Порт | Порт брокера |
| Хранение последнего сообщение | Если установлено значение Включено, то другие клиенты, подписанные на топики модуля, получат последние сообщения из этих топиков |
| Интервал публикации | Интервал публикации данных (в секундах) |
| Качество обслуживания | Выбранный уровень качества обслуживания. QoS 0 – передача сообщений осуществляется без гарантии доставки. QoS 1 – передача сообщений осуществляется с гарантией доставки, но допускается дублирование сообщений (т.е. одно и тоже сообщение будет разослано подписчикам несколько раз). QoS 2 – передача сообщений осуществляется с гарантией доставки и с гарантией отсутствия дублирования сообщений. |
| Интервал Keep Alive (в секундах) | Если в течение промежутка времени, равного полутора значениям данного параметра, брокер не получает сообщений от модуля, то соединение будет разорвано. 0 – параметр не используется (при отсутствии сообщений соединение никогда не будет разорвано). |
| Статус | Статус подключения к брокеру |
Настройка параметров обмена по протоколу SNMP в ПО «OWEN Configurator»
Модули поддерживают протокол SNMP (версии SNMPv1 и SNMPv2c) и могут быть использованы в роли агентов. Модули поддерживают запросы GET и SET. Модули с дискретными входами отправляют трапы с битовой маской входов при изменении значения любого входа.
По протоколу SNMP доступны все параметры модуля. Список OID параметров
приведен в Руководстве по эксплуатации на конкретный модуль. MIB-файл
модуля доступен на его странице на сайте

Параметры обмена по SNMP
| Параметр | Описание |
|---|---|
| Включение/Отключение | Для работы модуля по протоколу SNMP требуется установить значение Включено |
| Сообщество для чтения | Пароль, используемый для чтения данных модуля |
| Сообщество для записи | Пароль, используемый для записи данных в модуль |
| IP адрес для ловушки | IP-адрес, на который будет отправлен трап в случае изменения маски дискретных входов модуля (только для модулей с дискретными входами) |
| Номер порта для ловушки | Номер порта, на который будет отправлен трап |
| Версия SNMP | Версия протокола, используемая модулем (SNMPv1 или SNMPv2) |
Пример настройки обмена модуля по протоколу SNMP можно посмотреть
в документе «Мх210. Примеры настройки обмена», который доступен на
странице прибора на сайте
Пароль доступа к модулю
Для ограничения доступа к чтению и записи параметров конфигурации и для доступа в облачный сервис OwenCloud используется пароль.
Установить или изменить пароль можно с помощью ПО Owen Configurator.
В случае утери пароля следует восстановить заводские настройки.
По умолчанию пароль не задан.
Обновление встроенного ПО
Обновление встроенного ПО модуля следует выполнять с помощью интерфейса USB.
Для обновления встроенного ПО по интерфейсу USB следует выбрать один из способов:
С помощью Конфигуратора, используя файл прошивки с расширением *.fw;
С помощью ПО Мастер прошивки.
Обновление через Конфигуратор – рекомендовано. Второй способ подходит, если нет возможности подключить модуль к Конфигуратору. Подробная инструкция по обновлению встроенного ПО модуля находится в архиве прошивок, который доступен для скачивания на странице прибора на сайте www.owen.ru.
Настройка часов реального времени
Значение часов реального времени (RTC) можно установить или считать с прибора через регистры Modbus, а также с помощью ПО Owen Configurator (см. справку к Owen Configurator, раздел Настройка часов).
Для установки нового времени через регистры Modbus следует:
Записать значение времени в соответствующие регистры.
- Установить на время не менее 1 секунды значение 1 в регистре обновления текущего времени.
- Записать в регистр обновления текущего времени значение 0.
Следующую запись текущего времени можно выполнить через 1 секунду.
Если необходимо, то можно синхронизировать часы модуля с удаленным NTP сервером.

| Параметр | Описание |
|---|---|
| Включение/Отключение | Для включения режима синхронизации времени следует установить значение Включено |
| Пул NTP серверов | IP или URL используемого пула NTP-серверов |
| NTP сервер 1 | IP основного NTP-сервера |
| NTP сервер 2 | IP резервного NTP-сервера |
| Период синхронизации | Период синхронизации времени в секундах. Следует убедиться, что установленное значение не превышает минимально возможного значения для конкретного NTP-сервера |
| Статус | Статус подключения к серверу |
Восстановление заводских настроек
Для восстановления заводских настроек и сброса установленного пароля следует:
- Включить питание прибора.
- Нажать и удерживать сервисную кнопку более 12 секунд.
После отжатия кнопки прибор перезагрузится и будет работать с настройками по умолчанию.
Техническое обслуживание
Общие указания
Во время выполнения работ по техническому обслуживанию прибора следует соблюдать требования безопасности из раздела.
Техническое обслуживание прибора проводится не реже одного раза в 6 месяцев и включает следующие процедуры:
- проверка крепления прибора;
- проверка винтовых соединений;
- удаление пыли и грязи с клеммников прибора.
Батарея
В приборе используется сменная батарея типа CR2032L. Батарея предназначена для питания часов реального времени.
Если заряд батареи опускается ниже 2 В, то индикатор «Авария» включается на 100 мс один раз в две секунды (мигает). Такое свечение индикатора сигнализирует о необходимости замены батареи.
Если напряжение батареи часов реального времени меньше 1,6 В, то конфигурационные параметры записываются во флеш-память модуля.
Порядок записи конфигурационных параметров при разряженной батарее:
- Новые значения конфигурационных параметров записываются в батарейный ОЗУ около 5 секунд.
- Из батарейного ОЗУ значения конфигурационных параметров переносятся во флеш-память и запускается таймаут не менее 2 минут (в зависимости от нагрузки на модуль).
Для замены батареи следует:
- Отключить питание прибора и подключенных устройств.
- Снять прибор с DIN-рейки.
- Поднять крышку 1.
- Выкрутить два винта 3.
- Снять колодку 2, как показано на рисунке.

Отсоединение клемм - Поочередно вывести зацепы из отверстий с одной и другой стороны
корпуса и снять верхнюю крышку.

Замена батареи - Заменить батарею. Рекомендуемое время замены батареи не более 1 минуты. Если замена батареи займет больше времени, то следует ввести корректное значение часов реального времени.
- Сборку и установку следует осуществлять в обратном порядке.
После сборки и включения прибора следует убедиться в корректности показаний часов. В случае необходимости следует скорректировать показания часов реального времени в Owen Configurator.
Во время выкручивания винтов крепления клеммная колодка поднимается, поэтому, чтобы избежать перекоса, рекомендуется выкручивать винты поочередно по несколько оборотов за один раз.
Комплектность
| Наименование | Количество |
|---|---|
| Модуль | 1 шт. |
| Паспорт и Гарантийный талон | 1 экз. |
| Руководство по эксплуатации | 1 экз. |
| Коммутационный кабель UTP 5e 150 мм | 1 шт. |
| Клемма питания 2EGTK-5-02P-14 | 1 шт. |
| Заглушка разъема RJ45 (Ethernet) | 1 шт. |
Маркировка
На корпус прибора нанесены:
- наименование и условное обозначение прибора;
- степень защиты корпуса по
ГОСТ 14254-2015 ; - род питающего тока и напряжение питания;
- потребляемая мощность;
- класс защиты от поражения электрическим током по
ГОСТ IEC 61131-2-2012 ; единый знак обращения продукции на рынке Евразийского экономического союза ;- страна-изготовитель;
- заводской номер прибора, дата изготовления, товарный знак ОВЕН;
- MAC-адрес;
- год изготовления прибора.
На потребительскую тару нанесены:
- наименование и условное обозначение прибора;
единый знак обращения продукции на рынке Евразийского экономического союза ;- почтовый адрес офиса компании;
- страна-изготовитель;
- штрих код;
- заводской номер прибора;
- дата упаковки прибора.
Упаковка
Упаковка прибора производится в соответствии с ГОСТ 23088-80 в потребительскую тару, выполненную из коробочного картона по ГОСТ 7933-89.
Упаковка прибора при пересылке почтой производится по ГОСТ 9181-74.
Транспортирование и хранение
Прибор должен транспортироваться в закрытом транспорте любого вида. В транспортных средствах тара должна крепиться согласно правилам, действующим на соответствующих видах транспорта.
Транспортирование приборов в упаковке предприятия-изготовителя должно соответствовать следующим условиям:
температура окружающего воздуха от минус 40 до плюс 70 °С;
относительная влажность от 10 до 95 % без конденсации влаги;
атмосферное давление не менее 80 кПа (эквивалентно высоте 3000 м над уровнем моря)
Прибор следует перевозить в транспортной таре поштучно или в контейнерах с соблюдением мер защиты от ударов и вибраций.
Условия хранения в таре на складе изготовителя и потребителя должны соответствовать условиям 1 по ГОСТ 15150-69. В воздухе не должны присутствовать агрессивные примеси.
Прибор следует хранить на стеллажах.
Гарантийные обязательства
Изготовитель гарантирует соответствие прибора требованиям ТУ при соблюдении условий эксплуатации, транспортирования, хранения и монтажа.
Гарантийный срок эксплуатации – 24 месяца со дня продажи.
В случае выхода прибора из строя в течение гарантийного срока при соблюдении условий эксплуатации, транспортирования, хранения и монтажа предприятие-изготовитель обязуется осуществить его бесплатный ремонт или замену.
Порядок передачи прибора в ремонт содержится в паспорте и в гарантийном талоне.
Расчет вектора инициализации для шифрования файла архива
Для расшифровки файла архива в качестве вектора инициализации следует использовать хеш-функцию. Хеш-функция должна возвращать 8 байт (тип long long).
Пример реализации хеш-функции на языке программирования С:
typedef union {
struct {
unsigned long lo;
unsigned long hi;
};
long long hilo;
}LONG_LONG;
long long Hash8(const char *str) { // На основе Rot13
LONG_LONG temp;
temp.lo = 0;
temp.hi = 0;
for ( ; *str; )
{
temp.lo += (unsigned char) (*str);
temp.lo –= (temp.lo << 13) | (temp.lo >> 19);
str++;
if (!str) break;
temp.hi += (unsigned char) (*str);
temp.hi –= (temp.hi << 13) | (temp.hi >> 19);
str++;
}
return temp.hilo;
} Предупреждающие сообщения
В данном руководстве применяются следующие предупреждения:
Ключевое слово ОПАСНОСТЬ сообщает о непосредственной угрозе опасной ситуации, которая приведет к смерти или серьезной травме, если ее не предотвратить.
Ключевое слово ВНИМАНИЕ сообщает о потенциально опасной ситуации, которая может привести к небольшим травмам.
Ключевое слово ПРЕДУПРЕЖДЕНИЕ сообщает о потенциально опасной ситуации , которая может привести к повреждению имущества.
Ключевое слово ПРИМЕЧАНИЕ обращает внимание на полезные советы и рекомендации, а также информацию для эффективной и безаварийной работы оборудования.
| Ограничение ответственности |
Ни при
каких обстоятельствах |



