- КЗР – клапан запорно-регулирующий.
- МВХ – минимальное время хода.
- ЖКИ – жидкокристаллический индикатор.
- НЗ – нормально-закрытый.
- НО – нормально-открытый.
- ПВХ – полное время хода.
- ПИД – пропорционально-интегрально дифференциальный (регулятор).
ТВИ – температурно-временной интеграл
- Котловой регулятор – КТР-121.01.10.
Каскадные регуляторы – КТР-121.02.
Тепловые регуляторы – КТР-121.03.
Руководство по эксплуатации
Используемые термины и аббревиатуры
Введение
Настоящее руководство по эксплуатации предназначено для ознакомления обслуживающего персонала с принципом работы, предварительной настройкой, конструкцией, работой и техническим обслуживанием блока автоматического управления котлами КТР-121.02.41, в дальнейшем по тексту именуемого «контроллер» или «прибор».
Подключение, настройка и техобслуживание прибора должны производиться только квалифицированными специалистами после прочтения настоящего руководства по эксплуатации.
Контроллер выпускается в исполнениях:
- КТР-121.220.02.41 – работа в сети переменного напряжения с номиналом 230 В.
- КТР-121.24.02.41 – работа в сети постоянного напряжения с номиналом 24 В.
Назначение
Контроллер КТР-121.02.41 предназначен для погодозависимого каскадного управления системой из до четырех водогрейных котлов, управления подпиткой и сетевыми насосами. Предназначен для управления котловыми и тепловыми регуляторами КТР-121.01.10 и КТР-121.03.
Горелки на котлах должны обладать:
функцией автоматического розжига с контролем соответствующих параметров;
внешним управлением по дискретным сигналам.
Алгоритм прибора обеспечивает:
погодозависимое поддержание заданной температуры подачи в общем трубопроводе (далее — температура сети);
контроль давления подачи в общем трубопроводе (далее — давление сети);
контроль состояния котлов и равномерное распределение наработки между ними;
управление сетевыми насосами;
регулирование температуры обратного теплоносителя на группу котлов;
управление подпиткой в общем коллекторе;
при использовании модуля расширения ПРМ-1 прибор контролирует общекотельные аварии и осуществляет их сигнализацию;
управление ГВС и отоплением при использовании КТР-121.03.
Перечень используемых сокращений:
Тп — датчик температуры теплоносителя в общем подающем трубопроводе;
Рп — датчик давления теплоносителя в общем трубопроводе;
Тн — датчик температуры наружного воздуха;
Тоб — датчик температуры теплоносителя в общем обратном трубопроводе;
PSпд — датчик подпитки;
PDS — реле перепада давления;
НП — насосы подпитки;
НС — насосы сетевые;
— клапан регулирующий
с электроприводом;
— клапан двухпозиционный
с электроприводом;НРЦ — насос рециркуляции.
Прибор выпускается по ТУ 4218-016-46526536-2016.

Технические характеристики и условия эксплуатации
Технические характеристики
Характеристики прибора
Наименование | Значение | |||
|---|---|---|---|---|
КТР-121.220 | КТР-121.24 | |||
Питание | ||||
Диапазон напряжения питания | ~ 94…264 В (номинальное 230 В при 47…63 Гц) | = 19…30 В (номинальное 24 В) | ||
Гальваническая развязка | Есть | |||
Электрическая прочность изоляции между входом питания и другими цепями | 2830 В | 1780 В | ||
Потребляемая мощность, не более | 17 ВА | 10 Вт | ||
Встроенный источник питания | Есть | — | ||
Выходное напряжение встроенного источника питания постоянного тока | 24 ± 3 В | — | ||
Ток нагрузки встроенного источника питания, не более | 100 мА | — | ||
Электрическая прочность изоляции между выходом питания и другими цепями | 1780 В | — | ||
Дискретные входы | ||||
Количество входов | 8 | |||
Напряжение «логической единицы» | 159…264 В (переменный ток) | 15…30 В (постоянный ток) | ||
Ток «логической единицы» | 0,75…1,5 мА | 5 мА (при 30 В) | ||
Напряжение «логического нуля» | 0…40 В | –3…+5 В | ||
Подключаемые входные устройства | Датчики типа «сухой контакт», коммутационные устройства (контакты реле, кнопок и т. д.) | |||
Гальваническая развязка | Групповая, по 4 входа (1–4 и 5–8, «общий минус») | |||
Электрическая прочность изоляции:
|
1780 В | |||
| 2830 В | |||
Аналоговые входы | ||||
Количество входов | 4 | |||
Время опроса входов | 10 мс | |||
Тип датчиков | 4...20 мА, 0...4000 Ом | |||
Предел допускаемой основной приведенной погрешности при измерении | ± 0,5 % | |||
| Дискретные выходы | ||||
Количество выходных устройств, тип | 8 э/м реле (НО) | |||
Коммутируемое напряжение в нагрузке: | ||||
для цепи постоянного тока, не более | 30 В (резистивная нагрузка) | |||
для цепи переменного тока, не более | 250 В (резистивная нагрузка) | |||
Допустимый ток нагрузки, не более | 5 А при напряжении не более 250 В переменного тока и cos φ > 0,95; 3 А при напряжении не более 30 В постоянного тока | |||
Гальваническая развязка | Групповая по 2 реле (1–2; 3–4; 5–6; 7–8) | |||
Электрическая прочность изоляции: |
| |||
между другими цепями | 2830 В | |||
между группами выходов | 1780 В | |||
| Индикация и элементы управления | ||||
Тип дисплея | Текстовый монохромный ЖКИ с подсветкой, 2 × 16 символов | |||
Индикаторы | Два светодиодных индикатора (красный и зеленый) | |||
| Кнопки | 6 шт | |||
Корпус | ||||
Тип корпуса | Для крепления на DIN-рейку (35 мм) | |||
Габаритные размеры | 123 × 90 × 58 мм | |||
Степень защиты корпуса по | IP20 | |||
Масса прибора, не более (для всех вариантов исполнений) | 0,6 кг | |||
Средний срок службы | 10 лет | |||
Условия эксплуатации
Прибор предназначен для эксплуатации в следующих условиях:
- закрытые взрывобезопасные помещения без агрессивных паров и газов;
- температура окружающего воздуха от минус 20 до плюс 55 °С;
- верхний предел относительной влажности воздуха: не более 80 % без конденсации влаги;
- допустимая степень загрязнения 1 (несущественные загрязнения или наличие только сухих непроводящих загрязнений);
- атмосферное давление от 84 до 106,7 кПа.
По устойчивости к климатическим воздействиям во время эксплуатации прибор соответствует группе исполнения В4 по ГОСТ Р 52931–2008.
По устойчивости к механическим воздействиям во время эксплуатации прибор соответствует группе исполнения N2 по ГОСТ Р 52931–2008 (частота вибрации от 10 до 55 Гц).
По устойчивости к воздействию атмосферного давления прибор относится к группе Р1 по ГОСТ Р 52931–2008.
Прибор отвечает требованиям по устойчивости к воздействию помех
в соответствии с
По уровню излучения радиопомех (помехоэмиссии) прибор соответствует
Прибор устойчив к прерываниям, провалам и выбросам напряжения питания:
- для переменного тока в соответствии с требованиями ГОСТ 30804.4.11–2013 (степень жесткости PS2);
- для постоянного тока в соответствии с требованиями ГОСТ IEC 61131–2–2012 – длительность прерывания напряжения питания до 10 мс включительно, длительность интервала от 1 с и более.
Меры безопасности
По способу защиты обслуживающего персонала от поражения электрическим
током прибор относится к классу II
Во время эксплуатации, технического обслуживания и поверки прибора следует соблюдать требования ГОСТ 12.3.019–80, «Правил эксплуатации электроустановок потребителей» и «Правил охраны труда при эксплуатации электроустановок».
Во время эксплуатации прибора открытые контакты клеммника находятся под опасным для жизни напряжением. Прибор следует устанавливать в специализированных шкафах, доступных только квалифицированным специалистам.
Любые подключения к прибору и работы по его техническому обслуживанию следует производить только при отключенном питании прибора и подключенных к нему устройств.
Не допускается попадание влаги на контакты выходного разъема и внутренние электроэлементы прибора. Прибор запрещено использовать в агрессивных средах с содержанием в атмосфере кислот, щелочей, масел и т. п.
Последовательность ввода в эксплуатацию
Для ввода в эксплуатацию следует:
Ввести в эксплуатацию котловые регуляторы КТР-121.01.10 в соответствии с РЭ на КТР-121.01.10 и наладить работу котлов по отдельности.
Смонтировать прибор (см. раздел) и подключить входные/выходные цепи и интерфейсную линию связи с котловыми контроллерами КТР-121.01.10 (см. раздел).
Настроить параметры:
Запустить установку. Проверить сообщения об авариях. Отладить работу каскада.
Если необходимо, подключить модуль расширения ПРМ для контроля общекотельных аварий.
Внешнее управление
При объединении нескольких КТР-121.01.10 в систему под управлением КТР-121.02.41, алгоритм регулирования автоматически адаптируется под условия обеспечения нужной температуры подачи в общем коллекторе. Допускается объединение в каскад не более четырех котловых регуляторов.
Приборы поставляются с уже сконфигурированными настройками для связи. Достаточно объединить их по интерфейсу согласного схеме ниже.

Наличие связи между контроллерами можно проверить по строке «Управление: Внеш» на главном экране каждого котлового регулятора КТР-121.01.10.
При объединении КТР-121.02.41 с КТР-121.03, алгоритм регулирования автоматически адаптируется под условия обеспечения максимально экономичного и безопасного регулирования контуров отопления и ГВС.
Приборы поставляются с уже сконфигурированными настройками для связи. Достаточно объединить их по интерфейсу согласного схеме на рисунке ниже.

Настройка сетевого адреса в КТР-121.03 может потребоваться в случае подключения двух устройств к одному КТР-121.02.41 для многоконтурной системы. В этом случае следует задать второму контроллеру КТР-121.03 сетевой адрес равным 56. (см. раздел).
Наличие связи между контроллерами можно проверить по строке «КТР-02: Норма» на экране текущих аварий каждого КТР-121.03.

Заводские настройки интерфейсов
Интерфейс | КТР-121.01.10 | КТР-121.02.41 | КТР-121.03 |
|---|---|---|---|
RS-485-1 | SLAVE | SLAVE | SLAVE |
RS-485-2 | SLAVE | MASTER | SLAVE |
Работа с ПО Owen Configurator
Начало работы
Для установки Owen Configurator (далее - Конфигуратор) следует:
Скачать с сайта архив с ПО (
https://owen.ru/documentation/907 ).Извлечь из архива ехе-файл установщика.
Запустить .ехе-файл.
Установить на ПК драйвер прибора (
Для настройки связи с прибором следует:
Подать питание на прибор.
Подключить прибор к ПК с помощью кабеля USB A – miniUSB B.
В Диспетчере устройств Windows уточнить номер назначенного прибору COM-порта.
Запустить Конфигуратор.
Нажать кнопку
Добавить устройства. Выбрать интерфейс «Устройство с последовательным интерфейсом USB» (см. рисунок, 1). Номер СОМ порта, присвоенный прибору можно узнать в Диспетчере устройств Windows.
Выбрать протокол ОВЕН (см. рисунок, 2).
Выбрать устройство (Пункт 3 на рисунок). Модификация КТР-121 указана на боковой стороне прибора.
Выбрать «Найти одно устройство», если добавляется один прибор. Запустить поиск нажатием на кнопку «Найти» (см. рисунок, 4).
Выделить найденное устройство (см. рисунок, 5).
Добавить устройство в проект Конфигуратора по нажатию кнопки «Добавить устройства» (см. рисунок, 6).

Настройки связи с устройством
Если изображение прибора серого цвета и запись параметров в прибор завершается всплывающим окном красного цвета, то следует проверить правильность подключения прибора к ПК.

Если в процессе настройки или работы в режиме «Офлайн» были изменены Сетевые настройки, то связь с прибором пропадет. (см. раздел).
Подключение можно восстановить повтором настройки связи.
Режим «офлайн»
Для конфигурирования прибора в режиме офлайн (без подключения прибора к ПК) следует:
Нажать кнопку
Добавить устройства.В появившемся окне выбрать в списке «Интерфейс» – Работа офлайн.

Добавление устройства В списке «Устройства», выбрать нужную модификацию прибора.

Выбор модификации Нажать кнопку «Добавить». Параметры прибора отобразятся в главном окне.

Отображение приборов в главном окне
Параметры доступны для редактирования. После подключения прибора к ПК, измененные параметры можно будет загрузить в него.
Обновление встроенного ПО
Сменить встроенное ПО можно только у приборов с одинаковой модификацией по питанию!
Нельзя сменить встроенное ПО, например, с КТР-121.220.02.20 на КТР-121.24.02.20.
Далее приведен пример смены встроенного ПО для КТР-121.24.01.10. Процесс смены встроенного ПО для остальных модификаций аналогичен.
Для обновления встроенного ПО следует:
Нажать на кнопку
Обновить устройство в контекстном меню выбранного
устройства или в главном меню. Откроется диалоговое окно для смены
встроенного ПО устройства.
ПримечаниеДопускается обновление одного или нескольких устройств. Устройства следует выделить в области устройств (см. рисунок, 5) и выбрать Обновить устройство в контекстном меню или главном меню.Выбрать источник загрузки:
Загрузить встроенное ПО из файла – требуется указать путь к файлу встроенного ПО в окне Проводника Windows;
Загрузить встроенное ПО, выбрав из списка – выбрать встроенное ПО из списка на сервере, доступных для загрузки в прибор данного типа;
Обновить до последней версии – последняя версия встроенного ПО будет загружена автоматически (требуется подключение к Интернету). Пункт недоступен, если версия встроенного ПО прибора актуальная.

Выбор источника встроенного ПО
Выбрать необходимую модификацию прибора (см. рисунок ниже).

Выбор алгоритма Нажатием кнопки «Загрузить», подтвердить загрузку выбранного встроенного ПО в прибор (см. рисунок ниже).

Начало загрузки встроенного ПО Пока идет загрузка встроенного ПО в устройство, в окне будет отображаться индикатор загрузки.

Индикатор прогресса процесса смены встроенного ПО Дождаться сообщения об окончании загрузки встроенного ПО в прибор (см. рисунок ниже).

Сообщение об окончании процесса смены встроенного ПО
ПримечаниеВ случае возникновения сбоя во время загрузки встроенного ПО, процесс смены встроенного ПО следует произвести повторно.После завершения записи встроенного ПО в устройство, отобразится уведомление о завершении процесса. Чтобы изменения вступили в силу устройство следует заново добавить в проект Конфигуратора.

Уведомление о необходимости добавить прибор заново в проект
Для проверки версии встроенного ПО прибора следует нажать кнопку
Информация об
устройстве. Откроется окно информации об устройстве.

Настройка часов
Из Конфигуратора можно настроить часы прибора.

Часы можно настроить в ветке Об устройстве/Часы в списке
параметров устройства или из меню Конфигуратора. После нажатия кнопки
Настроить часы появится меню, приведенное на рисунке ниже.

Для настройки часов следует:
Выбрать дату с помощью календаря.
Ввести время в поле часов или воспользоваться кнопкой Установить дату и время компьютера.
Нажать кнопку Записать значения.
Отслеживание параметров
В Конфигураторе можно просматривать изменение параметров в режиме реального времени.
Для отслеживания параметров следует:
Нажать кнопку
Отслеживание параметров.Появится окно со списком параметров.

Окно отслеживания параметров
Загрузка конфигурации в прибор
Для загрузки конфигурации (измененных параметров) в прибор следует
нажать кнопку
Записать значения или щелкнуть правой кнопкой мыши на значке
прибора и в появившемся меню выбрать пункт «Записать значения».

Монтаж и подключение
Установка
Если прибор находился длительное время при температуре ниже минус 20 °С, то перед включением и началом работ необходимо выдержать его в помещении с температурой, соответствующей рабочему диапазону, в течение 30 мин.
Во время размещения прибора следует учитывать меры безопасности из раздела.
Прибор следует монтировать в шкафу, конструкция которого обеспечивает защиту от попадания в него влаги, грязи и посторонних предметов.


Для монтажа прибора на DIN-рейке следует:
- Подготовить на DIN-рейке место для установки прибора в соответствии с размерами прибора (см. рисунок).
- Вставив отвертку в проушину, оттянуть защелку (см. рисунок, 1).
- Прижать прибор к DIN-рейке (см. рисунок, 2). Отверткой вернуть защелку в исходное положение (см. рисунок, 3)
- Смонтировать внешние устройства с помощью ответных клеммников из комплекта поставки.
Демонтаж прибора:
- Отсоединить съемные части клемм от прибора (см. рисунок).
- В проушину защелки вставить острие отвертки.
Защелку отжать, после чего отвести прибор от DIN-рейки.

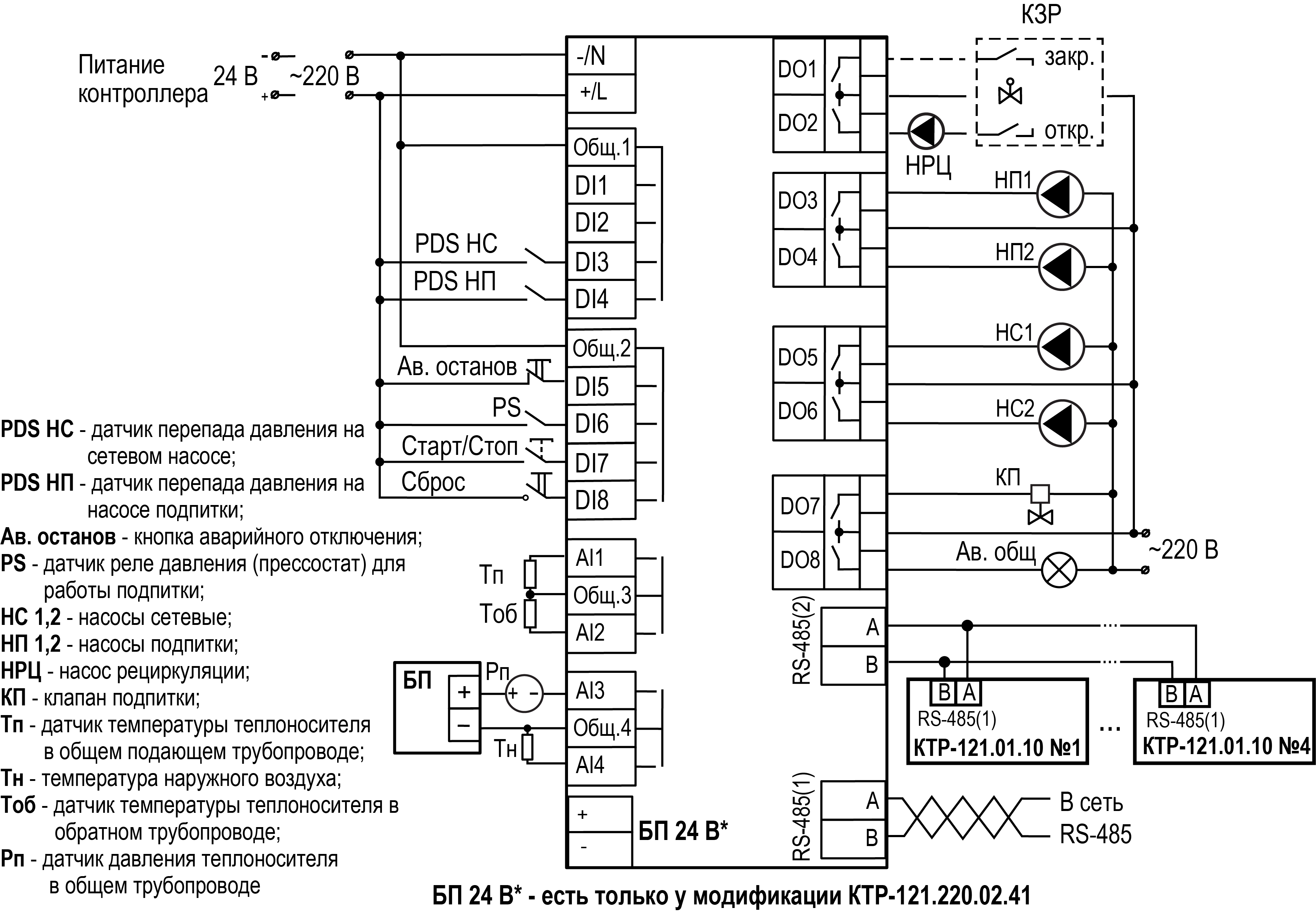
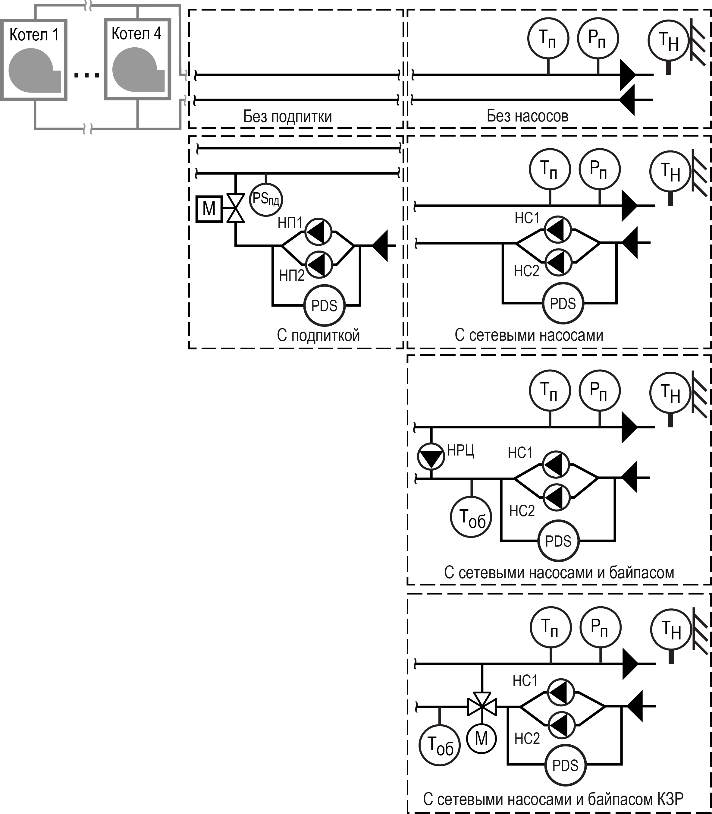
Общая схема подключения
Внешние связи монтируются проводом сечением не более 0,75 мм2. Для многожильных проводов следует использовать наконечники.

Для дополнительного контроля аварий следует подключить модуль расширения ПРМ.
В качестве источника сигнала аварийного останова котельной может служить как внешняя кнопка аварии, так и сигналы общекотельных аварий («Пожар», «Загазованность» и пр.).

Индикация и управление
Основные элементы управления

Назначение кнопок
| Кнопка | Назначение |
|---|---|
![]() | Смещение видимой области вверх или вниз. Перемещение по пунктам меню |
![]() | Применяется в комбинациях с другими кнопками. При удержании более 6 секунд – переход в системное меню |
![]() | Выбор параметра |
![]() | Сохранение измененного значения |
![]() | Выход/отмена. При удержании более 6 секунд выход из системного меню. Возврат на Главный экран |
+ ![]() | Переход с Главного экрана в раздел «Меню» |
+ ![]() | Переход с Главного экрана в раздел Аварии |
+ или + ![]() | Изменение редактируемого разряда (выше или ниже) |
Назначение светодиодов
На лицевой панели прибора расположены элементы индикации и управления (см. рисунок):
- двухстрочный шестнадцатиразрядный ЖКИ;
- два светодиода;
- шесть кнопок.
Для редактирования значений следует:
Нажатием кнопки
выбрать нужный параметр (выбранный параметр
начинает мигать).С помощью кнопок
и
установить нужное значение. Во время работы
с числовыми параметрами комбинация кнопок
+
/
меняет редактируемый разряд.Возможные варианты действия с измененным значением:
для сохранения следует нажать кнопку
;для сохранения и перехода к следующему параметру следует нажать
.
Для отмены введенного значения следует нажать
.
Главный экран
Главный экран (ступенчатая горелка)
Экран | Описание |
|---|---|
| Работа Тпр 80.5 | Режим работы и текущая измеренная температура подачи, °С |
| Уст.:70.5<..<85.5 | Температурный диапазон регулирования, °С |
| Ступ +: 5 сек* | Время до подключения/отключения ступени/котла, с |
| Стаб -: 13 сек* | Время стабилизации – задержка расчета интеграла на подключение/отключение ступени/котла, с |
| Управление: Пуск | Переключения режимов Пуск/Стоп |
| Тобр 60 | Текущая температура обратной воды, °С |
| Рпр 5.2 | Текущее давление теплоносителя в подающем трубопроводе |
| Тнар 15 | Текущая температура наружного воздуха |
| К1:ВСт2 К2: Ож | Роль котлов 1, 2 и их состояние |
| К3: Ож К4: Ож | Роль котлов 3, 4 и их состояние |
| Подпитка: Выкл | Текущее состояние системы подпитки |
Аварии ->ALT+OK Меню ->ALT+SEL | Для перехода
к меню Аварий нажать сочетание клавиш Для возвращения к меню нажать сочетание клавиш |
На главном экране прибора отображается вся необходимая для работы
информация. Для просмотра всей информации на дисплее следует менять
положение строк индикации нажатием кнопок
и
. Внешний вид главного
экрана представлен в таблице.
Режим работы/Варианты индикации
Вид | Описание |
|---|---|
| ЗапНас | Запуск котловых насосов (если есть в схеме) |
| Розжиг | Запуск горелки в работу, подан запрос на розжиг, но пока нет подтверждения работы от горелки (В4) |
| ХолПуск | Активен режим плавного прогрева холодного котла |
| РабСт1 | Работа горелки на первой ступени |
| РабСт2 | Работа горелки на второй ступени |
| РабСт3 | Работа горелки на третьей ступени |
| Работа | Модулируемая горелка в работе |
| Стоп | Отключены все исполнительные механизмы |
| РежСон | Рабочий останов котла при избытке тепла |
| Тест | Система переведена в режим тестирования (ручное управление) |
| Авария | Сигнализация о неисправности. Поведение прибора см. таблицу |
Для удобства отслеживания текущего режима работы прибора индикация «Режим работы» имеет варианты, указанные в таблице.
Структура меню

В зависимости от заданных настроек в Тип схемы, пункты Насосы сетевые, Погодозависимость и Регулир-е Тобр в разделе Настройки могут быть скрыты. Например, если в разделе Тип схемы в параметре НасСетевые = Нет, то в разделе меню Настройки будет отсутствовать пункт Насосы сетевые.
Общая информация
Меню/Информация/Общая
Экран | Описание |
|---|---|
| Информация | |
| КТР-121.02.41 | Наименование модификации прибора |
| Версия: 3.00 | Версия программного обеспечения |
| от 17.02.2023 | Дата релиза программного обеспечения |
Наименование модификации прибора, версию программного обеспечения и дату ее релиза можно найти в Меню → Информация → Общая.
Сброс настроек
Меню/Настройки/Сброс настроек
| Экран | Описание | Диапазон |
|---|---|---|
| Сброс настроек | Сброс настроек на заводские значения | Нет, Да |
| на заводские:Нет |
Параметры прибора можно вернуть к заводским значениям с помощью команды в меню Сброс настроек.
Секретность
Секретность
Экран | Описание |
|---|---|
| Секретность | Название экрана |
| Пароль 1: 0 | Пароль доступа в меню «Быстр.Настройка» |
| Пароль 2: 0 | Пароль доступа в меню «Настройки» |
| Пароль 3: 0 | Пароль доступа в меню «Тест Вх/Вых» |
С помощью пароля можно ограничить доступ к определенным группам настроек (Меню → Настройки → Секретность).
Пароли блокируют доступ:
Пароль 1 — к группе Быстр.Настройка;
Пароль 2 — к группе Настройки;
Пароль 3 — к группе Тест Вх/Вых.
Для сброса паролей следует:
перейти в Меню прибора;
нажать комбинацию кнопок (
+
);набрать пароль 118 и подтвердить cброс.
Так же установлены пароли:
на сброс журнала аварий — 741;
сброс настроек прибора на заводские — 963.
Режимы работы
Общие сведения

После подачи питания и загрузки контроллер переходит в режим Стоп.
Прибор имеет следующие режимы:
- Работа;
- Стоп;
- Тест;
- Авария.
Режим работы контроллера индицируется в первой строке главного экрана.
Схема переходов между режимами представлена на рисунке.
Режим «Стоп»
В режиме Стоп контроллер не выдает управляющих сигналов, но контролирует аварии.
Для перехода из режима Стоп в режим Работа следует переключить режимы (Управление: Стоп → Старт) с главного экрана, либо подать команду на запуск по сети или внешней кнопкой «Старт».
Обратный переход осуществляется аналогично.
Режим «Авария»
В режиме Авария прибор сигнализирует о неисправности включением реле «Авария». Переход из режима Авария в режим Стоп или Работа производится в зависимости от типа аварии, полный список аварий см. раздел.
Режим «Работа»
В режиме Работа прибор:
регулирует температуру сети, управляя мощностью котлов;
регулирует температуру теплоносителя в общем обратном трубопроводе;
автоматически меняет роль ведущего котла по времени наработки;
контролирует аварии системы теплоснабжения;
контролирует общекотельные аварии (нужен модуль расширения ПРМ-1);
управляет системой подпитки;
управляет сетевыми насосами.
Режим «Тест»
Режим Тест предназначен для:
проверки работоспособности дискретных и аналоговых датчиков
;проверки встроенных реле
;правильности подключения исполнительных механизмов.
Для перехода в режим тест следует:
Перевести контроллер в режим Стоп,
внешней кнопкой Старт/Стоп либо через меню прибора.
Открыть экран Тест Вх/Вых.
Перевести прибор в режим Тест, выбрав значение «Активен»
в параметре Режим (Меню → Настройки → Тест Вх/Вых).
Параметры режима Тест
Экран | Описание | Диапазон |
|---|---|---|
| Тест Вх/Вых |
|
|
| Режим: Не акт. | Переход в тестовый режим | 0 – Не активен, 1 – Активен |
Дискретные выходы | ||
| DO1: СП РЦзкр – 0 | Сигнал «закрыть» на КЗР температуры обратной воды | 0 – Не активен, 1 – Активен |
| DO2: СП РЦотк – 0 | Сигнал «открыть» на КЗР температуры обратной воды | 0 – Не активен, 1 – Активен |
| DO2: НасРец – 0 | Сигнал на включение насоса рециркуляции | 0 – Не активен, 1 – Активен |
| DO3: НасПодп1 – 0 | Сигнал на включение первого насоса подпитки | 0 – Не активен, 1 – Активен |
| DO4: НасПодп2 – 0 | Сигнал на включение второго насоса подпитки | 0 – Не активен, 1 – Активен |
| DO5: НасСет1 – 0 | Сигнал на включение первого сетевого насоса | 0 – Не активен, 1 – Активен |
| DO6: НасСет2 – 0 | Сигнал на включение второго сетевого насоса | 0 – Не активен, 1 – Активен |
| DO7: КлапПодп – 0 | Сигнал «открыть» на клапан подпитки | 0 – Не активен, 1 – Активен |
| DO8: АвОбщ – 0 | Сигнал на включение лампы «Авария общая» | 0 – Не активен, 1 – Активен |
Дискретные входы | ||
| DI3: PDS НасС – 0 | Реле перепада давления на группе сетевых насосов циркуляции | 0 – Авария, 1 – Норма |
| DI4: PDS НасП – 0 | Реле перепада давления на группе насосов подпитки | 0 – Авария, 1 – Норма |
| DI5: Ав Кнопк – 0 | Кнопка аварийного останова котельной «Аварийный стоп» | 0 – Авария, 1 – Норма |
| DI6: PS Подп – 0 | Дискретный датчик давления (прессостат) для работы подпитки | 0 – Выкл, 1 – Вкл |
| DI7: Кн.Старт – 0 | Кнопка «Старт/Стоп» котельной | 0 – Стоп, 1 – Старт |
| DI8: Кн.Сброс – 0 | Кнопка «Сброс аварий» | 0 – Нет, 1 – Сбросить |
Аналоговые входы | ||
| AI1: Тпр 76,7 С | Текущая температура теплоносителя сети | 0…500 |
| AI2: Тобр 63,4 С | Текущая температура обратного теплоносителя | 0…500 |
| AI3: Рпр 5,36 | Текущее давление теплоносителя сети | 0…100 |
| AI4: Тнар – 10,6 С | Текущая температура наружного воздуха | -100…100 |
Далее: ALT+Вниз Выход-> ESC | Для перехода к следующему меню нажать сочетание клавиш Для выхода из меню нажать кнопку |
|
Дискретные выходы ПРМ | ||
| DO1: Ав.Пожар – 0 | Сигнал на включение лампы «Пожар» | 0 – Не активен, 1 – Активен |
| DO2: Ав.Охран – 0 | Сигнал на включение лампы «Взлом» | 0 – Не активен, 1 – Активен |
| DO3: Ав.Ргаза – 0 | Сигнал на включение лампы «Давление газа не в норме» | 0 – Не активен, 1 – Активен |
| DO4: Ав.Рпр – 0 | Сигнал на включение лампы «Давление сети не в норме» | 0 – Не активен, 1 – Активен |
| DO5: Ав.СО – 0 | Сигнал на включение лампы «Загазованность СО» | 0 – Не активен, 1 – Активен |
| DO6: Ав.СН – 0 | Сигнал на включение лампы «Загазованность СН» | 0 – Не активен, 1 – Активен |
| DO7: Ав.НасС – 0 | Сигнал на включение лампы «Авария сетевых насосов» | 0 – Не активен, 1 – Активен |
| DO8: Ав.НасП – 0 | Сигнал на включение лампы «Авария насосов подпитки» | 0 – Не активен, 1 – Активен
|
Дискретные входы ПРМ | ||
| DI1: Пожар – 0 | Датчик пожара | 0 – Авария, 1 – Норма |
| DI2: Охрана – 0 | Датчик проникновения | 0 – Авария, 1 – Норма |
| DI3: minРгаза – 0 | Давление газа мало | 0 – Авария, 1 – Норма |
| DI4: maxРгаза – 0 | Давление газа велико | 0 – Авария, 1 – Норма |
| DI5: Ав.СО – 0 | Датчик загазованности СО | 0 – Авария, 1 – Норма |
| DI6: Ав.СН – 0 | Датчик загазованности СН | 0 – Авария, 1 – Норма |
| DI7: Газ кл. – 0 | Положение газового клапана | 0 – Закрыт, 1 – Открыт |
Назад: ALT+Вниз Выход-> ESC | Для перехода
к предыдующему меню нажать сочетание клавиш Для выхода из меню нажать кнопку |
|
Управление котлами
Измерение температуры и давления
Меню/Настройки/Входы
| Экран | Описание | Диапазон |
|---|---|---|
| Настройка входов |
|
|
| Настройка входов | ||
| Тпр: PT1000 | Тип датчика температуры прямой воды | PT1000, PT100, 100М, NTC |
| В25/100 | Коэффициент для NTC | 0...9999 |
| R25 | Начальное сопротивление для NTC | 0...9999 |
| Сдвиг: 0,000 | Корректировка измеренного значения | –100...100 |
| Тобр: PT1000 | Тип датчика температуры обратной воды | PT1000, PT100, 100М, NTC |
| В25/100 | Коэффициент для NTC | 0...9999 |
| R25 | Начальное сопротивление для NTC | 0...9999 |
| Сдвиг: 0,000 | Корректировка измеренного значения | –100...100 |
| Рпр | ||
| 20мА: 10 | Верхняя граница измерения давления | 0...100 |
| 4мА: 0,000 | Нижняя граница измерения давления | 0...100 |
| Сдвиг: 0,000 | Корректировка измеренного значения | –100...100 |
| Тнар: PT1000 | Тип датчика температуры наружного воздуха | PT1000, PT100, 100М, NTC, |
| В25/100 | Коэффициент для NTC | 0...9999 |
| R25 | Начальное сопротивление для NTC | 0...9999 |
| Сдвиг: 0,000 | Корректировка измеренного значения | -100...100 |
| DI Вр.Флтр: 1,5 сек | Время фильтра дискретных сигналов на входах, с | 1,5...5 |
| Выход -> ESC | Для выхода из меню
нажать кнопку ![]() |
|
Прибор работает с резистивными датчиками температуры типа — PT1000, PT100, NTC и 100М (см. таблицу).
Тип датчика задается для каждого входа отдельно.
Если измеренное значение отличается от фактического, то рекомендуется ввести корректировку Сдвиг (для каждого входа задается отдельно):
Для корректного измерения давления следует настроить пределы преобразования токового сигнала 4…20 мА в пользовательские единицы измерения (МПа, бар, атм. и т. п.).
Функция измерения и контроля давления активируется параметром Контр.Рпр (Меню → Настройки → Тип схемы).
Для всех дискретных входов настройка времени фильтра Вр.Флтр позволяет не обрабатывать сигналы дребезга контактов.
Выбор схемы управления
Меню/Настройки/Тип схемы
Экран | Описание | Диапазон |
|---|---|---|
| Тип Схемы | ||
| Горелка: 2 ступ | Тип горелки | 0 - Мод, 1 – 1 ступ, 2 - 2 ступ, 3 - 3 ступ |
| Погодозав: Нет | Наличие коррекции уставки по датчику температуры наружного воздуха | Есть, Нет |
| НасСетевые: Нет | Наличие в системе сетевых насосов | Есть, Нет |
| Рег Тобр: Нет | Режим регулирования температуры обратной воды | 0 – Нет, 1 – НасРец, 2 – КЗР |
| Контр Рпр | Контроль давления в сетевом контуре | Есть, Нет |
| Подпитка: Нет | Наличие в системе подпитки | Есть, Нет |
| ОбщекотАв: Нет | Контроль общекотельных аварий | Есть, Нет |
| КлапанПрот | Наличие отсечных клапанов протока в котловых контурах | Есть, Нет |
| Выход -> ESC | Для выхода из
меню нажать кнопку |
Наличие, тип и количество исполнительных механизмов в схеме определяется параметрами Типа схемы. Настройка конфигурации схемы управления определяет логику работы прибора.
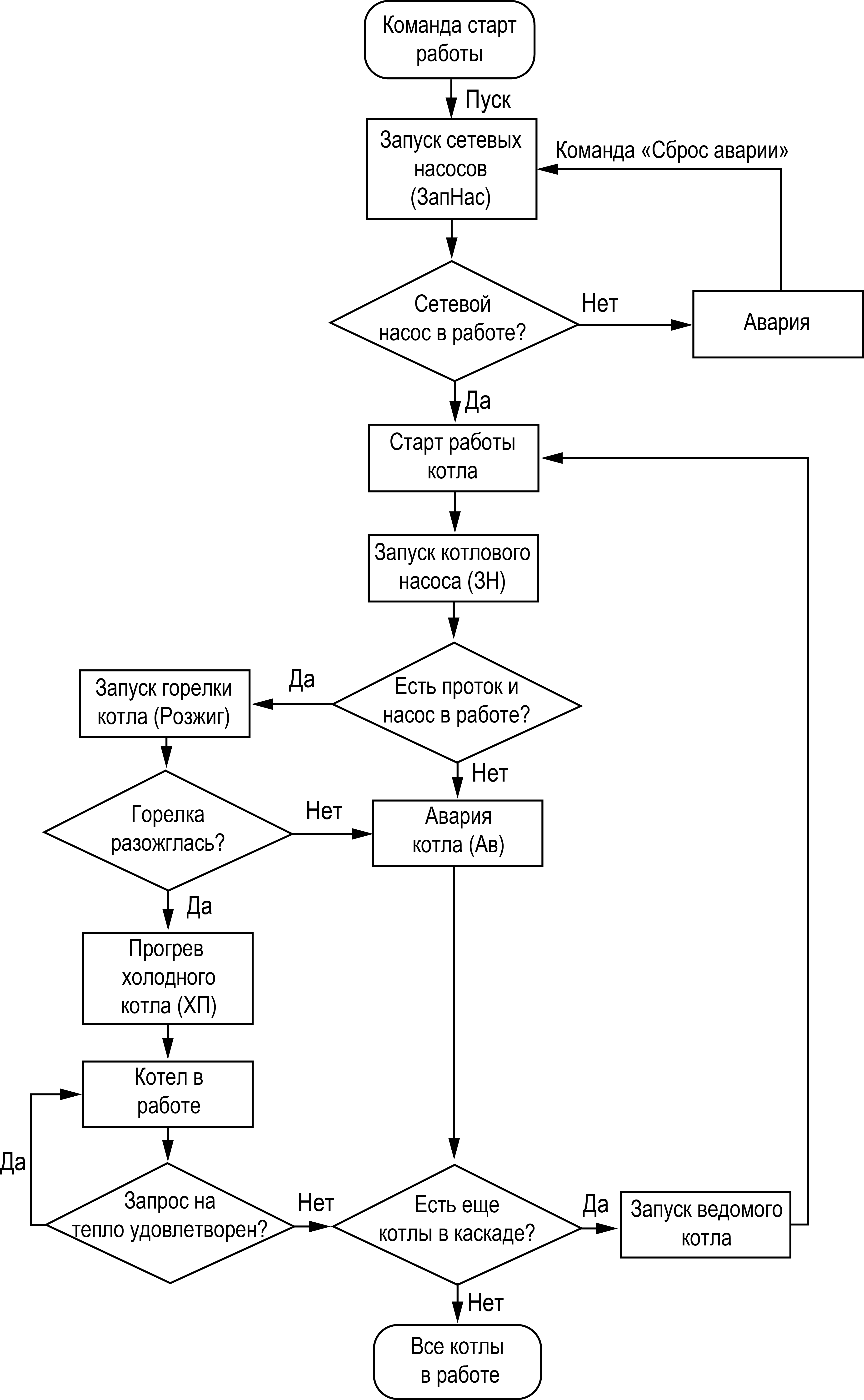
Запуск котельной

После получения команды на запуск контроллер дает команду запуска сетевых насосов. Индикация данного состояния на главном экране: ЗапНас. Одновременно с запуском сетевых насосов отправляется команда котловому регулятору КТР-121.01 на запуск котла.
На главном экране отображается индикация состояния и текущего режима работы каждого котла в каскаде.
Подробнее о сокращениях см. раздел.
Возникновение неисправностей сетевых насосов отслеживается по отсутствию сигнала от реле перепада давления на насосах и датчика протока через котел. В случае неисправности сетевых насосов работа котлов прекращается. Регулирование температуры теплоносителя в общем обратном трубопроводе не производится в режимах Стоп, Тест, Авария.
Регулирование температуры
Экран быстрых настроек
Экран | Описание | Диапазон |
|---|---|---|
| Быстр. Настройка | ||
| Тпр min: 80,0 | Нижняя граница диапазона регулирования температуры на подаче, °С | |
| Тпр max: 90,0 | Верхняя граница диапазона регулирования температуры на подаче, °С | |
| Скорость реакц: | ||
| [***** ] | Шкала задания скорости реакции регулятора | |
| Резко Плавно |
Прибор, передавая сетевые команды на котловые регуляторы КТР-121.01.10 управляет ступенчатой или модулируемой горелками (Меню → Настройки → Тип схемы) автоматически определяя, какое количество котлов необходимо задействовать для достижения заданной температуры теплоносителя в общем коллекторе.
Скорость реакции на изменение температуры настраивается шкалой (Меню → Быстрые настройки → Скорость реакции).
Крайнее левое положение индикатора на шкале соответствует наиболее быстрой реакции, но менее точному регулированию. С каждым последующим смещением шкалы вправо, скорость реакции уменьшается, но увеличивается точность.
Скорость реакции на изменение температуры также настраивается численными способом – параметрами интеграла подключения и отключения котлов.
Каскадное регулирование котлов

Для достижения заданной температуры подачи теплоносителя в общем коллекторе, по параметрам интеграла на подключение и отключение Интег +/- (Меню → Настройки → Регулирование) каскадный регулятор рассчитывает необходимое число включенных в работу котлов, исходя из динамики температуры подачи в общем коллекторе, и выдает команды на блокировку или разблокировку работы котловым регуляторам КТР-121.01.10.
По команде разблокировки от КТР-121.02.41 котел принудительно запускается в работу по стандартному алгоритму котлового регулятора, без ожидания расчета мощности, если нет блокирующих факторов и температура подачи котлового регулятора ниже нижней границы регулирования.
По команде блокировки от каскадного регулятора, котел принудительно отключается, контроллер переводит режим котла в Ожидание (Стоп для КТР-121.01.10).
Условие начала расчета интеграла на подключение 2, 3 и 4 котлов определяется в параметре Посл.подкл Меню → Настройки → Каскад котлов (см. раздел).
Расчет интеграла на отключение котлов начинается сразу после превышения температуры подачи в общем трубопроводе верхней границы регулирования.
Регулирование, управление и расчет мощности котла, процесс запуска, прогрев, контроль аварий, а также полный останов котла, пока он разблокирован, реализуется полностью на котловом регуляторе КТР-121.01.10 по собственным показателям.
Меню/Настройки/Регулирование
Экран | Описание | Диапазон |
|---|---|---|
| Регулирование |
|
|
| Тпр max: 80,0 | Верхняя рабочая граница прямой воды, °С | 0…500 |
| Тпр min: 70,0 | Нижняя рабочая граница прямой воды, °С | 0…500 |
| Дельта.Вкл: - 5 | Дельта от верхней границы для принудительного запуска котла | -40...0 |
| Дельта.Уст: 0 | Допустимая дельта для коррекции уставки по средней тепловой нагрузке | 0...40 |
| Интег+: 420,0 | Значение температурно-временного интеграла, по достижении которого ступень включается | 0…9999 |
| Интег-: 420,0 | Значение температурно-временного интеграла, по достижении которого ступень отключаются | 0…9999 |
| Вр.Стаб+: 11с | Задержка начала расчета интеграла на подключение ступени, c | 0…200 |
| Вр.Стаб-: 11с | Задержка начала расчета интеграла на отключение ступени, c | 0…200 |
| Выход -> ESC | Для выхода из меню нажать кнопку ![]() |
|
Для поддержания требуемого значения температуры в общем коллекторе каскадный регулятор производит циклическую запись уставки общего коллектора во все разблокированные котлы.
При ротации котлов, предыдущий ведущий котел блокируется только после окончания прогрева/подтверждения розжига/подачи запроса на розжиг нового ведущего - в зависимости от активированных функций.
Расчет Интег+ и Вр.Стаб+ сбрасывается при превышении температуры верхней границы регулирования (Тпр.max) и Интег- и Вр.Стаб- при снижении ниже средней границы регулирования (Тпр.max+Тпр.min)/2.
Баланс мощности котлов
В контроллере реализована функция перераспределения мощности работающих котлов, для оптимизации эксплуатационных расходов. Ее суть заключается в отключении последнего включенного котла, если общую мощность всех разблокированных котлов можно достичь на меньшем количестве котлов.

Принцип работы для модулируемых горелок:
Для отключения последнего включенного котла по балансу мощности, необходимо чтобы средняя скользящая мощность всех разблокированных котлов за время заданное в параметре Вр.Баланса (Меню → Настройки → Регулирование) была меньше 60 %, второй котел будет заблокирован при среднем значении меньше 45 %.
Принцип работы для ступенчатых горелок:
Для отключения последнего включенного котла по балансу мощности, необходимо чтобы среднее скользящее количество ступеней всех разблокированных котлов за время заданное в параметре Вр.Баланса (Меню → Настройки → Регулирование) было меньше, чем максимальное количество ступеней разблокированных котлов с вычетом числа ступеней одного котла.

Время стабилизации
Для предотвращения частого включения - выключения котлов, в контроллере реализована задержка начала расчета мощности каскада - изменение количества работающих котлов. Задержка реализована в виде таймера с обратным отсчетом, которая позволяет оценить реакцию системы на изменение мощности каскада - введение или выведение котла из работы в каскаде. До завершения работы таймера, расчет интеграла на подключение или отключение котла остановлен. При подключении или отключении последнего котла время стабилизации не отсчитывается. Значение времени стабилизации задается в параметрах Меню → Настройки → Регулирование: Вр.Стаб+/-:
Время заданное в параметре Вр.Стаб+ начинает отсчитываться после введения котла в работу каскада;
Время заданное в параметре Вр.Стаб- начинает отсчитываться после выведения котла из работы в каскаде.
Время стабилизации после подключения котла, начинает рассчитываться только после: окончания прогрева/подтверждения розжига/подачи запроса на розжиг - в зависимости от активированных функций. Время стабилизации после отключения котла отсчитывается сразу после снятия запроса на розжиг.
Время стабилизации рекомендуется задавать равным времени изменения перелома кривой нагрева от момента изменения мощности котла.
Пример
Допускается отклонение от нижней границы диапазона регулирования на величину не более 6 °С. Максимальное время до включения следующей ступени при данной просадке – не более 60 с.
Задавать минимальное значение интеграла включения следует как: (6 × 60) / 2 = 180.
Допускается превышение над верхней границей диапазона регулирования не более, чем на 3 °С. Максимальное время до отключения предыдущей ступени при данном перегреве – не более 20 с.
Задавать минимальное значение интеграла выключения следует как: (3 × 20) / 2 = 30.
Включение ведущего котла по температуре
Чтобы избежать больших просадок температуры подачи и более точного и качественного регулирования, в контроллере предусмотрена защитная функция, которая позволяют принудительно запустить ведущий котел в работу при снижении температуры подачи в общем коллекторе ниже температуры включения, независимо от рассчитанной мощности. Температура включения котла рассчитывается от текущей верхней границы уставки регулирования.
Для ступенчатых горелок: Тпр.max - Дельта.Вкл
Для модулируемых горелок: Туст + ½ ∙ ЗН - Дельта.Вкл
Параметр Дельта.Вкл настраивается в группе Регулирование (Меню → Настройки → Регулирование).
Собственная настройка температуры включения котлового регулятора при работе в каскаде применима только том в случае, если от КТР-121.02.41 поступил разрешающий сигнал на работу котла.
Последовательность подключения ступеней
В каскадный регулятор добавлена настройка с выбором варианта последовательности подключения котлов в каскаде, которая задается в параметре Посл.подкл (Меню → Настройки → Каскад котлов).
При значении параметра Посл.подкл: 1212, условие начала расчета интеграла на подключение 2, 3 и 4 котла.
Для ступенчатых горелок:
Один из котлов работает на максимальной мощности.
Текущая средняя мощность разблокированных котлов больше, чем максимальное число ступеней разблокированных котлов с вычетом числа ступеней одного котла.
Текущая температура подачи каскадного контроллера ниже средней границы регулирования.
Для модулируемых горелок:
Один котел работает на мощности более 95 %.
Средняя мощность двух разблокированных котлов больше 90 %, трех разблокированных котлов больше 80 %.
Текущая температура подачи каскадного контроллера ниже средней границы регулирования.
При значении параметра Посл.подкл: 1122, условие начала расчета интеграла на подключение следующего котла для всех типов горелок — текущая температура подачи каскадного контроллера ниже средней границы регулирования.
Сетевые насосы
Меню/Настройки/Насосы сетевые
Экран | Описание | Диапазон |
|---|---|---|
| Насосы Сетевые | ||
| Насос1: Основной | Режим работы сетевого насоса № 1 | 0 – Откл 1 – Основной, 2 – Резерв |
| Насос2: Основной | Режим работы сетевого насоса № 2 | 0 – Откл, 1 – Основной, 2 – Резерв |
| Вр.Разгона: 10с | Время игнорирования показания от датчика перепада давления при старте насоса, с | 2...180 |
| Вр.Работы: 12ч | Период смены циркуляционных насосов по наработке, ч | 1...240 |
| Перезапуск: Нет | Наличие перезапуска насосов при пропадании сигнала от PDS | 0 – Нет, 1 – Есть |
| Реж.откл: Выбег | Выбор условия выключения циркуляционных насосов | 0 – Выбег, 1 – по Тпр |
| Тпр откл: 50,0 | Уставка температуры прямой сетевой воды для отключения котлового насоса, °С | 0...99,9 |
| Задерж.откл: 1м | Задержка отключения насоса после отключения горелки, мин | 1…60 |
| Раб.Всегда: Нет | Режим непрерывной работы сетевых насосов | 0 – Нет, 1 – Да |
| Выход -> ESC | Для
выхода из меню нажать кнопку ![]() |
Прибор управляет двумя сетевыми насосами. Насосная группа работает на обеспечение протока теплоносителя через группу котлов. Работоспособность насосов контролируется по датчику реле перепада давления. Датчик один на насосную группу.
Для выравнивания наработки, прибор чередует насосы по заданному в настройках времени. Функцию чередования по наработке можно отключить. В этом случае один из насосов будет работать как резервный, на случай выхода из строя основного. Распределение ролей основного и резервного производится в меню прибора.
Каждому насосу можно назначить один из трех статусов (Настройки → Регулирование → Насосы → Насос 1, Насос 2):
Отключен – насос не используется при выполнении алгоритма
;Основной – используется при выполнении алгоритма
;Резервный – в случае неисправности основного насоса берет на себя его функции до тех пор, пока основной не восстановит свою работоспособность.
Останов насосов производится при переходе в режимы Стоп и Авария по одному из условий:
отключение после заданного в настройках времени (Задерж.Откл);
отключение после снижения температуры подачи ниже заданного в настройках температурного порога (Тпр откл).
Параметр Раб.всегда (Нет → Да) служит для обеспечения непрерывной работы сетевых насосов. Насосы продолжат работать в режиме рабочего останова (все котлы в ожидании) и режиме Авария. Исключением являются аварии:
нет доступных для работы насосов;
сработала аварийная кнопка;
авария давления теплоносителя (мин/макс);
нет протока на всех котлах.
При срабатывании любой из вышеперечисленных аварий, сетевые насосы будут сразу остановлены.
Борьба с ложными срабатываниями датчика перепада давления
Для исключения некорректной работы насосов при сбоях реле перепада давления, контроллер управляет насосами с учетом возможных пропаданий сигналов реле перепада, когда по факту перепад в норме.
Насосы контуров при аварии по перепаду давления перезапускаются автоматически. Вышел из строя первый насос, КТР-121 запускает второй. При неисправности второго, КТР-121 запускает первый. Если количество неудачных включений насоса превысит пять попыток подряд, то прибор будет интерпретировать это как неисправность и зафиксирует аварию насоса до момента его сброса командой Сброс (из меню прибора, внешней кнопкой или сетевой командой по RS-485).
Настройка поведения контроллера при сбоях реле перепада давления производится в параметре Перезапуск (Меню → Настройки → Насосы Сетевые).
Подпитка
Меню/Настройки/Подпитка
| Название | Описание | Диапазон |
|---|---|---|
| Подпитка |
|
|
| Насос1: Основной | Режим работы первого насоса подпитки | 0 – Откл 1 – Основной, 2 – Резерв |
| Насос2: Основной | Режим работы второго насоса подпитки | 0 – Откл, 1 – Основной, 2 – Резерв |
| Вр.Разгона: 10 сек | Время игнорирования показаний от датчика перепада давления на насосах, с | 2…180 |
| Перезапуск: Нет | Наличие перезапуска насосов при пропадании сигнала от PDS | 0 - Нет, 1 - Есть |
| Ав.Утечки: Сигнал | Стратегия поведения прибора при фиксации аварии утечки | 0 – Нет, 1 – Сигнал, 2 - Авария |
| Maкc Вр.раб: 60м | Максимальное время работы подпитки в сутки, мин | 1…720 |
| Датчик: Дискрет | Тип датчика давления по которому осуществляется работа подпитки | 0 – Дискрет, 1 – Аналог |
| Давление рабочее |
|
|
| Рпр max | Верхняя граница давления теплоносителя для отключения подпитки | 0…100 |
| Pпр min | Нижняя граница давления теплоносителя для включения подпитки | 0…100 |
| Выход -> ESC | Для выхода из меню
нажать кнопку ![]() |
|
Для управления подпиткой используются насосная группы из двух насосов и клапан подпитки. Включение подпитки производится по факту снижения давления подачи в общем коллекторе. Выключение – при возврате давления в норму.
Работоспособность насосов контролируется по датчику реле перепада давления. Один на насосную группу. По умолчанию один из насосов будет работать как резервный, на случай выхода из строя основного. Распределение ролей основного и резервного производится в меню прибора. Каждому насосу можно назначить один из трех статусов (Настройки → Подпитка → Насос 1, Насос 2):
Отключен – насос не используется при выполнении алгоритма;
Основной – используется при выполнении алгоритма;
Резервный – в случае неисправности основного насоса берет на себя его функции, до тех пор пока основной не восстановит свою работоспособность.
Для предупреждения обратного тока воды при запуске/останове подпиточных насосов, прибор управляет подпиточным клапаном. Никаких настроек для его работы не требуется.
Клапан открывается с задержкой в 2 секунды после запуска насосов. По окончанию работы подпитки команды закрытия клапана и отключения насоса подаются одновременно.
Опорный датчик (Настройка → Подпитка → Датчик), по которому происходит управление системой подпитки, может быть выбран либо как дискретный (DI6), либо как аналоговый (AI3). Для аналогового датчика потребуется настроить пороги срабатывания Рпр max и Рпр min.
Контроль утечки трубопровода
Ситуацию, когда в сутки подпитка будет работает больше заданного в настройках времени (Настройка → Подпитка → Макс Вр. раб) прибор определяет как утечку в контуре.
Поведение прибора при фиксации утечки определяется параметром Ав.Утечки (Настройка → Подпитка → Ав.Утечки):
Сигнал - авария утечки фиксируется в журнал, включается лампа аварии, подпитка работает по заданному алгоритму;
Авария - авария утечки фиксируется в журнал, загорается лампа аварии, подпитка прекращает работу;
Нет - подпитка работает по заданному алгоритму.
Борьба с ложными срабатываниями датчика перепада давления
Для исключения некорректной работы насосов при сбоях реле перепада давления, контроллер управляет насосами с учетом возможных пропаданий сигналов реле перепада, когда по факту перепад в норме.
Насосы контуров при аварии по перепаду давления перезапускаются автоматически. Вышел из строя первый насос, КТР-121 запускает второй. При неисправности второго, КТР-121 запускает первый. Если количество неудачных включений насоса превысит пять попыток подряд, то прибор будет интерпретировать это как неисправность и зафиксирует аварию насоса до момента его сброса командой Сброс (из меню прибора, внешней кнопкой или сетевой командой по RS-485).
Под неудачным включением подразумевается запуск насоса, без получения сигнала от перепада давления по истечению времени разгона.
Настройка поведения контроллера при сбоях реле перепада давления производится в параметре Перезапуск (Меню → Настройки → Подпитка).
Регулирование температуры обратного теплоносителя
Меню/Настройки/Регулир-е Тобр (насос рецир-куляции)
Экран | Описание | Диапазон |
|---|---|---|
| Регулир-е Тобр | ||
| ДельтаТобр: 15.0 | Сдвиг уставки Тобр относительно Тпр (уставка Тобр = Тпр — ΔТобр),°С | 5...40 |
| ПорогТобр | Ограничение минимального значения рассчитаной уставки Тобр,°С | 0...100 |
| Гист: 5,0 | Гистерезис температуры обратной воды,°С | 0...20 |
Меню/Настройки/Регулир-е Тобр (КЗР)
Экран | Описание | Диапазон |
|---|---|---|
| Регулир-е Тобр | ||
| ДельтаТобр: 15.0 | Сдвиг уставки Тобр относительно Тпр (уставка Тобр = Тпр — ΔТобр) | 5...25 |
| ПорогТобр | Ограничение минимального значения рассчитаной уставки Тобр,°С | 0...100 |
| Зона Нечув: 1,0 | Зона нечувствительности регулирования Тобр, °С | 0...9 |
| Скорость реакц: |
| |
| [**** ] | Скорость реакции регулятора Тобр (* — резко, ************* — плавно) | |
| Резко Плавно |
| |
| Вр.Хода Сервопр: |
| |
| Полное: 60с | Полное модулируемое время хода сервопривода КЗР Тобр, с | 10...500 |
| Мин-е: 5,0с | Минимальное время хода сервопривода КЗР Тобр, с | 0,3...100 |
| ПИД КП: 5,0 | Пропорциональный коэффициент ПИД-регулятора | 0…9999 |
| ПИД Ти: 60,0 | Время интегрирования ПИД-регулятора | 0…9999 |
| ПИД Тд: 0,0 | Время дифференцирования ПИД-регулятора | 0…9999 |
| ПИД Дискр: 1,0с | Период расчета мощности ПИД регулятора, с | 1...30 |
Для поддержания температуры теплоносителя на входе в котел контроллер осуществляет управление насосом или клапаном рециркуляции. Тип исполнительного механизма определяется в настройках типа схемы (Меню → Настройки → Тип схемы → Рег Тобр).
Уставка регулирования температуры обратной воды задается в виде необходимой разницы между текущей температурой на подаче и температурой обратной воды.
Насос рециркуляции работает на поддержание диапазона нормальных значений температуры обратной воды. Насос включается при уменьшении температуры обратной воды ниже уставки включения. Выключается при превышении температуры обратной воды выше уставки выключения. При переходе в режимы «Авария» работа насоса рециркуляции описана в разделе. При переходе в режим «Стоп» насос рециркуляции отключается.
КЗР рециркуляции поддерживает уставку температуры обратной воды по ПИД закону.

Параметр ПорогТобр (Меню → Настройки → Регулир-е Тобр) позволяет ограничить минимальное значение рассчитанной уставки для поддержания температуры на входе в котел (см. рисунок).
Скорость реакции на изменение температуры настраивается с помощью шкалы (Меню → Настройки → Регулир-е Тобр → Скорость реакции).
Крайнее левое положение индикатора на шкале соответствует наиболее резкой реакции, но менее точному регулированию. С каждым последующим увеличением шкалы вправо, скорость реакции замедляется, но увеличивается точность.
Для предотвращения воздействия на сервопривод клапана частых и коротких импульсов, управляющий сигнал подается только, если его длительность больше минимального времени хода (Настройки → Регулир-е Тобр → Вр.Хода Сервопр - Мин-е).
Защита
Список сообщений защиты
| Экран | Описание | Диапазон |
|---|---|---|
| Защита |
|
|
| Тпр сиг: 90,0 | Высокая температура прямой сетевой воды, °С | 0...500 |
| Гист.сиг: 1,0 | Гистерезис срабатывания сигнализации | 1…30 |
| Тв.пр ав: 95,0 | Максимально допустимая температура прямой сетевой воды, °С | 0...500 |
| Гист.ав: 1,0 | Гистерезис срабатывания аварии | 1…30 |
| Вр.3-х Аварий по | Время мониторинга трех аварий по перегреву, минуты
| 0...600, 0 — откл |
| перегреву: 5м | ||
| Удерж.Ступ: Выкл | Ограничение минимальной выходной мощности котла | Выкл, Ведущ, Все |
| Удерж.НК: Выкл | Блокировка отключения котловых насосов на ведущем котле | Ведущ, Выкл |
| Давление сигн | ||
| Рпр min: 1,0 | Опасно низкое давление теплоносителя | 0...100 |
| Рпр max: 8,0 | Опасно высокое давление теплоносителя | 0...100 |
| Давление авар | ||
| Рпр min: 0,5 | Аварийно низкое давление теплоносителя | 0...100 |
| Рпр max: 10,0 | Аварийно высокое давление теплоносителя | 0...100 |
Для безопасной работы котла следует задать пределы и времена задержки срабатываний сигнализации и аварий (Меню → Настройки → Защита). Полный перечень контролируемых аварий (см. раздел).
В контроллере реализована функция удержания горелки ведущего котла или всех котлов на минимальной мощности, она позволяет оставлять включенной горелку независимо от рассчитанной мощности котла, даже при отсутствии необходимости в нагреве. Функция ограничивает только минимальную мощность. Активировать ее можно в параметре Удерж.Ступ (Меню → Настройки → Защита).
Принцип работы:
Если функция активирована на каскадном регуляторе для ведущего котла (Удерж.Ступ: Ведущ), то ведущий котел в каскаде всегда включен с ограничением минимальной мощности - минимальным горением (первая ступени или номинальная мощность для модулируемой горелки), кроме ситуаций с блокирующим фактором (критическая авария, перегрев аварийный, стоп).
Если функция активирована на каскадном регуляторе для всех котлов (Удерж.Ступ: Все), то все котлы в каскаде всегда включены с ограничением минимальной мощности - минимальным горением (первая ступени или номинальная мощность для модулируемой горелки), кроме ситуаций с блокирующим фактором (критическая авария, перегрев аварийный, стоп).
В контроллере реализована функция удержания котлового насоса в работе, она позволяет оставлять включенным насос ведущего котла независимо от его состояния. Активировать ее можно в параметре Удерж.НК (Меню → Настройки → Защита).
Принцип работы:
Если функция активирована на каскадном регуляторе для ведущего котла (Удерж.НК: Ведущ), то насос ведущего котла в каскаде всегда включен, кроме ситуаций с блокирующим фактором (критическая авария, стоп).
Если функция выключена (Удерж.НК: Выкл), то насос ведущего котла работает по своей логике.

Тпр сиг и Тпр ав - аварийная и сигнализационная уставка температуры подачи. Принцип фиксации изображен на рисунке.
Вр.3-х Аварий по перегреву - промежуток времени, в котором при срабатывании трех аварий перегрева температуры подачи, фиксируется критическая авария, котельная останавливается до ручного сброса аварии. Контроль трех аварий перегрева отключен, если Вр.3-х Аварий по перегреву:0.
Отсечение протока через котлы
Для предотвращения протока теплоносителя через неработающие котлы в контроллере реализована функция управления отсечным клапаном. Регулирование протока через котел осуществляется только в составе каскада под управлением КТР-121.02.41. Активировать функцию можно только на каскадном регуляторе в параметре КлапанПрот (Меню → Настройки - Тип схемы).
Принцип работы:
Клапан протока всегда открыт на ведущем котле.
Клапан протока открыт на ведомых котлах только в режиме Работа.
Клапан протока каждого котла открыт при критической аварии всей котельной.
Клапан протока открывается и закрывается в соответствии с включением и отключением котловых насосов, если они активированы в настройках Тип схемы.
Клапан протока открывается после перехода котла в режим Работа и закрывается после перехода котла в режим Стоп/Сон спустя время выбега котловых насосов, если насосы котла отключены в настройках Тип схемы.
DO1 = 1 - клапан открыт
DO1 = 0 - клапан закрыт
Погодозависимое регулирование
Функция погодозависимого регулирования активируется в настройках типа схемы (Меню → Настройки → Тип схемы → Погодозависимость). В приборе предусмотрены следующие режимы погодозависимого регулирования: Сдвиг и Уставка.
Сдвиг - коррекция уставок при различных значениях уличной температуры. Предназначен для закрытых сетевых контуров.
Температура сети регулируется по уставке со сдвигом значения. Значение сдвига уставки (Тсдвг) является переменной величиной и вычисляется прибором, исходя из текущей температуры наружного воздуха по графику сдвига: Тсдвг = f(Тнар).
Меню/Настройки/Погодозависимость
| Экран | Описание | Диапазон |
|---|---|---|
| Погодозав-ть | ||
| Режим: Сдвиг | Режим коррекции при погодозависимости | Сдвиг, Уставка |
| Тнар Тсдвг | 0 | |
| 1) -40,0 10,0 | Температура наружного воздуха, точка № 1, °С | –100...+100 |
Коррекция температуры прямой сетевой воды, точка 1, °С | –100...+100 | |
| 2) 0,0 0,0 | Температура наружного воздуха, точка № 2 | –100...+100 |
Коррекция температуры прямой сетевой воды, точка 2, °С | –100...+100 | |
| 3) 10,0 -10,0 | Температура наружного воздуха, точка 3, °С | –100...+100 |
Коррекция температуры прямой сетевой воды, точка № 3, °С | –100...+100 |
Уставка - режим в котором в настройках задается график отопления. Предназначен для систем с открытым сетевым контуром (отопительным контуром). Гистерезис отопительного графика определяется параметром Зона нечув. (Меню → Настройка → Регулирование).
Пример
Есть двухступенчатая горелка с настроенными диапазонами регулирования Тниз = 60 и Тверх = 70. На рисунке задан график из двух точек со значениями:
Тнар, °C | Тсдвг, °C |
|---|---|
–10 | +5 |
+10 | –5 |
Рассчитанные диапазоны регулирования будут следующими:
Тнар, °C | Тниз, °C | Тверх, °C |
|---|---|---|
–10 | 65 | 75 |
0 | 60 | 70 |
+10 | 55 | 65 |
Коррекция уставки по тепловой нагрузке потребителя

Для контроллера реализована функция коррекции уставки по тепловой нагрузке, которая позволяет повысить уставку при большом теплопотреблении и снизить при малом. Для этого каскадный контроллер рассчитывает общую среднюю мощность всех потребителей подключенных к КТР-121.03.ХХ, и по линейной зависимости от средней мощности и заданной дельтой уставки Дельта.Уст (Меню → Настройки → Регулирование) рассчитывает коррекцию к уставке. Значение коррекции рассчитывается при средней мощности в диапазоне 90…100 % (знак +) либо 10…0 % (знак - ). В диапазоне 10…90 % общей средней мощности коррекция равна 0.
Аварийная стратегия
При обрыве датчика подающего трубопровода каскадный контроллер активирует аварийную стратегию, суть которой заключается в возможности поддержания работоспособности котельной. При аварии датчика температуры подачи, контроллер разблокирует все котлы со статусом Основной и отключит функцию баланса мощности, если она включена, но продолжит запись уставки в котловые регуляторы. Так, все регуляторы котлов перейдут на поддержание температуры подачи по собственным параметрам, согласно своему алгоритму. Возврат к стандартному регулированию произойдет автоматически, после устранения аварии датчика подачи.
Параметры каскада
Меню/Настройки/Параметры каскада
Экран | Описание | Диапазон |
|---|---|---|
| Каскад котлов | ||
| Статус | ||
| Котел 1: Основной | Режим работы котла 1 | Основной, Резервный, Откл |
| Котел 2: Основной | Режим работы котла 2 | Основной, Резервный, Откл |
| Котел 3: Резервный | Режим работы котла 3 | Основной, Резервный, Откл |
| Котел 4: Резервный | Режим работы котла 4 | Основной, Резервный, Откл |
| Ведущий котел: 1 | Номер ведущего котла | 1…4 |
| Вр.Работы: 12ч | Период смены ведущего котла по наработке, ч | 0 - Выкл. 1…240 |
| Посл.Подкл: 1122 | Выбор условия начала расчета интеграла на подключение следующего котла | 1212, 1122 |
Каждому котлу можно назначить один из трех статусов (Настройки → Регулирование → Параметры каскада → Котел 1 ... Котел 4):
Отключен – котел не используется во время выполнения алгоритма (следует использовать для котлов, отсутствующих в системе физически);
Основной – используется во время выполнения алгоритма каскада;
Резервный – в случае исключения из работы основного котла берет на себя его функции до тех пор, пока основной котел не восстановит свою работоспособность. Затем котел автоматически возвращается в резерв.
В системе должно быть не менее одного основного котла. Резервных котлов может быть более одного.
Ведущий котел включается в работу первым, после включаются ведомые котлы. Роль ведущего котла передается строго следующему по очереди.
Условия смены роли ведущего котла:
ведущий котел отработал заданное время (Меню → Настройки → Параметры каскада → Вр.Работы);
ведущий котел исключен из работы;
другой котел назначен ведущим (Меню → Настройки → Параметры каскада → Ведущий Котел).
Индикация состояния котлов

Индикация на ЖКИ
Название состояния | Индикация на ЖКИ | Описание |
|---|---|---|
Отключен | От | Котел не используется при выполнении алгоритма |
Ожидание | Ож | Котел используется при выполнении алгоритма, ожидает управляющий сигнал |
Ступень 1 | Ст1 | Ступень 1 в работе |
Ступень 2 | Ст2 | Ступени 1 и 2 в работе |
Ступень 3 | Ст3 | Ступени с 1 по 3 в работе |
Нет связи | RS | Нет связи с подчиненным КТР–121.01.10 |
Резерв | Рз | Котел находится в резерве |
Авария | Ав | Авария в работе системы |
Мощность | ХХХ | Мощность модулируемой горелки в диапазоне 0…100 % |
Запуск насосов | ЗН | Ожидание сигнала от реле перепада на насосной группе после команды запуска насоса (на котловом регуляторе ЗапНас) |
Розжиг горелки | РГ | Ожидание подтверждения розжига горелки после команды запуска горелки (на котловом регуляторе Розжиг) |
Холодный пуск | ХП | Прогрев холодного котла на минимальной мощности |
Для удобства отслеживания состояния котлов в текущий момент времени на главном экране выводится информация по каждому котлу (см. рисунок).
Роль ведущего котла отображается буквой «В» на ЖКИ. Текущее состояние котла имеет несколько вариантов см таблицу.
Статистика наработки
Меню/Информация/Статистика
Экран | Описание | Диапазон |
|---|---|---|
| Кол-во включений |
|
|
| Котел 1: 0 раз | Количество включений горелки котла 1 | 0…99999 |
| Котел 2: 0 раз | Количество включений горелки котла 2 | 0…99999 |
| Котел 3: 0 раз | Количество включений горелки котла 3 | 0…99999 |
| Котел 4: 0 раз | Количество включений горелки котла 4 | 0…99999 |
| Время наработки: |
|
|
| Котел 1: 0 часов | Время наработки котла 1, ч | 0…99999 |
| Котел 2: 0 часов | Время наработки котла 2, ч | 0…99999 |
| Котел 3: 0 часов | Время наработки котла 3, ч | 0…99999 |
| Котел 4: 0 часов | Время наработки котла 4, ч | 0…99999 |
| НасСет1: 0 часов | Время наработки котлового насоса № 1, ч | 0…99999 |
| НасСет2: 0 часов | Время наработки котлового насоса № 2, ч | 0…99999 |
| НасРец: 0 часов | Время наработки насоса рециркуляции, ч | 0…99999 |
| НасПодп1: 0 часов | Время наработки насоса 1 подпитки | 0…99999 |
| НасПодп2: 0 часов | Время наработки насоса 2 подпитки | 0…99999 |
| Сброс: <Выбрать> | Сброс статистики выбранного исполнительного механизма |
|
Расширенная информация о количестве часов работы и количестве включений каждого котла отображается на экране статистики (Меню → Информация → Статистика).
Аварии
Контроль аварий
Прибор позволяет контролировать, оповещать и предупреждать о возможных аварийных ситуация. Аварии контролируются в различных режимах.
Аварии, контролируемые в различных режимах
Вид аварии | Режим | ||
|---|---|---|---|
Работа | Стоп | Авария | |
Авария датчика температуры в подающем трубопроводе (С/К)* | + | + | + |
Авария датчика давления в подающем трубопроводе (К) | + | + | + |
Авария датчика температуры в обратном трубопроводе (C) | + | + | + |
Авария датчика температуры наружного воздуха (С/К)** | + | + | + |
Перегрев теплоносителя в подающем трубопроводе (К) | + | + | + |
Высокая температура теплоносителя в подающем трубопроводе (C) | + | + | + |
Трехкратный перегрев теплоносителя в подающем трубопроводе (К) | + | + | + |
Давление теплоносителя (К) | + | - | - |
Авария котла (C) | + | + | + |
Авария всех котлов (К) | + | + | + |
Неисправен насос циркуляции (С) | + | - | - |
Все насосы циркуляции в аварии (К) | + | - | - |
Утечка теплоносителя в сетевом контуре (С/К)*** | + | - | - |
Неисправен насос подпитки (С) | + | - | - |
Все насосы подпитки в аварии (К) | + | - | - |
Аварийная кнопка (К) | + | + | + |
Нет связи модулем расширения (К) | + | + | + |
Загазованность СО (К) | + | + | + |
Загазованность СН (К) | + | + | + |
Пожар (К) | + | + | + |
Взлом (С) | + | + | + |
Давление газа на вводе (К) | + | - | - |
| Обрыв связи с КТР-121.03 (С) | + | + | + |
| Авария на КТР-121.03 (С) | + | + | + |
Возникновение критической аварии приводит полному или частичному останову системы, замыкается выход DO8, светится светодиод «Авария», фиксируется запись в журнал аварий. Сброс критической аварии осуществляется вручную, после устранения неисправности.
При возникновении не критической (сигнализационной) аварии система продолжает работать, при необходимости запускается алгоритм устранения неисправности (сброс мощности горелок, аварийная стратегия, перезапуск насосов), замыкается выход DO8, светодиод «Авария» мигает с периодом 1 секунда, светодиод «Работа» светится, фиксируется запись в журнал аварий. Сброс сигнализационной аварии осуществляется автоматически или вручную, в зависимости от рода аварии (см. таблицу).
К — Авария критическая.
С — Авария не критическая (сигнализация).
* При включенном режиме погодозависимого регулирования
авария сигнализационная, при отключенном - критическая.
** При рабочем датчике температуры в подающем трубопроводе
авария сигнализационная, при аварии датчика температуры
в подающем трубопроводе - критическая.
*** Стратегия поведения прибора при фиксировании утечки
задается в параметре
Ав.Утечки (Меню → Настройки → Подпитка).
Журнал аварий
Меню/Аварии/Архивный журнал
| Экран | Описание | Диапазон |
|---|---|---|
| Аварии: Журнал | Название экрана |
|
| 1> Вкл | Номер записи в журнале событий для отображения | 1...20 |
Краткое название аварии |
| |
| Дата фиксации: |
|
|
| ДДММГГ чч:мм:сс | Дата и время возникновения аварии |
|
| Дата квитир—ния: |
|
|
| ДДММГГ чч:мм:сс | Дата и время устранения аварии |
|
| Сброс журнала:Нет | Сброс журнала аварий | Да – сбросить записи |
| Дата сброса: | ||
| ДДММГГ чч:мм:сс | Дата и время последнего сброса журнала аварий |
Аварийные события фиксируются в журнал.
В журнал заносятся следующие параметры:
краткое название аварии;
время аварии;
время сброса аварии.
Журнал рассчитан на 20 записей. Последнее событие находится в начале журнала под номером 1. В случае переполнения журнала наиболее старые записи удаляются.
Сброс журнала аварий сопровождается удалением из списка только квитированных аварий. Активные аварии останутся в списке до момента квитирования и последующего сброса журнала, либо его переполнения. После сброса журнала, дате фиксации активной аварии присваивается дата сброса журнала.
Время квитирования аварии фиксируется в журнале после устранения причины ее возникновения и команды Сброс аварий (для аварий с ручным сбросом). Условия сброса аварий см. таблицу.
Для пролистывания журнала на экране следует задать номер записи.
В случае некорректного отображения времени и даты следует проверить настройки по Приложению Настройка времени и даты.
Список аварий
Для быстрого перехода из главного экрана на экран состояния аварий
предусмотрена комбинация кнопок
+
.
Список аварий
| № | Вид Аварии | Условие появления | Реакция прибора* | Сброс аварии | Индикация | |
|---|---|---|---|---|---|---|
Текущие аварии | Архивный журнал | |||||
| Аварии датчиков | ||||||
| 1 | Авария датчика температуры прямой воды, при отключенной функции погодозависимого регулирования | Значение измеряемого сигнала находится вне допустимого диапазона для выбранного типа датчика, либо произошел обрыв линий связи | Переход в режим Авария | Автоматический сброс после устранения неисправности | Тпр: Ав.Дат. Тнар: Откл | Тпр Ав.Дат. |
| 2 | Авария датчика температуры прямой воды, при включенной функции погодозависимого регулирования или рабочем датчике наружной температуры | Режим работы не меняется. Включается аварийная стратегия регулирования каскада | Тпр: Ав.Дат. Тнар: Норма | Тпр Ав.Дат. | ||
| 3 | Авария датчика наружной температуры, при рабочем датчике температуры прямой воды | Режим работы не меняется. Погодозависимое регулирование отключается | Тпр: Норма Тнар: Ав.Дат. | Тнар Ав.Дат | ||
| 4 | Авария датчика наружной температуры и авария датчика температуры прямой воды | Переход в режим Авария | Тпр: Ав.Дат. Тнар: Ав.Дат. | Тнар Ав.Дат. Тпр Ав.Дат. | ||
| 5 | Авария датчика давления прямой воды | Рпр: АвДат. | Рпр АвДат. | |||
| 6 | Авария датчика температуры обратной воды | Режим работы не меняется. Регулирование обратной воды прекращается | Тобр: АвДат. | Тобр АвДат. | ||
| Аварии защитные | ||||||
| 7 | Высокая температура сети | Измеряемое значение температуры подачи превысило заданное значение параметра Тпр сиг | Режим работы не меняется. Принудительный перевод на минимальную мощность или первую ступень всех котлов | Автоматический сброс при снижении значения температуры подачи Тпр сиг — Гист сиг | Тпр: Сигнал | Тпр Сигнал |
| 8 | Перегрев прямой воды | Измеряемое значение температуры подачи превысило заданное значение параметра Тпр ав | Переход в режим Авария | Автоматический сброс при снижении значения температуры подачи Тпр сиг — Гист ав. Лампа аварии при этом не выключится пока не будет произведен ручной сброс аварии перегрева | Тпр: Перегр. | Тпр Перегр |
| 9 | Трехкратный перегрев прямой воды | Измеряемое значение температуры подачи превысило заданное значение параметра Тпр ав 3 раза за время Вр.3-х Аварий по перегреву | Переход в режим Авария | Вручную, командой сброса аварии после устранения неисправности** | Тпр:Перегр. 3 | Тпр Перегр х3 |
| 10 | Давление воды мало | Измеряемое значение давления подачи вышло за заданное значение Давление ав: Pпр min | Переход в режим Авария | Вручную, командой сброса аварии после устранения неисправности** | Рпр: АвНиже | Рпр АвНиже |
| 11 | Давление воды велико | Измеряемое значение давления подачи вышло за заданное значение Давление ав: Pпр max
| Переход в режим Авария | Вручную, командой сброса аварии после устранения неисправности** | Рпр: АвВыше | Рпр: АвВыше |
| 12 | Давление воды мало (сигнализация) | Измеряемое значение давления подачи вышло за заданное значение Давление сиг: P.пр min | Автоматический сброс после устранения неисправности | Автоматический сброс после устранения неисправности | Рпр: СгНиже | — |
| 13 | Давление воды велико (сигнализация) | Измеряемое значение давления подачи вышло за заданное значение Давление сиг: P.пр max | Режим работы не меняется | Автоматический сброс после устранения неисправности | Рпр: СгВыше | — |
| 14 | Нет связи с тепловым регулятором | Произошел обрыв линии связи с тепловым регулятором или изменились сетевые настройки. Таймаут 10 минут | Автоматически после устранения неисправности Вручную, командой сброса** без устранения неисправности | КТР-03_1: Нет RS | КТР-03 Нет RS | |
| 15 | Авария на тепловом регуляторе | По интерфейсу RS-485 получен сигнал аварии на тепловом регуляторе | Режим работы не меняется | Автоматически после устранения неисправности | КТР-03_1: Авария КТР-03_2: Норма | КТР-03_1 Авар |
| Аварии котлов | ||||||
| 16 | Авария котла | По интерфейсу RS-485 получен сигнал аварии котла на котловом регуляторе | Режим работы не меняется. Неисправный котел исключается из работы каскада | Автоматический сброс после устранения неисправности | Котел1: Авария | Котел1 Авар. |
| 17 | Авария всех котлов | Все котлы исключены из работы каскада | Переход в режим Авария | Автоматический сброс, после возврата в работу любого котла в каскаде | Котел1: Авария Котел2: Авария Котел3: Авария Котел4: Авария | Нет котлов |
| 18 | Нет связи с котловым регулятором | Кабель связи не подключен или некорректные настройки связи | Режим работы не меняется. Котлы, которые не на связи, исключаются из каскада | Котел1: Норма Котел2: Норма Котел3: Нет RS Котел4: Нет RS | КТР-01 Нет RS | |
| Аварии насосов | ||||||
| 19 | Неисправен насос циркуляции (НЦ) | Пропал сигнал*** от реле перепада давления на насосной группе | Режим работы не меняется. Блокировка работы насоса. Запуск второго насоса (если они используется в схеме) | Вручную, командой сброса аварии** после устранения неисправности | НасСет1: Авария НасСет2: Норма | НасСет1: Авар НасСет2: Норма |
| 20 | Все насосы циркуляции в аварии (НЦ) | Все насосы из насосной группы неисправны | Переход в режим Авария. | Автоматический сброс после устранения неисправности. | НасСет1:Авария НасСет2:Авария | Нет НасСет |
| Аварии подпитки | ||||||
| 21 | Утечка котлового контура | Суммарное время работы насосов подпитки в сутки превышает заданное в настройках значение параметра «Макс Вр.раб» | Режим работы не меняется. | Вручную, командой сброса аварии** после устранения неисправности | Подпитка:Утечка | Подп.Утечка |
| 22 | Неисправен насос подпитки (НП) | Пропал сигнал*** от реле перепада давления на насосной группе | Режим работы не меняется. Блокировка работы насоса. Запуск второго насоса (если они используется в схеме) | Подпитка:Авария НасПодп1: Авария НасПодп2: Норма | НасПодпХ Авар | |
| Аварии общекотельные | ||||||
| 24 | Нет связи модулем расширения аварийной сигнализации (при включенном режиме расширенной сигнализации) | Кабель связи не подключен | Переход в режим Авария | Вручную, командой сброса аварии после устранения неисправности** | ПРМ:НетСвязи | ПРМ НетСвязи |
| 25 | Аварийная кнопка | Пропал сигнал*** разрешения работы котельной. | Переход в режим Авария | Вручную, командой сброса аварии после устранения неисправности** | АвКнопка:Авария | Авар.Кнопка |
| 26 | СО | Пропал сигнал*** загазованности СО | СО: Авария | СО Авария | ||
| 27 | СН | Пропал сигнал*** загазованности СН | СН: Авария | СН Авария | ||
| 28 | Пожар | Пропал сигнал*** пожарного извещателя | Пожар: Авария | Пожар | ||
| 29 | Взлом | Пропал сигнал*** датчика проникновения | Режим работы не меняется | Автоматический сброс после устранения неисправности. | Взлом: Авария | Взлом |
| 30 | Давление газа на вводе мало | Пропал сигнал*** реле минимального давления газа | Переход в режим Авария | Вручную, командой сброса аварии после устранения неисправности** | Ргаза: АвНиже | Ргаза АвНиже |
| 31 | Давление газа на вводе велико | Пропал сигнал*** реле максимального давления газа | Ргаза: АвВыше | Ргаза АвВыше | ||
| 32 | Неисправность линии связи с датчиками реле давления | Одновременное пропадание сигнала обоих реле давления газа | Ргаза: АвДат. | Ргаза АвДат. | ||
* В случае наступления любого аварийного события, независимо от вида реакции прибора, срабатывает сигнал Авария общая.
** Команду сброса аварии можно подать на прибор:
Из экрана текущих аварий в конце перечня аварийных событий.
Внешней кнопкой, подключенной на дискретный вход DI8.
Сетевой командой по RS–485.
*** Обрыв НЗ контакта.
Сетевой интерфейс
Сетевой интерфейс
В контроллере установлены два модуля интерфейса RS-485 для организации работы по протоколу Modbus.
Интерфейс RS-485 (2) служит для связи с КТР-121.01.10 и КТР-121.03. Интерфейс RS-485 (1) предназначен для диспетчеризации.
Для работы контроллера в сети RS-485 (интерфейс 1) следует задать его сетевые настройки в системном меню контроллера с помощью кнопок и индикатора на лицевой панели (см. рисунок).
Прибор в режиме Slave поддерживает следующие функции:
- чтение состояния входов/выходов;
- запись состояния выходов;
- чтение/запись сетевых переменных.
Прибор работает по протоколу Modbus в одном из двух режимов: Modbus-RTU или Modbus-ASCII, автоматически распознает режим обмена RTU/ASCII. Адреса регистров, тип переменных параметров, доступных по протоколу Modbus, приведены в разделе.

Карта регистров
Поддерживаются протоколы обмена Modbus RTU и Modbus ASCII (переключение автоматическое).
Функции чтения: 0х01 (read coil status), 0х03 (read holding registers), 0х04 (read input registers).
Функции записи: 0х05 (force single coil), 0х06 (preset single register), 0х10 (preset multiple registers).
Параметры битовой маски (состояние системы, аварии и др.) могут читаться как функцией 0х03, так и 0х01 – в этом случае номер регистра нужно умножить на 16 и прибавить номер бита.
Пример
Требуется считать состояние третьего дискретного выхода, используя функцию 0х01. Номер регистра 514, номер бита 12.
Адрес ячейки рассчитывается следующим образом: 514 ∙ 16 + 12 = 8236.
Поддерживаемые типы данных:
word – беззнаковое целое (2 байта), на каждый параметр отводится один регистр Modbus;
float – с плавающей точкой (4 байта), занимает два соседних регистра Modbus. Передача числа осуществляется младшим регистром вперед (little–endian)
;boolean – бит.
Типы доступа: R – только чтение; RW – чтение/запись; W – только запись.
Алгоритм 02.41
Код параметра | Регистр (HEX) | Регистр (DEC) | Тип | Доступ | Имя переменной | Значения |
|---|---|---|---|---|---|---|
| 0 | 0 | word | R | Битовая маска выходов | ** |
ob_PR_C | 0000 | 0.0 | bool | R | DO1 Сигнал "Закрыть" на КЗР Тоб | 0 – Разомкнут, 1 - Замкнут |
ob_PR_O | 0001 | 0.1 | bool | R | DO2 Сигнал "Открыть" на КЗР Тоб ИЛИ включить НРЦ | 0 – Разомкнут, 1 - Замкнут |
ob_PAdd_1 | 0002 | 0.2 | bool | R | DO3 Насос подпитки №1 | 0 – Разомкнут, 1 - Замкнут |
ob_PAdd_2 | 0003 | 0.3 | bool | R | DO4 Насос подпитки №2 | 0 – Разомкнут, 1 - Замкнут |
ob_PN_1 | 0004 | 0.4 | bool | R | DO5 Сетевой насос №1 | 0 – Разомкнут, 1 - Замкнут |
ob_PN_2 | 0005 | 0.5 | bool | R | DO6 Сетевой насос №2 | 0 – Разомкнут, 1 - Замкнут |
ob_Add_On | 0006 | 0.6 | bool | R | DO7 Клапан подпитки | 0 – Разомкнут, 1 - Замкнут |
ob_AvGen | 0007 | 0.7 | bool | R | DO8 Лампа Авария общая | 0 – Разомкнут, 1 - Замкнут |
ob_LedWork | 0008 | 0.8 | bool | R | Светодиод "Работа" | 0 – Выключен, 1 - Включен |
ob_LedAv | 0009 | 0.9 | bool | R | Светодиод "Авария" | 0 – Выключен, 1 - Включен |
| 100 | 256 | word | R | Битовая маска входов | ** |
ib_PDS_PB | 1002 | 256.2 | bool | R | DI3 Реле перепада давления на группе сетевых насосов | 0 – Разомкнут, 1 - Замкнут |
ib_PDS_Add | 1003 | 256.3 | bool | R | DI4 Реле перепада давления на группе насосов подпитки | 0 – Разомкнут, 1 - Замкнут |
ib_AvButton | 1004 | 256.4 | bool | R | DI5 Кнопка Аварийный останов | 0 – Разомкнут, 1 - Замкнут |
ib_PressureSwitch | 1005 | 256.5 | bool | R | DI6 Дискретный датчик давления теплоносителя | 0 – Разомкнут, 1 - Замкнут |
ib_Start | 1006 | 256.6 | bool | R | DI7 Кнопка Старт(Стоп) | 0 – Разомкнут, 1 - Замкнут |
ib_ResetAv | 1007 | 256.7 | bool | R | DI8 Кнопка Сброс аварий | 0 – Разомкнут, 1 - Замкнут |
| 210 | 528 | word | R | Битовая маска входов ПРМ | ** |
ib_AvFire | 2100 | 528.0 | bool | R | DI1 Датчик пожара | 0 – Разомкнут, 1 - Замкнут |
ib_BreakIn | 2101 | 528.1 | bool | R | DI2 Сигнал от охранной сигнализации | 0 – Разомкнут, 1 - Замкнут |
ib_Pf_LAL | 2102 | 528.2 | bool | R | DI3 Давление газа мало (реле давления) | 0 – Разомкнут, 1 - Замкнут |
ib_Pf_HAL | 2103 | 528.3 | bool | R | DI4 Давление газа велико (реле давления) | 0 – Разомкнут, 1 - Замкнут |
ib_AvCO | 2104 | 528.4 | bool | R | DI5 Датчик загазованности помещения CO | 0 – Разомкнут, 1 - Замкнут |
ib_AvCH | 2105 | 528.5 | bool | R | DI6 Датчик загазованности помещения CН | 0 – Разомкнут, 1 - Замкнут |
ib_Gas_LS | 2106 | 528.6 | bool | R | DI7 Положение газового клапана | 0 – Разомкнут, 1 - Замкнут |
| 210 | 528 | word | R | Битовая маска выходов ПРМ | ** |
ob_AvFire | 2108 | 528.8 | bool | R | DO1 Включить лампу «Пожар» | 0 – Разомкнут, 1 - Замкнут |
ob_AvBreakIn | 2109 | 528.9 | bool | R | DO2 Включить лампу «Взлом» | 0 – Разомкнут, 1 - Замкнут |
ob_AvPf | 210A | 528.10 | bool | R | DO3 Включить лампу «Авария давления газа» | 0 – Разомкнут, 1 - Замкнут |
ob_AvPwd | 210B | 528.11 | bool | R | DO4 Включить лампу «Авария давления теплоносителя» | 0 – Разомкнут, 1 - Замкнут |
ob_AvCO | 210C | 528.12 | bool | R | DO5 Включить лампу «Загазованность CO» | 0 – Разомкнут, 1 - Замкнут |
ob_AvCH | 210D | 528.13 | bool | R | DO6 Включить лампу «Загазованность CH» | 0 – Разомкнут, 1 - Замкнут |
ob_AvPN | 210E | 528.14 | bool | R | DO7 Включить лампу «Авария сетевых нассов» | 0 – Разомкнут, 1 - Замкнут |
ob_AvPF_ | 210F | 528.15 | bool | R | DO8 Включить лампу «Авария насосов подпитки» | 0 – Разомкнут, 1 - Замкнут |
mode_Bo_1 | 200 | 512 | word | RW | Статус котла №1 | 0 - Отключен, 1 - Основной, 2 - Резервный |
mode_Bo_2 | 201 | 513 | word | RW | Статус котла №2 | 0 - Отключен, 1 - Основной, 2 - Резервный |
mode_Bo_3 | 202 | 514 | word | RW | Статус котла №3 | 0 - Отключен, 1 - Основной, 2 - Резервный |
mode_Bo_4 | 203 | 515 | word | RW | Статус котла №4 | 0 - Отключен, 1 - Основной, 2 - Резервный |
ia_Twd | 204 | 516 | real | R | AI1 Температура теплоносителя в общем подающем трубопроводе | ** |
ia_Twr | 206 | 518 | real | R | AI2 Температура теплоносителя в общем обратном трубопроводе | ** |
ia_Pwd | 208 | 520 | real | R | AI3 Давление теплоносителя в общем трубопроводе | ** |
ia_Tao | 20А | 522 | real | R | AI4 Температура наружного воздуха | ** |
oa_Burn_Pwr_1 | 20C | 524 | word | R | Производительность котла №1 | 0...3 или 0...100 |
oa_Burn_Pwr_2 | 20D | 525 | word | R | Производительность котла №2 | 0...3 или 0...100 |
oa_Burn_Pwr_3 | 20Е | 526 | word | R | Производительность котла №3 | 0...3 или 0...100 |
oa_Burn_Pwr_4 | 20F | 527 | word | R | Производительность котла №4 | 0...3 или 0...100 |
oa_BurnPwr | 211 | 529 | word | R | Выходная мощность каскада котлов | 0...100 |
ua_Twr | 212 | 530 | real | R | Текущая уставка температуры в обратном трубопроводе | 0...100 |
cmd_1 | 214 | 532 | word | W | Командное слово 1 | ** |
net_Start | 2140 | 532.0 | bool | W | Перейти в режим "Cтарт" | 0 – Нет, 1 – Да |
net_ResetAv | 2142 | 532.2 | bool | W | Сброс аварий | 0 – Нет, 1 – Да |
cmd_PB_On | 2143 | 532.3 | bool | W | Сетевые насосы есть | 0 – Нет, 1 – Да |
cmd_PB_mode_On | 2144 | 532.4 | bool | W | Режим отключения сетевых насосов по Тпр | 0 – Нет, 1 – Да |
cmd_PB_WorkAlways_On | 2145 | 532.5 | bool | W | Оставлять сетевые насосы в работе при аварии | 0 – Нет, 1 – Да |
cmd_Tao_On | 2146 | 532.6 | bool | W | Включить погодозависимость | 0 – Нет, 1 – Да |
cmd_Pwd_On | 2147 | 532.7 | bool | W | Включить контроль давления теплоносителя | 0 – Нет, 1 – Да |
cmd_AvCheck_On | 2148 | 532.8 | bool | W | Включить контроль общекотельных аварий | 0 – Нет, 1 – Да |
cmd_Add_On | 2149 | 532.9 | bool | W | Включить управление системой подпитки | 0 – Нет, 1 – Да |
ub_is_StandAlive_One | 214A | 532.10 | bool | W | Включить удержание минимальной мощности ведущего котла | 0 – Нет, 1 – Да |
cmd_2 | 215 | 533 | word | W | Командное слово 2 | ** |
net_Stop | 2150 | 533.0 | bool | W | Перейти в режим "Стоп" | 0 – Нет, 1 – Да |
cmd_PB_Of | 2153 | 533.3 | bool | W | Сетевые насосы отсутствуют | 0 – Нет, 1 – Да |
cmd_PB_mode_On | 2154 | 533.4 | bool | W | Режим отключения сетевых насосов по выбегу | 0 – Нет, 1 – Да |
cmd_PB_WorkAlways_Of | 2155 | 533.5 | bool | W | Отключить сетевые насосы при аварии | 0 – Нет, 1 – Да |
cmd_Tao_Off | 2156 | 533.6 | bool | W | Выключить погодозависимость | 0 – Нет, 1 – Да |
cmd_Pwd_Off | 2157 | 533.7 | bool | W | Отключить контроль давления теплоносителя | 0 – Нет, 1 – Да |
cmd_AvCheck_Off | 2158 | 533.8 | bool | W | Отключить контроль общекотельных аварий | 0 – Нет, 1 – Да |
cmd_Add_Of | 2159 | 533.9 | bool | W | Отключить управление системой подпитки | 0 – Нет, 1 – Да |
ub_is_StandAlive_One | 215A | 533.10 | bool | W | Отключить удержание минимальной мощности ведущего котла | 0 – Нет, 1 – Да |
code_Sys | 216 | 534 | word | R | Код состояния системы 1 | 0 – Стоп, 1 – Тест, 2 – Работа, 3 – Авария |
code_Sys_2 | 217 | 535 | word | R | Код состояния системы 2 | ** |
cmd_Start | 2170 | 535.0 | bool | R | Переключения режимов Старт/Стоп | 0 – Стоп, 1 – Старт |
ub_Is_PN | 2171 | 535.1 | bool | R | Наличие в системе сетевых насосов | 0 – Нет, 1 - Есть |
mode_PN_Off | 2172 | 535.2 | bool | R | Выбранный режим отключения сетевых насосов | 0 – Выбег, 1 – По Тпр |
ub_Is_Tao | 2173 | 535.3 | bool | R | Наличие погодозависимости | 0 – Нет, 1 - Есть |
ub_Is_Pwd | 2174 | 535.4 | bool | R | Наличие контроля давления теплоносителя | 0 – Нет, 1 – Есть |
ub_Is_AvCheck | 2175 | 535.5 | bool | R | Наличие в системе ОК аварий | 0 – Нет, 1 - Есть |
ub_Is_Add | 2176 | 535.6 | bool | R | Наличие в системе подпитки | 0 – Нет, 1 - Есть |
lv_Is_AvMode | 2177 | 535.7 | bool | R | Флаг переключения на аварийную стратегию | 0 – Норма, 1 – Аварийная стратегия |
ub_is_StandAlive_One | 217A | 535.10 | bool | R | Режим удержания минимальной мощности ведущего котла | 0 – Отключен, 1 – Включен |
mode_Trw_Reg | 218 | 536 | word | RW | Режим регулирования температуры обратного теплоносителя | 0 – Нет, 1 – НасРец, 2 – КЗР |
mode_Burn | 219 | 537 | word | R | Тип горелок | 0 – Мод, 1 – 1 ступ, 2 – 2 ступ, 3 – 3 ступ, |
code_Burn_1 | 21A | 538 | word | R | Текущее состояние котла № 1 | 0 – Откл, 1 – Ожидание, 2 – Тест*, 3 – Резерв, 4 – Запуск насоса*, 5 – Розжиг, 6 – Холодный пуск, 7 – Сон*, 8 – Ступень 1, 9 – Ступень 2, 10– Ступень 3, 11 – Работа (мод), 12 – Авария, 13 – Нет связи |
code_Burn_2 | 21B | 539 | word | R | Текущее состояние котла № 2 | 0 – Откл, 1 – Ожидание, 2 – Тест*, 3 – Резерв, 4 – Запуск насоса*, 5 – Розжиг, 6 – Холодный пуск, 7 – Сон*, 8 – Ступень 1, 9 – Ступень 2, 10 – Ступень 3, 11 – Работа (мод), 12 – Авария, 13 – Нет связи |
code_Burn_3 | 21C | 540 | word | R | Текущее состояние котла № 3 | 0 – Откл, 1 – Ожидание, 2 – Тест*, 3 – Резерв, 4 – Запуск насоса*, 5 – Розжиг, 6 – Холодный пуск, 7 – Сон*, 8 – Ступень 1, 9 –Ступень 2, 10– Ступень 3, 11 – Работа (мод), 12 – Авария, 13 – Нет связи |
code_Burn_4 | 21D | 541 | word | R | Текущее состояние котла № 4 | 0 – Откл, 1 – Ожидание, 2 – Тест*, 3 – Резерв, 4 – Запуск насоса*, 5 – Розжиг, 6 – Холодный пуск, 7 – Сон*, 8 – Ступень 1, 9 – Ступень 2, 10– Ступень 3, 11 – Работа (мод), 12 – Авария, 13 – Нет связи |
net_mode_PN_1 | 21Е | 542 | word | RW | Статус сетевого насоса №1 | 0 – Откл, 1 – Основной, 2 – Резерв, |
net_mode_PN_2 | 21F | 543 | word | RW | Статус сетевого насоса №2 | 0 – Откл, 1 – Основной, 2 – Резерв, |
code_Error | 220 | 544 | word | R | Код состояния аварий 1 | ** |
Av_Burn_1 | 2200 | 544.0 | bool | R | Авария горелки №1 | 0 – Норма, 1 - Авария |
Av_Burn_2 | 2201 | 544.1 | bool | R | Авария горелки №2 | 0 – Норма, 1 - Авария |
Av_Burn_3 | 2202 | 544.2 | bool | R | Авария горелки №3 | 0 – Норма, 1 - Авария |
Av_Burn_4 | 2203 | 544.3 | bool | R | Авария горелки №4 | 0 – Норма, 1 - Авария |
Av_NoWB | 2204 | 544.4 | bool | R | Нет доступных для работы котлов | 0 – Норма, 1 - Авария |
Av_Twd_HAL | 2205 | 544.5 | bool | R | Перегрев (предупреждение) | 0 – Норма, 1 - Авария |
Av_Twd_HAL_2 | 2206 | 544.6 | bool | R | Перегрев | 0 – Норма, 1 - Авария |
vi_Av3Res | 2208 | 544.8 | bool | R | Трехкратный перегрев | 0 – Норма, 1 - Авария |
m1_Av_Gen | 2209 | 544.9 | bool | R | Авария теплового регулятора №1 | 0 – Норма, 1 - Авария |
m2_Av_Gen | 220А | 544.10 | bool | R | Авария теплового регулятора №2 | 0 – Норма, 1 - Авария |
Av_Butt | 220B | 544.11 | bool | R | Аварийная кнопка | 0 – Норма, 1 - Авария |
Av_PN_1 | 220C | 544.12 | bool | R | Неисправен сетевой насос № 1 | 0 – Норма, 1 - Авария |
Av_PN_2 | 220D | 544.13 | bool | R | Неисправен сетевой насос № 2 | 0 – Норма, 1 - Авария |
Av_NoPN | 220E | 544.14 | bool | R | Нет рабочих сетевых насосов | 0 – Норма, 1 - Авария |
Av_Add | 220F | 544.15 | bool | R | Утечка | 0 – Норма, 1 - Авария |
code_Error | 221 | 545 | word | R | Код состояния аварий 2 | ** |
Av_PAdd_1 | 2210 | 545.0 | bool | R | Неисправен насос подпитки № 1 | 0 – Норма, 1 - Авария |
Av_PAdd_2 | 2211 | 545.1 | bool | R | Неисправен насос подпитки № 2 | 0 – Норма, 1 - Авария |
Av_Twd_sens | 2212 | 545.2 | bool | R | Датчик температуры в подающем трубопроводе неисправен | 0 – Норма, 1 - Авария |
Av_Twr_sens | 2213 | 545.3 | bool | R | Датчик температуры в обратном трубопроводе неисправен | 0 – Норма, 1 - Авария |
Av_Pwd_sens | 2214 | 545.4 | bool | R | Датчик давления неисправен | 0 – Норма, 1 - Авария |
Av_Pwd_HAL | 2215 | 545.5 | bool | R | Давление теплоносителя велико (аналоговый датчик давления) | 0 – Норма, 1 - Авария |
Av_Pwd_LAL | 2216 | 545.6 | bool | R | Давление теплоносителя мало (аналоговый датчик давления) | 0 – Норма, 1 - Авария |
Av_Tao_sens | 2217 | 545.7 | bool | R | Неисправен датчик наружного воздуха | 0 – Норма, 1 - Авария |
Av_Mod | 2218 | 545.8 | bool | R | Нет связи с модулем расширения ОК аварий | 0 – Норма, 1 - Авария |
Av_Fire | 2219 | 545.9 | bool | R | Сработал датчик пожара | 0 – Норма, 1 - Авария |
Av_BreakIn | 221A | 545.10 | bool | R | Сработал датчик взлома | 0 – Норма, 1 - Авария |
Av_Pf_HAL | 221В | 545.11 | bool | R | Давление газа велико | 0 – Норма, 1 - Авария |
Av_Pf_LAL | 221С | 545.12 | bool | R | Давление газа мало | 0 – Норма, 1 - Авария |
Av_CO | 221D | 545.13 | bool | R | Сработал датчик загазованности СО | 0 – Норма, 1 - Авария |
Av_CH | 221E | 545.14 | bool | R | Сработал датчик загазованности СН | 0 – Норма, 1 - Авария |
Av_LostConn | 221F | 545.15 | bool | R | Нет связи с котловым(и) регулятором(ами) | 0 – Норма, 1 - Авария |
ua_Twd | 222 | 546 | word | RW | Уставка температуры теплоносителя | 0...500 |
ua_Twd_DZ | 223 | 547 | real | RW | Зона нечувствительности температуры теплоносителя | 0...9 |
ua_Twd_LWL | 225 | 549 | word | RW | Нижняя рабочая граница температуры теплоносителя | 0...500 |
ua_Twd_HWL | 226 | 550 | word | RW | Верхняя рабочая граница температуры теплоносителя | 0...500 |
lv_Twd_cor | 227 | 551 | word | R | Текущая уставка температуры в подающем трубопроводе | 0...500 |
lv_Twd_LWL | 228 | 552 | word | R | Текущее значение нижней рабочей границы температуры подачи | 0...500 |
lv_Twd_HWL | 229 | 553 | word | R | Текущее значение верхней рабочей границы температуры подачи | 0...500 |
ua_Тwd_HAL | 22A | 554 | word | RW | Опасно высокая температура теплоносителя | 60...500 |
ua_Twd_HAL_2 | 22B | 555 | word | RW | Аварийно высокая температура теплоносителя | 60...500 |
ut_Integ_Up | 22C | 556 | word | RW | Интеграл на подключение ступени | 0…9999 |
ut_Integ_Dw | 22D | 557 | word | RW | Интеграл на отключение ступени | 0…9999 |
ut_Stab_Up | 22E | 558 | word | RW | Время стабилизации после подключения ступени | 0…1800 |
ut_Stab_Dw | 22F | 559 | word | RW | Время стабилизации после отключения ступени | 0…1800 |
set_SP_Cor03_delta | 2320 | 562 | word | RW | Дельта уставки для коррекции по мощности потребления | 0...40 |
ut_Balance(m) | 2330 | 563 | word | RW | Время баланса средней мощности котлов, в минутах | 0...999 |
ua_Twr_Limit | 234 | 564 | word | RW | Минимально допустимая уставка Тобр (Порог Тобр) | 0…100 |
ua_Twr_Shift | 235 | 565 | word | RW | Сдвиг уставки Тобр относительно Тпр | 0...20 |
lv_Twr_HDZ | 236 | 566 | real | RW | Гистерезис ИЛИ зона нечувствительности | 0...20 или 0...9 |
ua_Pwd_LAL_2 | 238 | 568 | real | RW | Минимальное рабочее (аварийное) давление | 0...100 |
ua_Pwd_HAL_2 | 23A | 570 | real | RW | Максимальное рабочее (аварийное) давление | 0...100 |
| set_Burn_deltaOn | 23C | 572 | word | RW | Дельта включения ведущего котла | -40...0 |
oa_Twr_Pwr | 23D | 573 | word | R | Положение клапана регулирования Тобр | 0..100 |
ua_Burn_Main | 23Е | 574 | word | RW | Номер ведущего котла | 1...4 |
vi_Burn_Cng | 23F | 575 | word | R | Оставшееся время до смены ведущего котла, в минутах | 0...14400 |
* Значения параметров в определенных конфигурациях или режимах системы.
** В зависимости от выбранного типа датчика диапазон измерения может меняться, для температурных датчиков см. таблицу . Для датчика давления диапазон измерения зависит от заданных границ преобразования, см. таблицу .
Техническое обслуживание
Обслуживание прибора во время эксплуатации заключается в его техническом осмотре. Во время выполнения работ следует соблюдать меры безопасности из раздела.
Технический осмотр прибора проводится обслуживающим персоналом не реже одного раза в 6 месяцев и включает в себя выполнение следующих операций:
очистку корпуса, клеммных колодок от пыли, грязи и посторонних предметов;
проверку крепления на DIN-рейке;
проверку качества подключения внешних связей.
Обнаруженные во время осмотра недостатки следует немедленно устранить.
Маркировка
На корпус прибора нанесены:
- наименование прибора;
- степень защиты корпуса по ГОСТ 14254;
- напряжение и частота питания;
- потребляемая мощность;
- класс защиты от поражения электрическим током по ГОСТ IEC 61131-2-2012;
- знак соответствия требованиям ТР ТС (ЕАС);
- страна-изготовитель;
- заводской номер прибора и год выпуска.
На потребительскую тару нанесены:
- наименование прибора;
- знак соответствия требованиям ТР ТС (ЕАС);
- страна-изготовитель;
- заводской номер прибора и год выпуска.
Упаковка
Упаковка прибора производится в соответствии с ГОСТ 23088-80 в потребительскую тару, выполненную из коробочного картона по ГОСТ 7933-89.
Упаковка прибора при пересылке почтой производится по ГОСТ 9181-74.
Комплектность
| Наименование | Количество |
|---|---|
| Контроллер* | 1 шт. |
| Руководство по эксплуатации | 1 экз. |
| Паспорт и Гарантийный талон | 1 экз. |
Комплект клеммных соединителей | 1 к-т |
* Исполнение в соответствии с заказом. | |
Транспортирование и хранение
Прибор должен транспортироваться в закрытом транспорте любого вида. В транспортных средствах тара должна крепиться согласно правилам, действующим на соответствующих видах транспорта.
Прибор следует перевозить в транспортной таре поштучно или в контейнерах.
Прибор следует хранить на стеллажах.
Гарантийные обязательства
Изготовитель гарантирует соответствие прибора требованиям ТУ при соблюдении условий эксплуатации, транспортирования, хранения и монтажа.
Гарантийный срок эксплуатации – 10 лет со дня продажи.
В случае выхода прибора из строя в течение гарантийного срока при соблюдении условий эксплуатации, транспортирования, хранения и монтажа предприятие-изготовитель обязуется осуществить его бесплатный ремонт или замену.
Порядок передачи прибора в ремонт содержится в паспорте и в гарантийном талоне.
Настройка времени и даты

В прибор встроены энергонезависимые часы реального времени. Прибор будет поддерживать время и дату в случае отключения основного питания.
В Системном меню можно просмотреть и редактировать текущие дату и время.
Предупреждающие сообщения
В данном руководстве применяются следующие предупреждения:
Ключевое слово ОПАСНОСТЬ сообщает о непосредственной угрозе опасной ситуации, которая приведет к смерти или серьезной травме, если ее не предотвратить.
Ключевое слово ВНИМАНИЕ сообщает о потенциально опасной ситуации, которая может привести к небольшим травмам.
Ключевое слово ПРЕДУПРЕЖДЕНИЕ сообщает о потенциально опасной ситуации, которая может привести к повреждению имущества.
Ключевое слово ПРИМЕЧАНИЕ обращает внимание на полезные советы и рекомендации, а также информацию для эффективной и безаварийной работы оборудования.
| Ограничение ответственности |
Ни при
каких обстоятельствах |

