- КЗР – запорно-регулирующий клапан.
- МВХ – минимальное время хода. Это минимальная продолжительность импульса, подаваемого на привод клапана, при которой привод успевает отреагировать и изменить свое положение.
- ПВХ – полное время хода. Это время, за которое привод полностью открывает или закрывает клапан, то есть совершает полный ход от одного крайнего положения до другого.
- ЖКИ – жидкокристаллический индикатор.
ИТП — индивидуальный тепловой пункт.
- НЗ – нормально-закрытый. Используется для описания состояния контактов реле, клапанов или входов устройства, которые находятся в замкнутом состоянии без подачи управляющего сигнала или при отсутствии питания.
- НО – нормально-открытый. Используется для описания состояния контактов реле, клапанов или входов устройства, которые находятся в разомкнутом состоянии без подачи управляющего сигнала или при отсутствии питания.
- ПИД – пропорционально-интегрально-дифференциальный регулятор (алгоритм автоматического управления).
ТВИ – температурно-временной интеграл (показатель отклонения температуры от заданного значения во времени).
- Котловой регулятор – КТР-121.01.10. Модификация контроллера КТР-121, предназначенная для управления работой отдельного котла.
Каскадные регуляторы – КТР-121.02. Модификации контроллера КТР-121, используемые для управления группой котлов (каскадом) для оптимизации общей производительности.
Тепловые регуляторы – КТР-121.03. Модификации контроллера КТР-121, предназначенные для управления тепловыми процессами в системах теплопотребления — отопление, ГВС, вентиляция и т.д.
Руководство по эксплуатации
Используемые термины и аббревиатуры
Введение
Настоящее руководство по эксплуатации предназначено для ознакомления обслуживающего персонала с принципом работы, предварительной настройкой, конструкцией, работой и техническим обслуживанием теплового регулятора КТР-121.03.20, в дальнейшем по тексту именуемого «контроллер» или «прибор».
Подключение, настройка и техобслуживание прибора должны производиться только квалифицированными специалистами после прочтения настоящего руководства по эксплуатации.
Контроллер КТР-121.03.20 выпускается в двух исполнениях:
- КТР-121.220.03.20 – работа в сети переменного напряжения с номиналом 230 В.
- КТР-121.24.03.20 – работа в сети постоянного напряжения с номиналом 24 В.
Назначение

Контроллер с алгоритмом 03.20 предназначен для работы совместно с каскадными регуляторами КТР-121.02 и управления закрытыми контурами ГВС и отопления. Один КТР-121.03.20 управляет двумя контурами. К одному КТР-121.02 можно подключать до двух КТР-121.03.20, образуя многоконтурную систему из четырех контуров отопления и ГВС в различных комбинациях.
Прибор может выполнять следующие функции:
Управление контурами отопления и ГВС в следующих комбинациях:
ГВС + отопление;
Отопление + отопление;
ГВС + ГВС;
Погодозависимое регулирование в контурах отопления;
Контроль давления в контурах;
Работа на сниженной уставке в ночное время, выходные дни и будни;
Управление группой двух циркуляционных каждого контура;
Управление подпиткой контуров (при использовании модуля ПРМ-1);
Cигнализация аварий.

Перечень используемых сокращений:
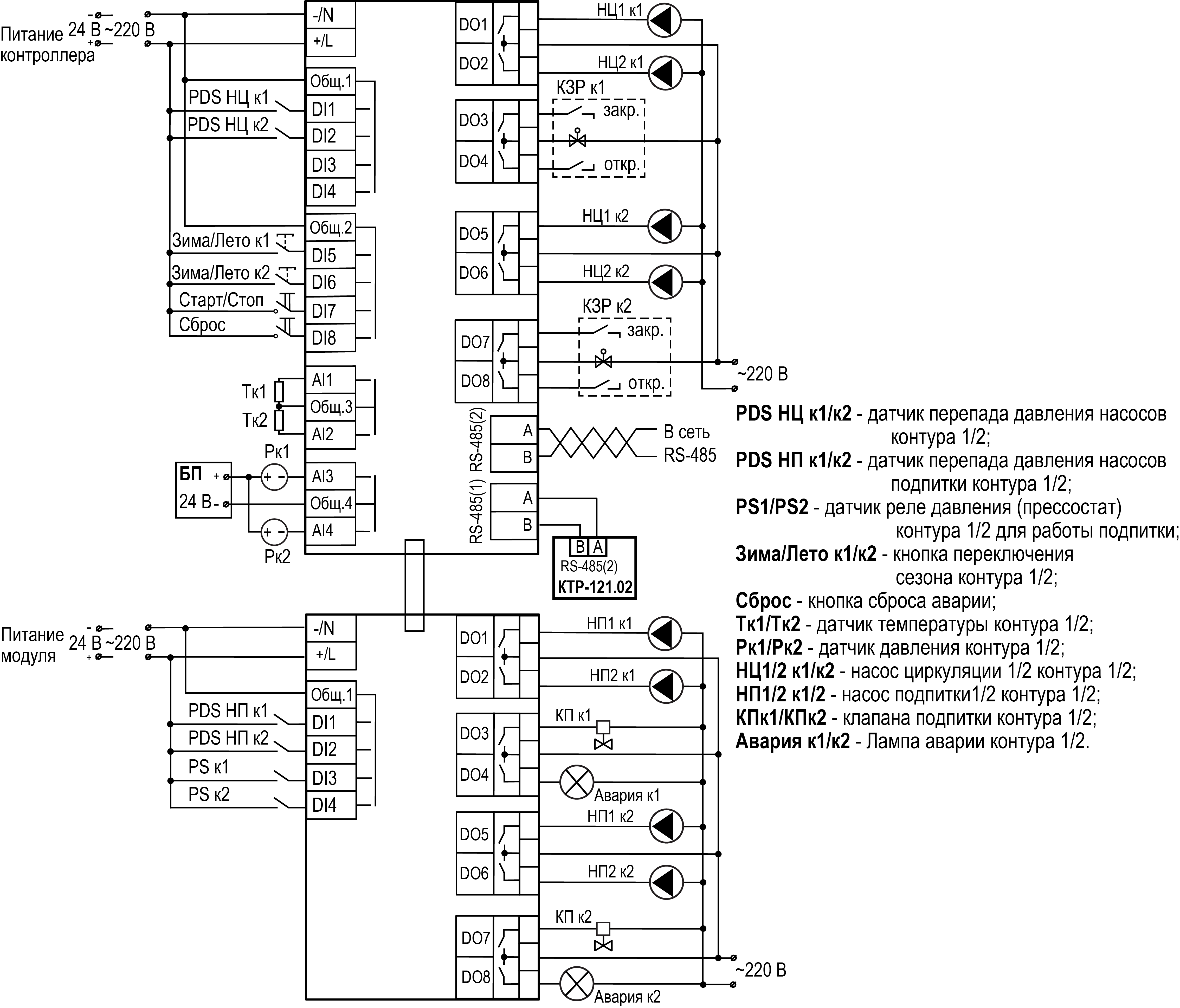
PDS – датчик реле перепада давления на насосах;
PS – датчик реле давления (прессостат) контура для работы подпитки;
НЦ – циркуляционный насос контура;
НП – подпиточный насос;
М1 и М2 – регулирующие КЗР;
М3 и М4 – соленоидные клапаны подпитки;
Т – датчик температуры теплоносителя в контуре;
Р – датчик давления теплоносителя в контуре.
Прибор выпускается по ТУ 4218-016-46526536-2016.
Технические характеристики и условия эксплуатации
Технические характеристики
Характеристики прибора
Наименование | Значение | |||
|---|---|---|---|---|
КТР-121.220 | КТР-121.24 | |||
Питание | ||||
Диапазон напряжения питания | от ~ 94 до 264 В (номинальное 230 В при от 47 до 63 Гц) | от = 19 до 30 В (номинальное 24 В) | ||
Гальваническая развязка | Есть | |||
Электрическая прочность изоляции между входом питания и другими цепями | 2830 В | 1780 В | ||
Потребляемая мощность, не более | 17 ВА | 10 Вт | ||
Встроенный источник питания | Есть | — | ||
Выходное напряжение встроенного источника питания постоянного тока | 24 ± 3 В | — | ||
Ток нагрузки встроенного источника питания, не более | 100 мА | — | ||
Электрическая прочность изоляции между выходом питания и другими цепями | 1780 В | — | ||
Дискретные входы | ||||
Количество входов | 8 | |||
Напряжение «логической единицы» | от 159 до 264 В (переменный ток) | от 15 до 30 В (постоянный ток) | ||
Ток «логической единицы» | от 0,75 до 1,5 мА | 5 мА (при 30 В) | ||
Напряжение «логического нуля» | от 0 до 40 В | от –3 до +5 В | ||
Подключаемые входные устройства | Датчики типа «сухой контакт», коммутационные устройства (контакты реле, кнопок и т. д.) | |||
Гальваническая развязка | Групповая, по 4 входа (1–4 и 5–8, «общий минус») | |||
Электрическая прочность изоляции:
|
1780 В | |||
| 2830 В | |||
Аналоговые входы | ||||
Количество входов | 4 | |||
Время опроса входов | 10 мс | |||
Тип датчиков | от 4 до 20 мА, от 0 до 4000 Ом | |||
Предел допускаемой основной приведенной погрешности при измерении | ± 0,5 % | |||
| Дискретные выходы | ||||
Количество выходных устройств, тип | 8 э/м реле (НО) | |||
Коммутируемое напряжение в нагрузке: | ||||
для цепи постоянного тока, не более | 30 В (резистивная нагрузка) | |||
для цепи переменного тока, не более | 250 В (резистивная нагрузка) | |||
Допустимый ток нагрузки, не более | 5 А при напряжении не более 250 В переменного тока и cos φ > 0,95; 3 А при напряжении не более 30 В постоянного тока | |||
Гальваническая развязка | Групповая по 2 реле (1–2; 3–4; 5–6; 7–8) | |||
Электрическая прочность изоляции: |
| |||
между другими цепями | 2830 В | |||
между группами выходов | 1780 В | |||
| Индикация и элементы управления | ||||
Тип дисплея | Текстовый монохромный ЖКИ с подсветкой, 2 × 16 символов | |||
Индикаторы | Два светодиодных индикатора (красный и зеленый) | |||
| Кнопки | 6 шт | |||
Корпус | ||||
Тип корпуса | Для крепления на DIN-рейку (35 мм) | |||
Габаритные размеры | 123 × 90 × 58 мм | |||
Степень защиты корпуса по | IP20 | |||
Масса прибора, не более (для всех вариантов исполнений) | 0,6 кг | |||
Средний срок службы | 10 лет | |||
Условия эксплуатации
Прибор предназначен для эксплуатации в следующих условиях:
- закрытые взрывобезопасные помещения без агрессивных паров и газов;
- температура окружающего воздуха от минус 20 до плюс 55 °С;
- относительная влажность воздуха от 30 до 80 % без конденсации влаги;
- допустимая степень загрязнения 1 (несущественные загрязнения или наличие только сухих непроводящих загрязнений);
- атмосферное давление от 84,0 до 106,7 кПа.
По устойчивости к синусоидальным вибрациям во время эксплуатации прибор соответствует группе исполнения N2 по ГОСТ Р 52931–2008 (частота вибрации от 10 до 55 Гц).
По устойчивости к воздействию атмосферного давления прибор относится к группе Р1 по ГОСТ Р 52931–2008.
Прибор отвечает требованиям по устойчивости к воздействию помех
в соответствии с
По уровню излучения радиопомех (помехоэмиссии) прибор соответствует
Прибор устойчив к прерываниям, провалам и выбросам напряжения питания:
- для переменного тока в соответствии с требованиями ГОСТ 30804.4.11–2013;
- для постоянного тока в соответствии с требованиями ГОСТ IEC 61131–2–2012 – длительность прерывания напряжения питания до 10 мс включительно, длительность интервала от 1 с и более.
Меры безопасности
По способу защиты обслуживающего персонала от поражения электрическим
током
Во время эксплуатации и технического обслуживания прибора следует соблюдать требования ГОСТ 12.3.019–80, «Правил технической эксплуатации электроустановок потребителей электрической энергии» и «Правил охраны труда при эксплуатации электроустановок».
Во время эксплуатации прибора открытые контакты клеммника находятся под опасным для жизни напряжением. Прибор следует устанавливать в специализированных шкафах, доступных только квалифицированным специалистам.
Любые подключения к прибору и работы по его техническому обслуживанию следует производить только при отключенном питании прибора и подключенных к нему устройств.
Не допускается попадание влаги на контакты выходного разъема и внутренние электроэлементы прибора. Прибор запрещено использовать в агрессивных средах с содержанием в атмосфере кислот, щелочей, масел и т. п.
Последовательность ввода в эксплуатацию
При первом включении прибора на экран выводится перечень необходимых для запуска прибора параметров. Последовательность первичной настройки предполагает поочередный выбор параметров:
+
на экране меню настроек
можно в любой момент вернутся на экран первичной настройки.Для ввода в эксплуатацию следует:
Смонтировать прибор (см. раздел) и подключить входные/выходные цепи (см. раздел).
Проверить правильность подключения исполнительных механизмов и датчиков (см. раздел).
Запустить установку. Проверить сообщения об авариях (см. раздел).
Если необходимо, подключить модуль расширения ПРМ-1 для управления подпиткой контуров отопления.
Внешнее управление
При объединении КТР-121.02 с КТР-121.03, алгоритм регулирования автоматически адаптируется под условия обеспечения максимально экономичного и безопасного регулирования контуров отопления и ГВС.
Приборы поставляются с уже сконфигурированными настройками для связи. Достаточно объединить их по интерфейсу согласно схеме на рисунке.

Настройка сетевого адреса в КТР-121.03.20 может потребоваться в случае подключения двух устройств к одному КТР-121.02 для многоконтурной системы. В этом случае следует задать для второго контроллера КТР-121.03.20 сетевой адрес равный 56 (см. раздел).
Наличие связи между контроллерами можно проверить по строке «КТР-02: Норма» на экране текущих аварий каждого прибора КТР-121.03. При обрыве линии смена индикации производится с задержкой в 10 минут.

Заводские настройки интерфейсов
Интерфейс | КТР-121.01.10 | КТР-121.02 | КТР-121.03.20 |
|---|---|---|---|
RS-485-1 | SLAVE | SLAVE | SLAVE |
RS-485-2 | SLAVE | MASTER | SLAVE |
Работа с ПО Owen Configurator
Начало работы
Для установки Owen Configurator (далее - Конфигуратор) следует:
Скачать с сайта архив с ПО (
https://owen.ru/documentation/907 ).Извлечь из архива ехе-файл установщика.
Запустить .ехе-файл.
Установить на ПК драйвер прибора (
Для настройки связи с прибором следует:
Подать питание на прибор.
Подключить прибор к ПК с помощью кабеля USB A – microUSB.
В Диспетчере устройств Windows уточнить номер назначенного прибору COM-порта.
Запустить Конфигуратор.
Нажать кнопку
Добавить устройства. Выбрать интерфейс «Устройство с последовательным интерфейсом USB» (см. рисунок, 1). Номер СОМ порта, присвоенный прибору можно узнать в Диспетчере устройств Windows.
Выбрать протокол ОВЕН (см. рисунок, 2).
Выбрать устройство (Пункт 3 на рисунок). Модификация КТР-121 указана на боковой стороне прибора.
Выбрать «Найти одно устройство», если добавляется один прибор. Запустить поиск нажатием на кнопку «Найти» (см. рисунок, 4).
Выделить найденное устройство (см. рисунок, 5).
Добавить устройство в проект Конфигуратора по нажатию кнопки «Добавить устройства» (см. рисунок, 6).

Настройки связи с устройством
Если изображение прибора серого цвета и запись параметров в прибор завершается всплывающим окном красного цвета, то следует проверить правильность подключения прибора к ПК.

Если в процессе настройки или работы в режиме «Офлайн» были изменены Сетевые настройки, то связь с прибором пропадет. (см. раздел).
Подключение можно восстановить повтором настройки связи.
Режим «офлайн»
Для конфигурирования прибора в режиме офлайн (без подключения прибора к ПК) следует:
Нажать кнопку
Добавить устройства.В появившемся окне выбрать в списке «Интерфейс» – Работа офлайн.

Добавление устройства В списке «Устройства», выбрать нужную модификацию прибора.

Выбор модификации Нажать кнопку «Добавить». Параметры прибора отобразятся в главном окне.

Отображение приборов в главном окне
Параметры доступны для редактирования. После подключения прибора к ПК, измененные параметры можно будет загрузить в него.
Обновление встроенного ПО
Сменить встроенное ПО можно только у приборов с одинаковой модификацией по питанию!
Нельзя сменить встроенное ПО, например, с КТР-121.220.02.20 на КТР-121.24.02.20.
Далее приведен пример смены встроенного ПО для КТР-121.24.01.10. Процесс смены встроенного ПО для остальных модификаций аналогичен.
Для обновления встроенного ПО следует:
Нажать на кнопку
Обновить устройство в контекстном меню выбранного
устройства или в главном меню. Откроется диалоговое окно для смены
встроенного ПО устройства.
ПримечаниеДопускается обновление одного или нескольких устройств. Устройства следует выделить в области устройств (см. рисунок, 5) и выбрать Обновить устройство в контекстном меню или главном меню.Выбрать источник загрузки:
Загрузить встроенное ПО из файла – требуется указать путь к файлу встроенного ПО в окне Проводника Windows;
Загрузить встроенное ПО, выбрав из списка – выбрать встроенное ПО из списка на сервере, доступных для загрузки в прибор данного типа;
Обновить до последней версии – последняя версия встроенного ПО будет загружена автоматически (требуется подключение к Интернету). Пункт недоступен, если версия встроенного ПО прибора актуальная.

Выбор источника встроенного ПО
Выбрать необходимую модификацию прибора (см. рисунок ниже).

Выбор алгоритма Нажатием кнопки «Загрузить», подтвердить загрузку выбранного встроенного ПО в прибор (см. рисунок ниже).

Начало загрузки встроенного ПО Пока идет загрузка встроенного ПО в устройство, в окне будет отображаться индикатор загрузки.

Индикатор прогресса процесса смены встроенного ПО Дождаться сообщения об окончании загрузки встроенного ПО в прибор (см. рисунок ниже).

Сообщение об окончании процесса смены встроенного ПО
ПримечаниеВ случае возникновения сбоя во время загрузки встроенного ПО, процесс смены встроенного ПО следует произвести повторно.После завершения записи встроенного ПО в устройство, отобразится уведомление о завершении процесса. Чтобы изменения вступили в силу устройство следует заново добавить в проект Конфигуратора.

Уведомление о необходимости добавить прибор заново в проект
Для проверки версии встроенного ПО прибора следует нажать кнопку
Информация об
устройстве. Откроется окно информации об устройстве.

Настройка часов
Часы прибора можно настроить в Конфигураторе или из системного меню.

Часы можно настроить в ветке Об устройстве/Часы в списке
параметров устройства или из меню Конфигуратора. После нажатия кнопки
Настроить часы появится меню, приведенное на рисунке ниже.

Для настройки часов следует:
Выбрать дату с помощью календаря.
Ввести время в поле часов или воспользоваться кнопкой Установить дату и время компьютера.
Нажать кнопку Записать значения.
Отслеживание параметров
В Конфигураторе можно просматривать изменение параметров в режиме реального времени.
Для отслеживания параметров следует:
Нажать кнопку
Отслеживание параметров.Появится окно со списком параметров.

Окно отслеживания параметров
Загрузка конфигурации в прибор
Для загрузки конфигурации (измененных параметров) в прибор следует
нажать кнопку
Записать значения или щелкнуть правой кнопкой мыши на значке
прибора и в появившемся меню выбрать пункт «Записать значения».

Монтаж и подключение
Установка
Если прибор находился длительное время при температуре ниже минус 20 °C, то перед включением и началом работ следует его выдержать в помещении с температурой рабочего диапазона не менее 30 минут. Это необходимо для предотвращения образования конденсата внутри прибора.


Для монтажа прибора на DIN-рейке следует:
- Подготовить на DIN-рейке место для установки прибора в соответствии с размерами прибора (см. рисунок).
- Вставив отвертку в проушину, оттянуть защелку (см. рисунок, 1).
- Прижать прибор к DIN-рейке (см. рисунок, 2). Отверткой вернуть защелку в исходное положение (см. рисунок, 3)
- Смонтировать внешние устройства с помощью ответных клеммников из комплекта поставки.
Для демонтажа прибора с DIN-рейки следует:
- Отключить питание и отсоединенить клеммники
ВниманиеПри демонтаже прибора следует соблюдать меры безопасности и использовать средства индивидуальной защиты (например, диэлектрические перчатки).Полностью обесточить прибор и связанные с ним устройства, отключив питание.
Отсоединить съемные части клеммников от прибора, предварительно пометив провода для последующего подключения (см. рисунок).
Обеспечить безопасное расположение проводов, чтобы избежать их случайного замыкания или повреждения.
- Отжать защелку:
Вставить отверткус плоским шлицем в проушину защелки на нижней стороне прибора.
Осторожно отжать защелку вниз, освобождая крепление прибора на DIN-рейке
Снять прибор с DIN-рейки:
Потянуть на себя нижнюю часть прибора от DIN-рейки, освобождая нижний зацеп.
Поднять прибор вверх, снимая верхний зацеп с верхнего края DIN-рейки.
Аккуратно удалить прибор, избегая ударов и механических повреждений корпуса.

Общая схема подключения
Внешние связи монтируются проводами сечением не более 0,75 мм2. Для многожильных проводов следует использовать наконечники.

Индикация и управление
Основные элементы управления

Назначение кнопок
| Кнопка | Назначение |
|---|---|
![]() | Смещение видимой области вверх или вниз. Перемещение по пунктам меню |
![]() | Применяется в комбинациях с другими кнопками. При удержании более 6 секунд – переход в системное меню |
![]() | Выбор параметра |
![]() | Сохранение измененного значения |
![]() | Выход/отмена. При удержании более 6 секунд выход из системного меню. Возврат на Главный экран |
+ ![]() | Переход с Главного экрана в раздел «Меню» |
+ ![]() | Переход с Главного экрана в раздел Аварии |
+ или + ![]() | Изменение редактируемого разряда (выше или ниже) |
Назначение светодиодов
На лицевой панели прибора расположены элементы индикации и управления (см. рисунок):
- двухстрочный шестнадцатиразрядный ЖКИ;
- два светодиода;
- шесть кнопок.
Для редактирования значений следует:
Нажатием кнопки
выбрать нужный параметр (выбранный параметр
начинает мигать).С помощью кнопок
и
установить нужное значение. Во время работы
с числовыми параметрами комбинация кнопок
+
/
меняет редактируемый разряд.Возможные варианты действия с измененным значением:
для сохранения следует нажать кнопку
;для сохранения и перехода к следующему параметру следует нажать
.
Для отмены введенного значения следует нажать
.
Главный экран

На главном экране прибора отображается вся необходимая для работы
информация. Для просмотра всей информации на дисплее следует менять
положение строк индикации нажатием кнопок
и
. Внешний вид главного
экрана представлен в таблице.
У каждого контура свой собственный экран. Для переключения между
экранами контуров необходимо нажать комбинацию кнопок
+
.
Для каждого контура на главном экране отражено его текущее состояние.
Главный экран
Экран | Описание |
|---|---|
| Стоп | Рабочий останов контура. Прибор не регулирует температуру в контуре и не управляет насосами, но контролирует аварии. Ожидается запуск контура в работу. Подробнее см. раздел |
| Работа | Ведется управление контуром, регулируется температура, производится управление циркуляционными насосами и подпиткой. Контролируются аварии. Данный статус свидетельствует о нормальной работе контура. Подробнее см. раздел |
| Авария | Возникла авария, препятствующая нормальной работе контура. В данном режиме контроллер ожидает устранения причины аварии и запуска в работу. Подробнее о авариях см. раздел |
| Тест | Прибор в режиме ручного управления исполнительных механизмов. Контролер ожидает команд ручного управления или перевода в режим работа. Подробнее см. раздел |
| Блок | Статус только для контура отопления, обозначающий ограничения работы контура из-за работы функции приоритета ГВС. Выход из данного состояния производится автоматически. Подробнее см. раздел |
| Приор. | Статус только для контура ГВС, обозначающий активность приоритета ГВС над контуром отопления. Выход из данного состояния производится автоматически. Подробнее см. раздел |
| Лето | Статус, обозначающий работу контура отопления в летнем режиме. Выход из данного состояния производится автоматически. Подробнее см. раздел |
| Эконом | Статус, обозначающий снижение уставки в контуре в ночное время, выходные дни или дневное время. Выход из данного состояния производится автоматически. Подробнее см. раздел |
Структура меню

В зависимости от заданных настроек в Тип схемы, пункты настройки любого контура могут быть скрыты. Например, если в разделе Тип схемы в Контур 2: Откл, то в разделе меню Настройки будет отсутствовать пункт Контур 2.
Общая информация
Меню/Информация/Общая
Экран | Описание |
|---|---|
| Информация | Название экрана |
| КТР-121.03.20 | Наименование модификации прибора |
| Версия: 2.09 | Версия программного обеспечения |
| от 31.03.2021 | Дата релиза программного обеспечения |
| Дата и время | |
| ДД.ММ.ГГГГ чч:мм | Текущая дата и время прибора |
| Назад- ESC |
Наименование модификации прибора, версии программного обеспечения и дату ее релиза можно найти в Меню → Информация → Общая.
Секретность
Секретность
Экран | Описание |
|---|---|
| Секретность | Название экрана |
| Пароль 1: 0 | Пароль доступа в меню «Быстр.Настройка» |
| Пароль 2: 0 | Пароль доступа в меню «Настройки» |
| Пароль 3: 0 | Пароль доступа в меню «Тест Вх/Вых» |
Доступ к настройкам Секретность осуществляется через Меню → Настройки → Секретность.
Пароли блокируют доступ:
Пароль 1 — к группе Быстр.Настройка;
Пароль 2 — к группе Настройки;
Пароль 3 — к группе Тест Вх/Вых.
Для сброса паролей следует:
перейти в Меню прибора;
нажать комбинацию кнопок (
+
);набрать пароль 118 и подтвердить cброс.
Так же установлены пароли:
на сброс журнала аварий — 741;
сброс настроек прибора на заводские — 963.
Сброс настроек
Меню/Настройки/Сброс настроек
| Экран | Описание | Диапазон |
|---|---|---|
| Сброс настроек | Сброс настроек на заводские значения | Нет, Да |
| на заводские:Нет |
Параметры прибора можно вернуть к заводским значениям с помощью команды Сброс настроек в меню.
Пароли;
Параметры даты и времени;
Сетевые настройки.
Режимы работы
Общие сведения

При подаче питания контроллер переходит в тот режим, в котором был до сброса питания. При первом включении прибора - Стоп.
Прибор может работать в следующих режимах:
- Работа;
- Стоп;
- Тест;
- Авария.
Режим работы индицируется на экране.
Схема переходов между режимами представлена на рисунке.
Режим «Стоп»
В режиме Стоп контроллер не выдает управляющих сигналов, но контролирует аварии.
Для перехода из режима Стоп в режим Работа следует переключить режимы (Управление: Стоп → Старт) с главного экрана, либо подать команду на запуск по сети или внешней кнопкой «Старт».
Обратный переход осуществляется аналогично.
Режим «Авария»
Режим Авария предназначен для обеспечения безопасности ИТП. В случае возникновения нештатной ситуации контроллер фиксирует причины аварии, выдает аварийный сигнал на дискретный выход DO4 ПРМ-1 для первого контура и дискретный выход DO8 ПРМ-1 для второго контура. В данном режиме поведение прибора определяется типом возникшей аварии и настройками.
Режим «Работа»
В режиме Работа прибор:
регулирует температуру контуров;
управляет насосами циркуляции;
контролирует аварии.
Режим «Тест»
Режим «Тест» предназначен для:
проверки работоспособности дискретных и аналоговых датчиков
;проверки встроенных реле
;правильности подключения исполнительных механизмов.
Экраны тестирования входов/выходов КТР-121
Экран | Описание | Диапазон |
|---|---|---|
| Тест Вх/Вых | Название экрана |
|
| Режим: Не Актив | Переход в тестовый режим | 0 - Не акт. 1 - Активен |
| Выходы дискр: |
|
|
| DO 1:К1 Насос -0 | Включить циркуляционный насос 1 контура 1 | 0 - Выкл, 1 - Вкл |
| DO 2:К2 Насос -0 | Включить циркуляционный насос 2 контура 1 | 0 - Выкл, 1 - Вкл |
| DO 3:К1 СПзкр-0 | Команда «закрыть» на КЗР контура 1 | 0 - Выкл, 1 - Вкл |
| DO 4:К1 СПотк-0 | Команда «открыть» на КЗР контура 1 | 0 - Выкл, 1 - Вкл |
| DO 5:К2 Нас1 -0 | Включить циркуляционный насос 1 контура 2 | 0 - Выкл, 1 - Вкл |
| DO 6:К2 СПзкр-0 | Включить циркуляционный насос 2 контура 2 | 0 - Выкл, 1 - Вкл |
| DO 7:К3 Насос-0 | Команда «открыть» на КЗР контура 2 | 0 - Выкл, 1 - Вкл |
| DO 8:Авария-0 | Команда «закрыть» на КЗР контура 2 | 0 - Выкл, 1 - Вкл |
| Входы дискр: |
|
|
| DI 1:К1 PDS -0 | Реле перепада давления насоса контура 1 (НО) | 0 - авария 1 - норма |
| DI 2:К2 PDS -0 | Реле перепада давления насоса контура 2 (НО) | 0 - авария 1 - норма |
| DI 5:К1 Лето -0 | Кнопка перехода в режим лето контура 1 (НО) | 0 - Авто 1 - Лето |
| DI 6:К2 Лето -0 | Кнопка перехода в режим лето контура 2 (НО) | |
| DI 8:Кн.Сброс-0 | Кнопка «Сброс аварий» (НО) | 1 - сбросить |
| Входы аналог: |
|
|
| AI 1:К1 Т 64.2 | Температура воды в контуре 1 | См. таблицу |
| AI 2:К2 Т 55.2 | Температура воды в контуре 2 | См. таблицу |
| AI 3:К1 Р 2,7 | Давление в контуре 1 | См. таблицу |
| AI 4:К2 Р 2,6 | Давление в контуре 2 | См. таблицу |
| Входы ПРМ дискр: | ||
| DI 1:PDS НП к1 | Датчик перепада давления насосов подпитки контура 1 | 0 - Выкл, 1 - Вкл |
| DI 2:PDS НП к2 | Датчик перепада давления насосов подпитки контура 2 | 0 - Выкл, 1 - Вкл |
| DI 3:PS к1 | Датчик реле давления (прессостат) контура 1 для работы подпитки | 0 - Выкл, 1 - Вкл |
| DI 4:PS к2 | Датчик реле давления (прессостат) контура 2 для работы подпитки | 0 - Выкл, 1 - Вкл |
| Выходы ПРМ дискр: | ||
| DO 1:НП1 к1 | Насос подпитки 1 контура 1 | 0 - Выкл, 1 - Вкл |
| DO 2:НП1 к2 | Насос подпитки 1 контура 1 | 0 - Выкл, 1 - Вкл |
| DO 3:КП к1 | Клапан подпитки контура 1 | 0 - Выкл, 1 - Вкл |
| DO 4:Авария к1 | Лампа аварии контура 1 | 0 - Выкл, 1 - Вкл |
| DO 5:НП1 к2 | Насос подпитки 1 контура 2 | 0 - Выкл, 1 - Вкл |
| DO 6:НП2 к2 | Насос подпитки 2 контура 2 | 0 - Выкл, 1 - Вкл |
| DO 7:КП к2 | Клапан подпитки контура 2 | 0 - Выкл, 1 - Вкл |
| DO 8:Авария к2 | Лампа аварии контура 2 | 0 - Выкл, 1 - Вкл |
| Далее ->ALT+ВНИЗ | Для продолжения настройки нажать сочетание клавиш |
|
| Назад-> ESC | Для выхода из меню нажать кнопку |
|
Управление контурами
Измерение температуры и давления
Меню/Настройки/Входы
| Экран | Описание | Диапазон |
|---|---|---|
| Настройка входов | Название экрана | |
| К1:Темп-ра:PT1000 | Тип датчика температуры контура 1 | PT1000, PT100, 100М, NTC10K |
| Сдвиг: 0,000 | Корректировка измеренного значения | –100...+100 |
| К2:Темп-ра:PT1000 | Тип датчика температуры контура 2 | PT1000, PT100, 100М, NTC10K, Откл. |
| Сдвиг: 0,000 | Корректировка измеренного значения | –100...+100 |
| Давление: | ||
| 20мА: 10,0 | Верхняя граница измерения (давление контура 1) | 0...+100 |
| 4мА: 0,0 | Нижняя граница измерения (давление контура 1) | 0...+100 |
| К2:Давление | ||
| 20мА: 10,0 | Верхняя граница измерения (давление контура 2) | 0...+100 |
| 4мА: 0,0 | Нижняя граница измерения (давление контура 2) | 0...+100 |
| Сдвиг: 0,000 | Корректировка измеренного значения | –100...+100 |
| DI Вр.Флтр | Время фильтра дискретных сигналов на входах, с | 1...1,5 |
| DI Старт: Все | Выбор контуров, на которые будет распространятся действие внешнего переключателя Старт/Стоп | К1, К2, Все |
| Назад —> ESC | Для выхода из
меню нажать кнопку |
Прибор работает с резистивными датчиками температуры типа — PT1000, PT100, 100М и NTC10K (см. таблицу).
Тип датчика задается для каждого входа отдельно.
Если измеренное значение отличается от фактического, то рекомендуется ввести корректировку Сдвиг (для каждого входа задается отдельно):
Для корректного измерения давления следует настроить пределы преобразования токового сигнала 4…20 мА в пользовательские единицы измерения (МПа, бар, атм. и т. п.).
Функция измерения и контроля давления на подаче активируется параметром Меню → Настройки → Тип схемы → Контр Рк..
Выбор схемы управления
Меню/Настройки/Тип схемы
Экран | Описание | Диапазон |
|---|---|---|
| Тип Схемы | Название экрана | |
| Контур 1: ГВС | Выбор типа контура № 1 | 0 – Отопление, 1 – ГВС |
| Контур 2: Отоп | Выбор типа контура № 2 | 0 – Откл., 1 – Отопление |
| Подпитка: Нет | Наличие в системе подпитки | 0 – Нет 1 – Есть |
| Контр Рк.: Нет | Контроль давления в контурах аналоговыми датчиками (на работу подпитки не влияет) | 0 – Нет 1 – Есть |
Далее —> ALT+ВНИЗ Назад —> ESC | Для продолжения
настройки нажать сочетание клавиш Для выхода из меню нажать
кнопку |
Наличие, тип и количество исполнительных механизмов в схеме определяется параметрами группы настроек Тип схемы. Настройка конфигурации схемы управления определяет логику работы прибора.
Запуск работы контуров
После получения команды на запуск работы КТР-121.03.20 начинает управление контурами ГВС и отопления работая совместно с КТР-121.02. Прибор ориентируется на показания подключённых датчиков и производит автоматическое регулирование температуры в контурах, находящихся в работе. По показаниям датчика наружного воздуха КТР-121.03.20 корректирует уставку по графику отопления и переводит контуры отопления в летний режим.
Управление работой контуров осуществляется с главного экрана прибора.
Регулирование температуры

Для регулирования температуры контура прибор управляет трехходовым клапаном по ПИД-закону. По показаниям датчика температуры теплоносителя в контуре контроллер определяет необходимую степень открытия клапана для достижения требуемой температуры.
Необходимая для контура отопления температура определяется по графику отопления (см. раздел) и корректируется в выходные дня, в ночном и дневном режимах (см. раздел).
Для контура ГВС текущая уставка определяется фиксированной уставкой Тгвс уст и коррекцией в выходные дни, ночном или дневном режиме.
Быстрые настройки
Экран | Описание | Диапазон |
|---|---|---|
| К :Быстр. Настройка | Название экрана |
|
| Контур 1 ГВС |
|
|
| Тгвс уст: 70 | Уставка температуры контура ГВС, °С | 45…90 |
| Скорость реакц: |
| |
| [*** ] | Шкала задания скорости реакции регулятора | |
| Резко Плавно | ||
| Далее ALT+ВНИЗ | Для продолжения настройки нажать сочетание клавиш | |
| Контур 2 Отп | ||
| Скорость реакц: | ||
| [*** ] | Шкала задания скорости реакции регулятора | |
| Назад- ESC | Для выхода из меню нажать кнопку |
Скорость реакции на изменение температуры настраивается шкалой управления Скорость реакции в группе быстрых настроек. Для каждого контура есть своя шкала.
Крайнее левое положение индикатора на шкале соответствует наиболее быстрой реакции, но менее точному регулированию. С каждым последующим увеличением шкалы вправо, скорость реакции уменьшается, но увеличивается точность.
Скорость реакции на изменение температуры также настраивается численным способом – ПИД коэффициентами (Приложение Настройка регулятора).
Полные настройки для ГВС
Экран | Описание | Диапазон |
|---|---|---|
| К :Регулирование | Название экрана |
|
| Тгвс уст: 55 | Уставка температуры контура ГВСчч:мм | 45…90 |
| Зона Нечув: 5,0 | Зона нечувствительности контура ГВСчч:мм | 0,0…20,0 |
| ПИД Кп: 50 | Пропорциональный коэффициент ПИД-регулятора | 0…999 |
| ПИД Ти: 0 | Время интегрирования ПИД-регулятора, с | 0…999 |
| ПИД Тд: 5 | Время дифференцирования ПИД-регулятора, с | 0…999 |
| Вр.Хода Сервопр: |
|
|
| Полное: 60с | Полное время хода сервопривода, с | 10…500 |
| Мин-е: 5,0с | Минимальное время хода сервопривода, с | 0,3…100,0 |
| Далее: ALT+Вниз | Для продолжения настройки нажать сочетание клавиш |
|
| Назад-> ESC | Для выхода из меню нажать кнопку |
|
Качество регулирования температуры определяется параметрами коэффициентов ПИД-регулятора, задаваемых в настройках. Значение полного времени хода сервопривода КЗР (Вр. ХодаСервопр Полное) должно соответствовать фактическому времени перемещения сервопривода задвижки от закрытого положения до открытого. От данных настроек зависит точность расчета управляющих импульсов, что в значительной степени влияет на точность работы регулятора.
Для того, чтобы предотвратить воздействие частых и коротких импульсов на сервопривод клапана, управляющий сигнал подается только при условии, что его длительность больше минимального времени хода.
Полные настройки для отопления
Экран | Описание | Диапазон |
|---|---|---|
| Регулирование | Название экрана |
|
| Зона Нечув: 5,0 | Зона нечувствительности контура отопления | 0,0…20,0 |
| ПИД Кп: 50 | Пропорциональный коэффициент ПИД-регулятора | 0…999 |
| ПИД Ти: 0 | Время интегрирования ПИД-регулятора | 0…999 |
| ПИД Тд: 5 | Время дифференцирования ПИД-регулятора | 0…999 |
| Вр.Хода Сервопр: |
|
|
| Полное: 60с | Полное время хода сервопривода, с | 10…500 |
| Мин-е: 5,0с | Минимальное время хода сервопривода, с | 0,3…100,0 |
| Далее: ALT+Вниз | Для продолжения настройки нажать сочетание клавиш |
|
| Назад- ESC | Для выхода из меню нажать кнопку |
|
Устанавливаемое время хода относится только к диапазону модулирования.
Пример
Время полного хода сервопривода (90°) – 15 секунд, минимальное открытое положение сервопривода – 20°. Максимальное открытое положение сервопривода – 80°. Модулируемое полное время хода задвижки: (15 ∙ (80 – 20) ÷ 90) = 10 с.Приоритет ГВС
Приоритет ГВС
Экран | Описание | Диапазон |
|---|---|---|
| К :Приоритет ГВС | Название экрана |
|
| Режим: Активен | Настройка наличия приоритета контура ГВС | 0 – Не Активен 1 – Активен |
| КЗР отоп: 40% | Положение клапана контура отопления при работе приоритета ГВС, % | 20…90 |
| Корр. Тпр: 10 | Величина коррекции уставки температуры котлового контура, °С | 0…30 |
| Вр.Активации | Время открытого состояния клапана ГВС на >95% для активации режима приоритета ГВС | 1...60 |
| Далее: ALT+Вниз | Для продолжения настройки нажать сочетание клавиш |
|
| Назад- ESC | Для выхода из меню нажать кнопку |
|
Режим приоритета ГВС предназначен для обеспечения максимально быстрого достижения нужной температуры в контуре ГВС и имеет следующие варианты работы:
НеАктив – работа контуров отопления и ГВС происходит параллельно и не оказывая влияния друг на друга.
Активен – ограничивается тепловой поток контура отопления для ускорения достижения уставки контура ГВС.
Условия блокировки контура отопления – время открытого состояния клапана ГВС на > 95 % превысило время заданное в параметре Вр.Активации.
Клапан контура отопления закрывается до заданной величины в параметре КЗР отоп. Если спустя 5 минут температура контура ГВС не достигла уставки, то клапан контура отопления закрывается еще на 5 %. Так будет продолжаться, пока КЗР не примет положение минимальной величины открытого состояния.
Условия разблокировки контура отопления – температура ГВС становится выше Тгвс уст – Зона нечув. и держится выше рассчитанного значения в течение 10 минут.
Активный режим приоритета ГВС и информация о блокировке отопления отображается на на главном экране как Приор. и Блок
Для увеличения эффекта приоритета ГВС есть возможность увеличения температуры в котловом контуре на величину смещения Корр. Тпр.. Данная корректировка будет включена автоматически после того, как КЗР отопления достигнет своего минимального открытого состояния (20 %).
Погодозависимое регулирование

Прибор поддерживает температуру в контуре отопления в зависимости от температуры наружного воздуха по заданному графику.
Количество точек графика можно задать от двух до четырех.
При аварии датчика наружной температуры контроллер не прекращает регулирование отопления. Коррекция уставки осуществляется по среднесуточному значению температуры наружного воздуха, до момента устранения причины аварии Тнар или перезапуска прибора по питанию.
Меню/Настройки/Погодозависимость
| Экран | Описание | Диапазон |
|---|---|---|
| К: Погодозав-ть | Название экрана | |
| Кол-во точек: 2 | Количество точек отопительного графика | 2...4 |
| Тнар Туст | 0 | |
| 1) -40,0 90,0 | Температура наружного воздуха, точка № 1, °C | –60...40 |
Температура уставки контура отопления, точка № 1, °C | 0...100 | |
| 2) 10,0 40,0 | Температура наружного воздуха, точка № 2, °C | –60...40 |
Температура уставки контура отопления, точка № 2, °C | 0...100 | |
| 3) 10,0 40,0 | Температура наружного воздуха, точка № 3, °C | –60...40 |
Температура уставки контура отопления, точка № 3, °C | 0...100 | |
| 4) 20,0 -10,0 | Температура наружного воздуха, точка № 4, °C | –60...40 |
Температура уставки контура отопления, точка № 4, °C | 0...100 | |
| Назад —> ESC | Для выхода из меню нажать кнопку | |
| Далее: ALT+Вниз | Для продолжения настройки нажать
сочетание клавиш |
Режим экономии
Режим экономии
Экран | Описание | Диапазон |
|---|---|---|
| К :Режим Эконом | Название экрана |
|
| Выходные: Нет | Дни недели, в которые уставка регулирования будет снижена | 0 - нет 1 - Сб 2 - Вс 3 - Сб+Вс |
| Сдвиг Вых.: 0 | Величина уменьшения уставки регулирования в выходные дни, °С | 0 – откл -1…-40 |
| Ночь экономия: |
|
|
| Вкл 23:30 | Время включения коррекции уставок ночью, чч:мм | 00:00 – 23:59 |
| Выкл 05:30 | Время отключения коррекции уставок ночью, чч:мм | 00:00 – 23:59 |
| СдвигНочь: 0 | Величина коррекции уставки регулирования в ночное время, °С | 0 – откл -1…-40 |
| День экономия |
|
|
| Вкл 12:30 | Время включения коррекции уставок днем, чч:мм | 00:00 – 23:59 |
| Выкл 16:30 | Время отключения коррекции уставок днем, чч:мм | 00:00 – 23:59 |
| СдвигДень: 0 | Величина уменьшения уставки регулирования в дневное время, °С | 0 – откл -1…-40 |
| Далее: ALT+Вниз | Для продолжения настройки нажать сочетание клавиш |
|
| Назад-> ESC | Для выхода из меню нажать кнопку |
|
Прибор позволяет снижать уставку регулирования каждого контура в трех временных промежутках:
Ночное время;
Дневное время;
Выходные дни.
Для корректной работы режимов удостоверьтесь в правильности настроек часов реального времени прибора (см. Приложение Настройка времени и даты).
Пример
Скомпенсировать провалы температуры ГВС из-за повышенного утреннего водоразбора можно следующим образом:
Задать повышенную уставку Тгвс, например +10 °С к обычной уставке, 65 °С.
Задать время включения дня по истечению повышенного водоразбора, например 11:00.
Задать время выключения дня перед началом повышенного водоразбора, например 5:00.
Задать СдвигДень равным по модулю величине завышения уставки Тгвс, но с противоположным знаком, для компенсации завышенной уставки, -10 °С.
Таким образом, включение дня с 11 утра до 5 утра следующего дня компенсирует повышенную уставку на -10 °С, контроллер будет поддерживать 55 °С. С 5 до 11 утра компенсация СдвигДень отключена, прибор будет поддерживать повышенную уставку Тгвс = 65 °С.
Дневное время
В дневное время уставки контуров отопления и ГВС могут быть автоматически снижены на значение Сдвиг День.
Переход в ночной режим будет осуществлен, если значение параметра День экономия/Вкл сравнялось со значением встроенных в прибор часов.
Выход из ночного режима будет осуществлен, если значение параметра День экономия/Выкл сравнялось со значением встроенных в прибор часов.
Сочетание клавиш
+
ведет на экран настроек летнего режима.
Ночное время
Наступление ночного режима сопровождается снижением уставки регулирования в контурах отопления ГВС на величину Сдвиг Ночь.
Переход в ночной режим будет осуществлен, если значение параметра День экономия/Вкл сравнялось со значением встроенных в прибор часов.
Выход из ночного режима будет осуществлен, если значение параметра День экономия/Выкл сравнялось со значением встроенных в прибор часов.
Выходные дни
На время выходных дней контроллер автоматически снижает уставку регулирования в контурах отопления и ГВС на величину Сдвиг Вых.
Пониженная уставка применяется как на контур отопления, так и на контур ГВС и настраиваются для каждого контура индивидуально. Количество выходных дней определяется настройкой Выходные. При необходимости данная функция может быть отключена.
Насосы циркуляционные
Циркуляционные насосы
Экран | Описание | Диапазон |
|---|---|---|
| К :Насосы | Название экрана |
|
| Насос1: Основной | Режим работы циркуляционного насоса № 1 | 0 – НеИсп 1 – Основной 2 – Резерв |
| Насос2: Основной | Режим работы циркуляционного насоса № 2 | 0 – НеИсп 1 – Основной 2 – Резерв |
| Вр.разгона: 10с | Время игнорирования показания от датчика перепада давления при старте насоса, с | 2…180 |
| Вр.работы: 12ч | Период смены циркуляционных насосов по наработке, часы | 1…240 |
| Перезапуск: Нет | Наличие перезапуска насосов при пропадании сигнала от PDS | 0 - Нет, 1 - Есть |
| Далее: ALT+Вниз | Для продолжения настройки нажать сочетание клавиш |
|
| Назад-> ESC | Для выхода из меню нажать кнопку |
|
Прибор управляет двумя насосными группами. В каждой группе по 2 насоса работают на обеспечение циркуляции теплоносителя в контурах. Работоспособность насосов контролируется по датчику реле перепада давления. На одну насосную группу один датчик перепада. На время включения насоса показания от датчика перепада давления не контролируются в течении Вр.разгона.
Для выравнивания наработки, прибор чередует насосы через заданные промежутки времени (Вр.работы).
Каждому насосу можно назначить один из режимов работы:
Отключен – насос не используется при выполнении алгоритма.
Основной – используется при выполнении алгоритма
Резервный – в случае неисправности основного насоса берет на себя его функции до тех пор, пока основной не восстановит свою работоспособность.
Борьба с ложными срабатываниями датчика перепада давления
Чтобы исключить ошибки в работе насосов при сбоях реле перепада давления контроллер управляет насосами с учетом возможных пропаданий сигналов реле перепада, когда по факту перепад в норме.
Насосы контуров при аварии по перепаду давления перезапускаются автоматически. Если вышел из строя первый насос, прибор запускает второй. При неисправности второго контроллер запускает первый. Если количество неудачных включений насоса превысит подряд пять попыток, то прибор будет интерпретировать это как неисправность и зафиксирует аварию насоса до момента его сброса командой Сброс (из меню прибора, внешней кнопкой или сетевой командой по RS-485).
Настройка поведения контроллера при сбоях реле перепада давления производится в параметре Перезапуск (Меню: Настройки →Насосы).
Летний режим
Летний режим
Экран | Описание | Диапазон |
|---|---|---|
| К :Режим Лето | Название экрана |
|
| Лето контура: Нет | Перевод контура в летний режим | 0 - Нет 1 - Да |
| Тлето/зима: 8,0 | Порог наружной температуры для перехода в летний режим, °С | -5,0….+40,0 |
| Сезон: Ручн/Зима | Команда выбора способа определения сезона | 0 - Ручн 1 - Авт |
| Прогон насосов |
|
|
| Вр.Прогона: 30с | Время работы насосов в летнем режиме, с | 0 – откл 1…60 |
| Вр.Простоя: 7д | Период включения насосов в летнем режиме, дни | 1…30 |
| Далее: ALT+Вниз | Для продолжения настройки нажать сочетание клавиш |
|
| Назад-> ESC | Для выхода из меню нажать кнопку |
|
Лето - режим, при котором регулирование температуры в контурах отопления отключено. КЗР закрывается, контроль аварий прекращается. Подпитка не работает. Насосы контура в летний период поочередно включаются на время Вр.прогона с периодичностью Вр.Простоя. Одновременно с насосами прибор совершает один цикл открытия – закрытия КЗР.
Условие перехода в летний режим – среднесуточная температура наружного воздуха стала выше Т лето/зима + Δ.
Условие выхода из летнего режима – среднесуточная температура наружного воздуха стала ниже Т лето/зима.
Режимы можно переключать для каждого контура по отдельности с помощью внешних кнопок Зима/Лето к1 и Зима/Лето к2. При замыкании кнопки контур переходит в режим Лето. Переход Зима/Лето может быть осуществлен также автоматически, независимо от состояния внешних дискретных сигналов.
С целью избежания «дребезга» при переключении режимов в контроллере введена не редактируемая задержка Δ = 3 град.

На работу контура ГВС режим Лето не влияет.
Подпитка
Подпитка
Экран | Описание | Диапазон |
|---|---|---|
| К :Подпитка | Название экрана |
|
| Насос1: Основной | Режим работы насоса подпитки № 1 | 0 – НеИсп 1 – Основной 2 – Резерв |
| Насос2: Основной | Режим работы насоса подпитки № 2 | 0 – НеИсп 1 – Основной 2 – Резерв |
| Вр.разгона: 10с | Время игнорирования показания от датчика перепада давления при старте насоса контура, с | 2…180 |
| МаксВр.раб: 60м | Максимальное время работы подпитки в сутки, мин | 0 – откл 1…720 |
| Перезапуск: Нет | Наличие перезапуска насосов при пропадании сигнала от PDS | 0 - Нет, 1 - Есть |
| Ав. Утечки | Поведение прибора при возникновении утечки | 0 - Сигн, 1 - Есть, 2 - Нет |
| Далее: ALT+Вниз | Для продолжения настройки нажать сочетание клавиш |
|
| Назад-> ESC | Для выхода из меню нажать кнопку |
|
Если подпитка в настройках отключена, то эта группа настроек в меню не отображается.
Для управления подпиткой контура используются насосные группы из двух насосов и подпиточный клапан. У каждого контура отопления своя независимая система подпитки (см. раздел). Включение подпитки происходит по условию снижения давления в контуре. Подпитка выключается после возврата давления в контуре в норму. Контроль давления для работы подпитки осуществляется по дискретному датчику давления, прессостату.
Работоспособность насосов контролируется по датчику реле перепада давления. На одну насосную группу один датчик перепада. Чередование работы насосов осуществляется последовательно, по факту включения подпитки. Каждому насосу можно назначить один из трех режимов работы:
Отключен – насос не используется при выполнении алгоритма.
Основной – используется при выполнении алгоритма.
Резервный – в случае неисправности основного насоса, берет на себя его функции до тех пор, пока основной не восстановит свою работоспособность.
Для предупреждения обратного тока воды при запуске/останове насосов подпитки прибор управляет подпиточным клапаном. Никаких настроек для его работы не требуется. Клапан открывается с задержкой в две секунды после запуска насосов. При отключении подпитки команды закрытия клапана и отключения насоса подаются одновременно.
Контроль утечки трубопровода
Ситуацию, когда в сутки подпитка будет работает больше заданного в настройках времени (Настройка → Подпитка → Макс Вр. раб) прибор определяет как утечку в контуре. С целью избежать затопления помещения котельной подпитка прекращает свою работу до устранения неисправности и командой Сброс (из меню прибора, внешней кнопкой или сетевой командой по RS-485).
Поведение прибора при возникновении утечки определяется параметром Ав.Утечки:
Сигн - авария утечки фиксируется в журнал, включается лампа аварии, подпитка работает по заданному алгоритму;
Есть - авария утечки фиксируется в журнал, загорается лампа аварии, подпитка прекращает работу.
Нет - подпитка работает по заданному алгоритму.
Борьба с ложными срабатываниями датчика перепада давления
Для исключения некорректной работы насосов при сбоях реле перепада давления, контроллер управляет насосами с учетом возможных пропаданий сигналов реле перепада, когда по факту перепад в норме.
Насосы контуров при аварии по перепаду давления перезапускаются автоматически. Вышел из строя первый насос, КТР-121 запускает второй. При неисправности второго, КТР-121 запускает первый. Если количество неудачных включений насоса превысит пять попыток подряд, то прибор будет интерпретировать это как неисправность и зафиксирует аварию насоса до момента его сброса командой Сброс (из меню прибора, внешней кнопкой или сетевой командой по RS-485).
Настройка поведения контроллера при сбоях реле перепада давления производится в параметре Перезапуск (Меню: Настройки →Подпитка).
Статистика
Статистика
Экран | Описание | Диапазон |
|---|---|---|
| Статистика | Название экрана |
|
| Время наработки: |
|
|
| К1 Насос 1: ч | Время наработки циркуляционного насоса 1 контура 1 | 0…999 |
| К1 Насос 2: ч | Время наработки циркуляционного насоса 2 контура 1 | 0…999 |
| К2 Насос 1: ч | Время наработки циркуляционного насоса 1 контура 2 | 0…999 |
| К2 Насос 2: ч | Время наработки циркуляционного насоса 2 контура 2 | 0…999 |
| К1 НасП1: ч | Время наработки подпиточного насоса 1 контура 1 | 0…999 |
| К1 НасП2: ч | Время наработки подпиточного насоса 2 контура 1 | 0…999 |
| К2 НасП1: ч | Время наработки подпиточного насоса 1 контура 2 | 0…999 |
| К2 НасП2: ч | Время наработки подпиточного насоса 2 контура 2 | 0…999 |
| Сброс: Выбрать | Сброс статистики выбранного насоса | К1 Нас 1, К1 Нас 2, К2 Нас 1, К2 Нас 2, К1 НасП 1, К1 НасП 2, К2 НасП 1, К2 НасП 2, Всех |
| Назад-> ESC | Для выхода из меню нажать кнопку |
|
Расширенная информация о количестве часов работы каждого насоса отображается на экране статистики.
Аварии
Возникновение критической аварии приводит полному или частичному останову системы, замыкается выход DO8, светится светодиод «Авария», фиксируется запись в журнал аварий. Сброс критической аварии осуществляется вручную, после устранения неисправности.
При возникновении не критической (сигнализационной) аварии система продолжает работать, при необходимости запускается алгоритм устранения неисправности (переход на регулирование по среднесуточной температуре, перезапуск насосов), замыкается выход DO8, светодиод «Авария» мигает с периодом 1 секунда, светодиод «Работа» светится, фиксируется запись в журнал аварий. Сброс сигнализационной аварии осуществляется автоматически или вручную, в зависимости от рода аварии (см. таблицу).
Защита контуров
Защита контуров
Экран | Описание | Диапазон |
|---|---|---|
| К :Защита | Название экрана |
|
| КЗР авар: 40% | Положение КЗР контура при аварии контура, % | 0…100 |
| Тк сигн: 95,0 | Высокая температура в контуре (сигнализация) | 60…150 |
| Далее: ALT+Вниз | Для продолжения настройки нажать сочетание клавиш |
|
| Назад-> ESC | Для выхода из меню нажать кнопку |
|
Для безопасной работы котла следует задать пределы и времена задержки срабатываний сигнализации и аварий (Меню → Настройки → Контур х → Защита):
для контроля и сигнализации перегрева контура — порог срабатывания сигнализации Тк сигн.;
для определения минимального открытого положения КЗР при аварии датчика температуры контура — КЗР авар;
для контроля смесительного контура или насоса контуров ГВС и прямого контура отопления используется параметр Нас авар.
Полный перечень контролируемых аварий см. раздел.
Журнал аварий
Меню/Аварии/Архивный журнал
| Экран | Описание | Диапазон |
|---|---|---|
| Аварии: Журнал | Название экрана |
|
| 1> Вкл | Номер записи в журнале событий для отображения | 1...16 |
Краткое название аварии |
| |
| Дата фиксации: |
|
|
| ДДММГГ чч:мм:сс | Дата и время возникновения аварии |
|
| Дата квитир—ния: |
|
|
| ДДММГГ чч:мм:сс | Дата и время устранения аварии |
|
| Сброс журнала:Нет | Сброс журнала аварий | Да – сбросить записи |
| Дата сброса: | ||
| ДДММГГ чч:мм:сс | Дата и время последнего сброса журнала аварий |
Аварийные события фиксируются в журнал.
В журнал заносятся следующие параметры:
краткое название аварии;
время аварии;
время сброса аварии.
Журнал рассчитан на 16 записей.
Последнее событие находится в начале журнала под номером 1.
В случае переполнения журнала наиболее старые записи удаляются.
Для пролистывания журнала на экране следует задать номер записи.
Список аварий
Для просмотра текущего состояния аварий прибора следует использовать
меню текущих аварий. Для быстрого перехода из главного экрана на экран
состояния аварий предусмотрена комбинация кнопок
+
.
В случае наступления любого аварийного события независимо от вида реакции прибора срабатывает сигнализация Авария контура 1 или Авария контура 2 на ПРМ-1. На главном экране отображается текущая авария, а статус системы меняется на Авария.
Список аварий
| № | Вид Аварии | Условие появления | Реакция прибора* | Сброс аварии | Индикация | |
|---|---|---|---|---|---|---|
Текущие аварии | Архивный журнал | |||||
| Аварии датчиков | ||||||
| 1 | Авария датчика температуры контура | Значение измеряемого сигнала находится вне допустимого диапазона для выбранного типа датчика, либо произошел обрыв линий связи | Работа контура с неисправным датчиком прекращается. Закрытие клапана на значение КЗР авар | Автоматический сброс после устранения неисправности | Контур 1 Тк1: Ав.Дат. | Тк1 Ав.Дат. |
| 2 | Авария датчика давления контура | Режим работы не меняется | Автоматический сброс после устранения неисправности | Тк1: Ав.Дат. Рк1: Ав.Дат. | Рк1 Ав.Дат. | |
| Защиты контуров | ||||||
| 3 | Высокая температура контура | Измеряемое значение температуры контура превысило заданное в настройках Тпр сигн | Режим работы не меняется | Автоматический сброс при снижении значения температуры Тпр сигн | Тк1: Сигнал | Тк1 Сигнал |
| Насосы циркуляции | ||||||
| 4 | Неисправен насос циркуляции контура | Пропал сигнал от реле перепада давления на насосной группе | Режим работы не меняется. Блокировка работы насосов. Запуск второго насоса (если он используется в схеме) | Вручную, командой сброса аварии после устранения неисправности | Контур 1 Насос 1: Авария Насос 2: Норма | К1 НасСет1Ав |
| 5 | Все насосы циркуляции контура в аварии | Все насосы из насосной группы неисправны | Переход контура с отсутствием рабочих насосов в аварию. Закрытие клапана на значение КЗР авар. | Автоматический сброс после устранения неисправности | Контур 1 Насос 1: Авария Насос 2: Авария | |
| Подпитка | ||||||
| 6 | Утечка контура | Суммарное время работы насосов подпитки в сутки превышает заданное в настройках значение Макс Вр.раб | Режим работы не меняется. Работа подпитки прекращается | Вручную, командой сброса аварии после устранения неисправности | Подп.к1: Утечка | Подп.к1: Утечка |
| 7 | Неисправен насос подпитки | Пропал сигнал от реле перепада давления на насосной группе | Режим работы не меняется. Блокировка работы насосов. Запуск второго насоса (если используется в схеме) | Вручную, командой сброса аварии после устранения неисправности*** | Подпитка НасПодп1: Авария НасПодп1: Норма | Ав.Нас.Подп1 |
| 8 | Все насосы подпитки в аварии | Все насосы из насосной группы неисправны | Режим работы не меняется. Функции подпитки не активны | Автоматический сброс после устранения неисправности | Подпитка: НасПодп1: Авария НасПодп2: Авария
| |
Аварии связи | ||||||
| 9 | Нет связи с каскадным регулятором** | Произошел обрыв линии связи с каскадным регулятором или изменились сетевые настройки. Таймаут 10 минут | Режим работы не меняется. В качестве показаний наружной температуры принимается значение рассчитанной прибором среднесуточной температуры наружного воздуха**** | Автоматический сброс после устранения неисправности | КТР-02: Нет Связи | Нет RS |
| 10 | Нет связи с модулем расширения | Обрыв шины связи между модулем ПРМ-1 и КТР-121.03.20 | Режим работы не меняется. Функции подпитки не активны | Вручную, командой сброса аварии после устранения неисправности | Подпитка: Модуль: НетСвязи | ПРМ НетСвязи |
* В текущих авариях при отсутствии неисправностей отражается сообщение.
** Включается только после того как связи не было более 10 мин.
*** При неисправности одного насоса подпитки или циркуляционного насоса лампа аварии не включается.
**** При пропадании питания подсчет среднесуточного сбрасывается на последнее значение Тнар, пришедшее по сети.
Сетевой интерфейс
Общая информация
Контроллер оснащен двумя независимыми модулями интерфейса RS-485, предназначенными для организации связи по протоколу Modbus. Каждый интерфейс имеет свое назначение:
RS-485 (1) — предназначен для связи с каскадным контроллером КТР-121.02.4Х. Этот интерфейс обеспечивает обмен данными, необходимыми для совместной работы двух устройств.
RS-485 (2) — предназначен для организации диспетчеризации и связи с системами верхнего уровня (SCADA, диспетчерские пульты и т.д.).
Настройка интерфейса RS-485 (1) для связи с КТР-121.02.41
Для корректной работы контроллера в сети RS-485 (интерфейс 1) необходимо задать его сетевые параметры непосредственно на самом контроллере с помощью кнопок и индикатора на лицевой панели (см. рисунок). Настройки включают в себя:
Сетевой адрес (Slave ID) — уникальный адрес контроллера в сети Modbus.
Скорость передачи данных (Baud Rate) — скорость обмена данными по интерфейсу RS-485 (например, 9600, 19200, 38400, 57600, 115200 бит/с).
Паритет (Parity)— контроль четности (None, Even, Odd).
Стоповые биты (Stop Bits)— количество стоповых битов (1 или 2).
Точные значения этих параметров должны соответствовать настройкам КТР-121.02.4Х для обеспечения связи.
Функциональность контроллера в режиме Slave (Modbus)
Контроллер работает в режиме Slave (ведомого устройства) по протоколу Modbus и поддерживает следующие функции:
Чтение состояния входов/выходов (Read Input Status/Read Holding Registers)
Позволяет удаленно получать информацию о текущем состоянии дискретных и аналоговых входов, а также дискретных выходов контроллера.
Запись состояния выходов (Force Single Coil/Preset Multiple Registers)
Позволяет удаленно управлять состоянием дискретных выходов контроллера.
Чтение/запись сетевых переменных (Read Holding Registers/Preset Multiple Registers)
Позволяет удаленно считывать и записывать значения внутренних переменных контроллера, используемых для управления и регулирования.
Режим обмена Modbus (RTU/ASCII)
Контроллер автоматически распознает режим обмена данными Modbus:
Modbus RTU (Remote Terminal Unit)
Бинарный режим передачи данных, более компактный и эффективный.
Modbus ASCII (American Standard Code for Information Interchange)
Текстовый режим передачи данных, менее эффективный, но более простой для отладки.
Автоматическое распознавание режима позволяет использовать контроллер в сетях с разными типами устройств без необходимости ручной настройки.
Адреса регистров Modbus
Подробная информация об адресах регистров Modbus, типах переменных и их доступности (чтение/запись) приведена в отдельном разделе. Эта информация включает в себя:
Адреса регистров
Номера регистров Modbus, по которым доступны различные параметры контроллера.
Тип данных
Формат данных, хранящихся в регистрах (например, целое число, число с плавающей точкой, битовая маска).
Права доступа
Указание на возможность чтения (Read Only), записи (Write Only) или чтения/записи (Read/Write) для каждого регистра.
Эта информация является необходимой для программирования устройств верхнего уровня, которые будут взаимодействовать с контроллером по протоколу Modbus.

Карта регистров
Контроллер поддерживает следующие функции Modbus:
Функции чтения:
0x01 (Read Coil Status): Чтение состояния дискретных выходов (Coils).
0x03 (Read Holding Registers): Чтение содержимого регистров хранения (Holding Registers).
0x04 (Read Input Registers): Чтение содержимого входных регистров (Input Registers).
Функции записи:
0x05 (Force Single Coil): Запись состояния одного дискретного выхода (Coil).
0x06 (Preset Single Register): Запись значения в один регистр хранения (Holding Register).
0x10 (Preset Multiple Registers): Запись значений в несколько регистров хранения (Holding Registers).
Обращение к битам внутри регистров
Параметры, представленные в виде битовой маски (например, состояние системы, аварии и другие флаги), могут быть прочитаны двумя способами:
Функцией 0x03 (Read Holding Registers): в этом случае считывается весь регистр целиком, и далее программно извлекается нужный бит.
Функцией 0x01 (Read Coil Status): для прямого доступа к отдельному биту необходимо рассчитать адрес ячейки (Coil) по следующей формуле:
Адрес ячейки = (Номер регистра ∙ 16) + Номер бита
Пример
Требуется считать состояние второго дискретного выхода, используя функцию 0x01. Номер регистра 0, номер бита 1. Адрес ячейки рассчитывается следующим образом: (0 ∙ 16) + 1 = 1.Поддерживаемые типы данных Modbus
Контроллер поддерживает следующие типы данных Modbus:
word (Беззнаковое целое): 16-битное беззнаковое целое число (2 байта). Каждый параметр типа word занимает один регистр Modbus.
float (Число с плавающей точкой): 32-битное число с плавающей точкой (4 байта). Каждый параметр типа float занимает два соседних регистра Modbus. Данные передаются в формате little-endian (младший байт передается первым). Это означает, что при чтении значения float необходимо сначала считать регистр с меньшим адресом, а затем регистр со следующим по порядку адресом.
boolean (Бит): логический тип (1 бит). Может быть прочитано как с помощью функции 0x03 (чтение регистра), так и с помощью функции 0x01 (чтение отдельного бита/Coil).
Типы доступа к регистрам Modbus
Для каждого параметра в карте регистров указан тип доступа:
R (Только чтение - Read Only): значение параметра может быть только прочитано. Запись в данный регистр невозможна.
RW (Чтение/запись - Read/Write): значение параметра может быть как прочитано, так и записано.
W (Только запись - Write Only): значение параметра может быть только записано. Чтение из данного регистра невозможно.
Алгоритм 03.20
Код параметра | Регистр (HEX) | Регистр (DEC) | Тип | Доступ | Имя переменной | Значения |
|---|---|---|---|---|---|---|
bm_DO | 0 | 0 | word | R | Дискретные выходы контроллера | Битовая маска выходов |
ob_C1_Pump_1 | 0 | 0.0 | bool | R | DO1 – Первый циркуляционный насос первого контура | 0 – Разомкнут, 1 – Замкнут |
ob_C1_Pump_2 | 1 | 0.1 | bool | R | DO2 – Второй циркуляционный насос первого контура | 0 – Разомкнут, 1 – Замкнут |
ob_C1_Close | 2 | 0.2 | bool | R | DO3 – Закрыть КЗР первого контура | 0 – Разомкнут, 1 – Замкнут |
ob_C1_Open | 3 | 0.3 | bool | R | DO4 – Открыть КЗР первого контура | 0 – Разомкнут, 1 – Замкнут |
ob_C2_Pump_1 | 4 | 0.4 | bool | R | DO5 – Первый циркуляционный насос второго контура | 0 – Разомкнут, 1 – Замкнут |
ob_C2_Pump_2 | 5 | 0.5 | bool | R | DO6 – Второй циркуляционный насос второго контура | 0 – Разомкнут, 1 – Замкнут |
ob_C2_Close | 6 | 0.6 | bool | R | DO7 – Закрыть КЗР второго контура | 0 – Разомкнут, 1 – Замкнут |
ob_C2_Open | 7 | 0.7 | bool | R | DO8 – Открыть КЗР второго контура | 0 – Разомкнут, 1 – Замкнут |
ob_LedWork | 8 | 0.8 | bool | R | Светодиод "Работа" | 0 – Не светит, 1 – Светит |
ob_LedAv | 9 | 0.9 | bool | R | Светодиод "Авария" | 0 – Не светит, 1 – Светит |
bm_DI | 100 | 256 | word | R | Дискретные входы контроллера | Битовая маска входов |
ib_C1_PDS | 1000 | 256.0 | bool | R | DI1 – PDS насосов циркуляции первого контура | 0 – Разомкнут, 1 – Замкнут |
ib_C2_PDS | 1001 | 256.1 | bool | R | DI2 – PDS насосов циркуляции второго контура | 0 – Разомкнут, 1 – Замкнут |
ib_C1_Summer | 1004 | 256.4 | bool | R | DI5 – Кнопка смены режима "Зима/Лето" первого контура | 0 – Разомкнут, 1 – Замкнут |
ib_C2_Summer | 1005 | 256.5 | bool | R | DI6 – Кнопка смены режима "Зима/Лето" второго контура | 0 – Разомкнут, 1 – Замкнут |
ib_Start | 1006 | 256.6 | bool | R | DI7 – Кнопка «Старт/Стоп» | 0 – Разомкнут, 1 – Замкнут |
ib_ResetAv | 1007 | 256.7 | bool | R | DI8 – Сброс аварий | 0 – Разомкнут, 1 – Замкнут |
PRM_Add | 203 | 515 | word | R | Дискретные входы ПРМ-1 (управление подпиткой) | Битовая маска входов ПРМ |
ib_C1_Add_PDS | 2030 | 515.0 | bool | R | DI1 – PDS на насосов подпитки первого контура | 0 – Разомкнут, 1 – Замкнут |
ib_C2_Add_PDS | 2031 | 515.1 | bool | R | DI2 – PDS на насосах подпитки второго контура | 0 – Разомкнут, 1 – Замкнут |
ib_C1_Add_PS | 2032 | 515.2 | bool | R | DI3 – Реле давления первого контура | 0 – Разомкнут, 1 – Замкнут |
ib_C2_Add_PS | 2033 | 515.3 | bool | R | DI4 – Реле давления второго контура | 0 – Разомкнут, 1 – Замкнут |
PRM_Add | 203 | 515 | word | R | Дискретные выходы ПРМ-1 (управление подпиткой) | Битовая маска выходов ПРМ |
ob_C1_Add_Pump_1 | 2038 | 515.8 | bool | R | DO1 – Насос подпитки №1 первого контура | 0 – Разомкнут, 1 – Замкнут |
ob_C1_Add_Pump_2 | 2039 | 515.9 | bool | R | DO2 – Насос подпитки №2 первого контура | 0 – Разомкнут, 1 – Замкнут |
ob_C1_Add_On | 203A | 515.10 | bool | R | DO3 – Клапан подпитки первого контура | 0 – Разомкнут, 1 – Замкнут |
ob_C1_AvGen | 203B | 515.11 | bool | R | DO4 – Лампа «Авария первого контура» | 0 – Разомкнут, 1 – Замкнут |
ob_C2_Add_Pump_1 | 203C | 515.12 | bool | R | DO5 – Насос подпитки №1 второго контура | 0 – Разомкнут, 1 – Замкнут |
ob_C2_Add_Pump_2 | 203D | 515.13 | bool | R | DO6 – Насос подпитки №2 второго контура | 0 – Разомкнут, 1 – Замкнут |
ob_C2_Add_On | 203E | 515.14 | bool | R | DO7 – Клапан подпитки второго контура | 0 – Разомкнут, 1 – Замкнут |
ob_C2_AvGen | 203F | 515.15 | bool | R | DO8 – Лампа «Авария второго контура» | 0 – Разомкнут, 1 – Замкнут |
| Аналоговые входы прибора | ||||||
ia_C1_Twd | 20D | 525 | real | R | AI1 – Температура подачи первого контура потребителя | ** |
ia_C2_Twd | 20F | 527 | real | R | AI2 – Температура подачи второго контура потребителя | ** |
ia_C1_Pwd | 211 | 529 | real | R | AI3 – Давление подачи первого контура потребителя | ** |
ia_C2_Pwd | 213 | 531 | real | R | AI4 – Давление подачи второго контура потребителя | ** |
| Тип схемы | ||||||
mode_C1 | 217 | 535 | word | RW | Тип первого контура | 0 - ГВС, 1 - Отопление |
mode_C2 | 218 | 536 | word | RW | Тип второго контура | 0 - Отключен, 1 - Отопление |
| Насосы циркуляции (контур потребителя №1) | ||||||
mode_C1_Pump_1 | 242 | 578 | word | RW | Режим работы НЦ1 | 0 - Отключен, 1 - Основной, 2 - Резервный |
mode_C1_Pump_2 | 243 | 579 | word | RW | Режим работы НЦ2 | 0 - Отключен, 1 - Основной, 2 - Резервный |
| Насосы циркуляции (контур потребителя №2) | ||||||
mode_C2_Pump_1 | 244 | 580 | word | RW | Режим работы НЦ1 | 0 - Отключен, 1 - Основной, 2 - Резервный |
mode_C2_Pump_2 | 245 | 581 | word | RW | Режим работы НЦ2 | 0 - Отключен, 1 - Основной, 2 - Резервный |
| Насосы подпитки (контур потребителя №1) | ||||||
mode_C1_Add_1 | 246 | 582 | word | RW | Режим работы НП1 | 0 - Отключен, 1 - Основной, 2 - Резервный |
mode_C1_Add_2 | 247 | 583 | word | RW | Режим работы НП2 | 0 - Отключен, 1 - Основной, 2 - Резервный |
| Насосы подпитки (контур потребителя №2) | ||||||
mode_C2_Add_1 | 248 | 584 | word | RW | Режим работы НП1 | 0 - Отключен, 1 - Основной, 2 - Резервный |
mode_C2_Add_2 | 249 | 585 | word | RW | Режим работы НП2 | 0 - Отключен, 1 - Основной, 2 - Резервный |
| Регулирование (контур потребителя №1) | ||||||
ua_C1_Twd | 258 | 600 | real | RW | Уставка температуры подачи первого контура | 45...90 |
ua_C1_Twd_DZ | 25A | 602 | real | RW | Гистерезис или зона нечувствительности температуры подачи первого контура | 0...20 |
ua_C1_PID_Kp | 25C | 604 | real | RW | Коэффициент ПИД Кп первого контура | 0...999 |
ua_C1_PID_Ti | 25E | 606 | word | RW | Коэффициент ПИД Ти первого контура | 0...999 |
ua_C1_PID_Td | 25F | 607 | word | RW | Коэффициент ПИД Тд первого контура | 0...999 |
| Регулирование (контур потребителя №2) | ||||||
ua_C2_Twd | 263 | 611 | real | RW | Уставка температуры подачи второго контура | 45...90 |
ua_C2_Twd_DZ | 265 | 613 | real | RW | Гистерезис или зона нечувствительности температуры подачи второго контура | 0...20 |
ua_C2_PID_Kp | 267 | 615 | real | RW | Коэффициент ПИД Кп второго контура | 0...999 |
ua_C2_PID_Ti | 269 | 617 | word | RW | Коэффициент ПИД Ти второго контура | 0...999 |
ua_C2_PID_Td | 26A | 618 | word | RW | Коэффициент ПИД Тд второго контура | 0...999 |
| Режим экономии (контур №1) | ||||||
ua_C1_Ec_Night | 2BD | 701 | word | RW | Коррекция уставки ночью (первый контур) | 0 – Нет, –1...-40 |
ua_C1_Ec_Day | 2BE | 702 | word | RW | Коррекция уставки днем (первый контур) | 0 – Нет, –1...-40 |
ua_C1_Ec_WE | 2BF | 703 | word | RW | Коррекция уставки в выходные (первый контур) | 0 – Нет, –1...-40 |
| Режим экономии (контур №2) | ||||||
ua_C2_Ec_Night | 2C0 | 704 | word | RW | Коррекция уставки ночью (второй контур) | 0 – Нет, –1...-40 |
ua_C2_Ec_Day | 2C1 | 705 | word | RW | Коррекция уставки днем (второй контур) | 0 – Нет, –1...-40 |
ua_C2_Ec_WE | 2C2 | 706 | word | RW | Коррекция уставки в выходные (второй контур) | 0 – Нет, –1...-40 |
code_Error_1 | 2C6 | 710 | word | R | Код аварии 1 | Битовая маска аварий |
Av_Mod | 2С6D | 710.13 | bool | R | Нет связи с ПРМ (слот 1) | 0 – Норма, 1 – Авария |
code_Error_2 | 2C7 | 711 | word | R | Код аварии 2 | Битовая маска аварий |
Av_C1_Twd_Sens | 2C76 | 711.6 | bool | R | Обрыв датчика AI1 (температура подачи первого контура) | 0 – Норма, 1 – Авария |
Av_C2_Twd_Sens | 2C77 | 711.7 | bool | R | Обрыв датчика AI2 (температура подачи второго контура) | 0 – Норма, 1 – Авария |
Av_C1_Pwd_Sens | 2C78 | 711.8 | bool | R | Обрыв датчика AI3 (давление первого контура) | 0 – Норма, 1 – Авария |
Av_C2_Pwd_Sens | 2C79 | 711.9 | bool | R | Обрыв датчика AI4 (давление второго контура) | 0 – Норма, 1 – Авария |
code_Error_3 | 2C8 | 712 | word | R | Код аварии 3 | Битовая маска аварий |
Av_LostConn | 2C84 | 712.4 | bool | R | Нет связи с каскадным контроллером | 0 – Норма, 1 – Авария |
Av_C1_Add_NoWP | 2C88 | 712.8 | bool | R | Авария всех насосов подпитки первого контура | 0 – Норма, 1 – Авария |
Av_C2_Add_NoWP | 2C89 | 712.9 | bool | R | Авария всех насосов подпитки второго контура | 0 – Норма, 1 – Авария |
Av_C1_Twd_HAL | 2C8C | 712.12 | bool | R | Перегрев первого контура потребителя | 0 – Норма, 1 – Авария |
Av_C2_Twd_HAL | 2C8D | 712.13 | bool | R | Перегрев второго контура потребителя | 0 – Норма, 1 – Авария |
code_Error_4 | 2C9 | 713 | word | R | Код аварии 4 | Битовая маска аварий |
Av_C1_Pump_1 | 2C90 | 713.0 | bool | R | Неисправен циркуляционный насос № 1 контура 1 | 0 – Норма, 1 – Авария |
Av_C1_Pump_2 | 2C91 | 713.1 | bool | R | Неисправен циркуляционный насос № 2 контура 1 | 0 – Норма, 1 – Авария |
Av_C1_NoWP | 2C92 | 713.2 | bool | R | Нет рабочих насосов циркуляции в контуре потребителя 1 | 0 – Норма, 1 – Авария |
Av_C2_Pump_1 | 2C93 | 713.3 | bool | R | Неисправен циркуляционный насос № 1 контура 2 | 0 – Норма, 1 – Авария |
Av_C2_Pump_2 | 2C94 | 713.4 | bool | R | Неисправен циркуляционный насос № 2 контура 2 | 0 – Норма, 1 – Авария |
Av_C2_NoWP | 2C95 | 713.5 | bool | R | Нет рабочих насосов циркуляции в контуре потребителя 2 | 0 – Норма, 1 – Авария |
Av_C1_Add_Pump_1 | 2C96 | 713.6 | bool | R | Авария насоса подпитки №1 первого контура | 0 – Норма, 1 – Авария |
Av_C1_Add_Pump_2 | 2C97 | 713.7 | bool | R | Авария насоса подпитки №2 первого контура | 0 – Норма, 1 – Авария |
Av_C2_Add_Pump_1 | 2C98 | 713.8 | bool | R | Авария насоса подпитки №1 второго контура | 0 – Норма, 1 – Авария |
Av_C2_Add_Pump_2 | 2C99 | 713.9 | bool | R | Авария насоса подпитки №2 второго контура | 0 – Норма, 1 – Авария |
Av_Tao_Sens | 2C9C | 713.12 | bool | R | Неисправен датчик наружного воздуха | 0 – Норма, 1 – Авария |
Av_C1_Add | 2C9D | 713.13 | bool | R | Утечка в первом контуре | 0 – Норма, 1 – Авария |
Av_C2_Add | 2C9E | 713.14 | bool | R | Утечка во втором контуре | 0 – Норма, 1 – Авария |
| Оперативные параметры | ||||||
ia_Main_Twd | 2CB | 715 | real | R | Температура сети | ** |
Ia_Tao | 2CD | 717 | real | R | Температура наружного воздуха | ** |
lv_C1_Twd_SP | 2DA | 730 | word | R | Текущая уставка в контуре №1 | 0...500 |
lv_C2_Twd_SP | 2DB | 731 | word | R | Текущая уставка в контуре №2 | 0...500 |
code_C1_Sys | 2DD | 733 | word | R | Текущее состояние контура №1 | 0 – Откл 1 – Стоп 2 – Тест 3 – Работа 4 – Авария 5 – Лето 7 – Блок 8 – Эконом 9 – Приоритет |
code_C2_Sys | 2DE | 734 | word | R | Текущее состояние контура №2 | 0 – Откл 1 – Стоп 2 – Тест 3 – Работа 4 – Авария 5 – Лето 7 – Блок 8 – Эконом 9 – Приоритет |
ua_Twd_Shift | 2E0 | 736 | word | R | Сдвиг уставки температуры подачи сети | 0...30 |
oa_C1_Pwr | 2E1 | 737 | word | R | Процент открытия КЗР первого контура | 0...100 |
oa_C2_Pwr | 2E2 | 738 | word | R | Процент открытия КЗР второго контура | 0...100 |
net_SummPwr | 2EF | 751 | word | R | Суммарная мощность | |
net_code_Sys_4 | 2F4 | 756 | word | R | Код состояния системы 3 | Битовая маска |
cmd_C1_Start | 2F40 | 756 | bool | R | Переключение режимов Старт/Стоп первого контура | 0 – Стоп, 1 – Старт |
cmd_C2_Start | 2F41 | 756.1 | bool | R | Переключение режимов Старт/Стоп второго контура | 0 – Стоп, 1 – Старт |
lv_C1_IsWinter | 2F43 | 756.3 | bool | R | Режим "Зима" первого контура | 0 – Зима, 1 – Лето |
lv_C2_IsWinter | 2F44 | 756.4 | bool | R | Режим "Зима" второго контура | 0 – Зима, 1 – Лето |
lv_is_C1_Otp | 2F45 | 756.5 | bool | R | Тип контура 1 | 0 – Прямой, 1 – Смесительный |
lv_is_C2_Otp | 2F46 | 756.6 | bool | R | Тип контура 2 | 0 – Прямой, 1 – Смесительный |
lv_Prior_Full | 2F47 | 756.7 | bool | R | Увеличенная уставка сети при приоритете ГВС | 0 – Повышена, 1 – Не повышена |
lv_is_Pwd | 2F48 | 756.8 | bool | R | Наличие аналогового датчика давления в контурах | 0 – Нет, 1 – Есть |
ub_Is_Add | 2F49 | 756.9 | bool | R | Наличие подпитки | 0 – Нет, 1 – Есть |
net_Rctrl | 2F4F | 756.15 | bool | R | Тип управления | 0 – Местное, 1 – Внешнее |
cmd_1 | 2FE | 766 | word | W | Командное слово 1 | Битовая маска команд |
net_ResetAv | 2FE2 | 766.2 | bool | W | Сброс аварий | 0 – Нет, 1 – Да |
net_C1_Start | 2FE3 | 766.3 | bool | W | Старт контура №1 | 0 – Нет, 1 – Да |
net_C2_Start | 2FE4 | 766.4 | bool | W | Старт контура №2 | 0 – Нет, 1 – Да |
net_cmd_C1_Winter_ON | 2FEA | 766.10 | bool | W | Включить сезон "Зима" в контуре №1 | 0 – Нет, 1 – Да |
net_cmd_C2_Winter_ON | 2FEB | 766.11 | bool | W | Включить сезон "Зима" в контуре №2 | 0 – Нет, 1 – Да |
ub_Is_Add_ON | 2FEC | 766.12 | bool | W | Наличие подпитки в контурах отопления - Вкл | 0 – Нет, 1 – Да |
ub_Is_Pwd_ON | 2FED | 766.13 | bool | W | Контроль показаний давления в контурах - Вкл | 0 – Нет, 1 – Да |
cmd_2 | 2FF | 767 | word | W | Командное слово 2 | Битовая маска команд |
net_C1_Stop | 2FF3 | 767.3 | bool | W | Стоп контура №1 | 0 – Нет, 1 – Да |
net_C2_Stop | 2FF4 | 767.4 | bool | W | Стоп контура №2 | 0 – Нет, 1 – Да |
net_cmd_C1_Winter_OFF | 2FFA | 767.10 | bool | W | Выключить сезон "Зима" в контуре №1 | 0 – Нет, 1 – Да |
net_cmd_C2_Winter_OFF | 2FFB | 767.11 | bool | W | Выключить сезон "Зима" в контуре №2 | 0 – Нет, 1 – Да |
ub_Is_Add_OFF | 2FFC | 767.12 | bool | W | Наличие подпитки в контурах отопления - Выкл | 0 – Нет, 1 – Да |
ub_Is_Pwd_OFF | 2FFD | 767.13 | bool | W | Контроль показаний давления в контурах - Выкл | 0 – Нет, 1 – Да |
* Значения параметров в определенных конфигурациях или режимах системы.
** В зависимости от выбранного типа датчика диапазон измерения может меняться, для температурных датчиков см. таблицу . Для датчика давления диапазон измерения зависит от заданных границ преобразования, см. таблицу .
Техническое обслуживание
Обслуживание прибора во время эксплуатации заключается в его техническом осмотре. Во время выполнения работ следует соблюдать меры безопасности из раздела.
Технический осмотр прибора проводится обслуживающим персоналом не реже одного раза в 6 месяцев и включает в себя выполнение следующих операций:
очистку корпуса, клеммных колодок от пыли, грязи и посторонних предметов;
проверку крепления на DIN-рейке;
проверку качества подключения внешних связей.
Обнаруженные во время осмотра недостатки следует немедленно устранить.
Маркировка
На корпус прибора нанесены:
- условное обозначение прибора;
товарный знак предприятия-изготовителя;
- степень защиты корпуса по ГОСТ 14254;
- род питающего тока и напряжение питания;
QR-код
- потребляемая мощность;
- маркировка класса защиты от поражения электрическим током по ГОСТ IEC 61131-2-2012;
- единый знак обращения продукции на рынке Евразийского экономического союза;
- страна-изготовитель;
- заводской номер прибора, месяц и год изготовления.
На потребительскую тару нанесены:
- наименование и условное обозначение прибора;
товарный знак предприятия-изготовителя;
почтовый адрес офиса изготовителя;
штрих-код;
дата упаковки;
- единый знак обращения продукции на рынке Евразийского экономического союза;
- страна-изготовитель;
- заводской номер;
дата упаковки.
Упаковка
Упаковка прибора производится в соответствии с ГОСТ 23088-80 в потребительскую тару, выполненную из коробочного картона по ГОСТ 7933-89.
Упаковка прибора при пересылке почтой производится по ГОСТ 9181-74.
Комплектность
| Наименование | Количество |
|---|---|
| Контроллер* | 1 шт. |
| Руководство по эксплуатации | 1 экз. |
| Паспорт и Гарантийный талон | 1 экз. |
Комплект клеммных соединителей | 1 к-т |
* Исполнение в соответствии с заказом. | |
Транспортирование и хранение
Прибор должен транспортироваться в закрытом транспорте любого вида. В транспортных средствах тара должна крепиться согласно правилам, действующим на соответствующих видах транспорта.
Транспортирование приборов в упаковке предприятия-изготовителя должно соответствовать следующим условиям:
температура окружающего воздуха от минус 40 до плюс 70 °С;
относительная влажность от 10 до 95 % без конденсации влаги;
атмосферное давление не менее 80 кПа (эквивалентно высоте 3000 м над уровнем моря)
Прибор следует перевозить в транспортной таре поштучно или в контейнерах с соблюдением мер защиты от ударов и вибраций.
Условия хранения в таре на складе изготовителя и потребителя должны соответствовать условиям 1 по ГОСТ 15150-69. В воздухе не должны присутствовать агрессивные примеси.
Прибор следует хранить на стеллажах.
Гарантийные обязательства
Изготовитель гарантирует соответствие прибора требованиям ТУ при соблюдении условий эксплуатации, транспортирования, хранения и монтажа.
Гарантийный срок эксплуатации – 10 лет со дня продажи.
В случае выхода прибора из строя в течение гарантийного срока при соблюдении условий эксплуатации, транспортирования, хранения и монтажа предприятие-изготовитель обязуется осуществить его бесплатный ремонт или замену.
Порядок передачи прибора в ремонт содержится в паспорте и в гарантийном талоне.
Настройка времени и даты

В прибор встроены энергонезависимые часы реального времени. Прибор будет поддерживать время и дату в случае отключения основного питания.
В Системном меню можно просмотреть и редактировать текущие дату и время.
Настройка регулятора
Для ручной настройки регулятора следует использовать режим нагрева. Настройки регулятора расположены в меню Меню → Настройки → Регулирование (настройка доступна, если выбран тип горелки — модулируемая). В ходе наблюдений следует фиксировать значения регулируемого параметра (скорость и время подхода к уставке).
Регулятор настраивается вручную итерационным методом с оценкой процесса по наличию:
колебаний;
перехода графика регулируемой величины через уставку.
В случае ПИД-регулирования, зависимость выходной мощности от управляющего воздействия можно записать в виде:
где
Yi – выходная мощность ПИД-регулятора;
Кп – коэффициент пропорциональности;
τи – интегральная постоянная;
τд – дифференциальная постоянная;
Ei – разность между уставкой и текущим измеренным значением;
Δtизм – время дискретизации.
В зависимости от показателей, корректировку следует выполнять по следующим правилам:
уменьшение Кп способствует увеличению колебаний регулируемой величины, и амплитуда колебаний регулируемой величины может возрасти до недопустимого уровня;
увеличение Кп способствует снижению быстродействия и ухудшению быстродействия регулятора с повышением вероятности колебаний регулируемой величины;
при завышенном Ти процесс подхода регулируемой величины к уставке становится односторонним даже при наличии колебаний. Быстродействие регулятора уменьшается;
- при заниженном Ти появляется значительный переход регулируемой величины через уставку. Но существенно ухудшается быстродействие регулятора и повышается вероятность колебаний регулируемой величины.
Для оптимальной настройки регулятора график регулируемой величины должен иметь минимальное значение показателя ошибки регулирования (А1) при достаточной степени затухания — φ = 1 – А3 ÷ А1 = 0,8…0,9.
Для настройки регулятора следует:
Задать заводские уставки, если значения коэффициентов были изменены.
Изменять значение Кп (на единицы), пока значение перерегулирования не будет равно 5 °С.
Уменьшать Ти, пока отклонение от уставки не будет равно 2—3 °С.
Уменьшать Кп (на единицы) до достижения недорегулирования.
Уменьшать Ти, пока отклонение от уставки не будет 1 °С.



Предупреждающие сообщения
В данном руководстве применяются следующие предупреждения:
Ключевое слово ОПАСНОСТЬ сообщает о непосредственной угрозе опасной ситуации, которая приведет к смерти или серьезной травме, если ее не предотвратить.
Ключевое слово ВНИМАНИЕ сообщает о потенциально опасной ситуации, которая может привести к небольшим травмам.
Ключевое слово ПРЕДУПРЕЖДЕНИЕ сообщает о потенциально опасной ситуации , которая может привести к повреждению имущества.
Ключевое слово ПРИМЕЧАНИЕ обращает внимание на полезные советы и рекомендации, а также информацию для эффективной и безаварийной работы оборудования.
| Ограничение ответственности |
Ни при
каких обстоятельствах |