1-RU-132548-1.9

Руководство по эксплуатации

Перечень изменений

ПараметрТРМ-У2 (обновленные с USB)ТРМ-У2
ПО для настройкиOwenConfigurator
Интерфейс настройкиUSB, RS-485*RS-485*
Подача питания при настройкеЧерез USB**От внешнего блока питания
DIP-переключателиНетЕсть
Примечание

* Есть не во всех модификациях.

** При настройке прибора по USB подключать внешний источник питания не обязательно.

Введение

Настоящее руководство по эксплуатации предназначено для ознакомления обслуживающего персонала с устройством, принципом действия, конструкцией, технической эксплуатацией и обслуживанием двухканального измерителя-регулятора с универсальными входами 2ТРМ1, в дальнейшем по тексту именуемого «прибор» или «2ТРМ1».

Подключение, настройка и техобслуживание прибора должны производиться только квалифицированными специалистами после прочтения настоящего руководства по эксплуатации.

Прибор выпускается в соответствии с ТУ 4217-041-46526536-2013.

Номер в Госреестре 17023-08 СТО РС № 22.44.01.01988.120.

Прибор изготавливается в различных модификациях, указанных в коде полного условного обозначения:

Graphic

Условия использования ПО «OWEN MONITOR»

Пользователю прибора предоставляется право использования программного обеспечения (ПО) «OWEN MONITOR», предназначенного для диспетчеризации приборов «ОВЕН». Условия использования ПО содержатся в пользовательском лицензионном соглашении, размещенном в ПО.

Срок действия права использования – в соответствии со средним сроком службы соответствующего прибора «ОВЕН».

Дистрибутив  ПО  «OWEN  MONITOR»  размещен  по  адресу:  https://www.owen.ru  и https://www.owendigital.ru либо на сайтах официальных дилеров «ОВЕН».

Право использования указанного ПО предоставляется в базовом функционале. Дополнительные функции ПО (при их наличии) предоставляются отдельно в соответствии с пользовательским лицензионным соглашением соответствующего ПО.

Используемые аббревиатуры

  • ВУ – выходное устройство;

  • ДХС – датчик «холодного спая»;

  • ИМ – исполнительный механизм;

  • ИП24 – источник питания 24 В для подключаемых датчиков (см. раздел);

  • КХС – компенсация «холодного спая»;

  • ЛУ – логическое устройство;

  • НСХ – номинальная статическая характеристика;

  • ПК – персональный компьютер;

  • ТП – преобразователь термоэлектрический (термопара);

  • ТС – термопреобразователь сопротивления;

  • ЦАП – цифро-аналоговый преобразователь;

  • ЦИ – цифровой индикатор;

  • ШИМ – широтно-импульсная модуляция.

Соответствие символов ЦИ буквам латинского алфавита

Graphic

Назначение и функции

Прибор предназначен для измерения и автоматического регулирования температуры (при использовании в качестве первичных преобразователей термопреобразователей сопротивления или термоэлектрических преобразователей), а также других физических параметров (давления, влажности, расхода, уровня и т.п.), значение которых первичными преобразователями (датчиками) может быть преобразовано в напряжение постоянного тока или унифицированный электрический сигнал силы постоянного тока, в единицах измерения физической величины или в процентах от максимального значения диапазона измерений.

Прибор относится к изделиям государственной системы промышленных приборов и средств автоматизации.

Прибор зарегистрирован в Государственном реестре средств измерений.

Функции прибора

Работа с входными сигналами:

  • измерение температуры, давления, влажности, расхода, уровня и т. п. по двум независимым каналам;

  • обработка входных сигналов:

    • цифровая фильтрация и коррекция;

    • масштабирование входного сигнала.

  • вычисление и индикация:

    • квадратного корня из измеряемой величины;

    • взвешенных суммы, разности и отношения величин двух каналов;

    • средневзвешенной и среднеквадратичной суммы значений измеряемых величин двух каналов.

  • работа с датчиками, подключенными через барьер искрозащиты;

  • анализ динамики входных сигналов (рост, падение, удержание);

  • питание активных датчиков от встроенного источника питания (только для модификации с ИП24).

Индикация и настройка:

  • отображение на ЦИ:

    • текущего измеренного значения, уставки, выходной мощности, вычисленной математической функции, динамики сигнала;

  • автоматическая смена отображения параметров на ЦИ;

  • сброс прибора до заводских настроек;

  • скрытие пунктов меню и защита от редактирования параметров.

Управление ИМ:

  • настраиваемая логика работы ЛУ («нагреватель», «холодильник», сигнализатор, регистратор);

  • независимое регулирование двух каналов по двухпозиционному (релейному) закону;

  • регулирование одной измеряемой величины по трехпозиционному закону;

  • формирование выходного тока 4…20 мА или напряжения 0…10 В для управления по П-закону;

  • погодозависимое регулирование.

Обработка аварийных ситуаций:

  • отслеживание обрыва и «залипания» в контуре регулирования, обрыва датчиков и выхода измеренного сигнала за допустимый диапазон для выбранного типа датчика;

  • автоматическое восстановление процесса регулирования после устранения обрыва датчика или выхода показаний за диапазон измерения;

  • переключение выходов в безопасное состояние при аварии и в режиме «Стоп».

Интерфейс USB Type-C:

  • конфигурирование прибора с помощью ПК;

Интерфейс RS-485 (только для модификации с RS-485):

  • регистрация данных и конфигурирование прибора с помощью ПК через интерфейс RS-485;

  • дистанционное управление процессом регулирования (запуск, остановка, изменение режимов и уставок).

Технические характеристики и условия эксплуатации

Технические характеристики

Характеристики прибора

Наименование

Значение

Питание

Диапазон входного напряжения питания

  • переменное

90...264 В (номинальное 230 В)

47...63 Гц (номинальное 50 Гц)

  • постоянное

21...120 В

(номинальное 24 В)

Потребляемая мощность при питании от источника переменного напряжения, не более

11 ВА

Потребляемая мощность при питании от источника постоянного напряжения, не более

9 Вт

Источник встроенного питания1)Напряжение и ток= 24 ± 2,4 В, максимально 50 мА

Измерительные входы

Количество измерительных каналов

2

Время опроса входа ТС/ТП и других типов датчиков, не более

1 с

Предел допускаемой основной приведенной (от диапазона измерений) погрешности измерения, не более2):

  • ТС

0,25 %

  • ТП с включенной КХС

0,5 %

  • ТП с отключенной КХС

0,25 %

  • токовые сигналы (4...20 мА, 0...5 мА, 0...20 мА)

0,25 %

  • сигналы напряжения (–50...+50 мВ, 0...1 В, 0...5 В, 0...10 В)

0,25 %

Дополнительная приведенная к диапазону измерений погрешность измерения, вызванная изменением температуры окружающей среды в пределах рабочего диапазона, на каждые 10 градусов, % от основной

  • в режиме измерения тока

0,25 % предела основной

  • в режиме измерения напряжения

0,25 % предела основной

  • для ТП, не более

0,25 % предела основной

  • для ТС, не более

0,25 % предела основной

Входное сопротивление при измерении сигналов напряжения, не менее

300 кОм

Величина максимально допустимого напряжения на измерительных клеммах

12 В

Время установления рабочего режима при измерении входных сигналов, не более

10 мин

Выходные устройства (ВУ)

Количество ВУ

23

Интерфейс для настройки прибора

Тип

USB CDC

Разъем подключения

USB Type-C

Протокол обмена

Modbus RTU

Режим работы интерфейса

Slave

Питание прибора

Да (работает индикация)

Ток потребления, не более

500 мА

Максимальная длина подключаемого кабеля, не более

3 м

Интерфейс обмена данными4)

Тип интерфейса

RS-485

Протокол обмена данными

Modbus RTU, Modbus ASCII

Режим работы интерфейса

Slave

Скорость обмена данными

2,4; 4,8; 9,6; 14,4; 19,2; 28,8; 38,4; 57,6; 115,2 кбод/с

Параметры обмена данными

7e15), 7e25), 7o15), 7o25), 8n1, 8n2, 8e1, 8e2, 8o1, 8o2

Задержка ответа прибора

0...20 мс

Общие сведения

Габаритные размеры прибора:

  • щитовой Щ1

(96 × 96 × 53) ± 1 мм

  • щитовой Щ2

(96 × 48 × 100) ± 1 мм

  • щитовой Щ5

(48 × 48 × 103) ± 1 мм

  • DIN-реечный Д

(90 × 88 × 59) ± 1 мм

  • настенный Н

(129 × 110 × 69) ± 1 мм

Степень защиты корпуса:

  • со стороны лицевой панели (кроме корпуса Д)

IP54

  • со стороны лицевой панели (для корпуса Д)

IP20

  • со стороны задней панели (кроме корпуса Н)

IP20

  • со стороны задней панели (для корпуса Н)

IP54

Масса прибора:

  • с упаковкой, не более (кроме корпуса Н)

0,4 кг

  • с упаковкой, не более (для корпуса Н)

0,5 кг
  • без упаковки, не более (кроме корпуса Н)

0,25 кг

  • без упаковки, не более (для корпуса Н)

0,4 кг

Средний срок службы

12 лет

Примечание

1) Только для модификации прибора со встроенным источником питания 24 В.

2) С учетом старения за межповерочный интервал. Для ТП данные при включенной КХС.

3) Характеристики ВУ в соответствии с их типом (см. таблицу).

4) Только для модификации прибора с интерфейсом RS-485.

5) Только для Modbus ASCII.

Датчики и входные сигналы

Сигнал датчика (условное обозначение НСХ первичного преобразователя)

Диапазон измерения

Дискретность измерения, не менее

Значение единицы младшего разряда1)

Термопреобразователи сопротивления по ГОСТ 6651-2009

50М (α = 0,00428 °С -1)

–180…+200 °С

0,1 °С

0,1; 1,0 °С

Pt50 (α = 0,00385 °С -1)

–200…+850 °С

0,1; 1,0 °С

50П (α = 0,00391 °С -1)

–200…+850 °С

0,1; 1,0 °С

Cu50 (α = 0,00426 °С -1)3)

–50…+200 °С

0,1 °С

100М (α = 0,00428 °С -1)

–180…+200 °С

0,1; 1,0 °С

Pt100 (α = 0,00385 °С -1)

–200…+850 °С

0,1; 1,0 °С

100П (α = 0,00391 °С -1)

–200…+850 °С

0,1; 1,0 °С

Cu100 (α=0,00426 °С -1)3)

–50…+200 °С

0,1 °С

100Н (α = 0,00617 °С -1)

–60…+180 °С

0,1 °С

500М (α = 0,00428 °С -1)

–180…+200 °С

0,1; 1,0 °С

Pt500 (α = 0,00385 °С -1)

–200…+850 °С

0,1; 1,0 °С

500П (α = 0,00391 °С -1)

–200…+850 °С

0,1; 1,0 °С

Cu500 (α = 0,00426 °С -1)3)

–50…+200 °С

0,1 °С

500Н (α = 0,00617 °С -1)

–60…+180 °С

0,1 °С

1000М (α = 0,00428 °С -1)

–180…+200 °С

0,1; 1,0 °С

Pt1000 (α = 0,00385 °С -1)

–200…+850 °С

0,1; 1,0 °С

1000П (α = 0,00391 °С -1)

–200…+850 °С

0,1; 1,0 °С

Cu1000 (α = 0,00426 °С -1)3)

–50…+200 °С

0,1 °С

1000Н (α = 0,00617 °С -1)

–60…+180 °С

0,1 °С

Термоэлектрические преобразователи по ГОСТ Р 8.585-2001

TХК (L)

–200…+800 °С

0,1 °С

0,1; 1,0 °С

ТХКн(Е)

–200...+900 °С

0,1 °С

0,1 °С

TЖК (J)

–200...+1200 °С

0,1 °С

0,1; 1,0 °С

TПП (S)

–50...+1750 °С

0,2 °С

0,1; 1,0 °С

TНН (N)

–200…+1300 °С

0,2 °С

0,1; 1,0 °С

TХА (К)

–200...+1360 °С

0,2 °С

0,1; 1,0 °С

TПП (R)

–50...+1750 °С

0,2 °С

0,1; 1,0 °С

ТПР (В)

+200...+1800 °С

0,2 °С

0,1; 1,0 °С

TВР (А-1)

0...+2500 °С

0,4 °С

0,1; 1,0 °С

ТВР (А-2)

0...+1800 °С

0,2 °С

0,1; 1,0 °С

ТВР (А-3)

0...+1800 °С

0,2 °С

0,1; 1,0 °С

ТМК (Т)

–250...+400 °С

0,1 °С

0,1; 1,0 °С

Унифицированные сигналы по ГОСТ 26.011–80

0...1 В

0...1 В

0,1 мВ

0,001 В

0...5 мА

0...5 мА

0,01 мА

0,001 мА

0...20 мА

0...20 мА

0,01 мА

0,01 мА

4...20 мА

4...20 мА

0,01 мА

0,01 мА

Сигналы постоянного напряжения

–50...+50 мВ

–50...+50 мВ

0,01 мВ

0,01/0,12)

Примечание

1) Зависит от параметра положения десятичной точки dPt и значения параметров настройки ind.L и ind.H.

2) 0.01 мВ при значении входного сигнала от минус 19.99 до 50.00 мВ и 0.1 мВ при значении входного сигнала от минус 50.0 до минус 20.0 мВ.

3) В Республике Беларусь носит справочную информацию

Поддерживаемые датчики и входные сигналы, для которых прибор не является средством измерения, представлены в таблице ниже.

Поддерживаемые датчики и входные сигналы(не средство измерений)

Сигнал датчика (условное обозначение НСХ первичного преобразователя)

Диапазон измерения

Дискретность измерения, не менее

Значение единицы младшего разряда1)

Унифицированные сигналы по ГОСТ 26.011–80

0…5 В

0…5 В

0,1 мВ

0,001 В

0…10 В

0…10 В

0,1 мВ

0,001 В

Пирометры2)

Пирометр РК-15

+400…+1500 °С

0,1 °С

1

Пирометр РК-20

+600…+2000 °С

0,1 °С

1

Пирометр РС-20

+900…+2000 °С

0,1 °С

1

Пирометр РС-25

+1200…+2500 °С

0,1 °С

1

Нестандартизованные сигналы2)

Cu53 (α = 0,00426 °С -1) (гр.23 по ГОСТ 6651-78)

–50…+200 °С

0,1 °С

0,1

Typ L3)

0…+900 °С

0,1 °С

0,1

Примечание

1) Зависит от параметра положения десятичной точки dPt и значения параметров настройки ind.L и ind.H.

2) Предел допускаемой основной приведенной (от диапазона измерений) погрешности измерения, не более 0,5 % для пирометров и не более 0,25 % для Cu53 (α = 0,00426 °С -1).

3) НСХ согласно DIN 43710.

 

Параметры встроенных ВУ

Обозначение ВУ

Тип выходного элемента

Технические параметры

ВУ дискретного типа

Р

Контакты электромагнитного реле

Ток не более 8 А при переменном напряжении не более 250 В и cos(φ) > 0,9.

Ток не более 3 А при постоянном напряжении не более 30 В

К

Оптопара транзисторная n-p-n типа

Постоянный ток не более 400 мА при постоянном напряжении не более 60 В

Т

Выход для управления внешним твердотельным реле

Выходной ток не более 40 мА.

Выходное напряжение высокого уровня 4...6 В.

Выходное напряжение низкого уровня 0...0,7 В

С

Оптопара симисторная

Ток не более 50 мА при переменном напряжении не более 250 В (50 Гц).

Ток в импульсном режиме не более 500 мА, время импульса не более 5 мс.

Максимальное коммутируемое напряжение в импульсном режиме не более 600 В

ВУ аналогового типа*

И

ЦАП «параметр – ток»

Постоянный ток 4...20 мА на внешней нагрузке не более 500 Ом, напряжение питания 12...30 В рассчитывается в зависимости от сопротивления нагрузки (см. раздел)

У

ЦАП «параметр – напряжение»

Постоянное напряжение 0...10 В на внешней нагрузке более 2 кОм, напряжение питания 16...30 В

Примечание
* Пределы допускаемой приведенной (к диапазону преобразований) дополнительной погрешности преобразований при изменении температуры окружающей среды от нормальных условий (от +15 до +25 °С включительно) в диапазоне рабочих условий измерений, на каждые 10 °С изменения температуры окружающего воздуха, составляют не более 0,5 от предела допускаемой приведенной основной погрешности преобразования.

Условия эксплуатации

Прибор предназначен для эксплуатации в следующих условиях:

  • закрытые взрывобезопасные помещения без агрессивных паров и газов;

  • температура окружающего воздуха от минус 40 до плюс 55 °С;

  • верхний предел относительной влажности воздуха: не более 80 % без конденсации влаги;

  • атмосферное давление от 84,0 до 106,7 кПа при эксплуатации до 2000 м над уровнем моря.

По устойчивости к электромагнитным воздействиям прибор соответствует ГОСТ 30804.6.1-2013, ГОСТ 30804.6.2-2013. По уровню излучаемых радиопомех прибор соответствует ГОСТ IEC 61000-6-3-2016, ГОСТ IEC 61000-6-4-2016.

По устойчивости к синусоидальным вибрациям во время эксплуатации прибор соответствует группе исполнения N2 по ГОСТ Р 52931-2008.

Предупреждение
Требования в части внешних воздействующих факторов являются обязательными, так как относятся к требованиям безопасности.

Меры безопасности

Опасность
На клеммнике присутствует опасное для жизни напряжение. Любые подключения к прибору и работы по его техническому обслуживанию следует производить только при отключенном питании прибора.

По способу защиты от поражения электрическим током прибор соответствует классу II по ГОСТ 12.2.007.0–75.

При эксплуатации, техническом обслуживании и поверке необходимо соблюдать требования «Правил технической эксплуатации электроустановок потребителей электрической энергии» и «Правил охраны труда при эксплуатации электроустановок потребителей».

Не допускается попадание влаги на контакты выходного разъема и внутренние компоненты прибора. Запрещено использовать прибор в агрессивных средах с содержанием в атмосфере кислот, щелочей, масел и т. п.

Не допускается подключение проводов к неиспользуемым клеммам.

Монтаж

Установка прибора щитового крепления Щ1

Для установки прибора следует:

Graphic
Монтаж прибора щитового крепления Щ1
  1. Подготовить в щите управления монтажный вырез для установки прибора с помощью шаблона из комплекта поставки (см. рисунок).
  2. Убедиться, что уплотнительная прокладка не повреждена и установлена на корпус прибора ровно.
  3. Вставить прибор в монтажный вырез щита.
  4. Вставить фиксаторы из комплекта поставки в отверстия на боковых стенках прибора в вертикальной или горизонтальной плоскости.

    Примечание
    В комплект поставки входит два фиксатора. На рисунках изображены все возможные положения фиксаторов.

  5. Завернуть винты из комплекта поставки в отверстия каждого фиксатора так, чтобы прибор был плотно и равномерно прижат к лицевой панели щита.

Демонтаж прибора следует производить в обратном порядке.

Graphic
Габаритные размеры корпуса Щ1 и монтажного отверстия в щите
Graphic
Прибор в корпусе Щ1, установленный в щит толщиной 3 мм
Примечание
* Минимальное расстояние для монтажа. Рекомендуемое расстояние для удобного подключения разъема USB type-C составляет 60 мм.

Установка прибора щитового крепления Щ2

Для установки прибора следует:

Graphic
Монтаж прибора щитового крепления Щ2
  1. Подготовить в щите управления монтажный вырез для установки прибора с помощью шаблона из комплекта поставки (см. рисунок).

    Примечание
    Размеры монтажного выреза в щите, указанные на рисунке, подобраны для обеспечения IP54 с лицевой стороны щита. При подготовке выреза рекомендуется учитывать особенности используемого инструмента.
  2. Убедиться, что уплотнительная прокладка не повреждена и установлена на корпус прибора ровно.
  3. Вставить прибор в монтажный вырез щита.
  4. Вставить фиксаторы из комплекта поставки в отверстия на боковых стенках прибора в вертикальной или горизонтальной плоскости.

    Примечание
    В комплект поставки входит два фиксатора. На рисунках изображены все возможные положения фиксаторов.

  5. Завернуть винты из комплекта поставки в отверстия каждого фиксатора так, чтобы прибор был плотно и равномерно прижат к лицевой панели щита.

Демонтаж прибора следует производить в обратном порядке.

Graphic
Габаритные размеры корпуса Щ2 и монтажного отверстия в щите
Graphic
Прибор в корпусе Щ2, установленный в щит толщиной 3 мм
Примечание
* Минимальное расстояние для монтажа. Рекомендуемое расстояние для удобного подключения разъема USB type-C составляет 60 мм.

Установка прибора щитового крепления Щ5

Для установки прибора следует:

Graphic
Монтаж прибора щитового крепления Щ5
  1. Подготовить в щите управления монтажный вырез для установки прибора с помощью шаблона из комплекта поставки (см. рисунок).
  2. Убедиться, что уплотнительная прокладка не повреждена и установлена на корпус прибора ровно.
  3. Вставить прибор в монтажный вырез щита.
  4. Вставить фиксаторы из комплекта поставки в отверстия на боковых стенках прибора в вертикальной или горизонтальной плоскости.

    Примечание
    В комплект поставки входит два фиксатора. На рисунках изображены все возможные положения фиксаторов.

  5. Завернуть винты из комплекта поставки в отверстия каждого фиксатора так, чтобы прибор был плотно и равномерно прижат к лицевой панели щита.

Демонтаж прибора следует производить в обратном порядке.

Graphic
Габаритные размеры корпуса Щ5 и монтажного отверстия в щите
Graphic
Прибор в корпусе Щ5, установленный в щит толщиной 3 мм
Примечание
* Минимальное расстояние для монтажа. Рекомендуемое расстояние для удобного подключения разъема USB type-C составляет 60 мм.

Установка прибора DIN-реечного крепления Д

Для установки прибора следует выполнить действия:

  1. Подготовить место на DIN-рейке для установки прибора с учетом размеров корпуса (см. рисунок).
  2. Вставив отвертку в проушину, оттянуть защелку ( см. рисунок, 1)

  3. Установить прибор на DIN-рейку в соответствии с направлением стрелки 1 (см. рисунок, 2);

  4. Прижать прибор к DIN-рейке в направлении, показанном стрелкой 2 (см. рисунок, 2). Зафиксировать защелку (см. рисунок, 3).
  5. Подключить линии соединения «прибор-устройства».
Graphic
Монтаж прибора с креплением на DIN-рейку

Для демонтажа прибора следует выполнить действия:

  1. Отсоединить линии связи с внешними устройствами.
  2. Повторить действия с рисунка в обратном порядке.
Graphic
Габаритные размеры корпуса Д
Примечание
Рекомендуется обеспечить свободное расстояние над верхним рядом клеммников не менее 60 мм для подключения разъема USB type-C.

Установка прибора настенного крепления Н

Для установки прибора следует:

  1. Вытащить заглушки и отвинтить винты из передней части корпуса (см. рисунок)

    Graphic
    Разборка передней части корпуса
  2. Откинуть вниз переднюю часть корпуса (cм. рисунок, стрелка 1)

    Graphic
    Установка на стену
  3. Прижать прибор к поверхности монтажа. Вставить в отверстия задней крышки саморезы из комплекта поставки (cм. рисунок, стрелка 1). Закрутить саморезы в поверхность.

  4. Сквозь кабельные вводы продеть подготовленные провода. Смонтировать провода в клеммник.

  5. Проделать действия пп. 1–2 в обратном порядке.

    Примечание
    При затяжке винтов, удерживающих откидную часть корпуса, следует ограничить максимальный момент затяжки до 0,3 Н∙м.

Демонтаж производить в обратном порядке.

Graphic
Габаритные размеры прибора в корпусе Н

Подключение

Рекомендации по подключению

Для обеспечения надежности электрических соединений следует использовать медные кабели и провода с однопроволочными или многопроволочными жилами. Концы проводов следует зачистить. Многопроволочные жилы следует залудить или использовать кабельные наконечники.

Требования к сечениям жил кабелей указаны на рисунке ниже.

Graphic
Требования к сечениям жил кабелей и длине зачистки

Общие требования к линиям соединений:

  • во время монтажа кабелей следует выделить сигнальные линии связи, соединяющие прибор с датчиком в самостоятельную трассу (или несколько трасс). Трассу (или несколько трасс) расположить отдельно от силовых кабелей, а также от кабелей, создающих высокочастотные и импульсные помехи;
  • для защиты входов прибора от влияния промышленных электромагнитных помех следует экранировать линии связи прибора с датчиком. В качестве экранов могут быть использованы специальные кабели с экранирующими оплетками или заземленные стальные трубы подходящего диаметра. Экраны кабелей с экранирующими оплетками следует подключить к контакту функционального заземления (FE) в щите управления;
  • фильтры сетевых помех следует устанавливать в линиях питания прибора;
  • искрогасящие фильтры следует устанавливать в линиях коммутации силового оборудования.

Монтируя систему, в которой работает прибор, следует учитывать правила организации эффективного заземления:

  • все заземляющие линии следует прокладывать по схеме «звезда» с обеспечением хорошего контакта;
  • все заземляющие цепи должны быть выполнены проводами наибольшего сечения;
  • запрещается объединять клеммы прибора и заземляющие линии.

Схемы гальванической развязки

Схемы гальванической развязки изображены на рисунках ниже.

Graphic
Схема гальванической развязки (выход типа «Т»)
Graphic
Схема гальванической развязки (выходы кроме типа «Т»)

Порядок первого включения

Предупреждение
После распаковки прибора следует убедиться, что во время транспортировки прибор не был поврежден.

Порядок первого включения:

  1. Подключить линии связи «прибор – датчики» к первичным преобразователям и входам прибора.

  2. Подключить прибор к источнику питания.

    Предупреждение
    Перед подачей питания следует проверить величину его напряжения.

  3. Подать питание на прибор.

    Предупреждение
    Не рекомендуется подключать управляющие цепи до настройки прибора, чтобы избежать выхода из строя ИМ.
  4. Настроить прибор.

  5. Снять питание с прибора.

Назначение контактов клеммника

Примечание

В случае использования источника питания постоянного тока во время подключения к клеммам «Сеть» можно не соблюдать полярность.

Graphic
Общая схема подключения 2ТРМ1–Щ1/Щ2
Graphic
Общая схема подключения 2ТРМ1–Щ5
Graphic
Общая схема подключения 2ТРМ1–Д
Graphic
Общая схема подключения 2ТРМ1–Н

Подключение по интерфейсу USB

Для настройки прибора следует использовать интерфейс USB (см. раздел). Настройку следует производить в Owen Configurator (далее — Конфигуратор). Подключение к Конфигуратору описано в разделе.

Примечание
USB предназначен только для настройки.

Для подключения по USB следует следует использовать кабель USB type C — USB A.

Примечание
Кабель USB в комплект не входит.

Допускается настройка прибора по интерфейсу USB без подачи основного питания. При питании от USB интерфейс RS–485 и ИП24 не работают.

Расположение разъема USB отличается для разных корпусов(см. рисунки ниже).

Graphic
Расположение разъема USB для корпуса Щ1
Graphic
Расположение разъема USB для корпуса Щ2
Graphic
Расположение разъема USB для корпуса Щ5
Graphic
Расположение разъема USB для корпуса Д
Graphic
Расположение разъема USB для корпуса Н

Подключение по интерфейсу RS-485

Для организации обмена данными в сети по протоколу Modbus необходим «мастер» сети. Основная функция «мастера» сети – инициализировать обмен данными между отправителем и получателем. В качестве «мастера» сети следует использовать ПК с подключенным адаптером интерфейса компании «ОВЕН» или приборы с функцией «мастера» сети Modbus (например, ПЛК и др.).

Все приборы в сети соединяются в последовательную шину. Пример соединения приборов представлен на рисунке. Для качественной работы приемопередатчиков и предотвращения влияния помех на концах линии связи должны быть установлены согласующие резисторы на 120 Ом. Резистор следует подключать непосредственно к клеммам прибора.

Пример

Прибор подключается к ПК через адаптер интерфейса RS-485 ↔ USB, в качестве которого может быть использован АС4-М компании «ОВЕН».

Graphic
Подключение приборов по сети RS-485

Для работы по интерфейсу RS-485 следует:

  1. Подключить прибор к сети RS-485.

  2. Задать сетевые параметры прибора (см. раздел).

Список регистров Modbus приведен Приложении Б.

Подключение ко встроенному источнику питания 24 В

Примечание
Встроенный источник питания 24 В (далее — ИП24) есть не во всех модификациях (см. Введение).
Предупреждение
Запрещается питать от клемм ИП24 другие приборы, за исключением датчиков, подключаемых к прибору.
Примечание
После включения прибора, а также при подключении датчика к ИП24 при включенном приборе, ИП24 выходит в рабочий режим за 5 - 15 с.

Максимальный выходной ток ИП24 – 50 мА. Пример схемы подключения приведен ниже.

Graphic
Подключение токового датчика с питанием от ИП24

Подключение датчиков

Общие сведения

Входные измерительные устройства в приборе являются универсальными, т. е. к ним можно подключать любые сочетания датчиков из перечисленных в таблице.

Опасность
Для защиты входных цепей прибора от возможного пробоя зарядами статического электричества, накопленного на линиях связи «прибор – датчик», перед подключением к клеммнику прибора следует обесточить датчик и соединить его жилы на 1–2 секунды с контактом функционального заземления (FE) щита.

Во время проверки исправности датчика и линии связи следует отключить прибор от сети питания.

Чтобы избежать выхода прибора из строя во время проверки электрического контакта в цепях следует использовать измерительные устройства с напряжением питания не более 4,5 В. При более высоких напряжениях питания таких устройств отключение датчика от прибора обязательно.

Параметры линии связи прибора с датчиком приведены в таблице.

Параметры линии связи прибора с датчиками
Тип датчикаСопротивление линии, Ом, не болееИсполнение линии
ТС15Трехпроводная или двухпроводная, провода равной длины и сечения
ТП100Термоэлектродный кабель (компенсационный)
Унифицированный сигнал постоянного тока100Двухпроводная
Унифицированный сигнал напряжения постоянного тока5Двухпроводная
Предупреждение
На схемах подключения вместо номера входа (выхода) указан X (например, Х-1). Рекомендуется контролировать подключение по гравировке на корпусе.

Подключение ТС по трехпроводной схеме

Трехпроводная схема подключения ТС представлена на рисунке ниже.

Graphic
Трехпроводная схема подключения ТС

Подключение ТС по двухпроводной схеме

Двухпроводная схема подключения ТС представлена на рисунке ниже.

Graphic
Двухпроводная схема подключения ТС

Для компенсации сопротивления проводов при двухпроводной схеме подключения следует:

  1. Перед началом работы установить перемычки между контактами Вход Х-1 и Вход Х-2 клеммника прибора, а двухпроводную линию подключить к контактам Вход Х-2 и Вход Х-3.
  2. Подключить к противоположным от прибора концам линии связи вместо ТС магазин сопротивлений с классом точности не ниже 0,05 (например, Р4831).
  3. Установить на магазине сопротивлений значение, равное сопротивлению ТС при температуре 0 °С (в соответствии с НСХ используемого ТС).
  4. Подать питание на прибор.
  5. Скорректировать показания прибора в точке 0 °С в соответствии с разделом.

    Примечание
    Если требуется, компенсацию соединительных проводов при подключении ТС по двухпроводной схеме следует проводить в соответствии с разделом.
  6. Выйти из меню и убедиться, что отклонение значения от НСХ на ЦИ не превышает допустимой абсолютной погрешности для используемого ТС.

    Пример расчета допустимой абсолютной погрешности для датчика типа 100М:

    Graphic

    где Δ – абсолютная погрешность измерения;

    γ = 0,25 % (см. таблицу) – основная приведенная погрешность;

    Xn = 380 °С (от минус 180 до плюс 200 °С, см. таблицу) – полный диапазон измерений.

    Graphic

    Максимальная величина отклонения показаний прибора от 0 °С для датчика типа 100М не должна превышать 0,95 °С.

  7. Отключить питание прибора, отсоединить линию связи от магазина сопротивлений и подключить ее к ТС.

Если нет возможности использовать магазин сопротивлений, следует провести компенсацию сопротивления проводов по следующей схеме:

  1. Измерить суммарное сопротивление проводников соединительной линии.

  2. По таблице НСХ соответствующего датчика определить температуру, соответствующую измеренному сопротивлению линии.

  3. При подключенном датчике скорректировать фактически измеренную температуру в сторону увеличения на величину, определенную в предыдущем пункте.

Подключение ТП

Graphic
Схема подключения термопары

ТП к прибору следует подключать с помощью компенсационных (термоэлектродных) проводов. При подключении компенсационных проводов к ТП и к прибору следует соблюдать полярность, чтобы не возникли значительные погрешности при измерении.

Внимание
Рабочий спай ТП должен быть электрически изолирован от внешнего оборудования!

В приборе предусмотрена схема автоматической компенсации температуры свободных концов ТП. Датчик температуры «холодного спая» установлен рядом с клеммником прибора. ДХС можно отключать и включать из меню прибора.

Подключение датчиков c унифицированным выходным сигналом тока или напряжения

Примечание
Если вход настроен на измерение напряжения или тока, то при включении прибора на дисплее в течение 10 – 15 с может отображаться ошибка nO.dt, которая пропадает после того, как на входе установится рабочий режим.

Подключать датчики можно непосредственно к входным контактам прибора.

Graphic
Схема подключения активного датчика с выходными сигналами постоянного напряжения от –50 до +50 мВ или от 0 до 1 В
Graphic
Схема подключения активного датчика с выходными сигналами постоянного напряжения от 0 до 5 В и от 0 до 10 В
Graphic
Схема подключения пассивного датчика с выходным сигналом силы постоянного тока от 0 до 5 мА или от 0(4) до 0 мА

Подключение нагрузки к ВУ

Подключение нагрузки к ВУ типа «Р»

Graphic
Схема подключения нагрузки к ВУ типа «Р»

Схема подключения нагрузки к ВУ типа «Р» приведена на рисунке.

Подключение нагрузки к ВУ типа «К»

Graphic
Схема подключения нагрузки к ВУ типа «К»

Транзисторная оптопара применяется, как правило, для управления силовым транзистором или низковольтным электромагнитным и твердотельным реле. Чтобы избежать выхода из строя транзистора из-за большого тока самоиндукции, следует установить диод VD1, рассчитанный на ток не менее 1 А и напряжение не менее 100 В, параллельно обмотке внешнего реле Р1.

Подключение нагрузки к ВУ типа «Т»

ВУ типа «Т» нужно для подключения твердотельных реле, которые рассчитаны на управление постоянным напряжением от 4 до 6 В с током управления не более 40 мА.

Graphic
Схема подключения нагрузки к ВУ типа «Т»

Внутри ВУ установлен ограничительный резистор Rогр номиналом 24 Ом.

Выход выполнен на основе транзисторного ключа n-p-n-типа и имеет два состояния:

  • от 0,0 до 0,7 В — низкий уровень («логический ноль»);
  • от 4 до 6 В — высокий уровень («логическая единица»).

Внимание
Длина соединительного кабеля между прибором с выходом Т и твердотельным реле не должна превышать 3 м.

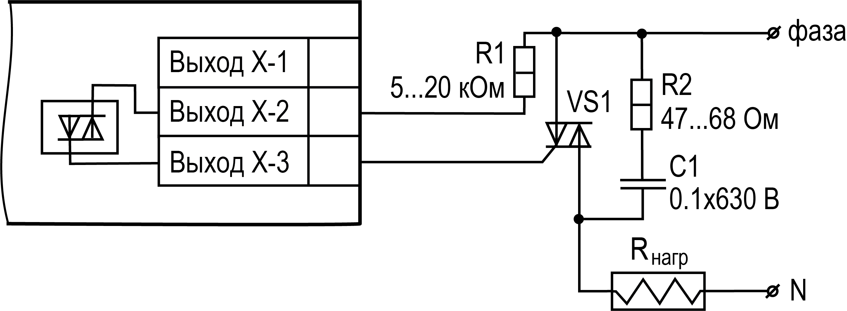
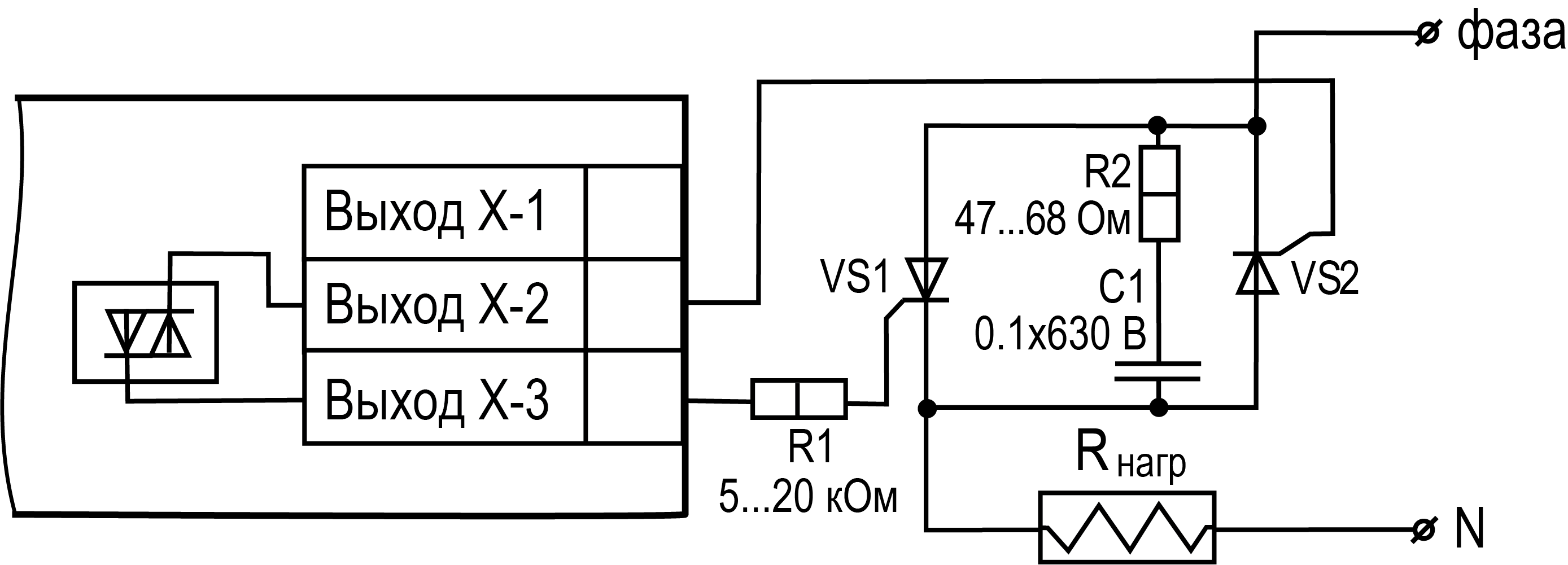
Подключение нагрузки к ВУ типа «С»

Оптосимистор следует включать в цепь управления силового симистора через ограничивающий резистор R1. Значение сопротивления резистора определяет величина тока управления симистора.

Graphic
Схема подключения силового симистора к ВУ типа «С»

Оптосимистор может также управлять парой встречно-параллельно включенных тиристоров VS1 и VS2. Для предотвращения пробоя тиристоров из-за высоковольтных скачков напряжения в сети к их выводам рекомендуется подключать фильтрующую RC-цепочку (R2C1).

Graphic
Схема встречно-параллельного подключения двух тиристоров к ВУ типа «С»

Подключение нагрузки к ВУ типа «И»

Для работы ЦАП «параметр — ток 4…20 мА» используется внешний источник питания постоянного тока.

Graphic
Подключение к ВУ типа «И»

Допустимый диапазон напряжения источника питания рассчитывается следующим образом:

Uп.min = 7,5 В + 0,02 А ∙ Rн – минимальное допустимое напряжение источника питания, не менее 12 В,

Uп.max = Uп.min + 2,5 В – максимальное допустимое напряжение источника питания, не более 30 В,

где Rн – сопротивление нагрузки ЦАП, не более 500 Ом.

Внимание

Внешний источник питания и прибор рекомендуется подключать к одной питающей сети.

Источники питания прибора и ЦАП должны быть гальванически развязаны. Не допускается питание прибора и ЦАП от одного источника.

Для подключения к ВУ типа «И» можно использовать канал встроенного источника питания 24 В (только для модификации прибора с ИП24).

Если напряжение источника питания ЦАП превышает расчетное значение Uп.max, то последовательно с нагрузкой необходимо включить ограничительный резистор Rогр.

Graphic
Подключение к ВУ типа «И» с ограничивающим резистором

Сопротивление Rогр рассчитывается по формулам:

Graphic Graphic Graphic

где Rогр – номинальное значение ограничительного резистора, Ом;

Rогр.min – минимально допустимое значение ограничительного резистора, Ом;

Rогр.max – максимально допустимое значение ограничительного резистора, Ом.

Внимание
Напряжение источника питания ЦАП не должно превышать 30 В.

Подключение нагрузки к ВУ типа «У»

Внимание

Внешний источник питания и прибор рекомендуется подключать к одной питающей сети.

Источники питания прибора и ЦАП должны быть гальванически развязаны. Запрещено подключать прибор и ЦАП к одному источнику питания.

Graphic
Схема подключения нагрузки к ВУ типа «У»

Для работы с нагрузкой типа «У» к ВУ следует подключить внешний источник питания постоянного тока с напряжением Uп в диапазоне от 16 до 30 В.

Для подключения к ВУ типа «У» можно использовать канал встроенного источника питания 24 В (только для модификации прибора с ИП24).

Сопротивление нагрузки RН, подключаемой к ЦАП, должно быть не менее 2 кОм.

Внимание
Напряжение источника питания ЦАП не должно превышать 30 В.

Эксплуатация

Принцип работы

Graphic
Функциональная схема

Сигнал на входе преобразуется в соответствии с типом выбранного датчика. Для датчиков ТС и ТП сигнал преобразовывается в значение температуры согласно НСХ выбранного датчика. Для датчиков c унифицированными выходными сигналами выполняется линейное преобразование сигнала.

При обработке измеренного значения могут быть использованы следующие функции:

  • цифровая фильтрация измерений (для ослабления влияния внешних импульсных помех);

  • коррекция измерительной характеристики датчиков (для устранения начальной погрешности преобразования входных сигналов и погрешностей, вносимых соединительными проводами);

  • математические функции.

ВУ управляется на основании данных, полученных со входа, а также настроек ЛУ. ЛУ сравнивает значение уставки со значением входа. В результате сравнения ЛУ подает команду на управление ВУ в соответствии с выбранной логикой.

Прибор имеет следующие режимы работы:

Режимы работы
Режим работыОписание

Автоматическое регулирование

Процесс регулирования в автоматическом режиме. Значение уставки сравнивается с измеренным сигналом на входе. В зависимости от выбранной логики работы ЛУ, формируется сигнал управления на ВУ

Ручное регулирование

Ручное управление выходной мощностью (выходом) посредством ШИМ или ЦАП. Без обратной связи по входу

Стоп

Процесс регулирования остановлен. Выходы в безопасном состоянии

Авария

Процесс регулирования остановлен по причине аварии. Выходы в безопасном состоянии

Прибор отслеживает следующие ошибки:

  • внутренние ошибки;

  • ошибки на входе: обрыв датчика, выход показаний за диапазон измерений или «залипание»;

  • ошибки на выходе: обрыв контура регулирования.

В случае появления ошибок прибор переходит в режим Авария (мигает светодиод СТ1(СТ2)). Внутренние ошибки и ошибки на входе выводятся на ЦИ. Ошибка обрыв контура регулирования сигнализируется светодиодом СТ1 (СТ2).

Любой тип аварии приводит к остановке регулирования. Каждый канал отключается независимо друг от друга (только если данные с другого аварийного входа не участвуют в вычислении для ЛУ).

Авария снимается одним из следующих способов:

  • путем перевода прибора в режим Стоп или режим ручного регулирования и повторным запуском в режим автоматического регулирования;

  • автоматически при восстановлении показаний датчиков.

Управление и индикация

На лицевой панели прибора расположены элементы индикации и управления:

  • два четырехразрядных семисегментных индикатора (ЦИ);

  • семь (для модификаций без RS-485) или восемь светодиодов (для модификаций с RS-485);

  • четыре кнопки управления.

Graphic
Лицевая панель
Graphic
Лицевая панель корпусов Д и Н

Цифровые индикаторы

Graphic
Пользовательский экран

Информация выводится на ЦИ прибора. Верхний и нижний ЦИ образуют пользовательский экран. Выводимую на ЦИ информацию можно настроить (см.раздел). В приборе можно настроить до шести экранов.

Отображаемая информация на ЦИ

Состояние прибора

Отображаемая информация (для настроек по умолчанию)

Верхний ЦИ

Нижний ЦИ

Загрузка*Наименования прибораВерсия встроенного ПО

Регулирование

Текущее значение измеряемой величины или вычисленная функция для входа 1 (для настроек по умолчанию)

Значение уставки, выходной мощности, динамики входного сигнала

Меню

Название параметра настройки

Значение параметра настройки

Название группы параметров

Надпись MEnu

Авария

Обозначение ошибки выбранного измерительного канала (см. таблицу)

Примечание
* После подачи питания, на лицевой панели прибора светятся все индикаторы. Потом на ЦИ появляется справочная информация, указанная в строке «Загрузка».
Индикация аварийных ситуаций

Текст на ЦИ

Описание

N0.dt

Данные еще не готовы

0CL.H

Датчик КХС превысил верхнюю границу измерения (+105 °С)

0CL.L

Датчик КХС превысил нижнюю границу измерения (минус 50 °С)

HHHH

Вычисленное значение входной величины выше допустимого предела

LLLL

Вычисленное значение входной величины ниже допустимого предела.

Обрыв линии связи с датчиком.

Hi

Вычисленное значение входной величины выше допустимого предела индикации.

Невозможно отобразить измеренную величину из-за ограничения разрядности отображения в параметре DPt

LO

Вычисленное значение входной величины ниже допустимого предела индикации.

Невозможно отобразить измеренную величину из-за ограничения разрядности отображения в параметре DPt

| - - |

Обрыв датчика или значительное превышение диапазона отображения

S.MOD

Активирована сервисная перемычка (канал измерения 1)

F.Err

Ошибка вычисления функции

Err

Ошибка связи с АЦП

Светодиоды

Назначение светодиодов

Светодиод

Состояние

Значение

I

Светит

На ЦИ отображается значение Входа 1 (в т. ч. аварийное значение) или выполняется настройка параметра, относящегося к каналу 1 (Вход 1 или ВУ1)

Мигает

Ошибка на Входе 1 (обрыв датчика, выход показаний за диапазон измерений), значение Входа 1 не отображается на ЦИ

Не светит

На ЦИ не отображается значение Входа 1 и нет ошибки на Входе 1

II

Светит

На ЦИ отображается значение Входа 2 (в т. ч. аварийное значение) или выполняется настройка параметра, относящегося к каналу 2 (Вход 2 или ВУ2)

Мигает

Ошибка на Входе 2 (обрыв датчика, выход показаний за диапазон измерений), значение Входа 2 не отображается на ЦИ

Не светит

На ЦИ не отображается значение Входа 2 и нет ошибки на Входе 2

РУЧ

Светит

Режим ручного регулирования выходной мощности

Не светит

Режим автоматического регулирования или режим Стоп

ВУ1

Светит

Дискретное ВУ: ВУ1 замкнут.

Аналоговое ВУ: максимальное значение выхода ЦАП

Мигает

Дискретное ВУ: частота мигания пропорциональна уровню ШИМ.

Аналоговое ВУ: частота мигания пропорциональна выходному сигналу

Не светит

Дискретное ВУ: ВУ1 разомкнут.

Аналоговое ВУ: минимальное значение выхода ЦАП

ВУ2

Светит

Дискретное ВУ: ВУ2 замкнут.

Аналоговое ВУ: максимальное значение выхода ЦАП

Мигает

Дискретное ВУ: частота мигания пропорциональна уровню ШИМ.

Аналоговое ВУ: частота мигания пропорциональна выходному сигналу

Не светит

Дискретное ВУ: ВУ2 разомкнут.

Аналоговое ВУ: минимальное значение выхода ЦАП

RS

Не светит

Нет обмена данными по интерфейсу RS-485

Светит (10 с)

Обнаружены данные по интерфейсу RS-485

Мигает

Обнаружен пакет, предназначенный для данного устройства

СТ1

Светит

Канал 1: режим автоматического регулирования

Не светит

Канал 1: режим ручного регулирования выходной мощности или режим Стоп

Мигает

Канал 1 перешел из режима автоматического регулирования в режим Авария по причине обрыва датчика или выхода показаний за диапазон измерения

Мигает (дважды)

Канал 1 перешел из режима автоматического регулирования в режим Авария по причине обрыва контура регулирования

СТ2

Светит

Канал 2: режим автоматического регулирования

Не светит

Канал 2: режим ручного регулирования выходной мощности или режим Стоп

Мигает

Канал 2 перешел из режима автоматического регулирования в режим Авария по причине обрыва датчика или выхода показаний за диапазон измерения

Мигает (дважды)

Канал 2 перешел из режима автоматического регулирования в режим Авария по причине обрыва контура регулирования

Кнопки управления

Назначение кнопок

Кнопка

Состояние ЦИ

Тип нажатия

Назначение

Graphic

Работа

Удержание более 2 с

Вход в меню выбора режима работы:

  • runавтоматическое регулирование;

  • MAnручное регулирование;

  • StOPСтоп

Меню

Однократное нажатие

Возврат на основной экран или к предыдущему уровню меню.

Отмена изменения значения параметра и возврат исходного значения

Graphic

Работа

Удержание

Отображение конфигурации текущего экрана

Graphic

или

Graphic

Работа

Однократное нажатие

Переключение экранов

Меню

Однократное нажатие

Переключение пунктов меню.

Изменение значения параметра

Удержание

Увеличение скорости изменения редактируемого параметра

Graphic

Работа

Удержание более 3 с

Переход в меню

Однократное нажатие

Переход к изменению уставки или выходной мощности

Меню

Однократное нажатие

Переход в пункт меню.

Переход к редактированию параметра.

Сохранение измененного значения параметра в память прибора

Комбинации кнопок для входа в специальные режимы

Graphic

+

Graphic

Работа

Удержание более 2 с

Переход к настройкам защиты параметров SCrt (см. раздел)

Graphic

+

Graphic

Работа

Удержание более 2 с

Сброс до заводских настроек.

Перед нажатием следует установить перемычку (см. раздел)

Включение и работа

Предупреждение

В случае изменения температуры окружающего воздуха с низкой на высокую в приборе возможно образование конденсата. Чтобы избежать выхода прибора из строя рекомендуется выдержать прибор в выключенном состоянии не менее 1 часа.

Во время включения прибора выполняется проверка светодиодов (все светодиоды светятся 2 секунды).

После проверки на верхнем индикаторе отобразится измеренная величина с датчика, на нижнем – значение уставки для ЛУ1 (для значения параметра SCr.1 по умолчанию).

Кнопками Graphic или Graphic переключаются экраны. Экраны настраиваются в параметрах SCr.1 ... SCr.6 (см. раздел). Экраны можно включать и выключать. Выключенные экраны не отображаются.

Примечание
Экран SCr.1 выключить нельзя.

По умолчанию включены экраны SCr.1 и SCr.2.

Для выбора режима работы следует:

  1. Нажать и удерживать (2 секунды) кнопку Graphic на любом экране.

  2. Выбрать режим кнопками Graphic и Graphic.

  3. Подтвердить выбор кнопкой Graphic.

Graphic
Схема переходов с главного экрана

Настройка

Настройка с помощью Owen Configurator

Прибор можно настроить с помощью интерфейса USB или RS-485*.

Примечание
* Только для модификаций с RS-485.

Для подключения к прибору следует указать:

  1. Номер СОМ-порта к которому подключен прибор (преобразователь АС4–М для настройки через RS-485). Номер СОМ можно уточнить в Диспетчере устройств Windows.

    Примечание
    К одному ПК можно подключать только один прибор
  2. Протокол — Modbus RTU.

  3. Скорость — 9600.

  4. Из выпадающего списка Устройства в категории Регуляторы выбрать модель прибора.

  5. Указать любой адрес для USB или 16 для настройки через RS-485.

  6. Нажать кнопку Добавить.

Более подробно о подключении и работе с приборов можно прочитать в справке Конфигуратора. Справка вызывается по нажатию клавиши F1.

Настройка параметров с помощью кнопок на лицевой панели

Graphic
Структура меню

Текущий параметр редактируется кратковременным нажатием кнопки Graphic.

Graphic
Пример настройки параметра

Настройка входов

Параметры для входов 1 и 2 (меню in1, in2) представлены в таблице.

Параметры входов

Параметр

Значения (1)

По умолчанию (2)

Описание

(1)(2)

tYPE

OFF

tC.L

Тип датчика.

Типы датчиков см. в приложении А

Типы датчиков

FiL.b*

OFF

1

Полоса фильтра.

Позволяет отфильтровать единичные помехи. Полоса фильтра задается в единицах измеряемой величины.

Ti – измеренное абсолютное значение сигнала.

Ti-1 – предыдущее абсолютное значение сигнала.

Если Ti > Ti-1 ± FiL.b, то Ti присваивается значение Ti-1 ± FiL.b (в зависимости от движения значения вверх или вниз) и FiL.b = 2 * FiL.b (значение полосы фильтра удваивается).

Если значение Ti < Ti-1 ± FiL.b, то значение FiL.b возвращается на первоначальное.

Малая ширина полосы фильтра приводит к замедлению реакции на быстрое изменение входной величины.

При низком уровне помех или при работе с быстро меняющимися процессами рекомендуется увеличить значение параметра FiL.b или отключить действие полосы фильтра, установив значение FiL.b = OFF.

В случае высокого уровня помех следует уменьшить значение параметра для устранения их влияния на работу прибора.

Graphic

DeltaSens**

FiL.t

OFF

10

Постоянная времени фильтра (tф).

Интервал, в течение которого сигнал достигает 0,63 от значения каждого измерения Ti.

Значение сигнала рассчитывается по формуле:

Ti = Ti-tф + (Ti – Ti-tф) * 0,63.

Уменьшение значения FiL.t приводит к ускорению реакции на скачкообразные изменения температуры, но снижает помехозащищенность. Увеличение FiL.t повышает инерционность и подавляет шумы.

Graphic

1...999

dPt

0

1

Положение десятичной точки.

Количество знаков после запятой, которое будет выводиться на ЦИ.

Значение AutO – положение точки автоматически выбирается для отображения максимального возможного количества разрядов.

Если значение не может быть отображено на ЦИ, то на ЦИ будут выведены сообщения об ошибках Hi или Lo.

1

2

3

AutO

ind.L*

–1999...9999

0.0

Параметры для приведения индикации измеренных значений тока и напряжения к значению физической величины.

Параметры настраиваются для сигналов 0...5 мА, 0...20 мА, 4...20 мА, –50...+50 мВ, 0...1 В, 0...5 В и 0...10 В. Для других типов датчиков данные параметры скрыты.

ind.L – индикация при минимальном значении сигнала (0 мА, 4 мА, –50 мВ, 0 В).

ind.H – индикация при максимальном значении сигнала (5 мА, 20 мА, 50 мВ, 1 В, 5 В, 10 В).

Все остальные промежуточные значения индикации располагаются линейно и высчитываются прибором по формуле:

T = ind.L + IX * (ind.Hind.L),

где IX – значение сигнала с датчика в относительных единицах диапазона от 0,000 до 1,000.

Пример. Используется датчик с выходным током 4…20 мА, контролирующий давление в диапазоне 0…25 атм.

В параметре ind.L задается значение 0.00, а в параметре ind.H значение 25.00. Теперь значения будут отображаться в атмосферах.

Graphic

ind.H*

–1999...9999

100.0

FunC

oFF

Математические функции

OFF

oFF – математические функции не используются

SQrt

SQrt – вычисление квадратного корня из текущего значения:

Graphic
SQri

SQri - вычисление расхода по датчикам дифференциального давления c токовым выходом

Для работы с датчиками дифференциального давления используется функция, которая, с учетом настроек масштабирования, происходит по формуле:

Graphic

где I – текущее значение сигнала с датчика, мА;

Ind.L – заданное нижнее значение границы диапазона измерения;

Ind.H – заданное верхнее значение границы диапазона измерения;

SensMin – нижняя граница измерения датчика, мА;

DeltaSense – диапазон измерения датчика, мА

SuM

Примечание
Если CF1 и CF2 ≠ 1, то расчет формул SuM, diFF, ASuM и SQSM производится отдельно для каждого канала.

SuM – взвешенная сумма значений двух каналов:

Graphic

diFF

diFF – взвешенная разность значений двух каналов:

Graphic

ASuM

ASuM – средневзвешенная сумма значений двух каналов:

Graphic

SQSM

SQSM – квадратный корень из средневзвешенной суммы значений двух каналов:

Graphic

где T – результат вычисления функции;

CF.1 и CF.2 – дополнительные коэффициенты для расчета значений, которые вводятся в настройках прибора;

T1 и T2 – сигналы на входах 1 и 2 соответственно

rAtoFF

rAt – отношение взвешенного сигнала на входе 1 к взвешенному сигналу на входе 2

Graphic

где Т – результат вычисления функции;

CF.1 и CF.2 – дополнительные коэффициенты для расчета значений, которые вводятся в настройках прибора;

 

Т1 и Т2 – сигналы на входах 1 и 2 соответственно

CF.1

–100.0...100.0

1.0

Коэффициенты для расчета значений по математическим функциям.

Параметры доступны, если в параметре FunC установлено одно из следующих значений: SuM, diFF, ASuM и SQSM

CF.2

–100.0...100.0

1.0

Corr*

Подменю

Cor.1*

Cor.2*

Cor.3*

OFF

SensMin...

SensMax**

OFF

Параметры коррекции графика измерителя.

Используются для компенсации погрешности подключенных датчиков или компенсации сопротивления проводов (для подключения ТС по двухпроводной схеме), когда есть возможность определить с помощью дополнительного оборудования точное значение измеренного сигнала, тем самым скорректировать показания прибора.

Методика коррекции приведена в разделе.

din.t

0...30

10

Параметры функции отслеживания динамики изменения входного сигнала.

din.t – период анализа динамики изменения сигнала.

din.d – дельта динамики сигнала.

За заданный период (din.t) анализируется динамика изменения сигнала. Прибор вычитает из текущего измеренного значения предыдущее и добавляет разницу к накопительному буферу. После накопления буфера за период din.t производится сравнение его содержимого со значением дельты динамики сигнала din.d по модулю.

Graphic

Буфер скользящий, т. е. в последующую секунду появляется новое значение, а последнее значение исключается из буфера. Затем динамика перерасчитывается.

Graphic

Если текущее значение буфера меньше din.d, то динамика сигнала определяется как «без изменений». Если текущее значение буфера больше din.d, то динамика определяется по знаку буфера (положительное значение – возрастает, отрицательное – убывает).

При выборе параметра din1 или din2 (для 1-го или 2-го входа соответственно) в параметре SCrX (меню ind) на нижнем индикаторе будет отображаться динамика измеряемой величины на соответствующем входе.

Graphic

din.d

0.2...DeltaSens**

0.2

bArr

OFF

OFF

Подключение барьера искрозащиты.

Примечание

Параметр bArr доступен только для датчиков типа ТС.

Для работы с ТС, подключенными через барьер искрозащиты, следует присвоить значение On. Диапазон измерений входного сопротивления будет расширен, чтобы скомпенсировать проходное сопротивление барьера искрозащиты. Для сохранения точности измерений рекомендуется выполнить процедуру корректировки в соответствии с компенсацией сопротивления соединительных проводов для трехпроводной линии.

Примечание

При bArr = On дополнительная приведенная погрешность составляет не более 0.5 %. Величина дополнительной приведенной погрешности определяется типом и характеристиками используемого барьера искрозащиты.

On

Примечание

* Положение десятичной точки определяется параметром dPt.

** SensMin – нижняя граница измерения датчика, SensMax – верхняя граница измерения датчика, DeltaSens – диапазон измерения датчика.

Коррекция показаний прибора

Измеренное прибором значение можно скорректировать, чтобы устранить начальную погрешность преобразования входных сигналов и погрешности, вносимые соединительными проводами.

График НСХ корректируется в зависимости от количества заданных точек. Если задать одну точку, весь график будет смещен вверх или вниз на заданную величину. Если задать две или три точки, график будет строиться по сплайнам между двумя ближайшими точками, определяющими абсолютное смещение или наклон (см. рисунок).

Graphic
Коррекция графика измерителя: Т — измеряемая температура, Т — температура, отображаемая на ЦИ

Для коррекции показаний прибора следует:

  1. Выбрать один из параметров COr.1, COr.2 и COr.3 и нажать кнопку Graphic. Запустится процесс корректировки.

    На нижнем ЦИ выводится измеренная температура, вычисленная в соответствии с НСХ используемого датчика (значение мигает), на верхнем ЦИ – номер точки коррекции.

  2. Подстроить кнопками Graphic и Graphic значение температуры на нижнем ЦИ до соответствия подключенной образцовой мере входного сигнала (магазин сопротивления, калибратор напряжения, тока и пр.) или до показаний контрольного прибора.

  3. После установки скорректированного значения требуется нажать кнопку Graphic для фиксации показаний. На нижнем ЦИ будет зафиксировано скорректированное значение и индикатор перестанет мигать.

Кратковременное нажатие на кнопку Graphic отобразит на верхнем ЦИ значение смещения.

При длительном удержании (3 секунды) кнопки Graphic появляется запрос на удаление точки корректировки. На нижнем ЦИ мигает значение ErS.

Если нажать кнопку Graphic, то прибор удалит точку корректировки. На ЦИ будет сообщение OFF.

Если нажать кнопку Graphic, удаление точки отменяется.

Примечание

Параметры коррекции сохраняются, даже если тип датчика был изменен. Для нового датчика следует удалить точки коррекции или провести корректировку заново.

Настройка дискретного ВУ

Параметры ВУ дискретного типа (меню Out1, Out2) представлены в таблице.

Параметры ВУ дискретного типа

Параметр

Значения (1)

По умолчанию (2)

Описание

(1)(2)

LOG.d

Тип логики работы ЛУ

OFF

HEAt

Регулятор отключен. ВУ в безопасном состоянии

HEAt

On-Off регулятор «нагреватель».

Регулятор применяется для управления работой нагревателя или сигнализации, что значение текущего измерения T меньше уставки SP.

Регулятор срабатывает по нижнему пределу. Выходное устройство, подключенное к ЛУ, включается при T < SPHYSt, выключается при T > SP + HYSt

Двухпозиционное регулирование происходит по уставке SP с гистерезисом ± HYSt.

Graphic

СOOL

On-Off регулятор «холодильник».

Регулятор применяется для управления работой охладителя или сигнализации, что значение текущего измерения T больше уставки SP.

Регулятор срабатывает по верхнему пределу. ВУ, подключенное к ЛУ, включается при T > SP + HYSt, выключается при T < SPHYSt

Graphic

ALrM

Сигнализатор.

Тип логики срабатывания сигнализатора задается в параметре A.tYP.

Сигнализатор продолжает работать в режиме Стоп и режиме ручного регулирования.

Сигнализатор восстанавливается при исчезновении ошибки на входе.

A.tYP

SP.U

Тип логики срабатывания сигнализатора

Параметр появляется при LOG.d = ALrM

OFF

Сигнализатор выключен

SP.П

Сигнализатор включается, когда измеренное значение находится в диапазоне SP ± A.bnd с учетом параметра A.HYS.

Параметр A.bnd – порог срабатывания сигнализатора.

Параметр A.HYS – гистерезис срабатывания сигнализатора.

Graphic

SP.u

Сигнализатор включается, когда измеренное значение находится вне диапазона SP ± A.bnd с учетом параметра A.HYS.

Параметр A.bnd – порог срабатывания сигнализатора.

Параметр A.HYS – гистерезис срабатывания сигнализатора.

Graphic

SP.Hi

Сигнализатор включается, когда измеренное значение превышает SP на величину A.bnd.

Параметр A.bnd – порог срабатывания сигнализатора.

Параметр A.HYS – гистерезис срабатывания сигнализатора.

Graphic

SP.Lo

Сигнализатор включается, когда измеренное значение ниже SP на величину A.bnd.

Параметр A.bnd – порог срабатывания сигнализатора.

Параметр A.HYS – гистерезис срабатывания сигнализатора.

Graphic

0.П

Сигнализатор включается, когда измеренное значение находится в диапазоне 0 ± A.bnd с учетом параметра A.HYS.

Параметр A.bnd – порог срабатывания сигнализатора.

Параметр A.HYS – гистерезис срабатывания сигнализатора.

Graphic

0.u

Сигнализатор включается, когда измеренное значение находится вне диапазона 0 ± A.bnd с учетом параметра A.HYS.

Параметр A.bnd – порог срабатывания сигнализатора.

Параметр A.HYS – гистерезис срабатывания сигнализатора.

Graphic

0.Hi

Сигнализатор включается, когда измеренное значение превышает ноль на величину A.bnd.

Параметр A.bnd – порог срабатывания сигнализатора.

Параметр A.HYS – гистерезис срабатывания сигнализатора.

Graphic

0.LO

Сигнализатор выключается, когда измеренное значение превышает ноль на величину A.bnd.

Параметр A.bnd – порог срабатывания сигнализатора.

Параметр A.HYS – гистерезис срабатывания сигнализатора.

Graphic

SP*

SP.LO... SP.Hi

30.0

Уставка регулятора.

Требуемое значение регулируемой величины, которое должен поддерживать регулятор.

SP.LO*

SensMin**...SP.Hi

–199.9

Нижняя и верхняя границы для выбора диапазона значений параметра уставки (SP).

Границы задаются в размерности параметра уставки.

При изменении параметров SP.Lo и SP.Hi их значения ограничиваются диапазоном измерения текущего датчика на соответствующем входе

Примечание
Не меняются при смене типа датчика.

SP.Hi*

SP.LO...SensMax**

999.9

SrC

Fun1

Fun2

Выбор источника данных для ЛУ2.

Примечание
Параметр доступен только для ВУ2 (Out2).

Значение Fun1 – сигнал на ЛУ2 подается со Входа 1. С помощью данной настройки возможно регулирование одной измеряемой величины по трехпозиционному закону.

Значение Fun2 – сигнал на ЛУ2 подается со Входа 2

Fun2

HYSt*

0..DeltaSens**

1.0

Гистерезис.

Зона нечувствительности при переключении состояния выхода. Используется для исключения дребезга ВУ при значениях входа, близких к уставке.

Задается в единицах измерения входа

Cnt.P

1...250 с

5

Период для ручного управления выходной мощностью.

Для дискретного выхода мощность определяется периодом ШИМ.

Graphic
Примечание
Минимальная возможная длительность импульса — 50 мс.

d.On

0...250 с

0

d.On – задержка включения регулятора. Время, которое проходит после срабатывания условия регулятора до замыкания ВУ. Если за данное время условие включения регулятора сбрасывается, то отсчет обнуляется.

d.OFF – задержка выключения регулятора. Время, которое проходит после срабатывания условия регулятора до размыкания ВУ. Если за данное время условие выключения регулятора сбрасывается, то отсчет обнуляется.

Graphic

d.OFF

0...250 c

0

H.On

0...250 с

0

H.On – минимальное время удержания регулятора в состоянии включено. После замыкания ВУ условия работы регулятора игнорируются заданное время.

H.OFF – минимальное время удержания регулятора в состоянии выключено. После размыкания ВУ условия работы регулятора игнорируются заданное время.

Graphic

В период действия времени задержки работа On-Off регулятора приостанавливается. Все события, кроме аварийных, игнорируются

H.OFF

0...250 с

0

A.bnd*

0...DeltaSens**

20

Порог срабатывания сигнализатора

Параметр появляется при LOG.d = ALrM

A.HYS*

0...DeltaSens**

1.0

Гистерезис срабатывания сигнализатора

Параметр появляется при LOG.d = ALrM

F.bLC

ON

OFF

Блокировка первого срабатывания сигнализатора.

Примечание
Параметр F.bLc не работает на логике работы компаратора 0.Lo.

Параметр появляется при LOG.d = ALrM.

ON – блокируется.

OFF – не блокируется.

Примечание
Блокировка служит для предотвращения срабатывания сигнализатора при включении прибора до выхода системы управления на заданный режим работы. Если после включения прибора значение измеренного сигнала на входе находится вне аварийной зоны, то блокировка 1-го срабатывания сбрасывается.

Флаг обнуляется при переходе из режима Стоп в режим автоматического регулирования.

OFF

Err.d

OFF

OFF

Состояние ВУ в режиме Авария.

ON – включен.

OFF – выключен

On

StP.d

OFF

OFF

Состояние ВУ в режиме Стоп.

ON – включен.

OFF – выключен

Для сигнализатора (LOG.d = ALrM) параметр StP.d скрыт.

On

LbA.t

OFF

OFF

Функция диагностики обрыва контура регулирования. Описание работы функции см. раздел.

Для сигнализатора (LOG.d = ALrM) параметры LbA.t и LbA.b скрыты.

LbA.t – время диагностики обрыва контура.

При значении LbA.t = OFF функция диагностики обрыва контура регулирования выключена.

LbA.b – ширина зоны диагностики обрыва контура.

Параметр появляется, если LbA.t отлично от OFF

1...9999 с

LbA.b*

0...DeltaSens**

10

A.rEC

OFF

OFF

Автоматическое восстановление процесса регулирования после ошибки на соответствующем входе.

Если в режиме автоматического регулирования произошла аварийная остановка по причине обрыва датчика или выхода показаний за диапазон измерения, то при восстановлении измерения процесс регулирования автоматически запускается через A.rEC секунд.

Если A.rEC = OFF, то чтобы восстановить режим автоматического регулирования следует:

  1. Перейти в режим ручного регулирования или режим Стоп.

  2. Перейти в режим автоматического регулирования.

Примечание

Автоматическое восстановление процесса регулирования не распространяется на обрыв контура регулирования.

Обрыв контура регулирования требует ручного восстановления.

0...999 с

Примечание

* Положение десятичной точки определяется параметром dPt.

** SensMin – нижняя граница измерения датчика, SensMax – верхняя граница измерения датчика, DeltaSens – диапазон измерения датчика.

Настройка аналогового ВУ

Параметры ВУ аналогового типа (Out1, Out2) представлены в таблице.

Параметры ВУ аналогового типа

Параметр

Значения (1)

По умолчанию (2)

Описание

(1)(2)

LOG.A

Тип логики работы ЛУ

OFF

HEAt

Регулятор отключен

HEAt

П-регулятор «нагреватель»:

Imax или Umax, если T < SPHYSt,

Imin или Umin, если T > SP + HYSt.

Для промежуточных значений:

Iout = ((T – SP + HYSt) * (Imin – Imax) / (2HYSt)) + Imax,

Uout = ((T – SP + HYSt) * (Umin – Umax) / (2HYSt)) + Umax.

Graphic

CooL

П-регулятор «холодильник».

Imax или Umax, если T > SP + HYSt,

Imin или Umin, если T < SPHYSt.

Для промежуточных значений:

Iout = ((T – SP + HYSt) * (Imax – Imin) / (2HYSt)) + Imin,

Uout = ((T – SP + HYSt) * (Umax – Umin) / (2HYSt)) + Umin.

Graphic

ConV

Регистратор.

Формирование на ВУ аналогового сигнала в виде тока 4...20 мА (для выхода типа «И») или напряжения 0..10 В (для выхода типа «У») в зависимости от измеренного значения входного сигнала. Промежуточные значения формируются по линейной функции.

Для ТС, ТП данные формируются по НСХ.

Примеры формирования прямой и обратной зависимости выходного сигнала регистрации от измеренного значения для выходного сигнала 4...20 мА:

  • 4 мА для Out.L и 20 мА для Out.H (при Out.H > Out.L);

    Graphic
  • 20 мА для Out.L и 4 мА для Out.H (при Out.L > Out.H);

    Graphic

При аварии ВУ принимает значение Err.A.

Отсутствует режим Стоп

SP*

SP.Lo...SP.Hi

30.0

Уставка регулятора.

Требуемое значение регулируемой величины, которое должен поддерживать регулятор.

Примечание

Положение десятичной точки определяется параметром dPt.

SP.Lo*

SensMin**...SP.HI

–199.9

Нижняя и верхняя границы для выбора диапазона значений параметра уставки (SP).

Границы задаются в размерности параметра уставки.

При смене типа датчика значения могут измениться согласно его диапазону

Примечание
Не меняются при смене типа датчика.

SP.Hi*

SP.Lo...SensMax**

999.9

HYSt*

0...DeltaSens**

1.0

Полоса пропорциональности.

Полоса пропорциональности задается в единицах измерения датчика на входе

SrC

FUn1

FUn1 для ВУ1

 

FUn2 для ВУ2

Выбор источника данных для ЛУ1/ЛУ2.

 

Значение Fun 1 – сигнал на ЛУ подается со входа 1

 

Значение Fun 2 – сигнал на ЛУ подается со входа 2

FUn2

Out.L*

SensMin...SensMax**

0.0

Нижняя граница регистрации. Параметр задается для типа логики ЛУ «регистратор» (LOG.A = ConV).

Нижняя граница регистрации задается в единицах измерения входа

Out.H*

SensMin...SensMax**

100.0

Верхняя граница регистрации. Параметр задается для типа логики ЛУ «регистратор» (LOG.A = ConV).

Верхняя граница регистрации задается в единицах измерения входа

Err.A

HI

LO

Безопасное состояние выхода в режиме Авария.

Hi – 20 мА/10 В,

LO – 4 мА/0 В

LO

StP.A

HI

LO

Состояние выхода в режиме остановки регулирования.

Hi – 20 мА/10 В,

LO – 4мА/0В

LO

LbA.t

oFF

oFF

Функция диагностики обрыва контура регулирования. Описание работы функции см. разделе.

LbA.t – время диагностики обрыва контура.

При значении LbA.t = OFF функция диагностики обрыва контура регулирования выключена.

LbA.b – ширина зоны диагностики обрыва контура.

Параметр появляется, если LbA.t отлично от OFF

1...9999 c

LbA.b*

0.0...999.9

10

Hi

A.rEC

OFF

0...999 c

OFF

Автоматическое восстановление процесса регулирования после ошибки на соответствующем входе.

Если в режиме автоматического регулирования произошла аварийная остановка по причине обрыва датчика или выхода показаний за диапазон измерения, то при восстановлении измерения процесс регулирования автоматически запускается через A.rEC секунд.

Если A.rEC = OFF, то чтобы восстановить режим автоматического регулирования следует:

  1. Перейти в режим ручного регулирования или режим Стоп.

  2. Перейти в режим автоматического регулирования.

Примечание

Автоматическое восстановление процесса регулирования не распространяется на обрыв контура регулирования.

Обрыв контура регулирования требует ручного восстановления.

Примечание

* Положение десятичной точки определяется параметром dPt.

** SensMin – нижняя граница измерения датчика, SensMax – верхняя граница измерения датчика, DeltaSens – диапазон измерения датчика.

Диагностика неисправности контура регулирования

Диагностика неисправности контура регулирования применяется для логики «нагреватель» или «холодильник». Прибор отслеживает реакцию системы на управляющее воздействие:

  • для «нагревателя» при максимальной мощности на ВУ (замкнуто для дискретного ВУ или максимальное значение аналогового ВУ) показания входа увеличиваются, при разомкнутом (минимальном значении) – уменьшаются;

  • для «холодильника» при максимальной мощности на ВУ (замкнуто для дискретного ВУ или максимальное  значение аналогового ВУ) показания входа уменьшаются, при разомкнутом (минимальном значении) – увеличиваются.

Graphic
Диагностика неисправности контура регулирования

После достижения ВУ максимального значения (для дискретных замкнуто или разомкнуто) включается таймер LbA.t. Если за время LbA.t значение входа изменяется на значение, большее LbA.b, то таймер LbA.t сбрасывается. Если нет, то регистрируется авария по неисправности контура регулирования. Загорается светодиод СТ (или СТ1, СТ2 для двухканальных), а также происходит остановка прибора и переход выходов в безопасное состояние в соответствии с параметрами Err.d (для дискретного ВУ) и Err.A (для аналогового ВУ).

Принцип работы

Для «нагревателя»:

  • если ВУ соответствует максимальному значению, то прибор фиксирует значение на входе. Если за время LbA.t на входе сигнал не изменится на величину LbA.b или более, то прибор фиксирует неисправность контура регулирования;

  • если ВУ соответствует минимальному значению, то прибор фиксирует значение на входе. Если за время LbA.t на входе сигнал не изменится на величину LbA.b или более, то прибор фиксирует неисправность контура регулирования.

Для «холодильника»:

  • если ВУ соответствует максимальному значению, то прибор фиксирует значение на входе. Если за время LbA.t на входе сигнал не изменится на величину LbA.b или более, то прибор фиксирует неисправность контура регулирования;

  • если ВУ соответствует минимальному значению, то прибор фиксирует значение на входе. Если за время LbA.t на входе сигнал не изменится на величину LbA.b или более, то прибор фиксирует неисправность контура регулирования.

Graphic
Принцип работы диагностики обрыва контура регулирования

Если в течение LbA.t значение ВУ меняется, то таймер сбрасывается каждый раз, когда происходит изменение ВУ или значение ВУ имеет промежуточное значение между минимумом и максимумом.

Если значение входного сигнала изменилось на LbA.b раньше, чем сработал таймер LbA.t, то прибор фиксирует новое значение входа в этот момент и обнуляет таймер LbA.t (если ВУ все это время находится в крайнем положении).

Для первоначального подбора значения времени диагностики обрыва контура (LbA.t) следует:

  1. Установить выходной сигнал на максимальный уровень.

  2. Измерить время, за которое измеряемая величина изменится на ширину зоны диагностики обрыва контура (параметр LbA.b).

  3. Увеличить измеренное время вдвое и принять его за время диагностики обрыва контура.

Функция автоматического восстановления (параметр ArEC) для данного типа аварии не действует.

После устранения причин аварии процесс автоматического регулирования следует возобновить вручную. Для этого необходимо перевести прибор в режим Стоп или режим ручного регулирования, а затем перевести в режим автоматического регулирования.

Настройка индикации

Параметры настройки индикации (меню ind) представлены в таблице .

Параметры индикации

Параметр

Значения (1)

По умолчанию (2)

Описание

(1)(2)

SCr.1

P1S1

P1.S1

Настройка конфигурации экранов.

Отображение выбранных значений параметров на верхнем и нижнем индикаторе.

Для отображения доступны следующие параметры:

Наименование

Обозначение

Индикация

Текущее измеренное значение

PV

Р1(2)

Уставка

SP

S1(2)

Выходная мощность (см. раздел) или значение аналогового выхода в единицах мА (0...20) или В (0...10).

Отображение задается в параметре Out.S.

Out.P

O1(2)

Вычисленное значение математической функции

FuN

F1(F2)

Динамика сигнала

din

D1(D2)

Процедура настройки конфигурации экранов описана в разделе.

В режиме ручного регулирования вместо отображения уставки SP выводится значение Out.P в соответствии с настройками параметра Out.S.

Если значение Fun = OFF, то при выводе на индикацию параметра Fun1(Fun2) отображается надпись F.Err.

P1S2

P1o1

P1d1

F1S1

F1o1

F1d1

P2S2

P2S1

P2o2

P2d2

P1P2

P1F2

F1P2

F1F2

SCr.2

SCr.3

SCr.4

SCr.5

SCr.6

oFF

P2.S2

P1S1

P2S2

OFF

OFF

P2S1

P2O1

P1d1

F1S1

OFF

F1O1

F1D1

P2S2

OFF

P2S1

P2S2

P2o2

P2d2

F2S2

F2o2

F2d2

P1P2

P1F2

F1P2

F1F2

Out.S

Выбор единиц отображения мощности (только для аналогового выхода)

PErC

PErC

PErC – вывод процента мощности ВУ

dAC

dAC – вывод абсолютного значения ВУ (4...20 мА или 0...10 В) пропорционально выбранной мощности Out.P

rEt.t

oFF

30

Время (в секундах) автоматического возврата из меню настроек в рабочий режим при отсутствии активности (нажатия кнопок).

Значение OFF – автоматический возврат не производится.

Примечание

В процессе редактирования параметра автоматический возврат не производится.

5

10

30

60

CHG.t

OFF

OFF

Время (в секундах) автоматической смены экранов отображения параметров (Scr.1Scr.6).

Значение OFF – автоматическая смена экранов не производится

5

10

30

60

120

Выходная мощность

Выходная мощность (Out.P).

Примечание
Параметр Out.P доступен только для протокола Modbus. В меню параметр не отображается.

Дискретный выход

Для дискретного ВУ длина импульса зависит от периода следования импульсов и от рассчитанной мощности.

Graphic
Мощность дискретного ВУ

D = Cnt.P × out.P / 100,

D – длительность импульса , с;

Cnt.P – период следования импульсов, с;

out.P – выходная мощность.

В режиме ручного регулирования можно изменять мощность с помощью кнопок на лицевой панели прибора и по протоколу Modbus.

При переходе из режима Стоп в режим ручного регулирования выходная мощность равна StP.d

При смене режима регулирования (автоматическое/ручное) сохраняется последнее значение выходной мощности.

Аналоговый выход

Для аналогового ВУ рассчитанная мощность преобразуется пропорционально току 4…20 мА или напряжению 0…10 В.

Graphic
Мощность аналогового ВУ

В режиме ручного регулирования можно изменять мощность с помощью кнопок на лицевой панели прибора и по протоколу Modbus.

Примечание
Параметр мощности Out.P редактируется в единицах, соответствующих настройке Out.S.
Примечание
По Modbus передаются только проценты мощности.

После перехода из режима Стоп в режим ручного регулирования выходная мощность равна StP.A.

При смене режима регулирования (автоматическое/ручное) сохраняется последнее значение выходной мощности.

После перезагрузки прибора в режиме ручного регулирования выходная мощность равна последнему установленному значению.

Настройка экранов

Для настройки конфигурации экрана следует:

  1. Выбрать экран (SCr.1...SCr.6).

  2. Нажать кнопку Graphic.

    На верхнем ЦИ отображается параметр для редактирования (мигает): PV1, PV2, Fun1, Fun2.

  3. Выбрать требуемый параметр.

    После выбора требуемого параметра он фиксируется (не мигает) и редактирование переходит к параметру на нижнем ЦИ.

  4. Выбрать параметр на нижнем ЦИ.

    В зависимости от выбранного значения на верхнем ЦИ, на нижнем ЦИ доступны параметры:

    Верхний ЦИ

    Нижний ЦИ

    PV1

    PV2, Fun2 , SP1, Out1, din1

    PV2

    SP2, Out2, din2

    Fun1

    PV2, Fun2, SP1, Out1, din1

    Fun2

    SP2, Out2, din2

    Примечание
    Параметры out1 и out2 - мощность ВУ, отображаемая в единицах, установленных в параметре out.S.

  5. Нажать кнопку Graphic для фиксации параметра, отображаемого на нижнем ЦИ.

    После фиксации на верхнем ЦИ будет отображен номер экрана Scr..., на нижнем – конфигурация экрана в виде комбинации сокращенных наименований параметров.

Пример настройки экрана представлен на рисунке ниже.

Graphic
Пример настройки экрана

Настройка RS-485

Параметры интерфейса RS-485 (меню r485) представлены в таблице.

Параметры RS-485

Параметр

Значения (1)

По умолчанию (2)

Описание

(1)

(2)

PrOt

rtU

rtU

Протокол связи по RS-485

rtU – Modbus RTU.

ASCI – Modbus ASCII

ASCI

Addr

1...247

16

Адрес прибора по RS-485

BAud

2,4

9,6

Скорость обмена (в кбод/с) данными по RS-485

4,8

9,6

14,4

19,2

28,8

38,4

57,6

115,2

dPS

8N1

0

Формат посылки данных:

  • количество бит:

      7 (доступно только для Modbus ASCII);

      8.

  • контроль четности\нечетности:

    • n – контроль четности отсутствует;

    • o – контроль нечетности;

    • E – контроль четности.

  • количество стоп-бит: 1 или 2

8O1

1

8E1

2

8N2

3

8O2

4

8E2

5

7o1

6

7E1

7

7o2

8

7E2

9

idLE

0...20

2

Задержка (в мс) ответа от прибора по RS-485.

Согласно стандарту на протокол Modbus:

  • для Modbus RTU — ответ от Slave должен приходить не раньше, чем время передачи 1 байта (со служебными битами) * 3,5. В зависимости от скорости обмена будут отличаться — выше скорость, меньше время ответа. Из заданного пользователем значения и расчетного выбирается наибольшее ,которое и будет реальным временем ответа от Slave;

  • для Modbus ASCII есть только время ответа Slave, заданное пользователем.

Например, при скорости 4800 кбит/с и формате посылки 8n1 расчетное время t = (8 + 1 + 1) / 4800 = 0,00208 с = 2,08 мс:

  • для Modbus RTU, если пользователь оставил значение по умолчанию — 2, то ответ от прибора будет не ранее, чем через 3,5 * 2,08 = 7,3 мс;

  • для Modbus ASCII ответ от прибора будет не раньше, чем заданное пользователем время задержки ответа

b.Ord

MSb

MSb

Порядок байт в регистре. Требуется для согласования пакетов данных с Мастером сети Modbus.

MSb – старший байт вперед.

LSb – младший байт вперед.

LSb

Настройка графика уставок

График уставок применяется для задания уставки ЛУ1 в зависимости от измеренного значения на входе 2 (например, при погодозависимом регулировании).

Примечание

Меню графика уставок скрыто, если tYPE (вход 2) = OFF или LoG.d/LoG.A (выход 1) = oFF.

Параметры графика уставок (меню GrAF) представлены в таблице.

Параметры графика уставок

Параметр

Значения (1)

По умолчанию (2)

Описание

(1)(2)

GrF.n

OFF

OFF

Количество точек для графика уставок.

OFF – график уставок выключен.

После выбора значения параметра отличного от oFF становятся доступными параметры in... и SP... в соответствии с выбранным количеством точек

2...10

in.1*

SensMin...SensMax**

0.0

По значениям данных параметров формируются зависимости уставки ЛУ1 от измеренного на входе 2 значения. Значения между установленными точками аппроксимируются линейно. При значениях сигнала на входе 2 выше или ниже крайних точек графика уставка выхода 1 не изменяется (горизонтальный график).

Graphic
Примечание

Значения точек SP... задаются в пределах диапазона SP.Lo и SP.Hi.

SP.1*

0.0

...

...

...

in.10*

SensMin...SensMax**

0.0

SP.10*

0.0

Примечание

* Положение десятичной точки определяется параметром dPt соответствующих каналов (для SP канала 1, для in канала 2).

** SensMin – нижняя граница измерения датчика, SensMax – верхняя граница измерения датчика, DeltaSens – диапазон измерения датчика.

Настройка защиты от редактирования и скрытия параметров

Примечание
Доступ в меню SCRT возможен только после ввода пароля, установленного в параметре PASS.
Параметры защиты

Параметр

Значения (1)

По умолчанию (2)

Описание

(1)

(2)

PASS

0...9999

100

Пароль для доступа к меню SCRT

Prt.E

OFF

Защита от редактирования значений параметров

Для разблокировки или восстановления видимости параметров следует зайти в меню SCRT и установить Prt.E=OFF.

OFF

Защита отключена, все параметры доступны для редактирования

SETT

Блокировка редактирования параметров. Доступно только редактирование уставок, выходной мощности и выбора режима работы.

ALL

Блокировка редактирования всех параметров. Просмотр параметров доступен.

HidE

Скрыть все параметры. Нет доступа в основное меню настроек.

Atr.E

OFF

Отображение выбранных параметров в меню. Каждый параметр основного меню имеет атрибут видимости. В зависимости от значения атрибута параметр отображается в меню или нет.

OFF

Включить отображение всех параметров вне зависимости от значения их атрибутов видимости

Edit

Ручное редактирование атрибута видимости для каждого параметра.

После установки EdIt в значении каждого параметра отображается атрибут видимости. Редактирование с помощью кнопки Graphic.

Для редактирования атрибута следует:

  1. Установить Atr.E = Edit.

  2. Выйти из меню SCRT.

  3. Войти в основное меню и требуемое подменю. Теперь для каждого параметра на нижнем ЦИ отображается значение атрибута видимости - SHoW или HidE.

  4. С помощью процедуры выбора значения параметра выбрать значение атрибута для отдельных параметров. По умолчанию атрибуты всех параметров имеют значение SHoW.

  5. Вернуться в меню SCRT и задать Atr.E = ON. Атрибуты видимости применятся. Если задать Atr.E = OFF, то прибор сохранит измененные значения атрибутов, но не будет их применять. Основное меню вернется к рабочему состоянию.

SHoW – отображать параметр, HidE – скрывать параметр

On

Параметры со значением атрибута видимости HidE не отображаются в основном меню.

Параметры со значением атрибута видимости SHoW отображаются.

Доступность видимых параметров для редактирования определяется настройкой параметра Prt.E меню SCRT

CJS.E

On

Включение/отключение ДХС

On

ДХС включен

OFF

ДХС отключен

Восстановление заводских настроек

Примечание
Восстановление заводских настроек сбрасывает значения всех параметров до заводских значений.

Для восстановления заводских настроек следует:

  1. Установить перемычку согласно рисунку ниже.

    Graphic
    Установка перемычки

    1) для всех сигналов, кроме 0...10 В;     2) для сигналов 0...10 В

    Предупреждение
    Перед подключением перемычки датчик должен быть отключен от входа 1.
  2. На основном экране зажать комбинацию клавиш Graphic и Graphic до появления экрана d.rSt.

  3. Ввести пароль 100 и нажать кнопку Graphic.

  4. Задать параметру d.rSt значение On .

  5. На нижнем ЦИ на 5 секунд отобразится надпись rSt, затем прибор восстановит заводские настройки.

Техническое обслуживание

Общие указания

Во время выполнения работ по техническому обслуживанию прибора следует соблюдать требования безопасности из раздела.

Техническое обслуживание прибора проводится не реже одного раза в 6 месяцев и включает следующие процедуры:

  • проверка крепления прибора;
  • проверка винтовых соединений;
  • удаление пыли и грязи с клеммника прибора.

Комплектность

Наименование

Количество

Прибор

1 шт.

Уплотнительная прокладка*

1 шт.

Паспорт и гарантийный талон

1 экз.

Руководство по эксплуатации

1 экз.

Комплект крепежных элементов

1 к-т.

Самоклеющийся шаблон для вырезания отверстия в щите*

1 шт.

Примечание

* Только для типов корпусов Щ1, Щ2, Щ5.

Примечание

Изготовитель оставляет за собой право внесения изменений в комплектность прибора.

Маркировка

На корпус прибора нанесены:

  • условное обозначение и наименование прибора;
  • товарный знак;
  • степень защиты корпуса по ГОСТ 14254;
  • род питающего тока и напряжение питания;
  • потребляемая мощность;

  • маркировка класса защиты от поражения электрическим током по ГОСТ 12.2.007.0–75;
  • знак утверждения типа средств измерений;
  • QR-код;
  • единый знак обращения продукции на рынке Евразийского экономического союза

    ;
  • страна-изготовитель;
  • заводской номер прибора, месяц и год изготовления.

На потребительскую тару нанесены:

  • наименование и условное обозначение прибора;
  • товарный знак;
  • почтовый адрес офиса изготовителя;
  • штрих-код;
  • дата упаковки;

  • единый знак обращения продукции на рынке Евразийского экономического союза;

  • страна-изготовитель;

  • заводской номер прибора.

Упаковка

Упаковка прибора производится в соответствии с ГОСТ 23088-80 в потребительскую тару, выполненную из коробочного картона по ГОСТ 7933-89.

Упаковка прибора при пересылке почтой производится по ГОСТ 9181-74.

Транспортирование и хранение

Прибор должен транспортироваться в закрытом транспорте любого вида. В транспортных средствах тара должна крепиться согласно правилам, действующим на соответствующих видах транспорта.

Условия транспортирования должны соответствовать ГОСТ Р 52931-2008 при температуре окружающего воздуха от минус 40 до плюс 55 °С с соблюдением мер защиты от ударов и вибраций.

Прибор следует перевозить в транспортной таре поштучно или в контейнерах.

Прибор должен храниться в сухих закрытых помещениях согласно условиям хранения 1 по ГОСТ 15150. В воздухе не должны присутствовать агрессивные примеси.

Прибор следует хранить на стеллажах.

Гарантийные обязательства

Изготовитель гарантирует соответствие прибора требованиям ТУ при соблюдении условий эксплуатации, транспортирования, хранения и монтажа.

Гарантийный срок эксплуатации – 5 лет со дня продажи.

В случае выхода прибора из строя в течение гарантийного срока при соблюдении условий эксплуатации, транспортирования, хранения и монтажа предприятие-изготовитель обязуется осуществить его бесплатный ремонт или замену.

Порядок передачи прибора в ремонт содержится в паспорте и в гарантийном талоне.

Перечень подключаемых датчиков

Перечень подключаемых датчиков

Тип

Условное обозначение

Наименование датчика

Диапазон отображения*

Отсутствует

oFF

Не подключен

Термопреобразователи сопротивления

С 50

ТСМ (Cu50)

от –55 до +205 °С

С 53

ТСМ (Cu53)

от –55 до +205 °С

С100

ТСМ (Cu100)

от –55 до +205 °С

С500

ТСМ (Cu500)

от –55 до +205 °С

С 1.0

ТСМ (Cu1000)

–55…+205 °С

50 С

ТСМ (50М)

от –185 до +205 °С

100С

ТСМ (100М)

от –185 до +205 °С

500С

ТСМ (500М)

от –185 до +205 °С

1.0 С

ТСМ (1000М)

от –185 до +205 °С

P 50

ТСП(Pt50)

от –205 до +855 °С

P100

ТСП(Pt100)

от –205 до +855 °С

P500

ТСП(Pt500)

от –205 до +855 °С

P 1.0

ТСП(Pt1000)

от –205 до +855 °С

50 P

ТСП (50П)

от –205 до +855 °С

100P

ТСП (100П)

от –205 до +855 °С

500P

ТСП (500П)

от –205 до +855 °С

1.0 P

ТСП (1000П)

от –205 до +855 °С

100n

ТСН (100Н)

от –65 до +184,4 °С

500n

ТСН (500Н)

от –65 до +185 °С

1.0 n

ТСН (1000Н)

от –65 до +185 °С

Термопары

tC.L

ТХК (L)

от –205 до +805 °С

tC.HA

ТХА (K)

от –240 до +1372 °С

tC.J

ТЖК(J)

от –210 до +1205 °С

tC.n

ТНН (N)

от –270 до +1305 °С

tC.t

ТМК (T)

от –270 до +405 °С

tC.S

ТПП (S)

от –55 до +1768 °С

tC.r

ТПП (R)

от –55 до +1768 °С

tC.b

ТПР (B)

от 0 до +1820 °С

tC.A1

ТВР (A-1)

от –5 до +2505 °С

tC.A2

ТВР (A-2)

от –5 до +1805 °С

tC.A3

ТВР (A-3)

от –5 до +1805 °С

tC.dL

Typ.L (DIN 43710)

от –205 до +905 °С

tC.E

ТХКн (Е)

от –268 до +1000 °С

Пирометры

PIr.1

Пирометр РК-15

от +395,4 до +1505 °С

PIr.2

Пирометр РК-20

от +595,5 до +2005 °С

PIr.3

Пирометр РС-20

от +895,3 до +2005 °С

PIr.4

Пирометр РС-25

от +1195 до +2505 °С

Универсальные сигналы

I 0.5

Ток от 0 до 5 мА

от –0,01 до 5,25 мА

I0.20

Ток от 0 до 20 мА

от –0,01 до 22 мА

I4.20

Ток от 4 до 20 мА

от 3,5 до 22 мА

U-5.5

Напряжение от –50 до 50 мВ

от –55 до 55 мВ

U 0.1

Напряжение от 0 до 1 В

от –0,1 до 1,1 В

U 5

Напряжение от 0 до 5 В

от –0,1 до 5,5 В

U 10

Напряжение от 0 до 10 В

от –1 до 11 В

Примечание

* В данном столбце указаны диапазоны отображения показаний на ЦИ. Диапазон отображения шире, чем диапазон измерения по таблице. Указанные в таблице величины погрешностей приведены для диапазонов измерения.

Список регистров Modbus

чтение и запись параметров по протоколу Modbus

Операция

Функция

Чтение

0х03 или 0х04

Запись

0х10

Типы доступа: R — только чтение, W — только запись, R/W — чтение и запись.

Общие регистры оперативного обмена

Параметр

Назначение

Адрес регистра (HEX)

Тип доступа

Формат данных

DEVICE

Тип прибора

1000

R

CHAR[8]

VERSION

Версия встраиваемого ПО

1004

R

CHAR[8]

STATUS*

Статус прибора (битовая маска)

1008

R

UINT16

PV1

Входная величина на входе 1 (до функции)

1009

R

FLOAT32

PV2

Входная величина на входе 2 (до функции)

100B

R

FLOAT32

Fun1

Измеренная величина на входе 1 (после функции)

100D

R

FLOAT32

Fun2

Измеренная величина на входе 2 (после функции)

100F

R

FLOAT32

SP1

Уставка регулятора для канала 1

1011

R/W

FLOAT32

SP2

Уставка регулятора для канала 2

1013

R/W

FLOAT32

out.P1

Выходная мощность ВУ1

1015

R/W

FLOAT32

out.P2

Выходная мощность ВУ2

1017

R/W

FLOAT32

CtrL**

Режим регулирования

1019

R/W

UINT16

RESET

Удаленная перезагрузка прибора

101A

W

UINT16

Примечание

* Описание битов регистра STATUS:

  • 0 – ошибка на входе 1;

  • 1 – ошибка на входе 2;

  • 2 – ошибка вычисления функции на входе 1;

  • 3 – ошибка вычисления функции на входе 2;

  • 4 – внутренняя ошибка прибора;

  • 5 – срабатывание ВУ1 (только для DO);

  • 6 – срабатывание ВУ2 (только для DO);

  • 7 – включен ручной режим управления;

  • 8 – включен режим СТОП;

  • 9 – обрыв контура регулирования 1;

  • 10 – обрыв контура регулирования 2.

 

Примечание

** Значения регистра CtrL:

  • 0 – STOP;

  • 1 – RUN;

  • 2 – MAN.

Регистры обмена по протоколу Modbus

Параметр

Назначение

Адрес регистра (HEX)

Тип доступа

Формат данных

Диапазон значений

Вход 1

Fun1

Измеренная величина на входе (после функции)

0000

R

FLOAT32

PV1

Входная величина на входе (до функции)

0002

R

FLOAT32

tYPE

Тип датчика на входе

0004

R/W

UINT16

oFF

0

С 50

1

С 53

2

С100

3

С500

4

С 1.0

5

50 С

6

100С

7

500С

8

1.0 С

9

P 50

10

P100

11

P500

12

P 1.0

13

50 P

14

100P

15

500P

16

1.0 P

17

100n

18

500n

19

1.0 n

20

tC.L

21

tC.HA

22

tC.J

23

tC.n

24

tC.t

25

tC.S

26

tC.r

27

tC.b

28

tC.A1

29

tC.A2

30

tC.A3

31

tC.dL

32

tC.E

33

PIr.1

34

PIr.2

35

PIr.3

36

PIr.4

37

I 0.5

38

I0.20

39

I4.20

40

U-5.5

41

U 0.1

42

U 5

43

U 10

44

FiL.b

Полоса фильтра

0005

R/W

FLOAT32

oFF, DeltaSens*

FiL.t

Постоянная времени фильтра

0007

R/W

UINT16

oFF, 1...999

dPt

Положение десятичной точки

0008

R/W

UINT16

0

0

1

1

2

2

3

3

Auto

4

Ind.L

Верхний порог приведения значения входа

0009

R/W

FLOAT32

–1999...9999

Ind.H

Нижний порог приведения значения входа

000В

R/W

FLOAT32

–1999...9999

FunC

Тип математической функции

000D

R/W

UINT16

oFF

0

SQrt

1

SQri2

SuM

3

diFF

4

ASuM

5

SQSM

6

rAt

7

ArEC

Автоматическое восстановление регулирования

020B

R/W

UINT16

oFF

-1

0…999

cF.1

Коэффициент 1 взвешенной суммы000E

R/W

FLOAT32-100.0...100.0

cF.2

Коэффициент 2 взвешенной суммы0010

R/W

FLOAT32-100.0...100.0

dIn.t

Период анализа динамики изменения сигнала

0012

R/W

UINT16

0...30

dIn.d

Дельта динамики сигнала

0013

R/W

FLOAT32

0.2...DeltaSens*

bArr

Подключение барьера искрозащиты

0015

R/W

UINT16

oFF

0

on

1

Cor1.poInt

Значение точки 1 корректировки входа

0016

R/W

FLOAT32

oFF, SensMin... SensMax*

Cor1.oFFSEt

Смещение для точки 1 корректировки входа

0018

R/W

FLOAT32

oFF, SensMin... SensMax*

Cor1.cLr

Сброс коррекции точки 1

001A

R/W

UINT16

0

0

1

1

Cor2.poInt

Значение точки 2 корректировки входа

001В

R/W

FLOAT32

oFF, SensMin... SensMax*

Cor2.oFFSEt

Смещение для точки 2 корректировки входа

001D

R/W

FLOAT32

oFF, SensMin... SensMax*

Cor2.cLr

Сброс коррекции точки 2

001F

R/W

UINT16

0

0

1

1

Cor3.PoInt

Значение точки 3 корректировки входа

0020

R/W

FLOAT32

oFF, SensMin... SensMax*

Cor3.oFFSEt

Смещение для точки 3 корректировки входа

0022

R/W

FLOAT32

oFF, SensMin... SensMax*

Cor3.cLr

Сброс коррекции точки 3

0024

R/W

UINT16

0

0

1

1

Вход 2

Fun1

Измеренная величина на входе (после функции)

0100

R

FLOAT32

PV1

Входная величина на входе (до функции)

0102

R

FLOAT32

tYPE

Тип датчика на входе

0104

R/W

UINT16

oFF

0

С 50

1

С 53

2

С100

3

С500

4

С 1.0

5

50 С

6

100С

7

500С

8

1.0 С

9

P 50

10

P100

11

P500

12

P 1.0

13

50 P

14

100P

15

500P

16

1.0 P

17

100n

18

500n

19

1.0 n

20

tC.L

21

tC.HA

22

tC.I

23

tC.n

24

tC.t

25

tC.S

26

tC.r

27

tC.b

28

tC.A1

29

tC.A2

30

tC.A3

31

tC.dL

32

tC.E

33

PIr.1

34

PIr.2

35

PIr.3

36

PIr.4

37

I 0.5

38

I0.20

39

I4.20

40

U-5.5

41

U 0.1

42

U 5

43

U 10

44

FiL.b

Полоса фильтра

0105

R/W

FLOAT32

oFF, DeltaSens*

FiL.t

Постоянная времени фильтра

0107

R/W

UINT16

oFF, 1...999

dPt

Положение десятичной точки

0108

R/W

UINT16

0

0

1

1

2

2

3

3

Auto

4

Ind.L

Верхний порог приведения значения входа

0109

R/W

FLOAT32

–1999...9999

Ind.H

Нижний порог приведения значения входа

010В

R/W

FLOAT32

–1999...9999

FunC

Тип математической функции

010D

R/W

UINT16

oFF

0

SQrt

1

SQri2

SuM

3

diFF

4

ASuM

5

SQSM

6

rAt

7

dIn.t

Период анализа динамики изменения сигнала

0112

R/W

UINT16

0...30

dIn.d

Дельта динамики сигнала

0113

R/W

FLOAT32

0.2...DeltaSens*

bArr

Подключение барьера искрозащиты

0115

R/W

UINT16

oFF

0

on

1

Cor1.poInt

Значение точки 1 корректировки входа

0116

R/W

FLOAT32

oFF, SensMin... SensMax*

Cor1.oFFSET

Смещение для точки 1 корректировки входа

0118

R/W

FLOAT32

oFF, SensMin... SensMax*

Cor1.cLr

Сброс коррекции точки 1

011A

R/W

UINT16

0

0

1

1

Cor2.poInt

Значение точки 2 корректировки входа

011В

R/W

FLOAT32

oFF, SensMin... SensMax*

Cor2.oFFSEt

Смещение для точки 2 корректировки входа

011D

R/W

FLOAT32

oFF, SensMin... SensMax*

Cor2.cLr

Сброс коррекции точки 2

011F

R/W

UINT16

0

0

1

1

Cor3.PoInt

Значение точки 3 корректировки входа

0120

R/W

FLOAT32

oFF, SensMin... SensMax*

Cor3.oFFSEt

Смещение для точки 3 корректировки входа

0122

R/W

FLOAT32

oFF, SensMin... SensMax*

Cor3.cLr

Сброс коррекции точки 3

0124

R/W

UINT16

0

0

1

1

Выход 1 (общее)

SP

Уставка регулятора на выходе

0200

R/W

FLOAT32

SP.Lo... SP.Hi

SP.Lo

Нижняя граница уставки

0202

R/W

FLOAT32

SensMin**...SP.Hi

SP.HI

Верхняя граница уставки

0204

R/W

FLOAT32

SensMin**...SP.Hi

out.P

Выходная мощность

0206

R/W

FLOAT32

0..100.0

LbA.t

Время диагностики обрыва контура

0208

R/W

UINT16

oFF

1...9999 с

LbA.b

Ширина зоны диагностики обрыва контура

0209

R/W

FLOAT32

0...DeltaSens**

SrC

Источник входных данных для ЛУ1

0x020D

R/W

UINT16

Fun 1

0

Fun 2

1

Выход 1 (дискретный)

LoG.d

Тип логики работы ЛУ

0220

R/W

UINT16

oFF

0

HEAt

1

СooL

2

ALrM

3

HYSt

Гистерезис

0221

R/W

FLOAT32

0..DeltaSens**

d.on

Задержка включения регулятора

0223

R/W

UINT16

0...250 с

d.oFF

Задержка выключения регулятора

0224

R/W

UINT16

0...250 с

H.on

Минимальное время удержания регулятор в состоянии включено

0225

R/W

UINT16

0...250 с

H.oFF

Минимальное время удержания регулятора в состоянии выключено

0226

R/W

UINT16

0...250 с

Cnt.P

Период для ручного управления выходной мощностью

0227

R/W

UINT16

1..250 с

Err.d

Безопасное состояние выхода в режиме Авария

0228

R/W

UINT16

oFF

0

on

1

StP.d

Состояние выхода в режиме Стоп

0229

R/W

UINT16

oFF

0

on

1

Выход 1 (сигнализатор) Log.d = Alrm в группе out.1

A.tYPТип логики срабатывания сигнализатора0240

R/W

UINT16oFF0
SP.П1
SP.u2
SP.Hi3
SP.Lo4
0.П5
0.u6
0.Hi7
0.Lo8
A.bndПорог срабатывания компаратора0241

R/W

FLOAT320...DeltaSens*
A.HYSГистерезис срабатывания компаратора 0243

R/W

FLOAT320...DeltaSens*
F.bLC Блокировка первого срабатывания к выбранному типу логики компаратора 0245

R/W

UINT16

oN0
oFF1

Выход 1 (аналоговый)

LoG.A

Тип логики работы ЛУ

0260

R/W

UINT16

oFF

0

HEAt

1

CooL

2

ConV

3

HYSt

Полоса пропорциональности

0261

R/W

FLOAT32

0...DeltaSens*

out.L

Нижняя граница выходного значения выхода

0263

R/W

FLOAT32

SensMin...SensMax*

out.H

Верхняя граница выходного значения выхода

0265

R/W

FLOAT32

SensMin...SensMax*

Err.A

Безопасное состояние выхода в режиме Авария

0267

R/W

UINT16

HI

0

Lo

1

StP.A

Состояние выхода в режиме Стоп.

0268

R/W

UINT16

HI

0

Lo

1

Выход 2 (общее)

SP

Уставка регулятора на выходе

0300

R/W

FLOAT32

SP.Lo... SP.Hi

SP.Lo

Нижняя граница уставки

0302

R/W

FLOAT32

SensMin**...SP.Hi

SP.HI

Верхняя граница уставки

0304

R/W

FLOAT32

SensMin**...SP.Hi

out.P

Выходная мощность

0306

R/W

FLOAT32

0..100.0

LbA.t

Время диагностики обрыва контура

0308

R/W

UINT16

oFF

1...9999 с

LbA.b

Ширина зоны диагностики обрыва контура

0309

R/W

FLOAT32

0...DeltaSens**

SrC

Источник входных данных для ЛУ1

030C

R/W

UINT16

Fun1

0

Fun2

1

Выход 2(дискретный)

LoG.d

Тип логики работы ЛУ

0320

R/W

UINT16

oFF

0

HEAt

1

СooL

2

ALrM

3

HYSt

Гистерезис

0321

R/W

FLOAT32

0..DeltaSens**

d.on

Задержка включения регулятора

0323

R/W

UINT16

0...250 с

d.oFF

Задержка выключения регулятора

0324

R/W

UINT16

0...250 с

H.on

Минимальное время удержания регулятор в состоянии включено

0325

R/W

UINT16

0...250 с

H.oFF

Минимальное время удержания регулятора в состоянии выключено

0326

R/W

UINT16

0...250 с

Cnt.P

Период для ручного управления выходной мощностью

0327

R/W

UINT16

1..250 с

Err.d

Безопасное состояние выхода в режиме Авария

0328

R/W

UINT16

oFF

0

on

1

StP.d

Состояние выхода в режиме Стоп

0329

R/W

UINT16

oFF

0

on

1

Выход 2 (сигнализатор) Log.d = Alrm в группе out.2

A.tYPТип логики срабатывания сигнализатора0340

R/W

UINT16oFF0
SP.П1
SP.u2
SP.Hi3
SP.Lo4
0.П5
0.u6
0.Hi7
0.Lo8
A.bndПорог срабатывания компаратора0341

R/W

FLOAT320...DeltaSens*
A.HYSГистерезис срабатывания компаратора 0343

R/W

FLOAT320...DeltaSens*
F.bLC Блокировка первого срабатывания к выбранному типу логики компаратора 0345

R/W

UINT16

oN0
oFF1

Выход 2 (аналоговый)

LoG.A

Тип логики работы ЛУ

0360

R/W

UINT16

oFF

0

HEAt

1

CooL

2

ConV

3

HYSt

Полоса пропорциональности

0361

R/W

FLOAT32

0...DeltaSens*

out.L

Нижняя граница выходного значения выхода

0363

R/W

FLOAT32

SensMin...SensMax*

out.H

Верхняя граница выходного значения выхода

0365

R/W

FLOAT32

SensMin...SensMax*

Err.A

Безопасное состояние выхода в режиме Авария

0367

R/W

UINT16

HI

0

Lo

1

StP.A

Состояние выхода в режиме Стоп.

0368

R/W

UINT16

HI

0

Lo

1

Индикация

SCr1

Пользовательский экран 1

0400

R/W

UINT16

P1S1

1

P1o1

2

P1D1

3

F1S1

4

F1o1

5

F1D1

6

P1P2

13

F1P2

15

F1F2

16

SCr2

Пользовательский экран 2...6

0401

R/W

UINT16

oFF

P1S1

P1o1

P1D1

F1S1

F1o1

F1D1

P1P2

F1P2

F1F2

0

1

2

3

4

5

6

13

15

16

SCr3

0402

R/W

UINT16

SCr4

0403

R/W

UINT16

SCr5

0404

R/W

UINT16

SCr6

0405

R/W

UINT16

out.S

Настройка вывода параметра мощности

0406

R/W

UINT16

PErC

0

dAC

1

rEt.t

Время автоматического возврата из меню настроек

0407

R/W

UINT16

oFF

0

5

1

10

2

30

3

60

4

CHG.t

Автоматическая смена экранов отображения параметров

0408

R/W

UINT16

oFF

0

5

1

10

2

30

3

60

4

120

5

RS-485

Prot

Протокол связи

0500

R/W

UINT16

rtu

0

ASCI

1

Addr

Адрес прибора в сети Modbus

0501

R/W

UINT16

1...247

bAud

Скорость обмена данными

0502

R/W

UINT16

2,4

0

4,8

1

9,6

2

14,4

3

19,2

4

28,8

5

38,4

6

57,6

7

115,2

8

dPS

Формат посылки данных

0503

R/W

UINT16

8N1

0

8O1

1

8E1

2

8N2

3

8O2

4

8E2

5

7o1

6

7E1

7

7O2

8

7E2

9

IdLE

Задержка ответа от прибора

0504

R/W

UINT16

0...20

b.ord

Порядок байт в регистре

0505

R/W

UINT16

MSb

0

LSb

1

APLY

Применение текущих настроек порта RS-485

0506

R/W

UINT16

0

0

1

1

График уставки

GrF.n

Количества точек для графика уставок

0600

R/W

UINT16

oFF, 2...10

In.1

Значение входа точка 1

0601

R/W

FLOAT32

SensMin... SensMax*

SP.1

Значение уставки точка 1

0603

R/W

FLOAT32

SensMin... SensMax*

In.2

Значение входа точка 2

0605

R/W

FLOAT32

SensMin... SensMax*

SP.2

Значение уставки точка 2

0607

R/W

FLOAT32

SensMin... SensMax*

In.3

Значение входа точка 3

0609

R/W

FLOAT32

SensMin... SensMax*

SP.3

Значение уставки точка 3

060B

R/W

FLOAT32

SensMin... SensMax*

In.4

Значение входа точка 4

060D

R/W

FLOAT32

SensMin... SensMax*

SP.4

Значение уставки точка 4

060F

R/W

FLOAT32

SensMin... SensMax*

In.5

Значение входа точка 5

0611

R/W

FLOAT32

SensMin... SensMax*

SP.5

Значение уставки точка 5

0613

R/W

FLOAT32

SensMin... SensMax*

In.6

Значение входа точка 6

0615

R/W

FLOAT32

SensMin... SensMax*

SP.6

Значение уставки точка 6

0617

R/W

FLOAT32

SensMin... SensMax*

In.7

Значение входа точка 7

0619

R/W

FLOAT32

SensMin... SensMax*

SP.7

Значение уставки точка 7

061B

R/W

FLOAT32

SensMin... SensMax*

In.8

Значение входа точка 8

061D

R/W

FLOAT32

SensMin... SensMax*

SP.8

Значение уставки точка 8

061F

R/W

FLOAT32

SensMin... SensMax*

In.9

Значение входа точка 9

0621

R/W

FLOAT32

SensMin... SensMax*

SP.9

Значение уставки точка 9

0623

R/W

FLOAT32

SensMin... SensMax*

In.10

Значение входа точка 10

0625

R/W

FLOAT32

SensMin... SensMax*

SP.10

Значение уставки точка 10

0627

R/W

FLOAT32

SensMin... SensMax*

Меню скрытых параметров

PASS

Пароль доступа к меню

0800

R/W

UINT16

0...9999

Prt.E

Защита от редактирования значений параметров

0801

R/W

UINT16

oFF

0

SEtt

1

ALL

2

HidE

3

Atr.E

Включение атрибутов скрытия параметров

0802

R/W

UINT16

oFF

0

on

1

Edit

2

CJS.E

Включение/отключение ДХС

0803

R/W

UINT16

on

0

oFF

1

Примечание

* SensMin – нижняя граница измерения датчика, SensMax – верхняя граница измерения датчика, DeltaSens – диапазон измерения датчика.

Предупреждающие сообщения

В данном руководстве применяются следующие предупреждения:

Опасность

Ключевое слово ОПАСНОСТЬ сообщает о непосредственной угрозе опасной ситуации, которая приведет к смерти или серьезной травме, если ее не предотвратить.

Внимание

Ключевое слово ВНИМАНИЕ сообщает о потенциально опасной ситуации, которая может привести к небольшим травмам.

Предупреждение

Ключевое слово ПРЕДУПРЕЖДЕНИЕ сообщает о потенциально опасной ситуации , которая может привести к повреждению имущества.

Примечание

Ключевое слово ПРИМЕЧАНИЕ обращает внимание на полезные советы и рекомендации, а также информацию для эффективной и безаварийной работы оборудования.

Ограничение ответственности

Ни при каких обстоятельствах ООО «Производственное Объединение ОВЕН» и его контрагенты не будут нести юридическую ответственность и не будут признавать за собой какие-либо обязательства в связи с любым ущербом, возникшим в результате установки или использования прибора с нарушением действующей нормативно-технической документации.