CODESYS (Controller Development System) – программное обеспечение, специализированная среда программирования логических контроллеров. Торговая марка компании 3S-Smart Software Solutions GmbH.
Ethernet – последовательный интерфейс связи.
LAN (Local Area Network) – локальная сеть, построенная на базе интерфейса Ethernet.
Modbus – открытый промышленный протокол обмена, разработанный компанией Modicon. В настоящий момент поддерживается независимой организацией Modbus-IDA (www.modbus.org).
Retain-память – энергонезависимая память для хранения значений Retain-переменных пользовательской программы.
Retain-переменные – переменные пользовательской программы, значения которых сохраняются при выключении питания панели.
RTC (Real Time Clock) – часы реального времени.
USB (Universal Serial Bus) – последовательный интерфейс связи.
ОЗУ (оперативное запоминающее устройство) – энергозависимая часть системы памяти, в которой временно хранятся данные и исполняемый проект.
ПЗУ (постоянное запоминающее устройство) – энергонезависимая память, которая используется для хранения пользовательских данных и проекта.
ПК – персональный компьютер.
ПО – программное обеспечение.
Функциональное заземление – заземление, выполняющее функции повышения помехоустойчивости панели.
Руководство по эксплуатации
Термины и аббревиатуры
Введение
Настоящее руководство по эксплуатации предназначено для ознакомления обслуживающего персонала с устройством, принципом действия, конструкцией, технической эксплуатацией и обслуживанием панели оператора программируемой с сенсорным экраном (панельного контроллера) СПК210-ХХ-CS, в дальнейшем по тексту именуемой «прибор», «панель» или «СПК».
Подключение, регулировка и техобслуживание прибора должны производиться только квалифицированными специалистами после прочтения настоящего руководства по эксплуатации.
Прибор изготавливается в различных модификациях. Различия между модификациями указаны в условном обозначении:

Информация о настройке и программировании прибора приведена в документах «CODESYS V3.5. Первый старт» и «CODESYS V3.5. FAQ». Эти и другие документы доступны на сайте www.owen.ru в разделе CODESYS V3/Документация.
Назначение
Прибор предназначен для выполнения следующих функций:
управление объектом;
отображение состояния управляемого объекта в режиме реального времени, с использованием графических пиктограмм (индикаторы, линейки, условные обозначения оборудования и т. д.);
отображение сенсорных элементов, с помощью которых оператор непосредственно управляет функционированием объекта;
управление функционированием других приборов посредством интерфейсов связи;
запись и чтение значений параметров других устройств, к которым подключается прибор.
Проект функционирования прибора создается на ПК в CODESYS под конкретную задачу и загружается в энергонезависимую память прибора.
Прибор может быть использован в системах автоматического управления технологическим оборудованием в промышленности, жилищно-коммунальном и сельском хозяйстве в качестве устройства отображения, мониторинга и управления ходом технологических процессов.
Панель не является средством измерения.
Технические характеристики и условия эксплуатации
Технические характеристики
Характеристики прибора
| Наименование | Значение | ||
|---|---|---|---|
| СПК210-07 | СПК210-10 | СПК210-15 | |
| Системные характеристики | |||
| Центральный процессор | ARM Cortex™-A35 | ||
| Количество ядер | 4 | ||
| Частота | 1200 МГц | ||
| Объем ПЗУ | 4 Гб (eMMC) | ||
| Объем ОЗУ | 512 Мб (DDR3) | ||
| Объем Retain-памяти | 64 Кб (MRAM) | ||
| Минимальное время выполнения одного цикла программы | 10 мс | ||
| Часы реального времени | Есть1) | ||
| Звук | Пьезоизлучатель, с возможностью управления из программы | ||
| Верхняя граница диапазона температур нормальной работы процессора | 85 ℃ | ||
| Дисплей | |||
| Тип | TFT LCD, резистивный | ||
| Тип подсветки | LED (светодиодная подсветка)2) | ||
| Количество цветов | 16 млн | 16 млн | 262 тыс. |
| Диагональ | 7,0 дюймов | 10,2 дюймов | 15,6 дюймов |
| Разрешение | 800 × 480 пикселей | 1024 × 600 пикселей | 1920 х 1080 пикселей |
| Размер пикселя (ширина × высота) | 0,1926 × 0,1790 мм | 0,2775 × 0,2760 мм | 0,17925 х 0,17925 мм |
| Рабочая зона дисплея (ширина × высота) | 154,08 × 85,92 мм | 222,00 × 132,48 мм | 344,16 × 193,59 мм |
| Яркость | 300 кд/м2 | 350 кд/м2 | 250 кд/м2 |
| Контрастность | 500:1 | 800:1 | |
| Угол обзора слева/справа/сверху/снизу | 80/80/60/80° | 65/65/45/65° | 85/85/85/85° |
| Время наработки на отказ подсветки, не менее | 60 000 часов при температуре 25 °C | ||
| Интерфейсы | |||
| COM-порты | 3 × RS-485, 1 × RS-232; на портах RS-485-1, RS-485-2, RS-485-3 имеются подтягивающие резисторы. Сопротивление резисторов соответственно равно 1 кОм, 1 кОм, 10 кОм; тип разъема DB9M (RS-485-1, RS-485-2, RS-232), клеммы (RS-485-3); интерфейс RS-485-3 имеет индивидуальную гальваническую изоляцию 1000 В относительно всех остальных узлов прибора; сигналы RS-232 – Rx, Tx, GND; сигналы RS-485 – A, B; все интерфейсы являются независимыми; поддерживаемые протоколы: Modbus RTU (Master/Slave), Modbus ASCII (Master/Slave), ОВЕН (Master), протоколы тепло/электросчетчиков3); в комплект поставки входит Адаптер СПК210, представляющий собой переходник с разъемов DB9 на быстрозажимные пружинные клеммы. Адаптер и интерфейс RS-485-3 имеют встроенные согласующие резисторы (120 Ом), подключаемые с помощью DIP-переключателей. | ||
| Ethernet | 1 × Ethernet 10/100 Мбит/c (RJ45) – для подключения устройств, для загрузки проектов и web-визуализации; поддерживаемые протоколы: Modbus TCP (Master/Slave), OPC UA (Server), MQTT (Client/Broker), SNMP (Manager/Agent)3) | ||
| USB Device | 1 × USB 2.0 B (для загрузки проектов и подключения в режиме Mass Storage Device)4) | ||
| USB Host5) | 1 × USB 2.0 A (для архивов, импорта файлов рецептов, загрузки проектов, максимальный ток потребления подключаемых устройств – 500 мА) | ||
| SD / MicroSD карта6) | Для архивов, импорта файлов рецептов, загрузки проектов | ||
| Питание7) | |||
| Тип питающего напряжения | Постоянное | ||
| Диапазон питающего напряжения | От 15 до 28 В | ||
| Номинальное напряжение питания | 24 В | ||
| Максимальный потребляемый ток в момент запуска, не более | 14 А в течение 200 мкс | ||
| Максимальная потребляемая мощность в установившемся режиме, не более8) | 15 Вт | 20 Вт | |
| Сопротивление изоляции | 20 МОм при 500 В постоянного тока | ||
| Напряжение изоляции | 500 В переменного тока (не более минуты) | ||
| Программирование | |||
| Версия ОС | Linux 4.19.232-rt104 | ||
| Среда программирования | CODESYS V3.5 SP17 Patch 3 | ||
| Корпус | |||
| Конструктивное исполнение | Для щитового крепления | ||
| Тип вентиляции | Естественная вентиляция | ||
| Виброустойчивость | В диапазоне от 5 до 150 Гц в направлении X, Y, Z с ускорением до 1G в течение 30 минут | ||
| Габаритные размеры | (201,2 × 147,2 × 39) ± 1 мм | (272 × 191× 41,5) ± 1 мм | (403 × 253× 35,2) ± 1 мм |
| Установочные размеры | 192 × 138 мм | 260 × 179 мм | 394 × 244 мм |
| Степень защиты корпуса по | |||
| IP65 | ||
| IP20 | ||
| Общие характеристики | |||
| Масса брутто, не более | 1 кг | 1,6 кг | 2,8 кг |
| Средний срок службы, не менее | 10 лет | ||
| Средняя наработка на отказ, не более | 60 000 ч | ||
1) Точность хода часов реального времени – ± 2 с в сутки при 25 °C. Питание RTC реализовано с помощью элемента CR2032 со средним временем работы 5 лет (после этого элемент следует заменить). 2) Яркость подсветки может быть изменена программно. 3) Можно реализовать нестандартные протоколы. 4) Данный способ загрузки проектов является резервным, основной – через интерфейс Ethernet. 5) Интерфейсы USB-Device и USB-Host являются переключаемыми. В каждый момент времени работает только один из интерфейсов. Переключение осуществляется в web- или экранном конфигураторе контроллера. 6) SD карта для модификаций СПК210–07, СПК210–10; MicroSD карта для модификации СПК210–15. 7) Питание приборов от распределенной сети 24 В недопустимо. Рекомендуется использовать локальный источник питания. 8) Во время включения пусковой ток может превышать номинальное значение в 10 раз длительностью до 25 мс. В связи с этим рекомендуемый блок питания должен быть мощностью не менее 30 Вт. Например: БП30Б-Д3-24. | |||
Характеристики интерфейсов связи
| Интерфейсы связи | Протоколы | Скорость передачи* | Длина кабеля, не более | Тип рекомендуемого кабеля |
| Ethernet | Modbus TCP (Master/Slave), OPC UA (Server), MQTT (Client/Broker), SNMP (Manager/Agent) | 10/100 Мбит/с | 100 м | Категория 5 тип UTP (витые пары без экрана), STP или FTP (витые пары в экране) |
| RS-485 | Modbus RTU (Master/Slave), Modbus ASCII (Master/Slave), ОВЕН (Master), протоколы тепло/электросчетчиков | 1200, 2400, 4800, 9600, 19 200, 38 400, 57 600, 115 200 бит/с | 1200 м** | КИПЭВ 1 × 2 × 0,6 |
| RS-232 | 3 м | Нуль-модемный кабель, выполненный в соответствии с рекомендациями раздела | ||
| USB-Host****, SD | MSD | 12 Мбит/с (USB) | Используется для подключения USB Flash/SD устройств (mass storage devices) | |
| USB-Device**** | Gateway | 1,5 м | Используется для подключения панели к ПК*** | |
* Критерий правильного функционирования интерфейсов связи панельного контроллера – не более 5 % пакетов данных, содержащих ошибку, на любой из скоростей. ** Максимальная скорость обмена зависит от длины кабеля. *** Через виртуальный Ethernet-порт, который создается на ПК после установки драйвера USB. **** Интерфейсы USB-Device и USB-Host являются переключаемыми. В каждый момент времени работает только один из интерфейсов. Переключение осуществляется в web- или экранном конфигураторе контроллера. | ||||
Характеристики подключаемых устройств хранения данных
| Наименование | Значение |
| USB-flash-накопитель* | |
| Поддерживаемые версии спецификации USB** | 1.0, 1.1, 2.0 |
| Поддерживаемые файловые системы | FAT16****, FAT32****, NTFS (read only), ext4 |
| Карты памяти Secure Digital* | |
| Поддерживаемые форматы карт*** | SD 1.0, SD 1.1, SDHC, SDXC |
| Класс скорости | SD Class 2 и выше |
| Поддерживаемые файловые системы | FAT16****, FAT32****, NTFS (read only), ext4 |
* Максимальная емкость накопителя зависит от типа файловой системы и формата устройства. ** Устройства версий USB 3.0, не поддерживающие более ранние спецификации USB, с прибором работать не будут. *** Карты форм-фактора microSD для модификаций СПК210–07, СПК210–10 подключаются через переходник. **** Файловые системы FAT не являются журналируемыми. В случае пропадания питания в момент записи на накопитель может произойти повреждение таблицы разделов, из-за чего в дальнейшем могут возникнуть проблемы с монтированием данного накопителя, которые потребуют его подключения к ПК для исправления ошибок файловой системы средствами операционной системы ПК. В связи с этим рекомендуется использовать журналируемые файловые системы (например, ext4). | |
В соответствии с
Электрическое сопротивление изоляции электрических цепей прибора относительно корпуса не менее 20 МОм при температуре +25 °C и не менее 5 МОм при температуре, соответствующей верхнему значению температуры рабочего диапазона.
Интерфейсы RS-485 и RS-232 являются независимыми и могут использоваться одновременно.
Условия эксплуатации
Рабочие условия эксплуатации:
закрытые взрывобезопасные помещения без агрессивных паров и газов;
температура окружающего воздуха:
для СПК210-07, СПК210-10 в диапазоне от -10 до +55 °С;
для СПК210-15 в диапазоне от 0 до +50 °С.
относительная влажность воздуха от 30 до 80 % без конденсации влаги;
атмосферное давление от 84,0 до 106,7 кПа.
По устойчивости и прочности к воздействию синусоидальных вибраций высокой частоты прибор соответствует группе N2 по ГОСТ Р 52931-2008.
Прибор устойчив к воздействию одиночных механических ударов с пиковым ускорением 150 м/с2 и длительностью ударного импульса до 11 мс.
По устойчивости к климатическим воздействиям во время эксплуатации
прибор соответствует группе исполнения С1 по
По эксплуатационной законченности прибор относится к изделиям второго
По устойчивости к воспламенению и распространению пламени корпус прибора соответствует V2 согласно UL94.
По устойчивости к электромагнитным воздействиям прибор соответствует
требованиям
Прибор отвечает требованиям по устойчивости к воздействию помех
в соответствии с
По уровню излучаемых радиопомех прибор соответствует классу А по
Меры безопасности
По способу защиты от поражения электрическим током прибор соответствует классу III по ГОСТ 12.2.007.0-75.
Во время эксплуатации, технического обслуживания прибора следует соблюдать требования ГОСТ 12.3.019-80, «Правила технической эксплуатации электроустановок потребителей электрической энергии», «Правила охраны труда при эксплуатации электроустановок».
Не допускается попадание влаги на контакты выходного разъема и внутренние электроэлементы прибора. Прибор запрещено использовать в агрессивных средах с содержанием в атмосфере кислот, щелочей, масел и т. п.
Монтаж
Во время монтажа прибора следует учитывать меры безопасности из раздела.
Прибор изготавливается в пластмассовом корпусе, предназначенном для крепления в щит.
Перед монтажом прибора следует предварительно подготовить место в шкафу электрооборудования в соответствии с установочными размерами.
Прибор устанавливается в щите шкафа электрооборудования под любым углом наклона для удобства пользователя.
Конструкция шкафа должна обеспечивать защиту корпуса панели от попадания через вентиляционные отверстия влаги, грязи и посторонних предметов.
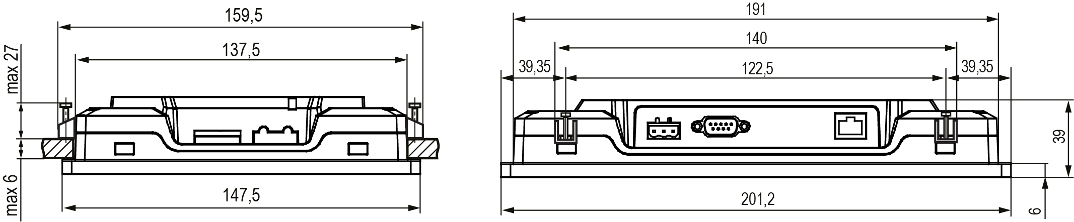
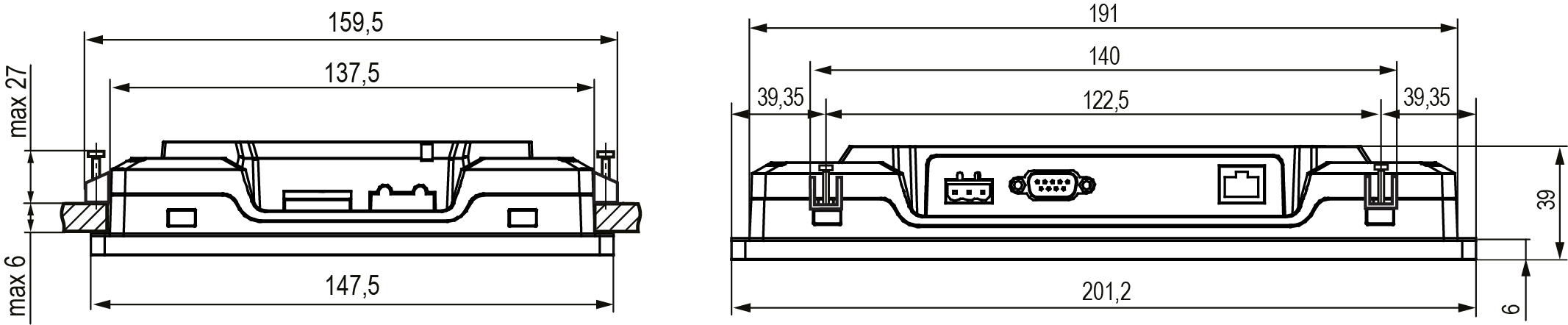
Габаритный чертеж, размеры установочного отверстия прибора и ограничительные размеры для установки приведены на рисунках ниже.
Для монтажа прибора следует:
Проверить наличие на приборе монтажного уплотнителя.
Установить прибор в монтажный вырез щита.
Крепежные зажимы вставить в отверстия на верхней и нижней сторонах корпуса.
Монтажные зажимы закрепить на местах затяжкой установочных винтов с достаточным, но не чрезмерным усилием.










Подключение
Подключение внешних связей
Сечение проводов, подключаемых к панели при монтаже, должно быть от 0,25 (23 AWG) до 0,5 мм2 (AWG 20).
На задней поверхности прибора (см. рисунок, рисунок, рисунок) расположены:
разъемный клеммный соединитель питания для подключения прибора к питающей сети;
соединитель интерфейсов DB9M;
клеммный соединитель интерфейса RS-485 с гальванической изоляцией для подключения к прибору внешних устройств по интерфейсу RS-485;
соединитель интерфейса USB Device (USB B) для подключения прибора к ПК по интерфейсу USB в качестве периферийного устройства для программирования;
соединитель интерфейсов LAN для подключения к прибору устройств, оснащенных интерфейсом Ethernet;
соединитель интерфейсов USB Host (USB A) для подключения к прибору устройств, оснащенных интерфейсом USB.



Подключение питания
Питание прибора следует осуществлять от локального блока питания подходящей мощности, установленного совместно с прибором в шкафу электрооборудования.
Прибор имеет точку для подключения функционального заземления (см. таблицу).
Назначение контактов соединителя питания
Номер контакта![]() | Наименование сигнала |
| 1 | Функциональное заземление |
| 2 | GND |
| 3 | +24 V |
* Подключение согласно ГОСТ Р 50571.5.54. | |
Подключение по интерфейсам RS-232 и RS-485
Внешние устройства подключаются по интерфейсам RS-232 и RS-485 витой парой проводов с соблюдением полярности. Подключение производить при отключенном напряжении питания всех устройств.
На портах RS-485-1, RS-485-2, RS-485-3 имеются подтягивающие резисторы. Сопротивление резисторов соответственно равно 1 кОм, 1 кОм, 10 кОм.
Интерфейс RS-485-3 имеет индивидуальную гальваническую изоляцию 1000 В относительно всех остальных узлов прибора и встроенный согласующий резистор (120 Ом), размещенный под крышкой интерфейсной платы.
Длина линии связи должна быть не более 1200 метров для интерфейса RS-485 и 3 метров для интерфейса RS-232. Прибор подключается через соответствующие контакты порта СOM1 и разъема RS-485-3 (см. таблицу).
Для подключения панели по интерфейсу RS-232 к устройствам, имеющим COM-порт с разъемом DB9M, используется нуль-модемный кабель. Схема кабеля приведена на рисунке.

Для удобства подключения прибора по последовательным интерфейсам связи в комплект поставки входит Адаптер СПК210, представляющий собой переходник с разъема DB9 на быстрозажимные пружинные клеммы. Адаптер имеет встроенные согласующие резисторы (120 Ом), подключаемые с помощью DIP-переключателей. Внешний вид адаптера СПК210 для модификаций СПК210–07 и СПК210–10 представлен на рисунке, для модификации СПК210–15 – на рисунке.


Соответствие контактов адаптера СПК210 и порта COM1 (DB9M)
Номер контакта COM1![]() | Наименование сигнала | Номер контакта адаптера СПК210 |
| 1 | RS-485-1 A | 1 |
| 2 | RS-232-1 RX | 5 |
| 3 | RS-232-1 TX | 6 |
| 4 | RS-485-2 B | 4 |
| 5 | GND | 7 |
| 6 | RS-485-1 B | 2 |
| 7 | RS-485-2 А | 3 |
| 8 | – | – |
| 9 | – | – |

Подключение к ПК
Прибор следует подключать напрямую по интерфейсу USB к ПК через порт USB-Device специальным кабелем. Для связи среды программирования с прибором используется высокоскоростное подключение через порт USB, поэтому не рекомендуется использовать удлинители USB, платы расширения или USB HUB.

Назначение контактов соединителя USB-Device (USB B) приведено в таблице ниже:
Назначение контактов соединителя USB-Device (USB B)
Номер контакта![]() | Наименование сигналов |
| 1 | +5 B |
| 2 | Data– |
| 3 | Data+ |
| 4 | GND |
Подключение по интерфейсу Ethernet
Прибор подключается к интерфейсу Ethernet восьмижильным кабелем «витая пара» категории 5 10/100BASE-T/TX. На кабель устанавливаются оконечные соединители без экрана. Ответная часть кабеля подключается к Ethernet-коммутатору, к сетевой плате ПК или к иному оборудованию. Интерфейс Ethernet поддерживает функцию автоматического определения типа кабеля (перекрестный или прямой) –Auto MDI-X. Схемы прямого и перекрестного кабелей для соединения прибора по сети Ethernet представлены на рисунках ниже:
Назначение контактов соединителя LAN (Ethernet) приведено в таблице ниже:
Назначение контактов соединителя LAN (Ethernet)
Номер контакта![]() | Наименование сигнала |
| 1 | Etx+ |
| 2 | Etx– |
| 3 | Erx+ |
| 6 | Erx– |
Подключение по интерфейсу USB Host
С помощью интерфейса USB Host к панели можно подключить внешние USB-flash-накопители информации и USB HID устройства (клавиатура, мышь) с разъемом типа USB A.
Назначение контактов соединителя USB Host (USB A) приведено в таблице ниже:
Назначение контактов соединителя USB Host (USB A)
Номер контакта![]() | Наименование сигналов |
| 1 | +5 B |
| 2 | Data– |
| 3 | Data+ |
| 4 | GND |
Подключение карт флэш-памяти
На левой боковой грани панели (см. рисунок) расположен слот для подключения карт флэш-памяти формата SD / MicroSD.

Пробный пуск
Если прибор находился длительное время при температуре ниже минус 20 °С, то перед включением и началом работ с прибором следует выдержать прибор в помещении с температурой, соответствующей рабочему диапазону, в течение 30 минут.
Перед подачей питания на прибор следует проверить правильность подключения напряжения питания и его уровень:
при напряжении ниже 15 В работа прибора не гарантируется (прибор прекращает функционировать, но не выходит из строя);
в случае превышения напряжения питания уровня 30 В возможен выход прибора из строя.
Рекомендуется производить запись файлов на подключенный USB- или SD-накопитель для сохранения ресурса встроенной памяти.
Файловые системы FAT не являются журналируемыми. В случае пропадания питания в момент записи на накопитель может произойти повреждение таблицы разделов, из-за чего в дальнейшем могут возникнуть проблемы с монтированием данного накопителя, которые потребуют его подключения к ПК для исправления ошибок файловой системы средствами операционной системы ПК. В связи с этим рекомендуется использовать журналируемые файловые системы (например, ext4).
Если пользовательский проект постоянно записывает значения в файл (это, в частности, происходит в случае использования архивов и трендов), то требуется обеспечить подключение прибора к источнику бесперебойного питания. В противном случае есть вероятность повреждения архивных данных в случае пропадания питания.
После включения питания прибор загружается в течение 90 секунд. Если в прибор была записана пользовательская программа, то она начинает исполняться сразу после окончания загрузки.
Если после включения питания выполнение пользовательской программы не началось, то следует проверить наличие программы в памяти прибора и следовать инструкциям из раздела.
Помехи и методы их подавления
На работу прибора могут оказывать влияние внешние помехи:
возникающие под действием электромагнитных полей (электромагнитные помехи), наводимые на сам прибор и на линии связи с внешним оборудованием;
возникающие в питающей сети.
Для уменьшения влияния электромагнитных помех рекомендуется:
обеспечить надежное экранирование сигнальных линий, электрически изолировать экраны от внешнего оборудования на протяжении всей трассы и подсоединить к заземленному контакту щита управления;
устанавливать прибор в металлическом шкафу, внутри которого не должно быть никакого силового оборудования, корпус шкафа должен быть заземлен.
Для уменьшения помех, возникающих в питающей сети, рекомендуется:
монтируя систему, в которой работает панель, учитывать правила организации эффективного заземления и прокладки заземленных экранов;
все заземляющие линии и экраны прокладывать по схеме «звезда» с обеспечением хорошего контакта к заземляемому элементу;
заземляющие цепи должны быть выполнены проводами наибольшего сечения.
Настройка
Подготовка к настройке
Для настройки прибора следует:
- Подать питание (критерий наличия питания: индикатор (
) включится.
Дождаться загрузки встроенного ПО прибора (критерий загрузки: полоса
загрузки компонентов дойдет до конца и перестанет отображаться). Подключить прибор к ПК по интерфейсу USB, с помощью кабеля USB-A – USB-B, или по интерфейсу Ethernet.
ВниманиеДля стабильной работы драйвера RNDIS подключение через внешние USB-концентраторы не рекомендуется.Подключиться к веб-интерфейсу конфигурации СПК210. В браузере введите IP-адрес в зависимости от интерфейса подключения к ПК:
по интерфейсу USB, IP-адрес по умолчанию – 10.0.6.10;
по интерфейсу Ethernet, IP-адрес по умолчанию – 192.168.0.10.

Окно аутентификации Значения по умолчанию: имя пользователя – root, пароль – owen.
По умолчанию имя пользователя: root, пароль: owen
Управление доступом к контроллеру
Для настройки локального и удаленного доступа к контроллеру следует:
В web-интерфейсе открыть вкладку Система / Управление

Страница «Управление» Произвести настройку на следующих вкладках:
- Пароль устройства – изменение пароля для пользователя «root»;
- Доступ по SSH – настройки сервера Dropbear, который предоставляет доступ к устройствам по протоколам SSH и SFTP;
- SSH-ключи – добавление публичных OpenSSH ключей (.pub);
- RS232 – управление доступом к системной консоли прибора по последовательному порт RS-232;
- USB – выбор активного порта (USB A или USB B).
В web-интерфейсе открыть вкладку Службы / FTP и настроить доступ к FTP-серверу:

Настройка FTP
Настройка доступа к службам контроллера подробно описана в документе
Обновление встроенного ПО контроллера
Инструкция по обновлению встроенного ПО контроллера входит в состав архива со встроенным ПО, который доступен для загрузки по ссылке.
Запуск экранного конфигуратора
После подключения питания контроллера на дисплее появляется полоса загрузки компонентов. По умолчанию внизу экрана в течение 15 секунд будет отображаться надпись:
Режим загрузки: [CODESYS] – это означает, что после загрузки контроллера будет запущен проект CODESYS. Одиночное нажатие на экран изменит надпись на:
Режим загрузки: [конфигуратор] – в этом случае после загрузки контроллера будет запущен экранный конфигуратор.
Работа с экранным конфигуратором описана в документе Экранный конфигуратор СПК.
Восстановление заводских настроек
Для восстановления заводских настроек следует:
В браузере ввести IP-адрес прибора и в web-интерфейсе конфигурации выбрать вкладку Система/Резервное копирование .
Нажать кнопку Выполнить сброс
. Настройки прибора вернутся к значениям по умолчанию.
Доступ к операционной системе контроллера
Для доступа к системной консоли контроллера следует:
В браузере ввести IP-адрес прибора и в web-интерфейсе конфигурации выбрать вкладку Система/Терминал .

Страница «Терминал» - Принять исключения безопасности браузера для работы с неизвестным сертификатом SSL.
- Нажать кнопку Открыть терминал в отдельном окне. В новом окне браузера откроется системная консоль контроллера.
Для подключения к системной консоли по интерфейсу RS-232 следует:
В web-интерфейсе конфигурации выбрать вкладку Система/Управление и установить галочку Системная консоль RS-232.
Подключить контроллер к ПК по интерфейсу RS-232.
Загрузка пользовательского проекта с USB/SD-накопителя
Загрузка проекта в контроллер с USB/SD-накопителя производится с помощью экранного конфигуратора (см. раздел).
Работа прибора с CODESYS V3.5
Документация по работе контроллера с CODESYS V3.5 приведена на
сайте
Для начала работы с прибором в среде программирования CODESYS V3.5 необходимо:
Скачать и установить
CODESYS .
ПримечаниеКомплект поставки включает лицензию на следующие компоненты:
- Modbus TCP Master;
- Modbus TCP Slave;
- Modbus Serial Master;
- Modbus Serial Slave;
- Web-visu;
- Target-visu;
- OPC UA Server.
ПримечаниеУстановка дополнительных лицензий не поддерживается.
Запустить CODESYS и установить
таргет-файл . Для этого следует:- Запустить CODESYS V 3.5 и выбрать в вкладку Инструменты / CODESYS Installer или запустить утилиту CODESYS Installer через меню Пуск.
- Нажать кнопку Install File и выбрать пакет OwenTargets-3.5.17.xx.package.
- Следовать инструкциям программы установки.
Создать проект в CODESYS, выбрав шаблон, соответствующий модификации прибора.
Подключить прибор к ПК, с установленной средой программирования CODESYS по интерфейсу USB Device или Ethernet.
Установить сетевые настройки адаптера ПК (при подключении по Ethernet).
Установить связь между контроллером и ПК в среде CODESYS
.
Учебный курс CODESYS V3.5 доступен на платформе Stepik по ссылке.
Устройство и эксплуатация
Принцип действия
Структурная схема панели представлена на рисунке:

* SD карта для модификаций СПК210–07, СПК210–10; MicroSD карта для модификации СПК210–15.
** Функциональные индикаторы только для модификаций СПК210–07, СПК210–10. Для модификации СПК210–15 индикаторы не предусмотрены.
Панель подключается к ПК с помощью интерфейсов USB Device и Ethernet.
Пользовательская программа, созданная на ПК в CODESYS, загружается и хранится в ПЗУ панели. При запуске пользовательская программа переносится в ОЗУ и исполняется непосредственно из ОЗУ.
Цветной TFT дисплей конструктивно совмещен с сенсорной панелью, чувствительной к прикосновениям. Элементы пользовательской программы могут отображаться и управляться в диалоговых окнах экрана.
С помощью интерфейса USB-Host к прибору могут быть подключены внешние USB-flash-накопители информации и USB HID устройства (клавиатура, мышь). В панели предусмотрен слот для подключения карт флэш-памяти формата SD для модификаций СПК210–07, СПК210–10 и формата MicroSD для модификации СПК210–15.
Прибор оснащен часами реального времени с резервным питанием от литиевого элемента питания. В случае отключения питания прибора, часы реального времени продолжают функционировать.
Последовательный порт COM1 предназначен для подключения внешних устройств по интерфейсам RS-232 и RS-485. Интерфейсы RS-485 и RS-232 являются независимыми и могут использоваться одновременно.
Интерфейсы USB-Device и USB-Host являются переключаемыми. В каждый момент времени работает только один из интерфейсов. Переключение осуществляется в web- или экранном конфигураторе контроллера.
Индикация
На лицевой стороне приборов модификаций СПК210–07 и СПК210–10 расположены следующие индикаторы:
Значение индикаторов
| Индикатор | Состояние | Значение |
![]() | Включен | Подано напряжение питания прибора |
| Выключен | Питание прибора отсутствует | |
![]() | Мигает | Производится обмен данными по одному из последовательных портов |
| Выключен | Обмен данными не производится | |
![]() | Включен | Запущен проект CODESYS |
| Выключен | Выполнение приложения CODESYS остановлено |
Сенсорный экран
Сенсорный экран резистивного типа предназначен для ввода и отображения информации. Управление осуществляется путем нажатия на экран или перемещения по нему пальцем или другим удобным предметом, не наносящим повреждений экрану.
Калибровка экрана производится в экранном конфигураторе прибора.

Порядок программирования
Перед использованием прибор следует запрограммировать, т. е. создать пользовательскую программу. После создания пользовательскую программу следует сохранить в энергонезависимой Flash-памяти прибора. Пользовательская программа начнет выполняться после включения питания или перезагрузки прибора.
Прибор программируется с помощью CODESYS V3.5.
В качестве интерфейса для связи прибора с CODESYS используется порт USB или Ethernet. Прибор подключается к ПК напрямую с помощью USB-кабеля (см. раздел). Кабель включается в разъем, расположенный на задней панели прибора. Ответная часть кабеля подключается к порту USB ПК.
Порт USB Host используется для подключения к прибору USB-flash-накопителей, либо иных устройств через адаптер USB.
Информация о настройке и программировании прибора приведена в документах «CODESYS V3.5. Первый старт» и «CODESYS V3.5. FAQ». Эти и другие документы доступны на сайте www.owen.ru в разделе CODESYS V3/Документация.
Заводские настройки
Прибор поставляется со следующими заводскими сетевыми настройками:
IP-адрес: 192.168.0.10;
шлюз: 192.168.0.1;
маска подсети: 255.255.0.0.
Заводские настройки виртуального Ethernet-порта, который используется для программирования прибора через интерфейс USB-Device:
- DHCP-сервер: включен;
IP адрес: 10.0.6.10;
маска подсети: 255.255.255.248.
На ПК виртуальный Ethernet-порт создается после установки драйвера,
доступного на сайте
В настройках виртуального Ethernet-порта ПК необходимо установить опцию Получать IP-адрес автоматически.
Техническое обслуживание
Во время выполнения работ по техническому обслуживанию прибора следует соблюдать требования безопасности из раздела.
Техническое обслуживание прибора проводится не реже одного раза в 6 месяцев и включает следующие процедуры:
- проверка крепления прибора;
- проверка винтовых соединений;
- удаление пыли и грязи с клеммника прибора.
Маркировка
На корпус прибора нанесены:
условное обозначение;
степень защиты корпуса по
ГОСТ 14254 ;род питающего тока и напряжение питания;
потребляемая мощность;
класс защиты от поражения электрическим током по
ГОСТ IEC 60950-1-2014 ;единый знак обращения продукции на рынке Евразийского экономического союза ;МАС-адрес устройства;
товарный знак Овен;
страна-изготовитель;
заводской номер, QR-код, месяц и год изготовления прибора.
На потребительскую тару нанесены:
наименование прибора;
условное обозначение;
единый знак обращения продукции на рынке Евразийского экономического союза ;страна-изготовитель, почтовый адрес, штрих-код;
заводской номер и дата упаковки.
Упаковка
Упаковка прибора производится в соответствии с ГОСТ 23088-80 в потребительскую тару, выполненную из коробочного картона по ГОСТ 7933-89.
Упаковка прибора при пересылке почтой производится по ГОСТ 9181-74.
Транспортирование и хранение
Прибор следует транспортировать в закрытом транспорте любого вида в транспортной таре поштучно или контейнерах. В транспортных средствах тару следует крепить согласно правилам, действующим на соответствующих видах транспорта.
Условия транспортирования прибора должны соответствовать условиям 5 ГОСТ 15150-69 при температуре окружающего воздуха от минус 25 до плюс 50 °С с соблюдением мер защиты от ударов и вибраций.
Прибор следует хранить на стеллажах.
Комплектность
| Наименование | Количество |
|---|---|
| Прибор | 1 шт. |
| Паспорт и Гарантийный талон | 1 экз. |
| Руководство по эксплуатации | 1 экз. |
| Комплект крепежных элементов | 1 к-т |
| Клемма питания | 1 шт. |
| Адаптер СПК210 | 1 шт. |
Гарантийные обязательства
Изготовитель гарантирует соответствие прибора требованиям ТУ при соблюдении условий эксплуатации, транспортирования, хранения и монтажа.
Гарантийный срок эксплуатации – 24 месяца со дня продажи.
В случае выхода прибора из строя в течение гарантийного срока при соблюдении условий эксплуатации, транспортирования, хранения и монтажа предприятие-изготовитель обязуется осуществить его бесплатный ремонт или замену.
Порядок передачи прибора в ремонт содержится в паспорте и в гарантийном талоне.
Возможные неисправности и методы их устранения
Возможные неисправности и методы их устранения
Неисправность | Возможная причина | Метод устранения |
Отсутствует индикация на лицевой стороне прибора | Отсутствие напряжения питания прибора или не соблюдена полярность при подключении источника питания | Проверить корректность подключения питания прибора. Обратиться в сервисный центр |
Присутствует индикация обмена на лицевой стороне прибора, но обмен с внешними устройствами отсутствует | Неправильное подключение интерфейсов связи | Проверить схему подключения. Обратиться в сервисный центр |
Присутствует индикация прибора, но отсутствует изображение на экране | Неисправность внутренних узлов устройства | Обратиться в сервисный центр |
Присутствует индикация прибора и изображение на экране, но прибор корректно не загружается | Некорректная работа встроенного ПО прибора | Обратиться в сервисный центр |
Предупреждающие сообщения
В данном руководстве применяются следующие предупреждения:
Ключевое слово ОПАСНОСТЬ сообщает о непосредственной угрозе опасной ситуации, которая приведет к смерти или серьезной травме, если ее не предотвратить.
Ключевое слово ВНИМАНИЕ сообщает о потенциально опасной ситуации, которая может привести к небольшим травмам.
Ключевое слово ПРЕДУПРЕЖДЕНИЕ сообщает о потенциально опасной ситуации , которая может привести к повреждению имущества.
Ключевое слово ПРИМЕЧАНИЕ обращает внимание на полезные советы и рекомендации, а также информацию для эффективной и безаварийной работы оборудования.
| Ограничение ответственности |
Ни при
каких обстоятельствах |







