Настоящее руководство по эксплуатации предназначено для ознакомления обслуживающего персонала с конструкцией, технической эксплуатацией и обслуживанием сигнальных устройств МТ16 и MT22 (далее по тексту – «изделия»), к которым относятся:
моноблочные сигнальные лампы;
модульные сигнальные лампы;
звонки;
двухцветные индикаторы.
Изделия поставляются в различных исполнениях, указанных в таблицах ниже.
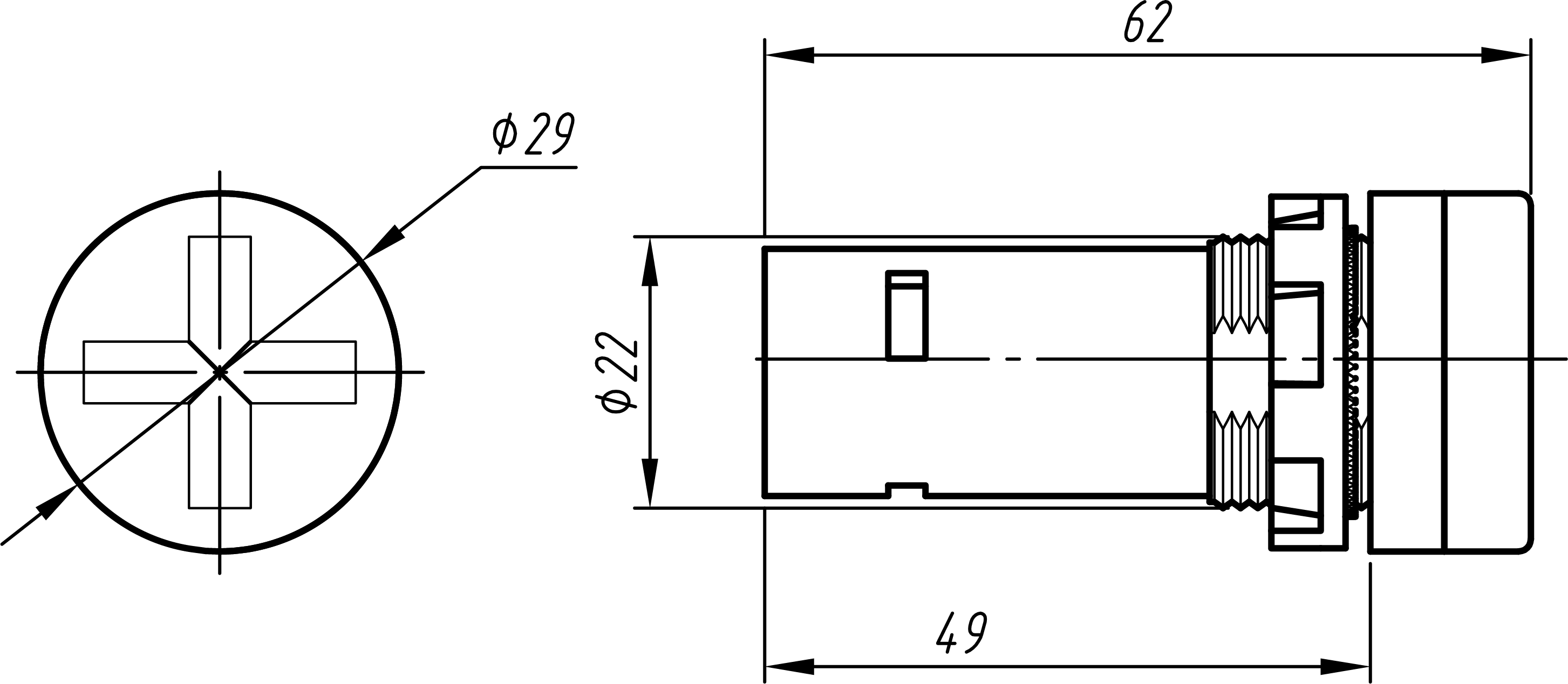
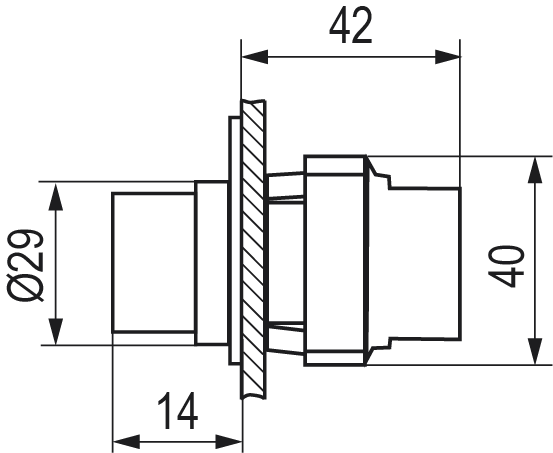
Моноблочные сигнальные лампы 22 мм (пластик, IP65)
Цвет | Напряжение питания | Код заказа |
|---|---|---|
Белый | 24 В AC/DC | MT22-S11 |
Зеленый | 24 В AC/DC | MT22-S13 |
Красный | 24 В AC/DC | MT22-S14 |
Желтый | 24 В AC/DC | MT22-S15 |
Синий | 24 В AC/DC | MT22-S16 |
Белый | 110В AC/DC | MT22-S21 |
Зеленый | 110В AC/DC | MT22-S23 |
Красный | 110В AC/DC | MT22-S24 |
Желтый | 110В AC/DC | MT22-S25 |
Синий | 110В AC/DC | MT22-S26 |
Белый | 220 В AC/DC | MT22-S31 |
Зеленый | 220 В AC/DC | MT22-S33 |
Красный | 220 В AC/DC | MT22-S34 |
Желтый | 220 В AC/DC | MT22-S35 |
Синий | 220 В AC/DC | MT22-S36 |
Белый | 220 В AC | MT22-S61 |
Зеленый | 220 В AC | MT22-S63 |
Красный | 220 В AC | MT22-S64 |
Желтый | 220 В AC | MT22-S65 |
Синий | 220 В AC | MT22-S66 |
Белый | 380В AC | MT22-S71 |
Зеленый | 380В AC | MT22-S73 |
Красный | 380В AC | MT22-S74 |
Желтый | 380В AC | MT22-S75 |
Синий | 380В AC | MT22-S76 |
Моноблочные сигнальные лампы 16 мм (пластик, IP40)
Цвет | Напряжение питания | Код заказа |
|---|---|---|
Белый | 24 В AC/DC | MT16-D11 |
Зеленый | 24 В AC/DC | MT16-D13 |
Красный | 24 В AC/DC | MT16-D14 |
Желтый | 24 В AC/DC | MT16-D15 |
Синий | 24 В AC/DC | MT16-D16 |
Белый | 220 В AC | MT16-D61 |
Зеленый | 220 В AC | MT16-D63 |
Красный | 220 В AC | MT16-D64 |
Желтый | 220 В AC | MT16-D65 |
Синий | 220 В AC | MT16-D66 |
Моноблочные звонки (зуммеры) 22 мм (пластик, IP40)
Цвет | Напряжение питания | Наличие подсветки | Код заказа |
|---|---|---|---|
Черный | 220 В AC | Нет | MT22-FM220 |
24 В AC/DC | Нет | MT22-FM24 | |
Красный | 220 В AC | Есть | MT22-SM220 |
24 В AC/DC | Есть | MT22-SM24 |
Моноблочные двухцветные LED индикаторы 22 мм (пластик, IP40)
Цвет | Напряжение питания | Изображение на передней линзе | Код заказа |
|---|---|---|---|
Красный/зеленый | 220 В AC/DC | ![]() | MT22-WD220 |
Красный/зеленый | 24 В AC/DC | MT22-WD24 | |
Красный/зеленый | 220 В AC/DC | ![]() | MT22-WG220 |
Красный/зеленый | 24 В AC/DC | MT22-WG24 | |
Красный/зеленый | 220 В AC/DC | ![]() | MT22-WN220 |
Красный/зеленый | 24 В AC/DC | MT22-WN24 |
Модульные сигнальные лампы 22 мм (металл, IP65)
Цвет | Напряжение питания | Код заказа |
|---|---|---|
Белый | 24 В AC/DC | MTB2-BV611 |
Зеленый | 24 В AC/DC | MTB2-BV613 |
Красный | 24 В AC/DC | MTB2-BV614 |
Желтый | 24 В AC/DC | MTB2-BV615 |
Синий | 24 В AC/DC | MTB2-BV616 |
Белый | 220 В AC/DC | MTB2-BV631 |
Зеленый | 220 В AC/DC | MTB2-BV633 |
Красный | 220 В AC/DC | MTB2-BV634 |
Желтый | 220 В AC/DC | MTB2-BV635 |
Синий | 220 В AC/DC | MTB2-BV636 |


















