ВИП – внешний источник питания.
- ВУ – выходное устройство.
ЛУ – логическое устройство.
ПК – персональный компьютер.
ЦИ – цифровой индикатор.
Руководство по эксплуатации
Используемые аббревиатуры
Введение
Настоящее Руководство по эксплуатации предназначено для ознакомления обслуживающего персонала с устройством, принципом действия, конструкцией, технической эксплуатацией и обслуживанием счетчика импульсов микропроцессорного СИ8, в дальнейшем по тексту именуемого «прибор».
Подключение, регулировка и техобслуживание прибора должны производиться только квалифицированными специалистами после прочтения настоящего руководства по эксплуатации.
Прибор изготавливается в различных модификациях, указанных в коде полного условного обозначения:

Конструктивное исполнение:
Н – корпус настенного крепления;
Щ1 – корпус щитового крепления (квадратная лицевая панель, 96 × 96 мм);
Щ2 – корпус щитового крепления (прямоугольная лицевая панель, 96 × 48 мм).
Тип встроенных выходных устройств:
отсутствует – выходные устройства отсутствуют;
Р – контакты электромагнитного реле;
К – оптопара транзисторная n-p-n-типа;
С – оптопара симисторная.
Наличие цифрового выхода:
отсутствует – цифровой выход отсутствует.
RS – цифровой интерфейс связи RS-485.
Пример записи обозначения прибора в документации другой продукции, где он может быть применен:
Счетчик импульсов СИ8-Н.Р.RS ТУ 4278-004-46526536-2009.
Назначение и функции
Счетчики импульсов микропроцессорные СИ8 (далее - счетчики) предназначены для преобразований частоты входных импульсов в количество импульсов (счета импульсов), измерений частоты, временных интервалов и преобразований измеренных (преобразованных) значений в цифровой сигнал.
Регистрационный номер утвержденного типа средства измерений 28696-10.
Прибор предназначен для подсчета:
количества поступающих на его входы импульсов (прямой, обратный и реверсивный счет) и их перевода в физическую величину (путем умножения на заданный множитель);
частоты и длительности подаваемых на его входы импульсов;
длительности процессов;
времени наработки оборудования;
среднего и суммарного расхода жидкости (совместно с импульсными или частотными датчиками).
Прибор позволяет выполнять следующие функции:
подсчет текущего или суммарного расхода;
определение направления вращательного движения узлов и механизмов;
управление нагрузкой с помощью двух встроенных ВУ ключевого типа;
сохранение результатов счета при отключении питания.
Технические характеристики и условия эксплуатации
Технические характеристики
Характеристики прибора
Наименование | Значение |
|---|---|
| Питание | |
Диапазон переменного напряжения питания: | |
напряжение | от 90 до 265 В (номинальные значения – 110, 220 или 240 В) |
частота | от 47 до 63 Гц (номинальные значения 50 и 60 Гц) |
| Диапазон постоянного напряжения питания | от 20 до 30 В |
| Потребляемая мощность, не более | 6 ВА |
Время установления рабочего режима, не более | 20 мин |
| Входы | |
Количество | 3 |
Напряжение низкого (активного) уровня на входах | от 0 до 0,8 В |
Напряжение высокого уровня на входах | от 2,4 до 30 В |
| Внутренний источник питания | |
Номинальное выходное постоянное напряжение | 24 В |
Максимальный выходной ток | 100 мА |
Нестабильность выходного напряжения, не более | ± 12,5 % |
Уровень пульсаций, не более | 100 мВ |
| Счетчик импульсов | |
| Диапазон отображения результатов преобразований частоты входных импульсов в количество импульсов (с чет импульсов) | от 0 до 9999999 импульсов |
| Пределы допускаемой относительной основной погрешности преобразований частоты входных импульсов в количество импульсов (счет импульсов) на каждые 10000 импульсов, % | ± 0,01 % |
| Диапазон измерений частоты входных импульсов | от 1 до 8000 Гц |
| Пределы допускаемой относительной основной погрешности измерений частоты входных импульсов | ± 0,5 % |
Пределы основной относительной погрешности измерений частоты следования импульсов | ±0,5 % |
| Диапазоны измерений интервалов времени: | |
| режим секундомера | от 0,01 с до 9 ч 59 мин 59,99 с |
| режим счетчика наработки | от 1 мин до 99999 час 59 мин |
| Диапазоны показаний временных интервалов в режиме «счетчик наработки» | от 1 мин до 1000000 с |
| Пределы допускаемой относительной погрешности измерений временных интервалов в режимах «секундомер» и «счетчик наработки» | ± 0,5 % |
| Расходомер и счетчик времени | |
Время измерения среднего расхода | от 1 до 99 с |
Дискретность отсчета времени: | |
в режиме счетчика наработки | 1 мин |
в режиме секундомера | 0,01 с |
| ВУ | |
| Количество | 2 |
Ток, коммутируемый контактами реле, не менее | 8 А (при напряжении 240 В и cos φ > 0,4) |
Ток нагрузки транзисторной оптопары, не менее | 0,2 А (при напряжении 50 В) |
Ток нагрузки оптосимистора, не менее | 50 мА |
Ток нагрузки дублирующего выхода второго канала, не менее | 30 мА (при напряжении 30 В) |
| Интерфейс RS-485 | |
| Скорость обмена | От 2400 до 115200 бит/c |
| Протокол | Овен |
| Контроль четности | Есть |
| Количество стоп-бит | 1 или 2 |
| Параметры, доступные по сети | см. раздел |
| Корпус | |
Габаритные размеры прибора: • настенный Н • щитовой Щ1 • щитовой Щ2 |
105 × 130 × 65 мм 96 × 96 × 65 мм 96 × 48 × 100 мм |
Степень защиты корпуса: • настенный Н • щитовой Щ1 и Щ2 |
IP44 IP65 (со стороны лицевой панели) |
| Общие характеристики | |
Масса, не более | 1 кг |
Средний срок службы | 8 лет |
Наработка на отказ | 50000 ч |
Межповерочный интервал | 2 года |
Условия эксплуатации
Рабочие условия эксплуатации:
- закрытые взрывобезопасные помещения без агрессивных паров и газов;
- температура окружающей среды от плюс 1 до плюс 50 °С;
- относительная влажность воздуха от 30 до 95 % без конденсации влаги;
- атмосферное давление от 84,0 до 106,7 кПа.
Нормальные условия эксплуатации:
- закрытые взрывобезопасные помещения без агрессивных паров и газов;
- температура окружающей среды плюс 25 °С;
- относительная влажность воздуха от 30 до 95 % без конденсации влаги;
- атмосферное давление от 84,0 до 106,7 кПа.
По устойчивости к синусоидальным вибрациям при эксплуатации прибор
соответствует группе исполнения N2 по
Меры безопасности
По способу защиты от поражения электрическим током прибор соответствует классу II по ГОСТ 12.2.007.0-75.
При эксплуатации, техническом обслуживании и поверке следует соблюдать требования ГОСТ 12.3.019-80, Правила технической эксплуатации электроустановок потребителей электрической энергии и Правил охраны труда при эксплуатации электроустановок потребителей.
Не допускается попадание влаги на контакты выходного разъема и внутренние электроэлементы прибора. Запрещено использовать прибор в агрессивных средах с содержанием в атмосфере кислот, щелочей, масел и т. п.
Монтаж
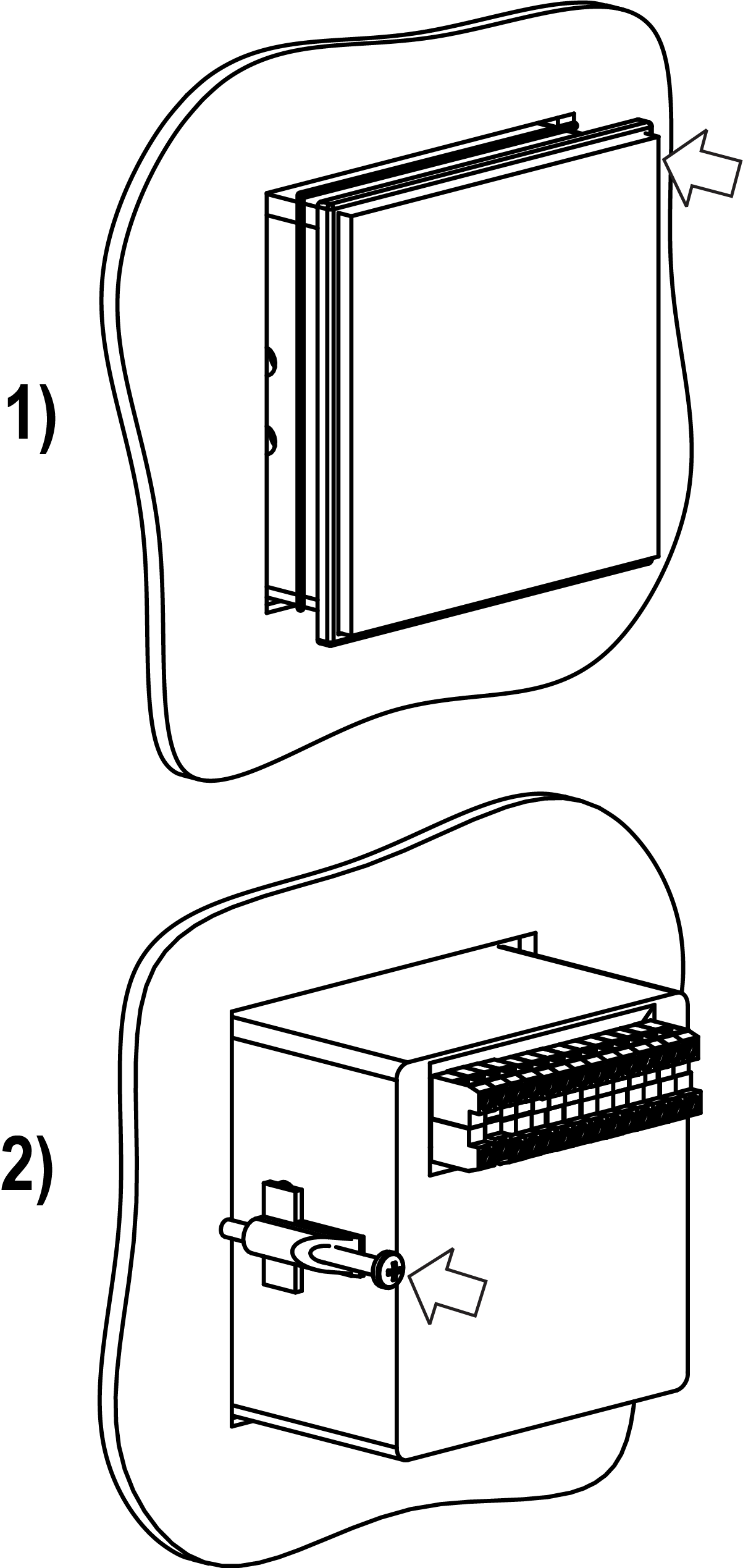
Установка прибора настенного крепления H
Для установки прибора следует:

Закрепить кронштейн тремя винтами М4 × 20 на поверхности, предназначенной для установки прибора (см. рисунок).
ПримечаниеВинты для крепления кронштейна не входят в комплект поставки.- Зацепить крепежный уголок на задней стенке прибора за верхнюю кромку кронштейна.
- Прикрепить прибор к кронштейну винтом из комплекта поставки.
Демонтаж прибора следует производить в обратном порядке.

Установка прибора щитового крепления Щ1
Для установки прибора следует:

- Подготовить на щите управления монтажный вырез для установки прибора (см. рисунок).
- Установить прокладку на рамку прибора для обеспечения степени защиты IP54.
- Вставить прибор в монтажный вырез.
- Вставить фиксаторы из комплекта поставки в отверстия на боковых стенках прибора.
- С усилием завернуть винты М4 × 35 из комплекта поставки в отверстиях каждого фиксатора так, чтобы прибор был плотно прижат к лицевой панели щита.
Демонтаж прибора следует производить в обратном порядке.


Установка прибора щитового крепления Щ2
Для установки прибора следует:

- Подготовить на щите управления монтажный вырез для установки прибора (см. рисунок).
- Установить прокладку на рамку прибора для обеспечения степени защиты IP54.
- Вставить прибор в монтажный вырез.
- Вставить фиксаторы из комплекта поставки в отверстия на боковых стенках прибора.
- С усилием завернуть винты М4 × 35 из комплекта поставки в отверстиях каждого фиксатора так, чтобы прибор был плотно прижат к лицевой панели щита.


Подключение прибора
Рекомендации по подключению
Для обеспечения надежности электрических соединений рекомендуется использовать медные многожильные кабели. Перед подключением концы кабелей следует зачистить и залудить их или использовать кабельные наконечники. Жилы кабелей следует зачищать так, чтобы их оголенные концы после подключения к прибору не выступали за пределы клеммника. Сечение жил кабелей должно быть не более 1 мм2.
Общие требования к линиям соединений:
во время прокладки кабелей следует выделить линии связи, соединяющие прибор с датчиком, в самостоятельную трассу (или несколько трасс), располагая ее (или их) отдельно от силовых кабелей, а также от кабелей, создающих высокочастотные и импульсные помехи;
для защиты входов прибора от влияния промышленных электромагнитных помех линии связи прибора с датчиком следует экранировать. В качестве экранов могут быть использованы как специальные кабели с экранирующими оплетками, так и заземленные стальные трубы подходящего диаметра. Экраны кабелей с экранирующими оплетками следует подключить к контакту функционального заземления (FE) в щите управления;
фильтры сетевых помех следует устанавливать в линиях питания прибора;
искрогасящие фильтры следует устанавливать в линиях коммутации силового оборудования.
Монтируя систему, в которой работает прибор, следует учитывать правила организации эффективного заземления:
все заземляющие линии прокладывать по схеме «звезда» с обеспечением хорошего контакта с заземляемым элементом;
все заземляющие цепи должны быть выполнены проводами наибольшего сечения;
запрещается объединять клемму прибора с маркировкой «Общая» и заземляющие линии.
Порядок подключения
Если прибор находился длительное время при температуре ниже плюс 1°С, то перед включением и началом работ необходимо выдержать его в помещении с температурой, соответствующей рабочему диапазону, в течение не менее 30 минут.
Для подключения прибора следует выполнить действия:
Подключить прибор к источнику питания.
ВниманиеПеред подачей питания на прибор следует проверить правильность подключения напряжения питания и его уровень.- Подключить линии связи «прибор – датчики» к первичным преобразователям и входам прибора.
- Подать питание на прибор.
- Выполнить настройку прибора.
Произвести тестовый запуск программы прибора, чтобы убедиться в корректности настроек.
- Снять питание.
- Подключить линии связи «прибор – нагрузка» к исполнительным механизмам и выходам прибора.
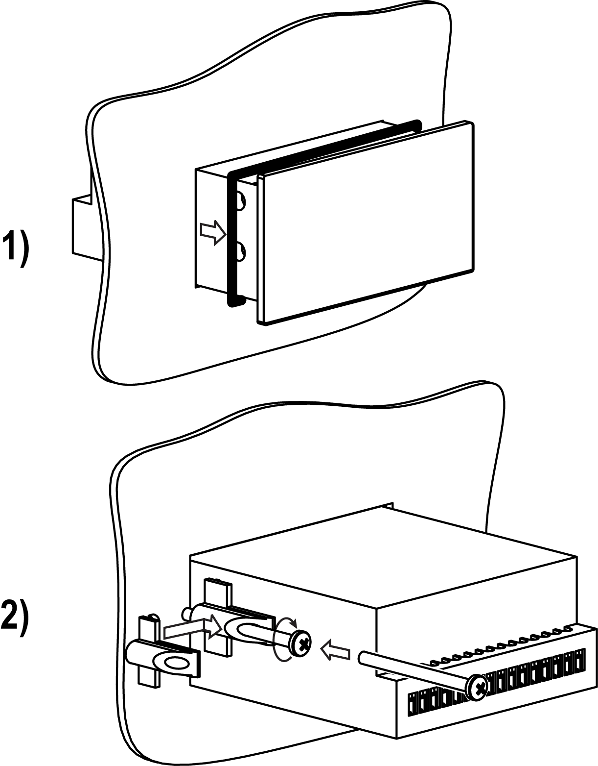
Назначение контактов клеммника
Винтовые клеммники у приборов щитового исполнения находятся на задней стенке, у приборов настенного исполнения – внутри прибора. Назначение контактов клеммника представлено на рисунке.

Подключение коммутационных устройств и датчиков
На входы (контакты 10, 11 и 13 клеммника) прибора не допускается подача напряжения вне диапазона от 0 до 24 В.
Схема подключения к входу прибора коммутационных устройств приведена на рисунке.

Схема подключения к прибору датчиков, имеющих на выходе транзистор n-p-n-типа с открытым коллекторным входом, приведена на рисунке.

Схема подключения к прибору датчиков с выходным напряжением высокого (от 2,4 до 30 В) и низкого (от 0 до 0,8 В, входной ток не более 15 мА) уровня с питанием от ВИП приведена на рисунке.

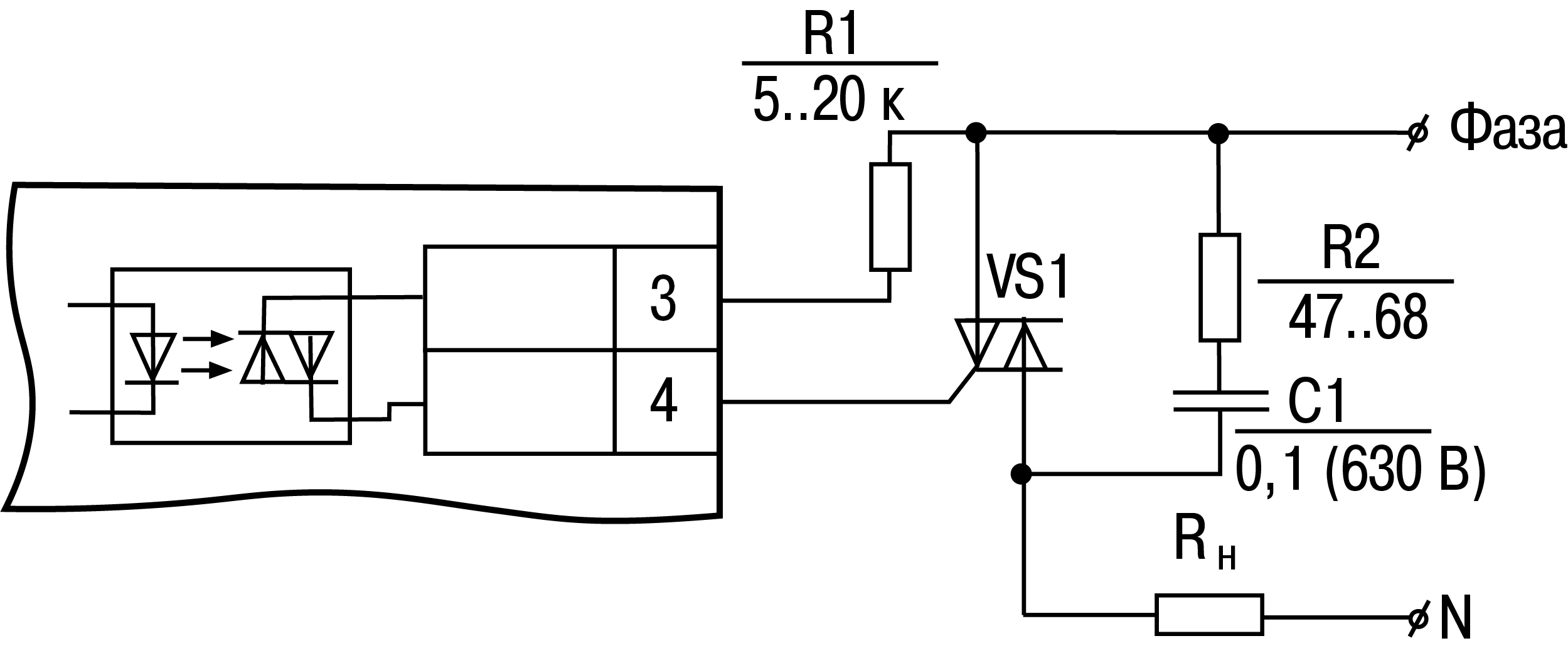
Подключение нагрузки к ВУ
ВУ выполняется в виде электромагнитного реле (Р), транзисторной (К) или симисторной (С) оптопары. Оно используется для управления нагрузкой (включения/выключения) непосредственно или через более мощные управляющие элементы: пускатели, твердотельные реле, тиристоры или симисторы. ВУ имеет гальваническую развязку от схемы прибора.
Схема подключения нагрузки к ВУ типа электромагнитное реле представлена на рисунке.

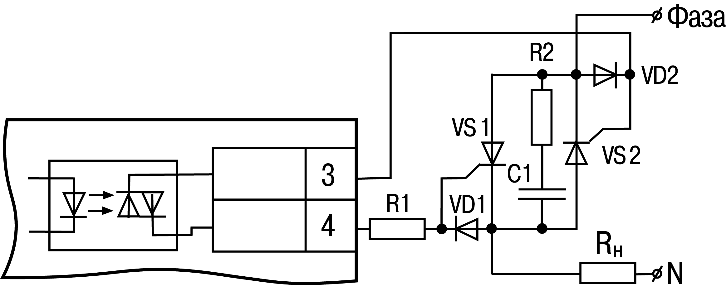
Транзисторная оптопара применяется, как правило, для управления низковольтным реле (до 50 В) – см. рисунок.

Оптосимистор включается в цепь управления мощного симистора через ограничивающий резистор R1 по схеме, представленной на рисунке.

Оптосимистор может также управлять парой встречно-параллельно включенных тиристоров (см. рисунок).

Эксплуатация
Принцип работы
Функциональная схема прибора приведена на рисунке.

Прибор имеет три независимых дискретных входа для подключения внешних управляющих сигналов, которые через селектор входов подаются на входы блока обработки данных.
Блок обработки данных содержит реверсивный счетчик импульсов (РСИ) с предделителем на входе и умножителем на выходе, счетчик времени и вычислитель среднего расхода, а также два ЛУ, которые в соответствии с заданным алгоритмом формируют сигналы управления ВУ.
Узел управления включает в себя кнопки для ввода параметров и управления работой прибора. Узел индикации служит для отображения результатов измерения или параметров настройки прибора на ЦИ и состояний счетчика с помощью светодиодов.
К входам прибора могут быть подключены:
коммутационные устройства (контакты кнопок, выключателей, герконов, реле и т. п.);
датчики, имеющие на выходе транзистор n-p-n-типа с открытым коллекторным выходом;
датчики с выходным напряжением высокого/низкого уровня.
Счетчик импульсов служит для подсчета подаваемых на его входы импульсов. Каждый импульс увеличивает (вход «Счет+») или уменьшает (вход «Счет-») состояние счетчика на единицу. При одновременном поступлении импульсов на оба входа состояние счетчика остается неизменным (рисунок).

Вход «Сброс» предназначен для приведения счетчика в исходное состояние, а вход «Блокировка» – для приостановки отсчета времени (см. рисунок).

При сбросе счетчика импульсов его текущее значение замещается начальным (см. рисунок).

При достижении заданных нижней (FinL) и верхней (FinH) границ счета происходит автоматическая перезагрузка счетчика заданным числом (Strt) – см. рисунок.

Предделитель на входе счетчика импульсов служит для деления частоты входных импульсов на заданную величину, а умножитель на выходе – для преобразования накопленного в счетчике числа в значение физической величины (метры, литры и т. п.) путем умножения на заданный коэффициент. Так, деление производится путем «прореживания» поступающих на вход предделителя импульсов. То есть импульс на выходе предделителя формируется только после того, как на его вход поступит заданное количество импульсов. Если входные импульсы поступают на оба входа предделителя, то импульс на соответствующем его выходе формируется в тот момент, когда разность между количеством импульсов на входе «+» и входе «–» достигнет заданного значения.
Счетчик времени служит для отсчета интервалов времени и работает либо в режиме секундомера, либо в режиме счетчика наработки.
Расходомер вычисляет скорость изменения физической величины (метров, литров и т.д.) за заданное время.
Контроллер питания предназначен для формирования сигнала, по которому прибор сохраняет информацию о своем текущем состоянии в энергонезависимой памяти и при восстановлении питания продолжает прерванный технологический процесс. Есть возможность настроить прибор таким образом, что при восстановлении питания счетчик установится в исходное состояние (заданное в параметре Strt).
ЛУ предназначены для сравнения текущего значения контролируемой величины с заданными уставками и формирования сигналов управления ВУ в соответствии с заданным алгоритмом. Прибор имеет два ЛУ, на вход каждого из которых может быть подано:
текущее значение физической величины;
состояние расходомера;
состояние счетчика времени.
Для защиты входов прибора от дребезга контактов и других помех (длительность которых меньше длительности импульсов полезного сигнала) служит входной фильтр, постоянная времени которого задается с дискретностью 0,1 мс.
Управление и индикация
На лицевой панели прибора расположены элементы индикации и управления (см. рисунки и):
- семисегментный восьмиразрядный цифровой индикатор (далее — ЦИ);
- четыре светодиода красного свечения;
- три кнопки.
![]() | ![]() |
Назначение ЦИ
Режим эксплуатации прибора | Отображаемая информация |
|---|---|
Работа | На выбор одно из значений:
|
Настройка | Название выбранного параметра |
Назначение светодиодов
Светодиод | Состояние | Значение |
|---|---|---|
| + | Светится | Прямое направление счета |
| – | Светится | Обратное направление счета |
| К1 | Светится | Включено ВУ1 |
| К2 | Светится | Включено ВУ2 |
Назначение кнопок
Кнопка | Режим эксплуатации прибора | Назначение |
|---|---|---|
![]() | Настройка | Вход в группу параметров настройки и выход из нее. Вход в режим редактирования параметра и выход из него. Запись нового значения параметра в энергонезависимую память прибора |
![]() | Работа | Просмотр значения первого теневого источника (удерживая кнопку) |
Настройка | Выбор параметра из списка. Изменение знака числа или его значения | |
![]() | Работа | Просмотр значения второго теневого источника (удерживая кнопку) |
Настройка | Переход к параметру, выполняющему возврат в меню настройки или в режим «Работа». Установка положения запятой при задании значения множителя. Выбор разряда при установке значения параметра |
Настройка
Последовательность настройки
Настройка прибора предназначена для задания и записи рабочих параметров в энергонезависимую память прибора.
Настраиваемые параметры разделены на группы в соответствии с их назначением.
Для доступа к параметрам настройки следует:
Следует нажать и удерживать кнопку
до появления на ЦИ c_rES.С помощью кнопки
следует выбрать название нужной группы параметров.На ЦИ появится надпись PLn_0000. Если войти в подменю с этим кодом, то будут доступны параметры, помеченные сплошной рамкой в таблице.
Для доступа ко всем параметрам подменю набрать код с рисунка помощью кнопки
.
Структура меню настроек верхнего уровня и последовательность нажимаемых кнопок приведены на рисунке.
Общие параметры настройки
| Наименование | Значение |
|---|---|
| SEC | Установка защиты от несанкционированного изменения значений
параметров:
Доступ к этому параметру независимо от его значения возможен только при входе в группу через код |
| out | Выход из группы в меню верхнего уровня. Чтобы перейти к данному
параметру, следует нажать кнопку ![]() |
Группы настраиваемых параметров
| Группа параметров | Настройка |
|---|---|
| GrouP_A (уставки ЛУ) | ![]() Вместо параметров U2 и U4 можно устанавливать параметры t1 и t2. |
| GrouP_b (параметры счетчика импульсов) | ![]() При установке
параметра Strt кнопка |
| GrouP_C (общие параметры) | ![]() |
| GrouP_d (параметры работы ЛУ) | ![]() |
| GrouP_E (параметры связи прибора с ПК) | ![]() |
| c_rES (сброс счетчика импульсов и предделителя) | ![]() |
| t_rES (обнуление счетчика времени) | ![]() |
| |
Настройка режима работы счетчика
Режимы счета прибора
| Параметр | Определение | Иллюстрация |
|---|---|---|
| inP = 1 | Обратный счет импульсов с возможностью блокировки и сброса по отдельным входам | ![]() |
| inP = 2 | Прямой счет импульсов с возможностью блокировки и сброса по отдельным входам | ![]() |
| inP = 3 | Реверсивный счет с независимыми входами «Счет +» и «Счет -» и внешним сбросом | ![]() |
| inP = 4 | Реверсивный счет с внешним сбросом и определением направления счета по внешнему сигналу | ![]() |
| inP = 5 | Реверсивный счет с автоматическим определением направления по трем датчикам После того как направление счета определено, коммутатор передает все импульсы на вход «+» либо на вход «–» блока обработки данных. В этом режиме невозможно блокировать счет, а для установки счетчика импульсов в исходное состояние требуется выполнить специальную последовательность операций (см. раздел) | ![]() |
| inP = 6 | Прямой счет с блокировкой и сбросом счетчиков импульсов и времени. Это единственный режим, в котором имеется возможность внешнего управления работой счетчика времени. Вход 3 соединяется с входами «Сброс» счетчика времени и счетчика импульсов одновременно, а вход 2 соединяется с входами «Блокировка». Импульсы, поступающие на вход 1 прибора, подаются на вход «+» блока обработки данных | ![]() |
Техническое обслуживание
Техническое обслуживание
Во время выполнения работ по техническому обслуживанию прибора следует соблюдать требования безопасности из раздела.
Техническое обслуживание прибора проводится не реже одного раза в 6 месяцев и включает следующие процедуры:
- проверка крепления прибора;
- проверка винтовых соединений;
- удаление пыли и грязи с клеммника прибора.
Маркировка
На корпус прибора нанесены:
- наименование имодификация прибора;
товарный знак;
- степень защиты корпуса по ГОСТ 14254;
- напряжение и частота питания;
- потребляемая мощность;
- класс защиты от поражения электрическим током по ГОСТ 12.2.007.0–75;
- знак утверждения типа средств измерений;
- единый знак обращения продукции на рынке Евразийского экономического союза;
- страна-изготовитель;
- заводской номер прибора, месяц и год изготовления.
На потребительскую тару нанесены:
- наименование и модификация прибора;
товарный знак;
почтовый адрес офиса изготовителя;
штрих-код;
- единый знак обращения продукции на рынке Евразийского экономического союза;
- страна-изготовитель;
дата упаковки;
- заводской номер прибора.
Упаковка
Упаковка прибора производится в соответствии с ГОСТ 23088-80 в потребительскую тару, выполненную из коробочного картона по ГОСТ 7933-89.
Упаковка прибора при пересылке почтой производится по ГОСТ 9181-74.
Транспортирование и хранение
Прибор должен транспортироваться в закрытом транспорте любого вида. В транспортных средствах тара должна крепиться согласно правилам, действующим на соответствующих видах транспорта.
Прибор следует перевозить в транспортной таре поштучно или в контейнерах.
Прибор следует хранить на стеллажах.
Комплектность
| Наименование | Количество |
|---|---|
| Прибор | 1 шт. |
| Паспорт и Гарантийный талон | 1 экз. |
| Руководство по эксплуатации | 1 экз. |
| Комплект крепежных элементов | 1 к-т. |
Гарантийные обязательства
Изготовитель гарантирует соответствие прибора требованиям ТУ при соблюдении условий эксплуатации, транспортирования, хранения и монтажа.
Гарантийный срок эксплуатации – 24 месяца со дня продажи.
В случае выхода прибора из строя в течение гарантийного срока при соблюдении условий эксплуатации, транспортирования, хранения и монтажа предприятие-изготовитель обязуется осуществить его бесплатный ремонт или замену.
Порядок передачи прибора в ремонт содержится в паспорте и в гарантийном талоне.
Настраиваемые параметры
Перечень настраиваемых параметров
| Параметр | Диапазон значений | Заводская установка | |
|---|---|---|---|
| Обозначение | Наименование | ||
Общие параметры (есть в каждой группе) | |||
| out | Выход из группы параметров в режиме настройки | Кнопка | – |
| SEc | Возможность изменения параметров | 0 или 1 | 0 |
– Уставки ЛУ | |||
| U1 | Первая уставка ЛУ1 | от –9999999 до 9999999 | 0 |
| U2 | Вторая уставка ЛУ1 | от –9999999 до 9999999 | – |
| U3 | Первая уставка ЛУ2 | от –9999999 до 9999999 | 0 |
| U4 | Вторая уставка ЛУ2 | от –9999999 до 9999999 | – |
| t1 | Время включенного состояния ВУ1 | от 1 до 99 c | – |
| t2 | Время включенного состояния ВУ2 | от 1 до 99 c | – |
– Параметры счетчика импульсов | |||
| Strt | Начальное значение счетчика импульсов | от –9999999 до 9999999 | 0 |
| FinL | Нижняя граница счета, при которой происходит перезагрузка счетчика импульсов | от –9999999 до Strt – 1 | –10 |
| FinH | Верхняя граница счета, при которой происходит перезагрузка счетчика импульсов | от Strt – 1 до 9999999 | 10 |
– Параметры прибора | |||
| P | Предделитель | от 1 до 9999 | 1 |
| F | Множитель | от 0,000001 до 9999999 | 1 |
| Ti | Время измерения расхода | от 1 до 99 | 1 |
| Di | Смещение показаний расходомера | от 0 до 9999999 | 0 |
| InP | Назначение входов прибора | от 1 до 6 | 4 |
| Tc | Постоянная времени входного фильтра | от 0,1 до 999,9 мc | 20 |
| Ind | Выводимый на ЦИ параметр | от 1 до 5 | 1 |
| Ftt | Формат выводимого на ЦИ времени | 0 (режим секундомера, от 0,01 с до 9 ч 59 мин 59,99 с) или 1 (режим счетчика наработки, до 99999 ч 59 мин) | 1 |
| init | Перезагрузка счетчика импульсов значением параметра при включении питания прибора | 0 – нет 1 – да | 0 |
– Параметры работы ЛУ | |||
| SEL1 | Входная величина для ЛУ1 | 1 – значение физической величины; 2 – состояние расходомера; 3 – состояние счетчика времени | 1 |
| dir1 | Направление счета при работе ЛУ1 | 1 – проверять только при увеличении текущего значения; 2 – проверять только при уменьшении текущего значения; 3 – проверять всегда | 1 |
| SEt1 | Алгоритм управления ВУ1 | 1 – включено при значениях, меньше уставки U1; 2 – включено при значениях, не меньше уставки U1; 3 – включено при значениях, равных уставкам U1 и U2 либо находящихся между ними; 4 – выключено при значениях, равных уставкам U1 и U2 либо находящихся между уставками U1 и U2; 5 – при достижении уставки U1 включается на время t1; 6* – при числе, кратном уставке U1, включается на заданное время t1; 7* – при числе, кратном уставке U1, изменяет состояние на противоположное | 2 |
* Для счетчика времени не предусмотрены. | |||
| SEL2 | Входная величина для ЛУ2 | 1 – значение физической величины; 2 – состояние расходомера; 3 – состояние счетчика времени | 1 |
| dir2 | Направление счета при работе ЛУ2 | 1 – проверять только при увеличении текущего значения; 2 – проверять только при уменьшении текущего значения; 3 – проверять всегда | 2 |
| SEt2 | Алгоритм управления ВУ2 | 1 – включено при значениях, меньше уставки U3; 2 – включено при значениях, не меньше уставки U3; 3 – включено при значениях, равных уставкам U3 и U4 либо находящихся между ними; 4 – выключено при значениях, равных уставкам U3 и U4 либо находящихся между уставками U3 и U4; 5 – при достижении уставки U3 включается на время t2; 6* – при числе, кратном уставке U3, включается на заданное время t2; 7* – при числе, кратном уставке U3, изменяет состояние на противоположное | 1 |
* Для счетчика времени не предусмотрены. | |||
– Параметры связи прибора с ПК | |||
| ALEn | Длина адреса прибора | 8_bit или 11_bit | 8_bit |
| Adr | Адрес прибора в сети | От 0 до 256 или от 0 до 2048 | 0 |
| SPd | Скорость обмена | От 2400 до 57600 бит/c | 9600 |
| For | Формат данных | 7b_nP_2S | |
| – Сброс счетчика импульсов и предделителя | |||
| rESEt | Сброс счетчика импульсов | Кнопка | – |
| – Обнуление счетчика времени | |||
| CLEAr | Сброс счетчика времени | – | – |
Значения параметра ind
Значение | Постоянно отображаемый источник | Первый
теневой источник | Второй
теневой источник |
| 1 | Счетчик импульсов | Расходомер | Счетчик времени |
| 2 | Расходомер | Счетчик времени | Счетчик импульсов |
| 3 | Счетчик времени | Счетчик импульсов | Расходомер |
| 4 | Значение U1 | – | – |
| 5 | Значение U3 | – | – |
При значениях параметра Ind = 4 или Ind = 5 кратковременное нажатие кнопки | |||
Значения параметра For
Значение | Размерность данных, бит | Контроль четности | Число стоп-бит |
|---|---|---|---|
| 7b_nP_2S | 7 | Нет | 2 |
| 7b_EP_1S | 7 | Чет | 1 |
| 7b_EP_2S | 7 | Чет | 2 |
| 7b_OP_1S | 7 | Нечет | 1 |
| 7b_OP_2S | 7 | Нечет | 2 |
| 8b_nP_1S | 8 | Нет | 1 |
| 8b_nP_2S | 8 | Нет | 2 |
| 8b_ЕP_1S | 8 | Чет | 1 |
| 8b_ОP_1S | 8 | Нечет | 1 |
Параметры, доступные по интерфейсу RS-485
Наименование | Hash-код (hex) | Формат представления данных | Назначение | Диапазон значений |
|---|---|---|---|---|
DCNT | C173 | DEC_dot0/SGND | Считать показания счетчика импульсов | -9999999…9999999 |
DSPD | 8FC2 | DEC_dot0 | Считать показания расходомера | 0…9999999 |
DTMR | E69C | CLK_frm | Считать показания таймера (счетчика времени) | 0…99999595999 |
Форматы представления данных:
DEC_dot0 — параметр имеет фиксированную (не подлежащую редактированию) десятичную точку в 0-й позиции.
SGND — параметр является знаковым (тогда для хранения знака в ЕЕПРОМ для данного параметра выделяется отдельный бит).
CLK_frm — 0-й байт – сотые доли секунды, 1-й байт – секунды, 2-й байт – минуты, 3, 4 и 5-й байты – часы.
Предупреждающие сообщения
В данном руководстве применяются следующие предупреждения:
Ключевое слово ОПАСНОСТЬ сообщает о непосредственной угрозе опасной ситуации, которая приведет к смерти или серьезной травме, если ее не предотвратить.
Ключевое слово ВНИМАНИЕ сообщает о потенциально опасной ситуации, которая может привести к небольшим травмам.
Ключевое слово ПРЕДУПРЕЖДЕНИЕ сообщает о потенциально опасной ситуации , которая может привести к повреждению имущества.
Ключевое слово ПРИМЕЧАНИЕ обращает внимание на полезные советы и рекомендации, а также информацию для эффективной и безаварийной работы оборудования.
| Ограничение ответственности |
Ни при
каких обстоятельствах |

















