| Параметр | ПР205 (обновленный)* | ПР205 |
|---|---|---|
| Наименование в OwenLogic | ПР205–х.х.х.0[M02] | ПР205–х.х.х.0 |
| Доступен в версии OwenLogic | начиная с 3.0.372 и новее | 2.3.326 и новее |
| Изменение | Заменен разъем программирования на USB type-C*. Добавлены:
| — |
Руководство по эксплуатации
Перечень изменений
Лицензионные условия при использовании облачного ПО OWEN CLOUD
Пользователю прибора предоставляется право использования программного обеспечения (ПО) «OWEN CLOUD», предназначенного для удаленной диспетчеризации, мониторинга, аналитики и управления событиями на приборах, выпускаемых ООО «Завод№ 423». Условия использования ПО содержатся в пользовательском лицензионном соглашении, размещенном по адресу: https://web.owencloud.ru/site/agreement.
Срок действия права использования – в соответствии со средним сроком службы соответствующего прибора.
Облачное ПО «OWEN CLOUD» размещено по адресу: https://web.owencloud.ru (для использования требуется отдельная регистрация).
Право использования указанного ПО предоставляется в базовом функционале. Дополнительные функции ПО (при их наличии) предоставляются отдельно в соответствии с пользовательским лицензионным соглашением ПО.
Термины и аббревиатуры
АЦП – аналого-цифровой преобразователь.
Выходной элемент (ВЭ) – элемент схемы прибора, служащий для подключения исполнительных механизмов или коммутации внешнего управляющего сигнала.
Исполнительный механизм (ИМ) – внешнее устройство, функционирующее под управлением прибора.
МК – микроконтроллер.
ОЗУ – оперативное запоминающее устройство, оперативная память.
ПЗУ – постоянное запоминающее устройство, энергонезависимая память.
ПК – персональный компьютер.
ПО – программное обеспечение.
Пользовательская программа – программа, созданная в OwenLogic.
ТС – термопреобразователь сопротивления.
ШИМ – широтно-импульсная модуляция.
DNS (Domain Name System) – компьютерная распределенная система для получения информации о доменах.
Modbus – открытый протокол обмена по сети RS-485, разработан компанией ModiCon, в настоящий момент поддерживается независимой организацией Modbus-IDA (www.modbus.org).
Modbus TCP – протокол Modbus, адаптированный для передачи информации по протоколу TCP.
NТС-датчики (Negative Temperature Coefficient – отрицательный температурный коэффициент) – термисторы с отрицательным температурным коэффициентом сопротивления.
OwenCloud – облачный сервис компании «ОВЕН». Применяется для удаленного мониторинга, управления и хранения архивов данных приборов систем автомацизации. Доступ к сервису возможен с помощью web-браузера или из мобильного приложения.
OWEN Configurator – ПО для настройки устройств компании «ОВЕН».
OwenLogic – специализированная среда программирования приборов «ОВЕН» на основе визуального языка графических диаграмм FBD (Function Block Diagram).
РТС-датчики (Positive Temperature Coefficient – положительный температурный коэффициент) – термисторы с положительным температурным коэффициентом сопротивления.
Retain-память – энергонезависимая память для хранения значений Retain-переменных пользовательской программы
.Retain-переменные – переменные пользовательской программы, значение которых сохраняется в случае выключения питания прибора.
UTC (Coordinated Universal Time) – всемирное координированное время, стандарт времени, принятый на Земле. От UTC отсчитываются часовые пояса. UTC заменил устаревшее время по Гринвичу (GMT).
Введение
Настоящее Руководство по эксплуатации предназначено для ознакомления обслуживающего персонала с устройством, принципом действия, конструкцией, технической эксплуатацией и обслуживанием устройства управляющего многофункционального ПР205, в дальнейшем по тексту именуемых «прибор» или «ПР205».
Подключение, настройка и техобслуживание прибора должны производиться только квалифицированными специалистами после прочтения настоящего руководства по эксплуатации.
Функциональные возможности прибора могут быть расширены с помощью модулей расширения (подключаются к интерфейсу модульной шины с помощью кабеля, см. раздел):
ПРМ-X.1 – модуль дискретного ввода-вывода;
ПРМ-X.2 – комбинированный модуль расширения входов-выходов;
ПРМ-X.3 – модуль аналогового ввода-вывода;
ПРМ-X.4 – модуль дискретного ввода;
ПРМ-X.5 – модуль дискретного вывода;
ПРМ-X.6 – модуль дискретного ввода-вывода.
Прибор изготавливается в различных модификациях, указанных в коде полного условного обозначения:

Расшифровка буквенных обозначений приведена в таблице.
Пример наименования при заказе: ПР205-24.1211.06.2.0
Приведенное условное обозначение указывает, что изготовлению и поставке подлежит устройство управляющее многофункциональное ПР205, работающее при номинальном напряжении питания 24 В постоянного или переменного тока, оснащенное:
IPS ЖКИ дисплеем и шестью кнопками;
- шестью дискретными входами для сигналов 24 В постоянного тока;
- четырьмя универсальными входами для измерения аналоговых сигналов 0…10 В, 4…20 мА, 0…300 кОм и термосопротивлений;
двумя дискретными входами для сигналов с частотой 100 кГц;
- 6 дискретными выходами типа электромагнитное реле;
двумя транзисторными выходами;
- тремя универсальными аналоговыми выходами;
- двумя интерфейсами RS-485;
одним интерфейсом Ethernet;
без предустановленного алгоритма.
Назначение и функции
Прибор предназначен для решения типовых задач в системах вентиляции, отопления, сельском хозяйстве и системах автоматизации зданий.
Прибор программируется в OwenLogic.
Прибор выпускается согласно ТУ 26.51.70-044-46526536-2023.
Функции прибора:
- работа по программе, записанной в память;
отображение данных и мнемосхем на ЖКИ;
ввод и редактирование данных с помощью кнопок на лицевой панели;
- работа в сети RS-485 по протоколам Modbus RTU/Modbus ASCII в режиме Master или Slave;
- работа в сети Ethernet по протоколу Modbus TCP в режимах Master и Slave;
- работа с удаленным сервисом OwenCloud без дополнительного шлюза;
обработка входных сигналов от датчиков;
- управление подключенными устройствами с помощью дискретных или аналоговых сигналов.
Технические характеристики и условия эксплуатации
Технические характеристики
Модификации прибора
| Модификация | Тип питания | ВИП* | Входы | Выходы | Количество RS-485 | Ethernet | ||
|---|---|---|---|---|---|---|---|---|
| Дискретные | Аналоговые | Дискретные | Аналоговые | |||||
ПР205-24.1211.02.0.0 | =24 В/~24 В | — | 6 Д, 2 ДС | 4 ДАТ | 8 Р | 3 АУ | — | + |
ПР205-24.1211.02.2.0 | =24 В/~24 В | — | 6 Д, 2 ДС | 4 ДАТ | 8 Р | 3 АУ | 2 | + |
ПР205-24.1211.06.0.0 | =24 В/~24 В | — | 6 Д, 2 ДС | 4 ДАТ | 6 Р, 2 КТ | 3 АУ | — | + |
ПР205-24.1211.06.2.0 | =24 В/~24 В | — | 6 Д, 2 ДС | 4 ДАТ | 6 Р, 2 КТ | 3 АУ | 2 | + |
ПР205-24.1816.02.0.0 | =24 В/~24 В | — | 8 Д, 4 ДС | 6 ДАТ | 12Р | 4 АУ | — | + |
ПР205-24.1816.02.2.0 | =24 В/~24 В | — | 8 Д, 4 ДС | 6 ДАТ | 12Р | 4 АУ | 2 | + |
ПР205-24.1816.06.0.0 | =24 В/~24 В | — | 8 Д, 4 ДС | 6 ДАТ | 8 Р, 4 КТ | 4 АУ | — | + |
ПР205-24.1816.06.2.0 | =24 В/~24 В | — | 8 Д, 4 ДС | 6 ДАТ | 8 Р, 4 КТ | 4 АУ | 2 | + |
ПР205-230.1211.02.0.0 | ~230 В | + | 8 ДФ | 4 ДАТ | 8 Р | 3 АУ | 2 | + |
ПР205-230.1211.02.2.0 | ~230 В | + | 8 ДФ | 4 ДАТ | 8 Р | 3 АУ | — | + |
ПР205-230.1211.06.0.0 | ~230 В | + | 8 ДФ | 4 ДАТ | 6 Р, 2 КТ | 3 АУ | — | + |
ПР205-230.1211.06.2.0 | ~230 В | + | 8 ДФ | 4 ДАТ | 6 Р, 2 КТ | 3 АУ | 2 | + |
ПР205-230.1211.22.0.0 | ~230 В | + | 6 Д, 2 ДС | 4 ДАТ | 8 Р | 3 АУ | 2 | + |
ПР205-230.1211.22.2.0 | ~230 В | + | 6 Д, 2 ДС | 4 ДАТ | 8 Р | 3 АУ | — | + |
ПР205-230.1211.26.0.0 | ~230 В | + | 6 Д, 2 ДС | 4 ДАТ | 6 Р, 2 КТ | 3 АУ | — | + |
ПР205-230.1211.26.2.0 | ~230 В | + | 6 Д, 2 ДС | 4 ДАТ | 6 Р, 2 КТ | 3 АУ | 2 | + |
ПР205-230.1816.02.0.0 | ~230 В | + | 12 ДФ | 6 ДАТ | 12 Р | 4 АУ | — | + |
ПР205-230.1816.02.2.0 | ~230 В | + | 12 ДФ | 6 ДАТ | 12 Р | 4 АУ | 2 | + |
ПР205-230.1816.06.0.0 | ~230 В | + | 12 ДФ | 6 ДАТ | 8 Р, 4 КТ | 4 АУ | — | + |
ПР205-230.1816.06.2.0 | ~230 В | + | 12 ДФ | 6 ДАТ | 8 Р, 4 КТ | 4 АУ | 2 | + |
Расшифровка буквенных обозначений приведена в таблице. * Встроенный источник питания. | ||||||||
Сводная таблица характеристик
| Тип | Таблица характеристик |
|---|---|
| Индикация и элементы управления | таблица |
| Характеристики приборов с питанием 230 В | таблица |
| Характеристики ВИП | таблица |
| Характеристики приборов с питанием 24 В | таблица |
| Дискретный вход для сигналов =24 В (вход типа «Д») | таблица |
| Быстрый дискретный вход для сигналов =24 В (вход типа «ДС») | таблица |
| Дискретный вход для сигналов ~230 В (вход типа «ДФ») | таблица |
| Универсальный аналоговый вход (вход типа «ДАТ») | таблица |
| Дискретный выход типа «электромагнитное реле» (выход типа «Р») | таблица |
| Дискретный выход типа «транзистор n-p-n типа» (выход типа «КТ») | таблица |
| Универсальный аналоговый выход типа «ток 4...20 мА/напряжение 0...10 В» (выход типа «АУ») | таблица |
Характеристики приборов с питанием 230 В
| Наименование | Значение | ||
|---|---|---|---|
Диапазон переменного напряжения питания | ~90…264 В (номинальное ~230 В, при 50 Гц) | ||
Диапазон постоянного напряжения питания | =127...373 В (номинальное =230 В) | ||
Гальваническая развязка | Есть | ||
| Встроенный источник питания 24 В | Есть | ||
Электрическая прочность изоляции между входом питания и другими цепями | 2300 В | ||
Потребляемая мощность, не более: | |||
| ПР205-230.1211.XX.X.0 | 15 ВА | ||
| ПР205-230.1816.XX.X.0 | 20 ВА | ||
Характеристики встроенного источника питания 24 В
| Наименование | Значение |
|---|---|
Выходное напряжение (номинальное) | =21,6…26,4 В (=24 В) |
Выходной ток | 0…100 мА |
Электрическая прочность изоляции относительно других цепей прибора | 2300 В |
Характеристики приборов с питанием 24 В
| Наименование | Значение | |||
|---|---|---|---|---|
Диапазон постоянного напряжения питания | =20…36 В (номинальное 24 В); | |||
Диапазон переменного напряжения питания | ~20...27 В (номинальное ~24 В, при 50 Гц) | |||
| Защита защита от подключения питания неправильной полярности | Есть | |||
Электрическая прочность изоляции между входом питания и другими цепями | 510 В | |||
Потребляемая мощность, не более: | ||||
| ПР205-24.1211.XX.X.0 | 8 Вт | |||
| ПР205-24.1816.XX.X.0 | 15 Вт | |||
Общие характеристики прибора
| Наименование | Значение | |||
|---|---|---|---|---|
Вычислительные ресурсы и дополнительное оборудование | ||||
Минимальное время цикла (зависит от сложности программы) | 1 мс | |||
Объем памяти для сетевых переменных: | ||||
| режим Slave | 2040 байт | |||
| режим Master | 384 байт | |||
Модули расширения | Серия ПРМ | |||
Количество подключаемых модулей расширения, не более | 2 | |||
Встроенные часы реального времени | Есть | |||
Точность работы встроенных часов прибора при +25 °С | ± 3 с/сутки | |||
Время автономной работы часов от сменного элемента питания | 5 лет | |||
Элемент питания встроенных часов реального времени | CR2032 | |||
| Flash-память (архив) | ||||
| Количество циклов записи и стирания | 100 000 | |||
| Максимальный размер файла архива | 2048 байт | |||
| Максимальное количество файлов архива | 50 шт. | |||
| Минимальный период записи архива | 30 с | |||
Программирование и конфигурирование | ||||
Интерфейсы программирования и конфигурирования | USB, Ethernet | |||
Среда программирования | OwenLogic | |||
| ПО для конфигурирования | OWEN Configurator | |||
Объем Retain-памяти | 1024 байт | |||
Объем ПЗУ | 64 кб | |||
Объем ОЗУ | 320 кб | |||
| Объем памяти для программы пользователя | 128 кб | |||
Интерфейсы связи | ||||
Типы сетевых интерфейсов | RS-485 и Ethernet | |||
| Интерфейс Ethernet | ||||
Протокол связи | Modbus TCP | |||
Режим работы | Master/Slave | |||
| Скорость передачи данных по Ethernet | 10/100 Мбит/с | |||
Электрическая прочность изоляции между Ethernet и другими цепями | 510 В | |||
| Интерфейс RS-485 | ||||
Протокол связи | Modbus-RTU/Modbus ASCII | |||
Режим работы | Master/Slave | |||
Скорость передачи данных по RS-485 | 9600, 14400, 19200, 38400, 57600, 115200 бит/с | |||
| Максимальное количество интерфейсов RS-485 | 2 | |||
Электрическая прочность изоляции между RS-485 и другими цепями | 1500 В | |||
| Работа с облачным сервисом | ||||
| Работа с OwenCloud | Поддерживается | |||
| Интерфейс взаимодействия с облачным сервисом | Ethernet | |||
Конструкция | ||||
Тип корпуса | Для крепления на DIN-рейку (35 мм) | |||
Габаритные размеры: | 123 × 96 × 62 мм | |||
Степень защиты корпуса по ГОСТ 14254-2015 | IP54 | |||
Масса прибора, не более (для всех вариантов исполнений) | 0,6 кг | |||
Средний срок службы | 8 лет | |||
Параметры элементов индикации и управления
Параметры элементов индикации и управления
| Параметр | Значение |
|---|---|
| Дисплей | |
| Тип дисплея (тип матрицы) | Графический (IPS LCD) |
| Тип подсветки | Cветодиодная |
| Количество отображаемых цветов | 65535 |
| Диагональ | 2,4“ |
| Рабочая зона дисплея | 49 × 36,7 мм |
| Разрешение | 320 × 240 пикселей |
| Яркость | 250 кд/м2 |
| Контрастность | 800:1 |
| Угол обзора слева/справа/сверху/снизу | 80/80/80/80° |
| Время наработки на отказ подсветки, не менее | 50 000 часов при температуре 25 °C |
| Управление временем работы подсветки | Есть* |
| Поддерживаемые языки | Русский, английский |
| Светодиодные индикаторы | |
| Описание светодиодов | см. раздел |
| Кнопки | |
| Описание механических кнопок | см. раздел |
* Можно выставить таймер отключения (см. раздел). Включается нажатием на любую кнопку. | |
Характеристики входов
Характеристики дискретных входов типа «Д»
| Наименование | Значение |
|---|---|
| Для работы с сигналами =24 В | |
| Защита от переполюсовки входного сигнала | Есть |
Напряжение «логической единицы» | 8,5…40 В |
Ток «логической единицы» | 2…15 мА |
Напряжение «логического нуля» | минус 3…плюс 5 В |
Ток «логического нуля» | 0…15 мА |
Минимальная длительность импульса, воспринимаемая дискретным входом | 5 мс |
Максимальная задержка переключения из «лог. 0» в «лог. 1» и из «лог. 1» в «лог.0» | 30 мс |
Максимальная частота следования импульсов (зависит от времени цикла программы) | 150 Гц |
| Гальваническая развязка | |
Гальваническая развязка | Групповая, по 4 входа |
Электрическая прочность изоляции относительно других цепей прибора | 510 В |
Характеристики входов типа «ДС» для работы с сигналами =24 В
| Наименование | Значение |
|---|---|
Напряжение «логической единицы» | 15…30 В |
Ток «логической единицы» | 2…15 мА |
Напряжение «логического нуля» | минус 3…плюс 5 В |
Ток «логического нуля» | 0…15 мА |
Минимальная длительность импульса, воспринимаемая дискретным входом | 5 мкс |
Максимальная частота сигнала, воспринимаемая дискретным входом | 100 кГц |
| Гальваническая развязка | |
Гальваническая развязка | Групповая |
Электрическая прочность изоляции относительно других цепей прибора | 510 В |
Характеристики дискретных входов «ДФ»
Наименование | Значение |
|---|---|
Напряжение «логической единицы» | 164…264 В |
Ток «логической единицы» | 0,75…15 мА |
Напряжение «логического нуля» | 0…40 В |
Ток «логического нуля» | 0…15 мА |
Минимальная длительность сигнала, воспринимаемая дискретным входом | 85 мс |
Максимальная задержка переключения из «лог. 0» в «лог. 1» и из «лог. 1» в «лог.0» | 170 мс |
Гальваническая развязка | Групповая, по 4 входа |
Электрическая прочность изоляции между группами каналов | 2300 В |
Электрическая прочность изоляции относительно других цепей прибора | 2300 В |
Характеристики дискретно-аналоговых входов типа «ДАТ»
| Наименование | Значение |
|---|---|
| Разрешающая способность АЦП 12 бит | 12 бит |
Период обновления результатов измерения всех каналов, мс, не более | 1 |
Режим 1 аналогового входа (сигналы тока и напряжения) | |
Тип измеряемых сигналов, униполярный | 0…10 В, 4…20 мА |
Предел основной приведенной погрешности, не более | ±0,5 % |
Дополнительная приведенная погрешность, вызванная изменением температуры окружающей среды в пределах рабочего диапазона, на каждые 10 градусов | 0,5 от основной |
Предельное положительное входное напряжение, для режима дискретного входа и датчика 0…10 В | 30 В |
Входное сопротивление для режима 0…10 В, не менее | 10 кОм |
| Режим 2 аналогового входа (сопротивление и термисторы) | |
| Диапазон измерения | 0...300 кОм |
Значение единицы младшего разряда, не более | 1 °С |
Предел основной приведенной погрешности для сопротивлений 0...150 кОм, не более | ± 1,0 % |
| Предел основной приведенной погрешности для сопротивлений 150...300 кОм, не более | ± 2,0 % |
Предел основной приведенной погрешности для ТС и датчиков NTC и PTC, не более | ± 1,5 % |
Дополнительная приведенная погрешность, вызванная изменением температуры окружающей среды в пределах рабочего диапазона, на каждые 10 градусов | 0,5 от основной |
Режим дискретного входа | |
| Порог переключения входа из состояния «логическая единица» в состояние «логический ноль» | 1...8 В (устанавливается в OwenLogic) |
| Порог переключения входа из состояния «логический ноль» в состояние «логическая единица» | 2...9 В (устанавливается в OwenLogic) |
| Входной ток в режиме дискретного входа | 2…15 мА |
| Минимальная длительность импульса, воспринимаемая дискретным входом (постоянный ток) | 15 мс |
| Максимальная частота сигнала, воспринимаемая в режиме дискретного входа | 40 Гц |
| Гальваническая развязка | |
Гальваническая развязка | Нет |
При воздействии помех основная приведенная погрешность
может увеличиваться. | |
Поддерживаемые датчики и сигналы
Датчики и сигналы, подключаемые к входу типа «ДАТ»
| Наименование | Диапазон измерений |
|---|---|
| Сигнал постоянного напряжения | 0...10 В |
| Сигнал постоянного тока | 4...20 мА |
| Резистивный сигнал* | 0...300 кОм |
*С резистивным сигналом
прибор работает как омметр, диапазон которого пользователь не может
задать. | |
Список поддерживаемых ТС входом типа «ДАТ»
| Наименование датчика по ГОСТ 6651–2009 | Наименование датчика в OwenLogic | Диапазон температур |
|---|---|---|
Pt 500 (α = 0,00385 °С−1)* | Pt500 (а = 0,00385) | –200…+850 °С |
500П (α = 0,00391 °С−1) | 500П (а = 0,00391) | –200…+850 °С |
Cu 500 (α = 0,00426 °С−1) | Cu500 (а = 0,00426) | –50...+200 °С |
500М (α = 0,00428 °С−1) | 500М (а = 0,00428) | –180...+200 °С |
Ni500 (α = 0,00617 °С−1) | Ni 500 (а = 0,00617) | –60...+180 °С |
Cu 1000 (α = 0,00426 °С−1) | Cu1000 (а = 0,00426) | –50...+200 °С |
1000М (α = 0,00428 °С−1) | 1000М (а = 0,00428) | –180...+200 °С |
Pt 1000 (α = 0,00385 °С−1) | Pt1000 (а = 0,00385) | –200...+850 °С |
1000П (α = 0,00391 °С−1) | 1000П (а = 0,00391) | –200...+850 °С |
Ni 1000 (α = 0,00617 °С−1) | Ni 1000 (а = 0,00617) | –60...+180 °С |
* Коэффициент, определяемый
по формуле | ||
Поддерживаемые термисторы NTC входом типа «ДАТ»
| Наименование датчика | Наименование датчика в OwenLogic | Диапазон температур |
|---|---|---|
Серия B57861S, характеристика № 1008, R25 = 2 кОм | NTC1008, R25 = 2 кОм, В25/100 = 3560 | –55…+100 °С –55…+120 °С* |
Серия B57861S, характеристика № 8016, R25 = 3 кОм | NTC8016, R25 = 3 кОм, В25/100 = 3988 | –55…+125 °С –55…+145 °С* |
Серия B57861S, характеристика № 8016, R25 = 5 кОм | NTC8016, R25 = 5 кОм, В25/100 = 3988 | –35…+140 °С –55…+145 °С* |
Серия B57861S, характеристика № 8016, R25 = 10 кОм | NTC8016, R25 = 10 кОм, В25/100 = 3988 | –35…+155 °С |
Серия B57861S, характеристика № 8018, R25 = 30 кОм | NTC8018, R25 = 30 кОм, В25/100 = 3964 | –20…+155 °С |
Серия B57861S, характеристика № 2901, R25 = 50 кОм | NTC2901, R25 = 50 кОм, В25/100 = 3760 | –10…+155 °С |
NTC3435, 10 кОм | NTC3435, R25 = 10 кОм, В25/85 = 3435 | –40…+105 °С |
NTC3977, 10 кОм | NTC3977, R25 = 10 кОм, В25/85 = 3977 | –40…+125 °С |
* Значения для обновленного
ПР205(М02). | ||
Поддерживаемые термисторы РТС входом типа «ДАТ»
| Наименование датчика | Наименование датчика в OwenLogic | Диапазон температур |
|---|---|---|
KTY82-110 | KTY82-110 | –55…+150 °С |
KTY82-120 | KTY82-120 | –55…+150 °С |
KTY82-121 | KTY82-121 | –55…+150 °С |
KTY82-122 | KTY82-122 | –55…+150 °С |
KTY82-150 | KTY82-150 | –55…+150 °С |
KTY82-151 | KTY82-151 | –55…+150 °С |
KTY82-152 | KTY82-152 | –55…+150 °С |
Характеристики выходов
Характеристики дискретных выходов типа «Р»
| Наименование | Значение |
|---|---|
Тип выходного устройства | Электромагнитное реле (нормально разомкнутые контакты) |
Электрическая прочность изоляции между выходом и другими цепями |
|
Коммутируемое напряжение в нагрузке: | |
| 30 В (резистивная нагрузка) |
| 250 В (резистивная нагрузка) |
Допустимый ток нагрузки, не более |
|
Допустимый ток нагрузки, не менее | 10 мА (при 5 В постоянного тока) |
Электрический ресурс реле, не менее |
|
Характеристики транзисторных выходов типа «КТ»
| Наименование | Значение |
|---|---|
Тип выходного устройства | Транзистор n-p-n-типа |
Тип коммутируемого сигнала | Постоянный ток |
Защита от перегрузки и короткого замыкания | Есть |
Тепловая защита | Есть |
Гальваническая изоляция | Нет |
Коммутируемое напряжение в нагрузке, постоянного тока, не более | 40 В |
Допустимый ток нагрузки, не более | 2 А |
| Максимальная частота выходного сигнала | 100 Гц |
| Предельная частота выходного сигнала | 500 Гц |
| Минимальная длительность импульса | 5 мс |
| Погрешность выдачи импульса | 50 мкс |
Характеристики универсальных аналоговых выходов типа «АУ»
| Наименование | Значение | |
|---|---|---|
Тип аналогового выхода | Универсальный (ток или напряжение) | |
Разрядность ЦАП | 12 бит | |
| Напряжение питания | 15...30 В | |
Диапазон генерации тока | 4…20 мА | |
Диапазон генерации напряжения | 0…10 В | |
| Сопротивление нагрузки для режима: | ||
| 4...20 мА, не более | 600 Ом | |
| 0...10 В, не менее | 600 Ом | |
Предел основной приведенной погрешности | ± 0,5 % | |
Дополнительная приведенная погрешность, вызванная изменением температуры окружающей среды в пределах рабочего диапазона, на каждые 10 градусов для режима: | 0,5 от основной | |
Электрическая прочность изоляции между выходом и другими цепями | 510 В | |
Условия эксплуатации
Прибор предназначен для эксплуатации в следующих условиях:
- закрытые взрывобезопасные помещения без агрессивных паров и газов;
- температура окружающего воздуха от минус 20 до плюс 70 °С;
- верхний предел относительной влажности воздуха от 30 до 98 % без конденсации влаги;
- допустимая степень загрязнения 1 (несущественные загрязнения или наличие только сухих непроводящих загрязнений);
- атмосферное давление от 84,0 до 106,7 кПа.
По устойчивости к климатическим воздействиям во время эксплуатации
прибор соответствует группе исполнения В4 по
По устойчивости к синусоидальным вибрациям во время эксплуатации
прибор соответствует группе исполнения N2 по
По устойчивости к воздействию атмосферного давления прибор относится
к группе Р1 по
Прибор отвечает требованиям по устойчивости к воздействию помех в соответствии с ГОСТ IEC 61131-2-2012.
По уровню излучения радиопомех (помехоэмиссии) прибор соответствует ГОСТ 30804.6.3.
Прибор устойчив к прерываниям, провалам и выбросам напряжения питания для переменного тока в соответствии с требованиями ГОСТ IEC 61131-2-2012.
Меры безопасности
По способу защиты обслуживающего персонала от поражения электрическим
током ПР205-230.Х относится к классу
II, а ПР205-24.Х к классу III
Во время эксплуатации и технического обслуживания прибора следует соблюдать требования ГОСТ 12.3.019–80, «Правил технической эксплуатации электроустановок потребителей электрической энергии» и «Правил охраны труда при эксплуатации электроустановок».
Во время эксплуатации прибора открытые контакты клеммника находятся под опасным для жизни напряжением. Прибор следует устанавливать в специализированных шкафах, доступных только квалифицированным специалистам.
Любые подключения к прибору и работы по его техническому обслуживанию следует производить только при отключенном питании прибора и подключенных к нему устройств.
Не допускается попадание влаги на контакты выходного разъема и внутренние электроэлементы прибора. Прибор запрещено использовать в агрессивных средах с содержанием в атмосфере кислот, щелочей, масел и т. п.
Настройка и программирование
Ввод в эксплуатацию
Для ввода в эксплуатацию прибора следует:
Соединить ПК и прибор с помощью USB кабеля.
Подсоединить съемный клеммник к источнику питания.
ПредупреждениеПеред подачей питания на ПР205-230.Х следует проверить уровень напряжения питания:
если напряжение ниже 90 В, то прибор прекращает функционировать, но не выходит из строя, поэтому не гарантируется его работа;
если напряжение выше 264 В, то прибор может выйти из строя.
Перед подачей питания постоянного тока на ПР205-24.Х следует проверить правильность подключения напряжения питания и его уровень:
- если напряжение ниже 18 В, то прибор прекращает функционировать, но не выходит из строя, поэтому не гарантируется его работа;
- если напряжение выше 36 В, то прибор может выйти из строя.
Перед подачей питания переменного тока на ПР205-24.Х следует проверить правильность подключения напряжения питания и его уровень:
- если напряжение ниже 20,4 В, то прибор прекращает функционировать, но не выходит из строя, поэтому не гарантируется его работа;
- если напряжение выше 26,4 В, то прибор может выйти из строя.
Съемный клеммник подключить к прибору.
ПредупреждениеВ случае изменения температуры окружающего воздуха с низкой на высокую в приборе возможно образование конденсата. Чтобы избежать выхода прибора из строя, рекомендуется выдержать прибор в выключенном состоянии не менее 1 часа.
Подать питание на прибор.
Убедиться в отсутствии ошибок (см. раздел).
Запустить OwenLogic или OWEN Configurator и настроить время/дату.
Снять питание и отключить провод USB от прибора.
Подключить провод USB и подать питание. Проверить время/дату. В случае сброса часов заменить батарейку (см. раздел).
Создать пользовательскую программу OwenLogic и записать ее в память прибора. Пользовательская программа записывается в энергонезависимую память прибора и запускается после включения питания или перезагрузки прибора.
ПримечаниеЗаписать в память прибора пользовательскую программу можно с помощью специально созданного исполняемого файла (см. Мастер тиражирования в справке OwenLogic).Снять питание.
Подсоединить линии связи «прибор – устройства» к съемным клеммникам.
Съемные части клеммников линий связи «прибор – устройства» подключить к прибору (см. Приложение Описание клеммников).
Настройка входов
Настройка универсальных входов
Меню настройки универсальных входов расположено в OwenLogic во вкладке Прибор/Настройка прибора (см. рисунок ниже).



Параметры универсального входа
| Название | Описание |
|---|---|
Режим работы входа | Выбор режима работы универсального входа: аналоговый или дискретный |
| Настройки режима “Аналоговый” | |
Тип датчика | Выбор типа входного сигнала:
|
Постоянная времени фильтра | Постоянная времени фильтрации встроенного сглаживающего цифрового фильтра. Задает период обработки входного сигнала. Увеличение значения параметра улучшает помехозащищенность канала, но одновременно увеличивает его инерционность, т. е. реакция прибора на быстрые изменения входной величины замедляется |
Нижняя граница измерения | Минимальный уровень измеренного сигнала |
Верхняя граница измерения | Максимальный уровень измеренного сигнала |
| Настройки режима “Дискретный” | |
| Фильтр антидребезга | Задает значение встроенного дискретного фильтра, который указывает период контроля входного сигнала. Увеличение значения параметра улучшает помехозащищенность канала, но одновременно увеличивает его инерционность, т. е. реакция прибора на быстрые изменения входной величины замедляется |
| Уровень логического нуля | Задает верхнюю границу определения «логического нуля» |
| Уровень логической единицы | Задает нижнюю границу определения «логической единицы» |
Работа универсального входа в аналоговом режиме
Для измерения токового сигнала 4...20 мА в прибор встроен шунтирующий резистор с номинальным сопротивлением 121 Ом для каждого канала. В приборе масштабируются шкалы измерения для сигналов «0…10 В» и «4…20 мА», после чего контролируемые физические величины отображаются непосредственно в единицах их измерения (атмосферах (кг/см2), кПа и т. д.).
Пример
Используется датчик с выходным током 4…20 мА, контролирующий давление в диапазоне 0…25 атм, в параметре «нижняя граница измерения» задается значение «0,00», а в параметре «верхняя граница измерения» — значение «25,00» (см. рисунок). Теперь значения на аналоговом входе будут измеряться в атмосферах.

Значения в приборе представлены в абсолютном виде (float32). Сопротивление измеряется по двухпроводной схеме, поэтому во время подключения датчиков сопротивление проводов вносит дополнительную погрешность измерения. Размер дополнительной погрешности зависит от длины и типа проводов подключаемого датчика. Коррекцию дополнительной погрешности следует предусмотреть в пользовательской программе.
Работа универсального входа в дискретном режиме
Универсальный вход работает в режиме компаратора. Минимальный уровень «логического нуля» — 0 В, максимальный уровень «логической единицы» — 30 В (см. рисунок).

Чтобы избежать неоднозначности определения состояния входа, следует устанавливать параметр «Уровень логической единицы» больше параметра «Уровень логического нуля» не менее, чем на 0,5 В.
Если входное напряжение попадает в диапазон dU, то состояние входа не меняется. Состояние входа изменится:
с «0» на «1» только в случае достижения входным напряжением «Уровень логической единицы»;
с «1» на «0» только в случае достижения входным напряжением «Уровень логического нуля».
Диагностика ошибок подключенного датчика
Универсальный вход в аналоговом режиме поддерживает диагностику ошибок подключенного датчика. Коды ошибок представлены в таблице ниже.
Коды ошибок
Код | Расшифровка |
|---|---|
| 0 | Норма |
| 1 | Нет данных |
| 2 | Датчик отключен |
| 3 | Велика температура холодного спая* |
| 4 | Мала температура холодного спая* |
5 | Вычисленное значение слишком велико |
6 | Вычисленное значение слишком мало |
7 | Короткое замыкание |
8 | Обрыв датчика |
| 9 | Отсутствие связи с АЦП |
| 10 | Некорректный калибровочный коэффициент |

Описание ошибок для разных типов сигналов приведено в таблице ниже.
Поддерживаемые коды ошибок для разных типов сигналов
| Тип сигнала | Код ошибки | |||
|---|---|---|---|---|
5 | 6 | 7 | 8 | |
Резистивный сигнал | — | — | — | — |
Унифицированные сигналы по ГОСТ 26.011-80: 0...10 В 4...20 мА |
+ + |
— + |
— — |
— — |
Термопреобразователи сопротивления по ГОСТ Р 6651-2009 | + | + | + | + |
Термисторы NTC | + | + | + | + |
Термопреобразователи сопротивления серии KTY | + | + | + | + |
Настройка дискретных входов

Параметр состояния дискретных входов
| Параметр | Описание |
|---|---|
| Инверсия | Применить
инвертирование к состоянию DI. Битовая маска, расположение битов little
endian Для подписи на скриншоте: 000000 = 0b, 111111
= 111111b |

Настройки дискретных входов
| Настройка | Описание |
|---|---|
| Фильтр антидребезга | Задает значение сглаживающего фильтра дребезга контактов. Увеличение значения параметра улучшает помехозащищенность канала, но одновременно увеличивает его инерционность, т. е. реакция прибора на быстрые изменения входной величины замедляется |
Настройка быстрых дискретных входов

Параметр состояния быстрых дискретных входов
| Параметр | Описание |
|---|---|
| Состояние | Битовая маска, расположение битов little endian. Для подписи
на скриншоте: 0000 = 0b, 1111 = 1111b |
| Инверсия | Применить инвертирование к состоянию FDI. Битовая маска, расположение битов little endian |

Описание настроек быстрых дискретных входов
| Параметр | Значение | Описание |
|---|---|---|
| Режим работы | Дискретный вход | Включен режим определения логического уровня на входе |
Подсчет импульсов | Включен режим счетчика импульсов, поступающих на вход | |
Энкодер | Включен режим обработки сигналов энкодера | |
Возможные значения: 0 – дискретный вход 1 – подсчет импульсов 2 - энкодер | ||
| Фильтр антидребезга | 0...255 мс | Настройка задействуется в режиме “Дискретный вход”. Значение по умолчанию — 10 мс |
| Фронт охвата импульса | Восходящий | Счетчик срабатывает по восходящему фронту |
Спадающий | Счетчик срабатывает по нисходящему фронту | |
Возможные значения: 0 – восходящий 1 – спадающий | ||
| Сброс значения счетчика импульсов | Сбросить | Обнуление счетчика будет произведено в течение 10 мс Если счетчик переполняется, то соответствующий регистр обнуляется автоматически. |
Не сбрасывать | Счетчик не обнуляется | |
Возможные значения: 0 – не сбрасывать 1 – сбросить | ||
Для работы с сигналами частотой более 40 Гц при скважности
0,5 и менее не следует включать подавление дребезга контактов, так
как полезный сигнал будет принят за дребезг и пропущен. | ||
К прибору можно подключать двухканальные энкодеры (без Z канала). Максимальная частота сигналов с энкодера – 100 кГц. Для каждого входа задействован 32-разрядный регистр, в котором находится накопленное количество импульсов с учетом направления вращения после обнуления, зафиксированное энкодером. Если после обнуления направление вращения производится в обратную сторону, то счет начинается с максимального и уменьшается на количество накопленных импульсов.
Настройка программируемых светодиодов F1 и F2
К состоянию пользовательских светодиодов можно привязать переменную и управлять ей из программы.

Параметр состояния пользовательских светодиодов
| Параметр | Описание |
|---|---|
| Состояние | Битовая маска, расположение битов little endian. Для подписи на скриншоте: 00 = 0b, 11 = 11b |
Настройка параметров архива

Настройка параметров архива
| Параметр | Описание |
|---|---|
| Период архивирования | Временной отрезок сохранения в архив |
| Количество архивов | Количество файлов архива |
| Размер архива | Размер файла архива |
Настройка выходов
Настройка дискретных выходов
Для дискретных выходов предусмотрено изменение и считывание состояния.

Параметр состояния дискретных выходов
| Параметр | Описание |
|---|---|
| Изменить состояние | Битовая маска, расположение битов little endian. Для подписи на скриншоте: 0000000 = 0b, 11111111 = 11111111b |
| Состояние | Битовая маска, расположение битов little endian. |
Настройка безопасного состояния дискретных выходов
Для каждого дискретного выхода прибора и подключенного модуля расширения возможна установка безопасного состояния.

Настройка безопасного состояния дискретных выходов
| Параметр | Описание |
|---|---|
| Настройка безопасного состояния выхода | Выход прибора переходит в безопасное состояние, если в течение времени тайм-аута отсутствуют команды от Мастера сети. Возможные значения:
|

Настройка безопасного состояния ВЭ ПРМ
| Параметр | Описание |
|---|---|
| Настройка безопасного состояния выхода | Параметр позволяет переключить состояние выходов модуля в случае потери связи с ним. Возможные значения:
|
Настройка аналоговых выходов типа «АУ»

Настройка аналоговых выходов типа «АУ»
| Параметр | Описание |
|---|---|
| Вид сигнала | Определяет тип
выходного сигнала. Возможные значения:
Возможные значения: 0 – выкл. 1 – 0…10 В 2 – 4…20 мА |
| Состояние | Диагностический параметр, доступный только для чтения. Возможные значения: 0 – канал отключен 1 – норма 2 – отсутствие связи 3 – авария 4 – отсутствие питания 5 – отсутствие нагрузки |
| Безопасное состояние | Выход переходит в безопасное состояние, если в течение времени тайм-аута отсутствуют команды от Мастера сети. На выходе устанавливается значение параметра «Безопасное состояние» в диапазоне от 0 до 1 |
Для управления выходным элементом аналогового типа следует подавать значение в формате «с плавающей запятой» (float32) в диапазоне от 0,0 до 1,0.
Пример
Во время подачи на выход значения «0,5», выходной ток будет равен 12 мА для работы в режиме 4…20 мА.Пример
Во время подачи на выход значения «0,5», выходное напряжение будет равно 5 В для работы в режиме 0…10 В.Настройка выходов типа «КТ»
Работа выхода типа «КТ» в дискретном режиме аналогична работе релейных выходов.
В режиме ШИМ выход генерирует последовательность прямоугольных импульсов с задаваемыми в OwenLogic периодом и минимальным импульсом.

Настройка выходов типа «КТ»
| Параметр | Описание |
|---|---|
| Режим работы | Режим работы выхода:
|
| Период ШИМ | Период следования импульсов |
| Минимальная продолжительность импульса | Задает минимальное время между любыми соседними фронтами импульсов (минимальная длительность включенного и выключенного состояний выхода). Следует задавать большим, чем время срабатывания подключенного к нему ИМ |
| Безопасное состояние | Выход переходит в безопасное состояние, если в течение времени тайм-аута отсутствуют команды от Мастера сети. На выходе устанавливается значение параметра «Безопасное состояние» в диапазоне от 0 до 1 |
| Скважность ШИМ | Доступны только в режиме модуля расширения (см. раздел) |
| Коэффициент заполнения ШИМ |
В режиме ШИМ на ВЭ типа «КТ» следует подавать значение в формате «с плавающей запятой» (float32) в диапазоне от 0,0 до 1,0. Если значение поданное на вход:
меньше нуля или равное нулю — выход выключен;
в диапазоне от нуля до единицы — скважность ШИМ;
больше или равно единице — выход включен.
Работа с OWEN Configurator
Подключение к
Для настройки прибора можно использовать OWEN Configurator. Для настройки прибора с помощью OWEN Configurator следует:
Скачать с сайта www.owen.ru архив с OWEN Configurator.
Извлечь из архива файл .ехе.
Запустить .ехе файл и следовать указаниям мастера установки.
Прибор можно подключить к ПК с помощью следующих интерфейсов:
- USB (разъем micro-USB);
- Ethernet;
- RS-485.
Для настройки прибора следует:
- Подключить прибор к ПК с помощью интерфейса USB, Ethernet или
RS-485.
ПредупреждениеВ случае подключения прибора к порту USB подача основного питания прибора не требуется.
Питание прибора осуществляется от порта USB. Входы, выходы и интерфейсы прибора при этом не функционируют.
В случае подключения по интерфейсам Ethernet и RS-485 следует подать основное питание на прибор.
- Открыть OWEN Configurator.
- Нажать кнопку «Добавить устройства».
- В выпадающем меню «Интерфейс» во вкладке «Сетевые настройки» выбрать:
- Ethernet (или другую сетевую карту, к которой подключен прибор) — для подключения по Ethernet;
STMicroelectronics Virtual COM Port — для подключения по USB или RS-485.
ПримечаниеНазвание и номер COM порта, присвоенный прибору ПК, можно уточнить в Диспетчере устройств Windows.

Меню выбора интерфейса
Чтобы найти и добавить в проект прибор, подключенный по интерфейсу Ethernet, следует:
- Выбрать «Найти одно устройство».
- Ввести IP-адрес подключенного устройства.
- Нажать вкладку «Найти». В окне отобразится прибор с указанным
IP-адресом.
ПредупреждениеЗначение IP-адреса по умолчанию (заводская настройка) — 192.168.1.99. - Выбрать устройство (отметить галочкой) и нажать ОК. Если устройство защищено паролем, то следует ввести корректный пароль. Устройство будет добавлено в проект.
Чтобы найти и добавить в проект прибор, подключенный по USB или RS-485:
- В выпадающем меню «Протокол» выбрать протокол Owen Auto Detection
Protocol.

Выбор протокола В поле «Настройки подключения» задать Авто.
- Выбрать «Найти одно устройство».
- Если прибор подключен по USB, поле «Адрес» оставить без изменения, иначе ввести сетевой адрес прибора.
- Нажать кнопку «Найти». В окне отобразится прибор с указанным адресом.
- Выбрать устройство (отметить галочкой) и нажать ОК. Если устройство защищено паролем, то следует ввести корректный пароль. Устройство будет добавлено в проект.
Пароль доступа
Для ограничения доступа к чтению и записи параметров конфигурации и для ограничения доступа в облачный сервис OwenCloud используется пароль.

Пароль можно установить или изменить с помощью OWEN Configurator или OwenLogic.
В случае утери пароля следует сбросить прибор до заводских настроек (см. раздел).
По умолчанию пароль не задан.
Запись архива
В прибор встроена флеш-память (flash), размеченная под файловую систему с шифрованием файлов. Алгоритм шифрования – Data Encryption Standard. В качестве ключа используется строка superkey. Вектор инициализации генерируется с помощью хеш-функции (см. Приложение Расчет вектора инициализации для шифрования файла архива).
В архиве по умолчанию сохраняются следующие данные:
состояние батареи;
- статус прибора (служебная информация для обращения в сервисный центр и в группу технической поддержки).
В OwenLogic можно настроить архивирование параметров сетевого интерфейса, в том числе пользовательские сетевые переменные (подробнее см. Руководство пользователя OwenLogic).
В памяти прибора архивы хранятся в виде записей. Записи разделены символами переноса строки (0x0D0A). Каждая запись соответствует одному параметру и состоит из полей, разделенных символом «;» (без кавычек). Формат записи приведен в таблице ниже.
Формат записи в файле архива
| Параметр | Тип | Размер | Комментарий |
|---|---|---|---|
| Метка времени | Binary data | 4 байта | В секундах начиная с 00:00 01.01.2000 (UTC+0) |
| Разделитель | Строка | 1 байт | Символ «;» (без кавычек) |
| Уникальный идентификатор параметра (UID) | Строка | 8 байт | В виде строки из HEX-символов с ведущими нулями |
| Разделитель | Строка | 1 байт | Символ «;» (без кавычек) |
| Значение параметра | Строка | Зависит от параметра | В виде строки из HEX-символов с ведущими нулями |
| Разделитель | Строка | 1 байт | Символ «;» (без кавычек) |
| Статус параметра | Binary data | 1 байт | 1 – значение параметра корректно; 0 – значение параметра некорректно и его дальнейшая обработка не рекомендована |
| Перенос строки | Binary data | 2 байта | \n\r (0x0D0A) |
Запись в архив производится циклически. Период архивации, ограничение на размер одного файла и количество файлов архива задается пользователем в OWEN Configurator или OwenLogic. Если архив полностью заполнен, то данные перезаписываются, начиная с самых старых данных самого старого файла.
Архив можно считать с помощью:
OWEN Configurator;
пользовательского ПО (с помощью 20 функции Modbus).
С помощью OWEN Configurator архив можно сохранить в формате CSV, кодировка Win-1251.
Прибор фиксирует время в архивных файлах по встроенным часам реального времени. Также можно задать часовой пояс, который будет считываться внешним ПО. Архив записывается во флэш-память (flash) с определенной частотой, рассчитанной таким образом, чтобы ресурса флеш-памяти (flash) прибора хватило на срок не менее 10 лет работы.
Архив считывается с помощью 20 функции Modbus (0x14). Данная функция возвращает содержание регистров файла расширенной памяти. Функция поддерживает возможность считывать несколько групп, которые могут быть разделены, однако посылка внутри каждой группы должна быть непрерывной.
Запрос специфицирует группу или группы для чтения. Каждая группа определяется в поле «суб-запроса», которое содержит 7 байт:
тип ссылки – 1 байт (должен быть специфицирован как 6);
номер файла расширенной памяти – 2 байта;
начальный адрес регистра внутри файла – 2 байта;
количество регистров для чтения – 2 байта.
Количество регистров для чтения, вместе с другими полями в ответе, не должно превышать допустимую длину Modbus-сообщения – 256 байт.
Каждый файл содержит 10000 регистров, адресуемых как 0х0000–0х270F.
Настройка сетевых интерфейсов
Общие сведения
В приборе, в зависимости от модификации, устанавливается до двух интерфейсов RS-485 для организации работы по стандартному протоколу Modbus. Вне зависимости от модификации в приборе всегда есть один интерфейс Ethernet.
Сетевые настройки прибора можно задать с помощью OWEN Configurator или в OwenLogic.
По интерфейсу Ethernet прибор работает по протоколу Modbus TCP (см. раздел).
По Modbus TCP прибор можно опрашивать в четыре потока.
OwenCloud опрашивает прибор в отдельном потоке и не мешает обмену по Modbus TCP.
Параметры сетевых интерфейсов
Ethernet
Параметры интерфейса Ethernet настраиваются с помощью OWEN Configurator или OwenLogic.

IP-адрес может быть:
статический;
- динамический.
Статический IP-адрес устанавливается с помощью OWEN Configurator, OwenLogic или сервисной кнопки.
Для обмена по сети Ethernet должны быть заданы параметры, приведенные в таблице ниже.
Параметры Ethernet
| Параметр | Описание |
|---|---|
| IP-адрес | Может быть статическим или динамическим. Заводская настройка – 10.2.11.122 |
| Маска подсети | Задает видимую прибором подсеть IP-адресов других устройств. Заводская настройка – 255.255.0.0 |
| IP-адрес шлюза | Задает адрес шлюза для выхода в Интернет. Заводская настройка – 10.2.1.1 |
DNS сервер 1 | Используется для получения IP-адреса по имени хоста. Минимальное значение — 0.0.0.0, максимальное— 255.255.255.255 |
DNS сервер 2 | |
| Режим DHCP | Настройка режима работы DHCP. Возможные значения: 0 – выкл. 1 – вкл. |
| Применить сейчас | 0 – Нет; 1 – Да |
Для установки статического IP-адреса с помощью OWEN Configurator или OwenLogic следует:
Зайти во вкладку «Сетевые настройки».
Режим DHCP должен быть настроен как «Выкл».
Установить значение в полях «Установить IP адрес», «Установить маску подсети» и «Установить IP адрес шлюза».
Для установки статического IP-адреса c помощью сервисной кнопки следует:
Подключить прибор к сети Ethernet.
Зайти во вкладку «Сетевые настройки» в OwenLogic.
Режим DHCP настроить как «Вкл»
Установить значение в полях «Установить IP адрес», «Установить маску подсети» и «Установить IP-адрес шлюза».
«Применить сейчас» настроить в «Нет».
Запустить OWEN Configurator на ПК, подключенному к той же сети Ethernet.
Выбрать вкладку «Назначение IP-адресов».
Нажать сервисную кнопку, контролируя результат в окне программы. В окне OWEN Configurator будет отображаться информация о присвоенном статическом IP-адресе и других параметрах сети.
RS-485
Параметры интерфейса RS-485 настраиваются с помощью OWEN Configurator или OwenLogic.

Параметры RS-485
| Параметр | Описание |
|---|---|
| Скорость СОМ-порта | Скорость работы СОМ-порта. Возможные значения: 3 – 9600 бит/с 4 – 14400 бит/с 5 – 19200 бит/с 6 – 38400 бит/с 7 – 57600 бит/с 8 – 115200 бит/с |
| Размер данных | Размер данных в посылке. Возможные значения: 0 – 8 бит 1 – 7 бит |
| Кол. стоп-битов | Возможные значения: 0 – 1 стоп 1 – 2 стопа |
| Контроль четности | Количество стоп-бит. Возможные значения: 0 – нет 1 – нечет 2 – чет |
| Slave ID | Адрес прибора в сети RS-485. По умолчанию — 16 |
Modbus RTU/Modbus ASCII
Прибор работает по интерфейсу RS-485 по одному из режимов обмена данными: Modbus-RTU (Master/Slave) или Modbus-ASCII (Master/Slave). Прибор автоматически распознает режим обмена Modbus-RTU или Modbus-ASCII.
Параметры работы можно настроить в OwenLogic (см. раздел).
Modbus TCP
По протоколу Modbus TCP прибор работает только через Ethernet порт. Работа по протоколу Modbus TCP настраивается в OwenLogic (см. раздел).
Следует отключать режим DHCP в настройках Ethernet в случаях:
в локальной сети нет DHCP сервера;
прибор соединен с компьютером в сеть «точка-точка».
Режимы Master и Slave
Режим Master
Когда сетевые интерфейсы настроены в режим Master, прибор поддерживает следующие возможности:
чтение по таймеру;
чтение/запись по событию;
запись по изменению (используется по умолчанию).
Для RS-485 допускается наличие только одного устройства в режиме Master.
Прибор поддерживает управление до 32 устройствами и 64 переменными. Допускается использование одинаковых адресов и имен переменных для каждого устройства.
В сетевом регистре с адресом 2008 DEC (0х7D8 HEX) хранятся статусы обмена со Slave устройствами: 1 в соответствующем бите (32 бита на 32 Slave устройства) означает, что обмен с устройством есть, 0 - что обмена нет.
Регистр с адресом 2010 DEC (0х7DA HEX) существует для управления обменом со Slave устройствами: 1 в соответствующем бите (32 бита на 32 Slave устройства) - разрешить обмен с устройством, 0 - запретить обмен.
Объем памяти под сетевые переменные в режиме Master — 512 байт.
Для опроса следует добавить и настроить устройства (см. рисунок ниже).

| Параметр | Описание |
|---|---|
Имя | Имя устройства для отображения в дереве настроек |
| Интерфейс | Указывается интерфейс опроса RS-485 или Ethernet |
| Адрес | Сетевой адрес устройства |
Таймаут ответа | Время, по истечении которого попытка опроса считается неудачной |
| Протокол | Протокол опроса прибора |
Кол-во попыток | Неудачных попыток опроса, при достижении которого изменяется Статус устройства. |
Старшим регистром вперед | Определяет очередность посылки регистров во время работы с двухрегистровыми переменными |
Старшим байтом вперед | Определяет очередность следования байтов в посылке |
Режим Slave
Когда сетевые интерфейсы настроены в режим Slave, прибор поддерживает следующие функции:
- чтение значений из нескольких регистров флагов, хранения и ввода;
- чтение значений из одиночных регистров флагов, хранения и ввода;
- запись значений в несколько регистров хранения и флагов;
запись значений в одиночные регистры хранения и флагов.
Переключение сетевого интерфейса в режим Slave производится с помощью OwenLogic. Карты регистров для опроса приведены в Приложении Карты регистров.
Объем памяти под сетевые переменные в режиме Slave — 2040 байт.
Настройка таймаута перехода в безопасное состояние
В случае, когда связь с Мастером сети потеряна, прибор может перейти в безопасное состояние.

Настройка таймаута
| Параметр | Описание |
|---|---|
| Таймаут перехода в безопасное состояние | Прибор переходит в безопасное состояние, если в течение времени тайм-аута отсутствуют команды от Мастера сети. Если значение 0, то переход в безопасное состояние отключен |
Работа по протоколу Modbus
Список поддерживаемых функций
Название функции | Код согласно спецификации Modbus | Описание функции |
|---|---|---|
MODBUS_READ_HOLDING_REGISTERS | 3 (0x03) | Чтение значений из одного или нескольких регистров хранения |
MODBUS_READ_INPUT_REGISTERS | 4 (0x04) | Чтение значений из одного или нескольких регистров ввода |
MODBUS_WRITE_SINGLE_REGISTER | 6 (0x06) | Запись значения в один регистр |
MODBUS_WRITE_MULTIPLE_REGISTERS | 16 (0x10) | Запись значений в несколько регистров |
MODBUS_READ_FILE_RECORD | 20 (0x14) | Чтение архива из файла |
MODBUS_WRITE_FILE_RECORD | 21 (0x15) | Запись архива в файл |
Параметры битовой маски могут читаться функциями 0х03 и 0х01. В случае использования функции 0x01 номер регистра следует умножить на 16 и прибавить номер бита.
Общие регистры оперативного обмена по протоколу Modbus
| Название | Регистр | Размер | Тип | Описание |
|---|---|---|---|---|
| Название (имя) прибора для показа пользователю (DEV) | 0xF000 | 32 байта | Символьная строка | Кодировка Win-1251 |
| Версия встроенного ПО прибора для показа пользователю (VER) | 0xF010 | 32 байта | Символьная строка | Кодировка Win-1251 |
| Название платформы | 0xF020 | 32 байта | Символьная строка | Кодировка Win-1251 |
| Версия платформы | 0xF030 | 32 байта | Символьная строка | Кодировка Win-1251 |
| Версия аппаратного обеспечения | 0xF040 | 16 байт | Символьная строка | Кодировка Win-1251 |
| Дополнительная символьная информация | 0xF048 | 16 байт | Символьная строка | Кодировка Win-1251 |
| Время и дата | 0xF080 | 4 байта | Unsigned 32 | В секундах с 2000 г. |
| Часовой пояс | 0xF082 | 2 байта | Signed short | Смещение в минутах от Гринвича |
| Заводской номер прибора | 0xF084 | 32 байта | Символьная строка | Кодировка Win-1251, используется 17 символов |
Основные форматы данных
| Формат данных | Кол-во регистров | Размер | Описание |
|---|---|---|---|
| Unsigned 16 | 1 | 2 байта | Целое число без знака |
| Unsigned 32 | 2 | 4 байта | |
| Signed 16 | 1 | 2 байта | Целое число со знаком |
| Date time 32 | 2 | 4 байта | Дата/Время в секундах с 1 января 2000 г. |
Специальные форматы данных
| Формат данных | Кол-во регистров | Размер | Описание |
|---|---|---|---|
| Enum 1...Enum 37 | 1 | 1 байт | Описывает позицию выбранного параметра из списка доступных в OWEN Configurator, например, тип датчика для дискретно-аналоговых входов |
| Float 32 | 2 | 4 байт | Вещественный формат представления данных |
| Unsigned 8 | 1 | 1 байт | Целочисленный беззнаковый формат |
| String 48 | 3 | 6 байт | Строка из шести символов |
| String 64 | 4 | 8 байт | Строка из восьми символов |
| String 128 | 8 | 16 байт | Строка из шестнадцати символов |
Список регистров Modbus можно считать с прибора с помощью OWEN Configurator во вкладке «Параметры устройства».
Список регистров Modbus представлен в таблицах Приложения Карты регистров Modbus.
При работе с переменными, занимающими два и более регистра:
порядок байт — старшим байтом вперед;
порядок регистров — младшим регистром вперед.
Обработка ошибок обмена по Modbus
Список кодов общих ошибок Modbus
Возвращаемый код* | Описание ошибки |
|---|---|
01 | В приборе не реализована обработка запрашиваемого кода функции |
02 | Адрес данных, указанный в запросе, отсутствует в приборе. Критерии проверки – удовлетворение диапазону начального адреса регистра и количество регистров |
03 | Значение, содержащееся в поле данных запроса, является недопустимой величиной. Критерий проверки – соответствие длины записываемых или читаемых данных размерности типа регистра; соответствие записываемой величины условиям минимального и максимального значений регистра |
04 | Невосстанавливаемая ошибка. Критерий – получение запроса при нахождении прибора в состоянии «Авария» |
| 05 | Запрос принят в работу, но на его обработку требуется много времени. Код ошибки предохраняет ведущее устройство от генерации ошибки тайм-аута. Критерий проверки – время на обработку запроса превышает заданное значение (например, при приеме запроса при исполнении программы логики) |
| 06 | Устройство занято. Критерий – прием запроса при наличии в обработке предыдущего запроса |
| 08 | Ошибка при обращении с запросами на чтение (функция 20) или запись (функция 21) файла. Критерий – неверная CRC или нарушение целостности файла при его чтении из памяти |
Обработка пакетов производится в следующем порядке:
Проверяется валидность пакета. Не прошедший проверку пакет отбрасывается.
Проверяется адрес (SlaveID), если получен чужой пакет, то такой пакет игнорируется.
Проверка на функцию Modbus.
Если приходит запрос с функцией, не из таблицы выше, то выдается ошибка «MODBUS_ILLEGAL_FUNCTION».
Расшифровка ошибок данных и файлов приведена в таблицах ниже.
Обработка ошибок данных
| Используемая функция | Наименование ошибки | Возможные ситуации, приводящие к ошибке |
|---|---|---|
| MODBUS_READ_ HOLDING_REGISTERS | MODBUS_ILLEGAL_DATA_ADDRESS | Количество запрашиваемых регистров больше максимально возможного числа (125). Запрос несуществующего параметра |
| MODBUS_READ_INPUT_ REGISTERS | MODBUS_ILLEGAL_DATA_ADDRESS | Количество запрашиваемых регистров больше максимально возможного числа (125). Запрос несуществующего параметра |
| MODBUS_WRITE_SINGLE_ REGISTER | MODBUS_ILLEGAL_DATA_ADDRESS | Попытка записи параметра, размер которого превышает 2 байта. Попытка записи параметра, доступ на запись к которому запрещен. Попытка записи параметра такого типа, запись в который не может быть осуществлена данной функцией. Запрос несуществующего параметра. Поддерживаемые типы данных:
|
| MODBUS_ILLEGAL_DATA_VALUE | Выход за пределы максимального или минимального ограничений для параметра | |
| MODBUS_WRITE_ MULTIPLE_REGISTERS | MODBUS_ILLEGAL_DATA_ADDRESS | Запись несуществующего параметра. Попытка записи параметра, доступ на запись к которому запрещен. Количество записываемых регистров больше максимального возможного числа (123) |
| MODBUS_ILLEGAL_DATA_VALUE | Не найден терминирующий символ (\0) в строковом параметре. Размер запрашиваемых данных меньше размера первого или последнего в запросе параметра. Выход за пределы максимального или минимального ограничений для параметра |
Ошибки во время работы с файлами архива
| Используемая функция | Наименование ошибки | Возможные ситуации, приводящие к ошибке |
|---|---|---|
| MODBUS_READ_FILE_ RECORD | MODBUS_ILLEGAL_ FUNCTION | Ошибочный размер данных (0x07 ≤ data length ≤ 0xF5) |
| MODBUS_ILLEGAL_DATA_ ADDRESS | Reference type не соответствует спецификации; не удалось открыть файл для чтения (возможно, он отсутствует) | |
| MODBUS_ILLEGAL_DATA_ VALUE | Не удалось переместиться к нужному смещению в файле | |
| MODBUS_SLAVE_DEVICE_ FAILURE | Ошибка удаления файла при запросе на удаление. Запрос слишком большого количества данных (больше 250 байт). Недопустимый record number (больше 0x270F). Недопустимый record length (больше 0x7A) | |
| MODBUS_WRITE_FILE_ RECORD | MODBUS_ILLEGAL_ FUNCTION | Ошибочный размер данных (0x09 ≤ data length ≤ 0xFB) |
| MODBUS_ILLEGAL_DATA_ ADDRESS | Reference type не соответствует спецификации. Не удалось открыть файл для записи | |
| MODBUS_SLAVE_DEVICE_ FAILURE | Запрашиваемый файл отсутствует. Запрашиваемый файл доступен только для чтения. Не удалось записать необходимое количество байт |
Настройка параметров работы OwenCloud
Для соединения с сервером OwenCloud в локальной сети должен быть открыт порт 26502.
Рекомендуется в настройках подключаемых приборов указывать в качестве DNS-сервера Google Public DNS (8.8.8.8).
Прибор должен быть запитан от внешнего источника питания и подключен к Интернет с помощью интерфейса Ethernet.
Для подключения прибора к OwenCloud следует:
Подключить прибор к ПК и создать проект в OwenLogic с использованием сетевых переменных.
Установить пароль для доступа к прибору (см. раздел).
ПредупреждениеЕсли пароль для прибора не задан, то подключение к OwenCloud невозможно.В окне настроек прибора разрешить доступ к OwenCloud.

Настройки подключения к OwenCloud
ПримечаниеЗначение параметра Статус подключения к OwenCloud можно считать по Modbus или привязать переменную пользовательской программы. Описание параметра приведено в таблице ниже.
Возможные состояния параметра «Статус подключения к OwenCloud»
Состояние Значение Описание Нет соединения 0 Выключен обмен с OwenCloud Идентификация 1 Устанавливается подключение к OwenCloud Работа 2 OwenCloud управляет прибором, ошибок нет Ошибка сети 3 Прибор не может установить соединение с сервером OwenCloud Нет пароля 4 Не установлен пароль на прибор Разрешить удаленный доступ к регистрам Modbus.

Удаленный доступ к регистрам Modbus
ПримечаниеНастроить параметры прибора для работы с OwenCloud так же можно в OWEN Configurator. Но без загруженной программы сетевые переменные доступны не будут.Загрузить программу в прибор.
ПримечаниеСледует убедиться, что переключатель Работа/Стоп находится в положении Работа.Зайти на главную страницу сервиса OwenCloud. Если необходимо, то пройти процедуру регистрации.
Перейти на вкладку Администрирование, открыть вкладку Приборы и нажать кнопку
.Появится окно с выбором типа прибора.

Выбор типа прибора Вариант ПР205 по Ethernet — Автоопределение:
В появившемся окне в полях:
Идентификатор ввести заводской номер прибора;
Адрес в сети оставить без изменения адрес 1;
Название прибора – ввести название прибора;
Часовой пояс – указать часовой пояс, в котором находится прибор.
Нажать кнопку «Добавить». Откроется интерфейс базовых настроек прибора.
Ввести пароль от прибора. Если необходимо, можно изменить и другие настройки (например, период опроса).
Нажать кнопку «Сохранить» для применения новых настроек.
OwenCloud подключится к прибору и считает все параметры из него.
Вариант ПР205 по Ethernet — Ручная настройка:
В полях:
Идентификатор ввести заводской номер прибора;
Адрес в сети оставить без изменения адрес 1;
Название прибора – ввести название прибора;
Часовой пояс – указать часовой пояс, в котором находится прибор.
Нажать кнопку «Добавить». Откроется интерфейс общих настроек прибора.
Нажать кнопку «Сохранить» для применения новых настроек.
Далее на вкладке Параметры/Настройки параметров добавить сетевые параметры прибора. Сетевые параметры можно сохранить в виде файла *.json, если воспользоваться расширением Экспорт устройства в OwenCloud OwenLogic. Для добавления параметров следует нажать на выпадающий список Импортировать и выбрать вариант Загрузить из JSON. В открывшемся меню выбрать ранее созданный файл в формате *.json и нажать кнопку Загрузить параметры.

Импорт параметров
Вариант ПР205 по RS485 - Через шлюз:
В появившемся окне в полях:
Идентификатор ввести заводской номер шлюза;
Адрес в сети установить в соответствии с адресом порта к которому подключен шлюз;
Название прибора – ввести название прибора;
Часовой пояс – указать часовой пояс, в котором находится прибор.
Нажать кнопку «Добавить». Появится окно настройки обмена с OwenCloud.

Настройки обмена с OwenCloud Поля:
Скорость СОМ-порта
Настройка СОМ-порта установить в соответствии с адресом порта к которому подключен шлюз;
Протокол Modbus – ввести название прибора;
должны соответствовать аналогичным настройкам порта к которому подключен шлюз.
Нажать кнопку «Сохранить» для применения новых настроек.
Далее на вкладке Параметры/Настройки параметров добавить сетевые параметры прибора. Сетевые параметры можно сохранить в виде файла *.json, если воспользоваться расширением Экспорт устройства в OwenCloud OwenLogic. Для добавления параметров следует нажать на выпадающий список Импортировать и выбрать вариант Загрузить из JSON. В открывшемся меню выбрать ранее созданный файл в формате *.json и нажать кнопку Загрузить параметры.

Импорт параметров
Если все настройки были корректными, то на вкладке Общие данные отобразятся данные от прибора.
Если прибор не опрашивается из OwenCloud, то следует проверить:
Сетевые настройки, параметр Статус подключения:

Пример отображения статуса Cтатус подключения к OwenCloud.

Пример отображения подключения к OwenCloud
Если значения не пишутся в прибор из OwenCloud следует проверить наличие установленной галочки в столбце Управляемый параметр.

Настройка часов
Настройка часов производится в ветви Часы.

Настройка часов
| Параметр | Описание |
|---|---|
| Установить дату и время компьютера | После нажатия кнопки Записать в прибор будет записаны дата и время с ПК |
| Установить часовой пояс компьютера | После нажатия кнопки Записать в прибор будет записано значение часового пояса с ПК |
В ветви Часы реального времени можно привязать переменные программы пользователя к настройкам часов реального времени прибора для их изменения из программы.

Часы реального времени
| Параметр | Описание |
|---|---|
| Время и дата (UTC) | Текущее время в секундах от 1 января 2000 г. |
| Часовой пояс, мин | Задает часовой пояс, в котором находится прибор |
| Время в миллисек, мс | Время работы прибора с момента подачи питания (USB или внешнего) |
Так же в узле Переменные даты и времени можно связать программу пользователя со значениями даты и времени.

Настройки прибора

| Параметр | Описание |
|---|---|
| Подсветка экрана | Настраивает время
работы подсветки экрана. Значения:
|
| Яркость | Управляет яркостью подсветки экрана. Диапазон: 0 — 100 |
Параметры батареи

Настройка параметров статуса
В дереве параметров прибора доступны параметры статуса прибора и его батареи.

Описание значений параметра «Ошибки»
Значение | Описание | Примечание |
|---|---|---|
0 | Нет основной тактовой частоты | Проверяются один раз при старте |
1 | Некорректный ID микроконтроллера | |
2 | Зависание микроконтроллера из-за аппаратно-зависимой ошибки в ПО | |
3 | Не инициализируется шина SPI Flash-памяти или установлена не поддерживаемая модель Flash-памяти | |
4 | Ошибка часов реального времени | |
5 | Ошибка сторожевого таймера | Проверяются периодически во время работы |
6 | Ошибка Retain | |
7 | Ошибка инициализации логики |
Описание значений параметра «Предупреждения»
Значение | Описание | Примечание |
|---|---|---|
0 | Предупреждение батареи | Проверяются периодически во время работы |
1 | Предупреждение интерфейса Ethernet | |
2 | Предупреждение безопасного состояния |

Возможные состояния параметра «Состояние батареи»
| Значение | Описание |
|---|---|
| 0 | Норма |
| 1 | Разряжена |
Для подключенных модулей расширения доступны параметры статуса.

Параметр Статус модуля расширения можно считать по Modbus или привязать переменную пользовательской программы. Значения и описание параметра приведены в таблице ниже.
Возможные состояния параметра «Статус» модуля расширения
| Значение | Описание |
|---|---|
| 0 | Отсутствует обмен с модулем расширения |
| 1 | Есть обмен с модулем расширения |
Параметр Состояние подключения модуля расширения можно считать по Modbus или привязать переменную пользовательской программы. Значения и описание параметра приведены в таблице ниже.
Возможные состояния параметра «Состояние подключения» модуля расширения
| Состояние | Значение | Описание |
|---|---|---|
| Не подключен | 0 | Обмен отсутствует, модуль отключен |
| Инициализация | 1 | Процесс подключения модуля |
| Обнаружен | 2 | Модуль обнаружен. Не проверено соответствие версии встроенного ПО и модели добавленного в слот модуля и не записаны настройки |
| Несоответствие типа модуля | 3 | Связь установлена, но подключен модуль другой модели |
| Несоответствие версии ПО | 4 | Связь установлена, но версия встроенного ПО модуля не актуальная |
| В работе | 5 | Связь установлена. Модель модуля соответствует подключенной в слот. Версия встроенного ПО модуля актуальная. Модуль можно задействовать в программе пользователя |
Восстановление заводских настроек
После восстановления заводских настроек:
пользовательская программа удаляется;
все настройки, кроме IP-адресов Ethernet, сбрасываются на заводские значения;
пароль удаляется.

Для восстановления заводских настроек следует:
Включить питание прибора.
Подцепив за рифленую зону, открыть лицевую панель прибора.
С помощью тонкого инструмента нажать и удерживать сервисную кнопку более 12 секунд.
Отпустить кнопку. Прибор перезагрузится и сбросит настройки на заводские значения.
Отключить питание прибора.
При следующей подаче питания прибор начнет работу с заводскими настройками.
Монтаж
Установка
Во время размещения прибора следует учитывать меры безопасности из раздела.
Монтаж прибора производится в шкафу, конструкция которого должна обеспечивать защиту от попадания в него влаги, грязи и посторонних предметов.
Для установки прибора на DIN-рейке следует:
- Подготовить на DIN-рейке место для установки в соответствии с
размерами прибора (см. рисунок).

Габаритные размеры прибора - Вставив отвертку в проушину, оттянуть защелку (см. рисунок, 1). Установить прибор на DIN-рейку.
- Прижать прибор к DIN-рейке (см. рисунок, 2, стрелки 1 и 2). Отверткой вернуть защелку в исходное положение.
- Смонтировать внешние устройства с помощью ответных клеммников из комплекта поставки.
Для демонтажа прибора следует:
- Отсоединить съемные части клемм от прибора.
- В проушину защелки вставить острие отвертки.
Защелку отжать, после чего отвести прибор от DIN-рейки.

«Быстрая» замена
Конструкция клемм позволяет оперативно заменить прибор без демонтажа подключенных к нему внешних линий связи.
Для «быстрой» замены прибора следует:
- Обесточить все линии связи, подходящие к прибору, в том числе линии питания.
- Отделить от прибора съемные части каждой из клемм вместе с подключенными внешними линиями связи с помощью отвертки или другого подходящего инструмента (см. рисунок).
- Снять прибор с DIN-рейки, на его место установить другой прибор (аналогичной модификации) с предварительно удаленными съемными частями клемм.
- К установленному прибору подсоединить съемные части клемм с подключенными внешними линиями связи.

Подключение
Рекомендации к подключению
В зависимости от модификации прибору требуется переменное или постоянное напряжение питания.
Прибор следует подключать к сети переменного тока от сетевого фидера, не связанного непосредственно с питанием мощного силового оборудования. Во внешней цепи рекомендуется установить выключатель, обеспечивающий отключение прибора от сети.
Для обеспечения надежности электрических соединений рекомендуется использовать кабели медные многожильные, концы которых перед подключением следует тщательно зачистить и залудить или использовать кабельные наконечники. Жилы кабелей следует зачищать так, чтобы их оголенные концы после подключения к прибору не выступали за пределы клеммника. Сечение жил кабелей должно быть не более 2,5 мм2.
Для записи пользовательской программы прибор подключается через интерфейсный порт microUSB к USB-порту ПК.
Аналоговые входы и выходы, транзисторные выходы «КТ» и интерфейс USB не имеют гальванической развязки между собой. Для безопасной работы с данными входами и выходами, подключаемое к ним оборудование должно иметь одинаковый потенциал заземления или иметь гальваническую изоляцию. Чтобы избежать выхода из строя прибора, перед включением оборудования следует убедиться, что подключаемые к данным входам и выходам устройства имеют одинаковый потенциал заземления. Если нет возможности обеспечить одинаковый потенциал заземления оборудования — запрещается подключать к аналоговым входам и выходам, транзисторным выходам «КТ» и USB устройства одновременно. Во время программирования прибора по USB следует отключать от аналоговых входов и выходов, а так же транзисторных выходов «КТ» кабели или использовать устройства с гальванической развязкой (устройство гальванической развязки интерфейса USB, ноутбук с питанием от батареи и т. п.).
Помехи и методы их подавления
На работу прибора могут оказывать влияние внешние помехи:
- возникающие под действием электромагнитных полей (электромагнитные помехи), наводимые на прибор и на линии связи с внешним оборудованием;
- в питающей сети.
Для уменьшения влияния электромагнитных помех рекомендуется:
- надежно экранировать сигнальные линии, экраны следует электрически изолировать от внешнего оборудования на протяжении всей трассы и подсоединить к заземленному контакту щита управления;
- установить прибор в металлическом шкафу, внутри которого не должно быть никакого силового оборудования, корпус шкафа должен быть заземлен.
Для уменьшения помех, возникающих в питающей сети рекомендуется:
- монтируя систему, в которой работает прибор, следует учитывать
правила организации эффективного заземления и прокладки заземленных
экранов:
- все заземляющие линии и экраны прокладывать по схеме «звезда» с обеспечением хорошего контакта с заземляемым элементом;
- заземляющие цепи должны быть выполнены кабелями наибольшего сечения.
Для уменьшения уровня помех можно применять программные фильтры, которые настраиваются индивидуально для каждого входа. Программные фильтры доступны для:
- всех типов аналоговых датчиков;
- дискретных входов с номинальным напряжением 24 В.
Схемы гальванической развязки
Схемы гальванической развязки ПР205–230.х.х.х
| Прибор | Схема гальванической развязки |
|---|---|
| ПР205-230.1211.02.0.0 | ![]() |
| ПР205-230.1211.02.2.0 | ![]() |
| ПР205-230.1211.06.0.0 | ![]() |
| ПР205-230.1211.06.2.0 | ![]() |
| ПР205-230.1211.22.0.0 | ![]() |
| ПР205-230.1211.22.2.0 | ![]() |
| ПР205-230.1211.26.0.0 | ![]() |
| ПР205-230.1211.26.2.0 | ![]() |
ПР205-230.1816.02.0.0 | ![]() |
ПР205-230.1816.02.2.0 | ![]() |
ПР205-230.1816.06.0.0 | ![]() |
Схемы гальванической развязки ПР205–24.х.х.х
| Прибор | Схема гальванической развязки |
|---|---|
| ПР205-24.1211.02.0.0 | ![]() |
| ПР205-24.1211.02.2.0 | ![]() |
| ПР205-24.1211.06.0.0 | ![]() |
| ПР205-24.1211.06.2.0 | ![]() |
ПР205-24.1816.02.0.0 | ![]() |
ПР205-24.1816.02.2.0 | ![]() |
ПР205-24.1816.06.0.0 | ![]() |
ПР205-24.1816.06.2.0 | ![]() |
Подключение датчиков
Подключение датчиков с выходом типа «сухой контакт» к дискретным входам


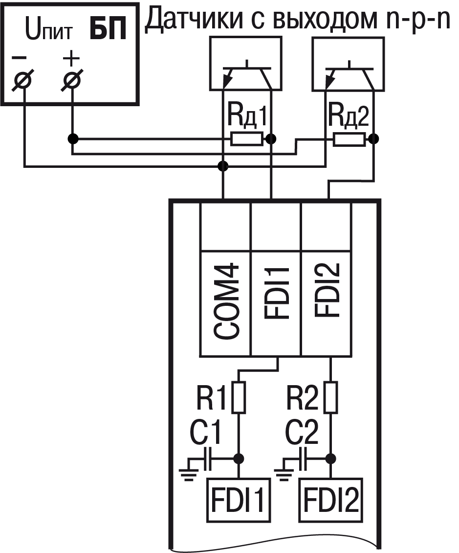
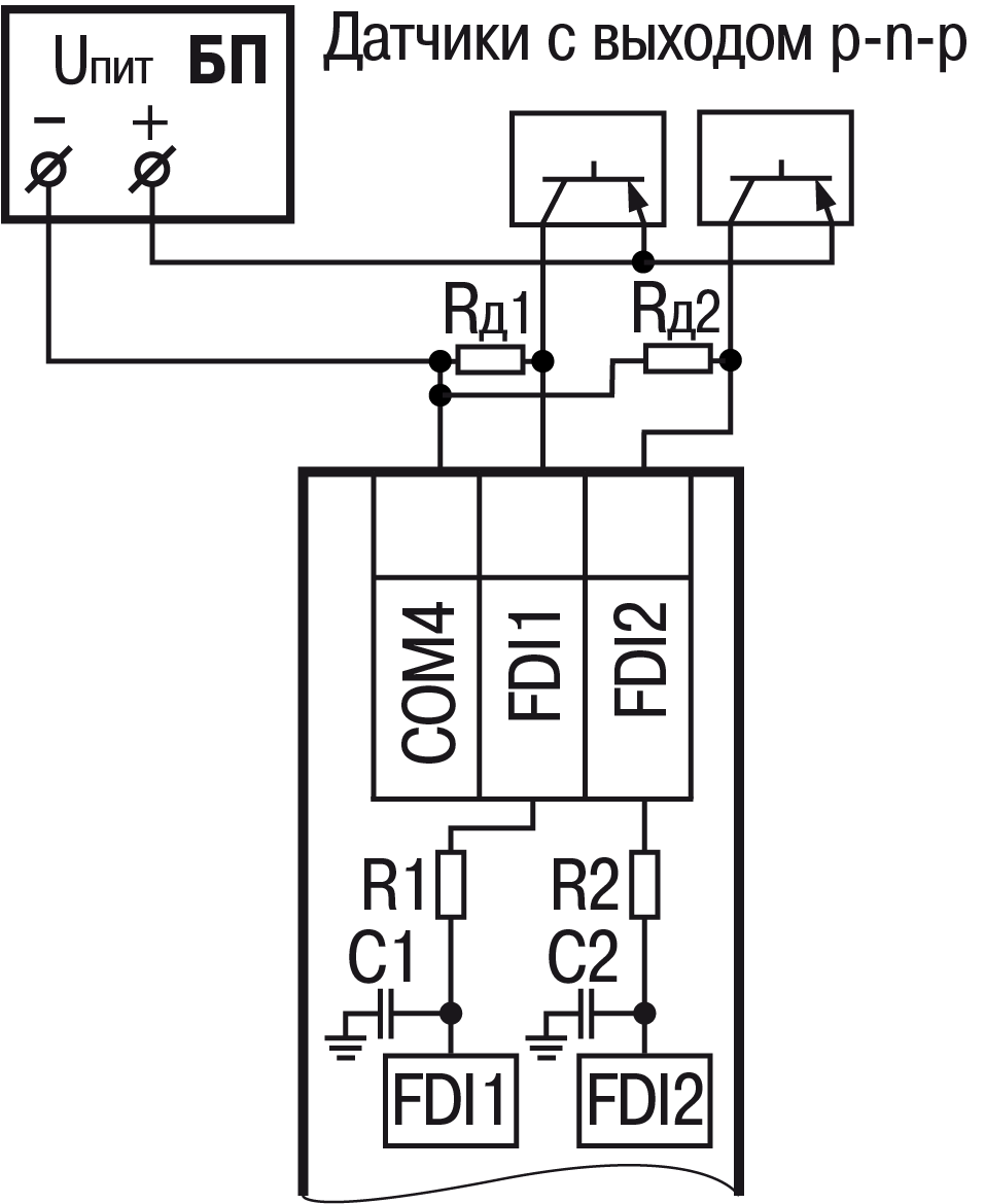
Подключение датчиков к быстрым дискретным входам типа «ДС»
На каждом быстром дискретном входе расположен RC-фильтр с R = 750 Ом и C = 470 пФ. Минимальный уровень верхней границы «логического нуля» входа UDI lmin = 6,5 В. Максимальный уровень нижней границы «логической единицы» дискретного входа UDI hmax = 8,55 В.
Датчик с выходом push-pull
Дискретный датчик с выходом push-pull следует подключать напрямую к входу типа «ДС».

Датчик с выходом n-p-n транзистора
Датчик с выходом на n-p-n транзистора следует подключать с помощью дополнительного резистора Rд (см. рисунок ниже).

Номинал резистора Rд зависит от:
напряжения питания Uпит;
времени нахождения транзистора датчика в закрытом состоянии (tcl_VT);
требуемой нижней границы уровня логической единицы.
Минимальный уровень напряжения Uпит min, который прибор будет воспринимать как «логическую единицу», рассчитывается по формуле:
Где Iном DI – номинальный ток быстрого дискретного входа, составляющий 2,72 мА. Если Uпит будет ниже расчетного Uпит min, то прибор не воспримет такое напряжение как «логическую единицу».
Поскольку на дискретном входе прибора установлен RC-фильтр, длительность tcl_VT и напряжение Uпит влияет на то, успеет ли емкость С1 зарядиться до максимального уровня нижней границы «логической единицы» входа (UDI h max).
Если напряжение Uпит будет слишком низкое, а сопротивление Rд слишком большим, то может не хватить времени когда транзистор датчика закрыт, чтобы зарядить емкость С1 до 8,55 В.
Напряжение, до которой заряжается емкость С1, рассчитывается по формуле:
где:
Ut – напряжение, до которого зарядится конденсатор С1;
t – время заряда.
Т рассчитывается
по формуле:
Ut должно быть больше 8,55 В и находиться на таком уровне не менее 5 мкс для быстрого дискретного входа. Максимальное значение сопротивления Rд, при котором напряжение на входе UDI достигнет 8,55 В, рассчитывается по формуле:
Длительность нахождения транзистора датчика в закрытом состоянии для быстрого дискретного входа должно быть равно Ut + 5 мкс. При этом надо подбирать датчик с выходом p–n–p транзистора с учетом допустимого тока и рассеиваемой мощности, а резистор Rд с учетом рассеиваемой мощности.
Из формулы 6.1 следует второе ограничение номинала резистора Rд:
Пример
Дано:
Датчик n-p-n подключен к прибору и источнику питания 12 В.
tcl_VT = 5 мкс.
Расчет:
Для надежной работы напряжение UDI должно достичь 8,55 В за 3 мкс и минимум 2 мкс не опускаться ниже этого значения.
Номинал резистора Rд должен соответствовать условиям формул 6.4 и 6.5:
Таким образом, номинал Rд должен быть не больше 518 Ом.
Некоторые значения номиналов резистора Rд в зависимости от напряжения питания и длительности пассивного уровня дискретного выхода приведены в таблице ниже.
Значения номиналов резистора R
Напряжение питания быстрого дискретного входа (Uпит), В | Длительность пассивного уровня быстрого дискретного входа, мс | Сопротивление Rд, Ом |
|---|---|---|
12 | 0,01 | 500 |
24 | 4500 |
Датчик с выходом p-n-р транзистора
Датчик с выходом на p-n-р транзистора следует подключать с помощью дополнительного резистора Rд (см. рисунок ниже).

Номинал резистора Rд зависит от напряжения питания Uпит и от времени tcl_VT при котором транзистор датчика закрыт.
Поскольку на дискретном входе прибора установлен RC-фильтр, время нахождения транзистора датчика влияет на то, успеет ли емкость С1 разрядиться до минимального уровня верхней границы «логического нуля» дискретного входа (UDI lmin).
Если напряжение Uпит будет слишком высокое, а сопротивление Rд слишком большим, то напряжение на входе прибора может не успеть достичь напряжения 6,5 В за время пока транзистор датчика закрыт.
Напряжение, до которого разрядится емкость С1 рассчитывается по формуле:
где
Ut – напряжение, до которого разрядится конденсатор С1;
t – время разряда.
Т рассчитывается
по формуле:
Ut должно быть меньше 6,5 В и находится на таком уровне не менее 5 мкс. Максимальное значение сопротивления Rд при котором напряжение на входе UDI достигнет 6,5 В, рассчитывается по формуле:
Длительность пассивного уровня дискретного выхода при котором транзистор закрыт, должно быть не менее Ut + 5 мкс.
При этом надо подбирать датчик с выходом транзистора p–n–p с учетом допустимого тока и рассеиваемой мощности, а Rд с учетом рассеиваемой мощности.
Некоторые значения номиналов резистора Rд и длительности пассивного уровня в зависимости от напряжения питания и длительности пассивного уровня дискретного выхода приведены в таблице ниже.
Значения номиналов резистора R и длительности пассивного уровня
Напряжение питания быстрого дискретного входа (Uпит), В | Длительность пассивного уровня быстрого дискретного входа, мс | Сопротивление Rд, кОм |
|---|---|---|
40 | 0,005 | 5 |
30 | 6 | |
24 | 7 |
Подключение дискретных датчиков к аналоговым входам


Подключение аналоговых датчиков
Режим работы универсального входа переключается в OwenLogic (см. раздел).
Во время проверки исправности датчика и линии связи следует отключить прибор от сети питания. Чтобы избежать выхода прибора из строя при «прозвонке» связей, следует использовать измерительные устройства с напряжением питания не более 4,5 В. Для более высоких напряжений питания этих устройств отключение датчика от прибора обязательно.
Параметры линии соединения прибора с датчиком приведены в таблице ниже.
Параметры линии связи прибора с датчиками
| Тип датчика | Длина линий, м, не более | Сопротивление линии, Ом, не более | Исполнение линии |
|---|---|---|---|
| Резистивные сигналы | 100 | —* | Двухпроводная, провода равной длины и сечения |
| Унифицированный сигнал постоянного тока | 100 | 100 | Двухпроводная |
| Унифицированный сигнал напряжения постоянного тока | 100 | 5 | Двухпроводная |
* Для двухпроводной схемы подключения датчика сопротивление проводов, идущих к датчику, суммируется с сопротивлением датчика, и вносит пропорциональную погрешность в измерение. Фактор суммирования сопротивлений следует учитывать во время проектирования схемы подключения и соотносить сопротивление подводящих проводов с рабочим диапазоном сопротивления датчика. Например, датчик Cu 500 (α = 0,00428 °С−1) с диапазоном измерений −50...+200 °С имеет соответствующий диапазон сопротивлений 393,5...926 Ом. Рабочий диапазон датчика составляет 532,5 Ом. Следовательно, сопротивление подводящих проводов в 1 Ом внесет погрешность (1 ∙ 100) / 532,5 = 0,19 % в показания температуры. | |||
ТС подключается по двухпроводной схеме.




Подключение нагрузки к ВЭ
Подключение нагрузки к ВЭ типа «КТ»

Подключение нагрузки к ВЭ типа «Р»

Подключение нагрузок к выходу типа «АУ»

Сопротивление нагрузки для режима работы выхода 4...20 мА должно быть не более 600 Ом.

Сопротивление нагрузки для режима работы выхода 0...10 В должно быть не менее 600 Ом.
Подключение модуля расширения
Модуль подключается к прибору с помощью шлейфа длиной 4,5 см из комплекта поставки модуля. После подключения шлейф следует поместить в специальное углубление под крышкой модуля (рисунок, стрелка 1), тем самым позволяя придвинуть модуль вплотную к головному устройству (рисунок, стрелка 2).

Модули подключаются только последовательно. Ближайший модуль к головному устройству всегда будет располагаться в слоте 1 (см. рисунок ниже). Подключение модуля в слот 2 без модуля в слоте 1 невозможно.

Во время первого подключения к прибору на модуле будет мигать светодиод «Авария», так как модуль не получает команд от головного устройства. После внесения модуля в пользовательскую программу и записи в прибор, светодиод «Авария» на модуле перестанет мигать. В противном случае следует обновить встроенное ПО модуля.
Подключение к сети RS-485
Следует обеспечить максимально-возможную близость значений сопротивления согласующего резистора Rсогл и волнового сопротивления кабеля. Стандартные кабели для организации сети RS-485 имеют волновое сопротивление 120 Ом.


Подключение по интерфейсу Ethernet

Подключение к OwenCloud

Для подключения к OwenCloud следует использовать интерфейс Ethernet. Обмен с OwenCloud возможен одновременно с опросом прибора по Modbus TCP.
Настройка подключения к OwenCloud описана в разделе.
Подключение к ПК
Для подключения к ПК прибор следует использовать кабель microUSB — USB или кабель Ethernet.



Эксплуатация
Управление и индикация
На лицевой панели прибора расположены (см. рисунок ниже):
цветной графический экран;
шесть кнопок;
пять светодиодов;
крышка.

Под крышкой расположены:
разъем для подключения модулей расширения;
переключатель Работа/Стоп;
microUSB порт для программирования прибора.
Переключатель Работа/Стоп
| Положение переключателя | Функция |
|---|---|
| Работа | Пользовательская программа выполняется |
| Стоп | Пользовательская программа остановлена. Можно обновить встроенное ПО прибора (разделе). Или заменить пользовательскую программу, если она вызывает некорректную работу прибора |
| Прибор работает в режиме модуля ввода/вывода (см. раздел) |
Функции кнопок делятся на базовые и программируемые. Базовые функции приведены в таблице ниже. Программируемые описаны в разделе.
Функции кнопок
| Кнопка | Назначение |
|---|---|
| Режим просмотра | |
и ![]() | Переход или перелистывание в пределах текущего экрана. Переход к следующему экрану, когда зона выделения на границе текущего экрана |
![]() | Нажать и удерживать 6 секунд для входа в системное меню |
![]() | Нажать и удерживать 6 секунд для выхода из системного меню |
+ ![]() | Переход на экран аварий |
| Режим редактирования | |
![]() | Вход в режим редактирования на текущем экране. При нажатии становится доступным для редактирования первый доступный для редактирования элемент на экране, начинает мигать Применение изменённого значения в режиме редактирования и переход к следующему компоненту |
и ![]() | Изменение значения параметра. Для ускорения изменения значения нажать и удерживать |
![]() | Перемещение по разрядам — на разряд выше. При подходе к максимальному разряду перескакивает на самый младший |
+ ![]() | Перемещение на разряд ниже |
+ ![]() | Перемещение на разряд выше |
![]() | Выход из режима редактирования без сохранения отредактированного значения |
![]() | Выход из режима редактирования и сохранение отредактированного значения |
Назначение светодиодов
| Светодиод | Цвет | Статус | Назначение |
|---|---|---|---|
| Зеленый | Светится | На клеммы 1 и 2 подано питание |
![]() | Красный | Светится | Авария (см. раздел) |
| Мигает | Неисправности не блокирующие работу прибора. Ошибку можно определить считыванием битов регистра 61620 (0xF0B4). Подробнее см. раздел. Если считывание регистров недоступно, то прибор находится в режиме загрузчика (см. раздел) | ||
| Мигает | Одновременное мигание со светодиодом — элемент питания часов реального
времени разряжен | ||
| F1 | Зеленый | — | Определяется при программировании |
| F2 | Зеленый в приборах, выпущенных до 04.24, после 04.24 - красный | — | |
| Красный Зеленый | Не светится Мигает | Переключатель в положении Стоп. Прибор работает в режиме модуля ввода–вывода (см. раздел) |
Красный Зеленый | Не светится Не светится | Программа пользователя не загружена. Прибор не настроен | |
Красный Зеленый | Светится Не светится | Нет питания на клеммах 1 и 2. Питание от USB | |
Красный Зеленый | Не светится Светится | Переключатель в положении Работа. Программа пользователя выполняется | |
Красный Зеленый | Мигает Светится | Переключатель
в положении Работа. Одновременное мигание со светодиодом — элемент питания часов реального
времени разряжен | |
Красный Зеленый | Не светится Мигает | Переключатель
в положении Стоп. Одновременное мигание со светодиодом — элемент питания часов реального
времени разряжен | |
Красный Зеленый | Мигает Не светится | Прибор
не настроен. Одновременное мигание со светодиодом — элемент питания часов реального
времени разряжен | |
Красный Зеленый | Мигает с периодом Светится | Авария (см. раздел) | |
Красный Зеленый | Светится Светится | Прибор в режиме ожидания загрузки встроенного ПО | |
Красный Зеленый | Мигает Мигает | Загрузка встроенного ПО |

Твкл = Твыкл = 0,5 с
Тпаузы = 3 с
Индикация критических аварий
Количество импульсов | Описание |
|---|---|
1 | Ошибка микроконтроллера |
2 | |
3 | |
4 | Не инициализируется внутренняя шина |
5 | Неисправен генератор импульсов встроенных часов реального времени |
6 | Циклические перезагрузки из за некорректной программы пользователя |
7 | Ошибка Retain |
8 | Не хватило памяти для программы пользователя |
| 9 | Некорректная версия платы |
Индикация некритических аварий
Количество импульсов | Описание |
|---|---|
1 | Разряжена батарея питания часов реального времени и retain-памяти |
3 | Неисправен интерфейс Ethernet |
Более подробно об авариях см. раздел.

Под лицевой панелью расположены:
- слот с батареей RTC.
сервисная кнопка (см. раздел).
Сервисная кнопка
Порт Ethernet снабжен двумя светодиодами. Описание светодиодов и режимов их индикации приведено на рисунке и в таблице ниже.

Назначение светодиодов порта Ethernet
| Светодиод | Статус | Назначение |
|---|---|---|
| Оранжевый | Не светится | Скорость обмена 10 Мбит/с |
| Светится* | Скорость обмена 100 Мбит/с | |
* Если провод не подключен, то указывает, что на интерфейс
Ethernet подано питание | ||
| Зеленый | Не светится | Нет связи |
| Светится | Связь установлена | |
| Мигает | Идет обмен данными | |
Функции ЖКИ
ЖКИ предназначен для отображения графической и текстовой информации. На экранах пользовательской визуализации можно создавать элементы управления. В OwenLogic можно создавать несколько связанных друг с другом переходами экранов, отображающими состояние управляемого объекта и с размещенными на них элементами управления.
Поддерживаются следующие виды графических объектов:
индикатор;
прогресс-бар;
динамический текст;
текстовая метка;
ввод/вывод float/int
и т. п.
полный список поддерживаемых элементов указан в Руководстве пользователя OwenLogic.
ЖКИ может отображать набор символов в кодировке Windows-1251. Поддерживаются дополнительные символы (см. таблицу ниже)
Дополнительные символы
| Описание | Символ |
|---|---|
| Градус | ° |
| Вторая степень | ² |
| Третья степень | ³ |
| Альфа прописная* | α |
| Бета прописная* | β |
| Гамма прописная* | γ |
| Дельта заглавная* | Δ |
| Эта прописная* | η |
| Сигма заглавная* | Σ |
| Тау прописная* | τ |
| Фи прописная* | φ |
| Пси прописная* | ψ |
| Омега заглавная* | Ω |
| Номер | № |
В случае, если символы не поддерживаются, Редактор экранов отобразит предупреждение:

Элементы экрана могут быть редактируемыми и нередактируемыми в зависимости от типа элемента и его свойств, заданных с помощью OwenLogic.
Работа с меню
В приборе предусмотрены меню пользователя и системное меню.
Меню пользователя создается в OwenLogic с помощью «Менеджера экранов». Переходы могут осуществляться с помощью кнопок или по изменению переменной. Системное меню присутствует в приборе всегда, даже если в него не записана пользовательская программа. Принципы работы с меню пользователя и с системным меню одинаковы.
Работа с меню возможна в следующих режимах:
- отображения;
- редактирования.
В режиме отображения можно просматривать параметры прибора или меню пользователя.
В режиме редактирования можно редактировать параметры прибора в системном меню или пользовательскую программу с лицевой панели без остановки работы прибора. При повторном входе в режим редактирования выбирается последний редактируемый элемент.
Системное меню
Системное меню прибора доступно в случае отсутствия пользовательской
программы в памяти прибора и с любого экрана программы. Для вызова
системного меню следует удерживать кнопку
в течение шести секунд.
Для выхода из системного меню следует удерживать кнопку
в течение
шести секунд.
Структура системного меню приведена на рисунке ниже.
Описание пунктов системного меню
| Элемент | Описание |
|---|---|
| Логика | Отображаются значения времени цикла и статус программы пользователя |
| Дискретные входы | Параметры аналогичны описанным в разделе |
| Быстрые дискретные входы | Параметры аналогичны описанным в разделе |
| Дискретные выходы | Параметры аналогичны описанным в разделе |
| Дискретно-аналоговые входы | Параметры аналогичны описанным в разделе |
| Аналоговые выходы | Параметры аналогичны описанным в разделе |
| Пользовательские светодиоды | Параметры аналогичны описанным в разделе |
| Modbus Slave | Параметры аналогичны описанным в разделе |
| Мастер Modbus | В узле приведены параметры опроса приборов, аналогично настроенным в OwenLogic |
| OwenCloud | Параметры и разрешения для OwenCloud (см. разделе) |
| Настройки порта RS-485 1 (2) | Параметры аналогичны описанным в разделе |
| Архив | Параметры аналогичны описанным в разделе |
| Сетевые настройки | Содержит настройки Ethernet (см. раздел) |
| Часы реального времени | Параметры аналогичны описанным в разделе |
| Батарея | Параметры аналогичны описанным в разделе |
| Статус прибора | Параметры аналогичны описанным в разделе |
| Настройки прибора | Параметры аналогичны описанным в разделе |
| Пароль | Параметры аналогичны описанным в разделе |
| Часы | Параметры аналогичны описанным в разделе |
| ПРМ-х.х | В данных узлах представлены параметры модулей расширения и их статусы, если они настроены в OwenLogic. Если модули не подключены, то узлы скрыты |
Экран аварий
На экране аварий отображаются аварии из битов регистра статуса
(см. таблицу). Переход на экран
аварий производится по сочетанию кнопок
+
.
Переходы между экранами
Для перемещения между экранами используются переходы, создаваемые пользователем с помощью OwenLogic. Переходы могут осуществляться по нажатию кнопок и по изменению переменной. Более подробно о переходах и их работе см. справку OwenLogic.
Пример
Назначение на кнопки
и
перехода на другой экран не позволяет пролистывать строки
или переходить на элементы на текущем экране. Назначение на кнопку
перехода на другой
экран не позволяет перейти в режим редактирования.
Программируемые функции кнопок
Кроме основных (см. таблицу), кнопкам прибора можно назначить дополнительные действия. Назначение дополнительных действий производится с помощью Редактора кнопок в OwenLogic. Программируемые пользователем действия назначаются на:
короткое нажатие (менее 2 с);
длинное нажатие (более 2 с);
удержание.
Действия, назначаемые кнопке:
переход на экран;
изменение значения переменной.
Режим автоформатирования
Режим автоформатирования отображает переменную с максимальной точностью в зависимости от количества зарезервированных знаков. Режим автоформатирования работает только для вещественных переменных. Режим можно включить установив в поле «Знаков после запятой» значение Авто в OwenLogic.
Режимы работы
По включению напряжения питания (основного или от USB), прибор анализирует положение переключателя Работа/Стоп. Далее прибор проводит самодиагностику.
Для программирования прибора достаточно питания от USB. При питании от USB, не работают входы, выходы и интерфейсы RS-485 и Ethernet.
Пользовательская программа, если она записана в память прибора, начинает выполняться сразу после подачи основного питания на клеммы 1 и 2.

Рабочий режим
В рабочем режиме прибор повторяет следующую последовательность (рабочий цикл):
- начало цикла;
- чтение состояния входов;
- выполнение кода пользовательской программы;
- запись состояния выходов;
- переход в начало цикла.
В начале цикла прибор считывает состояния входов и копирует считанные значения в область памяти входов. Далее выполняется код пользовательской программы, которая работает с копией значений входов.
Аварийный режим
При возникновении аварийной ситуации прибор переходит в аварийный режим.
В таблице ниже представлены примеры аварийных ситуаций и рекомендации по их устранению.
Неисправности и способы их устранения
Индикация светодиода | Причина | Рекомендации по устранению |
|---|---|---|
| Светится | Прибор неисправен | Обратиться в сервисный центр |
| Мигает | Если
мигает и светодиод
| Заменить элемент питания (см. раздел) |
Если неисправность позволяет подключиться к прибору и по Modbus прочитать регистр статуса, то можно узнать вид неисправности. Назначение его бит приведено в таблице ниже.
Назначение бит регистра статуса 61620 (0xF0B4)
Номер бита | Назначение |
|---|---|
Бит 0 | Неисправность дискретных входов |
Бит 1 | Неисправность дискретных выходов |
Бит 2 | Неисправность аналоговых входов |
Бит 3 | Неисправность аналоговых выходов |
Бит 4 | Неисправность интерфейса Ethernet |
Бит 5 | Не используется |
Бит 6 | Неисправность интерфейса USB |
Бит 7 | Не используется |
Бит 8 | Неисправность RS-485 #1 |
Бит 9 | Неисправность RS-485 #2 |
Бит 10 | Не используется |
Бит 11 | Неисправность часов реального времени |
Бит 12 | Отсутствует напряжение на клеммах 1 и 2 |
Бит 13 | Ошибка встроенного ПО. Или цикл логики превышает 100 мс |
Бит 14 | Не используется |
Бит 15 | Ошибка операционной системы |
Бит 16 | Неисправность файловой системы |
Бит 17 | Встроенный накопитель отформатирован |
Бит 18 | Нет оперативных параметров |
Бит 19 | Неисправность встроенного ПО. Или несоответствие версий программы пользователя и встроенного ПО |
Бит 20 | Программа пользователя отсутствует, настройки сброшены на заводские |
Бит 21 | Нет архива. Или ошибка записи архива. Или отключена запись параметров в архив из OwenLogic |
Бит 22 | Переключатель в положении Стоп |
Бит 23 | Программа пользователя отсутствует |
Бит 24 | Программа пользователя остановлена |
Бит 25 | Не используется |
Бит 26 | Не используется |
Бит 27 | Не используется |
Бит 28 | Не используется |
Бит 29 | Не используется |
Бит 30 | Не используется |
Бит 31 | Неисправность программы пользователя в retain-памяти |
Режим модуля ввода-вывода
Если переключатель Работа/Стоп перевести в положение Стоп, то пользовательская программа будет остановлена. И прибор начнет работать в режиме модуля ввода-вывода.
В режиме модуля ввода-вывода доступен опрос входов и запись выходов, но сетевые переменные недоступны.
Режим загрузчика
В режиме загрузчика прибор ждет обновление встроенного ПО по интерфейсу USB. Остальные функции прибора не работают.
Прибор переходит в режим загрузчика:
если невозможен запуск встроенного ПО в штатном режиме (см. раздел);
если пользователь принудительно сменил режим работы прибора.
Для принудительного перевода прибора в режим загрузчика следует:
Снять питание с прибора. Отключить кабель USB, если он был подключен.
Нажать и удерживать сервисную кнопку.
Подать питание на клеммы 1 и 2 или подключить кабель USB.
Работа с модулями расширения
Чтобы увеличить количество входов/выходов прибора, следует воспользоваться модулями расширения линейки ПРМ (см. раздел). Работа модулей расширения определяется пользовательской программой, написанной в OwenLogic.
Время опроса входов и записи состояния выходов модулей расширения определяется сложностью пользовательской программы и не отличается от времени работы с встроенными в прибор входами/выходами.
Часы реального времени и retain-память
Прибор оснащен встроенными часами реального времени. Все настройки прибора хранятся в retain-памяти. При наличии питания прибора часы реального времени и retain-память питаются от подаваемого на контакты 1 и 2 напряжения.
Если основное питание отсутствует, то часы реального времени и retain-память прибора питаются от сменного элемента типоразмера CR2032 (далее — «батарея»). Показания часов реального времени используется для записи в архив.
Энергии полностью заряженной батареи хватает на непрерывное питание часов реального времени и retain-памяти в течение 5 лет. В случае эксплуатации прибора при температуре на границах рабочего диапазона время непрерывного питания от батареи сокращается.
Ошибки, связанные с часами реального времени и retain-памятью, приведены в разделе.
При разряженной батарее часы реального времени и настройки, что были изменены в процессе работы по Modbus или программы пользователя, будут сброшены в случае пропадания основного питания. Если настройки сбросились, то следует заменить батарею (см. раздел).
Уровень заряда батареи можно проверить с помощью OWEN Configurator или OwenLogic.
Настройка даты и времени с лицевой панели
Для настройки даты и времени с помощью кнопок на лицевой панели следует:
Нажать и удерживать кнопку
. На экране появится системное меню.Выбрать пункт Часы реального времени, нажав кнопку
.Нажать кнопку
.Курсор начнет мигать в параметре Время и дата (UTC) у единиц секунд. С помощью кнопок
и
можно увеличивать или уменьшать значение. Для перехода к
следующему разряду следует нажать кнопку
. Для сохранения
измененных значений следует нажать кнопку
.Если нужно изменить параметр Часовой пояс, то с помощью кнопок
и
выбрать нужное значение
и подтвердить выбор, нажав кнопку
.
Для выхода из системного меню нажать и удерживать кнопку
.
Обновление встроенного ПО
В приборе можно обновлять встроенное ПО через интерфейсы программирования.
Для смены встроенного ПО следует:
Подготовить ПК с ОС Windows Vista/7/8/10/11, установленным OWEN Configurator или OwenLogic и доступом в Интернет;
Установить USB драйвер прибора на ПК.
Обновление с помощью OwenLogic
Если встроенное ПО не получается автоматически обновить при загрузке проекта OwenLogic, то можно обновить принудительно. Данный способ может потребоваться, если прибор не определяется в OwenLogic, но прибор корректно отображается в Диспетчере устройств.
Для принудительной смены встроенного ПО следует:
Подключить прибор к ПК с помощью кабеля microUSB — USB или Ethernet.
- Далее:
если прибор подключен по USB, проверить в диспетчере устройств Windows какой СОМ-порт был присвоен прибору;
если прибор подключен по Ethernet, проверить сетевые настройки с помощью ПО OWEN Configurator.
В OwenLogic указать уточненные в п. 2 значения в меню Прибор/Настройка порта.
В меню OwenLogic выбрать пункт Прибор/Обновить встроенное ПО.
OwenLogic отобразит окно, в котором будет указана модификация прибора и предложение обновить встроенное ПО.
ПримечаниеЕсли окно не появилось или в нем нет нужно модификации, то следует обратиться в сервисный центр.
Запустить процесс смены встроенного нажатием кнопки Да.
Разрыв связи между ПК и прибором во время обновления приведет к повреждению встроенного ПО и неработоспособности прибора. Для восстановления работоспособности прибора следует повторить операцию принудительного обновления встроенного ПО. Если вышеперечисленные действия не помогли следует прибор перевести в режим «загрузчика» (см. раздел) и повторить процедуру принудительной смены встроенного ПО.
Техническое обслуживание
Техническое обслуживание
Во время выполнения работ по техническому обслуживанию прибора следует соблюдать требования безопасности из раздела.
Техническое обслуживание прибора проводится не реже одного раза в 6 месяцев и включает следующие процедуры:
- проверка крепления прибора;
- проверка винтовых соединений;
- удаление пыли и грязи с клеммника прибора.
Замена элемента питания
Для замены элемента питания следует:
Открыть крышку с лицевой панелью.
Отверткой подцепить батарейку справа и, придерживая ее, достать из прибора;
Соблюдая полярность, вставить новую батарейку.
Закрыть крышку.

Маркировка
На корпус прибора нанесены:
- наименование прибора;
товарный знак предприятия-изготовителя;
- степень защиты корпуса по ГОСТ 14254;
- род питающего тока и напряжение питания;
- потребляемая мощность;
- маркировка класса защиты от поражения электрическим током по ГОСТ IEC 61131-2-2012;
- единый знак обращения продукции на рынке Евразийского экономического союза;
- страна-изготовитель;
- заводской номер;
МАС-адрес;
QR-код, содержащий заводской номер прибора;
указания по монтажу;
месяц и год изготовления.
На потребительскую тару нанесены:
- наименование прибора;
товарный знак предприятия-изготовителя;
- единый знак обращения продукции на рынке Евразийского экономического союза;
почтовый адрес предприятия-изготовителя;
- страна-изготовитель;
- заводской номер;
штрих-код;
месяц и год изготовления.
Упаковка
Упаковка прибора производится в соответствии с ГОСТ 23088-80 в потребительскую тару, выполненную из коробочного картона по ГОСТ 7933-89.
Упаковка прибора при пересылке почтой производится по ГОСТ 9181-74.
Комплектность
| Наименование | Количество |
|---|---|
| Прибор | 1 шт. |
| Руководство по эксплуатации | 1 экз. |
| Паспорт и Гарантийный талон | 1 экз. |
| Комплект клеммных соединителей | 1 к-т |
Транспортирование и хранение
Прибор должен транспортироваться в закрытом транспорте любого вида. В транспортных средствах тара должна крепиться согласно правилам, действующим на соответствующих видах транспорта.
Транспортирование приборов в упаковке предприятия-изготовителя должно соответствовать следующим условиям:
температура окружающего воздуха от минус 40 до плюс 70 °С;
относительная влажность от 10 до 95 % без конденсации влаги;
атмосферное давление не менее 80 кПа (эквивалентно высоте 3000 м над уровнем моря)
Прибор следует перевозить в транспортной таре поштучно или в контейнерах с соблюдением мер защиты от ударов и вибраций.
Условия хранения в таре на складе изготовителя и потребителя должны соответствовать условиям 1 по ГОСТ 15150-69. В воздухе не должны присутствовать агрессивные примеси.
Прибор следует хранить на стеллажах.
Гарантийные обязательства
Изготовитель гарантирует соответствие прибора требованиям ТУ при соблюдении условий эксплуатации, транспортирования, хранения и монтажа.
Гарантийный срок эксплуатации – 24 месяца со дня продажи.
В случае выхода прибора из строя в течение гарантийного срока при соблюдении условий эксплуатации, транспортирования, хранения и монтажа предприятие-изготовитель обязуется осуществить его бесплатный ремонт или замену.
Порядок передачи прибора в ремонт содержится в паспорте и в гарантийном талоне.
Назначение контактов клеммника

Назначение контактов клеммной колодки ПР205-230.1211.02.0.0
Номер контакта | Назначение контактов | Номер контакта | Назначение контактов |
|---|---|---|---|
1 | Входное напряжение питания (230 В) | 15 | Клемма I AI1 |
2 | Входное напряжение питания (230 В) | 16 | Клемма U AI1 |
| 3 | Клемма «–» встроенного источника питания 24 В | 17 | Общая клемма универсальных входов 1 и 2 |
| 4 | Клемма «+» встроенного источника питания 24 В | 18 | Клемма U AI2 |
| 5 | Общая клемма дискретных входов 1...4 | 19 | Клемма I AI2 |
| 6 | Дискретный вход 1 (230 В) | 20 | Клемма I AI3 |
| 7 | Дискретный вход 2 (230 В) | 21 | Клемма U AI3 |
| 8 | Дискретный вход 3 (230 В) | 22 | Общая клемма универсальных входов 3 и 4 |
| 9 | Дискретный вход 4 (230 В) | 23 | Клемма U AI4 |
| 10 | Общая клемма дискретных входов 5...8 | 24 | Клемма I AI4 |
| 11 | Дискретный вход 5 (230 В) | 33 | Дискретный выход 1 |
| 12 | Дискретный вход 6 (230 В) | 34 | Общая клемма дискретных выходов 1 и 2 |
| 13 | Дискретный вход 7 (230 В) | 35 | Дискретный выход 2 |
| 14 | Дискретный вход 8 (230 В) | 36 | Дискретный выход 3 |
| 25 | Клемма «V+» питания аналоговых выходов 1...3 | 37 | Общая клемма дискретных выходов 3 и 4 |
| 26 | Клемма «V-» питания аналоговых выходов 1...3 | 38 | Дискретный выход 4 |
| 27 | Клемма аналогового выхода 1 | 39 | Дискретный выход 5 |
| 28 | Клемма «V-» аналогового выхода 1 | 40 | Общая клемма дискретных выходов 5 и 6 |
| 29 | Клемма аналогового выхода 2 | 41 | Дискретный выход 6 |
| 30 | Клемма «V-» аналогового выхода 2 | 42 | Дискретный выход 7 |
| 31 | Клемма аналогового выхода 3 | 43 | Общая клемма дискретных выходов 7 и 8 |
| 32 | Клемма «V-» аналогового выхода 3 | 44 | Дискретный выход 8 |

Назначение контактов клеммной колодки ПР205-230.1211.02.2.0
Номер контакта | Назначение контактов | Номер контакта | Назначение контактов |
|---|---|---|---|
1 | Входное напряжение питания (230 В) | 17 | Клемма I AI1 |
2 | Входное напряжение питания (230 В) | 18 | Клемма U AI1 |
| 3 | Клемма «–» встроенного источника питания 24 В | 19 | Общая клемма универсальных входов 1 и 2 |
| 4 | Клемма «+» встроенного источника питания 24 В | 20 | Клемма U AI2 |
| 5 | Общая клемма дискретных входов 1...4 | 21 | Клемма I AI2 |
| 6 | Дискретный вход 1 (230 В) | 22 | Клемма I AI3 |
| 7 | Дискретный вход 2 (230 В) | 23 | Клемма U AI3 |
| 8 | Дискретный вход 3 (230 В) | 24 | Общая клемма универсальных входов 3 и 4 |
| 9 | Дискретный вход 4 (230 В) | 25 | Клемма U AI4 |
| 10 | Общая клемма дискретных входов 5...8 | 26 | Клемма I AI4 |
| 11 | Дискретный вход 5 (230 В) | 27 | Клемма B интерфейса RS-485 (2) |
| 12 | Дискретный вход 6 (230 В) | 28 | Клемма A интерфейса RS-485 (2) |
| 13 | Дискретный вход 7 (230 В) | 33 | Дискретный выход 1 |
| 14 | Дискретный вход 8 (230 В) | 34 | Общая клемма дискретных выходов 1 и 2 |
| 15 | Клемма B интерфейса RS-485 (1) | 35 | Дискретный выход 2 |
| 16 | Клемма A интерфейса RS-485 (1) | 36 | Дискретный выход 3 |
| 29 | Клемма «V+» питания аналоговых выходов 1...3 | 37 | Общая клемма дискретных выходов 3 и 4 |
| 30 | Клемма «V-» питания аналоговых выходов 1...3 | 38 | Дискретный выход 4 |
| 31 | Клемма аналогового выхода 1 | 39 | Дискретный выход 5 |
| 32 | Клемма «V-» аналогового выхода 1 | 40 | Общая клемма дискретных выходов 5 и 6 |
| 33 | Клемма аналогового выхода 2 | 41 | Дискретный выход 6 |
| 34 | Клемма «V-» аналогового выхода 2 | 42 | Дискретный выход 7 |
| 35 | Клемма аналогового выхода 3 | 43 | Общая клемма дискретных выходов 7 и 8 |
| 36 | Клемма «V-» аналогового выхода 3 | 44 | Дискретный выход 8 |

Выходы DO1...DO6 — выходы типа «электромагнитное реле».
Выходы DO7...DO8 — выходы типа «транзистор n-p-n типа».
Назначение контактов клеммной колодки ПР205-230.1211.06.0.0
Номер контакта | Назначение контактов | Номер контакта | Назначение контактов |
|---|---|---|---|
1 | Входное напряжение питания (230 В) | 15 | Клемма I AI1 |
2 | Входное напряжение питания (230 В) | 16 | Клемма U AI1 |
| 3 | Клемма «–» встроенного источника питания 24 В | 17 | Общая клемма универсальных входов 1 и 2 |
| 4 | Клемма «+» встроенного источника питания 24 В | 18 | Клемма U AI2 |
| 5 | Общая клемма дискретных входов 1...4 | 19 | Клемма I AI2 |
| 6 | Дискретный вход 1 (230 В) | 20 | Клемма I AI3 |
| 7 | Дискретный вход 2 (230 В) | 21 | Клемма U AI3 |
| 8 | Дискретный вход 3 (230 В) | 22 | Общая клемма универсальных входов 3 и 4 |
| 9 | Дискретный вход 4 (230 В) | 23 | Клемма U AI4 |
| 10 | Общая клемма дискретных входов 5...8 | 24 | Клемма I AI4 |
| 11 | Дискретный вход 5 (230 В) | 33 | Дискретный выход 1 |
| 12 | Дискретный вход 6 (230 В) | 34 | Общая клемма дискретных выходов 1 и 2 |
| 13 | Дискретный вход 7 (230 В) | 35 | Дискретный выход 2 |
| 14 | Дискретный вход 8 (230 В) | 36 | Дискретный выход 3 |
| 25 | Клемма «V+» питания аналоговых выходов 1...3 | 37 | Общая клемма дискретных выходов 3 и 4 |
| 26 | Клемма «V-» питания аналоговых выходов 1...3 | 38 | Дискретный выход 4 |
| 27 | Клемма аналогового выхода 1 | 39 | Дискретный выход 5 |
| 28 | Клемма «V-» аналогового выхода 1 | 40 | Общая клемма дискретных выходов 5 и 6 |
| 29 | Клемма аналогового выхода 2 | 41 | Дискретный выход 6 |
| 30 | Клемма «V-» аналогового выхода 2 | 42 | Транзисторный выход 1 (коллектор) |
| 31 | Клемма аналогового выхода 3 | 43 | Транзисторные выходы 1 и 2 (общий эмиттер) |
| 32 | Клемма «V-» аналогового выхода 3 | 44 | Транзисторный выход 2 (коллектор) |

Выходы DO1...DO6 — выходы типа «электромагнитное реле».
Выходы DO7...DO8 — выходы типа «транзистор n-p-n типа».
Назначение контактов клеммной колодки ПР205-230.1211.06.2.0
Номер контакта | Назначение контактов | Номер контакта | Назначение контактов |
|---|---|---|---|
1 | Входное напряжение питания (230 В) | 17 | Клемма I AI1 |
2 | Входное напряжение питания (230 В) | 18 | Клемма U AI1 |
| 3 | Клемма «–» встроенного источника питания 24 В | 19 | Общая клемма универсальных входов 1 и 2 |
| 4 | Клемма «+» встроенного источника питания 24 В | 20 | Клемма U AI2 |
| 5 | Общая клемма дискретных входов 1...4 | 21 | Клемма I AI2 |
| 6 | Дискретный вход 1 (230 В) | 22 | Клемма I AI3 |
| 7 | Дискретный вход 2 (230 В) | 23 | Клемма U AI3 |
| 8 | Дискретный вход 3 (230 В) | 24 | Общая клемма универсальных входов 3 и 4 |
| 9 | Дискретный вход 4 (230 В) | 25 | Клемма U AI4 |
| 10 | Общая клемма дискретных входов 5...8 | 26 | Клемма I AI4 |
| 11 | Дискретный вход 5 (230 В) | 27 | Клемма B интерфейса RS-485 (2) |
| 12 | Дискретный вход 6 (230 В) | 28 | Клемма A интерфейса RS-485 (2) |
| 13 | Дискретный вход 7 (230 В) | 33 | Дискретный выход 1 |
| 14 | Дискретный вход 8 (230 В) | 34 | Общая клемма дискретных выходов 1 и 2 |
| 15 | Клемма B интерфейса RS-485 (1) | 35 | Дискретный выход 2 |
| 16 | Клемма A интерфейса RS-485 (1) | 36 | Дискретный выход 3 |
| 29 | Клемма «V+» питания аналоговых выходов 1...3 | 37 | Общая клемма дискретных выходов 3 и 4 |
| 30 | Клемма «V-» питания аналоговых выходов 1...3 | 38 | Дискретный выход 4 |
| 31 | Клемма аналогового выхода 1 | 39 | Дискретный выход 5 |
| 32 | Клемма «V-» аналогового выхода 1 | 40 | Общая клемма дискретных выходов 5 и 6 |
| 33 | Клемма аналогового выхода 2 | 41 | Дискретный выход 6 |
| 34 | Клемма «V-» аналогового выхода 2 | 42 | Транзисторный выход 1 (коллектор) |
| 35 | Клемма аналогового выхода 3 | 43 | Транзисторные выходы 1 и 2 (общий эмиттер) |
| 36 | Клемма «V-» аналогового выхода 3 | 44 | Транзисторный выход 2 (коллектор) |

Назначение контактов клеммной колодки ПР205-230.1211.22.0.0
Номер контакта | Назначение контактов | Номер контакта | Назначение контактов |
|---|---|---|---|
1 | Входное напряжение питания (230 В) | 5 | Клемма I AI1 |
2 | Входное напряжение питания (230 В) | 6 | Клемма U AI1 |
| 3 | Клемма «–» встроенного источника питания 24 В | 7 | Общая клемма универсальных входов 1 и 2 |
| 4 | Клемма «+» встроенного источника питания 24 В | 8 | Клемма U AI2 |
| 15 | Общая клемма дискретных входов 1...4 | 9 | Клемма I AI2 |
| 16 | Дискретный вход 1 (24 В) | 10 | Клемма I AI3 |
| 17 | Дискретный вход 2 (24 В) | 11 | Клемма U AI3 |
| 18 | Дискретный вход 3 (24 В) | 12 | Общая клемма универсальных входов 3 и 4 |
| 19 | Дискретный вход 4 (24 В) | 13 | Клемма U AI4 |
| 20 | Общая клемма дискретных входов 5...6 | 14 | Клемма I AI4 |
| 21 | Дискретный вход 5 (24 В) | 38 | Дискретный выход 1 |
| 22 | Дискретный вход 6 (24 В) | 39 | Общая клемма дискретных выходов 1 и 2 |
| 23 | Общая клемма быстрых дискретных входов 1...2 | 40 | Дискретный выход 2 |
| 24 | Быстрый дискретный вход 1(24 В) | 41 | Дискретный выход 3 |
| 25 | Быстрый дискретный вход 2 (24 В) | 42 | Общая клемма дискретных выходов 3 и 4 |
| 26 | Клемма «V+» питания аналоговых выходов 1...3 | 43 | Дискретный выход 4 |
| 27 | Клемма «V-» питания аналоговых выходов 1...3 | 44 | Дискретный выход 5 |
| 28 | Клемма аналогового выхода 1 | 45 | Общая клемма дискретных выходов 5 и 6 |
| 29 | Клемма «V-» аналогового выхода 1 | 46 | Дискретный выход 6 |
| 30 | Клемма аналогового выхода 2 | 47 | Дискретный выход 7 |
| 31 | Клемма «V-» аналогового выхода 2 | 48 | Общая клемма дискретных выходов 7 и 8 |
| 32 | Клемма аналогового выхода 3 | 49 | Дискретный выход 8 |
| 33 | Клемма «V-» аналогового выхода 3 | — | — |

Выходы DO1...DO6 — выходы типа «электромагнитное реле».
Выходы DO7...DO8 — выходы типа «транзистор n-p-n типа».
Назначение контактов клеммной колодки ПР205-230.1211.22.2.0
Номер контакта | Назначение контактов | Номер контакта | Назначение контактов |
|---|---|---|---|
1 | Входное напряжение питания (230 В) | 36 | Клемма B интерфейса RS-485 (2) |
2 | Входное напряжение питания (230 В) | 37 | Клемма A интерфейса RS-485 (2) |
| 3 | Клемма «–» встроенного источника питания 24 В | 5 | Клемма I AI1 |
| 4 | Клемма «+» встроенного источника питания 24 В | 6 | Клемма U AI1 |
| 15 | Общая клемма дискретных входов 1...4 | 7 | Общая клемма универсальных входов 1 и 2 |
| 16 | Дискретный вход 1 (24 В) | 8 | Клемма U AI2 |
| 17 | Дискретный вход 2 (24 В) | 9 | Клемма I AI2 |
| 18 | Дискретный вход 3 (24 В) | 10 | Клемма I AI3 |
| 19 | Дискретный вход 4 (24 В) | 11 | Клемма U AI3 |
| 20 | Общая клемма дискретных входов 5...6 | 12 | Общая клемма универсальных входов 3 и 4 |
| 21 | Дискретный вход 5 (24 В) | 13 | Клемма U AI4 |
| 22 | Дискретный вход 6 (24 В) | 14 | Клемма I AI4 |
| 23 | Общая клемма быстрых дискретных входов 1...2 | 38 | Дискретный выход 1 |
| 24 | Быстрый дискретный вход 1(24 В) | 39 | Общая клемма дискретных выходов 1 и 2 |
| 25 | Быстрый дискретный вход 2 (24 В) | 40 | Дискретный выход 2 |
| 26 | Клемма «V+» питания аналоговых выходов 1...3 | 41 | Дискретный выход 3 (24 В) |
| 27 | Клемма «V-» питания аналоговых выходов 1...3 | 42 | Общая клемма дискретных выходов 3 и 4 |
| 28 | Клемма аналогового выхода 1 | 43 | Дискретный выход 4 |
| 29 | Клемма «V-» аналогового выхода 1 | 44 | Дискретный выход 5 |
| 30 | Клемма аналогового выхода 2 | 45 | Общая клемма дискретных выходов 5 и 6 |
| 31 | Клемма «V-» аналогового выхода 2 | 46 | Дискретный выход 6 |
| 32 | Клемма аналогового выхода 3 | 47 | Транзисторный выход 1 (коллектор) |
| 33 | Клемма «V-» аналогового выхода 3 | 48 | Транзисторные выходы 1 и 2 (общий эмиттер) |
| 35 | Клемма B интерфейса RS-485 (1) | 49 | Транзисторный выход 2 (коллектор) |
| 36 | Клемма A интерфейса RS-485 (1) | — | — |

Выходы DO1...DO6 — выходы типа «электромагнитное реле».
Выходы DO7...DO8 — выходы типа «транзистор n-p-n типа».
Назначение контактов клеммной колодки ПР205-230.1211.26.0.0
Номер контакта | Назначение контактов | Номер контакта | Назначение контактов |
|---|---|---|---|
1 | Входное напряжение питания (230 В) | 5 | Клемма I AI1 |
2 | Входное напряжение питания (230 В) | 6 | Клемма U AI1 |
| 3 | Клемма «–» встроенного источника питания 24 В | 7 | Общая клемма универсальных входов 1 и 2 |
| 4 | Клемма «+» встроенного источника питания 24 В | 8 | Клемма U AI2 |
| 15 | Общая клемма дискретных входов 1...4 | 9 | Клемма I AI2 |
| 16 | Дискретный вход 1 (24 В) | 10 | Клемма I AI3 |
| 17 | Дискретный вход 2 (24 В) | 11 | Клемма U AI3 |
| 18 | Дискретный вход 3 (24 В) | 12 | Общая клемма универсальных входов 3 и 4 |
| 19 | Дискретный вход 4 (24 В) | 13 | Клемма U AI4 |
| 20 | Общая клемма дискретных входов 5...6 | 14 | Клемма I AI4 |
| 21 | Дискретный вход 5 (24 В) | 38 | Дискретный выход 1 |
| 22 | Дискретный вход 6 (24 В) | 39 | Общая клемма дискретных выходов 1 и 2 |
| 23 | Общая клемма быстрых дискретных входов 1...2 | 40 | Дискретный выход 2 |
| 24 | Быстрый дискретный вход 1(24 В) | 41 | Дискретный выход 3 |
| 25 | Быстрый дискретный вход 2 (24 В) | 42 | Общая клемма дискретных выходов 3 и 4 |
| 26 | Клемма «V+» питания аналоговых выходов 1...3 | 43 | Дискретный выход 4 |
| 27 | Клемма «V-» питания аналоговых выходов 1...3 | 44 | Дискретный выход 5 |
| 28 | Клемма аналогового выхода 1 | 45 | Общая клемма дискретных выходов 5 и 6 |
| 29 | Клемма «V-» аналогового выхода 1 | 46 | Дискретный выход 6 |
| 30 | Клемма аналогового выхода 2 | 47 | Транзисторный выход 1 (коллектор) |
| 31 | Клемма «V-» аналогового выхода 2 | 48 | Транзисторные выходы 1 и 2 (общий эмиттер) |
| 32 | Клемма аналогового выхода 3 | 49 | Транзисторный выход 2 (коллектор) |
| 33 | Клемма «V-» аналогового выхода 3 | — | — |

Выходы DO1...DO6 — выходы типа «электромагнитное реле».
Выходы DO7...DO8 — выходы типа «транзистор n-p-n типа».
Назначение контактов клеммной колодки ПР205-230.1211.26.2.0
Номер контакта | Назначение контактов | Номер контакта | Назначение контактов |
|---|---|---|---|
1 | Входное напряжение питания (230 В) | 36 | Клемма B интерфейса RS-485 (2) |
2 | Входное напряжение питания (230 В) | 37 | Клемма A интерфейса RS-485 (2) |
| 3 | Клемма «–» встроенного источника питания 24 В | 5 | Клемма I AI1 |
| 4 | Клемма «+» встроенного источника питания 24 В | 6 | Клемма U AI1 |
| 15 | Общая клемма дискретных входов 1...4 | 7 | Общая клемма универсальных входов 1 и 2 |
| 16 | Дискретный вход 1 (24 В) | 8 | Клемма U AI2 |
| 17 | Дискретный вход 2 (24 В) | 9 | Клемма I AI2 |
| 18 | Дискретный вход 3 (24 В) | 10 | Клемма I AI3 |
| 19 | Дискретный вход 4 (24 В) | 11 | Клемма U AI3 |
| 20 | Общая клемма дискретных входов 5...6 | 12 | Общая клемма универсальных входов 3 и 4 |
| 21 | Дискретный вход 5 (24 В) | 13 | Клемма U AI4 |
| 22 | Дискретный вход 6 (24 В) | 14 | Клемма I AI4 |
| 23 | Общая клемма быстрых дискретных входов 1...2 | 38 | Дискретный выход 1 |
| 24 | Быстрый дискретный вход 1(24 В) | 39 | Общая клемма дискретных выходов 1 и 2 |
| 25 | Быстрый дискретный вход 2 (24 В) | 40 | Дискретный выход 2 |
| 26 | Клемма «V+» питания аналоговых выходов 1...3 | 41 | Дискретный выход 3 |
| 27 | Клемма «V-» питания аналоговых выходов 1...3 | 42 | Общая клемма дискретных выходов 3 и 4 |
| 28 | Клемма аналогового выхода 1 | 43 | Дискретный выход 4 |
| 29 | Клемма «V-» аналогового выхода 1 | 44 | Дискретный выход 5 |
| 30 | Клемма аналогового выхода 2 | 45 | Общая клемма дискретных выходов 5 и 6 |
| 31 | Клемма «V-» аналогового выхода 2 | 46 | Дискретный выход 6 |
| 32 | Клемма аналогового выхода 3 | 47 | Транзисторный выход 1 (коллектор) |
| 33 | Клемма «V-» аналогового выхода 3 | 48 | Транзисторные выходы 1 и 2 (общий эмиттер) |
| 34 | Клемма B интерфейса RS-485 (1) | 49 | Транзисторный выход 2 (коллектор) |
| 35 | Клемма A интерфейса RS-485 (1) | — | — |

Назначение контактов клеммной колодки ПР205-230.1816.02.0.0
Номер контакта | Назначение контактов | Номер контакта | Назначение контактов |
|---|---|---|---|
1 | Входное напряжение питания (230 В) | 20 | Клемма I AI1 |
2 | Входное напряжение питания (230 В) | 21 | Клемма U AI1 |
| 3 | Клемма «–» встроенного источника питания 24 В | 22 | Общая клемма универсальных входов 1 и 2 |
| 4 | Клемма «+» встроенного источника питания 24 В | 23 | Клемма U AI2 |
| 5 | Общая клемма дискретных входов 1...4 | 24 | Клемма I AI2 |
| 6 | Дискретный вход 1 (230 В) | 25 | Клемма I AI3 |
| 7 | Дискретный вход 2 (230 В) | 26 | Клемма U AI3 |
| 8 | Дискретный вход 3 (230 В) | 27 | Общая клемма универсальных входов 3 и 4 |
| 9 | Дискретный вход 4 (230 В) | 28 | Клемма U AI4 |
| 10 | Общая клемма дискретных входов 5...8 | 29 | Клемма I AI4 |
| 11 | Дискретный вход 5 (230 В) | 30 | Клемма I AI5 |
| 12 | Дискретный вход 6 (230 В) | 31 | Клемма U AI5 |
| 13 | Дискретный вход 7 (230 В) | 32 | Общая клемма универсальных входов 5 и 6 |
| 14 | Дискретный вход 8 (230 В) | 43 | Клемма U AI6 |
| 15 | Общая клемма дискретных входов 9...12 | 34 | Клемма I AI6 |
| 16 | Дискретный вход 9 (230 В) | 45 | Дискретный выход 1 |
| 17 | Дискретный вход 10 (230 В) | 46 | Общая клемма дискретных выходов 1 и 2 |
| 18 | Дискретный вход 11 (230 В) | 47 | Дискретный выход 2 |
| 19 | Дискретный вход 12 (230 В) | 48 | Дискретный выход 3 |
| 35 | Клемма «V+» питания аналоговых выходов 1...3 | 49 | Общая клемма дискретных выходов 3 и 4 |
| 36 | Клемма «V-» питания аналоговых выходов 1...3 | 50 | Дискретный выход 4 |
| 37 | Клемма аналогового выхода 1 | 51 | Дискретный выход 5 |
| 38 | Клемма «V-» аналогового выхода 1 | 52 | Общая клемма дискретных выходов 5 и 6 |
| 39 | Клемма аналогового выхода 2 | 53 | Дискретный выход 6 |
| 40 | Клемма «V-» аналогового выхода 2 | 54 | Дискретный выход 7 |
| 41 | Клемма аналогового выхода 3 | 55 | Общая клемма дискретных выходов 7 и 8 |
| 42 | Клемма «V-» аналогового выхода 3 | 56 | Дискретный выход 8 |
| 43 | Клемма аналогового выхода 4 | 57 | Дискретный выход 9 |
| 44 | Клемма «V-» аналогового выхода 4 | 58 | Общая клемма дискретных выходов 9 и 10 |
| — | — | 59 | Дискретный выход 10 |
| — | — | 60 | Дискретный выход 11 |
| — | — | 61 | Общая клемма дискретных выходов 11 и 12 |
| — | — | 62 | Дискретный выход 12 |

Назначение контактов клеммной колодки ПР205-230.1816.02.2.0
Номер контакта | Назначение контактов | Номер контакта | Назначение контактов |
|---|---|---|---|
1 | Входное напряжение питания (230 В) | 20 | Клемма B интерфейса RS-485 (2) |
2 | Входное напряжение питания (230 В) | 21 | Клемма A интерфейса RS-485 (2) |
| 3 | Клемма «–» встроенного источника питания 24 В | 22 | Клемма I AI1 |
| 4 | Клемма «+» встроенного источника питания 24 В | 23 | Клемма U AI1 |
| 5 | Общая клемма дискретных входов 1...4 | 24 | Общая клемма универсальных входов 1 и 2 |
| 6 | Дискретный вход 1 (230 В) | 25 | Клемма U AI2 |
| 7 | Дискретный вход 2 (230 В) | 26 | Клемма I AI2 |
| 8 | Дискретный вход 3 (230 В) | 27 | Клемма I AI3 |
| 9 | Дискретный вход 4 (230 В) | 28 | Клемма U AI3 |
| 10 | Общая клемма дискретных входов 5...8 | 29 | Общая клемма универсальных входов 3 и 4 |
| 11 | Дискретный вход 5 (230 В) | 30 | Клемма U AI4 |
| 12 | Дискретный вход 6 (230 В) | 31 | Клемма I AI4 |
| 13 | Дискретный вход 7 (230 В) | 32 | Клемма I AI5 |
| 14 | Дискретный вход 8 (230 В) | 43 | Клемма U AI5 |
| 15 | Общая клемма дискретных входов 9...12 | 34 | Общая клемма универсальных входов 5 и 6 |
| 16 | Дискретный вход 9 (230 В) | 35 | Клемма U AI6 |
| 17 | Дискретный вход 10 (230 В) | 36 | Клемма I AI6 |
| 18 | Дискретный вход 11 (230 В) | 45 | Дискретный выход 1 |
| 19 | Дискретный вход 12 (230 В) | 46 | Общая клемма дискретных выходов 1 и 2 |
| 37 | Клемма B интерфейса RS-485 (1) | 49 | Дискретный выход 2 |
| 38 | Клемма A интерфейса RS-485 (1) | 50 | Дискретный выход 3 |
| 39 | Клемма «V+» питания аналоговых выходов 1...3 | 51 | Общая клемма дискретных выходов 3 и 4 |
| 40 | Клемма «V-» питания аналоговых выходов 1...3 | 52 | Дискретный выход 4 |
| 41 | Клемма аналогового выхода 1 | 53 | Дискретный выход 5 |
| 42 | Клемма «V-» аналогового выхода 1 | 54 | Общая клемма дискретных выходов 5 и 6 |
| 43 | Клемма аналогового выхода 2 | 55 | Дискретный выход 6 |
| 44 | Клемма «V-» аналогового выхода 2 | 56 | Дискретный выход 7 |
| 45 | Клемма аналогового выхода 3 | 57 | Общая клемма дискретных выходов 7 и 8 |
| 46 | Клемма «V-» аналогового выхода 3 | 58 | Дискретный выход 8 |
| 47 | Клемма аналогового выхода 4 | 59 | Дискретный выход 9 |
| 48 | Клемма «V-» аналогового выхода 4 | 60 | Общая клемма дискретных выходов 9 и 10 |
| — | — | 61 | Дискретный выход 10 |
| — | — | 62 | Дискретный выход 11 |
| — | — | 63 | Общая клемма дискретных выходов 11 и 12 |
| — | — | 64 | Дискретный выход 12 |

Выходы DO1...DO8 — выходы типа «электромагнитное реле».
Выходы DO9...DO12 — выходы типа «транзистор n-p-n типа».
Назначение контактов клеммной колодки ПР205-230.1816.06.0.0
Номер контакта | Назначение контактов | Номер контакта | Назначение контактов |
|---|---|---|---|
1 | Входное напряжение питания (230 В) | 20 | Клемма I AI1 |
2 | Входное напряжение питания (230 В) | 21 | Клемма U AI1 |
| 3 | Клемма «–» встроенного источника питания 24 В | 22 | Общая клемма универсальных входов 1 и 2 |
| 4 | Клемма «+» встроенного источника питания 24 В | 23 | Клемма U AI2 |
| 5 | Общая клемма дискретных входов 1...4 | 24 | Клемма I AI2 |
| 6 | Дискретный вход 1 (230 В) | 25 | Клемма I AI3 |
| 7 | Дискретный вход 2 (230 В) | 26 | Клемма U AI3 |
| 8 | Дискретный вход 3 (230 В) | 27 | Общая клемма универсальных входов 3 и 4 |
| 9 | Дискретный вход 4 (230 В) | 28 | Клемма U AI4 |
| 10 | Общая клемма дискретных входов 5...8 | 29 | Клемма I AI4 |
| 11 | Дискретный вход 5 (230 В) | 30 | Клемма I AI5 |
| 12 | Дискретный вход 6 (230 В) | 31 | Клемма U AI5 |
| 13 | Дискретный вход 7 (230 В) | 32 | Общая клемма универсальных входов 5 и 6 |
| 14 | Дискретный вход 8 (230 В) | 43 | Клемма U AI6 |
| 15 | Общая клемма дискретных входов 9...12 | 34 | Клемма I AI6 |
| 16 | Дискретный вход 9 (230 В) | 45 | Дискретный выход 1 |
| 17 | Дискретный вход 10 (230 В) | 46 | Общая клемма дискретных выходов 1 и 2 |
| 18 | Дискретный вход 11 (230 В) | 47 | Дискретный выход 2 |
| 19 | Дискретный вход 12 (230 В) | 48 | Дискретный выход 3 |
| 35 | Клемма «V+» питания аналоговых выходов 1...3 | 49 | Общая клемма дискретных выходов 3 и 4 |
| 36 | Клемма «V-» питания аналоговых выходов 1...3 | 50 | Дискретный выход 4 |
| 37 | Клемма аналогового выхода 1 | 51 | Дискретный выход 5 |
| 38 | Клемма «V-» аналогового выхода 1 | 52 | Общая клемма дискретных выходов 5 и 6 |
| 39 | Клемма аналогового выхода 2 | 53 | Дискретный выход 6 |
| 40 | Клемма «V-» аналогового выхода 2 | 54 | Дискретный выход 7 |
| 41 | Клемма аналогового выхода 3 | 55 | Общая клемма дискретных выходов 7 и 8 |
| 42 | Клемма «V-» аналогового выхода 3 | 56 | Дискретный выход 8 |
| 43 | Клемма аналогового выхода 4 | 57 | Транзисторный выход 1 (коллектор) |
| 44 | Клемма «V-» аналогового выхода 4 | 58 | Транзисторные выходы 1 и 2 (общий эмиттер) |
| — | — | 59 | Транзисторный выход 2 (коллектор) |
| — | — | 60 | Транзисторный выход 3 (коллектор) |
| — | — | 61 | Транзисторные выходы 3 и 4 (общий эмиттер) |
| — | — | 62 | Транзисторный выход 4 (коллектор) |

Выходы DO1...DO8 — выходы типа «электромагнитное реле».
Выходы DO9...DO12 — выходы типа «транзистор n-p-n типа».
Назначение контактов клеммной колодки ПР205-230.1816.06.2.0
Номер контакта | Назначение контактов | Номер контакта | Назначение контактов |
|---|---|---|---|
1 | Входное напряжение питания (230 В) | 20 | Клемма B интерфейса RS-485 (2) |
2 | Входное напряжение питания (230 В) | 21 | Клемма A интерфейса RS-485 (2) |
| 3 | Клемма «–» встроенного источника питания 24 В | 22 | Клемма I AI1 |
| 4 | Клемма «+» встроенного источника питания 24 В | 23 | Клемма U AI1 |
| 5 | Общая клемма дискретных входов 1...4 | 24 | Общая клемма универсальных входов 1 и 2 |
| 6 | Дискретный вход 1 (230 В) | 25 | Клемма U AI2 |
| 7 | Дискретный вход 2 (230 В) | 26 | Клемма I AI2 |
| 8 | Дискретный вход 3 (230 В) | 27 | Клемма I AI3 |
| 9 | Дискретный вход 4 (230 В) | 28 | Клемма U AI3 |
| 10 | Общая клемма дискретных входов 5...8 | 29 | Общая клемма универсальных входов 3 и 4 |
| 11 | Дискретный вход 5 (230 В) | 30 | Клемма U AI4 |
| 12 | Дискретный вход 6 (230 В) | 31 | Клемма I AI4 |
| 13 | Дискретный вход 7 (230 В) | 32 | Клемма I AI5 |
| 14 | Дискретный вход 8 (230 В) | 43 | Клемма U AI5 |
| 15 | Общая клемма дискретных входов 9...12 | 34 | Общая клемма универсальных входов 5 и 6 |
| 16 | Дискретный вход 9 (230 В) | 35 | Клемма U AI6 |
| 17 | Дискретный вход 10 (230 В) | 36 | Клемма I AI6 |
| 18 | Дискретный вход 11 (230 В) | 45 | Дискретный выход 1 |
| 19 | Дискретный вход 12 (230 В) | 46 | Общая клемма дискретных выходов 1 и 2 |
| 37 | Клемма B интерфейса RS-485 (1) | 49 | Дискретный выход 2 |
| 38 | Клемма A интерфейса RS-485 (1) | 50 | Дискретный выход 3 |
| 39 | Клемма «V+» питания аналоговых выходов 1...3 | 51 | Общая клемма дискретных выходов 3 и 4 |
| 40 | Клемма «V-» питания аналоговых выходов 1...3 | 52 | Дискретный выход 4 |
| 41 | Клемма аналогового выхода 1 | 53 | Дискретный выход 5 |
| 42 | Клемма «V-» аналогового выхода 1 | 54 | Общая клемма дискретных выходов 5 и 6 |
| 43 | Клемма аналогового выхода 2 | 55 | Дискретный выход 6 |
| 44 | Клемма «V-» аналогового выхода 2 | 56 | Дискретный выход 7 |
| 45 | Клемма аналогового выхода 3 | 57 | Общая клемма дискретных выходов 7 и 8 |
| 46 | Клемма «V-» аналогового выхода 3 | 58 | Дискретный выход 8 |
| 47 | Клемма аналогового выхода 4 | 59 | Транзисторный выход 1 (коллектор) |
| 48 | Клемма «V-» аналогового выхода 4 | 60 | Транзисторные выходы 1 и 2 (общий эмиттер) |
| — | — | 61 | Транзисторный выход 2 (коллектор) |
| — | — | 62 | Транзисторный выход 3 (коллектор) |
| — | — | 63 | Транзисторные выходы 3 и 4 (общий эмиттер) |
| — | — | 64 | Транзисторный выход 4 (коллектор) |

Назначение контактов клеммной колодки ПР205-24.1211.02.0.0
Номер контакта | Назначение контактов | Номер контакта | Назначение контактов |
|---|---|---|---|
1 | Клемма «–» | 5 | Клемма I AI1 |
2 | Клемма «+» | 6 | Клемма U AI1 |
| 15 | Общая клемма дискретных входов 1...4 | 7 | Общая клемма универсальных входов 1 и 2 |
| 16 | Дискретный вход 1 (24 В) | 8 | Клемма U AI2 |
| 17 | Дискретный вход 2 (24 В) | 9 | Клемма I AI2 |
| 18 | Дискретный вход 3 (24 В) | 10 | Клемма I AI3 |
| 19 | Дискретный вход 4 (24 В) | 11 | Клемма U AI3 |
| 20 | Общая клемма дискретных входов 5...6 | 12 | Общая клемма универсальных входов 3 и 4 |
| 21 | Дискретный вход 5 (24 В) | 13 | Клемма U AI4 |
| 22 | Дискретный вход 6 (24 В) | 14 | Клемма I AI4 |
| 23 | Общая клемма быстрых дискретных входов 1...2 | 38 | Дискретный выход 1 |
| 24 | Быстрый дискретный вход 1(24 В) | 39 | Общая клемма дискретных выходов 1 и 2 |
| 25 | Быстрый дискретный вход 2 (24 В) | 40 | Дискретный выход 2 |
| 26 | Клемма «V+» питания аналоговых выходов 1...3 | 41 | Дискретный выход 3 |
| 27 | Клемма «V-» питания аналоговых выходов 1...3 | 42 | Общая клемма дискретных выходов 3 и 4 |
| 28 | Клемма аналогового выхода 1 | 43 | Дискретный выход 4 |
| 29 | Клемма «V-» аналогового выхода 1 | 44 | Дискретный выход 5 |
| 30 | Клемма аналогового выхода 2 | 45 | Общая клемма дискретных выходов 5 и 6 |
| 31 | Клемма «V-» аналогового выхода 2 | 46 | Дискретный выход 6 |
| 32 | Клемма аналогового выхода 3 | 47 | Дискретный выход 7 |
| 33 | Клемма «V-» аналогового выхода 3 | 48 | Общая клемма дискретных выходов 7 и 8 |
| — | — | 49 | Дискретный выход 8 |

Назначение контактов клеммной колодки ПР205-24.1211.02.2.0
Номер контакта | Назначение контактов | Номер контакта | Назначение контактов |
|---|---|---|---|
1 | Клемма «–» | 36 | Клемма B интерфейса RS-485 (2) |
2 | Клемма «+» | 37 | Клемма A интерфейса RS-485 (2) |
| 15 | Общая клемма дискретных входов 1...4 | 5 | Клемма I AI1 |
| 16 | Дискретный вход 1 (24 В) | 6 | Клемма U AI1 |
| 17 | Дискретный вход 2 (24 В) | 7 | Общая клемма универсальных входов 1 и 2 |
| 18 | Дискретный вход 3 (24 В) | 8 | Клемма U AI2 |
| 19 | Дискретный вход 4 (24 В) | 9 | Клемма I AI2 |
| 20 | Общая клемма дискретных входов 5...6 | 10 | Клемма I AI3 |
| 21 | Дискретный вход 5 (24 В) | 11 | Клемма U AI3 |
| 22 | Дискретный вход 6 (24 В) | 12 | Общая клемма универсальных входов 3 и 4 |
| 23 | Общая клемма быстрых дискретных входов 1...2 | 13 | Клемма U AI4 |
| 24 | Быстрый дискретный вход 1(24 В) | 14 | Клемма I AI4 |
| 25 | Быстрый дискретный вход 2 (24 В) | 38 | Дискретный выход 1 |
| 26 | Клемма «V+» питания аналоговых выходов 1...3 | 39 | Общая клемма дискретных выходов 1 и 2 |
| 27 | Клемма «V-» питания аналоговых выходов 1...3 | 40 | Дискретный выход 2 |
| 28 | Клемма аналогового выхода 1 | 41 | Дискретный выход 3 |
| 29 | Клемма «V-» аналогового выхода 1 | 42 | Общая клемма дискретных выходов 3 и 4 |
| 30 | Клемма аналогового выхода 2 | 43 | Дискретный выход 4 |
| 31 | Клемма «V-» аналогового выхода 2 | 44 | Дискретный выход 5 |
| 32 | Клемма аналогового выхода 3 | 45 | Общая клемма дискретных выходов 5 и 6 |
| 33 | Клемма «V-» аналогового выхода 3 | 46 | Дискретный выход 6 |
| 34 | Клемма B интерфейса RS-485 (1) | 47 | Дискретный выход 7 |
| 35 | Клемма A интерфейса RS-485 (1) | 48 | Общая клемма дискретных выходов 7 и 8 |
| — | — | 49 | Дискретный выход 8 |

Выходы DO1...DO6 — выходы типа «электромагнитное реле».
Выходы DO7...DO8 — выходы типа «транзистор n-p-n типа».
Назначение контактов клеммной колодки ПР205-24.1211.06.0.0
Номер контакта | Назначение контактов | Номер контакта | Назначение контактов |
|---|---|---|---|
1 | Клемма «–» | 5 | Клемма I AI1 |
2 | Клемма «+» | 6 | Клемма U AI1 |
| 15 | Общая клемма дискретных входов 1...4 | 7 | Общая клемма универсальных входов 1 и 2 |
| 16 | Дискретный вход 1 (24 В) | 8 | Клемма U AI2 |
| 17 | Дискретный вход 2 (24 В) | 9 | Клемма I AI2 |
| 18 | Дискретный вход 3 (24 В) | 10 | Клемма I AI3 |
| 19 | Дискретный вход 4 (24 В) | 11 | Клемма U AI3 |
| 20 | Общая клемма дискретных входов 5...6 | 12 | Общая клемма универсальных входов 3 и 4 |
| 21 | Дискретный вход 5 (24 В) | 13 | Клемма U AI4 |
| 22 | Дискретный вход 6 (24 В) | 14 | Клемма I AI4 |
| 23 | Общая клемма быстрых дискретных входов 1...2 | 38 | Дискретный выход 1 |
| 24 | Быстрый дискретный вход 1(24 В) | 39 | Общая клемма дискретных выходов 1 и 2 |
| 25 | Быстрый дискретный вход 2 (24 В) | 40 | Дискретный выход 2 |
| 26 | Клемма «V+» питания аналоговых выходов 1...3 | 41 | Дискретный выход 3 |
| 27 | Клемма «V-» питания аналоговых выходов 1...3 | 42 | Общая клемма дискретных выходов 3 и 4 |
| 28 | Клемма аналогового выхода 1 | 43 | Дискретный выход 4 |
| 29 | Клемма «V-» аналогового выхода 1 | 44 | Дискретный выход 5 |
| 30 | Клемма аналогового выхода 2 | 45 | Общая клемма дискретных выходов 5 и 6 |
| 31 | Клемма «V-» аналогового выхода 2 | 46 | Дискретный выход 6 |
| 32 | Клемма аналогового выхода 3 | 47 | Транзисторный выход 1 (коллектор) |
| 33 | Клемма «V-» аналогового выхода 3 | 48 | Транзисторные выходы 1 и 2 (общий эмиттер) |
| — | — | 49 | Транзисторный выход 2 (коллектор) |

Выходы DO1...DO6 — выходы типа «электромагнитное реле».
Выходы DO7...DO8 — выходы типа «транзистор n-p-n типа».
Назначение контактов клеммной колодки ПР205-24.1211.06.2.0
Номер контакта | Назначение контактов | Номер контакта | Назначение контактов |
|---|---|---|---|
1 | Клемма «–» | 36 | Клемма B интерфейса RS-485 (2) |
2 | Клемма «+» | 37 | Клемма A интерфейса RS-485 (2) |
| 15 | Общая клемма дискретных входов 1...4 | 5 | Клемма I AI1 |
| 16 | Дискретный вход 1 (24 В) | 6 | Клемма U AI1 |
| 17 | Дискретный вход 2 (24 В) | 7 | Общая клемма универсальных входов 1 и 2 |
| 18 | Дискретный вход 3 (24 В) | 8 | Клемма U AI2 |
| 19 | Дискретный вход 4 (24 В) | 9 | Клемма I AI2 |
| 20 | Общая клемма дискретных входов 5...6 | 10 | Клемма I AI3 |
| 21 | Дискретный вход 5 (24 В) | 11 | Клемма U AI3 |
| 22 | Дискретный вход 6 (24 В) | 12 | Общая клемма универсальных входов 3 и 4 |
| 23 | Общая клемма быстрых дискретных входов 1...2 | 13 | Клемма U AI4 |
| 24 | Быстрый дискретный вход 1(24 В) | 14 | Клемма I AI4 |
| 25 | Быстрый дискретный вход 2 (24 В) | 38 | Дискретный выход 1 |
| 26 | Клемма «V+» питания аналоговых выходов 1...3 | 39 | Общая клемма дискретных выходов 1 и 2 |
| 27 | Клемма «V-» питания аналоговых выходов 1...3 | 40 | Дискретный выход 2 |
| 28 | Клемма аналогового выхода 1 | 41 | Дискретный выход 3 |
| 29 | Клемма «V-» аналогового выхода 1 | 42 | Общая клемма дискретных выходов 3 и 4 |
| 30 | Клемма аналогового выхода 2 | 43 | Дискретный выход 4 |
| 31 | Клемма «V-» аналогового выхода 2 | 44 | Дискретный выход 5 |
| 32 | Клемма аналогового выхода 3 | 45 | Общая клемма дискретных выходов 5 и 6 |
| 33 | Клемма «V-» аналогового выхода 3 | 46 | Дискретный выход 6 |
| 34 | Клемма B интерфейса RS-485 (1) | 47 | Транзисторный выход 1 (коллектор) |
| 35 | Клемма A интерфейса RS-485 (1) | 48 | Транзисторные выходы 1 и 2 (общий эмиттер) |
| — | — | 49 | Транзисторный выход 2 (коллектор) |

Назначение контактов клеммной колодки ПР205-24.1816.02.0.0
Номер контакта | Назначение контактов | Номер контакта | Назначение контактов |
|---|---|---|---|
1 | Клемма «–» | 18 | Клемма I AI1 |
2 | Клемма «+» | 19 | Клемма U AI1 |
| 3 | Общая клемма дискретных входов 1...4 | 20 | Общая клемма универсальных входов 1 и 2 |
| 4 | Дискретный вход 1 (24 В) | 21 | Клемма U AI2 |
| 5 | Дискретный вход 2 (24 В) | 22 | Клемма I AI2 |
| 6 | Дискретный вход 3 (24 В) | 23 | Клемма I AI3 |
| 7 | Дискретный вход 4 (24 В) | 24 | Клемма U AI3 |
| 8 | Общая клемма дискретных входов 5...8 | 25 | Общая клемма универсальных входов 3 и 4 |
| 9 | Дискретный вход 5 (24 В) | 26 | Клемма U AI4 |
| 10 | Дискретный вход 6 (24 В) | 27 | Клемма I AI4 |
| 11 | Дискретный вход 7 (24 В) | 28 | Клемма I AI5 |
| 12 | Дискретный вход 8 (24 В) | 29 | Клемма U AI5 |
| 13 | Общая клемма быстрых дискретных входов 1...2 | 30 | Общая клемма универсальных входов 5 и 6 |
| 14 | Быстрый дискретный вход 1 (24 В) | 31 | Клемма U AI6 |
| 15 | Быстрый дискретный вход 2 (24 В) | 32 | Клемма I AI6 |
| 16 | Быстрый дискретный вход 3 (24 В) | 43 | Дискретный выход 1 |
| 17 | Быстрый дискретный вход 4 (24 В) | 44 | Общая клемма дискретных выходов 1 и 2 |
| 33 | Клемма «V+» питания аналоговых выходов 1...3 | 45 | Дискретный выход 2 |
| 34 | Клемма «V-» питания аналоговых выходов 1...3 | 46 | Дискретный выход 3 |
| 35 | Клемма аналогового выхода 1 | 47 | Общая клемма дискретных выходов 3 и 4 |
| 36 | Клемма «V-» аналогового выхода 1 | 48 | Дискретный выход 4 |
| 37 | Клемма аналогового выхода 2 | 49 | Дискретный выход 5 |
| 38 | Клемма «V-» аналогового выхода 2 | 50 | Общая клемма дискретных выходов 5 и 6 |
| 39 | Клемма аналогового выхода 3 | 51 | Дискретный выход 6 |
| 40 | Клемма «V-» аналогового выхода 3 | 52 | Дискретный выход 7 |
| 41 | Клемма аналогового выхода 4 | 53 | Общая клемма дискретных выходов 7 и 8 |
| 42 | Клемма «V-» аналогового выхода 4 | 54 | Дискретный выход 8 |
| — | — | 55 | Дискретный выход 9 |
| — | — | 56 | Общая клемма дискретных выходов 9 и 10 |
| — | — | 57 | Дискретный выход 10 |
| — | — | 58 | Дискретный выход 11 |
| — | — | 59 | Общая клемма дискретных выходов 11 и 12 |
| — | — | 60 | Дискретный выход 12 |

Назначение контактов клеммной колодки ПР205-24.1816.02.2.0
Номер контакта | Назначение контактов | Номер контакта | Назначение контактов |
|---|---|---|---|
1 | Клемма «–» | 20 | Клемма I AI1 |
2 | Клемма «+» | 21 | Клемма U AI1 |
| 3 | Общая клемма дискретных входов 1...4 | 22 | Общая клемма универсальных входов 1 и 2 |
| 4 | Дискретный вход 1 (24 В) | 23 | Клемма U AI2 |
| 5 | Дискретный вход 2 (24 В) | 24 | Клемма I AI2 |
| 6 | Дискретный вход 3 (24 В) | 25 | Клемма I AI3 |
| 7 | Дискретный вход 4 (24 В) | 26 | Клемма U AI3 |
| 8 | Общая клемма дискретных входов 5...8 | 27 | Общая клемма универсальных входов 3 и 4 |
| 9 | Дискретный вход 5 (24 В) | 28 | Клемма U AI4 |
| 10 | Дискретный вход 6 (24 В) | 29 | Клемма I AI4 |
| 11 | Дискретный вход 7 (24 В) | 30 | Клемма I AI5 |
| 12 | Дискретный вход 8 (24 В) | 31 | Клемма U AI5 |
| 13 | Общая клемма быстрых дискретных входов 1...2 | 32 | Общая клемма универсальных входов 5 и 6 |
| 14 | Быстрый дискретный вход 1 (24 В) | 33 | Клемма U AI6 |
| 15 | Быстрый дискретный вход 2 (24 В) | 34 | Клемма I AI6 |
| 16 | Быстрый дискретный вход 3 (24 В) | 35 | Клемма B интерфейса RS-485 (2) |
| 17 | Быстрый дискретный вход 4 (24 В) | 36 | Клемма A интерфейса RS-485 (2) |
| 18 | Клемма B интерфейса RS-485 (1) | 47 | Дискретный выход 1 |
| 19 | Клемма A интерфейса RS-485 (1) | 48 | Общая клемма дискретных выходов 1 и 2 |
| 37 | Клемма «V+» питания аналоговых выходов 1...3 | 49 | Дискретный выход 2 |
| 38 | Клемма «V-» питания аналоговых выходов 1...3 | 50 | Дискретный выход 3 |
| 39 | Клемма аналогового выхода 1 | 51 | Общая клемма дискретных выходов 3 и 4 |
| 40 | Клемма «V-» аналогового выхода 1 | 52 | Дискретный выход 4 |
| 41 | Клемма аналогового выхода 2 | 53 | Дискретный выход 5 |
| 42 | Клемма «V-» аналогового выхода 2 | 54 | Общая клемма дискретных выходов 5 и 6 |
| 43 | Клемма аналогового выхода 3 | 55 | Дискретный выход 6 |
| 44 | Клемма «V-» аналогового выхода 3 | 56 | Дискретный выход 7 |
| 45 | Клемма аналогового выхода 4 | 57 | Общая клемма дискретных выходов 7 и 8 |
| 46 | Клемма «V-» аналогового выхода 4 | 58 | Дискретный выход 8 |
| — | — | 59 | Дискретный выход 9 |
| — | — | 60 | Общая клемма дискретных выходов 9 и 10 |
| — | — | 61 | Дискретный выход 10 |
| — | — | 62 | Дискретный выход 11 |
| — | — | 63 | Общая клемма дискретных выходов 11 и 12 |
| — | — | 64 | Дискретный выход 12 |

Выходы DO1...DO8 — выходы типа «электромагнитное реле».
Выходы DO9...DO12 — выходы типа «транзистор n-p-n типа».
Назначение контактов клеммной колодки ПР205-24.1816.06.0.0
Номер контакта | Назначение контактов | Номер контакта | Назначение контактов |
|---|---|---|---|
1 | Клемма «–» | 18 | Клемма I AI1 |
2 | Клемма «+» | 19 | Клемма U AI1 |
| 3 | Общая клемма дискретных входов 1...4 | 20 | Общая клемма универсальных входов 1 и 2 |
| 4 | Дискретный вход 1 (24 В) | 21 | Клемма U AI2 |
| 5 | Дискретный вход 2 (24 В) | 22 | Клемма I AI2 |
| 6 | Дискретный вход 3 (24 В) | 23 | Клемма I AI3 |
| 7 | Дискретный вход 4 (24 В) | 24 | Клемма U AI3 |
| 8 | Общая клемма дискретных входов 5...8 | 25 | Общая клемма универсальных входов 3 и 4 |
| 9 | Дискретный вход 5 (24 В) | 26 | Клемма U AI4 |
| 10 | Дискретный вход 6 (24 В) | 27 | Клемма I AI4 |
| 11 | Дискретный вход 7 (24 В) | 28 | Клемма I AI5 |
| 12 | Дискретный вход 8 (24 В) | 29 | Клемма U AI5 |
| 13 | Общая клемма быстрых дискретных входов 1...2 | 30 | Общая клемма универсальных входов 5 и 6 |
| 14 | Быстрый дискретный вход 1 (24 В) | 31 | Клемма U AI6 |
| 15 | Быстрый дискретный вход 2 (24 В) | 32 | Клемма I AI6 |
| 16 | Быстрый дискретный вход 3 (24 В) | 43 | Дискретный выход 1 |
| 17 | Быстрый дискретный вход 4 (24 В) | 44 | Общая клемма дискретных выходов 1 и 2 |
| 33 | Клемма «V+» питания аналоговых выходов 1...3 | 45 | Дискретный выход 2 |
| 34 | Клемма «V-» питания аналоговых выходов 1...3 | 46 | Дискретный выход 3 |
| 35 | Клемма аналогового выхода 1 | 47 | Общая клемма дискретных выходов 3 и 4 |
| 36 | Клемма «V-» аналогового выхода 1 | 48 | Дискретный выход 4 |
| 37 | Клемма аналогового выхода 2 | 49 | Дискретный выход 5 |
| 38 | Клемма «V-» аналогового выхода 2 | 50 | Общая клемма дискретных выходов 5 и 6 |
| 39 | Клемма аналогового выхода 3 | 51 | Дискретный выход 6 |
| 40 | Клемма «V-» аналогового выхода 3 | 52 | Дискретный выход 7 |
| 41 | Клемма аналогового выхода 4 | 53 | Общая клемма дискретных выходов 7 и 8 |
| 42 | Клемма «V-» аналогового выхода 4 | 54 | Дискретный выход 8 |
| — | — | 55 | Транзисторный выход 1 (коллектор) |
| — | — | 56 | Транзисторные выходы 1 и 2 (общий эмиттер) |
| — | — | 57 | Транзисторный выход 2 (коллектор) |
| — | — | 58 | Транзисторный выход 3 (коллектор) |
| — | — | 59 | Транзисторные выходы 3 и 4 (общий эмиттер) |
| — | — | 60 | Транзисторный выход 4 (коллектор) |

Выходы DO1...DO8 — выходы типа «электромагнитное реле».
Выходы DO9...DO12 — выходы типа «транзистор n-p-n типа».
Назначение контактов клеммной колодки ПР205-24.1816.06.2.0
Номер контакта | Назначение контактов | Номер контакта | Назначение контактов |
|---|---|---|---|
1 | Клемма «–» | 20 | Клемма I AI1 |
2 | Клемма «+» | 21 | Клемма U AI1 |
| 3 | Общая клемма дискретных входов 1...4 | 22 | Общая клемма универсальных входов 1 и 2 |
| 4 | Дискретный вход 1 (24 В) | 23 | Клемма U AI2 |
| 5 | Дискретный вход 2 (24 В) | 24 | Клемма I AI2 |
| 6 | Дискретный вход 3 (24 В) | 25 | Клемма I AI3 |
| 7 | Дискретный вход 4 (24 В) | 26 | Клемма U AI3 |
| 8 | Общая клемма дискретных входов 5...8 | 27 | Общая клемма универсальных входов 3 и 4 |
| 9 | Дискретный вход 5 (24 В) | 28 | Клемма U AI4 |
| 10 | Дискретный вход 6 (24 В) | 29 | Клемма I AI4 |
| 11 | Дискретный вход 7 (24 В) | 30 | Клемма I AI5 |
| 12 | Дискретный вход 8 (24 В) | 31 | Клемма U AI5 |
| 13 | Общая клемма быстрых дискретных входов 1...2 | 32 | Общая клемма универсальных входов 5 и 6 |
| 14 | Быстрый дискретный вход 1 (24 В) | 33 | Клемма U AI6 |
| 15 | Быстрый дискретный вход 2 (24 В) | 34 | Клемма I AI6 |
| 16 | Быстрый дискретный вход 3 (24 В) | 35 | Клемма B интерфейса RS-485 (2) |
| 17 | Быстрый дискретный вход 4 (24 В) | 36 | Клемма A интерфейса RS-485 (2) |
| 18 | Клемма B интерфейса RS-485 (1) | 47 | Дискретный выход 1 |
| 19 | Клемма A интерфейса RS-485 (1) | 48 | Общая клемма дискретных выходов 1 и 2 |
| 37 | Клемма «V+» питания аналоговых выходов 1...3 | 49 | Дискретный выход 2 |
| 38 | Клемма «V-» питания аналоговых выходов 1...3 | 50 | Дискретный выход 3 |
| 39 | Клемма аналогового выхода 1 | 51 | Общая клемма дискретных выходов 3 и 4 |
| 40 | Клемма «V-» аналогового выхода 1 | 52 | Дискретный выход 4 |
| 41 | Клемма аналогового выхода 2 | 53 | Дискретный выход 5 |
| 42 | Клемма «V-» аналогового выхода 2 | 54 | Общая клемма дискретных выходов 5 и 6 |
| 43 | Клемма аналогового выхода 3 | 55 | Дискретный выход 6 |
| 44 | Клемма «V-» аналогового выхода 3 | 56 | Дискретный выход 7 |
| 45 | Клемма аналогового выхода 4 | 57 | Общая клемма дискретных выходов 7 и 8 |
| 46 | Клемма «V-» аналогового выхода 4 | 58 | Дискретный выход 8 |
| — | — | 59 | Транзисторный выход 1 (коллектор) |
| — | — | 60 | Транзисторные выходы 1 и 2 (общий эмиттер) |
| — | — | 61 | Транзисторный выход 2 (коллектор) |
| — | — | 62 | Транзисторный выход 3 (коллектор) |
| — | — | 63 | Транзисторные выходы 3 и 4 (общий эмиттер) |
| — | — | 64 | Транзисторный выход 4 (коллектор) |
Карты регистров Modbus
В таблицах ниже представлены адреса регистров, которые можно загрузить из прибора с помощью OWEN Configurator.
Карта регистров Modbus ПР205-230.1211.02.0.0
Карта регистров Modbus ПР205-230.1211.02.0.0
Параметр | Группа | Адрес | Адрес (hex) | Количество регистров | Функция чтения | Функция записи | Тип данных |
|---|---|---|---|---|---|---|---|
Время в миллисек | Часы реального времени | 61563 | 0xF07B | 2 | 3 | - | Unsigned 32 |
Время и дата (UTC) | Часы реального времени | 61553 | 0xF071 | 2 | 3 | 16 | Date time 32 |
Часовой пояс | Часы реального времени | 61555 | 0xF073 | 1 | 3 | 16 | Enum 38 |
Секунды | Переменные даты и времени | 61557 | 0xF075 | 1 | 3 | - | Unsigned 8 |
Минуты | Переменные даты и времени | 61558 | 0xF076 | 1 | 3 | - | Unsigned 8 |
Часы | Переменные даты и времени | 61559 | 0xF077 | 1 | 3 | - | Unsigned 8 |
Дни | Переменные даты и времени | 61560 | 0xF078 | 1 | 3 | - | Unsigned 8 |
Месяцы | Переменные даты и времени | 61561 | 0xF079 | 1 | 3 | - | Unsigned 8 |
Годы | Переменные даты и времени | 61562 | 0xF07A | 1 | 3 | - | Unsigned 16 |
День недели | Переменные даты и времени | 61556 | 0xF074 | 1 | 3 | - | Enum 8 |
MAC адрес | Сетевые настройки | 61712 | 0xF110 | 9 | 3 | - | String 144 |
IP адрес | Сетевые настройки | 20 | 0x0014 | 2 | 3 | 16 | Unsigned 32 |
Маска подсети | Сетевые настройки | 22 | 0x0016 | 2 | 3 | 16 | Unsigned 32 |
IP адрес шлюза | Сетевые настройки | 24 | 0x0018 | 2 | 3 | 16 | Unsigned 32 |
DNS сервер 1 | Сетевые настройки | 12 | 0x000C | 2 | 3 | 16 | Unsigned 32 |
DNS сервер 2 | Сетевые настройки | 14 | 0x000E | 2 | 3 | 16 | Unsigned 32 |
Режим DHCP | Сетевые настройки | 32 | 0x0020 | 1 | 3 | 16 | Enum 2 |
Применить сейчас | Сетевые настройки | 33 | 0x0021 | 1 | 3 | 16 | Enum 2 |
Статус подключения | Сетевые настройки | 34 | 0x0022 | 1 | 3 | - | Enum 4 |
Напряжение | Батарея | 801 | 0x0321 | 1 | 3 | - | Unsigned 16 |
Пороговое напряжение | Батарея | 800 | 0x0320 | 1 | 3 | - | Unsigned 16 |
Состояние | Батарея | 802 | 0x0322 | 1 | 3 | - | Enum 2 |
Период обновления информации | Статус прибора | 61624 | 0xF0B8 | 1 | 3 | 16 | Unsigned 8 |
Статус | Статус прибора | 61620 | 0xF0B4 | 2 | 3 | - | Unsigned 32 |
ПРМ Слот 1. Название модуля | Статус прибора | 6000 | 0x1770 | 8 | 3 | - | String 128 |
ПРМ Слот 1. Версия ПО модуля | Статус прибора | 6016 | 0x1780 | 4 | 3 | - | String 64 |
ПРМ Слот 2. Название модуля | Статус прибора | 6032 | 0x1790 | 8 | 3 | - | String 128 |
ПРМ Слот 2. Версия ПО модуля | Статус прибора | 6048 | 0x17A0 | 4 | 3 | - | String 64 |
Ошибки | Статус прибора | 61626 | 0xF0BA | 1 | 3 | - | Unsigned 16 |
Предупреждения | Статус прибора | 61627 | 0xF0BB | 1 | 3 | - | Unsigned 16 |
Период архивирования | Архив | 900 | 0x0384 | 1 | 3 | 16 | Unsigned 16 |
Количество архивов | Архив | 901 | 0x0385 | 1 | 3 | 16 | Unsigned 16 |
Размер архива | Архив | 902 | 0x0386 | 1 | 3 | 16 | Unsigned 16 |
Последний индекс архива | Архив | 903 | 0x0387 | 1 | 3 | - | Unsigned 16 |
Состояние | Дискретные входы | 51 | 0x0033 | 1 | 3 | - | Unsigned 8 |
Инверсия | Дискретные входы | 57 | 0x0039 | 1 | 3 | 16 | Unsigned 8 |
Состояние | Дискретно-аналоговые входы | 4000 | 0x0FA0 | 1 | 3 | - | Unsigned 8 |
Инверсия | Дискретно-аналоговые входы | 4357 | 0x1105 | 1 | 3 | 16 | Unsigned 8 |
Режим работы | Вход 1 | 4100 | 0x1004 | 1 | 3 | 16 | Enum 2 |
Фильтр антидребезга | Дискретный режим | 4108 | 0x100C | 1 | 3 | 16 | Unsigned 8 |
Уровень логического нуля | Дискретный режим | 4111 | 0x100F | 2 | 3 | 16 | Float 32 |
Уровень логической единицы | Дискретный режим | 4109 | 0x100D | 2 | 3 | 16 | Float 32 |
Тип датчика | Аналоговый режим | 4101 | 0x1005 | 1 | 3 | 16 | Enum 28 |
Постоянная времени фильтра | Аналоговый режим | 4106 | 0x100A | 2 | 3 | 16 | Float 32 |
Нижняя граница измерения | Аналоговый режим | 4104 | 0x1008 | 2 | 3 | 16 | Float 32 |
Верхняя граница измерения | Аналоговый режим | 4102 | 0x1006 | 2 | 3 | 16 | Float 32 |
Режим работы | Вход 2 | 4116 | 0x1014 | 1 | 3 | 16 | Enum 2 |
Фильтр антидребезга | Дискретный режим | 4124 | 0x101C | 1 | 3 | 16 | Unsigned 8 |
Уровень логического нуля | Дискретный режим | 4127 | 0x101F | 2 | 3 | 16 | Float 32 |
Уровень логической единицы | Дискретный режим | 4125 | 0x101D | 2 | 3 | 16 | Float 32 |
Тип датчика | Аналоговый режим | 4117 | 0x1015 | 1 | 3 | 16 | Enum 28 |
Постоянная времени фильтра | Аналоговый режим | 4122 | 0x101A | 2 | 3 | 16 | Float 32 |
Нижняя граница измерения | Аналоговый режим | 4120 | 0x1018 | 2 | 3 | 16 | Float 32 |
Верхняя граница измерения | Аналоговый режим | 4118 | 0x1016 | 2 | 3 | 16 | Float 32 |
Режим работы | Вход 3 | 4132 | 0x1024 | 1 | 3 | 16 | Enum 2 |
Фильтр антидребезга | Дискретный режим | 4140 | 0x102C | 1 | 3 | 16 | Unsigned 8 |
Уровень логического нуля | Дискретный режим | 4143 | 0x102F | 2 | 3 | 16 | Float 32 |
Уровень логической единицы | Дискретный режим | 4141 | 0x102D | 2 | 3 | 16 | Float 32 |
Тип датчика | Аналоговый режим | 4133 | 0x1025 | 1 | 3 | 16 | Enum 28 |
Постоянная времени фильтра | Аналоговый режим | 4138 | 0x102A | 2 | 3 | 16 | Float 32 |
Нижняя граница измерения | Аналоговый режим | 4136 | 0x1028 | 2 | 3 | 16 | Float 32 |
Верхняя граница измерения | Аналоговый режим | 4134 | 0x1026 | 2 | 3 | 16 | Float 32 |
Режим работы | Вход 4 | 4148 | 0x1034 | 1 | 3 | 16 | Enum 2 |
Фильтр антидребезга | Дискретный режим | 4156 | 0x103C | 1 | 3 | 16 | Unsigned 8 |
Уровень логического нуля | Дискретный режим | 4159 | 0x103F | 2 | 3 | 16 | Float 32 |
Уровень логической единицы | Дискретный режим | 4157 | 0x103D | 2 | 3 | 16 | Float 32 |
Тип датчика | Аналоговый режим | 4149 | 0x1035 | 1 | 3 | 16 | Enum 28 |
Постоянная времени фильтра | Аналоговый режим | 4154 | 0x103A | 2 | 3 | 16 | Float 32 |
Нижняя граница измерения | Аналоговый режим | 4152 | 0x1038 | 2 | 3 | 16 | Float 32 |
Верхняя граница измерения | Аналоговый режим | 4150 | 0x1036 | 2 | 3 | 16 | Float 32 |
Вход 1 | Измеренные значения | 4002 | 0x0FA2 | 2 | 3 | - | Float 32 |
Вход 2 | Измеренные значения | 4004 | 0x0FA4 | 2 | 3 | - | Float 32 |
Вход 3 | Измеренные значения | 4006 | 0x0FA6 | 2 | 3 | - | Float 32 |
Вход 4 | Измеренные значения | 4008 | 0x0FA8 | 2 | 3 | - | Float 32 |
Вход 1 | Состояния аналоговых входов | 4014 | 0x0FAE | 1 | 3 | - | Enum 11 |
Вход 2 | Состояния аналоговых входов | 4015 | 0x0FAF | 1 | 3 | - | Enum 11 |
Вход 3 | Состояния аналоговых входов | 4016 | 0x0FB0 | 1 | 3 | - | Enum 11 |
Вход 4 | Состояния аналоговых входов | 4017 | 0x0FB1 | 1 | 3 | - | Enum 11 |
Изменить состояние | Дискретные выходы | 470 | 0x01D6 | 1 | 3 | 16 | Unsigned 8 |
Состояние | Дискретные выходы | 468 | 0x01D4 | 1 | 3 | - | Unsigned 8 |
Безопасное состояние | Выход 1 | 474 | 0x01DA | 1 | 3 | 16 | Enum 3 |
Безопасное состояние | Выход 2 | 475 | 0x01DB | 1 | 3 | 16 | Enum 3 |
Безопасное состояние | Выход 3 | 476 | 0x01DC | 1 | 3 | 16 | Enum 3 |
Безопасное состояние | Выход 4 | 477 | 0x01DD | 1 | 3 | 16 | Enum 3 |
Безопасное состояние | Выход 5 | 478 | 0x01DE | 1 | 3 | 16 | Enum 3 |
Безопасное состояние | Выход 6 | 479 | 0x01DF | 1 | 3 | 16 | Enum 3 |
Безопасное состояние | Выход 7 | 480 | 0x01E0 | 1 | 3 | 16 | Enum 3 |
Безопасное состояние | Выход 8 | 481 | 0x01E1 | 1 | 3 | 16 | Enum 3 |
Вид сигнала | Выход 1 | 3160 | 0x0C58 | 1 | 3 | 16 | Enum 3 |
Состояние | Выход 1 | 3128 | 0x0C38 | 1 | 3 | - | Enum 7 |
Безопасное состояние | Выход 1 | 3032 | 0x0BD8 | 2 | 3 | 16 | Float 32 |
Вид сигнала | Выход 2 | 3161 | 0x0C59 | 1 | 3 | 16 | Enum 3 |
Состояние | Выход 2 | 3129 | 0x0C39 | 1 | 3 | - | Enum 7 |
Безопасное состояние | Выход 2 | 3034 | 0x0BDA | 2 | 3 | 16 | Float 32 |
Вид сигнала | Выход 3 | 3162 | 0x0C5A | 1 | 3 | 16 | Enum 3 |
Состояние | Выход 3 | 3130 | 0x0C3A | 1 | 3 | - | Enum 7 |
Безопасное состояние | Выход 3 | 3036 | 0x0BDC | 2 | 3 | 16 | Float 32 |
Выход 1 | Значения сигнала | 3000 | 0x0BB8 | 2 | 3 | 16 | Float 32 |
Выход 2 | Значения сигнала | 3002 | 0x0BBA | 2 | 3 | 16 | Float 32 |
Выход 3 | Значения сигнала | 3004 | 0x0BBC | 2 | 3 | 16 | Float 32 |
Состояние | Пользовательские светодиоды (Fn) | 601 | 0x0259 | 1 | 3 | - | Unsigned 8 |
Изменить состояние | Пользовательские светодиоды (Fn) | 600 | 0x0258 | 1 | 3 | 16 | Unsigned 8 |
Таймаут перехода в безопасное состояние | Modbus Slave | 700 | 0x02BC | 1 | 3 | 16 | Unsigned 8 |
Подключение к OwenCloud | OwenCloud | 35 | 0x0023 | 1 | 3 | 16 | Enum 2 |
Статус подключения к OwenCloud | OwenCloud | 36 | 0x0024 | 1 | 3 | - | Enum 5 |
Разрешение конфигурирования | Права удалённого доступа из OwenCloud | 701 | 0x02BD | 1 | 3 | 16 | Enum 2 |
Управление и запись значений | Права удалённого доступа из OwenCloud | 702 | 0x02BE | 1 | 3 | 16 | Enum 2 |
Доступ к регистрам Modbus | Права удалённого доступа из OwenCloud | 703 | 0x02BF | 1 | 3 | 16 | Enum 4 |
Наличие обмена | Обмен с устройствами | 2008 | 0x07D8 | 2 | 3 | - | Unsigned 32 |
Включить обмен | Обмен с устройствами | 2010 | 0x07DA | 2 | 3 | 16 | Unsigned 32 |
Время цикла | Логика | 61680 | 0xF0F0 | 2 | 3 | - | Unsigned 32 |
Состояние логики | Логика | 61682 | 0xF0F2 | 1 | 3 | - | Enum 2 |
Подсветка экрана | Настройки прибора | 768 | 0x0300 | 1 | 3 | 16 | Enum 5 |
Яркость | Настройки прибора | 769 | 0x0301 | 1 | 3 | 16 | Unsigned 8 |
Карта регистров Modbus ПР205-230.1211.02.2.0
Карта регистров Modbus ПР205-230.1211.02.2.0
Параметр | Группа | Адрес | Адрес (hex) | Количество регистров | Функция чтения | Функция записи | Тип данных |
|---|---|---|---|---|---|---|---|
Время в миллисек | Часы реального времени | 61563 | 0xF07B | 2 | 3 | - | Unsigned 32 |
Время и дата (UTC) | Часы реального времени | 61553 | 0xF071 | 2 | 3 | 16 | Date time 32 |
Часовой пояс | Часы реального времени | 61555 | 0xF073 | 1 | 3 | 16 | Enum 38 |
Секунды | Переменные даты и времени | 61557 | 0xF075 | 1 | 3 | - | Unsigned 8 |
Минуты | Переменные даты и времени | 61558 | 0xF076 | 1 | 3 | - | Unsigned 8 |
Часы | Переменные даты и времени | 61559 | 0xF077 | 1 | 3 | - | Unsigned 8 |
Дни | Переменные даты и времени | 61560 | 0xF078 | 1 | 3 | - | Unsigned 8 |
Месяцы | Переменные даты и времени | 61561 | 0xF079 | 1 | 3 | - | Unsigned 8 |
Годы | Переменные даты и времени | 61562 | 0xF07A | 1 | 3 | - | Unsigned 16 |
День недели | Переменные даты и времени | 61556 | 0xF074 | 1 | 3 | - | Enum 8 |
MAC адрес | Сетевые настройки | 61712 | 0xF110 | 9 | 3 | - | String 144 |
IP адрес | Сетевые настройки | 20 | 0x0014 | 2 | 3 | 16 | Unsigned 32 |
Маска подсети | Сетевые настройки | 22 | 0x0016 | 2 | 3 | 16 | Unsigned 32 |
IP адрес шлюза | Сетевые настройки | 24 | 0x0018 | 2 | 3 | 16 | Unsigned 32 |
DNS сервер 1 | Сетевые настройки | 12 | 0x000C | 2 | 3 | 16 | Unsigned 32 |
DNS сервер 2 | Сетевые настройки | 14 | 0x000E | 2 | 3 | 16 | Unsigned 32 |
Режим DHCP | Сетевые настройки | 32 | 0x0020 | 1 | 3 | 16 | Enum 2 |
Применить сейчас | Сетевые настройки | 33 | 0x0021 | 1 | 3 | 16 | Enum 2 |
Статус подключения | Сетевые настройки | 34 | 0x0022 | 1 | 3 | - | Enum 4 |
Напряжение | Батарея | 801 | 0x0321 | 1 | 3 | - | Unsigned 16 |
Пороговое напряжение | Батарея | 800 | 0x0320 | 1 | 3 | - | Unsigned 16 |
Состояние | Батарея | 802 | 0x0322 | 1 | 3 | - | Enum 2 |
Период обновления информации | Статус прибора | 61624 | 0xF0B8 | 1 | 3 | 16 | Unsigned 8 |
Статус | Статус прибора | 61620 | 0xF0B4 | 2 | 3 | - | Unsigned 32 |
ПРМ Слот 1. Название модуля | Статус прибора | 6000 | 0x1770 | 8 | 3 | - | String 128 |
ПРМ Слот 1. Версия ПО модуля | Статус прибора | 6016 | 0x1780 | 4 | 3 | - | String 64 |
ПРМ Слот 2. Название модуля | Статус прибора | 6032 | 0x1790 | 8 | 3 | - | String 128 |
ПРМ Слот 2. Версия ПО модуля | Статус прибора | 6048 | 0x17A0 | 4 | 3 | - | String 64 |
Ошибки | Статус прибора | 61626 | 0xF0BA | 1 | 3 | - | Unsigned 16 |
Предупреждения | Статус прибора | 61627 | 0xF0BB | 1 | 3 | - | Unsigned 16 |
Период архивирования | Архив | 900 | 0x0384 | 1 | 3 | 16 | Unsigned 16 |
Количество архивов | Архив | 901 | 0x0385 | 1 | 3 | 16 | Unsigned 16 |
Размер архива | Архив | 902 | 0x0386 | 1 | 3 | 16 | Unsigned 16 |
Последний индекс архива | Архив | 903 | 0x0387 | 1 | 3 | - | Unsigned 16 |
Состояние | Дискретные входы | 51 | 0x0033 | 1 | 3 | - | Unsigned 8 |
Инверсия | Дискретные входы | 57 | 0x0039 | 1 | 3 | 16 | Unsigned 8 |
Состояние | Дискретно-аналоговые входы | 4000 | 0x0FA0 | 1 | 3 | - | Unsigned 8 |
Инверсия | Дискретно-аналоговые входы | 4357 | 0x1105 | 1 | 3 | 16 | Unsigned 8 |
Режим работы | Вход 1 | 4100 | 0x1004 | 1 | 3 | 16 | Enum 2 |
Фильтр антидребезга | Дискретный режим | 4108 | 0x100C | 1 | 3 | 16 | Unsigned 8 |
Уровень логического нуля | Дискретный режим | 4111 | 0x100F | 2 | 3 | 16 | Float 32 |
Уровень логической единицы | Дискретный режим | 4109 | 0x100D | 2 | 3 | 16 | Float 32 |
Тип датчика | Аналоговый режим | 4101 | 0x1005 | 1 | 3 | 16 | Enum 28 |
Постоянная времени фильтра | Аналоговый режим | 4106 | 0x100A | 2 | 3 | 16 | Float 32 |
Нижняя граница измерения | Аналоговый режим | 4104 | 0x1008 | 2 | 3 | 16 | Float 32 |
Верхняя граница измерения | Аналоговый режим | 4102 | 0x1006 | 2 | 3 | 16 | Float 32 |
Режим работы | Вход 2 | 4116 | 0x1014 | 1 | 3 | 16 | Enum 2 |
Фильтр антидребезга | Дискретный режим | 4124 | 0x101C | 1 | 3 | 16 | Unsigned 8 |
Уровень логического нуля | Дискретный режим | 4127 | 0x101F | 2 | 3 | 16 | Float 32 |
Уровень логической единицы | Дискретный режим | 4125 | 0x101D | 2 | 3 | 16 | Float 32 |
Тип датчика | Аналоговый режим | 4117 | 0x1015 | 1 | 3 | 16 | Enum 28 |
Постоянная времени фильтра | Аналоговый режим | 4122 | 0x101A | 2 | 3 | 16 | Float 32 |
Нижняя граница измерения | Аналоговый режим | 4120 | 0x1018 | 2 | 3 | 16 | Float 32 |
Верхняя граница измерения | Аналоговый режим | 4118 | 0x1016 | 2 | 3 | 16 | Float 32 |
Режим работы | Вход 3 | 4132 | 0x1024 | 1 | 3 | 16 | Enum 2 |
Фильтр антидребезга | Дискретный режим | 4140 | 0x102C | 1 | 3 | 16 | Unsigned 8 |
Уровень логического нуля | Дискретный режим | 4143 | 0x102F | 2 | 3 | 16 | Float 32 |
Уровень логической единицы | Дискретный режим | 4141 | 0x102D | 2 | 3 | 16 | Float 32 |
Тип датчика | Аналоговый режим | 4133 | 0x1025 | 1 | 3 | 16 | Enum 28 |
Постоянная времени фильтра | Аналоговый режим | 4138 | 0x102A | 2 | 3 | 16 | Float 32 |
Нижняя граница измерения | Аналоговый режим | 4136 | 0x1028 | 2 | 3 | 16 | Float 32 |
Верхняя граница измерения | Аналоговый режим | 4134 | 0x1026 | 2 | 3 | 16 | Float 32 |
Режим работы | Вход 4 | 4148 | 0x1034 | 1 | 3 | 16 | Enum 2 |
Фильтр антидребезга | Дискретный режим | 4156 | 0x103C | 1 | 3 | 16 | Unsigned 8 |
Уровень логического нуля | Дискретный режим | 4159 | 0x103F | 2 | 3 | 16 | Float 32 |
Уровень логической единицы | Дискретный режим | 4157 | 0x103D | 2 | 3 | 16 | Float 32 |
Тип датчика | Аналоговый режим | 4149 | 0x1035 | 1 | 3 | 16 | Enum 28 |
Постоянная времени фильтра | Аналоговый режим | 4154 | 0x103A | 2 | 3 | 16 | Float 32 |
Нижняя граница измерения | Аналоговый режим | 4152 | 0x1038 | 2 | 3 | 16 | Float 32 |
Верхняя граница измерения | Аналоговый режим | 4150 | 0x1036 | 2 | 3 | 16 | Float 32 |
Вход 1 | Измеренные значения | 4002 | 0x0FA2 | 2 | 3 | - | Float 32 |
Вход 2 | Измеренные значения | 4004 | 0x0FA4 | 2 | 3 | - | Float 32 |
Вход 3 | Измеренные значения | 4006 | 0x0FA6 | 2 | 3 | - | Float 32 |
Вход 4 | Измеренные значения | 4008 | 0x0FA8 | 2 | 3 | - | Float 32 |
Вход 1 | Состояния аналоговых входов | 4014 | 0x0FAE | 1 | 3 | - | Enum 11 |
Вход 2 | Состояния аналоговых входов | 4015 | 0x0FAF | 1 | 3 | - | Enum 11 |
Вход 3 | Состояния аналоговых входов | 4016 | 0x0FB0 | 1 | 3 | - | Enum 11 |
Вход 4 | Состояния аналоговых входов | 4017 | 0x0FB1 | 1 | 3 | - | Enum 11 |
Изменить состояние | Дискретные выходы | 470 | 0x01D6 | 1 | 3 | 16 | Unsigned 8 |
Состояние | Дискретные выходы | 468 | 0x01D4 | 1 | 3 | - | Unsigned 8 |
Безопасное состояние | Выход 1 | 474 | 0x01DA | 1 | 3 | 16 | Enum 3 |
Безопасное состояние | Выход 2 | 475 | 0x01DB | 1 | 3 | 16 | Enum 3 |
Безопасное состояние | Выход 3 | 476 | 0x01DC | 1 | 3 | 16 | Enum 3 |
Безопасное состояние | Выход 4 | 477 | 0x01DD | 1 | 3 | 16 | Enum 3 |
Безопасное состояние | Выход 5 | 478 | 0x01DE | 1 | 3 | 16 | Enum 3 |
Безопасное состояние | Выход 6 | 479 | 0x01DF | 1 | 3 | 16 | Enum 3 |
Безопасное состояние | Выход 7 | 480 | 0x01E0 | 1 | 3 | 16 | Enum 3 |
Безопасное состояние | Выход 8 | 481 | 0x01E1 | 1 | 3 | 16 | Enum 3 |
Вид сигнала | Выход 1 | 3160 | 0x0C58 | 1 | 3 | 16 | Enum 3 |
Состояние | Выход 1 | 3128 | 0x0C38 | 1 | 3 | - | Enum 7 |
Безопасное состояние | Выход 1 | 3032 | 0x0BD8 | 2 | 3 | 16 | Float 32 |
Вид сигнала | Выход 2 | 3161 | 0x0C59 | 1 | 3 | 16 | Enum 3 |
Состояние | Выход 2 | 3129 | 0x0C39 | 1 | 3 | - | Enum 7 |
Безопасное состояние | Выход 2 | 3034 | 0x0BDA | 2 | 3 | 16 | Float 32 |
Вид сигнала | Выход 3 | 3162 | 0x0C5A | 1 | 3 | 16 | Enum 3 |
Состояние | Выход 3 | 3130 | 0x0C3A | 1 | 3 | - | Enum 7 |
Безопасное состояние | Выход 3 | 3036 | 0x0BDC | 2 | 3 | 16 | Float 32 |
Выход 1 | Значения сигнала | 3000 | 0x0BB8 | 2 | 3 | 16 | Float 32 |
Выход 2 | Значения сигнала | 3002 | 0x0BBA | 2 | 3 | 16 | Float 32 |
Выход 3 | Значения сигнала | 3004 | 0x0BBC | 2 | 3 | 16 | Float 32 |
Состояние | Пользовательские светодиоды (Fn) | 601 | 0x0259 | 1 | 3 | - | Unsigned 8 |
Изменить состояние | Пользовательские светодиоды (Fn) | 600 | 0x0258 | 1 | 3 | 16 | Unsigned 8 |
Таймаут перехода в безопасное состояние | Modbus Slave | 700 | 0x02BC | 1 | 3 | 16 | Unsigned 8 |
Скорость | Настройки порта RS-485 1 | 750 | 0x02EE | 1 | 3 | 16 | Enum 6 |
Размер данных | Настройки порта RS-485 1 | 751 | 0x02EF | 1 | 3 | 16 | Enum 2 |
Контроль чётности | Настройки порта RS-485 1 | 752 | 0x02F0 | 1 | 3 | 16 | Enum 3 |
Кол. стоп-битов | Настройки порта RS-485 1 | 753 | 0x02F1 | 1 | 3 | 16 | Enum 2 |
Slave ID | Настройки порта RS-485 1 | 754 | 0x02F2 | 1 | 3 | 16 | Unsigned 8 |
Скорость | Настройки порта RS-485 2 | 760 | 0x02F8 | 1 | 3 | 16 | Enum 6 |
Размер данных | Настройки порта RS-485 2 | 761 | 0x02F9 | 1 | 3 | 16 | Enum 2 |
Контроль чётности | Настройки порта RS-485 2 | 762 | 0x02FA | 1 | 3 | 16 | Enum 3 |
Кол. стоп-битов | Настройки порта RS-485 2 | 763 | 0x02FB | 1 | 3 | 16 | Enum 2 |
Slave ID | Настройки порта RS-485 2 | 764 | 0x02FC | 1 | 3 | 16 | Unsigned 8 |
Подключение к OwenCloud | OwenCloud | 35 | 0x0023 | 1 | 3 | 16 | Enum 2 |
Статус подключения к OwenCloud | OwenCloud | 36 | 0x0024 | 1 | 3 | - | Enum 5 |
Разрешение конфигурирования | Права удалённого доступа из OwenCloud | 701 | 0x02BD | 1 | 3 | 16 | Enum 2 |
Управление и запись значений | Права удалённого доступа из OwenCloud | 702 | 0x02BE | 1 | 3 | 16 | Enum 2 |
Доступ к регистрам Modbus | Права удалённого доступа из OwenCloud | 703 | 0x02BF | 1 | 3 | 16 | Enum 4 |
Наличие обмена | Обмен с устройствами | 2008 | 0x07D8 | 2 | 3 | - | Unsigned 32 |
Включить обмен | Обмен с устройствами | 2010 | 0x07DA | 2 | 3 | 16 | Unsigned 32 |
Время цикла | Логика | 61680 | 0xF0F0 | 2 | 3 | - | Unsigned 32 |
Состояние логики | Логика | 61682 | 0xF0F2 | 1 | 3 | - | Enum 2 |
Подсветка экрана | Настройки прибора | 768 | 0x0300 | 1 | 3 | 16 | Enum 5 |
Яркость | Настройки прибора | 769 | 0x0301 | 1 | 3 | 16 | Unsigned 8 |
Карта регистров Modbus ПР205-230.1211.06.0.0
Карта регистров Modbus ПР205-230.1211.06.0.0
Параметр | Группа | Адрес | Адрес (hex) | Количество регистров | Функция чтения | Функция записи | Тип данных |
|---|---|---|---|---|---|---|---|
Время в миллисек | Часы реального времени | 61563 | 0xF07B | 2 | 3 | - | Unsigned 32 |
Время и дата (UTC) | Часы реального времени | 61553 | 0xF071 | 2 | 3 | 16 | Date time 32 |
Часовой пояс | Часы реального времени | 61555 | 0xF073 | 1 | 3 | 16 | Enum 38 |
Секунды | Переменные даты и времени | 61557 | 0xF075 | 1 | 3 | - | Unsigned 8 |
Минуты | Переменные даты и времени | 61558 | 0xF076 | 1 | 3 | - | Unsigned 8 |
Часы | Переменные даты и времени | 61559 | 0xF077 | 1 | 3 | - | Unsigned 8 |
Дни | Переменные даты и времени | 61560 | 0xF078 | 1 | 3 | - | Unsigned 8 |
Месяцы | Переменные даты и времени | 61561 | 0xF079 | 1 | 3 | - | Unsigned 8 |
Годы | Переменные даты и времени | 61562 | 0xF07A | 1 | 3 | - | Unsigned 16 |
День недели | Переменные даты и времени | 61556 | 0xF074 | 1 | 3 | - | Enum 8 |
MAC адрес | Сетевые настройки | 61712 | 0xF110 | 9 | 3 | - | String 144 |
IP адрес | Сетевые настройки | 20 | 0x0014 | 2 | 3 | 16 | Unsigned 32 |
Маска подсети | Сетевые настройки | 22 | 0x0016 | 2 | 3 | 16 | Unsigned 32 |
IP адрес шлюза | Сетевые настройки | 24 | 0x0018 | 2 | 3 | 16 | Unsigned 32 |
DNS сервер 1 | Сетевые настройки | 12 | 0x000C | 2 | 3 | 16 | Unsigned 32 |
DNS сервер 2 | Сетевые настройки | 14 | 0x000E | 2 | 3 | 16 | Unsigned 32 |
Режим DHCP | Сетевые настройки | 32 | 0x0020 | 1 | 3 | 16 | Enum 2 |
Применить сейчас | Сетевые настройки | 33 | 0x0021 | 1 | 3 | 16 | Enum 2 |
Статус подключения | Сетевые настройки | 34 | 0x0022 | 1 | 3 | - | Enum 4 |
Напряжение | Батарея | 801 | 0x0321 | 1 | 3 | - | Unsigned 16 |
Пороговое напряжение | Батарея | 800 | 0x0320 | 1 | 3 | - | Unsigned 16 |
Состояние | Батарея | 802 | 0x0322 | 1 | 3 | - | Enum 2 |
Период обновления информации | Статус прибора | 61624 | 0xF0B8 | 1 | 3 | 16 | Unsigned 8 |
Статус | Статус прибора | 61620 | 0xF0B4 | 2 | 3 | - | Unsigned 32 |
ПРМ Слот 1. Название модуля | Статус прибора | 6000 | 0x1770 | 8 | 3 | - | String 128 |
ПРМ Слот 1. Версия ПО модуля | Статус прибора | 6016 | 0x1780 | 4 | 3 | - | String 64 |
ПРМ Слот 2. Название модуля | Статус прибора | 6032 | 0x1790 | 8 | 3 | - | String 128 |
ПРМ Слот 2. Версия ПО модуля | Статус прибора | 6048 | 0x17A0 | 4 | 3 | - | String 64 |
Ошибки | Статус прибора | 61626 | 0xF0BA | 1 | 3 | - | Unsigned 16 |
Предупреждения | Статус прибора | 61627 | 0xF0BB | 1 | 3 | - | Unsigned 16 |
Период архивирования | Архив | 900 | 0x0384 | 1 | 3 | 16 | Unsigned 16 |
Количество архивов | Архив | 901 | 0x0385 | 1 | 3 | 16 | Unsigned 16 |
Размер архива | Архив | 902 | 0x0386 | 1 | 3 | 16 | Unsigned 16 |
Последний индекс архива | Архив | 903 | 0x0387 | 1 | 3 | - | Unsigned 16 |
Состояние | Дискретные входы | 51 | 0x0033 | 1 | 3 | - | Unsigned 8 |
Инверсия | Дискретные входы | 57 | 0x0039 | 1 | 3 | 16 | Unsigned 8 |
Состояние | Дискретно-аналоговые входы | 4000 | 0x0FA0 | 1 | 3 | - | Unsigned 8 |
Инверсия | Дискретно-аналоговые входы | 4357 | 0x1105 | 1 | 3 | 16 | Unsigned 8 |
Режим работы | Вход 1 | 4100 | 0x1004 | 1 | 3 | 16 | Enum 2 |
Фильтр антидребезга | Дискретный режим | 4108 | 0x100C | 1 | 3 | 16 | Unsigned 8 |
Уровень логического нуля | Дискретный режим | 4111 | 0x100F | 2 | 3 | 16 | Float 32 |
Уровень логической единицы | Дискретный режим | 4109 | 0x100D | 2 | 3 | 16 | Float 32 |
Тип датчика | Аналоговый режим | 4101 | 0x1005 | 1 | 3 | 16 | Enum 28 |
Постоянная времени фильтра | Аналоговый режим | 4106 | 0x100A | 2 | 3 | 16 | Float 32 |
Нижняя граница измерения | Аналоговый режим | 4104 | 0x1008 | 2 | 3 | 16 | Float 32 |
Верхняя граница измерения | Аналоговый режим | 4102 | 0x1006 | 2 | 3 | 16 | Float 32 |
Режим работы | Вход 2 | 4116 | 0x1014 | 1 | 3 | 16 | Enum 2 |
Фильтр антидребезга | Дискретный режим | 4124 | 0x101C | 1 | 3 | 16 | Unsigned 8 |
Уровень логического нуля | Дискретный режим | 4127 | 0x101F | 2 | 3 | 16 | Float 32 |
Уровень логической единицы | Дискретный режим | 4125 | 0x101D | 2 | 3 | 16 | Float 32 |
Тип датчика | Аналоговый режим | 4117 | 0x1015 | 1 | 3 | 16 | Enum 28 |
Постоянная времени фильтра | Аналоговый режим | 4122 | 0x101A | 2 | 3 | 16 | Float 32 |
Нижняя граница измерения | Аналоговый режим | 4120 | 0x1018 | 2 | 3 | 16 | Float 32 |
Верхняя граница измерения | Аналоговый режим | 4118 | 0x1016 | 2 | 3 | 16 | Float 32 |
Режим работы | Вход 3 | 4132 | 0x1024 | 1 | 3 | 16 | Enum 2 |
Фильтр антидребезга | Дискретный режим | 4140 | 0x102C | 1 | 3 | 16 | Unsigned 8 |
Уровень логического нуля | Дискретный режим | 4143 | 0x102F | 2 | 3 | 16 | Float 32 |
Уровень логической единицы | Дискретный режим | 4141 | 0x102D | 2 | 3 | 16 | Float 32 |
Тип датчика | Аналоговый режим | 4133 | 0x1025 | 1 | 3 | 16 | Enum 28 |
Постоянная времени фильтра | Аналоговый режим | 4138 | 0x102A | 2 | 3 | 16 | Float 32 |
Нижняя граница измерения | Аналоговый режим | 4136 | 0x1028 | 2 | 3 | 16 | Float 32 |
Верхняя граница измерения | Аналоговый режим | 4134 | 0x1026 | 2 | 3 | 16 | Float 32 |
Режим работы | Вход 4 | 4148 | 0x1034 | 1 | 3 | 16 | Enum 2 |
Фильтр антидребезга | Дискретный режим | 4156 | 0x103C | 1 | 3 | 16 | Unsigned 8 |
Уровень логического нуля | Дискретный режим | 4159 | 0x103F | 2 | 3 | 16 | Float 32 |
Уровень логической единицы | Дискретный режим | 4157 | 0x103D | 2 | 3 | 16 | Float 32 |
Тип датчика | Аналоговый режим | 4149 | 0x1035 | 1 | 3 | 16 | Enum 28 |
Постоянная времени фильтра | Аналоговый режим | 4154 | 0x103A | 2 | 3 | 16 | Float 32 |
Нижняя граница измерения | Аналоговый режим | 4152 | 0x1038 | 2 | 3 | 16 | Float 32 |
Верхняя граница измерения | Аналоговый режим | 4150 | 0x1036 | 2 | 3 | 16 | Float 32 |
Вход 1 | Измеренные значения | 4002 | 0x0FA2 | 2 | 3 | - | Float 32 |
Вход 2 | Измеренные значения | 4004 | 0x0FA4 | 2 | 3 | - | Float 32 |
Вход 3 | Измеренные значения | 4006 | 0x0FA6 | 2 | 3 | - | Float 32 |
Вход 4 | Измеренные значения | 4008 | 0x0FA8 | 2 | 3 | - | Float 32 |
Вход 1 | Состояния аналоговых входов | 4014 | 0x0FAE | 1 | 3 | - | Enum 11 |
Вход 2 | Состояния аналоговых входов | 4015 | 0x0FAF | 1 | 3 | - | Enum 11 |
Вход 3 | Состояния аналоговых входов | 4016 | 0x0FB0 | 1 | 3 | - | Enum 11 |
Вход 4 | Состояния аналоговых входов | 4017 | 0x0FB1 | 1 | 3 | - | Enum 11 |
Изменить состояние | Дискретные выходы | 470 | 0x01D6 | 1 | 3 | 16 | Unsigned 8 |
Состояние | Дискретные выходы | 468 | 0x01D4 | 1 | 3 | - | Unsigned 8 |
Безопасное состояние | Выход 1 | 474 | 0x01DA | 1 | 3 | 16 | Enum 3 |
Безопасное состояние | Выход 2 | 475 | 0x01DB | 1 | 3 | 16 | Enum 3 |
Безопасное состояние | Выход 3 | 476 | 0x01DC | 1 | 3 | 16 | Enum 3 |
Безопасное состояние | Выход 4 | 477 | 0x01DD | 1 | 3 | 16 | Enum 3 |
Безопасное состояние | Выход 5 | 478 | 0x01DE | 1 | 3 | 16 | Enum 3 |
Безопасное состояние | Выход 6 | 479 | 0x01DF | 1 | 3 | 16 | Enum 3 |
Состояние | Дискретные ШИМ-выходы | 306 | 0x0132 | 1 | 3 | - | Unsigned 8 |
Режим работы | Выход 7 | 272 | 0x0110 | 1 | 3 | 16 | Enum 2 |
Период ШИМ | Выход 7 | 308 | 0x0134 | 1 | 3 | 16 | Unsigned 16 |
Минимальный импульс ШИМ | Выход 7 | 404 | 0x0194 | 1 | 3 | 16 | Unsigned 16 |
Безопасное состояние | Выход 7 | 538 | 0x021A | 2 | 3 | 16 | Float 32 |
Режим работы | Выход 8 | 273 | 0x0111 | 1 | 3 | 16 | Enum 2 |
Период ШИМ | Выход 8 | 309 | 0x0135 | 1 | 3 | 16 | Unsigned 16 |
Минимальный импульс ШИМ | Выход 8 | 405 | 0x0195 | 1 | 3 | 16 | Unsigned 16 |
Безопасное состояние | Выход 8 | 540 | 0x021C | 2 | 3 | 16 | Float 32 |
Выход 7 | Коэффициент заполнения | 340 | 0x0154 | 2 | 3 | 16 | Float 32 |
Выход 8 | Коэффициент заполнения | 342 | 0x0156 | 2 | 3 | 16 | Float 32 |
Вид сигнала | Выход 1 | 3160 | 0x0C58 | 1 | 3 | 16 | Enum 3 |
Состояние | Выход 1 | 3128 | 0x0C38 | 1 | 3 | - | Enum 7 |
Безопасное состояние | Выход 1 | 3032 | 0x0BD8 | 2 | 3 | 16 | Float 32 |
Вид сигнала | Выход 2 | 3161 | 0x0C59 | 1 | 3 | 16 | Enum 3 |
Состояние | Выход 2 | 3129 | 0x0C39 | 1 | 3 | - | Enum 7 |
Безопасное состояние | Выход 2 | 3034 | 0x0BDA | 2 | 3 | 16 | Float 32 |
Вид сигнала | Выход 3 | 3162 | 0x0C5A | 1 | 3 | 16 | Enum 3 |
Состояние | Выход 3 | 3130 | 0x0C3A | 1 | 3 | - | Enum 7 |
Безопасное состояние | Выход 3 | 3036 | 0x0BDC | 2 | 3 | 16 | Float 32 |
Выход 1 | Значения сигнала | 3000 | 0x0BB8 | 2 | 3 | 16 | Float 32 |
Выход 2 | Значения сигнала | 3002 | 0x0BBA | 2 | 3 | 16 | Float 32 |
Выход 3 | Значения сигнала | 3004 | 0x0BBC | 2 | 3 | 16 | Float 32 |
Состояние | Пользовательские светодиоды (Fn) | 601 | 0x0259 | 1 | 3 | - | Unsigned 8 |
Изменить состояние | Пользовательские светодиоды (Fn) | 600 | 0x0258 | 1 | 3 | 16 | Unsigned 8 |
Таймаут перехода в безопасное состояние | Modbus Slave | 700 | 0x02BC | 1 | 3 | 16 | Unsigned 8 |
Подключение к OwenCloud | OwenCloud | 35 | 0x0023 | 1 | 3 | 16 | Enum 2 |
Статус подключения к OwenCloud | OwenCloud | 36 | 0x0024 | 1 | 3 | - | Enum 5 |
Разрешение конфигурирования | Права удалённого доступа из OwenCloud | 701 | 0x02BD | 1 | 3 | 16 | Enum 2 |
Управление и запись значений | Права удалённого доступа из OwenCloud | 702 | 0x02BE | 1 | 3 | 16 | Enum 2 |
Доступ к регистрам Modbus | Права удалённого доступа из OwenCloud | 703 | 0x02BF | 1 | 3 | 16 | Enum 4 |
Наличие обмена | Обмен с устройствами | 2008 | 0x07D8 | 2 | 3 | - | Unsigned 32 |
Включить обмен | Обмен с устройствами | 2010 | 0x07DA | 2 | 3 | 16 | Unsigned 32 |
Время цикла | Логика | 61680 | 0xF0F0 | 2 | 3 | - | Unsigned 32 |
Состояние логики | Логика | 61682 | 0xF0F2 | 1 | 3 | - | Enum 2 |
Подсветка экрана | Настройки прибора | 768 | 0x0300 | 1 | 3 | 16 | Enum 5 |
Яркость | Настройки прибора | 769 | 0x0301 | 1 | 3 | 16 | Unsigned 8 |
Карта регистров Modbus ПР205-230.1211.06.2.0
Карта регистров Modbus ПР205-230.1211.06.2.0
Параметр | Группа | Адрес | Адрес (hex) | Количество регистров | Функция чтения | Функция записи | Тип данных |
|---|---|---|---|---|---|---|---|
Время в миллисек | Часы реального времени | 61563 | 0xF07B | 2 | 3 | - | Unsigned 32 |
Время и дата (UTC) | Часы реального времени | 61553 | 0xF071 | 2 | 3 | 16 | Date time 32 |
Часовой пояс | Часы реального времени | 61555 | 0xF073 | 1 | 3 | 16 | Enum 38 |
Секунды | Переменные даты и времени | 61557 | 0xF075 | 1 | 3 | - | Unsigned 8 |
Минуты | Переменные даты и времени | 61558 | 0xF076 | 1 | 3 | - | Unsigned 8 |
Часы | Переменные даты и времени | 61559 | 0xF077 | 1 | 3 | - | Unsigned 8 |
Дни | Переменные даты и времени | 61560 | 0xF078 | 1 | 3 | - | Unsigned 8 |
Месяцы | Переменные даты и времени | 61561 | 0xF079 | 1 | 3 | - | Unsigned 8 |
Годы | Переменные даты и времени | 61562 | 0xF07A | 1 | 3 | - | Unsigned 16 |
День недели | Переменные даты и времени | 61556 | 0xF074 | 1 | 3 | - | Enum 8 |
MAC адрес | Сетевые настройки | 61712 | 0xF110 | 9 | 3 | - | String 144 |
IP адрес | Сетевые настройки | 20 | 0x0014 | 2 | 3 | 16 | Unsigned 32 |
Маска подсети | Сетевые настройки | 22 | 0x0016 | 2 | 3 | 16 | Unsigned 32 |
IP адрес шлюза | Сетевые настройки | 24 | 0x0018 | 2 | 3 | 16 | Unsigned 32 |
DNS сервер 1 | Сетевые настройки | 12 | 0x000C | 2 | 3 | 16 | Unsigned 32 |
DNS сервер 2 | Сетевые настройки | 14 | 0x000E | 2 | 3 | 16 | Unsigned 32 |
Режим DHCP | Сетевые настройки | 32 | 0x0020 | 1 | 3 | 16 | Enum 2 |
Применить сейчас | Сетевые настройки | 33 | 0x0021 | 1 | 3 | 16 | Enum 2 |
Статус подключения | Сетевые настройки | 34 | 0x0022 | 1 | 3 | - | Enum 4 |
Напряжение | Батарея | 801 | 0x0321 | 1 | 3 | - | Unsigned 16 |
Пороговое напряжение | Батарея | 800 | 0x0320 | 1 | 3 | - | Unsigned 16 |
Состояние | Батарея | 802 | 0x0322 | 1 | 3 | - | Enum 2 |
Период обновления информации | Статус прибора | 61624 | 0xF0B8 | 1 | 3 | 16 | Unsigned 8 |
Статус | Статус прибора | 61620 | 0xF0B4 | 2 | 3 | - | Unsigned 32 |
ПРМ Слот 1. Название модуля | Статус прибора | 6000 | 0x1770 | 8 | 3 | - | String 128 |
ПРМ Слот 1. Версия ПО модуля | Статус прибора | 6016 | 0x1780 | 4 | 3 | - | String 64 |
ПРМ Слот 2. Название модуля | Статус прибора | 6032 | 0x1790 | 8 | 3 | - | String 128 |
ПРМ Слот 2. Версия ПО модуля | Статус прибора | 6048 | 0x17A0 | 4 | 3 | - | String 64 |
Ошибки | Статус прибора | 61626 | 0xF0BA | 1 | 3 | - | Unsigned 16 |
Предупреждения | Статус прибора | 61627 | 0xF0BB | 1 | 3 | - | Unsigned 16 |
Период архивирования | Архив | 900 | 0x0384 | 1 | 3 | 16 | Unsigned 16 |
Количество архивов | Архив | 901 | 0x0385 | 1 | 3 | 16 | Unsigned 16 |
Размер архива | Архив | 902 | 0x0386 | 1 | 3 | 16 | Unsigned 16 |
Последний индекс архива | Архив | 903 | 0x0387 | 1 | 3 | - | Unsigned 16 |
Состояние | Дискретные входы | 51 | 0x0033 | 1 | 3 | - | Unsigned 8 |
Инверсия | Дискретные входы | 57 | 0x0039 | 1 | 3 | 16 | Unsigned 8 |
Состояние | Дискретно-аналоговые входы | 4000 | 0x0FA0 | 1 | 3 | - | Unsigned 8 |
Инверсия | Дискретно-аналоговые входы | 4357 | 0x1105 | 1 | 3 | 16 | Unsigned 8 |
Режим работы | Вход 1 | 4100 | 0x1004 | 1 | 3 | 16 | Enum 2 |
Фильтр антидребезга | Дискретный режим | 4108 | 0x100C | 1 | 3 | 16 | Unsigned 8 |
Уровень логического нуля | Дискретный режим | 4111 | 0x100F | 2 | 3 | 16 | Float 32 |
Уровень логической единицы | Дискретный режим | 4109 | 0x100D | 2 | 3 | 16 | Float 32 |
Тип датчика | Аналоговый режим | 4101 | 0x1005 | 1 | 3 | 16 | Enum 28 |
Постоянная времени фильтра | Аналоговый режим | 4106 | 0x100A | 2 | 3 | 16 | Float 32 |
Нижняя граница измерения | Аналоговый режим | 4104 | 0x1008 | 2 | 3 | 16 | Float 32 |
Верхняя граница измерения | Аналоговый режим | 4102 | 0x1006 | 2 | 3 | 16 | Float 32 |
Режим работы | Вход 2 | 4116 | 0x1014 | 1 | 3 | 16 | Enum 2 |
Фильтр антидребезга | Дискретный режим | 4124 | 0x101C | 1 | 3 | 16 | Unsigned 8 |
Уровень логического нуля | Дискретный режим | 4127 | 0x101F | 2 | 3 | 16 | Float 32 |
Уровень логической единицы | Дискретный режим | 4125 | 0x101D | 2 | 3 | 16 | Float 32 |
Тип датчика | Аналоговый режим | 4117 | 0x1015 | 1 | 3 | 16 | Enum 28 |
Постоянная времени фильтра | Аналоговый режим | 4122 | 0x101A | 2 | 3 | 16 | Float 32 |
Нижняя граница измерения | Аналоговый режим | 4120 | 0x1018 | 2 | 3 | 16 | Float 32 |
Верхняя граница измерения | Аналоговый режим | 4118 | 0x1016 | 2 | 3 | 16 | Float 32 |
Режим работы | Вход 3 | 4132 | 0x1024 | 1 | 3 | 16 | Enum 2 |
Фильтр антидребезга | Дискретный режим | 4140 | 0x102C | 1 | 3 | 16 | Unsigned 8 |
Уровень логического нуля | Дискретный режим | 4143 | 0x102F | 2 | 3 | 16 | Float 32 |
Уровень логической единицы | Дискретный режим | 4141 | 0x102D | 2 | 3 | 16 | Float 32 |
Тип датчика | Аналоговый режим | 4133 | 0x1025 | 1 | 3 | 16 | Enum 28 |
Постоянная времени фильтра | Аналоговый режим | 4138 | 0x102A | 2 | 3 | 16 | Float 32 |
Нижняя граница измерения | Аналоговый режим | 4136 | 0x1028 | 2 | 3 | 16 | Float 32 |
Верхняя граница измерения | Аналоговый режим | 4134 | 0x1026 | 2 | 3 | 16 | Float 32 |
Режим работы | Вход 4 | 4148 | 0x1034 | 1 | 3 | 16 | Enum 2 |
Фильтр антидребезга | Дискретный режим | 4156 | 0x103C | 1 | 3 | 16 | Unsigned 8 |
Уровень логического нуля | Дискретный режим | 4159 | 0x103F | 2 | 3 | 16 | Float 32 |
Уровень логической единицы | Дискретный режим | 4157 | 0x103D | 2 | 3 | 16 | Float 32 |
Тип датчика | Аналоговый режим | 4149 | 0x1035 | 1 | 3 | 16 | Enum 28 |
Постоянная времени фильтра | Аналоговый режим | 4154 | 0x103A | 2 | 3 | 16 | Float 32 |
Нижняя граница измерения | Аналоговый режим | 4152 | 0x1038 | 2 | 3 | 16 | Float 32 |
Верхняя граница измерения | Аналоговый режим | 4150 | 0x1036 | 2 | 3 | 16 | Float 32 |
Вход 1 | Измеренные значения | 4002 | 0x0FA2 | 2 | 3 | - | Float 32 |
Вход 2 | Измеренные значения | 4004 | 0x0FA4 | 2 | 3 | - | Float 32 |
Вход 3 | Измеренные значения | 4006 | 0x0FA6 | 2 | 3 | - | Float 32 |
Вход 4 | Измеренные значения | 4008 | 0x0FA8 | 2 | 3 | - | Float 32 |
Вход 1 | Состояния аналоговых входов | 4014 | 0x0FAE | 1 | 3 | - | Enum 11 |
Вход 2 | Состояния аналоговых входов | 4015 | 0x0FAF | 1 | 3 | - | Enum 11 |
Вход 3 | Состояния аналоговых входов | 4016 | 0x0FB0 | 1 | 3 | - | Enum 11 |
Вход 4 | Состояния аналоговых входов | 4017 | 0x0FB1 | 1 | 3 | - | Enum 11 |
Изменить состояние | Дискретные выходы | 470 | 0x01D6 | 1 | 3 | 16 | Unsigned 8 |
Состояние | Дискретные выходы | 468 | 0x01D4 | 1 | 3 | - | Unsigned 8 |
Безопасное состояние | Выход 1 | 474 | 0x01DA | 1 | 3 | 16 | Enum 3 |
Безопасное состояние | Выход 2 | 475 | 0x01DB | 1 | 3 | 16 | Enum 3 |
Безопасное состояние | Выход 3 | 476 | 0x01DC | 1 | 3 | 16 | Enum 3 |
Безопасное состояние | Выход 4 | 477 | 0x01DD | 1 | 3 | 16 | Enum 3 |
Безопасное состояние | Выход 5 | 478 | 0x01DE | 1 | 3 | 16 | Enum 3 |
Безопасное состояние | Выход 6 | 479 | 0x01DF | 1 | 3 | 16 | Enum 3 |
Состояние | Дискретные ШИМ-выходы | 306 | 0x0132 | 1 | 3 | - | Unsigned 8 |
Режим работы | Выход 7 | 272 | 0x0110 | 1 | 3 | 16 | Enum 2 |
Период ШИМ | Выход 7 | 308 | 0x0134 | 1 | 3 | 16 | Unsigned 16 |
Минимальный импульс ШИМ | Выход 7 | 404 | 0x0194 | 1 | 3 | 16 | Unsigned 16 |
Безопасное состояние | Выход 7 | 538 | 0x021A | 2 | 3 | 16 | Float 32 |
Режим работы | Выход 8 | 273 | 0x0111 | 1 | 3 | 16 | Enum 2 |
Период ШИМ | Выход 8 | 309 | 0x0135 | 1 | 3 | 16 | Unsigned 16 |
Минимальный импульс ШИМ | Выход 8 | 405 | 0x0195 | 1 | 3 | 16 | Unsigned 16 |
Безопасное состояние | Выход 8 | 540 | 0x021C | 2 | 3 | 16 | Float 32 |
Выход 7 | Коэффициент заполнения | 340 | 0x0154 | 2 | 3 | 16 | Float 32 |
Выход 8 | Коэффициент заполнения | 342 | 0x0156 | 2 | 3 | 16 | Float 32 |
Вид сигнала | Выход 1 | 3160 | 0x0C58 | 1 | 3 | 16 | Enum 3 |
Состояние | Выход 1 | 3128 | 0x0C38 | 1 | 3 | - | Enum 7 |
Безопасное состояние | Выход 1 | 3032 | 0x0BD8 | 2 | 3 | 16 | Float 32 |
Вид сигнала | Выход 2 | 3161 | 0x0C59 | 1 | 3 | 16 | Enum 3 |
Состояние | Выход 2 | 3129 | 0x0C39 | 1 | 3 | - | Enum 7 |
Безопасное состояние | Выход 2 | 3034 | 0x0BDA | 2 | 3 | 16 | Float 32 |
Вид сигнала | Выход 3 | 3162 | 0x0C5A | 1 | 3 | 16 | Enum 3 |
Состояние | Выход 3 | 3130 | 0x0C3A | 1 | 3 | - | Enum 7 |
Безопасное состояние | Выход 3 | 3036 | 0x0BDC | 2 | 3 | 16 | Float 32 |
Выход 1 | Значения сигнала | 3000 | 0x0BB8 | 2 | 3 | 16 | Float 32 |
Выход 2 | Значения сигнала | 3002 | 0x0BBA | 2 | 3 | 16 | Float 32 |
Выход 3 | Значения сигнала | 3004 | 0x0BBC | 2 | 3 | 16 | Float 32 |
Состояние | Пользовательские светодиоды (Fn) | 601 | 0x0259 | 1 | 3 | - | Unsigned 8 |
Изменить состояние | Пользовательские светодиоды (Fn) | 600 | 0x0258 | 1 | 3 | 16 | Unsigned 8 |
Таймаут перехода в безопасное состояние | Modbus Slave | 700 | 0x02BC | 1 | 3 | 16 | Unsigned 8 |
Скорость | Настройки порта RS-485 1 | 750 | 0x02EE | 1 | 3 | 16 | Enum 6 |
Размер данных | Настройки порта RS-485 1 | 751 | 0x02EF | 1 | 3 | 16 | Enum 2 |
Контроль чётности | Настройки порта RS-485 1 | 752 | 0x02F0 | 1 | 3 | 16 | Enum 3 |
Кол. стоп-битов | Настройки порта RS-485 1 | 753 | 0x02F1 | 1 | 3 | 16 | Enum 2 |
Slave ID | Настройки порта RS-485 1 | 754 | 0x02F2 | 1 | 3 | 16 | Unsigned 8 |
Скорость | Настройки порта RS-485 2 | 760 | 0x02F8 | 1 | 3 | 16 | Enum 6 |
Размер данных | Настройки порта RS-485 2 | 761 | 0x02F9 | 1 | 3 | 16 | Enum 2 |
Контроль чётности | Настройки порта RS-485 2 | 762 | 0x02FA | 1 | 3 | 16 | Enum 3 |
Кол. стоп-битов | Настройки порта RS-485 2 | 763 | 0x02FB | 1 | 3 | 16 | Enum 2 |
Slave ID | Настройки порта RS-485 2 | 764 | 0x02FC | 1 | 3 | 16 | Unsigned 8 |
Подключение к OwenCloud | OwenCloud | 35 | 0x0023 | 1 | 3 | 16 | Enum 2 |
Статус подключения к OwenCloud | OwenCloud | 36 | 0x0024 | 1 | 3 | - | Enum 5 |
Разрешение конфигурирования | Права удалённого доступа из OwenCloud | 701 | 0x02BD | 1 | 3 | 16 | Enum 2 |
Управление и запись значений | Права удалённого доступа из OwenCloud | 702 | 0x02BE | 1 | 3 | 16 | Enum 2 |
Доступ к регистрам Modbus | Права удалённого доступа из OwenCloud | 703 | 0x02BF | 1 | 3 | 16 | Enum 4 |
Наличие обмена | Обмен с устройствами | 2008 | 0x07D8 | 2 | 3 | - | Unsigned 32 |
Включить обмен | Обмен с устройствами | 2010 | 0x07DA | 2 | 3 | 16 | Unsigned 32 |
Время цикла | Логика | 61680 | 0xF0F0 | 2 | 3 | - | Unsigned 32 |
Состояние логики | Логика | 61682 | 0xF0F2 | 1 | 3 | - | Enum 2 |
Подсветка экрана | Настройки прибора | 768 | 0x0300 | 1 | 3 | 16 | Enum 5 |
Яркость | Настройки прибора | 769 | 0x0301 | 1 | 3 | 16 | Unsigned 8 |
Карта регистров Modbus ПР205-230.1211.22.0.0
Карта регистров Modbus ПР205-230.1211.22.0.0
Параметр | Группа | Адрес | Адрес (hex) | Количество регистров | Функция чтения | Функция записи | Тип данных |
|---|---|---|---|---|---|---|---|
Время в миллисек | Часы реального времени | 61563 | 0xF07B | 2 | 3 | - | Unsigned 32 |
Время и дата (UTC) | Часы реального времени | 61553 | 0xF071 | 2 | 3 | 16 | Date time 32 |
Часовой пояс | Часы реального времени | 61555 | 0xF073 | 1 | 3 | 16 | Enum 38 |
Секунды | Переменные даты и времени | 61557 | 0xF075 | 1 | 3 | - | Unsigned 8 |
Минуты | Переменные даты и времени | 61558 | 0xF076 | 1 | 3 | - | Unsigned 8 |
Часы | Переменные даты и времени | 61559 | 0xF077 | 1 | 3 | - | Unsigned 8 |
Дни | Переменные даты и времени | 61560 | 0xF078 | 1 | 3 | - | Unsigned 8 |
Месяцы | Переменные даты и времени | 61561 | 0xF079 | 1 | 3 | - | Unsigned 8 |
Годы | Переменные даты и времени | 61562 | 0xF07A | 1 | 3 | - | Unsigned 16 |
День недели | Переменные даты и времени | 61556 | 0xF074 | 1 | 3 | - | Enum 8 |
MAC адрес | Сетевые настройки | 61712 | 0xF110 | 9 | 3 | - | String 144 |
IP адрес | Сетевые настройки | 20 | 0x0014 | 2 | 3 | 16 | Unsigned 32 |
Маска подсети | Сетевые настройки | 22 | 0x0016 | 2 | 3 | 16 | Unsigned 32 |
IP адрес шлюза | Сетевые настройки | 24 | 0x0018 | 2 | 3 | 16 | Unsigned 32 |
DNS сервер 1 | Сетевые настройки | 12 | 0x000C | 2 | 3 | 16 | Unsigned 32 |
DNS сервер 2 | Сетевые настройки | 14 | 0x000E | 2 | 3 | 16 | Unsigned 32 |
Режим DHCP | Сетевые настройки | 32 | 0x0020 | 1 | 3 | 16 | Enum 2 |
Применить сейчас | Сетевые настройки | 33 | 0x0021 | 1 | 3 | 16 | Enum 2 |
Статус подключения | Сетевые настройки | 34 | 0x0022 | 1 | 3 | - | Enum 4 |
Напряжение | Батарея | 801 | 0x0321 | 1 | 3 | - | Unsigned 16 |
Пороговое напряжение | Батарея | 800 | 0x0320 | 1 | 3 | - | Unsigned 16 |
Состояние | Батарея | 802 | 0x0322 | 1 | 3 | - | Enum 2 |
Период обновления информации | Статус прибора | 61624 | 0xF0B8 | 1 | 3 | 16 | Unsigned 8 |
Статус | Статус прибора | 61620 | 0xF0B4 | 2 | 3 | - | Unsigned 32 |
ПРМ Слот 1. Название модуля | Статус прибора | 6000 | 0x1770 | 8 | 3 | - | String 128 |
ПРМ Слот 1. Версия ПО модуля | Статус прибора | 6016 | 0x1780 | 4 | 3 | - | String 64 |
ПРМ Слот 2. Название модуля | Статус прибора | 6032 | 0x1790 | 8 | 3 | - | String 128 |
ПРМ Слот 2. Версия ПО модуля | Статус прибора | 6048 | 0x17A0 | 4 | 3 | - | String 64 |
Ошибки | Статус прибора | 61626 | 0xF0BA | 1 | 3 | - | Unsigned 16 |
Предупреждения | Статус прибора | 61627 | 0xF0BB | 1 | 3 | - | Unsigned 16 |
Период архивирования | Архив | 900 | 0x0384 | 1 | 3 | 16 | Unsigned 16 |
Количество архивов | Архив | 901 | 0x0385 | 1 | 3 | 16 | Unsigned 16 |
Размер архива | Архив | 902 | 0x0386 | 1 | 3 | 16 | Unsigned 16 |
Последний индекс архива | Архив | 903 | 0x0387 | 1 | 3 | - | Unsigned 16 |
Состояние | Дискретные входы | 51 | 0x0033 | 1 | 3 | - | Unsigned 8 |
Инверсия | Дискретные входы | 57 | 0x0039 | 1 | 3 | 16 | Unsigned 8 |
Фильтр антидребезга | Вход 1 | 96 | 0x0060 | 1 | 3 | 16 | Unsigned 8 |
Фильтр антидребезга | Вход 2 | 97 | 0x0061 | 1 | 3 | 16 | Unsigned 8 |
Фильтр антидребезга | Вход 3 | 98 | 0x0062 | 1 | 3 | 16 | Unsigned 8 |
Фильтр антидребезга | Вход 4 | 99 | 0x0063 | 1 | 3 | 16 | Unsigned 8 |
Фильтр антидребезга | Вход 5 | 100 | 0x0064 | 1 | 3 | 16 | Unsigned 8 |
Фильтр антидребезга | Вход 6 | 101 | 0x0065 | 1 | 3 | 16 | Unsigned 8 |
Состояние | Быстрые дискретные входы | 52 | 0x0034 | 1 | 3 | - | Unsigned 8 |
Инверсия | Быстрые дискретные входы | 58 | 0x003A | 1 | 3 | 16 | Unsigned 8 |
Режим работы | Вход 1 | 64 | 0x0040 | 1 | 3 | 16 | Enum 3 |
Фильтр антидребезга | Вход 1 | 104 | 0x0068 | 1 | 3 | 16 | Unsigned 8 |
Фронт захвата импульса | Вход 1 | 80 | 0x0050 | 1 | 3 | 16 | Enum 2 |
Сброс счётчика импульсов | Вход 1 | 224 | 0x00E0 | 1 | 3 | 16 | Enum 2 |
Диагностика | Вход 1 | 256 | 0x0100 | 1 | 3 | - | Enum 2 |
Режим работы | Вход 2 | 65 | 0x0041 | 1 | 3 | 16 | Enum 2 |
Фильтр антидребезга | Вход 2 | 105 | 0x0069 | 1 | 3 | 16 | Unsigned 8 |
Фронт захвата импульса | Вход 2 | 81 | 0x0051 | 1 | 3 | 16 | Enum 2 |
Сброс счётчика импульсов | Вход 2 | 225 | 0x00E1 | 1 | 3 | 16 | Enum 2 |
Диагностика | Вход 2 | 257 | 0x0101 | 1 | 3 | - | Enum 2 |
Вход 1 | Измеренные значения | 160 | 0x00A0 | 2 | 3 | - | Unsigned 32 |
Вход 2 | Измеренные значения | 162 | 0x00A2 | 2 | 3 | - | Unsigned 32 |
Состояние | Дискретно-аналоговые входы | 4000 | 0x0FA0 | 1 | 3 | - | Unsigned 8 |
Инверсия | Дискретно-аналоговые входы | 4357 | 0x1105 | 1 | 3 | 16 | Unsigned 8 |
Режим работы | Вход 1 | 4100 | 0x1004 | 1 | 3 | 16 | Enum 2 |
Фильтр антидребезга | Дискретный режим | 4108 | 0x100C | 1 | 3 | 16 | Unsigned 8 |
Уровень логического нуля | Дискретный режим | 4111 | 0x100F | 2 | 3 | 16 | Float 32 |
Уровень логической единицы | Дискретный режим | 4109 | 0x100D | 2 | 3 | 16 | Float 32 |
Тип датчика | Аналоговый режим | 4101 | 0x1005 | 1 | 3 | 16 | Enum 28 |
Постоянная времени фильтра | Аналоговый режим | 4106 | 0x100A | 2 | 3 | 16 | Float 32 |
Нижняя граница измерения | Аналоговый режим | 4104 | 0x1008 | 2 | 3 | 16 | Float 32 |
Верхняя граница измерения | Аналоговый режим | 4102 | 0x1006 | 2 | 3 | 16 | Float 32 |
Режим работы | Вход 2 | 4116 | 0x1014 | 1 | 3 | 16 | Enum 2 |
Фильтр антидребезга | Дискретный режим | 4124 | 0x101C | 1 | 3 | 16 | Unsigned 8 |
Уровень логического нуля | Дискретный режим | 4127 | 0x101F | 2 | 3 | 16 | Float 32 |
Уровень логической единицы | Дискретный режим | 4125 | 0x101D | 2 | 3 | 16 | Float 32 |
Тип датчика | Аналоговый режим | 4117 | 0x1015 | 1 | 3 | 16 | Enum 28 |
Постоянная времени фильтра | Аналоговый режим | 4122 | 0x101A | 2 | 3 | 16 | Float 32 |
Нижняя граница измерения | Аналоговый режим | 4120 | 0x1018 | 2 | 3 | 16 | Float 32 |
Верхняя граница измерения | Аналоговый режим | 4118 | 0x1016 | 2 | 3 | 16 | Float 32 |
Режим работы | Вход 3 | 4132 | 0x1024 | 1 | 3 | 16 | Enum 2 |
Фильтр антидребезга | Дискретный режим | 4140 | 0x102C | 1 | 3 | 16 | Unsigned 8 |
Уровень логического нуля | Дискретный режим | 4143 | 0x102F | 2 | 3 | 16 | Float 32 |
Уровень логической единицы | Дискретный режим | 4141 | 0x102D | 2 | 3 | 16 | Float 32 |
Тип датчика | Аналоговый режим | 4133 | 0x1025 | 1 | 3 | 16 | Enum 28 |
Постоянная времени фильтра | Аналоговый режим | 4138 | 0x102A | 2 | 3 | 16 | Float 32 |
Нижняя граница измерения | Аналоговый режим | 4136 | 0x1028 | 2 | 3 | 16 | Float 32 |
Верхняя граница измерения | Аналоговый режим | 4134 | 0x1026 | 2 | 3 | 16 | Float 32 |
Режим работы | Вход 4 | 4148 | 0x1034 | 1 | 3 | 16 | Enum 2 |
Фильтр антидребезга | Дискретный режим | 4156 | 0x103C | 1 | 3 | 16 | Unsigned 8 |
Уровень логического нуля | Дискретный режим | 4159 | 0x103F | 2 | 3 | 16 | Float 32 |
Уровень логической единицы | Дискретный режим | 4157 | 0x103D | 2 | 3 | 16 | Float 32 |
Тип датчика | Аналоговый режим | 4149 | 0x1035 | 1 | 3 | 16 | Enum 28 |
Постоянная времени фильтра | Аналоговый режим | 4154 | 0x103A | 2 | 3 | 16 | Float 32 |
Нижняя граница измерения | Аналоговый режим | 4152 | 0x1038 | 2 | 3 | 16 | Float 32 |
Верхняя граница измерения | Аналоговый режим | 4150 | 0x1036 | 2 | 3 | 16 | Float 32 |
Вход 1 | Измеренные значения | 4002 | 0x0FA2 | 2 | 3 | - | Float 32 |
Вход 2 | Измеренные значения | 4004 | 0x0FA4 | 2 | 3 | - | Float 32 |
Вход 3 | Измеренные значения | 4006 | 0x0FA6 | 2 | 3 | - | Float 32 |
Вход 4 | Измеренные значения | 4008 | 0x0FA8 | 2 | 3 | - | Float 32 |
Вход 1 | Состояния аналоговых входов | 4014 | 0x0FAE | 1 | 3 | - | Enum 11 |
Вход 2 | Состояния аналоговых входов | 4015 | 0x0FAF | 1 | 3 | - | Enum 11 |
Вход 3 | Состояния аналоговых входов | 4016 | 0x0FB0 | 1 | 3 | - | Enum 11 |
Вход 4 | Состояния аналоговых входов | 4017 | 0x0FB1 | 1 | 3 | - | Enum 11 |
Изменить состояние | Дискретные выходы | 470 | 0x01D6 | 1 | 3 | 16 | Unsigned 8 |
Состояние | Дискретные выходы | 468 | 0x01D4 | 1 | 3 | - | Unsigned 8 |
Безопасное состояние | Выход 1 | 474 | 0x01DA | 1 | 3 | 16 | Enum 3 |
Безопасное состояние | Выход 2 | 475 | 0x01DB | 1 | 3 | 16 | Enum 3 |
Безопасное состояние | Выход 3 | 476 | 0x01DC | 1 | 3 | 16 | Enum 3 |
Безопасное состояние | Выход 4 | 477 | 0x01DD | 1 | 3 | 16 | Enum 3 |
Безопасное состояние | Выход 5 | 478 | 0x01DE | 1 | 3 | 16 | Enum 3 |
Безопасное состояние | Выход 6 | 479 | 0x01DF | 1 | 3 | 16 | Enum 3 |
Безопасное состояние | Выход 7 | 480 | 0x01E0 | 1 | 3 | 16 | Enum 3 |
Безопасное состояние | Выход 8 | 481 | 0x01E1 | 1 | 3 | 16 | Enum 3 |
Вид сигнала | Выход 1 | 3160 | 0x0C58 | 1 | 3 | 16 | Enum 3 |
Состояние | Выход 1 | 3128 | 0x0C38 | 1 | 3 | - | Enum 6 |
Безопасное состояние | Выход 1 | 3032 | 0x0BD8 | 2 | 3 | 16 | Float 32 |
Вид сигнала | Выход 2 | 3161 | 0x0C59 | 1 | 3 | 16 | Enum 3 |
Состояние | Выход 2 | 3129 | 0x0C39 | 1 | 3 | - | Enum 6 |
Безопасное состояние | Выход 2 | 3034 | 0x0BDA | 2 | 3 | 16 | Float 32 |
Вид сигнала | Выход 3 | 3162 | 0x0C5A | 1 | 3 | 16 | Enum 3 |
Состояние | Выход 3 | 3130 | 0x0C3A | 1 | 3 | - | Enum 6 |
Безопасное состояние | Выход 3 | 3036 | 0x0BDC | 2 | 3 | 16 | Float 32 |
Выход 1 | Значения сигнала | 3000 | 0x0BB8 | 2 | 3 | 16 | Float 32 |
Выход 2 | Значения сигнала | 3002 | 0x0BBA | 2 | 3 | 16 | Float 32 |
Выход 3 | Значения сигнала | 3004 | 0x0BBC | 2 | 3 | 16 | Float 32 |
Состояние | Пользовательские светодиоды (Fn) | 601 | 0x0259 | 1 | 3 | - | Unsigned 8 |
Изменить состояние | Пользовательские светодиоды (Fn) | 600 | 0x0258 | 1 | 3 | 16 | Unsigned 8 |
Таймаут перехода в безопасное состояние | Modbus Slave | 700 | 0x02BC | 1 | 3 | 16 | Unsigned 8 |
Подключение к OwenCloud | OwenCloud | 35 | 0x0023 | 1 | 3 | 16 | Enum 2 |
Статус подключения к OwenCloud | OwenCloud | 36 | 0x0024 | 1 | 3 | - | Enum 5 |
Разрешение конфигурирования | Права удалённого доступа из OwenCloud | 701 | 0x02BD | 1 | 3 | 16 | Enum 2 |
Управление и запись значений | Права удалённого доступа из OwenCloud | 702 | 0x02BE | 1 | 3 | 16 | Enum 2 |
Доступ к регистрам Modbus | Права удалённого доступа из OwenCloud | 703 | 0x02BF | 1 | 3 | 16 | Enum 4 |
Наличие обмена | Обмен с устройствами | 2008 | 0x07D8 | 2 | 3 | - | Unsigned 32 |
Включить обмен | Обмен с устройствами | 2010 | 0x07DA | 2 | 3 | 16 | Unsigned 32 |
Время цикла | Логика | 61680 | 0xF0F0 | 2 | 3 | - | Unsigned 32 |
Состояние логики | Логика | 61682 | 0xF0F2 | 1 | 3 | - | Enum 2 |
Подсветка экрана | Настройки прибора | 768 | 0x0300 | 1 | 3 | 16 | Enum 5 |
Карта регистров Modbus ПР205-230.1211.22.2.0
Карта регистров Modbus ПР205-230.1211.22.2.0
Параметр | Группа | Адрес | Адрес (hex) | Количество регистров | Функция чтения | Функция записи | Тип данных |
|---|---|---|---|---|---|---|---|
Время в миллисек | Часы реального времени | 61563 | 0xF07B | 2 | 3 | - | Unsigned 32 |
Время и дата (UTC) | Часы реального времени | 61553 | 0xF071 | 2 | 3 | 16 | Date time 32 |
Часовой пояс | Часы реального времени | 61555 | 0xF073 | 1 | 3 | 16 | Enum 38 |
Секунды | Переменные даты и времени | 61557 | 0xF075 | 1 | 3 | - | Unsigned 8 |
Минуты | Переменные даты и времени | 61558 | 0xF076 | 1 | 3 | - | Unsigned 8 |
Часы | Переменные даты и времени | 61559 | 0xF077 | 1 | 3 | - | Unsigned 8 |
Дни | Переменные даты и времени | 61560 | 0xF078 | 1 | 3 | - | Unsigned 8 |
Месяцы | Переменные даты и времени | 61561 | 0xF079 | 1 | 3 | - | Unsigned 8 |
Годы | Переменные даты и времени | 61562 | 0xF07A | 1 | 3 | - | Unsigned 16 |
День недели | Переменные даты и времени | 61556 | 0xF074 | 1 | 3 | - | Enum 8 |
MAC адрес | Сетевые настройки | 61712 | 0xF110 | 9 | 3 | - | String 144 |
IP адрес | Сетевые настройки | 20 | 0x0014 | 2 | 3 | 16 | Unsigned 32 |
Маска подсети | Сетевые настройки | 22 | 0x0016 | 2 | 3 | 16 | Unsigned 32 |
IP адрес шлюза | Сетевые настройки | 24 | 0x0018 | 2 | 3 | 16 | Unsigned 32 |
DNS сервер 1 | Сетевые настройки | 12 | 0x000C | 2 | 3 | 16 | Unsigned 32 |
DNS сервер 2 | Сетевые настройки | 14 | 0x000E | 2 | 3 | 16 | Unsigned 32 |
Режим DHCP | Сетевые настройки | 32 | 0x0020 | 1 | 3 | 16 | Enum 2 |
Применить сейчас | Сетевые настройки | 33 | 0x0021 | 1 | 3 | 16 | Enum 2 |
Статус подключения | Сетевые настройки | 34 | 0x0022 | 1 | 3 | - | Enum 4 |
Напряжение | Батарея | 801 | 0x0321 | 1 | 3 | - | Unsigned 16 |
Пороговое напряжение | Батарея | 800 | 0x0320 | 1 | 3 | - | Unsigned 16 |
Состояние | Батарея | 802 | 0x0322 | 1 | 3 | - | Enum 2 |
Период обновления информации | Статус прибора | 61624 | 0xF0B8 | 1 | 3 | 16 | Unsigned 8 |
Статус | Статус прибора | 61620 | 0xF0B4 | 2 | 3 | - | Unsigned 32 |
ПРМ Слот 1. Название модуля | Статус прибора | 6000 | 0x1770 | 8 | 3 | - | String 128 |
ПРМ Слот 1. Версия ПО модуля | Статус прибора | 6016 | 0x1780 | 4 | 3 | - | String 64 |
ПРМ Слот 2. Название модуля | Статус прибора | 6032 | 0x1790 | 8 | 3 | - | String 128 |
ПРМ Слот 2. Версия ПО модуля | Статус прибора | 6048 | 0x17A0 | 4 | 3 | - | String 64 |
Ошибки | Статус прибора | 61626 | 0xF0BA | 1 | 3 | - | Unsigned 16 |
Предупреждения | Статус прибора | 61627 | 0xF0BB | 1 | 3 | - | Unsigned 16 |
Период архивирования | Архив | 900 | 0x0384 | 1 | 3 | 16 | Unsigned 16 |
Количество архивов | Архив | 901 | 0x0385 | 1 | 3 | 16 | Unsigned 16 |
Размер архива | Архив | 902 | 0x0386 | 1 | 3 | 16 | Unsigned 16 |
Последний индекс архива | Архив | 903 | 0x0387 | 1 | 3 | - | Unsigned 16 |
Состояние | Дискретные входы | 51 | 0x0033 | 1 | 3 | - | Unsigned 8 |
Инверсия | Дискретные входы | 57 | 0x0039 | 1 | 3 | 16 | Unsigned 8 |
Фильтр антидребезга | Вход 1 | 96 | 0x0060 | 1 | 3 | 16 | Unsigned 8 |
Фильтр антидребезга | Вход 2 | 97 | 0x0061 | 1 | 3 | 16 | Unsigned 8 |
Фильтр антидребезга | Вход 3 | 98 | 0x0062 | 1 | 3 | 16 | Unsigned 8 |
Фильтр антидребезга | Вход 4 | 99 | 0x0063 | 1 | 3 | 16 | Unsigned 8 |
Фильтр антидребезга | Вход 5 | 100 | 0x0064 | 1 | 3 | 16 | Unsigned 8 |
Фильтр антидребезга | Вход 6 | 101 | 0x0065 | 1 | 3 | 16 | Unsigned 8 |
Состояние | Быстрые дискретные входы | 52 | 0x0034 | 1 | 3 | - | Unsigned 8 |
Инверсия | Быстрые дискретные входы | 58 | 0x003A | 1 | 3 | 16 | Unsigned 8 |
Режим работы | Вход 1 | 64 | 0x0040 | 1 | 3 | 16 | Enum 3 |
Фильтр антидребезга | Вход 1 | 104 | 0x0068 | 1 | 3 | 16 | Unsigned 8 |
Фронт захвата импульса | Вход 1 | 80 | 0x0050 | 1 | 3 | 16 | Enum 2 |
Сброс счётчика импульсов | Вход 1 | 224 | 0x00E0 | 1 | 3 | 16 | Enum 2 |
Диагностика | Вход 1 | 256 | 0x0100 | 1 | 3 | - | Enum 2 |
Режим работы | Вход 2 | 65 | 0x0041 | 1 | 3 | 16 | Enum 2 |
Фильтр антидребезга | Вход 2 | 105 | 0x0069 | 1 | 3 | 16 | Unsigned 8 |
Фронт захвата импульса | Вход 2 | 81 | 0x0051 | 1 | 3 | 16 | Enum 2 |
Сброс счётчика импульсов | Вход 2 | 225 | 0x00E1 | 1 | 3 | 16 | Enum 2 |
Диагностика | Вход 2 | 257 | 0x0101 | 1 | 3 | - | Enum 2 |
Вход 1 | Измеренные значения | 160 | 0x00A0 | 2 | 3 | - | Unsigned 32 |
Вход 2 | Измеренные значения | 162 | 0x00A2 | 2 | 3 | - | Unsigned 32 |
Состояние | Дискретно-аналоговые входы | 4000 | 0x0FA0 | 1 | 3 | - | Unsigned 8 |
Инверсия | Дискретно-аналоговые входы | 4357 | 0x1105 | 1 | 3 | 16 | Unsigned 8 |
Режим работы | Вход 1 | 4100 | 0x1004 | 1 | 3 | 16 | Enum 2 |
Фильтр антидребезга | Дискретный режим | 4108 | 0x100C | 1 | 3 | 16 | Unsigned 8 |
Уровень логического нуля | Дискретный режим | 4111 | 0x100F | 2 | 3 | 16 | Float 32 |
Уровень логической единицы | Дискретный режим | 4109 | 0x100D | 2 | 3 | 16 | Float 32 |
Тип датчика | Аналоговый режим | 4101 | 0x1005 | 1 | 3 | 16 | Enum 28 |
Постоянная времени фильтра | Аналоговый режим | 4106 | 0x100A | 2 | 3 | 16 | Float 32 |
Нижняя граница измерения | Аналоговый режим | 4104 | 0x1008 | 2 | 3 | 16 | Float 32 |
Верхняя граница измерения | Аналоговый режим | 4102 | 0x1006 | 2 | 3 | 16 | Float 32 |
Режим работы | Вход 2 | 4116 | 0x1014 | 1 | 3 | 16 | Enum 2 |
Фильтр антидребезга | Дискретный режим | 4124 | 0x101C | 1 | 3 | 16 | Unsigned 8 |
Уровень логического нуля | Дискретный режим | 4127 | 0x101F | 2 | 3 | 16 | Float 32 |
Уровень логической единицы | Дискретный режим | 4125 | 0x101D | 2 | 3 | 16 | Float 32 |
Тип датчика | Аналоговый режим | 4117 | 0x1015 | 1 | 3 | 16 | Enum 28 |
Постоянная времени фильтра | Аналоговый режим | 4122 | 0x101A | 2 | 3 | 16 | Float 32 |
Нижняя граница измерения | Аналоговый режим | 4120 | 0x1018 | 2 | 3 | 16 | Float 32 |
Верхняя граница измерения | Аналоговый режим | 4118 | 0x1016 | 2 | 3 | 16 | Float 32 |
Режим работы | Вход 3 | 4132 | 0x1024 | 1 | 3 | 16 | Enum 2 |
Фильтр антидребезга | Дискретный режим | 4140 | 0x102C | 1 | 3 | 16 | Unsigned 8 |
Уровень логического нуля | Дискретный режим | 4143 | 0x102F | 2 | 3 | 16 | Float 32 |
Уровень логической единицы | Дискретный режим | 4141 | 0x102D | 2 | 3 | 16 | Float 32 |
Тип датчика | Аналоговый режим | 4133 | 0x1025 | 1 | 3 | 16 | Enum 28 |
Постоянная времени фильтра | Аналоговый режим | 4138 | 0x102A | 2 | 3 | 16 | Float 32 |
Нижняя граница измерения | Аналоговый режим | 4136 | 0x1028 | 2 | 3 | 16 | Float 32 |
Верхняя граница измерения | Аналоговый режим | 4134 | 0x1026 | 2 | 3 | 16 | Float 32 |
Режим работы | Вход 4 | 4148 | 0x1034 | 1 | 3 | 16 | Enum 2 |
Фильтр антидребезга | Дискретный режим | 4156 | 0x103C | 1 | 3 | 16 | Unsigned 8 |
Уровень логического нуля | Дискретный режим | 4159 | 0x103F | 2 | 3 | 16 | Float 32 |
Уровень логической единицы | Дискретный режим | 4157 | 0x103D | 2 | 3 | 16 | Float 32 |
Тип датчика | Аналоговый режим | 4149 | 0x1035 | 1 | 3 | 16 | Enum 28 |
Постоянная времени фильтра | Аналоговый режим | 4154 | 0x103A | 2 | 3 | 16 | Float 32 |
Нижняя граница измерения | Аналоговый режим | 4152 | 0x1038 | 2 | 3 | 16 | Float 32 |
Верхняя граница измерения | Аналоговый режим | 4150 | 0x1036 | 2 | 3 | 16 | Float 32 |
Вход 1 | Измеренные значения | 4002 | 0x0FA2 | 2 | 3 | - | Float 32 |
Вход 2 | Измеренные значения | 4004 | 0x0FA4 | 2 | 3 | - | Float 32 |
Вход 3 | Измеренные значения | 4006 | 0x0FA6 | 2 | 3 | - | Float 32 |
Вход 4 | Измеренные значения | 4008 | 0x0FA8 | 2 | 3 | - | Float 32 |
Вход 1 | Состояния аналоговых входов | 4014 | 0x0FAE | 1 | 3 | - | Enum 11 |
Вход 2 | Состояния аналоговых входов | 4015 | 0x0FAF | 1 | 3 | - | Enum 11 |
Вход 3 | Состояния аналоговых входов | 4016 | 0x0FB0 | 1 | 3 | - | Enum 11 |
Вход 4 | Состояния аналоговых входов | 4017 | 0x0FB1 | 1 | 3 | - | Enum 11 |
Изменить состояние | Дискретные выходы | 470 | 0x01D6 | 1 | 3 | 16 | Unsigned 8 |
Состояние | Дискретные выходы | 468 | 0x01D4 | 1 | 3 | - | Unsigned 8 |
Безопасное состояние | Выход 1 | 474 | 0x01DA | 1 | 3 | 16 | Enum 3 |
Безопасное состояние | Выход 2 | 475 | 0x01DB | 1 | 3 | 16 | Enum 3 |
Безопасное состояние | Выход 3 | 476 | 0x01DC | 1 | 3 | 16 | Enum 3 |
Безопасное состояние | Выход 4 | 477 | 0x01DD | 1 | 3 | 16 | Enum 3 |
Безопасное состояние | Выход 5 | 478 | 0x01DE | 1 | 3 | 16 | Enum 3 |
Безопасное состояние | Выход 6 | 479 | 0x01DF | 1 | 3 | 16 | Enum 3 |
Безопасное состояние | Выход 7 | 480 | 0x01E0 | 1 | 3 | 16 | Enum 3 |
Безопасное состояние | Выход 8 | 481 | 0x01E1 | 1 | 3 | 16 | Enum 3 |
Вид сигнала | Выход 1 | 3160 | 0x0C58 | 1 | 3 | 16 | Enum 3 |
Состояние | Выход 1 | 3128 | 0x0C38 | 1 | 3 | - | Enum 6 |
Безопасное состояние | Выход 1 | 3032 | 0x0BD8 | 2 | 3 | 16 | Float 32 |
Вид сигнала | Выход 2 | 3161 | 0x0C59 | 1 | 3 | 16 | Enum 3 |
Состояние | Выход 2 | 3129 | 0x0C39 | 1 | 3 | - | Enum 6 |
Безопасное состояние | Выход 2 | 3034 | 0x0BDA | 2 | 3 | 16 | Float 32 |
Вид сигнала | Выход 3 | 3162 | 0x0C5A | 1 | 3 | 16 | Enum 3 |
Состояние | Выход 3 | 3130 | 0x0C3A | 1 | 3 | - | Enum 6 |
Безопасное состояние | Выход 3 | 3036 | 0x0BDC | 2 | 3 | 16 | Float 32 |
Выход 1 | Значения сигнала | 3000 | 0x0BB8 | 2 | 3 | 16 | Float 32 |
Выход 2 | Значения сигнала | 3002 | 0x0BBA | 2 | 3 | 16 | Float 32 |
Выход 3 | Значения сигнала | 3004 | 0x0BBC | 2 | 3 | 16 | Float 32 |
Состояние | Пользовательские светодиоды (Fn) | 601 | 0x0259 | 1 | 3 | - | Unsigned 8 |
Изменить состояние | Пользовательские светодиоды (Fn) | 600 | 0x0258 | 1 | 3 | 16 | Unsigned 8 |
Таймаут перехода в безопасное состояние | Modbus Slave | 700 | 0x02BC | 1 | 3 | 16 | Unsigned 8 |
Скорость | Настройки порта RS-485 1 | 750 | 0x02EE | 1 | 3 | 16 | Enum 6 |
Размер данных | Настройки порта RS-485 1 | 751 | 0x02EF | 1 | 3 | 16 | Enum 2 |
Контроль чётности | Настройки порта RS-485 1 | 752 | 0x02F0 | 1 | 3 | 16 | Enum 3 |
Кол. стоп-битов | Настройки порта RS-485 1 | 753 | 0x02F1 | 1 | 3 | 16 | Enum 2 |
Slave ID | Настройки порта RS-485 1 | 754 | 0x02F2 | 1 | 3 | 16 | Unsigned 8 |
Скорость | Настройки порта RS-485 2 | 760 | 0x02F8 | 1 | 3 | 16 | Enum 6 |
Размер данных | Настройки порта RS-485 2 | 761 | 0x02F9 | 1 | 3 | 16 | Enum 2 |
Контроль чётности | Настройки порта RS-485 2 | 762 | 0x02FA | 1 | 3 | 16 | Enum 3 |
Кол. стоп-битов | Настройки порта RS-485 2 | 763 | 0x02FB | 1 | 3 | 16 | Enum 2 |
Slave ID | Настройки порта RS-485 2 | 764 | 0x02FC | 1 | 3 | 16 | Unsigned 8 |
Подключение к OwenCloud | OwenCloud | 35 | 0x0023 | 1 | 3 | 16 | Enum 2 |
Статус подключения к OwenCloud | OwenCloud | 36 | 0x0024 | 1 | 3 | - | Enum 5 |
Разрешение конфигурирования | Права удалённого доступа из OwenCloud | 701 | 0x02BD | 1 | 3 | 16 | Enum 2 |
Управление и запись значений | Права удалённого доступа из OwenCloud | 702 | 0x02BE | 1 | 3 | 16 | Enum 2 |
Доступ к регистрам Modbus | Права удалённого доступа из OwenCloud | 703 | 0x02BF | 1 | 3 | 16 | Enum 4 |
Наличие обмена | Обмен с устройствами | 2008 | 0x07D8 | 2 | 3 | - | Unsigned 32 |
Включить обмен | Обмен с устройствами | 2010 | 0x07DA | 2 | 3 | 16 | Unsigned 32 |
Время цикла | Логика | 61680 | 0xF0F0 | 2 | 3 | - | Unsigned 32 |
Состояние логики | Логика | 61682 | 0xF0F2 | 1 | 3 | - | Enum 2 |
Подсветка экрана | Настройки прибора | 768 | 0x0300 | 1 | 3 | 16 | Enum 5 |
Карта регистров Modbus ПР205-230.1211.26.0.0
Карта регистров Modbus ПР205-230.1211.26.0.0
Параметр | Группа | Адрес | Адрес (hex) | Количество регистров | Функция чтения | Функция записи | Тип данных |
|---|---|---|---|---|---|---|---|
Время в миллисек | Часы реального времени | 61563 | 0xF07B | 2 | 3 | - | Unsigned 32 |
Время и дата (UTC) | Часы реального времени | 61553 | 0xF071 | 2 | 3 | 16 | Date time 32 |
Часовой пояс | Часы реального времени | 61555 | 0xF073 | 1 | 3 | 16 | Enum 38 |
Секунды | Переменные даты и времени | 61557 | 0xF075 | 1 | 3 | - | Unsigned 8 |
Минуты | Переменные даты и времени | 61558 | 0xF076 | 1 | 3 | - | Unsigned 8 |
Часы | Переменные даты и времени | 61559 | 0xF077 | 1 | 3 | - | Unsigned 8 |
Дни | Переменные даты и времени | 61560 | 0xF078 | 1 | 3 | - | Unsigned 8 |
Месяцы | Переменные даты и времени | 61561 | 0xF079 | 1 | 3 | - | Unsigned 8 |
Годы | Переменные даты и времени | 61562 | 0xF07A | 1 | 3 | - | Unsigned 16 |
День недели | Переменные даты и времени | 61556 | 0xF074 | 1 | 3 | - | Enum 8 |
MAC адрес | Сетевые настройки | 61712 | 0xF110 | 9 | 3 | - | String 144 |
IP адрес | Сетевые настройки | 20 | 0x0014 | 2 | 3 | 16 | Unsigned 32 |
Маска подсети | Сетевые настройки | 22 | 0x0016 | 2 | 3 | 16 | Unsigned 32 |
IP адрес шлюза | Сетевые настройки | 24 | 0x0018 | 2 | 3 | 16 | Unsigned 32 |
DNS сервер 1 | Сетевые настройки | 12 | 0x000C | 2 | 3 | 16 | Unsigned 32 |
DNS сервер 2 | Сетевые настройки | 14 | 0x000E | 2 | 3 | 16 | Unsigned 32 |
Режим DHCP | Сетевые настройки | 32 | 0x0020 | 1 | 3 | 16 | Enum 2 |
Применить сейчас | Сетевые настройки | 33 | 0x0021 | 1 | 3 | 16 | Enum 2 |
Статус подключения | Сетевые настройки | 34 | 0x0022 | 1 | 3 | - | Enum 4 |
Напряжение | Батарея | 801 | 0x0321 | 1 | 3 | - | Unsigned 16 |
Пороговое напряжение | Батарея | 800 | 0x0320 | 1 | 3 | - | Unsigned 16 |
Состояние | Батарея | 802 | 0x0322 | 1 | 3 | - | Enum 2 |
Период обновления информации | Статус прибора | 61624 | 0xF0B8 | 1 | 3 | 16 | Unsigned 8 |
Статус | Статус прибора | 61620 | 0xF0B4 | 2 | 3 | - | Unsigned 32 |
ПРМ Слот 1. Название модуля | Статус прибора | 6000 | 0x1770 | 8 | 3 | - | String 128 |
ПРМ Слот 1. Версия ПО модуля | Статус прибора | 6016 | 0x1780 | 4 | 3 | - | String 64 |
ПРМ Слот 2. Название модуля | Статус прибора | 6032 | 0x1790 | 8 | 3 | - | String 128 |
ПРМ Слот 2. Версия ПО модуля | Статус прибора | 6048 | 0x17A0 | 4 | 3 | - | String 64 |
Ошибки | Статус прибора | 61626 | 0xF0BA | 1 | 3 | - | Unsigned 16 |
Предупреждения | Статус прибора | 61627 | 0xF0BB | 1 | 3 | - | Unsigned 16 |
Период архивирования | Архив | 900 | 0x0384 | 1 | 3 | 16 | Unsigned 16 |
Количество архивов | Архив | 901 | 0x0385 | 1 | 3 | 16 | Unsigned 16 |
Размер архива | Архив | 902 | 0x0386 | 1 | 3 | 16 | Unsigned 16 |
Последний индекс архива | Архив | 903 | 0x0387 | 1 | 3 | - | Unsigned 16 |
Состояние | Дискретные входы | 51 | 0x0033 | 1 | 3 | - | Unsigned 8 |
Инверсия | Дискретные входы | 57 | 0x0039 | 1 | 3 | 16 | Unsigned 8 |
Фильтр антидребезга | Вход 1 | 96 | 0x0060 | 1 | 3 | 16 | Unsigned 8 |
Фильтр антидребезга | Вход 2 | 97 | 0x0061 | 1 | 3 | 16 | Unsigned 8 |
Фильтр антидребезга | Вход 3 | 98 | 0x0062 | 1 | 3 | 16 | Unsigned 8 |
Фильтр антидребезга | Вход 4 | 99 | 0x0063 | 1 | 3 | 16 | Unsigned 8 |
Фильтр антидребезга | Вход 5 | 100 | 0x0064 | 1 | 3 | 16 | Unsigned 8 |
Фильтр антидребезга | Вход 6 | 101 | 0x0065 | 1 | 3 | 16 | Unsigned 8 |
Состояние | Быстрые дискретные входы | 52 | 0x0034 | 1 | 3 | - | Unsigned 8 |
Инверсия | Быстрые дискретные входы | 58 | 0x003A | 1 | 3 | 16 | Unsigned 8 |
Режим работы | Вход 1 | 64 | 0x0040 | 1 | 3 | 16 | Enum 3 |
Фильтр антидребезга | Вход 1 | 104 | 0x0068 | 1 | 3 | 16 | Unsigned 8 |
Фронт захвата импульса | Вход 1 | 80 | 0x0050 | 1 | 3 | 16 | Enum 2 |
Сброс счётчика импульсов | Вход 1 | 224 | 0x00E0 | 1 | 3 | 16 | Enum 2 |
Диагностика | Вход 1 | 256 | 0x0100 | 1 | 3 | - | Enum 2 |
Режим работы | Вход 2 | 65 | 0x0041 | 1 | 3 | 16 | Enum 2 |
Фильтр антидребезга | Вход 2 | 105 | 0x0069 | 1 | 3 | 16 | Unsigned 8 |
Фронт захвата импульса | Вход 2 | 81 | 0x0051 | 1 | 3 | 16 | Enum 2 |
Сброс счётчика импульсов | Вход 2 | 225 | 0x00E1 | 1 | 3 | 16 | Enum 2 |
Диагностика | Вход 2 | 257 | 0x0101 | 1 | 3 | - | Enum 2 |
Вход 1 | Измеренные значения | 160 | 0x00A0 | 2 | 3 | - | Unsigned 32 |
Вход 2 | Измеренные значения | 162 | 0x00A2 | 2 | 3 | - | Unsigned 32 |
Состояние | Дискретно-аналоговые входы | 4000 | 0x0FA0 | 1 | 3 | - | Unsigned 8 |
Инверсия | Дискретно-аналоговые входы | 4357 | 0x1105 | 1 | 3 | 16 | Unsigned 8 |
Режим работы | Вход 1 | 4100 | 0x1004 | 1 | 3 | 16 | Enum 2 |
Фильтр антидребезга | Дискретный режим | 4108 | 0x100C | 1 | 3 | 16 | Unsigned 8 |
Уровень логического нуля | Дискретный режим | 4111 | 0x100F | 2 | 3 | 16 | Float 32 |
Уровень логической единицы | Дискретный режим | 4109 | 0x100D | 2 | 3 | 16 | Float 32 |
Тип датчика | Аналоговый режим | 4101 | 0x1005 | 1 | 3 | 16 | Enum 28 |
Постоянная времени фильтра | Аналоговый режим | 4106 | 0x100A | 2 | 3 | 16 | Float 32 |
Нижняя граница измерения | Аналоговый режим | 4104 | 0x1008 | 2 | 3 | 16 | Float 32 |
Верхняя граница измерения | Аналоговый режим | 4102 | 0x1006 | 2 | 3 | 16 | Float 32 |
Режим работы | Вход 2 | 4116 | 0x1014 | 1 | 3 | 16 | Enum 2 |
Фильтр антидребезга | Дискретный режим | 4124 | 0x101C | 1 | 3 | 16 | Unsigned 8 |
Уровень логического нуля | Дискретный режим | 4127 | 0x101F | 2 | 3 | 16 | Float 32 |
Уровень логической единицы | Дискретный режим | 4125 | 0x101D | 2 | 3 | 16 | Float 32 |
Тип датчика | Аналоговый режим | 4117 | 0x1015 | 1 | 3 | 16 | Enum 28 |
Постоянная времени фильтра | Аналоговый режим | 4122 | 0x101A | 2 | 3 | 16 | Float 32 |
Нижняя граница измерения | Аналоговый режим | 4120 | 0x1018 | 2 | 3 | 16 | Float 32 |
Верхняя граница измерения | Аналоговый режим | 4118 | 0x1016 | 2 | 3 | 16 | Float 32 |
Режим работы | Вход 3 | 4132 | 0x1024 | 1 | 3 | 16 | Enum 2 |
Фильтр антидребезга | Дискретный режим | 4140 | 0x102C | 1 | 3 | 16 | Unsigned 8 |
Уровень логического нуля | Дискретный режим | 4143 | 0x102F | 2 | 3 | 16 | Float 32 |
Уровень логической единицы | Дискретный режим | 4141 | 0x102D | 2 | 3 | 16 | Float 32 |
Тип датчика | Аналоговый режим | 4133 | 0x1025 | 1 | 3 | 16 | Enum 28 |
Постоянная времени фильтра | Аналоговый режим | 4138 | 0x102A | 2 | 3 | 16 | Float 32 |
Нижняя граница измерения | Аналоговый режим | 4136 | 0x1028 | 2 | 3 | 16 | Float 32 |
Верхняя граница измерения | Аналоговый режим | 4134 | 0x1026 | 2 | 3 | 16 | Float 32 |
Режим работы | Вход 4 | 4148 | 0x1034 | 1 | 3 | 16 | Enum 2 |
Фильтр антидребезга | Дискретный режим | 4156 | 0x103C | 1 | 3 | 16 | Unsigned 8 |
Уровень логического нуля | Дискретный режим | 4159 | 0x103F | 2 | 3 | 16 | Float 32 |
Уровень логической единицы | Дискретный режим | 4157 | 0x103D | 2 | 3 | 16 | Float 32 |
Тип датчика | Аналоговый режим | 4149 | 0x1035 | 1 | 3 | 16 | Enum 28 |
Постоянная времени фильтра | Аналоговый режим | 4154 | 0x103A | 2 | 3 | 16 | Float 32 |
Нижняя граница измерения | Аналоговый режим | 4152 | 0x1038 | 2 | 3 | 16 | Float 32 |
Верхняя граница измерения | Аналоговый режим | 4150 | 0x1036 | 2 | 3 | 16 | Float 32 |
Вход 1 | Измеренные значения | 4002 | 0x0FA2 | 2 | 3 | - | Float 32 |
Вход 2 | Измеренные значения | 4004 | 0x0FA4 | 2 | 3 | - | Float 32 |
Вход 3 | Измеренные значения | 4006 | 0x0FA6 | 2 | 3 | - | Float 32 |
Вход 4 | Измеренные значения | 4008 | 0x0FA8 | 2 | 3 | - | Float 32 |
Вход 1 | Состояния аналоговых входов | 4014 | 0x0FAE | 1 | 3 | - | Enum 11 |
Вход 2 | Состояния аналоговых входов | 4015 | 0x0FAF | 1 | 3 | - | Enum 11 |
Вход 3 | Состояния аналоговых входов | 4016 | 0x0FB0 | 1 | 3 | - | Enum 11 |
Вход 4 | Состояния аналоговых входов | 4017 | 0x0FB1 | 1 | 3 | - | Enum 11 |
Изменить состояние | Дискретные выходы | 470 | 0x01D6 | 1 | 3 | 16 | Unsigned 8 |
Состояние | Дискретные выходы | 468 | 0x01D4 | 1 | 3 | - | Unsigned 8 |
Безопасное состояние | Выход 1 | 474 | 0x01DA | 1 | 3 | 16 | Enum 3 |
Безопасное состояние | Выход 2 | 475 | 0x01DB | 1 | 3 | 16 | Enum 3 |
Безопасное состояние | Выход 3 | 476 | 0x01DC | 1 | 3 | 16 | Enum 3 |
Безопасное состояние | Выход 4 | 477 | 0x01DD | 1 | 3 | 16 | Enum 3 |
Безопасное состояние | Выход 5 | 478 | 0x01DE | 1 | 3 | 16 | Enum 3 |
Безопасное состояние | Выход 6 | 479 | 0x01DF | 1 | 3 | 16 | Enum 3 |
Состояние | Дискретные ШИМ-выходы | 306 | 0x0132 | 1 | 3 | - | Unsigned 8 |
Режим работы | Выход 7 | 272 | 0x0110 | 1 | 3 | 16 | Enum 2 |
Период ШИМ | Выход 7 | 308 | 0x0134 | 1 | 3 | 16 | Unsigned 16 |
Минимальный импульс ШИМ | Выход 7 | 404 | 0x0194 | 1 | 3 | 16 | Unsigned 16 |
Безопасное состояние | Выход 7 | 538 | 0x021A | 2 | 3 | 16 | Float 32 |
Режим работы | Выход 8 | 273 | 0x0111 | 1 | 3 | 16 | Enum 2 |
Период ШИМ | Выход 8 | 309 | 0x0135 | 1 | 3 | 16 | Unsigned 16 |
Минимальный импульс ШИМ | Выход 8 | 405 | 0x0195 | 1 | 3 | 16 | Unsigned 16 |
Безопасное состояние | Выход 8 | 540 | 0x021C | 2 | 3 | 16 | Float 32 |
Выход 7 | Коэффициент заполнения | 340 | 0x0154 | 2 | 3 | 16 | Float 32 |
Выход 8 | Коэффициент заполнения | 342 | 0x0156 | 2 | 3 | 16 | Float 32 |
Вид сигнала | Выход 1 | 3160 | 0x0C58 | 1 | 3 | 16 | Enum 3 |
Состояние | Выход 1 | 3128 | 0x0C38 | 1 | 3 | - | Enum 6 |
Безопасное состояние | Выход 1 | 3032 | 0x0BD8 | 2 | 3 | 16 | Float 32 |
Вид сигнала | Выход 2 | 3161 | 0x0C59 | 1 | 3 | 16 | Enum 3 |
Состояние | Выход 2 | 3129 | 0x0C39 | 1 | 3 | - | Enum 6 |
Безопасное состояние | Выход 2 | 3034 | 0x0BDA | 2 | 3 | 16 | Float 32 |
Вид сигнала | Выход 3 | 3162 | 0x0C5A | 1 | 3 | 16 | Enum 3 |
Состояние | Выход 3 | 3130 | 0x0C3A | 1 | 3 | - | Enum 6 |
Безопасное состояние | Выход 3 | 3036 | 0x0BDC | 2 | 3 | 16 | Float 32 |
Выход 1 | Значения сигнала | 3000 | 0x0BB8 | 2 | 3 | 16 | Float 32 |
Выход 2 | Значения сигнала | 3002 | 0x0BBA | 2 | 3 | 16 | Float 32 |
Выход 3 | Значения сигнала | 3004 | 0x0BBC | 2 | 3 | 16 | Float 32 |
Состояние | Пользовательские светодиоды (Fn) | 601 | 0x0259 | 1 | 3 | - | Unsigned 8 |
Изменить состояние | Пользовательские светодиоды (Fn) | 600 | 0x0258 | 1 | 3 | 16 | Unsigned 8 |
Таймаут перехода в безопасное состояние | Modbus Slave | 700 | 0x02BC | 1 | 3 | 16 | Unsigned 8 |
Подключение к OwenCloud | OwenCloud | 35 | 0x0023 | 1 | 3 | 16 | Enum 2 |
Статус подключения к OwenCloud | OwenCloud | 36 | 0x0024 | 1 | 3 | - | Enum 5 |
Разрешение конфигурирования | Права удалённого доступа из OwenCloud | 701 | 0x02BD | 1 | 3 | 16 | Enum 2 |
Управление и запись значений | Права удалённого доступа из OwenCloud | 702 | 0x02BE | 1 | 3 | 16 | Enum 2 |
Доступ к регистрам Modbus | Права удалённого доступа из OwenCloud | 703 | 0x02BF | 1 | 3 | 16 | Enum 4 |
Наличие обмена | Обмен с устройствами | 2008 | 0x07D8 | 2 | 3 | - | Unsigned 32 |
Включить обмен | Обмен с устройствами | 2010 | 0x07DA | 2 | 3 | 16 | Unsigned 32 |
Время цикла | Логика | 61680 | 0xF0F0 | 2 | 3 | - | Unsigned 32 |
Состояние логики | Логика | 61682 | 0xF0F2 | 1 | 3 | - | Enum 2 |
Подсветка экрана | Настройки прибора | 768 | 0x0300 | 1 | 3 | 16 | Enum 5 |
Карта регистров Modbus ПР205-230.1211.26.2.0
Карта регистров Modbus ПР205-230.1211.26.2.0
Параметр | Группа | Адрес | Адрес (hex) | Количество регистров | Функция чтения | Функция записи | Тип данных |
|---|---|---|---|---|---|---|---|
Время в миллисек | Часы реального времени | 61563 | 0xF07B | 2 | 3 | - | Unsigned 32 |
Время и дата (UTC) | Часы реального времени | 61553 | 0xF071 | 2 | 3 | 16 | Date time 32 |
Часовой пояс | Часы реального времени | 61555 | 0xF073 | 1 | 3 | 16 | Enum 38 |
Секунды | Переменные даты и времени | 61557 | 0xF075 | 1 | 3 | - | Unsigned 8 |
Минуты | Переменные даты и времени | 61558 | 0xF076 | 1 | 3 | - | Unsigned 8 |
Часы | Переменные даты и времени | 61559 | 0xF077 | 1 | 3 | - | Unsigned 8 |
Дни | Переменные даты и времени | 61560 | 0xF078 | 1 | 3 | - | Unsigned 8 |
Месяцы | Переменные даты и времени | 61561 | 0xF079 | 1 | 3 | - | Unsigned 8 |
Годы | Переменные даты и времени | 61562 | 0xF07A | 1 | 3 | - | Unsigned 16 |
День недели | Переменные даты и времени | 61556 | 0xF074 | 1 | 3 | - | Enum 8 |
MAC адрес | Сетевые настройки | 61712 | 0xF110 | 9 | 3 | - | String 144 |
IP адрес | Сетевые настройки | 20 | 0x0014 | 2 | 3 | 16 | Unsigned 32 |
Маска подсети | Сетевые настройки | 22 | 0x0016 | 2 | 3 | 16 | Unsigned 32 |
IP адрес шлюза | Сетевые настройки | 24 | 0x0018 | 2 | 3 | 16 | Unsigned 32 |
DNS сервер 1 | Сетевые настройки | 12 | 0x000C | 2 | 3 | 16 | Unsigned 32 |
DNS сервер 2 | Сетевые настройки | 14 | 0x000E | 2 | 3 | 16 | Unsigned 32 |
Режим DHCP | Сетевые настройки | 32 | 0x0020 | 1 | 3 | 16 | Enum 2 |
Применить сейчас | Сетевые настройки | 33 | 0x0021 | 1 | 3 | 16 | Enum 2 |
Статус подключения | Сетевые настройки | 34 | 0x0022 | 1 | 3 | - | Enum 4 |
Напряжение | Батарея | 801 | 0x0321 | 1 | 3 | - | Unsigned 16 |
Пороговое напряжение | Батарея | 800 | 0x0320 | 1 | 3 | - | Unsigned 16 |
Состояние | Батарея | 802 | 0x0322 | 1 | 3 | - | Enum 2 |
Период обновления информации | Статус прибора | 61624 | 0xF0B8 | 1 | 3 | 16 | Unsigned 8 |
Статус | Статус прибора | 61620 | 0xF0B4 | 2 | 3 | - | Unsigned 32 |
ПРМ Слот 1. Название модуля | Статус прибора | 6000 | 0x1770 | 8 | 3 | - | String 128 |
ПРМ Слот 1. Версия ПО модуля | Статус прибора | 6016 | 0x1780 | 4 | 3 | - | String 64 |
ПРМ Слот 2. Название модуля | Статус прибора | 6032 | 0x1790 | 8 | 3 | - | String 128 |
ПРМ Слот 2. Версия ПО модуля | Статус прибора | 6048 | 0x17A0 | 4 | 3 | - | String 64 |
Ошибки | Статус прибора | 61626 | 0xF0BA | 1 | 3 | - | Unsigned 16 |
Предупреждения | Статус прибора | 61627 | 0xF0BB | 1 | 3 | - | Unsigned 16 |
Период архивирования | Архив | 900 | 0x0384 | 1 | 3 | 16 | Unsigned 16 |
Количество архивов | Архив | 901 | 0x0385 | 1 | 3 | 16 | Unsigned 16 |
Размер архива | Архив | 902 | 0x0386 | 1 | 3 | 16 | Unsigned 16 |
Последний индекс архива | Архив | 903 | 0x0387 | 1 | 3 | - | Unsigned 16 |
Состояние | Дискретные входы | 51 | 0x0033 | 1 | 3 | - | Unsigned 8 |
Инверсия | Дискретные входы | 57 | 0x0039 | 1 | 3 | 16 | Unsigned 8 |
Фильтр антидребезга | Вход 1 | 96 | 0x0060 | 1 | 3 | 16 | Unsigned 8 |
Фильтр антидребезга | Вход 2 | 97 | 0x0061 | 1 | 3 | 16 | Unsigned 8 |
Фильтр антидребезга | Вход 3 | 98 | 0x0062 | 1 | 3 | 16 | Unsigned 8 |
Фильтр антидребезга | Вход 4 | 99 | 0x0063 | 1 | 3 | 16 | Unsigned 8 |
Фильтр антидребезга | Вход 5 | 100 | 0x0064 | 1 | 3 | 16 | Unsigned 8 |
Фильтр антидребезга | Вход 6 | 101 | 0x0065 | 1 | 3 | 16 | Unsigned 8 |
Состояние | Быстрые дискретные входы | 52 | 0x0034 | 1 | 3 | - | Unsigned 8 |
Инверсия | Быстрые дискретные входы | 58 | 0x003A | 1 | 3 | 16 | Unsigned 8 |
Режим работы | Вход 1 | 64 | 0x0040 | 1 | 3 | 16 | Enum 3 |
Фильтр антидребезга | Вход 1 | 104 | 0x0068 | 1 | 3 | 16 | Unsigned 8 |
Фронт захвата импульса | Вход 1 | 80 | 0x0050 | 1 | 3 | 16 | Enum 2 |
Сброс счётчика импульсов | Вход 1 | 224 | 0x00E0 | 1 | 3 | 16 | Enum 2 |
Диагностика | Вход 1 | 256 | 0x0100 | 1 | 3 | - | Enum 2 |
Режим работы | Вход 2 | 65 | 0x0041 | 1 | 3 | 16 | Enum 2 |
Фильтр антидребезга | Вход 2 | 105 | 0x0069 | 1 | 3 | 16 | Unsigned 8 |
Фронт захвата импульса | Вход 2 | 81 | 0x0051 | 1 | 3 | 16 | Enum 2 |
Сброс счётчика импульсов | Вход 2 | 225 | 0x00E1 | 1 | 3 | 16 | Enum 2 |
Диагностика | Вход 2 | 257 | 0x0101 | 1 | 3 | - | Enum 2 |
Вход 1 | Измеренные значения | 160 | 0x00A0 | 2 | 3 | - | Unsigned 32 |
Вход 2 | Измеренные значения | 162 | 0x00A2 | 2 | 3 | - | Unsigned 32 |
Состояние | Дискретно-аналоговые входы | 4000 | 0x0FA0 | 1 | 3 | - | Unsigned 8 |
Инверсия | Дискретно-аналоговые входы | 4357 | 0x1105 | 1 | 3 | 16 | Unsigned 8 |
Режим работы | Вход 1 | 4100 | 0x1004 | 1 | 3 | 16 | Enum 2 |
Фильтр антидребезга | Дискретный режим | 4108 | 0x100C | 1 | 3 | 16 | Unsigned 8 |
Уровень логического нуля | Дискретный режим | 4111 | 0x100F | 2 | 3 | 16 | Float 32 |
Уровень логической единицы | Дискретный режим | 4109 | 0x100D | 2 | 3 | 16 | Float 32 |
Тип датчика | Аналоговый режим | 4101 | 0x1005 | 1 | 3 | 16 | Enum 28 |
Постоянная времени фильтра | Аналоговый режим | 4106 | 0x100A | 2 | 3 | 16 | Float 32 |
Нижняя граница измерения | Аналоговый режим | 4104 | 0x1008 | 2 | 3 | 16 | Float 32 |
Верхняя граница измерения | Аналоговый режим | 4102 | 0x1006 | 2 | 3 | 16 | Float 32 |
Режим работы | Вход 2 | 4116 | 0x1014 | 1 | 3 | 16 | Enum 2 |
Фильтр антидребезга | Дискретный режим | 4124 | 0x101C | 1 | 3 | 16 | Unsigned 8 |
Уровень логического нуля | Дискретный режим | 4127 | 0x101F | 2 | 3 | 16 | Float 32 |
Уровень логической единицы | Дискретный режим | 4125 | 0x101D | 2 | 3 | 16 | Float 32 |
Тип датчика | Аналоговый режим | 4117 | 0x1015 | 1 | 3 | 16 | Enum 28 |
Постоянная времени фильтра | Аналоговый режим | 4122 | 0x101A | 2 | 3 | 16 | Float 32 |
Нижняя граница измерения | Аналоговый режим | 4120 | 0x1018 | 2 | 3 | 16 | Float 32 |
Верхняя граница измерения | Аналоговый режим | 4118 | 0x1016 | 2 | 3 | 16 | Float 32 |
Режим работы | Вход 3 | 4132 | 0x1024 | 1 | 3 | 16 | Enum 2 |
Фильтр антидребезга | Дискретный режим | 4140 | 0x102C | 1 | 3 | 16 | Unsigned 8 |
Уровень логического нуля | Дискретный режим | 4143 | 0x102F | 2 | 3 | 16 | Float 32 |
Уровень логической единицы | Дискретный режим | 4141 | 0x102D | 2 | 3 | 16 | Float 32 |
Тип датчика | Аналоговый режим | 4133 | 0x1025 | 1 | 3 | 16 | Enum 28 |
Постоянная времени фильтра | Аналоговый режим | 4138 | 0x102A | 2 | 3 | 16 | Float 32 |
Нижняя граница измерения | Аналоговый режим | 4136 | 0x1028 | 2 | 3 | 16 | Float 32 |
Верхняя граница измерения | Аналоговый режим | 4134 | 0x1026 | 2 | 3 | 16 | Float 32 |
Режим работы | Вход 4 | 4148 | 0x1034 | 1 | 3 | 16 | Enum 2 |
Фильтр антидребезга | Дискретный режим | 4156 | 0x103C | 1 | 3 | 16 | Unsigned 8 |
Уровень логического нуля | Дискретный режим | 4159 | 0x103F | 2 | 3 | 16 | Float 32 |
Уровень логической единицы | Дискретный режим | 4157 | 0x103D | 2 | 3 | 16 | Float 32 |
Тип датчика | Аналоговый режим | 4149 | 0x1035 | 1 | 3 | 16 | Enum 28 |
Постоянная времени фильтра | Аналоговый режим | 4154 | 0x103A | 2 | 3 | 16 | Float 32 |
Нижняя граница измерения | Аналоговый режим | 4152 | 0x1038 | 2 | 3 | 16 | Float 32 |
Верхняя граница измерения | Аналоговый режим | 4150 | 0x1036 | 2 | 3 | 16 | Float 32 |
Вход 1 | Измеренные значения | 4002 | 0x0FA2 | 2 | 3 | - | Float 32 |
Вход 2 | Измеренные значения | 4004 | 0x0FA4 | 2 | 3 | - | Float 32 |
Вход 3 | Измеренные значения | 4006 | 0x0FA6 | 2 | 3 | - | Float 32 |
Вход 4 | Измеренные значения | 4008 | 0x0FA8 | 2 | 3 | - | Float 32 |
Вход 1 | Состояния аналоговых входов | 4014 | 0x0FAE | 1 | 3 | - | Enum 11 |
Вход 2 | Состояния аналоговых входов | 4015 | 0x0FAF | 1 | 3 | - | Enum 11 |
Вход 3 | Состояния аналоговых входов | 4016 | 0x0FB0 | 1 | 3 | - | Enum 11 |
Вход 4 | Состояния аналоговых входов | 4017 | 0x0FB1 | 1 | 3 | - | Enum 11 |
Изменить состояние | Дискретные выходы | 470 | 0x01D6 | 1 | 3 | 16 | Unsigned 8 |
Состояние | Дискретные выходы | 468 | 0x01D4 | 1 | 3 | - | Unsigned 8 |
Безопасное состояние | Выход 1 | 474 | 0x01DA | 1 | 3 | 16 | Enum 3 |
Безопасное состояние | Выход 2 | 475 | 0x01DB | 1 | 3 | 16 | Enum 3 |
Безопасное состояние | Выход 3 | 476 | 0x01DC | 1 | 3 | 16 | Enum 3 |
Безопасное состояние | Выход 4 | 477 | 0x01DD | 1 | 3 | 16 | Enum 3 |
Безопасное состояние | Выход 5 | 478 | 0x01DE | 1 | 3 | 16 | Enum 3 |
Безопасное состояние | Выход 6 | 479 | 0x01DF | 1 | 3 | 16 | Enum 3 |
Состояние | Дискретные ШИМ-выходы | 306 | 0x0132 | 1 | 3 | - | Unsigned 8 |
Режим работы | Выход 7 | 272 | 0x0110 | 1 | 3 | 16 | Enum 2 |
Период ШИМ | Выход 7 | 308 | 0x0134 | 1 | 3 | 16 | Unsigned 16 |
Минимальный импульс ШИМ | Выход 7 | 404 | 0x0194 | 1 | 3 | 16 | Unsigned 16 |
Безопасное состояние | Выход 7 | 538 | 0x021A | 2 | 3 | 16 | Float 32 |
Режим работы | Выход 8 | 273 | 0x0111 | 1 | 3 | 16 | Enum 2 |
Период ШИМ | Выход 8 | 309 | 0x0135 | 1 | 3 | 16 | Unsigned 16 |
Минимальный импульс ШИМ | Выход 8 | 405 | 0x0195 | 1 | 3 | 16 | Unsigned 16 |
Безопасное состояние | Выход 8 | 540 | 0x021C | 2 | 3 | 16 | Float 32 |
Выход 7 | Коэффициент заполнения | 340 | 0x0154 | 2 | 3 | 16 | Float 32 |
Выход 8 | Коэффициент заполнения | 342 | 0x0156 | 2 | 3 | 16 | Float 32 |
Вид сигнала | Выход 1 | 3160 | 0x0C58 | 1 | 3 | 16 | Enum 3 |
Состояние | Выход 1 | 3128 | 0x0C38 | 1 | 3 | - | Enum 6 |
Безопасное состояние | Выход 1 | 3032 | 0x0BD8 | 2 | 3 | 16 | Float 32 |
Вид сигнала | Выход 2 | 3161 | 0x0C59 | 1 | 3 | 16 | Enum 3 |
Состояние | Выход 2 | 3129 | 0x0C39 | 1 | 3 | - | Enum 6 |
Безопасное состояние | Выход 2 | 3034 | 0x0BDA | 2 | 3 | 16 | Float 32 |
Вид сигнала | Выход 3 | 3162 | 0x0C5A | 1 | 3 | 16 | Enum 3 |
Состояние | Выход 3 | 3130 | 0x0C3A | 1 | 3 | - | Enum 6 |
Безопасное состояние | Выход 3 | 3036 | 0x0BDC | 2 | 3 | 16 | Float 32 |
Выход 1 | Значения сигнала | 3000 | 0x0BB8 | 2 | 3 | 16 | Float 32 |
Выход 2 | Значения сигнала | 3002 | 0x0BBA | 2 | 3 | 16 | Float 32 |
Выход 3 | Значения сигнала | 3004 | 0x0BBC | 2 | 3 | 16 | Float 32 |
Состояние | Пользовательские светодиоды (Fn) | 601 | 0x0259 | 1 | 3 | - | Unsigned 8 |
Изменить состояние | Пользовательские светодиоды (Fn) | 600 | 0x0258 | 1 | 3 | 16 | Unsigned 8 |
Таймаут перехода в безопасное состояние | Modbus Slave | 700 | 0x02BC | 1 | 3 | 16 | Unsigned 8 |
Скорость | Настройки порта RS-485 1 | 750 | 0x02EE | 1 | 3 | 16 | Enum 6 |
Размер данных | Настройки порта RS-485 1 | 751 | 0x02EF | 1 | 3 | 16 | Enum 2 |
Контроль чётности | Настройки порта RS-485 1 | 752 | 0x02F0 | 1 | 3 | 16 | Enum 3 |
Кол. стоп-битов | Настройки порта RS-485 1 | 753 | 0x02F1 | 1 | 3 | 16 | Enum 2 |
Slave ID | Настройки порта RS-485 1 | 754 | 0x02F2 | 1 | 3 | 16 | Unsigned 8 |
Скорость | Настройки порта RS-485 2 | 760 | 0x02F8 | 1 | 3 | 16 | Enum 6 |
Размер данных | Настройки порта RS-485 2 | 761 | 0x02F9 | 1 | 3 | 16 | Enum 2 |
Контроль чётности | Настройки порта RS-485 2 | 762 | 0x02FA | 1 | 3 | 16 | Enum 3 |
Кол. стоп-битов | Настройки порта RS-485 2 | 763 | 0x02FB | 1 | 3 | 16 | Enum 2 |
Slave ID | Настройки порта RS-485 2 | 764 | 0x02FC | 1 | 3 | 16 | Unsigned 8 |
Подключение к OwenCloud | OwenCloud | 35 | 0x0023 | 1 | 3 | 16 | Enum 2 |
Статус подключения к OwenCloud | OwenCloud | 36 | 0x0024 | 1 | 3 | - | Enum 5 |
Разрешение конфигурирования | Права удалённого доступа из OwenCloud | 701 | 0x02BD | 1 | 3 | 16 | Enum 2 |
Управление и запись значений | Права удалённого доступа из OwenCloud | 702 | 0x02BE | 1 | 3 | 16 | Enum 2 |
Доступ к регистрам Modbus | Права удалённого доступа из OwenCloud | 703 | 0x02BF | 1 | 3 | 16 | Enum 4 |
Наличие обмена | Обмен с устройствами | 2008 | 0x07D8 | 2 | 3 | - | Unsigned 32 |
Включить обмен | Обмен с устройствами | 2010 | 0x07DA | 2 | 3 | 16 | Unsigned 32 |
Время цикла | Логика | 61680 | 0xF0F0 | 2 | 3 | - | Unsigned 32 |
Состояние логики | Логика | 61682 | 0xF0F2 | 1 | 3 | - | Enum 2 |
Подсветка экрана | Настройки прибора | 768 | 0x0300 | 1 | 3 | 16 | Enum 5 |
Карта регистров Modbus ПР205-230.1816.02.0.0
Карта регистров Modbus ПР205-230.1816.02.0.0
Параметр | Группа | Адрес | Адрес (hex) | Количество регистров | Функция чтения | Функция записи | Тип данных |
|---|---|---|---|---|---|---|---|
Время в миллисек | Часы реального времени | 61563 | 0xF07B | 2 | 3 | - | Unsigned 32 |
Время и дата (UTC) | Часы реального времени | 61553 | 0xF071 | 2 | 3 | 16 | Date time 32 |
Часовой пояс | Часы реального времени | 61555 | 0xF073 | 1 | 3 | 16 | Enum 38 |
Секунды | Переменные даты и времени | 61557 | 0xF075 | 1 | 3 | - | Unsigned 8 |
Минуты | Переменные даты и времени | 61558 | 0xF076 | 1 | 3 | - | Unsigned 8 |
Часы | Переменные даты и времени | 61559 | 0xF077 | 1 | 3 | - | Unsigned 8 |
Дни | Переменные даты и времени | 61560 | 0xF078 | 1 | 3 | - | Unsigned 8 |
Месяцы | Переменные даты и времени | 61561 | 0xF079 | 1 | 3 | - | Unsigned 8 |
Годы | Переменные даты и времени | 61562 | 0xF07A | 1 | 3 | - | Unsigned 16 |
День недели | Переменные даты и времени | 61556 | 0xF074 | 1 | 3 | - | Enum 8 |
MAC адрес | Сетевые настройки | 61712 | 0xF110 | 9 | 3 | - | String 144 |
IP адрес | Сетевые настройки | 20 | 0x0014 | 2 | 3 | 16 | Unsigned 32 |
Маска подсети | Сетевые настройки | 22 | 0x0016 | 2 | 3 | 16 | Unsigned 32 |
IP адрес шлюза | Сетевые настройки | 24 | 0x0018 | 2 | 3 | 16 | Unsigned 32 |
DNS сервер 1 | Сетевые настройки | 12 | 0x000C | 2 | 3 | 16 | Unsigned 32 |
DNS сервер 2 | Сетевые настройки | 14 | 0x000E | 2 | 3 | 16 | Unsigned 32 |
Режим DHCP | Сетевые настройки | 32 | 0x0020 | 1 | 3 | 16 | Enum 2 |
Применить сейчас | Сетевые настройки | 33 | 0x0021 | 1 | 3 | 16 | Enum 2 |
Статус подключения | Сетевые настройки | 34 | 0x0022 | 1 | 3 | - | Enum 4 |
Напряжение | Батарея | 801 | 0x0321 | 1 | 3 | - | Unsigned 16 |
Пороговое напряжение | Батарея | 800 | 0x0320 | 1 | 3 | - | Unsigned 16 |
Состояние | Батарея | 802 | 0x0322 | 1 | 3 | - | Enum 2 |
Период обновления информации | Статус прибора | 61624 | 0xF0B8 | 1 | 3 | 16 | Unsigned 8 |
Статус | Статус прибора | 61620 | 0xF0B4 | 2 | 3 | - | Unsigned 32 |
ПРМ Слот 1. Название модуля | Статус прибора | 6000 | 0x1770 | 8 | 3 | - | String 128 |
ПРМ Слот 1. Версия ПО модуля | Статус прибора | 6016 | 0x1780 | 4 | 3 | - | String 64 |
ПРМ Слот 2. Название модуля | Статус прибора | 6032 | 0x1790 | 8 | 3 | - | String 128 |
ПРМ Слот 2. Версия ПО модуля | Статус прибора | 6048 | 0x17A0 | 4 | 3 | - | String 64 |
Ошибки | Статус прибора | 61626 | 0xF0BA | 1 | 3 | - | Unsigned 16 |
Предупреждения | Статус прибора | 61627 | 0xF0BB | 1 | 3 | - | Unsigned 16 |
Период архивирования | Архив | 900 | 0x0384 | 1 | 3 | 16 | Unsigned 16 |
Количество архивов | Архив | 901 | 0x0385 | 1 | 3 | 16 | Unsigned 16 |
Размер архива | Архив | 902 | 0x0386 | 1 | 3 | 16 | Unsigned 16 |
Последний индекс архива | Архив | 903 | 0x0387 | 1 | 3 | - | Unsigned 16 |
Состояние | Дискретные входы | 51 | 0x0033 | 1 | 3 | - | Unsigned 16 |
Инверсия | Дискретные входы | 57 | 0x0039 | 1 | 3 | 16 | Unsigned 16 |
Состояние | Дискретно-аналоговые входы | 4000 | 0x0FA0 | 1 | 3 | - | Unsigned 8 |
Инверсия | Дискретно-аналоговые входы | 4357 | 0x1105 | 1 | 3 | 16 | Unsigned 8 |
Режим работы | Вход 1 | 4100 | 0x1004 | 1 | 3 | 16 | Enum 2 |
Фильтр антидребезга | Дискретный режим | 4108 | 0x100C | 1 | 3 | 16 | Unsigned 8 |
Уровень логического нуля | Дискретный режим | 4111 | 0x100F | 2 | 3 | 16 | Float 32 |
Уровень логической единицы | Дискретный режим | 4109 | 0x100D | 2 | 3 | 16 | Float 32 |
Тип датчика | Аналоговый режим | 4101 | 0x1005 | 1 | 3 | 16 | Enum 28 |
Постоянная времени фильтра | Аналоговый режим | 4106 | 0x100A | 2 | 3 | 16 | Float 32 |
Нижняя граница измерения | Аналоговый режим | 4104 | 0x1008 | 2 | 3 | 16 | Float 32 |
Верхняя граница измерения | Аналоговый режим | 4102 | 0x1006 | 2 | 3 | 16 | Float 32 |
Режим работы | Вход 2 | 4116 | 0x1014 | 1 | 3 | 16 | Enum 2 |
Фильтр антидребезга | Дискретный режим | 4124 | 0x101C | 1 | 3 | 16 | Unsigned 8 |
Уровень логического нуля | Дискретный режим | 4127 | 0x101F | 2 | 3 | 16 | Float 32 |
Уровень логической единицы | Дискретный режим | 4125 | 0x101D | 2 | 3 | 16 | Float 32 |
Тип датчика | Аналоговый режим | 4117 | 0x1015 | 1 | 3 | 16 | Enum 28 |
Постоянная времени фильтра | Аналоговый режим | 4122 | 0x101A | 2 | 3 | 16 | Float 32 |
Нижняя граница измерения | Аналоговый режим | 4120 | 0x1018 | 2 | 3 | 16 | Float 32 |
Верхняя граница измерения | Аналоговый режим | 4118 | 0x1016 | 2 | 3 | 16 | Float 32 |
Режим работы | Вход 3 | 4132 | 0x1024 | 1 | 3 | 16 | Enum 2 |
Фильтр антидребезга | Дискретный режим | 4140 | 0x102C | 1 | 3 | 16 | Unsigned 8 |
Уровень логического нуля | Дискретный режим | 4143 | 0x102F | 2 | 3 | 16 | Float 32 |
Уровень логической единицы | Дискретный режим | 4141 | 0x102D | 2 | 3 | 16 | Float 32 |
Тип датчика | Аналоговый режим | 4133 | 0x1025 | 1 | 3 | 16 | Enum 28 |
Постоянная времени фильтра | Аналоговый режим | 4138 | 0x102A | 2 | 3 | 16 | Float 32 |
Нижняя граница измерения | Аналоговый режим | 4136 | 0x1028 | 2 | 3 | 16 | Float 32 |
Верхняя граница измерения | Аналоговый режим | 4134 | 0x1026 | 2 | 3 | 16 | Float 32 |
Режим работы | Вход 4 | 4148 | 0x1034 | 1 | 3 | 16 | Enum 2 |
Фильтр антидребезга | Дискретный режим | 4156 | 0x103C | 1 | 3 | 16 | Unsigned 8 |
Уровень логического нуля | Дискретный режим | 4159 | 0x103F | 2 | 3 | 16 | Float 32 |
Уровень логической единицы | Дискретный режим | 4157 | 0x103D | 2 | 3 | 16 | Float 32 |
Тип датчика | Аналоговый режим | 4149 | 0x1035 | 1 | 3 | 16 | Enum 28 |
Постоянная времени фильтра | Аналоговый режим | 4154 | 0x103A | 2 | 3 | 16 | Float 32 |
Нижняя граница измерения | Аналоговый режим | 4152 | 0x1038 | 2 | 3 | 16 | Float 32 |
Верхняя граница измерения | Аналоговый режим | 4150 | 0x1036 | 2 | 3 | 16 | Float 32 |
Режим работы | Вход 5 | 4164 | 0x1044 | 1 | 3 | 16 | Enum 2 |
Фильтр антидребезга | Дискретный режим | 4172 | 0x104C | 1 | 3 | 16 | Unsigned 8 |
Уровень логического нуля | Дискретный режим | 4175 | 0x104F | 2 | 3 | 16 | Float 32 |
Уровень логической единицы | Дискретный режим | 4173 | 0x104D | 2 | 3 | 16 | Float 32 |
Тип датчика | Аналоговый режим | 4165 | 0x1045 | 1 | 3 | 16 | Enum 28 |
Постоянная времени фильтра | Аналоговый режим | 4170 | 0x104A | 2 | 3 | 16 | Float 32 |
Нижняя граница измерения | Аналоговый режим | 4168 | 0x1048 | 2 | 3 | 16 | Float 32 |
Верхняя граница измерения | Аналоговый режим | 4166 | 0x1046 | 2 | 3 | 16 | Float 32 |
Режим работы | Вход 6 | 4180 | 0x1054 | 1 | 3 | 16 | Enum 2 |
Фильтр антидребезга | Дискретный режим | 4188 | 0x105C | 1 | 3 | 16 | Unsigned 8 |
Уровень логического нуля | Дискретный режим | 4191 | 0x105F | 2 | 3 | 16 | Float 32 |
Уровень логической единицы | Дискретный режим | 4189 | 0x105D | 2 | 3 | 16 | Float 32 |
Тип датчика | Аналоговый режим | 4181 | 0x1055 | 1 | 3 | 16 | Enum 28 |
Постоянная времени фильтра | Аналоговый режим | 4186 | 0x105A | 2 | 3 | 16 | Float 32 |
Нижняя граница измерения | Аналоговый режим | 4184 | 0x1058 | 2 | 3 | 16 | Float 32 |
Верхняя граница измерения | Аналоговый режим | 4182 | 0x1056 | 2 | 3 | 16 | Float 32 |
Вход 1 | Измеренные значения | 4002 | 0x0FA2 | 2 | 3 | - | Float 32 |
Вход 2 | Измеренные значения | 4004 | 0x0FA4 | 2 | 3 | - | Float 32 |
Вход 3 | Измеренные значения | 4006 | 0x0FA6 | 2 | 3 | - | Float 32 |
Вход 4 | Измеренные значения | 4008 | 0x0FA8 | 2 | 3 | - | Float 32 |
Вход 5 | Измеренные значения | 4010 | 0x0FAA | 2 | 3 | - | Float 32 |
Вход 6 | Измеренные значения | 4012 | 0x0FAC | 2 | 3 | - | Float 32 |
Вход 1 | Состояния аналоговых входов | 4014 | 0x0FAE | 1 | 3 | - | Enum 11 |
Вход 2 | Состояния аналоговых входов | 4015 | 0x0FAF | 1 | 3 | - | Enum 11 |
Вход 3 | Состояния аналоговых входов | 4016 | 0x0FB0 | 1 | 3 | - | Enum 11 |
Вход 4 | Состояния аналоговых входов | 4017 | 0x0FB1 | 1 | 3 | - | Enum 11 |
Вход 5 | Состояния аналоговых входов | 4018 | 0x0FB2 | 1 | 3 | - | Enum 11 |
Вход 6 | Состояния аналоговых входов | 4019 | 0x0FB3 | 1 | 3 | - | Enum 11 |
Изменить состояние | Дискретные выходы | 470 | 0x01D6 | 1 | 3 | 16 | Unsigned 16 |
Состояние | Дискретные выходы | 468 | 0x01D4 | 1 | 3 | - | Unsigned 16 |
Безопасное состояние | Выход 1 | 474 | 0x01DA | 1 | 3 | 16 | Enum 3 |
Безопасное состояние | Выход 2 | 475 | 0x01DB | 1 | 3 | 16 | Enum 3 |
Безопасное состояние | Выход 3 | 476 | 0x01DC | 1 | 3 | 16 | Enum 3 |
Безопасное состояние | Выход 4 | 477 | 0x01DD | 1 | 3 | 16 | Enum 3 |
Безопасное состояние | Выход 5 | 478 | 0x01DE | 1 | 3 | 16 | Enum 3 |
Безопасное состояние | Выход 6 | 479 | 0x01DF | 1 | 3 | 16 | Enum 3 |
Безопасное состояние | Выход 7 | 480 | 0x01E0 | 1 | 3 | 16 | Enum 3 |
Безопасное состояние | Выход 8 | 481 | 0x01E1 | 1 | 3 | 16 | Enum 3 |
Безопасное состояние | Выход 9 | 482 | 0x01E2 | 1 | 3 | 16 | Enum 3 |
Безопасное состояние | Выход 10 | 483 | 0x01E3 | 1 | 3 | 16 | Enum 3 |
Безопасное состояние | Выход 11 | 484 | 0x01E4 | 1 | 3 | 16 | Enum 3 |
Безопасное состояние | Выход 12 | 485 | 0x01E5 | 1 | 3 | 16 | Enum 3 |
Вид сигнала | Выход 1 | 3160 | 0x0C58 | 1 | 3 | 16 | Enum 3 |
Состояние | Выход 1 | 3128 | 0x0C38 | 1 | 3 | - | Enum 7 |
Безопасное состояние | Выход 1 | 3032 | 0x0BD8 | 2 | 3 | 16 | Float 32 |
Вид сигнала | Выход 2 | 3161 | 0x0C59 | 1 | 3 | 16 | Enum 3 |
Состояние | Выход 2 | 3129 | 0x0C39 | 1 | 3 | - | Enum 7 |
Безопасное состояние | Выход 2 | 3034 | 0x0BDA | 2 | 3 | 16 | Float 32 |
Вид сигнала | Выход 3 | 3162 | 0x0C5A | 1 | 3 | 16 | Enum 3 |
Состояние | Выход 3 | 3130 | 0x0C3A | 1 | 3 | - | Enum 7 |
Безопасное состояние | Выход 3 | 3036 | 0x0BDC | 2 | 3 | 16 | Float 32 |
Вид сигнала | Выход 4 | 3163 | 0x0C5B | 1 | 3 | 16 | Enum 3 |
Состояние | Выход 4 | 3131 | 0x0C3B | 1 | 3 | - | Enum 7 |
Безопасное состояние | Выход 4 | 3038 | 0x0BDE | 2 | 3 | 16 | Float 32 |
Выход 1 | Значения сигнала | 3000 | 0x0BB8 | 2 | 3 | 16 | Float 32 |
Выход 2 | Значения сигнала | 3002 | 0x0BBA | 2 | 3 | 16 | Float 32 |
Выход 3 | Значения сигнала | 3004 | 0x0BBC | 2 | 3 | 16 | Float 32 |
Выход 4 | Значения сигнала | 3006 | 0x0BBE | 2 | 3 | 16 | Float 32 |
Состояние | Пользовательские светодиоды (Fn) | 601 | 0x0259 | 1 | 3 | - | Unsigned 8 |
Изменить состояние | Пользовательские светодиоды (Fn) | 600 | 0x0258 | 1 | 3 | 16 | Unsigned 8 |
Таймаут перехода в безопасное состояние | Modbus Slave | 700 | 0x02BC | 1 | 3 | 16 | Unsigned 8 |
Подключение к OwenCloud | OwenCloud | 35 | 0x0023 | 1 | 3 | 16 | Enum 2 |
Статус подключения к OwenCloud | OwenCloud | 36 | 0x0024 | 1 | 3 | - | Enum 5 |
Разрешение конфигурирования | Права удалённого доступа из OwenCloud | 701 | 0x02BD | 1 | 3 | 16 | Enum 2 |
Управление и запись значений | Права удалённого доступа из OwenCloud | 702 | 0x02BE | 1 | 3 | 16 | Enum 2 |
Доступ к регистрам Modbus | Права удалённого доступа из OwenCloud | 703 | 0x02BF | 1 | 3 | 16 | Enum 4 |
Наличие обмена | Обмен с устройствами | 2008 | 0x07D8 | 2 | 3 | - | Unsigned 32 |
Включить обмен | Обмен с устройствами | 2010 | 0x07DA | 2 | 3 | 16 | Unsigned 32 |
Время цикла | Логика | 61680 | 0xF0F0 | 2 | 3 | - | Unsigned 32 |
Состояние логики | Логика | 61682 | 0xF0F2 | 1 | 3 | - | Enum 2 |
Подсветка экрана | Настройки прибора | 768 | 0x0300 | 1 | 3 | 16 | Enum 5 |
Яркость | Настройки прибора | 769 | 0x0301 | 1 | 3 | 16 | Unsigned 8 |
Карта регистров Modbus ПР205-230.1816.02.2.0
Карта регистров Modbus ПР205-230.1816.02.2.0
Параметр | Группа | Адрес | Адрес (hex) | Количество регистров | Функция чтения | Функция записи | Тип данных |
|---|---|---|---|---|---|---|---|
Время в миллисек | Часы реального времени | 61563 | 0xF07B | 2 | 3 | - | Unsigned 32 |
Время и дата (UTC) | Часы реального времени | 61553 | 0xF071 | 2 | 3 | 16 | Date time 32 |
Часовой пояс | Часы реального времени | 61555 | 0xF073 | 1 | 3 | 16 | Enum 38 |
Секунды | Переменные даты и времени | 61557 | 0xF075 | 1 | 3 | - | Unsigned 8 |
Минуты | Переменные даты и времени | 61558 | 0xF076 | 1 | 3 | - | Unsigned 8 |
Часы | Переменные даты и времени | 61559 | 0xF077 | 1 | 3 | - | Unsigned 8 |
Дни | Переменные даты и времени | 61560 | 0xF078 | 1 | 3 | - | Unsigned 8 |
Месяцы | Переменные даты и времени | 61561 | 0xF079 | 1 | 3 | - | Unsigned 8 |
Годы | Переменные даты и времени | 61562 | 0xF07A | 1 | 3 | - | Unsigned 16 |
День недели | Переменные даты и времени | 61556 | 0xF074 | 1 | 3 | - | Enum 8 |
MAC адрес | Сетевые настройки | 61712 | 0xF110 | 9 | 3 | - | String 144 |
IP адрес | Сетевые настройки | 20 | 0x0014 | 2 | 3 | 16 | Unsigned 32 |
Маска подсети | Сетевые настройки | 22 | 0x0016 | 2 | 3 | 16 | Unsigned 32 |
IP адрес шлюза | Сетевые настройки | 24 | 0x0018 | 2 | 3 | 16 | Unsigned 32 |
DNS сервер 1 | Сетевые настройки | 12 | 0x000C | 2 | 3 | 16 | Unsigned 32 |
DNS сервер 2 | Сетевые настройки | 14 | 0x000E | 2 | 3 | 16 | Unsigned 32 |
Режим DHCP | Сетевые настройки | 32 | 0x0020 | 1 | 3 | 16 | Enum 2 |
Применить сейчас | Сетевые настройки | 33 | 0x0021 | 1 | 3 | 16 | Enum 2 |
Статус подключения | Сетевые настройки | 34 | 0x0022 | 1 | 3 | - | Enum 4 |
Напряжение | Батарея | 801 | 0x0321 | 1 | 3 | - | Unsigned 16 |
Пороговое напряжение | Батарея | 800 | 0x0320 | 1 | 3 | - | Unsigned 16 |
Состояние | Батарея | 802 | 0x0322 | 1 | 3 | - | Enum 2 |
Период обновления информации | Статус прибора | 61624 | 0xF0B8 | 1 | 3 | 16 | Unsigned 8 |
Статус | Статус прибора | 61620 | 0xF0B4 | 2 | 3 | - | Unsigned 32 |
ПРМ Слот 1. Название модуля | Статус прибора | 6000 | 0x1770 | 8 | 3 | - | String 128 |
ПРМ Слот 1. Версия ПО модуля | Статус прибора | 6016 | 0x1780 | 4 | 3 | - | String 64 |
ПРМ Слот 2. Название модуля | Статус прибора | 6032 | 0x1790 | 8 | 3 | - | String 128 |
ПРМ Слот 2. Версия ПО модуля | Статус прибора | 6048 | 0x17A0 | 4 | 3 | - | String 64 |
Ошибки | Статус прибора | 61626 | 0xF0BA | 1 | 3 | - | Unsigned 16 |
Предупреждения | Статус прибора | 61627 | 0xF0BB | 1 | 3 | - | Unsigned 16 |
Период архивирования | Архив | 900 | 0x0384 | 1 | 3 | 16 | Unsigned 16 |
Количество архивов | Архив | 901 | 0x0385 | 1 | 3 | 16 | Unsigned 16 |
Размер архива | Архив | 902 | 0x0386 | 1 | 3 | 16 | Unsigned 16 |
Последний индекс архива | Архив | 903 | 0x0387 | 1 | 3 | - | Unsigned 16 |
Состояние | Дискретные входы | 51 | 0x0033 | 1 | 3 | - | Unsigned 16 |
Инверсия | Дискретные входы | 57 | 0x0039 | 1 | 3 | 16 | Unsigned 16 |
Состояние | Дискретно-аналоговые входы | 4000 | 0x0FA0 | 1 | 3 | - | Unsigned 8 |
Инверсия | Дискретно-аналоговые входы | 4357 | 0x1105 | 1 | 3 | 16 | Unsigned 8 |
Режим работы | Вход 1 | 4100 | 0x1004 | 1 | 3 | 16 | Enum 2 |
Фильтр антидребезга | Дискретный режим | 4108 | 0x100C | 1 | 3 | 16 | Unsigned 8 |
Уровень логического нуля | Дискретный режим | 4111 | 0x100F | 2 | 3 | 16 | Float 32 |
Уровень логической единицы | Дискретный режим | 4109 | 0x100D | 2 | 3 | 16 | Float 32 |
Тип датчика | Аналоговый режим | 4101 | 0x1005 | 1 | 3 | 16 | Enum 28 |
Постоянная времени фильтра | Аналоговый режим | 4106 | 0x100A | 2 | 3 | 16 | Float 32 |
Нижняя граница измерения | Аналоговый режим | 4104 | 0x1008 | 2 | 3 | 16 | Float 32 |
Верхняя граница измерения | Аналоговый режим | 4102 | 0x1006 | 2 | 3 | 16 | Float 32 |
Режим работы | Вход 2 | 4116 | 0x1014 | 1 | 3 | 16 | Enum 2 |
Фильтр антидребезга | Дискретный режим | 4124 | 0x101C | 1 | 3 | 16 | Unsigned 8 |
Уровень логического нуля | Дискретный режим | 4127 | 0x101F | 2 | 3 | 16 | Float 32 |
Уровень логической единицы | Дискретный режим | 4125 | 0x101D | 2 | 3 | 16 | Float 32 |
Тип датчика | Аналоговый режим | 4117 | 0x1015 | 1 | 3 | 16 | Enum 28 |
Постоянная времени фильтра | Аналоговый режим | 4122 | 0x101A | 2 | 3 | 16 | Float 32 |
Нижняя граница измерения | Аналоговый режим | 4120 | 0x1018 | 2 | 3 | 16 | Float 32 |
Верхняя граница измерения | Аналоговый режим | 4118 | 0x1016 | 2 | 3 | 16 | Float 32 |
Режим работы | Вход 3 | 4132 | 0x1024 | 1 | 3 | 16 | Enum 2 |
Фильтр антидребезга | Дискретный режим | 4140 | 0x102C | 1 | 3 | 16 | Unsigned 8 |
Уровень логического нуля | Дискретный режим | 4143 | 0x102F | 2 | 3 | 16 | Float 32 |
Уровень логической единицы | Дискретный режим | 4141 | 0x102D | 2 | 3 | 16 | Float 32 |
Тип датчика | Аналоговый режим | 4133 | 0x1025 | 1 | 3 | 16 | Enum 28 |
Постоянная времени фильтра | Аналоговый режим | 4138 | 0x102A | 2 | 3 | 16 | Float 32 |
Нижняя граница измерения | Аналоговый режим | 4136 | 0x1028 | 2 | 3 | 16 | Float 32 |
Верхняя граница измерения | Аналоговый режим | 4134 | 0x1026 | 2 | 3 | 16 | Float 32 |
Режим работы | Вход 4 | 4148 | 0x1034 | 1 | 3 | 16 | Enum 2 |
Фильтр антидребезга | Дискретный режим | 4156 | 0x103C | 1 | 3 | 16 | Unsigned 8 |
Уровень логического нуля | Дискретный режим | 4159 | 0x103F | 2 | 3 | 16 | Float 32 |
Уровень логической единицы | Дискретный режим | 4157 | 0x103D | 2 | 3 | 16 | Float 32 |
Тип датчика | Аналоговый режим | 4149 | 0x1035 | 1 | 3 | 16 | Enum 28 |
Постоянная времени фильтра | Аналоговый режим | 4154 | 0x103A | 2 | 3 | 16 | Float 32 |
Нижняя граница измерения | Аналоговый режим | 4152 | 0x1038 | 2 | 3 | 16 | Float 32 |
Верхняя граница измерения | Аналоговый режим | 4150 | 0x1036 | 2 | 3 | 16 | Float 32 |
Режим работы | Вход 5 | 4164 | 0x1044 | 1 | 3 | 16 | Enum 2 |
Фильтр антидребезга | Дискретный режим | 4172 | 0x104C | 1 | 3 | 16 | Unsigned 8 |
Уровень логического нуля | Дискретный режим | 4175 | 0x104F | 2 | 3 | 16 | Float 32 |
Уровень логической единицы | Дискретный режим | 4173 | 0x104D | 2 | 3 | 16 | Float 32 |
Тип датчика | Аналоговый режим | 4165 | 0x1045 | 1 | 3 | 16 | Enum 28 |
Постоянная времени фильтра | Аналоговый режим | 4170 | 0x104A | 2 | 3 | 16 | Float 32 |
Нижняя граница измерения | Аналоговый режим | 4168 | 0x1048 | 2 | 3 | 16 | Float 32 |
Верхняя граница измерения | Аналоговый режим | 4166 | 0x1046 | 2 | 3 | 16 | Float 32 |
Режим работы | Вход 6 | 4180 | 0x1054 | 1 | 3 | 16 | Enum 2 |
Фильтр антидребезга | Дискретный режим | 4188 | 0x105C | 1 | 3 | 16 | Unsigned 8 |
Уровень логического нуля | Дискретный режим | 4191 | 0x105F | 2 | 3 | 16 | Float 32 |
Уровень логической единицы | Дискретный режим | 4189 | 0x105D | 2 | 3 | 16 | Float 32 |
Тип датчика | Аналоговый режим | 4181 | 0x1055 | 1 | 3 | 16 | Enum 28 |
Постоянная времени фильтра | Аналоговый режим | 4186 | 0x105A | 2 | 3 | 16 | Float 32 |
Нижняя граница измерения | Аналоговый режим | 4184 | 0x1058 | 2 | 3 | 16 | Float 32 |
Верхняя граница измерения | Аналоговый режим | 4182 | 0x1056 | 2 | 3 | 16 | Float 32 |
Вход 1 | Измеренные значения | 4002 | 0x0FA2 | 2 | 3 | - | Float 32 |
Вход 2 | Измеренные значения | 4004 | 0x0FA4 | 2 | 3 | - | Float 32 |
Вход 3 | Измеренные значения | 4006 | 0x0FA6 | 2 | 3 | - | Float 32 |
Вход 4 | Измеренные значения | 4008 | 0x0FA8 | 2 | 3 | - | Float 32 |
Вход 5 | Измеренные значения | 4010 | 0x0FAA | 2 | 3 | - | Float 32 |
Вход 6 | Измеренные значения | 4012 | 0x0FAC | 2 | 3 | - | Float 32 |
Вход 1 | Состояния аналоговых входов | 4014 | 0x0FAE | 1 | 3 | - | Enum 11 |
Вход 2 | Состояния аналоговых входов | 4015 | 0x0FAF | 1 | 3 | - | Enum 11 |
Вход 3 | Состояния аналоговых входов | 4016 | 0x0FB0 | 1 | 3 | - | Enum 11 |
Вход 4 | Состояния аналоговых входов | 4017 | 0x0FB1 | 1 | 3 | - | Enum 11 |
Вход 5 | Состояния аналоговых входов | 4018 | 0x0FB2 | 1 | 3 | - | Enum 11 |
Вход 6 | Состояния аналоговых входов | 4019 | 0x0FB3 | 1 | 3 | - | Enum 11 |
Изменить состояние | Дискретные выходы | 470 | 0x01D6 | 1 | 3 | 16 | Unsigned 16 |
Состояние | Дискретные выходы | 468 | 0x01D4 | 1 | 3 | - | Unsigned 16 |
Безопасное состояние | Выход 1 | 474 | 0x01DA | 1 | 3 | 16 | Enum 3 |
Безопасное состояние | Выход 2 | 475 | 0x01DB | 1 | 3 | 16 | Enum 3 |
Безопасное состояние | Выход 3 | 476 | 0x01DC | 1 | 3 | 16 | Enum 3 |
Безопасное состояние | Выход 4 | 477 | 0x01DD | 1 | 3 | 16 | Enum 3 |
Безопасное состояние | Выход 5 | 478 | 0x01DE | 1 | 3 | 16 | Enum 3 |
Безопасное состояние | Выход 6 | 479 | 0x01DF | 1 | 3 | 16 | Enum 3 |
Безопасное состояние | Выход 7 | 480 | 0x01E0 | 1 | 3 | 16 | Enum 3 |
Безопасное состояние | Выход 8 | 481 | 0x01E1 | 1 | 3 | 16 | Enum 3 |
Безопасное состояние | Выход 9 | 482 | 0x01E2 | 1 | 3 | 16 | Enum 3 |
Безопасное состояние | Выход 10 | 483 | 0x01E3 | 1 | 3 | 16 | Enum 3 |
Безопасное состояние | Выход 11 | 484 | 0x01E4 | 1 | 3 | 16 | Enum 3 |
Безопасное состояние | Выход 12 | 485 | 0x01E5 | 1 | 3 | 16 | Enum 3 |
Вид сигнала | Выход 1 | 3160 | 0x0C58 | 1 | 3 | 16 | Enum 3 |
Состояние | Выход 1 | 3128 | 0x0C38 | 1 | 3 | - | Enum 7 |
Безопасное состояние | Выход 1 | 3032 | 0x0BD8 | 2 | 3 | 16 | Float 32 |
Вид сигнала | Выход 2 | 3161 | 0x0C59 | 1 | 3 | 16 | Enum 3 |
Состояние | Выход 2 | 3129 | 0x0C39 | 1 | 3 | - | Enum 7 |
Безопасное состояние | Выход 2 | 3034 | 0x0BDA | 2 | 3 | 16 | Float 32 |
Вид сигнала | Выход 3 | 3162 | 0x0C5A | 1 | 3 | 16 | Enum 3 |
Состояние | Выход 3 | 3130 | 0x0C3A | 1 | 3 | - | Enum 7 |
Безопасное состояние | Выход 3 | 3036 | 0x0BDC | 2 | 3 | 16 | Float 32 |
Вид сигнала | Выход 4 | 3163 | 0x0C5B | 1 | 3 | 16 | Enum 3 |
Состояние | Выход 4 | 3131 | 0x0C3B | 1 | 3 | - | Enum 7 |
Безопасное состояние | Выход 4 | 3038 | 0x0BDE | 2 | 3 | 16 | Float 32 |
Выход 1 | Значения сигнала | 3000 | 0x0BB8 | 2 | 3 | 16 | Float 32 |
Выход 2 | Значения сигнала | 3002 | 0x0BBA | 2 | 3 | 16 | Float 32 |
Выход 3 | Значения сигнала | 3004 | 0x0BBC | 2 | 3 | 16 | Float 32 |
Выход 4 | Значения сигнала | 3006 | 0x0BBE | 2 | 3 | 16 | Float 32 |
Состояние | Пользовательские светодиоды (Fn) | 601 | 0x0259 | 1 | 3 | - | Unsigned 8 |
Изменить состояние | Пользовательские светодиоды (Fn) | 600 | 0x0258 | 1 | 3 | 16 | Unsigned 8 |
Таймаут перехода в безопасное состояние | Modbus Slave | 700 | 0x02BC | 1 | 3 | 16 | Unsigned 8 |
Скорость | Настройки порта RS-485 1 | 750 | 0x02EE | 1 | 3 | 16 | Enum 6 |
Размер данных | Настройки порта RS-485 1 | 751 | 0x02EF | 1 | 3 | 16 | Enum 2 |
Контроль чётности | Настройки порта RS-485 1 | 752 | 0x02F0 | 1 | 3 | 16 | Enum 3 |
Кол. стоп-битов | Настройки порта RS-485 1 | 753 | 0x02F1 | 1 | 3 | 16 | Enum 2 |
Slave ID | Настройки порта RS-485 1 | 754 | 0x02F2 | 1 | 3 | 16 | Unsigned 8 |
Скорость | Настройки порта RS-485 2 | 760 | 0x02F8 | 1 | 3 | 16 | Enum 6 |
Размер данных | Настройки порта RS-485 2 | 761 | 0x02F9 | 1 | 3 | 16 | Enum 2 |
Контроль чётности | Настройки порта RS-485 2 | 762 | 0x02FA | 1 | 3 | 16 | Enum 3 |
Кол. стоп-битов | Настройки порта RS-485 2 | 763 | 0x02FB | 1 | 3 | 16 | Enum 2 |
Slave ID | Настройки порта RS-485 2 | 764 | 0x02FC | 1 | 3 | 16 | Unsigned 8 |
Подключение к OwenCloud | OwenCloud | 35 | 0x0023 | 1 | 3 | 16 | Enum 2 |
Статус подключения к OwenCloud | OwenCloud | 36 | 0x0024 | 1 | 3 | - | Enum 5 |
Разрешение конфигурирования | Права удалённого доступа из OwenCloud | 701 | 0x02BD | 1 | 3 | 16 | Enum 2 |
Управление и запись значений | Права удалённого доступа из OwenCloud | 702 | 0x02BE | 1 | 3 | 16 | Enum 2 |
Доступ к регистрам Modbus | Права удалённого доступа из OwenCloud | 703 | 0x02BF | 1 | 3 | 16 | Enum 4 |
Наличие обмена | Обмен с устройствами | 2008 | 0x07D8 | 2 | 3 | - | Unsigned 32 |
Включить обмен | Обмен с устройствами | 2010 | 0x07DA | 2 | 3 | 16 | Unsigned 32 |
Время цикла | Логика | 61680 | 0xF0F0 | 2 | 3 | - | Unsigned 32 |
Состояние логики | Логика | 61682 | 0xF0F2 | 1 | 3 | - | Enum 2 |
Подсветка экрана | Настройки прибора | 768 | 0x0300 | 1 | 3 | 16 | Enum 5 |
Яркость | Настройки прибора | 769 | 0x0301 | 1 | 3 | 16 | Unsigned 8 |
Карта регистров Modbus ПР205-230.1816.06.0.0
Карта регистров Modbus ПР205-230.1816.06.0.0
Параметр | Группа | Адрес | Адрес (hex) | Количество регистров | Функция чтения | Функция записи | Тип данных |
|---|---|---|---|---|---|---|---|
Время в миллисек | Часы реального времени | 61563 | 0xF07B | 2 | 3 | - | Unsigned 32 |
Время и дата (UTC) | Часы реального времени | 61553 | 0xF071 | 2 | 3 | 16 | Date time 32 |
Часовой пояс | Часы реального времени | 61555 | 0xF073 | 1 | 3 | 16 | Enum 38 |
Секунды | Переменные даты и времени | 61557 | 0xF075 | 1 | 3 | - | Unsigned 8 |
Минуты | Переменные даты и времени | 61558 | 0xF076 | 1 | 3 | - | Unsigned 8 |
Часы | Переменные даты и времени | 61559 | 0xF077 | 1 | 3 | - | Unsigned 8 |
Дни | Переменные даты и времени | 61560 | 0xF078 | 1 | 3 | - | Unsigned 8 |
Месяцы | Переменные даты и времени | 61561 | 0xF079 | 1 | 3 | - | Unsigned 8 |
Годы | Переменные даты и времени | 61562 | 0xF07A | 1 | 3 | - | Unsigned 16 |
День недели | Переменные даты и времени | 61556 | 0xF074 | 1 | 3 | - | Enum 8 |
MAC адрес | Сетевые настройки | 61712 | 0xF110 | 9 | 3 | - | String 144 |
IP адрес | Сетевые настройки | 20 | 0x0014 | 2 | 3 | 16 | Unsigned 32 |
Маска подсети | Сетевые настройки | 22 | 0x0016 | 2 | 3 | 16 | Unsigned 32 |
IP адрес шлюза | Сетевые настройки | 24 | 0x0018 | 2 | 3 | 16 | Unsigned 32 |
DNS сервер 1 | Сетевые настройки | 12 | 0x000C | 2 | 3 | 16 | Unsigned 32 |
DNS сервер 2 | Сетевые настройки | 14 | 0x000E | 2 | 3 | 16 | Unsigned 32 |
Режим DHCP | Сетевые настройки | 32 | 0x0020 | 1 | 3 | 16 | Enum 2 |
Применить сейчас | Сетевые настройки | 33 | 0x0021 | 1 | 3 | 16 | Enum 2 |
Статус подключения | Сетевые настройки | 34 | 0x0022 | 1 | 3 | - | Enum 4 |
Напряжение | Батарея | 801 | 0x0321 | 1 | 3 | - | Unsigned 16 |
Пороговое напряжение | Батарея | 800 | 0x0320 | 1 | 3 | - | Unsigned 16 |
Состояние | Батарея | 802 | 0x0322 | 1 | 3 | - | Enum 2 |
Период обновления информации | Статус прибора | 61624 | 0xF0B8 | 1 | 3 | 16 | Unsigned 8 |
Статус | Статус прибора | 61620 | 0xF0B4 | 2 | 3 | - | Unsigned 32 |
ПРМ Слот 1. Название модуля | Статус прибора | 6000 | 0x1770 | 8 | 3 | - | String 128 |
ПРМ Слот 1. Версия ПО модуля | Статус прибора | 6016 | 0x1780 | 4 | 3 | - | String 64 |
ПРМ Слот 2. Название модуля | Статус прибора | 6032 | 0x1790 | 8 | 3 | - | String 128 |
ПРМ Слот 2. Версия ПО модуля | Статус прибора | 6048 | 0x17A0 | 4 | 3 | - | String 64 |
Ошибки | Статус прибора | 61626 | 0xF0BA | 1 | 3 | - | Unsigned 16 |
Предупреждения | Статус прибора | 61627 | 0xF0BB | 1 | 3 | - | Unsigned 16 |
Период архивирования | Архив | 900 | 0x0384 | 1 | 3 | 16 | Unsigned 16 |
Количество архивов | Архив | 901 | 0x0385 | 1 | 3 | 16 | Unsigned 16 |
Размер архива | Архив | 902 | 0x0386 | 1 | 3 | 16 | Unsigned 16 |
Последний индекс архива | Архив | 903 | 0x0387 | 1 | 3 | - | Unsigned 16 |
Состояние | Дискретные входы | 51 | 0x0033 | 1 | 3 | - | Unsigned 16 |
Инверсия | Дискретные входы | 57 | 0x0039 | 1 | 3 | 16 | Unsigned 16 |
Состояние | Дискретно-аналоговые входы | 4000 | 0x0FA0 | 1 | 3 | - | Unsigned 8 |
Инверсия | Дискретно-аналоговые входы | 4357 | 0x1105 | 1 | 3 | 16 | Unsigned 8 |
Режим работы | Вход 1 | 4100 | 0x1004 | 1 | 3 | 16 | Enum 2 |
Фильтр антидребезга | Дискретный режим | 4108 | 0x100C | 1 | 3 | 16 | Unsigned 8 |
Уровень логического нуля | Дискретный режим | 4111 | 0x100F | 2 | 3 | 16 | Float 32 |
Уровень логической единицы | Дискретный режим | 4109 | 0x100D | 2 | 3 | 16 | Float 32 |
Тип датчика | Аналоговый режим | 4101 | 0x1005 | 1 | 3 | 16 | Enum 28 |
Постоянная времени фильтра | Аналоговый режим | 4106 | 0x100A | 2 | 3 | 16 | Float 32 |
Нижняя граница измерения | Аналоговый режим | 4104 | 0x1008 | 2 | 3 | 16 | Float 32 |
Верхняя граница измерения | Аналоговый режим | 4102 | 0x1006 | 2 | 3 | 16 | Float 32 |
Режим работы | Вход 2 | 4116 | 0x1014 | 1 | 3 | 16 | Enum 2 |
Фильтр антидребезга | Дискретный режим | 4124 | 0x101C | 1 | 3 | 16 | Unsigned 8 |
Уровень логического нуля | Дискретный режим | 4127 | 0x101F | 2 | 3 | 16 | Float 32 |
Уровень логической единицы | Дискретный режим | 4125 | 0x101D | 2 | 3 | 16 | Float 32 |
Тип датчика | Аналоговый режим | 4117 | 0x1015 | 1 | 3 | 16 | Enum 28 |
Постоянная времени фильтра | Аналоговый режим | 4122 | 0x101A | 2 | 3 | 16 | Float 32 |
Нижняя граница измерения | Аналоговый режим | 4120 | 0x1018 | 2 | 3 | 16 | Float 32 |
Верхняя граница измерения | Аналоговый режим | 4118 | 0x1016 | 2 | 3 | 16 | Float 32 |
Режим работы | Вход 3 | 4132 | 0x1024 | 1 | 3 | 16 | Enum 2 |
Фильтр антидребезга | Дискретный режим | 4140 | 0x102C | 1 | 3 | 16 | Unsigned 8 |
Уровень логического нуля | Дискретный режим | 4143 | 0x102F | 2 | 3 | 16 | Float 32 |
Уровень логической единицы | Дискретный режим | 4141 | 0x102D | 2 | 3 | 16 | Float 32 |
Тип датчика | Аналоговый режим | 4133 | 0x1025 | 1 | 3 | 16 | Enum 28 |
Постоянная времени фильтра | Аналоговый режим | 4138 | 0x102A | 2 | 3 | 16 | Float 32 |
Нижняя граница измерения | Аналоговый режим | 4136 | 0x1028 | 2 | 3 | 16 | Float 32 |
Верхняя граница измерения | Аналоговый режим | 4134 | 0x1026 | 2 | 3 | 16 | Float 32 |
Режим работы | Вход 4 | 4148 | 0x1034 | 1 | 3 | 16 | Enum 2 |
Фильтр антидребезга | Дискретный режим | 4156 | 0x103C | 1 | 3 | 16 | Unsigned 8 |
Уровень логического нуля | Дискретный режим | 4159 | 0x103F | 2 | 3 | 16 | Float 32 |
Уровень логической единицы | Дискретный режим | 4157 | 0x103D | 2 | 3 | 16 | Float 32 |
Тип датчика | Аналоговый режим | 4149 | 0x1035 | 1 | 3 | 16 | Enum 28 |
Постоянная времени фильтра | Аналоговый режим | 4154 | 0x103A | 2 | 3 | 16 | Float 32 |
Нижняя граница измерения | Аналоговый режим | 4152 | 0x1038 | 2 | 3 | 16 | Float 32 |
Верхняя граница измерения | Аналоговый режим | 4150 | 0x1036 | 2 | 3 | 16 | Float 32 |
Режим работы | Вход 5 | 4164 | 0x1044 | 1 | 3 | 16 | Enum 2 |
Фильтр антидребезга | Дискретный режим | 4172 | 0x104C | 1 | 3 | 16 | Unsigned 8 |
Уровень логического нуля | Дискретный режим | 4175 | 0x104F | 2 | 3 | 16 | Float 32 |
Уровень логической единицы | Дискретный режим | 4173 | 0x104D | 2 | 3 | 16 | Float 32 |
Тип датчика | Аналоговый режим | 4165 | 0x1045 | 1 | 3 | 16 | Enum 28 |
Постоянная времени фильтра | Аналоговый режим | 4170 | 0x104A | 2 | 3 | 16 | Float 32 |
Нижняя граница измерения | Аналоговый режим | 4168 | 0x1048 | 2 | 3 | 16 | Float 32 |
Верхняя граница измерения | Аналоговый режим | 4166 | 0x1046 | 2 | 3 | 16 | Float 32 |
Режим работы | Вход 6 | 4180 | 0x1054 | 1 | 3 | 16 | Enum 2 |
Фильтр антидребезга | Дискретный режим | 4188 | 0x105C | 1 | 3 | 16 | Unsigned 8 |
Уровень логического нуля | Дискретный режим | 4191 | 0x105F | 2 | 3 | 16 | Float 32 |
Уровень логической единицы | Дискретный режим | 4189 | 0x105D | 2 | 3 | 16 | Float 32 |
Тип датчика | Аналоговый режим | 4181 | 0x1055 | 1 | 3 | 16 | Enum 28 |
Постоянная времени фильтра | Аналоговый режим | 4186 | 0x105A | 2 | 3 | 16 | Float 32 |
Нижняя граница измерения | Аналоговый режим | 4184 | 0x1058 | 2 | 3 | 16 | Float 32 |
Верхняя граница измерения | Аналоговый режим | 4182 | 0x1056 | 2 | 3 | 16 | Float 32 |
Вход 1 | Измеренные значения | 4002 | 0x0FA2 | 2 | 3 | - | Float 32 |
Вход 2 | Измеренные значения | 4004 | 0x0FA4 | 2 | 3 | - | Float 32 |
Вход 3 | Измеренные значения | 4006 | 0x0FA6 | 2 | 3 | - | Float 32 |
Вход 4 | Измеренные значения | 4008 | 0x0FA8 | 2 | 3 | - | Float 32 |
Вход 5 | Измеренные значения | 4010 | 0x0FAA | 2 | 3 | - | Float 32 |
Вход 6 | Измеренные значения | 4012 | 0x0FAC | 2 | 3 | - | Float 32 |
Вход 1 | Состояния аналоговых входов | 4014 | 0x0FAE | 1 | 3 | - | Enum 11 |
Вход 2 | Состояния аналоговых входов | 4015 | 0x0FAF | 1 | 3 | - | Enum 11 |
Вход 3 | Состояния аналоговых входов | 4016 | 0x0FB0 | 1 | 3 | - | Enum 11 |
Вход 4 | Состояния аналоговых входов | 4017 | 0x0FB1 | 1 | 3 | - | Enum 11 |
Вход 5 | Состояния аналоговых входов | 4018 | 0x0FB2 | 1 | 3 | - | Enum 11 |
Вход 6 | Состояния аналоговых входов | 4019 | 0x0FB3 | 1 | 3 | - | Enum 11 |
Изменить состояние | Дискретные выходы | 470 | 0x01D6 | 1 | 3 | 16 | Unsigned 8 |
Состояние | Дискретные выходы | 468 | 0x01D4 | 1 | 3 | - | Unsigned 8 |
Безопасное состояние | Выход 1 | 474 | 0x01DA | 1 | 3 | 16 | Enum 3 |
Безопасное состояние | Выход 2 | 475 | 0x01DB | 1 | 3 | 16 | Enum 3 |
Безопасное состояние | Выход 3 | 476 | 0x01DC | 1 | 3 | 16 | Enum 3 |
Безопасное состояние | Выход 4 | 477 | 0x01DD | 1 | 3 | 16 | Enum 3 |
Безопасное состояние | Выход 5 | 478 | 0x01DE | 1 | 3 | 16 | Enum 3 |
Безопасное состояние | Выход 6 | 479 | 0x01DF | 1 | 3 | 16 | Enum 3 |
Безопасное состояние | Выход 7 | 480 | 0x01E0 | 1 | 3 | 16 | Enum 3 |
Безопасное состояние | Выход 8 | 481 | 0x01E1 | 1 | 3 | 16 | Enum 3 |
Состояние | Дискретные ШИМ-выходы | 306 | 0x0132 | 1 | 3 | - | Unsigned 8 |
Режим работы | Выход 9 | 272 | 0x0110 | 1 | 3 | 16 | Enum 2 |
Период ШИМ | Выход 9 | 308 | 0x0134 | 1 | 3 | 16 | Unsigned 16 |
Минимальный импульс ШИМ | Выход 9 | 404 | 0x0194 | 1 | 3 | 16 | Unsigned 16 |
Безопасное состояние | Выход 9 | 538 | 0x021A | 2 | 3 | 16 | Float 32 |
Режим работы | Выход 10 | 273 | 0x0111 | 1 | 3 | 16 | Enum 2 |
Период ШИМ | Выход 10 | 309 | 0x0135 | 1 | 3 | 16 | Unsigned 16 |
Минимальный импульс ШИМ | Выход 10 | 405 | 0x0195 | 1 | 3 | 16 | Unsigned 16 |
Безопасное состояние | Выход 10 | 540 | 0x021C | 2 | 3 | 16 | Float 32 |
Режим работы | Выход 11 | 274 | 0x0112 | 1 | 3 | 16 | Enum 2 |
Период ШИМ | Выход 11 | 310 | 0x0136 | 1 | 3 | 16 | Unsigned 16 |
Минимальный импульс ШИМ | Выход 11 | 406 | 0x0196 | 1 | 3 | 16 | Unsigned 16 |
Безопасное состояние | Выход 11 | 542 | 0x021E | 2 | 3 | 16 | Float 32 |
Режим работы | Выход 12 | 275 | 0x0113 | 1 | 3 | 16 | Enum 2 |
Период ШИМ | Выход 12 | 311 | 0x0137 | 1 | 3 | 16 | Unsigned 16 |
Минимальный импульс ШИМ | Выход 12 | 407 | 0x0197 | 1 | 3 | 16 | Unsigned 16 |
Безопасное состояние | Выход 12 | 544 | 0x0220 | 2 | 3 | 16 | Float 32 |
Выход 9 | Коэффициент заполнения | 340 | 0x0154 | 2 | 3 | 16 | Float 32 |
Выход 10 | Коэффициент заполнения | 342 | 0x0156 | 2 | 3 | 16 | Float 32 |
Выход 11 | Коэффициент заполнения | 344 | 0x0158 | 2 | 3 | 16 | Float 32 |
Выход 12 | Коэффициент заполнения | 346 | 0x015A | 2 | 3 | 16 | Float 32 |
Вид сигнала | Выход 1 | 3160 | 0x0C58 | 1 | 3 | 16 | Enum 3 |
Состояние | Выход 1 | 3128 | 0x0C38 | 1 | 3 | - | Enum 7 |
Безопасное состояние | Выход 1 | 3032 | 0x0BD8 | 2 | 3 | 16 | Float 32 |
Вид сигнала | Выход 2 | 3161 | 0x0C59 | 1 | 3 | 16 | Enum 3 |
Состояние | Выход 2 | 3129 | 0x0C39 | 1 | 3 | - | Enum 7 |
Безопасное состояние | Выход 2 | 3034 | 0x0BDA | 2 | 3 | 16 | Float 32 |
Вид сигнала | Выход 3 | 3162 | 0x0C5A | 1 | 3 | 16 | Enum 3 |
Состояние | Выход 3 | 3130 | 0x0C3A | 1 | 3 | - | Enum 7 |
Безопасное состояние | Выход 3 | 3036 | 0x0BDC | 2 | 3 | 16 | Float 32 |
Вид сигнала | Выход 4 | 3163 | 0x0C5B | 1 | 3 | 16 | Enum 3 |
Состояние | Выход 4 | 3131 | 0x0C3B | 1 | 3 | - | Enum 7 |
Безопасное состояние | Выход 4 | 3038 | 0x0BDE | 2 | 3 | 16 | Float 32 |
Выход 1 | Значения сигнала | 3000 | 0x0BB8 | 2 | 3 | 16 | Float 32 |
Выход 2 | Значения сигнала | 3002 | 0x0BBA | 2 | 3 | 16 | Float 32 |
Выход 3 | Значения сигнала | 3004 | 0x0BBC | 2 | 3 | 16 | Float 32 |
Выход 4 | Значения сигнала | 3006 | 0x0BBE | 2 | 3 | 16 | Float 32 |
Состояние | Пользовательские светодиоды (Fn) | 601 | 0x0259 | 1 | 3 | - | Unsigned 8 |
Изменить состояние | Пользовательские светодиоды (Fn) | 600 | 0x0258 | 1 | 3 | 16 | Unsigned 8 |
Таймаут перехода в безопасное состояние | Modbus Slave | 700 | 0x02BC | 1 | 3 | 16 | Unsigned 8 |
Подключение к OwenCloud | OwenCloud | 35 | 0x0023 | 1 | 3 | 16 | Enum 2 |
Статус подключения к OwenCloud | OwenCloud | 36 | 0x0024 | 1 | 3 | - | Enum 5 |
Разрешение конфигурирования | Права удалённого доступа из OwenCloud | 701 | 0x02BD | 1 | 3 | 16 | Enum 2 |
Управление и запись значений | Права удалённого доступа из OwenCloud | 702 | 0x02BE | 1 | 3 | 16 | Enum 2 |
Доступ к регистрам Modbus | Права удалённого доступа из OwenCloud | 703 | 0x02BF | 1 | 3 | 16 | Enum 4 |
Наличие обмена | Обмен с устройствами | 2008 | 0x07D8 | 2 | 3 | - | Unsigned 32 |
Включить обмен | Обмен с устройствами | 2010 | 0x07DA | 2 | 3 | 16 | Unsigned 32 |
Время цикла | Логика | 61680 | 0xF0F0 | 2 | 3 | - | Unsigned 32 |
Состояние логики | Логика | 61682 | 0xF0F2 | 1 | 3 | - | Enum 2 |
Подсветка экрана | Настройки прибора | 768 | 0x0300 | 1 | 3 | 16 | Enum 5 |
Яркость | Настройки прибора | 769 | 0x0301 | 1 | 3 | 16 | Unsigned 8 |
Карта регистров Modbus ПР205-230.1816.06.2.0
Карта регистров Modbus ПР205-230.1816.06.2.0
Параметр | Группа | Адрес | Адрес (hex) | Количество регистров | Функция чтения | Функция записи | Тип данных |
|---|---|---|---|---|---|---|---|
Время в миллисек | Часы реального времени | 61563 | 0xF07B | 2 | 3 | - | Unsigned 32 |
Время и дата (UTC) | Часы реального времени | 61553 | 0xF071 | 2 | 3 | 16 | Date time 32 |
Часовой пояс | Часы реального времени | 61555 | 0xF073 | 1 | 3 | 16 | Enum 38 |
Секунды | Переменные даты и времени | 61557 | 0xF075 | 1 | 3 | - | Unsigned 8 |
Минуты | Переменные даты и времени | 61558 | 0xF076 | 1 | 3 | - | Unsigned 8 |
Часы | Переменные даты и времени | 61559 | 0xF077 | 1 | 3 | - | Unsigned 8 |
Дни | Переменные даты и времени | 61560 | 0xF078 | 1 | 3 | - | Unsigned 8 |
Месяцы | Переменные даты и времени | 61561 | 0xF079 | 1 | 3 | - | Unsigned 8 |
Годы | Переменные даты и времени | 61562 | 0xF07A | 1 | 3 | - | Unsigned 16 |
День недели | Переменные даты и времени | 61556 | 0xF074 | 1 | 3 | - | Enum 8 |
MAC адрес | Сетевые настройки | 61712 | 0xF110 | 9 | 3 | - | String 144 |
IP адрес | Сетевые настройки | 20 | 0x0014 | 2 | 3 | 16 | Unsigned 32 |
Маска подсети | Сетевые настройки | 22 | 0x0016 | 2 | 3 | 16 | Unsigned 32 |
IP адрес шлюза | Сетевые настройки | 24 | 0x0018 | 2 | 3 | 16 | Unsigned 32 |
DNS сервер 1 | Сетевые настройки | 12 | 0x000C | 2 | 3 | 16 | Unsigned 32 |
DNS сервер 2 | Сетевые настройки | 14 | 0x000E | 2 | 3 | 16 | Unsigned 32 |
Режим DHCP | Сетевые настройки | 32 | 0x0020 | 1 | 3 | 16 | Enum 2 |
Применить сейчас | Сетевые настройки | 33 | 0x0021 | 1 | 3 | 16 | Enum 2 |
Статус подключения | Сетевые настройки | 34 | 0x0022 | 1 | 3 | - | Enum 4 |
Напряжение | Батарея | 801 | 0x0321 | 1 | 3 | - | Unsigned 16 |
Пороговое напряжение | Батарея | 800 | 0x0320 | 1 | 3 | - | Unsigned 16 |
Состояние | Батарея | 802 | 0x0322 | 1 | 3 | - | Enum 2 |
Период обновления информации | Статус прибора | 61624 | 0xF0B8 | 1 | 3 | 16 | Unsigned 8 |
Статус | Статус прибора | 61620 | 0xF0B4 | 2 | 3 | - | Unsigned 32 |
ПРМ Слот 1. Название модуля | Статус прибора | 6000 | 0x1770 | 8 | 3 | - | String 128 |
ПРМ Слот 1. Версия ПО модуля | Статус прибора | 6016 | 0x1780 | 4 | 3 | - | String 64 |
ПРМ Слот 2. Название модуля | Статус прибора | 6032 | 0x1790 | 8 | 3 | - | String 128 |
ПРМ Слот 2. Версия ПО модуля | Статус прибора | 6048 | 0x17A0 | 4 | 3 | - | String 64 |
Ошибки | Статус прибора | 61626 | 0xF0BA | 1 | 3 | - | Unsigned 16 |
Предупреждения | Статус прибора | 61627 | 0xF0BB | 1 | 3 | - | Unsigned 16 |
Период архивирования | Архив | 900 | 0x0384 | 1 | 3 | 16 | Unsigned 16 |
Количество архивов | Архив | 901 | 0x0385 | 1 | 3 | 16 | Unsigned 16 |
Размер архива | Архив | 902 | 0x0386 | 1 | 3 | 16 | Unsigned 16 |
Последний индекс архива | Архив | 903 | 0x0387 | 1 | 3 | - | Unsigned 16 |
Состояние | Дискретные входы | 51 | 0x0033 | 1 | 3 | - | Unsigned 16 |
Инверсия | Дискретные входы | 57 | 0x0039 | 1 | 3 | 16 | Unsigned 16 |
Состояние | Дискретно-аналоговые входы | 4000 | 0x0FA0 | 1 | 3 | - | Unsigned 8 |
Инверсия | Дискретно-аналоговые входы | 4357 | 0x1105 | 1 | 3 | 16 | Unsigned 8 |
Режим работы | Вход 1 | 4100 | 0x1004 | 1 | 3 | 16 | Enum 2 |
Фильтр антидребезга | Дискретный режим | 4108 | 0x100C | 1 | 3 | 16 | Unsigned 8 |
Уровень логического нуля | Дискретный режим | 4111 | 0x100F | 2 | 3 | 16 | Float 32 |
Уровень логической единицы | Дискретный режим | 4109 | 0x100D | 2 | 3 | 16 | Float 32 |
Тип датчика | Аналоговый режим | 4101 | 0x1005 | 1 | 3 | 16 | Enum 28 |
Постоянная времени фильтра | Аналоговый режим | 4106 | 0x100A | 2 | 3 | 16 | Float 32 |
Нижняя граница измерения | Аналоговый режим | 4104 | 0x1008 | 2 | 3 | 16 | Float 32 |
Верхняя граница измерения | Аналоговый режим | 4102 | 0x1006 | 2 | 3 | 16 | Float 32 |
Режим работы | Вход 2 | 4116 | 0x1014 | 1 | 3 | 16 | Enum 2 |
Фильтр антидребезга | Дискретный режим | 4124 | 0x101C | 1 | 3 | 16 | Unsigned 8 |
Уровень логического нуля | Дискретный режим | 4127 | 0x101F | 2 | 3 | 16 | Float 32 |
Уровень логической единицы | Дискретный режим | 4125 | 0x101D | 2 | 3 | 16 | Float 32 |
Тип датчика | Аналоговый режим | 4117 | 0x1015 | 1 | 3 | 16 | Enum 28 |
Постоянная времени фильтра | Аналоговый режим | 4122 | 0x101A | 2 | 3 | 16 | Float 32 |
Нижняя граница измерения | Аналоговый режим | 4120 | 0x1018 | 2 | 3 | 16 | Float 32 |
Верхняя граница измерения | Аналоговый режим | 4118 | 0x1016 | 2 | 3 | 16 | Float 32 |
Режим работы | Вход 3 | 4132 | 0x1024 | 1 | 3 | 16 | Enum 2 |
Фильтр антидребезга | Дискретный режим | 4140 | 0x102C | 1 | 3 | 16 | Unsigned 8 |
Уровень логического нуля | Дискретный режим | 4143 | 0x102F | 2 | 3 | 16 | Float 32 |
Уровень логической единицы | Дискретный режим | 4141 | 0x102D | 2 | 3 | 16 | Float 32 |
Тип датчика | Аналоговый режим | 4133 | 0x1025 | 1 | 3 | 16 | Enum 28 |
Постоянная времени фильтра | Аналоговый режим | 4138 | 0x102A | 2 | 3 | 16 | Float 32 |
Нижняя граница измерения | Аналоговый режим | 4136 | 0x1028 | 2 | 3 | 16 | Float 32 |
Верхняя граница измерения | Аналоговый режим | 4134 | 0x1026 | 2 | 3 | 16 | Float 32 |
Режим работы | Вход 4 | 4148 | 0x1034 | 1 | 3 | 16 | Enum 2 |
Фильтр антидребезга | Дискретный режим | 4156 | 0x103C | 1 | 3 | 16 | Unsigned 8 |
Уровень логического нуля | Дискретный режим | 4159 | 0x103F | 2 | 3 | 16 | Float 32 |
Уровень логической единицы | Дискретный режим | 4157 | 0x103D | 2 | 3 | 16 | Float 32 |
Тип датчика | Аналоговый режим | 4149 | 0x1035 | 1 | 3 | 16 | Enum 28 |
Постоянная времени фильтра | Аналоговый режим | 4154 | 0x103A | 2 | 3 | 16 | Float 32 |
Нижняя граница измерения | Аналоговый режим | 4152 | 0x1038 | 2 | 3 | 16 | Float 32 |
Верхняя граница измерения | Аналоговый режим | 4150 | 0x1036 | 2 | 3 | 16 | Float 32 |
Режим работы | Вход 5 | 4164 | 0x1044 | 1 | 3 | 16 | Enum 2 |
Фильтр антидребезга | Дискретный режим | 4172 | 0x104C | 1 | 3 | 16 | Unsigned 8 |
Уровень логического нуля | Дискретный режим | 4175 | 0x104F | 2 | 3 | 16 | Float 32 |
Уровень логической единицы | Дискретный режим | 4173 | 0x104D | 2 | 3 | 16 | Float 32 |
Тип датчика | Аналоговый режим | 4165 | 0x1045 | 1 | 3 | 16 | Enum 28 |
Постоянная времени фильтра | Аналоговый режим | 4170 | 0x104A | 2 | 3 | 16 | Float 32 |
Нижняя граница измерения | Аналоговый режим | 4168 | 0x1048 | 2 | 3 | 16 | Float 32 |
Верхняя граница измерения | Аналоговый режим | 4166 | 0x1046 | 2 | 3 | 16 | Float 32 |
Режим работы | Вход 6 | 4180 | 0x1054 | 1 | 3 | 16 | Enum 2 |
Фильтр антидребезга | Дискретный режим | 4188 | 0x105C | 1 | 3 | 16 | Unsigned 8 |
Уровень логического нуля | Дискретный режим | 4191 | 0x105F | 2 | 3 | 16 | Float 32 |
Уровень логической единицы | Дискретный режим | 4189 | 0x105D | 2 | 3 | 16 | Float 32 |
Тип датчика | Аналоговый режим | 4181 | 0x1055 | 1 | 3 | 16 | Enum 28 |
Постоянная времени фильтра | Аналоговый режим | 4186 | 0x105A | 2 | 3 | 16 | Float 32 |
Нижняя граница измерения | Аналоговый режим | 4184 | 0x1058 | 2 | 3 | 16 | Float 32 |
Верхняя граница измерения | Аналоговый режим | 4182 | 0x1056 | 2 | 3 | 16 | Float 32 |
Вход 1 | Измеренные значения | 4002 | 0x0FA2 | 2 | 3 | - | Float 32 |
Вход 2 | Измеренные значения | 4004 | 0x0FA4 | 2 | 3 | - | Float 32 |
Вход 3 | Измеренные значения | 4006 | 0x0FA6 | 2 | 3 | - | Float 32 |
Вход 4 | Измеренные значения | 4008 | 0x0FA8 | 2 | 3 | - | Float 32 |
Вход 5 | Измеренные значения | 4010 | 0x0FAA | 2 | 3 | - | Float 32 |
Вход 6 | Измеренные значения | 4012 | 0x0FAC | 2 | 3 | - | Float 32 |
Вход 1 | Состояния аналоговых входов | 4014 | 0x0FAE | 1 | 3 | - | Enum 11 |
Вход 2 | Состояния аналоговых входов | 4015 | 0x0FAF | 1 | 3 | - | Enum 11 |
Вход 3 | Состояния аналоговых входов | 4016 | 0x0FB0 | 1 | 3 | - | Enum 11 |
Вход 4 | Состояния аналоговых входов | 4017 | 0x0FB1 | 1 | 3 | - | Enum 11 |
Вход 5 | Состояния аналоговых входов | 4018 | 0x0FB2 | 1 | 3 | - | Enum 11 |
Вход 6 | Состояния аналоговых входов | 4019 | 0x0FB3 | 1 | 3 | - | Enum 11 |
Изменить состояние | Дискретные выходы | 470 | 0x01D6 | 1 | 3 | 16 | Unsigned 8 |
Состояние | Дискретные выходы | 468 | 0x01D4 | 1 | 3 | - | Unsigned 8 |
Безопасное состояние | Выход 1 | 474 | 0x01DA | 1 | 3 | 16 | Enum 3 |
Безопасное состояние | Выход 2 | 475 | 0x01DB | 1 | 3 | 16 | Enum 3 |
Безопасное состояние | Выход 3 | 476 | 0x01DC | 1 | 3 | 16 | Enum 3 |
Безопасное состояние | Выход 4 | 477 | 0x01DD | 1 | 3 | 16 | Enum 3 |
Безопасное состояние | Выход 5 | 478 | 0x01DE | 1 | 3 | 16 | Enum 3 |
Безопасное состояние | Выход 6 | 479 | 0x01DF | 1 | 3 | 16 | Enum 3 |
Безопасное состояние | Выход 7 | 480 | 0x01E0 | 1 | 3 | 16 | Enum 3 |
Безопасное состояние | Выход 8 | 481 | 0x01E1 | 1 | 3 | 16 | Enum 3 |
Состояние | Дискретные ШИМ-выходы | 306 | 0x0132 | 1 | 3 | - | Unsigned 8 |
Режим работы | Выход 9 | 272 | 0x0110 | 1 | 3 | 16 | Enum 2 |
Период ШИМ | Выход 9 | 308 | 0x0134 | 1 | 3 | 16 | Unsigned 16 |
Минимальный импульс ШИМ | Выход 9 | 404 | 0x0194 | 1 | 3 | 16 | Unsigned 16 |
Безопасное состояние | Выход 9 | 538 | 0x021A | 2 | 3 | 16 | Float 32 |
Режим работы | Выход 10 | 273 | 0x0111 | 1 | 3 | 16 | Enum 2 |
Период ШИМ | Выход 10 | 309 | 0x0135 | 1 | 3 | 16 | Unsigned 16 |
Минимальный импульс ШИМ | Выход 10 | 405 | 0x0195 | 1 | 3 | 16 | Unsigned 16 |
Безопасное состояние | Выход 10 | 540 | 0x021C | 2 | 3 | 16 | Float 32 |
Режим работы | Выход 11 | 274 | 0x0112 | 1 | 3 | 16 | Enum 2 |
Период ШИМ | Выход 11 | 310 | 0x0136 | 1 | 3 | 16 | Unsigned 16 |
Минимальный импульс ШИМ | Выход 11 | 406 | 0x0196 | 1 | 3 | 16 | Unsigned 16 |
Безопасное состояние | Выход 11 | 542 | 0x021E | 2 | 3 | 16 | Float 32 |
Режим работы | Выход 12 | 275 | 0x0113 | 1 | 3 | 16 | Enum 2 |
Период ШИМ | Выход 12 | 311 | 0x0137 | 1 | 3 | 16 | Unsigned 16 |
Минимальный импульс ШИМ | Выход 12 | 407 | 0x0197 | 1 | 3 | 16 | Unsigned 16 |
Безопасное состояние | Выход 12 | 544 | 0x0220 | 2 | 3 | 16 | Float 32 |
Выход 9 | Коэффициент заполнения | 340 | 0x0154 | 2 | 3 | 16 | Float 32 |
Выход 10 | Коэффициент заполнения | 342 | 0x0156 | 2 | 3 | 16 | Float 32 |
Выход 11 | Коэффициент заполнения | 344 | 0x0158 | 2 | 3 | 16 | Float 32 |
Выход 12 | Коэффициент заполнения | 346 | 0x015A | 2 | 3 | 16 | Float 32 |
Вид сигнала | Выход 1 | 3160 | 0x0C58 | 1 | 3 | 16 | Enum 3 |
Состояние | Выход 1 | 3128 | 0x0C38 | 1 | 3 | - | Enum 7 |
Безопасное состояние | Выход 1 | 3032 | 0x0BD8 | 2 | 3 | 16 | Float 32 |
Вид сигнала | Выход 2 | 3161 | 0x0C59 | 1 | 3 | 16 | Enum 3 |
Состояние | Выход 2 | 3129 | 0x0C39 | 1 | 3 | - | Enum 7 |
Безопасное состояние | Выход 2 | 3034 | 0x0BDA | 2 | 3 | 16 | Float 32 |
Вид сигнала | Выход 3 | 3162 | 0x0C5A | 1 | 3 | 16 | Enum 3 |
Состояние | Выход 3 | 3130 | 0x0C3A | 1 | 3 | - | Enum 7 |
Безопасное состояние | Выход 3 | 3036 | 0x0BDC | 2 | 3 | 16 | Float 32 |
Вид сигнала | Выход 4 | 3163 | 0x0C5B | 1 | 3 | 16 | Enum 3 |
Состояние | Выход 4 | 3131 | 0x0C3B | 1 | 3 | - | Enum 7 |
Безопасное состояние | Выход 4 | 3038 | 0x0BDE | 2 | 3 | 16 | Float 32 |
Выход 1 | Значения сигнала | 3000 | 0x0BB8 | 2 | 3 | 16 | Float 32 |
Выход 2 | Значения сигнала | 3002 | 0x0BBA | 2 | 3 | 16 | Float 32 |
Выход 3 | Значения сигнала | 3004 | 0x0BBC | 2 | 3 | 16 | Float 32 |
Выход 4 | Значения сигнала | 3006 | 0x0BBE | 2 | 3 | 16 | Float 32 |
Состояние | Пользовательские светодиоды (Fn) | 601 | 0x0259 | 1 | 3 | - | Unsigned 8 |
Изменить состояние | Пользовательские светодиоды (Fn) | 600 | 0x0258 | 1 | 3 | 16 | Unsigned 8 |
Таймаут перехода в безопасное состояние | Modbus Slave | 700 | 0x02BC | 1 | 3 | 16 | Unsigned 8 |
Скорость | Настройки порта RS-485 1 | 750 | 0x02EE | 1 | 3 | 16 | Enum 6 |
Размер данных | Настройки порта RS-485 1 | 751 | 0x02EF | 1 | 3 | 16 | Enum 2 |
Контроль чётности | Настройки порта RS-485 1 | 752 | 0x02F0 | 1 | 3 | 16 | Enum 3 |
Кол. стоп-битов | Настройки порта RS-485 1 | 753 | 0x02F1 | 1 | 3 | 16 | Enum 2 |
Slave ID | Настройки порта RS-485 1 | 754 | 0x02F2 | 1 | 3 | 16 | Unsigned 8 |
Скорость | Настройки порта RS-485 2 | 760 | 0x02F8 | 1 | 3 | 16 | Enum 6 |
Размер данных | Настройки порта RS-485 2 | 761 | 0x02F9 | 1 | 3 | 16 | Enum 2 |
Контроль чётности | Настройки порта RS-485 2 | 762 | 0x02FA | 1 | 3 | 16 | Enum 3 |
Кол. стоп-битов | Настройки порта RS-485 2 | 763 | 0x02FB | 1 | 3 | 16 | Enum 2 |
Slave ID | Настройки порта RS-485 2 | 764 | 0x02FC | 1 | 3 | 16 | Unsigned 8 |
Подключение к OwenCloud | OwenCloud | 35 | 0x0023 | 1 | 3 | 16 | Enum 2 |
Статус подключения к OwenCloud | OwenCloud | 36 | 0x0024 | 1 | 3 | - | Enum 5 |
Разрешение конфигурирования | Права удалённого доступа из OwenCloud | 701 | 0x02BD | 1 | 3 | 16 | Enum 2 |
Управление и запись значений | Права удалённого доступа из OwenCloud | 702 | 0x02BE | 1 | 3 | 16 | Enum 2 |
Доступ к регистрам Modbus | Права удалённого доступа из OwenCloud | 703 | 0x02BF | 1 | 3 | 16 | Enum 4 |
Наличие обмена | Обмен с устройствами | 2008 | 0x07D8 | 2 | 3 | - | Unsigned 32 |
Включить обмен | Обмен с устройствами | 2010 | 0x07DA | 2 | 3 | 16 | Unsigned 32 |
Время цикла | Логика | 61680 | 0xF0F0 | 2 | 3 | - | Unsigned 32 |
Состояние логики | Логика | 61682 | 0xF0F2 | 1 | 3 | - | Enum 2 |
Подсветка экрана | Настройки прибора | 768 | 0x0300 | 1 | 3 | 16 | Enum 5 |
Яркость | Настройки прибора | 769 | 0x0301 | 1 | 3 | 16 | Unsigned 8 |
Карта регистров Modbus ПР205-24.1211.02.0.0
Карта регистров Modbus ПР205-24.1211.02.0.0
Параметр | Группа | Адрес | Адрес (hex) | Количество регистров | Функция чтения | Функция записи | Тип данных |
|---|---|---|---|---|---|---|---|
Время в миллисек | Часы реального времени | 61563 | 0xF07B | 2 | 3 | - | Unsigned 32 |
Время и дата (UTC) | Часы реального времени | 61553 | 0xF071 | 2 | 3 | 16 | Date time 32 |
Часовой пояс | Часы реального времени | 61555 | 0xF073 | 1 | 3 | 16 | Enum 38 |
Секунды | Переменные даты и времени | 61557 | 0xF075 | 1 | 3 | - | Unsigned 8 |
Минуты | Переменные даты и времени | 61558 | 0xF076 | 1 | 3 | - | Unsigned 8 |
Часы | Переменные даты и времени | 61559 | 0xF077 | 1 | 3 | - | Unsigned 8 |
Дни | Переменные даты и времени | 61560 | 0xF078 | 1 | 3 | - | Unsigned 8 |
Месяцы | Переменные даты и времени | 61561 | 0xF079 | 1 | 3 | - | Unsigned 8 |
Годы | Переменные даты и времени | 61562 | 0xF07A | 1 | 3 | - | Unsigned 16 |
День недели | Переменные даты и времени | 61556 | 0xF074 | 1 | 3 | - | Enum 8 |
MAC адрес | Сетевые настройки | 61712 | 0xF110 | 9 | 3 | - | String 144 |
IP адрес | Сетевые настройки | 20 | 0x0014 | 2 | 3 | 16 | Unsigned 32 |
Маска подсети | Сетевые настройки | 22 | 0x0016 | 2 | 3 | 16 | Unsigned 32 |
IP адрес шлюза | Сетевые настройки | 24 | 0x0018 | 2 | 3 | 16 | Unsigned 32 |
DNS сервер 1 | Сетевые настройки | 12 | 0x000C | 2 | 3 | 16 | Unsigned 32 |
DNS сервер 2 | Сетевые настройки | 14 | 0x000E | 2 | 3 | 16 | Unsigned 32 |
Режим DHCP | Сетевые настройки | 32 | 0x0020 | 1 | 3 | 16 | Enum 2 |
Применить сейчас | Сетевые настройки | 33 | 0x0021 | 1 | 3 | 16 | Enum 2 |
Статус подключения | Сетевые настройки | 34 | 0x0022 | 1 | 3 | - | Enum 4 |
Напряжение | Батарея | 801 | 0x0321 | 1 | 3 | - | Unsigned 16 |
Пороговое напряжение | Батарея | 800 | 0x0320 | 1 | 3 | - | Unsigned 16 |
Состояние | Батарея | 802 | 0x0322 | 1 | 3 | - | Enum 2 |
Период обновления информации | Статус прибора | 61624 | 0xF0B8 | 1 | 3 | 16 | Unsigned 8 |
Статус | Статус прибора | 61620 | 0xF0B4 | 2 | 3 | - | Unsigned 32 |
ПРМ Слот 1. Название модуля | Статус прибора | 6000 | 0x1770 | 8 | 3 | - | String 128 |
ПРМ Слот 1. Версия ПО модуля | Статус прибора | 6016 | 0x1780 | 4 | 3 | - | String 64 |
ПРМ Слот 2. Название модуля | Статус прибора | 6032 | 0x1790 | 8 | 3 | - | String 128 |
ПРМ Слот 2. Версия ПО модуля | Статус прибора | 6048 | 0x17A0 | 4 | 3 | - | String 64 |
Ошибки | Статус прибора | 61626 | 0xF0BA | 1 | 3 | - | Unsigned 16 |
Предупреждения | Статус прибора | 61627 | 0xF0BB | 1 | 3 | - | Unsigned 16 |
Период архивирования | Архив | 900 | 0x0384 | 1 | 3 | 16 | Unsigned 16 |
Количество архивов | Архив | 901 | 0x0385 | 1 | 3 | 16 | Unsigned 16 |
Размер архива | Архив | 902 | 0x0386 | 1 | 3 | 16 | Unsigned 16 |
Последний индекс архива | Архив | 903 | 0x0387 | 1 | 3 | - | Unsigned 16 |
Состояние | Дискретные входы | 51 | 0x0033 | 1 | 3 | - | Unsigned 8 |
Инверсия | Дискретные входы | 57 | 0x0039 | 1 | 3 | 16 | Unsigned 8 |
Фильтр антидребезга | Вход 1 | 96 | 0x0060 | 1 | 3 | 16 | Unsigned 8 |
Фильтр антидребезга | Вход 2 | 97 | 0x0061 | 1 | 3 | 16 | Unsigned 8 |
Фильтр антидребезга | Вход 3 | 98 | 0x0062 | 1 | 3 | 16 | Unsigned 8 |
Фильтр антидребезга | Вход 4 | 99 | 0x0063 | 1 | 3 | 16 | Unsigned 8 |
Фильтр антидребезга | Вход 5 | 100 | 0x0064 | 1 | 3 | 16 | Unsigned 8 |
Фильтр антидребезга | Вход 6 | 101 | 0x0065 | 1 | 3 | 16 | Unsigned 8 |
Состояние | Быстрые дискретные входы | 52 | 0x0034 | 1 | 3 | - | Unsigned 8 |
Инверсия | Быстрые дискретные входы | 58 | 0x003A | 1 | 3 | 16 | Unsigned 8 |
Режим работы | Вход 1 | 64 | 0x0040 | 1 | 3 | 16 | Enum 3 |
Фильтр антидребезга | Вход 1 | 104 | 0x0068 | 1 | 3 | 16 | Unsigned 8 |
Фронт захвата импульса | Вход 1 | 80 | 0x0050 | 1 | 3 | 16 | Enum 2 |
Сброс счётчика импульсов | Вход 1 | 224 | 0x00E0 | 1 | 3 | 16 | Enum 2 |
Диагностика | Вход 1 | 256 | 0x0100 | 1 | 3 | - | Enum 2 |
Режим работы | Вход 2 | 65 | 0x0041 | 1 | 3 | 16 | Enum 2 |
Фильтр антидребезга | Вход 2 | 105 | 0x0069 | 1 | 3 | 16 | Unsigned 8 |
Фронт захвата импульса | Вход 2 | 81 | 0x0051 | 1 | 3 | 16 | Enum 2 |
Сброс счётчика импульсов | Вход 2 | 225 | 0x00E1 | 1 | 3 | 16 | Enum 2 |
Диагностика | Вход 2 | 257 | 0x0101 | 1 | 3 | - | Enum 2 |
Вход 1 | Измеренные значения | 160 | 0x00A0 | 2 | 3 | - | Unsigned 32 |
Вход 2 | Измеренные значения | 162 | 0x00A2 | 2 | 3 | - | Unsigned 32 |
Состояние | Дискретно-аналоговые входы | 4000 | 0x0FA0 | 1 | 3 | - | Unsigned 8 |
Инверсия | Дискретно-аналоговые входы | 4357 | 0x1105 | 1 | 3 | 16 | Unsigned 8 |
Режим работы | Вход 1 | 4100 | 0x1004 | 1 | 3 | 16 | Enum 2 |
Фильтр антидребезга | Дискретный режим | 4108 | 0x100C | 1 | 3 | 16 | Unsigned 8 |
Уровень логического нуля | Дискретный режим | 4111 | 0x100F | 2 | 3 | 16 | Float 32 |
Уровень логической единицы | Дискретный режим | 4109 | 0x100D | 2 | 3 | 16 | Float 32 |
Тип датчика | Аналоговый режим | 4101 | 0x1005 | 1 | 3 | 16 | Enum 28 |
Постоянная времени фильтра | Аналоговый режим | 4106 | 0x100A | 2 | 3 | 16 | Float 32 |
Нижняя граница измерения | Аналоговый режим | 4104 | 0x1008 | 2 | 3 | 16 | Float 32 |
Верхняя граница измерения | Аналоговый режим | 4102 | 0x1006 | 2 | 3 | 16 | Float 32 |
Режим работы | Вход 2 | 4116 | 0x1014 | 1 | 3 | 16 | Enum 2 |
Фильтр антидребезга | Дискретный режим | 4124 | 0x101C | 1 | 3 | 16 | Unsigned 8 |
Уровень логического нуля | Дискретный режим | 4127 | 0x101F | 2 | 3 | 16 | Float 32 |
Уровень логической единицы | Дискретный режим | 4125 | 0x101D | 2 | 3 | 16 | Float 32 |
Тип датчика | Аналоговый режим | 4117 | 0x1015 | 1 | 3 | 16 | Enum 28 |
Постоянная времени фильтра | Аналоговый режим | 4122 | 0x101A | 2 | 3 | 16 | Float 32 |
Нижняя граница измерения | Аналоговый режим | 4120 | 0x1018 | 2 | 3 | 16 | Float 32 |
Верхняя граница измерения | Аналоговый режим | 4118 | 0x1016 | 2 | 3 | 16 | Float 32 |
Режим работы | Вход 3 | 4132 | 0x1024 | 1 | 3 | 16 | Enum 2 |
Фильтр антидребезга | Дискретный режим | 4140 | 0x102C | 1 | 3 | 16 | Unsigned 8 |
Уровень логического нуля | Дискретный режим | 4143 | 0x102F | 2 | 3 | 16 | Float 32 |
Уровень логической единицы | Дискретный режим | 4141 | 0x102D | 2 | 3 | 16 | Float 32 |
Тип датчика | Аналоговый режим | 4133 | 0x1025 | 1 | 3 | 16 | Enum 28 |
Постоянная времени фильтра | Аналоговый режим | 4138 | 0x102A | 2 | 3 | 16 | Float 32 |
Нижняя граница измерения | Аналоговый режим | 4136 | 0x1028 | 2 | 3 | 16 | Float 32 |
Верхняя граница измерения | Аналоговый режим | 4134 | 0x1026 | 2 | 3 | 16 | Float 32 |
Режим работы | Вход 4 | 4148 | 0x1034 | 1 | 3 | 16 | Enum 2 |
Фильтр антидребезга | Дискретный режим | 4156 | 0x103C | 1 | 3 | 16 | Unsigned 8 |
Уровень логического нуля | Дискретный режим | 4159 | 0x103F | 2 | 3 | 16 | Float 32 |
Уровень логической единицы | Дискретный режим | 4157 | 0x103D | 2 | 3 | 16 | Float 32 |
Тип датчика | Аналоговый режим | 4149 | 0x1035 | 1 | 3 | 16 | Enum 28 |
Постоянная времени фильтра | Аналоговый режим | 4154 | 0x103A | 2 | 3 | 16 | Float 32 |
Нижняя граница измерения | Аналоговый режим | 4152 | 0x1038 | 2 | 3 | 16 | Float 32 |
Верхняя граница измерения | Аналоговый режим | 4150 | 0x1036 | 2 | 3 | 16 | Float 32 |
Вход 1 | Измеренные значения | 4002 | 0x0FA2 | 2 | 3 | - | Float 32 |
Вход 2 | Измеренные значения | 4004 | 0x0FA4 | 2 | 3 | - | Float 32 |
Вход 3 | Измеренные значения | 4006 | 0x0FA6 | 2 | 3 | - | Float 32 |
Вход 4 | Измеренные значения | 4008 | 0x0FA8 | 2 | 3 | - | Float 32 |
Вход 1 | Состояния аналоговых входов | 4014 | 0x0FAE | 1 | 3 | - | Enum 11 |
Вход 2 | Состояния аналоговых входов | 4015 | 0x0FAF | 1 | 3 | - | Enum 11 |
Вход 3 | Состояния аналоговых входов | 4016 | 0x0FB0 | 1 | 3 | - | Enum 11 |
Вход 4 | Состояния аналоговых входов | 4017 | 0x0FB1 | 1 | 3 | - | Enum 11 |
Изменить состояние | Дискретные выходы | 470 | 0x01D6 | 1 | 3 | 16 | Unsigned 8 |
Состояние | Дискретные выходы | 468 | 0x01D4 | 1 | 3 | - | Unsigned 8 |
Безопасное состояние | Выход 1 | 474 | 0x01DA | 1 | 3 | 16 | Enum 3 |
Безопасное состояние | Выход 2 | 475 | 0x01DB | 1 | 3 | 16 | Enum 3 |
Безопасное состояние | Выход 3 | 476 | 0x01DC | 1 | 3 | 16 | Enum 3 |
Безопасное состояние | Выход 4 | 477 | 0x01DD | 1 | 3 | 16 | Enum 3 |
Безопасное состояние | Выход 5 | 478 | 0x01DE | 1 | 3 | 16 | Enum 3 |
Безопасное состояние | Выход 6 | 479 | 0x01DF | 1 | 3 | 16 | Enum 3 |
Безопасное состояние | Выход 7 | 480 | 0x01E0 | 1 | 3 | 16 | Enum 3 |
Безопасное состояние | Выход 8 | 481 | 0x01E1 | 1 | 3 | 16 | Enum 3 |
Вид сигнала | Выход 1 | 3160 | 0x0C58 | 1 | 3 | 16 | Enum 3 |
Состояние | Выход 1 | 3128 | 0x0C38 | 1 | 3 | - | Enum 6 |
Безопасное состояние | Выход 1 | 3032 | 0x0BD8 | 2 | 3 | 16 | Float 32 |
Вид сигнала | Выход 2 | 3161 | 0x0C59 | 1 | 3 | 16 | Enum 3 |
Состояние | Выход 2 | 3129 | 0x0C39 | 1 | 3 | - | Enum 6 |
Безопасное состояние | Выход 2 | 3034 | 0x0BDA | 2 | 3 | 16 | Float 32 |
Вид сигнала | Выход 3 | 3162 | 0x0C5A | 1 | 3 | 16 | Enum 3 |
Состояние | Выход 3 | 3130 | 0x0C3A | 1 | 3 | - | Enum 6 |
Безопасное состояние | Выход 3 | 3036 | 0x0BDC | 2 | 3 | 16 | Float 32 |
Выход 1 | Значения сигнала | 3000 | 0x0BB8 | 2 | 3 | 16 | Float 32 |
Выход 2 | Значения сигнала | 3002 | 0x0BBA | 2 | 3 | 16 | Float 32 |
Выход 3 | Значения сигнала | 3004 | 0x0BBC | 2 | 3 | 16 | Float 32 |
Состояние | Пользовательские светодиоды (Fn) | 601 | 0x0259 | 1 | 3 | - | Unsigned 8 |
Изменить состояние | Пользовательские светодиоды (Fn) | 600 | 0x0258 | 1 | 3 | 16 | Unsigned 8 |
Таймаут перехода в безопасное состояние | Modbus Slave | 700 | 0x02BC | 1 | 3 | 16 | Unsigned 8 |
Подключение к OwenCloud | OwenCloud | 35 | 0x0023 | 1 | 3 | 16 | Enum 2 |
Статус подключения к OwenCloud | OwenCloud | 36 | 0x0024 | 1 | 3 | - | Enum 5 |
Разрешение конфигурирования | Права удалённого доступа из OwenCloud | 701 | 0x02BD | 1 | 3 | 16 | Enum 2 |
Управление и запись значений | Права удалённого доступа из OwenCloud | 702 | 0x02BE | 1 | 3 | 16 | Enum 2 |
Доступ к регистрам Modbus | Права удалённого доступа из OwenCloud | 703 | 0x02BF | 1 | 3 | 16 | Enum 4 |
Наличие обмена | Обмен с устройствами | 2008 | 0x07D8 | 2 | 3 | - | Unsigned 32 |
Включить обмен | Обмен с устройствами | 2010 | 0x07DA | 2 | 3 | 16 | Unsigned 32 |
Время цикла | Логика | 61680 | 0xF0F0 | 2 | 3 | - | Unsigned 32 |
Состояние логики | Логика | 61682 | 0xF0F2 | 1 | 3 | - | Enum 2 |
Подсветка экрана | Настройки прибора | 768 | 0x0300 | 1 | 3 | 16 | Enum 5 |
Яркость | Настройки прибора | 769 | 0x0301 | 1 | 3 | 16 | Unsigned 8 |
Карта регистров Modbus ПР205-24.1211.02.2.0
Карта регистров Modbus ПР205-24.1211.02.2.0
Параметр | Группа | Адрес | Адрес (hex) | Количество регистров | Функция чтения | Функция записи | Тип данных |
|---|---|---|---|---|---|---|---|
Время в миллисек | Часы реального времени | 61563 | 0xF07B | 2 | 3 | - | Unsigned 32 |
Время и дата (UTC) | Часы реального времени | 61553 | 0xF071 | 2 | 3 | 16 | Date time 32 |
Часовой пояс | Часы реального времени | 61555 | 0xF073 | 1 | 3 | 16 | Enum 38 |
Секунды | Переменные даты и времени | 61557 | 0xF075 | 1 | 3 | - | Unsigned 8 |
Минуты | Переменные даты и времени | 61558 | 0xF076 | 1 | 3 | - | Unsigned 8 |
Часы | Переменные даты и времени | 61559 | 0xF077 | 1 | 3 | - | Unsigned 8 |
Дни | Переменные даты и времени | 61560 | 0xF078 | 1 | 3 | - | Unsigned 8 |
Месяцы | Переменные даты и времени | 61561 | 0xF079 | 1 | 3 | - | Unsigned 8 |
Годы | Переменные даты и времени | 61562 | 0xF07A | 1 | 3 | - | Unsigned 16 |
День недели | Переменные даты и времени | 61556 | 0xF074 | 1 | 3 | - | Enum 8 |
MAC адрес | Сетевые настройки | 61712 | 0xF110 | 9 | 3 | - | String 144 |
IP адрес | Сетевые настройки | 20 | 0x0014 | 2 | 3 | 16 | Unsigned 32 |
Маска подсети | Сетевые настройки | 22 | 0x0016 | 2 | 3 | 16 | Unsigned 32 |
IP адрес шлюза | Сетевые настройки | 24 | 0x0018 | 2 | 3 | 16 | Unsigned 32 |
DNS сервер 1 | Сетевые настройки | 12 | 0x000C | 2 | 3 | 16 | Unsigned 32 |
DNS сервер 2 | Сетевые настройки | 14 | 0x000E | 2 | 3 | 16 | Unsigned 32 |
Режим DHCP | Сетевые настройки | 32 | 0x0020 | 1 | 3 | 16 | Enum 2 |
Применить сейчас | Сетевые настройки | 33 | 0x0021 | 1 | 3 | 16 | Enum 2 |
Статус подключения | Сетевые настройки | 34 | 0x0022 | 1 | 3 | - | Enum 4 |
Напряжение | Батарея | 801 | 0x0321 | 1 | 3 | - | Unsigned 16 |
Пороговое напряжение | Батарея | 800 | 0x0320 | 1 | 3 | - | Unsigned 16 |
Состояние | Батарея | 802 | 0x0322 | 1 | 3 | - | Enum 2 |
Период обновления информации | Статус прибора | 61624 | 0xF0B8 | 1 | 3 | 16 | Unsigned 8 |
Статус | Статус прибора | 61620 | 0xF0B4 | 2 | 3 | - | Unsigned 32 |
ПРМ Слот 1. Название модуля | Статус прибора | 6000 | 0x1770 | 8 | 3 | - | String 128 |
ПРМ Слот 1. Версия ПО модуля | Статус прибора | 6016 | 0x1780 | 4 | 3 | - | String 64 |
ПРМ Слот 2. Название модуля | Статус прибора | 6032 | 0x1790 | 8 | 3 | - | String 128 |
ПРМ Слот 2. Версия ПО модуля | Статус прибора | 6048 | 0x17A0 | 4 | 3 | - | String 64 |
Ошибки | Статус прибора | 61626 | 0xF0BA | 1 | 3 | - | Unsigned 16 |
Предупреждения | Статус прибора | 61627 | 0xF0BB | 1 | 3 | - | Unsigned 16 |
Период архивирования | Архив | 900 | 0x0384 | 1 | 3 | 16 | Unsigned 16 |
Количество архивов | Архив | 901 | 0x0385 | 1 | 3 | 16 | Unsigned 16 |
Размер архива | Архив | 902 | 0x0386 | 1 | 3 | 16 | Unsigned 16 |
Последний индекс архива | Архив | 903 | 0x0387 | 1 | 3 | - | Unsigned 16 |
Состояние | Дискретные входы | 51 | 0x0033 | 1 | 3 | - | Unsigned 8 |
Инверсия | Дискретные входы | 57 | 0x0039 | 1 | 3 | 16 | Unsigned 8 |
Фильтр антидребезга | Вход 1 | 96 | 0x0060 | 1 | 3 | 16 | Unsigned 8 |
Фильтр антидребезга | Вход 2 | 97 | 0x0061 | 1 | 3 | 16 | Unsigned 8 |
Фильтр антидребезга | Вход 3 | 98 | 0x0062 | 1 | 3 | 16 | Unsigned 8 |
Фильтр антидребезга | Вход 4 | 99 | 0x0063 | 1 | 3 | 16 | Unsigned 8 |
Фильтр антидребезга | Вход 5 | 100 | 0x0064 | 1 | 3 | 16 | Unsigned 8 |
Фильтр антидребезга | Вход 6 | 101 | 0x0065 | 1 | 3 | 16 | Unsigned 8 |
Состояние | Быстрые дискретные входы | 52 | 0x0034 | 1 | 3 | - | Unsigned 8 |
Инверсия | Быстрые дискретные входы | 58 | 0x003A | 1 | 3 | 16 | Unsigned 8 |
Режим работы | Вход 1 | 64 | 0x0040 | 1 | 3 | 16 | Enum 3 |
Фильтр антидребезга | Вход 1 | 104 | 0x0068 | 1 | 3 | 16 | Unsigned 8 |
Фронт захвата импульса | Вход 1 | 80 | 0x0050 | 1 | 3 | 16 | Enum 2 |
Сброс счётчика импульсов | Вход 1 | 224 | 0x00E0 | 1 | 3 | 16 | Enum 2 |
Диагностика | Вход 1 | 256 | 0x0100 | 1 | 3 | - | Enum 2 |
Режим работы | Вход 2 | 65 | 0x0041 | 1 | 3 | 16 | Enum 2 |
Фильтр антидребезга | Вход 2 | 105 | 0x0069 | 1 | 3 | 16 | Unsigned 8 |
Фронт захвата импульса | Вход 2 | 81 | 0x0051 | 1 | 3 | 16 | Enum 2 |
Сброс счётчика импульсов | Вход 2 | 225 | 0x00E1 | 1 | 3 | 16 | Enum 2 |
Диагностика | Вход 2 | 257 | 0x0101 | 1 | 3 | - | Enum 2 |
Вход 1 | Измеренные значения | 160 | 0x00A0 | 2 | 3 | - | Unsigned 32 |
Вход 2 | Измеренные значения | 162 | 0x00A2 | 2 | 3 | - | Unsigned 32 |
Состояние | Дискретно-аналоговые входы | 4000 | 0x0FA0 | 1 | 3 | - | Unsigned 8 |
Инверсия | Дискретно-аналоговые входы | 4357 | 0x1105 | 1 | 3 | 16 | Unsigned 8 |
Режим работы | Вход 1 | 4100 | 0x1004 | 1 | 3 | 16 | Enum 2 |
Фильтр антидребезга | Дискретный режим | 4108 | 0x100C | 1 | 3 | 16 | Unsigned 8 |
Уровень логического нуля | Дискретный режим | 4111 | 0x100F | 2 | 3 | 16 | Float 32 |
Уровень логической единицы | Дискретный режим | 4109 | 0x100D | 2 | 3 | 16 | Float 32 |
Тип датчика | Аналоговый режим | 4101 | 0x1005 | 1 | 3 | 16 | Enum 28 |
Постоянная времени фильтра | Аналоговый режим | 4106 | 0x100A | 2 | 3 | 16 | Float 32 |
Нижняя граница измерения | Аналоговый режим | 4104 | 0x1008 | 2 | 3 | 16 | Float 32 |
Верхняя граница измерения | Аналоговый режим | 4102 | 0x1006 | 2 | 3 | 16 | Float 32 |
Режим работы | Вход 2 | 4116 | 0x1014 | 1 | 3 | 16 | Enum 2 |
Фильтр антидребезга | Дискретный режим | 4124 | 0x101C | 1 | 3 | 16 | Unsigned 8 |
Уровень логического нуля | Дискретный режим | 4127 | 0x101F | 2 | 3 | 16 | Float 32 |
Уровень логической единицы | Дискретный режим | 4125 | 0x101D | 2 | 3 | 16 | Float 32 |
Тип датчика | Аналоговый режим | 4117 | 0x1015 | 1 | 3 | 16 | Enum 28 |
Постоянная времени фильтра | Аналоговый режим | 4122 | 0x101A | 2 | 3 | 16 | Float 32 |
Нижняя граница измерения | Аналоговый режим | 4120 | 0x1018 | 2 | 3 | 16 | Float 32 |
Верхняя граница измерения | Аналоговый режим | 4118 | 0x1016 | 2 | 3 | 16 | Float 32 |
Режим работы | Вход 3 | 4132 | 0x1024 | 1 | 3 | 16 | Enum 2 |
Фильтр антидребезга | Дискретный режим | 4140 | 0x102C | 1 | 3 | 16 | Unsigned 8 |
Уровень логического нуля | Дискретный режим | 4143 | 0x102F | 2 | 3 | 16 | Float 32 |
Уровень логической единицы | Дискретный режим | 4141 | 0x102D | 2 | 3 | 16 | Float 32 |
Тип датчика | Аналоговый режим | 4133 | 0x1025 | 1 | 3 | 16 | Enum 28 |
Постоянная времени фильтра | Аналоговый режим | 4138 | 0x102A | 2 | 3 | 16 | Float 32 |
Нижняя граница измерения | Аналоговый режим | 4136 | 0x1028 | 2 | 3 | 16 | Float 32 |
Верхняя граница измерения | Аналоговый режим | 4134 | 0x1026 | 2 | 3 | 16 | Float 32 |
Режим работы | Вход 4 | 4148 | 0x1034 | 1 | 3 | 16 | Enum 2 |
Фильтр антидребезга | Дискретный режим | 4156 | 0x103C | 1 | 3 | 16 | Unsigned 8 |
Уровень логического нуля | Дискретный режим | 4159 | 0x103F | 2 | 3 | 16 | Float 32 |
Уровень логической единицы | Дискретный режим | 4157 | 0x103D | 2 | 3 | 16 | Float 32 |
Тип датчика | Аналоговый режим | 4149 | 0x1035 | 1 | 3 | 16 | Enum 28 |
Постоянная времени фильтра | Аналоговый режим | 4154 | 0x103A | 2 | 3 | 16 | Float 32 |
Нижняя граница измерения | Аналоговый режим | 4152 | 0x1038 | 2 | 3 | 16 | Float 32 |
Верхняя граница измерения | Аналоговый режим | 4150 | 0x1036 | 2 | 3 | 16 | Float 32 |
Вход 1 | Измеренные значения | 4002 | 0x0FA2 | 2 | 3 | - | Float 32 |
Вход 2 | Измеренные значения | 4004 | 0x0FA4 | 2 | 3 | - | Float 32 |
Вход 3 | Измеренные значения | 4006 | 0x0FA6 | 2 | 3 | - | Float 32 |
Вход 4 | Измеренные значения | 4008 | 0x0FA8 | 2 | 3 | - | Float 32 |
Вход 1 | Состояния аналоговых входов | 4014 | 0x0FAE | 1 | 3 | - | Enum 11 |
Вход 2 | Состояния аналоговых входов | 4015 | 0x0FAF | 1 | 3 | - | Enum 11 |
Вход 3 | Состояния аналоговых входов | 4016 | 0x0FB0 | 1 | 3 | - | Enum 11 |
Вход 4 | Состояния аналоговых входов | 4017 | 0x0FB1 | 1 | 3 | - | Enum 11 |
Изменить состояние | Дискретные выходы | 470 | 0x01D6 | 1 | 3 | 16 | Unsigned 8 |
Состояние | Дискретные выходы | 468 | 0x01D4 | 1 | 3 | - | Unsigned 8 |
Безопасное состояние | Выход 1 | 474 | 0x01DA | 1 | 3 | 16 | Enum 3 |
Безопасное состояние | Выход 2 | 475 | 0x01DB | 1 | 3 | 16 | Enum 3 |
Безопасное состояние | Выход 3 | 476 | 0x01DC | 1 | 3 | 16 | Enum 3 |
Безопасное состояние | Выход 4 | 477 | 0x01DD | 1 | 3 | 16 | Enum 3 |
Безопасное состояние | Выход 5 | 478 | 0x01DE | 1 | 3 | 16 | Enum 3 |
Безопасное состояние | Выход 6 | 479 | 0x01DF | 1 | 3 | 16 | Enum 3 |
Безопасное состояние | Выход 7 | 480 | 0x01E0 | 1 | 3 | 16 | Enum 3 |
Безопасное состояние | Выход 8 | 481 | 0x01E1 | 1 | 3 | 16 | Enum 3 |
Вид сигнала | Выход 1 | 3160 | 0x0C58 | 1 | 3 | 16 | Enum 3 |
Состояние | Выход 1 | 3128 | 0x0C38 | 1 | 3 | - | Enum 6 |
Безопасное состояние | Выход 1 | 3032 | 0x0BD8 | 2 | 3 | 16 | Float 32 |
Вид сигнала | Выход 2 | 3161 | 0x0C59 | 1 | 3 | 16 | Enum 3 |
Состояние | Выход 2 | 3129 | 0x0C39 | 1 | 3 | - | Enum 6 |
Безопасное состояние | Выход 2 | 3034 | 0x0BDA | 2 | 3 | 16 | Float 32 |
Вид сигнала | Выход 3 | 3162 | 0x0C5A | 1 | 3 | 16 | Enum 3 |
Состояние | Выход 3 | 3130 | 0x0C3A | 1 | 3 | - | Enum 6 |
Безопасное состояние | Выход 3 | 3036 | 0x0BDC | 2 | 3 | 16 | Float 32 |
Выход 1 | Значения сигнала | 3000 | 0x0BB8 | 2 | 3 | 16 | Float 32 |
Выход 2 | Значения сигнала | 3002 | 0x0BBA | 2 | 3 | 16 | Float 32 |
Выход 3 | Значения сигнала | 3004 | 0x0BBC | 2 | 3 | 16 | Float 32 |
Состояние | Пользовательские светодиоды (Fn) | 601 | 0x0259 | 1 | 3 | - | Unsigned 8 |
Изменить состояние | Пользовательские светодиоды (Fn) | 600 | 0x0258 | 1 | 3 | 16 | Unsigned 8 |
Таймаут перехода в безопасное состояние | Modbus Slave | 700 | 0x02BC | 1 | 3 | 16 | Unsigned 8 |
Скорость | Настройки порта RS-485 1 | 750 | 0x02EE | 1 | 3 | 16 | Enum 6 |
Размер данных | Настройки порта RS-485 1 | 751 | 0x02EF | 1 | 3 | 16 | Enum 2 |
Контроль чётности | Настройки порта RS-485 1 | 752 | 0x02F0 | 1 | 3 | 16 | Enum 3 |
Кол. стоп-битов | Настройки порта RS-485 1 | 753 | 0x02F1 | 1 | 3 | 16 | Enum 2 |
Slave ID | Настройки порта RS-485 1 | 754 | 0x02F2 | 1 | 3 | 16 | Unsigned 8 |
Скорость | Настройки порта RS-485 2 | 760 | 0x02F8 | 1 | 3 | 16 | Enum 6 |
Размер данных | Настройки порта RS-485 2 | 761 | 0x02F9 | 1 | 3 | 16 | Enum 2 |
Контроль чётности | Настройки порта RS-485 2 | 762 | 0x02FA | 1 | 3 | 16 | Enum 3 |
Кол. стоп-битов | Настройки порта RS-485 2 | 763 | 0x02FB | 1 | 3 | 16 | Enum 2 |
Slave ID | Настройки порта RS-485 2 | 764 | 0x02FC | 1 | 3 | 16 | Unsigned 8 |
Подключение к OwenCloud | OwenCloud | 35 | 0x0023 | 1 | 3 | 16 | Enum 2 |
Статус подключения к OwenCloud | OwenCloud | 36 | 0x0024 | 1 | 3 | - | Enum 5 |
Разрешение конфигурирования | Права удалённого доступа из OwenCloud | 701 | 0x02BD | 1 | 3 | 16 | Enum 2 |
Управление и запись значений | Права удалённого доступа из OwenCloud | 702 | 0x02BE | 1 | 3 | 16 | Enum 2 |
Доступ к регистрам Modbus | Права удалённого доступа из OwenCloud | 703 | 0x02BF | 1 | 3 | 16 | Enum 4 |
Наличие обмена | Обмен с устройствами | 2008 | 0x07D8 | 2 | 3 | - | Unsigned 32 |
Включить обмен | Обмен с устройствами | 2010 | 0x07DA | 2 | 3 | 16 | Unsigned 32 |
Время цикла | Логика | 61680 | 0xF0F0 | 2 | 3 | - | Unsigned 32 |
Состояние логики | Логика | 61682 | 0xF0F2 | 1 | 3 | - | Enum 2 |
Подсветка экрана | Настройки прибора | 768 | 0x0300 | 1 | 3 | 16 | Enum 5 |
Яркость | Настройки прибора | 769 | 0x0301 | 1 | 3 | 16 | Unsigned 8 |
Карта регистров Modbus ПР205-24.1211.06.0.0
Карта регистров Modbus ПР205-24.1211.06.0.0
Параметр | Группа | Адрес | Адрес (hex) | Количество регистров | Функция чтения | Функция записи | Тип данных |
|---|---|---|---|---|---|---|---|
Время в миллисек | Часы реального времени | 61563 | 0xF07B | 2 | 3 | - | Unsigned 32 |
Время и дата (UTC) | Часы реального времени | 61553 | 0xF071 | 2 | 3 | 16 | Date time 32 |
Часовой пояс | Часы реального времени | 61555 | 0xF073 | 1 | 3 | 16 | Enum 38 |
Секунды | Переменные даты и времени | 61557 | 0xF075 | 1 | 3 | - | Unsigned 8 |
Минуты | Переменные даты и времени | 61558 | 0xF076 | 1 | 3 | - | Unsigned 8 |
Часы | Переменные даты и времени | 61559 | 0xF077 | 1 | 3 | - | Unsigned 8 |
Дни | Переменные даты и времени | 61560 | 0xF078 | 1 | 3 | - | Unsigned 8 |
Месяцы | Переменные даты и времени | 61561 | 0xF079 | 1 | 3 | - | Unsigned 8 |
Годы | Переменные даты и времени | 61562 | 0xF07A | 1 | 3 | - | Unsigned 16 |
День недели | Переменные даты и времени | 61556 | 0xF074 | 1 | 3 | - | Enum 8 |
MAC адрес | Сетевые настройки | 61712 | 0xF110 | 9 | 3 | - | String 144 |
IP адрес | Сетевые настройки | 20 | 0x0014 | 2 | 3 | 16 | Unsigned 32 |
Маска подсети | Сетевые настройки | 22 | 0x0016 | 2 | 3 | 16 | Unsigned 32 |
IP адрес шлюза | Сетевые настройки | 24 | 0x0018 | 2 | 3 | 16 | Unsigned 32 |
DNS сервер 1 | Сетевые настройки | 12 | 0x000C | 2 | 3 | 16 | Unsigned 32 |
DNS сервер 2 | Сетевые настройки | 14 | 0x000E | 2 | 3 | 16 | Unsigned 32 |
Режим DHCP | Сетевые настройки | 32 | 0x0020 | 1 | 3 | 16 | Enum 2 |
Применить сейчас | Сетевые настройки | 33 | 0x0021 | 1 | 3 | 16 | Enum 2 |
Статус подключения | Сетевые настройки | 34 | 0x0022 | 1 | 3 | - | Enum 4 |
Напряжение | Батарея | 801 | 0x0321 | 1 | 3 | - | Unsigned 16 |
Пороговое напряжение | Батарея | 800 | 0x0320 | 1 | 3 | - | Unsigned 16 |
Состояние | Батарея | 802 | 0x0322 | 1 | 3 | - | Enum 2 |
Период обновления информации | Статус прибора | 61624 | 0xF0B8 | 1 | 3 | 16 | Unsigned 8 |
Статус | Статус прибора | 61620 | 0xF0B4 | 2 | 3 | - | Unsigned 32 |
ПРМ Слот 1. Название модуля | Статус прибора | 6000 | 0x1770 | 8 | 3 | - | String 128 |
ПРМ Слот 1. Версия ПО модуля | Статус прибора | 6016 | 0x1780 | 4 | 3 | - | String 64 |
ПРМ Слот 2. Название модуля | Статус прибора | 6032 | 0x1790 | 8 | 3 | - | String 128 |
ПРМ Слот 2. Версия ПО модуля | Статус прибора | 6048 | 0x17A0 | 4 | 3 | - | String 64 |
Ошибки | Статус прибора | 61626 | 0xF0BA | 1 | 3 | - | Unsigned 16 |
Предупреждения | Статус прибора | 61627 | 0xF0BB | 1 | 3 | - | Unsigned 16 |
Период архивирования | Архив | 900 | 0x0384 | 1 | 3 | 16 | Unsigned 16 |
Количество архивов | Архив | 901 | 0x0385 | 1 | 3 | 16 | Unsigned 16 |
Размер архива | Архив | 902 | 0x0386 | 1 | 3 | 16 | Unsigned 16 |
Последний индекс архива | Архив | 903 | 0x0387 | 1 | 3 | - | Unsigned 16 |
Состояние | Дискретные входы | 51 | 0x0033 | 1 | 3 | - | Unsigned 8 |
Инверсия | Дискретные входы | 57 | 0x0039 | 1 | 3 | 16 | Unsigned 8 |
Фильтр антидребезга | Вход 1 | 96 | 0x0060 | 1 | 3 | 16 | Unsigned 8 |
Фильтр антидребезга | Вход 2 | 97 | 0x0061 | 1 | 3 | 16 | Unsigned 8 |
Фильтр антидребезга | Вход 3 | 98 | 0x0062 | 1 | 3 | 16 | Unsigned 8 |
Фильтр антидребезга | Вход 4 | 99 | 0x0063 | 1 | 3 | 16 | Unsigned 8 |
Фильтр антидребезга | Вход 5 | 100 | 0x0064 | 1 | 3 | 16 | Unsigned 8 |
Фильтр антидребезга | Вход 6 | 101 | 0x0065 | 1 | 3 | 16 | Unsigned 8 |
Состояние | Быстрые дискретные входы | 52 | 0x0034 | 1 | 3 | - | Unsigned 8 |
Инверсия | Быстрые дискретные входы | 58 | 0x003A | 1 | 3 | 16 | Unsigned 8 |
Режим работы | Вход 1 | 64 | 0x0040 | 1 | 3 | 16 | Enum 3 |
Фильтр антидребезга | Вход 1 | 104 | 0x0068 | 1 | 3 | 16 | Unsigned 8 |
Фронт захвата импульса | Вход 1 | 80 | 0x0050 | 1 | 3 | 16 | Enum 2 |
Сброс счётчика импульсов | Вход 1 | 224 | 0x00E0 | 1 | 3 | 16 | Enum 2 |
Диагностика | Вход 1 | 256 | 0x0100 | 1 | 3 | - | Enum 2 |
Режим работы | Вход 2 | 65 | 0x0041 | 1 | 3 | 16 | Enum 2 |
Фильтр антидребезга | Вход 2 | 105 | 0x0069 | 1 | 3 | 16 | Unsigned 8 |
Фронт захвата импульса | Вход 2 | 81 | 0x0051 | 1 | 3 | 16 | Enum 2 |
Сброс счётчика импульсов | Вход 2 | 225 | 0x00E1 | 1 | 3 | 16 | Enum 2 |
Диагностика | Вход 2 | 257 | 0x0101 | 1 | 3 | - | Enum 2 |
Вход 1 | Измеренные значения | 160 | 0x00A0 | 2 | 3 | - | Unsigned 32 |
Вход 2 | Измеренные значения | 162 | 0x00A2 | 2 | 3 | - | Unsigned 32 |
Состояние | Дискретно-аналоговые входы | 4000 | 0x0FA0 | 1 | 3 | - | Unsigned 8 |
Инверсия | Дискретно-аналоговые входы | 4357 | 0x1105 | 1 | 3 | 16 | Unsigned 8 |
Режим работы | Вход 1 | 4100 | 0x1004 | 1 | 3 | 16 | Enum 2 |
Фильтр антидребезга | Дискретный режим | 4108 | 0x100C | 1 | 3 | 16 | Unsigned 8 |
Уровень логического нуля | Дискретный режим | 4111 | 0x100F | 2 | 3 | 16 | Float 32 |
Уровень логической единицы | Дискретный режим | 4109 | 0x100D | 2 | 3 | 16 | Float 32 |
Тип датчика | Аналоговый режим | 4101 | 0x1005 | 1 | 3 | 16 | Enum 28 |
Постоянная времени фильтра | Аналоговый режим | 4106 | 0x100A | 2 | 3 | 16 | Float 32 |
Нижняя граница измерения | Аналоговый режим | 4104 | 0x1008 | 2 | 3 | 16 | Float 32 |
Верхняя граница измерения | Аналоговый режим | 4102 | 0x1006 | 2 | 3 | 16 | Float 32 |
Режим работы | Вход 2 | 4116 | 0x1014 | 1 | 3 | 16 | Enum 2 |
Фильтр антидребезга | Дискретный режим | 4124 | 0x101C | 1 | 3 | 16 | Unsigned 8 |
Уровень логического нуля | Дискретный режим | 4127 | 0x101F | 2 | 3 | 16 | Float 32 |
Уровень логической единицы | Дискретный режим | 4125 | 0x101D | 2 | 3 | 16 | Float 32 |
Тип датчика | Аналоговый режим | 4117 | 0x1015 | 1 | 3 | 16 | Enum 28 |
Постоянная времени фильтра | Аналоговый режим | 4122 | 0x101A | 2 | 3 | 16 | Float 32 |
Нижняя граница измерения | Аналоговый режим | 4120 | 0x1018 | 2 | 3 | 16 | Float 32 |
Верхняя граница измерения | Аналоговый режим | 4118 | 0x1016 | 2 | 3 | 16 | Float 32 |
Режим работы | Вход 3 | 4132 | 0x1024 | 1 | 3 | 16 | Enum 2 |
Фильтр антидребезга | Дискретный режим | 4140 | 0x102C | 1 | 3 | 16 | Unsigned 8 |
Уровень логического нуля | Дискретный режим | 4143 | 0x102F | 2 | 3 | 16 | Float 32 |
Уровень логической единицы | Дискретный режим | 4141 | 0x102D | 2 | 3 | 16 | Float 32 |
Тип датчика | Аналоговый режим | 4133 | 0x1025 | 1 | 3 | 16 | Enum 28 |
Постоянная времени фильтра | Аналоговый режим | 4138 | 0x102A | 2 | 3 | 16 | Float 32 |
Нижняя граница измерения | Аналоговый режим | 4136 | 0x1028 | 2 | 3 | 16 | Float 32 |
Верхняя граница измерения | Аналоговый режим | 4134 | 0x1026 | 2 | 3 | 16 | Float 32 |
Режим работы | Вход 4 | 4148 | 0x1034 | 1 | 3 | 16 | Enum 2 |
Фильтр антидребезга | Дискретный режим | 4156 | 0x103C | 1 | 3 | 16 | Unsigned 8 |
Уровень логического нуля | Дискретный режим | 4159 | 0x103F | 2 | 3 | 16 | Float 32 |
Уровень логической единицы | Дискретный режим | 4157 | 0x103D | 2 | 3 | 16 | Float 32 |
Тип датчика | Аналоговый режим | 4149 | 0x1035 | 1 | 3 | 16 | Enum 28 |
Постоянная времени фильтра | Аналоговый режим | 4154 | 0x103A | 2 | 3 | 16 | Float 32 |
Нижняя граница измерения | Аналоговый режим | 4152 | 0x1038 | 2 | 3 | 16 | Float 32 |
Верхняя граница измерения | Аналоговый режим | 4150 | 0x1036 | 2 | 3 | 16 | Float 32 |
Вход 1 | Измеренные значения | 4002 | 0x0FA2 | 2 | 3 | - | Float 32 |
Вход 2 | Измеренные значения | 4004 | 0x0FA4 | 2 | 3 | - | Float 32 |
Вход 3 | Измеренные значения | 4006 | 0x0FA6 | 2 | 3 | - | Float 32 |
Вход 4 | Измеренные значения | 4008 | 0x0FA8 | 2 | 3 | - | Float 32 |
Вход 1 | Состояния аналоговых входов | 4014 | 0x0FAE | 1 | 3 | - | Enum 11 |
Вход 2 | Состояния аналоговых входов | 4015 | 0x0FAF | 1 | 3 | - | Enum 11 |
Вход 3 | Состояния аналоговых входов | 4016 | 0x0FB0 | 1 | 3 | - | Enum 11 |
Вход 4 | Состояния аналоговых входов | 4017 | 0x0FB1 | 1 | 3 | - | Enum 11 |
Изменить состояние | Дискретные выходы | 470 | 0x01D6 | 1 | 3 | 16 | Unsigned 8 |
Состояние | Дискретные выходы | 468 | 0x01D4 | 1 | 3 | - | Unsigned 8 |
Безопасное состояние | Выход 1 | 474 | 0x01DA | 1 | 3 | 16 | Enum 3 |
Безопасное состояние | Выход 2 | 475 | 0x01DB | 1 | 3 | 16 | Enum 3 |
Безопасное состояние | Выход 3 | 476 | 0x01DC | 1 | 3 | 16 | Enum 3 |
Безопасное состояние | Выход 4 | 477 | 0x01DD | 1 | 3 | 16 | Enum 3 |
Безопасное состояние | Выход 5 | 478 | 0x01DE | 1 | 3 | 16 | Enum 3 |
Безопасное состояние | Выход 6 | 479 | 0x01DF | 1 | 3 | 16 | Enum 3 |
Состояние | Дискретные ШИМ-выходы | 306 | 0x0132 | 1 | 3 | - | Unsigned 8 |
Режим работы | Выход 7 | 272 | 0x0110 | 1 | 3 | 16 | Enum 2 |
Период ШИМ | Выход 7 | 308 | 0x0134 | 1 | 3 | 16 | Unsigned 16 |
Минимальный импульс ШИМ | Выход 7 | 404 | 0x0194 | 1 | 3 | 16 | Unsigned 16 |
Безопасное состояние | Выход 7 | 538 | 0x021A | 2 | 3 | 16 | Float 32 |
Режим работы | Выход 8 | 273 | 0x0111 | 1 | 3 | 16 | Enum 2 |
Период ШИМ | Выход 8 | 309 | 0x0135 | 1 | 3 | 16 | Unsigned 16 |
Минимальный импульс ШИМ | Выход 8 | 405 | 0x0195 | 1 | 3 | 16 | Unsigned 16 |
Безопасное состояние | Выход 8 | 540 | 0x021C | 2 | 3 | 16 | Float 32 |
Выход 7 | Коэффициент заполнения | 340 | 0x0154 | 2 | 3 | 16 | Float 32 |
Выход 8 | Коэффициент заполнения | 342 | 0x0156 | 2 | 3 | 16 | Float 32 |
Вид сигнала | Выход 1 | 3160 | 0x0C58 | 1 | 3 | 16 | Enum 3 |
Состояние | Выход 1 | 3128 | 0x0C38 | 1 | 3 | - | Enum 6 |
Безопасное состояние | Выход 1 | 3032 | 0x0BD8 | 2 | 3 | 16 | Float 32 |
Вид сигнала | Выход 2 | 3161 | 0x0C59 | 1 | 3 | 16 | Enum 3 |
Состояние | Выход 2 | 3129 | 0x0C39 | 1 | 3 | - | Enum 6 |
Безопасное состояние | Выход 2 | 3034 | 0x0BDA | 2 | 3 | 16 | Float 32 |
Вид сигнала | Выход 3 | 3162 | 0x0C5A | 1 | 3 | 16 | Enum 3 |
Состояние | Выход 3 | 3130 | 0x0C3A | 1 | 3 | - | Enum 6 |
Безопасное состояние | Выход 3 | 3036 | 0x0BDC | 2 | 3 | 16 | Float 32 |
Выход 1 | Значения сигнала | 3000 | 0x0BB8 | 2 | 3 | 16 | Float 32 |
Выход 2 | Значения сигнала | 3002 | 0x0BBA | 2 | 3 | 16 | Float 32 |
Выход 3 | Значения сигнала | 3004 | 0x0BBC | 2 | 3 | 16 | Float 32 |
Состояние | Пользовательские светодиоды (Fn) | 601 | 0x0259 | 1 | 3 | - | Unsigned 8 |
Изменить состояние | Пользовательские светодиоды (Fn) | 600 | 0x0258 | 1 | 3 | 16 | Unsigned 8 |
Таймаут перехода в безопасное состояние | Modbus Slave | 700 | 0x02BC | 1 | 3 | 16 | Unsigned 8 |
Подключение к OwenCloud | OwenCloud | 35 | 0x0023 | 1 | 3 | 16 | Enum 2 |
Статус подключения к OwenCloud | OwenCloud | 36 | 0x0024 | 1 | 3 | - | Enum 5 |
Разрешение конфигурирования | Права удалённого доступа из OwenCloud | 701 | 0x02BD | 1 | 3 | 16 | Enum 2 |
Управление и запись значений | Права удалённого доступа из OwenCloud | 702 | 0x02BE | 1 | 3 | 16 | Enum 2 |
Доступ к регистрам Modbus | Права удалённого доступа из OwenCloud | 703 | 0x02BF | 1 | 3 | 16 | Enum 4 |
Наличие обмена | Обмен с устройствами | 2008 | 0x07D8 | 2 | 3 | - | Unsigned 32 |
Включить обмен | Обмен с устройствами | 2010 | 0x07DA | 2 | 3 | 16 | Unsigned 32 |
Время цикла | Логика | 61680 | 0xF0F0 | 2 | 3 | - | Unsigned 32 |
Состояние логики | Логика | 61682 | 0xF0F2 | 1 | 3 | - | Enum 2 |
Подсветка экрана | Настройки прибора | 768 | 0x0300 | 1 | 3 | 16 | Enum 5 |
Яркость | Настройки прибора | 769 | 0x0301 | 1 | 3 | 16 | Unsigned 8 |
Карта регистров Modbus ПР205-24.1211.06.2.0
Карта регистров Modbus ПР205-24.1211.06.2.0
Параметр | Группа | Адрес | Адрес (hex) | Количество регистров | Функция чтения | Функция записи | Тип данных |
|---|---|---|---|---|---|---|---|
Время в миллисек | Часы реального времени | 61563 | 0xF07B | 2 | 3 | - | Unsigned 32 |
Время и дата (UTC) | Часы реального времени | 61553 | 0xF071 | 2 | 3 | 16 | Date time 32 |
Часовой пояс | Часы реального времени | 61555 | 0xF073 | 1 | 3 | 16 | Enum 38 |
Секунды | Переменные даты и времени | 61557 | 0xF075 | 1 | 3 | - | Unsigned 8 |
Минуты | Переменные даты и времени | 61558 | 0xF076 | 1 | 3 | - | Unsigned 8 |
Часы | Переменные даты и времени | 61559 | 0xF077 | 1 | 3 | - | Unsigned 8 |
Дни | Переменные даты и времени | 61560 | 0xF078 | 1 | 3 | - | Unsigned 8 |
Месяцы | Переменные даты и времени | 61561 | 0xF079 | 1 | 3 | - | Unsigned 8 |
Годы | Переменные даты и времени | 61562 | 0xF07A | 1 | 3 | - | Unsigned 16 |
День недели | Переменные даты и времени | 61556 | 0xF074 | 1 | 3 | - | Enum 8 |
MAC адрес | Сетевые настройки | 61712 | 0xF110 | 9 | 3 | - | String 144 |
IP адрес | Сетевые настройки | 20 | 0x0014 | 2 | 3 | 16 | Unsigned 32 |
Маска подсети | Сетевые настройки | 22 | 0x0016 | 2 | 3 | 16 | Unsigned 32 |
IP адрес шлюза | Сетевые настройки | 24 | 0x0018 | 2 | 3 | 16 | Unsigned 32 |
DNS сервер 1 | Сетевые настройки | 12 | 0x000C | 2 | 3 | 16 | Unsigned 32 |
DNS сервер 2 | Сетевые настройки | 14 | 0x000E | 2 | 3 | 16 | Unsigned 32 |
Режим DHCP | Сетевые настройки | 32 | 0x0020 | 1 | 3 | 16 | Enum 2 |
Применить сейчас | Сетевые настройки | 33 | 0x0021 | 1 | 3 | 16 | Enum 2 |
Статус подключения | Сетевые настройки | 34 | 0x0022 | 1 | 3 | - | Enum 4 |
Напряжение | Батарея | 801 | 0x0321 | 1 | 3 | - | Unsigned 16 |
Пороговое напряжение | Батарея | 800 | 0x0320 | 1 | 3 | - | Unsigned 16 |
Состояние | Батарея | 802 | 0x0322 | 1 | 3 | - | Enum 2 |
Период обновления информации | Статус прибора | 61624 | 0xF0B8 | 1 | 3 | 16 | Unsigned 8 |
Статус | Статус прибора | 61620 | 0xF0B4 | 2 | 3 | - | Unsigned 32 |
ПРМ Слот 1. Название модуля | Статус прибора | 6000 | 0x1770 | 8 | 3 | - | String 128 |
ПРМ Слот 1. Версия ПО модуля | Статус прибора | 6016 | 0x1780 | 4 | 3 | - | String 64 |
ПРМ Слот 2. Название модуля | Статус прибора | 6032 | 0x1790 | 8 | 3 | - | String 128 |
ПРМ Слот 2. Версия ПО модуля | Статус прибора | 6048 | 0x17A0 | 4 | 3 | - | String 64 |
Ошибки | Статус прибора | 61626 | 0xF0BA | 1 | 3 | - | Unsigned 16 |
Предупреждения | Статус прибора | 61627 | 0xF0BB | 1 | 3 | - | Unsigned 16 |
Период архивирования | Архив | 900 | 0x0384 | 1 | 3 | 16 | Unsigned 16 |
Количество архивов | Архив | 901 | 0x0385 | 1 | 3 | 16 | Unsigned 16 |
Размер архива | Архив | 902 | 0x0386 | 1 | 3 | 16 | Unsigned 16 |
Последний индекс архива | Архив | 903 | 0x0387 | 1 | 3 | - | Unsigned 16 |
Состояние | Дискретные входы | 51 | 0x0033 | 1 | 3 | - | Unsigned 8 |
Инверсия | Дискретные входы | 57 | 0x0039 | 1 | 3 | 16 | Unsigned 8 |
Фильтр антидребезга | Вход 1 | 96 | 0x0060 | 1 | 3 | 16 | Unsigned 8 |
Фильтр антидребезга | Вход 2 | 97 | 0x0061 | 1 | 3 | 16 | Unsigned 8 |
Фильтр антидребезга | Вход 3 | 98 | 0x0062 | 1 | 3 | 16 | Unsigned 8 |
Фильтр антидребезга | Вход 4 | 99 | 0x0063 | 1 | 3 | 16 | Unsigned 8 |
Фильтр антидребезга | Вход 5 | 100 | 0x0064 | 1 | 3 | 16 | Unsigned 8 |
Фильтр антидребезга | Вход 6 | 101 | 0x0065 | 1 | 3 | 16 | Unsigned 8 |
Состояние | Быстрые дискретные входы | 52 | 0x0034 | 1 | 3 | - | Unsigned 8 |
Инверсия | Быстрые дискретные входы | 58 | 0x003A | 1 | 3 | 16 | Unsigned 8 |
Режим работы | Вход 1 | 64 | 0x0040 | 1 | 3 | 16 | Enum 3 |
Фильтр антидребезга | Вход 1 | 104 | 0x0068 | 1 | 3 | 16 | Unsigned 8 |
Фронт захвата импульса | Вход 1 | 80 | 0x0050 | 1 | 3 | 16 | Enum 2 |
Сброс счётчика импульсов | Вход 1 | 224 | 0x00E0 | 1 | 3 | 16 | Enum 2 |
Диагностика | Вход 1 | 256 | 0x0100 | 1 | 3 | - | Enum 2 |
Режим работы | Вход 2 | 65 | 0x0041 | 1 | 3 | 16 | Enum 2 |
Фильтр антидребезга | Вход 2 | 105 | 0x0069 | 1 | 3 | 16 | Unsigned 8 |
Фронт захвата импульса | Вход 2 | 81 | 0x0051 | 1 | 3 | 16 | Enum 2 |
Сброс счётчика импульсов | Вход 2 | 225 | 0x00E1 | 1 | 3 | 16 | Enum 2 |
Диагностика | Вход 2 | 257 | 0x0101 | 1 | 3 | - | Enum 2 |
Вход 1 | Измеренные значения | 160 | 0x00A0 | 2 | 3 | - | Unsigned 32 |
Вход 2 | Измеренные значения | 162 | 0x00A2 | 2 | 3 | - | Unsigned 32 |
Состояние | Дискретно-аналоговые входы | 4000 | 0x0FA0 | 1 | 3 | - | Unsigned 8 |
Инверсия | Дискретно-аналоговые входы | 4357 | 0x1105 | 1 | 3 | 16 | Unsigned 8 |
Режим работы | Вход 1 | 4100 | 0x1004 | 1 | 3 | 16 | Enum 2 |
Фильтр антидребезга | Дискретный режим | 4108 | 0x100C | 1 | 3 | 16 | Unsigned 8 |
Уровень логического нуля | Дискретный режим | 4111 | 0x100F | 2 | 3 | 16 | Float 32 |
Уровень логической единицы | Дискретный режим | 4109 | 0x100D | 2 | 3 | 16 | Float 32 |
Тип датчика | Аналоговый режим | 4101 | 0x1005 | 1 | 3 | 16 | Enum 28 |
Постоянная времени фильтра | Аналоговый режим | 4106 | 0x100A | 2 | 3 | 16 | Float 32 |
Нижняя граница измерения | Аналоговый режим | 4104 | 0x1008 | 2 | 3 | 16 | Float 32 |
Верхняя граница измерения | Аналоговый режим | 4102 | 0x1006 | 2 | 3 | 16 | Float 32 |
Режим работы | Вход 2 | 4116 | 0x1014 | 1 | 3 | 16 | Enum 2 |
Фильтр антидребезга | Дискретный режим | 4124 | 0x101C | 1 | 3 | 16 | Unsigned 8 |
Уровень логического нуля | Дискретный режим | 4127 | 0x101F | 2 | 3 | 16 | Float 32 |
Уровень логической единицы | Дискретный режим | 4125 | 0x101D | 2 | 3 | 16 | Float 32 |
Тип датчика | Аналоговый режим | 4117 | 0x1015 | 1 | 3 | 16 | Enum 28 |
Постоянная времени фильтра | Аналоговый режим | 4122 | 0x101A | 2 | 3 | 16 | Float 32 |
Нижняя граница измерения | Аналоговый режим | 4120 | 0x1018 | 2 | 3 | 16 | Float 32 |
Верхняя граница измерения | Аналоговый режим | 4118 | 0x1016 | 2 | 3 | 16 | Float 32 |
Режим работы | Вход 3 | 4132 | 0x1024 | 1 | 3 | 16 | Enum 2 |
Фильтр антидребезга | Дискретный режим | 4140 | 0x102C | 1 | 3 | 16 | Unsigned 8 |
Уровень логического нуля | Дискретный режим | 4143 | 0x102F | 2 | 3 | 16 | Float 32 |
Уровень логической единицы | Дискретный режим | 4141 | 0x102D | 2 | 3 | 16 | Float 32 |
Тип датчика | Аналоговый режим | 4133 | 0x1025 | 1 | 3 | 16 | Enum 28 |
Постоянная времени фильтра | Аналоговый режим | 4138 | 0x102A | 2 | 3 | 16 | Float 32 |
Нижняя граница измерения | Аналоговый режим | 4136 | 0x1028 | 2 | 3 | 16 | Float 32 |
Верхняя граница измерения | Аналоговый режим | 4134 | 0x1026 | 2 | 3 | 16 | Float 32 |
Режим работы | Вход 4 | 4148 | 0x1034 | 1 | 3 | 16 | Enum 2 |
Фильтр антидребезга | Дискретный режим | 4156 | 0x103C | 1 | 3 | 16 | Unsigned 8 |
Уровень логического нуля | Дискретный режим | 4159 | 0x103F | 2 | 3 | 16 | Float 32 |
Уровень логической единицы | Дискретный режим | 4157 | 0x103D | 2 | 3 | 16 | Float 32 |
Тип датчика | Аналоговый режим | 4149 | 0x1035 | 1 | 3 | 16 | Enum 28 |
Постоянная времени фильтра | Аналоговый режим | 4154 | 0x103A | 2 | 3 | 16 | Float 32 |
Нижняя граница измерения | Аналоговый режим | 4152 | 0x1038 | 2 | 3 | 16 | Float 32 |
Верхняя граница измерения | Аналоговый режим | 4150 | 0x1036 | 2 | 3 | 16 | Float 32 |
Вход 1 | Измеренные значения | 4002 | 0x0FA2 | 2 | 3 | - | Float 32 |
Вход 2 | Измеренные значения | 4004 | 0x0FA4 | 2 | 3 | - | Float 32 |
Вход 3 | Измеренные значения | 4006 | 0x0FA6 | 2 | 3 | - | Float 32 |
Вход 4 | Измеренные значения | 4008 | 0x0FA8 | 2 | 3 | - | Float 32 |
Вход 1 | Состояния аналоговых входов | 4014 | 0x0FAE | 1 | 3 | - | Enum 11 |
Вход 2 | Состояния аналоговых входов | 4015 | 0x0FAF | 1 | 3 | - | Enum 11 |
Вход 3 | Состояния аналоговых входов | 4016 | 0x0FB0 | 1 | 3 | - | Enum 11 |
Вход 4 | Состояния аналоговых входов | 4017 | 0x0FB1 | 1 | 3 | - | Enum 11 |
Изменить состояние | Дискретные выходы | 470 | 0x01D6 | 1 | 3 | 16 | Unsigned 8 |
Состояние | Дискретные выходы | 468 | 0x01D4 | 1 | 3 | - | Unsigned 8 |
Безопасное состояние | Выход 1 | 474 | 0x01DA | 1 | 3 | 16 | Enum 3 |
Безопасное состояние | Выход 2 | 475 | 0x01DB | 1 | 3 | 16 | Enum 3 |
Безопасное состояние | Выход 3 | 476 | 0x01DC | 1 | 3 | 16 | Enum 3 |
Безопасное состояние | Выход 4 | 477 | 0x01DD | 1 | 3 | 16 | Enum 3 |
Безопасное состояние | Выход 5 | 478 | 0x01DE | 1 | 3 | 16 | Enum 3 |
Безопасное состояние | Выход 6 | 479 | 0x01DF | 1 | 3 | 16 | Enum 3 |
Состояние | Дискретные ШИМ-выходы | 306 | 0x0132 | 1 | 3 | - | Unsigned 8 |
Режим работы | Выход 7 | 272 | 0x0110 | 1 | 3 | 16 | Enum 2 |
Период ШИМ | Выход 7 | 308 | 0x0134 | 1 | 3 | 16 | Unsigned 16 |
Минимальный импульс ШИМ | Выход 7 | 404 | 0x0194 | 1 | 3 | 16 | Unsigned 16 |
Безопасное состояние | Выход 7 | 538 | 0x021A | 2 | 3 | 16 | Float 32 |
Режим работы | Выход 8 | 273 | 0x0111 | 1 | 3 | 16 | Enum 2 |
Период ШИМ | Выход 8 | 309 | 0x0135 | 1 | 3 | 16 | Unsigned 16 |
Минимальный импульс ШИМ | Выход 8 | 405 | 0x0195 | 1 | 3 | 16 | Unsigned 16 |
Безопасное состояние | Выход 8 | 540 | 0x021C | 2 | 3 | 16 | Float 32 |
Выход 7 | Коэффициент заполнения | 340 | 0x0154 | 2 | 3 | 16 | Float 32 |
Выход 8 | Коэффициент заполнения | 342 | 0x0156 | 2 | 3 | 16 | Float 32 |
Вид сигнала | Выход 1 | 3160 | 0x0C58 | 1 | 3 | 16 | Enum 3 |
Состояние | Выход 1 | 3128 | 0x0C38 | 1 | 3 | - | Enum 6 |
Безопасное состояние | Выход 1 | 3032 | 0x0BD8 | 2 | 3 | 16 | Float 32 |
Вид сигнала | Выход 2 | 3161 | 0x0C59 | 1 | 3 | 16 | Enum 3 |
Состояние | Выход 2 | 3129 | 0x0C39 | 1 | 3 | - | Enum 6 |
Безопасное состояние | Выход 2 | 3034 | 0x0BDA | 2 | 3 | 16 | Float 32 |
Вид сигнала | Выход 3 | 3162 | 0x0C5A | 1 | 3 | 16 | Enum 3 |
Состояние | Выход 3 | 3130 | 0x0C3A | 1 | 3 | - | Enum 6 |
Безопасное состояние | Выход 3 | 3036 | 0x0BDC | 2 | 3 | 16 | Float 32 |
Выход 1 | Значения сигнала | 3000 | 0x0BB8 | 2 | 3 | 16 | Float 32 |
Выход 2 | Значения сигнала | 3002 | 0x0BBA | 2 | 3 | 16 | Float 32 |
Выход 3 | Значения сигнала | 3004 | 0x0BBC | 2 | 3 | 16 | Float 32 |
Состояние | Пользовательские светодиоды (Fn) | 601 | 0x0259 | 1 | 3 | - | Unsigned 8 |
Изменить состояние | Пользовательские светодиоды (Fn) | 600 | 0x0258 | 1 | 3 | 16 | Unsigned 8 |
Таймаут перехода в безопасное состояние | Modbus Slave | 700 | 0x02BC | 1 | 3 | 16 | Unsigned 8 |
Скорость | Настройки порта RS-485 1 | 750 | 0x02EE | 1 | 3 | 16 | Enum 6 |
Размер данных | Настройки порта RS-485 1 | 751 | 0x02EF | 1 | 3 | 16 | Enum 2 |
Контроль чётности | Настройки порта RS-485 1 | 752 | 0x02F0 | 1 | 3 | 16 | Enum 3 |
Кол. стоп-битов | Настройки порта RS-485 1 | 753 | 0x02F1 | 1 | 3 | 16 | Enum 2 |
Slave ID | Настройки порта RS-485 1 | 754 | 0x02F2 | 1 | 3 | 16 | Unsigned 8 |
Скорость | Настройки порта RS-485 2 | 760 | 0x02F8 | 1 | 3 | 16 | Enum 6 |
Размер данных | Настройки порта RS-485 2 | 761 | 0x02F9 | 1 | 3 | 16 | Enum 2 |
Контроль чётности | Настройки порта RS-485 2 | 762 | 0x02FA | 1 | 3 | 16 | Enum 3 |
Кол. стоп-битов | Настройки порта RS-485 2 | 763 | 0x02FB | 1 | 3 | 16 | Enum 2 |
Slave ID | Настройки порта RS-485 2 | 764 | 0x02FC | 1 | 3 | 16 | Unsigned 8 |
Подключение к OwenCloud | OwenCloud | 35 | 0x0023 | 1 | 3 | 16 | Enum 2 |
Статус подключения к OwenCloud | OwenCloud | 36 | 0x0024 | 1 | 3 | - | Enum 5 |
Разрешение конфигурирования | Права удалённого доступа из OwenCloud | 701 | 0x02BD | 1 | 3 | 16 | Enum 2 |
Управление и запись значений | Права удалённого доступа из OwenCloud | 702 | 0x02BE | 1 | 3 | 16 | Enum 2 |
Доступ к регистрам Modbus | Права удалённого доступа из OwenCloud | 703 | 0x02BF | 1 | 3 | 16 | Enum 4 |
Наличие обмена | Обмен с устройствами | 2008 | 0x07D8 | 2 | 3 | - | Unsigned 32 |
Включить обмен | Обмен с устройствами | 2010 | 0x07DA | 2 | 3 | 16 | Unsigned 32 |
Время цикла | Логика | 61680 | 0xF0F0 | 2 | 3 | - | Unsigned 32 |
Состояние логики | Логика | 61682 | 0xF0F2 | 1 | 3 | - | Enum 2 |
Подсветка экрана | Настройки прибора | 768 | 0x0300 | 1 | 3 | 16 | Enum 5 |
Яркость | Настройки прибора | 769 | 0x0301 | 1 | 3 | 16 | Unsigned 8 |
Карта регистров Modbus ПР205-24.1816.02.0.0
Карта регистров Modbus ПР205-24.1816.02.0.0
Параметр | Группа | Адрес | Адрес (hex) | Количество регистров | Функция чтения | Функция записи | Тип данных |
|---|---|---|---|---|---|---|---|
Время в миллисек | Часы реального времени | 61563 | 0xF07B | 2 | 3 | - | Unsigned 32 |
Время и дата (UTC) | Часы реального времени | 61553 | 0xF071 | 2 | 3 | 16 | Date time 32 |
Часовой пояс | Часы реального времени | 61555 | 0xF073 | 1 | 3 | 16 | Enum 38 |
Секунды | Переменные даты и времени | 61557 | 0xF075 | 1 | 3 | - | Unsigned 8 |
Минуты | Переменные даты и времени | 61558 | 0xF076 | 1 | 3 | - | Unsigned 8 |
Часы | Переменные даты и времени | 61559 | 0xF077 | 1 | 3 | - | Unsigned 8 |
Дни | Переменные даты и времени | 61560 | 0xF078 | 1 | 3 | - | Unsigned 8 |
Месяцы | Переменные даты и времени | 61561 | 0xF079 | 1 | 3 | - | Unsigned 8 |
Годы | Переменные даты и времени | 61562 | 0xF07A | 1 | 3 | - | Unsigned 16 |
День недели | Переменные даты и времени | 61556 | 0xF074 | 1 | 3 | - | Enum 8 |
MAC адрес | Сетевые настройки | 61712 | 0xF110 | 9 | 3 | - | String 144 |
IP адрес | Сетевые настройки | 20 | 0x0014 | 2 | 3 | 16 | Unsigned 32 |
Маска подсети | Сетевые настройки | 22 | 0x0016 | 2 | 3 | 16 | Unsigned 32 |
IP адрес шлюза | Сетевые настройки | 24 | 0x0018 | 2 | 3 | 16 | Unsigned 32 |
DNS сервер 1 | Сетевые настройки | 12 | 0x000C | 2 | 3 | 16 | Unsigned 32 |
DNS сервер 2 | Сетевые настройки | 14 | 0x000E | 2 | 3 | 16 | Unsigned 32 |
Режим DHCP | Сетевые настройки | 32 | 0x0020 | 1 | 3 | 16 | Enum 2 |
Применить сейчас | Сетевые настройки | 33 | 0x0021 | 1 | 3 | 16 | Enum 2 |
Статус подключения | Сетевые настройки | 34 | 0x0022 | 1 | 3 | - | Enum 4 |
Напряжение | Батарея | 801 | 0x0321 | 1 | 3 | - | Unsigned 16 |
Пороговое напряжение | Батарея | 800 | 0x0320 | 1 | 3 | - | Unsigned 16 |
Состояние | Батарея | 802 | 0x0322 | 1 | 3 | - | Enum 2 |
Период обновления информации | Статус прибора | 61624 | 0xF0B8 | 1 | 3 | 16 | Unsigned 8 |
Статус | Статус прибора | 61620 | 0xF0B4 | 2 | 3 | - | Unsigned 32 |
ПРМ Слот 1. Название модуля | Статус прибора | 6000 | 0x1770 | 8 | 3 | - | String 128 |
ПРМ Слот 1. Версия ПО модуля | Статус прибора | 6016 | 0x1780 | 4 | 3 | - | String 64 |
ПРМ Слот 2. Название модуля | Статус прибора | 6032 | 0x1790 | 8 | 3 | - | String 128 |
ПРМ Слот 2. Версия ПО модуля | Статус прибора | 6048 | 0x17A0 | 4 | 3 | - | String 64 |
Ошибки | Статус прибора | 61626 | 0xF0BA | 1 | 3 | - | Unsigned 16 |
Предупреждения | Статус прибора | 61627 | 0xF0BB | 1 | 3 | - | Unsigned 16 |
Период архивирования | Архив | 900 | 0x0384 | 1 | 3 | 16 | Unsigned 16 |
Количество архивов | Архив | 901 | 0x0385 | 1 | 3 | 16 | Unsigned 16 |
Размер архива | Архив | 902 | 0x0386 | 1 | 3 | 16 | Unsigned 16 |
Последний индекс архива | Архив | 903 | 0x0387 | 1 | 3 | - | Unsigned 16 |
Состояние | Дискретные входы | 51 | 0x0033 | 1 | 3 | - | Unsigned 8 |
Инверсия | Дискретные входы | 57 | 0x0039 | 1 | 3 | 16 | Unsigned 8 |
Фильтр антидребезга | Вход 1 | 96 | 0x0060 | 1 | 3 | 16 | Unsigned 8 |
Фильтр антидребезга | Вход 2 | 97 | 0x0061 | 1 | 3 | 16 | Unsigned 8 |
Фильтр антидребезга | Вход 3 | 98 | 0x0062 | 1 | 3 | 16 | Unsigned 8 |
Фильтр антидребезга | Вход 4 | 99 | 0x0063 | 1 | 3 | 16 | Unsigned 8 |
Фильтр антидребезга | Вход 5 | 100 | 0x0064 | 1 | 3 | 16 | Unsigned 8 |
Фильтр антидребезга | Вход 6 | 101 | 0x0065 | 1 | 3 | 16 | Unsigned 8 |
Фильтр антидребезга | Вход 7 | 102 | 0x0066 | 1 | 3 | 16 | Unsigned 8 |
Фильтр антидребезга | Вход 8 | 103 | 0x0067 | 1 | 3 | 16 | Unsigned 8 |
Состояние | Быстрые дискретные входы | 52 | 0x0034 | 1 | 3 | - | Unsigned 8 |
Инверсия | Быстрые дискретные входы | 58 | 0x003A | 1 | 3 | 16 | Unsigned 8 |
Режим работы | Вход 1 | 64 | 0x0040 | 1 | 3 | 16 | Enum 3 |
Фильтр антидребезга | Вход 1 | 104 | 0x0068 | 1 | 3 | 16 | Unsigned 8 |
Фронт захвата импульса | Вход 1 | 80 | 0x0050 | 1 | 3 | 16 | Enum 2 |
Сброс счётчика импульсов | Вход 1 | 224 | 0x00E0 | 1 | 3 | 16 | Enum 2 |
Диагностика | Вход 1 | 256 | 0x0100 | 1 | 3 | - | Enum 2 |
Режим работы | Вход 2 | 65 | 0x0041 | 1 | 3 | 16 | Enum 2 |
Фильтр антидребезга | Вход 2 | 105 | 0x0069 | 1 | 3 | 16 | Unsigned 8 |
Фронт захвата импульса | Вход 2 | 81 | 0x0051 | 1 | 3 | 16 | Enum 2 |
Сброс счётчика импульсов | Вход 2 | 225 | 0x00E1 | 1 | 3 | 16 | Enum 2 |
Диагностика | Вход 2 | 257 | 0x0101 | 1 | 3 | - | Enum 2 |
Режим работы | Вход 3 | 66 | 0x0042 | 1 | 3 | 16 | Enum 3 |
Фильтр антидребезга | Вход 3 | 106 | 0x006A | 1 | 3 | 16 | Unsigned 8 |
Фронт захвата импульса | Вход 3 | 82 | 0x0052 | 1 | 3 | 16 | Enum 2 |
Сброс счётчика импульсов | Вход 3 | 226 | 0x00E2 | 1 | 3 | 16 | Enum 2 |
Диагностика | Вход 3 | 258 | 0x0102 | 1 | 3 | - | Enum 2 |
Режим работы | Вход 4 | 67 | 0x0043 | 1 | 3 | 16 | Enum 2 |
Фильтр антидребезга | Вход 4 | 107 | 0x006B | 1 | 3 | 16 | Unsigned 8 |
Фронт захвата импульса | Вход 4 | 83 | 0x0053 | 1 | 3 | 16 | Enum 2 |
Сброс счётчика импульсов | Вход 4 | 227 | 0x00E3 | 1 | 3 | 16 | Enum 2 |
Диагностика | Вход 4 | 259 | 0x0103 | 1 | 3 | - | Enum 2 |
Вход 1 | Измеренные значения | 160 | 0x00A0 | 2 | 3 | - | Unsigned 32 |
Вход 2 | Измеренные значения | 162 | 0x00A2 | 2 | 3 | - | Unsigned 32 |
Вход 3 | Измеренные значения | 164 | 0x00A4 | 2 | 3 | - | Unsigned 32 |
Вход 4 | Измеренные значения | 166 | 0x00A6 | 2 | 3 | - | Unsigned 32 |
Состояние | Дискретно-аналоговые входы | 4000 | 0x0FA0 | 1 | 3 | - | Unsigned 8 |
Инверсия | Дискретно-аналоговые входы | 4357 | 0x1105 | 1 | 3 | 16 | Unsigned 8 |
Режим работы | Вход 1 | 4100 | 0x1004 | 1 | 3 | 16 | Enum 2 |
Фильтр антидребезга | Дискретный режим | 4108 | 0x100C | 1 | 3 | 16 | Unsigned 8 |
Уровень логического нуля | Дискретный режим | 4111 | 0x100F | 2 | 3 | 16 | Float 32 |
Уровень логической единицы | Дискретный режим | 4109 | 0x100D | 2 | 3 | 16 | Float 32 |
Тип датчика | Аналоговый режим | 4101 | 0x1005 | 1 | 3 | 16 | Enum 28 |
Постоянная времени фильтра | Аналоговый режим | 4106 | 0x100A | 2 | 3 | 16 | Float 32 |
Нижняя граница измерения | Аналоговый режим | 4104 | 0x1008 | 2 | 3 | 16 | Float 32 |
Верхняя граница измерения | Аналоговый режим | 4102 | 0x1006 | 2 | 3 | 16 | Float 32 |
Режим работы | Вход 2 | 4116 | 0x1014 | 1 | 3 | 16 | Enum 2 |
Фильтр антидребезга | Дискретный режим | 4124 | 0x101C | 1 | 3 | 16 | Unsigned 8 |
Уровень логического нуля | Дискретный режим | 4127 | 0x101F | 2 | 3 | 16 | Float 32 |
Уровень логической единицы | Дискретный режим | 4125 | 0x101D | 2 | 3 | 16 | Float 32 |
Тип датчика | Аналоговый режим | 4117 | 0x1015 | 1 | 3 | 16 | Enum 28 |
Постоянная времени фильтра | Аналоговый режим | 4122 | 0x101A | 2 | 3 | 16 | Float 32 |
Нижняя граница измерения | Аналоговый режим | 4120 | 0x1018 | 2 | 3 | 16 | Float 32 |
Верхняя граница измерения | Аналоговый режим | 4118 | 0x1016 | 2 | 3 | 16 | Float 32 |
Режим работы | Вход 3 | 4132 | 0x1024 | 1 | 3 | 16 | Enum 2 |
Фильтр антидребезга | Дискретный режим | 4140 | 0x102C | 1 | 3 | 16 | Unsigned 8 |
Уровень логического нуля | Дискретный режим | 4143 | 0x102F | 2 | 3 | 16 | Float 32 |
Уровень логической единицы | Дискретный режим | 4141 | 0x102D | 2 | 3 | 16 | Float 32 |
Тип датчика | Аналоговый режим | 4133 | 0x1025 | 1 | 3 | 16 | Enum 28 |
Постоянная времени фильтра | Аналоговый режим | 4138 | 0x102A | 2 | 3 | 16 | Float 32 |
Нижняя граница измерения | Аналоговый режим | 4136 | 0x1028 | 2 | 3 | 16 | Float 32 |
Верхняя граница измерения | Аналоговый режим | 4134 | 0x1026 | 2 | 3 | 16 | Float 32 |
Режим работы | Вход 4 | 4148 | 0x1034 | 1 | 3 | 16 | Enum 2 |
Фильтр антидребезга | Дискретный режим | 4156 | 0x103C | 1 | 3 | 16 | Unsigned 8 |
Уровень логического нуля | Дискретный режим | 4159 | 0x103F | 2 | 3 | 16 | Float 32 |
Уровень логической единицы | Дискретный режим | 4157 | 0x103D | 2 | 3 | 16 | Float 32 |
Тип датчика | Аналоговый режим | 4149 | 0x1035 | 1 | 3 | 16 | Enum 28 |
Постоянная времени фильтра | Аналоговый режим | 4154 | 0x103A | 2 | 3 | 16 | Float 32 |
Нижняя граница измерения | Аналоговый режим | 4152 | 0x1038 | 2 | 3 | 16 | Float 32 |
Верхняя граница измерения | Аналоговый режим | 4150 | 0x1036 | 2 | 3 | 16 | Float 32 |
Режим работы | Вход 5 | 4164 | 0x1044 | 1 | 3 | 16 | Enum 2 |
Фильтр антидребезга | Дискретный режим | 4172 | 0x104C | 1 | 3 | 16 | Unsigned 8 |
Уровень логического нуля | Дискретный режим | 4175 | 0x104F | 2 | 3 | 16 | Float 32 |
Уровень логической единицы | Дискретный режим | 4173 | 0x104D | 2 | 3 | 16 | Float 32 |
Тип датчика | Аналоговый режим | 4165 | 0x1045 | 1 | 3 | 16 | Enum 28 |
Постоянная времени фильтра | Аналоговый режим | 4170 | 0x104A | 2 | 3 | 16 | Float 32 |
Нижняя граница измерения | Аналоговый режим | 4168 | 0x1048 | 2 | 3 | 16 | Float 32 |
Верхняя граница измерения | Аналоговый режим | 4166 | 0x1046 | 2 | 3 | 16 | Float 32 |
Режим работы | Вход 6 | 4180 | 0x1054 | 1 | 3 | 16 | Enum 2 |
Фильтр антидребезга | Дискретный режим | 4188 | 0x105C | 1 | 3 | 16 | Unsigned 8 |
Уровень логического нуля | Дискретный режим | 4191 | 0x105F | 2 | 3 | 16 | Float 32 |
Уровень логической единицы | Дискретный режим | 4189 | 0x105D | 2 | 3 | 16 | Float 32 |
Тип датчика | Аналоговый режим | 4181 | 0x1055 | 1 | 3 | 16 | Enum 28 |
Постоянная времени фильтра | Аналоговый режим | 4186 | 0x105A | 2 | 3 | 16 | Float 32 |
Нижняя граница измерения | Аналоговый режим | 4184 | 0x1058 | 2 | 3 | 16 | Float 32 |
Верхняя граница измерения | Аналоговый режим | 4182 | 0x1056 | 2 | 3 | 16 | Float 32 |
Вход 1 | Измеренные значения | 4002 | 0x0FA2 | 2 | 3 | - | Float 32 |
Вход 2 | Измеренные значения | 4004 | 0x0FA4 | 2 | 3 | - | Float 32 |
Вход 3 | Измеренные значения | 4006 | 0x0FA6 | 2 | 3 | - | Float 32 |
Вход 4 | Измеренные значения | 4008 | 0x0FA8 | 2 | 3 | - | Float 32 |
Вход 5 | Измеренные значения | 4010 | 0x0FAA | 2 | 3 | - | Float 32 |
Вход 6 | Измеренные значения | 4012 | 0x0FAC | 2 | 3 | - | Float 32 |
Вход 1 | Состояния аналоговых входов | 4014 | 0x0FAE | 1 | 3 | - | Enum 11 |
Вход 2 | Состояния аналоговых входов | 4015 | 0x0FAF | 1 | 3 | - | Enum 11 |
Вход 3 | Состояния аналоговых входов | 4016 | 0x0FB0 | 1 | 3 | - | Enum 11 |
Вход 4 | Состояния аналоговых входов | 4017 | 0x0FB1 | 1 | 3 | - | Enum 11 |
Вход 5 | Состояния аналоговых входов | 4018 | 0x0FB2 | 1 | 3 | - | Enum 11 |
Вход 6 | Состояния аналоговых входов | 4019 | 0x0FB3 | 1 | 3 | - | Enum 11 |
Изменить состояние | Дискретные выходы | 470 | 0x01D6 | 1 | 3 | 16 | Unsigned 16 |
Состояние | Дискретные выходы | 468 | 0x01D4 | 1 | 3 | - | Unsigned 16 |
Безопасное состояние | Выход 1 | 474 | 0x01DA | 1 | 3 | 16 | Enum 3 |
Безопасное состояние | Выход 2 | 475 | 0x01DB | 1 | 3 | 16 | Enum 3 |
Безопасное состояние | Выход 3 | 476 | 0x01DC | 1 | 3 | 16 | Enum 3 |
Безопасное состояние | Выход 4 | 477 | 0x01DD | 1 | 3 | 16 | Enum 3 |
Безопасное состояние | Выход 5 | 478 | 0x01DE | 1 | 3 | 16 | Enum 3 |
Безопасное состояние | Выход 6 | 479 | 0x01DF | 1 | 3 | 16 | Enum 3 |
Безопасное состояние | Выход 7 | 480 | 0x01E0 | 1 | 3 | 16 | Enum 3 |
Безопасное состояние | Выход 8 | 481 | 0x01E1 | 1 | 3 | 16 | Enum 3 |
Безопасное состояние | Выход 9 | 482 | 0x01E2 | 1 | 3 | 16 | Enum 3 |
Безопасное состояние | Выход 10 | 483 | 0x01E3 | 1 | 3 | 16 | Enum 3 |
Безопасное состояние | Выход 11 | 484 | 0x01E4 | 1 | 3 | 16 | Enum 3 |
Безопасное состояние | Выход 12 | 485 | 0x01E5 | 1 | 3 | 16 | Enum 3 |
Вид сигнала | Выход 1 | 3160 | 0x0C58 | 1 | 3 | 16 | Enum 3 |
Состояние | Выход 1 | 3128 | 0x0C38 | 1 | 3 | - | Enum 7 |
Безопасное состояние | Выход 1 | 3032 | 0x0BD8 | 2 | 3 | 16 | Float 32 |
Вид сигнала | Выход 2 | 3161 | 0x0C59 | 1 | 3 | 16 | Enum 3 |
Состояние | Выход 2 | 3129 | 0x0C39 | 1 | 3 | - | Enum 7 |
Безопасное состояние | Выход 2 | 3034 | 0x0BDA | 2 | 3 | 16 | Float 32 |
Вид сигнала | Выход 3 | 3162 | 0x0C5A | 1 | 3 | 16 | Enum 3 |
Состояние | Выход 3 | 3130 | 0x0C3A | 1 | 3 | - | Enum 7 |
Безопасное состояние | Выход 3 | 3036 | 0x0BDC | 2 | 3 | 16 | Float 32 |
Вид сигнала | Выход 4 | 3163 | 0x0C5B | 1 | 3 | 16 | Enum 3 |
Состояние | Выход 4 | 3131 | 0x0C3B | 1 | 3 | - | Enum 7 |
Безопасное состояние | Выход 4 | 3038 | 0x0BDE | 2 | 3 | 16 | Float 32 |
Выход 1 | Значения сигнала | 3000 | 0x0BB8 | 2 | 3 | 16 | Float 32 |
Выход 2 | Значения сигнала | 3002 | 0x0BBA | 2 | 3 | 16 | Float 32 |
Выход 3 | Значения сигнала | 3004 | 0x0BBC | 2 | 3 | 16 | Float 32 |
Выход 4 | Значения сигнала | 3006 | 0x0BBE | 2 | 3 | 16 | Float 32 |
Состояние | Пользовательские светодиоды (Fn) | 601 | 0x0259 | 1 | 3 | - | Unsigned 8 |
Изменить состояние | Пользовательские светодиоды (Fn) | 600 | 0x0258 | 1 | 3 | 16 | Unsigned 8 |
Таймаут перехода в безопасное состояние | Modbus Slave | 700 | 0x02BC | 1 | 3 | 16 | Unsigned 8 |
Подключение к OwenCloud | OwenCloud | 35 | 0x0023 | 1 | 3 | 16 | Enum 2 |
Статус подключения к OwenCloud | OwenCloud | 36 | 0x0024 | 1 | 3 | - | Enum 5 |
Разрешение конфигурирования | Права удалённого доступа из OwenCloud | 701 | 0x02BD | 1 | 3 | 16 | Enum 2 |
Управление и запись значений | Права удалённого доступа из OwenCloud | 702 | 0x02BE | 1 | 3 | 16 | Enum 2 |
Доступ к регистрам Modbus | Права удалённого доступа из OwenCloud | 703 | 0x02BF | 1 | 3 | 16 | Enum 4 |
Наличие обмена | Обмен с устройствами | 2008 | 0x07D8 | 2 | 3 | - | Unsigned 32 |
Включить обмен | Обмен с устройствами | 2010 | 0x07DA | 2 | 3 | 16 | Unsigned 32 |
Время цикла | Логика | 61680 | 0xF0F0 | 2 | 3 | - | Unsigned 32 |
Состояние логики | Логика | 61682 | 0xF0F2 | 1 | 3 | - | Enum 2 |
Подсветка экрана | Настройки прибора | 768 | 0x0300 | 1 | 3 | 16 | Enum 5 |
Яркость | Настройки прибора | 769 | 0x0301 | 1 | 3 | 16 | Unsigned 8 |
Карта регистров Modbus ПР205-24.1816.02.2.0
Карта регистров Modbus ПР205-24.1816.02.2.0
Параметр | Группа | Адрес | Адрес (hex) | Количество регистров | Функция чтения | Функция записи | Тип данных |
|---|---|---|---|---|---|---|---|
Время в миллисек | Часы реального времени | 61563 | 0xF07B | 2 | 3 | - | Unsigned 32 |
Время и дата (UTC) | Часы реального времени | 61553 | 0xF071 | 2 | 3 | 16 | Date time 32 |
Часовой пояс | Часы реального времени | 61555 | 0xF073 | 1 | 3 | 16 | Enum 38 |
Секунды | Переменные даты и времени | 61557 | 0xF075 | 1 | 3 | - | Unsigned 8 |
Минуты | Переменные даты и времени | 61558 | 0xF076 | 1 | 3 | - | Unsigned 8 |
Часы | Переменные даты и времени | 61559 | 0xF077 | 1 | 3 | - | Unsigned 8 |
Дни | Переменные даты и времени | 61560 | 0xF078 | 1 | 3 | - | Unsigned 8 |
Месяцы | Переменные даты и времени | 61561 | 0xF079 | 1 | 3 | - | Unsigned 8 |
Годы | Переменные даты и времени | 61562 | 0xF07A | 1 | 3 | - | Unsigned 16 |
День недели | Переменные даты и времени | 61556 | 0xF074 | 1 | 3 | - | Enum 8 |
MAC адрес | Сетевые настройки | 61712 | 0xF110 | 9 | 3 | - | String 144 |
IP адрес | Сетевые настройки | 20 | 0x0014 | 2 | 3 | 16 | Unsigned 32 |
Маска подсети | Сетевые настройки | 22 | 0x0016 | 2 | 3 | 16 | Unsigned 32 |
IP адрес шлюза | Сетевые настройки | 24 | 0x0018 | 2 | 3 | 16 | Unsigned 32 |
DNS сервер 1 | Сетевые настройки | 12 | 0x000C | 2 | 3 | 16 | Unsigned 32 |
DNS сервер 2 | Сетевые настройки | 14 | 0x000E | 2 | 3 | 16 | Unsigned 32 |
Режим DHCP | Сетевые настройки | 32 | 0x0020 | 1 | 3 | 16 | Enum 2 |
Применить сейчас | Сетевые настройки | 33 | 0x0021 | 1 | 3 | 16 | Enum 2 |
Статус подключения | Сетевые настройки | 34 | 0x0022 | 1 | 3 | - | Enum 4 |
Напряжение | Батарея | 801 | 0x0321 | 1 | 3 | - | Unsigned 16 |
Пороговое напряжение | Батарея | 800 | 0x0320 | 1 | 3 | - | Unsigned 16 |
Состояние | Батарея | 802 | 0x0322 | 1 | 3 | - | Enum 2 |
Период обновления информации | Статус прибора | 61624 | 0xF0B8 | 1 | 3 | 16 | Unsigned 8 |
Статус | Статус прибора | 61620 | 0xF0B4 | 2 | 3 | - | Unsigned 32 |
ПРМ Слот 1. Название модуля | Статус прибора | 6000 | 0x1770 | 8 | 3 | - | String 128 |
ПРМ Слот 1. Версия ПО модуля | Статус прибора | 6016 | 0x1780 | 4 | 3 | - | String 64 |
ПРМ Слот 2. Название модуля | Статус прибора | 6032 | 0x1790 | 8 | 3 | - | String 128 |
ПРМ Слот 2. Версия ПО модуля | Статус прибора | 6048 | 0x17A0 | 4 | 3 | - | String 64 |
Ошибки | Статус прибора | 61626 | 0xF0BA | 1 | 3 | - | Unsigned 16 |
Предупреждения | Статус прибора | 61627 | 0xF0BB | 1 | 3 | - | Unsigned 16 |
Период архивирования | Архив | 900 | 0x0384 | 1 | 3 | 16 | Unsigned 16 |
Количество архивов | Архив | 901 | 0x0385 | 1 | 3 | 16 | Unsigned 16 |
Размер архива | Архив | 902 | 0x0386 | 1 | 3 | 16 | Unsigned 16 |
Последний индекс архива | Архив | 903 | 0x0387 | 1 | 3 | - | Unsigned 16 |
Состояние | Дискретные входы | 51 | 0x0033 | 1 | 3 | - | Unsigned 8 |
Инверсия | Дискретные входы | 57 | 0x0039 | 1 | 3 | 16 | Unsigned 8 |
Фильтр антидребезга | Вход 1 | 96 | 0x0060 | 1 | 3 | 16 | Unsigned 8 |
Фильтр антидребезга | Вход 2 | 97 | 0x0061 | 1 | 3 | 16 | Unsigned 8 |
Фильтр антидребезга | Вход 3 | 98 | 0x0062 | 1 | 3 | 16 | Unsigned 8 |
Фильтр антидребезга | Вход 4 | 99 | 0x0063 | 1 | 3 | 16 | Unsigned 8 |
Фильтр антидребезга | Вход 5 | 100 | 0x0064 | 1 | 3 | 16 | Unsigned 8 |
Фильтр антидребезга | Вход 6 | 101 | 0x0065 | 1 | 3 | 16 | Unsigned 8 |
Фильтр антидребезга | Вход 7 | 102 | 0x0066 | 1 | 3 | 16 | Unsigned 8 |
Фильтр антидребезга | Вход 8 | 103 | 0x0067 | 1 | 3 | 16 | Unsigned 8 |
Состояние | Быстрые дискретные входы | 52 | 0x0034 | 1 | 3 | - | Unsigned 8 |
Инверсия | Быстрые дискретные входы | 58 | 0x003A | 1 | 3 | 16 | Unsigned 8 |
Режим работы | Вход 1 | 64 | 0x0040 | 1 | 3 | 16 | Enum 3 |
Фильтр антидребезга | Вход 1 | 104 | 0x0068 | 1 | 3 | 16 | Unsigned 8 |
Фронт захвата импульса | Вход 1 | 80 | 0x0050 | 1 | 3 | 16 | Enum 2 |
Сброс счётчика импульсов | Вход 1 | 224 | 0x00E0 | 1 | 3 | 16 | Enum 2 |
Диагностика | Вход 1 | 256 | 0x0100 | 1 | 3 | - | Enum 2 |
Режим работы | Вход 2 | 65 | 0x0041 | 1 | 3 | 16 | Enum 2 |
Фильтр антидребезга | Вход 2 | 105 | 0x0069 | 1 | 3 | 16 | Unsigned 8 |
Фронт захвата импульса | Вход 2 | 81 | 0x0051 | 1 | 3 | 16 | Enum 2 |
Сброс счётчика импульсов | Вход 2 | 225 | 0x00E1 | 1 | 3 | 16 | Enum 2 |
Диагностика | Вход 2 | 257 | 0x0101 | 1 | 3 | - | Enum 2 |
Режим работы | Вход 3 | 66 | 0x0042 | 1 | 3 | 16 | Enum 3 |
Фильтр антидребезга | Вход 3 | 106 | 0x006A | 1 | 3 | 16 | Unsigned 8 |
Фронт захвата импульса | Вход 3 | 82 | 0x0052 | 1 | 3 | 16 | Enum 2 |
Сброс счётчика импульсов | Вход 3 | 226 | 0x00E2 | 1 | 3 | 16 | Enum 2 |
Диагностика | Вход 3 | 258 | 0x0102 | 1 | 3 | - | Enum 2 |
Режим работы | Вход 4 | 67 | 0x0043 | 1 | 3 | 16 | Enum 2 |
Фильтр антидребезга | Вход 4 | 107 | 0x006B | 1 | 3 | 16 | Unsigned 8 |
Фронт захвата импульса | Вход 4 | 83 | 0x0053 | 1 | 3 | 16 | Enum 2 |
Сброс счётчика импульсов | Вход 4 | 227 | 0x00E3 | 1 | 3 | 16 | Enum 2 |
Диагностика | Вход 4 | 259 | 0x0103 | 1 | 3 | - | Enum 2 |
Вход 1 | Измеренные значения | 160 | 0x00A0 | 2 | 3 | - | Unsigned 32 |
Вход 2 | Измеренные значения | 162 | 0x00A2 | 2 | 3 | - | Unsigned 32 |
Вход 3 | Измеренные значения | 164 | 0x00A4 | 2 | 3 | - | Unsigned 32 |
Вход 4 | Измеренные значения | 166 | 0x00A6 | 2 | 3 | - | Unsigned 32 |
Состояние | Дискретно-аналоговые входы | 4000 | 0x0FA0 | 1 | 3 | - | Unsigned 8 |
Инверсия | Дискретно-аналоговые входы | 4357 | 0x1105 | 1 | 3 | 16 | Unsigned 8 |
Режим работы | Вход 1 | 4100 | 0x1004 | 1 | 3 | 16 | Enum 2 |
Фильтр антидребезга | Дискретный режим | 4108 | 0x100C | 1 | 3 | 16 | Unsigned 8 |
Уровень логического нуля | Дискретный режим | 4111 | 0x100F | 2 | 3 | 16 | Float 32 |
Уровень логической единицы | Дискретный режим | 4109 | 0x100D | 2 | 3 | 16 | Float 32 |
Тип датчика | Аналоговый режим | 4101 | 0x1005 | 1 | 3 | 16 | Enum 28 |
Постоянная времени фильтра | Аналоговый режим | 4106 | 0x100A | 2 | 3 | 16 | Float 32 |
Нижняя граница измерения | Аналоговый режим | 4104 | 0x1008 | 2 | 3 | 16 | Float 32 |
Верхняя граница измерения | Аналоговый режим | 4102 | 0x1006 | 2 | 3 | 16 | Float 32 |
Режим работы | Вход 2 | 4116 | 0x1014 | 1 | 3 | 16 | Enum 2 |
Фильтр антидребезга | Дискретный режим | 4124 | 0x101C | 1 | 3 | 16 | Unsigned 8 |
Уровень логического нуля | Дискретный режим | 4127 | 0x101F | 2 | 3 | 16 | Float 32 |
Уровень логической единицы | Дискретный режим | 4125 | 0x101D | 2 | 3 | 16 | Float 32 |
Тип датчика | Аналоговый режим | 4117 | 0x1015 | 1 | 3 | 16 | Enum 28 |
Постоянная времени фильтра | Аналоговый режим | 4122 | 0x101A | 2 | 3 | 16 | Float 32 |
Нижняя граница измерения | Аналоговый режим | 4120 | 0x1018 | 2 | 3 | 16 | Float 32 |
Верхняя граница измерения | Аналоговый режим | 4118 | 0x1016 | 2 | 3 | 16 | Float 32 |
Режим работы | Вход 3 | 4132 | 0x1024 | 1 | 3 | 16 | Enum 2 |
Фильтр антидребезга | Дискретный режим | 4140 | 0x102C | 1 | 3 | 16 | Unsigned 8 |
Уровень логического нуля | Дискретный режим | 4143 | 0x102F | 2 | 3 | 16 | Float 32 |
Уровень логической единицы | Дискретный режим | 4141 | 0x102D | 2 | 3 | 16 | Float 32 |
Тип датчика | Аналоговый режим | 4133 | 0x1025 | 1 | 3 | 16 | Enum 28 |
Постоянная времени фильтра | Аналоговый режим | 4138 | 0x102A | 2 | 3 | 16 | Float 32 |
Нижняя граница измерения | Аналоговый режим | 4136 | 0x1028 | 2 | 3 | 16 | Float 32 |
Верхняя граница измерения | Аналоговый режим | 4134 | 0x1026 | 2 | 3 | 16 | Float 32 |
Режим работы | Вход 4 | 4148 | 0x1034 | 1 | 3 | 16 | Enum 2 |
Фильтр антидребезга | Дискретный режим | 4156 | 0x103C | 1 | 3 | 16 | Unsigned 8 |
Уровень логического нуля | Дискретный режим | 4159 | 0x103F | 2 | 3 | 16 | Float 32 |
Уровень логической единицы | Дискретный режим | 4157 | 0x103D | 2 | 3 | 16 | Float 32 |
Тип датчика | Аналоговый режим | 4149 | 0x1035 | 1 | 3 | 16 | Enum 28 |
Постоянная времени фильтра | Аналоговый режим | 4154 | 0x103A | 2 | 3 | 16 | Float 32 |
Нижняя граница измерения | Аналоговый режим | 4152 | 0x1038 | 2 | 3 | 16 | Float 32 |
Верхняя граница измерения | Аналоговый режим | 4150 | 0x1036 | 2 | 3 | 16 | Float 32 |
Режим работы | Вход 5 | 4164 | 0x1044 | 1 | 3 | 16 | Enum 2 |
Фильтр антидребезга | Дискретный режим | 4172 | 0x104C | 1 | 3 | 16 | Unsigned 8 |
Уровень логического нуля | Дискретный режим | 4175 | 0x104F | 2 | 3 | 16 | Float 32 |
Уровень логической единицы | Дискретный режим | 4173 | 0x104D | 2 | 3 | 16 | Float 32 |
Тип датчика | Аналоговый режим | 4165 | 0x1045 | 1 | 3 | 16 | Enum 28 |
Постоянная времени фильтра | Аналоговый режим | 4170 | 0x104A | 2 | 3 | 16 | Float 32 |
Нижняя граница измерения | Аналоговый режим | 4168 | 0x1048 | 2 | 3 | 16 | Float 32 |
Верхняя граница измерения | Аналоговый режим | 4166 | 0x1046 | 2 | 3 | 16 | Float 32 |
Режим работы | Вход 6 | 4180 | 0x1054 | 1 | 3 | 16 | Enum 2 |
Фильтр антидребезга | Дискретный режим | 4188 | 0x105C | 1 | 3 | 16 | Unsigned 8 |
Уровень логического нуля | Дискретный режим | 4191 | 0x105F | 2 | 3 | 16 | Float 32 |
Уровень логической единицы | Дискретный режим | 4189 | 0x105D | 2 | 3 | 16 | Float 32 |
Тип датчика | Аналоговый режим | 4181 | 0x1055 | 1 | 3 | 16 | Enum 28 |
Постоянная времени фильтра | Аналоговый режим | 4186 | 0x105A | 2 | 3 | 16 | Float 32 |
Нижняя граница измерения | Аналоговый режим | 4184 | 0x1058 | 2 | 3 | 16 | Float 32 |
Верхняя граница измерения | Аналоговый режим | 4182 | 0x1056 | 2 | 3 | 16 | Float 32 |
Вход 1 | Измеренные значения | 4002 | 0x0FA2 | 2 | 3 | - | Float 32 |
Вход 2 | Измеренные значения | 4004 | 0x0FA4 | 2 | 3 | - | Float 32 |
Вход 3 | Измеренные значения | 4006 | 0x0FA6 | 2 | 3 | - | Float 32 |
Вход 4 | Измеренные значения | 4008 | 0x0FA8 | 2 | 3 | - | Float 32 |
Вход 5 | Измеренные значения | 4010 | 0x0FAA | 2 | 3 | - | Float 32 |
Вход 6 | Измеренные значения | 4012 | 0x0FAC | 2 | 3 | - | Float 32 |
Вход 1 | Состояния аналоговых входов | 4014 | 0x0FAE | 1 | 3 | - | Enum 11 |
Вход 2 | Состояния аналоговых входов | 4015 | 0x0FAF | 1 | 3 | - | Enum 11 |
Вход 3 | Состояния аналоговых входов | 4016 | 0x0FB0 | 1 | 3 | - | Enum 11 |
Вход 4 | Состояния аналоговых входов | 4017 | 0x0FB1 | 1 | 3 | - | Enum 11 |
Вход 5 | Состояния аналоговых входов | 4018 | 0x0FB2 | 1 | 3 | - | Enum 11 |
Вход 6 | Состояния аналоговых входов | 4019 | 0x0FB3 | 1 | 3 | - | Enum 11 |
Изменить состояние | Дискретные выходы | 470 | 0x01D6 | 1 | 3 | 16 | Unsigned 16 |
Состояние | Дискретные выходы | 468 | 0x01D4 | 1 | 3 | - | Unsigned 16 |
Безопасное состояние | Выход 1 | 474 | 0x01DA | 1 | 3 | 16 | Enum 3 |
Безопасное состояние | Выход 2 | 475 | 0x01DB | 1 | 3 | 16 | Enum 3 |
Безопасное состояние | Выход 3 | 476 | 0x01DC | 1 | 3 | 16 | Enum 3 |
Безопасное состояние | Выход 4 | 477 | 0x01DD | 1 | 3 | 16 | Enum 3 |
Безопасное состояние | Выход 5 | 478 | 0x01DE | 1 | 3 | 16 | Enum 3 |
Безопасное состояние | Выход 6 | 479 | 0x01DF | 1 | 3 | 16 | Enum 3 |
Безопасное состояние | Выход 7 | 480 | 0x01E0 | 1 | 3 | 16 | Enum 3 |
Безопасное состояние | Выход 8 | 481 | 0x01E1 | 1 | 3 | 16 | Enum 3 |
Безопасное состояние | Выход 9 | 482 | 0x01E2 | 1 | 3 | 16 | Enum 3 |
Безопасное состояние | Выход 10 | 483 | 0x01E3 | 1 | 3 | 16 | Enum 3 |
Безопасное состояние | Выход 11 | 484 | 0x01E4 | 1 | 3 | 16 | Enum 3 |
Безопасное состояние | Выход 12 | 485 | 0x01E5 | 1 | 3 | 16 | Enum 3 |
Вид сигнала | Выход 1 | 3160 | 0x0C58 | 1 | 3 | 16 | Enum 3 |
Состояние | Выход 1 | 3128 | 0x0C38 | 1 | 3 | - | Enum 7 |
Безопасное состояние | Выход 1 | 3032 | 0x0BD8 | 2 | 3 | 16 | Float 32 |
Вид сигнала | Выход 2 | 3161 | 0x0C59 | 1 | 3 | 16 | Enum 3 |
Состояние | Выход 2 | 3129 | 0x0C39 | 1 | 3 | - | Enum 7 |
Безопасное состояние | Выход 2 | 3034 | 0x0BDA | 2 | 3 | 16 | Float 32 |
Вид сигнала | Выход 3 | 3162 | 0x0C5A | 1 | 3 | 16 | Enum 3 |
Состояние | Выход 3 | 3130 | 0x0C3A | 1 | 3 | - | Enum 7 |
Безопасное состояние | Выход 3 | 3036 | 0x0BDC | 2 | 3 | 16 | Float 32 |
Вид сигнала | Выход 4 | 3163 | 0x0C5B | 1 | 3 | 16 | Enum 3 |
Состояние | Выход 4 | 3131 | 0x0C3B | 1 | 3 | - | Enum 7 |
Безопасное состояние | Выход 4 | 3038 | 0x0BDE | 2 | 3 | 16 | Float 32 |
Выход 1 | Значения сигнала | 3000 | 0x0BB8 | 2 | 3 | 16 | Float 32 |
Выход 2 | Значения сигнала | 3002 | 0x0BBA | 2 | 3 | 16 | Float 32 |
Выход 3 | Значения сигнала | 3004 | 0x0BBC | 2 | 3 | 16 | Float 32 |
Выход 4 | Значения сигнала | 3006 | 0x0BBE | 2 | 3 | 16 | Float 32 |
Состояние | Пользовательские светодиоды (Fn) | 601 | 0x0259 | 1 | 3 | - | Unsigned 8 |
Изменить состояние | Пользовательские светодиоды (Fn) | 600 | 0x0258 | 1 | 3 | 16 | Unsigned 8 |
Таймаут перехода в безопасное состояние | Modbus Slave | 700 | 0x02BC | 1 | 3 | 16 | Unsigned 8 |
Скорость | Настройки порта RS-485 1 | 750 | 0x02EE | 1 | 3 | 16 | Enum 6 |
Размер данных | Настройки порта RS-485 1 | 751 | 0x02EF | 1 | 3 | 16 | Enum 2 |
Контроль чётности | Настройки порта RS-485 1 | 752 | 0x02F0 | 1 | 3 | 16 | Enum 3 |
Кол. стоп-битов | Настройки порта RS-485 1 | 753 | 0x02F1 | 1 | 3 | 16 | Enum 2 |
Slave ID | Настройки порта RS-485 1 | 754 | 0x02F2 | 1 | 3 | 16 | Unsigned 8 |
Скорость | Настройки порта RS-485 2 | 760 | 0x02F8 | 1 | 3 | 16 | Enum 6 |
Размер данных | Настройки порта RS-485 2 | 761 | 0x02F9 | 1 | 3 | 16 | Enum 2 |
Контроль чётности | Настройки порта RS-485 2 | 762 | 0x02FA | 1 | 3 | 16 | Enum 3 |
Кол. стоп-битов | Настройки порта RS-485 2 | 763 | 0x02FB | 1 | 3 | 16 | Enum 2 |
Slave ID | Настройки порта RS-485 2 | 764 | 0x02FC | 1 | 3 | 16 | Unsigned 8 |
Подключение к OwenCloud | OwenCloud | 35 | 0x0023 | 1 | 3 | 16 | Enum 2 |
Статус подключения к OwenCloud | OwenCloud | 36 | 0x0024 | 1 | 3 | - | Enum 5 |
Разрешение конфигурирования | Права удалённого доступа из OwenCloud | 701 | 0x02BD | 1 | 3 | 16 | Enum 2 |
Управление и запись значений | Права удалённого доступа из OwenCloud | 702 | 0x02BE | 1 | 3 | 16 | Enum 2 |
Доступ к регистрам Modbus | Права удалённого доступа из OwenCloud | 703 | 0x02BF | 1 | 3 | 16 | Enum 4 |
Наличие обмена | Обмен с устройствами | 2008 | 0x07D8 | 2 | 3 | - | Unsigned 32 |
Включить обмен | Обмен с устройствами | 2010 | 0x07DA | 2 | 3 | 16 | Unsigned 32 |
Время цикла | Логика | 61680 | 0xF0F0 | 2 | 3 | - | Unsigned 32 |
Состояние логики | Логика | 61682 | 0xF0F2 | 1 | 3 | - | Enum 2 |
Подсветка экрана | Настройки прибора | 768 | 0x0300 | 1 | 3 | 16 | Enum 5 |
Яркость | Настройки прибора | 769 | 0x0301 | 1 | 3 | 16 | Unsigned 8 |
Карта регистров Modbus ПР205-24.1816.06.0.0
Карта регистров Modbus ПР205-24.1816.06.0.0
Параметр | Группа | Адрес | Адрес (hex) | Количество регистров | Функция чтения | Функция записи | Тип данных |
|---|---|---|---|---|---|---|---|
Время в миллисек | Часы реального времени | 61563 | 0xF07B | 2 | 3 | - | Unsigned 32 |
Время и дата (UTC) | Часы реального времени | 61553 | 0xF071 | 2 | 3 | 16 | Date time 32 |
Часовой пояс | Часы реального времени | 61555 | 0xF073 | 1 | 3 | 16 | Enum 38 |
Секунды | Переменные даты и времени | 61557 | 0xF075 | 1 | 3 | - | Unsigned 8 |
Минуты | Переменные даты и времени | 61558 | 0xF076 | 1 | 3 | - | Unsigned 8 |
Часы | Переменные даты и времени | 61559 | 0xF077 | 1 | 3 | - | Unsigned 8 |
Дни | Переменные даты и времени | 61560 | 0xF078 | 1 | 3 | - | Unsigned 8 |
Месяцы | Переменные даты и времени | 61561 | 0xF079 | 1 | 3 | - | Unsigned 8 |
Годы | Переменные даты и времени | 61562 | 0xF07A | 1 | 3 | - | Unsigned 16 |
День недели | Переменные даты и времени | 61556 | 0xF074 | 1 | 3 | - | Enum 8 |
MAC адрес | Сетевые настройки | 61712 | 0xF110 | 9 | 3 | - | String 144 |
IP адрес | Сетевые настройки | 20 | 0x0014 | 2 | 3 | 16 | Unsigned 32 |
Маска подсети | Сетевые настройки | 22 | 0x0016 | 2 | 3 | 16 | Unsigned 32 |
IP адрес шлюза | Сетевые настройки | 24 | 0x0018 | 2 | 3 | 16 | Unsigned 32 |
DNS сервер 1 | Сетевые настройки | 12 | 0x000C | 2 | 3 | 16 | Unsigned 32 |
DNS сервер 2 | Сетевые настройки | 14 | 0x000E | 2 | 3 | 16 | Unsigned 32 |
Режим DHCP | Сетевые настройки | 32 | 0x0020 | 1 | 3 | 16 | Enum 2 |
Применить сейчас | Сетевые настройки | 33 | 0x0021 | 1 | 3 | 16 | Enum 2 |
Статус подключения | Сетевые настройки | 34 | 0x0022 | 1 | 3 | - | Enum 4 |
Напряжение | Батарея | 801 | 0x0321 | 1 | 3 | - | Unsigned 16 |
Пороговое напряжение | Батарея | 800 | 0x0320 | 1 | 3 | - | Unsigned 16 |
Состояние | Батарея | 802 | 0x0322 | 1 | 3 | - | Enum 2 |
Период обновления информации | Статус прибора | 61624 | 0xF0B8 | 1 | 3 | 16 | Unsigned 8 |
Статус | Статус прибора | 61620 | 0xF0B4 | 2 | 3 | - | Unsigned 32 |
ПРМ Слот 1. Название модуля | Статус прибора | 6000 | 0x1770 | 8 | 3 | - | String 128 |
ПРМ Слот 1. Версия ПО модуля | Статус прибора | 6016 | 0x1780 | 4 | 3 | - | String 64 |
ПРМ Слот 2. Название модуля | Статус прибора | 6032 | 0x1790 | 8 | 3 | - | String 128 |
ПРМ Слот 2. Версия ПО модуля | Статус прибора | 6048 | 0x17A0 | 4 | 3 | - | String 64 |
Ошибки | Статус прибора | 61626 | 0xF0BA | 1 | 3 | - | Unsigned 16 |
Предупреждения | Статус прибора | 61627 | 0xF0BB | 1 | 3 | - | Unsigned 16 |
Период архивирования | Архив | 900 | 0x0384 | 1 | 3 | 16 | Unsigned 16 |
Количество архивов | Архив | 901 | 0x0385 | 1 | 3 | 16 | Unsigned 16 |
Размер архива | Архив | 902 | 0x0386 | 1 | 3 | 16 | Unsigned 16 |
Последний индекс архива | Архив | 903 | 0x0387 | 1 | 3 | - | Unsigned 16 |
Состояние | Дискретные входы | 51 | 0x0033 | 1 | 3 | - | Unsigned 8 |
Инверсия | Дискретные входы | 57 | 0x0039 | 1 | 3 | 16 | Unsigned 8 |
Фильтр антидребезга | Вход 1 | 96 | 0x0060 | 1 | 3 | 16 | Unsigned 8 |
Фильтр антидребезга | Вход 2 | 97 | 0x0061 | 1 | 3 | 16 | Unsigned 8 |
Фильтр антидребезга | Вход 3 | 98 | 0x0062 | 1 | 3 | 16 | Unsigned 8 |
Фильтр антидребезга | Вход 4 | 99 | 0x0063 | 1 | 3 | 16 | Unsigned 8 |
Фильтр антидребезга | Вход 5 | 100 | 0x0064 | 1 | 3 | 16 | Unsigned 8 |
Фильтр антидребезга | Вход 6 | 101 | 0x0065 | 1 | 3 | 16 | Unsigned 8 |
Фильтр антидребезга | Вход 7 | 102 | 0x0066 | 1 | 3 | 16 | Unsigned 8 |
Фильтр антидребезга | Вход 8 | 103 | 0x0067 | 1 | 3 | 16 | Unsigned 8 |
Состояние | Быстрые дискретные входы | 52 | 0x0034 | 1 | 3 | - | Unsigned 8 |
Инверсия | Быстрые дискретные входы | 58 | 0x003A | 1 | 3 | 16 | Unsigned 8 |
Режим работы | Вход 1 | 64 | 0x0040 | 1 | 3 | 16 | Enum 3 |
Фильтр антидребезга | Вход 1 | 104 | 0x0068 | 1 | 3 | 16 | Unsigned 8 |
Фронт захвата импульса | Вход 1 | 80 | 0x0050 | 1 | 3 | 16 | Enum 2 |
Сброс счётчика импульсов | Вход 1 | 224 | 0x00E0 | 1 | 3 | 16 | Enum 2 |
Диагностика | Вход 1 | 256 | 0x0100 | 1 | 3 | - | Enum 2 |
Режим работы | Вход 2 | 65 | 0x0041 | 1 | 3 | 16 | Enum 2 |
Фильтр антидребезга | Вход 2 | 105 | 0x0069 | 1 | 3 | 16 | Unsigned 8 |
Фронт захвата импульса | Вход 2 | 81 | 0x0051 | 1 | 3 | 16 | Enum 2 |
Сброс счётчика импульсов | Вход 2 | 225 | 0x00E1 | 1 | 3 | 16 | Enum 2 |
Диагностика | Вход 2 | 257 | 0x0101 | 1 | 3 | - | Enum 2 |
Режим работы | Вход 3 | 66 | 0x0042 | 1 | 3 | 16 | Enum 3 |
Фильтр антидребезга | Вход 3 | 106 | 0x006A | 1 | 3 | 16 | Unsigned 8 |
Фронт захвата импульса | Вход 3 | 82 | 0x0052 | 1 | 3 | 16 | Enum 2 |
Сброс счётчика импульсов | Вход 3 | 226 | 0x00E2 | 1 | 3 | 16 | Enum 2 |
Диагностика | Вход 3 | 258 | 0x0102 | 1 | 3 | - | Enum 2 |
Режим работы | Вход 4 | 67 | 0x0043 | 1 | 3 | 16 | Enum 2 |
Фильтр антидребезга | Вход 4 | 107 | 0x006B | 1 | 3 | 16 | Unsigned 8 |
Фронт захвата импульса | Вход 4 | 83 | 0x0053 | 1 | 3 | 16 | Enum 2 |
Сброс счётчика импульсов | Вход 4 | 227 | 0x00E3 | 1 | 3 | 16 | Enum 2 |
Диагностика | Вход 4 | 259 | 0x0103 | 1 | 3 | - | Enum 2 |
Вход 1 | Измеренные значения | 160 | 0x00A0 | 2 | 3 | - | Unsigned 32 |
Вход 2 | Измеренные значения | 162 | 0x00A2 | 2 | 3 | - | Unsigned 32 |
Вход 3 | Измеренные значения | 164 | 0x00A4 | 2 | 3 | - | Unsigned 32 |
Вход 4 | Измеренные значения | 166 | 0x00A6 | 2 | 3 | - | Unsigned 32 |
Состояние | Дискретно-аналоговые входы | 4000 | 0x0FA0 | 1 | 3 | - | Unsigned 8 |
Инверсия | Дискретно-аналоговые входы | 4357 | 0x1105 | 1 | 3 | 16 | Unsigned 8 |
Режим работы | Вход 1 | 4100 | 0x1004 | 1 | 3 | 16 | Enum 2 |
Фильтр антидребезга | Дискретный режим | 4108 | 0x100C | 1 | 3 | 16 | Unsigned 8 |
Уровень логического нуля | Дискретный режим | 4111 | 0x100F | 2 | 3 | 16 | Float 32 |
Уровень логической единицы | Дискретный режим | 4109 | 0x100D | 2 | 3 | 16 | Float 32 |
Тип датчика | Аналоговый режим | 4101 | 0x1005 | 1 | 3 | 16 | Enum 28 |
Постоянная времени фильтра | Аналоговый режим | 4106 | 0x100A | 2 | 3 | 16 | Float 32 |
Нижняя граница измерения | Аналоговый режим | 4104 | 0x1008 | 2 | 3 | 16 | Float 32 |
Верхняя граница измерения | Аналоговый режим | 4102 | 0x1006 | 2 | 3 | 16 | Float 32 |
Режим работы | Вход 2 | 4116 | 0x1014 | 1 | 3 | 16 | Enum 2 |
Фильтр антидребезга | Дискретный режим | 4124 | 0x101C | 1 | 3 | 16 | Unsigned 8 |
Уровень логического нуля | Дискретный режим | 4127 | 0x101F | 2 | 3 | 16 | Float 32 |
Уровень логической единицы | Дискретный режим | 4125 | 0x101D | 2 | 3 | 16 | Float 32 |
Тип датчика | Аналоговый режим | 4117 | 0x1015 | 1 | 3 | 16 | Enum 28 |
Постоянная времени фильтра | Аналоговый режим | 4122 | 0x101A | 2 | 3 | 16 | Float 32 |
Нижняя граница измерения | Аналоговый режим | 4120 | 0x1018 | 2 | 3 | 16 | Float 32 |
Верхняя граница измерения | Аналоговый режим | 4118 | 0x1016 | 2 | 3 | 16 | Float 32 |
Режим работы | Вход 3 | 4132 | 0x1024 | 1 | 3 | 16 | Enum 2 |
Фильтр антидребезга | Дискретный режим | 4140 | 0x102C | 1 | 3 | 16 | Unsigned 8 |
Уровень логического нуля | Дискретный режим | 4143 | 0x102F | 2 | 3 | 16 | Float 32 |
Уровень логической единицы | Дискретный режим | 4141 | 0x102D | 2 | 3 | 16 | Float 32 |
Тип датчика | Аналоговый режим | 4133 | 0x1025 | 1 | 3 | 16 | Enum 28 |
Постоянная времени фильтра | Аналоговый режим | 4138 | 0x102A | 2 | 3 | 16 | Float 32 |
Нижняя граница измерения | Аналоговый режим | 4136 | 0x1028 | 2 | 3 | 16 | Float 32 |
Верхняя граница измерения | Аналоговый режим | 4134 | 0x1026 | 2 | 3 | 16 | Float 32 |
Режим работы | Вход 4 | 4148 | 0x1034 | 1 | 3 | 16 | Enum 2 |
Фильтр антидребезга | Дискретный режим | 4156 | 0x103C | 1 | 3 | 16 | Unsigned 8 |
Уровень логического нуля | Дискретный режим | 4159 | 0x103F | 2 | 3 | 16 | Float 32 |
Уровень логической единицы | Дискретный режим | 4157 | 0x103D | 2 | 3 | 16 | Float 32 |
Тип датчика | Аналоговый режим | 4149 | 0x1035 | 1 | 3 | 16 | Enum 28 |
Постоянная времени фильтра | Аналоговый режим | 4154 | 0x103A | 2 | 3 | 16 | Float 32 |
Нижняя граница измерения | Аналоговый режим | 4152 | 0x1038 | 2 | 3 | 16 | Float 32 |
Верхняя граница измерения | Аналоговый режим | 4150 | 0x1036 | 2 | 3 | 16 | Float 32 |
Режим работы | Вход 5 | 4164 | 0x1044 | 1 | 3 | 16 | Enum 2 |
Фильтр антидребезга | Дискретный режим | 4172 | 0x104C | 1 | 3 | 16 | Unsigned 8 |
Уровень логического нуля | Дискретный режим | 4175 | 0x104F | 2 | 3 | 16 | Float 32 |
Уровень логической единицы | Дискретный режим | 4173 | 0x104D | 2 | 3 | 16 | Float 32 |
Тип датчика | Аналоговый режим | 4165 | 0x1045 | 1 | 3 | 16 | Enum 28 |
Постоянная времени фильтра | Аналоговый режим | 4170 | 0x104A | 2 | 3 | 16 | Float 32 |
Нижняя граница измерения | Аналоговый режим | 4168 | 0x1048 | 2 | 3 | 16 | Float 32 |
Верхняя граница измерения | Аналоговый режим | 4166 | 0x1046 | 2 | 3 | 16 | Float 32 |
Режим работы | Вход 6 | 4180 | 0x1054 | 1 | 3 | 16 | Enum 2 |
Фильтр антидребезга | Дискретный режим | 4188 | 0x105C | 1 | 3 | 16 | Unsigned 8 |
Уровень логического нуля | Дискретный режим | 4191 | 0x105F | 2 | 3 | 16 | Float 32 |
Уровень логической единицы | Дискретный режим | 4189 | 0x105D | 2 | 3 | 16 | Float 32 |
Тип датчика | Аналоговый режим | 4181 | 0x1055 | 1 | 3 | 16 | Enum 28 |
Постоянная времени фильтра | Аналоговый режим | 4186 | 0x105A | 2 | 3 | 16 | Float 32 |
Нижняя граница измерения | Аналоговый режим | 4184 | 0x1058 | 2 | 3 | 16 | Float 32 |
Верхняя граница измерения | Аналоговый режим | 4182 | 0x1056 | 2 | 3 | 16 | Float 32 |
Вход 1 | Измеренные значения | 4002 | 0x0FA2 | 2 | 3 | - | Float 32 |
Вход 2 | Измеренные значения | 4004 | 0x0FA4 | 2 | 3 | - | Float 32 |
Вход 3 | Измеренные значения | 4006 | 0x0FA6 | 2 | 3 | - | Float 32 |
Вход 4 | Измеренные значения | 4008 | 0x0FA8 | 2 | 3 | - | Float 32 |
Вход 5 | Измеренные значения | 4010 | 0x0FAA | 2 | 3 | - | Float 32 |
Вход 6 | Измеренные значения | 4012 | 0x0FAC | 2 | 3 | - | Float 32 |
Вход 1 | Состояния аналоговых входов | 4014 | 0x0FAE | 1 | 3 | - | Enum 11 |
Вход 2 | Состояния аналоговых входов | 4015 | 0x0FAF | 1 | 3 | - | Enum 11 |
Вход 3 | Состояния аналоговых входов | 4016 | 0x0FB0 | 1 | 3 | - | Enum 11 |
Вход 4 | Состояния аналоговых входов | 4017 | 0x0FB1 | 1 | 3 | - | Enum 11 |
Вход 5 | Состояния аналоговых входов | 4018 | 0x0FB2 | 1 | 3 | - | Enum 11 |
Вход 6 | Состояния аналоговых входов | 4019 | 0x0FB3 | 1 | 3 | - | Enum 11 |
Изменить состояние | Дискретные выходы | 470 | 0x01D6 | 1 | 3 | 16 | Unsigned 8 |
Состояние | Дискретные выходы | 468 | 0x01D4 | 1 | 3 | - | Unsigned 8 |
Безопасное состояние | Выход 1 | 474 | 0x01DA | 1 | 3 | 16 | Enum 3 |
Безопасное состояние | Выход 2 | 475 | 0x01DB | 1 | 3 | 16 | Enum 3 |
Безопасное состояние | Выход 3 | 476 | 0x01DC | 1 | 3 | 16 | Enum 3 |
Безопасное состояние | Выход 4 | 477 | 0x01DD | 1 | 3 | 16 | Enum 3 |
Безопасное состояние | Выход 5 | 478 | 0x01DE | 1 | 3 | 16 | Enum 3 |
Безопасное состояние | Выход 6 | 479 | 0x01DF | 1 | 3 | 16 | Enum 3 |
Безопасное состояние | Выход 7 | 480 | 0x01E0 | 1 | 3 | 16 | Enum 3 |
Безопасное состояние | Выход 8 | 481 | 0x01E1 | 1 | 3 | 16 | Enum 3 |
Состояние | Дискретные ШИМ-выходы | 306 | 0x0132 | 1 | 3 | - | Unsigned 8 |
Режим работы | Выход 9 | 272 | 0x0110 | 1 | 3 | 16 | Enum 2 |
Период ШИМ | Выход 9 | 308 | 0x0134 | 1 | 3 | 16 | Unsigned 16 |
Минимальный импульс ШИМ | Выход 9 | 404 | 0x0194 | 1 | 3 | 16 | Unsigned 16 |
Безопасное состояние | Выход 9 | 538 | 0x021A | 2 | 3 | 16 | Float 32 |
Режим работы | Выход 10 | 273 | 0x0111 | 1 | 3 | 16 | Enum 2 |
Период ШИМ | Выход 10 | 309 | 0x0135 | 1 | 3 | 16 | Unsigned 16 |
Минимальный импульс ШИМ | Выход 10 | 405 | 0x0195 | 1 | 3 | 16 | Unsigned 16 |
Безопасное состояние | Выход 10 | 540 | 0x021C | 2 | 3 | 16 | Float 32 |
Режим работы | Выход 11 | 274 | 0x0112 | 1 | 3 | 16 | Enum 2 |
Период ШИМ | Выход 11 | 310 | 0x0136 | 1 | 3 | 16 | Unsigned 16 |
Минимальный импульс ШИМ | Выход 11 | 406 | 0x0196 | 1 | 3 | 16 | Unsigned 16 |
Безопасное состояние | Выход 11 | 542 | 0x021E | 2 | 3 | 16 | Float 32 |
Режим работы | Выход 12 | 275 | 0x0113 | 1 | 3 | 16 | Enum 2 |
Период ШИМ | Выход 12 | 311 | 0x0137 | 1 | 3 | 16 | Unsigned 16 |
Минимальный импульс ШИМ | Выход 12 | 407 | 0x0197 | 1 | 3 | 16 | Unsigned 16 |
Безопасное состояние | Выход 12 | 544 | 0x0220 | 2 | 3 | 16 | Float 32 |
Выход 9 | Коэффициент заполнения | 340 | 0x0154 | 2 | 3 | 16 | Float 32 |
Выход 10 | Коэффициент заполнения | 342 | 0x0156 | 2 | 3 | 16 | Float 32 |
Выход 11 | Коэффициент заполнения | 344 | 0x0158 | 2 | 3 | 16 | Float 32 |
Выход 12 | Коэффициент заполнения | 346 | 0x015A | 2 | 3 | 16 | Float 32 |
Вид сигнала | Выход 1 | 3160 | 0x0C58 | 1 | 3 | 16 | Enum 3 |
Состояние | Выход 1 | 3128 | 0x0C38 | 1 | 3 | - | Enum 7 |
Безопасное состояние | Выход 1 | 3032 | 0x0BD8 | 2 | 3 | 16 | Float 32 |
Вид сигнала | Выход 2 | 3161 | 0x0C59 | 1 | 3 | 16 | Enum 3 |
Состояние | Выход 2 | 3129 | 0x0C39 | 1 | 3 | - | Enum 7 |
Безопасное состояние | Выход 2 | 3034 | 0x0BDA | 2 | 3 | 16 | Float 32 |
Вид сигнала | Выход 3 | 3162 | 0x0C5A | 1 | 3 | 16 | Enum 3 |
Состояние | Выход 3 | 3130 | 0x0C3A | 1 | 3 | - | Enum 7 |
Безопасное состояние | Выход 3 | 3036 | 0x0BDC | 2 | 3 | 16 | Float 32 |
Вид сигнала | Выход 4 | 3163 | 0x0C5B | 1 | 3 | 16 | Enum 3 |
Состояние | Выход 4 | 3131 | 0x0C3B | 1 | 3 | - | Enum 7 |
Безопасное состояние | Выход 4 | 3038 | 0x0BDE | 2 | 3 | 16 | Float 32 |
Выход 1 | Значения сигнала | 3000 | 0x0BB8 | 2 | 3 | 16 | Float 32 |
Выход 2 | Значения сигнала | 3002 | 0x0BBA | 2 | 3 | 16 | Float 32 |
Выход 3 | Значения сигнала | 3004 | 0x0BBC | 2 | 3 | 16 | Float 32 |
Выход 4 | Значения сигнала | 3006 | 0x0BBE | 2 | 3 | 16 | Float 32 |
Состояние | Пользовательские светодиоды (Fn) | 601 | 0x0259 | 1 | 3 | - | Unsigned 8 |
Изменить состояние | Пользовательские светодиоды (Fn) | 600 | 0x0258 | 1 | 3 | 16 | Unsigned 8 |
Таймаут перехода в безопасное состояние | Modbus Slave | 700 | 0x02BC | 1 | 3 | 16 | Unsigned 8 |
Подключение к OwenCloud | OwenCloud | 35 | 0x0023 | 1 | 3 | 16 | Enum 2 |
Статус подключения к OwenCloud | OwenCloud | 36 | 0x0024 | 1 | 3 | - | Enum 5 |
Разрешение конфигурирования | Права удалённого доступа из OwenCloud | 701 | 0x02BD | 1 | 3 | 16 | Enum 2 |
Управление и запись значений | Права удалённого доступа из OwenCloud | 702 | 0x02BE | 1 | 3 | 16 | Enum 2 |
Доступ к регистрам Modbus | Права удалённого доступа из OwenCloud | 703 | 0x02BF | 1 | 3 | 16 | Enum 4 |
Наличие обмена | Обмен с устройствами | 2008 | 0x07D8 | 2 | 3 | - | Unsigned 32 |
Включить обмен | Обмен с устройствами | 2010 | 0x07DA | 2 | 3 | 16 | Unsigned 32 |
Время цикла | Логика | 61680 | 0xF0F0 | 2 | 3 | - | Unsigned 32 |
Состояние логики | Логика | 61682 | 0xF0F2 | 1 | 3 | - | Enum 2 |
Подсветка экрана | Настройки прибора | 768 | 0x0300 | 1 | 3 | 16 | Enum 5 |
Яркость | Настройки прибора | 769 | 0x0301 | 1 | 3 | 16 | Unsigned 8 |
Карта регистров Modbus ПР205-24.1816.06.2.0
Карта регистров Modbus ПР205-24.1816.06.2.0
Параметр | Группа | Адрес | Адрес (hex) | Количество регистров | Функция чтения | Функция записи | Тип данных |
|---|---|---|---|---|---|---|---|
Время в миллисек | Часы реального времени | 61563 | 0xF07B | 2 | 3 | - | Unsigned 32 |
Время и дата (UTC) | Часы реального времени | 61553 | 0xF071 | 2 | 3 | 16 | Date time 32 |
Часовой пояс | Часы реального времени | 61555 | 0xF073 | 1 | 3 | 16 | Enum 38 |
Секунды | Переменные даты и времени | 61557 | 0xF075 | 1 | 3 | - | Unsigned 8 |
Минуты | Переменные даты и времени | 61558 | 0xF076 | 1 | 3 | - | Unsigned 8 |
Часы | Переменные даты и времени | 61559 | 0xF077 | 1 | 3 | - | Unsigned 8 |
Дни | Переменные даты и времени | 61560 | 0xF078 | 1 | 3 | - | Unsigned 8 |
Месяцы | Переменные даты и времени | 61561 | 0xF079 | 1 | 3 | - | Unsigned 8 |
Годы | Переменные даты и времени | 61562 | 0xF07A | 1 | 3 | - | Unsigned 16 |
День недели | Переменные даты и времени | 61556 | 0xF074 | 1 | 3 | - | Enum 8 |
MAC адрес | Сетевые настройки | 61712 | 0xF110 | 9 | 3 | - | String 144 |
IP адрес | Сетевые настройки | 20 | 0x0014 | 2 | 3 | 16 | Unsigned 32 |
Маска подсети | Сетевые настройки | 22 | 0x0016 | 2 | 3 | 16 | Unsigned 32 |
IP адрес шлюза | Сетевые настройки | 24 | 0x0018 | 2 | 3 | 16 | Unsigned 32 |
DNS сервер 1 | Сетевые настройки | 12 | 0x000C | 2 | 3 | 16 | Unsigned 32 |
DNS сервер 2 | Сетевые настройки | 14 | 0x000E | 2 | 3 | 16 | Unsigned 32 |
Режим DHCP | Сетевые настройки | 32 | 0x0020 | 1 | 3 | 16 | Enum 2 |
Применить сейчас | Сетевые настройки | 33 | 0x0021 | 1 | 3 | 16 | Enum 2 |
Статус подключения | Сетевые настройки | 34 | 0x0022 | 1 | 3 | - | Enum 4 |
Напряжение | Батарея | 801 | 0x0321 | 1 | 3 | - | Unsigned 16 |
Пороговое напряжение | Батарея | 800 | 0x0320 | 1 | 3 | - | Unsigned 16 |
Состояние | Батарея | 802 | 0x0322 | 1 | 3 | - | Enum 2 |
Период обновления информации | Статус прибора | 61624 | 0xF0B8 | 1 | 3 | 16 | Unsigned 8 |
Статус | Статус прибора | 61620 | 0xF0B4 | 2 | 3 | - | Unsigned 32 |
ПРМ Слот 1. Название модуля | Статус прибора | 6000 | 0x1770 | 8 | 3 | - | String 128 |
ПРМ Слот 1. Версия ПО модуля | Статус прибора | 6016 | 0x1780 | 4 | 3 | - | String 64 |
ПРМ Слот 2. Название модуля | Статус прибора | 6032 | 0x1790 | 8 | 3 | - | String 128 |
ПРМ Слот 2. Версия ПО модуля | Статус прибора | 6048 | 0x17A0 | 4 | 3 | - | String 64 |
Ошибки | Статус прибора | 61626 | 0xF0BA | 1 | 3 | - | Unsigned 16 |
Предупреждения | Статус прибора | 61627 | 0xF0BB | 1 | 3 | - | Unsigned 16 |
Период архивирования | Архив | 900 | 0x0384 | 1 | 3 | 16 | Unsigned 16 |
Количество архивов | Архив | 901 | 0x0385 | 1 | 3 | 16 | Unsigned 16 |
Размер архива | Архив | 902 | 0x0386 | 1 | 3 | 16 | Unsigned 16 |
Последний индекс архива | Архив | 903 | 0x0387 | 1 | 3 | - | Unsigned 16 |
Состояние | Дискретные входы | 51 | 0x0033 | 1 | 3 | - | Unsigned 8 |
Инверсия | Дискретные входы | 57 | 0x0039 | 1 | 3 | 16 | Unsigned 8 |
Фильтр антидребезга | Вход 1 | 96 | 0x0060 | 1 | 3 | 16 | Unsigned 8 |
Фильтр антидребезга | Вход 2 | 97 | 0x0061 | 1 | 3 | 16 | Unsigned 8 |
Фильтр антидребезга | Вход 3 | 98 | 0x0062 | 1 | 3 | 16 | Unsigned 8 |
Фильтр антидребезга | Вход 4 | 99 | 0x0063 | 1 | 3 | 16 | Unsigned 8 |
Фильтр антидребезга | Вход 5 | 100 | 0x0064 | 1 | 3 | 16 | Unsigned 8 |
Фильтр антидребезга | Вход 6 | 101 | 0x0065 | 1 | 3 | 16 | Unsigned 8 |
Фильтр антидребезга | Вход 7 | 102 | 0x0066 | 1 | 3 | 16 | Unsigned 8 |
Фильтр антидребезга | Вход 8 | 103 | 0x0067 | 1 | 3 | 16 | Unsigned 8 |
Состояние | Быстрые дискретные входы | 52 | 0x0034 | 1 | 3 | - | Unsigned 8 |
Инверсия | Быстрые дискретные входы | 58 | 0x003A | 1 | 3 | 16 | Unsigned 8 |
Режим работы | Вход 1 | 64 | 0x0040 | 1 | 3 | 16 | Enum 3 |
Фильтр антидребезга | Вход 1 | 104 | 0x0068 | 1 | 3 | 16 | Unsigned 8 |
Фронт захвата импульса | Вход 1 | 80 | 0x0050 | 1 | 3 | 16 | Enum 2 |
Сброс счётчика импульсов | Вход 1 | 224 | 0x00E0 | 1 | 3 | 16 | Enum 2 |
Диагностика | Вход 1 | 256 | 0x0100 | 1 | 3 | - | Enum 2 |
Режим работы | Вход 2 | 65 | 0x0041 | 1 | 3 | 16 | Enum 2 |
Фильтр антидребезга | Вход 2 | 105 | 0x0069 | 1 | 3 | 16 | Unsigned 8 |
Фронт захвата импульса | Вход 2 | 81 | 0x0051 | 1 | 3 | 16 | Enum 2 |
Сброс счётчика импульсов | Вход 2 | 225 | 0x00E1 | 1 | 3 | 16 | Enum 2 |
Диагностика | Вход 2 | 257 | 0x0101 | 1 | 3 | - | Enum 2 |
Режим работы | Вход 3 | 66 | 0x0042 | 1 | 3 | 16 | Enum 3 |
Фильтр антидребезга | Вход 3 | 106 | 0x006A | 1 | 3 | 16 | Unsigned 8 |
Фронт захвата импульса | Вход 3 | 82 | 0x0052 | 1 | 3 | 16 | Enum 2 |
Сброс счётчика импульсов | Вход 3 | 226 | 0x00E2 | 1 | 3 | 16 | Enum 2 |
Диагностика | Вход 3 | 258 | 0x0102 | 1 | 3 | - | Enum 2 |
Режим работы | Вход 4 | 67 | 0x0043 | 1 | 3 | 16 | Enum 2 |
Фильтр антидребезга | Вход 4 | 107 | 0x006B | 1 | 3 | 16 | Unsigned 8 |
Фронт захвата импульса | Вход 4 | 83 | 0x0053 | 1 | 3 | 16 | Enum 2 |
Сброс счётчика импульсов | Вход 4 | 227 | 0x00E3 | 1 | 3 | 16 | Enum 2 |
Диагностика | Вход 4 | 259 | 0x0103 | 1 | 3 | - | Enum 2 |
Вход 1 | Измеренные значения | 160 | 0x00A0 | 2 | 3 | - | Unsigned 32 |
Вход 2 | Измеренные значения | 162 | 0x00A2 | 2 | 3 | - | Unsigned 32 |
Вход 3 | Измеренные значения | 164 | 0x00A4 | 2 | 3 | - | Unsigned 32 |
Вход 4 | Измеренные значения | 166 | 0x00A6 | 2 | 3 | - | Unsigned 32 |
Состояние | Дискретно-аналоговые входы | 4000 | 0x0FA0 | 1 | 3 | - | Unsigned 8 |
Инверсия | Дискретно-аналоговые входы | 4357 | 0x1105 | 1 | 3 | 16 | Unsigned 8 |
Режим работы | Вход 1 | 4100 | 0x1004 | 1 | 3 | 16 | Enum 2 |
Фильтр антидребезга | Дискретный режим | 4108 | 0x100C | 1 | 3 | 16 | Unsigned 8 |
Уровень логического нуля | Дискретный режим | 4111 | 0x100F | 2 | 3 | 16 | Float 32 |
Уровень логической единицы | Дискретный режим | 4109 | 0x100D | 2 | 3 | 16 | Float 32 |
Тип датчика | Аналоговый режим | 4101 | 0x1005 | 1 | 3 | 16 | Enum 28 |
Постоянная времени фильтра | Аналоговый режим | 4106 | 0x100A | 2 | 3 | 16 | Float 32 |
Нижняя граница измерения | Аналоговый режим | 4104 | 0x1008 | 2 | 3 | 16 | Float 32 |
Верхняя граница измерения | Аналоговый режим | 4102 | 0x1006 | 2 | 3 | 16 | Float 32 |
Режим работы | Вход 2 | 4116 | 0x1014 | 1 | 3 | 16 | Enum 2 |
Фильтр антидребезга | Дискретный режим | 4124 | 0x101C | 1 | 3 | 16 | Unsigned 8 |
Уровень логического нуля | Дискретный режим | 4127 | 0x101F | 2 | 3 | 16 | Float 32 |
Уровень логической единицы | Дискретный режим | 4125 | 0x101D | 2 | 3 | 16 | Float 32 |
Тип датчика | Аналоговый режим | 4117 | 0x1015 | 1 | 3 | 16 | Enum 28 |
Постоянная времени фильтра | Аналоговый режим | 4122 | 0x101A | 2 | 3 | 16 | Float 32 |
Нижняя граница измерения | Аналоговый режим | 4120 | 0x1018 | 2 | 3 | 16 | Float 32 |
Верхняя граница измерения | Аналоговый режим | 4118 | 0x1016 | 2 | 3 | 16 | Float 32 |
Режим работы | Вход 3 | 4132 | 0x1024 | 1 | 3 | 16 | Enum 2 |
Фильтр антидребезга | Дискретный режим | 4140 | 0x102C | 1 | 3 | 16 | Unsigned 8 |
Уровень логического нуля | Дискретный режим | 4143 | 0x102F | 2 | 3 | 16 | Float 32 |
Уровень логической единицы | Дискретный режим | 4141 | 0x102D | 2 | 3 | 16 | Float 32 |
Тип датчика | Аналоговый режим | 4133 | 0x1025 | 1 | 3 | 16 | Enum 28 |
Постоянная времени фильтра | Аналоговый режим | 4138 | 0x102A | 2 | 3 | 16 | Float 32 |
Нижняя граница измерения | Аналоговый режим | 4136 | 0x1028 | 2 | 3 | 16 | Float 32 |
Верхняя граница измерения | Аналоговый режим | 4134 | 0x1026 | 2 | 3 | 16 | Float 32 |
Режим работы | Вход 4 | 4148 | 0x1034 | 1 | 3 | 16 | Enum 2 |
Фильтр антидребезга | Дискретный режим | 4156 | 0x103C | 1 | 3 | 16 | Unsigned 8 |
Уровень логического нуля | Дискретный режим | 4159 | 0x103F | 2 | 3 | 16 | Float 32 |
Уровень логической единицы | Дискретный режим | 4157 | 0x103D | 2 | 3 | 16 | Float 32 |
Тип датчика | Аналоговый режим | 4149 | 0x1035 | 1 | 3 | 16 | Enum 28 |
Постоянная времени фильтра | Аналоговый режим | 4154 | 0x103A | 2 | 3 | 16 | Float 32 |
Нижняя граница измерения | Аналоговый режим | 4152 | 0x1038 | 2 | 3 | 16 | Float 32 |
Верхняя граница измерения | Аналоговый режим | 4150 | 0x1036 | 2 | 3 | 16 | Float 32 |
Режим работы | Вход 5 | 4164 | 0x1044 | 1 | 3 | 16 | Enum 2 |
Фильтр антидребезга | Дискретный режим | 4172 | 0x104C | 1 | 3 | 16 | Unsigned 8 |
Уровень логического нуля | Дискретный режим | 4175 | 0x104F | 2 | 3 | 16 | Float 32 |
Уровень логической единицы | Дискретный режим | 4173 | 0x104D | 2 | 3 | 16 | Float 32 |
Тип датчика | Аналоговый режим | 4165 | 0x1045 | 1 | 3 | 16 | Enum 28 |
Постоянная времени фильтра | Аналоговый режим | 4170 | 0x104A | 2 | 3 | 16 | Float 32 |
Нижняя граница измерения | Аналоговый режим | 4168 | 0x1048 | 2 | 3 | 16 | Float 32 |
Верхняя граница измерения | Аналоговый режим | 4166 | 0x1046 | 2 | 3 | 16 | Float 32 |
Режим работы | Вход 6 | 4180 | 0x1054 | 1 | 3 | 16 | Enum 2 |
Фильтр антидребезга | Дискретный режим | 4188 | 0x105C | 1 | 3 | 16 | Unsigned 8 |
Уровень логического нуля | Дискретный режим | 4191 | 0x105F | 2 | 3 | 16 | Float 32 |
Уровень логической единицы | Дискретный режим | 4189 | 0x105D | 2 | 3 | 16 | Float 32 |
Тип датчика | Аналоговый режим | 4181 | 0x1055 | 1 | 3 | 16 | Enum 28 |
Постоянная времени фильтра | Аналоговый режим | 4186 | 0x105A | 2 | 3 | 16 | Float 32 |
Нижняя граница измерения | Аналоговый режим | 4184 | 0x1058 | 2 | 3 | 16 | Float 32 |
Верхняя граница измерения | Аналоговый режим | 4182 | 0x1056 | 2 | 3 | 16 | Float 32 |
Вход 1 | Измеренные значения | 4002 | 0x0FA2 | 2 | 3 | - | Float 32 |
Вход 2 | Измеренные значения | 4004 | 0x0FA4 | 2 | 3 | - | Float 32 |
Вход 3 | Измеренные значения | 4006 | 0x0FA6 | 2 | 3 | - | Float 32 |
Вход 4 | Измеренные значения | 4008 | 0x0FA8 | 2 | 3 | - | Float 32 |
Вход 5 | Измеренные значения | 4010 | 0x0FAA | 2 | 3 | - | Float 32 |
Вход 6 | Измеренные значения | 4012 | 0x0FAC | 2 | 3 | - | Float 32 |
Вход 1 | Состояния аналоговых входов | 4014 | 0x0FAE | 1 | 3 | - | Enum 11 |
Вход 2 | Состояния аналоговых входов | 4015 | 0x0FAF | 1 | 3 | - | Enum 11 |
Вход 3 | Состояния аналоговых входов | 4016 | 0x0FB0 | 1 | 3 | - | Enum 11 |
Вход 4 | Состояния аналоговых входов | 4017 | 0x0FB1 | 1 | 3 | - | Enum 11 |
Вход 5 | Состояния аналоговых входов | 4018 | 0x0FB2 | 1 | 3 | - | Enum 11 |
Вход 6 | Состояния аналоговых входов | 4019 | 0x0FB3 | 1 | 3 | - | Enum 11 |
Изменить состояние | Дискретные выходы | 470 | 0x01D6 | 1 | 3 | 16 | Unsigned 8 |
Состояние | Дискретные выходы | 468 | 0x01D4 | 1 | 3 | - | Unsigned 8 |
Безопасное состояние | Выход 1 | 474 | 0x01DA | 1 | 3 | 16 | Enum 3 |
Безопасное состояние | Выход 2 | 475 | 0x01DB | 1 | 3 | 16 | Enum 3 |
Безопасное состояние | Выход 3 | 476 | 0x01DC | 1 | 3 | 16 | Enum 3 |
Безопасное состояние | Выход 4 | 477 | 0x01DD | 1 | 3 | 16 | Enum 3 |
Безопасное состояние | Выход 5 | 478 | 0x01DE | 1 | 3 | 16 | Enum 3 |
Безопасное состояние | Выход 6 | 479 | 0x01DF | 1 | 3 | 16 | Enum 3 |
Безопасное состояние | Выход 7 | 480 | 0x01E0 | 1 | 3 | 16 | Enum 3 |
Безопасное состояние | Выход 8 | 481 | 0x01E1 | 1 | 3 | 16 | Enum 3 |
Состояние | Дискретные ШИМ-выходы | 306 | 0x0132 | 1 | 3 | - | Unsigned 8 |
Режим работы | Выход 9 | 272 | 0x0110 | 1 | 3 | 16 | Enum 2 |
Период ШИМ | Выход 9 | 308 | 0x0134 | 1 | 3 | 16 | Unsigned 16 |
Минимальный импульс ШИМ | Выход 9 | 404 | 0x0194 | 1 | 3 | 16 | Unsigned 16 |
Безопасное состояние | Выход 9 | 538 | 0x021A | 2 | 3 | 16 | Float 32 |
Режим работы | Выход 10 | 273 | 0x0111 | 1 | 3 | 16 | Enum 2 |
Период ШИМ | Выход 10 | 309 | 0x0135 | 1 | 3 | 16 | Unsigned 16 |
Минимальный импульс ШИМ | Выход 10 | 405 | 0x0195 | 1 | 3 | 16 | Unsigned 16 |
Безопасное состояние | Выход 10 | 540 | 0x021C | 2 | 3 | 16 | Float 32 |
Режим работы | Выход 11 | 274 | 0x0112 | 1 | 3 | 16 | Enum 2 |
Период ШИМ | Выход 11 | 310 | 0x0136 | 1 | 3 | 16 | Unsigned 16 |
Минимальный импульс ШИМ | Выход 11 | 406 | 0x0196 | 1 | 3 | 16 | Unsigned 16 |
Безопасное состояние | Выход 11 | 542 | 0x021E | 2 | 3 | 16 | Float 32 |
Режим работы | Выход 12 | 275 | 0x0113 | 1 | 3 | 16 | Enum 2 |
Период ШИМ | Выход 12 | 311 | 0x0137 | 1 | 3 | 16 | Unsigned 16 |
Минимальный импульс ШИМ | Выход 12 | 407 | 0x0197 | 1 | 3 | 16 | Unsigned 16 |
Безопасное состояние | Выход 12 | 544 | 0x0220 | 2 | 3 | 16 | Float 32 |
Выход 9 | Коэффициент заполнения | 340 | 0x0154 | 2 | 3 | 16 | Float 32 |
Выход 10 | Коэффициент заполнения | 342 | 0x0156 | 2 | 3 | 16 | Float 32 |
Выход 11 | Коэффициент заполнения | 344 | 0x0158 | 2 | 3 | 16 | Float 32 |
Выход 12 | Коэффициент заполнения | 346 | 0x015A | 2 | 3 | 16 | Float 32 |
Вид сигнала | Выход 1 | 3160 | 0x0C58 | 1 | 3 | 16 | Enum 3 |
Состояние | Выход 1 | 3128 | 0x0C38 | 1 | 3 | - | Enum 7 |
Безопасное состояние | Выход 1 | 3032 | 0x0BD8 | 2 | 3 | 16 | Float 32 |
Вид сигнала | Выход 2 | 3161 | 0x0C59 | 1 | 3 | 16 | Enum 3 |
Состояние | Выход 2 | 3129 | 0x0C39 | 1 | 3 | - | Enum 7 |
Безопасное состояние | Выход 2 | 3034 | 0x0BDA | 2 | 3 | 16 | Float 32 |
Вид сигнала | Выход 3 | 3162 | 0x0C5A | 1 | 3 | 16 | Enum 3 |
Состояние | Выход 3 | 3130 | 0x0C3A | 1 | 3 | - | Enum 7 |
Безопасное состояние | Выход 3 | 3036 | 0x0BDC | 2 | 3 | 16 | Float 32 |
Вид сигнала | Выход 4 | 3163 | 0x0C5B | 1 | 3 | 16 | Enum 3 |
Состояние | Выход 4 | 3131 | 0x0C3B | 1 | 3 | - | Enum 7 |
Безопасное состояние | Выход 4 | 3038 | 0x0BDE | 2 | 3 | 16 | Float 32 |
Выход 1 | Значения сигнала | 3000 | 0x0BB8 | 2 | 3 | 16 | Float 32 |
Выход 2 | Значения сигнала | 3002 | 0x0BBA | 2 | 3 | 16 | Float 32 |
Выход 3 | Значения сигнала | 3004 | 0x0BBC | 2 | 3 | 16 | Float 32 |
Выход 4 | Значения сигнала | 3006 | 0x0BBE | 2 | 3 | 16 | Float 32 |
Состояние | Пользовательские светодиоды (Fn) | 601 | 0x0259 | 1 | 3 | - | Unsigned 8 |
Изменить состояние | Пользовательские светодиоды (Fn) | 600 | 0x0258 | 1 | 3 | 16 | Unsigned 8 |
Таймаут перехода в безопасное состояние | Modbus Slave | 700 | 0x02BC | 1 | 3 | 16 | Unsigned 8 |
Скорость | Настройки порта RS-485 1 | 750 | 0x02EE | 1 | 3 | 16 | Enum 6 |
Размер данных | Настройки порта RS-485 1 | 751 | 0x02EF | 1 | 3 | 16 | Enum 2 |
Контроль чётности | Настройки порта RS-485 1 | 752 | 0x02F0 | 1 | 3 | 16 | Enum 3 |
Кол. стоп-битов | Настройки порта RS-485 1 | 753 | 0x02F1 | 1 | 3 | 16 | Enum 2 |
Slave ID | Настройки порта RS-485 1 | 754 | 0x02F2 | 1 | 3 | 16 | Unsigned 8 |
Скорость | Настройки порта RS-485 2 | 760 | 0x02F8 | 1 | 3 | 16 | Enum 6 |
Размер данных | Настройки порта RS-485 2 | 761 | 0x02F9 | 1 | 3 | 16 | Enum 2 |
Контроль чётности | Настройки порта RS-485 2 | 762 | 0x02FA | 1 | 3 | 16 | Enum 3 |
Кол. стоп-битов | Настройки порта RS-485 2 | 763 | 0x02FB | 1 | 3 | 16 | Enum 2 |
Slave ID | Настройки порта RS-485 2 | 764 | 0x02FC | 1 | 3 | 16 | Unsigned 8 |
Подключение к OwenCloud | OwenCloud | 35 | 0x0023 | 1 | 3 | 16 | Enum 2 |
Статус подключения к OwenCloud | OwenCloud | 36 | 0x0024 | 1 | 3 | - | Enum 5 |
Разрешение конфигурирования | Права удалённого доступа из OwenCloud | 701 | 0x02BD | 1 | 3 | 16 | Enum 2 |
Управление и запись значений | Права удалённого доступа из OwenCloud | 702 | 0x02BE | 1 | 3 | 16 | Enum 2 |
Доступ к регистрам Modbus | Права удалённого доступа из OwenCloud | 703 | 0x02BF | 1 | 3 | 16 | Enum 4 |
Наличие обмена | Обмен с устройствами | 2008 | 0x07D8 | 2 | 3 | - | Unsigned 32 |
Включить обмен | Обмен с устройствами | 2010 | 0x07DA | 2 | 3 | 16 | Unsigned 32 |
Время цикла | Логика | 61680 | 0xF0F0 | 2 | 3 | - | Unsigned 32 |
Состояние логики | Логика | 61682 | 0xF0F2 | 1 | 3 | - | Enum 2 |
Подсветка экрана | Настройки прибора | 768 | 0x0300 | 1 | 3 | 16 | Enum 5 |
Яркость | Настройки прибора | 769 | 0x0301 | 1 | 3 | 16 | Unsigned 8 |
Юстировка
Общие указания
Юстировка прибора заключается в проведении технологических операций, обеспечивающих восстановление метрологических характеристик прибора в случае изменения их после длительной эксплуатации.
Юстировка проводится в OWEN Configurator.
Юстировка выполняется с помощью эталонных источников сигналов, имитирующих работу датчиков и подключаемых к контактам прибора. Во время юстировки прибор вычисляет соотношения между поступившим входным сигналом и опорным сигналом.
Вычисленные соотношения (коэффициенты юстировки) записываются в энергонезависимую память прибора и используются как базовые для выполнения всех дальнейших расчетов.
Каждый аналоговый вход имеет собственные коэффициенты юстировки для каждого типа датчика.
Если вычисленные значения коэффициентов выходят за пределы, установленные для него во время разработки прибора, в OWEN Configurator выводится сообщение о причине этой ошибки.
Юстировка универсальных входов
Для юстировки входного сигнала типа «напряжение» следует:
Подключить к контактам входа прибора дифференциальный вольтметр В1-12 в режиме калибратора напряжений или аналогичный ему источник образцового напряжения с классом точности не ниже 0,05. Прибор следует соединять с калибратором по схеме, приведенной на рисунке, 1 с соблюдением полярности подключения.

Подключение источника эталонного сигнала Подключить прибор к ПК с помощью USB кабеля.
Подать питание на прибор.
Запустить OWEN Configurator.
Добавить прибор в OWEN Configurator.
Выбрать в меню кнопку «Юстировать устройство» для запуска мастера юстировки. В появившемся меню выбрать (см. рисунок):
аналоговые входы;
тип датчика;
количество каналов;
метод юстировки.

Выбор элементов Нажать кнопку «Далее» и следовать указаниям мастера юстировки.
В случае использования входа для измерения сигналов «ток» рекомендуется провести юстировку входа, предварительно выбрав параметр «Тип датчика» равным «4…20 мА». Схема подключения изображена на рисунке, 2. Действия аналогичны пп. 1–4.
В случае использования входа для измерения сигналов «сопротивление» (например, для ТС) рекомендуется провести юстировку входа, предварительно выбрав параметр «Тип датчика» равным «0…300 кОм». Схема подключения изображена на рисунке, 3. Действия аналогичны пп. 1–4.
Юстировка универсальных аналоговых выходов
Перед началом юстировки выходов переключатель Работа/Стоп следует перевести в положение «Стоп».
Для юстировки универсальных аналоговых выходов следует:
Подключить ВЭ согласно схеме, приведенной на рисунке или рисунке.

Схема подключения к ВЭ для юстировки сигналов типа «4…20 мА» (R < 600 Ом) 
Схема подключения нагрузки к ВЭ для юстировки сигналов типа «0...10 В» (R > 600 Ом) Проконтролировать напряжение источника питания — оно должно быть в диапазоне 15…30 В.
В качестве измерителя напряжения можно использовать прибор для калибровки вольтметров Р3003 или иной прибор того же класса с разрешающей способностью 0,001 В.
Подключить прибор к ПК с помощью USB кабеля.
Подать питание на прибор.
Запустить OWEN Configurator.
Добавить прибор в OWEN Configurator.
Выбрать в меню кнопку «Юстировать прибор» для запуска мастера юстировки. В появившемся меню выбрать (см. рисунок):
аналоговые выходы;
тип сигнала;
количество каналов.

Выбор элементов - Далее следовать рекомендациям мастера для юстировки.
Расчет вектора инициализации для шифрования файла архива
Для расшифровки файла архива в качестве вектора инициализации следует использовать хеш-функцию. Хеш-функция должна возвращать 8 байт (тип long long).
Пример реализации хеш-функции на языке программирования С:
typedef union {
struct {
unsigned long lo;
unsigned long hi;
};
long long hilo;
}LONG_LONG;
long long Hash8(const char *str) { // На основе Rot13
LONG_LONG temp;
temp.lo = 0;
temp.hi = 0;
for ( ; *str; )
{
temp.lo += (unsigned char) (*str);
temp.lo –= (temp.lo << 13) | (temp.lo >> 19);
str++;
if (!str) break;
temp.hi += (unsigned char) (*str);
temp.hi –= (temp.hi << 13) | (temp.hi >> 19);
str++;
}
return temp.hilo;
} Предупреждающие сообщения
В данном руководстве применяются следующие предупреждения:
Ключевое слово ОПАСНОСТЬ сообщает о непосредственной угрозе опасной ситуации, которая приведет к смерти или серьезной травме, если ее не предотвратить.
Ключевое слово ВНИМАНИЕ сообщает о потенциально опасной ситуации, которая может привести к небольшим травмам.
Ключевое слово ПРЕДУПРЕЖДЕНИЕ сообщает о потенциально опасной ситуации , которая может привести к повреждению имущества.
Ключевое слово ПРИМЕЧАНИЕ обращает внимание на полезные советы и рекомендации, а также информацию для эффективной и безаварийной работы оборудования.
| Ограничение ответственности |
Ни при
каких обстоятельствах |






















