Настоящее Руководство по эксплуатации предназначено для ознакомления обслуживающего персонала с устройством, принципом действия, конструкцией, технической эксплуатацией и обслуживанием устройства управляющего многофункционального ПР200, в дальнейшем по тексту именуемых «прибор» или «ПР200».
Подключение, настройка и техобслуживание прибора должны производиться только квалифицированными специалистами после прочтения настоящего руководства по эксплуатации.
Функциональные возможности ПР200 могут быть расширены с помощью:
плат расширения ПР-ИП485 (размещаются внутри корпуса прибора, см.раздел);
модулей расширения (подключаются к интерфейсу модульной шины с помощью кабеля, см. раздел):
ПРМ-X.1 – модуль дискретного ввода-вывода;
ПРМ-X.2 – комбинированный модуль расширения входов-выходов;
ПРМ-X.3 – модуль аналогового ввода-вывода;
ПРМ-X.4 – модуль дискретного ввода;
ПРМ-X.5 – модуль дискретного вывода;
ПРМ-X.6 – модуль дискретного ввода-вывода.
Прибор изготавливается в различных модификациях, указанных в коде полного условного обозначения:

Расшифровка буквенных индексов входов и выходов приведена в таблице.
Наименование при заказе: ПР200-220.2.2.0
Приведенное условное обозначение указывает, что изготовлению и поставке подлежит устройство управляющее многофункциональное модели ПР200, работающее при номинальном напряжении питания 230 В переменного тока, оснащенное:
- восемью дискретными входами для сигналов 230 В переменного тока;
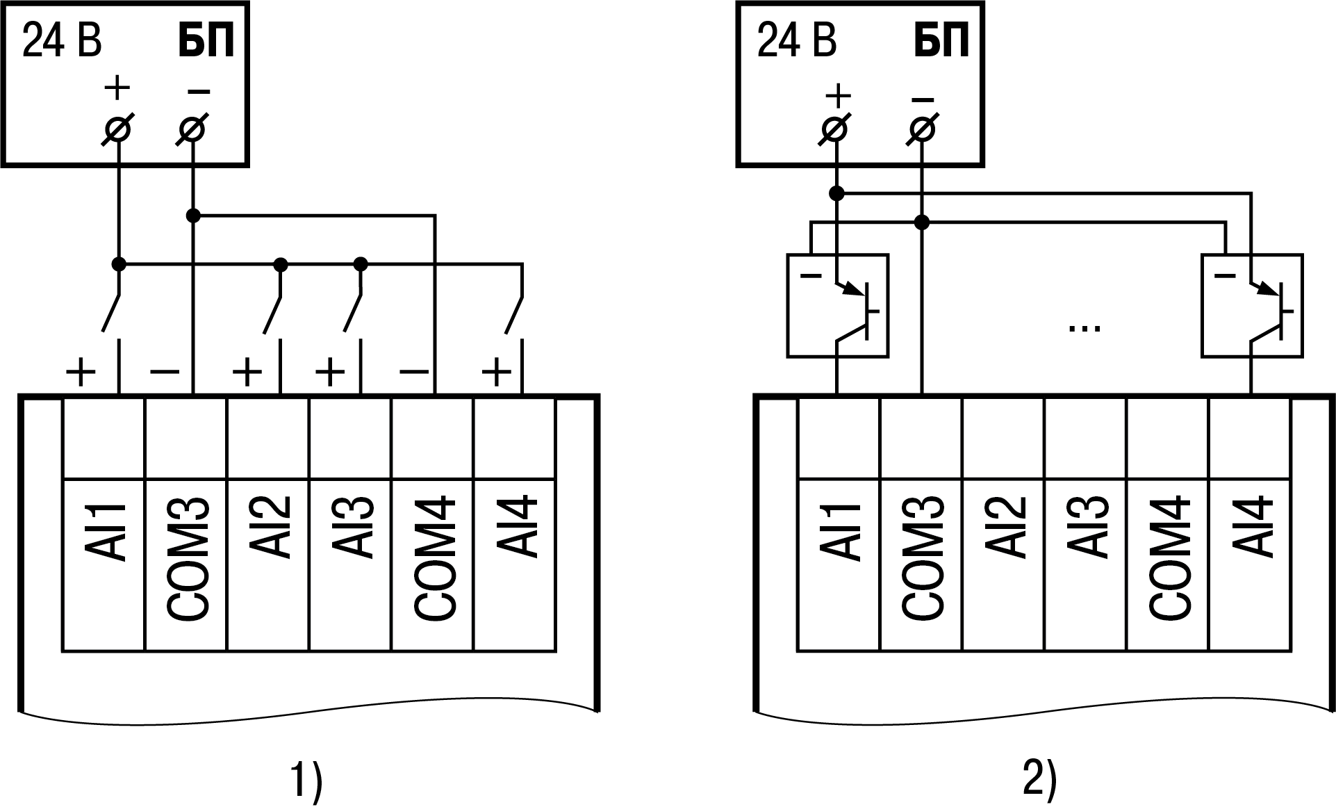
- четырьмя универсальными входами для измерения аналоговых сигналов 0…10 В, 4…20 мА, 0…4000 Ом;
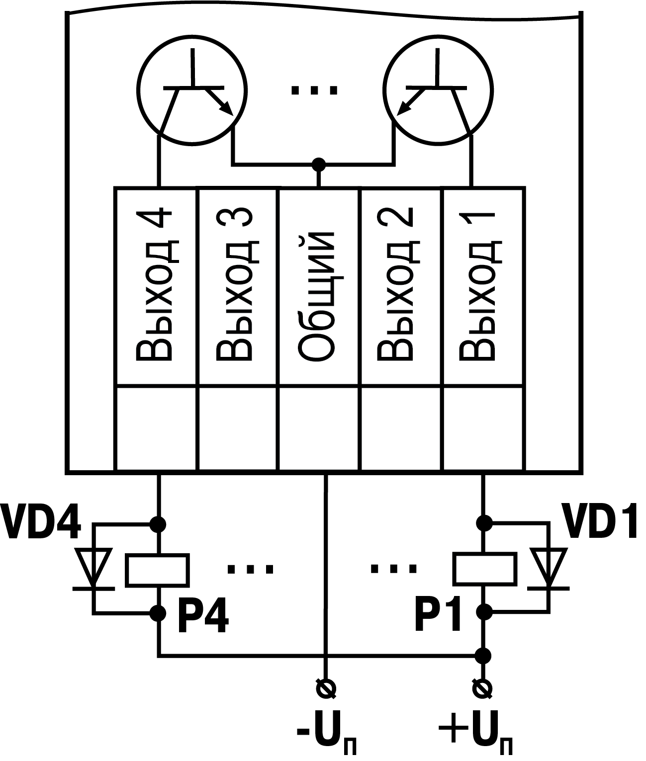
- восемью дискретными выходами типа электромагнитное реле;
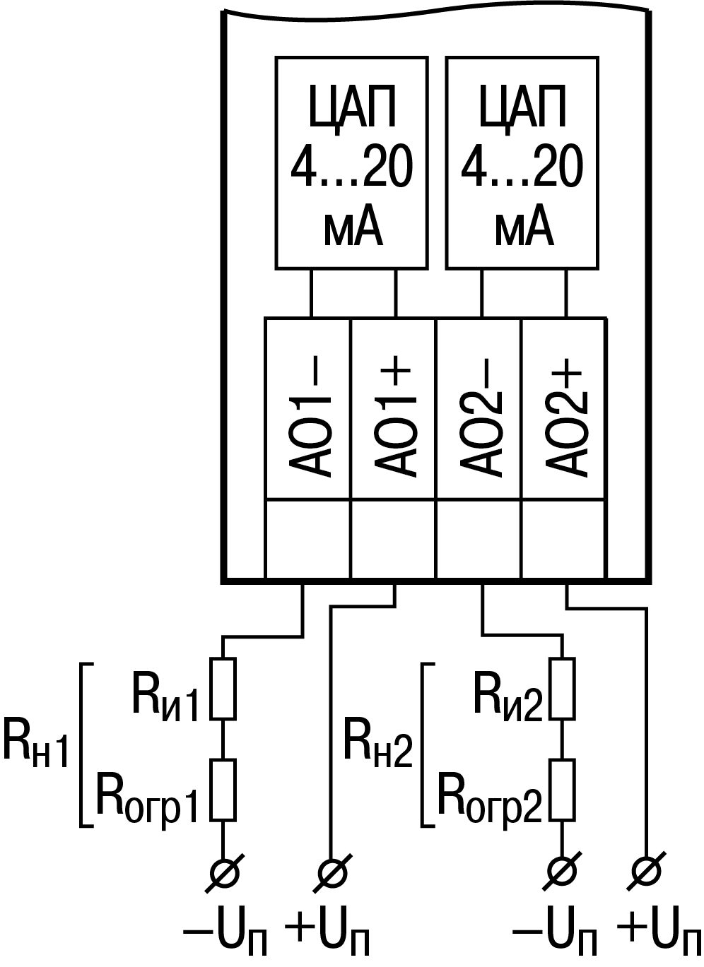
- двумя аналоговыми выходами ЦАП «параметр – ток»;
- двумя интерфейсами RS-485.



















































































