В данном руководстве применяются следующие предупреждения:
| Ограничение ответственности |
Ни при
каких обстоятельствах |
В данном руководстве применяются следующие предупреждения:
| Ограничение ответственности |
Ни при
каких обстоятельствах |
Настоящее руководство по эксплуатации предназначено для ознакомления
обслуживающего персонала с устройством, конструкцией, работой и техническим
обслуживанием
Подключение, регулировка и техобслуживание прибора должны производится только квалифицированными специалистами после прочтения настоящего руководства по эксплуатации.
Контроллер изготавливается в нескольких модификациях. Различия между модификациями зашифрованы в условном обозначении модуля:

Напряжение питания:
220 – номинальное напряжение питания 120/230 В переменного тока;
24 – номинальное напряжение питания 24 В постоянного тока.
Количество точек ввода-вывода:
30 – 30 точек ввода-вывода;
32 – 32 точки ввода-вывода;
60 – 60 точек ввода-вывода.
Тип встроенного выходного элемента:
Размер лицензионного ограничения на область памяти ввода-вывода:
В исполнении контроллера без искусственного ограничения размера памяти области ввода-вывода предустановленный размер памяти ввода-вывода равен 16 кбайт (см. раздел «Выбор контроллера: размер памяти» в РП).
Пример обозначения прибора при заказе:
Программируемый контроллер ПЛК110-24.60.Р-L(М02)
У контроллера с этим наименованием будут следующие основные характеристики:
номинальное напряжение питания 24 В;
60 точек ввода-вывода;
электромагнитное реле как встроенный выходной элемент;
ограничение на объем памяти ввода-вывода в 360 байт.
Прибор выпускается согласно ТУ 4252-003-46526536-2008 и имеет декларацию соответствия ТР ТС.
CODESYS (Controllers Development System) – программное обеспечение, специализированная среда программирования логических контроллеров. Торговая марка компании 3S-Smart Software Solutions GmbH.
DCON – открытый протокол обмена по сети RS-485, разработан компанией Advantech, применяется в модулях ввода/вывода Adam, модулях компании IPC DAS и др.
Modbus – открытый протокол обмена по сети RS-485, разработан компанией ModiCon, в настоящий момент поддерживается независимой организацией Modbus-IDA (www.modbus.org).
Modbus-TCP – версия протокола Modbus, адаптированная к работе в сети TCP/IP.
POU (Program Organization Unit) – программный компонент CODESYS: программа, функция или функциональный блок.
Retain-переменные – переменные пользовательской программы, значение которых сохраняется в случае выключения питания контроллера.
Retain-память – энергонезависимая память для хранения значений Retain-переменных пользовательской программы.
ОЗУ – оперативное запоминающее устройство, оперативная память.
ПЛК – программируемый логический контроллер.
Пользовательская программа – программа, созданная в среде CODESYS пользователем контроллера (или лицом, производящим его начальное программирование).
ПО – программное обеспечение.
ПК – персональный компьютер.
РП – руководство пользователя «Программирование программируемых логических контроллеров ПЛК110(М02)».
Целевой файл (Target-файл) – файл или набор файлов, поставляемых производителем с информацией о ресурсах контроллера, количестве входов и выходов, интерфейсах и т.д. Устанавливается в систему CODESYS для сообщения ей данной информации.
ШИМ – широтно-импульсная модуляция.
Категория используемой нагрузки (по
Контроллер предназначен для использования в составе различных автоматизированных систем контроля и управления на промышленных предприятиях.
Контроллер может управлять:
выделенными локальными объектами;
локальным объектом в составе комплексной информационной сети;
группой локальных объектов в составе комплексной информационной сети.
Контроллер можно применить на промышленных объектах, подконтрольных ФСЭТАН.
Логика работы прибора программируется с помощью ПО CODESYS v2.3.
Поддерживаются все языки программирования стандарта
LD: Релейно-контакторные схемы;
FBD: Функциональные блоковые диаграммы;
SFC: Последовательные функциональные диаграммы;
ST: Структурированный текст;
IL: Список инструкций.
Документация по программированию контроллера и работе с программным
обеспечением CODESYS v2.3. приведена на сайте
Основные технические характеристики контроллера представлены в таблице и в таблице.
| Параметр | Значение (свойства) | ||
|---|---|---|---|
| ПЛК110-Х.30(М02) | ПЛК110-Х.32(М02) | ПЛК110-Х.60(М02) | |
| Питание | |||
Напряжение питания: | |||
| от 12 до 26 В постоянного тока при минус 40 °С > Т > минус 20 °С (номинальное 24 В)* от 12 до 30 В постоянного тока при Т > минус 20 °С | ||
| от 90 до 264 В переменного тока, либо постоянного тока (номинальное 120/230 В) | ||
Потребляемая мощность, не более: | |||
| 28 Вт | 31 Вт | |
| 41 ВА | 45 ВА | |
Пусковой ток, не более | |||
| 11 А | 10 А | |
| 41 А | 44 А | |
| 55 А | 54 А | |
Длительность переходного процесса, не более | |||
| 3 мс | 3 мс | |
| 2,5 мс | 2,5 мс | |
| 2,5 мс | 2,5 мс | |
* Для питания модификации ПЛК110-24.Х.Х-Х(М02) следует использовать только источник питания со сверхнизким безопасным напряжением, двойной или усиленной изоляцией и с потенциальной развязкой цепей. В противном случае в цепях может появиться опасное напряжение, которое приведет к поломке прибора. Выходное напряжение вторичного источника равно входному напряжению, ток не более 630 мА. | |||
| Дискретные входы | |||
Максимальный ток «логической единицы» | 9 мА (при 30 В) | ||
Максимальный ток «логического нуля» | 2 мА | ||
Напряжение «логической единицы» | от 15 до 30 В | ||
Напряжение «логического нуля» | от минус 3 до плюс 5 В | ||
Минимальная длительность импульса, воспринимаемого дискретным входом: | |||
| 1,6 мс (меандр) | ||
| см. таблицу | ||
Подключаемые входные устройства | коммутационные устройства (контакты кнопок, выключателей, герконов, реле и т.п.) трехпроводные датчики, имеющие на выходе транзистор n-p-n или p‑n‑p‑типа с открытым коллектором дискретные сигналы с напряжением до 30 В | ||
Параметры встроенного источника питания: | |||
| выходное напряжение равно входному напряжению на клеммах питания ПЛК, ток не более 630 мА | ||
| выходное напряжение 24 В ± 4 %, ток не более 400 мА | ||
Количество входов | 18 | 18 | 36 |
(из них быстродействующих) | (2) | (2) | (4) |
Тип входов по | 1 | ||
Дискретные выходы (контакты электромагнитных реле ПЛК110-Х.Х.Р(М02)) | |||
Количество релейных выходных каналов | 12 | 14 | 24 |
Максимальный ток, коммутируемый контактами реле, не более | 3 А (для переменного напряжения
не более 250 В, частотой 50 Гц и cosφ > 0,4 – нагрузка для категории
использования АС-15 по 3 А (для постоянного
напряжения не более 30 В – нагрузка для категории использования DC-13
по | ||
Минимальный ток коммутации, не менее | 100 мА | ||
Время переключения контактов реле из состояния «лог. 0» в «лог. 1» и обратно, не более | 10 мс (выходы DО1…DО12) | 10 мс (выходы DО1…DО14) | 10 мс (выходы DО1…DО24) |
Суммарный максимальный ток нагрузки группы реле: | |||
| 3 А | 3 А | 3 А |
| 3 А | 12 А | 3 А |
| 3 А | 12 А | 3 А |
| 12 А | 12 А | 2,5 А |
| 12 А | - | 6 А |
| - | - | 12 А |
Механический ресурс реле, не менее: | 300 000 циклов переключений при максимальной коммутируемой нагрузке | ||
| 500 000 циклов переключений при коммутации нагрузки менее половины от максимальной | |||
Дискретные выходы (транзисторные ключи ПЛК110-Х.Х.К) | |||
Количество транзисторных выходных каналов | 12 | 14 | 24 |
| (из них быстродействующих) | (4 – DO1…DO4) | (4 – DO1…DO4) | (4 – DO1…DO4) |
Максимальный ток транзисторного выхода, не более | |||
| 400 мА (при напряжении не более 30 В
постоянного тока – нагрузка для категории использования DC-13 по | ||
| 400 мА (при напряжении постоянного тока в диапазоне от 12 до 30 В, от внешнего источника) | ||
Характеристики встроенного выходного защитного элемента подавления помех, возникающих из-за коммутации индуктивностей (TVS диод) | SMBJ40A (напряжение срабатывания от 44,4 В до 49,1 В) | ||
Время переключения транзисторного выхода из состояния «лог. 1» в состояние «лог. 0», не более | |||
| 0,002 мс (выходы DО1…DО4) | ||
| 5 мс (выходы DО5…DО12) | 5 мс (выходы DО5…DО14) | 5 мс (выходы DО5…DО24) |
Вычислительные ресурсы | |||
Центральный процессор | RISC-процессор Texas Instruments Sitara AM1808 | ||
Объем оперативной памяти | Пользовательская программа 1 Мбайт, данные пользовательской программы 128 Кбайт, hеар до 4 Мбайт в зависимости от использования ресурсов (сокеты, конфигурация и др.) (SDRAM), RAM-диск 8 Мбайт | ||
Объем энергонезависимой памяти (FLASH) | 6 Мбайт доступно для хранения файлов и архивов | ||
Допустимое число циклов перезаписи энергонезависимой памяти (на блок данных) | 100 000 | ||
Размер Retain-памяти (MRAM) | 16 Кбайт* | ||
Количество сокетов | 30 | ||
Время выполнения пустого цикла | Установленное по умолчанию (стабилизированное) – 1 мс (настраивается в окне «Конфигурация ПЛК (PLC Configuration)» CODESYS). Не рекомендуется устанавливать время цикла равное 0 мс | ||
Встроенное оборудование | |||
Часы реального времени с собственным батарейным питанием. Погрешность хода, не более: | |||
| 5 секунд в сутки | ||
| 20 секунд в сутки | ||
| Встроенный источник выдачи звукового сигнала | |||
| Трехпозиционный переключатель на передней панели контроллера | |||
Заводские сетевые настройки | |||
| IP-адрес | 10.0.6.10 | ||
| Маска IP-адреса | 255.255.255.0 | ||
| IP-адрес шлюза | 10.0.6.1 | ||
| DNS | 8.8.8.8; 8.8.4.4 | ||
Общие сведения | |||
Габаритные размеры | (140 × 114 × 83) ±1 мм | (208 × 114 × 83) ±1 мм | |
Масса, не более | 1,2 кг | ||
Степень защиты корпуса по | IP20 со стороны передней панели; IP00 со стороны клемм | ||
Индикация на передней панели | Светодиодная | ||
Средняя наработка на отказ** | 60 000 ч | ||
Средний срок службы | 10 лет | ||
* Работа с RETAIN переменными описана в документе ”Руководство по работе с RETAIN переменными”. ** Не считая электромеханических переключателей и элемента питания часов реально реального времени. | |||
| Интерфейсы связи | Протоколы (тип связи и особенности работы) | Формат передачи данных | Скорости передачи* | Длина кабеля**, не более | Тип рекомендуемого кабеля |
|---|---|---|---|---|---|
| RS-485 | ModBus-RTU, ModBus-ASCII, DCON, ОВЕН | 7 или 8 бит, четность есть /нет/не используется, 1 или 2 стоп бита | 300, 600, 1200, 2400, 4800, 9600, 14400, 19200, 28800, 38400, 57600, 115200 бит/с | 1000 м | КИПЭВ 1 × 2 × 0,6 ТУ 16.К99-008–2001 или аналогичный |
| RS-232 | ModBus-RTU, ModBus-ASCII, DCON, ОВЕН | 7 или 8 бит, четность есть /нет/не используется, 1 или 2 стоп бита | 300, 600, 1200,1200, 2400, 4800, 9600, 14400, 19200, 28800, 38400, 57600, 115200 бит/с | 3 м | Кабели, выполненные в соответствии с рекомендациями раздела |
| RS-232 Debug | ModBus-RTU, ModBus-ASCII, DCON, CODESYS GateWay (только для Debug RS-232), ОВЕН | только 8, нет 1 | 300, 600, 1200, 2400, 4800, 9600, 14400, 19200, 28800, 38400, 57600, 115200 бит/с | 1,8 м | Кабели, выполненные в соответствии с рекомендациями раздела |
| Ethernet 100 Base-T | ModBus-TCP, CODESYS Gateway, TCP-IP, UDP-IP, CODESYS Network Variables (over UDP), РРР | – | 10, 100 Мбит/с | 100 м | Категория 5 тип UTP (витые пары без экрана), STP или FTP (витые пары в экране) |
| USB-Device | CDC | – | 115200 бит/с | 1,8 м | – |
| USB-Host | MSD/HID/FTDI, USB 1.0/1.1 | – | – | 1,5 м | – |
* Критерий правильного функционирования интерфейсов связи контроллера – не более 1 % ошибок на любой из скоростей. ** Максимальная длина зависит от скорости обмена. | |||||
Интерфейсы USB и RS-232 прибора питают подключенные устройства. Ток потребления питаемых устройств не должен превышать значений, указанных в таблице.
| Интерфейс | Максимальный ток питания подключаемых устройств |
|---|---|
| RS-232-Debug | до 250 мА* |
| RS-232 | |
| USB-Host | до 150 мА |
* Допускается подключение линии питания только для одного из интерфейсов: либо RS-232, либо RS-232 Debug. | |
Типы изоляции представлены в таблице
| Тип | Описание |
|---|---|
| Основная изоляция (О) | Изоляция для защиты частей оборудования, находящихся под напряжением, от поражения электрическим током. Электрическая прочность основной изоляции ПЛК110(М02) проверяется типовыми испытаниями: приложением испытательного переменного напряжения, величина которого различна для различных цепей ПЛК110(М02) |
| Дополнительная (Д) | Дополнительная независимая изоляция для гарантии защиты от поражения электрическим током в случае отказа основной изоляции. Электрическая прочность дополнительной изоляции ПЛК110(М02) проверяется приложением испытательного переменного напряжения 1780 В (действующее значение) |
| Двойная изоляция | Основная и дополнительная изоляция |
| Усиленная (У) | Отдельная система изоляции для частей под напряжением со степенью
защиты от поражения электрическим током, эквивалентную двойной изоляции
согласно |
| Функциональная (Ф) | Изоляция для исправной работы оборудования. Не обеспечивает защиту от поражения электрическим током. Электрическая прочность функциональной изоляции ПЛК110(М02) проверяется приложением испытательного переменного напряжения 1000 В (действующее значение) |
Время испытания - 1 минута. | |
Общие схемы прочности гальванической изоляции для разных модификаций ПЛК110(М02) приведены на рисунке, рисунке, рисунке и рисунке.




| Параметр | Значение (свойства) | ||
|---|---|---|---|
| ПЛК110-Х.30(М02) | ПЛК110-Х.32(М02) | ПЛК110-Х.60(М02) | |
Гальваническая развязка встроенного источника питания: | |||
| Отсутствует | ||
| 3000 В (У) | ||
| Цифровые (дискретные) входы | |||
| Гальваническая развязка | Групповая (все входы объединены в одну группу) | ||
| Электрическая прочность изоляции | 1780 В (Д) | ||
Дискретные выходы (контакты электромагнитных реле ПЛК110-Х.Х.Р(М02)) | |||
| Гальваническая развязка | Индивидуальная или групповая (часть выходов собраны в группы по 2 или 4 шт. и имеют общую клемму) | ||
| Электрическая прочность изоляции | 3000 В (У) 1780 (О) между выходами (или группами выходов) | ||
| Дискретные выходы (транзисторные ключи ПЛК110-Х.Х.К(М02)) | |||
| Гальваническая развязка | Индивидуальная или групповая (часть выходов собраны в группы по 2 или 4 шт. и имеют общую клемму) | ||
| Электрическая прочность изоляции | 1780 В (Д) 1780 В (Д) между выходами (или группами выходов) | ||
| Интерфейсы связи | |||
RS-485 | |||
| Групповая | Индивидуальная | Групповая |
| 1000 В (Ф) | 1000 В (Ф) | 1000 В (Ф) |
RS-232 | |||
| Отсутствует | Отсутствует | Отсутствует |
| – | – | – |
RS-232-Debug | |||
| Отсутствует | Отсутствует | Отсутствует |
| – | – | – |
Ethernet 100 Base-T | |||
| Индивидуальная | Индивидуальная | Индивидуальная |
| 1000 В (Ф) | 1000 В (Ф) | 1000 В (Ф) |
USB-Device | |||
| Отсутствует | Отсутствует | Отсутствует |
| – | – | – |
USB-Host | |||
| Отсутствует | Отсутствует | Отсутствует |
| – | – | – |
Условия эксплуатации ПЛК110(М02) соответствуют требованиям ГОСТ IEC 61131–2.
Прибор соответствует второму классу электробезопасности в соответствии с ГОСТ IEC 61131–2.
Прибор предназначен для эксплуатации в следующих условиях:
закрытые взрывобезопасные помещения или шкафы электрооборудования без агрессивных паров и газов;
температура окружающего воздуха от минус 40 до плюс 55 °С;
относительная влажность от 10 % до 95 % при плюс 35 °С (без образования конденсации);
высота над уровнем моря не более 2000 м;
допустимая степень загрязнения 1 (несущественные загрязнения или наличие только сухих непроводящих загрязнений).
По устойчивости к климатическим воздействиям во время эксплуатации прибор соответствует группе исполнения В4 ГОСТ Р 52931.
По устойчивости к механическим воздействиям при эксплуатации прибор соответствует группе исполнения N2 ГОСТ Р 52931 (частота вибрации от 10 до 55 Гц).
По устойчивости к воспламенению и распространению пламени FV1 корпус прибора соответствует ГОСТ Р 51841.
Контроллер ПЛК110(М02) отвечает требованиям по устойчивости к воздействию помех в соответствии с ГОСТ Р 51841 и ГОСТ Р 51522 для оборудования класса А.
По уровню излучения радиопомех (помехоэмиссии) контроллер ПЛК110(М02) соответствует нормам, установленным для оборудования класса Б по ГОСТ Р 51318.22 (СИСПР 22–97).
Контроллер ПЛК110(М02) устойчив к колебаниям и провалам напряжения питания:
для переменного тока в соответствии с требованиями ГОСТ 30804.4.11;
для постоянного тока в соответствии с ГОСТ Р 51841 – длительность прерывания до 10 мс включительно, длительность интервала от 1 с и более.
По устойчивости к электромагнитным воздействиям и по уровню излучаемых радиопомех прибор соответствует оборудованию класса А по ГОСТ 51522 (МЭК 61326-1).
Контроллер ПЛК110(М02) устойчив к воздушному электростатическому разряду ± 8 кВ.
Контроллер ПЛК110(М02) устойчив к радиочастотному электромагнитному полю напряженностью до 10 В/м в полосе частот от 80 до 1000 МГц.
Порты питания контроллера устойчивы к наносекундным импульсным помехам напряжением до 2 кВ.
Порты ввода-вывода контроллера устойчивы к наносекундным импульсным помехам напряжением до 1 кВ.
Порты питания контроллера ПЛК110(М02) устойчивы к микросекундным импульсным помехам большой мощности напряжением до 2 кВ.
Порты ввода-вывода контроллера ПЛК110(М02) устойчивы к микросекундным импульсным помехам большой мощности напряжением до 1 кВ.
Порты питания и ввода-вывода контроллера устойчивы к кондуктивным помехам с уровнем 3 В в полосе частот от 150 кГц до 80 МГц.
Контроллер выпускается в конструктивном исполнении для крепления на DIN-рейку 35 мм или на стену.

| № | Наименование | Описание |
|---|---|---|
| 1 | Переключатель работа/стоп/сброс | Трехпозиционный переключатель (см. подраздел) |
| 2 | USB-Host (Разъем USB Type-A) | Порт для подключения USB-flash накопителей (см. подраздел) |
| 3 | USB-Device (Разъем USB Type-B) | Порт для программирования (см. подраздел) |
| 4 | RS-232 (Разъем RJ-45) | Последовательный интерфейс для подключения устройств (см. подраздел) |
| 5 | Ethernet (Разъем RJ-45) | Порт Ethernet 100 Base-T предназначен для подключения ПЛК в локальные сети, передачи данных и программирования (см. подраздел) |
| 6 | RS-232 Debug (Разъем RJ-45) | Последовательный интерфейс предназначен для подключения устройств и программирования: (см. подраздел) |
| 7 | Светодиодные индикаторы состояния входов | FDI – обозначение для быстрых входов контроллера; DI – обычные дискретные входы) (см. подраздел) |
| 8 | Светодиодные индикаторы состояния выходов | FDO – обозначение для быстрых выходов контроллера; DO – обычные дискретные входы (см. подраздел) |
| 9 | Светодиодные индикаторы состояния ПЛК | Индикация состояния контроллера: «Работа», «Питание», «Связь», «Батарея» (см. подраздел) |
| 10 | Съемные клеммные колодки | Для подключения питания прибора, дискретных датчиков, исполнительных механизмов, интерфейсов RS-485 и клеммы встроенного источника постоянного напряжения 24 В |
| 11 |
Контроллер ПЛК110(М02) имеет цифровые (дискретные) входы, количество которых различно в разных исполнениях контроллера. Значения с входов обрабатываются пользовательской программой ПЛК.
Входы DI1–DI4 в ПЛК110-Х.60.Х-Х(М02) и DI1–DI2 в ПЛК110-Х.32.Х-Х(М02) и ПЛК110-Х.30.Х-Х(М02) можно запрограммировать на работу в качестве счетчиков импульсов, на работу с энкодерами, или перевести в режим обработки по прерыванию высокочастотного таймера. Максимальные частоты входных сигналов, которые могут воспринимать эти входы, приведены в таблице.
Режим работы дискретного входа | Минимальная длительность импульса, воспринимаемого дискретным входом | Комментарий |
| Программная обработка | 1667 мкс (300 Гц) | Определяется длительностью цикла прибора |
| Счетчик импульсов | 5 мкс (100 кГц) | При коэффициенте заполнения 0,5 (50 %) и отключенном фильтре |
| Энкодер | 5 мкс (до 100 кГц*) | При коэффициенте заполнения 0,5 (50 %) и отключенном фильтре |
| Чтение из прерывания по высокочастотному таймеру | 31 мкс (до 16 кГц) | До 8 кГц в режиме энкодера |
* Частота на контактах энкодера A, B и Z. | ||
Все «быстродействующие» входы объединяются в общую группу и одновременно работают в одном из перечисленных режимов в таблице.
К «быстродействующим» входам в режиме работы с энкодерами можно подключать приведенные в таблице типы энкодеров.
| Модификация | Тип | Выходы энкодеров | Входы |
| ПЛК110-Х.30.Х-Х(М02) | Подключение одного инкрементального энкодера | А и В | DI1-DI2 |
| ПЛК110-Х.32.Х-Х(М02) | |||
| ПЛК110-Х.60.Х-Х(М02) | Подключение двух инкрементальных энкодеров | А1 и В1 | DI1-DI2 |
| А2 и В2 | DI3-DI4 | ||
| Подключение одного инкрементального энкодера с указателем нулевой метки (ABZ энкодер) | А и В | DI1-DI2 | |
| Указатель нулевой метки (Z) | DI3 |
Контроллер ПЛК110(М02) имеет цифровые (дискретные) выходы, количество которых различно в разных исполнениях контроллера. Выходы управляются пользовательской программой ПЛК.
Выходы DО1-DО4 в ПЛК110-Х.Х.К-Х(М02) можно запрограммировать на работу в качестве генераторов ШИМ. Выходы могут быть также переведены в режим прямого управления из прерывания высокочастотного таймера. Характеристики генерируемых импульсов представлены в таблице.
| Режим работы дискретного выхода | Характеристики |
Простой дискретный выход | Частота изменения сигнала не более 1 кГц, определяется длительностью цикла ПЛК |
ШИМ | Max частота 100 кГц Min длительность 5 мкс Min период ШИМ 500 мкс (с дискретностью 1%) Min период ШИМ 5 мс (с дискретностью 0,1%) |
Прямое управление из прерывания таймера | Частота импульсов не более 25 кГц при коэффициенте заполнения 50 %* |
* Из-за особенностей данной функции возможны флуктуации периода сигнала, величиной не более 20 мкс. | |
Все «быстродействующие» выходы объединяются в общую группу и одновременно работают в одном из перечисленных режимов.
Настройка входов и выходов в специальных режимах работы подробна описана в РП.
На передней панели прибора светодиоды показывают следующую информацию:
состояние дискретных входов и выходов;
наличие питания;
наличие связи с CODESYS;
работа контроллера.
| Индикатор | Состояние индикатора | Описание |
«Работа» | Слабо светится | Ядро ОС еще не загрузилось после включения питания прибора |
| Мигает раз в 500 мс | Ядро ОС повреждено (не совпадает контрольная сумма) | |
| Мигает раз в 200 мс | Перегрузка центрального процессора | |
| Светится | Ядро ОС загружено успешно, программа CODESYS загрузилась и запустилась | |
| Не светится | Программа CODESYS не работает, остановлена или не загружена | |
«Питание» | Светится | Наличие питания у прибора |
| Не светится | Отсутствие питания у прибора | |
«Связь» | Светится | Наличие связи с CODESYS |
| Не светится | Отсутствие связи с CODESYS | |
| «Бат.» | Светится | Необходимо заменить батарейку (порядок замены см. подраздел) |
| Не светится | Батарейка не требует замены | |
| «FDI», «DI» | Светится | Соответствующий вход замкнут |
| Не светится | Вход разомкнут | |
| «DO» | Светится | Соответствующий вход замкнут |
| Не светится | Вход разомкнут |
В корпусе прибора расположен маломощный звуковой излучатель. Во время работы пользовательской программы звуковой излучатель может использоваться как дискретный выход, (см. РП). Излучатель можно использовать, например, для аварийной сигнализации или во время отладки программы. Частота и громкость звукового сигнала фиксированы и не подлежат изменению.
На передней панели около порта интерфейса USB B расположен трехпозиционный переключатель.
Положения переключателя определяют состояния прибора, описанные в таблице
| Положение переключателя | Состояние прибора | Описание | |
| Перевод в
верхнее положение | Во включенном состоянии | Пользовательская программа не запустится | |
| До включения | Со стартом контроллера запустится программа пользователя, если она настроена на автозапуск* | ||
| Перевод в среднее положение «Стоп» | Во включенном состоянии | Пользовательская программа не будет остановлена | |
| До включения | Во время старта прибора программа пользователя не будет загружена в ОЗУ контроллера и запущена** | ||
| Перевод в
нижнее (нефиксируемое) положение | Во включенном состоянии | Через 6 секунд удержания произойдет перезагрузка прибора | |
| В отключенном состоянии | Ничего не произойдет | ||
* Для настройки программы на автозапуск следует заранее подключать контроллер к CODESYS и создать загрузочный проект: CODESYS | Онлайн | Создание загрузочного проекта. ** В случае попытки подключения к прибору из среды CODESYS будет выдаваться сообщение об отсутствии пользовательской программы. | |||
На лицевой части прибора расположен интерфейс USB-Host для подключения устройства хранения информации: USB Mass Storage Device (MSD), USB HUB и HID-устройств.
Во время работы с интерфейсом USB-Host следует учитывать следующие особенности:
USB-Host имеет функцию защиты от перегрузки и короткого замыкания. Срабатывание защиты приводит к выключению питания на USB-Host с последующими периодическими попытками восстановления питания;
максимальный размер памяти USB MSD не должен превышать 8 GB;
прибор не поддерживает USB MSD в формате NTFS. Отформатировать USB MSD в формат FAT12, FAT16 или FAT32.
Для безопасного извлечения накопителя следует:
Завершить все процедуры записи.
Дождаться прекращения активности на накопителе (светится индикатор) или выждать не менее 3 секунд.
Извлечь накопитель.
Прибор подключается к ПК через порт USB-Device кабелем USB А-USB В (в комплект поставки не входит).
Руководство по подключению к CODESYS v2.3 подробно описано в РП.
В приборе есть один интерфейс RS-232 для связи двух последовательных устройств по протоколу Modbus RTU/ASCII. Контроллер поддерживает режимы Master и Slave.
Контакты порта RS-232 показаны на рисунке. Назначение контактов описано в таблице.

| № контакта | Описание |
|---|---|
| 1 | - |
| 2 | - |
| 3 | GND |
| 4 | - |
| 5 | +5 Vdc, 250 мA |
| 6 | - |
| 7 | RX |
| 8 | TX |
Следует отключить питание всех устройств в сети RS-232 перед подключением контроллера к сети. Если данное условие не может быть выполнено, то следует отключить питание хотя бы одного из этих устройств.
Порт имеет вывод 5 В и позволяет питать подключенные устройства током с силой не более 250 мA. Допускается подключать линию питания только для одного из интерфейсов RS-232, или RS-232 Debug.
Контроллер оснащён коммуникационным портом Ethernet 100 Base-Т, который обеспечивает сетевое взаимодействие прибора с другими устройствами.
Контакты порта Ethernet показаны на рисунке. Назначение контактов описано в таблице.

| № контакта | Описание |
|---|---|
| 1 | TD+ |
| 2 | TD− |
| 3 | RD+ |
| 4 | - |
| 5 | - |
| 6 | RD− |
| 7 | - |
| 8 | - |
На рисунке также отображены светодиоды, которые показывают состояние интерфейса Ethernet. Назначение светодиодов описано в таблице.
| Светодиод | Назначение | Статус | Описание |
| Желтый | Передача данных | Выкл. | Нет активности |
| Вкл. | Передача или получение данных | ||
| Зеленый | Соединение | Выкл. | Нет соединения или соединение 10 Мбит/с |
| Вкл. | Соединение 100 Мбит/с |
Прибор содержит один интерфейс RS-232 Debug, который можно использовать для подключения контроллера к ПК и для связи двух последовательных устройств по протоколу Modbus RTU (только режим Slave) и Modbus ASCII (поддерживается как режим Master, так и Slave).
Контакты порта RS-232 Debug показаны на рисунке. Назначение контактов описано в таблице.

| № контакта | Описание |
|---|---|
| 1 | - |
| 2 | - |
| 3 | GND |
| 4 | - |
| 5 | +5 В, 250 мA |
| 6 | - |
| 7 | RX |
| 8 | TX |
Следует отключить питание всех устройств в сети RS-232 Debug перед подключением контроллера к сети. Если данное условие не может быть выполнено, то следует отключить питание хотя бы одного из этих устройств.
Порт имеет вывод 5 В и позволяет питать подключенные устройства током не более 250 мА. Допускается подключать линию питания только для одного из интерфейсов RS-232, или RS-232 Debug.
Порт RS-232 Debug можно использовать для подключения к CODESYS v2.3 (см. РП).
В приборе есть один (ПЛК110-x.32) или два (ПЛК110-x.30 и ПЛК110-x.60) интерфейса RS-485 для связи последовательных устройств по протоколам Modbus ASCII/RTU, DCON, ОВЕН в режимах Master и Slave.
Для соединения приборов по интерфейсу RS-485 применяется экранированная витая пара проводов, согласно требованиям таблицы. Общая длина линии RS-485 не должна превышать 1000 м.
Линии связи следует подключать с соблюдением полярности. Линия связи А подключается к клемме А прибора, аналогично подключается линия связи В к клемме В.
Подробную схему подключения см. в разделе.
Прибор оснащен встроенными часами реального времени (RTC), которые могут питаться от батареи. Энергии полностью заряженной батареи хватает на непрерывную работу часов реального времени в течение 5 лет. В случае эксплуатации прибора при температуре на границах рабочего диапазона время работы часов сокращается.
В приборе используется сменная батарея типа CR2032. Батарея используется только для питания часов реального времени. В случае отключения питания контроллер сохраняет промежуточные результаты вычислений и выключается.
Если батарея разряжена (напряжение в ней опускается ниже определенного значения), то включается индикатор разряда батареи (светодиод «Бат.» на лицевой стороне прибора). Включение индикатора сигнализирует о необходимости замены батареи (см. раздел).
Для замены батареи следует:
Отключить питание прибора и подключенных к нему устройств.
Поднять прозрачную крышку 1 над клеммной колодкой 2.
Выкрутить два винта 3.
Зацепить колодку отверткой и снять ее как показано на стрелке 4.

Отсоединить клеммы.

Сборку корпуса и установку на место следует осуществлять в обратном порядке
После сборки и включения прибора убедитесь, что показания часов корректны. Информация о том, как скорректировать показания часов, находится в РП.
По способу защиты от поражения электрическим током контроллер ПЛК110-24.Х(М02)
соответствует классу III, а ПЛК110-220.Х(М02) соответствует классу
II по
Во время эксплуатации и технического обслуживания прибора необходимо соблюдать требования ГОСТ 12.3.019-80, «Правил эксплуатации электроустановок потребителей» и «Правил охраны труда при эксплуатации электроустановок потребителей».
Открытые контакты клемм прибора во время эксплуатации находятся под напряжением величиной до 250 В. Любые подключения к прибору и работы по его техническому обслуживанию следует производить только при отключенном питании контроллера и питании подключенных к нему исполнительных механизмов.
Не допускается попадание влаги на контакты выходных соединителей и внутренние элементы прибора. Запрещено использовать прибор при наличии в атмосфере кислот, щелочей, масел и иных агрессивных веществ.
В случае применения прибора на объектах, подконтрольных Федеральной службе по экологическому, технологическому и атомному надзору (ФСЭТАН), объектах органов безопасности и охраны правопорядка или иных объектах, потенциально представляющих опасность для жизни и здоровья окружающих, требуется обязательная защита паролем ПЛК.
Требования к паролю:
длина пароля должна составлять не менее 8 символов и не более 32 символов;
пароль должен содержать буквы латинского алфавита и цифры.
Пароль рекомендуется менять не реже 1 раза в 3 месяца. Не допускается подключать прибор к локальной сети Ethernet с выходом в сеть Intеrnet без обеспечения надежных средств межсетевого экранирования. Физический доступ к прибору должен быть разрешен только квалифицированному обслуживающему персоналу.
Во время монтажа прибора следует учитывать меры безопасности из раздела. Для обеспечения электробезопасности при монтаже прибора следует руководствоваться подразделом.
Перед монтажом прибора следует подготовить место в шкафу электрооборудования. Конструкция шкафа должна защищать прибор от попадания в него влаги, грязи и посторонних предметов.
Контроллер закрепляется на DIN-рейку или внутреннюю стену шкафа защелками вниз.
Для установки прибора на DIN-рейке следует:
Подготовить на DIN-рейке место для установки прибора в соответствии с размерами.
Установить прибор на DIN-рейку в соответствии с рисунком по стрелке 1 и с усилием прижать его к DIN-рейке в направлении стрелки 2 до фиксации защелки.

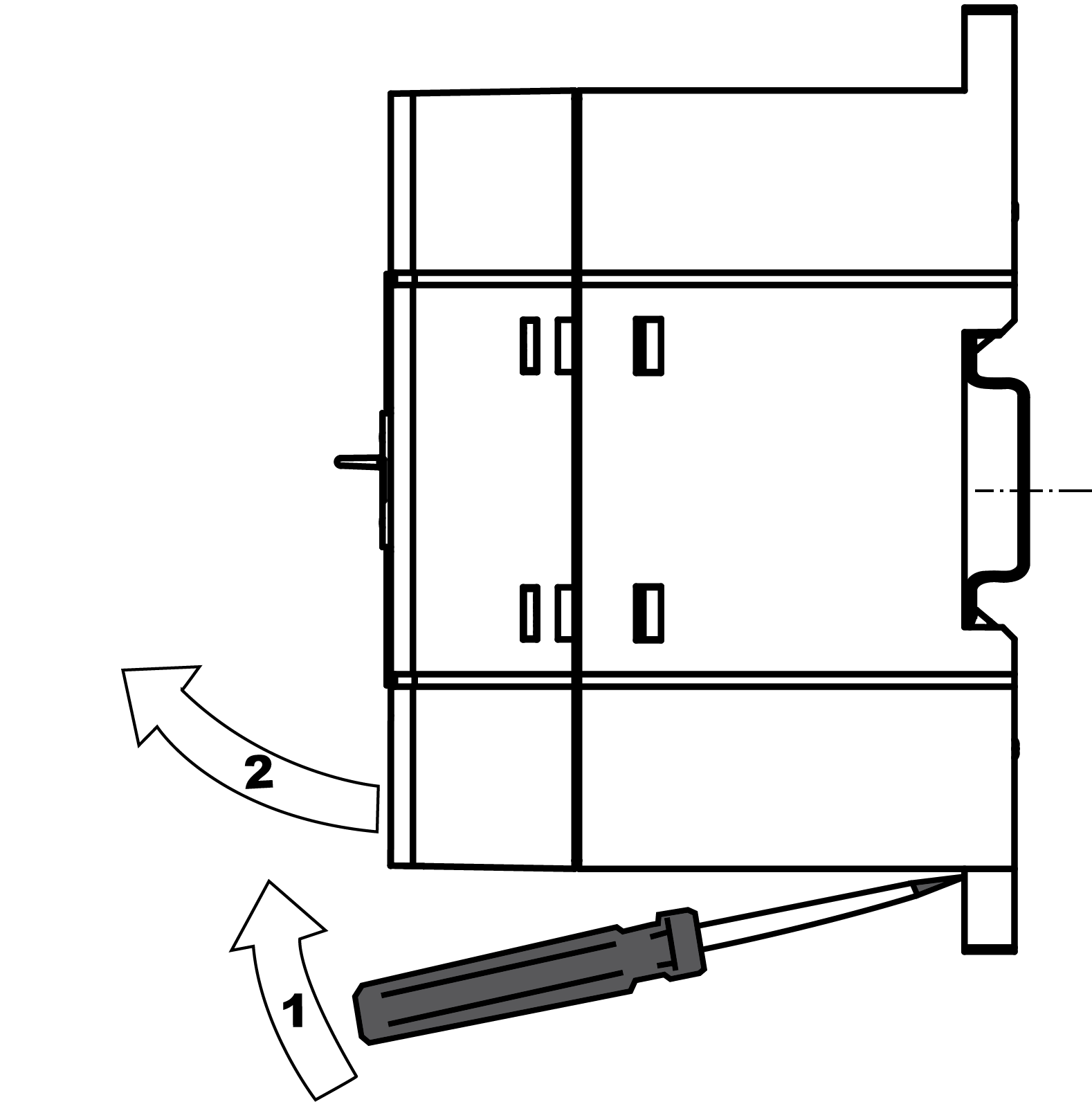
Для демонтажа прибора с DIN-рейки следует:
В проушину защелки вставить острие отвертки.
Обе защелки отжать по стрелке 1, после чего контроллер отвести от DIN-рейки по стрелке 2.

Для установки прибора на стену следует:
Подготовить место на стене для установки прибора в соответствии с размерами.
Установить прибор на стене и закрепить двумя винтами М3 (не входят в комплект поставки). Для крепления используются проушины у основания корпуса контроллера.
Во время монтажа следует оставить зазоры между стенками и корпусом прибора не менее 30 мм.

Для обеспечения надежности электрических соединений рекомендуется использовать медные многожильные кабели, концы которых перед подключением следует тщательно зачистить, залудить или использовать кабельные наконечники. Жилы кабелей следует зачистить так, чтобы их оголенные концы после подключения к прибору не выступали за пределы клеммника. Сечение жил кабелей должно быть не более 1 мм2.
Общие требования к линиям соединений:
во время прокладки кабелей следует выделить линии связи, соединяющие прибор с датчиком, в самостоятельную трассу (или несколько трасс), располагая ее (или их) отдельно от силовых кабелей, а также от кабелей, создающих высокочастотные и импульсные помехи;
для защиты входов прибора от влияния промышленных электромагнитных помех линии связи прибора с датчиком следует экранировать. В качестве экранов могут быть использованы как специальные кабели с экранирующими оплетками, так и заземленные стальные трубы подходящего диаметра. Экраны кабелей с экранирующими оплетками следует подключить к контакту функционального заземления (FE) в щите управления;
фильтры сетевых помех следует устанавливать в линиях питания прибора;
искрогасящие фильтры следует устанавливать в линиях коммутации силового оборудования.
Монтируя систему, в которой работает прибор, следует учитывать правила организации эффективного заземления:
все заземляющие линии прокладывать по схеме «звезда» с обеспечением хорошего контакта с заземляемым элементом;
все заземляющие цепи должны быть выполнены проводами наибольшего сечения;
запрещается объединять клемму прибора с маркировкой «Общая» и заземляющие линии.
Контроллер ПЛК110-220.Х.Х-Х(М02) следует питать от распределенной питающей сети, не связанной непосредственно с питанием мощного силового оборудования. Во внешней цепи рекомендуется установить выключатель, обеспечивающий отключение прибора от сети. Следует использовать автоматический выключатель, рассчитанный на ток 1 А, характеристика В. Не следует осуществлять питание каких-либо устройств от сетевых контактов контроллера.
Питание контроллера ПЛК110-24.Х.Х-Х(М02) рекомендуется осуществлять от локального источника подходящей мощности, установленного совместно с прибором в шкафу электрооборудования. Для питания от распределенной сети рекомендуется устанавливать перед прибором сетевой фильтр, подавляющий микросекундные импульсные помехи.
Схемы подключения питания ПЛК110-30 представлены на рисунке и рисунке:


Схемы подключения питания ПЛК110-32 представлены на рисунке и рисунке:


Схемы подключения питания ПЛК110-60 представлены на рисунке и рисунке:


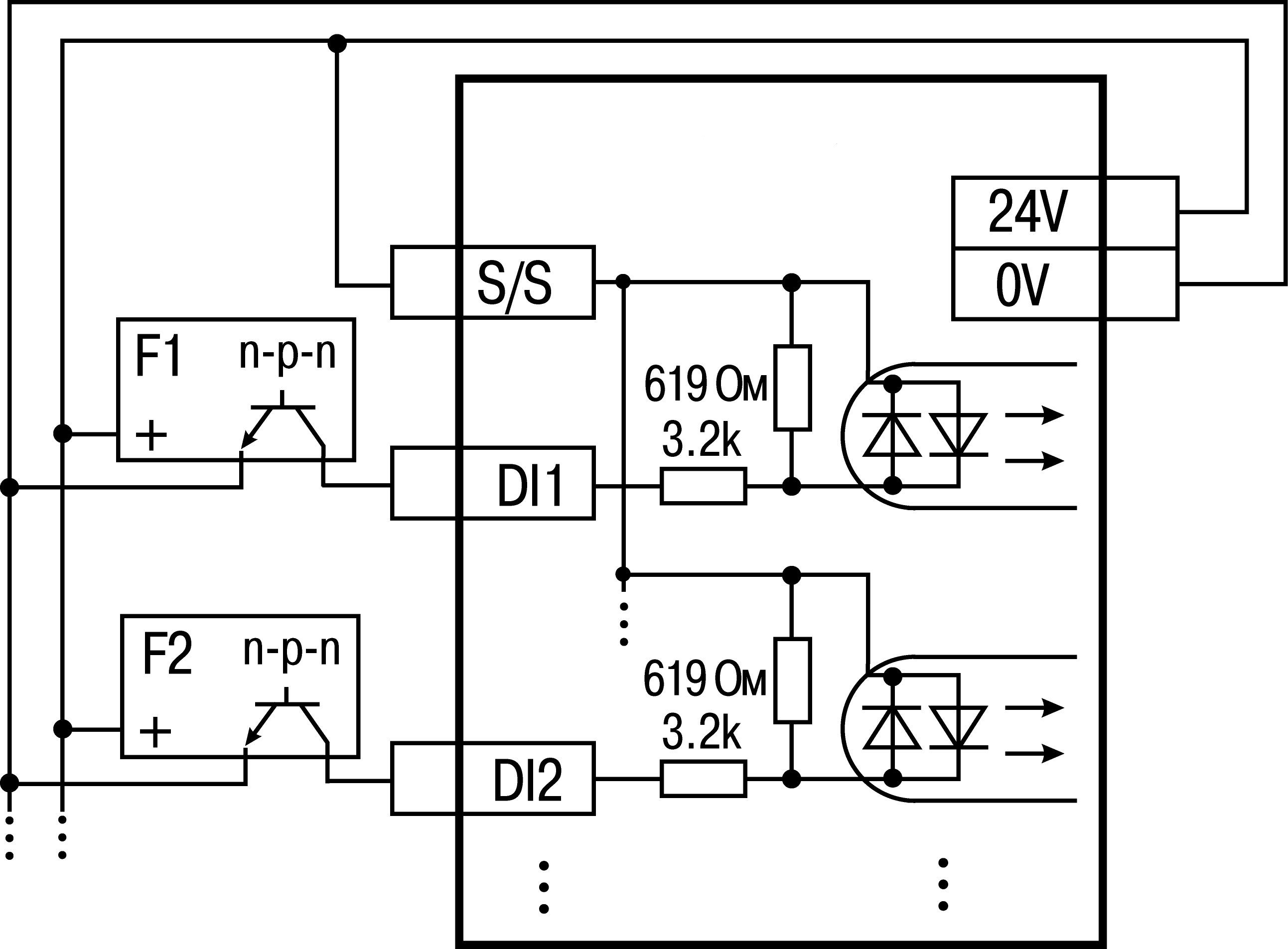
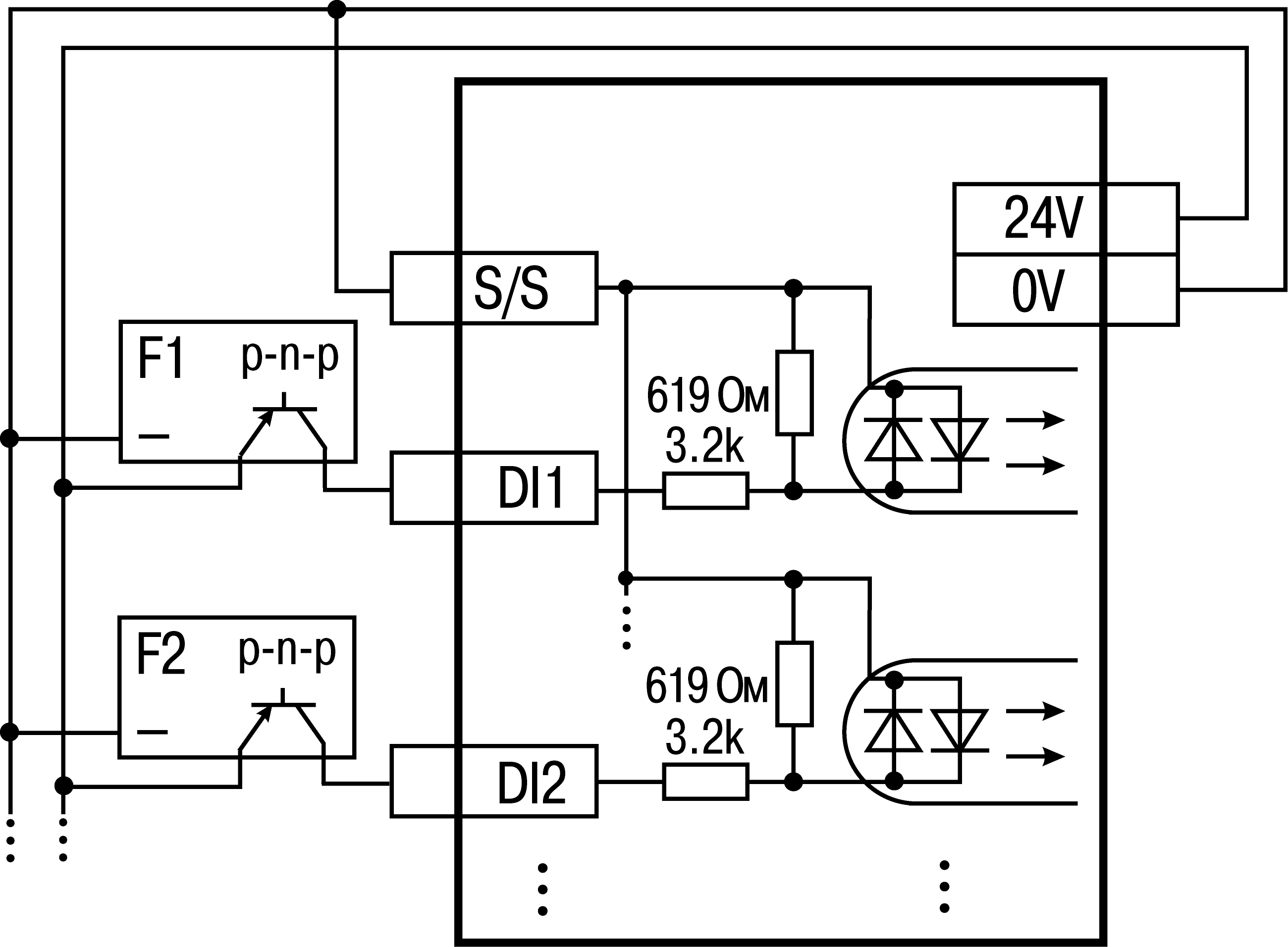
Подключение источников сигналов к дискретным входам, а также подключение исполнительных механизмов к дискретным выходам осуществляются в соответствии со схемами, приведенными на рисунках ниже.

Обе схемы равнозначны, допускается использование любой. В случае применения контактных датчиков совместно с датчиками, имеющими на выходе транзисторный ключ, схема подключения должна определяться типом транзисторных датчиков, согласно рисунку и рисунку.
Если питание на входе контроллера ПЛК110-24(М02) меньше 15 В, для питания схем входов следует использовать внешний источник питания с напряжением не ниже 15 В (см. в таблице).


Одновременное подключение PNP и NPN датчиков не допустимо.
Суммарный ток потребления всех внешних датчиков и всех подключенных дискретных входов (7 мА на вход) не должен быть более 630 мА для варианта исполнения контроллера ПЛК110-24.x.x(М02) и не должен быть более 400 мА для контроллера ПЛК110-220.x.x(М02). Если потребление датчиков и входов превышает указанное, то для питания датчиков следует использовать внешний блок питания требуемой мощности.



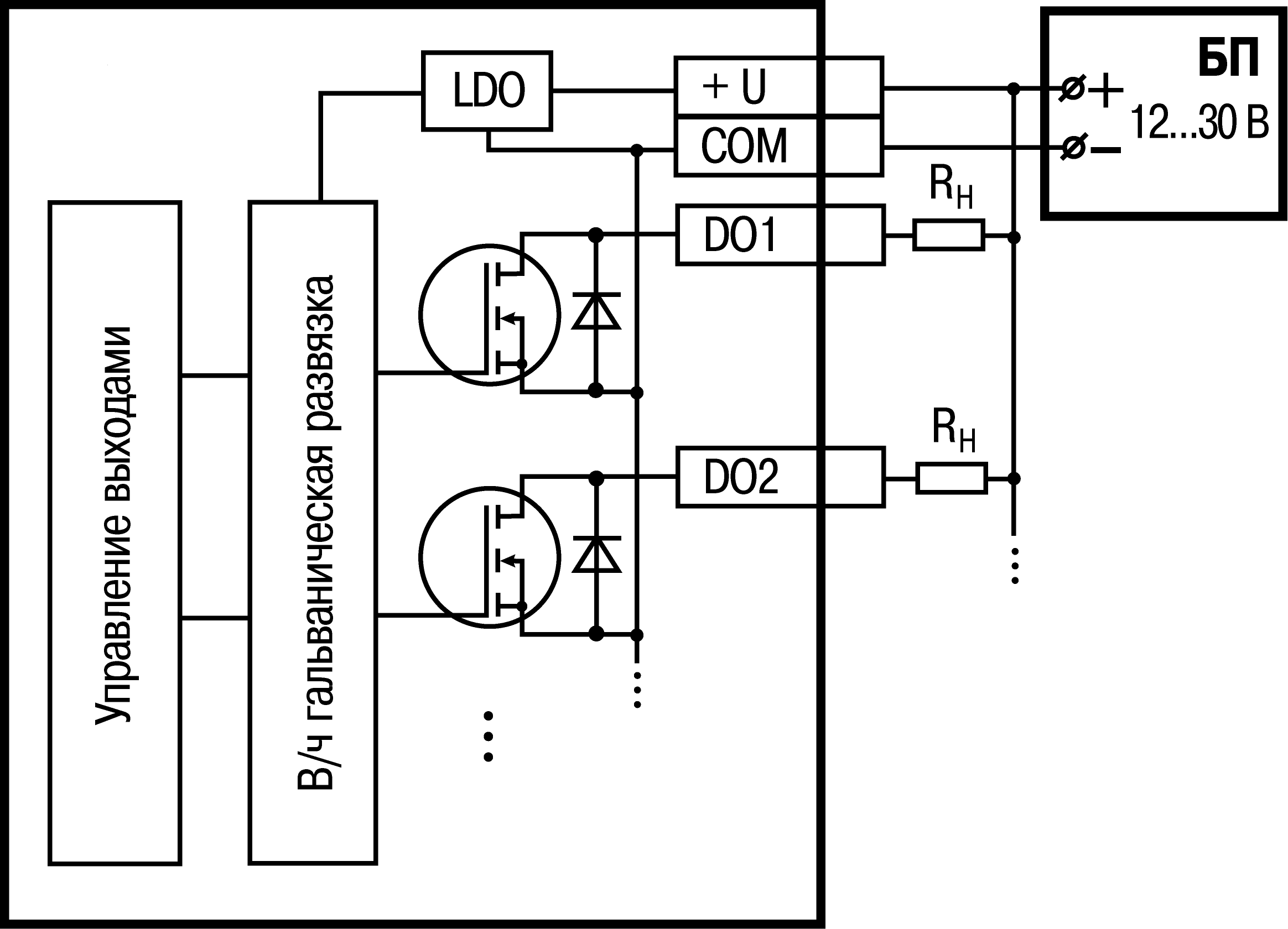
Транзисторные выходы рассчитаны на индуктивную нагрузку категории DC13 и не требуют дополнительной защиты во время подключения нагрузки, которая соответствует этой категории. Релейные выходы не имеют внутренней защиты от перегрузки, поэтому следует использовать элементы защиты, показанные на рисунке и в таблице.
| Схема | Ток | Требования к элементу |
![]() | Постоянный | Максимальный прямой ток диода должен быть равен или должен превышать ток нагрузки. Электрическая прочность диода в обратном направлении должна, по крайней мере, в 10 раз превышать рабочее напряжение цепи. В случае шунтирования электронных схем с низкими напряжениями, допускается, чтобы электрическая прочность диода в обратном направлении превышала рабочее напряжение в 2–3 раза. |
![]() | Переменный | Емкость конденсатора должна составлять 0,5...1 мкФ на 1 А коммутируемого тока, сопротивление резистора – 0,5...1 Ом на 1 В напряжения на контактах. Данные значения могут меняться в зависимости от нагрузки и характеристик реле. Характеристики можно подобрать экспериментально, принимая во внимание, что емкость влияет на гашение искрового разряда в момент размыкания контактов, а сопротивление – на ограничение тока нагрузки в момент замыкания контактов. Электрическая прочность конденсатора должна составлять 200...300 В. Электролитические конденсаторы использовать не следует. |
Для индуктивных нагрузок, например, для работы с контакторами или магнитными клапанами, управляемыми постоянным напряжением, следует всегда использовать безынерционные диоды. Зачастую данные диоды устанавливаются в управляемые устройства заранее. Если диоды не установлены, то необходимо их смонтировать.
Если индуктивные нагрузки включаются релейными выходами с переменным напряжением, следует предусмотреть RC-цепочку, которая снижает пиковое напряжение во время включения нагрузки. Данная цепочка защищает контакты реле от повреждений искровыми разрядами (см. таблицу).
В таблице перечислены устройства, которые можно подключить к контроллеру, а также способы их подключения.
| Подключаемое устройство | Порт ПЛК110 | Кабель | Номер рисунка | Комментарий |
|---|---|---|---|---|
| Модули ввода/вывода Мх110, панели индикации, также любое, поддерживающее RS-485 и протоколы из таблицы | RS-485 | Витая пара | - | Подключение производить при отключенном напряжении питания всех устройств сети RS-485*. Соблюдать полярность |
| Панели индикации ИП320, СП270,СП3ХХ, также любое устройство, поддерживающее RS-232 и протоколы из таблицы | RS-232 Debug | КС16 | Подключение следует производить при отключенном напряжении питания прибора и подключаемого устройства* | |
| RS-232 | КС16 или КС17 в зависимости от вида разъема на присоединяемом устройстве | |||
| ПК, связь со SCADA-системой, установка связи с CODESYS | Ethernet | Ethernet UTP Cat 5 | — | |
| ПК, установка связи с CODESYS | Debug RS-232 | КС14 | Кабель КС14 подключается к обесточенным прибору и ПК ** | |
| Модем ПМ01, АС3-М и другие устройства | Debug RS-232 | КС17 | Во время подключения модема к порту Debug RS-232 на кабеле КС17 следует установить переключатель в положение «OFF» | |
| ПК, установка связи с CoDeSys | USB Device | USB B – USB A | - | Следует подключать спустя 3–5 секунд после подачи напряжения питания на прибор |
* Если данное условие не может быть выполнено, то следует отключить питание хотя бы одного из этих устройств. ** Если отключение питания прибора и ПК невозможно, то рекомендуется следующий порядок подключения кабеля:
| ||||
Схемы подключаемых кабелей представлены на рисунках ниже.


Для подключения можно использовать готовый кабель КС16 (приобретается отдельно).
Кабель программирования КС14 из комплекта поставки предназначен для подключения к ПК и не может быть использован для подключения к порту Debug RS-232 других устройств. На порт RS-232 это правило не распространяется, и другие устройства следует подключать к нему с помощью кабеля КС17 (приобретается отдельно).


Пример комплексной архитектуры системы управления с применением ПЛК110(М02) приведен на рисунке.

Перед использованием контроллер ПЛК110(М02) следует запрограммировать, то есть создать пользовательскую программу. После создания пользовательскую программу можно сохранить в энергонезависимой Flash-памяти прибора (при создании загрузочного проекта: CODESYS | Онлайн | Создание загрузочного проекта) и запускаться на выполнение после включения питания или перезагрузки.
Прибор программируется с помощью CODESYS v2.3. С помощью одного из интерфейсов контроллера: Debug RS-232, USB-Device или Ethernet.
Прибор подключается к ПК через интерфейс Debug RS-232 с помощью кабеля программирования КС14. Кабель включается в гнездо (Debug RS-232) на лицевой панели прибора. Ответная часть кабеля подключается к СОМ-порту ПК.
Прибор подключается к ПК через порт USB-Device стандартным кабелем типа USB А-USB В (в комплект поставки не входит).
Время реакции зависит от типов применяемых входов/выходов. Аналитическое выражение для определения времени полного отклика прибора (Тоткл):
Тоткл=Твх+2Тцикла+Твых
где Твх – время реакции входа на изменение физического сигнала (включая фильтрацию). По умолчанию значения для обычных входов – 1,0 мс, для быстродействующих входов – 0,001 мс (в таблице данный параметр называется «Минимальная длительность импульса, воспринимаемого дискретным входом»);
Тцикла – время цикла ПЛК. Установленное значение по умолчанию – 1 мс (стабилизированное). Настраивается в окне «Конфигурация ПЛК (PLC Configuration)» CODESYS. Длительность цикла можно узнать, подключив модуль статистики (см. РП);
Т вых – задержка на срабатывание выхода. Значения для релейных выходов – 50 мс, для обычных транзисторных выходов – 5 мс, для быстродействующих транзисторных выходов – 0,02 мс (в таблице данный параметр называется «Время переключения из состояния «1» в состояние «0»).
Примеры расчета времени полного отклика контроллера для разных вариантов использования входов и выходов.
Максимально быстрый отклик можно реализовать при использовании быстрых входов и выходов, и установленного минимального значения времени цикла ПЛК:
Тоткл = Твх + 2Тцикла + Твых = 0,001 + 2 · 1 + 0,02 = 2,021 мс
Наиболее медленный отклик можно реализовать при использовании обычных входов, релейных выходов и установленном фиксированном значении (по умолчанию) времени цикла ПЛК:
Тоткл = Твх + 2Тцикла + Твых = 1 + 2 · 1 + 50 = 53 мс.
Если прибор находился длительное время при температуре ниже рабочей, то перед включением и началом работ с прибором необходимо выдержать его в помещении с температурой, соответствующей рабочему диапазону, в течение 30 мин.
Перед подачей питания на прибор следует проверить правильность подключения напряжения и его уровень.
Для моделей с питанием переменным током:
если напряжение ниже 90 В, то контроллер работать не будет (точный порог отключения не регламентируется);
если напряжение более 264 В, то возможен выход прибора из строя.
Для моделей с питанием от источника постоянного напряжения:
если напряжение ниже 9 В, то работа прибора не гарантируется (прибор прекращает функционировать, однако, из строя не выходит);
если напряжения питания выше уровня 30 В, то возможен выход прибора из строя.
Во время подачи на прибор напряжения питания допустимого диапазона
на лицевой стороне корпуса начинает светиться зеленым светом индикатор
После включения питания прибор загрузится, и кратковременно включатся звуковой сигнализатор и все элементы индикации. Если в приборе был создан загрузочный проект и трехпозиционный переключатель находился в положении «Старт», пользовательская программа сразу начнет исполняться.
Во время выполнения работ по техническому обслуживанию прибора следует соблюдать меры безопасности из раздела.
Технический осмотр контроллера проводится обслуживающим персоналом не реже одного раза в 6 месяцев и включает в себя выполнение следующих операций:
очистка корпуса и клеммных колодок контроллера от пыли, грязи и посторонних предметов;
проверка заряда батареи по индикатору «Бат.» (когда прибор находится в рабочем режиме);
проверка качества подключения внешних связей.
Обнаруженные во время осмотра недостатки следует немедленно устранить.
На корпус прибора нанесены:
На потребительскую тару нанесены:
Упаковка прибора производится в соответствии с ГОСТ 23088-80 в потребительскую тару, выполненную из коробочного картона по ГОСТ 7933-89.
Упаковка прибора при пересылке почтой производится по ГОСТ 9181-74.
Прибор должен транспортироваться в закрытом транспорте любого вида. В транспортных средствах тара должна крепиться согласно правилам, действующим на соответствующих видах транспорта.
Транспортирование приборов в упаковке предприятия-изготовителя должно соответствовать следующим условиям:
температура окружающего воздуха от минус 40 до плюс 70 °С;
относительная влажность от 10 до 95 % без конденсации влаги;
атмосферное давление не менее 80 кПа (эквивалентно высоте 3000 м над уровнем моря)
Прибор следует перевозить в транспортной таре поштучно или в контейнерах с соблюдением мер защиты от ударов и вибраций.
Условия хранения в таре на складе изготовителя и потребителя должны соответствовать условиям 1 по ГОСТ 15150-69. В воздухе не должны присутствовать агрессивные примеси.
Прибор следует хранить на стеллажах.
| Наименование | Количество |
|---|---|
Контроллер ПЛК110(М02) (исполнение в соответствии с заказом) | 1 шт. |
Кабель КС14 | 1 шт. |
Заглушка Ethernet | 3 шт. |
Паспорт и гарантийный талон | 1 экз. |
Руководство по эксплуатации | 1 экз. |
Изготовитель гарантирует соответствие прибора требованиям ТУ при соблюдении условий эксплуатации, транспортирования, хранения и монтажа.
Гарантийный срок эксплуатации – 24 месяца со дня продажи.
В случае выхода прибора из строя в течение гарантийного срока при соблюдении условий эксплуатации, транспортирования, хранения и монтажа предприятие-изготовитель обязуется осуществить его бесплатный ремонт или замену.
Порядок передачи прибора в ремонт содержится в паспорте и в гарантийном талоне.