1-RU-36538-2.16

Руководство по эксплуатации

Введение

Настоящее Руководство по эксплуатации предназначено для ознакомления обслуживающего персонала с устройством, конструкцией, работой и техническим обслуживанием модулей дискретного ввода-вывода МК210-302 и МК210-312 (в дальнейшем по тексту именуемых «прибор» или «модуль»).

Подключение, регулировка и техобслуживание прибора должны производиться только квалифицированными специалистами после прочтения настоящего руководства по эксплуатации.

Обозначение прибора при заказе: МК210-302 или МК210-312.

Используемые аббревиатуры

  • ПК – персональный компьютер.
  • ПЛК – программируемый логический контроллер.
  • ПО – программное обеспечение.
  • ШИМ – широтно-имульсная модуляция.
  • ЦАП

    цифро-аналоговый преобразователь

    .
  • USB

    – последовательный интерфейс для подключения периферийных устройств к вычислительной технике.
  • UTC

    – всемирное координированное время.
  • RTC

    – часы реального времени.

Назначение

Модули предназначены для сбора данных и подключения исполнительных устройств на объектах автоматизации и управляются от ПЛК, панельного контроллера, ПК или иного управляющего устройства.

В модуле реализовано:

  • 12 дискретных входов;
  • 4 дискретных выхода (реле).

В модуле МК210-312 дискретные выходы имеют функцию контроля обрыва нагрузки.

Модуль применяется в областях промышленности и сельского хозяйства.

Модуль выпускается согласно ТУ 26.51.70-019-46526536-2017.

Технические характеристики и условия эксплуатации

Технические характеристики

Технические характеристики
ХарактеристикаЗначение
Питание
Напряжение питанияОт 10 до 48 В (номинальное 24 В)
Потребляемая мощность (при питании 24 В), не более5 Вт
Защита от переполюсовки напряжения питанияЕсть
Гистерезис выключения дискретного входа0,5 В
Интерфейсы
Интерфейс обменаСдвоенный Ethernet 10/100 Mbit
Интерфейс конфигурированияUSB 2.0 (MicroUSB), Ethernet 10/100 Mbit
Поддерживаемые протоколы

Modbus TCP;

MQTT;

SNMP;

NTP

Версия протоколаIPv4
Дискретные входы
Количество входов12
Тип сигнала
  • контактный датчик (требует внешнее питание 24 В);
  • транзисторный ключ n-p-n типа;
  • транзисторный ключ p-n-p типа
Режимы работы
  • определение логического уровня;
  • подсчет числа высокочастотных импульсов (только первые 8);
  • измерение частоты (только первые 8);
  • обработка сигналов энкодера (до 3 AB-энкодеров)
Минимальная длительность импульса, воспринимаемая дискретным входом (только для входов DI1 – DI8)5 мкс (до 100 кГц)
Минимальная длительность единичного импульса (для входов DI9 – DI12)1 мс (до 400 Гц)
Ток «логического нуля», не более1,2 мА
Ток «логической единицы», не более5,5 мА
Напряжение «логического нуля»0,0…6,1 В
Напряжение «логической единицы»8,8…30,0 В
Дискретные выходы
Количество выходов4
Тип выходаЭлектромагнитное реле
Тип контактаНормально разомкнутый контакт
Режимы работы
  • переключение логического состояния;
  • генерация ШИМ сигнала
Максимальное напряжение на контакты реле
  • 264 В (СКЗ) переменного напряжения;
  • 30 В постоянного напряжения
Ток коммутации
  • 5 А (при переменном напряжении не более 250 В (СКЗ), 50 Гц, резистивная нагрузка);
  • 3 А (при постоянном напряжении не более 30 В, резистивная нагрузка)
Минимальный ток коммутации10 мА
Категория применения по ГОСТ IEC 60947-5-1:2014АС-15, С300*
Механический ресурс реле5 000 000 срабатываний
Электрический ресурс реле, не менее
  • 35 000 переключений при 3 А, 30 В постоянного напряжения;
  • 50 000 переключений при 5 А, 250 В (СКЗ) переменного напряжения;
  • 50 000 срабатываний при категории применения АС-15, С300*
Время включения15 мс
Время выключения15 мс
Контроль обрыва нагрузкиТолько для МК210-312
Параметры ШИМ выходов
Максимальная частота1 Гц (при коэффициенте заполнения 0,05)
Минимальная длительность импульса ШИМ50 мс
Flash-память (архив)
Количество циклов записи и стиранияДо 100 000
Максимальный размер файла архива2 кб
Максимальное количество файлов архива1 000
Минимальный период записи архива10 секунд
Часы реального времени
Погрешность хода часов, не более
  • при температуре +25 °С
  • при температуре –40 °С
  • 3 секунды в сутки
  • 10 секунд в сутки
Тип питанияБатарея CR2032
Время работы одной батареи6 лет
Общие характеристики
Габаритные размеры(42 × 124 × 83) ±1 мм
Степень защиты корпусаIP20
Cредняя наработка на отказ**60 000 ч
Средний срок службы10 лет
Масса, не более0,4 кг
Примечание

* Управление электромагнитами переменным напряжением до 300 В (СКЗ) и полной мощностью до 180 ВА.

** Не считая электромеханических переключателей и элемента питания часов реального времени и retain-памяти.

Изоляция узлов прибора

Схема гальванически изолированных узлов и прочность гальванической изоляции приведена на рисунке.

Graphic
Изоляция узлов прибора
Типы изоляции
ТипОписание
Основная (О)

Изоляция для частей оборудования, находящихся под напряжением, с целью защиты от поражения электрическим током. Электрическая прочность основной изоляции прибора проверяется типовыми испытаниями: приложением испытательного переменного напряжения, величина которого различна для различных цепей прибора

Дополнительная (Д)

Независимая изоляция, в дополнение к основной изоляции для гарантии защиты от поражения электрическим током в случае отказа основной изоляции. Электрическая прочность дополнительной изоляции прибора проверяется типовыми испытаниями испытательного переменного напряжения различной величины (действующее значение)

Усиленная (У)Отдельная система изоляции, применяемая для частей под напряжением, которая обеспечивает степень защиты от поражения электрическим током, эквивалентную двойной изоляции согласно ГОСТ 51841
Предупреждение
Значение прочности изоляции указано для испытаний при нормальных климатических условиях, время воздействия – 1 минута.

Дискретные выходы (реле) имеют индивидуальную изоляцию друг от друга. Прочность изоляции между выходами реле — 1780 В.

Условия эксплуатации

Прибор отвечает требованиям по устойчивости к воздействию помех в соответствии с ГОСТ IEC 61131-2. По уровню излучения радиопомех (помехоэмиссии) прибор соответствует нормам, установленным для оборудования класса А по ГОСТ 30804.6.3. Прибор предназначен для эксплуатации в следующих условиях:

  • температура окружающего воздуха от минус 40 до плюс 55 °С;
  • относительная влажность воздуха от 10 % до 95 % (при +35 °С без конденсации влаги);
  • атмосферное давление от 84 до 106,7 кПа;
  • закрытые взрывобезопасные помещения без агрессивных паров и газов;
  • допустимая степень загрязнения 2 по ГОСТ IEC 61131-2.

По устойчивости к механическим воздействиям во время эксплуатации прибор соответствует ГОСТ IEC 61131-2.

По устойчивости к климатическим воздействиям во время эксплуатации прибор соответствует ГОСТ IEC 61131-2.

Меры безопасности

Во время эксплуатации и технического обслуживания следует соблюдать требования ГОСТ 12.3.019-80, «Правил эксплуатации электроустановок потребителей электрической энергии» и «Правил охраны труда при эксплуатации электроустановок потребителей».

Прибор следует устанавливать в специализированных шкафах, доступ внутрь которых разрешен только квалифицированным специалистам. Любые подключения к прибору и работы по его техническому обслуживанию следует проводить только при отключенном питании прибора и подключенных к нему устройств.

Не допускается попадание влаги на контакты выходных разъемов и внутренние элементы прибора.

Внимание
Запрещено использовать прибор при наличии в атмосфере кислот, щелочей, масел и иных агрессивных веществ.

Монтаж

Graphic
Верный монтаж

Прибор устанавливается в шкафу электрооборудования. Конструкция шкафа должна обеспечивать защиту прибора от попадания влаги, грязи и посторонних предметов.

Для установки прибора следует:

  1. Убедиться в наличии свободного пространства: необходимо 50 мм над прибором и под ним для подключения прибора и прокладки проводов.
  2. Закрепить прибор на DIN-рейке или на вертикальной поверхности с помощью винтов (см. рисунок).
Graphic
Неверный монтаж
Внимание
Длительная эксплуатация прибора с неверным монтажом может привести к его повреждению (см. рисунок).
Graphic
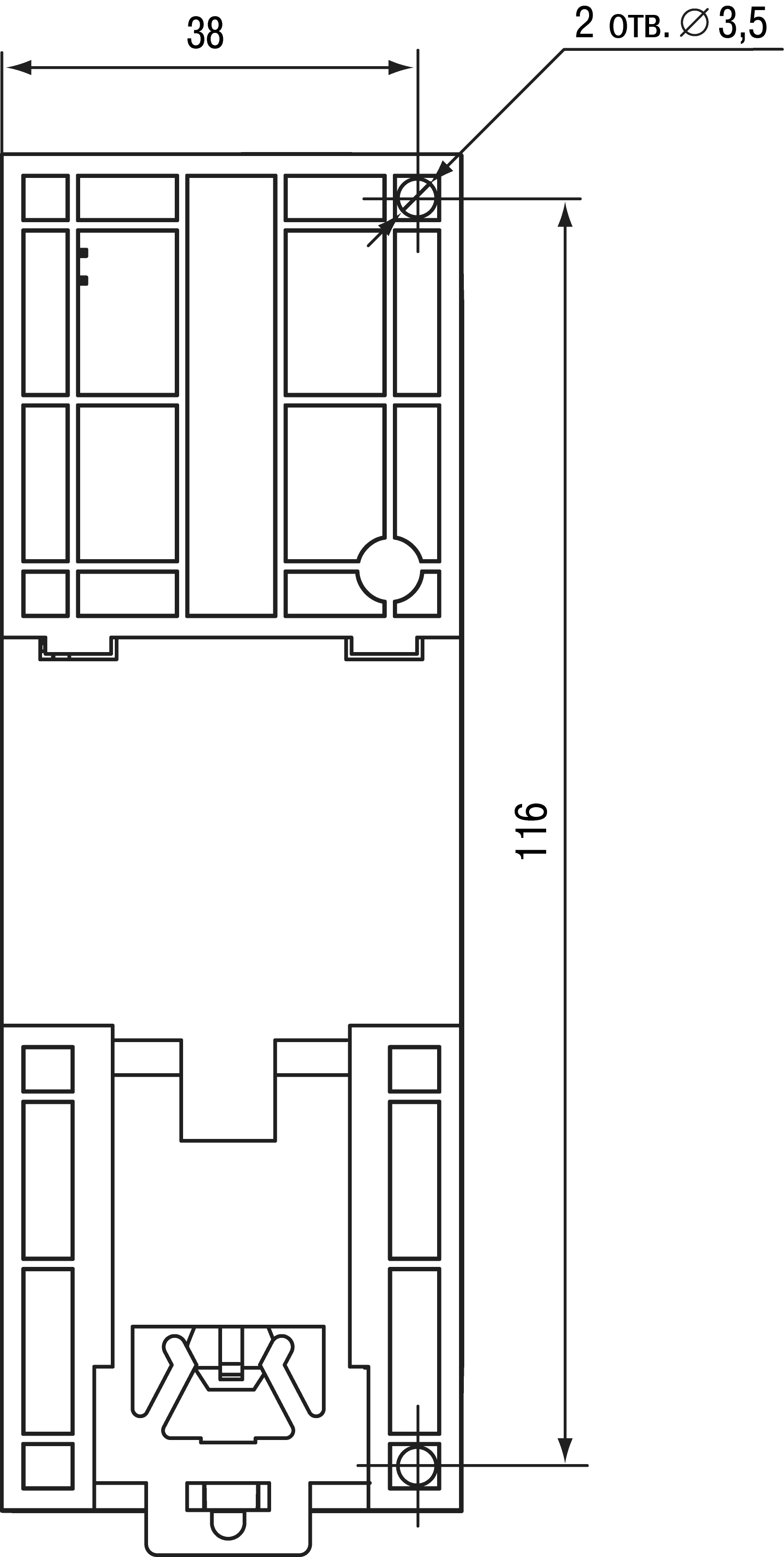
Габаритный чертеж
Graphic
Установочные размеры

Подключение

Рекомендации по подключению

Внешние связи монтируют проводом сечением не более 0,75 мм2.

Для многожильных проводов следует использовать наконечники.

После монтажа провода следует уложить в кабельном канале корпуса прибора и закрыть крышкой.

Если необходимо снять клеммники модуля, то следует открутить два винта по углам клеммников.

Провода питания следует монтировать с помощью ответного клеммника из комплекта поставки.

Внимание
Подключение и техническое обслуживание производится только при отключенном питании прибора и подключенных к нему устройств.
Внимание
Запрещается подключать провода разного сечения к одной клемме.

Назначение контактов клеммника

Graphic
Назначение контактов клеммника
Назначение контактов
НаименованиеНазначение
DI1 – DI12Входы DI1 – DI12
SSОбщая точка питания входов
DO1A, DO1B – DO4A, DO4BВыходы DO1 – DO4
NC (Not connected)Нет подключения

Внимание

Не допускается подключение проводов к контактам NC (Not connected)

Назначение разъемов

Разъемы интерфейсов и питания прибора приведены на рисунке.

Graphic
Разъемы прибора

Питание

Внимание
Рекомендуется применять источник питания с током нагрузки не более 8 А.
Внимание
Длина кабеля питания не должна превышать 30 м.

    

Graphic
Назначение контактов питания
Внимание
Использование источников питания без потенциальной развязки или с базовой (основной) изоляцией цепей низкого напряжения от линий переменного тока может привести к появлению опасных напряжений в цепях.

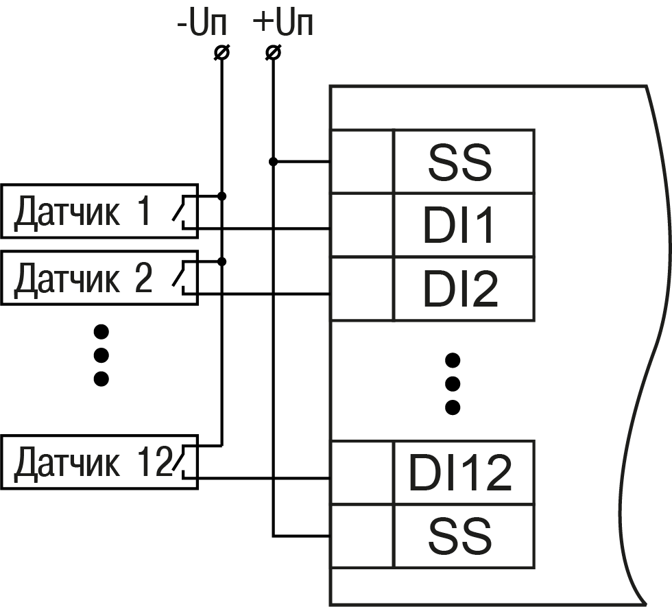
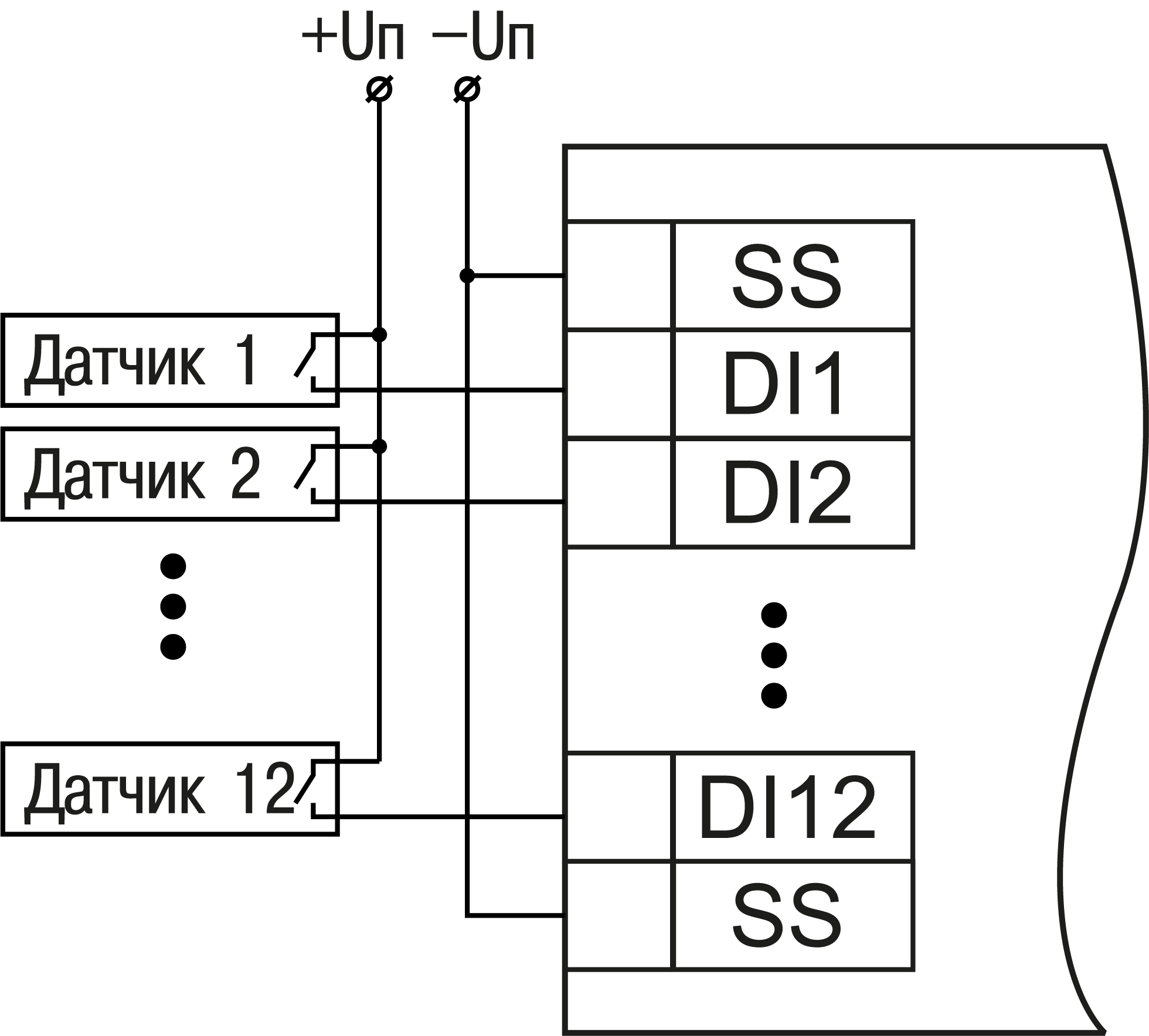
Подключение к дискретным входам датчиков

К прибору может быть подключено до 12 датчиков.

Цепи SS объединены внутри прибора.

Схема подключения датчиков к дискретным входам представлена на рисунке и на рисунке.

Graphic
Схема подключения к входам DI1–DI12 – вариант 1
Graphic
Схема подключения к входам DI1–DI12 – вариант 2
Примечание
Обе схемы равнозначны, допускается использование любой. В случае применения контактных датчиков совместно с датчиками, имеющими на выходе транзисторный ключ, схема подключения должна определяться типом транзисторных датчиков, согласно рисунку и рисунку.

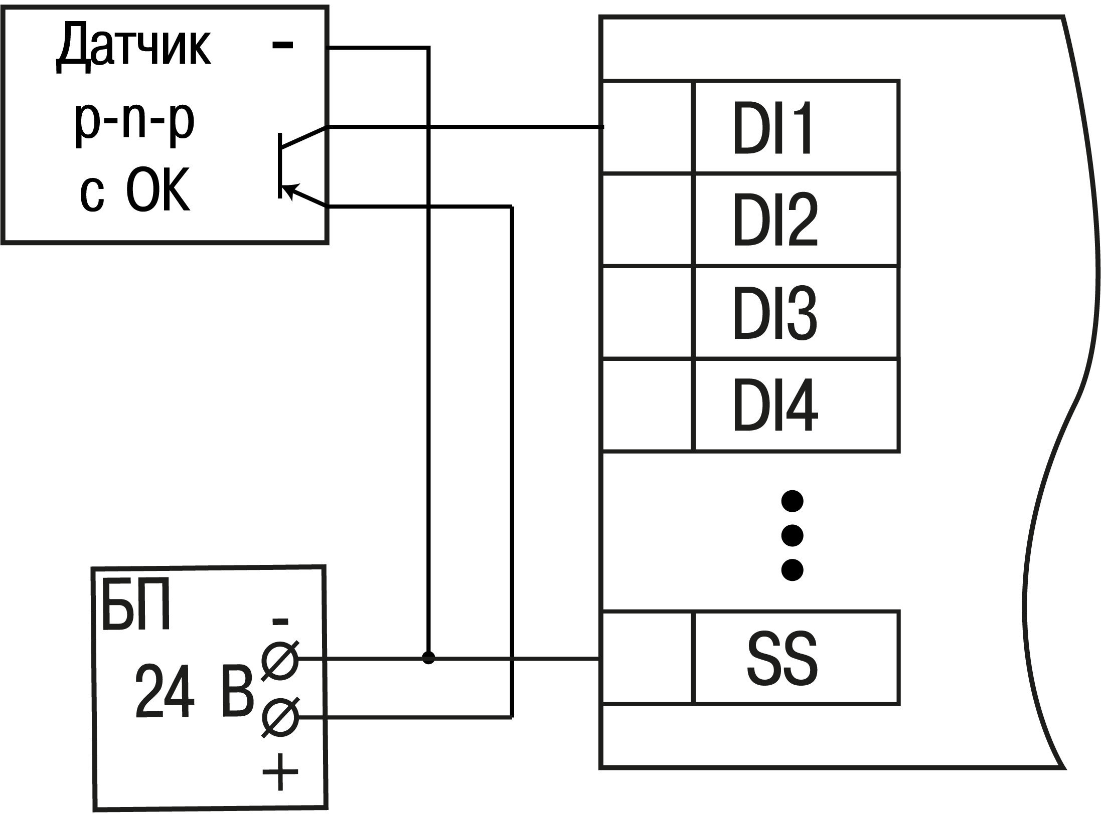
Подключение сигналов транзисторов p-n-p и n-p-n типов

Graphic
Подключение транзисторов p-n-p
Graphic
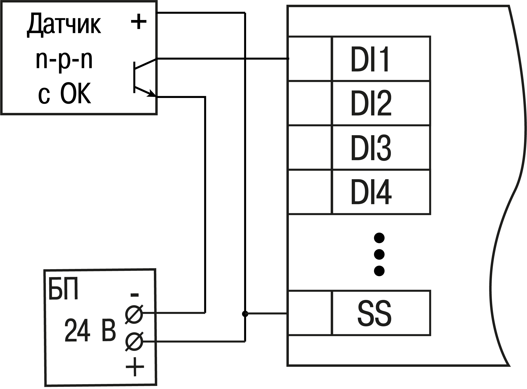
Подключение транзисторов n-p-n
Предупреждение
Для одновременного подключение транзисторов типов p-n-p и n-p-n необходимо использовать разные источники питания.

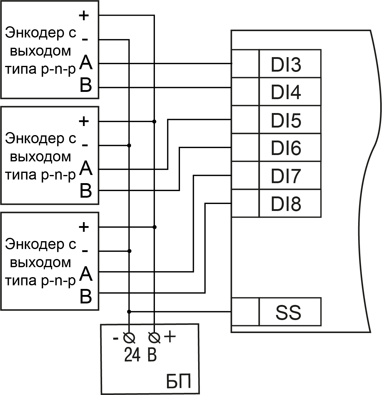
Подключение энкодеров p-n-p и n-p-n типов

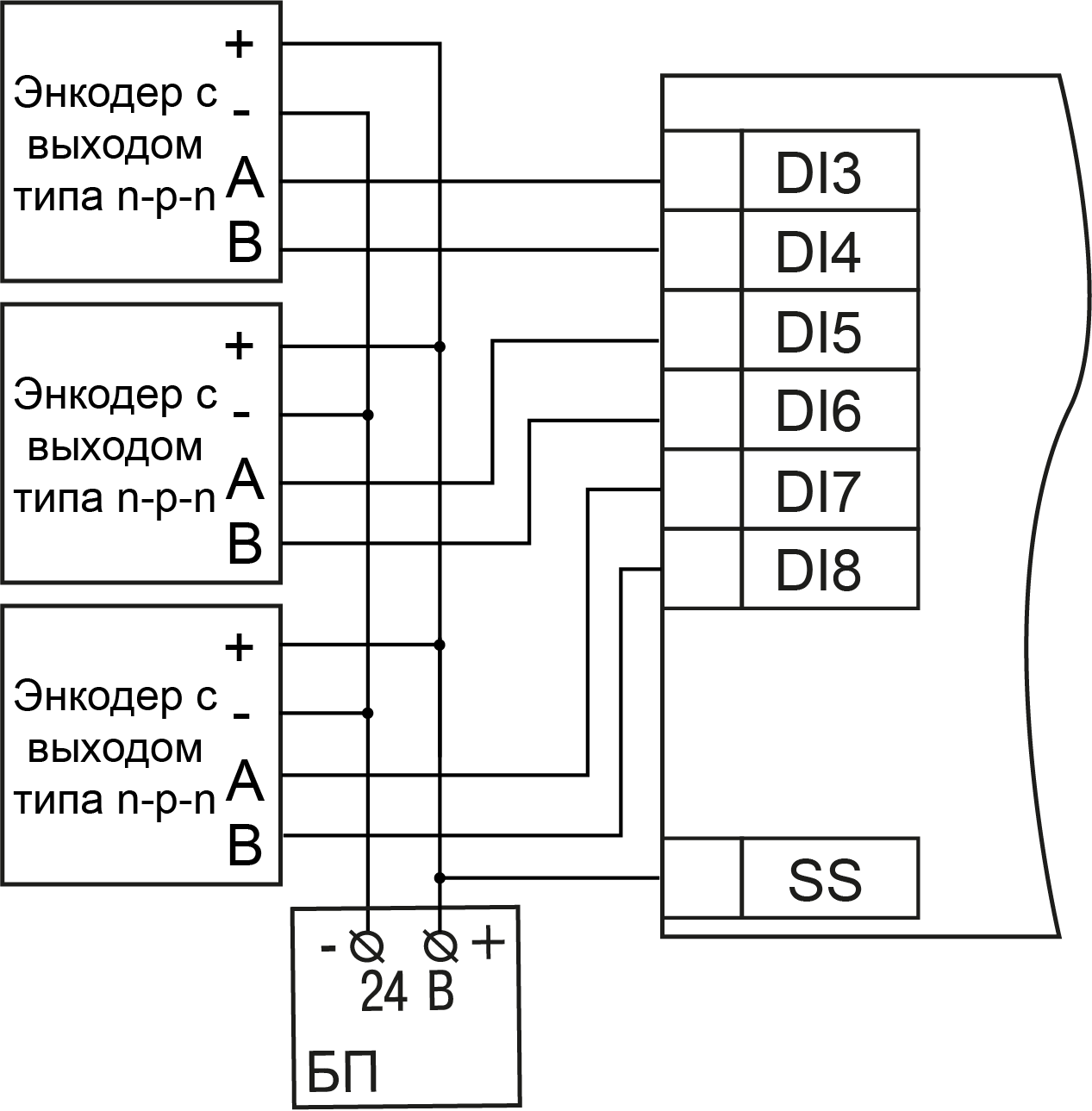
На рисунках представлено подключение энкодеров к прибору.

Graphic
Подключение энкодеров p-n-p
Graphic
Подключение энкодеров n-p-n

Подключение к выходам

На рисунке представлена схема подключения нагрузки к выходам типа «реле».

Graphic
Схема подключения внешних связей к дискретным выходам типа «реле»
Внимание
В случае подключении индуктивной нагрузки следует установить RC-цепь параллельно нагрузке. В момент коммутации в цепи RC-цепь подавляет образование дуги и помех.

Подключение по интерфейсу Ethernet

Для подключения прибора к сети Ethernet можно использовать следующие схемы:

Graphic
Подключение по схеме «Звезда»
Предупреждение
  1. Максимальная длина линий связи – 100 м.
  2. Подключиться можно к любому Ethernet-порту прибора.
  3. Незадействованный Ethernet-порт следует закрыть заглушкой.

Для подключения по схеме «Цепочка» следует использовать оба Ethernet-порта прибора. Если прибор вышел из строя или отключилось питание, то данные будут передаваться с порта 1 на порт 2 без разрыва связи.

Graphic
Подключение по схеме «Цепочка»
Предупреждение
  1. Максимальная длина линии связи между двумя соседними активными устройствами при подключении по схеме «Цепочка» должна быть не более 100 м.
  2. Допускается смежная схема подключения.
  3. Незадействованный Ethernet-порт следует закрыть заглушкой.

Устройство и принцип работы

Принцип работы

Модуль получает команды на управление выходами от Мастера сети. Модуль передает в сеть данные о состоянии входов при запросе от Мастера.

В качестве Мастера сети можно использовать:

  • ПК;
  • ПЛК;
  • панель оператора;
  • удаленный облачный сервис.

Если превышен тайм-аут обмена с Мастером сети, то модуль переходит в безопасное состояние.

Индикация и управление

На лицевой панели прибора расположены элементы индикации — светодиоды. Назначение светодиодов приведено в таблице

Graphic
Лицевая панель прибора
Предупреждение

В нижней части лицевой панели расположено поле «IP».

Поле «IP» предназначено для нанесения IP-адреса модуля тонким маркером или на бумажной наклейке.
Назначение светодиодов
СветодиодСостояние светодиодаНазначение
Питание Graphic (зеленый)Не светитсяПитание выключено
СветитсяНапряжение питания прибора подано (рабочий режим) / подано питание от USB (режим конфигурирования)*
Eth 1 (зеленый)Не светитсяКабель не подключен
МигаетПередача данных по порту 1 Ethernet
Eth 2 (зеленый)Не светитсяКабель не подключен
МигаетПередача данных по порту 2 Ethernet
Авария Graphic (красный)Не светитсяСбои отсутствуют
Светится постоянноСбой основного приложения и/или конфигурации
Включается на 200 мс один раз в три секундыНеобходимо заменить батарею питания часов (напряжение батареи ниже 2 В)
Включается на 100 мс два раза в секунду (через паузу 400 мс)Модуль находится в безопасном состоянии
Включен 900 мс, 100 мс выключенАппаратный сбой периферии (Flash, RTC, Ethernet Switch)
Индикаторы состояния выходов (зеленый/красный)**Светится зеленымЗамкнутое состояние входа или выхода
Не светитсяРазомкнутое состояние входа или выхода
Светится красным (для выходов модуля МК210-312) Определен обрыв нагрузки или диагностирована неисправность выхода***
Примечание

* В режиме конфигурирования (при питании от USB и отсутствии основного питания) Ethernet-порты модуля находятся в режиме Ethernet Bypass, встроенный коммутатор не функционирует. Входы/выходы модуля не функционируют.

** Приоритеты индикации светодиода «Авария» от большего к меньшему: аппаратный сбой, программные ошибки, безопасный режим, уровень заряда батареи.

*** См. раздел.

Под лицевой панелью расположены клеммники и сервисная кнопка (рисунок).

Сервисная кнопка предназначена для выполнения следующих функций:

  • восстановление заводских настроек (раздел)

    ;
  • установка IP-адреса (раздел)

    ;
  • обновление встроенного программного обеспечения (раздел).

Часы реального времени

В приборе есть встроенные часы реального времени (RTC). Часы реального времени работают от собственного батарейного источника питания.

Отсчет времени производится по UTC в секундах, начиная с 00:00 01 января 2000 года. Значение RTC используется для записи в архив.

Подробнее о настройке часов реального времени см. раздел.

Запись архива

В модуль встроена флеш-память (flash), размеченная под файловую систему с шифрованием файлов. Алгоритм шифрования — Data Encryption Standard (DES) в режиме сцепления блоков шифротекста (CBC). В качестве ключа используется строка superkey. Вектор инициализации генерируется с помощью хеш-функции (см. приложение А). Аргументом функции является пароль, заданный в ПО Owen Configurator. В конце файла сохраняется контрольная сумма, рассчитанная по алгоритму CRC32 (контрольная сумма также шифрируется).

Архив модуля сохраняется в виде набора файлов. Период архивации, ограничение на размер одного файла и их количество задается пользователем в ПО Owen Configurator. Если архив полностью заполнен, то данные перезаписываются, начиная с самых старых данных самого старого файла.

Файл архива состоит из набора записей. Записи разделены символами переноса строки (0x0A0D). Каждая запись соответствует одному параметру и состоит из полей, разделенных символом «;» (без кавычек). Формат записи приведен в таблице ниже.

Формат записи в файле архива
ПараметрТипРазмерКомментарий
Метка времениBinary data4 байтаВ секундах начиная с 00:00 01.01.2000 (UTC+0)
РазделительСтрока1 байтСимвол «;» (без кавычек)
Уникальный идентификатор параметра (UID)Строка8 байтВ виде строки из HEX-символов с ведущими нулями
РазделительСтрока1 байтСимвол «;» (без кавычек)
Значение параметраСтроказависит от параметраВ виде строки из HEX-символов с ведущими нулями
РазделительСтрока1 байтСимвол «;» (без кавычек)
Статус параметраBinary data1 байт1 – значение параметра корректно, 0 – значение параметра некорректно и его дальнейшая обработка не рекомендована
Перенос строкиBinary data2 байта\n\r (0x0A0D)
Пример

Расшифрованная запись:

0x52 0x82 0xD1 0x24 0x3B 0x30 0x30 0x30 0x30 0x61 0x39 0x30 0x30 0x3B 0x30 0x30 0x30 0x30 0x30 0x30 0x30 0x31 0x3B 0x31 0x0A 0x0D

где

  • 0x52 0x82 0xD1 0x24 — метка времени. Для получения даты и времени в формате UnixTime следует изменить порядок байт на противоположный и добавить константу-смещение (число секунд между 00:00:00 01.01.1970 и 00:00:00 01.01.2000): 0x24D18252 (HEX) + 946684800 (DEC) = 1564394971 (DEC, соответствует 29 июля 2019 г., 10:09:31);

  • 0x3B — разделитель;

  • 0x30 0x30 0x30 0x30 0x61 0x39 0x30 0x30 — уникальный идентификатор параметра (00003ba00);

  • 0x30 0x30 0x30 0x30 0x30 0x30 0x30 0x31 — значение параметра (00000001);

  • 0x31 — статус параметра (1 – значение параметра корректно);

  • 0x0A 0x0D — символы переноса строки.

Прибор фиксирует время в архивных файлах по встроенным часам реального времени. Также можно задать часовой пояс, который будет считываться OwenCloud или внешним ПО. Запись во флеш-память (flash) происходит с определенной частотой, рассчитанной таким образом, чтобы ресурса флеш-памяти (flash) прибора хватило на срок не менее 10 лет работы.

Для чтения архива можно использовать:

  • облачный сервис OwenCloud (автоматическое чтение в случае потери и дальнейшего восстановления связи);

  • ПО Owen Configurator (например, для ручного анализа);

  • ПО пользователя (с помощью 20 функции Modbus).

Список архивируемых параметров доступен в Owen Configurator на вкладке Информация об устройстве. Порядок записи параметров в архив соответствует порядку параметров на вкладке.

Архив считывается с помощью 20 функции Modbus (0x14). Данная функция возвращает содержание регистров файла памяти и позволяет с помощью одного запроса прочитать одну или несколько записей из одного или нескольких файлов.

В запросе чтения файла для каждой записи указывается:

  • тип ссылки – 1 байт (должен быть равен 6);

  • номер файла – 2 байта;

  • начальный адрес регистра внутри файла – 2 байта;

  • количество регистров для чтения – 2 байта.

Примечание
Номер файла в запросе по Modbus рассчитывается как 4096 + порядковый номер файла. Порядковая нумерация файлов ведется с нуля. Параметр «Последний индекс архива» содержит порядковый номер файла архива, в который последний раз записывались данные.

Количество считываемых регистров в запросе должно быть подобрано таким образом, чтобы длина ответа не превышала допустимую длину пакета Modbus (256 байт).

Размер файла архива заранее неизвестен, поэтому следует считывать порции данных с помощью отдельных запросов. Если в ответ на запрос будет получено сообщение с кодом ошибки 0х04 (MODBUS_SLAVE_DEVICE_FAILURE), то можно сделать вывод, что адреса регистров в запросе находятся за пределами файла. Чтобы считать последние данные файла, требуется уменьшить количество регистров в запросе.

Примечание
Если отключить питание во время записи данных в архив, запись может не сохраниться.

Режимы обмена данными

Модуль поддерживает следующие режимы обмена данными:

  • обмен с Мастером сети по протоколу Modbus TCP (порт 502) — до 4 одновременных соединений с разными Мастерами сети;
  • соединение и обмен данными с ПК с помощью ПО Owen Configurator;
  • обмен с удаленным облачным сервисом OwenCloud (необходим доступ в Интернет);
  • обмен по протоколу MQTT;
  • обмен по протоколу SNMP.

Работа по протоколу Modbus TCP

Чтение и запись параметров по протоколу Modbus TCP
ОперацияФункция
Чтение3 (0х03) или 4 (0х04)
Запись6 (0х06) или 16 (0х10)
Список регистров Modbus считывается с прибора с помощью ПО OWEN Configurator во вкладке Параметры устройства. А также список регистров Modbus представлен в таблицах ниже.

Общие регистры оперативного обмена по протоколу Modbus
НазваниеРегистрРазмер/тип/описание
Название (имя) прибора для показа пользователю (DEV)0xF000Символьная строка до 32 байт, кодировка Win1251
Версия встроенного ПО прибора для показа пользователю (VER)0xF010Символьная строка до 32 байт, кодировка Win1251
Название платформы0xF020Символьная строка до 32 байт, Win1251
Версия платформы0xF030Символьная строка до 32 байт, Win1251
Версия аппаратного обеспечения0xF040Символьная строка до 16 байт, Win1251
Дополнительная символьная информация0xF048Символьная строка до 16 байт, Win1251
Время0xF0804 байта, в секундах с 2000 г
Часовой пояс 0xF0822 байта, signed short, смещение в минутах от Гринвича
Заводской номер прибора0xF084Символьная строка 32 байта, кодировка Win1251, используется 17 символов
Регистры обмена по протоколу ModBus
ПараметрЗначение (ед. изм.)Адрес регистраТип доступаФормат данных
DECHEX
Битовая маска значений входов0...4095510х33Только чтениеUINT 16
Дополнительный режим работы входа DI1

0 – отключен;

1 – измерение периода;

2 – подсчет импульсов;

3 – измерение частоты

640х40Чтение и записьUINT 16
Дополнительный режим работы входа DI2

0 – отключен;

1 – измерение периода;

2 – подсчет импульсов;

3 – измерение частоты

650х41Чтение и записьUINT 16
Дополнительный режим работы входа DI3

0 – отключен;

1 – измерение периода;

2 – подсчет импульсов;

3 – измерение частоты;

4 – энкодер

660х42Чтение и записьUINT 16
Дополнительный режим работы входа DI4

0 – отключен;

1 – измерение периода;

2 – подсчет импульсов;

3 – измерение частоты;

4 – энкодер

670х43Чтение и записьUINT 16
Дополнительный режим работы входа DI5

0 – отключен;

1 – измерение периода;

2 – подсчет импульсов;

3 – измерение частоты;

4 – энкодер

680х44Чтение и записьUINT 16
Дополнительный режим работы входа DI6

0 – отключен;

1 – измерение периода;

2 – подсчет импульсов;

3 – измерение частоты;

4 – энкодер

690х45Чтение и записьUINT 16
Дополнительный режим работы входа DI7

0 – отключен;

1 – измерение периода;

2 – подсчет импульсов;

3 – измерение частоты;

4 – энкодер

700х46Чтение и записьUINT 16
Дополнительный режим работы входа DI8

0 – отключен;

1 – измерение периода;

2 – подсчет импульсов;

3 – измерение частоты;

4 – энкодер

710х47Чтение и записьUINT 16
Включение фильтра антидребезга для входа DI1

0 – выключено;

1 – включено

960х60Чтение и записьUINT 16
Включение фильтра антидребезга для входа DI2

0 – выключено;

1 – включено

97

0х61

Чтение и записьUINT 16
Включение фильтра антидребезга для входа DI3

0 – выключено;

1 – включено

98

0х62

Чтение и записьUINT 16
Включение фильтра антидребезга для входа DI4

0 – выключено;

1 – включено

99

0х63

Чтение и записьUINT 16
Включение фильтра антидребезга для входа DI5

0 – выключено;

1 – включено

100

0х64

Чтение и записьUINT 16
Включение фильтра антидребезга для входа DI6

0 – выключено;

1 – включено

101

0х65

Чтение и записьUINT 16
Включение фильтра антидребезга для входа DI7

0 – выключено;

1 – включено

102

0х66

Чтение и записьUINT 16
Включение фильтра антидребезга для входа DI8

0 – выключено;

1 – включено

103

0х67

Чтение и записьUINT 16
Включение фильтра антидребезга для входа DI9

0 – выключено;

1 – включено

104

0х68

Чтение и записьUINT 16
Включение фильтра антидребезга для входа DI10

0 – выключено;

1 – включено

105

0х69

Чтение и записьUINT 16
Включение фильтра антидребезга для входа DI11

0 – выключено;

1 – включено

106

0х6А

Чтение и записьUINT 16
Включение фильтра антидребезга для входа DI12

0 – выключено;

1 – включено

107

0х6B

Чтение и записьUINT 16

Период измерения частоты входа DI1

0 – 10 миллисекунд;

1 – 100 миллисекунд;

2 – 1 секунд;

3 – 10 секунд

128

0х80

Чтение и записьUINT 16

Период измерения частоты входа DI2

0 – 10 миллисекунд;

1 – 100 миллисекунд;

2 – 1 секунд;

3 – 10 секунд

129

0х81

Чтение и записьUINT 16

Период измерения частоты входа DI3

0 – 10 миллисекунд;

1 – 100 миллисекунд;

2 – 1 секунд;

3 – 10 секунд

130

0х82

Чтение и записьUINT 16

Период измерения частоты входа DI4

0 – 10 миллисекунд;

1 – 100 миллисекунд;

2 – 1 секунд;

3 – 10 секунд

131

0х83

Чтение и записьUINT 16

Период измерения частоты входа DI5

0 – 10 миллисекунд;

1 – 100 миллисекунд;

2 – 1 секунд;

3 – 10 секунд

132

0х84

Чтение и записьUINT 16

Период измерения частоты входа DI6

0 – 10 миллисекунд;

1 – 100 миллисекунд;

2 – 1 секунд;

3 – 10 секунд

133

0х85

Чтение и записьUINT 16

Период измерения частоты входа DI7

0 – 10 миллисекунд;

1 – 100 миллисекунд;

2 – 1 секунд;

3 – 10 секунд

134

0х86

Чтение и записьUINT 16

Период измерения частоты входа DI8

0 – 10 миллисекунд;

1 – 100 миллисекунд;

2 – 1 секунд;

3 – 10 секунд

135

0х87

Чтение и записьUINT 16
Значение входа DI1 в дополнительном режиме0…4294967295 импульсов1600хА0Только чтениеUINT 32
Значение входа DI2 в дополнительном режиме0…4294967295 импульсов1620хА2Только чтениеUINT 32
Значение входа DI3 в дополнительном режиме0…4294967295 импульсов1640хА4Только чтениеUINT 32
Значение входа DI4 в дополнительном режиме0…4294967295 импульсов1660хА6Только чтениеUINT 32
Значение входа DI5 в дополнительном режиме0…4294967295 импульсов1680хА8Только чтениеUINT 32
Значение входа DI6 в дополнительном режиме0…4294967295 импульсов1700хААТолько чтениеUINT 32
Значение входа DI7 в дополнительном режиме0…4294967295 импульсов1720хАСТолько чтениеUINT 32
Значение входа DI8 в дополнительном режиме0…4294967295 импульсов 1740хАЕТолько чтениеUINT 32

Значение счетчика импульсов входа DI9

0…4294967295 импульсов

176

0хB0

Только чтение

UINT 32

Значение счетчика импульсов входа DI10

0…4294967295 импульсов

178

0хB2

Только чтение

UINT 32

Значение счетчика импульсов входа DI11

0…4294967295 импульсов

180

0хB4

Только чтение

UINT 32

Значение счетчика импульсов входа DI12

0…4294967295 импульсов

182

0хB6

Только чтение

UINT 32

Сброс значения дополнительного режима входа DI1

0 – сбросить;

1 – не сброшен

224

0xE0

Чтение и запись

UINT 16

Сброс значения дополнительного режима входа DI2

0 – сбросить;

1 – не сброшен

225

0хE1

Чтение и запись

UINT 16

Сброс значения дополнительного режима входа DI3

0 – сбросить;

1 – не сброшен

226

0хE2

Чтение и запись

UINT 16

Сброс значения дополнительного режима входа DI4

0 – сбросить;

1 – не сброшен

227

0хE3

Чтение и запись

UINT 16

Сброс значения дополнительного режима DI5

0 – сбросить;

1 – не сброшен

228

0хE4

Чтение и запись

UINT 16

Сброс значения дополнительного режима входа DI6

0 – сбросить;

1 – не сброшен

229

0хE5

Чтение и запись

UINT 16

Сброс значения дополнительного режима входа DI7

0 – сбросить;

1 – не сброшен

230

0хE6

Чтение и запись

UINT 16

Сброс значения дополнительного режима входа DI8

0 – сбросить;

1 – не сброшен

231

0хE7

Чтение и запись

UINT 16

Сброс значения счетчика импульсов входа DI9

0 – сбросить;

1 – не сброшен

232

0хE8

Чтение и запись

UINT 16

Сброс значения счетчика импульсов входа DI10

0 – сбросить;

1 – не сброшен

233

0хE9

Чтение и запись

UINT 16

Сброс значения счетчика импульсов входа DI11

0 – сбросить;

1 – не сброшен

234

0хEА

Чтение и запись

UINT 16

Сброс значения счетчика импульсов входа DI12

0 – сбросить;

1 – не сброшен

235

0хEВ

Чтение и запись

UINT 16

Режим работы выхода DO1

0 –переключение логического сигнала;

1 –ШИМ

272

0х110

Чтение и запись

UINT 16

Режим работы выхода DO2

0 – переключение логического сигнала,

1 – ШИМ

273

0х111

Чтение и запись

UINT 16

Режим работы выхода DO3

0 – переключение логического сигнала;

1 – ШИМ

274

0х112

Чтение и запись

UINT 16

Режим работы выхода DO4

0 – переключение логического сигнала;

1 – ШИМ

275

0х113

Чтение и запись

UINT 16

Период ШИМ выхода DO1

1000...60000 миллисекунд

308

0х134

Чтение и запись

UINT 16

Период ШИМ выхода DO2

1000...60000 миллисекунд

309

0х135

Чтение и запись

UINT 16

Период ШИМ выхода DO3

1000...60000 миллисекунд

310

0х136

Чтение и запись

UINT 16

Период ШИМ выхода DO4

1000...60000 миллисекунд

311

0х137

Чтение и запись

UINT 16

Значение коэффициента заполнения ШИМ выхода DO1

0...1000 (0,10 %)

340

0х154

Чтение и запись

UINT 16

Значение коэффициента заполнения ШИМ выхода DO2

0...1000 (0,10 %)

341

0х155

Чтение и запись

UINT 16

Значение коэффициента заполнения ШИМ выхода DO3

0...1000 (0,10 %)

342

0х156

Чтение и запись

UINT16

Значение коэффициента заполнения ШИМ выхода DO4

0...1000 (0,10 %)

343

0х157

Чтение и запись

UINT16

Включение диагностики выхода DO1*

0 – выкл, 1 – вкл.

436

0х1B4

Чтение и запись

UINT 16

Включение диагностики выхода DO2*

0 – выкл, 1 – вкл.

437

0х1B5

Чтение и запись

UINT16

Включение диагностики выхода DO3*

0 – выкл, 1 – вкл.

438

0х1B6

Чтение и запись

UINT 16

Включение диагностики выхода DO4*

0 – выкл, 1 – вкл.

439

0х1B7

Чтение и записьUINT 16

Битовая маска состояния выходов DO1–4

0...15

468

0х1D4

Только чтение

UINT 8

Битовая маска установки состояния выходов DO1–4

0...15

470

0х1D6

Чтение и запись

UINT 8

Битовая маска состояния диагностики реле и обрыва нагрузки*

0...15

472

0х1D8

Только чтение

UINT 8

Безопасное состояние выхода DO1

0...1000 (0,10 %)

474

0х1DA

Чтение и запись

UINT 16

Безопасное состояние выхода DO2

0...1000 (0,10 %)

475

0х1DB

Чтение и запись

UINT 16

Безопасное состояние выхода DO3

0...1000 (0,10 %)

476

0х1DC

Чтение и запись

UINT 16

Безопасное состояние выхода DO4

0...1000 (0,10%)

477

0х1DD

Чтение и запись

UINT 16

Тайм-аут перехода в безопасное состояние

0...60 (секунд)

700

0х2BC

Чтение и записьUINT16

Разрешение конфигурирования из удаленного облачного сервиса

0 – заблокировано;

1 – разрешено

701

0х2BD

Чтение и записьUINT 16

Управление и запись значений из удаленного облачного сервиса

0 – заблокировано;

1 – разрешено

702

0х2BE

Чтение и записьUINT 16

Доступ к регистрам Modbus из удаленного облачного сервиса

0 – полный запрет;

1 – только чтение;

2 – только запись;

3 – полный доступ

703

0х2BF

Чтение и записьUINT 16

Состояние батареи (напряжение)

0…3300 (мВ)

801

0х321

Только чтениеUINT 16

Период архивирования

10…3600 (секунд);

Заводская настройка – 30

900

0х384

Чтение и записьUINT 16

Новое время

Дата/Время в секундах с 1 января 2000 г.

61565

0хF07D

Чтение и записьUINT 32

Записать новое время

0 – не записывать;

1 – записать

61567

0хF07F

Чтение и записьUINT 16

Время и дата (UTC)

Дата/Время в секундах с 1 января 2000 г.

61568

0хF080

Только чтениеUINT 32

Часовой пояс

Смещение в минутах от Гринвича

61570

0хF082

Чтение и записьINT 16
MAC адрес616960xF100Только чтениеUINT 48
DNS сервер 1

12

0xСЧтение и записьUINT 32
DNS сервер 2

14

0xЕЧтение и записьUINT 32
Установить IP-адрес200x14Чтение и записьUINT 32
Установить маску подсети220x16Чтение и записьUINT 32
Установить IP-адрес шлюза240x18Чтение и записьUINT 32
Текущий IP-адрес260x1AТолько чтениеUINT 32
Текущая маска подсети280x1CТолько чтениеUINT 32
Текущий IP-адрес шлюза300x1EТолько чтениеUINT 32
Режим DHCP

0 – полный запрет;

1 – только чтение;

2 – только запись

320x20Чтение и записьUINT 16
Подключение к OwenCloud

0 – выкл;

1 – вкл.

350x23Чтение и записьUINT 16
Статус подключения к OwenCloud

0 – нет связи;

1 – соединение;

2 – работа;

3 – ошибка;

4 – нет пароля

360x24Чтение и записьUINT 16

Коды ошибок для протокола Modbus

Во время работы модуля по протоколу Modbus возможно возникновение ошибок, представленных в таблице. В случае возникновения ошибки модуль отправляет Мастеру сети ответ с кодом ошибки.

Список возможных ошибок
Название ошибкиВозвращаемый кодОписание ошибки
MODBUS_ILLEGAL_FUNCTION01 (0x01)Недопустимый код функции – ошибка возникает, если модуль не поддерживает функцию Modbus, указанную в запросе
MODBUS_ILLEGAL_DATA_ADDRESS02 (0x02)Недопустимый адрес регистра – ошибка возникает, если в запросе указаны адреса регистров, отсутствующие в модуле
MODBUS_ILLEGAL_DATA_VALUE03 (0x03)Недопустимое значение данных – ошибка возникает, если запрос содержит недопустимое значение для записи в регистр
MODBUS_SLAVE_DEVICE_FAILURE04 (0x04)Ошибка возникает, если запрошенное действие не может быть завершено

Во время обмена по протоколу Modbus модуль проверяет соответствие запросов спецификации Modbus. Не прошедшие проверку запросы игнорируются модулем. Запросы, в которых указан адрес, не соответствующий адресу модуля, также игнорируются.

Далее проверяется код функции. Если в модуль приходит запрос с кодом функции, не указанной в таблице, возникает ошибка MODBUS_ILLEGAL_FUNCTION.

Список поддерживаемых функций
Название функцииКод функцииОписание функции
MODBUS_READ_HOLDING_REGISTERS3 (0x03)Чтение значений из одного или нескольких регистров хранения
MODBUS_READ_INPUT_REGISTERS4 (0x04)Чтение значений из одного или нескольких регистров ввода
MODBUS_WRITE_SINGLE_REGISTER6 (0x06)Запись значения в один регистр
MODBUS_WRITE_MULTIPLE_REGISTERS16 (0x10)Запись значений в несколько регистров
MODBUS_READ_FILE_RECORD20 (0x14)Чтение архива из файла
MODBUS_WRITE_FILE_RECORD21 (0x15)Запись архива в файл

Ситуации, приводящие к возникновению ошибок во время работы с регистрами, описаны в таблице.

Ошибки во время работы с регистрами
Используемая функцияНаименование ошибкиВозможные ситуации, приводящие к ошибке

MODBUS_READ_HOLDING_REGISTERS

MODBUS_ILLEGAL_DATA_ADDRESS

  • количество запрашиваемых регистров больше максимального возможного числа (125);
  • запрос несуществующего параметра

MODBUS_READ_INPUT_REGISTERS

MODBUS_ILLEGAL_DATA_ADDRESS

  • количество запрашиваемых регистров больше максимального возможного числа (125);
  • запрос несуществующего параметра

MODBUS_WRITE_SINGLE_REGISTER

MODBUS_ILLEGAL_DATA_ADDRESS

  • попытка записи параметра, размер которого превышает 2 байта;
  • попытка записи параметра, доступ на запись к которому запрещен;
  • попытка записи параметра такого типа, запись в который не может быть осуществлена данной функцией. Поддерживаемые типы:

    • знаковые и беззнаковые целые (размер не более 2 байт);
    • перечисляемые;

    • float16 (на данный момент в модуле такой тип не используется).

  • запрос несуществующего параметра

MODBUS_ILLEGAL_DATA_VALUE

  • выход за пределы максимального или минимального ограничений для параметра

MODBUS_WRITE_MULTIPLE_REGISTERS

MODBUS_ILLEGAL_DATA_ADDRESS

  • запись несуществующего параметра;
  • попытка записи параметра, доступ на запись к которому запрещен;
  • количество записываемых регистров больше максимального возможного числа (123)

MODBUS_ILLEGAL_DATA_VALUE

  • не найден терминирующий символ (\0) в строковом параметре;

  • размер запрашиваемых данных меньше размера первого или последнего в запросе параметра;

  • выход за пределы максимального или минимального ограничений для параметра

Ситуации, приводящие к возникновению ошибок во время работы с архивом, описаны в таблице.

Ошибки во время работы с архивом
Используемая функцияНаименование ошибкиВозможные ситуации, приводящие к ошибке

MODBUS_READ_FILE_RECORD

MODBUS_ILLEGAL_FUNCTION

  • ошибочный размер данных (0x07 <= data length <= 0xF5)

MODBUS_ILLEGAL_DATA_ADDRESS

  • reference type не соответствует спецификации;

  • не удалось открыть файл для чтения (возможно, он отсутствует)

MODBUS_ILLEGAL_DATA_VALUE

  • не удалось переместиться к нужному смещению в файле

MODBUS_SLAVE_DEVICE_FAILURE

  • ошибка удаления файла при запросе на удаление;

  • запрос слишком большого количества данных (больше 250 байт);

  • недопустимый record number (больше 0x270F);

  • недопустимый record length (больше 0x7A)

MODBUS_WRITE_FILE_RECORD

MODBUS_ILLEGAL_FUNCTION

  • ошибочный размер данных (0x09 <= data length <= 0xFB)

MODBUS_ILLEGAL_DATA_ADDRESS

  • reference type не соответствует спецификации;

  • не удалось открыть файл для записи

MODBUS_SLAVE_DEVICE_FAILURE

  • запрашиваемый файл отсутствует;

  • запрашиваемый файл доступен только для чтения;

  • не удалось записать необходимое количество байт

Работа по протоколу MQTT

Архитектура MQTT определяет три типа устройств в сети:

  • брокер – устройство (обычно – ПК с серверным ПО), которое осуществляет передачу сообщений от издателей к подписчикам;
  • издатели – устройства, которые являются источниками данных для подписчиков;
  • подписчики – устройства, которые получают данные от издателей.

Одно устройство может совмещать функции издателя и подписчика.

Graphic
Структурная схема обмена по протоколу MQTT

Подписка и публикация данных происходит в рамках топиков. Топик представляет собой символьную строку с кодировкой UTF-8, которая позволяет однозначно идентифицировать определенный параметр. Топики состоят из уровней, разделяемых симводом «/».

Примечание
Топики MQTT могут включать в себя заполнители – специальные символы, которые обрабатываются брокером особым образом. Существует два типа заполнителей – одноуровневый заполнитель «+» и многоуровневый заполнитель «#».
Предупреждение
Топики являются чувствительными к регистру.

Структура топиков модулей: Серия/Имя_устройства/Функция/Имя_узла/Параметр, где:

  • Серия – наименование серии устройства, всегда имеет значение MX210;
  • Имя_устройства – имя конкретного модуля, заданное в ПО Owen Configurator (см. раздел);
  • Функция – GET (чтение значений входов или выходов модуля) или SET (запись значений выходов модуля);
  • Имя_узла – тип входов или выходов (DI/DO/AI/AO);
  • Параметр – название конкретного параметра (см. таблицу).
Уровни топиков модуля
СерияИмя устройстваФункцияИмя узлаПараметрОписаниеФормат значения
MX210DeviceGETDIMASKБитовая маска дискретных входовЦелочисленный
GETDI1–DI12COUNTERЗначение счетчикаЦелочисленный
SETDOMASKБитовая маска дискретных выходовЦелочисленный
GETDOSTATEБитовая маска дискретных выходовЦелочисленный
GETDODIAGNOSTICSБитовая маска диагностики дискретных выходов*Целочисленный
Примечание
* Только для МК210-312
Пример

1. Чтение значения дискретных входов

MX210/Device/GET/DI/MASK

Пример полученного значения: 15 (замкнуты входы 1–4)

2. Запись значений дискретных выходов

MX210/Device/SET/DO/MASK

Пример записываемого значения: 15 (включить выходы 1–4)

3. Использование одноуровневого заполнителя

MX210/Device/GET/+/COUNTER – будет получена информация о значениях счетчиков всех дискретных входов модуля, то есть этот топик эквивалентен набору топиков:

MX210/Device/GET/DI1/COUNTER

MX210/Device/GET/DI2/COUNTER

MX210/Device/GET/…/COUNTER

MX210/Device/GET/DIn/COUNTER

4. Использование многоуровневого заполнителя

MX210/Device/GET/# – будет получена информация о всех параметрах модуля, доступных для чтения (GET), то есть этот топик эквивалентен набору топиков:

MX210/Device/GET/DI/MASK

MX210/Device/GET/DI1/COUNTER

MX210/Device/GET/DI2/COUNTER

MX210/Device/GET/…/COUNTER

MX210/Device/GET/DIn/COUNTER

Работа по протоколу SNMP

Протокол основан на архитектуре «Клиент/Сервер», при этом в терминологии протокола клиенты называются менеджерами, а серверы – агентами.

Менеджеры могут производить чтение (GET) и запись (SET) параметров агентов. Агенты могут отправлять менеджерам уведомления (трапы) – например, о переходе оборудования в аварийное состояние.

Каждый параметр агента имеет уникальный идентификатор (OID), представляющий собой последовательность цифр, разделенных точками. Для упрощения настройки обмена производители устройств-агентов обычно предоставляют MIB-файлы, которые включают в себя список параметров прибора с их названиями и идентификаторами. Эти файлы могут быть импортированы в SNMP-менеджер.

Graphic
Структурная схема обмена по протоколу SNMP

Ограничение обмена данными при работе с облачным сервисом OwenCloud

Облачный сервис OwenCloud является надежным хранилищем данных, обмен информации с которым зашифрован модулем. Если на производстве имеются ограничения на передачу данных, то обмен данными с облачным сервисом OwenCloud можно отключить. По умолчанию подключение модуля к облачному сервису запрещено. Ограничение доступа и обмена данными с модулем следует настраивать в ПО Owen Configurator.

Для разрешения подключения в Owen Configurator следует:

  1. Установить пароль для доступа к модулю (см. раздел).
  2. Задать значение Вкл. в параметре Подключение к OwenCloud (рисунок).

Примечание
Если для модуля не задан пароль, то автоматическое подключение к облачному сервису происходить не будет.
Graphic
Настройка автоматического подключения к облачному сервису

Если доступ к модулю через облачный сервис OwenCloud разрешен, то можно настроить следующие ограничения доступа (рисунок):

  • Разрешение конфигурирования — доступ к конфигурационным параметрам модуля;
  • Управление и запись значений — чтение и запись значений модуля;
  • Доступ к регистрам Modbus — чтение и/или запись значений регистров.

Graphic
Настройка удаленного доступа к модулю

Режим работы дискретных входов

Входы модуля работают в режиме определения логического уровня.

Для каждого входа задействован счетчик импульсов, поступающих на вход.

Параметры счетчика импульсов
ПараметрЗначение
Разрядность32 бит
Максимальная частота входного сигнала400 Гц
Подавление дребезгаВкл./выкл. Настраивается в ПО OWEN Configurator
Время подавления дребезга25 мс (не настраивается)
Внимание
Для работы с сигналами частотой более 20 Гц при коэффициенте заполнения 0,5 и менее не следует включать подавление дребезга контактов, так как полезный сигнал будет принят за дребезг и пропущен.

Если счетчик переполнился, то соответствующий регистр обнуляется автоматически. Последовательность действий для принудительного обнуления приведена в разделе.

Примечание
В режиме определения логического уровня счетчики входов являются энергонезависимыми. В дополнительных режимах счетчики входов сбрасываются после перезагрузки питания.

Значения состояния дискретных входов хранятся в виде битовой маски и считываются из соответствующего регистра.

Первые 8 входов модуля МК210-302 поддерживают следующие дополнительные режимы работы:

  • подсчет количества высокочастотных импульсов (см. раздел);
  • измерение частоты (см. раздел);
  • обработка сигналов энкодера (см. раздел). Возможно подключение до 3 AB-энкодеров (входы 3-4, 5-6, 7-8).

Предупреждение
На одном входе может быть включен только один дополнительный режим работы.

Режим определения логического уровня

Группа входов DI1–DI12 модуля выполняет определение логического уровня.

По опросу модуль возвращает в регистр Modbus битовую маску, соответствующую состоянию входов. Определение логического уровня производится постоянно и не зависит от включения режима счетчика импульсов, измерения частоты или обработки сигналов энкодера.

Режим подсчета числа высокочастотных импульсов

Режим подсчета числа высокочастотных импульсов работает для входов DI1–DI8.

Максимальная частота входного сигнала — 100 кГц при коэффициенте заполнения 0,5.

Для каждого входа задействован 32-разрядный счетчик. Значения счетчика входа считываются из регистра, соответствующего данному входу.

В случае переполнения счетчика значение обнуляется. Для принудительного обнуления счетчика следует записать значение 0 в регистр сброса значения входа. Обнуление счетчика будет произведено в течение 10 мс после записи значения 0.

Режим измерения частоты и периода

Входы DI1-DI8 можно настроить на режим измерения частоты или периода.

Диапазоны измерения:

  • в режиме «измерение частоты» – от 100 Гц до 100 кГц;
  • в режиме «измерение периода» – от 0 мс до 10 мс.

Интервал измерения частоты или периода настраивается в параметре «Период измерения».

Возможные значения параметра «Период измерения»: 10 мс, 100 мс, 1 с, 10 с. Значение по умолчанию – 10 мс.

Для отображения измеренных значений частоты или периода задействован 32-разрядный регистр.

Режим обработки сигналов с энкодера

К модулю возможно подключение до трех двухканальных энкодеров (без Z канала). Номера входов для подключения: 3-4, 5-6, 7-8.

Максимальная частота сигналов с энкодера – 100 кГц.

Для каждого входа задействован 32–разрядный счетчик, в котором находится накопленное количество импульсов с учетом направления вращения после обнуления, зафиксированное энкодером. Если после обнуления направление вращения меняется, то счет начинается с максимального и уменьшается на количество накопленных импульсов.

Значения счетчика входа считываются из регистра, соответствующего данному входу.

В случае переполнения счетчика значение обнуляется. Для принудительного обнуления счетчика следует записать значение 0 в регистр сброса значения счетчика. Обнуление счетчика будет произведено в течение 10 мс после записи значения 0.

Режимы работы дискретных выходов

Каждый дискретный выход может работать в одном из следующих режимов:

  • переключение логического сигнала;
  • генерация ШИМ сигнала.

Для выбора режима и изменения параметров выхода следует записать значения в соответствующие Modbus-регистры (см. раздел).

Безопасное состояние выходных элементов

Для каждого выхода возможна установка безопасного состояния.

Выход переходит в безопасное состояние, если в течение времени тайм-аута отсутствуют команды от Мастера сети. На выходе модуля устанавливается значение параметра Безопасное состояние в процентах (от 0 до 100 %).

Тайм-аут перехода в безопасное состояние задается пользователем. Модуль при включении перейдет в состояние, которое было установлено последним до выключения, и будет находиться в нем до получения новой команды от Мастера сети. Для отключения функции перехода в безопасное состояние следует установить параметр Тайм-аут перехода в безопасное состояние равным 0.

Если Мастером сети является только облачный сервис OwenCloud, необходимо отключить Безопасное состояние для выходов. Для отключения безопасного состояния следует задать значение параметра Тайм-аут перехода в безопасное состояние равным 0.

Примечание
Заводская настройка параметра Тайм-аут перехода в безопасное состояние равна 30 секунд.

Контроль обрыва нагрузки

Для модуля МК210-312 реализована цепь контроля подключения нагрузки и контроль замыкания контактов реле при подключении нагрузки.

Для контроля нагрузки следует включить диагностику выхода в ПО OWEN Configurator. После включения диагностики выхода в параметре «Состояние диагностики реле и обрыва нагрузки» можно отследить состояние выхода. Прибор определяет состояние выхода по напряжению на резисторе:

  • В случае разомкнутых контактах реле (при выключенном реле) присутствует ток через резистор, выход работает нормально. Если падения напряжения нет, произошел обрыв нагрузки или спекание контактов реле, то фиксируется авария.
  • В случае замкнутых контактах реле (при включенном реле) ток через резистор отсутствует, выход работает нормально. Если контакты реле замкнуты и ток присутствует, произошло повреждение реле или контактов, фиксируется авария.

Контроль аварии включается при настройке модуля.

Внимание
При выключении в настройках модуля МК210-312 контроля обрыва нагрузки резистор 200 кОм электрически не отсоединяется от цепи выхода, и небольшой ток через нагрузку продолжает протекать.

В случае фиксирования аварии загорается красный светодиод состояния выхода.

Состояние выходов записывается в битовую маску статуса для каждого выхода.

Схема контроля обрыва нагрузки приведена на рисунке.

Graphic
Схема контроля обрыва нагрузки

Схема контроля обрыва нагрузки работает при напряжении питания нагрузки не менее 18 В постоянного тока при сопротивлении нагрузки не более 10 кОм и не менее 90 В переменного тока при сопротивлении нагрузки не более 20 кОм.

Настройка

Подключение к ПО «OWEN Configurator»

Прибор настраивается в ПО OWEN Configurator.

Прибор можно подключить к ПК с помощью следующих интерфейсов:

  • USB (разъем micro-USB);
  • Ethernet.

Для выбора интерфейса следует:

  1. Подключить прибор к ПК с помощью кабеля USB или по интерфейсу Ethernet.
    Предупреждение

    В случае подключения прибора к порту USB подача основного питания прибора не требуется.

    Питание прибора осуществляется от порта USB, выходы модуля при этом не функционируют.

    В случае подключения по интерфейсу Ethernet следует подать основное питание на прибор.

  2. Открыть ПО OWEN Configurator.
  3. Выбрать Добавить устройства.
  4. В выпадающем меню Интерфейс во вкладке Сетевые настройки выбрать:
    • Ethernet (или другую сетевую карту, к которой подключен прибор) – для подключения по Ethernet.
    • STMicroelectronics Virtual COM Port – для подключения по USB.
    Graphic
    Меню выбора интерфейса
Дальнейшие шаги для поиска устройства зависят от выбора интерфейса.

Чтобы найти и добавить в проект прибор, подключенный по интерфейсу Ethernet, следует:

  1. Выбрать Найти одно устройство.
  2. Ввести IP-адрес подключенного устройства.
  3. Нажать вкладку Найти. В окне отобразится прибор с указанным IP-адресом.

    Предупреждение
    Значение IP-адреса по умолчанию (заводская настройка) — 192.168.1.99.

  4. Выбрать устройство (отметить галочкой) и нажать ОК. Если устройство защищено паролем, то следует ввести корректный пароль. Устройство будет добавлено в проект.

Чтобы найти и добавить в проект прибор, подключенный по интерфейсу USB, следует:

  1. В выпадающем меню Протокол выбрать протокол Owen Auto Detection Protocol.
    Graphic
    Выбор протокола
  2. Выбрать Найти одно устройство.
  3. Ввести адрес подключенного устройства (по умолчанию – 1).
  4. Нажать вкладку Найти. В окне отобразится прибор с указанным адресом.
  5. Выбрать устройство (отметить галочкой) и нажать ОК. Если устройство защищено паролем, то следует ввести корректный пароль. Устройство будет добавлено в проект.

Более подробная информация о подключении и работе с прибором приведена в Справке ПО OWEN Configurator. Для вызова справки в программе следует нажать клавишу F1.

Подключение к облачному сервису OwenCloud

Для подключения модуля к облачному сервису следует выполнить действия:

  1. Подключить модуль к ПО OWEN Configurator (см. раздел).
  2. Включить доступ к OwenCloud и настроить права удаленного доступа (см. раздел).
  3. Задать пароль для доступа к прибору (см. Справку ПО OWEN Configurator).
    Предупреждение
    Если пароль не задан, подключение к облачному сервису недоступно.
  4. Зайти на сайт облачного сервиса OwenCloud.
  5. Перейти в раздел Администрирование Graphic и добавить прибор.

Подробный пример настройки подключения к OwenCloud можно посмотреть в документе «Мх210. Примеры настройки обмена» на странице прибора на сайте www.owen.ru.

Настройка сетевых параметров

Для обмена данных модуля в сети Ethernet должны быть заданы параметры, приведенные в таблице:

Сетевые параметры модуля
ПараметрПримечание
MAC-адресУстанавливается на заводе-изготовителе и является неизменным
IP-адресМожет быть статическим или динамическим. Заводская настройка – 192.168.1.99
Маска IP-адресаЗадает видимую модулем подсеть IP-адресов других устройств. Заводская настройка – 255.255.0.0
IP-адрес шлюзаЗадает адрес шлюза для выхода в Интернет. Заводская настройка – 192.168.1.1

IP-адрес может быть:

  • статический;
  • динамический.

Статический IP-адрес устанавливается с помощью Owen Configurator или сервисной кнопки.

Для установки статического IP-адреса с помощью Owen Configurator следует:

  1. Зайти во вкладку Сетевые настройки.
  2. Задать значение в поле Установить IP адрес.
  3. Задать значение в поле Установить маску подсети.
  4. Задать значение в поле Установить IP адрес шлюза.

При статическом IP-адресе параметр Режим DHCP должен иметь значение Выкл.

Для установки статического IP-адреса c помощью сервисной кнопки следует:

  1. Подключить модуль или группу модулей к сети Ethernet.
  2. Запустить Owen Configurator на ПК, подключенному к той же сети Ethernet.
  3. Выбрать вкладку Назначение IP-адресов.
  4. Задать начальный IP-адрес для первого модуля из группы модулей.
  5. Последовательно нажимать на модулях сервисные кнопки, контролируя результат в окне программы. В окне Owen Configurator будет отображаться информация о модуле, на котором была нажата кнопка, этому модулю будет присваиваться заданный статический IP-адрес и другие параметры сети. После присвоения адрес автоматически увеличивается на 1.
Для назначения статического IP-адреса с помощью кнопки параметр Режим DHCP должен иметь значение Разовая установка кнопкой.

Graphic
Настройка параметра «Режим DHCP»

С помощью сервисной кнопки можно установить IP-адреса сразу для группы модулей (см. справку к Owen Configurator, раздел Назначение IP-адреса устройству).

Динамический IP-адрес используется для работы с облачным сервисом и не подразумевает работу с Мастером сети Modbus TCP. IP-адрес модуля устанавливается DHCP-сервером сети Ethernet.

Примечание
Следует уточнить у служб системного администрирования о наличии DHCP-сервера в участке сети, к которому подключен модуль. Для использования динамического IP-адреса следует установить значение Вкл в параметре Режим DHCP.
Предупреждение
Для применения новых сетевых настроек следует перезагрузить модуль. Если модуль подключен по USB, его также следует отключить.

Настройка параметров обмена по протоколу MQTT в ПО «OWEN Configurator»

Модули поддерживают протокол MQTT (версия 3.1.1) и могут использоваться в роли клиентов. Модули публикуют сообщения о состоянии своих входов и подписаны на топики, в рамках которых производится управление их выходами.

Параметры обмена по MQTT настраиваются в Owen Configurator.

Graphic
Параметры обмена по MQTT
Параметры обмена по протоколу MQTT
ПараметрОписание
Сообщение о присутствии

Если параметр имеет значение Вкл., то в момент включении модуль публикует сообщение «Online» в топик MX210/Имя_устройства/MQTTstatus.

Если от модуля не поступает сообщений, брокер публикует в данный топик сообщение «Offline».

Подключение к брокеруДля работы с модулем по протоколу MQTT следует установить значение Вкл.
ЛогинИспользуются для аутентификации устройства на стороне брокера. Если значения параметров не заданы, то аутентификация не используется
Пароль
Имя устройстваИмя устройства. Входит в состав топика.
Адрес брокера

IP или URL брокера. Если брокер расположен во внешней сети, то следует установить для параметров Шлюз и DNS (вкладка Сетевые настройки) корректные значения

ПортПорт брокера
Хранение последнего сообщениеЕсли установлено значение Включено, то другие клиенты, подписанные на топики модуля, получат последние сообщения из этих топиков
Интервал публикацииИнтервал публикации данных (в секундах)
Качество обслуживания

Выбранный уровень качества обслуживания.

QoS 0 – передача сообщений осуществляется без гарантии доставки.

QoS 1 – передача сообщений осуществляется с гарантией доставки, но допускается дублирование сообщений (т.е. одно и тоже сообщение будет разослано подписчикам несколько раз).

QoS 2 – передача сообщений осуществляется с гарантией доставки и с гарантией отсутствия дублирования сообщений.

Интервал Keep Alive (в секундах)

Если в течение промежутка времени, равного полутора значениям данного параметра, брокер не получает сообщений от модуля, то соединение будет разорвано.

0 – параметр не используется (при отсутствии сообщений соединение никогда не будет разорвано).

СтатусСтатус подключения к брокеру
Примечание
При использовании протокола MQTT запись параметров обычно является событийной, а не циклической. Рекомендуется задать параметр Таймаут перехода в безопасное состояние (вкладка Modbus Slave) равным 0.

Настройка параметров обмена по протоколу SNMP в ПО «OWEN Configurator»

Модули поддерживают протокол SNMP (версии SNMPv1 и SNMPv2c) и могут быть использованы в роли агентов. Модули поддерживают запросы GET и SET. Модули с дискретными входами отправляют трапы с битовой маской входов при изменении значения любого входа.

По протоколу SNMP доступны все параметры модуля. Список OID параметров приведен в Руководстве по эксплуатации на конкретный модуль. MIB-файл модуля доступен на его странице на сайте owen.ru.

Graphic
Параметры обмена по SNMP
Параметры обмена по SNMP
ПараметрОписание
Включение/ОтключениеДля работы модуля по протоколу SNMP требуется установить значение Включено
Сообщество для чтенияПароль, используемый для чтения данных модуля
Сообщество для записиПароль, используемый для записи данных в модуль
IP адрес для ловушкиIP-адрес, на который будет отправлен трап в случае изменения маски дискретных входов модуля (только для модулей с дискретными входами)
Номер порта для ловушкиНомер порта, на который будет отправлен трап
Версия SNMPВерсия протокола, используемая модулем (SNMPv1 или SNMPv2)
Примечание
При использовании протокола SNMP без запросов чтения (GET) запись параметров обычно является событийной, а не циклической. Рекомендуется задать параметр Таймаут перехода в безопасное состояние (вкладка Modbus Slave) равным 0.

Пример настройки обмена модуля по протоколу SNMP можно посмотреть в документе «Мх210. Примеры настройки обмена», который доступен на странице прибора на сайте owen.ru.

Пароль доступа к модулю

Для ограничения доступа к чтению и записи параметров конфигурации и для доступа в облачный сервис OwenCloud используется пароль.

Установить или изменить пароль можно с помощью ПО Owen Configurator.

В случае утери пароля следует восстановить заводские настройки.

По умолчанию пароль не задан.

Обновление встроенного ПО

Обновление встроенного ПО модуля следует выполнять с помощью интерфейса USB.

Примечание
Перед обновлением ПО рекомендуется сохранить конфигурацию модуля (в меню Конфигуратора выбрать «Файл» далее «Сохранить как…»).

Для обновления встроенного ПО по интерфейсу USB следует выбрать один из способов:

  1. С помощью Конфигуратора, используя файл прошивки с расширением *.fw;

  2. С помощью ПО Мастер прошивки.

Обновление через Конфигуратор – рекомендовано. Второй способ подходит, если нет возможности подключить модуль к Конфигуратору. Подробная инструкция по обновлению встроенного ПО модуля находится в архиве прошивок, который доступен для скачивания на странице прибора на сайте www.owen.ru.

Примечание
После обновления встроенного ПО сетевые и конфигурационные параметры сбросятся на заводские значения.

Настройка часов реального времени

Значение часов реального времени (RTC) можно установить или считать с прибора через регистры Modbus, а также с помощью ПО Owen Configurator (см. справку к Owen Configurator, раздел Настройка часов).

Для установки нового времени через регистры Modbus следует:

  1. Записать значение времени в соответствующие регистры.

  2. Установить на время не менее 1 секунды значение 1 в регистре обновления текущего времени.
  3. Записать в регистр обновления текущего времени значение 0.

Следующую запись текущего времени можно выполнить через 1 секунду.

Если необходимо, то можно синхронизировать часы модуля с удаленным NTP сервером.

Graphic
Параметры NTP
ПараметрОписание
Включение/ОтключениеДля включения режима синхронизации времени следует установить значение Включено
Пул NTP серверовIP или URL используемого пула NTP-серверов
NTP сервер 1IP основного NTP-сервера
NTP сервер 2IP резервного NTP-сервера
Период синхронизацииПериод синхронизации времени в секундах. Следует убедиться, что установленное значение не превышает минимально возможного значения для конкретного NTP-сервера
СтатусСтатус подключения к серверу
Примечание
Если NTP-сервер расположен во внешней сети, то следует установить корректные значения для параметров Шлюз и DNS (вкладка Сетевые настройки) корректные значения.
Примечание
Часовой пояс прибора выбирается о вкладке Часы реального времени.
Примечание
Если модуль подключен к облачному сервису OwenCloud как автоопределяемое устройство, то его время автоматически синхронизируется со временем облачного сервиса раз в сутки.
Примечание
Все указанные NTP-сервера (в том числе сервера из пула) имеют одинаковый приоритет при опросе.

Восстановление заводских настроек

Внимание
После восстановления заводских настроек все ранее установленные настройки, кроме сетевых, будут удалены.

Для восстановления заводских настроек и сброса установленного пароля следует:

  1. Включить питание прибора.
  2. Нажать и удерживать сервисную кнопку более 12 секунд.

После отжатия кнопки прибор перезагрузится и будет работать с настройками по умолчанию.

Принудительное обнуление счетчика

Если счетчик состояний входа переполнился, то соответствующий регистр обнуляется автоматически. Для принудительного обнуления счетчика следует записать значение 0 в регистр сброса значения счетчика.

Техническое обслуживание

Общие указания

Во время выполнения работ по техническому обслуживанию прибора следует соблюдать требования безопасности из раздела.

Техническое обслуживание прибора проводится не реже одного раза в 6 месяцев и включает следующие процедуры:

  • проверка крепления прибора;
  • проверка винтовых соединений;
  • удаление пыли и грязи с клеммников прибора.

Батарея

В приборе используется сменная батарея типа CR2032. Батарея предназначена для питания часов реального времени.

Если заряд батареи опускается ниже 2 В, то индикатор "Авария" засвечивается на 100 мс один раз в две секунды. Такое свечение индикатора сигнализирует о необходимости замены батареи.

Если напряжение батареи часов реального времени меньше 1,6 В, то запись конфигурационных параметров выполняется во флеш-память модуля.

Порядок записи конфигурационных параметров при разряженной батарее:

  1. Новые значения конфигурационных параметров записываются в батарейный ОЗУ около 5 секунд.
  2. Из батарейного ОЗУ значения конфигурационных параметров переносятся во флеш-память и запускается таймаут не менее 2 минут (в зависимости от нагрузки на модуль).
Примечание
Состояния батареи обновляется после подачи питания или по истечении 12 часов с момента подачи питания.
Предупреждение
Не рекомендуется выполнять циклическую запись конфигурационных параметров в случае разряда батареи. Ресурс флеш памяти ограничен.

Для замены батареи следует:

  1. Отключить питание прибора и подключенных устройств.
  2. Снять прибор с DIN-рейки.
  3. Поднять крышку 1.
  4. Выкрутить два винта 3.
  5. Снять колодку 2, как показано на рисунке.
    Graphic
    Отсоединение клемм
  6. Поочередно вывести зацепы из отверстий с одной и другой стороны корпуса и снять верхнюю крышку.
    Graphic
    Замена батареи
  7. Заменить батарею. Рекомендуемое время замены батареи не более 1 минуты. Если замена батареи займет больше времени, то следует ввести корректное значение часов реального времени.
  8. Сборку и установку следует осуществлять в обратном порядке.
Предупреждение
Запрещается использовать батарею другого типа. Во время установки батареи следует соблюдать полярность.

После сборки и включения прибора следует убедиться в корректности показаний часов. В случае необходимости следует скорректировать показания часов реального времени в ПО OWEN Configurator.

Во время выкручивания винтов крепления клеммная колодка поднимается, поэтому, чтобы избежать перекоса рекомендуется выкручивать винты поочередно по несколько оборотов за один раз.

Комплектность

НаименованиеКоличество
Модуль1 шт.
Паспорт и Гарантийный талон1 экз.
Руководство по эксплуатации 1 экз.
Коммутационный кабель UTP 5e 150 мм1 шт.
Клемма питания 2EGTK-5-02P-141 шт.
Заглушка разъема RJ45 (Ethernet)1 шт.
Примечание
Изготовитель оставляет за собой право внесения дополнений в комплектность модуля.

Маркировка

На корпус прибора нанесены:

  • наименование и условное обозначение прибора;
  • степень защиты корпуса по ГОСТ 14254-2015;
  • род питающего тока и напряжение питания;
  • потребляемая мощность;
  • класс защиты от поражения электрическим током по ГОСТ IEC 61131-2-2012;
  • единый знак обращения продукции на рынке Евразийского экономического союза;
  • страна-изготовитель;
  • заводской номер прибора, дата изготовления, товарный знак ОВЕН;
  • MAC-адрес;
  • год изготовления прибора.

На потребительскую тару нанесены:

  • наименование и условное обозначение прибора;
  • единый знак обращения продукции на рынке Евразийского экономического союза;
  • почтовый адрес офиса компании;
  • страна-изготовитель;
  • штрих код;
  • заводской номер прибора;
  • дата упаковки прибора.

Упаковка

Упаковка прибора производится в соответствии с ГОСТ 23088-80 в потребительскую тару, выполненную из коробочного картона по ГОСТ 7933-89.

Упаковка прибора при пересылке почтой производится по ГОСТ 9181-74.

Транспортирование и хранение

Прибор должен транспортироваться в закрытом транспорте любого вида. В транспортных средствах тара должна крепиться согласно правилам, действующим на соответствующих видах транспорта.

Транспортирование приборов в упаковке предприятия-изготовителя должно соответствовать следующим условиям:

  • температура окружающего воздуха от минус 40 до плюс 70 °С;

  • относительная влажность от 10 до 95 % без конденсации влаги;

  • атмосферное давление не менее 80 кПа (эквивалентно высоте 3000 м над уровнем моря)

Прибор следует перевозить в транспортной таре поштучно или в контейнерах с соблюдением мер защиты от ударов и вибраций.

Условия хранения в таре на складе изготовителя и потребителя должны соответствовать условиям 1 по ГОСТ 15150-69. В воздухе не должны присутствовать агрессивные примеси.

Прибор следует хранить на стеллажах.

Гарантийные обязательства

Изготовитель гарантирует соответствие прибора требованиям ТУ при соблюдении условий эксплуатации, транспортирования, хранения и монтажа.

Гарантийный срок эксплуатации – 24 месяца со дня продажи.

В случае выхода прибора из строя в течение гарантийного срока при соблюдении условий эксплуатации, транспортирования, хранения и монтажа предприятие-изготовитель обязуется осуществить его бесплатный ремонт или замену.

Порядок передачи прибора в ремонт содержится в паспорте и в гарантийном талоне.

Расчет вектора инициализации для шифрования файла архива

Для расшифровки файла архива в качестве вектора инициализации следует использовать хеш-функцию. Хеш-функция должна возвращать 8 байт (тип long long).

Пример реализации хеш-функции на языке программирования С:

typedef union {         struct {                 unsigned long lo;                 unsigned long hi;         };         long long hilo; }LONG_LONG; long long Hash8(const char *str) {     // На основе Rot13         LONG_LONG temp;         temp.lo = 0;         temp.hi = 0;         for ( ; *str; )         {                 temp.lo += (unsigned char) (*str);                 temp.lo –= (temp.lo << 13) | (temp.lo >> 19);                 str++;                 if (!str) break;                 temp.hi += (unsigned char) (*str);                 temp.hi –= (temp.hi << 13) | (temp.hi >> 19);                 str++;         }         return temp.hilo; }

Предупреждающие сообщения

В данном руководстве применяются следующие предупреждения:

Опасность

Ключевое слово ОПАСНОСТЬ сообщает о непосредственной угрозе опасной ситуации, которая приведет к смерти или серьезной травме, если ее не предотвратить.

Внимание

Ключевое слово ВНИМАНИЕ сообщает о потенциально опасной ситуации, которая может привести к небольшим травмам.

Предупреждение

Ключевое слово ПРЕДУПРЕЖДЕНИЕ сообщает о потенциально опасной ситуации , которая может привести к повреждению имущества.

Примечание

Ключевое слово ПРИМЕЧАНИЕ обращает внимание на полезные советы и рекомендации, а также информацию для эффективной и безаварийной работы оборудования.

Ограничение ответственности

Ни при каких обстоятельствах ООО «Производственное Объединение ОВЕН» и его контрагенты не будут нести юридическую ответственность и не будут признавать за собой какие-либо обязательства в связи с любым ущербом, возникшим в результате установки или использования прибора с нарушением действующей нормативно-технической документации.