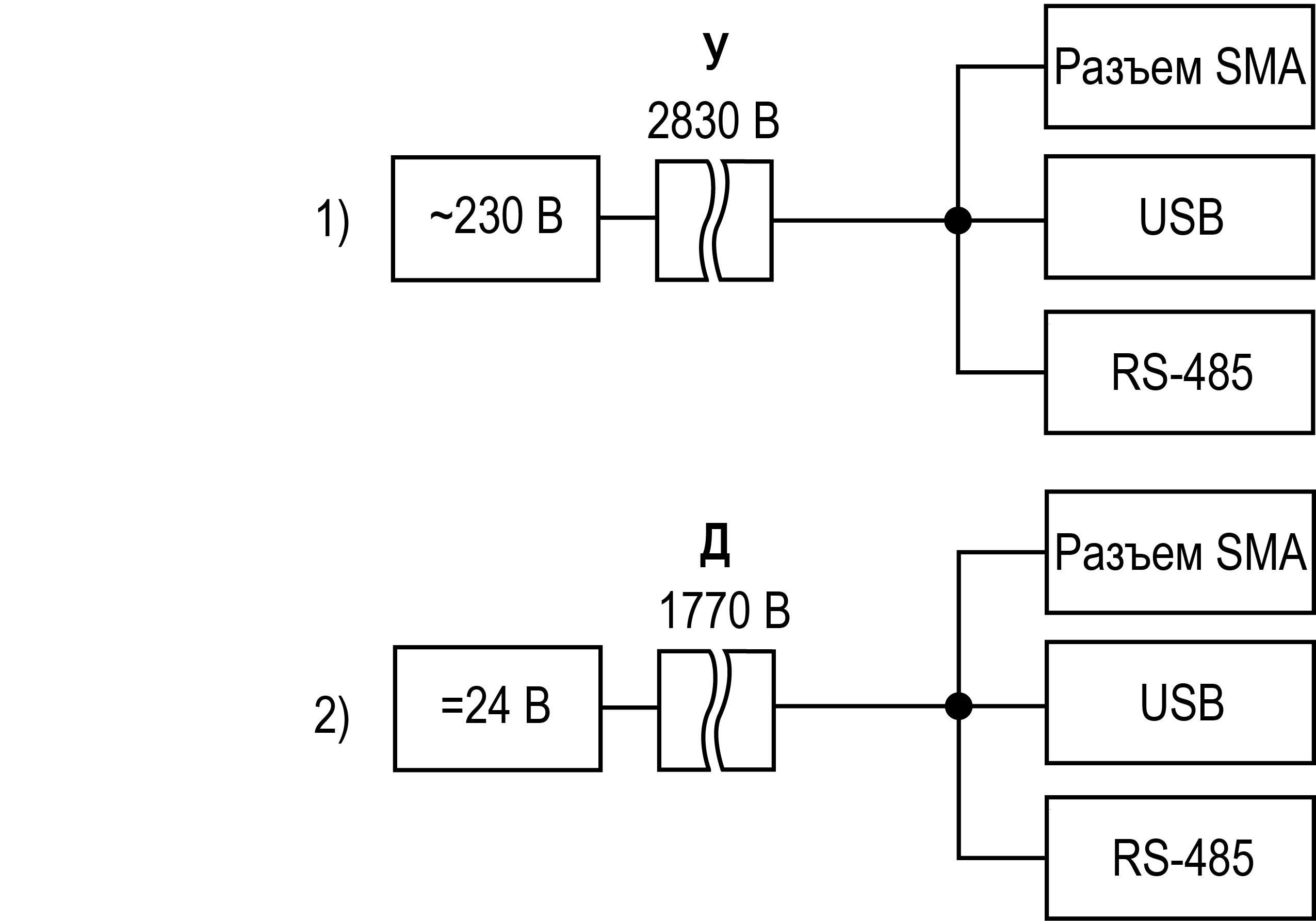
Настоящее руководство по эксплуатации предназначено для ознакомления обслуживающего персонала с устройством, принципом действия, конструкцией, технической эксплуатацией и обслуживанием сетевого шлюза МКОН-x.WiFi (далее по тексту – «прибор» или «шлюз»).
Подключение, настройка и техническое обслуживание прибора должны производиться только квалифицированными специалистами после прочтения настоящего руководства по эксплуатации.













































