1-RU-47490-1.40

Руководство по эксплуатации

Введение

Настоящее Руководство по эксплуатации предназначено для ознакомления обслуживающего персонала с устройством, конструкцией, работой и техническим обслуживанием модуля измерения параметров электрической сети МЭ210-701 (в дальнейшем по тексту именуемого «прибор» или «модуль»).

Подключение, регулировка и техобслуживание прибора должны производиться только квалифицированными специалистами после прочтения настоящего руководства по эксплуатации.

Обозначение прибора при заказе: МЭ210-701.

Используемые аббревиатуры

  • ПК – персональный компьютер.
  • ПЛК – программируемый логический контроллер.
  • ПО – программное обеспечение.
  • ШИМ – широтно-имульсная модуляция.
  • ЦАП

    цифро-аналоговый преобразователь

    .
  • USB

    – последовательный интерфейс для подключения периферийных устройств к вычислительной технике.
  • UTC

    – всемирное координированное время.
  • RTC

    – часы реального времени.

Назначение

Модуль предназначен для сбора данных параметров электросети и подключения исполнительных устройств на объектах автоматизации и управляется от ПЛК, панельного контроллера, ПК или иного управляющего устройства.

Для обработки данных модуль использует:

  • 8 дискретных входов;
  • 2 дискретных выхода (реле);
  • тракт измерения параметров трехфазной электрической сети.

Модуль применяется в различных областях промышленности и сельского хозяйства.

Модуль выпускается согласно ТУ 26.51.70-019-46526536-2017.

Технические характеристики и условия эксплуатации

Технические характеристики

ХарактеристикаЗначение
Питание
Напряжение питанияОт 10 до 48 В
Потребляемая мощность, не более8 Вт
Защита от переполюсовки напряжения питанияЕсть
Интерфейс Ethernet
Интерфейс обменаСдвоенный Ethernet 10/100 Mbs, Daisy-chain
Протокол обмена

Modbus TCP;

MQTT;

SNMP;

NTP

Версия протоколаIPv4
Интерфейс RS-485
Протокол обменаModbus-RTU (Slave)
Поддерживаемые скорости обмена 1200, 2400, 4800, 9600, 14400, 19200, 28800, 38400, 57600, 115200 бит/с
Интерфейсы конфигурирования
Интерфейс конфигурированияUSB 2.0, Ethernet 10/100 Mbps
Дискретные входы
Количество входов8
Тип сигнала

  «сухой» контакт;

  транзисторный ключ n-p-n типа

Режим работы

  определение логического уровня;

  счетчик импульсов

Сопротивление контактов, и проводов, подключаемых к входу, не более100 Ом
Допустимое минимальное сопротивление утечки, не менее10 Ом
Минимальная длительность единичного импульса2 мс (до 400 Гц)
Дискретные выходы
Количество выходов2
Тип выходаЭлектромагнитное реле
Тип контактаНормально разомкнутый
Режимы работы
  • переключение логического сигнала;
  • генерация ШИМ сигнала
Максимальное напряжение на контакты реле
  • 264 В (СКЗ) переменного напряжения;
  • 30 В постоянного напряжения
Ток коммутации
  • 5 А (при переменном напряжении не более 250 В (СКЗ), 50 Гц, резистивная нагрузка);
  • 3 А (при постоянном напряжении не более 30 В, резистивная нагрузка)
Минимальный ток коммутации10 мА
Категория применения по ГОСТ IEC 60947-5-1:2014АС-15, С300*
Механический ресурс реле5 000 000 срабатываний
Электрический ресурс реле, не менее
  • 35 000 переключений при 3 А, 30 В постоянного напряжения;
  • 50 000 переключений при 5 А, 250 В (СКЗ) переменного напряжения;
  • 50 000 срабатываний при категории применения АС-15, С300*
Максимальная частота ШИМ1 Гц
Минимальная длительность импульса ШИМ50 мс
Измерение параметров электросети
Тип электросетитрехфазная переменного тока
Частота опроса

  8 кГц для профиля мощности;

  65 Гц для измеренных значений

Время обновления измеренных значений15 мс
Измерение фазного напряжения
Фазное напряжение (номинальное)230 В

Основная приведенная погрешность измерения напряжения:

  0,05 ∙ Uном ≤ U ≤ 1,5 ∙ Uном

  

0,2 %

Входное сопротивление, не менее500 кОм
Измерение межфазного напряжения
Межфазное напряжение (номинальное)400 В
Основная приведенная погрешность измерения 0,2 %
Входное сопротивление, не менее500 кОм
Измерение силы тока
Входной сигнал (номинальный)5 А

Основная приведенная погрешность измерения напряжения:

  0,05 ∙ Iф ≤ I ≤ 0,95 ∙ Iф

  0,95 ∙ Iф ≤ I ≤ 1,2 ∙ Iф

  

  

0,2 %

0,5 %

Разрешающая способность0,001 А
Входное сопротивление, не более0,01 Ом
Дополнительная приведенная погрешность, вызванная изменением температуры окружающей среды в пределах рабочего диапазона, на каждые 10 градусов и электромагнитными помехами, % от основной0,5 %
Измерение мощности
Измеряемая мощность

  активная;

  реактивная;

  полная;

  отдачи

Основная приведенная погрешность измерения

0,5 %

Профиль мощностей
Период интегрирования3, 30 минут, 1 – 4 – 8 – 12 – 24 часа
Профилируемые мощности

Активная (+)

Активная (-)

Реактивная (+)

Реактивная (-)

Полная

Измерение частоты первой гармоники
Действующая частота первой гармоники от 45 до 65 Гц
Основная приведенная погрешность измерений0,15 %
Время опроса входа, не более1 с
Разрешающая способность0,01 Гц
Измерение коэффициента мощности
Основная приведенная погрешность измерения0,1 %
Встроенный архив
Максимальный размер файла2 кб
Максимальное количество файлов1000
Период записинастраиваемый, от 10 до 3600 с
Часы реального времени
Погрешность ходаНе более 3 секунд в сутки
Тип питанияБатарея CR2032
Средний срок службы на одной батареи6 лет
Общие характеристики
Габаритные размеры(82 × 124 × 83) ±0,5 мм
Степень защиты корпусаIP20
Cредняя наработка на отказ**60 000 ч
Средний срок службы10 лет
Масса, не более0,6 кг
Внимание

* Управление электромагнитами переменным напряжением до 300 В (СКЗ) и полной мощностью до 180 ВА.

** Не считая электромеханических переключателей и элемента питания часов реального времени.

Изоляция узлов прибора

Схема гальванически изолированных узлов и прочность гальванической изоляции приведены на рисунке.

Graphic
Изоляция узлов прибора
Типы изоляции
ТипОписание
Основная (О)

Изоляция для защиты частей оборудования, находящихся под напряжением, от поражения электрическим током.

Электрическая прочность основной изоляции прибора проверяется типовыми испытаниями: приложением испытательного переменного напряжения, величина которого различна для различных цепей прибора

Дополнительная (Д)

Дополнительная независимая изоляции для гарантии защиты от поражения электрическим током в случае отказа основной изоляции. Электрическая прочность дополнительной изоляции прибора проверяется приложением испытательного переменного напряжения различной величины (действующее значение)

Усиленная (У)Отдельная система изоляции, применяемая для частей под напряжением, которая обеспечивает степень защиты от поражения электрическим током, эквивалентную двойной изоляции согласно ГОСТ IEC 61131-2-2012
Предупреждение
Значение прочности изоляции указано для испытаний при нормальных климатических условиях. Время воздействия — 1 минута по ГОСТ IEC 61131–2.

Условия эксплуатации

Прибор отвечает требованиям по устойчивости к воздействию помех в соответствии с ГОСТ IEC 61131-2. По уровню излучения радиопомех (помехоэмиссии) прибор соответствует нормам, установленным для оборудования класса А по ГОСТ 30804.6.3. Прибор предназначен для эксплуатации в следующих условиях:

  • температура окружающего воздуха от минус 40 до плюс 55 °С;
  • относительная влажность воздуха от 10 % до 95 % (при +35 °С без конденсации влаги);
  • атмосферное давление от 84 до 106,7 кПа;
  • закрытые взрывобезопасные помещения без агрессивных паров и газов;
  • допустимая степень загрязнения 2 по ГОСТ IEC 61131-2.

По устойчивости к механическим воздействиям во время эксплуатации прибор соответствует ГОСТ IEC 61131-2.

По устойчивости к климатическим воздействиям во время эксплуатации прибор соответствует ГОСТ IEC 61131-2.

Меры безопасности

Внимание
На клеммнике присутствует опасное для жизни напряжение. Любые подключения к прибору и работы по его техническому обслуживанию следует производить только при отключенном питании прибора.

По способу защиты от поражения электрическим током прибор соответствует классу II по ГОСТ IEC 61131-2.

Во время эксплуатации и технического обслуживания необходимо соблюдать требования ГОСТ 12.3.019-80, «Правил эксплуатации электроустановок потребителей» и «Правил охраны труда при эксплуатации электроустановок потребителей».

Установку прибора следует производить в специализированных шкафах, доступ внутрь которых разрешен только квалифицированным специалистам. Любые подключения к прибору и работы по его техническому обслуживанию производить только при отключенном питании прибора и подключенных к нему устройств.

Не допускается попадание влаги на контакты выходных разъемов и внутренние элементы прибора.

Модуль соответствует требованиям нормативных документов Ростехнадзора: ПБ 10-574-03, ПБ 10-573-03, ПБ 10-575-03.

Внимание
Запрещается использование прибора при наличии в атмосфере кислот, щелочей, масел и иных агрессивных веществ.

Монтаж

Graphic
Верный монтаж

Прибор устанавливается в шкафу электрооборудования. Конструкция шкафа должна обеспечивать защиту прибора от попадания влаги, грязи и посторонних предметов.

Для установки прибора следует выполнить действия:

  1. Убедиться в наличии свободного пространства для подключения прибора и прокладки проводов.
  2. Закрепить прибор на DIN-рейке или на вертикальной поверхности с помощью винтов (см. рисунок).
Graphic
Неверный монтаж
Внимание
Во время монтажа необходимо свободное пространство минимум в 50 мм над прибором и под ним.
Graphic
Graphic
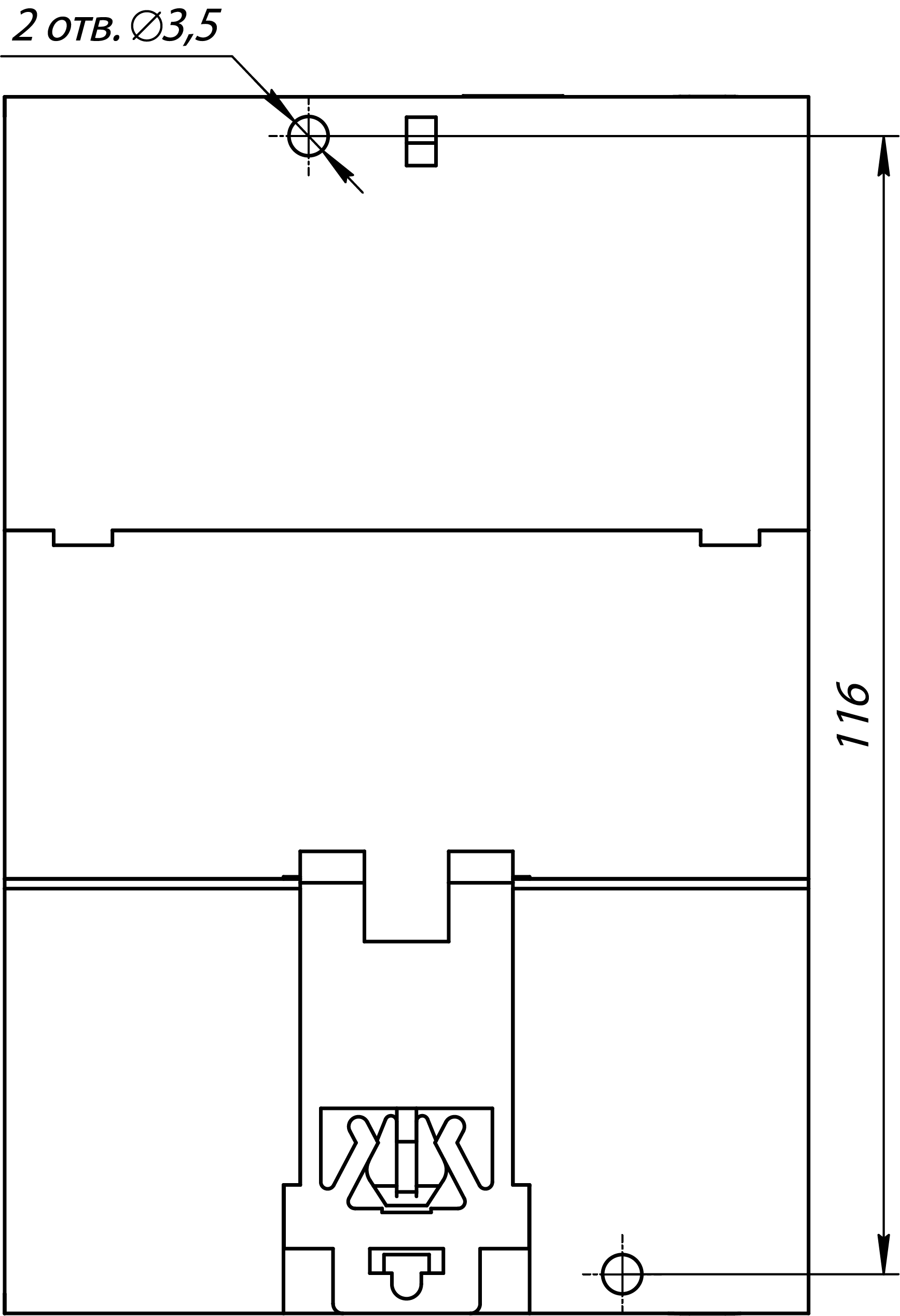
Габаритный чертеж
Установочные размеры

Подключение

Рекомендации по подключению

Опасность
На клеммниках прибора может присутствовать опасное для жизни напряжение!

Для подключений к входам и выходам рекомендуется использовать провод сечением не более 0,75 мм2.

Для многожильных проводов следует использовать наконечники.

После монтажа провода следует уложить в кабельном канале корпуса модуля и закрыть крышкой.

В случае необходимости следует снять клеммники для подключения сигналов модуля, открутив два винта по углам.

Для подключения питания к прибору следует использовать ответный клеммник из комплекта поставки.

Внимание
Подключение и техническое обслуживание производится только при отключенном питании модуля и подключенных к нему устройств.
Внимание
Запрещается подключать провода разного сечения к одной клемме.
Внимание
Запрещается подключать более двух проводов к одной клемме.

Назначение контактов клеммника

Graphic
Назначение контактов клеммника (лицевая крышка условно не показана)
Назначение контактов клеммника
КонтактНазначение
DI1 – DI8Входы DI1 – DI8
СОМОбщая клемма входов DI1 – DI8
DO1A, DO1B, DO2A, DO2BВыходы DO1 – DO2
NC (Not connected)Нет подключения
UA, UB, UC, UNКлеммы измерительных входов: напряжения фаз А, В, С и нейтрали
IA, IB, ICКлеммы измерительных входов: токи фаз А, В и С
RS-A, RS-BКлеммы А и В интерфейса RS-485

Внимание

Не допускается подключение проводов к контактам NC (Not connected)

Назначение разъемов

Разъемы интерфейсов и питания прибора приведены на рисунке ниже.

Graphic
Разъемы прибора

Питание

Внимание
Рекомендуется применять источник питания с током нагрузки не более 8 А.
Внимание
Длина кабеля питания не должна превышать 30 м.

    

Graphic
Назначение контактов питания
Внимание
Использование источников питания без потенциальной развязки или с базовой (основной) изоляцией цепей низкого напряжения от линий переменного тока, может привести к появлению опасных напряжений в цепях.

Подключение к измерительным входам

На рисунках ниже представлены схемы подключения к измерительным входам.

Graphic
Схема подключения 5S
Graphic
Схема подключения 6S
Graphic
Схема подключения 8S
Graphic
Схема подключения 9S
Примечание
Внешние трансформаторы следует использовать при превышении номинальных значений измеряемых параметров.

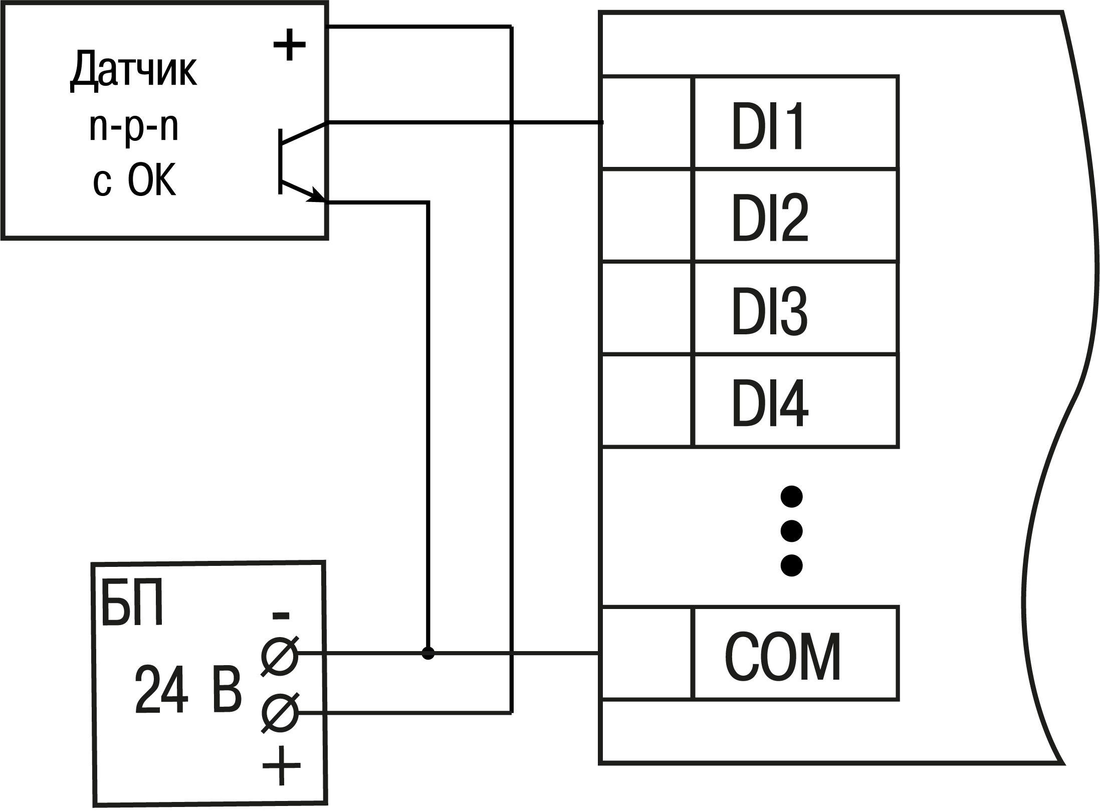
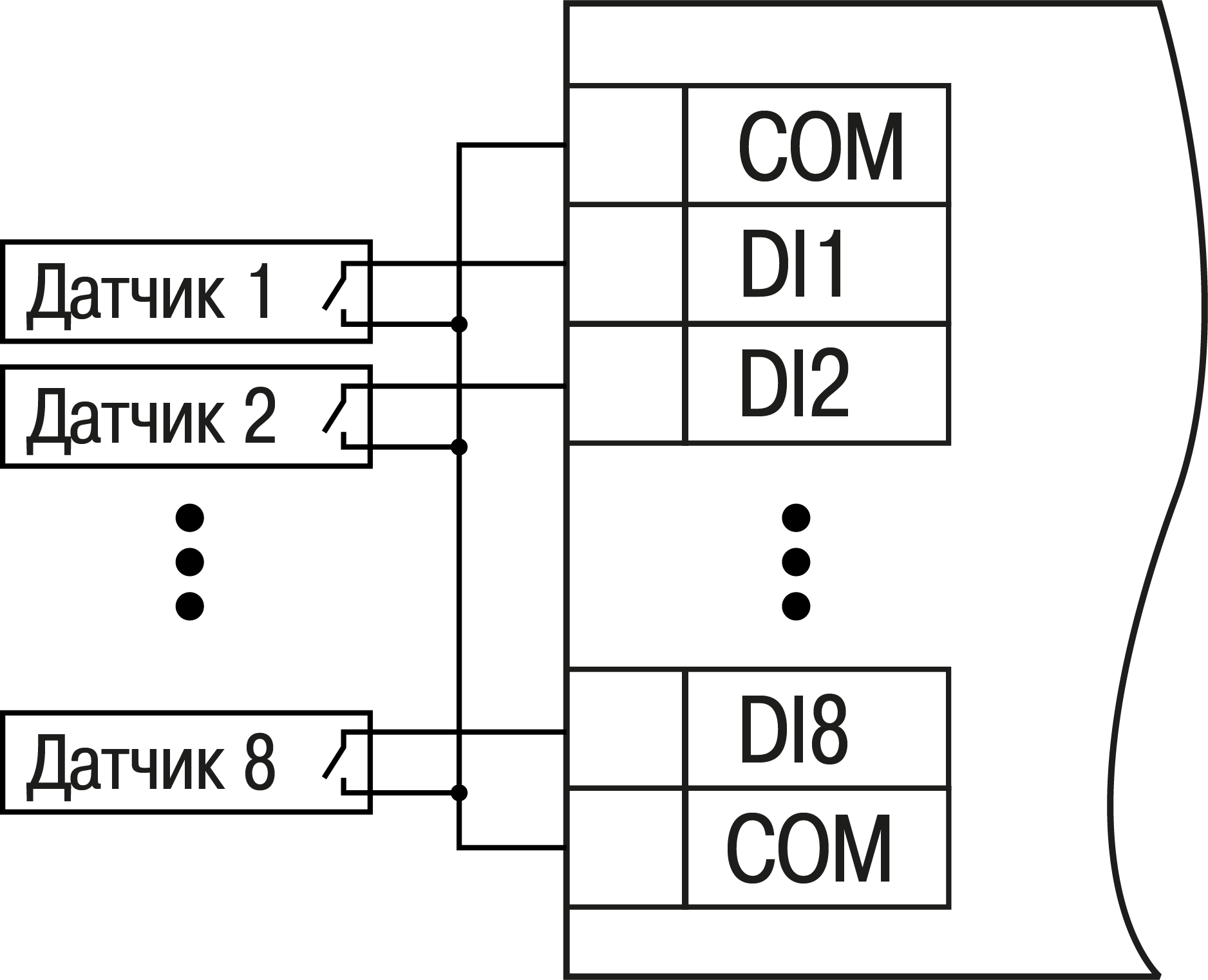
Подключение к дискретным входам датчиков

К входам DI1 - DI8 можно подключать следующие датчики:

  • «сухой контакт»;
  • транзисторный ключ n-p-n типа.

Цепи COM объединены внутри прибора.

Предупреждение
Подключение к дискретным входам датчиков другого типа может привести к выходу прибора из строя.

Схема подключения датчиков к прибору приведена на рисунке.

Graphic
Схема подключения к входам DI1 – DI8
Graphic
Подключение транзисторов n-p-n

Подключение к выходам

На рисунке представлена схема подключения к выходам типа «реле».

Graphic
Схема подключения внешних связей к дискретным выходам типа «реле»
Внимание
В случае подключении индуктивной нагрузки следует установить RC-цепь параллельно нагрузке. В момент коммутации в цепи RC-цепь подавляет образование дуги и помех.

Подключение по интерфейсу Ethernet

Для подключения модулей к сети Ethernet можно использовать следующие схемы:

Graphic
Подключение по схеме «Звезда»
Предупреждение
  1. Максимальная длина линий связи – 100 м.
  2. Подключение возможно к любому порту Ethernet модуля.
  3. Незадействованный Ethernet-порт следует закрыть заглушкой.

Для подключения по схеме «Цепочка» следует использовать оба Ethernet-порта модуля. Если модуль вышел из строя или отключилось питание, то данные будут передаваться с порта 1 на порт 2 без разрыва связи.

Graphic
Подключение по схеме «Цепочка»
Предупреждение
  1. Максимальная длина линии связи между двумя соседними активными устройствами, при подключении по схеме «Цепочка», должна быть не более 100 м.
  2. Допускается смежная схема подключения.
  3. Незадействованный Ethernet-порт следует закрыть заглушкой.

Подключение по интерфейсу RS-485

Для подключения необходимо использовать экранированный кабель с витой парой, предназначенный для промышленного интерфейса RS-485 с волновым сопротивлением 120 Ом (например, КИПЭВ). Экран кабеля должен быть соединен с функциональной землей только в одной точке.

Graphic
Пример схемы подключения нескольких модулей к Мастеру по интерфейсу RS-485

Устройство и принцип работы

Принцип работы

Работой модуля управляет Мастер сети. Модуль передает в сеть данные о состоянии дискретных входов и полученные значения с измерительных входов при запросе Мастера. Модуль устанавливает состояние выходов по команде Мастера.

В качестве Мастера сети можно использовать:

  • ПК;

  • ПЛК;

  • панель оператора;

  • удаленный облачный сервис.

Сигнал с измерительных входов поступает в прибор в результате последовательного опроса датчиков, а затем преобразуется в цифровые значения. В процессе обработки сигналов осуществляется их фильтрация от помех и коррекция показаний в соответствии с заданными параметрами.

Опрос входов и обработка полученных сигналов модулем осуществляется последовательно по замкнутому циклу.

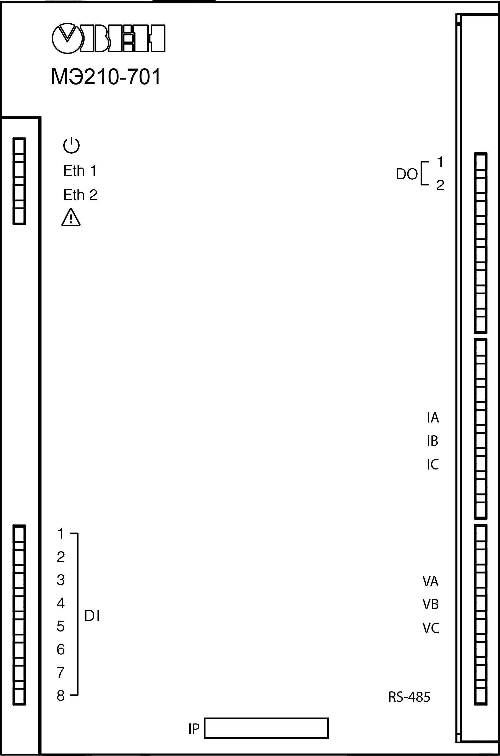
Индикация и управление

На лицевой панели прибора расположены элементы индикации — светодиоды. Назначение светодиодов приведено в таблице

Graphic
Лицевая панель прибора
Примечание

В нижней части лицевой панели расположено поле «IP».

Поле «IP» предназначено для нанесения IP-адреса модуля тонким маркером на корпус или на бумажную наклейку.
Назначение светодиодов
СветодиодСостояние светодиодаНазначение
Питание Graphic (зеленый)СветитсяНапряжение питания прибора подано (рабочий режим) / подано питание от USB (режим конфигурирования)*
Eth 1 (зеленый)МигаетПередача данных по порту 1 Ethernet
Eth 2 (зеленый)МигаетПередача данных по порту 2 Ethernet
Авария Graphic (красный)**Не светитсяСбои отсутствуют
Светится постоянноСбой основного приложения и/или конфигурации
Включается на 200 мс один раз в три секундыНеобходимо заменить батарею питания часов (напряжение батареи ниже 2 В)
Включается на 100 мс два раза в секунду (через паузу 400 мс)Модуль находится в безопасном состоянии
Включен 900 мс, 100 мс выключенАппаратный сбой периферии (Flash, RTC, Ethernet Switch)
Индикаторы дискретных выходовСветится зеленымЗамкнутое состояние входа или выхода
Не светитсяРазомкнутое состояние входа или выхода
Индикаторы состояния дискретных входовСветитсяВход замкнут
Не светитсяВход не замкнут
Индикаторы состояния измерительных входовСветится зеленымИзмерительная цепь подключена и идет измерение
Светится краснымОшибка (см. раздел)
Мигают красным (все одновременно)Выход из строя измерительного узла, необходимо обратиться в сервисный центр
RS-485МигаетИдет обмен
Примечание

* В режиме конфигурирования (при питании от USB и отсутствии основного питания) Ethernet-порты модуля находятся в режиме Ethernet Bypass, встроенный коммутатор не функционирует. Входы/выходы модуля не функционируют.

** Приоритеты индикации светодиода «Авария» от большего к меньшему: аппаратный сбой, программные ошибки, безопасный режим, уровень заряда батареи.

Под крышкой на лицевой панели находятся (см. раздел):

  • разъем USB для подключения к ПК;

  • сервисная кнопка;

  • клеммники.

Сервисная кнопка предназначена для выполнения следующих функций:

  • восстановление заводских настроек (см. раздел)

    ;
  • установка IP-адреса (см. раздел)

    ;
  • обновление встроенного программного обеспечения (см. раздел).

Часы реального времени

В приборе есть встроенные часы реального времени (RTC). Часы реального времени работают от собственного батарейного источника питания.

Отсчет времени производится по UTC в секундах, начиная с 00:00 01 января 2000 года. Значение RTC используется для записи в архив.

Подробнее о настройке часов реального времени см. раздел.

Запись архива

В модуль встроена флеш-память (flash), размеченная под файловую систему с шифрованием файлов. Алгоритм шифрования — Data Encryption Standard (DES) в режиме сцепления блоков шифротекста (CBC). В качестве ключа используется строка superkey. Вектор инициализации генерируется с помощью хеш-функции (см. приложение А). Аргументом функции является пароль, заданный в ПО «OWEN Configurator». В конце файла сохраняется контрольная сумма, рассчитанная по алгоритму CRC32 (контрольная сумма также шифрируется).

Архив модуля сохраняется в виде набора файлов. Период архивации, ограничение на размер одного файла и их количество задается пользователем в ПО «OWEN Configurator». Если архив полностью заполнен, то данные перезаписываются, начиная с самых старых данных самого старого файла.

Файл архива состоит из набора записей. Записи разделены символами переноса строки (0x0A0D). Каждая запись соответствует одному параметру и состоит из полей, разделенных символом «;» (без кавычек). Формат записи приведен в таблице.

Формат записи в файле архива
ПараметрТипРазмерКомментарий
Метка времениbinary data4 байтаВ секундах начиная с 00:00 01.01.2000 (UTC+0)
Разделительстрока1 байтСимвол «;» (без кавычек)
Уникальный идентификатор параметра (UID)строка8 байтВ виде строки из HEX-символов с ведущими нулями
Разделительстрока1 байтСимвол «;» (без кавычек)
Значение параметрастроказависит от параметраВ виде строки из HEX-символов с ведущими нулями
Разделительстрока1 байтСимвол «;» (без кавычек)
Статус параметраbinary data1 байт1 – значение параметра корректно, 0 – значение параметра некорректно и его дальнейшая обработка не рекомендована
Перенос строкиbinary data2 байта\n\r (0x0A0D)

Пример расшифрованной записи:

0x52 0x82 0xD1 0x24 0x3B 0x30 0x30 0x30 0x30 0x61 0x39 0x30 0x30 0x3B 0x30 0x30 0x30 0x30 0x30 0x30 0x30 0x31 0x3B 0x31 0x0A 0x0D

где

  • 0x52 0x82 0xD1 0x24 – метка времени. Для получения даты и времени в формате UnixTime необходимо изменить порядок байт на противоположный и добавить константу-смещение (число секунд между 00:00:00 01.01.1970 и 00:00:00 01.01.2000): 0x24D18252 (HEX) + 946684800 (DEC) = 1564394971 (DEC, соответствует 29 июля 2019 г., 10:09:31);

  • 0x3B – разделитель;

  • 0x30 0x30 0x30 0x30 0x61 0x39 0x30 0x30 – уникальный идентификатор параметра (00003ba00);

  • 0x3B – разделитель;

  • 0x30 0x30 0x30 0x30 0x30 0x30 0x30 0x31 – значение параметра (00000001);

  • 0x3B – разделитель;

  • 0x31 — статус параметра (1 – значение параметра корректно);

  • 0x0A 0x0D – символы переноса строки.

Прибор фиксирует время в архивных файлах по встроенным часам реального времени. Также можно задать часовой пояс, который будет считываться внешним ПО (например, OwenCloud). Запись во флеш-память (flash) происходит с определенной частотой, рассчитанной таким образом, чтобы ресурса флеш-памяти (flash) прибора хватило на срок не менее 10 лет работы.

Считывание архива может быть произведено:

  • облачным сервисом OwenCloud (производится автоматически в случае потери и дальнейшего восстановления связи);

  • ПО «OWEN Configurator» (например, для ручного анализа);

  • пользовательским ПО (с помощью 20 функции Modbus).

Список архивируемых параметров доступен в ПО «OWEN Configurator» на вкладке Информация об устройстве. Порядок записи параметров в архив соответствует порядку параметров на вкладке.

Примечание
Для модуля МЭ210-701 по умолчанию в архиве сохраняются параметры электросети.
Примечание

Если для решения пользовательских задач в архиве необходимо сохранять измеренные профили мощности, необходимо скачать файл встроенного ПО с соответствующими настройками с сайта www.owen.ru . На сайте доступны оба варианта пользовательского ПО – с архивированием профиля мощности и текущих измерений.

Примечание
После обновления встроенного ПО все настройки прибора кроме сетевых сбросятся на заводские.

Архив считывается с помощью 20 функции Modbus (0x14). Данная функция возвращает содержание регистров файла памяти. Функция позволяет с помощью одного запроса прочитать одну или несколько записей из одного или нескольких файлов.

В запросе чтения файла для каждой записи указывается:

  • тип ссылки – 1 байт (должен быть равен 6);

  • номер файла – 2 байта;

  • начальный адрес регистра внутри файла – 2 байта;

  • количество регистров для чтения – 2 байта.

Примечание
Номер файла в запросе по Modbus рассчитывается как 4096 + порядковый номер файла. Порядковая нумерация файлов ведется с нуля. Параметр Последний индекс архива содержит порядковый номер файла архива, в который последний раз производилась запись данных.

Количество считываемых регистров в запросе должно быть подобрано таким образом, чтобы длина ответа не превышала допустимую длину пакета Modbus (256 байт).

Размер файла архива заранее не известен, поэтому следует считывать порции данных с помощью отдельных запросов. Если в ответ на запрос будет получено сообщение с кодом ошибки 0х04 (MODBUS_SLAVE_DEVICE_FAILURE), то можно сделать вывод, что адреса регистров в запросе находятся за пределами файла. Чтобы считать последние данные файла, требуется уменьшить количество регистров в запросе.

Внимание
При выключении питания модуля производимая в момент снятия питания запись в файле архива может не сохраниться.

Режимы обмена данными

Модуль поддерживает следующие режимы обмена данными:

  • обмен по протоколу Modbus TCP (порт 502) — до 3 одновременных соединений с разными Мастерами сети;
  • обмен с Мастером по протоколу Modbus RTU;

  • соединение и обмен данными с ПК с помощью ПО «OWEN Configurator»;
  • обмен с удаленным облачным сервисом OwenCloud (необходим доступ в Интернет).

Возможен одновременный опрос по интерфейсам Ethernet и RS-485.

Примечание
При опросе по Modbus TCP и Modbus RTU адреса регистров совпадают.

Работа по протоколу Modbus TCP

Чтение и запись параметров по протоколу Modbus TCP
ОперацияФункция
Чтение3 (0х03) или 4 (0х04)
Запись6 (0х06) или 16 (0х10)

Список регистров Modbus считывается с прибора с помощью ПО «OWEN Configurator» во вкладке «Параметры устройства». Список регистров Modbus представлен в таблицах ниже.

Порядок байт – старшим байтом вперед.

Порядок регистров – младшим регистром вперед.

Общие регистры оперативного обмена по протоколу Modbus
НазваниеРегистрРазмер/тип/описание
Название (имя) прибора для показа пользователю (DEV)0xF000Символьная строка до 32 байт, кодировка Win-1251
Версия встроенного ПО прибора для показа пользователю (VER)0xF010Символьная строка до 32 байт, кодировка Win-1251
Название платформы0xF020Символьная строка до 32 байт, кодировка Win-1251
Версия платформы0xF030Символьная строка до 32 байт, кодировка Win-1251
Версия аппаратного обеспечения0xF040Символьная строка до 16 байт, кодировка Win-1251
Дополнительная символьная информация0xF048Символьная строка до 16 байт, кодировка Win-1251
Время0xF0804 байта, в секундах с 2000 г.
Часовой пояс 0xF0822 байта, signed short, смещение в минутах от Гринвича
Заводской номер прибора0xF084Символьная строка 32 байта, кодировка Win-1251, используется 17 символов
Регистры обмена по протоколу Modbus
ПараметрЗначение (ед. изм.)Адрес регистраТип доступаФормат данных
DECHEX
Новое времяДата/Время в секундах с 1 января 2000 г.615650xF07DЧтение и записьUINT 32
Записать новое время

0 – не записывать;

1 – записать

615670xF07FЧтение и записьUINT 16
Время в миллисекундах615630xF07BТолько чтениеUINT 32
MAC адрес616960xF100Только чтениеUINT 48
Текущий IP-адрес260x1AТолько чтениеUINT 32
Текущая маска подсети280x1CТолько чтениеUINT 32
Текущий IP-адрес шлюза300x1EТолько чтениеUINT 32
DNS сервер 1120xCЧтение и записьUINT 32
DNS сервер 2140xEЧтение и записьUINT 32
Установить IP-адрес200x14Чтение и записьUINT 32
Установить маску подсети220x16Чтение и записьUINT 32
Установить IP-адрес шлюза240x18Чтение и записьUINT 32
Режим DHCP

0 – выключено;

1 – включено;

2 – разовая установка кнопкой

320x20Чтение и записьUINT 16
Подключение к OwenCloud

0 –выключено;

1 – включено

350x23Чтение и записьUINT 16
Статус подключения к OwenCloud

0 – нет связи;

1 – соединение;

2 – работа;

3 – ошибка;

4 – нет пароля

360x24Чтение и записьUINT 16
Напряжение батареи RTC0…3300 (мВ)8010x321Только чтениеUINT 16
Тайм-аут перехода в безопасное состояние (для Modbus Slave)0…60 (секунд)7000x2BCЧтение и записьUINT 8
Разрешение конфигурирования (из OwenCloud)

0 – заблокировано;

1 – разрешено

7010x2BDЧтение и записьUINT 16
Управление и запись значений (из OwenCloud)

0 – заблокировано;

1 – разрешено

7020x2BEЧтение и записьUINT 16
Доступ к регистрам Modbus (из OwenCloud)

0 – полный запрет;

1 – только чтение;

2 – только запись;

3 – полный доступ

7030x2BFЧтение и записьUINT 16
Период архивирования

10…3600 (секунд);

заводская настройка – 30

9000x384Чтение и записьUINT 16
Количество архивов10…10249010x385Чтение и записьUINT 16
Размер архива200…20489020x386Чтение и записьUINT 16
Последний индекс архива0…655359030x387Только чтениеUINT 16
Старт калибровки60000x1770Чтение и записьUINT 8
Статус калибровки60020x1772Только чтениеUINT 32
Статус ошибок измерений53400x14DCТолько чтениеUINT 32
Период интегрирования мощностей

3 минуты,

30 минут,

1 час,

4 часа,

8 часов,

12 часов,

24 часа

52170x1461Чтение и записьUINT 16
Коэффициент трансформации напряжения фазы А0,01…200052000x1450Чтение и записьFLOAT 32
Коэффициент трансформации тока фазы А0,01…200052020x1452Чтение и записьFLOAT 32
Коэффициент трансформации напряжения фазы В0,01…200052040x1454Чтение и записьFLOAT 32
Коэффициент трансформации тока фазы В0,01…200052060x1456Чтение и записьFLOAT 32
Коэффициент трансформации напряжения фазы С0,01…200052080x1458Чтение и записьFLOAT 32
Коэффициент трансформации тока фазы С0,01…200052100x145AЧтение и записьFLOAT 32
Частота сети0…60 (Гц)53360x14D8Только чтениеFLOAT 32
Напряжение фазы А0…840000 (В)52400x1478Только чтениеFLOAT 32
Ток фазы А0…22000 (А)52520x1484Только чтениеFLOAT 32
Активная мощность фазы А–4620…4620 (кВт)52640x1490Только чтениеFLOAT 32
Реактивная мощность фазы А–4620…4620 (кВАР)52760x149CТолько чтениеFLOAT 32
Полная мощность фазы А–4620…4620 (кВА)52880x14A8Только чтениеFLOAT 32
Коэффициент мощности фазы А0…153000x14B4Только чтениеFLOAT 32
Напряжение фазы В0…840000 (В)52420x147AТолько чтениеFLOAT 32
Ток фазы В0…22000 (А)52540x1486Только чтениеFLOAT 32
Активная мощность фазы В–4620…4620 (кВт)52660x1492Только чтениеFLOAT 32
Реактивная мощность фазы В–4620…4620 (кВАР)52780x149EТолько чтениеFLOAT 32
Полная мощность фазы В–4620…4620 (кВА)52900x14AAТолько чтениеFLOAT 32
Коэффициент мощности фазы В0…153020x14B6Только чтениеFLOAT 32
Напряжение фазы С0…840000 (В)52440x147CТолько чтениеFLOAT 32
Ток фазы С0…22000 (А)52560x1488Только чтениеFLOAT 32
Активная мощность фазы С–4620…4620 (кВт)52680x1494Только чтениеFLOAT 32
Реактивная мощность фазы С–4620…4620 (кВАР)52800x14A0Только чтениеFLOAT 32
Полная мощность фазы С–4620…4620 (кВА)52920x14ACТолько чтениеFLOAT 32
Коэффициент мощности фазы С0…153040x14B8Только чтениеFLOAT 32
Межфазный угол A-B0…360 (град.)53120x14C0Только чтениеFLOAT 32
Межфазный угол B-C0…360 (град.)53140x14C2Только чтениеFLOAT 32
Межфазный угол C-A0…360 (град.)53160x14C4Только чтениеFLOAT 32
Межфазное напряжение A-B0…700 (В)53240x14CCТолько чтениеFLOAT 32
Межфазное напряжение B-C0…700 (В)53260x14CEТолько чтениеFLOAT 32
Межфазное напряжение C-A0…700 (В)53280x14D0Только чтениеFLOAT 32
Время и дата записи профиля мощностиДата/Время в секундах с 1 января 2000 г.52180x1462Только чтениеUINT 32
Сброс профиля мощности

0 – сбросить;

1 – не сброшен

54900x1572Чтение и записьUINT 16
Профиль активной мощности (+) фазы А –7,9∙1029…7,9∙1029 (кВт/ч)54000x1518Только чтениеFLOAT 32
Профиль активной мощности (-) фазы А –7,9∙1029…7,9∙1029 (кВт/ч)54060x151EТолько чтениеFLOAT 32
Профиль реактивной мощности (+) фазы А –7,9∙1029…7,9∙1029 (кВАР/ч)54120x1524Только чтениеFLOAT 32
Профиль реактивной мощности (-) фазы А –7,9∙1029…7,9∙1029 (кВАР/ч)54180x152AТолько чтениеFLOAT 32
Профиль полной мощности фазы А –7,9∙1029…7,9∙1029 (кВА/ч)54240x1530Только чтениеFLOAT 32
Профиль активной мощности (+) фазы В –7,9∙1029…7,9∙1029 (кВт/ч)54020x151AТолько чтениеFLOAT 32
Профиль активной мощности (-) фазы В –7,9∙1029…7,9∙1029 (кВт/ч)54080x1520Только чтениеFLOAT 32
Профиль реактивной мощности (+) фазы В –7,9∙1029…7,9∙1029 (кВАР/ч)54140x1526Только чтениеFLOAT 32
Профиль реактивной мощности (-) фазы В –7,9∙1029…7,9∙1029 (кВАР/ч)54200x152CТолько чтениеFLOAT 32
Профиль полной мощности фазы В –7,9∙1029…7,9∙1029 (кВА/ч)54260x1532Только чтениеFLOAT 32
Профиль активной мощности (+) фазы С –7,9∙1029…7,9∙1029 (кВт/ч)54040x151CТолько чтениеFLOAT 32
Профиль активной мощности (-) фазы С –7,9∙1029…7,9∙1029 (кВт/ч)54100x1522Только чтениеFLOAT 32
Профиль реактивной мощности (+) фазы С –7,9∙1029…7,9∙1029 (кВАР/ч)54160x1528Только чтениеFLOAT 32
Профиль реактивной мощности (-) фазы С –7,9∙1029…7,9∙1029 (кВАР/ч)54220x152EТолько чтениеFLOAT 32
Профиль полной мощности фазы С –7,9∙1029…7,9∙1029 (кВА/ч)54280x1534Только чтениеFLOAT 32
Состояние дискретных выходов0…34680x1D4Только чтениеUINT 8
Изменить состояние дискретных выходов0…34700x1D6Чтение и записьUINT 8
Режим работы выхода 1

0 – переключение логического сигнала;

1 – ШИМ

2720x110Чтение и записьUINT 16
Период ШИМ выхода 11000…60000 (миллисекунд)3080x134Чтение и записьUINT 16
Коэффициент заполнения ШИМ выхода 10…1000 (0,10 %)3400x154Чтение и записьUINT 16
Безопасное состояние выхода 10…10004740x1DAЧтение и записьUINT 16
Режим работы выхода 2

0 – переключение логического сигнала;

1 – ШИМ

2730x111Чтение и записьUINT 16
Период ШИМ выхода 21000…60000 (миллисекунд)3090x135Чтение и записьUINT 16
Коэффициент заполнения ШИМ выхода 20…1000 (0,10 %)3410x155Чтение и записьUINT 16
Безопасное состояние выхода 20…10004750x1DBЧтение и записьUINT 16
Состояние дискретных входов510x33Только чтениеUINT 8
Включение фильтра антидребезга входа 1

0 – выключено;

1 – включено

960x60Чтение и записьUINT 16
Значение счетчика импульсов входа 10…4294967295 импульсов1600xA0Только чтениеUINT 32
Сброс значения счетчика импульсов входа 1

0 – сбросить;

1 – не сброшен

2240xE0Чтение и записьUINT 16
Включение фильтра антидребезга входа 2

0 – выключено;

1 – включено

970x61Чтение и записьUINT 16
Значение счетчика импульсов входа 20…4294967295 импульсов1620xA2Только чтениеUINT 32
Сброс значения счетчика импульсов входа 2

0 – сбросить;

1 – не сброшен

2250xE1Чтение и записьUINT 16
Включение фильтра антидребезга входа 3

0 – выключено;

1 – включено

980x62Чтение и записьUINT 16
Значение счетчика импульсов входа 30…4294967295 импульсов1640xA4Только чтениеUINT 32
Сброс значения счетчика импульсов входа 3

0 – сбросить;

1 – не сброшен

2260xE2Чтение и записьUINT 16
Включение фильтра антидребезга входа 4

0 – выключено;

1 – включено

990x63Чтение и записьUINT 16
Значение счетчика импульсов входа 40…4294967295 импульсов1660xA6Только чтениеUINT 32
Сброс значения счетчика импульсов входа 4

0 – сбросить;

1 – не сброшен

2270xE3Чтение и записьUINT 16
Включение фильтра антидребезга входа 5

0 – выключено;

1 – включено

1000x64Чтение и записьUINT 16
Значение счетчика импульсов входа 50…4294967295 импульсов1680xA8Только чтениеUINT 32
Сброс значения счетчика импульсов входа 5

0 – сбросить;

1 – не сброшен

2280xE4Чтение и записьUINT 16
Включение фильтра антидребезга входа 6

0 – выключено;

1 – включено

1010x65Чтение и записьUINT 16
Значение счетчика импульсов входа 60…4294967295 импульсов1700xAAТолько чтениеUINT 32
Сброс значения счетчика импульсов входа 6

0 – сбросить;

1 – не сброшен

2290xE5Чтение и записьUINT 16
Включение фильтра антидребезга входа 7

0 – выключено;

1 – включено

1020x66Чтение и записьUINT 16
Значение счетчика импульсов входа 70…4294967295 импульсов1720xACТолько чтениеUINT 32
Сброс значения счетчика импульсов входа 7

0 – сбросить;

1 – не сброшен

2300xE6Чтение и записьUINT 16
Включение фильтра антидребезга входа 8

0 – выключено;

1 – включено

1030x67Чтение и записьUINT 16
Значение счетчика импульсов входа 80…4294967295 импульсов1740xAEТолько чтениеUINT 32
Сброс значения счетчика импульсов входа 8

0 – сбросить;

1 – не сброшен

2310xE7Чтение и записьUINT 16
Скорость COM-порта RS-4851200…115200 (бит/с)5210x209Чтение и записьUINT 16
Размер данных RS-4858 (бит)5220x20AТолько чтениеUINT 16
Кол. стоп-битов RS-4851, 2 (бит)5230x20BЧтение и записьUINT 16
Контроль четности RS-485Нет, чет, нечет5240x20CЧтение и записьUINT 16
Задержка ответа RS-4850…20 (мс)5250x20DЧтение и записьUINT 8
Адрес устройства RS-4850…2555260x20EЧтение и записьUINT 8
Используемые форматы данных
Формат данныхКол-во регистровРазмерОписание
Unsigned 811 байтЦелое число без знака
Unsigned 1612 байта
Unsigned 3224 байта
Signed 1612 байтаЦелое число со знаком
Date time 3224 байтаДата/Время в секундах с 1 января 2000 г.

Работа по протоколу Modbus RTU

Работа по протоколу Modbus RTU осуществляется через интерфейс RS-485. Каждый прибор в сети RS-485 должен иметь свой уникальный адрес. Адрес задается с помощью ПО «OWEN Configurator» (см. раздел).

Для организации обмена данными в сети по интерфейсу RS-485 необходим Мастер сети. Функция Мастера сети – инициировать обмен данными между Отправителем и Получателем данных. МЭ210-701 не может быть Мастером сети, он выступает в роли Отправителя данных.

В качестве Мастера сети можно использовать:

  • программируемые контроллеры (ПЛК);

  • ПК с подключенным преобразователем USB/RS-485 (например, АС4).

Список регистров аналогичен, представленному в разделе.

Коды ошибок для протокола Modbus

Во время работы модуля по протоколу Modbus возможно возникновение ошибок, представленных в таблице. В случае возникновения ошибки модуль отправляет Мастеру сети ответ с кодом ошибки.

Список возможных ошибок
Название ошибкиВозвращаемый кодОписание ошибки
MODBUS_ILLEGAL_FUNCTION01 (0x01)Недопустимый код функции – ошибка возникает, если модуль не поддерживает функцию Modbus, указанную в запросе
MODBUS_ILLEGAL_DATA_ADDRESS02 (0x02)Недопустимый адрес регистра – ошибка возникает, если в запросе указаны адреса регистров, отсутствующие в модуле
MODBUS_ILLEGAL_DATA_VALUE03 (0x03)Недопустимое значение данных – ошибка возникает, если запрос содержит недопустимое значение для записи в регистр
MODBUS_SLAVE_DEVICE_FAILURE04 (0x04)Ошибка возникает, если запрошенное действие не может быть завершено

Во время обмена по протоколу Modbus модуль проверяет соответствие запросов спецификации Modbus. Не прошедшие проверку запросы игнорируются модулем. Запросы, в которых указан адрес, не соответствующий адресу модуля, также игнорируются.

Далее проверяется код функции. Если в модуль приходит запрос с кодом функции, не указанной в таблице, возникает ошибка MODBUS_ILLEGAL_FUNCTION.

Список поддерживаемых функций
Название функцииКод функцииОписание функции
MODBUS_READ_HOLDING_REGISTERS3 (0x03)Чтение значений из одного или нескольких регистров хранения
MODBUS_READ_INPUT_REGISTERS4 (0x04)Чтение значений из одного или нескольких регистров ввода
MODBUS_WRITE_SINGLE_REGISTER6 (0x06)Запись значения в один регистр
MODBUS_WRITE_MULTIPLE_REGISTERS16 (0x10)Запись значений в несколько регистров
MODBUS_READ_FILE_RECORD20 (0x14)Чтение архива из файла
MODBUS_WRITE_FILE_RECORD21 (0x15)Запись архива в файл

Ситуации, приводящие к возникновению ошибок во время работы с регистрами, описаны в таблице.

Ошибки во время работы с регистрами
Используемая функцияНаименование ошибкиВозможные ситуации, приводящие к ошибке

MODBUS_READ_HOLDING_REGISTERS

MODBUS_ILLEGAL_DATA_ADDRESS

  • количество запрашиваемых регистров больше максимального возможного числа (125);
  • запрос несуществующего параметра

MODBUS_READ_INPUT_REGISTERS

MODBUS_ILLEGAL_DATA_ADDRESS

  • количество запрашиваемых регистров больше максимального возможного числа (125);
  • запрос несуществующего параметра

MODBUS_WRITE_SINGLE_REGISTER

MODBUS_ILLEGAL_DATA_ADDRESS

  • попытка записи параметра, размер которого превышает 2 байта;
  • попытка записи параметра, доступ на запись к которому запрещен;
  • попытка записи параметра такого типа, запись в который не может быть осуществлена данной функцией. Поддерживаемые типы:

    • знаковые и беззнаковые целые (размер не более 2 байт);
    • перечисляемые;

    • float16 (на данный момент в модуле такой тип не используется).

  • запрос несуществующего параметра

MODBUS_ILLEGAL_DATA_VALUE

  • выход за пределы максимального или минимального ограничений для параметра

MODBUS_WRITE_MULTIPLE_REGISTERS

MODBUS_ILLEGAL_DATA_ADDRESS

  • запись несуществующего параметра;
  • попытка записи параметра, доступ на запись к которому запрещен;
  • количество записываемых регистров больше максимального возможного числа (123)

MODBUS_ILLEGAL_DATA_VALUE

  • не найден терминирующий символ (\0) в строковом параметре;

  • размер запрашиваемых данных меньше размера первого или последнего в запросе параметра;

  • выход за пределы максимального или минимального ограничений для параметра

Ситуации, приводящие к возникновению ошибок во время работы с архивом, описаны в таблице.

Ошибки во время работы с архивом
Используемая функцияНаименование ошибкиВозможные ситуации, приводящие к ошибке

MODBUS_READ_FILE_RECORD

MODBUS_ILLEGAL_FUNCTION

  • ошибочный размер данных (0x07 <= data length <= 0xF5)

MODBUS_ILLEGAL_DATA_ADDRESS

  • reference type не соответствует спецификации;

  • не удалось открыть файл для чтения (возможно, он отсутствует)

MODBUS_ILLEGAL_DATA_VALUE

  • не удалось переместиться к нужному смещению в файле

MODBUS_SLAVE_DEVICE_FAILURE

  • ошибка удаления файла при запросе на удаление;

  • запрос слишком большого количества данных (больше 250 байт);

  • недопустимый record number (больше 0x270F);

  • недопустимый record length (больше 0x7A)

MODBUS_WRITE_FILE_RECORD

MODBUS_ILLEGAL_FUNCTION

  • ошибочный размер данных (0x09 <= data length <= 0xFB)

MODBUS_ILLEGAL_DATA_ADDRESS

  • reference type не соответствует спецификации;

  • не удалось открыть файл для записи

MODBUS_SLAVE_DEVICE_FAILURE

  • запрашиваемый файл отсутствует;

  • запрашиваемый файл доступен только для чтения;

  • не удалось записать необходимое количество байт

Работа по протоколу MQTT

Архитектура MQTT определяет три типа устройств в сети:

  • брокер – устройство (обычно – ПК с серверным ПО), которое осуществляет передачу сообщений от издателей к подписчикам;
  • издатели – устройства, которые являются источниками данных для подписчиков;
  • подписчики – устройства, которые получают данные от издателей.

Одно устройство может совмещать функции издателя и подписчика.

Graphic
Структурная схема обмена по протоколу MQTT

Подписка и публикация данных происходит в рамках топиков. Топик представляет собой символьную строку с кодировкой UTF-8, которая позволяет однозначно идентифицировать определенный параметр. Топики состоят из уровней, разделяемых симводом «/».

Примечание
Топики MQTT могут включать в себя заполнители – специальные символы, которые обрабатываются брокером особым образом. Существует два типа заполнителей – одноуровневый заполнитель «+» и многоуровневый заполнитель «#».
Предупреждение
Топики являются чувствительными к регистру.

Структура топиков модулей: Серия/Имя_устройства/Функция/Имя_узла/Параметр, где:

  • Серия – наименование серии устройства, всегда имеет значение MX210;
  • Имя_устройства – имя конкретного модуля, заданное в ПО Owen Configurator (см. раздел);
  • Функция – GET (чтение значений входов или выходов модуля) или SET (запись значений выходов модуля);
  • Имя_узла – тип входов или выходов (DI/DO/AI/AO);
  • Параметр – название конкретного параметра (см. таблицу).
Уровни топиков модуля
СерияИмя устройстваФункцияИмя узлаПараметрОписаниеФормат значения
MX210DeviceGETDIMASKБитовая маска дискретных входовЦелочисленный
GETDI1–DI8COUNTERЗначение счетчикаЦелочисленный
SETDOMASKБитовая маска дискретных выходовЦелочисленный
GETDOSTATEБитовая маска дискретных выходовЦелочисленный
GETDODIAGNOSTICSБитовая маска диагностики дискретных выходов*Целочисленный
MX210DeviceGETMEASURMENT/PHASE/AVOLTAGEНапряжениеС плавающей точкой
CURRENTСила тока
PFКоэффициент мощности
MEASURMENT/PHASE/BVOLTAGEНапряжение
CURRENTСила тока
PFКоэффициент мощности
MEASURMENT/PHASE/CVOLTAGEНапряжение
CURRENTСила тока
PFКоэффициент мощности
MEASURMENT/PHASE/A/POWERACTIVEАктивная мощность
REACTIVEРеактивная мощность
APPARENTПолная мощность
MEASURMENT/PHASE/B/POWERACTIVEАктивная мощность
REACTIVEРеактивная мощность
APPARENTПолная мощность
MEASURMENT/PHASE/C/POWERACTIVEАктивная мощность
REACTIVEРеактивная мощность
APPARENTПолная мощность
MEASURMENT/PHASE2PHASE/ABANGLEМежфазный угол
VOLTAGEМежфазное напряжение
MEASURMENT/PHASE2PHASE/BCANGLEМежфазный угол
VOLTAGEМежфазное напряжение
MEASURMENT/PHASE2PHASE/CAANGLEМежфазный угол
VOLTAGEМежфазное напряжение
MEASUREMENTFREQUNCYЧастота сети
Пример

1. Чтение значения дискретных входов

MX210/Device/GET/DI/MASK

Пример полученного значения: 15 (замкнуты входы 1–4)

2. Запись значений дискретных выходов

MX210/Device/SET/DO/MASK

Пример записываемого значения: 15 (включить выходы 1–4)

3. Использование одноуровневого заполнителя

MX210/Device/GET/+/COUNTER – будет получена информация о значениях счетчиков всех дискретных входов модуля, то есть этот топик эквивалентен набору топиков:

MX210/Device/GET/DI1/COUNTER

MX210/Device/GET/DI2/COUNTER

MX210/Device/GET/…/COUNTER

MX210/Device/GET/DIn/COUNTER

4. Использование многоуровневого заполнителя

MX210/Device/GET/# – будет получена информация о всех параметрах модуля, доступных для чтения (GET), то есть этот топик эквивалентен набору топиков:

MX210/Device/GET/DI/MASK

MX210/Device1/GET/DI1/COUNTER

MX210/Device/GET/DI2/COUNTER

MX210/Device/GET/…/COUNTER

MX210/Device/GET/DIn/COUNTER

Работа по протоколу SNMP

Протокол основан на архитектуре «Клиент/Сервер», при этом в терминологии протокола клиенты называются менеджерами, а серверы – агентами.

Менеджеры могут производить чтение (GET) и запись (SET) параметров агентов. Агенты могут отправлять менеджерам уведомления (трапы) – например, о переходе оборудования в аварийное состояние.

Каждый параметр агента имеет уникальный идентификатор (OID), представляющий собой последовательность цифр, разделенных точками. Для упрощения настройки обмена производители устройств-агентов обычно предоставляют MIB-файлы, которые включают в себя список параметров прибора с их названиями и идентификаторами. Эти файлы могут быть импортированы в SNMP-менеджер.

Graphic
Структурная схема обмена по протоколу SNMP

Работа с измерительными входами

Действующее напряжение

Входной сигнал, поступающий на клеммы прибора, преобразуется делителем напряжения, реализованным на прецизионных резисторах, и поступает на фильтр нижних частот со срезом на частоте 70 кГц и подавлением 20 дБ/дек. Последующая обработка сигнала выполняется специализированным ΣΔ-АЦП и микроконтроллером, где рассчитывается действующее значение напряжения Vrms по следующей формуле:

Graphic

где V – значение фазного напряжения;

Т – период;

KV – коэффициент трансформации по напряжению.

Действующий ток

Входной сигнал, поступающий на клеммы прибора, проходит через токовый шунт и поступает на фильтр нижних частот со срезом на частоте 70 кГц и подавлением 20 дБ/дек. Последующая обработка сигнала выполняется специализированным ΣΔ-АЦП и микроконтроллером, где действующий ток Irms рассчитывается по следующей формуле:

Graphic

где I – значение фазного тока;

KI – коэффициент трансформации по току.

Полная, активная и реактивная мощности

Значения полной, активной и реактивной мощности получают вычислением по формулам, приведенным ниже:

  • полная мощность —

    Graphic
  • активная мощность —

    Graphic

      где φ – угол смещения между V и I.

  • реактивная мощность —

    Graphic
Graphic
Диаграмма соотношения мощностей

Частота первой гармоники

Примечание
Частота сети измеряется только по фазе А.

Для измерения частоты первой гармоники используется функция специализированного АЦП «пересечение сигналом нулевого уровня». В первом канале напряжения АЦП формирует сигналы для микроконтроллера, разница между которыми по времени пересчитывается в частоту. Значение частоты должно попадать в диапазон от 45 до 65 Гц.

Коэффициент мощности

Значения коэффициента мощности cos φ прибор подсчитывает по следующей формуле:

Graphic

Коэффициент мощности прибор вычисляет в номинальном диапазоне измерения. Для измерений за пределами номинального диапазона следует применять измерительный трансформатор.

Коэффициент трансформации

Внешние трансформаторы используют, если измеряемые величины выходят из рабочего диапазона прибора.

Коэффициент трансформации задается при помощи ПО «OWEN Configurator».

Graphic
Настройка коэффициентов трансформации

Коэффициенты можно задавать независимо для каждой фазы.

Режим встроенной фильтрации

При включении режима фильтрации прибор производит фильтрацию полученных данных с усреднением по времени равным 1 с, частота сэмплирования 8 кГц.

Режим измерения угла

В приборе есть настраиваемая возможность измерения следующих типов углов:

  • межфазные по напряжениям;

  • межфазные по токам.

Единовременно может измеряться только один тип угла.

Профиль мощности

Graphic
Пример суточного графика профиля мощности

Для записи значения профиля мощности потребления и мощности отдачи предусмотрены отдельные регистры Modbus.

Показания мощности накапливаются в АЦП путем суммирования значений с частотой опроса 8 кГц (по факту это интеграл по времени).

Чтение профиля мощности с АЦП производится с частотой 1 Гц. Обновление данных в регистрах происходит с периодичностью, указанной пользователем при конфигурировании. Для корректного учета профиля мощности ее значение пишется в архив. Частота архивации настраивается пользователем.

Диагностика работы измерительных входов

В модуле реализована диагностика следующих неисправностей:

  • превышение значения токов или напряжений;

  • обрыв фаз;

  • сбой чередования фаз;

  • отсутствие связи с АЦП.

Статусные биты неисправностей собираются в битовую маску для передачи Мастеру. Значение битов представлены в таблице ниже.

Биты слова статуса
Номер битаЗначение
0Ошибка связи с модулем
1Нет напряжения на фазе А
2Нет напряжения на фазе В
3Нет напряжения на фазе С
4Нет нагрузки на фазе А
5Нет нагрузки на фазе В
6Нет нагрузки на фазе С
7Перенапряжение на фазе А (напряжение более 410 В)
8Перенапряжение на фазе В (напряжение более 410 В)
9Перенапряжение на фазе С (напряжение более 410 В)
10Перегрузка на фазе А (ток более 5,01 А)
11Перегрузка на фазе В (ток более 5,01 А)
12Перегрузка на фазе С (ток более 5,01 А)
13Ошибка калибровки
14Не используется
15Не используется

Режимы работы входов типа «сухой контакт»

Группа входов DI1–DI8 модуля выполняет определение логического уровня.

Для каждого входа задействован счетчик импульсов, поступающих на вход.

Параметры счетчика импульсов
ПараметрЗначение
Разрядность32 бит
Максимальная частота входного сигнала400 Гц
Подавление дребезгаВкл. / Выкл. Настраивается в ПО «OWEN Configurator» и по Modbus
Время подавления дребезга50 мс (не настраивается)
Внимание
Для работы с сигналами частотой более 40 Гц при скважности 0,5 и менее не следует включать подавление дребезга контактов, так как полезный сигнал будет принят за дребезг и пропущен.

Если счетчик переполнился, то соответствующий регистр обнуляется автоматически. Последовательность действий для принудительного обнуления приведена, см. раздел

Значения состояния дискретных входов хранятся в виде битовой маски и считываются из соответствующего регистра.

Режимы работы дискретных выходов

Каждый дискретный выход может работать в одном из следующих режимов:

  • переключение логического сигнала;
  • генерация ШИМ сигнала.

Для выбора режима и изменения параметров выхода следует записать значения в соответствующие Modbus-регистры (см. раздел).

Безопасное состояние выходных элементов

Каждый выход прибора можно перевести в безопасное состояние.

Модуль переводит выход в безопасное состояние, если прибор не получает команд от Мастера сети после того, как истекает время, заданное в регистре «Таймаут». На выходе модуля устанавливается значение параметра «Безопасное состояние» в процентах (от 0 до 100 %). Это значение определяет коэффициент заполнения ШИМ.

Тайм-аут задается пользователем. Если значение регистра «Таймаут» равно 0, то безопасное состояние не используется. Выходы будут работать в режиме, который был установлен при предыдущем использовании модуля, до получения новой команды от Мастера сети или от облачного сервиса.

Принудительное обнуление счетчика

Если счетчик состояний входа переполнился, то соответствующий регистр обнуляется автоматически. Для принудительного обнуления счетчика следует записать значение 0 в регистр сброса значения счетчика.

Настройка

Подключение к ПО «OWEN Configurator»

Прибор настраивается в ПО OWEN Configurator.

Прибор можно подключить к ПК с помощью следующих интерфейсов:

  • USB (разъем micro-USB);
  • Ethernet.

Для выбора интерфейса следует:

  1. Подключить прибор к ПК с помощью кабеля USB или по интерфейсу Ethernet.
    Предупреждение

    В случае подключения прибора к порту USB подача основного питания прибора не требуется.

    Питание прибора осуществляется от порта USB, выходы модуля при этом не функционируют.

    В случае подключения по интерфейсу Ethernet следует подать основное питание на прибор.

  2. Открыть ПО OWEN Configurator.
  3. Выбрать Добавить устройства.
  4. В выпадающем меню Интерфейс во вкладке Сетевые настройки выбрать:
    • Ethernet (или другую сетевую карту, к которой подключен прибор) – для подключения по Ethernet.
    • STMicroelectronics Virtual COM Port – для подключения по USB.
    Graphic
    Меню выбора интерфейса
Дальнейшие шаги для поиска устройства зависят от выбора интерфейса.

Чтобы найти и добавить в проект прибор, подключенный по интерфейсу Ethernet, следует:

  1. Выбрать Найти одно устройство.
  2. Ввести IP-адрес подключенного устройства.
  3. Нажать вкладку Найти. В окне отобразится прибор с указанным IP-адресом.

    Предупреждение
    Значение IP-адреса по умолчанию (заводская настройка) — 192.168.1.99.

  4. Выбрать устройство (отметить галочкой) и нажать ОК. Если устройство защищено паролем, то следует ввести корректный пароль. Устройство будет добавлено в проект.

Чтобы найти и добавить в проект прибор, подключенный по интерфейсу USB, следует:

  1. В выпадающем меню Протокол выбрать протокол Owen Auto Detection Protocol.
    Graphic
    Выбор протокола
  2. Выбрать Найти одно устройство.
  3. Ввести адрес подключенного устройства (по умолчанию – 1).
  4. Нажать вкладку Найти. В окне отобразится прибор с указанным адресом.
  5. Выбрать устройство (отметить галочкой) и нажать ОК. Если устройство защищено паролем, то следует ввести корректный пароль. Устройство будет добавлено в проект.

Более подробная информация о подключении и работе с прибором приведена в Справке ПО OWEN Configurator. Для вызова справки в программе следует нажать клавишу F1.

Подключение к облачному сервису OwenCloud

Для подключения модуля к облачному сервису следует выполнить действия:

  1. Подключить модуль к Owen Configurator (см. раздел).
  2. Включить доступ к OwenCloud и настроить права удаленного доступа (см. раздел).
  3. Задать пароль для доступа к прибору (см. Справку Owen Configurator).
    Предупреждение
    Если пароль не задан, подключение к облачному сервису недоступно.
  4. Зайти на сайт облачного сервиса OwenCloud.
  5. Перейти в раздел Администрирование Graphic и добавить прибор.

Подробный пример настройки подключения к OwenCloud можно посмотреть в документе «Мх210. Примеры настройки обмена» на странице прибора на сайте www.owen.ru.

Ограничение обмена данными при работе с облачным сервисом OwenCloud

Облачный сервис OwenCloud является надежным хранилищем данных, обмен информации с которым зашифрован модулем. Если на производстве имеются ограничения на передачу данных, то обмен данными с облачным сервисом OwenCloud можно отключить. По умолчанию подключение модуля к облачному сервису запрещено. Ограничение доступа и обмена данными с модулем следует настраивать в ПО Owen Configurator.

Для разрешения подключения в Owen Configurator следует:

  1. Установить пароль для доступа к модулю (см. раздел).
  2. Задать значение Вкл. в параметре Подключение к OwenCloud (рисунок).

Примечание
Если для модуля не задан пароль, то автоматическое подключение к облачному сервису происходить не будет.
Graphic
Настройка автоматического подключения к облачному сервису

Если доступ к модулю через облачный сервис OwenCloud разрешен, то можно настроить следующие ограничения доступа (рисунок):

  • Разрешение конфигурирования — доступ к конфигурационным параметрам модуля;
  • Управление и запись значений — чтение и запись значений модуля;
  • Доступ к регистрам Modbus — чтение и/или запись значений регистров.

Graphic
Настройка удаленного доступа к модулю

Настройка сетевых параметров

Для обмена данных модуля в сети Ethernet должны быть заданы параметры, приведенные в таблице:

Сетевые параметры модуля
ПараметрПримечание
MAC-адресУстанавливается на заводе-изготовителе и является неизменным
IP-адресМожет быть статическим или динамическим. Заводская настройка – 192.168.1.99
Маска IP-адресаЗадает видимую модулем подсеть IP-адресов других устройств. Заводская настройка – 255.255.0.0
IP-адрес шлюзаЗадает адрес шлюза для выхода в Интернет. Заводская настройка – 192.168.1.1

IP-адрес может быть:

  • статический;
  • динамический.

Статический IP-адрес устанавливается с помощью Owen Configurator или сервисной кнопки.

Для установки статического IP-адреса с помощью Owen Configurator следует:

  1. Зайти во вкладку Сетевые настройки.
  2. Задать значение в поле Установить IP адрес.
  3. Задать значение в поле Установить маску подсети.
  4. Задать значение в поле Установить IP адрес шлюза.

При статическом IP-адресе параметр Режим DHCP должен иметь значение Выкл.

Для установки статического IP-адреса c помощью сервисной кнопки следует:

  1. Подключить модуль или группу модулей к сети Ethernet.
  2. Запустить Owen Configurator на ПК, подключенному к той же сети Ethernet.
  3. Выбрать вкладку Назначение IP-адресов.
  4. Задать начальный IP-адрес для первого модуля из группы модулей.
  5. Последовательно нажимать на модулях сервисные кнопки, контролируя результат в окне программы. В окне Owen Configurator будет отображаться информация о модуле, на котором была нажата кнопка, этому модулю будет присваиваться заданный статический IP-адрес и другие параметры сети. После присвоения адрес автоматически увеличивается на 1.
Для назначения статического IP-адреса с помощью кнопки параметр Режим DHCP должен иметь значение Разовая установка кнопкой.

Graphic
Настройка параметра «Режим DHCP»

С помощью сервисной кнопки можно установить IP-адреса сразу для группы модулей (см. справку к Owen Configurator, раздел Назначение IP-адреса устройству).

Динамический IP-адрес используется для работы с облачным сервисом и не подразумевает работу с Мастером сети Modbus TCP. IP-адрес модуля устанавливается DHCP-сервером сети Ethernet.

Примечание
Следует уточнить у служб системного администрирования о наличии DHCP-сервера в участке сети, к которому подключен модуль. Для использования динамического IP-адреса следует установить значение Вкл в параметре Режим DHCP.
Предупреждение
Для применения новых сетевых настроек следует перезагрузить модуль. Если модуль подключен по USB, его также следует отключить.

Настройка параметров обмена по протоколу MQTT в ПО «OWEN Configurator»

Модули поддерживают протокол MQTT (версия 3.1.1) и могут использоваться в роли клиентов. Модули публикуют сообщения о состоянии своих входов и подписаны на топики, в рамках которых производится управление их выходами.

Параметры обмена по MQTT настраиваются в Owen Configurator.

Graphic
Параметры обмена по MQTT
Параметры обмена по протоколу MQTT
ПараметрОписание
Сообщение о присутствии

Если параметр имеет значение Вкл., то в момент включении модуль публикует сообщение «Online» в топик MX210/Имя_устройства/MQTTstatus.

Если от модуля не поступает сообщений, брокер публикует в данный топик сообщение «Offline».

Подключение к брокеруДля работы с модулем по протоколу MQTT следует установить значение Вкл.
ЛогинИспользуются для аутентификации устройства на стороне брокера. Если значения параметров не заданы, то аутентификация не используется
Пароль
Имя устройстваИмя устройства. Входит в состав топика.
Адрес брокера

IP или URL брокера. Если брокер расположен во внешней сети, то следует установить для параметров Шлюз и DNS (вкладка Сетевые настройки) корректные значения

ПортПорт брокера
Хранение последнего сообщениеЕсли установлено значение Включено, то другие клиенты, подписанные на топики модуля, получат последние сообщения из этих топиков
Интервал публикацииИнтервал публикации данных (в секундах)
Качество обслуживания

Выбранный уровень качества обслуживания.

QoS 0 – передача сообщений осуществляется без гарантии доставки.

QoS 1 – передача сообщений осуществляется с гарантией доставки, но допускается дублирование сообщений (т.е. одно и тоже сообщение будет разослано подписчикам несколько раз).

QoS 2 – передача сообщений осуществляется с гарантией доставки и с гарантией отсутствия дублирования сообщений.

Интервал Keep Alive (в секундах)

Если в течение промежутка времени, равного полутора значениям данного параметра, брокер не получает сообщений от модуля, то соединение будет разорвано.

0 – параметр не используется (при отсутствии сообщений соединение никогда не будет разорвано).

СтатусСтатус подключения к брокеру
Примечание
При использовании протокола MQTT запись параметров обычно является событийной, а не циклической. Рекомендуется задать параметр Таймаут перехода в безопасное состояние (вкладка Modbus Slave) равным 0.

Настройка параметров обмена по протоколу SNMP в ПО «OWEN Configurator»

Модули поддерживают протокол SNMP (версии SNMPv1 и SNMPv2c) и могут быть использованы в роли агентов. Модули поддерживают запросы GET и SET. Модули с дискретными входами отправляют трапы с битовой маской входов при изменении значения любого входа.

По протоколу SNMP доступны все параметры модуля. Список OID параметров приведен в Руководстве по эксплуатации на конкретный модуль. MIB-файл модуля доступен на его странице на сайте owen.ru.

Graphic
Параметры обмена по SNMP
Параметры обмена по SNMP
ПараметрОписание
Включение/ОтключениеДля работы модуля по протоколу SNMP требуется установить значение Включено
Сообщество для чтенияПароль, используемый для чтения данных модуля
Сообщество для записиПароль, используемый для записи данных в модуль
IP адрес для ловушкиIP-адрес, на который будет отправлен трап в случае изменения маски дискретных входов модуля (только для модулей с дискретными входами)
Номер порта для ловушкиНомер порта, на который будет отправлен трап
Версия SNMPВерсия протокола, используемая модулем (SNMPv1 или SNMPv2)
Примечание
При использовании протокола SNMP без запросов чтения (GET) запись параметров обычно является событийной, а не циклической. Рекомендуется задать параметр Таймаут перехода в безопасное состояние (вкладка Modbus Slave) равным 0.

Пример настройки обмена модуля по протоколу SNMP можно посмотреть в документе «Мх210. Примеры настройки обмена», который доступен на странице прибора на сайте owen.ru.

Пароль доступа к модулю

Для ограничения доступа к чтению и записи параметров конфигурации и для доступа в облачный сервис OwenCloud используется пароль.

Установить или изменить пароль можно с помощью ПО Owen Configurator.

В случае утери пароля следует восстановить заводские настройки.

По умолчанию пароль не задан.

Обновление встроенного ПО

Встроенное ПО модуля обновляется с помощью интерфейсов:

  • USB;
  • Ethernet (рекомендуется).

Для обновления встроенного по интерфейсу USB следует:

  1. В момент включения питания модуля нажать и удерживать сервисную кнопку. Модуль перейдет в режим загрузчика (индикатор «Авария» светится красным).
  2. Обновить ПО с помощью специальной утилиты, которая доступна на странице прибора на сайте www.owen.ru.

Для обновления встроенного ПО по интерфейсу Ethernet следует:

  1. В ПО Owen Configurator выбрать вкладку Прошить устройство.
    Предупреждение
    Для обновления встроенного программного обеспечения через ПО Owen Configurator следует отключить прибор от удаленного облачного сервиса OwenCloud.
  2. Выполнять указания программы (файл встроенного ПО размещен на сайте www.owen.ru на странице модуля в разделе документации и ПО).
  3. Перезагрузить модуль.

Во время обновления по интерфейсу Ethernet проверяется целостность файла встроенного ПО и контрольной суммы.

Предупреждение
Для завершения обновления встроенного ПО следует перезагрузить модуль. Если модуль подключен по USB, его также следует отключить.

Настройка часов реального времени

Значение часов реального времени (RTC) можно установить или считать с прибора через регистры Modbus, а также с помощью ПО Owen Configurator (см. справку к Owen Configurator, раздел Настройка часов).

Для установки нового времени через регистры Modbus следует:

  1. Записать значение времени в соответствующие регистры.

  2. Установить на время не менее 1 секунды значение 1 в регистре обновления текущего времени.
  3. Записать в регистр обновления текущего времени значение 0.

Следующую запись текущего времени можно выполнить через 1 секунду.

Если необходимо, то можно синхронизировать часы модуля с удаленным NTP сервером.

Graphic
Параметры NTP
ПараметрОписание
Включение/ОтключениеДля включения режима синхронизации времени следует установить значение Включено
Пул NTP серверовIP или URL используемого пула NTP-серверов
NTP сервер 1IP основного NTP-сервера
NTP сервер 2IP резервного NTP-сервера
Период синхронизацииПериод синхронизации времени в секундах. Следует убедиться, что установленное значение не превышает минимально возможного значения для конкретного NTP-сервера
СтатусСтатус подключения к серверу
Примечание
Если NTP-сервер расположен во внешней сети, то следует установить корректные значения для параметров Шлюз и DNS (вкладка Сетевые настройки) корректные значения.
Примечание
Часовой пояс прибора выбирается о вкладке Часы реального времени.
Примечание
Если модуль подключен к облачному сервису OwenCloud как автоопределяемое устройство, то его время автоматически синхронизируется со временем облачного сервиса раз в сутки.
Примечание
Все указанные NTP-сервера (в том числе сервера из пула) имеют одинаковый приоритет при опросе.

Профилирование мощности

В приборе реализована функция профилирования мощности.

Профилируются активная, реактивная и полная мощности. Период профилирования мощности можно задать параметром «Период интегрирования мощностей» (см. скриншот ниже).

Graphic
Задание периода интегрирования мощностей

В регистре профиля соответствующей мощности хранится предыдущее накопленное значение, по истечению периода профилирования значение обновляется.

Для настройки профилирования мощности необходимо выбрать период профилирования, подсчет начнется автоматически. Значение профилей мощности сохраняется в архив с меткой времени (см. раздел).

Настройка интерфейса RS-485

Примечание
Для применения настроек требуется перезагрузка прибора.

Для настройки доступны параметры:

  • скорость обмена;

  • количество стоп-бит;

  • контроль четности;

  • задержка ответа прибора;

  • адрес прибора.

Graphic
Настройки интерфейса RS-485

Восстановление заводских настроек

Внимание
После восстановления заводских настроек все ранее установленные настройки, кроме сетевых, будут удалены.

Для восстановления заводских настроек и сброса установленного пароля следует:

  1. Включить питание прибора.
  2. Нажать и удерживать сервисную кнопку более 12 секунд.

После отжатия кнопки прибор перезагрузится и будет работать с настройками по умолчанию.

Принудительное обнуление счетчика

Если счетчик состояний входа переполнился, то соответствующий регистр обнуляется автоматически. Для принудительного обнуления счетчика следует:

  1. Записать значение 1 в регистре сброса значения счетчика соответствующего входа.
  2. Выдержать паузу не менее 15 мс.
  3. Записать значение 0 в регистр сброса значения счетчика.

Счетчик обнулится в течение 15 мс после записи значения «0» в регистр сброса.

Техническое обслуживание

Общие указания

Во время выполнения работ по техническому обслуживанию прибора следует соблюдать требования безопасности из раздела.

Техническое обслуживание прибора проводится не реже одного раза в 6 месяцев и включает следующие процедуры:

  • проверка крепления прибора;
  • проверка винтовых соединений;
  • удаление пыли и грязи с клеммников прибора.

Батарея

В приборе используется сменная батарея типа CR2032. Батарея предназначена для питания часов реального времени.

Если заряд батареи опускается ниже 2 В, то индикатор Авария засвечивается на 100 мс один раз в две секунды. Такое свечение индикатора сигнализирует о необходимости замены батареи.

Если напряжение батареи часов реального времени меньше 1,6 В, то запись конфигурационных параметров выполняется во флеш-память модуля.

Порядок записи конфигурационных параметров при разряженной батарее:

  1. Новые значения конфигурационных параметров записываются в батарейный ОЗУ около 5 секунд.
  2. Из батарейного ОЗУ значения конфигурационных параметров переносятся во флеш-память и запускается таймаут не менее 2 минут (в зависимости от нагрузки на модуль).
Примечание
Состояния батареи обновляется после подачи питания или по истечении 12 часов с момента подачи питания.
Предупреждение
Не рекомендуется выполнять циклическую запись конфигурационных параметров в случае разряда батареи. Ресурс флеш памяти ограничен.

Для замены батареи следует:

  1. Отключить питание модуля и подключенных устройств.
  2. Для отсоединения клеммных колодок следует выполнить действия:

    1. Поднять крышку 1.
    2. Выкрутить два винта 3.
    3. Снять колодку 2, как показано на рисунке.
    Graphic
    Снятие первой клеммной колодки модуля
    Предупреждение
    При выкручивании винтов крепления клеммная колодка поднимается, поэтому чтобы избежать перекоса, рекомендуется выкручивать винты поочередно по несколько оборотов за один раз.

  3. Для снятия второй колодки проделать действия п 2.

    Graphic
    Снятие второй клеммной колодки
  4. Снять модуль с DIN-рейки.
  5. Поочередно вывести зацепы из отверстий с одной и другой стороны корпуса и снять верхнюю крышку.
    Graphic
    Замена батареи
  6. Заменить батарею. Рекомендуемое время замены батареи не более 1 минуты. Если батарея будет отсутствовать в приборе дольше 1 минуты, следует ввести корректное значение времени.
  7. Собрать прибор в обратном порядке и установить на объекте.
Внимание
Запрещается использовать батарею другого типа. При установке батареи следует соблюдать полярность.

После сборки и включения модуля следует убедиться в корректности показаний часов. При необходимости следует скорректировать показания часов реального времени в ПО OWEN Configurator.

Комплектность

НаименованиеКоличество
Модуль1 шт.
Паспорт и Гарантийный талон1 экз.
Руководство по эксплуатации 1 экз.
Коммутационный кабель UTP 5e 150 мм1 шт.
Клемма питания 2EGTK-5-02P-141 шт.
Заглушка разъема RJ45 (Ethernet)1 шт.
Примечание
Изготовитель оставляет за собой право внесения дополнений в комплектность модуля.

Маркировка

На корпус прибора нанесены:

  • наименование и условное обозначение прибора;
  • степень защиты корпуса по ГОСТ 14254-2015;
  • род питающего тока и напряжение питания;
  • потребляемая мощность;
  • класс защиты от поражения электрическим током по ГОСТ IEC 61131-2-2012;
  • единый знак обращения продукции на рынке Евразийского экономического союза;
  • страна-изготовитель;
  • заводской номер прибора, дата изготовления, товарный знак ОВЕН;
  • MAC-адрес;
  • год изготовления прибора.

На потребительскую тару нанесены:

  • наименование и условное обозначение прибора;
  • единый знак обращения продукции на рынке Евразийского экономического союза;
  • почтовый адрес офиса компании;
  • страна-изготовитель;
  • штрих код;
  • заводской номер прибора;
  • дата упаковки прибора.

Упаковка

Упаковка прибора производится в соответствии с ГОСТ 23088-80 в потребительскую тару, выполненную из коробочного картона по ГОСТ 7933-89.

Упаковка прибора при пересылке почтой производится по ГОСТ 9181-74.

Транспортирование и хранение

Прибор должен транспортироваться в закрытом транспорте любого вида. В транспортных средствах тара должна крепиться согласно правилам, действующим на соответствующих видах транспорта.

Транспортирование приборов в упаковке предприятия-изготовителя должно соответствовать следующим условиям:

  • температура окружающего воздуха от минус 40 до плюс 70 °С;

  • относительная влажность от 10 до 95 % без конденсации влаги;

  • атмосферное давление не менее 80 кПа (эквивалентно высоте 3000 м над уровнем моря)

Прибор следует перевозить в транспортной таре поштучно или в контейнерах с соблюдением мер защиты от ударов и вибраций.

Условия хранения в таре на складе изготовителя и потребителя должны соответствовать условиям 1 по ГОСТ 15150-69. В воздухе не должны присутствовать агрессивные примеси.

Прибор следует хранить на стеллажах.

Гарантийные обязательства

Изготовитель гарантирует соответствие прибора требованиям ТУ при соблюдении условий эксплуатации, транспортирования, хранения и монтажа.

Гарантийный срок эксплуатации – 24 месяца со дня продажи.

В случае выхода прибора из строя в течение гарантийного срока при соблюдении условий эксплуатации, транспортирования, хранения и монтажа предприятие-изготовитель обязуется осуществить его бесплатный ремонт или замену.

Порядок передачи прибора в ремонт содержится в паспорте и в гарантийном талоне.

Расчет вектора инициализации для шифрования файла архива

Для расшифровки файла архива в качестве вектора инициализации следует использовать хеш-функцию. Хеш-функция должна возвращать 8 байт (тип long long).

Пример реализации хеш-функции на языке программирования С:

typedef union {         struct {                 unsigned long lo;                 unsigned long hi;         };         long long hilo; }LONG_LONG; long long Hash8(const char *str) {     // На основе Rot13         LONG_LONG temp;         temp.lo = 0;         temp.hi = 0;         for ( ; *str; )         {                 temp.lo += (unsigned char) (*str);                 temp.lo –= (temp.lo << 13) | (temp.lo >> 19);                 str++;                 if (!str) break;                 temp.hi += (unsigned char) (*str);                 temp.hi –= (temp.hi << 13) | (temp.hi >> 19);                 str++;         }         return temp.hilo; }

Предупреждающие сообщения

В данном руководстве применяются следующие предупреждения:

Опасность

Ключевое слово ОПАСНОСТЬ сообщает о непосредственной угрозе опасной ситуации, которая приведет к смерти или серьезной травме, если ее не предотвратить.

Внимание

Ключевое слово ВНИМАНИЕ сообщает о потенциально опасной ситуации, которая может привести к небольшим травмам.

Предупреждение

Ключевое слово ПРЕДУПРЕЖДЕНИЕ сообщает о потенциально опасной ситуации , которая может привести к повреждению имущества.

Примечание

Ключевое слово ПРИМЕЧАНИЕ обращает внимание на полезные советы и рекомендации, а также информацию для эффективной и безаварийной работы оборудования.

Ограничение ответственности

Ни при каких обстоятельствах ООО «Производственное Объединение ОВЕН» и его контрагенты не будут нести юридическую ответственность и не будут признавать за собой какие-либо обязательства в связи с любым ущербом, возникшим в результате установки или использования прибора с нарушением действующей нормативно-технической документации.