- КЗР – запорно-регулирующий клапан.
- МВХ – минимальное время хода. Это минимальная продолжительность импульса, подаваемого на привод клапана, при которой привод успевает отреагировать и изменить свое положение.
- ПВХ – полное время хода. Это время, за которое привод полностью открывает или закрывает клапан, то есть совершает полный ход от одного крайнего положения до другого.
- ЖКИ – жидкокристаллический индикатор.
ИТП — индивидуальный тепловой пункт.
- НЗ – нормально-закрытый. Используется для описания состояния контактов реле, клапанов или входов устройства, которые находятся в замкнутом состоянии без подачи управляющего сигнала или при отсутствии питания.
- НО – нормально-открытый. Используется для описания состояния контактов реле, клапанов или входов устройства, которые находятся в разомкнутом состоянии без подачи управляющего сигнала или при отсутствии питания.
- ПИД – пропорционально-интегрально-дифференциальный регулятор (алгоритм автоматического управления).
ТВИ – температурно-временной интеграл (показатель отклонения температуры от заданного значения во времени).
- Котловой регулятор – КТР-121.01.10. Модификация контроллера КТР-121, предназначенная для управления работой отдельного котла.
Каскадные регуляторы – КТР-121.02. Модификации контроллера КТР-121, используемые для управления группой котлов (каскадом) для оптимизации общей производительности.
Тепловые регуляторы – КТР-121.03. Модификации контроллера КТР-121, предназначенные для управления тепловыми процессами в системах теплопотребления — отопление, ГВС, вентиляция и т.д.
Руководство по эксплуатации
Используемые термины и аббревиатуры
Введение
Настоящее руководство по эксплуатации предназначено для ознакомления обслуживающего персонала с принципом работы, предварительной настройкой, конструкцией, работой и техническим обслуживанием блока автоматического управления котлами КТР-121.02.20, в дальнейшем по тексту именуемого «контроллер» или «прибор».
Подключение, настройка и техобслуживание прибора должны производиться только квалифицированными специалистами после прочтения настоящего руководства по эксплуатации.
Контроллер КТР-121.02.20 выпускается в исполнениях:
- КТР-121.220.02.20 – работа в сети переменного напряжения с номиналом 230 В.
- КТР-121.24.02.20 – работа в сети постоянного напряжения с номиналом 24 В.
Назначение
Контроллер предназначен для управления каскадом из двух водогрейных котлов.
Горелки на котлах должны обладать:
функцией автоматического розжига с контролем соответствующих параметров;
внешним управлением по дискретным сигналам.
Алгоритм прибора обеспечивает:
погодозависимое поддержание заданной температуры подачи в общем трубопроводе (далее — температура сети);
контроль давления подачи в общем трубопроводе (далее — давление сети);
контроль состояния котлов и равномерное распределение времени наработки между ними;
диспетчеризацию всех контролируемых событий и конфигурационных параметров;
при использовании модуля расширения ПРМ-1 прибор контролирует общекотельные аварии и осуществляет их сигнализацию;
управление ГВС и отоплением при использовании КТР-121.03.
Модуль расширения ПРМ-1 и КТР-121.03 в комплект поставки прибора не входят и приобретаются отдельно.
Прибор выпускается по ТУ 4218-016-46526536-2016.

Перечень входных сигналов:
Тп — датчик температуры теплоносителя в общем подающем трубопроводе;
Рп — датчик давления теплоносителяв общем трубопроводе;
Тн — датчик температуры наружного воздуха;
B4 — подтверждение розжига горелки;
S3 — сигнал аварии горелки (НО или НЗ);
Аварийный останов — внешняя аварийная кнопка останова котельной;
Старт/Стоп — внешняя кнопка Старт/Стоп;
Сброс — внешняя кнопка сброса аварий.
Перечень выходных сигналов на менеджер горения:
Т1Т2 — команда запуска первой ступени горелки;
Т6Т7Т8 — команда запуска второй ступени горелки или модуляция;
Т9Т11 — команда запуска третьей ступени горелки;
Авария общая — лампа сигнализации аварии.
Технические характеристики и условия эксплуатации
Технические характеристики
Характеристики прибора
Наименование | Значение | |||
|---|---|---|---|---|
КТР-121.220 | КТР-121.24 | |||
Питание | ||||
Диапазон напряжения питания | от ~ 94 до 264 В (номинальное 230 В при от 47 до 63 Гц) | от = 19 до 30 В (номинальное 24 В) | ||
Гальваническая развязка | Есть | |||
Электрическая прочность изоляции между входом питания и другими цепями | 2830 В | 1780 В | ||
Потребляемая мощность, не более | 17 ВА | 10 Вт | ||
Встроенный источник питания | Есть | — | ||
Выходное напряжение встроенного источника питания постоянного тока | 24 ± 3 В | — | ||
Ток нагрузки встроенного источника питания, не более | 100 мА | — | ||
Электрическая прочность изоляции между выходом питания и другими цепями | 1780 В | — | ||
Дискретные входы | ||||
Количество входов | 8 | |||
Напряжение «логической единицы» | от 159 до 264 В (переменный ток) | от 15 до 30 В (постоянный ток) | ||
Ток «логической единицы» | от 0,75 до 1,5 мА | 5 мА (при 30 В) | ||
Напряжение «логического нуля» | от 0 до 40 В | от –3 до +5 В | ||
Подключаемые входные устройства | Датчики типа «сухой контакт», коммутационные устройства (контакты реле, кнопок и т. д.) | |||
Гальваническая развязка | Групповая, по 4 входа (1–4 и 5–8, «общий минус») | |||
Электрическая прочность изоляции:
|
1780 В | |||
| 2830 В | |||
Аналоговые входы | ||||
Количество входов | 4 | |||
Время опроса входов | 10 мс | |||
Тип датчиков | от 4 до 20 мА, от 0 до 4000 Ом | |||
Предел допускаемой основной приведенной погрешности при измерении | ± 0,5 % | |||
| Дискретные выходы | ||||
Количество выходных устройств, тип | 8 э/м реле (НО) | |||
Коммутируемое напряжение в нагрузке: | ||||
для цепи постоянного тока, не более | 30 В (резистивная нагрузка) | |||
для цепи переменного тока, не более | 250 В (резистивная нагрузка) | |||
Допустимый ток нагрузки, не более | 5 А при напряжении не более 250 В переменного тока и cos φ > 0,95; 3 А при напряжении не более 30 В постоянного тока | |||
Гальваническая развязка | Групповая по 2 реле (1–2; 3–4; 5–6; 7–8) | |||
Электрическая прочность изоляции: |
| |||
между другими цепями | 2830 В | |||
между группами выходов | 1780 В | |||
| Индикация и элементы управления | ||||
Тип дисплея | Текстовый монохромный ЖКИ с подсветкой, 2 × 16 символов | |||
Индикаторы | Два светодиодных индикатора (красный и зеленый) | |||
| Кнопки | 6 шт | |||
Корпус | ||||
Тип корпуса | Для крепления на DIN-рейку (35 мм) | |||
Габаритные размеры | 123 × 90 × 58 мм | |||
Степень защиты корпуса по | IP20 | |||
Масса прибора, не более (для всех вариантов исполнений) | 0,6 кг | |||
Средний срок службы | 10 лет | |||
Условия эксплуатации
Прибор предназначен для эксплуатации в следующих условиях:
- закрытые взрывобезопасные помещения без агрессивных паров и газов;
- температура окружающего воздуха от минус 20 до плюс 55 °С;
- относительная влажность воздуха от 30 до 80 % без конденсации влаги;
- допустимая степень загрязнения 1 (несущественные загрязнения или наличие только сухих непроводящих загрязнений);
- атмосферное давление от 84,0 до 106,7 кПа.
По устойчивости к синусоидальным вибрациям во время эксплуатации прибор соответствует группе исполнения N2 по ГОСТ Р 52931–2008 (частота вибрации от 10 до 55 Гц).
По устойчивости к воздействию атмосферного давления прибор относится к группе Р1 по ГОСТ Р 52931–2008.
Прибор отвечает требованиям по устойчивости к воздействию помех
в соответствии с
По уровню излучения радиопомех (помехоэмиссии) прибор соответствует
Прибор устойчив к прерываниям, провалам и выбросам напряжения питания:
- для переменного тока в соответствии с требованиями ГОСТ 30804.4.11–2013;
- для постоянного тока в соответствии с требованиями ГОСТ IEC 61131–2–2012 – длительность прерывания напряжения питания до 10 мс включительно, длительность интервала от 1 с и более.
Меры безопасности
По способу защиты обслуживающего персонала от поражения электрическим
током КТР-121-220.Х относится к классу
II, а КТР-121-24.Х к классу III
Во время эксплуатации и технического обслуживания прибора следует соблюдать требования ГОСТ 12.3.019–80, «Правил технической эксплуатации электроустановок потребителей электрической энергии» и «Правил охраны труда при эксплуатации электроустановок».
Во время эксплуатации прибора открытые контакты клеммника находятся под опасным для жизни напряжением. Прибор следует устанавливать в специализированных шкафах, доступных только квалифицированным специалистам.
Любые подключения к прибору и работы по его техническому обслуживанию следует производить только при отключенном питании прибора и подключенных к нему устройств.
Не допускается попадание влаги на контакты выходного разъема и внутренние электроэлементы прибора. Прибор запрещено использовать в агрессивных средах с содержанием в атмосфере кислот, щелочей, масел и т. п.
Последовательность ввода в эксплуатацию
Для ввода в эксплуатацию следует:
Смонтировать прибор (см. раздел) и подключить входные/выходные цепи (см. раздел).
Настроить параметры:
Проверить правильность подключения исполнительных механизмов и датчиков (см. раздел).
Запустить установку. Проверить сообщения об авариях (см. раздел).
Если необходимо, подключить модуль расширения ПРМ-1 для контроля общекотельных аварий.
Внешнее управление
При объединении КТР-121.02 с КТР-121.03, алгоритм регулирования автоматически адаптируется под условия обеспечения максимально экономичного и безопасного регулирования контуров отопления и ГВС.
Приборы поставляются с уже сконфигурированными настройками для связи. Достаточно объединить их по интерфейсу согласно схеме на рисунке ниже.

Настройка сетевого адреса в КТР-121.03 может потребоваться в случае подключения двух устройств к одному КТР-121.02.20 для многоконтурной системы. В этом случае следует задать для второго контроллера КТР-121.03 адрес — 56. (см. раздел).
Наличие связи между контроллерами можно проверить по строке «КТР-02: Норма» на экране текущих аварий каждого КТР-121.03.

Заводские настройки интерфейсов
Интерфейс | КТР-121.01.10 | КТР-121.02.20 | КТР-121.03 |
|---|---|---|---|
RS-485-1 | SLAVE | SLAVE | SLAVE |
RS-485-2 | SLAVE | MASTER | SLAVE |
Работа с ПО Owen Configurator
Начало работы
Для установки Owen Configurator (далее - Конфигуратор) следует:
Скачать с сайта архив с ПО (
https://owen.ru/documentation/907 ).Извлечь из архива ехе-файл установщика.
Запустить .ехе-файл.
Установить на ПК драйвер прибора (
Для настройки связи с прибором следует:
Подать питание на прибор.
Подключить прибор к ПК с помощью кабеля USB A – microUSB.
В Диспетчере устройств Windows уточнить номер назначенного прибору COM-порта.
Запустить Конфигуратор.
Нажать кнопку
Добавить устройства. Выбрать интерфейс «Устройство с последовательным интерфейсом USB» (см. рисунок, 1). Номер СОМ порта, присвоенный прибору можно узнать в Диспетчере устройств Windows.
Выбрать протокол ОВЕН (см. рисунок, 2).
Выбрать устройство (Пункт 3 на рисунок). Модификация КТР-121 указана на боковой стороне прибора.
Выбрать «Найти одно устройство», если добавляется один прибор. Запустить поиск нажатием на кнопку «Найти» (см. рисунок, 4).
Выделить найденное устройство (см. рисунок, 5).
Добавить устройство в проект Конфигуратора по нажатию кнопки «Добавить устройства» (см. рисунок, 6).

Настройки связи с устройством
Если изображение прибора серого цвета и запись параметров в прибор завершается всплывающим окном красного цвета, то следует проверить правильность подключения прибора к ПК.

Если в процессе настройки или работы в режиме «Офлайн» были изменены Сетевые настройки, то связь с прибором пропадет. (см. раздел).
Подключение можно восстановить повтором настройки связи.
Режим «офлайн»
Для конфигурирования прибора в режиме офлайн (без подключения прибора к ПК) следует:
Нажать кнопку
Добавить устройства.В появившемся окне выбрать в списке «Интерфейс» – Работа офлайн.

Добавление устройства В списке «Устройства», выбрать нужную модификацию прибора.

Выбор модификации Нажать кнопку «Добавить». Параметры прибора отобразятся в главном окне.

Отображение приборов в главном окне
Параметры доступны для редактирования. После подключения прибора к ПК, измененные параметры можно будет загрузить в него.
Обновление встроенного ПО
Сменить встроенное ПО можно только у приборов с одинаковой модификацией по питанию!
Нельзя сменить встроенное ПО, например, с КТР-121.220.02.20 на КТР-121.24.02.20.
Далее приведен пример смены встроенного ПО для КТР-121.24.01.10. Процесс смены встроенного ПО для остальных модификаций аналогичен.
Для обновления встроенного ПО следует:
Нажать на кнопку
Обновить устройство в контекстном меню выбранного
устройства или в главном меню. Откроется диалоговое окно для смены
встроенного ПО устройства.
ПримечаниеДопускается обновление одного или нескольких устройств. Устройства следует выделить в области устройств (см. рисунок, 5) и выбрать Обновить устройство в контекстном меню или главном меню.Выбрать источник загрузки:
Загрузить встроенное ПО из файла – требуется указать путь к файлу встроенного ПО в окне Проводника Windows;
Загрузить встроенное ПО, выбрав из списка – выбрать встроенное ПО из списка на сервере, доступных для загрузки в прибор данного типа;
Обновить до последней версии – последняя версия встроенного ПО будет загружена автоматически (требуется подключение к Интернету). Пункт недоступен, если версия встроенного ПО прибора актуальная.

Выбор источника встроенного ПО
Выбрать необходимую модификацию прибора (см. рисунок ниже).

Выбор алгоритма Нажатием кнопки «Загрузить», подтвердить загрузку выбранного встроенного ПО в прибор (см. рисунок ниже).

Начало загрузки встроенного ПО Пока идет загрузка встроенного ПО в устройство, в окне будет отображаться индикатор загрузки.

Индикатор прогресса процесса смены встроенного ПО Дождаться сообщения об окончании загрузки встроенного ПО в прибор (см. рисунок ниже).

Сообщение об окончании процесса смены встроенного ПО
ПримечаниеВ случае возникновения сбоя во время загрузки встроенного ПО, процесс смены встроенного ПО следует произвести повторно.После завершения записи встроенного ПО в устройство, отобразится уведомление о завершении процесса. Чтобы изменения вступили в силу устройство следует заново добавить в проект Конфигуратора.

Уведомление о необходимости добавить прибор заново в проект
Для проверки версии встроенного ПО прибора следует нажать кнопку
Информация об
устройстве. Откроется окно информации об устройстве.

Настройка часов
Часы прибора можно настроить в Конфигураторе или из системного меню.

Часы можно настроить в ветке Об устройстве/Часы в списке
параметров устройства или из меню Конфигуратора. После нажатия кнопки
Настроить часы появится меню, приведенное на рисунке ниже.

Для настройки часов следует:
Выбрать дату с помощью календаря.
Ввести время в поле часов или воспользоваться кнопкой Установить дату и время компьютера.
Нажать кнопку Записать значения.
Отслеживание параметров
В Конфигураторе можно просматривать изменение параметров в режиме реального времени.
Для отслеживания параметров следует:
Нажать кнопку
Отслеживание параметров.Появится окно со списком параметров.

Окно отслеживания параметров
Загрузка конфигурации в прибор
Для загрузки конфигурации (измененных параметров) в прибор следует
нажать кнопку
Записать значения или щелкнуть правой кнопкой мыши на значке
прибора и в появившемся меню выбрать пункт «Записать значения».

Монтаж и подключение
Установка
Если прибор находился длительное время при температуре ниже минус 20 °C, то перед включением и началом работ следует его выдержать в помещении с температурой рабочего диапазона не менее 30 минут. Это необходимо для предотвращения образования конденсата внутри прибора.


Для монтажа прибора на DIN-рейке следует:
- Подготовить на DIN-рейке место для установки прибора в соответствии с размерами прибора (см. рисунок).
- Вставив отвертку в проушину, оттянуть защелку (см. рисунок, 1).
- Прижать прибор к DIN-рейке (см. рисунок, 2). Отверткой вернуть защелку в исходное положение (см. рисунок, 3)
- Смонтировать внешние устройства с помощью ответных клеммников из комплекта поставки.
Для демонтажа прибора с DIN-рейки следует:
- Отключить питание и отсоединенить клеммники
ВниманиеПри демонтаже прибора следует соблюдать меры безопасности и использовать средства индивидуальной защиты (например, диэлектрические перчатки).Полностью обесточить прибор и связанные с ним устройства, отключив питание.
Отсоединить съемные части клеммников от прибора, предварительно пометив провода для последующего подключения (см. рисунок).
Обеспечить безопасное расположение проводов, чтобы избежать их случайного замыкания или повреждения.
- Отжать защелку:
Вставить отверткус плоским шлицем в проушину защелки на нижней стороне прибора.
Осторожно отжать защелку вниз, освобождая крепление прибора на DIN-рейке
Снять прибор с DIN-рейки:
Потянуть на себя нижнюю часть прибора от DIN-рейки, освобождая нижний зацеп.
Поднять прибор вверх, снимая верхний зацеп с верхнего края DIN-рейки.
Аккуратно удалить прибор, избегая ударов и механических повреждений корпуса.

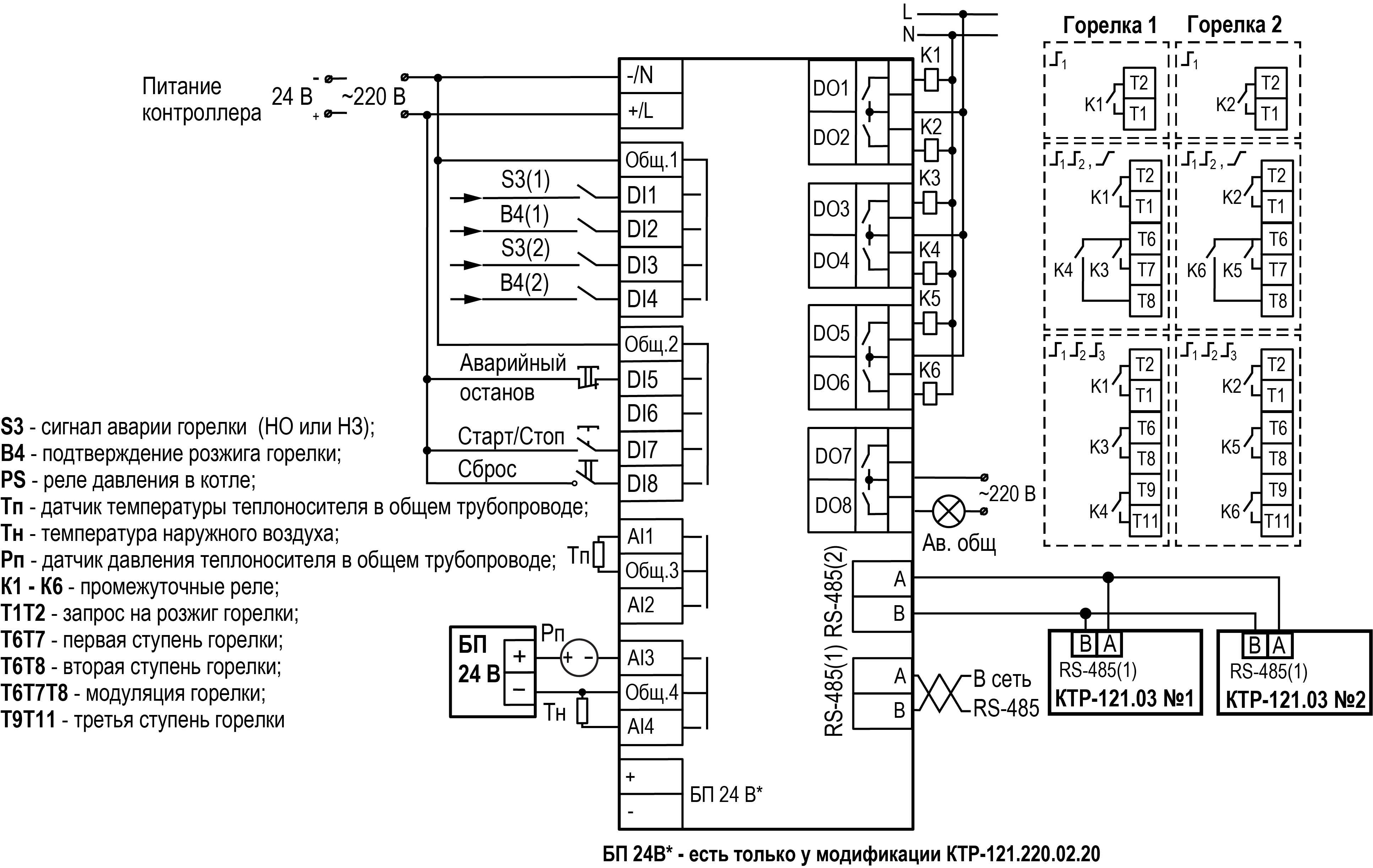
Общая схема подключения
Внешние связи монтируются проводом сечением не более 0,75 мм2. Для многожильных проводов следует использовать наконечники.

Номинальное напряжение питания прибора соответствует номинальному напряжению питания входов.
При работе прибора в сети постоянного напряжения с номиналом 24 В, сигналы переменного напряжения номиналом 230 В рекомендуется развязывать с дискретными входами через промежуточное реле.
Примеры подключения горелок представлены в Приложении Примеры подключений.
В случае необходимости вместо сигнала «Авария горелки» можно использовать сигнал разрешающей цепи из НЗ контактов.
В качестве источника сигнала аварийного останова котельной может служить как внешняя кнопка аварии, так и сигналы общекотельных аварий («Пожар», «Загазованность» и пр.).
Для контроля общекотельных аварий следует подключить модуль расширения ПРМ.

Индикация и управление
Основные элементы управления

Назначение кнопок
| Кнопка | Назначение |
|---|---|
![]() | Смещение видимой области вверх или вниз. Перемещение по пунктам меню |
![]() | Применяется в комбинациях с другими кнопками. При удержании более 6 секунд – переход в системное меню |
![]() | Выбор параметра |
![]() | Сохранение измененного значения |
![]() | Выход/отмена. При удержании более 6 секунд выход из системного меню. Возврат на Главный экран |
+ ![]() | Переход с Главного экрана в раздел «Меню» |
+ ![]() | Переход в раздел меню Аварии |
+ или + ![]() | Изменение редактируемого разряда (выше или ниже) |
Назначение светодиодов
На лицевой панели прибора расположены элементы индикации и управления (см. рисунок):
- двухстрочный шестнадцатиразрядный ЖКИ;
- два светодиода;
- шесть кнопок.
Для редактирования значений следует:
Нажатием кнопки
выбрать нужный параметр (выбранный параметр
начинает мигать).С помощью кнопок
и
установить нужное значение. Во время работы
с числовыми параметрами комбинация кнопок
+
/
меняет редактируемый разряд.Возможные варианты действия с измененным значением:
для сохранения следует нажать кнопку
;для сохранения и перехода к следующему параметру следует нажать
.
Для отмены введенного значения следует нажать
.
Главный экран
Главный экран (ступенчатая горелка)
Экран | Описание |
|---|---|
| Работа Тпр 80.5 | Режим работы и текущая измеренная температура подачи, °С |
| Уст.:70.5<..<85.5 | Температурный диапазон регулирования, °С |
| Ступ +: 5 сек* | Время до подключения/отключения ступени/котла, с |
| Стаб -: 13 сек* | Время стабилизации – задержка расчета интеграла на подключение/отключение ступени/котла, с |
| Управление: Пуск | Переключения режимов Пуск/Стоп |
| Рпр 5.2 | Текущее давление теплоносителя в подающем трубопроводе |
| Тнар 15 | Текущая температура наружного воздуха |
| К1:ВСт2 К2: Ож | Роль котлов 1, 2 и их состояние |
Аварии ->ALT+OK Меню ->ALT+SEL | Для перехода к меню Аварий нажать сочетание клавиш Для возвращения к меню нажать сочетание клавиш |
На главном экране прибора отображается вся необходимая для работы
информация. Для просмотра всей информации на дисплее следует менять
положение строк индикации нажатием кнопок
и
. Внешний вид главного
экрана представлен в таблице и.
Главный экран (модулируемая горелка)
Экран | Описание |
|---|---|
| Работа Тпр 65.5 | Режим работы и текущая измеренная температура подачи, °С |
| Уст.: 70.5 | Температурный уставка регулирования, °С |
| Мощн: 50 % | Текущая мощность ПИД-регулятора, % |
| Управление: Пуск | Переключения режимов Пуск/Стоп
|
| Рпр 5.2 | Текущее давление теплоносителя в подающем трубопроводе |
| Тнар 15 | Текущая температура наружного воздуха |
| К1:В80 К2: Ож | Роль котлов 1, 2 и их состояние |
Аварии ->ALT+OK Меню ->ALT+SEL | Для перехода
к меню Аварий нажать сочетание клавиш Для возвращения к меню нажать сочетание клавиш |
Режим работы/Варианты индикации
Вид | Описание |
|---|---|
| ЗапНас | Запуск котловых насосов (если есть в схеме) |
| Розжиг | Запуск горелки в работу, подан запрос на розжиг, но пока нет подтверждения работы от горелки (В4) |
| ХолПуск | Активен режим плавного прогрева холодного котла |
| РабСт1 | Работа горелки на первой ступени |
| РабСт2 | Работа горелки на второй ступени |
| РабСт3 | Работа горелки на третьей ступени |
| Работа | Модулируемая горелка в работе |
| Стоп | Отключены все исполнительные механизмы |
| РежСон | Рабочий останов котла при избытке тепла |
| Тест | Система переведена в режим тестирования (ручное управление) |
| Авария | Сигнализация о неисправности. Поведение прибора см. таблицу |
Для удобства отслеживания текущего режима работы прибора индикация «Режим работы» имеет варианты, указанные в таблице.
Структура меню

Если в разделе Тип схемы параметр Погодозав = Нет, то в разделе меню Настройки будет отсутствовать пункт Погодозависимость.
Общая информация
Меню/Информация/Общая
Экран | Описание |
|---|---|
| Информация | |
| КТР-121.02.20 | Наименование модификации прибора |
| Версия: 3.10 | Версия программного обеспечения |
| от 08.08.2023 | Дата релиза программного обеспечения |
Наименование модификации прибора, версию программного обеспечения и дату ее релиза можно найти в Меню → Информация → Общая.
Сброс настроек
Меню/Настройки/Сброс настроек
| Экран | Описание | Диапазон |
|---|---|---|
| Сброс настроек |
Сброс настроек на заводские значения | Нет, Да |
| на заводские:Нет |
Параметры прибора можно вернуть к заводским значениям с помощью команды в меню Сброс настроек.
Секретность
Секретность
Экран | Описание |
|---|---|
| Секретность | Название экрана |
| Пароль 1: 0 | Пароль доступа в меню «Быстр.Настройка» |
| Пароль 2: 0 | Пароль доступа в меню «Настройки» |
| Пароль 3: 0 | Пароль доступа в меню «Тест Вх/Вых» |
Доступ к настройкам Секретность осуществляется через Меню → Настройки → Секретность.
Пароли блокируют доступ:
Пароль 1 — к группе Быстр.Настройка;
Пароль 2 — к группе Настройки;
Пароль 3 — к группе Тест Вх/Вых.
Для сброса паролей следует:
перейти в Меню прибора;
нажать комбинацию кнопок (
+
);набрать пароль 118 и подтвердить cброс.
Так же установлены пароли:
на сброс журнала аварий — 741;
сброс настроек прибора на заводские — 963.
Режимы работы
Общие сведения

После подачи питания и загрузки контроллер переходит в режим Стоп.
Прибор имеет следующие режимы:
- Работа;
- Стоп;
- Тест;
- Авария.
Режим работы контроллера индицируется в первой строке главного экрана.
Схема переходов между режимами представлена на рисунке.
Режим «Стоп»
В режиме Стоп контроллер не выдает управляющих сигналов, но контролирует аварии.
Для перехода из режима Стоп в режим Работа следует переключить режимы (Управление: Пуск→ Стоп ) с главного экрана, либо подать команду на запуск по сети. Обратный переход осуществляется аналогично.
Режим «Авария»
Режим «Авария» предназначен для обеспечения безопасности котельной. В случае возникновения нештатной ситуации контроллер фиксирует причины аварии, выдает аварийный сигнал на соответствующий выход. В данном режиме поведение прибора определяется типом возникшей аварии и настройками см. столбец «Реакция прибора» в таблице.
Режим «Работа»
В режиме Работа прибор:
регулирует температуру сети, управляя мощностью котлов;
автоматически меняет роль ведущего котла по времени наработки;
контролирует аварии системы теплоснабжения;
контролирует общекотельные аварии (нужен модуль расширения ПРМ-1).
Режим «Тест»
Данный режим предназначен для:
проверки работоспособности дискретных и аналоговых датчиков
;проверки встроенных реле
;правильности подключения исполнительных механизмов.
Для перехода в режим тест следует:
Перевести контроллер в режим Стоп,
внешней кнопкой Старт/Стоп либо через меню прибора.
Открыть экран Тест Вх/Вых.
Перевести прибор в режим Тест, выбрав значение «Активен»
в параметре Режим (Меню → Настройки → Тест Вх/Вых).
Экраны тестирования входов/выходов
Экран | Описание | Диапазон |
|---|---|---|
| Тест Вх/Вых |
|
|
| Режим: Не акт. | Переход в тестовый режим | 0 – Не активен, 1 – Активен |
Дискретные выходы | ||
| DO1: РозжигК1 – 0 | Сигнал запроса на розжиг первой горелки | 0 – Не активен, 1 – Активен |
| DO2: РозжигК2 – 0 | Сигнал запроса на розжиг второй горелки | 0 – Не активен, 1 – Активен |
| DO3: К1 1ст – 0 | Сигнал на включение первой ступени горелки № 1 | 0 – Не активен, 1 – Активен |
| DO4: К1 2ст – 0 | Сигнал на включение второй ступени горелки № 1 | 0 – Не активен, 1 – Активен |
| DO5: К2 1ст – 0 | Сигнал на включение первой ступени горелки № 2 | 0 – Не активен, 1 – Активен |
| DO6: К2 2ст – 0 | Сигнал на включение второй ступени горелки № 2 | 0 – Не активен, 1 – Активен |
| DO8: АвОбщ – 0 | Сигнал на включение лампы «Авария общая» | 0 – Не активен, 1 – Активен |
Дискретные входы | ||
| DI1: АварияК1 – 0* | Сигнал горелки о возникновении аварии | 0 – Норма, 1 – Авария |
| DI1: Разр.РК1 – 0* | Сигнал на разрешение работы горелки | 0 – Авария, 1 – Норма |
| DI2: РаботаК1 – 0 | Сигнал горелки о подтверждении ее работы | 0 – Авария, 1 – Норма |
| DI3: АварияК2 – 0* | Сигнал горелки о возникновении аварии | 0 – Норма, 1 – Авария |
| DI3: Разр.РК2 – 0* | Сигнал на разрешение работы горелки | 0 – Авария, 1 – Норма |
| DI4: РаботаК2 – 0 | Сигнал горелки о подтверждении ее работы | 0 – Авария, 1 – Норма |
| DI5: Ав Кнопк – 0 | Кнопка аварийного останова котельной «Аварийный стоп» | 0 – Авария, 1 – Норма |
| DI7: Кн.Старт – 0 | Кнопка «Старт/Стоп» котельной | 0 – Стоп, 1 – Старт |
| DI8: Кн.Сброс – 0 | Кнопка «Сброс аварий» | 0 – Норма, 1 – Сбросить |
Аналоговые входы | ||
| AI1: Тпр 76,7 °С | Текущая температура теплоносителя сети | 0…500 |
| AI3: Рпр 5,36 | Текущее давление теплоносителя сети | 0…100 |
| AI4: Тнар – 10,6 °С | Текущая температура наружного воздуха | -100…100 |
| Далее: ALT+ВнизНазад-> ESC | Для перехода к следующему меню нажать сочетание клавиш Для выхода из меню нажать кнопку |
|
Дискретные выходы ПРМ | ||
| DO1: Ав.Пожар – 0 | Сигнал на включение лампы «Пожар» | 0 – Не активен, 1 – Активен |
| DO2: Ав.Охран – 0 | Сигнал на включение лампы «Взлом» | 0 – Не активен, 1 – Активен |
| DO3: Ав.Ргаза – 0 | Сигнал на включение лампы «Давление газа не в норме» | 0 – Не активен, 1 – Активен |
| DO4: Ав.Рпр – 0 | Сигнал на включение лампы «Давление сети не в норме» | 0 – Не активен, 1 – Активен |
| DO5: Ав.СО – 0 | Сигнал на включение лампы «Загазованность СО» | 0 – Не активен, 1 – Активен |
| DO6: Ав.СН – 0 | Сигнал на включение лампы «Загазованность СН» | 0 – Не активен, 1 – Активен |
| DO7: Ав.НасС – 0 | Сигнал на включение лампы «Авария сетевых насосов» | 0 – Не активен, 1 – Активен |
| DO8: Ав.НасП – 0 | Сигнал на включение лампы «Авария насосов подпитки» | 0 – Не активен, 1 – Активен
|
Дискретные входы ПРМ | ||
| DI1: Пожар – 0 | Датчик пожара | 0 – Авария, 1 – Норма |
| DI2: Охрана – 0 | Датчик проникновения | 0 – Авария, 1 – Норма |
| DI3: minРгаза – 0 | Давление газа мало | 0 – Авария, 1 – Норма |
| DI4: maxРгаза – 0 | Давление газа велико | 0 – Авария, 1 – Норма |
| DI5: Ав.СО – 0 | Датчик загазованности СО | 0 – Авария, 1 – Норма |
| DI6: Ав.СН – 0 | Датчик загазованности СН | 0 – Авария, 1 – Норма |
| DI7: Газ кл. – 0 | Положение газового клапана | 0 – Закрыт, 1 – Открыт |
| Назад: ALT+ВнизВыход-> ESC | Для перехода
к предыдующему меню нажать сочетание клавиш Для выхода из меню нажать кнопку | |
Управление котлами
Измерение температуры и давления
Меню/Настройки/Входы
| Экран | Описание | Диапазон |
|---|---|---|
| Настройка входов |
|
|
| Тпр: PT1000 | Тип датчика температуры прямой воды | PT1000, PT100, 100М, NTC |
| В25/100 | Коэффициент для NTC | 0...9999 |
| R25 | Начальное сопротивление для NTC | 0...9999 |
| Сдвиг: 0,000 | Корректировка измеренного значения | -100...100 |
| Рпр |
|
|
| 20мА: 10 | Верхняя граница измерения давления | 0...100 |
| 4мА: 0,000 | Нижняя граница измерения давления | 0...100 |
| Сдвиг: 0,000 | Корректировка измеренного значения | -100...100 |
| Тнар: PT1000 | Тип датчика температуры наружного воздуха | PT1000, PT100, 100М, NTC |
| В25/100 | Коэффициент для NTC | 0...9999 |
| R25 | Начальное сопротивление для NTC | 0...9999 |
| Сдвиг: 0,000 | Корректировка измеренного значения | -100...100 |
| DI 1/3: Разр.РК | Режим работы дискретных входов № 1 и № 3 | Разр.РК, АварияК |
| Сброс | Режим сброса аварии котла | Ручной, Автомат |
| DI Вр.Флтр: 1,5 сек | Время фильтра дискретных сигналов на входах, с | 1,5...5 |
| Выход -> ESC | Для выхода из меню
нажать кнопку ![]() |
|
Прибор работает с резистивными датчиками температуры типа — PT1000, PT100, 100М и NTC (см. таблицу).
Тип датчика задается для каждого входа отдельно.
Если измеренное значение отличается от фактического, то рекомендуется ввести корректировку Сдвиг (для каждого входа задается отдельно):
Для корректного измерения давления следует настроить пределы преобразования токового сигнала 4…20 мА в пользовательские единицы измерения (МПа, бар, атм. и т. п.).
Функция измерения и контроля давления активируется параметром Контр.Рпр (Меню → Настройки → Тип схемы).
Выбор типа дискретного сигнала на входах DI1 и DI3 определяет тип подключенной цепи:
НО контакт – «Авария котла» (DI 1/3: АварияК);
Последовательность НЗ контактов – «Разрешающая цепь» (DI 1/3: Разр.РК).
Сигнал «Авария горелки» предполагает наличие активного сигнала на дискретных входах DI1 или DI3 при возникновении аварии. Отсутствие сигнала на входах DI1 и DI3 в режиме работы свидетельствует о нормальной работе горелок.
«Разрешающая цепь» предполагает наличие активного сигнала на дискретных входах DI1 и DI3 в режиме работы. Отсутствие сигнала на входах DI1 и DI3 в режиме работы свидетельствует о недоступности горелки для запуска. Горелка автоматически возвращается в работу, если на входе DI1 появился активный сигнал.
В контроллере реализовано два способа сброса аварии горелки: автоматический и ручной. Выбор способа осуществляется в параметре Сброс (Меню → Настройки → Входы):
Сброс: Автомат. Авария фиксируется и сбрасывается автоматически по изменению состояния входа DI1 в соответствии с логикой заданной в параметре DI1: Разр.Рк (НЗ) или АварияК (НО).
Сброс: Ручной. Авария фиксируется автоматически по изменению состояния входа DI1 в соответствии с логикой заданной в параметре DI1: Разр.Рк (НЗ) или АварияК (НО), сбрасывается вручную по кнопке Сброс (DI8). Ручной сброс аварии сопровождается замыканием контактов Т1-Т2 - выхода на включение горелки (DO7) на время заданное в параметре Вр.Розжига (Меню → Настройки → Защита). Если по окончанию таймера сигнал аварии горелки остается быть активным, контакты Т1-Т2 снова размыкаются и авария горелки остается зафиксированной. Если по окончанию таймера сигнал аварии горелки пропал - авария на приборе сбрасывается, прибор переходит в режим Стоп.
Для всех дискретных входов настройка времени фильтра Вр.Флтр позволяет не обрабатывать сигналы дребезга контактов.
Выбор схемы управления
Меню/Настройки/Тип схемы
Экран | Описание | Диапазон |
|---|---|---|
| Тип Схемы | ||
| Горелка: 2 ступ | Тип горелки | 0 - Мод, 1 - 1 ступ, 2 - 2 ступ, 3 - 3 ступ |
| Погодозав: Нет | Наличие коррекции уставки по датчику температуры наружного воздуха | Есть, Нет |
| Контр Рпр | Контроль давления в общем коллекторе или трубопроводе | Есть, Нет |
| ОбщекотАв: Нет | Контроль общекотельных аварий | Есть, Нет |
| Выход -> ESC | Для выхода из меню
нажать кнопку ![]() |
Наличие, тип и количество исполнительных механизмов в схеме определяется параметрами Типа схемы. Настройка конфигурации схемы управления определяет логику работы прибора.
Запуск котельной

После получения команды на запуск прибор запускает горелку ведущего котла. Пока от горелки не пришло подтверждение о успешном розжиге, на главном экране отображается – РГ (Розжиг). После подтверждения розжига, в зависимости от типа горелки и текущего значения температуры подачи, индикация данного состояния на главном экране будет соответствовать статусу: Ст1, Ст2, Ст3 или XXX, где ХХХ текущее значение мощности ПИД-регулятора (подробнее см. раздел).
После подтверждения розжига, в зависимости от типа горелки и текущего значения температуры подачи, индикация данного состояния на главном экране будет соответствовать статусу: ХолПуск, Работа, РабСт1, РабСт2, РабСт3 или РежСон.
Холодный пуск
Меню/Настройки/Защита
Экран | Описание | Диапазон |
|---|---|---|
| Вр.розжига: 0 сек | Время ожидания появления подтверждения работы горелки, с | 0 – Откл, 0...180 |
| Вр.Прогрева: 10 мин | Время ограничения горелки на минимальной мощности, мин | 1...600 |
| Вр.Остывания: 4ч | Время по истечению которого котел считается остывшим, ч | 0 – Откл, 1...72 |
| Выход -> ESC | Для выхода из меню
нажать кнопку ![]() |
|
Плавный розжиг «холодного» котла осуществляется с помощью удержания горелки на минимальной мощности в течение заданного времени прогрева. Холодным считается котел, который не работал более заданного времени остывания (Меню → Настройки → Защита → Вр.Остывания). На главном экране индикация данного режима отображается как ХП. Прогретым считается котел, который на минимальной мощности проработал более заданного времени прогрева (Меню → Настройки → Защита → Вр.Остывания).
Регулирование температуры
Экран быстрых настроек для ступенчатых горелок
Экран | Описание | Диапазон |
|---|---|---|
| Быстр. Настройка | ||
| Тпр min: 80,0 | Нижняя граница диапазона регулирования температуры на подаче, °С | 0...500 |
| Тпр max: 90,0 | Верхняя граница диапазона регулирования температуры на подаче, °С | 0...500 |
| Скорость реакц: | ||
| [***** ] | Шкала задания скорости реакции регулятора | |
| Резко Плавно | ||
| Выход -> ESC | Для выхода из меню
нажать кнопку ![]() |
В процессе работы прибор автоматически определяет, какое количество котлов и какую выходную мощность следует задействовать для достижения заданной температуры теплоносителя в общем коллекторе.
Скорость реакции на изменение температуры настраивается шкалой (Меню → Быстрые настройки → Скорость реакции).
Крайнее левое положение индикатора на шкале соответствует наиболее быстрой реакции, но менее точному регулированию. С каждым последующим смещением шкалы вправо, скорость реакции уменьшается, но увеличивается точность.
Экран быстрых настроек для модулируемых горелок
Экран | Описание | Диапазон |
|---|---|---|
| Быстр. Настройка | ||
| Тпр: 85,0 | Уставка регулирования температуры на подаче, °С | 0...500 |
| Мощн.Вкл.Гор20 | Мощность горелки, соответствующая малому горению | 0...50 |
| Скорость реакц: | ||
| [***** ] | Бар задания скорости реакции регулятора | |
| Резко Плавно | ||
| Выход -> ESC | Для выхода из меню
нажать кнопку ![]() |
Индикация Пользовательские на шкале управления, свидетельствует о заданных значениях параметров регулирования численным способом.
Скорость реакции на изменение температуры также настраивается численными способом – параметрами интеграла подключения и отключения для ступенчатой горелки или ПИД-коэффициентами для модулируемой горелки (см. Приложение Настройка регулятора).
В зависимости от типа выбранных горелок на экране отображается один из двух вариантов быстрой настройки.
Ступенчатая горелка
Для достижения заданной температуры подачи теплоносителя в общем коллекторе, по параметрам интеграла на подключение и отключение Интег +/- (Меню → Настройки → Регулирование) каскадный регулятор рассчитывает необходимое число включенных в работу ступеней всех доступных для работы в каскаде котлов, исходя из динамики температуры подачи в общем коллекторе, и выдает команды на подключение дополнительных ступеней или отключения избыточных. Если в режиме Работа температура подачи в общем трубопроводе становится ниже средней границы регулирования (Тпр.max + Тпр.min)/2, то интеграл на подключение дополнительной ступени начинает накапливаться. Как только значение интеграла становится равным значению заданным в параметре Интег+ (Меню → Настройки → Регулирование), подключается дополнительная ступень. Если температура подачи котла становится выше верхней границы, накопленный интеграл на подключение (Интег+) сбрасывается, начинается накопление интеграла на отключение ступени (Интег-).
Для более точного и качественного регулирования в каскадном регуляторе реализованы разные точки начала расчета интеграла для каждой ступени горелки.

Для третьей ступени:
Интеграл на отключение (Интег-) начинает отсчитываться при превышении нижней границы регулирования.
Интеграл на включение (Интег+) начинает отсчитываться при снижении ниже средней границы регулирования.
Для второй ступени:
Интеграл на отключение (Интег-) начинает отсчитываться при превышении средней границы регулирования.
Интеграл на включение (Интег+) начинает отсчитываться при снижении ниже средней границы регулирования.
Для первой ступени:
Интеграл на отключение (Интег-) начинает отсчитываться при превышении верхней границы регулирования.
Интеграл на включение (Интег+) начинает отсчитываться при снижении ниже средней границы регулирования.
Порядок подключения и отключения ступеней котлов определяется в параметре Посл.смены (Меню → Настройки → Каскад котлов).

Принудительное включение ведущего котла
Чтобы избежать больших просадок температуры подачи и более точного и качественного регулирования, в контроллере предусмотрена защитная функция, которая позволяет принудительно запустить котел в работу при снижении его температуры подачи ниже температуры включения, независимо от рассчитанной мощности. Температура включения котла рассчитывается от текущей верхней границы уставки регулирования:
Для ступенчатых горелок: Тпр.max - Дельта.Вкл.
Для модулируемых горелок: Туст + ½ ∙ ЗН - Дельта.Вкл.
Параметр Дельта.Вкл настраивается в группе → (Меню → Настройки → Регулирование).
Для каскадных контроллеров настройка применима только для ведущего котла.
Настройка отключена, если для параметра Дельта.Вкл установлено значения 0. В этом случае, котел будет запускаться по рассчитанной мощности, расчет которой начнется при снижении температуры подачи ниже средней границы регулирования.
Время стабилизации
Для предотвращения тактования котлов со ступенчатой горелкой в контроллере реализована задержка начала расчета его мощности - время стабилизации (Меню → Настройки → Регулирование → Вр.Стаб+/-). Задержка реализована в виде таймера с обратным отсчетом, которая позволяет оценить реакцию системы на изменение мощности котла. До завершения работы таймера расчет интеграла на подключение или отключения ступени остановлен. При подключении или отключении последней ступени последнего котла время стабилизации не отсчитывается.
Таймер после подключения первой ступени котла (Вр.Стаб+) запускает отсчет только при переходе в статус Работа. В статусах: Розжиг горелки (РГ), Холодный пуск (ХП) расчет интеграла остановлен.

Меню/Настройки/Регулирование
Экран | Описание | Диапазон |
|---|---|---|
| Регулирование |
|
|
| Тпр max: 80,0 | Верхняя рабочая граница прямой воды, °С | 0…500 |
| Тпр min: 70,0 | Нижняя рабочая граница прямой воды, °С | 0…500 |
| Дельта.Вкл: -5 | Дельта от верхней границы для принудительного запуска ведущего котла | -40...0 |
| Интег+: 420,0 | Значение температурно-временного интеграла, по достижении которого ступень включается | 0…9999 |
| Интег-: 420,0 | Значение температурно-временного интеграла, по достижении которого ступень отключаются | 0…9999 |
| Вр.Стаб+: 11с | Задержка начала расчета интеграла на подключение ступени, c | 0…200 |
| Вр.Стаб-: 11с | Задержка начала расчета интеграла на отключение ступени, c | 0…200 |
| Выход -> ESC | Для выхода из меню
нажать кнопку ![]() |
|
Время стабилизации рекомендуется задавать равным времени изменения перелома кривой нагрева от момента изменения мощности котла.
Время стабилизации сбрасывается принудительно, при превышении уставки сигнализационной температуры в подающем общем трубопроводе.
Пример
Допускается отклонение от нижней границы диапазона регулирования на величину не более 6 °С. Максимальное время до включения следующей ступени при данной просадке – не более 60 с.
Задавать минимальное значение интеграла включения следует как: (6 × 60) / 2 = 180.
Допускается превышение над верхней границей диапазона регулирования не более, чем на 3 °С. Максимальное время до отключения предыдущей ступени при данном перегреве – не более 20 с.
Задавать минимальное значение интеграла выключения следует как: (3 × 20) / 2 = 30.
Последовательность подключения ступеней


В каскадный регулятор добавлена настройка с выбором варианта последовательности подключения и отключения котлов в каскаде в параметре Посл.смены (Меню → Настройки → Каскад котлов):
При значении параметра Посл.смены: 1122: первыми последовательно включаются первые ступени горелок, затем в том же порядке подключаются следующие ступени горелок. Отключение происходит в обратном порядке.
При значении параметра Посл.смены: 1212: ступени горелок включаются последовательно для каждого котла. Следующий котел в каскаде может быть подключен только при работе всех включенных котлов на максимальной мощности. Отключение происходит в обратном порядке.
Модулируемая горелка
Для достижения заданной температуры подачи теплоносителя в общем коллекторе, по параметрам ПИД-регулятора (Меню → Настройки → Регулирование) каскадный регулятор рассчитывает необходимую мощность (в процентах) и распределяет ее равномерно на все включенные в работу котлы. Количество включенных в работу котлов определяется процентом рассчитанной мощности и порогом на подключение и отключение котлов Порог.Перекл (Меню → Настройки → Регулирование):
Порог.Перекл - значение процента, которое формирует порог на подключение или отключение котла.
Мощность подключения второго котла будет равна максимальной мощности первого котла (100 %) + Порог.Перекл. При достижении рассчитанной мощности этого значения произойдет подключение второго котла.
Мощность отключения второго котла будет равна максимальной мощности первого котла (100 %) - Порог.Перекл. При достижении рассчитанной мощности этого значения произойдет отключение второго котла.
Пример
При значении Порог.Перекл 7 %, подключение второго котла будет происходить при расчитанной мощности 107 %, отключение при 93 %.
Качество регулирования температуры сети определяются параметрами коэффициентов ПИД-регулятора, задаваемых в настройках прибора (Настройки → Регулирование → Кп, Ти, Тд). Значение полного времени хода сервопривода горелки (Меню → Настройки → Регулирование → Вр. Хода Сервопр Полное) должно соответствовать фактическому времени перемещения сервопривода задвижки от минимально закрытого до максимально открытого положения сервопривода. От данных настроек зависит точность расчета управляющих импульсов, что в значительной степени влияет на точность работы регулятора.
Устанавливаемое время хода относится к диапазону модулирования.
При подключении или отключении котла, рассчитанная мощность распределяется равномерно на все котлы со статусом Работа. Мощность не распределяется на котлы, которые находятся в розжиге, прогреве, аварии или в стопе.

Меню/Настройки/Регулирование
Экран | Описание | Диапазон |
|---|---|---|
| Регулирование |
|
|
| Тпр: 85,0 | Уставка температуры прямой воды, °С | 0…500 |
| Зона Нечув: 5,0 | Зона нечувствительности прямой воды, °С | 0…9 |
| Дельта.Вкл: -5 | Дельта от верхней границы для принудительного запуска котла | -40...0 |
| Порог.Перекл: 5% | Порог подключения или отключения следующего котла | 0...50 |
| ПИД КП: 5,0 | Пропорциональный коэффициент ПИД-регулятора | 0…9999 |
| ПИД Ти: 60,0 | Время интегрирования ПИД-регулятора, с | 0…9999 |
| ПИД Тд: 0,0 | Время дифференцирования ПИД-регулятора, с | 0…9999 |
| Мощн.Вкл.Гор: 20 | Мощность горелки соответствующая малому горению, % | 0...50 |
| Вр.Хода Сервопр: |
|
|
| Полное: 60с | Полное модулируемое время хода сервопривода, с | 5…600 |
| Мин-е: 5,0с | Минимальное время хода сервопривода горелки, с | 0,3…100 |
| ЗадержПодкл: 1с | Задержка на подключение ведомого котла в каскаде, с | 0...999 |
| ЗадержОткл: 1с | Задержка на отключение ведомого котла в каскаде, с | 0...999 |
| Выход -> Esc | Для выхода из
меню нажать кнопку |
Пример
Время полного хода сервопривода (90°) – 15 секунд, минимальное открытое положение сервопривода – 20°. Максимальное открытое положение сервопривода – 80°.
Модулируемое полное время хода задвижки рассчитывается следующим образом: (15 ∙ (80 – 20) ÷ 90) = 10 с.
Для предотвращения воздействия на сервопривод горелки частых и коротких импульсов, управляющий сигнал подается только, если его длительность больше минимального времени хода (Меню → Настройки → Регулирование → Вр.Хода Сервопр Мин-е).
Алгоритм управления сервоприводом, подразумевает использование сигнала "доводки". Применение сервопривода без концевых выключателей может привести к его поломке.
ЗадержПодкл - задержка перед подключением ведомого котла в каскаде с модулируемой горелкой.
ЗадержОткл - задержка перед отключением ведомого котла в каскаде с модулируемой горелкой.
Погодозависимое регулирование
Функция погодозависимого регулирования активируется во время настройки типа схемы (Меню → Настройки → Тип схемы → Погодозависимость). В приборе предусмотрены следующие виды погодозависимого регулирования: Сдвиг и Уставка.
Сдвиг - коррекция уставок при различных значениях уличной температуры. Предназначен для закрытых сетевых контуров.
Температура сети регулируется по уставке со сдвигом значения. Значение сдвига уставки (Тсдвг) является переменной величиной и вычисляется прибором, исходя из текущей температуры наружного воздуха по графику сдвига: Тсдвг = f(Тнар).
Меню/Настройки/Погодозависимость
| Экран | Описание | Диапазон |
|---|---|---|
| Погодозав-ть | ||
| Режим: Сдвиг | Режим коррекции при погодозависимости | Сдвиг, Уставка |
| Тнар Тсдвг | 0 | |
| 1) -40,0 10,0 | Температура наружного воздуха, точка № 1, °С | –100...+100 |
Коррекция температуры прямой сетевой воды, точка 1, °С | –100...+100 | |
| 2) 0,0 0,0 | Температура наружного воздуха, точка № 2 | –100...+100 |
Коррекция температуры прямой сетевой воды, точка 2, °С | –100...+100 | |
| 3) 10,0 -10,0 | Температура наружного воздуха, точка 3, °С | –100...+100 |
Коррекция температуры прямой сетевой воды, точка № 3, °С | –100...+100 |
Уставка - режим в котором в настройках задается график отопления. Предназначен для систем с открытым сетевым контуром (отопительным контуром). Гистерезис отопительного графика определяется параметром Зона нечув. (задается в Меню → Настройка → Регулирование).
Пример
Есть двухступенчатая горелка с настроенными диапазонами регулирования Тниз = 60 и Тверх = 70. На рисунке задан график из двух точек со значениями:
Тнар, °C | Тсдвг, °C |
|---|---|
–10 | +5 |
+10 | –5 |
Рассчитанные диапазоны регулирования будут следующими:
Тнар, °C | Тниз, °C | Тверх, °C |
|---|---|---|
–10 | 65 | 75 |
0 | 60 | 70 |
+10 | 55 | 65 |
Защита
Меню/Настройки/Защита
| Экран | Описание | Диапазон |
|---|---|---|
| Вр.розжига: 0 сек | Время ожидания появления подтверждения работы горелки, с | 0 – Откл, 0...600 |
| Управ.Выкл: Нет | Контроль управляемого выключения горелки | Есть, Нет |
| Ав.Откл: Резкое | Стратегия отключения горелки при аварии | Резкое, Плавное |
| Вр.Прогрева: 10 мин | Время ограничения горелки на минимальной мощности, мин | 1...600 |
| Вр.Остывания: 4ч | Время по истечению которого котел считается остывшим, ч | 0 – Откл, 1...72 |
| Удерж.Ступ: Выкл | Ограничение минимальной выходной мощности котла(-ов) | Выкл, Ведущ, Все |
| Тпр сиг: 90,0 | Опасно высокая температура теплоносителя в подающем трубопроводе, °С | 0…500 |
| Гист.сиг: 1,0 | Гистерезис срабатывания сигнализации | 1…30 |
| Сигнал-ция | Сигнализация при превышении уставки опасно высокой температуры | Выкл, Вкл |
| Тпр ав: 95,0 | Аварийная температура теплоносителя в подающем трубопроводе, °С | 0…500 |
| Гист.ав: 1,0 | Гистерезис срабатывания аварии | 1…30 |
| Вр.3-х Аварий по перегреву: 5 мин | Время мониторинга трех аварий по перегреву, мин | 0 – Откл, 1…600 |
| Давление сигн |
|
|
| Рпр min: 1,0 | Опасно низкое давление теплоносителя | 0…100 |
| Рпр max:8,0 | Опасно высокое давление теплоносителя | 0…100 |
| Давление авар |
|
|
| Рпр min: 0,5 | Аварийно низкое давление теплоносителя | 0…100 |
| Рпр max: 10,0 | Аварийно высокое давление теплоносителя | 0…100 |
| Выход -> ESC | Для выхода из меню
нажать кнопку ![]() |
|
Для безопасной работы котла следует задать пределы и времена задержки срабатываний сигнализации и аварий (Меню → Настройки → Защита). Полный перечень контролируемых аварий (см. раздел).
Параметр Управ.Выкл служит для обеспечения бесперебойной работы с менеджерами горения, обладающими функцией управляемого выключения.
Вр.розжига - параметр времени, в течении которого прибор ожидает появление сигнала подтверждения розжига (В4) от горелки, после выдачи сигнала запроса на розжиг (DO7). Если после запроса на розжиг в течении Вр. Розжига сигнал подтверждения розжига (В4) не поступает – фиксируется авария горелки. Если во время работы горелки пропадает сигнал подтверждения розжига, контроллер фиксирует аварию горелки. Контроль В4 отключен, если Вр.розжига = 0.
Управ.Выкл: Есть
При запланированном перезапуске грелки менеджером горения с функцией управляемого выключения контроллер ожидает повторное появление сигнала подтверждения розжига горелки в течении времени заданного в параметра Вр.Розжига. Если по истечению времени сигнал не появился - контроллер фиксирует аварию горелки.
Управ.Выкл: Нет
Поведение в соответствии с настройкой Вр.розжига.
В контроллере реализована функция удержания горелки ведущего котла или всех котлов на минимальной мощности, она позволяет оставлять включенной горелку независимо от рассчитанной мощности котла, даже при отсутствии необходимости в нагреве. Функция ограничивает только минимальную мощность. Активировать ее можно в параметре Удерж.Ступ (Меню → Настройки → Защита).
Принцип работы:
Если функция активирована на каскадном регуляторе для ведущего котла (Удерж.Ступ: Ведущ), то ведущий котел в каскаде всегда включен с ограничением минимальной мощности - минимальным горением (первая ступени или номинальная мощность для модулируемой горелки). Кроме ситуаций с блокирующим фактором (критическая авария, перегрев аварийный, стоп).
Если функция активирована на каскадном регуляторе для всех котлов (Удерж.Ступ: Все), то все котлы в каскаде всегда включены с ограничением минимальной мощности - минимальным горением (первая ступени или номинальная мощность для модулируемой горелки), кроме ситуаций с блокирующим фактором (критическая авария, перегрев аварийный, стоп).
Вр.Прогрева - параметр времени, отвечающий за длительность удержания холодного котла на минимальной мощности. Котел считается холодным, если он не работал дольше времени, заданного в параметре Вр.Остывания. По умолчанию контроль холодного котла отключен, контроллер не ограничивает мощность горелки при запуске. Его можно включить в настройках прибора, задав Вр.Остывания отличным от нуля.
При фиксировании любой критической аварии (см. раздел), контроллер осуществляет аварийное отключение модулируемой горелки по одной из двух стратегий, выбранной в параметре Ав.Откл (Меню → Настройки → Защита):
Если Ав.Откл: Резкое, при фиксировании критической аварии запрос на розжиг горелки снимается сразу же, после возникновения аварии.
Если Ав.Откл: Плавное, при фиксировании критической аварии запрос на розжиг горелки снимается после доведения положения сервопривода горелки до мощности малого горения. Сигнал на закрытие сервопривода будет подаваться в течение полного времени хода сервопривода (Меню → Настройки → Регулирование → Вр.ХодаСервопр: Полное).

Тпр сиг и Тпр ав - аварийная и сигнализационная уставка температуры подачи. Принцип фиксации изображен на рисунке.
При достижении уставки Тпр сигн в подающем трубопроводе контроллер сбрасывает мощность котла на минимальную:
для одноступенчатой горелки — отключает котел;
для двухступенчатой горелки — переключает на первую ступень;
для модулируемой горелки — переключает на мощность включения горелки (Мощн.Вкл.Гор).
Сигнализацию о превышении Тпр сиг можно отключить в параметре Сигнал (Вкл → Выкл), в этом случае при достижении Тпр сиг выход DO8 не будет замкнут, авария не будет зафиксирована в журнал аварий, мощность котла будет сброшена на минимальную.
Давление сигн - служит для предупреждения оператора о выходе давления теплоносителя за допустимые границ.
Давление авар - служит для аварийного останова котельной и оповещения оператора о неисправности работы системы. Авария считается критической с возможностью ручного сброса.
Аварийная стратегия
Зависимость количества работающих котлов от температуры на улице
Котлы/Тнар | Выше +5 °С | От +5 до –10 °С | Ниже —10 °С |
|---|---|---|---|
Ведущий | Выкл. | В работе | В работе |
Ведомый 1 | Выкл. | Выкл. | В работе |
Суть стратегии заключается в возможности продолжать работу котельной в случае выхода из строя датчика подачи в общем коллекторе. При аварии датчика подачи ведущий котел и следующий номер ведомого работают на первой ступени. Состояние этих котлов зависит от текущей уличной температуры. Остальные котлы переходят в режим ожидания. Никаких настроек для конфигурирования данной стратегии не требуется. Выход из аварийной стратегии произойдет автоматически при устранении аварии датчика температуры подачи.
В таблице представлена зависимость количества работающих котлов на первой ступени от уличной температуры.
Параметры каскада
Меню/Настройки/Параметры каскада
Экран | Описание | Диапазон |
|---|---|---|
| Каскад котлов | ||
| Статус | ||
| Котел 1: Основной | Режим работы котла 1 | Основной, Резервный, Откл |
| Котел 2: Резервный | Режим работы котла 2 | Основной, Резервный, Откл |
| Ведущий котел: 1 | Номер ведущего котла | 1…2 |
| Вр.Работы: 12ч | Период смены ведущего котла по наработке, час | 0 - Выкл. 1…240 |
| Ном.Мощн: 80.0 | Значение номинальной мощности модулируемой горелки | 50…100 |
| Посл.Смены: 1122 | Порядок включения ступеней | 1212, 1122 |
Каждому котлу можно назначить один из трех статусов (Настройки → Регулирование → Параметры каскада→ Котел 1, Котел 2):
Отключен – котел не используется во время выполнения алгоритма (следует использовать для котлов, отсутствующих в системе физически);
Основной – используется во время выполнения алгоритма каскада;
Резервный – в случае исключения из работы основного котла берет на себя его функции до тех пор, пока основной котел не восстановит свою работоспособность. Затем котел автоматически возвращается в резерв.
В системе должно быть не менее одного основного котла.
Ведущий котел включается в работу первым, после включаются ведомые котлы. Роль ведущего котла передается строго следующему по очереди.
Условия смены роли ведущего котла:
ведущий котел отработал заданное время (Меню → Настройки → Параметры каскада → Вр.Работы);
ведущий котел исключен из работы;
другой котел назначен ведущим (Меню → Настройки → Параметры каскада → Ведущий Котел).
Индикация состояния котлов

Индикация состояния котла на ЖКИ
Название состояния | Индикация на ЖКИ | Описание |
|---|---|---|
Отключен | От | Котел не используется при выполнении алгоритма |
Ожидание | Ож | Котел используется при выполнении алгоритма, ожидает управляющий сигнал |
Ступень 1 | Ст1 | Ступень 1 в работе |
Ступень 2 | Ст2 | Ступени 1 и 2 в работе |
Ступень 3 | Ст3 | Ступени с 1 по 3 в работе |
Резерв | Рз | Котел находится в резерве |
Авария | Ав | Авария в работе системы |
Мощность | ХХХ | Мощность модулируемой горелки в диапазоне 0…100 % |
Розжиг горелки | РГ | Ожидание подтверждения розжига горелки после команды запуска горелки |
Холодный пуск | ХП | Прогрев холодного котла на минимальной мощности |
Для удобства отслеживания состояния котлов в текущий момент времени на главном экране выводится информация по каждому котлу (см. рисунок).
Роль ведущего котла отображается буквой «В» на ЖКИ. Текущее состояние котла имеет несколько вариантов см таблицу.
Статистика наработки
Меню/Информация/Статистика
Экран | Описание | Диапазон |
|---|---|---|
| Кол-во включений |
|
|
| Котел 1: 0 раз | Количество включений горелки котла | 0…99999 |
| Котел 2: 0 раз | Количество включений горелки котла | 0…99999 |
| Время наработки: |
|
|
| Котел 1: 0 часов | Время наработки котла, ч | 0…99999 |
| Котел 2: 0 часов | Время наработки котла, ч | 0…99999 |
| Сброс: <Выбрать> | Сброс статистики выбранного исполнительного механизма |
|
Расширенная информация о количестве часов работы и количестве включений каждого котла отображается на экране статистики (Меню → Информация → Статистика).
Аварии
Контроль аварий
Аварии, контролируемые в различных режимах
Вид аварии | Режим | ||
|---|---|---|---|
Работа | Стоп | Авария | |
Авария датчика температуры в подающем трубопроводе (С/К)* | + | + | + |
Авария датчика давления теплоносителя (К) | + | + | + |
Авария датчика температуры наружного воздуха (С/К)** | + | + | + |
Перегрев теплоносителя в подающем трубопроводе (К) | + | + | + |
Высокая температура теплоносителя в подающем трубопроводе (С) | + | + | + |
Трехкратный перегрев теплоносителя в подающем трубопроводе (К) | + | + | + |
Давление теплоносителя (К) | + | - | - |
Авария котла (С) | + | + | + |
Авария всех котлов (К) | + | + | + |
Аварийная кнопка (К) | + | + | + |
Нет связи модулем расширения (К) | + | + | + |
Загазованность СО (К) | + | + | + |
Загазованность СН (К) | + | + | + |
Пожар (К) | + | + | + |
Взлом (С) | + | + | + |
Давление газа на вводе (К) | + | - | - |
| Обрыв связи с КТР-121.03 (С) | + | + | + |
| Авария на КТР-121.03 (С) | + | + | + |
К — Авария критическая. С — Авария не критическая (сигнализация). * При включенном режиме погодозависимого регулирования авария сигнализационная, при отключенном - критическая. ** При работающем датчике температуры в подающем трубопроводе авария сигнализационная, при аварии датчика температуры в подающем трубопроводе - критическая. | |||
Прибор позволяет контролировать, оповещать и предупреждать о возможных аварийных ситуация. Аварии контролируются в различных режимах.
Возникновение критической аварии приводит полному или частичному останову системы, замыкается выход DO8, светится светодиод «Авария», фиксируется запись в журнал аварий. Сброс критической аварии осуществляется вручную, после устранения неисправности.
При возникновении не критической (сигнализационной) аварии система продолжает работать, при необходимости запускается алгоритм устранения неисправности (сброс мощности горелок, аварийная стратегия), замыкается выход DO8, светодиод «Авария» мигает с периодом 1 секунда, светодиод «Работа» светится, фиксируется запись в журнал аварий. Сброс сигнализационной аварии осуществляется автоматически или вручную, в зависимости от рода аварии. Подробнее см. таблица.
Журнал аварий
Меню/Аварии/Архивный журнал
| Экран | Описание | Диапазон |
|---|---|---|
| Аварии: Журнал | Название экрана |
|
| 1> Вкл | Номер записи в журнале событий для отображения | 1...20 |
Краткое название аварии |
| |
| Дата фиксации: |
|
|
| ДДММГГ чч:мм:сс | Дата и время возникновения аварии |
|
| Дата квитир—ния: |
|
|
| ДДММГГ чч:мм:сс | Дата и время устранения аварии |
|
| Сброс журнала:Нет | Сброс журнала аварий | Да – сбросить записи |
| Дата сброса: | ||
| ДДММГГ чч:мм:сс | Дата и время последнего сброса журнала аварий |
Контроллер фиксирует аварийные события в журнале, что позволяет отслеживать историю работы системы и оперативно реагировать на возникшие неисправности. Журнал содержит подробную информацию о каждом аварийном событии.
Содержание журнала
Для каждой аварии записываются следующие параметры:
Краткое название аварии – позволяет быстро идентифицировать проблему.
Время возникновения – фиксирует момент регистрации аварии.
Время сброса – указывает, когда авария была устранена.
Журнал рассчитан на 20 записей. Новые события записываются в начало списка, старые удаляются при переполнении.
Принципы работы
Последнее событие отображается первым под номером 1.
При переполнении журнала самые старые записи удаляются.
Сброс журнала удаляет только квитированные аварии. Активные аварии остаются в списке до их квитирования и последующего сброса или переполнения журнала.
После сброса журнала активные аварии сохраняются с датой сброса.
Квитирование аварий
Квитирование аварии происходит после устранения причины ее возникновения. Для аварий с ручным сбросом требуется подать команду Сброс аварий. Время квитирования записывается в журнал.
Управление журналом
Для просмотра журнала необходимо указать номер записи на экране.
Навигация осуществляется с использованием кнопок
,
и
.
Список аварий
Для быстрого перехода из главного экрана на экран состояния аварий
предусмотрена комбинация кнопок
+
.
Список аварий
| № | Вид Аварии | Условие появления | Реакция прибора* | Сброс аварии | Индикация | |
|---|---|---|---|---|---|---|
Текущие аварии | Архивный журнал | |||||
| Аварии датчиков | ||||||
| 1 | Авария датчика температуры прямой воды при отключенной функции погодозависимого регулирования | Значение измеряемого сигнала находится вне допустимого диапазона для выбранного типа датчика, либо произошел обрыв линий связи | Переход в режим Авария | Автоматический сброс после устранения неисправности | Тпр: Ав.Дат. Тнар: Откл | Тпр Ав.Дат. |
| 2 | Авария датчика температуры прямой воды при включенной функции погодозависимого регулирования или рабочем датчике наружной температуры | Режим работы не меняется. Включается аварийная стратегия регулирования каскада | Тпр: Ав.Дат. Тнар: Норма | |||
| 3 | Авария датчика наружной температуры при рабочем датчике температуры прямой воды | Режим работы не меняется. Погодозависимое регулирование отключается | Тпр: Норма Тнар: Ав.Дат. | Тнар Ав.Дат | ||
| 4 | Авария датчика наружной температуры и авария датчика температуры прямой воды | Переход в режим Авария | Тпр: Ав.Дат. Тнар: Ав.Дат. | Тнар Ав.Дат. и Тпр Ав.Дат. | ||
| 5 | Авария датчика давления прямой воды | Рпр: АвДат. | Рпр АвДат. | |||
| Аварии защитные | ||||||
| 6 | Высокая температура сети | Измеряемое значение температуры подачи превысило заданное значение параметра Тпр сиг | Режим работы не меняется. Принудительный перевод на минимальную мощность или первую ступень всех котлов | Автоматический сброс при снижении значения температуры подачи Тпр сиг – Гист сиг | Тпр: Сигнал. | Тпр: Сигнал |
| 7 | Перегрев прямой воды | Измеряемое значение температуры подачи превысило заданное значение параметра Тпр ав | Переход в режим Авария | Автоматический сброс при снижении значения температуры подачи Тпр ав – Гист ав. Лампа аварии при этом не выключится пока не будет произведен ручной сброс аварии перегрева | Тпр Перегр. | Тпр Перегр |
| 8 | Трехкратный перегрев прямой воды | Измеряемое значение температуры подачи превысило заданное значение параметра Тпр ав 3 раза за время Вр.3-х Аварий по перегреву | Переход в режим Авария | Вручную, командой сброса аварии после устранения неисправности** | Тпр:Перегр. 3 | Тпр:Перегр 3 |
| 9 | Высокая температура уходящих газов | Измеряемое значение температуры подачи превысило заданное значение параметра Туход.газов | Режим работы не меняется | Автоматический сброс при снижении значения температуры подачи | Туход.газов | Туг: Сигнал |
| 10 | Давление воды мало | Измеряемое значение давления подачи вышло за заданное значение Давление ав: Pпр min | Переход в режим Авария | Вручную, командой сброса аварии после устранения неисправности** | Рпр: АвНиже | Рпр: АвНиже |
| 11 | Давление воды велико | Измеряемое значение давления подачи вышло за заданное значение Давление ав: Pпр max
| Переход в режим Аварии | Вручную, командой сброса аварии после устранения неисправности** | Рпр: АвВыше | Рпр: АвВыше |
| 12 | Давление воды мало (сигнализация) | Измеряемое значение давления подачи вышло за заданное значение Давление сиг: Pпр min. | Режим работы не меняется | Автоматический сброс после устранения неисправности | Рпр: СгНиже | — |
| 13 | Давление воды велико (сигнализация) | Измеряемое значение давления подачи вышло за заданное значение Давление сиг: Pпр max | Рпр: СгВыше | |||
| 14 | Нет связи с тепловым регулятором | Произошел обрыв линии связи с тепловым регулятором или изменились сетевые настройки. Таймаут 10 минут | Режим работы не меняется | Автоматически после устранения неисправности Вручную, командой сброса** без устранения неисправности | КТР-03_2: Норма КТР-03_2: Нет RS | КТР-03 Нет RS |
| 15 | Авария на тепловом регуляторе | По интерфейсу RS-485 получен сигнал аварии на тепловом регуляторе | Автоматический сброс после устранения неисправности | КТР-03_1: Авария КТР-03_2: Норма | КТР-03_1 Авар | |
| Аварии котлов | ||||||
| 16 | Авария котла | Получен сигнал аварии горелки (обрыв разрешающей цепи) или не пришел сигнал подтверждения работы горелки | Режим работы не меняется. Неисправный котел исключается из работы каскада | Автоматический сброс после устранения неисправности. Вручную, командой сброса аварии после устранения неисправности**. Выбирается в настройках | Котел1: Авария | Котел1 Авар. |
| 17 | Авария всех котлов | Все котлы исключены из работы каскада | Переход в режим Авария | Автоматический сброс, после возврата в работу любого котла в каскаде | Котел1: Авария Котел2: Авария | Нет котлов |
| Аварии общекотельные | ||||||
| 18 | Нет связи модулем расширения аварийной сигнализации (при включенном режиме расширенной сигнализации) | Кабель связи не подключен | Переход в режим Авария | Вручную, командой сброса аварии после устранения неисправности** | Модуль:НетСвязи | ПРМ НетСвязи |
| 19 | Аварийная кнопка | Пропал сигнал разрешения работы котельной*** | Переход в режим Авария | Вручную, командой сброса аварии после устранения неисправности** | АвКнопка:Авария | Ав. Кнопка |
| 20 | СО | Пропал сигнал загазованности СО*** | Переход в режим Авария | Вручную, командой сброса аварии после устранения неисправности** | СО: Авария | СО Авария |
| 21 | СН | Пропал сигнал загазованности СН*** | Переход в режим Авария | Вручную, командой сброса аварии после устранения неисправности** | СН: Авария | СН Авария |
| 22 | Пожар | Пропал сигнал пожарного извещателя*** | Переход в режим Авария | Вручную, командой сброса аварии после устранения неисправности** | Пожар: Авария | Пожар |
| 23 | Взлом | Пропал сигнал датчика проникновения*** | Режим работы не меняется | Автоматический сброс после устранения неисправности | Взлом: Авария | Взлом |
| 24 | Давление газа на вводе мало | Пропал сигнал реле минимального давления газа*** | Переход в режим Авария | Вручную, командой сброса аварии после устранения неисправности** | Ргаза: АвНиже | Ргаза АвНиже |
| 25 | Давление газа на вводе высоко | Пропал сигнал реле максимального давления газа*** | Переход в режим Авария | Ргаза: АвВыше | Ргаза АвВыше | |
| 26 | Неисправность линии связи с датчиками реле давления | Одновременное пропадание сигнала обоих реле давления газа | Переход в режим Авария | Ргаза: АвДат. | Ргаза АвДат. | |
* При наступлении любого аварийного события, независимо от вида реакции прибора, срабатывает сигнал Авария общая.
** Подать на прибор команду сброса аварии можно:
Из экрана текущих аварий в конце перечня аварийных событий.
Внешней кнопкой, подключенной на дискретный вход DI8.
Сетевой командой по RS-485.
*** Означает обрыв НЗ контакта.
Сетевой интерфейс
Сетевой интерфейс
В контроллере установлены два модуля интерфейса RS-485 для организации работы по протоколу Modbus.
Интерфейс RS-485 (1) служит для связи с КТР-121.03. Интерфейс RS-485 (2) предназначен для диспетчеризации.
Для работы контроллера в сети RS-485 (интерфейс 1) следует задать его сетевые настройки в системном меню контроллера с помощью кнопок и индикатора на лицевой панели (см. рисунок).
Прибор в режиме Slave поддерживает следующие функции:
- чтение состояния входов/выходов;
- запись состояния выходов;
- чтение/запись сетевых переменных.
Прибор работает по протоколу Modbus в одном из двух режимов: Modbus-RTU или Modbus-ASCII, автоматически распознает режим обмена RTU/ASCII. Адреса регистров, тип переменных параметров, доступных по протоколу Modbus, приведены в разделе.

Карта регистров
Контроллер поддерживает следующие функции Modbus:
Функции чтения:
0x01 (Read Coil Status): Чтение состояния дискретных выходов (Coils).
0x03 (Read Holding Registers): Чтение содержимого регистров хранения (Holding Registers).
0x04 (Read Input Registers): Чтение содержимого входных регистров (Input Registers).
Функции записи:
0x05 (Force Single Coil): Запись состояния одного дискретного выхода (Coil).
0x06 (Preset Single Register): Запись значения в один регистр хранения (Holding Register).
0x10 (Preset Multiple Registers): Запись значений в несколько регистров хранения (Holding Registers).
Обращение к битам внутри регистров
Параметры, представленные в виде битовой маски (например, состояние системы, аварии и другие флаги), могут быть прочитаны двумя способами:
Функцией 0x03 (Read Holding Registers): в этом случае считывается весь регистр целиком, и далее программно извлекается нужный бит.
Функцией 0x01 (Read Coil Status): для прямого доступа к отдельному биту необходимо рассчитать адрес ячейки (Coil) по следующей формуле:
Адрес ячейки = (Номер регистра ∙ 16) + Номер бита
Пример
Требуется считать состояние второго дискретного выхода, используя функцию 0x01. Номер регистра 0, номер бита 1. Адрес ячейки рассчитывается следующим образом: (0 ∙ 16) + 1 = 1.Поддерживаемые типы данных Modbus
Контроллер поддерживает следующие типы данных Modbus:
word (Беззнаковое целое): 16-битное беззнаковое целое число (2 байта). Каждый параметр типа word занимает один регистр Modbus.
float (Число с плавающей точкой): 32-битное число с плавающей точкой (4 байта). Каждый параметр типа float занимает два соседних регистра Modbus. Данные передаются в формате little-endian (младший байт передается первым). Это означает, что при чтении значения float необходимо сначала считать регистр с меньшим адресом, а затем регистр со следующим по порядку адресом.
boolean (Бит): логический тип (1 бит). Может быть прочитано как с помощью функции 0x03 (чтение регистра), так и с помощью функции 0x01 (чтение отдельного бита/Coil).
Типы доступа к регистрам Modbus
Для каждого параметра в карте регистров указан тип доступа:
R (Только чтение - Read Only): значение параметра может быть только прочитано. Запись в данный регистр невозможна.
RW (Чтение/запись - Read/Write): значение параметра может быть как прочитано, так и записано.
W (Только запись - Write Only): значение параметра может быть только записано. Чтение из данного регистра невозможно.
Алгоритм 02.20
Код параметра | Регистр (HEX) | Регистр (DEC) | Тип | Доступ | Имя переменной | Значения |
|---|---|---|---|---|---|---|
bm_DO | 0 | 0 | word | R | Дискретные выходы контроллера | Битовая маска выходов |
ob_PR_С | 0 | 0.0 | bool | R | DO1 – Запрос на розжиг горелки №1 | 0 – Разомкнут, 1 – Замкнут |
ob_PR_O | 1 | 0.1 | bool | R | DO2 – Запрос на розжиг горелки №2 | 0 – Разомкнут, 1 – Замкнут |
ob_BurnС_1s_1 | 2 | 0.2 | bool | R | DO3 – Первая (Вторая) ступень горелки №1 ИЛИ Сигнал "Закрыть" сервопривод горелки №1 | 0 – Разомкнут, 1 – Замкнут |
ob_BurnO_2s_1 | 3 | 0.3 | bool | R | DO4 – Вторая (Третья) ступень горелки №1 ИЛИ Сигнал "Открыть" сервопривод горелки №1 | 0 – Разомкнут, 1 – Замкнут |
ob_PB_1 | 4 | 0.4 | bool | R | DO5 – Первая (Вторая) ступень горелки №2 ИЛИ Сигнал "Закрыть" сервопривод горелки №2 | 0 – Разомкнут, 1 – Замкнут |
ob_PB_2 | 5 | 0.5 | bool | R | DO6 – Вторая (Третья) ступень горелки №2 ИЛИ Сигнал "Открыть" сервопривод горелки №2 | 0 – Разомкнут, 1 – Замкнут |
ob_BurnOn_1 | 6 | 0.6 | bool | R | DO7 – Свободный выход | 0 – Разомкнут, 1 – Замкнут |
ob_AvGen | 7 | 0.7 | bool | R | DO8 – Общая авария | 0 – Разомкнут, 1 – Замкнут |
ob_LedWork | 8 | 0.8 | bool | R | Светодиод "Работа" на лицевой панели | 0 – Не светит, 1 – Светит |
ob_LedAv | 9 | 0.9 | bool | R | Светодиод "Авария" на лицевой панели | 0 – Не светит, 1 – Светит |
bm_DI | 100 | 256 | word | R | Дискретные входы контроллера | Битовая маска входов |
ib_Burn_Av_1 | 1000 | 256.0 | bool | R | DI1 – Авария горелки (Разрешение работы) №1 | 0 – Разомкнут, 1 – Замкнут |
ib_Burn_W_1 | 1001 | 256.1 | bool | R | DI2 – Подтверждение работы горелки №1 | 0 – Разомкнут, 1 – Замкнут |
ib_PDS_PB | 1002 | 256.2 | bool | R | DI3 – Авария горелки (Разрешение работы) №2 | 0 – Разомкнут, 1 – Замкнут |
ib_AvRar | 1003 | 256.3 | bool | R | DI4 – Подтверждение работы горелки №2 | 0 – Разомкнут, 1 – Замкнут |
ib_AvButton | 1004 | 256.4 | bool | R | DI5 – Кнопка Аварийный останов | 0 – Разомкнут, 1 – Замкнут |
ib_FlowSwitch | 1005 | 256.5 | bool | R | DI6 – Свободный вход | 0 – Разомкнут, 1 – Замкнут |
ib_Start | 1006 | 256.6 | bool | R | DI7 – Кнопка Старт/Стоп | 0 – Разомкнут, 1 – Замкнут |
ib_ResetAv | 1007 | 256.7 | bool | R | DI8 – Кнопка Сброс аварий | 0 – Разомкнут, 1 – Замкнут |
PRM_AV | 200 | 512 | word | R | Дискретные входы ПРМ-1 (общекотельные аварии) | Битовая маска входов ПРМ |
ib_AvFire | 2000 | 512.0 | bool | R | DI1 – Датчик пожара | 0 – Разомкнут, 1 – Замкнут |
ib_BreakIn | 2001 | 512.1 | bool | R | DI2 – Сигнал от охранной сигнализации | 0 – Разомкнут, 1 – Замкнут |
ib_Pf_LAL | 2002 | 512.2 | bool | R | DI3 – Давление газа мало (реле давления) | 0 – Разомкнут, 1 – Замкнут |
ib_Pf_HAL | 2003 | 512.3 | bool | R | DI4 – Давление газа велико (реле давления) | 0 – Разомкнут, 1 – Замкнут |
ib_AvCO | 2004 | 512.4 | bool | R | DI5 – Датчик загазованности помещения CO | 0 – Разомкнут, 1 – Замкнут |
ib_AvCH | 2005 | 512.5 | bool | R | DI6 – Датчик загазованности помещения CН | 0 – Разомкнут, 1 – Замкнут |
ib_Gas_LS | 2006 | 512.6 | bool | R | DI7 – Положение газового клапана | 0 – Разомкнут, 1 – Замкнут |
PRM_AV | 200 | 512 | word | R | Дискретные выходы ПРМ-1 (общекотельные аварии) | Битовая маска выходов ПРМ |
ob_AvFire | 2008 | 521.8 | bool | R | DO1 – Включить лампу «Пожар» | 0 – Разомкнут, 1 – Замкнут |
ob_AvBreakIn | 2009 | 512.9 | bool | R | DO2 – Включить лампу «Взлом» | 0 – Разомкнут, 1 – Замкнут |
ob_AvPf | 200A | 512.10 | bool | R | DO3 – Включить лампу «Авария давления газа» | 0 – Разомкнут, 1 – Замкнут |
ob_AvPwd | 200B | 512.11 | bool | R | DO4 – Включить лампу «Авария давления теплоносителя» | 0 – Разомкнут, 1 – Замкнут |
ob_AvCO | 200C | 512.12 | bool | R | DO5 – Включить лампу «Загазованность CO» | 0 – Разомкнут, 1 – Замкнут |
ob_AvCH | 200D | 512.13 | bool | R | DO6 – Включить лампу «Загазованность CH» | 0 – Разомкнут, 1 – Замкнут |
| Аналоговые входы прибора | ||||||
ia_Twd | 20D | 525 | real | R | AI1 – Температура теплоносителя в общем подающем трубопроводе | ** |
ia_Pwd | 211 | 529 | real | R | AI3 – Давление теплоносителя в общем трубопроводе | ** |
ia_Tao | 213 | 531 | real | R | AI4 – Температура наружного воздуха | ** |
| Тип схемы | ||||||
net_mode_Burn | 215 | 533 | word | RW | Тип горелки | 0 – Мод, 1 – 1 ступ, 2 – 2 ступ, 3 – 3 ступ |
| Регулирование (котловой контур) | ||||||
set_Burn_deltaOn | 21D | 541 | word | RW | Дельта включения ведущего котла | -40...0 |
| Настройки ступенчатой горелки | ||||||
ua_Twd_HWL | 221 | 545 | word | RW | Верхняя рабочая граница температуры теплоносителя | 0...500 |
ua_Twd_LWL | 222 | 546 | word | RW | Нижняя рабочая граница температуры теплоносителя | 0...500 |
ut_Integ_Up | 223 | 547 | word | RW | Температурно-временной интеграл на подключение ступени | 0…9999 |
ut_Integ_Dw | 224 | 548 | word | RW | Температурно-временной интеграл на отключение ступени | 0…9999 |
ut_Stab_Up | 225 | 549 | word | RW | Время стабилизации после подключения ступени | 0…1800 |
ut_Stab_Dw | 226 | 550 | word | RW | Время стабилизации после отключения ступени | 0…1800 |
| Настройки модулируемой горелки | ||||||
ua_Twd | 227 | 551 | word | RW | Уставка температуры теплоносителя | 0...500 |
ua_Twd_DZ | 228 | 552 | real | RW | Зона нечувствительности температуры теплоносителя | 0...9 |
ua_PID_Kp | 22A | 554 | real | RW | ПИД Кп | 0…9999 |
ua_PID_Ti | 22C | 556 | word | RW | ПИД Ти | 0…9999 |
ua_PID_Td | 22D | 557 | word | RW | ПИД Тд | 0…9999 |
ua_Pwr_On | 22E | 558 | word | RW | Минимальная мощность горения | 0…50 |
| Каскад котлов | ||||||
mode_Bo_1 | 272 | 626 | word | RW | Статус котла №1 | 0 - Отключен, 1 - Основной, 2 - Резервный |
mode_Bo_2 | 273 | 627 | word | RW | Статус котла №2 | 0 - Отключен, 1 - Основной, 2 - Резервный |
ua_Burn_Main | 276 | 630 | word | RW | Номер ведущего котла | 1...4 |
| Защита (котловой контур) | ||||||
ua_Тwd_HAL | 27C | 636 | word | RW | Опасно высокая температура подачи в общем коллекторе | 60...500 |
ua_Twd_HAL_2 | 27D | 637 | word | RW | Аварийно высокая температура подачи в общем коллекторе | 60...500 |
ua_Pwd_LAL_2 | 27E | 638 | real | RW | Минимальное рабочее (аварийное) давление | 0...100 |
ua_Pwd_HAL_2 | 280 | 640 | real | RW | Максимальное рабочее (аварийное) давление | 0...100 |
code_Error_1 | 2C6 | 710 | word | R | Код аварии 1 | Битовая маска аварий |
Av_Burn_1 | 2С60 | 710.0 | bool | R | Авария горелки №1 | 0 – Норма, 1 – Авария |
Av_Burn_2 | 2С61 | 710.1 | bool | R | Авария горелки №2 | 0 – Норма, 1 – Авария |
Av_NoWB | 2С64 | 710.4 | bool | R | Нет доступных для работы котлов | 0 – Норма, 1 – Авария |
Av_Twd_HAL | 2С65 | 710.5 | bool | R | Перегрев (предупреждение) | 0 – Норма, 1 – Авария |
Av_Twd_HAL_2 | 2С66 | 710.6 | bool | R | Перегрев (авария) | 0 – Норма, 1 – Авария |
vi_Av3Res | 2С67 | 710.7 | bool | R | Трехкратный перегрев | 0 – Норма, 1 – Авария |
m1_Av_Gen | 2С6B | 710.11 | bool | R | Авария теплового регулятора №1 | 0 – Норма, 1 – Авария |
m2_Av_Gen | 2С6C | 710.12 | bool | R | Авария теплового регулятора №2 | 0 – Норма, 1 – Авария |
Av_Mod | 2С6D | 710.13 | bool | R | Нет связи с ПРМ (слот 1) | 0 – Норма, 1 – Авария |
code_Error_2 | 2C7 | 711 | word | R | Код аварии 2 | Битовая маска аварий |
Av_Fire | 2C70 | 711.0 | bool | R | Сработал датчик пожара | 0 – Норма, 1 – Авария |
Av_BreakIn | 2C71 | 711.1 | bool | R | Сработал датчик взлома | 0 – Норма, 1 – Авария |
Av_Pf_HAL | 2C72 | 711.2 | bool | R | Давление газа велико | 0 – Норма, 1 – Авария |
Av_Pf_LAL | 2C73 | 711.3 | bool | R | Давление газа мало | 0 – Норма, 1 – Авария |
Av_CO | 2C74 | 711.4 | bool | R | Сработал датчик загазованности СО | 0 – Норма, 1 – Авария |
Av_CH | 2C75 | 711.5 | bool | R | Сработал датчик загазованности СН | 0 – Норма, 1 – Авария |
Av_Twd_sens | 2C76 | 711.6 | bool | R | Обрыв датчика AI1 (температуры подачи в общем трубопроводе) | 0 – Норма, 1 – Авария |
Av_Pwd_sens | 2C78 | 711.8 | bool | R | Обрыв датчика AI3 (давление теплоносителя в общем трубопроводе) | 0 – Норма, 1 – Авария |
Av_Tao_sens | 2C79 | 711.9 | bool | R | Обрыв датчика AI4 (датчик наружного воздуха) | 0 – Норма, 1 – Авария |
code_Error_3 | 2C8 | 712 | word | R | Код аварии 3 | Битовая маска аварий |
Av_Pwd_HAL_2 | 2C82 | 712.2 | bool | R | Давление теплоносителя велико (аналоговый датчик давления) | 0 – Норма 1 – Авария |
Av_Pwd_LAL_2 | 2C83 | 712.3 | bool | R | Давление теплоносителя мало (аналоговый датчик давления) | 0 – Норма, 1 – Авария |
av_Butt | 2C8A | 712.10 | bool | R | Аварийная кнопка | 0 – Норма, 1 – Авария |
code_Error_4 | 2C9 | 713 | word | R | Код аварии 4 | Битовая маска аварий |
Av_03xx_LostConn | 2C9B | 713.11 | bool | R | Нет связи с тепловым регулятором | 0 – Норма, 1 – Авария |
code_Sys_1 | 2D0 | 720 | word | R | Текущее состояние котлового контура | 0 - Стоп, 2 - Тест, 12 - Авария, 14 - Работа |
code_Burn_1 | 2D1 | 721 | word | R | Текущее состояние котла №1 | 0 – Откл, 1 – Ожидание, 2 – Тест*, 3 – Резерв, 4 – Запуск насоса*, 5 – Розжиг, 6 – Холодный пуск, 7 – Сон*, 8 – Ступень 1, 9 – Ступень 2, 10– Ступень 3, 11 – Работа (мод), 12 – Авария, 13 – Нет связи |
code_Burn_2 | 2D2 | 722 | word | R | Текущее состояние котла №2 | 0 – Откл, 1 – Ожидание, 2 – Тест*, 3 – Резерв, 4 – Запуск насоса*, 5 – Розжиг, 6 – Холодный пуск, 7 – Сон*, 8 – Ступень 1, 9 – Ступень 2, 10– Ступень 3, 11 – Работа (мод), 12 – Авария, 13 – Нет связи |
oa_Burn_Pwr_1 | 2D5 | 725 | word | R | Производительность котла №1 | 0...3 или 0...100 |
oa_Burn_Pwr_2 | 2D6 | 726 | word | R | Производительность котла №2 | 0...3 или 0...100 |
oa_BurnPwr | 2D9 | 729 | word | R | Выходная мощность каскада котлов | 0...100 |
lv_Twd_cor | 2E3 | 739 | word | R | Текущая уставка температуры подачи в общем коллекторе | 0…500 |
lv_Twd_LWL | 2E06 | 742 | word | R | Текущее значение нижней границы регулирования Тпод в общем коллекторе | 0...500 |
lv_Twd_HWL | 2E07 | 743 | word | R | Текущее значение верхней границы регулирования Тпод в общем коллекторе | 0...500 |
vi_Burn_Cng | 2ED | 749 | word | R | Оставшееся время до смены ведущего котла, в минутах | 0...14400 |
code_Sys_2 | 2F2 | 754 | word | R | Код состояния системы 1 | Битовая маска |
cmd_Start | 2F20 | 754.0 | bool | R | Переключения режимов Старт/Стоп | 0 – Стоп, 1 – Старт |
ub_Is_Pwd | 2F23 | 754.3 | bool | R | Наличие контроля давления теплоносителя | 0 – Нет, 1 – Есть |
ub_Is_AvCheck | 2F24 | 754.4 | bool | R | Наличие в системе общекотельных аварий | 0 – Нет, 1 - Есть |
ub_is_Tao | 2F2A | 754.10 | bool | R | Погодозависимость каскад | 0 – Нет, 1 – Да |
mode_Graff | 2F2E | 754.14 | bool | R | Режим работы погодозависимости | 0 – Сдвиг, 1 – Уставка |
net_code_Sys_3 | 2F3 | 755 | word | R | Код состояния системы 2 | Битовая маска |
mode_Sleep | 2F30 | 755.0 | bool | R | Удержание минимальной мощности ведущего котла | 0 – Нет, 1 – Да |
is_av_Mod | 2F34 | 755.4 | bool | R | Аварийная стратегия | 0 – Нет, 1 – Да |
cmd_1 | 2FA | 762 | word | W | Командное слово 1 | Битовая маска команд |
cmd_Start | 2FA0 | 762.0 | bool | W | Перейти в режим «Старт» | 0 – Нет, 1 – Да |
net_ResetAv | 2FA1 | 762.1 | bool | W | Сброс аварий | 0 – Нет, 1 – Да |
ub_Is_Tao_ON | 2FA7 | 762.7 | bool | W | Включить погодозависимость в каскаде | 0 – Нет, 1 – Да |
mode_Sleep_ON | 2FAF | 762.15 | bool | W | Включить удержание минимальной мощности ведущего котла | 0 – Нет, 1 – Да |
cmd_2 | 2FB | 763 | word | W | Командное слово 2 | Битовая маска команд |
cmd_Stop | 2FB0 | 763.0 | bool | W | Перейти в режим «Стоп» | 0 – Нет, 1 – Да |
ub_Is_Tao_OFF | 2FB7 | 763.7 | bool | W | Выключить погодозависимость в каскаде | 0 – Нет, 1 – Да |
mode_Sleep_OFF | 2FBF | 763.15 | bool | W | Выключить удержание минимальной мощности ведущего котла | 0 – Нет, 1 – Да |
cmd_3 | 2FC | 764 | word | W | Командное слово 3 | Битовая маска команд |
ub_Is_Pwd_ON | 2FC4 | 764.4 | bool | W | Включить контроль давления теплоносителя | 0 – Нет, 1 – Да |
ub_Is_AvCheck_ON | 2FC5 | 764.5 | bool | W | Включить контроль общекотельных аварий | 0 – Нет, 1 – Да |
cmd_4 | 2FD | 765 | word | W | Командное слово 4 | Битовая маска команд |
ub_Is_Pwd_OFF | 2FD4 | 765.4 | bool | W | Выключить контроль давления теплоносителя | 0 – Нет, 1 – Да |
ub_Is_AvCheck_OFF | 2FD5 | 765.5 | bool | W | Выключить контроль общекотельных аварий | 0 – Нет, 1 – Да |
* Значения параметров в определенных конфигурациях или режимах системы.
** В зависимости от выбранного типа датчика диапазон измерения может меняться, для температурных датчиков см. таблицу . Для датчика давления диапазон измерения зависит от заданных границ преобразования, см. таблицу .
Техническое обслуживание
Обслуживание прибора во время эксплуатации заключается в его техническом осмотре. Во время выполнения работ следует соблюдать меры безопасности из раздела.
Технический осмотр прибора проводится обслуживающим персоналом не реже одного раза в 6 месяцев и включает в себя выполнение следующих операций:
очистку корпуса, клеммных колодок от пыли, грязи и посторонних предметов;
проверку крепления на DIN-рейке;
проверку качества подключения внешних связей.
Обнаруженные во время осмотра недостатки следует немедленно устранить.
Маркировка
На корпус прибора нанесены:
- условное обозначение прибора;
товарный знак предприятия-изготовителя;
- степень защиты корпуса по ГОСТ 14254;
- род питающего тока и напряжение питания;
QR-код
- потребляемая мощность;
- маркировка класса защиты от поражения электрическим током по ГОСТ IEC 61131-2-2012;
- единый знак обращения продукции на рынке Евразийского экономического союза;
- страна-изготовитель;
- заводской номер прибора, месяц и год изготовления.
На потребительскую тару нанесены:
- наименование и условное обозначение прибора;
товарный знак предприятия-изготовителя;
почтовый адрес офиса изготовителя;
штрих-код;
дата упаковки;
- единый знак обращения продукции на рынке Евразийского экономического союза;
- страна-изготовитель;
- заводской номер;
дата упаковки.
Упаковка
Упаковка прибора производится в соответствии с ГОСТ 23088-80 в потребительскую тару, выполненную из коробочного картона по ГОСТ 7933-89.
Упаковка прибора при пересылке почтой производится по ГОСТ 9181-74.
Комплектность
| Наименование | Количество |
|---|---|
| Контроллер* | 1 шт. |
| Руководство по эксплуатации | 1 экз. |
| Паспорт и Гарантийный талон | 1 экз. |
Комплект клеммных соединителей | 1 к-т |
* Исполнение в соответствии с заказом. | |
Транспортирование и хранение
Прибор должен транспортироваться в закрытом транспорте любого вида, кроме пассажирского воздушного судна. В транспортных средствах тара должна крепиться согласно правилам, действующим на соответствующих видах транспорта.
Прибор следует перевозить в транспортной таре поштучно или в контейнерах.
Прибор следует хранить на стеллажах.
Гарантийные обязательства
Изготовитель гарантирует соответствие прибора требованиям ТУ при соблюдении условий эксплуатации, транспортирования, хранения и монтажа.
Гарантийный срок эксплуатации – 10 лет со дня продажи.
В случае выхода прибора из строя в течение гарантийного срока при соблюдении условий эксплуатации, транспортирования, хранения и монтажа предприятие-изготовитель обязуется осуществить его бесплатный ремонт или замену.
Порядок передачи прибора в ремонт содержится в паспорте и в гарантийном талоне.
Настройка времени и даты

В прибор встроены энергонезависимые часы реального времени. Прибор будет поддерживать время и дату в случае отключения основного питания.
В Системном меню можно просмотреть и редактировать текущие дату и время.
Настройка регулятора
Для ручной настройки регулятора следует использовать режим нагрева. Настройки регулятора расположены в меню Меню → Настройки → Регулирование (настройка доступна, если выбран тип горелки — модулируемая). В ходе наблюдений следует фиксировать значения регулируемого параметра (скорость и время подхода к уставке).
Регулятор настраивается вручную итерационным методом с оценкой процесса по наличию:
колебаний;
перехода графика регулируемой величины через уставку.
В случае ПИД-регулирования, зависимость выходной мощности от управляющего воздействия можно записать в виде:
где
Yi – выходная мощность ПИД-регулятора;
Кп – коэффициент пропорциональности;
τи – интегральная постоянная;
τд – дифференциальная постоянная;
Ei – разность между уставкой и текущим измеренным значением;
Δtизм – время дискретизации.
В зависимости от показателей, корректировку следует выполнять по следующим правилам:
уменьшение Кп способствует увеличению колебаний регулируемой величины, и амплитуда колебаний регулируемой величины может возрасти до недопустимого уровня;
увеличение Кп способствует снижению быстродействия и ухудшению быстродействия регулятора с повышением вероятности колебаний регулируемой величины;
при завышенном Ти процесс подхода регулируемой величины к уставке становится односторонним даже при наличии колебаний. Быстродействие регулятора уменьшается;
- при заниженном Ти появляется значительный переход регулируемой величины через уставку. Но существенно ухудшается быстродействие регулятора и повышается вероятность колебаний регулируемой величины.
Для оптимальной настройки регулятора график регулируемой величины должен иметь минимальное значение показателя ошибки регулирования (А1) при достаточной степени затухания — φ = 1 – А3 ÷ А1 = 0,8…0,9.
Для настройки регулятора следует:
Задать заводские уставки, если значения коэффициентов были изменены.
Изменять значение Кп (на единицы), пока значение перерегулирования не будет равно 5 °С.
Уменьшать Ти, пока отклонение от уставки не будет равно 2—3 °С.
Уменьшать Кп (на единицы) до достижения недорегулирования.
Уменьшать Ти, пока отклонение от уставки не будет 1 °С.



Примеры подключения
Разрешающая цепь или Цепь безопасности – последовательно собранные в единую цепь любые необходимые дискретные датчики контроля исправной работы котла (разрежение в дымоходе, проток воды через котел, аварийный термостат и пр). Срабатывание одного из сигналов в цепи блокирует работу котла. Устранение причины срабатывания аварии приведет к автоматическому возврату системы в работу.
Подключение разрешающей цепи котла производится на дискретный вход «авария горелки S3». Для каскадных регуляторов КТР-121.02.20 и КТР-121.02.40 имеется возможность подключения разрешающей цепи индивидуально по каждому котлу.


Номера дискретных входов для подключения разрешающей цепи
Сигналы | КТР–121.02.20 | КТР–121.02.40 |
|---|---|---|
КТР-121 | DI1 (котел 1) и DI3 (котел 2) | DI1 (котел 1) и DI3 (котел 2) |
ПРМ-1 | - | DI1 (котел 3) и DI3 (котел 4) |




Предупреждающие сообщения
В данном руководстве применяются следующие предупреждения:
Ключевое слово ОПАСНОСТЬ сообщает о непосредственной угрозе опасной ситуации, которая приведет к смерти или серьезной травме, если ее не предотвратить.
Ключевое слово ВНИМАНИЕ сообщает о потенциально опасной ситуации, которая может привести к небольшим травмам.
Ключевое слово ПРЕДУПРЕЖДЕНИЕ сообщает о потенциально опасной ситуации , которая может привести к повреждению имущества.
Ключевое слово ПРИМЕЧАНИЕ обращает внимание на полезные советы и рекомендации, а также информацию для эффективной и безаварийной работы оборудования.
| Ограничение ответственности |
Ни при
каких обстоятельствах |

