- КЗР – запорно-регулирующий клапан.
- МВХ – минимальное время хода. Это минимальная продолжительность импульса, подаваемого на привод клапана, при которой привод успевает отреагировать и изменить свое положение.
- ПВХ – полное время хода. Это время, за которое привод полностью открывает или закрывает клапан, то есть совершает полный ход от одного крайнего положения до другого.
- ЖКИ – жидкокристаллический индикатор.
ИТП — индивидуальный тепловой пункт.
- НЗ – нормально-закрытый. Используется для описания состояния контактов реле, клапанов или входов устройства, которые находятся в замкнутом состоянии без подачи управляющего сигнала или при отсутствии питания.
- НО – нормально-открытый. Используется для описания состояния контактов реле, клапанов или входов устройства, которые находятся в разомкнутом состоянии без подачи управляющего сигнала или при отсутствии питания.
- ПИД – пропорционально-интегрально-дифференциальный регулятор (алгоритм автоматического управления).
ТВИ – температурно-временной интеграл (показатель отклонения температуры от заданного значения во времени).
- Котловой регулятор – КТР-121.01.10. Модификация контроллера КТР-121, предназначенная для управления работой отдельного котла.
Каскадные регуляторы – КТР-121.02. Модификации контроллера КТР-121, используемые для управления группой котлов (каскадом) для оптимизации общей производительности.
Тепловые регуляторы – КТР-121.03. Модификации контроллера КТР-121, предназначенные для управления тепловыми процессами в системах теплопотребления — отопление, ГВС, вентиляция и т.д.
Руководство по эксплуатации
Используемые термины и аббревиатуры
Введение
Настоящее руководство по эксплуатации предназначено для ознакомления обслуживающего персонала с принципом работы, предварительной настройкой, конструкцией, функционированием и техническим обслуживанием блока автоматического управления котлами КТР-121.01.10 (далее именуемого «контроллер» или «прибор»).
КТР-121 — это контроллер с готовыми алгоритмами для автоматизации котельных. Он подходит для установки в:
Блочно-модульных котельных;
Стационарных котельных;
Крышных водогрейных котельных;
Котельных с котлами наружного размещения;
Котельных с пристроенным индивидуальным тепловым пунктом (ИТП).
Контроллер выпускается в следующих исполнениях:
КТР-121.220.01.10 — для работы в сети переменного напряжения номиналом 230 В.
КТР-121.24.01.10 — для работы в сети постоянного напряжения номиналом 24 В.
Назначение

Контроллер КТР-121.01.10 предназначен для автоматизации работы одного котла и его вспомогательного оборудования в различных типах котельных. Он обеспечивает:
Управление горелками различных типов:
Одноступенчатые;
Двухступенчатые;
Трехступенчатые;
Модулируемые
Поддержание заданной температуры теплоносителя:
Температура подачи (Тп);
Температура обратной воды (Тоб)
Управление дополнительным оборудованием:
Насосы: котловые насосы НК1 (НК2), насос рециркуляции (НРЦ);
Регулирующий клапан (М) для контроля температуры обратной воды;
Отсечной клапан для предотвращения тока теплоносителя через котел при его остановке
Контроль и сигнализацию аварий:
Аварии котла и насосов;
Общекотельные аварии при использовании модуля расширения ПРМ
Интеграцию в каскадную систему с помощью каскадного контроллера КТР-121.02.41.
Функцию автоматического розжига с контролем параметров;
Возможность внешнего управления по дискретным сигналам.
Контроллер выпускается по ТУ 4218-016-46526536-2016.
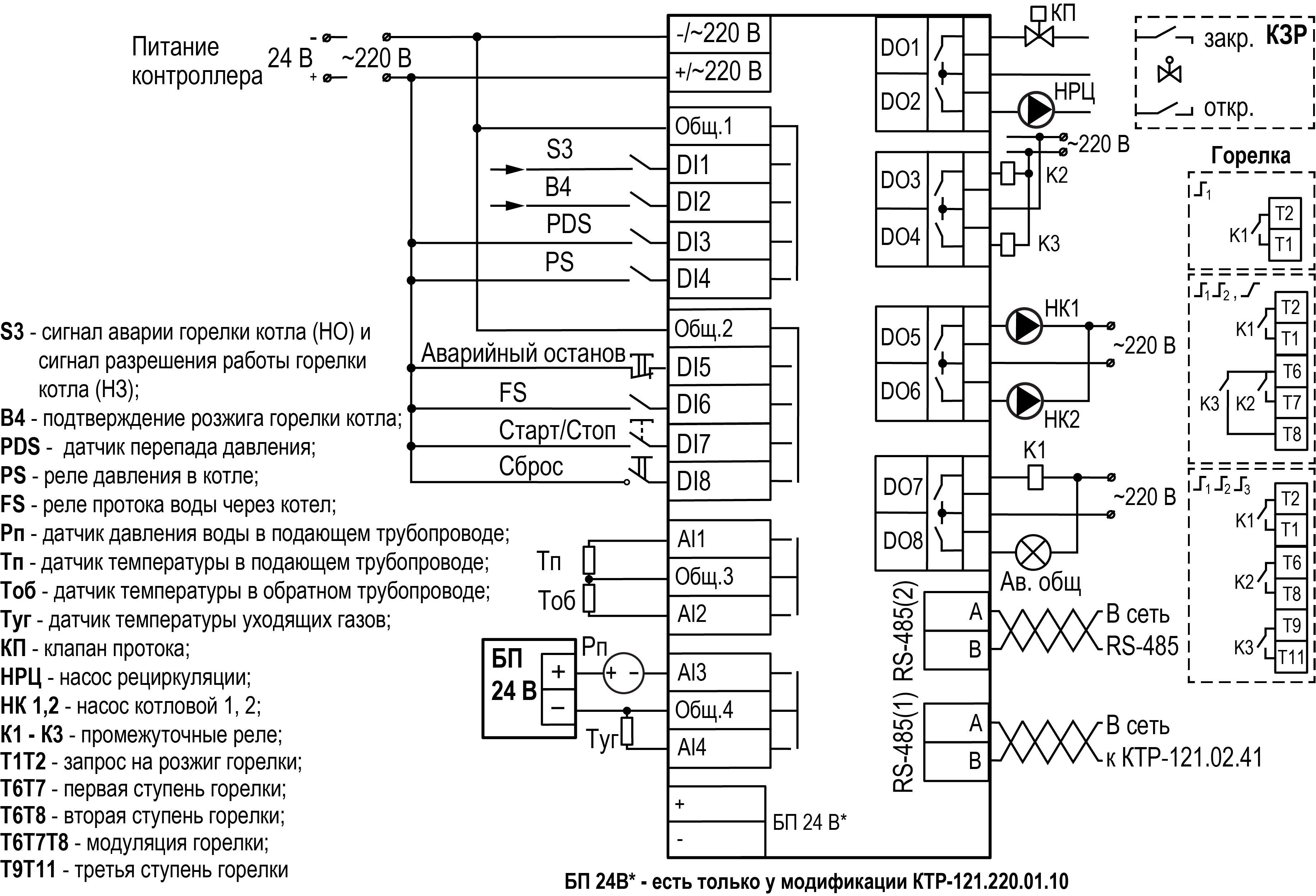
Объем задач управления определяется настройками прибора. Возможные схемы управления представлены на рисунке.
Датчики и сигналы
| Обозначение | Описание |
|---|---|
Тп | Датчик температуры теплоносителя в подающем трубопроводе. Измеряет температуру теплоносителя на выходе из котла для контроля температуры подачи |
Рп | Датчик давления теплоносителя в подающем трубопроводе. Контролирует давление теплоносителя после котла для обеспечения безопасной работы системы |
Тоб | Датчик температуры теплоносителя в обратном трубопроводе. Измеряет температуру теплоносителя на входе в котел для контроля температуры обратной воды |
Туг | Датчик температуры уходящих газов. Измеряет температуру дымовых газов в дымоходе для оценки эффективности горения и предотвращения перегрева котла |
B4 | Сигнал подтверждения розжига горелки котла. Подтверждает успешный розжиг горелки для обеспечения надежной работы системы |
S3 | Сигнал разрешения работы горелки котла (НЗ) или сигнал аварии горелки котла (нормально разомкнутый контакт), в зависимости от типа горелки и конфигурации системы |
| S3 | Сигнал аварии горелки котла (НО) |
PS | Реле давления в котле или разрежения за котлом, в зависимости от конфигурации. Обеспечивает контроль разрежения или давления за котлом для правильной тяги и безопасной эксплуатации |
FS | Реле протока теплоносителя через котел. Отслеживает наличие или отсутствие потока теплоносителя через котел для предотвращения перегрева и других аварийных ситуаций |
PDS | Реле перепада давления на насосах. Контролирует перепад давления на насосах для диагностики их работы и своевременного обнаружения неисправностей |
Исполнительные механизмы
| Обозначение | Описание |
|---|---|
| М | Запорно-регулирующий клапан с электроприводом. Регулирует поток теплоносителя для поддержания заданных параметров температуры обратной воды |
| НРЦ | Насос рециркуляции. Обеспечивает циркуляцию обратного теплоносителя для поддержания необходимой температуры обратной воды |
| НК1 (2) | Котловой насос 1 (и 2). Обеспечивает циркуляцию теплоносителя через котел для стабильной работы системы |
![]() | Горелка, работающая в режиме включено/выключено. Контроллер управляет ее запуском и остановкой |
![]() | Горелка с двумя уровнями мощности (например, 50% и 100%). Контроллер управляет переключением между ступенями |
![]() | Горелка с тремя уровнями мощности (например, 20%, 60%, 100%). Контроллер управляет переключением между ступенями. |
![]() | Горелка с плавным регулированием мощности в широком диапазоне. Контроллер осуществляет непрерывное управление мощностью |
Горелка на котле должна обладать:
функцией автоматического розжига с контролем соответствующих параметров;
внешним управлением по дискретным сигналам.
Алгоритм прибора обеспечивает:
поддержание заданной температуры подачи в трубопроводе за котлом (далее — температура сети);
управление котловыми насосами;
поддержание температуры на входе в котел (далее – температура обратной воды);
возможность интеграции в каскад (подключение к КТР-121.02.41);
при использовании модуля расширения ПРМ прибор контролирует общекотельные аварии и сигнализирует о их возникновении;
контроль аварий котла и насосов.
Технические характеристики и условия эксплуатации
Технические характеристики
Характеристики прибора
Наименование | Значение | |||
|---|---|---|---|---|
КТР-121.220 | КТР-121.24 | |||
Питание | ||||
Диапазон напряжения питания | от ~ 94 до 264 В (номинальное 230 В при от 47 до 63 Гц) | от = 19 до 30 В (номинальное 24 В) | ||
Гальваническая развязка | Есть | |||
Электрическая прочность изоляции между входом питания и другими цепями | 2830 В | 1780 В | ||
Потребляемая мощность, не более | 17 ВА | 10 Вт | ||
Встроенный источник питания | Есть | — | ||
Выходное напряжение встроенного источника питания постоянного тока | 24 ± 3 В | — | ||
Ток нагрузки встроенного источника питания, не более | 100 мА | — | ||
Электрическая прочность изоляции между выходом питания и другими цепями | 1780 В | — | ||
Дискретные входы | ||||
Количество входов | 8 | |||
Напряжение «логической единицы» | от 159 до 264 В (переменный ток) | от 15 до 30 В (постоянный ток) | ||
Ток «логической единицы» | от 0,75 до 1,5 мА | 5 мА (при 30 В) | ||
Напряжение «логического нуля» | от 0 до 40 В | от –3 до +5 В | ||
Подключаемые входные устройства | Датчики типа «сухой контакт», коммутационные устройства (контакты реле, кнопок и т. д.) | |||
Гальваническая развязка | Групповая, по 4 входа (1–4 и 5–8, «общий минус») | |||
Электрическая прочность изоляции:
|
1780 В | |||
| 2830 В | |||
Аналоговые входы | ||||
Количество входов | 4 | |||
Время опроса входов | 10 мс | |||
Тип датчиков | от 4 до 20 мА, от 0 до 4000 Ом | |||
Предел допускаемой основной приведенной погрешности при измерении | ± 0,5 % | |||
| Дискретные выходы | ||||
Количество выходных устройств, тип | 8 э/м реле (НО) | |||
Коммутируемое напряжение в нагрузке: | ||||
для цепи постоянного тока, не более | 30 В (резистивная нагрузка) | |||
для цепи переменного тока, не более | 250 В (резистивная нагрузка) | |||
Допустимый ток нагрузки, не более | 5 А при напряжении не более 250 В переменного тока и cos φ > 0,95; 3 А при напряжении не более 30 В постоянного тока | |||
Гальваническая развязка | Групповая по 2 реле (1–2; 3–4; 5–6; 7–8) | |||
Электрическая прочность изоляции: |
| |||
между другими цепями | 2830 В | |||
между группами выходов | 1780 В | |||
| Индикация и элементы управления | ||||
Тип дисплея | Текстовый монохромный ЖКИ с подсветкой, 2 × 16 символов | |||
Индикаторы | Два светодиодных индикатора (красный и зеленый) | |||
| Кнопки | 6 шт | |||
Корпус | ||||
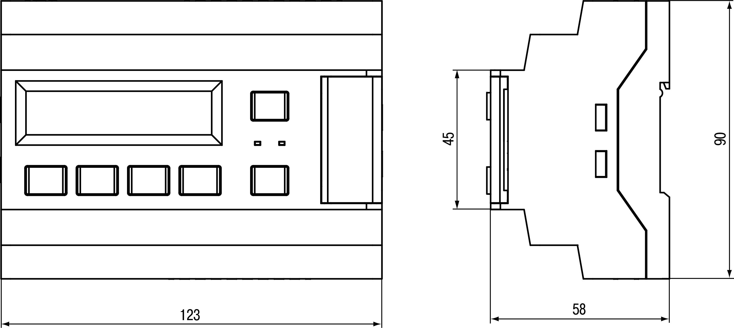
Тип корпуса | Для крепления на DIN-рейку (35 мм) | |||
Габаритные размеры | 123 × 90 × 58 мм | |||
Степень защиты корпуса по | IP20 | |||
Масса прибора, не более (для всех вариантов исполнений) | 0,6 кг | |||
Средний срок службы | 10 лет | |||
Условия эксплуатации
Прибор предназначен для эксплуатации в следующих условиях:
- закрытые взрывобезопасные помещения без агрессивных паров и газов;
- температура окружающего воздуха от минус 20 до плюс 55 °С;
- относительная влажность воздуха от 30 до 80 % без конденсации влаги;
- допустимая степень загрязнения 1 (несущественные загрязнения или наличие только сухих непроводящих загрязнений);
- атмосферное давление от 84,0 до 106,7 кПа.
По устойчивости к синусоидальным вибрациям во время эксплуатации прибор соответствует группе исполнения N2 по ГОСТ Р 52931–2008 (частота вибрации от 10 до 55 Гц).
По устойчивости к воздействию атмосферного давления прибор относится к группе Р1 по ГОСТ Р 52931–2008.
Прибор отвечает требованиям по устойчивости к воздействию помех
в соответствии с
По уровню излучения радиопомех (помехоэмиссии) прибор соответствует
Прибор устойчив к прерываниям, провалам и выбросам напряжения питания:
- для переменного тока в соответствии с требованиями ГОСТ 30804.4.11–2013;
- для постоянного тока в соответствии с требованиями ГОСТ IEC 61131–2–2012 – длительность прерывания напряжения питания до 10 мс включительно, длительность интервала от 1 с и более.
Меры безопасности
По способу защиты обслуживающего персонала от поражения электрическим
током
Во время эксплуатации и технического обслуживания прибора следует соблюдать требования ГОСТ 12.3.019–80, «Правил технической эксплуатации электроустановок потребителей электрической энергии» и «Правил охраны труда при эксплуатации электроустановок».
Во время эксплуатации прибора открытые контакты клеммника находятся под опасным для жизни напряжением. Прибор следует устанавливать в специализированных шкафах, доступных только квалифицированным специалистам.
Любые подключения к прибору и работы по его техническому обслуживанию следует производить только при отключенном питании прибора и подключенных к нему устройств.
Не допускается попадание влаги на контакты выходного разъема и внутренние электроэлементы прибора. Прибор запрещено использовать в агрессивных средах с содержанием в атмосфере кислот, щелочей, масел и т. п.
Последовательность ввода в эксплуатацию
Для ввода в эксплуатацию следует:
Смонтировать прибор (см. раздел) и подключить входные/выходные цепи (см. раздел).
Настроить параметры прибора:
Если необходимо, настроить прибор с помощью программного обеспечения ОВЕН Конфигуратор на ПК(см. раздел).
Проверить правильность подключения исполнительных механизмов и датчиков (см. раздел).
Запустить установку и проверить сообщения об авариях (см. раздел).
Внешнее управление
Для объединения контроллеров КТР-121 следует выполнить шаги:
Подключить контроллеры КТР–121.01.10 к каскадному контроллеру КТР–121.02.41. Заводские настройки интерфейсов:
Интерфейс КТР–121.01.10 КТР–121.02.41 RS-485-1 SLAVE SLAVE RS-485-2 SLAVE MASTER
ПримечаниеНомер интерфейса совпадает с порядком расположения на корпусе прибора слева-направо. Объединение нескольких устройств КТР-121.01.10 производить по схеме, изображенной на рисунке ниже.Объединение нескольких устройств КТР-121.01.10 производится по схеме, изображенной на рисунке.

Соединение каскадного регулятора с котловыми Настроить адреса контроллеров КТР-121.01.10.
Адреса по умолчанию каждого КТР-121.01.10 равен 16. Перед началом работы с КТР-121.02.41 следует изменить адреса каждого КТР-121.01.10 в соответствии с заданными по умолчанию адресами в КТР-121.02.41 см. таблицу.
Адреса подчиненных контроллеров по умолчанию
Номер прибора 1 2 3 4 Адрес 8 16 24 32 Адрес контроллера можно изменить через системное меню см. раздел.
Наличие связи между контроллерами можно проверить по строке «Управление: Внеш» на главном экране каждого котлового регулятора.
ВниманиеВ случае обрыва линии связи КТР-121.01.10 продолжает работать по последней полученной уставке от каскадного контроллера КТР-121.02.41. Если внешняя кнопка «Старт/Стоп» находится в положении «Старт», контроллер перейдет в режим работы и будет поддерживать заданную температуру по последней уставке. Если кнопка находится в положении «Стоп», контроллер перейдет в режим блокировки, при этом работа котла будет заблокирована (подробнее см. раздел).
Работа с ПО Owen Configurator
Начало работы
Для установки Owen Configurator (далее - Конфигуратор) следует:
Скачать с сайта архив с ПО (
https://owen.ru/documentation/907 ).Извлечь из архива ехе-файл установщика.
Запустить .ехе-файл.
Установить на ПК драйвер прибора (
Для настройки связи с прибором следует:
Подать питание на прибор.
Подключить прибор к ПК с помощью кабеля USB A – microUSB.
В Диспетчере устройств Windows уточнить номер назначенного прибору COM-порта.
Запустить Конфигуратор.
Нажать кнопку
Добавить устройства. Выбрать интерфейс «Устройство с последовательным интерфейсом USB» (см. рисунок, 1). Номер СОМ порта, присвоенный прибору можно узнать в Диспетчере устройств Windows.
Выбрать протокол ОВЕН (см. рисунок, 2).
Выбрать устройство (Пункт 3 на рисунок). Модификация КТР-121 указана на боковой стороне прибора.
Выбрать «Найти одно устройство», если добавляется один прибор. Запустить поиск нажатием на кнопку «Найти» (см. рисунок, 4).
Выделить найденное устройство (см. рисунок, 5).
Добавить устройство в проект Конфигуратора по нажатию кнопки «Добавить устройства» (см. рисунок, 6).

Настройки связи с устройством
Если изображение прибора серого цвета и запись параметров в прибор завершается всплывающим окном красного цвета, то следует проверить правильность подключения прибора к ПК.

Если в процессе настройки или работы в режиме «Офлайн» были изменены Сетевые настройки, то связь с прибором пропадет. (см. раздел).
Подключение можно восстановить повтором настройки связи.
Режим «офлайн»
Для конфигурирования прибора в режиме офлайн (без подключения прибора к ПК) следует:
Нажать кнопку
Добавить устройства.В появившемся окне выбрать в списке «Интерфейс» – Работа офлайн.

Добавление устройства В списке «Устройства», выбрать нужную модификацию прибора.

Выбор модификации Нажать кнопку «Добавить». Параметры прибора отобразятся в главном окне.

Отображение приборов в главном окне
Параметры доступны для редактирования. После подключения прибора к ПК, измененные параметры можно будет загрузить в него.
Обновление встроенного ПО
Сменить встроенное ПО можно только у приборов с одинаковой модификацией по питанию!
Нельзя сменить встроенное ПО, например, с КТР-121.220.02.20 на КТР-121.24.02.20.
Далее приведен пример смены встроенного ПО для КТР-121.24.01.10. Процесс смены встроенного ПО для остальных модификаций аналогичен.
Для обновления встроенного ПО следует:
Нажать на кнопку
Обновить устройство в контекстном меню выбранного
устройства или в главном меню. Откроется диалоговое окно для смены
встроенного ПО устройства.
ПримечаниеДопускается обновление одного или нескольких устройств. Устройства следует выделить в области устройств (см. рисунок, 5) и выбрать Обновить устройство в контекстном меню или главном меню.Выбрать источник загрузки:
Загрузить встроенное ПО из файла – требуется указать путь к файлу встроенного ПО в окне Проводника Windows;
Загрузить встроенное ПО, выбрав из списка – выбрать встроенное ПО из списка на сервере, доступных для загрузки в прибор данного типа;
Обновить до последней версии – последняя версия встроенного ПО будет загружена автоматически (требуется подключение к Интернету). Пункт недоступен, если версия встроенного ПО прибора актуальная.

Выбор источника встроенного ПО
Выбрать необходимую модификацию прибора (см. рисунок ниже).

Выбор алгоритма Нажатием кнопки «Загрузить», подтвердить загрузку выбранного встроенного ПО в прибор (см. рисунок ниже).

Начало загрузки встроенного ПО Пока идет загрузка встроенного ПО в устройство, в окне будет отображаться индикатор загрузки.

Индикатор прогресса процесса смены встроенного ПО Дождаться сообщения об окончании загрузки встроенного ПО в прибор (см. рисунок ниже).

Сообщение об окончании процесса смены встроенного ПО
ПримечаниеВ случае возникновения сбоя во время загрузки встроенного ПО, процесс смены встроенного ПО следует произвести повторно.После завершения записи встроенного ПО в устройство, отобразится уведомление о завершении процесса. Чтобы изменения вступили в силу устройство следует заново добавить в проект Конфигуратора.

Уведомление о необходимости добавить прибор заново в проект
Для проверки версии встроенного ПО прибора следует нажать кнопку
Информация об
устройстве. Откроется окно информации об устройстве.

Настройка часов
Часы прибора можно настроить в Конфигураторе или из системного меню.

Часы можно настроить в ветке Об устройстве/Часы в списке
параметров устройства или из меню Конфигуратора. После нажатия кнопки
Настроить часы появится меню, приведенное на рисунке ниже.

Для настройки часов следует:
Выбрать дату с помощью календаря.
Ввести время в поле часов или воспользоваться кнопкой Установить дату и время компьютера.
Нажать кнопку Записать значения.
Отслеживание параметров
В Конфигураторе можно просматривать изменение параметров в режиме реального времени.
Для отслеживания параметров следует:
Нажать кнопку
Отслеживание параметров.Появится окно со списком параметров.

Окно отслеживания параметров
Загрузка конфигурации в прибор
Для загрузки конфигурации (измененных параметров) в прибор следует
нажать кнопку
Записать значения или щелкнуть правой кнопкой мыши на значке
прибора и в появившемся меню выбрать пункт «Записать значения».

Монтаж и подключение
Установка
Если прибор находился длительное время при температуре ниже минус 20 °C, то перед включением и началом работ следует его выдержать в помещении с температурой рабочего диапазона не менее 30 минут. Это необходимо для предотвращения образования конденсата внутри прибора.


Для монтажа прибора на DIN-рейке следует:
- Подготовить на DIN-рейке место для установки прибора в соответствии с размерами прибора (см. рисунок).
- Вставив отвертку в проушину, оттянуть защелку (см. рисунок, 1).
- Прижать прибор к DIN-рейке (см. рисунок, 2). Отверткой вернуть защелку в исходное положение (см. рисунок, 3)
- Смонтировать внешние устройства с помощью ответных клеммников из комплекта поставки.
Для демонтажа прибора с DIN-рейки следует:
- Отключить питание и отсоединенить клеммники
ВниманиеПри демонтаже прибора следует соблюдать меры безопасности и использовать средства индивидуальной защиты (например, диэлектрические перчатки).Полностью обесточить прибор и связанные с ним устройства, отключив питание.
Отсоединить съемные части клеммников от прибора, предварительно пометив провода для последующего подключения (см. рисунок).
Обеспечить безопасное расположение проводов, чтобы избежать их случайного замыкания или повреждения.
- Отжать защелку:
Вставить отверткус плоским шлицем в проушину защелки на нижней стороне прибора.
Осторожно отжать защелку вниз, освобождая крепление прибора на DIN-рейке
Снять прибор с DIN-рейки:
Потянуть на себя нижнюю часть прибора от DIN-рейки, освобождая нижний зацеп.
Поднять прибор вверх, снимая верхний зацеп с верхнего края DIN-рейки.
Аккуратно удалить прибор, избегая ударов и механических повреждений корпуса.

Общая схема подключения
Внешние соединения должны выполняться проводами сечением не более 0,75 мм². Для многожильных проводов рекомендуется использовать кабельные наконечники для обеспечения надежного контакта и предотвращения повреждения жил.

Напряжение питания прибора должно соответствовать напряжению, используемому на дискретных входах. При работе прибора в сети постоянного напряжения номиналом 24 В запрещается напрямую подключать сигналы переменного напряжения 230 В к дискретным входам. В этом случае необходимо использовать промежуточные реле для гальванической развязки и безопасного управления входами прибора.
В качестве источника сигнала аварийного останова котельной могут использоваться:
Внешняя аварийная кнопка (кнопка аварийного останова котельной).
Сигналы общекотельных аварий, таких как «Пожар», «Загазованность» и другие. Примечание: Сигналы аварий могут быть подключены параллельно для обеспечения максимальной безопасности. Подробная схема подключения представлена в разделе.
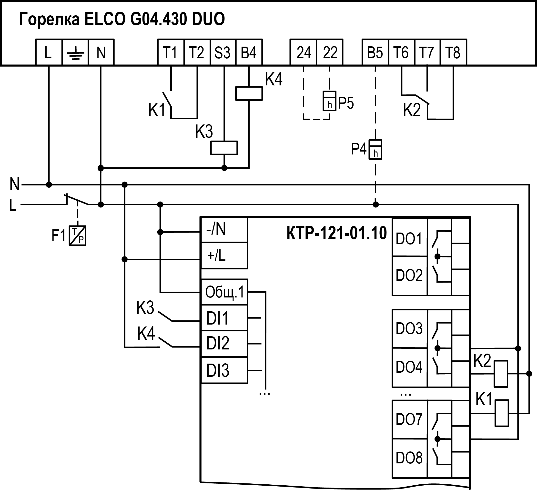
Примеры подключения горелок представлены в Приложении Примеры подключений.
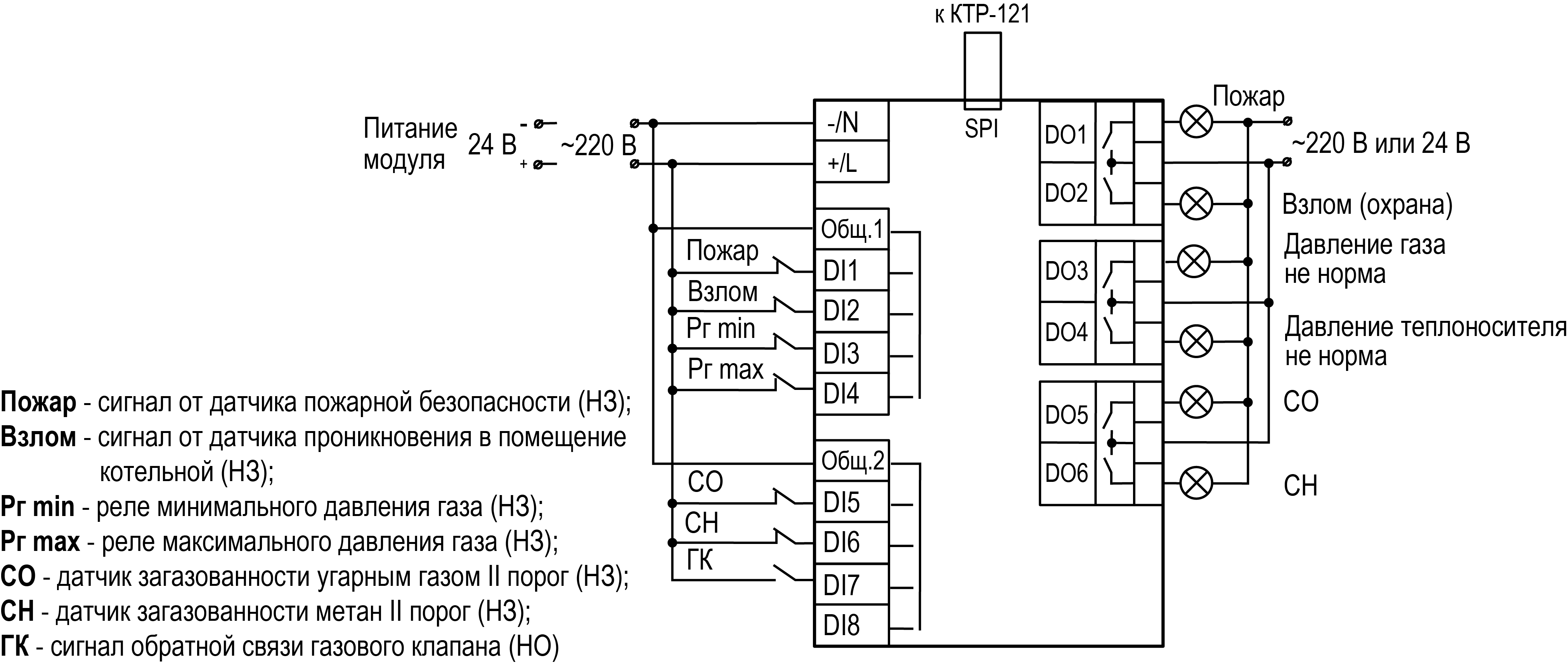
Для дополнительного контроля аварий следует подключить модуль расширения ПРМ.

Рекомендации по подключению
Дискретные входы
Убедиться, что напряжение сигналов на дискретных входах соответствует напряжению питания прибора.
Если необходимо, то следует использовать промежуточные реле для согласования напряжений и обеспечения гальванической развязки.
Аналоговые входы
При подключении токовых датчиков следует строго соблюдать полярность.
Следует использовать экранированные кабели для предотвращения влияния электромагнитных помех.
Провода и кабели
Прокладывать сигнальные и силовые кабели следует отдельно во избежание наводок.
Следует избегать острых изгибов и натяжения проводов.
Следует обеспечить надежную фиксацию проводов в клеммных соединениях.
Общие рекомендации
Все монтажные работы следует проводить при отключенном питании прибора и внешних устройств.
Следует соблюдать меры безопасности.
Следует использовать средства индивидуальной защиты.
Если остались вопросы, то следует обратиться в техподдержку support@owen.ru.
Индикация и управление
Основные элементы управления

Назначение кнопок
| Кнопка | Назначение |
|---|---|
| Смещение видимой области вверх. Перемещение по пунктам меню вверх |
![]() | Смещение видимой области вниз. Перемещение по пунктам меню вниз |
![]() | Используется в комбинациях с другими кнопками. При удержании более 6 секунд — переход в системное меню |
![]() | Выбор параметра. Переход к редактированию выбранного параметра |
![]() | Сохранение изменённого значения. Подтверждение ввода |
![]() | Выход/отмена. Отмена введённого значения или выход из текущего меню без сохранения изменений. При удержании более 6 секунд — выход из системного меню и возврат на Главный экран |
Назначение светодиодов
На лицевой панели прибора расположены элементы индикации и управления (см. рисунок):
- Двухстрочный шестнадцатиразрядный ЖКИ (жидкокристаллический индикатор) для отображения информации о работе прибора, параметров и меню настроек.
- Два светодиода:
Зеленый светодиод — индикатор нормальной работы прибора (питание включено, нет аварий).
Красный светодиод — индикатор аварийного состояния или неисправности.
- Шесть кнопок — предназначены для навигации по меню прибора и редактирования значений параметров.
Порядок редактирования значений параметров:
Выбрать нужный параметр:
С помощью кнопок
и
в для перемещения по меню и поиска необходимого
параметра.Нажатием кнопки
выбрать нужный параметр. Выбранный параметр
начнет мигать, указывая на возможность его редактирования.
Изменить значение параметра:
Нажатиями кнопок
и
изменить значение параметра.Для изменения редактируемого разряда числового параметра:
Нажать и удерживать кнопку
.Нажать кнопку
для перехода к более старшему разряду или
для
перехода к более младшему разряду.Отпустить кнопку
.
Для сохранения изменений:
Для сохранения введенного значения нажать кнопку
.Для сохранения введенного значения и перехода к следующему параметру нажать кнопку
.
Для отмены введённого значения и выхода из режима редактирования нажать кнопку
. Изменения не будут сохранены, и параметр вернётся
к предыдущему значению.
Комбинации кнопок
+
Переход с Главного экрана в раздел «Меню».
+
Переход с Главного экрана в раздел «Аварии».
+
/
Изменение редактируемого разряда (выше или ниже) при работе
с числовыми параметрами.
Дополнительные функции
Переход в системное меню: нажать и удерживать кнопку
более
6 секунд.
Выход из системного меню и возврат на Главный экран: нажать и удерживать
кнопку
более 6 секунд.
Быстрый доступ
Использование комбинаций кнопок позволяет быстро переходить к основным разделам без необходимости навигации по меню.
Системное меню
В системном меню доступны дополнительные настройки прибора. Изменение некоторых настроек в Системном меню может привести к частичной неработоспособности прибора.
Главный экран
Главный экран (ступенчатая горелка)
Экран | Описание |
|---|---|
| РабСт1 Тпр 80.5 | Режим работы и текущая измеренная температура подачи, °С |
| Уст.: 70.5 <..< 85.5 | Температурный диапазон регулирования, °С |
| До Подкл.: 5 с * | Время до подключения/отключения ступени/котла, секунд |
| Стаб —: 13 с * | Время стабилизации – задержка расчёта интеграла на подключение/отключение ступени/котла, секунд |
| Управление: Пуск | Переключение режимов Пуск/Стоп и индикация наличия источника внешнего управления Внеш** |
| Тобр 60 | Текущая температура теплоносителя в обратном трубопроводе, °С |
| Рпр 5.2 | Текущее давление теплоносителя в подающем трубопроводе, Бар |
| Туг 120 | Текущая температура уходящих газов в дымоходе котла, °С |
Аварии -> ALT + OK Меню ->ALT + SEL | Для перехода к меню «Аварии» нажать сочетание клавиш Для перехода в «Меню» к меню нажать сочетание клавиш |
На главном экране прибора отображается вся необходимая для работы
информация. Для просмотра всей информации на дисплее следует менять
положение строк индикации нажатием кнопок
и
. Внешний вид главного
экрана представлен в таблицах и.
Главный экран (модулируемая горелка)
Экран | Описание |
|---|---|
| Работа Тпр 65.5 | Режим работы и текущая измеренная температура подачи, °С |
| Уст.:70.5 | Уставка регулирования |
| Мощн: 50% | Текущая мощность ПИД-регулятора |
| Управление: Пуск | Переключения режимов Пуск/Стоп и индикация наличия источника внешнего управления Внеш |
| Рпр 5.2 | Текущее давление теплоносителя в подающем трубопроводе, бар |
| Тобр 60 | Текущая температура теплоносителя в обратном трубопроводе, °С |
| Туг 120 | Текущая температура уходящих газов в дымоходе котла, °С |
Аварии ->ALT+OK Меню ->ALT+SEL | Для перехода к меню «Аварии» нажать сочетание клавиш Для возвращения в «Меню» нажать сочетание клавиш |
Если не используется регулирование обратной воды или контроль давления, то вместо измеренных значений на главном экране будет отображаться сообщение "Откл", указывающее на то, что функция не активирована.
Режим работы/Варианты индикации
Вид | Описание |
|---|---|
| ЗапНас | Запуск котловых насосов. Активируется при включении насосов циркуляции теплоносителя. Ожидание подтверждения запуска через датчики PDS и FS |
| Розжиг | Запуск горелки. Подан запрос на розжиг, ожидание подтверждения начала работы горелки (В4) |
| ХолПуск | Плавный прогрев холодного котла. Плавное увеличение температуры для предотвращения резких перепадов. Работа по времени или по температуре. |
| РабСт1 | Работа горелки на первой ступени. Включение первой ступени горелки для начала процесса нагрева |
| РабСт2 | Работа горелки на второй ступени. Включение второй ступени горелки для усиления нагрева |
| РабСт3 | Работа горелки на третьей ступени. Включение третьей ступени горелки для максимального нагрева |
| Работа | Модулируемая горелка в работе. Плавное регулирование мощности горелки для поддержания заданной температуры |
| РежСон | Рабочий останов горелки при избытке тепла. Переход к минимальной мощности с дальнейшим отключением горелки, циркуляция продолжается |
| Тест | Режим тестирования. Проверка работы входов и выходов прибора без влияния на процесс управления |
| Авария | Сигнализация о неисправности. Дальнейшее поведение определяется типом аварии (см. таблицу) |
| Стоп | Останов котла. Полный останов работы системы вместе с циркуляцией по команде от каскадного регулятора или при избытке тепла |
| Откл | Котел отключен внешней кнопкой Стоп. Управление осуществляется в ручном режиме |
Для удобства отслеживания текущего режима работы прибора, индикация «Режим работы» имеет варианты указанные в таблице.
Структура меню

Настройки системы
В разделе «Настройки» доступны различные параметры для конфигурации работы прибора. В зависимости от выбранного «Типа схемы», некоторые пункты могут быть скрыты.
Пример настройки:
Перейти в раздел «Тип схемы».
Установить параметр «Насосы Котл» на «Нет».
Вернитесь в меню «Настройки». Обратите внимание, что пункт «Насосы котловые» больше не отображается.
Общая информация
Меню/Информация/Общая
Экран | Описание |
|---|---|
| Информация | |
| КТР-121.01.10 | Наименование модификации прибора |
| Версия: 3.00 | Версия программного обеспечения |
| от 17.02.2023 | Дата релиза программного обеспечения |
Наименование модификации прибора, версия программного обеспечения и дата релиза доступны в разделе Меню → Информация → Общая.
Сброс настроек
Меню/Настройки/Сброс настроек
| Экран | Описание | Диапазон |
|---|---|---|
| Сброс настроек | Сброс настроек на заводские значения | Нет, Да |
| на заводские:Нет |
Параметры прибора можно вернуть к заводским значениям с помощью команды Сброс настроек в меню.
Пароли;
Параметры даты и времени;
Сетевые настройки.
Секретность
Секретность
Экран | Описание |
|---|---|
| Секретность | Название экрана |
| Пароль 1: 0 | Пароль доступа в меню «Быстр.Настройка» |
| Пароль 2: 0 | Пароль доступа в меню «Настройки» |
| Пароль 3: 0 | Пароль доступа в меню «Тест Вх/Вых» |
Доступ к настройкам Секретность осуществляется через Меню → Настройки → Секретность.
Пароли блокируют доступ:
Пароль 1 — к группе Быстр.Настройка;
Пароль 2 — к группе Настройки;
Пароль 3 — к группе Тест Вх/Вых.
Для сброса паролей следует:
перейти в Меню прибора;
нажать комбинацию кнопок (
+
);набрать пароль 118 и подтвердить cброс.
Так же установлены пароли:
на сброс журнала аварий — 741;
сброс настроек прибора на заводские — 963.
Режимы работы
Общие сведения

Контроллер поддерживает четыре основных режима:
- Стоп;
- Работа;
- Тест;
- Авария.
Режим «Стоп»:
Отключены всех исполнительные механизмы. Контроллер переходит в этот режим по умолчанию после подачи питания.
Переход в режим «Работа»: вручную с главного экрана с помощью команды «Старт» или по внешней команде.
Переход в режим «Тест»: вручную через меню.
Режим «Работа»:
Контроллер регулирует температуру подачи и контролирует аварийные ситуации.
Переход в режим «Стоп»: возможно вручную с главного экрана через команду «Стоп» или по внешней команде.
Переход в режим «Авария»: в автоматическом режиме при возникновении аварийной ситуации.
Возврат в «Работа» из «Авария»: возможен автоматически после устранения причины аварии.
Режим «Тест»:
Контроллер управляет всеми исполнительными механизмами в ручном режиме для проведения тестирования и диагностики.
Переход в режим «Тест» можно только из режимов «Стоп» или «Авария» вручную через меню.
Переход в режим «Стоп»: вручную через меню.
Режим «Авария»:
Контроллер переходит в этот режим при обнаружении неисправности. Действия зависят от типа аварии.
Переход в режим «Стоп»: возможен автоматически после устранения причины аварии.
Возврат в «Работа»: автоматически после устранения причины аварии.
Переход в режим «Тест»: возможен вручную через меню и только из состояния «Авария».
Режим «Стоп»
В режиме «Стоп» прибор не подает управляющие сигналы на исполнительные механизмы, но продолжает контролировать некоторые аварийные состояния для обеспечения безопасности системы. Перечень аварий, контролируемых в каждом режиме, приведен в таблице.
Переход из режима «Стоп» в режим «Работа»:
Для перевода прибора в режим «Работа» следует переключить режим с главного экрана (Управление: Стоп → Старт).
Запуск прибора возможен также подачей команды по сети или с помощью внешней кнопки «Старт».
Переход из режима «Работа» обратно в «Стоп»:
Для перевода прибора в режим «Стоп» следует переключить режим с главного экрана (Управление: Старт → Стоп).
Останов прибора возможен также подачей команды по сети или с помощью внешней кнопки «Стоп».
Режим «Авария»
Режим «Авария» предназначен для обеспечения безопасности котельной. При возникновении нештатной ситуации контроллер фиксирует причину аварии и подает аварийный сигнал на дискретный выход DO8.
Поведение прибора в этом режиме зависит от типа аварии и установленных настроек. Подробности по реакциям прибора на различные аварийные ситуации см. в столбце «Реакция прибора» в таблице.
Режим «Работа»
В режиме «Работа» прибор:
Регулирует температуру в подающем и обратном трубопроводе.
Поддерживает заданную температуру теплоносителя в подающем трубопроводе и может регулировать температуру обратной воды, если эта функция включена в настройках;
Контролирует аварии котла.
Следит за критическими параметрами, такими как перегрев, авария горелки, превышение давления теплоносителя и т.д., для предотвращения аварийных ситуаций и своевременной остановки котла;
Управляет котловыми насосами.
Включает и выключает насосы для циркуляции теплоносителя в зависимости от текущих условий и настроек. Поддерживает настройку режима работы насосов, включая возможный переход на резервный насос при выходе основного из строя (при наличии датчика перепада давления — PDS или датчика протока FS);
Контролирует общекотельные аварии.
Если подключен модуль расширения ПРМ-1, то прибор может контролировать общекотельные аварии, такие как сигналы «Пожар», «Загазованность», «Взлом», высокое и низкое давление газа, а также положение газового клапана. Аварийные сигналы от ПРМ-1 могут быть переданы в центральную систему управления для координации работы всей котельной.
Режим «Тест»
Режим «Тест» используется для:
проверки работоспособности дискретных и аналоговых датчиков
;проверки встроенных реле
;правильности подключения исполнительных механизмов.
Для перехода в режим «Тест» следует:
Перевести контроллер в режим Стоп, с помощью
внешней кнопкой Старт/Стоп или через меню прибора.
Перейти на экран Тест Вх/Вых.
Перевести прибор в режим Тест, выбрав значение «Активен»
в параметре Режим (Меню → Настройки → Тест Вх/Вых).
Параметры режима Тест
Экран | Описание | Диапазон |
|---|---|---|
| Тест Вх/Вых | ||
| Режим: Не акт. | Переход в тестовый режим | Активен, Не акт. |
Дискретные Выходы | ||
| DO 1:СП РЦзкр-0 | Сигнал «закрыть» на КЗР температуры обратной воды | 0 – Не активен, 1 – Активен |
| DO 2:СП РЦотк-0 | Сигнал «открыть» на КЗР температуры обратной воды ИЛИ включить насос рециркуляции | 0 – Не активен, 1 – Активен |
| DO 3:СП закр -0 | Сигнал «закрыть» на сервопривод горелки или включение первой ступени | 0 – Не активен, 1 – Активен |
| DO 4:СП откр -0 | Сигнал «открыть» на сервопривод горелки или включение второй ступени | 0 – Не активен, 1 – Активен |
| DO 5:НасКотл1-0 | Сигнал на включение первого котлового насоса | 0 – Не активен, 1 – Активен |
| DO 6:НасКотл2-0 | Сигнал на включение второго котлового насоса | 0 – Не активен, 1 – Активен |
| DO 7:Розжиг -0 | Сигнал на розжиг горелки | 0 – Не активен, 1 – Активен |
| DO 8:Ав лампа -0 | Сигнал на включение «Лампа общей аварии» | 0 – Не активен, 1 – Активен
|
Дискретные Входы | ||
| DI 1:АварияК – 0* | Сигнал горелки о возникновении аварии | 0 – Норма, 1 – Авария |
| DI 1:Разр.РК – 1* | Сигнал на разрешение работы горелки | 0 – Авария, 1 – Норма |
| DI 2:РаботаК – 0 | Сигнал горелки о подтверждении ее работы | 0 – Авария, 1 – Норма |
| DI 3:PDS НК – 0 | Сигнал реле перепада давления на группе котловых насосов циркуляции | 0 – Авария, 1 – Норма |
| DI 4:АвДавлен – 0 | Сигнал реле давления котла | 0 – Авария, 1 – Норма |
| DI 5:Ав Кнопк – 0 | Кнопка «Аварийный стоп» | 0 – Авария, 1 – Норма |
| DI 6:РелеПрот – 0 | Сигнал реле протока теплоносителя через котел | 0 – Авария, 1 – Норма |
| DI 7:Кн.Старт – 0 | Кнопка «Старт/Стоп» котла | 0 – Стоп, 1 – Старт |
| DI 8:Кн.Сброс – 0 | Кнопка «Сброс аварий» | 0 – Норма, 1 – Сброс |
Аналоговые входы | ||
| AI 1 Тпр: 60,3 °С | Текущая температура теплоносителя в подающем трубопроводе | 0…500 |
| AI 2 Тоб: 50,6 °С | Текущая температура теплоносителя в обратном трубопроводе | 0…500 |
| AI 3 Рпр: 4,3 | Текущее давление теплоносителя в контуре котла | 0…100 |
| AI 4 Туг: 110 °С | Текущая температура уходящих газов | 0…500 |
Далее: ALT+Вниз Назад-> ESC | Для перехода к следующему меню нажать сочетание клавиш Для выхода из меню нажать кнопку |
|
Выходы ПРМ дискр | ||
| DO1: Ав.Пожар – 0 | Сигнал на включение лампы «Пожар» | 0 – Не активен, 1 – Активен |
| DO2: Ав.Охран – 0 | Сигнал на включение лампы «Взлом» | 0 – Не активен, 1 – Активен |
| DO3: Ав.Ргаза – 0 | Сигнал на включение лампы «Давление газа не в норме» | 0 – Не активен, 1 – Активен |
| DO4: Ав.Рпр – 0 | Сигнал на включение лампы «Давление сети не в норме» | 0 – Не активен, 1 – Активен |
| DO5: Ав.СО – 0 | Сигнал на включение лампы «Загазованность СО» | 0 – Не активен, 1 – Активен |
| DO6: Ав.СН – 0 | Сигнал на включение лампы «Загазованность СН» | 0 – Не активен, 1 – Активен
|
Входы ПРМ дискр | ||
| DI1: Пожар – 0 | Датчик пожара | 0 – Авария, 1 – Норма |
| DI2: Охрана – 0 | Датчик проникновения | 0 – Авария, 1 – Норма |
| DI3: minРгаза – 0 | Давление газа мало | 0 – Авария, 1 – Норма |
| DI4: maxРгаза – 0 | Давление газа велико | 0 – Авария, 1 – Норма |
| DI5: Ав.СО – 0 | Датчик загазованности СО | 0 – Авария, 1 – Норма |
| DI6: Ав.СН – 0 | Датчик загазованности СН | 0 – Авария, 1 – Норма |
| DI7: Газ кл. – 0 | Положение газового клапана | 0 – Закрыт, 1 – Открыт |
| Назад: ALT+Вниз Выход-> ESC | Для перехода к предыдующему меню нажать сочетание клавиш Для выхода из меню нажать кнопку |
|
* Параметр может отсутствовать, в зависимости от выбранного типа
сигнала DI1 (Меню → Настройки → Входы).
Управление котлом
Измерение температуры и давления
Меню/Настройки/Входы
| Экран | Описание | Диапазон |
|---|---|---|
| Настройка входов | Текстовая подсказка | — |
| Тпр | Тип датчика температуры подачи — задает тип датчика для измерения температуры теплоносителя в подающем трубопроводе | PT1000, PT100, 100М, NTC |
| В25/100 | Коэффициент для NTC — устанавливает температурный коэффициент для термисторов NTC | 0...9999 |
| R25 | Начальное сопротивление для NTC — сопротивление термистора NTC при температуре 25 °C | 0...9999 |
| Сдвиг | Корректировка измеренного значения — позволяет откорректировать показания датчика температуры подачи | –100...100 |
| Тобр | Тип датчика температуры обратной воды — задает тип датчика для измерения температуры в обратном трубопроводе | PT1000, PT100, 100М, NTC |
| В25/100 | Коэффициент для NTC — температурный коэффициент для датчика NTC в обратном трубопроводе | 0...9999 |
| R25 | Начальное сопротивление для NTC — сопротивление термистора NTC в обратном трубопроводе при 25 °C | 0...9999 |
| Сдвиг | Корректировка измеренного значения — корректировка показаний температуры обратной воды | –100...100 |
| Рпр | Параметры датчика давления подачи (Рпр) — определяют диапазон измерений и корректировку давления в подающем трубопроводе. Активируется параметром Контр. Рпр (Меню → Настройки → Тип схемы) | — |
| 20мА | Верхняя граница измерения давления, соответствующая 20 мА на аналоговом входе | 0...100 |
| 4мА | Нижняя граница измерения давления, соответствующая 4 мА на входе датчика | 0...100 |
| Сдвиг | Корректировка измеренного значения — настройка для корректировки показаний давления | –100...100 |
| Туг | Тип датчика температуры уходящих газов — выбор типа датчика для измерения температуры уходящих газов | PT1000, PT100, 100М, NTC |
| В25/100 | Коэффициент для NTC — температурный коэффициент для датчика NTC при измерении температуры отходящих газов | 0...9999 |
| R25 | Начальное сопротивление для NTC — сопротивление термистора NTC при 25 °C для датчика уходящих газов | 0...9999 |
| Сдвиг | Корректировка измеренного значения — настройка для точной калибровки показаний температуры уходящих газов | –100...100 |
| DI1 | Режим работы дискретного входа №1 — определяет, используется ли DI1 как сигнал аварии горелки или как сигнал разрешающей цепи | АварияК, Разр. РК |
| Сброс | Режим сброса аварии горелки — задает способ сброса аварии горелки: вручную или автоматически после устранения причины аварии | Ручной, Автомат |
| DI Вр.Флтр | Время фильтрации дискретных сигналов — устанавливает фильтрацию на входах для исключения ложных срабатываний | 1,5...5 с |
| Выход -> ESC | Выход из меню —
для возврата из текущего меню нажать кнопку ![]() | — |
Прибор поддерживает работу с резистивными датчиками температуры типов PT1000, PT100, NTC и 100М (см. таблицу).
Тип датчика настраивается индивидуально для каждого входа. Если измеренное значение температуры отличается от фактического, рекомендуется задать корректировку с помощью параметра Сдвиг, который также настраивается отдельно для каждого входа.
Для корректного измерения давления необходимо настроить пределы преобразования токового сигнала 4…20 мА в пользовательские единицы измерения (МПа, бар, атм и т.п.). Функция измерения и контроля давления активируется параметром Контр. Рпр (Меню → Настройки → Тип схемы).
Настройка дискретного входа DI1
Выбор типа дискретного сигнала на входе DI1 определяет тип подключенной цепи:
НО контакт — «Авария горелки» (DI1: АварияК):
При аварии горелки на DI1 появляется активный сигнал. Отсутствие сигнала в режиме работы свидетельствует о нормальной работе горелки.
Режим сброса аварии (автоматический или ручной) задается в параметре Сброс (Меню → Настройки → Входы).
Последовательность НЗ контактов — «Разрешающая цепь» (DI1: Разр. РК):
Наличие активного сигнала на DI1 разрешает запуск горелки. Отсутствие сигнала означает недоступность горелки для запуска. При появлении активного сигнала горелка автоматически возвращается в работу.
Сигнал «Авария горелки» предполагает наличие активного сигнала на дискретном входе DI1 при возникновении аварии. Отсутствие сигнала на DI1 в режиме работы свидетельствует о нормальной работе горелки.
Авария горелки (S3) может быть сброшена вручную или автоматически, режим сброса аварии выбирается в параметре Сброс (Меню → Настройки → Входы).
«Разрешающая цепь» предполагает наличие активного сигнала на дискретном входе DI1 в режиме работы. Отсутствие сигнала на входе DI1 в режиме работы свидетельствует о недоступности горелки для запуска. Горелка автоматически возвращается в работу, если на входе DI1 появился активный сигнал.
Контроллер поддерживает два режима сброса аварии горелки — автоматический и ручной, которые задаются параметром Сброс (Меню → Настройки → Входы). Эти режимы работают независимо от типа аварийного сигнала, выбранного для входа DI1.
Режимы сброса аварии:
Автоматический сброс: аварийное состояние снимается автоматически при переходе DI1 в нормальное состояние. Для Разр. РК это означает замыкание контакта после устранения причины аварии, а для АварияК — размыкание контакта после устранения аварии.
Ручной сброс: При возникновении аварии ее состояние фиксируется автоматически, но для восстановления работы требуется ручной сброс через кнопку Сброс (DI8). При этом контакты Т1-Т2 (выход на включение горелки DO7) замыкаются на установленное время, заданное параметром Вр. Розжига (Меню → Настройки → Защита). Если сигнал аварии исчезает до окончания времени Вр. Розжига, авария сбрасывается, и контроллер переходит в режим Стоп. Если же аварийный сигнал остается активным, контакты Т1-Т2 размыкаются, и авария остается зафиксированной.
Параметр Вр.Флтр (время фильтрации) предназначен для настройки задержки обработки сигнала на дискретных входах, что позволяет снизить влияние «дребезга» контактов. Дребезг — это явление, при котором при замыкании или размыкании контакта происходит серия быстрых колебаний, воспринимаемых контроллером как множество переключений. Это может привести к ложным срабатываниям, ошибочным состояниям или нежелательным переключениям исполнительных механизмов.
Как работает Вр.Флтр
Параметр Вр.Флтр задает минимальное время, в течение которого сигнал на дискретном входе должен оставаться стабильным, прежде чем контроллер примет его как изменение состояния.
Например, если Вр.Флтр установлен на 1,5 секунды, то контроллер будет игнорировать любые колебания сигнала, которые происходят в течение этого времени, и будет учитывать только те сигналы, которые сохраняются стабильно дольше 1,5 секунд.
Пример использования
Если на дискретный вход DI1 подключен аварийный сигнал горелки, и дребезг контакта при замыкании вызывает кратковременные переключения, контроллер с активированным временем фильтрации в 1,5 секунды будет игнорировать эти кратковременные изменения. Только если сигнал о наличии аварии продолжит поступать более 1,5 секунд, контроллер зафиксирует состояние как аварийное.
Блокировка котла внешней кнопкой
При работе в каскаде под управлением контроллера КТР-121.02.4Х котловой регулятор можно принудительно исключить из работы каскада, переведя его кнопку Старт/Стоп (вход DI7) в положение Стоп. В этом случае:
На главном экране статус котлового регулятора меняется на Откл (отключен).
Все исполнительные механизмы и контроль аварий (кроме указанных исключений в разделе) отключаются.
При возвращении кнопки в положение Старт котловой регулятор снова доступен для работы в каскаде, но его запуск возможен только по внешнему сигналу от каскадного регулятора КТР-121.02.4Х.
Когда котловой регулятор работает в режиме Соло (без связи с каскадным регулятором), запуск и остановка исполнительных механизмов выполняются в соответствии с алгоритмом их работы, если DI7 находится в положении Старт. В положении Стоп управление исполнительными механизмами и контроль аварий отключены (за исключением нескольких аварий, указанных в разделе).
Выбор схемы управления
Меню/Настройки/Тип схемы
Экран | Описание | Диапазон |
|---|---|---|
| Тип Схемы | Текстовая подсказка | — |
| Горелка | Указывает тип горелки для регулирования мощности: модулируемая (плавное регулирование) или ступенчатая (фиксированные уровни мощности). Тип горелки определяет логику управления мощностью | 0 – Мод 1 – 1 ступ 2 – 2 ступ 3 – 3 ступ |
| Насос Котл | Указывает наличие насосной группы для циркуляции теплоносителя через котел. При установке параметра «Есть» контроллер будет включать насос и управлять его работой | Есть, Нет |
| Рег Тобр | Активирует регулирование температуры обратной воды, при котором поддерживается заданная температура в обратном трубопроводе. Реализуется через рециркуляционный насос или запорно-регулирующий клапан, в зависимости от настройки | 0 – Нет, 1 – НасРец, 2 – КЗР |
| Контр Рпр | Включает контроль давления в котловом контуре. При активном контроле контроллер следит за давлением и выдаёт сигналы тревоги при его отклонении от нормы | Есть, Нет |
| ОбщекотАв: Нет | Контроль общекотельных аварий | Есть, Нет |
| Выход -> ESC | Позволяет выйти
из меню и вернуться к предыдущему экрану. Для выхода следует нажать
кнопку ![]() | — |
Наличие, тип и количество исполнительных механизмов в схеме определяется параметрами Тип схемы. Настройка конфигурации схемы управления определяет логику работы прибора.
Запуск котла

Алгоритм запуска:
Инициация запуска
При получении команды "Пуск" контроллер начинает процесс запуска котла. На экране появляется индикация ЗапНас, означающая запуск котловых насосов для обеспечения циркуляции теплоносителя.
Контроль работы насосов
Контроллер ожидает подтверждающие сигналы от двух датчиков:
PDS (датчик перепада давления), подтверждающего, что насосы создают необходимый напор. Время ожидания этого сигнала регулируется параметром Вр.Разгона (Меню → Настройки → Насосы котловые).
FS (датчик протока), подтверждающего наличие циркуляции через котел. Время ожидания сигнала от датчика протока задается параметром Вр.Протока (Меню → Настройки → Защита).
Если в течение заданного времени сигналы от PDS и/или FS не поступают, фиксируется ошибка, и запуск горелки блокируется. В этом случае контроллер переходит в аварийный режим.
Запуск горелки (Розжиг)
После успешного подтверждения работы насосов и наличия циркуляции через котел, контроллер подает команду на розжиг горелки. На экране отображается индикация Розжиг, означающая, что подана команда на включение горелки. Контроллер ждет подтверждения успешного розжига от горелки в течение времени, указанного в параметре Вр.Розжига (Меню → Настройки → Защита). Если подтверждение не поступает, фиксируется ошибка, и контроллер переходит в аварийный режим.
Контроль разрежения в топке
После успешного розжига контроллер проверяет наличие разрежения в топке с помощью дискретного датчика давления, чтобы удостовериться, что создается необходимое давление для нормального горения. Контроллер ждет сигнал от датчика в течение времени, указанного в параметре Вр.Ож.Давл (Меню → Настройки → Защита). Если нужное разрежение не достигается, фиксируется авария.
Прогрев холодного котла (режим "ХолПуск")
Если котел был холодным, контроллер автоматически переходит в режим ХолПуск. Этот режим позволяет плавно разогревать котел, чтобы избежать резкого термического напряжения. Продолжительность режима зависит от заданных настроек уставки прогрева и времени.
Рабочие режимы
После завершения прогрева котел переходит в один из следующих рабочих режимов:
РабСт1, РабСт2, РабСт3 — работа на первой, второй или третьей ступенях мощности, в зависимости от потребности в тепле.
Работа — для модулируемых горелок, где происходит плавное регулирование мощности.
РежСон — режим ожидания, когда потребность в тепле временно отсутствует. Горелка отключается, но циркуляция теплоносителя через котел продолжается.
Регулирование температуры обратной воды
Контроллер осуществляет регулирование температуры обратного теплоносителя при любом статусе, когда котел находится в режиме Старт.
Контроль протока, давления и розжига горелки по умолчанию отключен. Для активации защитных функций задайте ненулевые значения параметрам Вр. Розжига, Вр.Протока и Вр.Ож.Давл (Меню → Настройки → Защита).
Установка значений Вр.Протока и Вр.Разгона на 0 отключает контроль соответствующих сигналов.
Подробная циклограмма запуска котла приведена в Приложении Последовательность запуска котла.
Холодный пуск
Меню/Настройки/Защита
Экран | Описание | Диапазон |
|---|---|---|
| ... | ||
| Вр.Прогрева: 10м | Время ограничения горелки на минимальной мощности, мин | 1...600 |
| ХолПуск Порог: 0 | Порог температуры подачи, ниже которого котел будет считаться остывшим, °С | 0 – откл, 1...80 |
| ... | ||
Режим холодного пуска предназначен для плавного прогрева котла, предотвращая термические напряжения, которые могут возникнуть при резком повышении температуры. Контроллер ограничивает мощность горелки, управляет исполнительными механизмами и обеспечивает циркуляцию теплоносителя по малому контуру, исключая подачу слишком холодной воды в общий котловой контур. Это позволяет избежать резких температурных колебаний в системе.
Этапы запуска котла в режиме холодного пуска:
Открытие отсечного клапана
Перед запуском котла контроллер открывает отсечной клапан, обеспечивая свободный поток теплоносителя через котел. Это исключает вероятность образования воздушных пробок.
Запуск горелки
Горелка запускается с минимальной мощностью. Время работы на минимальной мощности задается параметром Вр.Прогрева. На этом этапе теплоноситель прогревается плавно.
Организация циркуляции:
Если в системе предусмотрен насос рециркуляции (НРЦ) и выбран режим НасРец, насос обеспечивает циркуляцию между подачей и обраткой, создавая малый контур. Это ускоряет прогрев котла.
Если выбран режим КЗР, регулирующий клапан обратки замыкает циркуляцию на малый контур, предотвращая попадание холодного теплоносителя в общий котловой контур.
При отсутствии НРЦ или неисправности датчика обратки (Тобр) прогрев осуществляется через большой контур, что может увеличить время прогрева.
Контроль температуры
Контроллер отслеживает температуру подачи, сравнивая ее с порогом, заданным параметром ХолПуск Порог. Если температура достигает порога или истекает время прогрева, система завершает холодный пуск.
Завершение прогрева и переход в рабочий режим
По завершении режима холодного пуска контроллер переключается на стандартное регулирование температуры подачи. Исполнительные механизмы возвращаются к управлению согласно заданному режиму:
Состояние НРЦ определяется условиями режима регулирования температуры обратного теплоносителя.
КЗР переходит в режим регулирования температуры обратного теплоносителя по заданным условиям.
Настройки параметров
ХолПуск Порог — определяет минимальную температуру подачи, ниже которой включается режим холодного пуска. Значение 0 отключает эту функцию.
Вр.Прогрева — задает максимальное время работы горелки на минимальной мощности. Настройки доступны в меню прибора: Меню → Настройки → Защита.
Если параметр ХолПуск Порог равен 0, режим холодного пуска отключается, и котел запускается без ограничений.
При отсутствии НРЦ или неисправности датчика обратки (Тобр) насос не активируется, и циркуляция теплоносителя осуществляется через большой контур.
КЗР во время прогрева замыкает контур, предотвращая попадание холодной воды в систему.
Отсечной клапан остается открытым для обеспечения штатной работы котла после завершения холодного пуска.
Регулирование температуры
Настройки для ступенчатых горелок
При использовании ступенчатых горелок экран быстрых настроек отображает параметры диапазона регулирования температуры и шкалу скорости реакции.
Экран быстрых настроек для ступенчатых горелок
Экран | Описание | Диапазон |
|---|---|---|
| Быстр. Настройка | Текстовая подсказка | — |
| Тпр min: 80,0 | Нижняя граница диапазона регулирования температуры на подаче, °С | |
| Тпр max: 90,0 | Верхняя граница диапазона регулирования температуры на подаче, °С | |
| Скорость реакц: | ||
| [***** ] | Шкала задания скорости реакции регулятора | |
| Резко Плавно | ||
| Выход-> ESC | Для выхода из меню
нажать кнопку ![]() |
Контроллер автоматически определяет необходимую мощность горелки для достижения заданной температуры теплоносителя. Скорость реакции системы на изменение температуры задается через шкалу настройки скорости реакции, доступную в меню Быстрые настройки.
Левое положение шкалы (индикация — *)
Максимально быстрая реакция, подходящая для малых, малоинерционных систем (менее 1 МВт), но с меньшей точностью регулирования.
Правое положение шкалы (индикация — ***************)
Медленная реакция, обеспечивающая более точное регулирование, рекомендуется для крупных и инерционных систем (более 1 МВт). Скорость реакции также можно настроить численным способом, используя параметры интеграла подключения и отключения для ступенчатых горелок или коэффициенты ПИД-регулятора для модулируемых горелок.
Индикация Пользовательские на шкале управления, свидетельствует о заданных значениях параметров регулирования численным способом.
Настройки для модулируемых горелок
Для модулируемых горелок быстрые настройки включают уставку температуры подачи и минимальную мощность горения.
Экран быстрых настроек для модулируемых горелок
Экран | Описание | Диапазон |
|---|---|---|
| Быстр. Настройка | Текстовая подсказка | — |
| Тпр: 85,0 | Уставка регулирования температуры на подаче, °С | |
| Мощн.Вкл.Гор20 | Мощность горелки, соответствующая малому горению, % | |
| Скорость реакц: | ||
| [***** ] | Шкала задания скорости реакции регулятора | |
| Резко Плавно | ||
| Выход-> ESC | Для выхода из меню
нажать кнопку ![]() |
Скорость реакции на изменение температуры также настраивается численными способом – параметрами интеграла подключения и отключения для ступенчатой горелки или ПИД-коэффициентами для модулируемой горелки (см. Приложение Настройка регулятора).
В зависимости от типа выбранных горелок на экране отображается один из двух вариантов быстрой настройки (см. таблицу и таблицу).
Рекомендации по настройке:
Для малоинерционных систем и котлов мощностью менее 1 МВт выбирайте крайнее левое положение шкалы скорости реакции (индикация — *).
Для инерционных систем или котлов мощностью более 1 МВт используйте настройки, близкие к правому краю шкалы (индикация — ************).
Если требуется высокая точность регулирования, используйте численные настройки параметров регулятора:
Для ступенчатых горелок настройте параметры интеграла подключения и отключения.
Для модулируемых горелок настройте коэффициенты ПИД-регулятора (см. Приложение Настройка регулятора).
Ступенчатая горелка
Уставка и корректировка температуры в режиме каскадного управления
Контроллер регулирует температуру котла в соответствии с параметрами Тпр max и Тпр min, задаваемыми в меню Настройки → Регулирование. Однако, если контроллер работает в каскадной системе под управлением регулятора КТР-121.02.4Х, уставка передается каскадным регулятором через интерфейс RS-485. В этом режиме котловой регулятор получает границы регулирования (Тпр max и Тпр min) от каскадного регулятора. Для учета особенностей гидравлической системы или инерционности конкретного котла предусмотрен параметр Корр.Уст, который корректирует полученную уставку. Параметр Корр.Уст добавляется к уставке, полученной от каскадного регулятора, и позволяет адаптировать работу котлового регулятора.
Пример работы с корректировкой уставки:
Уставка каскадного регулятора: 90 °C.
Значение параметра Корр.Уст на котловом регуляторе: –8 °C.
Итоговая уставка котлового регулятора: 90 °C – 8 °C = 82 °C.
Таким образом, параметр Корр.Уст используется для точного учета локальных особенностей работы котла в системе каскадного управления. Настройка данного параметра доступна в меню Настройки → Регулирование.


Контроллер использует метод температурно-временных интегралов для управления ступенчатой горелкой. Этот метод позволяет независимо настраивать скорость подключения и отключения каждой ступени горелки, обеспечивая точное регулирование температуры теплоносителя и стабильную работу котла.
Принцип работы температурно-временных интегралов
Метод температурно-временных интегралов основан на последовательном накоплении значений для включения (Интег+) и отключения (Интег-) ступеней горелки:
Определение средней границы регулирования (Тср)
Средний порог температуры (Тср) рассчитывается автоматически как среднее арифметическое между верхней (Тпр. max) и нижней (Тпр. min) границами регулирования:
Тср = (Тпр. max + Тпр. min) / 2.
Накопление интеграла для включения (Интег+): Если температура теплоносителя опускается ниже средней границы (Тср), начинается накопление интеграла Интег+. Скорость накопления зависит от разницы между текущей температурой и средней границей: чем больше разница, тем быстрее происходит накопление. Интегрирование выполняется с шагом в 1 секунду. Когда значение Интег+ достигает заданного в параметре Интег+ (Меню → Настройки → Регулирование), включается соответствующая ступень горелки.
Накопление интеграла для отключения (Интег-)
После включения ступени, если температура превышает верхнюю границу регулирования (Тпр. max), интеграл Интег+ сбрасывается, и начинается накопление интеграла Интег-. Накопление происходит с периодичностью 1 раз в секунду. Когда накопленное значение Интег- достигает значения, заданного в параметре Интег-, ступень горелки отключается.
Логика расчета интегралов для разных ступеней Каждая ступень горелки управляется индивидуально, с разными порогами начала накопления Интег+ и Интег-:
Первая ступень
Интег+ накапливается при снижении температуры теплоносителя ниже средней границы (Тср).
Интег- накапливается при превышении температуры верхней границы (Тпр. max).
Вторая ступень
Интег+ накапливается при снижении температуры теплоносителя ниже средней границы (Тср).
Интег- накапливается при превышении температуры средней границы (Тср).
Третья ступень
Интег+ накапливается при снижении температуры теплоносителя ниже средней границы (Тср).
Интег- накапливается при превышении температуры нижней границы (Тпр. min).
Принудительное включение и отключение ступеней
Для обеспечения дополнительной защиты и более точного регулирования предусмотрены функции принудительного включения и отключения:
Принудительное включение
Если температура теплоносителя опускается ниже нижней границы (Тпр. min), ступень горелки включается немедленно, без ожидания накопления Интег+.
Принудительное отключение
Вторая ступень горелки отключается при превышении температуры верхней границы (Тпр. max), если горелка настроена как двухступенчатая.
Третья ступень горелки отключается при превышении температуры верхней границы (Тпр. max) всегда, если горелка настроена как трехступенчатая. Для трехступенчатой горелки вторая ступень автоматически отключается при превышении температуры сигнализации (Тпр. сиг)
Меню/Настройки/Регулирование
Экран | Описание | Диапазон |
|---|---|---|
| Регулирование |
|
|
| Тпр max: 80,0 | Верхняя рабочая граница прямой воды, °С | 0…500 |
| Тпр min: 70,0 | Нижняя рабочая граница прямой воды, °С | 0…500 |
| Дельта.Вкл: - 5 | Дельта от верхней границы для принудительного запуска котла | -40...0 |
| Корр.Уст: 0 | Коррекция уставки при работе в каскаде | -10...10 |
| Интег+: 420,0 | Значение температурно-временного интеграла, по достижении которого ступень включается | 0…9999 |
| Интег-: 420,0 | Значение температурно-временного интеграла, по достижении которого ступень отключаются | 0…9999 |
| Вр.Стаб+: 11с | Задержка начала расчета интеграла на подключение ступени, c | 0…200 |
| Вр.Стаб-: 11с | Задержка начала расчета интеграла на отключение ступени, c | 0…200 |
| Выход -> ESC | Для выхода из меню
нажать кнопку ![]() |
|
Принудительный запуск котла
Настройка отключена, если для параметра Дельта.Вкл установлено значение 0. В этом случае, котел будет запускаться по рассчитанной мощности, расчет которой начнется при снижении температуры подачи ниже средней границы регулирования.
Контроллер оснащен функцией принудительного запуска котла, предназначенной для предотвращения значительного снижения температуры подачи. Эта функция активируется, если температура подачи котла становится ниже заданного порога включения, независимо от рассчитанной мощности горелки.
Расчет температуры включения
Температура включения котла определяется в зависимости от типа горелки и текущих настроек:
Для ступенчатых горелок
Tвкл = Тпр макс – Дельта.Вкл
Для модулируемых горелок
Tвкл = Туст + (ЗН / 2) – Дельта.Вкл
Задержка начала расчета мощности
Время стабилизации — это функция, предназначенная для предотвращения частого включения и выключения ступеней горелки (тактования) и обеспечения стабильного поддержания температуры теплоносителя. Принцип работы заключается в временной приостановке расчета температурно-временных интегралов при изменении мощности горелки.

Принцип работы времени стабилизации
Таймер стабилизации активируется при изменении мощности и отсчитывает заданное время до начала расчета интегралов. Таймеры работают следующим образом:
Вр.Стаб+ активируется при увеличении мощности:
Для двухступенчатых горелок — после включения первой ступени.
Для трехступенчатых горелок — после включения первой или второй ступени.
Вр.Стаб- активируется при уменьшении мощности:
Для двухступенчатых горелок — после отключения второй ступени.
Для трехступенчатых горелок — после отключения второй или третьей ступени.
Рекомендации по настройке времени стабилизации
Правильная настройка времени стабилизации зависит от тепловой инерции системы:
Низкоинерционные котлы — рекомендуется устанавливать короткое время стабилизации для более быстрого реагирования на изменения температуры.
Высокоинерционные системы — необходимо увеличить время стабилизации для предотвращения частого переключения ступеней горелки.
Пример расчета параметров интегралов
Для расчета параметров интегралов используются следующие формулы:
Интег+ = (ΔT+ × t+) / 2;
Интег- = (ΔT- × t-) / 2
Где ΔT+ — ожидаемое повышение температуры; t+ — время, за которое ожидается повышение температуры; ΔT- — ожидаемое понижение температуры; t- — время, за которое ожидается понижение температуры.
Пример
Ожидаемое снижение температуры на 6 °C за 60 секунд: Интег+ = (6 × 60) / 2 = 180Пример
Ожидаемое превышение температуры на 3 °C за 20 секунд: Интег- = (3 × 20) / 2 = 30Особенности работы таймера стабилизации
Таймер стабилизации не активен в режимах Запуск насоса, Розжиг и Холодный пуск.
При достижении температуры срабатывания сигнализации (Тпр.сиг) таймер стабилизации сбрасывается.
Настройка таймера
Значения Вр.Стаб+ и Вр.Стаб- настраиваются в меню: Настройки → Регулирование → Вр.Стаб+/-.
Параметры времени стабилизации позволяют системе адаптироваться к изменениям мощности горелки, предотвращая резкие колебания температуры теплоносителя.
Модулируемая горелка
Модулируемая горелка плавно регулирует мощность для поддержания заданной температуры теплоносителя. Управление основано на ПИД-регуляторе. Мощность горелки корректируется непрерывно в зависимости от текущей температуры, что предотвращает резкие скачки и обеспечивает стабильную работу системы.

Основным параметром управления модулируемой горелкой является уставка температуры подачи (Тпр), которая задает целевое значение температуры теплоносителя. Для предотвращения излишних колебаний мощности горелки при незначительных изменениях температуры вводится понятие зоны нечувствительности (ЗН). ЗН определяет диапазон температур вокруг уставки, в пределах которого мощность горелки остается неизменной.
Зона нечувствительности рассчитывается следующим образом:
Верхняя граница ЗН = Тпр + (ЗН / 2);
Нижняя граница ЗН = Тпр - (ЗН / 2).
Например, если уставка Тпр = 80 °C, а зона нечувствительности ЗН = 4 °C, то диапазон зоны нечувствительности составит от 78 °C до 82 °C. Параметры Тпр и ЗН настраиваются в меню Настройки → Регулирование контроллера модулируемой горелки.
Режимы управления уставкой: локальный и каскадный
Управление уставкой температуры может осуществляться в двух режимах: локальном (автономном) и каскадном (под управлением внешнего регулятора):
Локальное управление (автономный режим)
В локальном режиме пользователь непосредственно задает значение уставки температуры подачи (Тпр) в меню Настройки → Регулирование контроллера модулируемой горелки. Контроллер самостоятельно поддерживает это значение, регулируя мощность горелки. В этом режиме параметры Тпр max и Тпр min не используются.
Каскадное управление (под управлением регулятора КТР-121.02.4Х)
При работе в каскадном режиме, когда контроллер модулируемой горелки управляется регулятором КТР-121.02.4Х, уставка температуры определяется следующим образом:
Передача диапазона регулирования
Каскадный регулятор КТР-121.02.4Х задает общий диапазон регулирования, определяемый параметрами Тпр max (максимальная температура подачи) и Тпр min (минимальная температура подачи). Эти параметры настраиваются в меню Настройки → Регулирование каскадного регулятора.
Расчет базовой уставки
Контроллер модулируемой горелки получает значения Тпр max и Тпр min по интерфейсу RS-485 и вычисляет базовую уставку как среднее арифметическое: Уставка базовая = (Тпр max + Тпр min) / 2
Корректировка уставки
Для точной настройки уставки с учетом особенностей конкретной системы отопления (например, гидравлическое сопротивление, тепловая инерция котла) используется параметр Корр.Уст.. Этот параметр добавляется к базовой уставке: Уставка итоговая = Уставка базовая + Корр.Уст. Параметр Корр.Уст. настраивается в меню Настройки → Регулирование контроллера модулируемой горелки.
Пример
Предположим, каскадный регулятор задал следующие границы:
Тпр max = 90 °C
Тпр min = 70 °C
Тогда базовая уставка, рассчитанная контроллером модулируемой горелки, будет: Уставка базовая = (90 °C + 70 °C) / 2 = 80 °C.
Если на котловом контроллере модулируемой горелки установлено значение Корр.Уст. = –5 °C, итоговая уставка составит: Уставка итоговая = 80 °C + (-5 °C) = 75 °C.
Таким образом, в данном примере модулируемая горелка будет стремиться поддерживать температуру теплоносителя на уровне 75 °C.
Меню/Настройки/Регулирование
Экран | Описание | Диапазон |
|---|---|---|
| Регулирование | Текстовая подсказка | — |
| Тпр: 85,0 | Уставка температуры прямой воды, °С | 0…500 |
| Зона Нечув: 5,0 | Зона нечувствительности прямой воды, °С | 0…9 |
| Дельта.Вкл: - 5 | Дельта от верхней границы для принудительного запуска котла | -40...0 |
| Корр.Уст | Коррекция уставки при работе в каскаде | -10...10 |
| ПИД КП: 5,0 | Пропорциональный коэффициент ПИД-регулятора | 0…9999 |
| ПИД Ти: 60,0 | Время интегрирования ПИД-регулятора, с | 0…9999 |
| ПИД Тд: 0,0 | Время дифференцирования ПИД-регулятора, с | 0…9999 |
| ПИД Дискр: 1,0с | Период расчета мощности ПИД регулятора, с | 1...30 |
| Мощн.Вкл.Гор: 20 | Мощность горелки соответствующая малому горению, % | 0...50 |
| Вр.Хода Сервопр: |
|
|
| Полное: 60с | Полное модулируемое время хода сервопривода, с | 5…600 |
| Мин-е: 5,0с | Минимальное время хода сервопривода горелки, с | 0,01…100 |
Регулирование мощности горелки осуществляется на основе ПИД-регулятора. Основные этапы:
Контроль температуры и расчет мощности
Контроллер постоянно отслеживает текущую температуру подачи. При снижении температуры ниже нижней границы зоны нечувствительности начинается расчет необходимой мощности горелки с помощью алгоритма. Результат этого расчета представляет собой значение мощности в диапазоне от 0 до 100 %.
Запуск горелки
Рассчитанное значение мощности сравнивается с параметром Мощн.Вкл.Гор. (минимальная мощность включения горелки), который настраивается в меню Настройки → Регулирование.
Если рассчитанная мощность меньше Мощн.Вкл.Гор., то горелка не запускается.
Как только рассчитанная мощность достигает или превышает значение Мощн.Вкл.Гор., контроллер инициирует розжиг горелки. Горелка начинает работать на мощности, соответствующей результату расчета алгоритма.
Регулирование мощности в процессе работы
После запуска горелки алгоритм продолжает непрерывно рассчитывать и корректировать мощность горелки для поддержания температуры подачи вблизи уставки.
Отключение горелки
Если температура подачи превышает верхнюю границу зоны нечувствительности, подача топлива прекращается, и горелка отключается.
Регулятор распределяет мощности выходного сигнала согласно последовательности, изображенной на рисунке:
Запуск горелки
Если температура подачи опускается ниже нижней границы зоны нечувствительности (Тпр - ЗН/2), начинается расчет мощности с помощью ПИД-регулятора.
Розжиг горелки
Рассчитанная мощность сравнивается с параметром Мощн.Вкл.Гор. (минимальная мощность включения горелки). Если рассчитанная мощность достигает или превышает заданное значение Мощн.Вкл.Гор., то контроллер инициирует розжиг горелки. Горелка начинает работать на мощности, соответствующей результату расчета алгоритма.
Стабилизация в зоне нечувствительности
Когда температура подачи входит в пределы зоны нечувствительности (Тпр ± ЗН/2), мощность горелки стабилизируется и остается неизменной, предотвращая излишние колебания.
Увеличение расхода тепловой энергии и снижение температуры подачи
При увеличении расхода тепловой энергии температура подачи начинает снижаться, выходя за нижнюю границу зоны нечувствительности.
Увеличение мощности горелки
Контроллер, обнаружив выход температуры за пределы нижней границы ЗН, увеличивает мощность горелки для компенсации теплопотерь и возврата температуры в зону нечувствительности.
Снижение расхода тепловой энергии и избыток мощности
При снижении расхода тепловой энергии текущая мощность горелки может оказаться избыточной, что приводит к превышению температуры верхней границы зоны нечувствительности.
Снятие запроса на розжиг
При значительном превышении температуры верхней границы зоны нечувствительности (Тпр + ЗН/2), контроллер снимает запрос на розжиг.
Отключение горелки
Горелка отключается, когда запрос на розжиг снят.
Качество регулирования температуры системы определяется ПИД-коэффициентами (Кп, Ти, Тд), которые настраиваются в меню Настройки → Регулирование. Для корректной работы ПИД-регулятора и точного управления мощностью горелки необходимо правильно настроить параметры сервопривода Вр.ХодаСервопр Полное (Полное время хода сервопривода). Этот параметр должен соответствовать фактическому времени перемещения задвижки сервопривода между крайними положениями. Что влияет на точность расчета управляющих импульсов и, следовательно, на точность работы ПИД-регулятора. Устанавливаемое время хода относится к диапазону модулирования.
Пример расчета модулируемого времени хода сервопривода
Предположим: полное время хода сервопривода (90°) — 15 секунд.
Минимальное открытие сервопривода — 20°.
Максимальное открытие сервопривода — 80°.
Модулируемое полное время хода задвижки рассчитывается следующим образом: (15 с ∙(80° - 20°) / 90°) = 10 с .
Для предотвращения износа сервопривода из-за частых и коротких управляющих импульсов, управляющий сигнал подается только в том случае, если его длительность превышает минимальное время хода, заданное параметром Вр.Хода Сервопр Мин-е.
Защита
Настройки параметров защиты обеспечивают безопасную и стабильную работу котла, позволяя контроллеру реагировать на различные ситуации, включая перегрев, отсутствие протока и давление теплоносителя. В этом разделе подробно описаны параметры защиты, доступные в меню Настройки → Защита, их назначение и логика работы.
Меню/Настройки/Защита
| Экран | Описание | Диапазон |
|---|---|---|
| Вр.розжига: 0с | Время ожидания появления подтверждения работы горелки, с | 0 – откл, 0...180 |
| Управ.Выкл: Нет | Контроль управляемого выключения горелки | Есть, Нет |
| Ав.Откл: Плавное | Стратегия отключения горелки при аварии | Резкое, Плавное |
| Вр.протока: 0с | Время ожидания появления сигнала от датчика протока после запуска насосов, с | 0 – откл, 0...180 |
| Вр.прогрева: 10м | Время прогрева котла на минимальной мощности, мин | 1...600 |
| ХолПуск Порог: 0 | Порог температуры подачи, ниже которого котел будет считаться остывшим | 0 — откл, 1...180 |
| Удерж.Ступ: Выкл | Ограничение минимальной выходной мощности котла | Выкл, Ведущ |
| Вр.Ож.Давл: 0с | Время ожидания сигнала от датчика давления в котле, с | 0 – откл, 0...180 |
| Тпр сиг:90,0 | Опасно высокая температура теплоносителя в подающем трубопроводе, °С | 0...500 |
| Гист.сиг: 1,0 | Гистерезис срабатывания сигнализации | 1…30 |
| Сигнал-ция | Сигнализация при превышении уставки опасно высокой температуры | Выкл, Вкл |
| Тпр ав:95,0 | Аварийная температура теплоносителя в подающем трубопроводе, °С | 0...500 |
| Гист.ав: 1,0 | Гистерезис срабатывания аварии | 1…30 |
| Вр.3-х Аварий по | Промежуток времени, в котором контролируется три аварии перегрева, мин | 0 — откл, 0...600 |
| перегреву: 5м | ||
| Туход.газа: 0 | Порог температуры уходящих газов, °С | 0 – откл, 0…500 |
| Давление сигн | ||
| Рпр min:1,0 | Опасно низкое давление теплоносителя | 0...100 |
| Рпр max:8,0 | Опасно высокое давление теплоносителя | 0...100 |
| Давление авар | ||
| Рпр min: 0,5 | Аварийно низкое давление теплоносителя | 0...100 |
| Рпр max: 10,0 | Аварийно высокое давление теплоносителя | 0...100 |
| Выход -> ESC | Для выхода из меню
нажать кнопку ![]() |
Для безопасной работы котла следует задать пределы и времена задержки срабатываний сигнализации и аварий (Меню → Настройки → Защита). Полный перечень контролируемых аварий (см. раздел).
Вр.розжига (Время розжига)
Параметр Вр.розжига определяет максимальное время (в секундах), в течение которого контроллер ожидает получения сигнала подтверждения розжига (В4) от горелки после отправки запроса на розжиг (DO7). Этот параметр выполняет следующие функции:
Контроль успешного розжига
После отправки запроса на розжиг (DO7) запускается таймер. Если в течение времени, заданного параметром «Вр.розжига», сигнал В4 не поступает, контроллер фиксирует аварию розжига.
Контроль работы горелки
Во время работы горелки контроллер непрерывно контролирует наличие сигнала В4. Пропадание сигнала В4 во время работы приводит к немедленной фиксации аварии горелки.
Отключение контроля
Установка параметра Вр.розжига в значение 0 отключает контроль сигнала В4.
Функция Управ.Выкл (Настройки → Защита) предназначена для обеспечения совместимости прибора с горелками, поддерживающими управляемый перезапуск. В отличие от периодического отключения горелки (функция менеджера горения), Управ.Выкл предотвращает немедленное аварийное отключение при кратковременной потере сигнала подтверждения розжига (В4), позволяя контроллеру продолжать управление горелкой.
Управ.Выкл: Есть (Функция активирована)
При пропадании сигнала В4 алгоритм различается для ступенчатых и модулируемых горелок:
Ступенчатые горелки
Контроллер поддерживает текущую ступень мощности (1-3) (менеджер горения игнорирует внешние сигналы в режиме перезапуска). Контроль сигнала В4 осуществляется в течение времени Вр.розжига. При восстановлении сигнала работа продолжается; иначе — авария и прекращение подачи топлива.
Модулируемые горелки
Контроллер продолжает подавать сигнал на запуск и перемещает сервопривод в положение минимальной мощности (Мощн.Вкл.Гор.). Контроль сигнала В4 также осуществляется в течение времени Вр.розжига. При восстановлении сигнала сервопривод возвращается в исходное положение; иначе — авария и прекращение подачи топлива.
ПримечаниеНа главном экране отображается расчетное положение сервопривода. Во время ожидания сигнала В4 контроллер продолжает вычисление мощности.
Вр. протока (Время протока)
Параметр Вр. протока задает временной интервал, в течение которого контроллер ожидает поступления сигнала от датчика протока FS после включения котлового насоса (управляемого выходами DO5 или DO6). Этот параметр позволяет контролировать наличие протока теплоносителя через котел и предотвращать работу горелки при его отсутствии, что может привести к перегреву котла.
Прицип работы:
Контроллер выдает команду на включение котлового насоса (активирует выход DO5 или DO6).
Запускается таймер, отсчитывающий время, заданное параметром Вр. протока.
Контроллер ожидает поступления сигнала от датчика протока FS.
Если сигнал от датчика протока поступает в течение заданного времени, контроллер считает, что проток есть, и разрешает дальнейшую работу горелки.
Если сигнал от датчика протока не поступает в течение времени Вр. протока или пропадает во время работы котла, контроллер интерпретирует это как отсутствие протока и предпринимает следующие действия:
Блокирует запуск или отключает работающую горелку.
Фиксирует аварию (в архивном журнале и в меню текущих аварий).
Вр. протока = 0
Контроль протока отключен. Контроллер не ожидает сигнала от датчика протока и не блокирует работу горелки при его отсутствии. Это может быть полезно в системах, где контроль протока осуществляется другими средствами или не требуется.
Вр. протока > 0
Задает время ожидания сигнала от датчика протока в секундах. Значение должно быть достаточным для того, чтобы насос успел создать проток в системе, но не слишком большим, чтобы быстро реагировать на аварийные ситуации.
Ав. Откл (Аварийное отключение модулируемой горелки)
Данный параметр определяет алгоритм аварийного останова модулируемой горелки при критической аварии (см. раздел). Доступны стратегии, выбираемые в меню Настройки → Защита:
Ав. Откл: Резкое
Фиксация аварии приводит к мгновенному снятию запроса на розжиг и прекращению подачи топлива.
Ав. Откл: Плавное
При аварии:
Запрос на розжиг сохраняется до перевода сервопривода горелки в положение минимальной мощности.
Сервопривод переводится в позицию минимальной тепловой мощности.
Управление сервоприводом осуществляется в течение полного времени его хода.
После достижения минимальной мощности запрос на розжиг снимается.
"Плавное" отключение рекомендуется для большинства систем, так как оно обеспечивает безопасное завершение работы, предотвращая резкие перепады давления и выброс топлива.
"Резкое" отключение оправдано в тех случаях, когда требуется максимально быстрое прекращение горения, например, в ситуациях с угрозой для безопасности системы.
Удерж.Ступ (Удержание ступени/минимальной мощности)
Эта функция позволяет поддерживать работу горелки на минимальной мощности (минимальном горении) независимо от текущей потребности в тепле, рассчитанной котлом. Это полезно для предотвращения частых пусков/остановок горелки, поддержания стабильной температуры в системе и предотвращения конденсации в котле. Активируется функция в параметре Удерж.Ступ (Меню → Настройки → Защита). Важно отметить, что функция ограничивает только минимальную мощность, не влияя на максимальную. Принцип работы функции различается в зависимости от режима работы котла: в каскаде (с несколькими котлами) или в режиме соло (один котел).
Работа в каскаде
Если функция активирована на котловом регуляторе (Удерж.Ступ: Вкл), но выключена на каскадном регуляторе (Удерж.Ступ: Откл), данный котел в каскаде работает с ограничением по минимальной мощности. Это означает, что котел будет работать на минимальном горении (первая ступень для ступенчатых горелок или Мощн.Вкл.Гор для модулируемых) до тех пор, пока каскадный регулятор дает разрешение на работу. Исключения составляют ситуации с блокирующими факторами, такими как критическая авария, аварийный перегрев или команда «Стоп». В случае внешнего блокирования котла (например, кнопкой или командой от каскадного регулятора) котел будет принудительно выключен, даже если функция Удерж.Ступ активирована. Таким образом, в каскадном режиме работа функции на котловом регуляторе напрямую зависит от разрешения каскадного регулятора.
Работа в режиме соло или после потери связи с каскадным регулятором
В случае активации функции на котловом регуляторе (Удерж.Ступ: Вкл) и работы котла автономно (соло) или при потере связи с каскадным регулятором, котел будет постоянно включен с ограничением на минимальную мощность (первая ступень или Мощн.Вкл.Гор для модулируемых горелок). Как и в каскадном режиме, исключения составляют блокирующие факторы: критическая авария, аварийный перегрев и команда «Стоп».
Ключевые моменты
Функция Удерж.Ступ ограничивает только минимальную мощность. В каскаде работа функции зависит от разрешения каскадного регулятора. Блокирующие факторы отключают горелку независимо от состояния функции. При потере связи с каскадом котел переходит в режим соло с удержанием минимальной мощности (при условии активации функции).
Вр. Прогрева (Время прогрева котла)
Параметр Вр. Прогрева задает время, в течение которого холодный котел после запуска удерживается на минимальной мощности. Это время используется для предотвращения термических напряжений и равномерного прогрева теплоносителя в системе.
Отсчет времени начинается сразу после успешного розжига горелки. По завершении времени, указанного в параметре Вр. Прогрева, контроллер снимает ограничение минимальной мощности, и котел переходит в стандартный режим регулирования.
Если значение параметра Вр. Прогрева установлено в 0, функция удержания на минимальной мощности отключается, и котел переходит к стандартной работе сразу после розжига.
Вр. Ож. Давл (Время ожидания давления)
Параметр Вр. Ож. Давл задает время, в течение которого контроллер ожидает поступления сигнала от реле давления в котле. Этот параметр используется для контроля правильной работы системы давления теплоносителя. Отсчет времени начинается после поступления сигнала подтверждения розжига горелки (B4). Если в течение заданного времени сигнал от реле давления не поступает, контроллер фиксирует аварию давления в котле и останавливает горелку. При значении Вр. Ож. Давл = 0, функция контроля давления отключается, и система продолжает работу без учета данных реле давления.

Параметры Тпр сиг и Тпр ав задают пороговые значения температуры подачи, по достижении которых система принимает меры для предотвращения перегрева котла. Принцип работы этих параметров проиллюстрирован на рисунке.
Тпр сиг (Сигнализационная температура подачи)
При достижении значения Тпр сиг, контроллер переводит сервопривод горелки в положение минимальной мощности (Мощн.Вкл.Гор), чтобы снизить тепловую нагрузку на систему. Выход DO8 активируется, что позволяет подключить внешнюю сигнализацию для оповещения о превышении безопасной температуры. Если параметр Сигнализация = Выкл, активация DO8 и запись события в журнал аварий отключаются, но мощность горелки все равно будет снижена до минимального уровня.
Тпр ав (Аварийная температура подачи)
При достижении значения Тпр ав фиксируется авария, система переходит в аварийный режим, и работа горелки прекращается. Авария записывается в журнал, что позволяет отследить причины возникновения неисправности. При этом все выходы, связанные с управлением горелкой, размыкаются, что полностью останавливает процесс горения.
Особенности работы
Гистерезис сигнализации (Гист.сиг)
Указывает разницу температур, при которой сигнализация о перегреве отключается после нормализации температуры (Тпр сиг – Гист.сиг).
Гистерезис аварии (Гист.ав)
Указывает разницу температур, при которой авария считается устраненной после снижения температуры (Тпр ав – Гист.ав).
Пример
Если Тпр сиг = 90 °C, а Гист.сиг = 2 °C, сигнализация отключится при достижении температуры 88 °C.Пример
Если Тпр ав = 95 °C, а Гист.ав = 3 °C, авария будет снята при снижении температуры до 92 °C.Уставки Тпр сиг и Тпр ав должны быть выбраны с учетом особенностей системы, таких как инерционность оборудования и номинальная температура теплоносителя.
Значение Гист.сиг и Гист.ав должно быть достаточно большим, чтобы избежать частого срабатывания сигнализации или фиксации аварии при незначительных колебаниях температуры.
Вр.3-х Аварий по перегреву
Параметр Вр.3-х Аварий по перегреву определяет временной интервал, в течение которого фиксируются три последовательных аварии перегрева температуры подачи. При этом, если три аварии перегрева происходят в пределах заданного интервала времени, контроллер фиксирует критическую аварию. В этом случае котел полностью останавливается, а его повторный запуск возможен только после ручного сброса аварии.
Пример
Параметры настройки:
Вр.3-х Аварий по перегреву = 30 минут.
Тпр ав = 95 °C.
Сценарий:
Первая авария перегрева фиксируется в 10:00.
Вторая авария перегрева фиксируется в 10:15.
Третья авария перегрева фиксируется в 10:25.
Все три аварии произошли в пределах 30 минут, критическая авария фиксируется, и котел останавливается до ручного сброса.
Порог температуры уходящих газов (Туход.газа)
Туход.газа — параметр, который задает предельное значение температуры уходящих газов, при превышении которого срабатывает сигнализация. Этот параметр используется для предотвращения перегрева теплообменника или выявления нарушений в работе горелки и системы отвода газов.
Принцип работы
При превышении температуры, установленной в параметре Туход.газа, фиксируется сигнализация. На экране контроллера отображается предупреждение о превышении температуры уходящих газов.
Контроллер не отключает горелку и не блокирует работу системы.
Сигнализация по давлению теплоносителя (Рпр min / Рпр max (сигнал))
Параметры Рпр min (сигнал) и Рпр max (сигнал) задают предельные значения давления теплоносителя, при достижении которых срабатывает сигнализация. Это позволяет оперативно информировать оператора о возможных проблемах без остановки котла. Рпр min (сигнал) активируется при падении давления ниже установленного значения. В этом случае включается сигнальная лампа, а на экране аварий отображается состояние Рпр: СгНиже. Рпр max (сигнал) срабатывает при превышении установленного значения давления. Включается сигнальная лампа, а на экране аварий отображается состояние Рпр: СгВыше.
Сигнализация автоматически сбрасывается, как только давление возвращается в допустимый диапазон. Важно помнить, что сигнализация не останавливает работу котла, а лишь предупреждает оператора о возможных отклонениях.
Аварийная сигнализация по давлению теплоносителя (Рпр min / Рпр max (авария))
Параметры Рпр min (авария) и Рпр max (авария) определяют критически допустимые значения давления теплоносителя. При достижении этих значений контроллер фиксирует аварийную ситуацию, останавливает работу котла и отключает исполнительные механизмы для защиты системы. Рпр min (авария) активируется при падении давления ниже установленного значения. В этом случае контроллер фиксирует состояние Рпр: АвНиже, блокирует работу котла и записывает событие в журнал аварий. Рпр max (авария) срабатывает при превышении установленного значения давления. Контроллер фиксирует состояние Рпр: АвВыше, останавливает котел и записывает событие в журнал аварий.
Параметры задаются в меню Настройки → Защита → Давление авар. и должны соответствовать допустимому рабочему диапазону системы, чтобы обеспечить ее безопасную эксплуатацию.
Котловые насосы
Меню/Настройки/Насосы котловые
Экран | Описание | Диапазон |
|---|---|---|
| Насосы Котловые | ||
| Насос1: Основной | Режим работы котлового насоса № 1 | 0 – Откл, 1 – Основной, 2 – Резерв |
| Насос2: Основной | Режим работы котлового насоса № 2 | 0 – Откл, 1 – Основной, 2 – Резерв |
| Вр.Разгона: 10с | Время игнорирования показания от датчика перепада давления при старте насоса, с | 2...180 |
| Вр.Работы: 12ч | Период смены циркуляционных насосов по наработке, ч | 1...240 |
| Перезапуск: Нет | Наличие перезапуска насосов при пропадании сигнала от PDS | 0 - Нет, 1 - Есть |
| Реж.откл: Выбег | Выбор условия выключения циркуляционных насосов | 0 – Выбег, 1 – Тпр |
| Тпр откл: 50,0 | Уставка температуры прямой сетевой воды для отключения котлового насоса, °С | 0...500 |
| Задерж.откл: 1м | Задержка отключения насоса после отключения горелки, мин | 1…60 |
| Далее: ALT+Вниз | Для
перехода к следующему меню нажать сочетание клавиш + ![]() | |
| Назад-> ESC | Для выхода из меню
нажать кнопку ![]() |
Контроллер поддерживает управление двумя котловыми насосами, которые обеспечивают циркуляцию теплоносителя через котел. Работа насосной группы контролируется при помощи датчика перепада давления (PDS) и реле протока (FS). Один датчик перепада давления и один датчик протока обслуживают оба насоса. Каждому насосу в меню Настройки → Насосы Котловые можно назначить один из трех статусов:
Отключен – насос не участвует в работе системы.
Основной – насос используется для обеспечения циркуляции теплоносителя.
Резервный – насос включается в работу при неисправности основного насоса и функционирует до восстановления его работоспособности.
Распределение ролей насосов можно произвести вручную в меню контроллера. Для выравнивания наработки насосов предусмотрена функция чередования. Интервал времени для смены насосов задается в параметре Вр.Работы (часы). Если функция чередования отключена, один насос работает в резерве.
Вр.Разгона – время, в течение которого контроллер игнорирует показания датчика перепада давления после запуска насоса. Это необходимо для стабилизации системы. Если датчик перепада давления не фиксирует проток после истечения этого времени, фиксируется авария Нет протока.
Перезапуск – при пропадании сигнала с датчика перепада давления возможен автоматический перезапуск насоса для попытки восстановления циркуляции.
Выбор условия отключения задается параметром Реж.откл:
Выбег — насос отключается через время, заданное параметром Задерж.откл. Рекомендуется для предотвращения перегрева теплообменника.
По температуре (Тпр) — насос отключается при снижении температуры подачи ниже значения Тпр откл. Установка Тпр откл = 0 обеспечивает непрерывную работу насосов.
Если срабатывают критические аварии, такие как:
"Нет протока" (PS);
"Низкое давление теплоносителя";
"Аварийный останов" (DI5);
"Нет доступных для работы насосов",
Борьба с ложными срабатываниями датчика перепада давления
Для предотвращения некорректной работы насосов, вызванной сбоями в работе реле перепада давления (PDS), контроллер поддерживает автоматическое управление насосами с учетом временных пропаданий сигнала от реле, при условии, что фактический перепад давления остается в норме. Это позволяет минимизировать случаи ложных аварий и обеспечить стабильную работу насосной группы.
Принцип работы функции
Автоматический перезапуск насосов
В случае пропадания сигнала от реле перепада давления контроллер перезапускает насос автоматически. Если основной насос (Насос1) не смог восстановить сигнал, контроллер включает резервный насос (Насос2). В случае неисправности резервного насоса контроллер вновь пытается запустить основной насос.
Лимит попыток перезапуска
Если количество неудачных попыток включения насоса превышает пять подряд, контроллер фиксирует аварию насоса. Насос отключается, а сообщение об аварии сохраняется в журнале.
Сброс аварии
Для восстановления работы насоса требуется выполнить ручной сброс аварии через меню прибора, внешней кнопкой или сетевой командой по RS-485.
Настройка параметров
Настройка поведения системы при сбоях реле перепада давления выполняется с помощью параметра Перезапуск (Меню → Настройки → Насосы Котловые).
Перезапуск = Нет
Перезапуск насосов при сбоях отключен. При пропадании сигнала реле перепада давления фиксируется авария.
Перезапуск = Есть
Активируется функция автоматического перезапуска насосов.
Особенности
Неудачное включение насоса
Под неудачным включением понимается ситуация, когда насос запускается, но сигнал от реле перепада давления не появляется в течение времени, установленного параметром Вр.Разгона.
Сбои реле перепада давления
Устранение причин ложных срабатываний и проверка работоспособности реле перепада давления должна быть выполнена до сброса аварии и возобновления работы системы.
Управление отсечным клапаном
Функция управления отсечным клапаном предотвращает проток теплоносителя через неактивные котлы в каскадной системе, управляемой каскадным регулятором КТР-121.02.4х. Управление клапаном доступно только при работе в составе каскада. Для активации функции необходимо настроить параметр КлапанПрот в меню Настройки → Тип схемы каскадного контроллера.
Описание параметра:
DO1 = 1 - клапан открыт;
DO1 = 0 - клапан закрыт.
Управление клапаном при наличии связи с каскадным регулятором
Принцип работы клапана зависит от роли котла (ведущий или ведомый) и состояния системы:
Ведущий котел
Клапан протока всегда находится в открытом состоянии, обеспечивая циркуляцию теплоносителя.
Ведомые котлы
Клапан протока открыт только в режиме "Работа". При переходе в режим "Стоп/Сон" клапан закрывается с задержкой, равной времени выбега насосов (если синхронизация с насосами активирована).
Критическая авария всей котельной
Клапаны всех котлов открываются автоматически, независимо от их текущего статуса, для предотвращения повреждений.
Синхронизация с насосами
Если насосы активированы в параметрах Тип схемы, клапан открывается и закрывается одновременно с включением и отключением насосов.
Отключенные насосы
Если насосы неактивны в параметрах Тип схемы, клапан открывается при переходе котла в режим "Работа" и закрывается при переходе в режим "Стоп/Сон" с задержкой, равной времени выбега насосов.
Управление клапаном при потере связи с каскадным регулятором
Если связь с каскадным регулятором прервана, котловой контроллер продолжает управление отсечным клапаном на основе последнего известного состояния системы. Работа клапана определяется текущей ролью котла и ранее полученными настройками:
Для ведущего котла: Клапан остается открытым, обеспечивая циркуляцию теплоносителя. Это связано с необходимостью поддержания потока в котле, который выполняет функцию основного источника тепла.
Для ведомого котла: Клапан остается в открытом состоянии, если котел находится в режиме "Работа".
Если котел переходит в режим "Стоп/Сон", клапан закрывается, при этом задержка закрытия соответствует времени выбега насосов (даже если они отключены в настройках).
При критической аварии всей котельной: Клапаны всех котлов автоматически открываются, независимо от текущего статуса котла. Это необходимо для обеспечения безопасности системы.
Настройка типа клапана
Тип клапана (нормально открытый (НО) или нормально закрытый (НЗ)) задается только через конфигуратор ОВЕН и определяет его поведение при отсутствии питания:
НО (нормально открытый) — клапан остается открытым при отсутствии питания.
НЗ (нормально закрытый) — клапан закрывается при отсутствии питания.
Управление клапаном прекращается и логика управления сбрасывается в следующих случаях:
Обновление встроенного ПО
Логика управления клапаном сбрасывается, и он возвращается в положение по умолчанию (НЗ/НО).
Сброс настроек до заводских
Все параметры, включая настройки управления клапаном, возвращаются к исходным заводским значениям.
Восстановление связи с каскадным регулятором
Если на каскадном регуляторе управление клапаном отключено, котловой контроллер прекращает управление клапаном.
Регулирование температуры обратного теплоносителя
Контроллер осуществляет регулирование температуры обратного теплоносителя (Tобр) с целью предотвращения низкотемпературной коррозии теплообменника котла. Данный вид коррозии возникает из-за конденсации водяных паров из продуктов сгорания на холодных поверхностях теплообменника, что приводит к образованию агрессивных кислот. Регулирование осуществляется посредством насоса рециркуляции (НРЦ) или запорно-регулирующего клапана (КЗР), выбор устройства задается в меню Настройки → Тип схемы → Рег Тобр.
Принцип регулирования
Основная задача регулирования – поддержание температуры обратного теплоносителя (Tобр) выше точки росы водяных паров, что предотвращает конденсацию и, как следствие, коррозию. Контроллер поддерживает заданную уставку Tобр, которая рассчитывается как разница между текущей температурой подачи (Tпр) и заданной разницей температур (ΔTобр):
уст Tобр = Tпр – ΔTобр,
где
уст Tобр – уставка температуры обратного теплоносителя, °C;
Tпр – текущая температура подачи теплоносителя, °C;
ΔTобр – заданная пользователем разница температур между подачей и обраткой, °C.
Уставка Tобр является динамической и изменяется в зависимости от Tпр, обеспечивая адаптивное регулирование.
Порог минимальной уставки обратки (ПорогТобр)
Параметр ПорогТобр определяет минимально допустимое значение уставки Tобр, ниже которого регулирование не опускается. Это критически важно для предотвращения конденсации на теплообменнике. Значение ПорогТобр должно соответствовать минимально допустимой температуре обратки для данного типа котла и вида топлива (обычно 55-60 °C для котлов на природном газе). Если расчетная уставка Tобр оказывается ниже ПорогТобр, контроллер устанавливает уставку равной ПорогТобр.
Пример
Tпр = 60 °C; ΔTобр = 10 °C;
ПорогТобр = 55 °C.
Расчетная уставка:
Tобр = Tпр – ΔTобр = 60 – 10 = 50 °C.
Контроллер установит уставку Tобр = 50 °C, предотвращая достижение температуры ниже допустимого порога.
Управление насосом рециркуляции (НРЦ)
НРЦ подмешивает горячий теплоноситель из подачи в обратку, повышая ее температуру. Контроллер осуществляет дискретное управление НРЦ для поддержания уставки Tобр:
НРЦ включается при Tобр ниже уставки.
НРЦ отключается при превышении Tобр уставки на величину гистерезиса (Гист).
Пример
Уставка Tобр = 55 °C; Гистерезис (Гист) = 5 °C. НРЦ включается при Tобр < 55 °C и отключается при Tобр > 60 °C.
Управление запорно-регулирующим клапаном (КЗР)
КЗР осуществляет более точное регулирование Tобр по ПИД-закону. Управляющий сигнал формируется на основе:
Kп – коэффициент пропорциональности;
Tи – время интегрирования, с;
Tд – время дифференцирования, с;
Дискр – период расчета управляющего воздействия, с.
Параметр Вр.ХодаСервопр:Полное (полное время хода сервопривода) должен соответствовать фактическому времени перемещения штока КЗР из полностью закрытого в полностью открытое положение. Параметр Вр.ХодаСервопр:Мин-е (минимальное время хода сервопривода) предотвращает частые кратковременные перемещения, снижая износ привода.
Отключение регулирования обратного теплоносителя
Функция регулирования Tобр может быть отключена в меню контроллера. В этом случае:
На экране настроек отображается сообщение: Tобр: Откл.
Параметры регулирования Tобр отображаются как Откл.
Управление НРЦ/КЗР не выполняется.
Меню/Настройки/Регулир-е Тобр (насос рециркуляции)
Экран | Описание | Диапазон |
|---|---|---|
| Регулир-е Тобр | Текстовая подсказка | — |
| ДельтаТобр: 15.0 | Сдвиг уставки Тобр относительно Тпр (уставка Тобр = Тпр — ΔТобр),°С | 5...40 |
| ПорогТобр | Ограничение минимального значения рассчитаной уставки Тобр,°С | 0...100 |
| Гист: 5,0 | Гистерезис температуры обратной воды,°С | 0...20 |
Меню/Настройки/Регулир-е Тобр (КЗР)
Экран | Описание | Диапазон |
|---|---|---|
| Регулир-е Тобр | ||
| ДельтаТобр: 15.0 | Сдвиг уставки Тобр относительно Тпр (уставка Тобр = Тпр — ΔТобр) | 5...25 |
| ПорогТобр | Ограничение минимального значения рассчитаной уставки Тобр,°С | 0...100 |
| Зона Нечув: 1,0 | Зона нечувствительности регулирования Тобр, °С | 0...9 |
| Скорость реакц: |
| |
| [**** ] | Скорость реакции регулятора Тобр (* — резко, ************* — плавно) | |
| Резко Плавно |
| |
| Вр.Хода Сервопр: |
| |
| Полное: 60с | Полное модулируемое время хода сервопривода КЗР Тобр, с | 10...500 |
| Мин-е: 5,0с | Минимальное время хода сервопривода КЗР Тобр, с | 0,3...100 |
| ПИД КП: 5,0 | Пропорциональный коэффициент ПИД-регулятора | 0…9999 |
| ПИД Ти: 60,0 | Время интегрирования ПИД-регулятора | 0…9999 |
| ПИД Тд: 0,0 | Время дифференцирования ПИД-регулятора | 0…9999 |
| ПИД Дискр: 1,0с | Период расчета мощности ПИД регулятора, с | 1...30 |
Для поддержания температуры теплоносителя на входе в котел контроллер осуществляет управление насосом или клапаном рециркуляции. Тип исполнительного механизма определяется в настройках типа схемы (Меню → Настройки → Тип схемы → Рег Тобр).
Уставка регулирования температуры обратной воды задается в виде необходимой разницы между текущей температурой на подаче и температурой обратной воды.
Насос рециркуляции работает на поддержание диапазона нормальных значений температуры обратной воды. Насос включается при уменьшении температуры обратной воды ниже уставки включения. Выключается при превышении температуры обратной воды выше уставки выключения. При переходе в режимы «Авария» работа насоса рециркуляции описана в разделе. При переходе в режим «Стоп» насос рециркуляции отключается.
КЗР рециркуляции поддерживает уставку температуры обратной воды по ПИД закону.

Параметр ПорогТобр (Меню → Настройки → Регулир-е Тобр) позволяет ограничить минимальное значение рассчитанной уставки для поддержания температуры на входе в котел (см. рисунок).
Скорость реакции на изменение температуры настраивается с помощью шкалы (Меню → Настройки → Регулир-е Тобр → Скорость реакции).
Крайнее левое положение индикатора на шкале соответствует наиболее резкой реакции, но менее точному регулированию. С каждым последующим увеличением шкалы вправо, скорость реакции замедляется, но увеличивается точность.
Для предотвращения воздействия на сервопривод клапана частых и коротких импульсов, управляющий сигнал подается только, если его длительность больше минимального времени хода (Настройки → Регулир-е Тобр → Вр.Хода Сервопр - Мин-е).
Статистика наработки
Контроллер предоставляет статистику о времени работы и количестве включений котла и связанных исполнительных механизмов. Эта информация доступна в меню Информация → Статистика и предназначена для мониторинга эксплуатационных параметров системы, планирования технического обслуживания и анализа производительности оборудования.
Меню/Информация/Статистика
Статистика | Описание | Диапазон |
|---|---|---|
| Кол-во включений |
|
|
| Котел 1: 0 раз | Количество включений горелки котла | 0…99999 |
| Время наработки: |
| 0…99999 |
| Котел 1: 0ч | Время наработки котла, ч | 0…99999 |
| НасКотл1: 0ч | Время наработки котлового насоса № 1, ч | 0…99999 |
| НасКотл2: 0ч | Время наработки котлового насоса № 2, ч | 0…99999 |
| НасРец: 0ч | Время наработки насоса рециркуляции, ч | 0…99999 |
| Сброс: <Выбрать> | Сброс статистики выбранного исполнительного механизма |
|
| Выход -> ESC | Для выхода из меню
нажать кнопку ![]() |
Сброс статистики
Для каждого параметра статистики предусмотрена функция сброса. Сброс осуществляется выбором команды Сброс напротив соответствующего параметра на экране Статистика (Меню → Информация → Статистика).
Информация о времени наработки и количестве включений обновляется автоматически в режиме реального времени во время работы системы.
Данные статистики сохраняются в энергонезависимой памяти контроллера и не сбрасываются при отключении питания или изменении режима работы. Это гарантирует сохранность данных и точность учета.
Применение статистики
Данные о времени наработки позволяют прогнозировать необходимость проведения планового технического обслуживания, замены расходных материалов и других регламентных работ.
Статистика позволяет анализировать режимы работы оборудования, выявлять отклонения от нормальных параметров и оптимизировать работу системы для повышения эффективности и снижения энергопотребления.
Необычно высокие или низкие значения статистики могут указывать на наличие неисправностей в работе оборудования.
Данные статистики могут использоваться для учета наработки оборудования в гарантийный период.
Аварии
Контроль аварий
Контроллер обеспечивает многоуровневую систему аварийной защиты и сигнализации для обеспечения безопасной и надежной эксплуатации системы. Аварийные ситуации классифицируются на критические и некритические (сигнализационные) с различными алгоритмами обработки.
Общекотельные аварии с ПРМ-1
Для расширения возможностей контроля и сигнализации аварий используется модуль расширения дискретных входов/выходов ПРМ-1. Он предназначен для подключения дополнительных датчиков аварийных состояний и управления исполнительными механизмами, связанными с аварийной защитой.
Модуль автоматически распознается контроллером и не требует дополнительной настройки программного обеспечения. Модуль приобретается отдельно и не входит в стандартный комплект поставки контроллера. Напряжение питания ПРМ-1 должно соответствовать напряжению питания контроллера для обеспечения совместимости и предотвращения повреждений. Подключение модуля к контроллеру осуществляется шлейфом из комплекта поставки. Подключение датчиков должно осуществляться согласно схеме, приведенной в руководстве по эксплуатации. Неправильное подключение может привести к некорректной работе системы аварийной защиты.
Критические аварии
Критические аварии представляют собой ситуации, требующие немедленного останова системы для предотвращения серьезных повреждений оборудования или возникновения опасных ситуаций.
Индикация:
Замыкается выход DO8 (сигнал общей критической аварии).
Светодиод «Авария» на контроллере горит постоянно.
В журнал аварий записывается соответствующее сообщение с указанием времени возникновения аварии.
Действия системы при критической аварии:
Полная остановка системы отопления.
Немедленное отключение горелки котла.
Отключение всех насосов (котловых, циркуляционных, рециркуляции и т.д.).
Сброс критической аварии: сброс возможен только вручную после устранения причины аварии и нажатия соответствующей кнопки сброса на контроллере или через интерфейс диспетчеризации.
Действия системы при некритической аварии
Система продолжает работу, но может быть реализован алгоритм частичного ограничения функциональности, например:
Снижение мощности горелки до безопасного уровня.
Попытка автоматического перезапуска насосов при их остановке.
Переключение на резервный насос (при наличии).
Сброс некритической аварии
Сброс может быть автоматическим (после восстановления нормальных параметров) или ручным (в зависимости от типа аварии и настроек контроллера). Информация о способе сброса для каждой конкретной некритической аварии приведена в таблице.
Аварии, контролируемые в различных режимах
Вид аварии | Режим | ||
|---|---|---|---|
Работа | Стоп/Откл | Авария | |
Авария датчика температуры в подающем трубопроводе (К) | + | + | + |
Авария датчика давления в подающем трубопроводе (К) | + | + | + |
Авария датчика температуры в обратном трубопроводе (С) | + | + | + |
Перегрев теплоносителя на подаче (К) | + | + | + |
Высокая температура подачи (С) | + | + | + |
Высокая температура уходящих газов (С) | + | + | - |
Трехкратный перегрев прямой воды (К) | + | + | + |
Давление теплоносителя высокое/низкое (К) | + | - | - |
Авария давления по дискретному датчику (К) | + | - | - |
Проток теплоносителя через котел (К) | + | - | - |
Авария котла (К) | + | + | + |
Неисправен котловой насос (С) | + | - | - |
Все насосы котла в аварии (К) | + | - | - |
Аварийная кнопка (К) | + | + | + |
Нет связи модулем расширения (К) | + | + | + |
Загазованность СО (К) | + | + | + |
Загазованность СН (К) | + | + | + |
Пожар (К) | + | + | + |
Взлом (С) | + | + | + |
Давление газа на вводе (К) | + | - | - |
| Обрыв связи с КТР-121.02 (С) | + | + | + |
К — Авария критическая. С — Авария не критическая (сигнализация). | |||
Журнал аварий
Меню/Аварии/Архивный журнал
| Экран | Описание | Диапазон |
|---|---|---|
| Аварии: Журнал | Название экрана |
|
| 1> Вкл | Номер записи в журнале событий для отображения | 1...20 |
Краткое название аварии |
| |
| Дата фиксации: |
|
|
| ДДММГГ чч:мм:сс | Дата и время возникновения аварии |
|
| Дата квитир—ния: |
|
|
| ДДММГГ чч:мм:сс | Дата и время устранения аварии |
|
| Сброс журнала:Нет | Сброс журнала аварий | Да – сбросить записи |
| Дата сброса: | ||
| ДДММГГ чч:мм:сс | Дата и время последнего сброса журнала аварий |
Контроллер фиксирует аварийные события в журнале, что позволяет отслеживать историю работы системы и оперативно реагировать на возникшие неисправности. Журнал содержит подробную информацию о каждом аварийном событии.
Содержание журнала
Для каждой аварии записываются следующие параметры:
Краткое название аварии – позволяет быстро идентифицировать проблему.
Время возникновения – фиксирует момент регистрации аварии.
Время сброса – указывает, когда авария была устранена.
Журнал рассчитан на 20 записей. Новые события записываются в начало списка, старые удаляются при переполнении.
Принципы работы
Последнее событие отображается первым под номером 1.
При переполнении журнала самые старые записи удаляются.
Сброс журнала удаляет только квитированные аварии. Активные аварии остаются в списке до их квитирования и последующего сброса или переполнения журнала.
После сброса журнала активные аварии сохраняются с датой сброса.
Квитирование аварий
Квитирование аварии происходит после устранения причины ее возникновения. Для аварий с ручным сбросом требуется подать команду Сброс аварий. Время квитирования записывается в журнал.
Управление журналом
Для просмотра журнала необходимо указать номер записи на экране.
Навигация осуществляется с использованием кнопок
,
и
.
Список аварий
Для быстрого перехода из главного экрана на экран состояния аварий
предусмотрена комбинация кнопок
+
.
Список аварий
| № | Вид аварии | Условие появления | Реакция прибора* | Сброс аварии | Индикация | |
|---|---|---|---|---|---|---|
Текущие аварии | Архивный журнал | |||||
| Аварии датчиков | ||||||
| 1 | Авария датчика температуры прямой воды | Значение измеряемого сигнала находится вне допустимого диапазона для выбранного типа датчика или обрыв линий связи | Переход в режим Авария | Автоматический сброс после устранения неисправности | Тпр: АвДат | Тпр Ав.Дат |
| 2 | Авария датчика давления прямой воды | Рпр: АвДат | Рпр Ав.Дат. | |||
| 3 | Авария датчика температуры обратной воды | Режим работы не меняется. Регулирование обратной воды прекращается | Тобр: АвДат | Тобр Ав.Дат | ||
| 4 | Авария датчика температуры уходящих газов | Режим работы не меняется Включается лампа аварии | Туг: АвДат | Туг Ав.Дат. | ||
| Аварии защитные | ||||||
| 5 | Высокая температура подачи | Измеряемое значение температуры подачи превысило заданное значение параметра Тпр сиг | Модулируемая горелка переходит в режим работы на минимальной мощности. Ступенчатая горелка переходит в режим работы на первой ступени. Принудительный перевод на минимальную мощность или первую ступень всех котлов | Автоматический сброс при снижении значения температуры подачи Тпр сиг — Гист сиг | Тпр: Сигнал. | Тпр Сигнал |
| 6 | Перегрев температуры подачи | Измеряемое значение температуры подачи превысило заданное значение параметра Тпр ав | Переход в режим Авария | Автоматический сброс при снижении значения температуры подачи Тпр ав – Гист ав. Лампа аварии при этом не выключится пока не будет произведен ручной сброс аварии перегрева | Тпр:Перегр. | Тпр Перегрев |
| 7 | Трехкратный перегрев прямой воды | Измеряемое значение температуры подачи превысило заданное значение параметра Тпр ав 3 раза за время Вр.3-х Аварий по перегреву | Вручную, командой сброса аварии после устранения неисправности** | Тпр:Перегр. 3 | Тв.пр:Перегр х3 | |
| 8 | Высокая температура уходящих газов | Измеряемое значение температуры подачи превысило заданное значение параметра Туг | Режим работы не меняется. Включается лампа сигнализации | Автоматический сброс при снижении измеряемого значения ниже Туг | Туг: Перегрев | Туг Перегрев |
| 9 | Трехкратный перегрев прямой воды | Измеряемое значение температуры подачи превысило заданное значение параметра Тпр ав 3 раза за время Вр.3-х Аварий по перегреву | Переход в режим Авария | Вручную, командой сброса аварии после устранения неисправности** | Тпр:Перегр. 3 | Тпр Перегр х3 |
| 10 | Давление воды мало | Измеряемое значение давления подачи вышло за заданное значение Давление ав: Pпр min | Переход в режим Авария | Вручную, командой сброса аварии после устранения неисправности** | Рпр: АвНиже | Рпр АвНиже |
| 11 | Давление воды велико | Измеряемое значение давления подачи вышло за заданное значение Давление ав: Pпр max
| Переход в режим Авария | Вручную, командой сброса аварии после устранения неисправности** | Рпр: АвВыше | Рпр: АвВыше |
| 12 | Давление воды мало (сигнализация) | Измеряемое значение давления подачи вышло за заданное значение Давление сиг: P.пр min | Автоматический сброс после устранения неисправности | Режим работы не меняется. Включается лампа сигнализации | Рпр: СгНиже | — |
| 13 | Давление воды велико (сигнализация) | Измеряемое значение давления подачи вышло за заданное значение Давление сиг: P.пр max | Рпр: СгВыше | — | ||
| Аварии котлов | ||||||
| 14 | Авария давления в котле (DI4) | Пропал сигнал*** от реле давления котла | Переход в режим Авария | Вручную, командой сброса аварии после устранения неисправности** | Давление:Авария | Давление Авар |
| 15 | Авария протока через котел (DI6) | Пропал сигнал*** от реле протока воды через котел | Проток: Авария | Проток Авар | ||
| 16 | Авария котла | Получен сигнал аварии горелки (обрыв разрешающей цепи) или не пришел сигнал подтверждения работы горелки | Автоматический сброс после устранения неисправности или вручную, командой сброса аварии после устранения неисправности**. Выбирается в настройках | Котел: Авария | Котел Авар. | |
17 | Неисправен котловой насос | Пропал сигнал*** от реле перепада давления на насосной группе | Режим работы не меняется. Блокировка работы насоса. Запуск второго насоса (если он используется в схеме) | Вручную, командой сброса аварии** после устранения неисправности | НасКот.1: Авария НасКот.2: Норма | НасКот.Х Авар |
18 | Все котловые насосы в аварии | Все насосы из насосной группы неисправны | Переход в режим Авария | Автоматический сброс после устранения неисправности | НасКот.1: Авария НасКот.2: Авария | Нет НасКотл |
| Аварии общекотельные | ||||||
| 19 | Нет связи с каскадным регулятором | Произошел обрыв линии связи с каскадным регулятором или были изменены сетевые настройки. | Режим работы определяется положением кнопки Старт/Стоп (DI7) | Автоматически после устранения неисправности Вручную, командой сброса** без устранения неисправности | КТР-02: Нет RS | КТР-02 Нет RS |
| 20 | Аварийная кнопка | Пропал сигнал*** разрешения работы котельной | Переход в режим Авария | Вручную, командой сброса аварии после устранения неисправности** | АвКнопка:Авария | Авар. Кнопка |
| 21 | Нет связи с модулем аварийной сигнализации | Кабель связи не подключен | Переход в режим Авария | Вручную, командой сброса аварии после устранения неисправности** | Модуль:НетСвязи | ПРМ Нет Связи |
| 22 | Загазованность СО | Пропал сигнал*** загазованности СО | Переход в режим Авария | Вручную, командой сброса аварии после устранения неисправности** | СО: Авария | СО Авария |
| 23 | Загазованность СН | Пропал сигнал*** загазованности СН | СН: Авария | СН Авария | ||
| 24 | Пожар | Пропал сигнал*** пожарного извещателя | Пожар: Авария | Пожар | ||
| 25 | Взлом | Пропал сигнал*** датчика проникновения | Режим работы не меняется | Автоматический сброс после устранения неисправности. | Взлом: Авария | Взлом |
| 26 | Давление газа на вводе мало | Пропал сигнал*** реле минимального давления газа | Переход в режим Авария | Вручную, командой сброса аварии после устранения неисправности** | Ргаза: АвНиже | Ргаза АвНиже |
| 27 | Давление газа на вводе велико | Пропал сигнал*** реле максимального давления газа | Ргаза: АвВыше | Ргаза АвВыше | ||
* В случае наступления любого аварийного события, независимо от вида реакции прибора, срабатывает сигнал Авария общая. ** Команду сброса аварии можно подать на прибор:
*** Означает обрыв НЗ контакта. | ||||||
Сетевой интерфейс
Общая информация
Контроллер оснащен двумя независимыми модулями интерфейса RS-485, предназначенными для организации связи по протоколу Modbus. Каждый интерфейс имеет свое назначение:
RS-485 (1) — предназначен для связи с каскадным контроллером КТР-121.02.4Х. Этот интерфейс обеспечивает обмен данными, необходимыми для совместной работы двух устройств.
RS-485 (2) — предназначен для организации диспетчеризации и связи с системами верхнего уровня (SCADA, диспетчерские пульты и т.д.).
Настройка интерфейса RS-485 (1) для связи с КТР-121.02.41
Для корректной работы контроллера в сети RS-485 (интерфейс 1) необходимо задать его сетевые параметры непосредственно на самом контроллере с помощью кнопок и индикатора на лицевой панели (см. рисунок). Настройки включают в себя:
Сетевой адрес (Slave ID) — уникальный адрес контроллера в сети Modbus.
Скорость передачи данных (Baud Rate) — скорость обмена данными по интерфейсу RS-485 (например, 9600, 19200, 38400, 57600, 115200 бит/с).
Паритет (Parity)— контроль четности (None, Even, Odd).
Стоповые биты (Stop Bits)— количество стоповых битов (1 или 2).
Точные значения этих параметров должны соответствовать настройкам КТР-121.02.4Х для обеспечения связи.
Функциональность контроллера в режиме Slave (Modbus)
Контроллер работает в режиме Slave (ведомого устройства) по протоколу Modbus и поддерживает следующие функции:
Чтение состояния входов/выходов (Read Input Status/Read Holding Registers)
Позволяет удаленно получать информацию о текущем состоянии дискретных и аналоговых входов, а также дискретных выходов контроллера.
Запись состояния выходов (Force Single Coil/Preset Multiple Registers)
Позволяет удаленно управлять состоянием дискретных выходов контроллера.
Чтение/запись сетевых переменных (Read Holding Registers/Preset Multiple Registers)
Позволяет удаленно считывать и записывать значения внутренних переменных контроллера, используемых для управления и регулирования.
Режим обмена Modbus (RTU/ASCII)
Контроллер автоматически распознает режим обмена данными Modbus:
Modbus RTU (Remote Terminal Unit)
Бинарный режим передачи данных, более компактный и эффективный.
Modbus ASCII (American Standard Code for Information Interchange)
Текстовый режим передачи данных, менее эффективный, но более простой для отладки.
Автоматическое распознавание режима позволяет использовать контроллер в сетях с разными типами устройств без необходимости ручной настройки.
Адреса регистров Modbus
Подробная информация об адресах регистров Modbus, типах переменных и их доступности (чтение/запись) приведена в отдельном разделе. Эта информация включает в себя:
Адреса регистров
Номера регистров Modbus, по которым доступны различные параметры контроллера.
Тип данных
Формат данных, хранящихся в регистрах (например, целое число, число с плавающей точкой, битовая маска).
Права доступа
Указание на возможность чтения (Read Only), записи (Write Only) или чтения/записи (Read/Write) для каждого регистра.
Эта информация является необходимой для программирования устройств верхнего уровня, которые будут взаимодействовать с контроллером по протоколу Modbus.

Карта регистров
Контроллер поддерживает следующие функции Modbus:
Функции чтения:
0x01 (Read Coil Status): Чтение состояния дискретных выходов (Coils).
0x03 (Read Holding Registers): Чтение содержимого регистров хранения (Holding Registers).
0x04 (Read Input Registers): Чтение содержимого входных регистров (Input Registers).
Функции записи:
0x05 (Force Single Coil): Запись состояния одного дискретного выхода (Coil).
0x06 (Preset Single Register): Запись значения в один регистр хранения (Holding Register).
0x10 (Preset Multiple Registers): Запись значений в несколько регистров хранения (Holding Registers).
Обращение к битам внутри регистров
Параметры, представленные в виде битовой маски (например, состояние системы, аварии и другие флаги), могут быть прочитаны двумя способами:
Функцией 0x03 (Read Holding Registers): в этом случае считывается весь регистр целиком, и далее программно извлекается нужный бит.
Функцией 0x01 (Read Coil Status): для прямого доступа к отдельному биту необходимо рассчитать адрес ячейки (Coil) по следующей формуле:
Адрес ячейки = (Номер регистра ∙ 16) + Номер бита
Пример
Требуется считать состояние второго дискретного выхода, используя функцию 0x01. Номер регистра 0, номер бита 1. Адрес ячейки рассчитывается следующим образом: (0 ∙ 16) + 1 = 1.Поддерживаемые типы данных Modbus
Контроллер поддерживает следующие типы данных Modbus:
word (Беззнаковое целое): 16-битное беззнаковое целое число (2 байта). Каждый параметр типа word занимает один регистр Modbus.
float (Число с плавающей точкой): 32-битное число с плавающей точкой (4 байта). Каждый параметр типа float занимает два соседних регистра Modbus. Данные передаются в формате little-endian (младший байт передается первым). Это означает, что при чтении значения float необходимо сначала считать регистр с меньшим адресом, а затем регистр со следующим по порядку адресом.
boolean (Бит): логический тип (1 бит). Может быть прочитано как с помощью функции 0x03 (чтение регистра), так и с помощью функции 0x01 (чтение отдельного бита/Coil).
Типы доступа к регистрам Modbus
Для каждого параметра в карте регистров указан тип доступа:
R (Только чтение - Read Only): значение параметра может быть только прочитано. Запись в данный регистр невозможна.
RW (Чтение/запись - Read/Write): значение параметра может быть как прочитано, так и записано.
W (Только запись - Write Only): значение параметра может быть только записано. Чтение из данного регистра невозможно.
Алгоритм 01.10
Код параметра | Регистр (HEX) | Регистр (DEC) | Тип | Доступ | Имя переменной | Значения |
|---|---|---|---|---|---|---|
bm_DO | 0 | 0 | word | R | Дискретные выходы контроллера | Битовая маска выходов |
ob_PR_С | 0 | 0 | bool | R | DO1 - Сигнал "Закрыть" на КЗР Тоб ИЛИ закрыть клапан протока | 0 – Разомкнут, 1 – Замкнут |
ob_PR_O | 1 | 0.1 | bool | R | DO2 - Сигнал "Открыть" на КЗР Тоб ИЛИ включить НРЦ | 0 – Разомкнут, 1 – Замкнут |
ob_BurnС_1s_1 | 2 | 0.2 | bool | R | DO3 - Первая (Вторая) ступень горелки (T6-T7 - меньше) | 0 – Разомкнут, 1 – Замкнут |
ob_BurnO_2s_1 | 3 | 0.3 | bool | R | DO4 - Вторая (Третья) ступень горелки (T6-T8 - больше) | 0 – Разомкнут, 1 – Замкнут |
ob_PB_1 | 4 | 0.4 | bool | R | DO5 - Котловой насос №1 | 0 – Разомкнут, 1 – Замкнут |
ob_PB_2 | 5 | 0.5 | bool | R | DO6 - Котловой насос №2 | 0 – Разомкнут, 1 – Замкнут |
ob_BurnOn_1 | 6 | 0.6 | bool | R | DO7 - Запрос на розжиг горелки - ступень №1 | 0 – Разомкнут, 1 – Замкнут |
ob_AvGen | 7 | 0.7 | bool | R | DO8 - Общая авария | 0 – Разомкнут, 1 – Замкнут |
ob_LedWork | 8 | 0.8 | bool | R | Светодиод "Работа" на лицевой панели | 0 – Не светит, 1 – Светит |
ob_LedAv | 9 | 0.9 | bool | R | Светодиод "Авария" на лицевой панели | 0 – Не светит, 1 – Светит |
bm_DI | 100 | 256 | word | R | Дискретные входы контроллера | Битовая маска входов |
ib_Burn_Av_1 | 1000 | 256 | bool | R | DI1 - Авария горелки или разрешение работы (S3) | 0 – Разомкнут, 1 – Замкнут |
ib_Burn_W_1 | 1001 | 256.1 | bool | R | DI2 - Подтверждение розжига горелки (B4) | 0 – Разомкнут, 1 – Замкнут |
ib_PDS_PB | 1002 | 256.2 | bool | R | DI3 - PDS насосов котловых | 0 – Разомкнут, 1 – Замкнут |
ib_AvRar | 1003 | 256.3 | bool | R | DI4 - PS в котле | 0 – Разомкнут, 1 – Замкнут |
ib_AvButton | 1004 | 256.4 | bool | R | DI5 - Аварийная кнопка | 0 – Разомкнут, 1 – Замкнут |
ib_FlowSwitch | 1005 | 256.5 | bool | R | DI6 - Реле протока воды через котел | 0 – Разомкнут, 1 – Замкнут |
ib_Start | 1006 | 256.6 | bool | R | DI7 - Кнопка «Старт/Стоп» | 0 – Разомкнут, 1 – Замкнут |
ib_ResetAv | 1007 | 256.7 | bool | R | DI8 - Кнопка Сброс аварий | 0 – Разомкнут, 1 – Замкнут |
PRM_AV | 200 | 512 | word | R | Дискретные входы ПРМ-1 (общекотельные аварии) | Битовая маска входов ПРМ |
ib_AvFire | 2000 | 512 | bool | R | DI1 - Датчик пожара | 0 – Разомкнут, 1 – Замкнут |
ib_BreakIn | 2001 | 512.1 | bool | R | DI2 - Сигнал от охранной сигнализации | 0 – Разомкнут, 1 – Замкнут |
ib_Pf_LAL | 2002 | 512.2 | bool | R | DI3 - Давление газа мало (реле давления) | 0 – Разомкнут, 1 – Замкнут |
ib_Pf_HAL | 2003 | 512.3 | bool | R | DI4 - Давление газа велико (реле давления) | 0 – Разомкнут, 1 – Замкнут |
ib_AvCO | 2004 | 512.4 | bool | R | DI5 - Датчик загазованности помещения CO | 0 – Разомкнут, 1 – Замкнут |
ib_AvCH | 2005 | 512.5 | bool | R | DI6 - Датчик загазованности помещения CН | 0 – Разомкнут, 1 – Замкнут |
ib_Gas_LS | 2006 | 512.6 | bool | R | DI7 - Положение газового клапана | 0 – Разомкнут, 1 – Замкнут |
PRM_AV | 200 | 512 | word | R | Дискретные выходы ПРМ-1 (общекотельные аварии) | Битовая маска выходов ПРМ |
ob_AvFire | 2008 | 512.8 | bool | R | DO1 - Включить лампу «Пожар» | 0 – Разомкнут, 1 – Замкнут |
ob_AvBreakIn | 2009 | 512.9 | bool | R | DO2 - Включить лампу «Взлом» | 0 – Разомкнут, 1 – Замкнут |
ob_AvPf | 2001 | 512.10 | bool | R | DO3 - Включить лампу «Авария давления газа» | 0 – Разомкнут, 1 – Замкнут |
ob_AvPwd | 200B | 512.11 | bool | R | DO4 - Включить лампу «Авария давления теплоносителя" | 0 – Разомкнут, 1 – Замкнут |
ob_AvCO | 200C | 512.12 | bool | R | DO5 - Включить лампу «Загазованность CO» | 0 – Разомкнут, 1 – Замкнут |
ob_AvCH | 200D | 512.13 | bool | R | DO6 - Включить лампу «Загазованность CH» | 0 – Разомкнут, 1 – Замкнут |
| Аналоговые входы прибора | ||||||
ia_Twd | 20D | 525 | real | R | AI1 - Температура подачи в общем коллекторе | ** |
ia_Twr | 20F | 527 | real | R | AI2 - Температура обратки в общем коллекторе | ** |
ia_Pwd | 211 | 529 | real | R | AI3 - Давление подачи в общем коллекторе | ** |
ia_Tfg | 213 | 531 | real | R | AI4 - Температура уходящих газов | ** |
| Тип схемы | ||||||
mode_Burn | 215 | 533 | word | RW | Тип горелки | 0 – Мод, 1 – 1 ступ, 2 – 2 ступ, 3 – 3 ступ |
mode_Trw_Reg | 216 | 534 | word | RW | Регулирование температуры обратного теплоносителя | 0 – Нет, 1 – НасРец, 2 – КЗР |
| Регулирование (котловой контур) | ||||||
ua_Burn_deltaOn | 21D | 541 | word | RW | Дельта включения котла | -40...0 |
ua_Twd_SP_shift | 21E | 542 | real | RW | Коррекция уставки для работы в каскаде | -10...10 |
| Настройки ступенчатой горелки | ||||||
ua_Twd_HWL | 221 | 545 | word | RW | Верхняя рабочая граница температуры подачи в общем коллекторе | 0...500 |
ua_Twd_LWL | 222 | 546 | word | RW | Нижняя рабочая граница температуры подачи в общем коллекторе | 0...500 |
ut_Integ_Up | 223 | 547 | word | RW | Температурно-временной интеграл на подключение ступени в общем коллекторе | 0…9999 |
ut_Integ_Dw | 224 | 548 | word | RW | Температурно-временной интеграл на отключение ступени в общем коллекторе | 0…9999 |
ut_Stab_Up | 225 | 549 | word | RW | Время стабилизации после подключения ступени в общем коллекторе | 0…1800 |
ut_Stab_Dw | 226 | 550 | word | RW | Время стабилизации после отключения ступени в общем коллекторе | 0…1800 |
| Настройки модулируемой горелки | ||||||
ua_Twd | 227 | 551 | word | RW | Уставка температуры подачи (мод) | 0...500 |
ua_Twd_DZ | 228 | 552 | real | RW | Зона нечувствительности (или гистерезис) температуры подачи | 0...9 |
ua_PID_Kp | 22A | 554 | real | RW | Коэффициент ПИД Кп общего коллектора | 0…9999 |
ua_PID_Ti | 22C | 556 | word | RW | Коэффициент ПИД Ти общего коллектора | 0…9999 |
ua_PID_Td | 22D | 557 | word | RW | Коэффициент ПИД Тд общего коллектора | 0…9999 |
ua_Pwr_On | 22E | 558 | word | RW | Минимальная мощность горения | 0…50 |
ua_Тwd_HAL | 27C | 636 | word | RW | Опасно высокая температура подачи в общем коллекторе | 60...500 |
ua_Twd_HAL_2 | 27D | 637 | word | RW | Аварийно высокая температура подачи в общем коллекторе | 60...500 |
ua_Pwd_LAL_2 | 27E | 638 | real | RW | Минимальное рабочее (аварийное) давление | 0...100 |
ua_Pwd_HAL_2 | 280 | 640 | real | RW | Максимальное рабочее (аварийное) давление | 0...100 |
| Регулирование Тобр (КЗР) | ||||||
ut_PR_StepFull(s) | 28A | 650 | word | RW | Время хода КЗР (полное) | 10...500 |
ut_PR_StepMin(s) | 28B | 651 | real | RW | Время хода КЗР (минимальное) | 0,3...100 |
ua_PR_PID_Kp | 28D | 653 | real | RW | ПИД Кп (контур обратки) | 0...9999 |
ua_PR_PID_Ti | 28F | 655 | word | RW | ПИД Ти (контур обратки) | 0...9999 |
ua_PR_PID_Td | 290 | 656 | word | RW | ПИД Тд (контур обратки) | 0...9999 |
| Насосы котловые | ||||||
net_mode_PB_1 | 291 | 657 | word | RW | Статус котлового насоса №1 | 0 – Откл, 1 – Основной, 2 – Резерв |
net_mode_PB_2 | 292 | 658 | word | RW | Статус котлового насоса №2 | 0 – Откл, 1 – Основной, 2 – Резерв |
| Регулирование температуры обратной воды (насос) | ||||||
ua_Twr_Shift | 299 | 665 | word | RW | Сдвиг уставки температуры обратки относительно температуры подачи | 0...20 |
lv_Twr_HDZ | 29A | 666 | real | RW | Гистерезис ИЛИ зона нечувствительности температуры обратки | 0...20 |
ua_Twr_Limit | 29C | 668 | word | RW | Минимально допустимая уставка температуры обратки в общем коллекторе | 0…100 |
code_Error_1 | 2C6 | 710 | word | R | Код аварии 1 | Битовая маска аварий |
Av_Burn_1 | 2С60 | 710.0 | bool | R | Авария горелки №1 | 0 – Норма, 1 – Авария |
Av_Twd_HAL | 2С65 | 710.5 | bool | R | Перегрев (предупреждение) | 0 – Норма, 1 – Авария |
Av_Twd_HAL_2 | 2С66 | 710.6 | bool | R | Перегрев (авария) | 0 – Норма, 1 – Авария |
vi_Av3Res | 2С67 | 710.7 | bool | R | Трехкратный перегрев | 0 – Норма, 1 – Авария |
Av_Mod | 2С6D | 710.13 | bool | R | Нет связи с ПРМ (слот 1) | 0 – Норма, 1 – Авария |
code_Error_2 | 2C7 | 711 | word | R | Код аварии 2 | Битовая маска аварий |
Av_Fire | 2C70 | 711.0 | bool | R | Сработал датчик пожара | 0 – Норма, 1 – Авария |
Av_BreakIn | 2C71 | 711.1 | bool | R | Сработал датчик взлома | 0 – Норма, 1 – Авария |
Av_Pf_HAL | 2C72 | 711.2 | bool | R | Давление газа велико | 0 – Норма, 1 – Авария |
Av_Pf_LAL | 2C73 | 711.3 | bool | R | Давление газа мало | 0 – Норма, 1 – Авария |
Av_CO | 2C74 | 711.4 | bool | R | Сработал датчик загазованности СО | 0 – Норма, 1 – Авария |
Av_CH | 2C75 | 711.5 | bool | R | Сработал датчик загазованности СН | 0 – Норма, 1 – Авария |
Av_Twd_sens | 2C76 | 711.6 | bool | R | Обрыв датчика AI1 (температура подачи в общем коллекторе) | 0 – Норма, 1 – Авария |
Av_Twr_sens | 2C77 | 711.7 | bool | R | Обрыв датчика AI2 (обратка в общем коллекторе) | 0 – Норма, 1 – Авария |
Av_Pwd_sens | 2C78 | 711.8 | bool | R | Обрыв датчика AI3 (давление воды в общем коллекторе) | 0 – Норма, 1 – Авария |
Av_Tfg_Sens | 2C79 | 711.9 | bool | R | Обрыв датчика AI4 (температура уходящих газов) | 0 – Норма, 1 – Авария |
Av_PB_1 | 2C7A | 711.10 | bool | R | Неисправен котловой насос № 1 первого котла | 0 – Норма, 1 – Авария |
Av_PB_2 | 2C7B | 711.11 | bool | R | Неисправен котловой насос № 2 первого котла | 0 – Норма, 1 – Авария |
Av_NoPB | 2C7C | 711.12 | bool | R | Нет рабочих котловых насосов первого контура | 0 – Норма, 1 – Авария |
code_Error_3 | 2C8 | 712 | word | R | Код аварии 3 | Битовая маска аварий |
Av_Rar | 2C80 | 712.0 | bool | R | Давление не в норме в первом контуре (дискретный датчик давления) | 0 – Норма, 1 – Авария |
Av_Pwd_HAL_2 | 2C82 | 712.2 | bool | R | Давление теплоносителя велико (аналоговый датчик давления) | 0 – Норма, 1 – Авария |
Av_Pwd_LAL_2 | 2C83 | 712.3 | bool | R | Давление теплоносителя мало (аналоговый датчик давления) | 0 – Норма, 1 – Авария |
Av_LostConn | 2C84 | 712.4 | bool | R | Нет связи с каскадным контроллером | 0 – Норма, 1 – Авария |
Av_FS | 2C86 | 712.6 | bool | R | Нет протока через первый котел | 0 – Норма, 1 – Авария |
av_Butt | 2C8A | 712.10 | bool | R | Аварийная кнопка | 0 – Норма, 1 – Авария |
code_Error_4 | 2C9 | 713 | word | R | Код аварии 4 | Битовая маска аварий |
Av_Tfg_HAL | 2C9F | 713.15 | bool | R | Перегрев температуры уходящих газов | 0 – Норма, 1 – Авария |
| Оперативные параметры | ||||||
code_Sys_1 | 2D0 | 720 | word | R | Текущее состояние котлового контура | 0 – Откл, 1 – Ожидание, 2 – Тест*, 3 – Резерв, 4 – Запуск насоса*, 5 – Розжиг, 6 – Холодный пуск, 7 – Сон*, 8 – Ступень 1, 9 – Ступень 2, 10– Ступень 3, 11 – Работа (мод), 12 – Авария, 13 – Нет связи |
code_Burn | 2D1 | 721 | word | R | Текущее состояние котла №1 | 0 – Откл, 1 – Ожидание, 2 – Тест*, 3 – Резерв, 4 – Запуск насоса*, 5 – Розжиг, 6 – Холодный пуск, 7 – Сон*, 8 – Ступень 1, 9 – Ступень 2, 10– Ступень 3, 11 – Работа (мод), 12 – Авария, 13 – Нет связи |
oa_Burn_Pwr_1 | 2D5 | 725 | word | R | Производительность котла №1 | 0...3 или 0...100 |
net_lv_Twd_cor | 2E3 | 739 | word | R | Текущая уставка температуры подачи в общем коллекторе | 0…500 |
ua_Twr | 2E4 | 740 | real | R | Текущая уставка температуры обратки в общем коллекторе | 0...100 |
net_lv_Twd_LWL | 2E6 | 742 | word | R | Текущее значение нижней границы регулирования Тпод в общем коллекторе | 0...500 |
net_lv_Twd_HWL | 2E7 | 743 | word | R | Текущее значение верхней границы регулирования Тпод в общем коллекторе | 0...500 |
oa_Twr_Pwr | 2EC | 748 | word | R | Расчетное положение клапана регулирования Тобр | 0...100 |
oa_BurnPwr | 2F1 | 753 | word | R | Выходная мощность горелки (для модулируемой), % | 0...100 |
code_Sys_2 | 2F2 | 754 | word | R | Код состояния системы 1 | Битовая маска |
cmd_Start | 2F20 | 754.0 | bool | R | Переключения режимов Старт/Стоп | 0 – Стоп, 1 – Старт |
ub_Is_PB | 2F21 | 754.1 | bool | R | Наличие в системе котловых насосов | 0 – Нет, 1 - Есть |
mode_PB_Off | 2F22 | 754.2 | bool | R | Выбранный режим отключения котловых насосов | 0 – Выбег, 1 – По Тпр |
ub_Is_Pwd | 2F23 | 754.3 | bool | R | Наличие контроля давления теплоносителя | 0 – Нет, 1 - Есть |
ub_Is_AvCheck | 2F24 | 754.4 | bool | R | Наличие в системе общекотельных аварий | 0 – Нет, 1 - Есть |
lv_ColdStart | 2F25 | 754.5 | bool | R | Прогрев котла после запуска | 0 – Норма, 1 – Холодный пуск |
net_RCtrl | 2F26 | 754.6 | bool | R | Тип управления | 0 – Местное, 1 – Внешнее |
ub_is_Tao | 2F2A | 754.1 | bool | R | Погодозависимость каскад | 0 – Нет, 1 – Да |
ua_Tfg_HAL | 2F2D | 754.13 | bool | R | Наличие контроля температуры уходящих газов | 0 – Нет, 1 – Да |
net_code_Sys_3 | 2F3 | 755 | word | R | Код состояния системы 2 | Битовая маска |
mode_Sleep | 2F30 | 755 | bool | R | Удержание минимальной мощности ведущего котла | 0 – Нет, 1 – Да |
is_av_Mod | 2F34 | 755.4 | bool | R | Аварийная стратегия | 0 – Нет, 1 – Да |
cmd_1 | 2F8 | 760 | word | W | Командное слово 1 | Битовая маска команд |
net_Start | 2F80 | 760.0 | bool | W | Перейти в режим «Старт» | 0 – Нет, 1 – Да |
net_ResetAv | 2F82 | 760.2 | bool | W | Сброс аварий | 0 – Нет, 1 – Да |
ub_Is_PB_ON | 2F83 | 760.3 | bool | W | Наличие котловых насосов – Вкл | 0 – Нет, 1 – Да |
mode_PB_Off | 2F84 | 760.4 | bool | W | Режим отключения котловых насосов - Тпр | 0 – Нет, 1 – Да |
mode_Sleep_ON | 2F85 | 760.5 | bool | W | Удержание минимальной мощности – Вкл | 0 – Нет, 1 – Да |
ub_Is_Pwd_ON | 2F87 | 760.7 | bool | W | Контроль давления теплоносителя - Вкл | 0 – Нет, 1 – Да |
ub_Is_AvCheck_ON | 2F88 | 760.8 | bool | W | Контроль общекотельных аварий - Вкл | 0 – Нет, 1 – Да |
cmd_2 | 2F9 | 761 | word | W | Командное слово 2 | Битовая маска команд |
net_Start | 2F90 | 761.0 | bool | W | Перейти в режим «Стоп» | 0 – Нет, 1 – Да |
ub_Is_PB_OFF | 2F93 | 761.3 | bool | W | Наличие котловых насосов – Выкл | 0 – Нет, 1 – Да |
mode_PB_Off | 2F94 | 761.4 | bool | W | Режим отключения котловых насосов - Выбег | 0 – Нет, 1 – Да |
mode_Sleep_OFF | 2F95 | 761.5 | bool | W | Удержание минимальной мощности - Выкл | 0 – Нет, 1 – Да |
ub_Is_Pwd_OFF | 2F97 | 761.7 | bool | W | Контроль давления теплоносителя - Выкл | 0 – Нет, 1 – Да |
ub_Is_AvCheck_OFF | 2F98 | 761.8 | bool | W | Контроль общекотельных аварий - Выкл | 0 – Нет, 1 – Да |
* Значения параметров в определенных конфигурациях или режимах системы.
** В зависимости от выбранного типа датчика диапазон измерения может меняться, для температурных датчиков см. таблицу . Для датчика давления диапазон измерения зависит от заданных границ преобразования, см. таблицу .
Техническое обслуживание
Обслуживание прибора во время эксплуатации заключается в его техническом осмотре. Во время выполнения работ следует соблюдать меры безопасности из раздела.
Технический осмотр прибора проводится обслуживающим персоналом не реже одного раза в 6 месяцев и включает в себя выполнение следующих операций:
очистку корпуса, клеммных колодок от пыли, грязи и посторонних предметов;
проверку крепления на DIN-рейке;
проверку качества подключения внешних связей.
Обнаруженные во время осмотра недостатки следует немедленно устранить.
Маркировка
На корпус прибора нанесены:
- условное обозначение прибора;
товарный знак предприятия-изготовителя;
- степень защиты корпуса по ГОСТ 14254;
- род питающего тока и напряжение питания;
QR-код
- потребляемая мощность;
- маркировка класса защиты от поражения электрическим током по ГОСТ IEC 61131-2-2012;
- единый знак обращения продукции на рынке Евразийского экономического союза;
- страна-изготовитель;
- заводской номер прибора, месяц и год изготовления.
На потребительскую тару нанесены:
- наименование и условное обозначение прибора;
товарный знак предприятия-изготовителя;
почтовый адрес офиса изготовителя;
штрих-код;
дата упаковки;
- единый знак обращения продукции на рынке Евразийского экономического союза;
- страна-изготовитель;
- заводской номер;
дата упаковки.
Упаковка
Упаковка прибора производится в соответствии с ГОСТ 23088-80 в потребительскую тару, выполненную из коробочного картона по ГОСТ 7933-89.
Упаковка прибора при пересылке почтой производится по ГОСТ 9181-74.
Комплектность
| Наименование | Количество |
|---|---|
| Контроллер* | 1 шт. |
| Руководство по эксплуатации | 1 экз. |
| Паспорт и Гарантийный талон | 1 экз. |
Комплект клеммных соединителей | 1 к-т |
* Исполнение в соответствии с заказом. | |
Транспортирование и хранение
Прибор должен транспортироваться в закрытом транспорте любого вида, кроме пассажирского воздушного судна. В транспортных средствах тара должна крепиться согласно правилам, действующим на соответствующих видах транспорта.
Прибор следует перевозить в транспортной таре поштучно или в контейнерах.
Прибор следует хранить на стеллажах.
Гарантийные обязательства
Изготовитель гарантирует соответствие прибора требованиям ТУ при соблюдении условий эксплуатации, транспортирования, хранения и монтажа.
Гарантийный срок эксплуатации – 10 лет со дня продажи.
В случае выхода прибора из строя в течение гарантийного срока при соблюдении условий эксплуатации, транспортирования, хранения и монтажа предприятие-изготовитель обязуется осуществить его бесплатный ремонт или замену.
Порядок передачи прибора в ремонт содержится в паспорте и в гарантийном талоне.
Настройка времени и даты

В прибор встроены энергонезависимые часы реального времени. Прибор будет поддерживать время и дату в случае отключения основного питания.
В Системном меню можно просмотреть и редактировать текущие дату и время.
Настройка регулятора
Вручную регулятор следует настраивать в режиме нагрева. Настройки регулятора расположены в меню Меню/Настройки/Регулирование (настройка доступна, если выбран тип горелки — модулируемая). В ходе наблюдений следует фиксировать значения регулируемого параметра (скорость и время подхода к уставке).
Регулятор настраивается вручную итерационным методом с оценкой процесса по наличию:
колебаний;
перехода графика регулируемой величины через уставку.
В случае ПИД-регулирования, зависимость выходной мощности от управляющего воздействия можно записать в виде:
где
Yi – выходная мощность ПИД-регулятора;
Кп – коэффициент пропорциональности;
τи – интегральная постоянная;
τд – дифференциальная постоянная;
Ei – разность между уставкой и текущим измеренным значением;
Δtизм – время дискретизации.
В зависимости от показателей, корректировка осуществляется по рекомендациям:
увеличение Кп способствует увеличению колебаний регулируемой величины, и амплитуда колебаний регулируемой величины может возрасти до недопустимого уровня;
уменьшение Кп способствует снижению быстродействия и ухудшению быстродействия регулятора с повышением вероятности колебаний регулируемой величины;
при завышенном Ти процесс подхода регулируемой величины к уставке становится односторонним даже при наличии колебаний. Быстродействие регулятора уменьшается;
- при заниженном Ти появляется значительный переход регулируемой величины через уставку. Но существенно ухудшается быстродействие регулятора и повышается вероятность колебаний регулируемой величины.
Для оптимальной настройки регулятора график регулируемой величины должен иметь минимальное значение показателя ошибки регулирования (А1) при достаточной степени затухания — φ = 1 – А3 ÷ А1 = 0,8…0,9.
Для настройки регулятора следует:
Задать заводские уставки, если значения коэффициентов изменялись.
Изменять значение Кп (на единицы), пока значение перерегулирования не будет 5 °С.
Уменьшать Ти, пока отклонение от уставки не будет 2—3 °С.
Уменьшать Кп (на единицы) до достижения недорегулирования.
Уменьшать Ти, пока отклонение от уставки не будет 1 °С.



Примеры подключения
Разрешающая цепь или Цепь безопасности – последовательно собранные в единую цепь любые необходимые дискретные датчики контроля исправной работы котла (разрежение в дымоходе, проток воды через котел, аварийный термостат и пр.). Срабатывание одного из сигналов в цепи блокирует работу котла. Устранение причины срабатывания аварии приведет к автоматическому возврату системы в работу.
Подключение разрешающей цепи котла производится на дискретный вход DI1 «авария горелки S3».






Последовательность запуска котла


Предупреждающие сообщения
В данном руководстве применяются следующие предупреждения:
Ключевое слово ОПАСНОСТЬ сообщает о непосредственной угрозе опасной ситуации, которая приведет к смерти или серьезной травме, если ее не предотвратить.
Ключевое слово ВНИМАНИЕ сообщает о потенциально опасной ситуации, которая может привести к небольшим травмам.
Ключевое слово ПРЕДУПРЕЖДЕНИЕ сообщает о потенциально опасной ситуации , которая может привести к повреждению имущества.
Ключевое слово ПРИМЕЧАНИЕ обращает внимание на полезные советы и рекомендации, а также информацию для эффективной и безаварийной работы оборудования.
| Ограничение ответственности |
Ни при
каких обстоятельствах |



