1-RU-151573-1.2

Руководство по эксплуатации

Введение

Настоящее руководство по эксплуатации предназначено для ознакомления обслуживающего персонала с установкой, подключением, принципом работы, настройкой и техническим обслуживанием блока управления холодильной установкой КХУ1, в дальнейшем по тексту именуемого «прибор».

Подключение, настройка и техническое обслуживание прибора должны производиться только квалифицированными специалистами после прочтения настоящего руководства по эксплуатации.

Руководство по эксплуатации распространяется на прибор, выпущенный в соответствии с ТУ 26.51.70-035-46526536-2020.

Прибор изготавливается в различных модификациях, указанных в коде полного условного обозначения:

Graphic
Примечание

Номинальное напряжение питания дискретных входов совпадает с напряжением питания прибора.

Используемые термины, обозначения и аббревиатуры

FIFO – способ организации и управления работой ИМ по времени «первым включился, первым отключился».

FILO – способ организации и управления работой ИМ по времени «первым включился, последним отключился».

TS – реле для функции «Независимый термостат».

ВД – высокое давление.

Вх – Вентилятор конденсатора №х.

ЖКИ – жидкокристаллический индикатор.

ИМ – исполнительный механизм.

Кх – компрессор №х

ПИ-закон – пропорционально-интегральный закон.

ПИ-регулятор – пропорционально-интегральный регулятор.

ПК – персональный компьютер.

ПЧ – преобразователь частоты.

РУ – разгрузочное устройство.

РУх Кy – разгрузочное устройство №х компрессора №у.

ТС – термометр сопротивления.

НД – низкое давление.

НЗ – нейтральная зона.

Назначение и функции

Прибор предназначен для управления центральной холодильной машиной на основе компрессоров и конденсаторов. Прибор регулирует давление (или температуру) всасывания и конденсации, обеспечивая круговой прогон хладагента.

Прибор предназначен для регулирования агрегатов на базе:

  • одиночных компрессоров с одинаковой производительностью;

  • ведущего компрессора с частотным регулированием производительности и одиночных опорных компрессоров одинаковой производительности;

  • компрессоров с разгрузочными устройствами одинаковой производительности;

  • конденсатора со ступенями одинаковой производительности;

  • конденсатора с частотным регулированием производительности 1-й ступени и дополнительными ступенями одинаковой производительности.

Примечание

Если настроенная пользователем конфигурация использует более 8 дискретных входов либо выходов, к прибору следует подключить модуль расширения ПРМ-1 (см. раздел). Модуль в комплект поставки не входит и заказывается отдельно.

Функции прибора:

  • гибкая настройка различных конфигураций ИМ;

  • регулирование давления или температуры испарения и конденсации;

  • совместное управление до 8 компрессоров и до 8 ступеней конденсатора;

  • чередование исполнительных механизмов по времени наработки;

  • переменное давление (температура) конденсации в разное время года для энергосбережения – функция «плавающего» давления конденсации;

  • защита оборудования от общего низкого и высокого давления по дискретным сигналам и аналоговым датчикам;

  • контроль работоспособности исполнительных механизмов и подключенных датчиков;

  • закрытие электронных расширительных вентилей по размыканию выходного реле прибора – функция «Антизалив» (см. раздел);

  • функция «Независимый термостат»: замыкание выходного реле при достижении заданного порога температуры;

  • выбор аварий, при возникновении которых будет срабатывать реле аварийной сигнализации;

  • контроль перегрева хладагента на всасывании;

  • опция блокировки компрессоров и вентиляторов конденсатора на время проведения сервисных работ;

  • смещение уставки всасывания в ночное время суток или по сигналу на дискретном входе;

  • счетчик времени наработки исполнительных механизмов;

  • поддержка подключения модуля расширения ПРМ-1 для увеличения доступных дискретных входов/выходов;

  • задание пароля для доступа в меню настроек.

Предупреждение

Если пользователем выбрана конфигурация, которая задействует более 8 дискретных входов или выходов, но модуль расширения ПРМ-1 не подключен к прибору, то прибор зафиксирует обрыв связи с ПРМ и не запустит систему в работу до восстановления подключения с модулем.

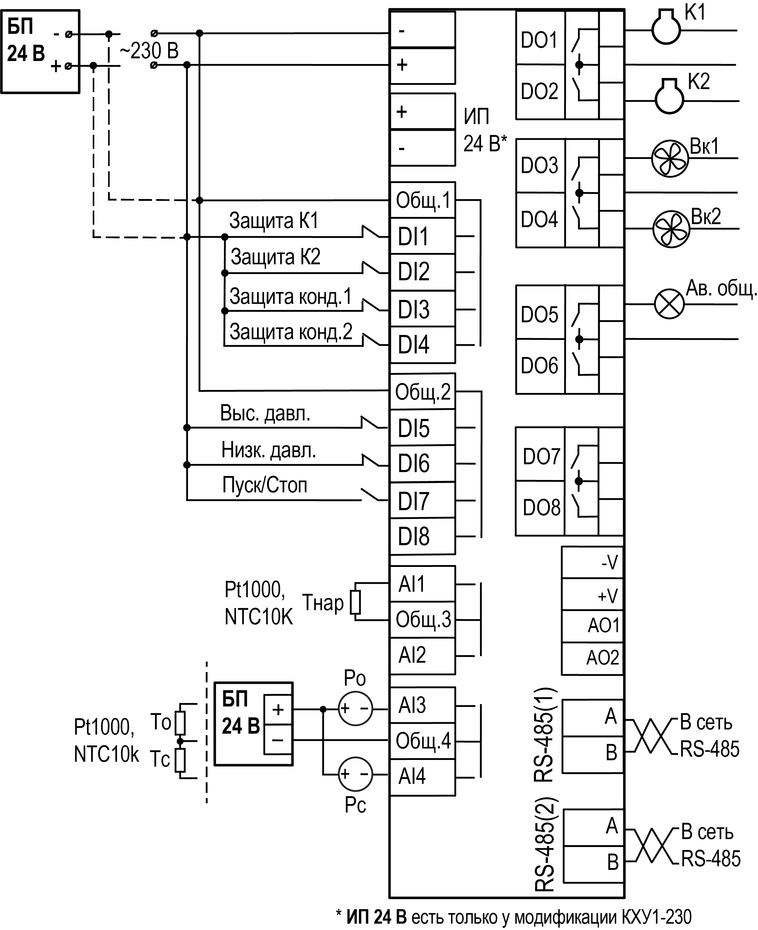
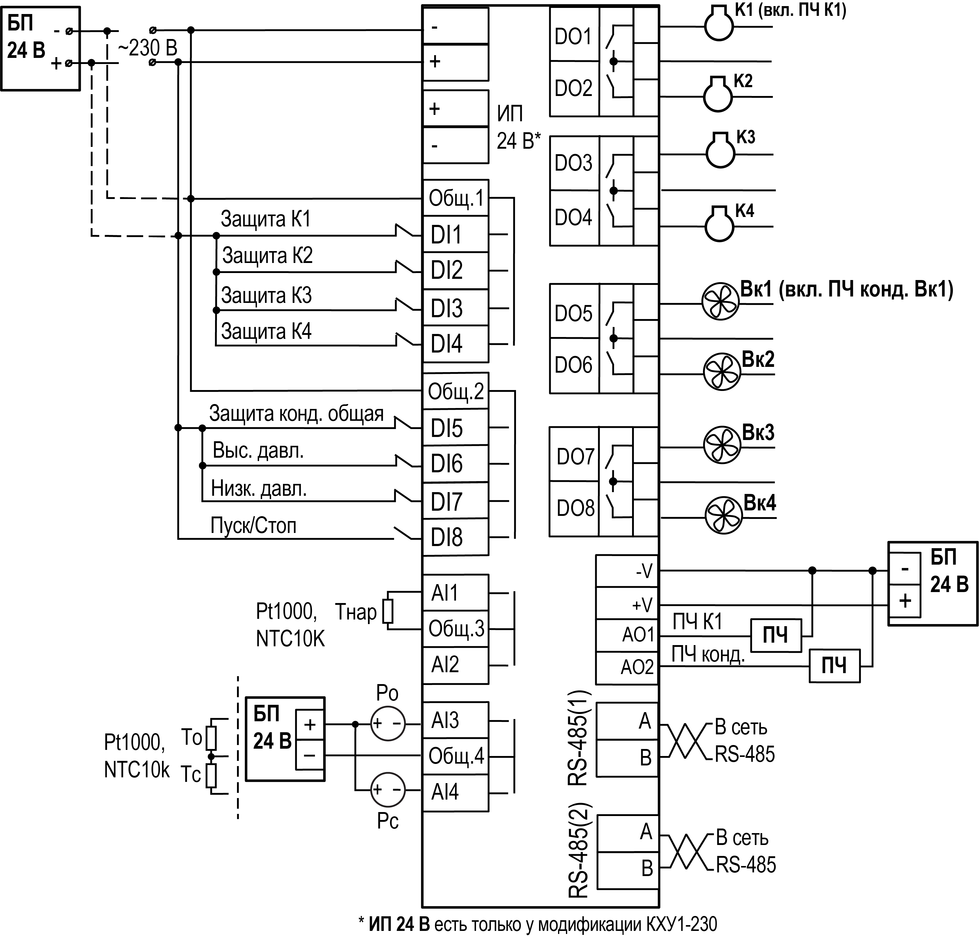
На схеме обозначены:

Рo — датчик давления всасывания.

Рс — датчик давления конденсации.

Тнар — датчик наружной температуры.

К1...К3 — компрессоры 1...3.

Вк1...Вк4 — вентиляторы 1...4 конденсатора.

Graphic
Пример схемы объекта управления

Технические характеристики

Характеристики прибора

Наименование

Значение

КХУ1-230

КХУ1-24

Питание

Диапазон напряжения питания

от ~90 до 264 В

(номинальное ~230 В, при от 47 до 63 Гц)

от =19 до 30 В (номинальное =24 В)

Гальваническая развязка

Есть

Электрическая прочность изоляции между входом питания и другими цепями3000 В1500 В

Потребляемая мощность, не более

17 ВА

10 Вт

Встроенный источник питания

Есть

Выходное напряжение встроенного источника питания постоянного тока

от 21,6 до 26,4 В

Ток нагрузки встроенного источника питания, не более

100 мА

Дискретные входы

Количество входов

8 шт.

Напряжение «логической единицы»

от 159 до 264 В

(переменный ток)

от 15 до 30 В (постоянный ток)

Ток «логической единицы»

от 0,75 до 1,5 мА

от 2 до 5 мА

Напряжение «логического нуля»

от 0 до 40 В

от –3 до +5 В

Подключаемые входные устройства

Датчики типа «сухой контакт», коммутационные устройства

(контакты реле, кнопок и т. д.)

Гальваническая развязка

Групповая, по 4 входа

(1–4 и 5–8, «общий минус»)

Электрическая прочность изоляции между входами и другими цепями3000 В1500 В

Аналоговые входы

Количество входов

4 шт.

Тип измеряемых сигналов

РТ1000 α = 0,00385 1/°C (от – 200 до + 850 °C),

от 4 до 20 мА,

NTC10K R25 = 10 000 Ом, B25/100 = 3950 К (от –20 до +125 °С)

Пределы допускаемой основной приведенной (к диапазону измерений) погрешности измерений

Pt 1000   ±0,5 %;

NTC10K R25 = 10 000 Ом, B25/100 = 3950 К (от –20 до +125 °С)   ±1 %;

от 4 до 20 мА   ±0,5 %

Время опроса входов

10 мс

Гальваническая развязка

Отсутствует
Дискретные выходы

Количество выходных устройств, тип

8 шт., электромагнитное реле

(нормально-разомкнутые)

Коммутируемое напряжение в нагрузке:

  • для цепи постоянного тока, не более

 

30 В (резистивная нагрузка)

  • для цепи переменного тока, не более

 

250 В (резистивная нагрузка)

Допустимый ток нагрузки, не более

5 А при напряжении не более 250 В переменного тока и cos φ > 0,95;

3 А при напряжении не более 30 В постоянного тока

Гальваническая развязка

Групповая по 2 реле

(1–2; 3–4; 5–6; 7–8)

Электрическая прочность изоляции между выходом и другими цепями3000 В
Аналоговые выходы

Количество выходных устройств, тип

2 ЦАП, напряжение

Диапазон генерации напряжения

от 0 до 10 В

Внешняя нагрузка, не менее

2 кОм

Напряжение питания

от 15 до 30 В, питание внешнее

Гальваническая развязка

Есть (групповая)

Электрическая прочность изоляции3000 В
Интерфейсы связи

Тип интерфейса, количество интерфейсных плат

RS-485, 2 шт.

Протокол связи

Modbus-RTU и Modbus-ASCII

Режим работы

Slave

Скорость передачи данных

9600, 14400, 19200, 38400, 57600, 115200 бит/с

Гальваническая развязка

Есть

Электрическая прочность изоляции между RS-485 и другими цепями1500 В
Индикация и элементы управления

Тип дисплея

Монохромный текстовый ЖКИ с подсветкой, 2 строки по 16 символов

Размеры дисплея

60 × 15 мм

Индикаторы

Два светодиодных индикатора

(красный и зеленый)

Кнопки6 шт.

Корпус

Тип корпуса

Для крепления на DIN-рейку (35 мм)

Габаритные размеры

123 × 90 × 58 мм

Степень защиты корпуса по ГОСТ 14254–2015

IP20

Масса прибора, не более (для всех вариантов исполнений)

0,6 кг

Средний срок службы

10 лет

Условия эксплуатации

Прибор предназначен для эксплуатации в следующих условиях:

  • закрытые взрывобезопасные помещения без агрессивных паров и газов;
  • температура окружающего воздуха от минус 20 до плюс 55 °С;
  • относительная влажность воздуха от 30 до 80 % без конденсации влаги;
  • допустимая степень загрязнения 1 (несущественные загрязнения или наличие только сухих непроводящих загрязнений);
  • атмосферное давление от 84,0 до 106,7 кПа.

По устойчивости к синусоидальным вибрациям во время эксплуатации прибор соответствует группе исполнения N2 по ГОСТ Р 52931–2008 (частота вибрации от 10 до 55 Гц).

По устойчивости к воздействию атмосферного давления прибор относится к группе Р1 по ГОСТ Р 52931–2008.

Прибор отвечает требованиям по устойчивости к воздействию помех в соответствии с ГОСТ 30804.6.2–2013.

По уровню излучения радиопомех (помехоэмиссии) прибор соответствует ГОСТ IEC 61000-6-3-2016.

Прибор устойчив к прерываниям, провалам и выбросам напряжения питания:

  • для переменного тока в соответствии с требованиями ГОСТ 30804.4.11–2013;
  • для постоянного тока в соответствии с требованиями ГОСТ IEC 61131–2–2012 – длительность прерывания напряжения питания до 10 мс включительно, длительность интервала от 1 с и более.

Меры безопасности

Опасность
На клеммнике присутствует опасное для жизни напряжение величиной до 250 В. Любые подключения к прибору и работы по его техническому обслуживанию следует производить только при отключенном питании прибора.

По способу защиты от поражения электрическим током прибор соответствует классу II по ГОСТ 12.2.007.0-75.

Во время эксплуатации, технического обслуживания и поверки прибора следует соблюдать требования ГОСТ 12.3.019-80, «Правил эксплуатации электроустановок потребителей» и «Правил охраны труда при эксплуатации электроустановок».

Не допускается попадание влаги на контакты выходного разъема и внутренние электроэлементы прибора. Запрещено использовать прибор в агрессивных средах с содержанием в атмосфере кислот, щелочей, масел и т. п.

Установка

Монтаж

Опасность

Монтаж должен производить только обученный специалист с допуском на проведение электромонтажных работ. Во время монтажа следует использовать средства индивидуальной защиты и специальный электромонтажный инструмент с изолирующими свойствами до 1000 В.

Во время монтажа прибора следует учитывать меры безопасности из раздела.

Прибор следует монтировать в шкафу, конструкция которого должна обеспечивать защиту от попадания в него влаги, грязи и посторонних предметов.

Предупреждение

Монтировать и подключать следует только предварительно сконфигурированный прибор.

Внимание

Питание каких-либо устройств от сетевых контактов прибора запрещается.

Для монтажа прибора на DIN-рейке следует:

Graphic
Монтаж и демонтаж прибора
  1. Подготовить на DIN-рейке место для установки прибора в соответствии с размерами прибора (см. рисунок).
  2. Установить прибор на DIN-рейку, предварительно оттянув защелку.
  3. С усилием прижать прибор к DIN-рейке и зафиксировать защелку.
  4. Смонтировать внешние устройства с помощью ответных клеммников из комплекта прибора.

Демонтаж прибора:

  1. Отсоединить съемные части клемм от прибора (см. рисунок).
  2. В проушину защелки вставить острие отвертки.
  3. Защелку отжать, после чего отвести прибор от DIN-рейки.

Graphic
Габаритный чертеж прибора

«Быстрая» замена

Конструкция клемм прибора позволяет оперативно заменить прибор без демонтажа подключенных к нему внешних линий связи.

Graphic
Отсоединение съемных частей клемм

Последовательность замены прибора:

  1. Обесточить все линии связи, подходящие к прибору, в том числе линии питания.
  2. Отделить от прибора съемные части каждой из клемм вместе с подключенными внешними линиями связи с помощью отвертки или другого подходящего инструмента.
  3. Снять прибор с DIN-рейки, а на его место установить другой прибор с предварительно удаленными разъемными частями клемм.
  4. К установленному прибору подсоединить разъемные части клемм с подключенными внешними линиями связи.

Элементы индикации и управления

На лицевой панели прибора расположены элементы индикации и управления (см. рисунок):

  • двухстрочный 16-разрядный ЖКИ;
  • два светодиода;
  • шесть кнопок.
Graphic
Лицевая панель прибора
Назначение кнопок
КнопкаНазначение
Graphic GraphicСмещение видимой области вверх или вниз. Перемещение по пунктам меню
GraphicПрименяется в комбинациях с другими кнопками. При удержании более 6 секунд — переход в системное меню
GraphicВыбор параметра
GraphicСохранение измененного значения
GraphicВыход/отмена. При удержании более 6 секунд выход из системного меню. Возврат на Главный экран
Graphic + GraphicПереход с Главного экрана в меню
Graphic + Graphic

Переход с Главного экрана в меню аварий

Graphic + Graphic или Graphic + GraphicПереход между разрядами редактируемого параметра
Назначение светодиодов

Режим

Светодиод «Работа»

Светодиод «Авария»

Стоп

Работа

Светится

Тест

Мигает

Авария

Светится

Некритическая авария

Светится

Мигает

Мигает

На ЖКИ отображается информация о работе установки и ее составных частей. С помощью ЖКИ можно редактировать параметры установки.

Graphic
Внешний вид параметра и значения на ЖКИ

Для выбора и редактирования значений следует:

  1. С помощью кнопки Graphic выбрать нужный параметр (выбранный параметр начинает мигать).

  2. С помощью кнопок Graphic и Graphic установить нужное значение. Во время работы с числовыми параметрами комбинация кнопок Graphic + Graphic/Graphic меняет редактируемый разряд.

  3. Возможные варианты действия с измененным значением:

    • для сохранения следует нажать кнопку Graphic;

    • для сохранения и перехода к следующему параметру следует нажать Graphic.

  4. Для отмены введенного значения следует нажать Graphic.

Подключение

Монтаж электрических цепей

Предупреждение
Подключение следует выполнять при отключенном питании прибора и всех подключенных к нему устройств. Иначе можно повредить прибор или подключенные устройства.

Прибор следует питать переменным или постоянным напряжением в зависимости от модификации.

Прибор следует подключать к сети переменного тока от сетевого фидера, не связанного непосредственно с питанием мощного силового оборудования. Во внешней цепи рекомендуется установить выключатель, обеспечивающий отключение прибора от сети.

Для обеспечения надежности электрических соединений рекомендуется использовать кабели с медными многопроволочными жилами, сечением не более 0,75 мм2, концы которых перед подключением следует зачистить и залудить. Жилы кабелей следует зачищать с таким расчетом, чтобы срез изоляции плотно прилегал к клеммной колодке, т. е. чтобы оголенные участки провода не выступали за ее пределы.

Настройка входов для работы с датчиками температуры

Общие сведения

Предупреждение
Операции по настройке входных сигналов следует проводить на обесточенном приборе и отключенных от прибора и питания линиях связи «прибор-датчик».

По умолчанию входы прибора настроены на работу с сигналами 4...20 мА.

Для настройки входа на режим работы с датчиками температуры следует:

  1. Снять крышку с прибора.

  2. На нужном входе изменить конфигурацию перемычек.

  3. Надеть крышку обратно.

  4. Подать питание на прибор.

  5. В системном меню прибора настроить выбранный вход.

  6. Отключить питание прибора.

  7. Подключить линии связи «прибор-датчик».

Снятие крышки

Предупреждение

Чтобы избежать порчи прибора, любые операции по разборке прибора должен выполнять обученный специалист.

Для снятия крышки следует:

  1. Отключить питание прибора и всех подключенных к нему устройств. Отделить от прибора съемные части клеммников.

  2. Снять верхнюю крышку. Отверткой вывести защелки из отверстий в торцевых поверхностях крышки (см. рисунок , 1). Приподнять крышку над основанием.

  3. Отверткой отогнуть крышку от разъемов на среднем уровне с двух сторон (см. рисунок , 2). Усилие следует прикладывать у нижних разъемов.

    Graphic
    Снятие верхней крышки
  4. Снять крышку (см. рисунок , стрелка 1). Убрать клавиатуру (стрелка 2).

    Graphic
    Отделение верхней крышки и клавиатуры

Аппаратная настройка типа сигнала

Для аппаратной настройки типа сигнала следует:

  1. Определить вход, на котором нужно изменить тип сигнала (см. рисунок ниже).

    Graphic
    Расположение входов
  2. С помощью тонкого инструмента, например пинцета, изменить конфигурацию перемычек (см. рисунок ниже).

    Graphic
    Изменение конфигурации перемычек

Меню настройки типа сигнала

Для программной настройки типа сигнала следует:

  1. Подать питание на прибор.

  2. Нажать и удерживать 3 секунды кнопку Graphic. Откроется системное меню прибора.

  3. Ориентируясь по схеме на рисунке ниже, выбрать параметр Входы/Аналоговые/Датчик.

    Graphic
    Схема системного меню
  4. Для изменения значения нажать кнопку Graphic.

  5. Кнопками Graphic и Graphic выбрать значение 0...4000 Ом.

  6. Сохранить значение в памяти прибора, нажав кнопку Graphic.

  7. Нажать и удерживать 3 секунды кнопку Graphic. Прибор выйдет из системного меню.

Схемы подключения датчиков

Примечание
Перед подключением ко входам AI3 и AI4 датчиков температуры следует перенастроить тип сигнала (см. раздел).
Graphic
Схема подключения датчиков

1) датчики давления в централи, датчик температуры наружного воздуха и дополнительный датчик температуры;

2) датчики температуры в централи, датчик температуры наружного воздуха и дополнительный датчик температуры

В качестве управляющего сигнала следует использовать:

  • для контура низкого давления (компрессоры) вход AI3:

    • Pо - датчик давления всасывания;

    • То - датчик температуры всасывания.

      Оба датчика используются также для защиты от низкого давления или температуры в централи и для предупреждения о высоком давлении (температуре) в централи.

  • для контура высокого давления (конденсаторы) вход AI4:

    • Pc - датчик давления конденсации;

    • Тc - датчик температуры конденсации

    • Тнар - датчик температуры наружного воздуха для погодозависимого регулирования конденсатором, применяется опционально.

Как датчик давления, так и датчик температуры конденсации используются для защиты от высокого давления (температуры) конденсации.

Дополнительный датчик температуры Тдоп можно использовать только для функции Независимый термостат (см. раздел).

Схемы подключения компрессоров

Graphic
Примеры схем подключения компрессоров

1) три компрессора в режиме ступенчатого управления;

2) ведущий компрессор с ПЧ и два опорных компрессора

Дискретные выходы прибора используются для включения компрессоров и разгрузочных устройств.

Graphic
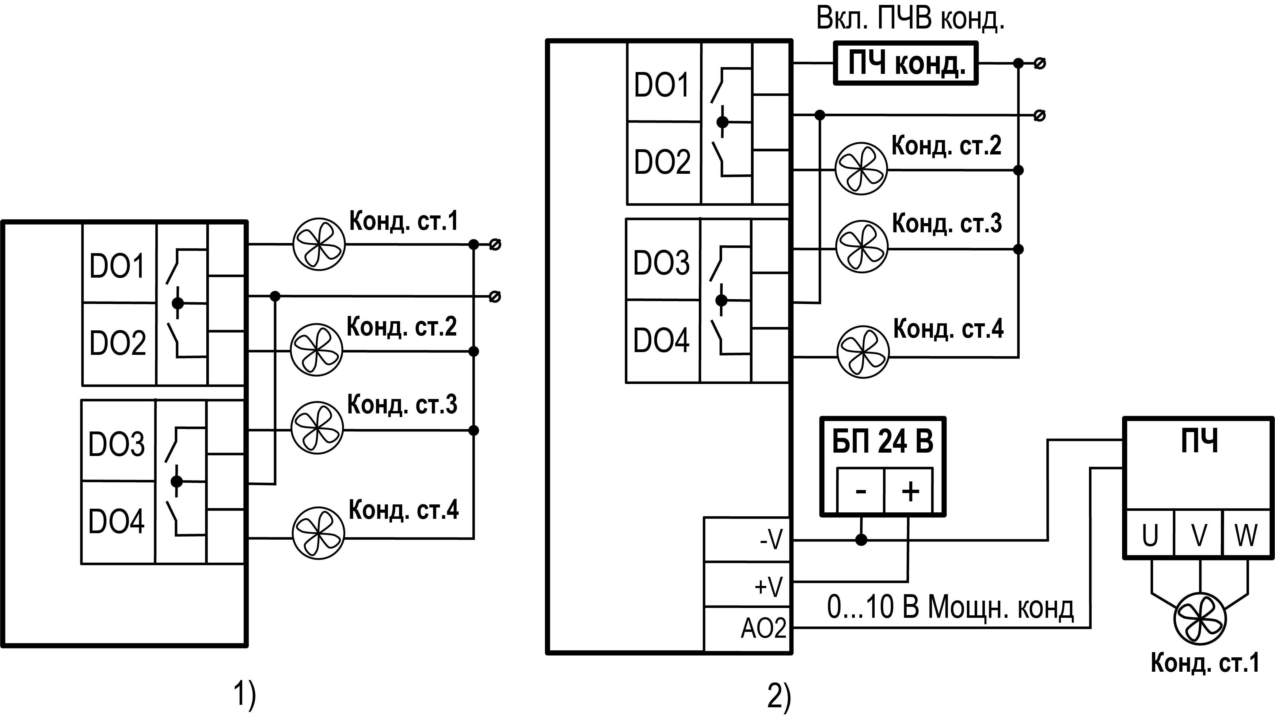
Примеры схем подключения компрессоров с разгрузочными устройствами в разных конфигурациях

1) два компрессора, по три разгрузочных устройства на каждом;

2) три компрессора, по одному разгрузочному устройству на каждом;

3) три компрессора: 1-й имеет два разгрузочных устройства, остальные одиночные

В режиме «ведущий компрессор с ПЧ, остальные одиночные» дискретный выход DO1 прибора используется для включения ПЧ ведущего компрессора, а аналоговый выход АО1 — для управления его мощностью.

Схемы подключения конденсаторов

Graphic
Схема подключения на примере конфигурации из 4-х ступеней конденсатора без компрессоров, где 1-я ступень управляется: 1) дискретно вкл/откл; 2) с помощью ПЧ

Дискретные выходы прибора используются для включения ступеней конденсатора.

В режиме «1-я ступень с ПЧ, остальные одиночные» один из назначенных для управления конденсатором дискретных выходов прибора используется для включения ПЧ 1-й ступени конденсатора, а аналоговый выход АО2 — для управления его мощностью.

Нумерация дискретных выходов, назначенных прибором для управления конденсатором, зависит от выбранной конфигурации компрессоров и количества ступеней конденсатора.

Схема подключения цепи безопасности ИМ

Для того, чтобы обеспечить безопасность объекта управления, следует к дискретным входам прибора подключить цепи безопасности. Если ИМ неисправен, то цепь безопасности заблокирует его работу. Для мониторинга аварий ИМ следует в цепь безопасности вывести несколько контрольных дискретных сигналов с ИМ.

Для каждого компрессора прибор автоматически назначает дискретный вход для цепи безопасности.

Для конденсатора пользователь выбирает способ мониторинга аварии: один общий дискретный вход на все ступени или для каждой ступени конденсатора свой дискретный вход. Реакция прибора на аварию при этом отличается (см. в разделе).

Схема подключения к дискретным входам контроллера зависит от настроенной пользователем конфигурации компрессоров и конденсаторов.

Graphic
Пример подключения цепи безопасности

На рисунке обозначены:

  • С1 — реле перегрева обмотки ИМ;
  • С2 — реле уровня масла ИМ;

  • С3 — реле перегрузки ИМ.

Примеры схем подключения

Примечание

Количество задействованных дискретных входов/выходов прибора и их назначение определяется заданной пользователем конфигурацией ИМ и выбранными функциями. По этой причине для прибора отсутствует единая схема подключения. Подробнее о настройке конфигурации оборудования см. раздел.

Для демонстрации принципа, по которому прибор назначает входы/выходы, ниже представлены примеры схем подключения для нескольких конфигураций оборудования.

На схеме обозначены:

Р0 — датчик давления всасывания.

Т0 — датчик температуры всасывания.

Рс — датчик давления конденсации.

Тс — датчик температуры конденсации.

Тнар — датчик наружной температуры.

К1...К2 — компрессоры 1...2.

Вк1...Вк2 — вентиляторы конденсатора 1...2.

Graphic
Пример схемы подключения двух компрессоров, двух вентиляторов с индивидуальными сигналами защиты, реле общего высокого и низкого давления, кнопка дистанционного пуска, реле аварии

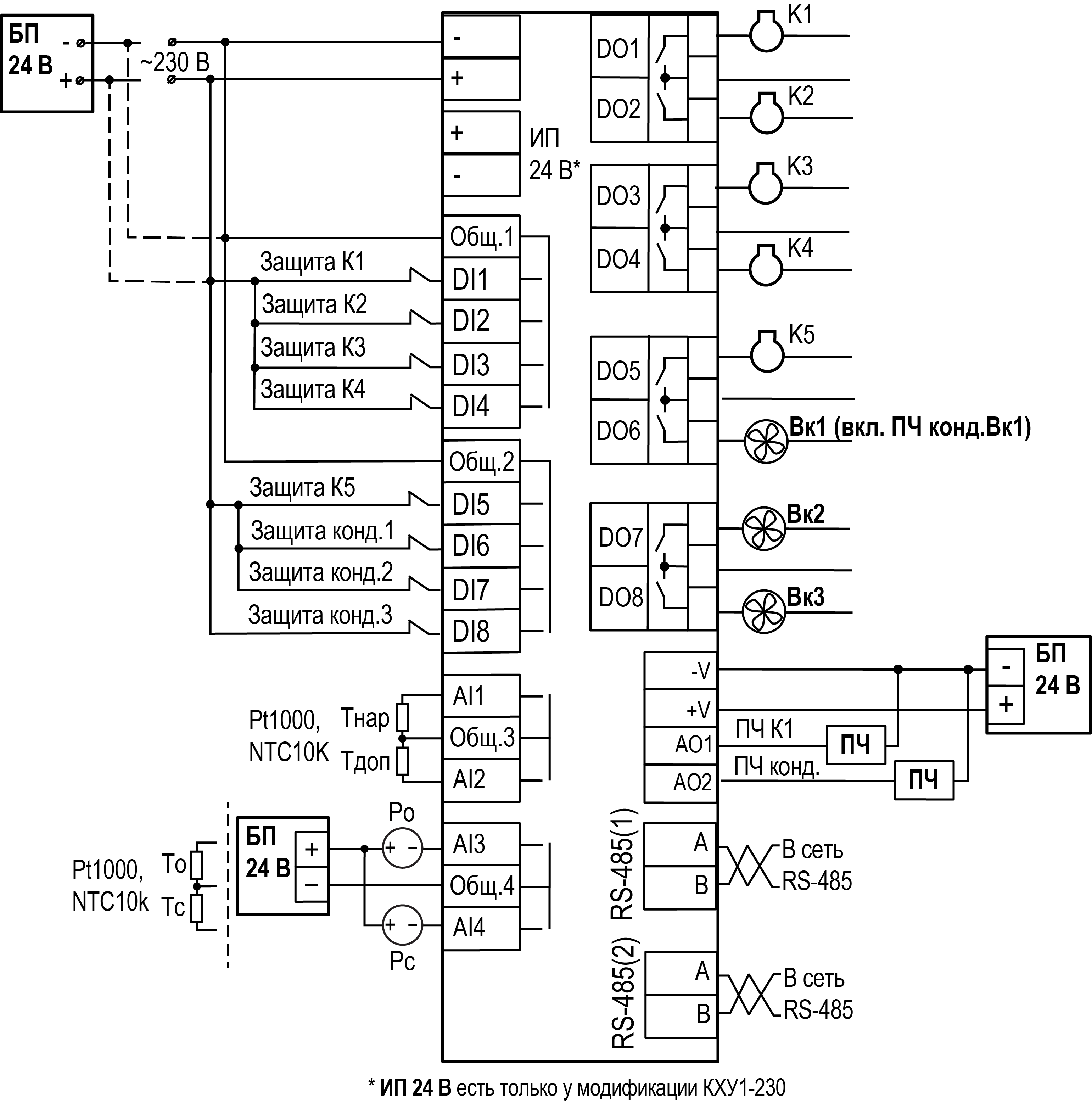
На схеме обозначены:

Р0 — датчик давления всасывания.

Т0 — датчик температуры всасывания.

Рс — датчик давления конденсации.

Тс — датчик температуры конденсации.

Тнар — датчик наружной температуры.

К1...К4 — компрессоры 1...4.

Вк1...Вк4 — вентиляторы конденсатора 1...4.

Graphic
Пример схемы подключения четырех компрессоров, четырех вентиляторов с общим сигналом защиты, реле общего высокого и низкого давления, кнопка дистанционного пуска
Graphic
Graphic
Пример схемы подключения пяти компрессоров, пяти вентиляторов с индивидуальными сигналами защиты, кнопка дистанционного пуска, сигнал дополнительного аварийного оповещения, сигнал для смещения уставки всасывания, функция Независимый термостат, реле аварии

На схемах обозначены:

Ро — датчик давления всасывания.

То — датчик температуры всасывания.

Рс — датчик давления конденсации.

Тс — датчик температуры конденсации.

Тнар — датчик наружной температуры.

Тдоп — дополнительный датчик температуры.

К1…К5 — компрессоры 1…5.

Вк1...Вк5 — вентиляторы конденсатора 1...5.

Доп. обор-е — дополнительное оборудование, включаемое при работе функции Независимый термостат.

Graphic
Graphic
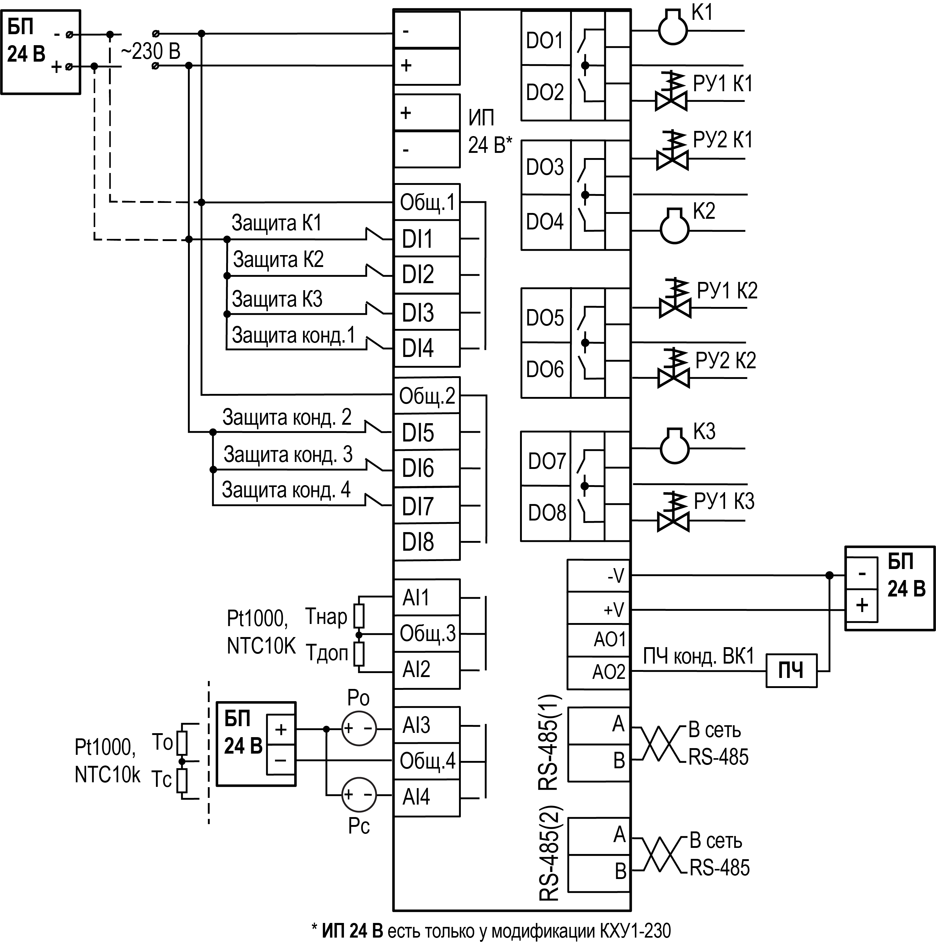
Три компрессора с разгрузкой (по два разгрузчика на каждом компрессоре), четыре вентилятора с индивидуальными сигналами защиты, функция Независимый термостат, функция Антизалив, реле аварии

На схеме обозначены:

Р0 — датчик давления всасывания.

Т0 — датчик температуры всасывания.

Рс — датчик давления конденсации.

Тс — датчик температуры конденсации.

Тнар — датчик наружной температуры.

Тдоп — дополнительный датчик температуры.

К1…К3 — компрессоры 1…3.

РУ1,2 К1...3 — разгрузочные устройства 1, 2 компрессоров 1…3.

Вк1...Вк4 — вентиляторы конденсатора 1...4.

Доп. обор-е — дополнительное оборудование, включаемое при работе функции Независимый термостат.

Впрыск охл. – команда на закрытие расширительных вентилей (функция Антизалив).

Принцип работы

Режимы работы

Общие сведения

Прибор может работать в следующих режимах:

  • Пуск;
  • Стоп;
  • Авария;
  • Тест.

Схема переходов между режимами представлена на рисунке.

Graphic
Схема переходов между режимами

Режим «Пуск»

В режиме Пуск прибор:

  • регулирует давление (температуру) в холодильной централи, управляя ИМ;

  • контролирует время наработки ИМ;

  • управляет очередностью включения/выключения ИМ;

  • контролирует аварии датчиков и ИМ.

Режим «Стоп»

В режиме Стоп прибор не выдает управляющих сигналов, но контролирует аварии.

Внимание
Прибор перед пуско-наладочными работами следует настраивать в режиме Стоп.

Из режима Стоп в режим Пуск можно перейти следующими способами:

  • на Главном экране с помощью кнопок управления;

  • подать команду на запуск по сети RS-485;

  • внешней кнопкой дистанционного пуска «Старт/Стоп».

Graphic
Перевод из режима Стоп в режим Пуск с Главного экрана

Обратный переход осуществляется аналогично.

Режим «Авария»

Режим Авария предназначен для обеспечения безопасности установки. Если появляются ошибки, то прибор фиксирует причины аварии, выдает аварийный сигнал на соответствующий выход и включает светодиод «Авария» (постоянное свечение либо мигание). В режиме Авария функционирование прибора определяется типом возникшей аварии и настройками, см. столбец Действие в таблице.

Режим «Тест»

Внимание
Режим Тест предусмотрен только для пусконаладочных работ. Не рекомендуется оставлять прибор в тестовом режиме без контроля наладчика, это может привести к повреждению оборудования.

Режим Тест предназначен для проверки:

  • работоспособности дискретных и аналоговых датчиков;

  • работоспособности дискретных и аналоговых выходов;

  • правильности подключения ИМ.

Для перехода в режим Тест следует:

  1. Перевести прибор в режим Стоп,

    внешней кнопкой «Старт/Стоп», с Главного экрана или командой по RS-485.

  2. Открыть экран Меню → Тест Вх/Вых.

  3. Перевести прибор в режим Тест, выбрав значение «Вкл»

    в параметре Режим Тест.

Для каждого дискретного входа и выхода отображается присвоенная ему в результате конфигурирования функция или ИМ.

Управление группой компрессоров (контуром всасывания)

Ввод в эксплуатацию контура всасывания

Для регулирования производительности группы компрессоров прибор использует показания датчика на входе AI3.

Для ввода в эксплуатацию группы компрессоров следует:

  1. Выбрать количество компрессоров: 1…8.

  2. Выбрать тип управления компрессорами:

    • ступенчатое управление одиночными компрессорами;

    • первый компрессор с преобразователем частоты (ведущий), остальные одиночные (опорные);

    • первый компрессор имеет разгрузочные устройства, остальные одиночные (опорные);

    • все компрессоры имеют разгрузочные устройства.

  3. Для компрессоров с разгрузкой выбрать количество разгрузчиков и тип контакта дискретного выхода прибора для отключения разгрузки.

  4. Настроить таймеры для компрессоров.

    Примечание

    Прибор чередует компрессоры по времени наработки.

Описание функций контура всасывания

Откачка

Чтобы избежать большого числа включений/отключений компрессора при малой нагрузке, в приборе можно активировать функцию откачки для последнего работающего компрессора. Последний находящийся в работе компрессор будет отключен, когда текущее давление (температура) всасывания снизится до заданного значения.

Функция активируется в настройках регулирования компрессорами, порог для отключения последнего компрессора задается там же. Отключение происходит сразу по достижении заданного порога откачки без учета времени задержки на отключение компрессора.

Смещение уставки всасывания

В целях экономии электроэнергии в приборе можно активировать смещение уставки всасывания на необходимый период времени. Уставка смещается на заданную пользователем величину (Меню → Настройки → Компрессоры → Регулирование → Велич.Смещ). Смещение активируется либо по времени суток, либо по сигналу на дискретном входе прибора – это можно выбрать в параметре Меню → Настройки → Конфигурация → Смещ.Уст. Прибор назначает дискретный вход для этой функции при конфигурировании, если пользователь выбрал Смещ. Уст = по DI. Если выбрано смещение уставки по времени суток, то уставка будет изменена на заданную величину в течение ночного времени, внешний сигнал для этого не требуется.

Ступенчатое управление одиночными компрессорами

Для ступенчатого управления используются только дискретные выходы контроллера.

Прибор изменяет производительность группы одиночных компрессоров, когда давление (температура) выходит за пределы нейтральной зоны:

  • Увеличение производительности осуществляется, если текущее давление (температура) всасывания превосходит значение «Уставка + НЗ/2» (НЗ – величина нейтральной зоны). При этом компрессоры включаются, если:

    • выдержана задержка на включение компрессора;

    • выдержано время повторного пуска компрессора.

  • Уменьшение производительности осуществляется, когда текущее давление (температура) всасывания становится меньше значения «Уставка – НЗ/2». При этом компрессоры отключаются с учетом времени задержки на отключение.

  • Производительность неизменна, когда давление (температура) находится в пределах нейтральной зоны. Продолжается работа с включенными в данное время компрессорами.

Graphic
Ступенчатое управление компрессорами
Примечание

Задержки на включение, отключение и повторное включение компрессоров при ступенчатом управлении задаются под строкой с обозначением “опорных компрессоров” в разделе Меню → Настройки → Таймеры.

При ступенчатом управлении перечисленные временные задержки одинаковы для всех компрессоров.

Graphic
Ступенчатое управление одиночными компрессорами

Ведущий компрессор с ПЧ, остальные одиночные (опорные)

Ведущий компрессор – это компрессор под №1 с преобразователем частоты.

Для управления преобразователем частоты ведущего компрессора используется дискретный выход DO1 и аналоговый выход AO1.

В нейтральной зоне давление (температура) регулируется с помощью ведущего компрессора. Состояние опорных компрессоров не изменяется. Когда станет невозможным поддержание давления (температуры) в пределах нейтральной зоны, прибор выключит или включит следующий опорный компрессор с учетом задержки включения и принципа чередования по времени наработки.

Производительность ведущего компрессора регулируется по ПИ-закону плавно от минимальной до максимальной с помощью преобразователя частоты. Переменная производительность частотно-управляемого компрессора используется для заполнения провалов общей производительности системы при включении/отключении опорных компрессоров.

Компрессор с частотным управлением всегда включается первым и последним отключается. ПЧ включается тогда, когда вычисленное значение требуемой производительности соответствует пусковой частоте ведущего компрессора (давление или температура всасывания при этом будет превышать уставку). Дискретный выход замкнется, а аналоговый выход будет выдавать сигнал, соответствующий требуемой мощности ведущего компрессора. Пусковая частота задается в настройках.

При разомкнутом дискретном выходе для включения ПЧ сигнал на аналоговом выходе АО1 отсутствует.

Если требуемая производительность становится больше, чем та производительность, что развивает ведущий компрессор при своей максимальной скорости, то включается следующая ступень группы компрессоров – опорный компрессор. Данное действие возможно, если заданное количество компрессоров составляет больше 1, а давление (температура) всасывания превышает значение Уставка + НЗ/2. При этом производительность частотно-регулируемого компрессора уменьшается на величину, точно соответствующую производительности подключенного опорного компрессора. Таким образом достигается «гладкое» переключение без провалов производительности.

Максимальная рабочая частота для ведущего компрессора задается в настройках.

Если требуемая производительность становится меньше, в первую очередь снижается мощность ведущего компрессора. Как только частота его работы снижается до минимальной, а давление (температура) всасывания становится меньше значения Уставка – НЗ/2, отключается опорный компрессор с наибольшим временем наработки. В то же время скорость частотно-регулируемого компрессора увеличивается на величину, точно соответствующую производительности отключенного опорного компрессора.

Минимальная рабочая частота для ведущего компрессора задается в настройках.

Примечание
Для корректной работы частоту включения ведущего компрессора не следует задавать равной его минимальной рабочей частоте.
Соответствие диапазона заданных рабочих частот сигналу на выходе АО1

Частота

Напряжение на выходе АО1

Производительность ведущего компрессора

ЧастотаMin, Гц

0 В

0 %

ЧастотаMax, Гц

10 В

100 %

Таким образом, контроллер учитывает заданный диапазон рабочих частот компрессора и его мощность для вычисления требуемой производительности, принимая, что наименьшей производительности соответствует работа на минимальной частоте, а наибольшей производительности – максимальная частота.

Мощности ведущего и опорных компрессоров задаются в настройках прибора.

Graphic
Диаграмма работы ведущего компрессора с ПЧ совместно с одиночными (опорными) компрессорами

t1 — задержка включения ведущего компрессора (К1 с ПЧ);

t2 — задержка включения опорных компрессоров;

t3 — задержка отключения опорных компрессоров;

Рпч — мощность ведущего компрессора;

Рвкл — мощность включения компрессора 1 (зависит от fвкл);

Роп — мощность опорных компрессоров

Компрессоры с разгрузочными устройствами

Примечание
При пуске компрессора питание подаётся сперва на все устройства разгрузки, а затем с задержкой (1 с) запускается компрессор. Когда компрессор выключен, его разгрузочные устройства также отключены.

Для управления компрессорами с разгрузкой используются только дискретные выходы.

При выборе управления компрессорами с разгрузкой предусмотрено использование до 3-х разгрузчиков. Пользователь выбирает количество разгрузочных устройств, приходящихся на каждый компрессор: 1…3.

Предполагается, что все компрессоры имеют на себе одинаковое количество разгрузочных устройств. При этом все распределение производится не более чем по 16 дискретным выходам.

Пример
Например, при выборе 8-ми компрессоров остается доступно по 1 разгрузчику на каждый компрессор, т. к. в этом случае задействованы все 16 дискретных выходов. Управление вентиляторами конденсатора при этом будет недоступно.

Пользователь может выбрать, каким образом должны срабатывать выходные реле контроллера при включении разгрузочных устройств – размыкаться или замыкаться. Выбор осуществляется в параметре DO для разгр, в котором указывается тип контакта выходного реле прибора для отключенного состояния разгрузочного устройства.

Для включения/отключения разгрузочных устройств предусмотрены временные задержки, настраиваемые пользователем.

Включение компрессоров при данном типе управления осуществляется по времени наработки, а отключение по принципу FILO.

Примечание

Задержки на включение, отключение и повторное включение компрессоров при управлении с разгрузчиками задаются под строкой с обозначением “опорных компрессоров” в разделе Меню → Настройки → Таймеры.

Пример соответствия включенных ИМ общей производительности группы из 2-х компрессоров с 3-мя разгрузчиками при увеличении производительности

Что включено

Общая производительность группы компрессоров

К1

РУ1

РУ2

РУ3

К2

РУ1

РУ2

РУ3

 

0 %

вкл

вкл

вкл

вкл

 

12 %

вкл

 

вкл

вкл

 

25 %

вкл

 

 

вкл

 

37 %

вкл

 

 

 

 

50 %

вкл

 

 

 

вкл

вкл

вкл

вкл

62 %

вкл

 

 

 

вкл

 

вкл

вкл

75 %

вкл

 

 

 

вкл

 

 

вкл

87 %

вкл

 

 

 

вкл

 

 

 

100 %

Сброс производительности осуществляется в обратном порядке:

Пример соответствия включенных ИМ общей производительности группы из 2-х компрессоров с 3-мя разгрузчиками при снижении производительности

Что включено

Общая производительность группы компрессоров

К1

РУ1

РУ2

РУ3

К2

РУ1

РУ2

РУ3

вкл

 

 

 

вкл

 

 

 

100 %

вкл

 

 

 

вкл

 

 

вкл

87 %

вкл

 

 

 

вкл

 

вкл

вкл

75 %

вкл

 

 

 

вкл

вкл

вкл

вкл

62 %

вкл

 

 

 

 

50 %

вкл

 

 

вкл

 

37 %

вкл

 

вкл

вкл

 

25 %

вкл

вкл

вкл

вкл

 

12 %

 

 

0 %

Первый компрессор с РУ, остальные одиночные

В данной конфигурации ведущий компрессор – компрессор №1 с разгрузочными устройствами. Принцип работы на примере группы из трех компрессоров, где ведущий компрессор имеет 3 разгрузочных устройства, представлен в таблице ниже. Строки расположены по мере увеличения производительности группы компрессоров.

Пример соответствия включенных ИМ общей производительности группы компрессоров при наборе производительности

Что включено

Общая производительность группы компрессоров

К1

РУ1

РУ2

РУ3

К2

К3

 

 

 

0 %

вкл

вкл

вкл

вкл

 

 

8 %

вкл

 

вкл

вкл

 

 

16 %

вкл

 

 

вкл

 

 

25 %

вкл

 

 

 

 

 

33 %

вкл

вкл

вкл

вкл

вкл

 

41 %

вкл

 

вкл

вкл

вкл

 

50 %

вкл

 

 

вкл

вкл

 

58 %

вкл

 

 

 

вкл

 

66 %

вкл

вкл

вкл

вкл

вкл

вкл

75 %

вкл

 

вкл

вкл

вкл

вкл

83 %

вкл

 

 

вкл

вкл

вкл

91 %

вкл

 

 

 

вкл

вкл

100 %

Сброс производительности осуществляется в обратном порядке:

Пример соответствия включенных ИМ общей производительности группы компрессоров при снижении производительности

Что включено

Общая производительность

К1

РУ1

РУ2

РУ3

К2

К3

вкл

 

 

 

вкл

вкл

100 %

вкл

 

 

вкл

вкл

вкл

91 %

вкл

 

вкл

вкл

вкл

вкл

83 %

вкл

вкл

вкл

вкл

вкл

вкл

75 %

вкл

 

 

 

вкл

 

66 %

вкл

 

 

вкл

вкл

 

58 %

вкл

 

вкл

вкл

вкл

 

50 %

вкл

вкл

вкл

вкл

вкл

 

41 %

вкл

 

 

 

 

 

33 %

вкл

 

 

вкл

 

 

25 %

вкл

 

вкл

вкл

 

 

16 %

вкл

вкл

вкл

вкл

 

 

8 %

 

 

 

0 %

Включение и отключение опорных компрессоров осуществляется по времени наработки.

Управление группой вентиляторов (контуром конденсации)

Ввод в эксплуатацию контура конденсации

Для регулирования производительности конденсатора используются показания датчика на входе AI4.

Для ввода в эксплуатацию конденсатора следует:

  1. Выбрать количество ступеней конденсатора: 1…8

  2. Выбрать тип управления конденсатором:

    • ступенчатое;

    • 1-я ступень с преобразователем частоты, остальные одиночные.

  3. Настроить таймеры для конденсаторов.

    Примечание
    Чередование конденсаторов осуществляется по времени наработки.

  4. Задать уставку:

    • фиксированную;

    • динамическую, которая зависит от температуры наружного воздуха (функция “плавающая” конденсация).

Конденсатор может работать совместно с группой компрессоров либо отдельно. Режим работы выбирается в параметре Раб. с компр:

  • если выбрано «Да», то управление конденсатором возможно, только когда включен хотя бы один компрессор;

  • если выбрано «Нет», регулирование конденсатором ведется независимо от контура компрессоров.

Способ мониторинга аварии вентиляторов конденсатора выбирается в параметре Защ.вент:

  • Общая – под сигнал аварии конденсаторов отводится один дискретный вход;

  • Индивидуальная – для каждой ступени конденсатора назначается свой дискретный вход.

Реакция на аварию разная, подробнее см. в разделе.

«Плавающая» конденсация

В конденсаторе искусственно поддерживается фиксированная разность уставки температуры конденсации Тс и окружающей среды Тнар. Функция активируется в настройках. Величина разности Уставка – Тнар задается в параметре Дельта. По умолчанию задана разница в 10 градусов. Для регулирования с «плавающей» конденсацией задаются верхний и нижний пределы для значения уставки.

Если «плавающая» конденсация отключена, заданные пределы на ограничение уставки также действуют: нельзя записать в прибор уставку конденсации больше или меньше установленных пределов.

Graphic
Иллюстрация работы «плавающей» конденсации

При работе контура конденсации по давлению текущее значение давления пересчитывается прибором в температуру, производится расчет разницы с учетом заданной Дельты и вводится соответствующая коррекция для уставки давления конденсации.

Ступенчатое управление вентиляторами конденсатора

Для ступенчатого управления используются только дискретные выходы контроллера.

Изменение производительности конденсатора осуществляется с помощью ПИ-регулятора. Включение вентиляторов зависит от текущей выходной мощности ПИ-регулятора и заданного количества ступеней. Пояснение принципа работы на примере конфигурации с тремя вентиляторами представлено на рисунке ниже. Для удобства принято, что каждая ступень несет в себе 100 % мощности.

Текущая рассчитанная ПИ-регулятором производительность конденсатора выводится в строке Произв.Расч на Главном экране прибора (см. таблицу)

Graphic
Ступенчатое управление конденсатором на примере 3-х ступеней

Управление конденсатором с ПЧ (1-я ступень с ПЧ, остальные одиночные)

При помощи ПЧ управляется только первая ступень конденсатора. Регулирование производится по ПИ-закону. С помощью параметра DO для 1-й ступ в меню настройки конфигурации пользователь выбирает, резервировать ли дискретный выход под включение 1-й ступени конденсатора при плавном управлении ею.

Принцип управления: при потребности в производительности сначала замыкается дискретный выход контроллера, связанный с 1-ой ступенью конденсатора, и прибор выдает управляющий аналоговый сигнал для этой ступени в соответствии с текущим рассогласованием уставки и регулируемой величины.

Если производительности 1-ой ступени, работающей на 100 %, недостаточно, то подключается 2-я ступень и так далее остальные с учетом заданной задержки включения и чередования по наработке. Мощность 1-ой ступени с ПЧ не снижается при активации последующих ступеней. ПИ-регулятор продолжает вычислять мощность для 1-ой ступени и изменять ее согласно текущему рассогласованию вне зависимости от подключенных ступеней.

Если мощность 1-й ступени достигает 0 %, то одна из вспомогательных ступеней отключается с учетом времени задержки на отключение.

В настройках контроллера задается минимальная рабочая частота для ПЧ конденсатора. Управляющее напряжение на выходе АО2, соответствующее минимальной частоте, составляет:

Graphic
Соответствие диапазона частот работы конденсатора сигналу на выходе АО2

Частота, Гц

Напряжение на выходе АО2, В

Производительность конденсатора

0

0

-

ЧастотаMin

Х

0 %

50

10

100 %

При производительности 0 % управляющий сигнал на аналоговом выходе отсутствует, а дискретный выход разомкнут. В остальных случаях дискретный выход замкнут и на аналоговом выходе формируется напряжение в диапазоне Х…10 В.

При разомкнутом дискретном выходе для включения ПЧ конденсатора сигнал на аналоговом выходе отсутствует.

Graphic
Диаграмма управления конденсатором на примере 3-х ступеней, где первая управляется с помощью ПЧ
Graphic
Диаграмма управления конденсатором на примере 3-х ступеней, где для первой не используется дискретный выход

При аварии ведущей ступени конденсатора она исключается из каскада и происходит переход на ступенчатое управление.

Защитные функции

Контроль высокого давления (температуры) всасывания Po (То) по аналоговому датчику (вход AI3)

В настройках прибора задается максимальное допустимое значение Ро (То), дифференциал снятия аварии и задержка срабатывания аварии по превышению этого значения.

Контроллер непрерывно отслеживает значение на входе AI3.

По умолчанию при превышении максимального значения система продолжает работу, выдается аварийный сигнал. С помощью параметра Стоп комп можно настроить останов работы компрессоров, если происходит авария Max Po/To.

Включение аварийной сигнализации, останов компрессоров (если выбран) и внесение события в журнал аварий осуществляется с учетом времени задержки.

Сигнализация представляет собой:

  • мигание светодиода «Авария»;

  • включение реле «Авария», если настроено пользователем.

Graphic
Поясняющая диаграмма срабатывания сигнализации на примере превышения давлением порога

Сброс аварии по превышению максимального допустимого значения возможен при выполнении условия:

Ро < Po.max – Δmax – для регулирования по давлению;

То < To.max – Δmax – для регулирования по температуре.

Контроль низкого давления (температуры) всасывания Po (То) по аналоговому датчику (вход AI3)

В настройках также задается минимальное допустимое значение Ро (То), дифференциал снятия аварии и задержка срабатывания аварии при снижении регулируемой величины до нижнего порога.

Если измеренное значение становится ниже заданного минимального предела, работа группы компрессоров останавливается по истечении времени задержки. При этом включается сигнализация, описанная выше.

Сброс аварии по достижении минимального допустимого значения возможен при выполнении условия:

Ро > Po.min + Δmin – для регулирования по давлению;

To > To.min + Δmin – для регулирования по температуре.

Graphic
Поясняющая диаграмма регистрации аварии по снижению давления (температуры) ниже допустимого порога
Контроль высокого давления (температуры) конденсации Рс (Тс) по аналоговому датчику (вход AI4)

В настройках задается максимальное допустимое значение Рс (Тс) и дифференциал.

Если давление (температура) превышает значение Pc (Tc), то прибор включает индикацию:

  • мигание светодиода «Авария»;

  • включение реле «Авария» (если назначено пользователем).

Все компрессоры будут немедленно отключены. Включается максимум производительности конденсатора.

Сброс аварии возможен при выполнении условия:

Pc < Pc.max – Δ – для регулирования по давлению;

Tc < Tc.max – Δ – для регулирования по температуре.

Graphic
Поясняющая диаграмма регистрации прибором аварии по превышению максимального порога давления или температуры конденсации
Контроль количества повторений пороговых аварий

Для приведенных в подразделах аварий можно включить функцию их ручного сброса для случаев, когда уже произошло определенное количество повторений аварии за заданный интервал времени.

Для Max Po/To и Min Po/To количество повторений и время отслеживания задаются одинаковые. Для Max Pc/Tc эти параметры задаются отдельно.

Для автоматического сброса упомянутых аварий по любому количеству их повторений следует установить 0 минут в параметре задания времени мониторинга (Вр.N Ав.).

Graphic
Поясняющая диаграмма отработки повторения аварии Min Po/To при допустимом количестве повторений равном двум
Контроль реле общего низкого и высокого давления

В нормальном состоянии с реле давления на назначенный дискретный вход прибора должен поступать сигнал.

При срабатывании реле низкого или высокого давления (разрыве сигнала на соответствующем дискретном входе) все компрессоры будут немедленно остановлены.

Для срабатываний реле низкого и высокого давления предусмотрена функция автоматического сброса соответствующей аварии, если причина была устранена, с учетом количества повторений этой аварии за заданное время.

Если количество срабатываний за заданное время превышает некоторое максимальное количество, то сбрасывать аварию потребуется вручную. Для автоматического сброса аварий по любому количеству срабатываний реле следует установить 0 минут в параметре задания времени мониторинга аварий (Вр.N Ав.).

Подсчет количества срабатываний производится отдельно для реле низкого и высокого давления.

Контроль цепей безопасности ИМ

В нормальном состоянии на назначенный дискретный вход прибора должен поступать сигнал от цепи безопасности ИМ.

Для каждого компрессора автоматически назначается свой дискретный вход. Для конденсатора назначается либо один дискретный вход, либо несколько в зависимости от выбранного типа защиты (см. раздел).

Находящийся в аварии ИМ отключается и исключается из управления до тех пор, пока сигнал вновь не появится на соответствующем ему дискретном входе. Аварийный ИМ мгновенно замещается другим доступным. Авария при этом не считается критической, система продолжает работу.

При обнаружении хотя бы одной из аварий компрессоров и/или конденсатора включается сигнализация:

  • мигание светодиода «Авария»;

  • включение реле «Авария», если назначено пользователем.

Если происходит авария ведущего компрессора, он исключается из управления, а работа остальных (опорных) компрессоров продолжается согласно ступенчатому принципу регулирования.

Если для конденсатора выбран тип защиты Общая, то при регистрации аварии будет включена сигнализация, но регулирование конденсатором продолжится без изменений.

Если для конденсатора выбран тип защиты Индивидуальная, то при регистрации аварии соответствующая ступень конденсатора будет отключена.

Для срабатываний цепей безопасности ИМ предусмотрена функция автоматического сброса соответствующей аварии, если причина была устранена, с учетом количества повторений этой аварии за заданное время.

Если количество срабатываний за заданное время превышает некоторое максимальное количество, то сбрасывать аварию ИМ потребуется вручную. Для автоматического сброса аварий по любому количеству срабатываний цепей безопасности установить 0 минут в параметре задания времени мониторинга аварий (Вр.N Ав.).

Подсчет количества срабатываний производится отдельно для каждого ИМ.

Дополнительные аварийные сигналы компрессоров

В меню настройки конфигурации доступны параметры Реле ВД, Реле НД, Масло для включения в распиновку дискретных входов следующих защитных сигналов компрессоров: реле высокого давления, реле низкого давления, реле регулятора уровня масла.

Вне зависимости от активации дополнительных защитных сигналов дискретный вход под общую цепь безопасности для каждого компрессора резервируется прибором автоматически. Если были активированы дополнительные сигналы, то в роли Цепи безопасности компрессора может выступать сигнал от дополнительного контакта его защитного автомата.

При обрыве сигналов Реле НД, Реле ВД, Цепи безопасности или Регулятора уровня масла прибор регистрирует соответствующую аварию компрессора, компрессор немедленно выключается и исключается из каскада.

Для дополнительных защитных сигналов фиксация, учет количества повторений и сброс аварий выполняются аналогично авариям цепей безопасности компрессоров, описанным в разделе.

Отказ датчиков: обрыв датчика или выход измеренного значения за допустимый диапазон

Во время аварии датчика всасывания Ро (То) регулирование продолжится с заданным фиксированным значением производительности группы компрессоров. Значение задается в параметре Меню → Настройки → Компрессоры → Регулирование → Ав.Произ-ть.

Во время аварии датчика конденсации Рс (Тс) регулирование продолжится с заданным фиксированным значением производительности конденсатора. Значение задается в параметре Меню → Настройки → Конденсаторы → Ав.Произ-ть.

Во время аварии дополнительного датчика температуры на входе AI2 работа функции “Независимый термостат” прекращается, если вход AI2 используется для этой функции.

Во время аварии датчика наружной температуры, если «плавающая» конденсация была включена, в качестве уставки конденсации принимается фиксированное значение, заданное в настройках.

При аварии любого из датчиков будет включена сигнализация:

  • мигание светодиода «Авария»;

  • включение реле «Авария», если назначено пользователем.

Контроль перегрева на всасывании

Прибор может осуществлять контроль перегрева хладагента на всасывании. В меню настройки конфигурации выбирается реакция на выход величины перегрева за допустимые пределы. В меню Защиты под строкой Перегрев задаются пороги, задержка срабатывания, тип сброса аварий и др.

Перегрев рассчитывается как разница Тдоп – Тo, поэтому для работы функции требуется подключение датчика температуры ко входу AI2. Текущее значение перегрева выводится на Главном экране компрессоров.

Принцип работы защитной функции:

  • Если Перегрев > Max в течение времени Задерж, то регистрируется авария ПерегрMax;

  • Если Перегрев < Min в течение времени Задерж, то регистрируется авария ПерегрMin.

Реакция на выход перегрева за допустимые границы зависит от параметра Перегрев в меню настройки конфигурации:

  • Стоп Комп-ов – останов компрессоров, активация реле аварии*;

  • Стоп Комп, Солен – останов компрессоров, принудительное включение реле Антизалива и активация реле аварии*;

  • Стоп Солен – принудительное включение реле Антизалива, активация реле аварии*;

  • Реле авар – активация реле аварии*.

Примечание
* Реле аварии активируется в том случае, если оно было выбрано в меню Конфигурация и назначено для аварий по перегреву в меню Исп-е авар. реле.

Сброс аварии по высокому перегреву:

  • Автоматический, если Сброс: Авто (параметр в меню Защиты, Перегрев) при условии, что Перегрев < Max Дифф-л в течение времени восстановления ВрВосст;

  • Ручной, если Сброс: Руч.

Сброс аварии по низкому перегреву:

  • Автоматический, если Сброс: Авто (параметр в меню Защиты, Перегрев) при условии, что Перегрев > Min + Дифф-л в течение времени восстановления ВрВосст;

  • Ручной, если Сброс: Руч.

Graphic
Поясняющая диаграмма отработки аварии по низкому перегреву

Дополнительные функции

Дистанционный Пуск/Стоп по внешней кнопке, подключенной к дискретному входу

Функция назначается пользователем в параметре Выкл. по DI.

При подаче сигнала на дискретный вход, соответствующий внешней кнопке, прибор запускает систему в работу.

Если дистанционный Пуск/Стоп не выбран, то управление пуском системы осуществляется с панели прибора или по сети Modbus.

Все три способа управления пуском – команда по сети, параметр на Главном экране и внешняя кнопка, – работают по логике ИЛИ.

Включение лампы «Авария»

Параметр Реле аварии определяет, будет ли выходное реле контроллера управлять аварийной сигнализацией, когда прибор регистрирует аварию. Пользователь может выбрать, при возникновении каких аварий будет срабатывать реле в разделе Меню → Аварии → Исп-е авар. реле.

Функция «Независимый термостат»

Для работы функции выбирается один из датчиков: используемый в системе (вход AI3 или AI4) или дополнительный датчик температуры (вход AI2). Дополнительный датчик температуры (вход AI2) не участвует в регулировании холодопроизводительности, а предназначается только для функции «Независимый термостат».

При достижении заданного порога согласно показаниям одного из выбранных датчиков происходит замыкание выходного реле с учетом гистерезиса, заданного в параметре Дельта.

Graphic
Иллюстрация работы функции «Независимый термостат»

Функция применима для включения дополнительного оборудования по температурному условию (например, включение вентиляторов охлаждения шкафа управления) или для формирования дополнительной защиты (например, путем отключения установки с помощью мастер-контроллера) и др.

Функция «Антизалив»

При остановке всех компрессоров в централи и отсутствии возможности их повторного запуска (авария) электронные расширительные вентили в холодильном оборудовании должны быть закрыты. Таким образом, в испарители не будет поступать жидкий хладагент, который потом попадет в компрессоры при возобновлении работы.

Если функция «Антизалив» активирована, при работе установки соответствующий дискретный выход замкнут, что соответствует открытому состоянию расширительных вентилей.

Дискретный выход размыкается и расширительные вентили принудительно закрываются при одновременном соблюдении следующих условий:

  • все компрессоры отключены (по любой из причин: авария, таймер перезапуска и т.д.);

  • текущее давление или температура всасывания вышло за верхний предел нейтральной зоны Ро ≥ Ро,уст + НЗ/2(или То ≥ То,уст + НЗ/2);

  • истекло время задержки отключения впрыска. Таймер начинает отсчет в момент, когда оба первых условия выполняются.

Если любое из первых двух условий не соблюдено или перестало соблюдаться, то таймер функции сбрасывается и дискретный выход остается замкнутым.

Примечание

“Антизалив” работает по собственной уставке с нейтральной зоной, которые задаются в меню Компрессоры → Регулирование.

Сигнал на принудительное закрытие вентилей через дискретный выход прибора отменяется одновременно с запуском первого доступного компрессора.

Graphic
Иллюстрация работы функции “Антизалив” компрессоров
Дополнительные аварийные входы

В меню Конфигурация под строкой Доп.оповещ. можно задать до четырех предупредительных дискретных сигналов, выбрав для каждого наименование, которое будет отображаться на экране аварий. В распиновке резервируются дискретные входы контроллера.

Если на назначенном дискретном входе происходит разрыв, то прибор регистрирует аварию с выбранным текстом. Каждый аварийный сигнал фиксируется с учетом времени задержки, которое общее для всех четырех.

Дополнительные аварийные сигналы можно использовать для предупреждения о высокой/низкой температуре, утечке фреона, температуре масла, уровне хладагента и др.

Ручная блокировка ИМ

В контроллере предусмотрена ручная блокировка работы компрессоров и ступеней конденсатора на время проведения сервисных работ. Работа ИМ блокируется в специальном меню Блокировка ИМ (см. раздел). Заблокированный ИМ исключается из регулирования. Если он работал в момент блокировки, то ему на замену включится другой доступный ИМ.

Сигнал внешней аварии (Пожар)

С помощью параметра Пожар в меню Конфигурация резервируется дискретный вход прибора для подключения сигнала внешней аварии или пожара, при возникновении которого работа холодильной машины будет остановлена и зафиксировано аварийное событие в приборе.

Оповещение о необходимости проведения техобслуживания

КХУ1 позволяет не только удаленно отслеживать количество часов наработки ИМ, но также может сигнализировать о подходе срока проведения сервисных работ по отдельно взятому ИМ.

В меню Наработка ИМ доступны параметры специального таймера, который ведет обратный отсчет времени от заданной уставки для каждого ИМ. Уставка одинаковая для всех ИМ. Таймер ведет отсчет только при работе ИМ. По окончании отсчета прибор ставит флаг в соответствующем бите регистра Modbus (см. таблицу), который означает, что нужно провести техобслуживание ИМ.

По команде сброса флаг сбрасывается, а таймер начинает отсчет сначала.

Если уставка равна 0, то функция оповещения отключена.

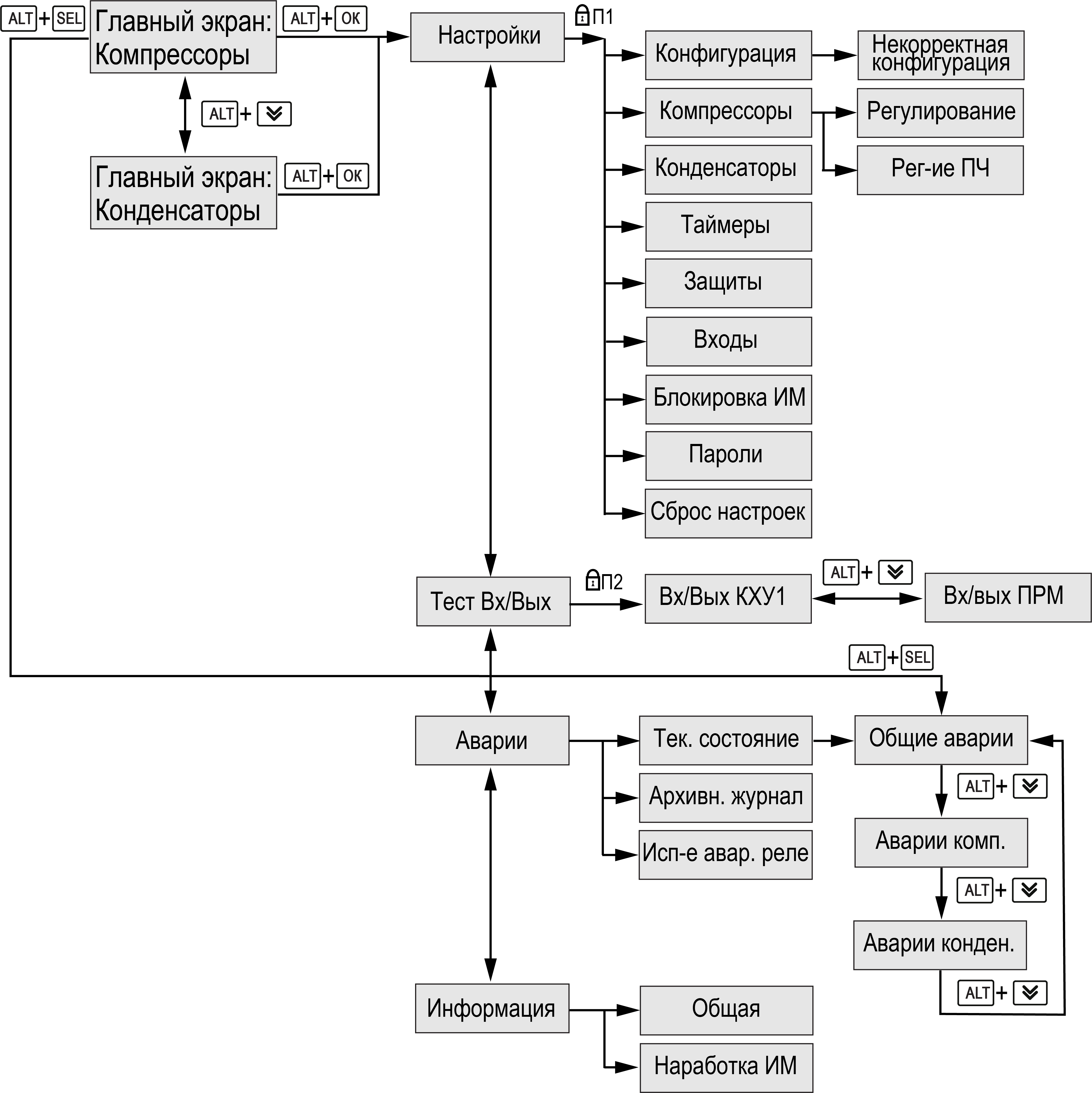
Меню

Структура меню

Примечание

Доступ к некоторым пунктам меню защищен паролем.

Значение паролей настраивается (см. раздел). Если значение 0, то ввод пароля отключен (по умолчанию отключен).

Graphic
Схема переходов по меню
Примечание
В зависимости от настроенных типов оборудования и ИМ количество пунктов меню может меняться.

Настройка конфигурации оборудования

Примечание

Для работы системы, в которой задействованы более 8 дискретных входов/выходов требуется подключение модуля расширения ПРМ-1. Тип питания модуля расширения (=24 В или ~230 В) должен совпадать с питанием прибора. Если в конфигурации задействовано до 8 дискретных входов/выходов, то для работы прибора ПРМ-1 подключать к нему не требуется.

Примечание
Если пользователь выбрал конфигурацию, которая задействует более 8 дискретных входов или выходов, а модуль расширения ПРМ-1 не подключен к прибору, то прибор зафиксирует обрыв связи с ПРМ-1 и не запустит систему в работу до восстановления подключения с модулем.

При первом включении прибора на экране открывается меню конфигурации, где пользователь выбирает тип схемы, марку хладагента и активирует необходимые функции. В последствии можно повторно зайти в это меню (Меню → Настройки → Конфигурация) и изменить конфигурацию оборудования.

Проведение настройки конфигурации оборудования возможно только при остановленном регулировании для исключения ошибок. Если установка запущена в работу, то при попытке изменения параметров раздела “Конфигурация” вносимые изменения блокируются.

Пока не выбрана схема, хладагент или выбранная конфигурация задействует более 16 дискретных входов или 16 дискретных выходов, будет невозможен выход из меню Конфигурация. При попытке выхода из этого меню прибор выведет на экран сообщение с указанием текущей ошибки настройки. Следует нажать кнопку Graphic или Graphic, чтобы вернуться на экран настройки конфигурации.

При некорректной конфигурации блокируется пуск системы в работу. Выйти из меню Конфигурация возможно только при корректно заданной конфигурации оборудования.

Марка хладагента выбирается для того, чтобы контроллер мог пересчитывать давление в температуру и наоборот. Это позволяет подключить датчик любого типа (4...20 мА или температурный) и вести управление по любой физической величине: давлению или температуре. В контроллере температура измеряется в градусах Цельсия, а давление в Бар.

Ко входам AI3, AI4, которые отслеживают значение регулируемых величин, можно подключить как датчик давления, так и датчик температуры. Тип подключенного датчика задается в настройках входов (Меню → Настройки → Входы). А также при изменении типа измеряемого сигнала (токовый сигнал 4...20 мА или сопротивление) необходимо корректно установить перемычки на плате контроллера и выбрать тип сигнала в системном меню прибора (подробнее см. раздел). По умолчанию входы AI3 и AI4 настроены на измерение давления (сигнал 4...20 мА).

После настройки параметров раздела Конфигурация контроллер самостоятельно распределяет выбранный функционал по дискретным входам и выходам. Принцип, по которому осуществляется распределение, рассмотрен в разделе.

Максимально может быть задействовано 16 дискретных входов и 16 дискретных выходов. Модуль расширения ПРМ-1 требуется, если в конкретном применении используется более 8 дискретных входов или выходов.

Экран Конфигурация

При первичном конфигурировании контроллера пользователь выбирает оборудование и необходимый набор функций. Последовательность настройки следующая:

  • тип схемы;

  • марка хладагента;

  • конфигурация компрессоров;

  • конфигурация конденсаторов;

  • единица измерения регулируемой величины;

  • дополнительные функции.

В зависимости от настроенной конфигурации контроллер определяет назначение дискретных входов и выходов. Приоритет назначения входов и выходов (по убыванию приоритета сверху вниз) указан в таблице ниже.

Приоритет назначения дискретных входов и выходов
Приоритет

DI

DO

1

Защита компрессоров (подключение цепей защиты)

Компрессоры + разгрузочные устройства (вкл/откл)*

2

Защита конденсаторов (подключение цепей защиты)

Конденсаторы (вкл/откл)

3

Реле высокого давления

Реле для функции “Независимый термостат”

4

Реле низкого давления

Реле для функции “Антизалив”

5

Кнопка Пуск/Стоп

Реле аварии

6

Сигнал дополнительного оповещения для формирования предупредительного сигнала общего назначения:

  • это может быть сигнал низкого уровня хладагента в ресивере;

  • авария преобразователя частоты;

  • сигнал температуры или уровня масла

и пр.

7

Сигнал для смещения уставки всасывания

Примечание

* Для группы компрессоров с РУ выходы, управляющие разгрузкой, назначаются вслед за выходом соответствующего им компрессора, см. таблицу ниже.

Назначение дискретных выходов в конфигурации “2 компрессора, по 2 разгрузочных устройства на каждом”

DO1

DO2

DO3

DO4

DO5

DO6

DO7

DO8

К1

РУ1.1

РУ1.2

К2

РУ2.1

РУ2.2

Выбранный пользователем функционал распределяется прибором по дискретным входам и выходам. Если какая-то из функций не выбрана пользователем, то назначение дискретного входа или выхода замещается следующей выбранной функцией в соответствии с таблицей.

Предупреждение

Если набранная конфигурация задействует свыше 16 дискретных входов или 16 дискретных выходов, контроллер не даст уйти с экрана конфигурации. При настройке конфигурации оборудования следует распределить весь функционал в доступное количество входов/выходов.

Примечание
После первичной настройки конфигурации управляющих сигналов в приборе рекомендуется проверить журнал аварий. При необходимости очистите его перед запуском установки в эксплуатацию, чтобы удалить аварии, зарегистрированные прибором при настройке конфигурации.

Примеры конфигураций по набору дискретных входов/выходов:

  1. 2 компрессора, 2 вентилятора, реле высокого и низкого давления, дистанционный пуск по кнопке, реле аварии;

    Graphic
    Пример схемы 1
  2. 4 компрессора, 4 вентилятора с общим сигналом защиты, реле высокого и низкого давления, дистанционный пуск по кнопке;

    Graphic
    Пример схемы 2

  3. 5 компрессоров, 5 вентиляторов с индивидуальными сигналами защиты, дистанционный пуск по кнопке, сигнал дополнительного аварийного оповещения, сигнал для смещения уставки всасывания, функция “Независимый термостат”, реле аварии;

    Graphic
    Пример схемы 3

  4. 3 компрессора с разгрузкой (по 2 разгрузчика на каждом компрессоре), 4 вентилятора с индивидуальными сигналами защиты, функция “Независимый термостат”, функция “Антизалив”, реле аварии.

    Graphic
    Пример схемы 4

Главный экран

В зависимости от выбранного типа схемы Главный экран состоит из одной или двух страниц. Если выбрана схема Комп+Конд, то страницы Главного экрана переключаются с помощью комбинации Graphic +Graphic.

Информация на Главном экране компрессоров

Параметр/ Статус

Диапазон значений

Описание

Тип

Доступ

Регистр

Пуск     Норма

Пуск, Стоп

*Отсутствие индикации*

Тест Вх Вых

Авария

Откачка

Ожидание

Зона+

Зона–

Норма

Слева расположена “кнопка” Пуск (Стоп), которая отражает состояние регулирования. С помощью нее можно запустить или остановить работу установки с панели прибора.

Справа выводится статус регулирования:

*Отсутствие индикации* – регулирование остановлено; Тест Вх Вых – прибор в режиме “Тест Входов/Выходов”; Авария – зафиксирована хотя бы одна авария;

Откачка – ведется откачка;

Ожидание – ожидание выполнения условий для включения 1-го компрессора;

Зона+ – регулирование за пределами Нейтральной зоны+;

Зона– – регулирование за пределами Нейтральной зоны–; Норма – регулирование осуществляется в пределах Нейтральной зоны.

–Компрессоры–

Строка с обозначением раздела экрана, содержащего параметры работы компрессоров

То:       -7,0°C

Po

To

 

±99,9

 

Авария

 

Бар

°C

Текущее значение температуры То или давления всасывания Ро. Параметр, по которому осуществляется регулирование. Во время аварии датчика выводится Авария вместо текущего значения.

real

R

516

Уставка: -10,0°C

±99,9

Бар

°C

Уставка температуры или давления всасывания. Нередактируемый параметр, дублирует заданное значение из настроек.

Произ-ть: 55%

0…999%

Текущая производительность контура компрессоров (общая). Вычисляется с учетом количества работающих ступеней, включенных разгрузочных устройств, мощности ПЧ (если есть).

word

R

723

В работе: 2/3

0…8

0…8

Количество компрессоров, находящихся на данный момент в работе, из числа заданных

Произ-ть ПЧ: 66%

±0…999%

Откл

Текущая производительность ПЧ ведущего компрессора. Если выбран другой тип управления (без ПЧ), то выводится «Откл».

Ро:       4,0Бар

To

Po

 

±99,9

 

Авария

°C

Бар

Давление всасывания хладагента, пересчитанное из температуры (или температура, пересчитанная из давления, если в параметре Ед.измер. выбрано Бар). Параметр информационный.

Тдоп: -Откл-

±999,9°C

–Откл–

Авария

Текущая температура по дополнительному датчику на входе AI2. Если датчик не сконфигурирован, вместо измеренной величины отображается -Откл-.

real

R

514

Перегрев: -Откл-

±99,9°C

–Откл–

Текущая величина перегрева. Если контроль перегрева отключен, вместо значения отображается -Откл-.

real

R

520

Конд ->ALT+Вниз

Подсказка перехода к Главному экрану конденсаторов

Аварии ->ALT+SEL

Подсказка перехода на экран текущих аварий

Меню ->ALT+OK

Подсказка перехода в меню

Информация на Главном экране конденсаторов

Параметр/Статус

Диапазон значений

Описание

Тип

Доступ

Регистр

ПускНорма

Пуск, Стоп

*Отсутствие индикации*

Тест Вх Вых

Авария

Норма

Слева расположена “кнопка” Пуск (Стоп), которая отражает состояние регулирования. С помощью нее можно запустить или остановить работу установки с панели прибора.

Справа выводится статус регулирования:

*Отсутствие индикации* – регулирование остановлено; Тест Вх Вых – прибор в режиме “Тест Входов/Выходов”; Авария – зафиксирована хотя бы одна авария;

Норма – ведется регулирование без ошибок.

–Конденсатор–

Строка с обозначением раздела экрана, содержащего параметры работы конденсатора

Тс:45,3°C

Pc

Tc

 

±99,9

 

Авария

Бар

°C

Текущее значение давления Рс или температуры конденсации Тс. Параметр, по которому осуществляется регулирование. Во время аварии датчика выводится Авария вместо текущего значения.

real

R

518

Уставка: 41,0°C

±99,9

Бар

°C

Уставка давления или температуры конденсации. Нередактируемый параметр, дублирует заданное значение из настроек либо отображает плавающую уставку конденсации.

real

R

725

Произ-ть: 19%

0…999%

Текущая производительность контура вентиляторов (общая). Вычисляется с учетом количества работающих ступеней и мощности ПЧ (если есть).

word

R

724

В работе: 1/4

0…8

0…8

Количество ступеней конденсатора, находящихся на данный момент в работе, из числа заданных

Произ-ть ПЧ:

±0…999%

Откл

Текущая производительность ПЧ ведущей ступени конденсатора. Выводится, только если прибор управляет конденсатором с ПЧ

Произв.Расч: 209%

   ±0…999%

Откл

Расчетная производительность для конденсатора, соответствует выходной мощности ПИ-регулятора.

Данная строка выводится только при ступенчатом режиме управления конденсатором (без ПЧ). Для удобства восприятия действует правило, что каждая ступень несет в себе 100 % мощности. Параметр может помочь при настройке ПИ-регулятора.

word

R

724

Рс:19,7Бар

Тc

Рc

 

±99,9

 

Авария

°C

Бар

Давление конденсации хладагента, пересчитанное из температуры (или температура, пересчитанная из давления, если в параметре Ед.измер. выбрано Бар). Параметр информационный.

Тнар:12,0°C

±99,9

–Откл–

Авария

Текущая наружная температура. Если датчик не сконфигурирован, вместо измеренной величины будет отображено –Откл–.

real

R

512

Тдоп:–Откл–

±999,9

–Откл–

Авария

Текущая температура по дополнительному датчику на входе AI2. Если датчик не сконфигурирован, вместо измеренной величины будет отображено –Откл–.

real

R

514

Комп ->ALT+Вниз

Подсказка перехода к Главному экрану компрессоров

Аварии ->ALT+SEL

Подсказка перехода на экран текущих аварий

Меню ->ALT+OK

Подсказка перехода в меню

Экраны настроек

Далее в таблицах параметров сопоставлены адреса регистров. Все параметры можно считать из прибора удаленно при помощи интерфейса RS-485 по протоколу Modbus.

Прибор поддерживает протоколы обмена Modbus RTU и Modbus ASCII (переключение автоматическое).

Функции чтения:

  • 0х01 (read coil status);

  • 0х03 (read holding registers);

  • 0х04 (read input registers).

Функции записи:

  • 0х05 (force single coil);

  • 0х06 (preset single register);

  • 0х10 (preset multiple registers).

Параметры битовой маски (состояние системы, аварии и др.) можно читать как функцией 0х03, так и 0х01 – для последней функции номер регистра нужно умножить на 16 и прибавить номер бита.

Пример

Требуется считать функцией 0х01 статус второго дискретного входа (адрес регистра 256, номер бита 1).

Адрес ячейки рассчитывается следующим образом: 256 ∙ 16 + 1 = 4097.

Поддерживаемые типы данных:

  • word - беззнаковое целое (2 байта), на каждый параметр отводится один регистр Modbus;

  • real - с плавающей точкой (4 байта), занимает два соседних регистра Modbus. Прибор передает значение младшим регистром вперед (little-endian)

    ;
  • enum - перечисление. Описывает позицию выбранного параметра из списка доступных;

  • bool - бит.

Типы доступа: R - только чтение, R/W - чтение/запись, W - только запись.

Возможные ошибки обмена по Modbus приведены в Приложении А.

Конфигурация

Перечень параметров экрана Конфигурация
ПараметрЗначение по умолчаниюОписаниеДиапазонТипДоступРегистр
Обор-е <Выбрать>

Выбор групп ИМ:

enum

R

523

  оборудование не выбрано

<Выбрать>

  управление группой компрессоров

Комп,

  управление группой конденсаторов

Конд,

  управление группами компрессоров и конденсаторов

Комп+Конд

 Хладагент<Выбр>

Выбор марки хладагента

<Выбр>

enum

R

524

R22,

R12,

R134,

R404a,

R502,

R407c,

R717,

R410a,

R507a,

R600,

R23,

R290,

R142b,

R744,

R409A

Ед. измер.:Градус

Выбор единицы измерения регулируемой величины

Внимание
При смене единицы измерения прибор сбрасывает до заводских значений все параметры, которые имеют размерность бар или °С

Градус

bool

0 – Бар

1 – Градус

R

525.0

Бар

Комп <Выбрать>

Выбор способа управления компрессорами

enum

R

526

  не выбран

<Выбрать>

  Ступенчатое управление одиночными компрессорами

Ступенч

  1-й компрессор с преобразователем частоты, остальные одиночные

ПЧ+Ступ

  Все компрессоры с разгрузочными устройствами

Разгр

  1-й компрессор с разгрузочными устройствами, остальные одиночные

Разгр+Ступ

Кол-во комп1

Количество компрессоров

1…8

word

R

527

Кол-во разгр1

Количество разгрузочных устройств, приходящихся на компрессор(-ы).

Необходимо настроить только для способа управления компрессорами Разгр или Разгр+Ступ. Для других способов регулирования параметр игнорируется

1…3

word

R

528

DO для разгрNC

Тип контакта DO для включения разгрузки (тип указывается для отключенного состояния разгрузочного устройства).

Необходимо настроить только для способа управления компрессорами Разгр или Разгр+Ступ. Для других способов регулирования параметр игнорируется при работе

NC

NO

bool

0 – NC

1 – NO

R

525.1

Реле НД:

Нет

Выделение DI для контроля сигнала реле низкого давления каждого компрессора

Нет

Да

bool

0 – нет

1 – да

R

525.2

Реле ВД:

Нет

Выделение DI для контроля сигнала реле высокого давления каждого компрессора

Нет

Да

bool

0 – нет

1 – да

R

525.3

Масло:

Нет

Выделение DI для контроля сигнала реле регулятора уровня масла каждого компрессора

Нет

Да

bool

0 – нет

1 – да

R

525.4

AI3:

Ро (4-20мА)

Тип датчика на стороне всасывания

Ро (4-20мА)

enum

R

529

То (РТ1000)

То (NTC10K)

Откл

Смещ.Уст:

откл

Способ формирования смещения уставки всасывания (контур компрессоров): по времени суток, по сигналу на дискретном входе или смещение отключено

Откл

enum

R

530

поВрем

по DI

Антизалив:

нет

Активация функции Антизалив

Нет

Да

bool

0 – нет

1 – да

R

525.5

Перегрев:

Строка-подсказка

Нет контроля

Включение контроля величины перегрева и выбор реакции на выход перегрева за допустимые границы:

enum

R

541

  перегрев не контролируется

Нет контроля

  останов компрессоров

Стоп Комп-ов

  принудительное размыкание реле Антизалива

Стоп Солен

  останов компрессоров и принудительное размыкание реле Антизалива

Стоп Комп, Солен

  активация реле аварии

Реле аварии

Конд<Выбрать>

Тип управления конденсаторами:

  не выбран

<Выбрать>

enum

R

531

  ступенчатое управление

Ступени

  1-я ступень управляется при помощи ПЧ, остальные выступают как опорные ступени

ПЧ+Ступени

Кол-во ступ1

Количество ступеней конденсатора

1…8

word

R

532

DO 1-й ступ:Да

Резервирование дискретного выхода прибора для включения 1-й ступени конденсатора при её плавном регулировании.

При использовании ПЧ рекомендуется выбирать “да”, при использовании фазорезки – “нет”.

Параметр игнорируется, если не выбрано “ПЧ+ступени”

Да

Нет

bool

0 – нет

1 – да

R

525.6

Защ.вентобщая

Тип защиты вентиляторов конденсатора:

bool

0 – общая

1 – индив

R

525.7

  для всех вентиляторов зарезервирован общий дискретный вход

общая

  для каждого вентилятора зарезервирован свой дискретный вход

индив

AI4:

Рс (4-20мА)

Тип датчика на стороне конденсации

Тс (РТ1000)

enum

R

533

Тс (NTC10K)

Рс (4-20мА)

Откл

Кор. по Тн

Вкл

Коррекция уставки конденсации по температуре наружного воздуха («плавающая» конденсация)

Откл

Вкл

bool

0 – откл

1 – вкл

R

525.8

Тнар

РТ1000

Тип датчика температуры наружного воздуха

РТ1000

enum

R

534

NTC10K

Отключен

AI2-Тдоп:

Отключен

Тип дополнительного датчика температуры. Может использоваться для функции Независимый термостат и контроля перегрева на всасывании

РТ1000

enum

R

535

NTC10K

Отключен

TермостатОткл

Выбор аналогового входа для работы функции Независимый термостат

Откл,

AI2,

AI3,

AI4

enum

R

536

Порог90,0

Порог срабатывания выходного реле контроллера по функции Независимый термостат, °С

-50…250

real

R

537

Дельта5,0

Гистерезис срабатывания выходного реле контроллера по функции Независимый термостат, °С

0…20

real

R

539

РелеДавлнет

Настройка использования дискретных входов для подключения реле высокого и низкого давления:

 

enum

R

542

  не используются

нет,

  только реле высокого давления

ВД,

  только реле низкого давления

НД,

  реле высокого и низкого давления

ВД и НД

Реле авариинет

Настройка использования выходного реле контроллера для включения аварийной сигнализации.

Выбрать аварии, при возникновении которых будет срабатывать реле, можно Меню → Аварии → Исп-е авар. реле

нет,

да

bool

0 – нет

1 – да

R

525.9

Внеш.выкл-ль:

Нет

Настройка использования внешней кнопки для старта и останова системы (кнопка подключается к дискретному входу)

нет,

да

bool

0 – нет

1 – да

R

525.10

Пожар:

Нет

Резервирование дискретного входа для подключения сигнала внешней аварии или пожара

нет,

да

bool

0 – нет

1 – да

R

525.11

Доп.оповещ.:

Строка-подсказка: настройка дополнительных аварийных сигналов

  1:Нет

При выборе текста сообщения на дискретный вход назначается сигнал дополнительного оповещения:

Нет– DI не резервируется;

ОбщееНазн – предупредительный сигнал общего назначения;

ВысТемп – предупредительный сигнал высокой температуры;

НизкТемп – предупредительный сигнал низкой температуры;

Ур Масла – предупредительный сигнал уровня масла;

Темп Масл – предупредительный сигнал температуры масла;

Утечка – предупредительный сигнал выявления утечки;

Ур Фреон – предупредительный сигнал уровня жидкости;

Отказ ПЧ – предупредительный сигнал отказа ПЧ.

В меню текущих аварий выводится соответствующее сообщение и состояние входного сигнала

Нет

ОбщееНазн

ВысТемп

НизкТемп

Ур Масла

Темп Масл

Утечка

Ур Фреон

Отказ ПЧ

enum

R

543

  2:Нет

enum

R

544

  3:Нет

enum

R

545

  4:Нет

enum

R

546

Задержка

Время задержки определения и занесения в журнал аварии дополнительного оповещения, в секундах

0…3600

word

R

547

Некорректная конфигурация

Описание

Тип

Доступ

Регистр

Условие появления

Отображение на ЖКИ

0. Конфигурация в норме

1. Если параметр Обор-е: <Выбрать>

2. Если в конфигурации параметр Хладагент: <Выбр>

3. Если в конфигурации параметр (Комп: <Выбрать> и (Обор-е: Комп или (Обор-е: Комп+Конд))

4. Если в конфигурации параметр (Конд: <Выбрать> и (Обор-е: Конд или (Обор-е: Комп+Конд),

5. Если конфигурация по DO превышает 16,

6. .Если конфигурация по DI превышает 16,

7. Если AI3: откл И (Обор-е: Комп ИЛИ Обор-е: Комп+Конд ИЛИ Tермостат: AI3)

8. Если  AI4: откл И (Обор-е: Конд ИЛИ Обор-е: Комп+Конд ИЛИ Tермостат: AI4),

9. Если  (Tдоп: откл И Tермостат: AI2) ИЛИ  (Tдоп: откл И Перегрев <> Нет контроля)

10. Если  Tнар: откл и Кор. по Тн: да,

11. Если Антизалив: да и Обор-е: Конд,

12. Если (Перегрев: Стоп Солен ИЛИ Перегрев: Стоп Комп, Солен) И Антизалив: нет

 

Расставлено по приоритетам от высшего к низшему.

1.     Выберите

тип оборудования

2.     Выберите

хладагент

3.     Выберите тип

управления комп.

4.     Выберите тип

управления конд.

5.     Превышение по DO

6.     Превышение по DI

7.     Выберите тип

датчика AI3

8.     Выберите тип

датчика AI4

9.     Выберите тип

датчика Тдоп

10.  Выберите тип

датчика Тнар

11.  Отключите

антизалив

12.  Включите

антизалив

 

Сообщение на индикаторе соответствует условию с тем же номером.

enum

R

550

Компрессоры

Перечень параметров экрана Компрессоры
ПараметрЗначение по умолчаниюОписаниеДиапазон

Тип

Доступ

Регистр

Экран “Регулирование”
Уставка

3,4Бар

-10,0°С

Уставка регулируемой величины, бар/°С

–80,0…+80,0

real

R/W

553

 НЗ

3,0Бар

4,0°С

Нейтральная зона регулируемой величины, бар/°С

0...50,0

real

R/W

555

 Откачка Откл

Активация функции откачки

Откл

Вкл

bool

0 – Откл

1 – Вкл

R/W

557.0

 Порог

1,0Бар

-30,0°С

Порог отключения последнего компрессора при откачке, бар/°С

-80…50

real

R/W

558

 Ав.Произ-ть50%

Производительность группы компрессоров при отказе датчика Ро/То, %

0…100%

word

R/W

560

Антизалив:

Строка-подсказка

Уставка:

3,4Бар

-10,0°С

Уставка функции Антизалив, бар/°С

-80,0…80,0

real

R/W

561

НЗ:

3,0Бар

4,0°С

Нейтральная зона функции Антизалив, бар/°С

0...50

real

R/W

563

Задержка:120с

Задержка срабатывания выходного реле контроллера на отключение впрыска (реле функции Антизалив), в секундах

1…3600

word

R/W

565

 Велич.Смещ0,0

Величина смещения уставки регулируемой величины в ночное время или по наличию сигнала на дискретном входе, бар/°С

–25,0…+25,0

real

R/W

566

 День с8: 0

Начало отсчета дневного времени (завершение работы функции смещения уставки), если настроено смещение уставки по времени суток, чч:мм

0: 0...23:59 ЧЧ: ММ

word : word

R/W

568, 569

 Ночь с16: 0

Начало отсчета ночного времени (начало работы функции ночного смещения уставки), если настроено смещение уставки по времени суток, чч:мм

0: 0...23:59 ЧЧ: ММ

word : word

R/W

570, 571

Экран “Регулирование с ПЧ”

Примечание

Подраздел доступен в меню контроллера, если выбран способ управления компрессорами ПЧ+Ступ

 ПИ Кп30,0

Пропорциональный коэффициент ПИ-регулятора

0,1...9999

real

R/W

572

ПИ Ти60

Время интегрирования ПИ-регулятора, в секундах

0...1000

word

R/W

574

ЧастотаMax60Гц

Наибольшая допустимая частота работы ведущего компрессора, Гц

40...120

word

R/W

575

ЧастотаMin30Гц

Минимальная допустимая частота работы ведущего компрессора, Гц

0...60

word

R/W

576

ЧастотаВкл45Гц

Минимальная частота напряжения электродвигателя ведущего компрессора, требуемая для его пуска, Гц

10...60

word

R/W

577

Мощн К11,0кВт

Мощность ведущего компрессора, соответствующая работе на максимальной частоте, кВт

1...100

real

R/W

578

Мощн.опор1,0

Мощность опорных компрессоров, кВт

1...100

real

R/W

580

Конденсаторы

Перечень параметров экрана “Конденсаторы”

Параметр

Значение по умолчанию

Описание

Диапазон

Тип

Доступ

Регистр

Уставка

19,5Бар

45,0°С

Уставка регулируемой величины, бар/°С

–25…99,9

real

R/W

585

Кор. по Тн

Строка-подсказка

    Дельта10,0

Разница между уставкой «плавающей» конденсации и температурой наружного воздуха, °С

1...20

real

R/W

589

  Max:

22,0Бар

50,0°С

Максимальное значение уставки конденсации, бар/°С

–25,0…99,9

real

R/W

591

  Min:

10,0Бар

20,0°С

Минимальное значение уставки конденсации, бар/°С

–25,0…99,9

real

R/W

593

Раб.с компрНет

Разрешение работы конденсатора, только когда включен хотя бы один компрессор

Нет,

Да

bool

0 – Нет

1 – Да

R/W

595.0

ПИ Кп10,0

Пропорциональный коэффициент ПИ-регулятора

0,1…9999

real

R/W

596

ПИ Ти180

Время интегрирования ПИ-регулятора, в секундах

0…1000

word

R/W

598

Uупр,min:

Минимальная частота напряжения для электродвигателя конденсатора, Гц

(если выбрано управление с преобразователем частоты)

0...10

word

R/W

601

Ав.Произ-ть50%

Производительность группы конденсаторов в случае отказа датчика Рс/Тс, %

0…100

word

R/W

600

Таймеры

Перечень параметров экрана “Таймеры”

Параметр

Значение по умолчанию

Описание

Диапазон

Тип

Доступ

Регистр

Ведущий комп:

Строка-подсказка: раздел настройки таймеров ведущего компрессора

ЗадержВкл:

Время задержки включения ведущего компрессора, в секундах

0...3600

word

R/W

605

ЗадержОткл:

Время задержки отключения ведущего компрессора, в секундах

0...600

word

R/W

606

Повтор вкл:

4мин

Время задержки на повторное включение ведущего компрессора, в минутах

1...60

word

R/W

608

Фильтр DI:

Время фильтрации дискретного сигнала на входе, который предназначен для защитного отключения ведущего компрессора, в секундах

1...600

word

R/W

609

Опорные комп:

Строка-подсказка: раздел настройки таймеров опорных компрессоров (используются также для компрессоров при ступенчатом управлении и управлении с разгрузчиками)

ЗадержВкл:

Время задержки включения опорных компрессоров, в секундах

0...3600

word

R/W

610

ЗадержОткл:

Время задержки отключения опорных компрессоров, в секундах

0...600

word

R/W

611

Повтор вкл:

4мин

Время задержки на повторное включение опорных компрессоров, в минутах

1...60

word

R/W

613

Фильтр DI:

Время фильтрации дискретных сигналов на входах, которые предназначены для защитного отключения опорных компрессоров, в секундах

1...600

word

R/W

614

Разгрузка:

Строка-подсказка: раздел настройки таймеров разгрузочных устройств

ЗадержВкл:

Время задержки включения разгрузочных устройств, в секундах

1...600

word

R/W

615

ЗадержОткл:

Время задержки отключения разгрузочных устройств, в секундах

1...600

word

R/W

616

Конденсатор:

Строка-подсказка: раздел настройки таймеров конденсаторов

ЗадержВкл:

Время задержки включения ступеней конденсатора, в секундах

1…250

word

R/W

617

ЗадержОткл:

Время задержки отключения ступеней конденсатора, в секундах

1…250 с

word

R/W

618

  Фильтр DI:

Время фильтрации дискретного сигнала на входе(-ах), предназначенном(-ых) для определения аварии ступеней конденсатора, в секундах.

Если защита конденсатора индивидуальная, это время учитывается перед отключением ступени конденсатора, находящейся в аварии.

Если защита конденсатора общая, это время учитывается перед регистрацией аварии конденсатора

1…600

word

R/W

619

Защиты

Перечень параметров экрана “Защиты”

Параметр

Значение по умолчанию

Описание

Диапазон значений

Тип

Доступ

Регистр

Po max8,0Бар

Максимальное допустимое значение давления/температуры всасывания хладагента, бар/°С

–30…159

real

R/W

625

To max13°С
  Дифф-л:

1,0Бар

5,0°С

Дифференциал снятия аварии по высокому давлению (температуре) всасывания, бар/°С

0…50

real

R/W

627

  Задержка60с

Задержка срабатывания аварии по высокому давлению (температуре) всасывания, в секундах

1...600

word

R/W

629

  Стоп комп:Нет

Останавливать ли работу компрессоров при аварии Max Po/To

Нет

Да

bool

0 – Нет

1 – Да

R/W

630.0

Po min1,0Бар

Минимальное допустимое значение давления/температуры всасывания хладагента, бар/°С

–30…159

real

R/W

631

To min-37,0°С
  Дифф-л:

0,1Бар

5,0°С

Дифференциал снятия аварии по низкому давлению (температуре) всасывания, бар/°С

0…50

real

R/W

633

  Задержка

Задержка срабатывания аварии по низкому давлению (температуре) всасывания, в секундах

1...600

word

R/W

635

Кол-во повтор:1

Количество повторов аварий за время Вр.N Ав для фиксации критической аварии и перехода на её ручной сброс.

Параметр для аварий Po max/ To max, Po min / Тo min.

1...9

word

R/W

636

Вр.N Ав.:  0

Время, в течение которого должно произойти указанное Кол-во повтор аварии Po max/ To max, в минутах.

Аналогично для Po min / Тo min.

Для автоматического сброса аварий по любому количеству срабатываний установить 0 минут.

0…250

word

R/W

637

Рс Max25,0Бар

Максимальное допустимое значение давления/температуры конденсации, бар/°С

-30…159

real

R/W

638

Тс Max55,0°С
  Дифф-л:

1,0Бар

5,0°С

Дифференциал снятия аварии по высокому давлению (температуре) конденсации, бар/°С

0…50

real

R/W

640

  Кол-во повтор:1

Количество остановов компрессоров за время Вр.N Ав для фиксации критической аварии и перехода на её ручной сброс.

1...9

word

R/W

642

Вр.N Ав.:  0

Время, в течение которого должно произойти указанное Кол-во повтор аварии Pс max/ Tс max, в минутах.

Для автоматического сброса аварий по любому количеству срабатываний установить 0 минут.

0…250

word

R/W

643

DI РелеДавл:

Строка-подсказка: раздел настройки параметров для регистрации критической аварии после срабатывания реле давления

Кол-во повтор1

Количество срабатываний реле низкого давления (НД) и реле высокого давления (ВД) для определения критической аварии. Срабатывания подсчитываются отдельно для реле НД и реле ВД

1…9

word

R/W

644

Вр.N Ав.

Время, в течение которого должно произойти заданное количество срабатываний реле НД и ВД для определения критической аварии, в минутах. Для автоматического сброса аварий по любому количеству срабатываний реле НД и ВД установить 0 минут

0…250

word

R/W

645

DI цепи безоп:

Строка-подсказка: раздел настройки параметров для регистрации критической аварии после срабатывания цепей безопасности ИМ

Кол-во повтор1

Количество срабатываний цепей безопасности ИМ для определения критической аварии ИМ. Срабатывания подсчитываются отдельно для каждого ИМ

1…9

word

R/W

646

Вр.N Ав.

Время, в течение которого должно произойти указанное количество срабатываний цепей безопасности ИМ для определения критической аварии ИМ, в минутах. Для автоматического сброса аварий по любому количеству срабатываний установить 0 минут

0…250

word

R/W

647

Перегрев:

Строка-подсказка: раздел настройки параметров защиты по перегреву на всасывании

Min:2,0

Минимальное допустимое значение перегрева, °С

0…10

real

R/W

648

Max12,0

Максимальное допустимое значение перегрева, °С

5…20

real

R/W

650

Задерж:600

Величина задержки для фиксации аварий по низкому или высокому перегреву, с

1…999

word

R/W

652

Сброс:Руч

Механизм сброса аварий по высокому и низкому перегреву

Руч

Авто

bool

0 – Руч

1 – Авто

R/W

630.1

Дифф-л:2

Дифференциал снятия аварии по низкому или высокому перегреву, °С

0,1…15

real

R/W

653

 ВрВосст:0 м

Задержка автоматического сброса аварии по низкому или высокому перегреву после того, как значение вернется в допустимые пределы, мин

0…255

word

R/W

655

Входы

Перечень параметров экрана Входы

Параметр

Значение по умолчанию

Описание

Диапазон значений

Тип

Доступ

Регистр

ТнарРТ1000

Строка-подсказка без возможности редактирования

Отключен,

РТ1000,

NTC10K

B25/1003950

Коэффициент температурной чувствительности В25/100 термистора NTC10k

1…9999

word

R/W

657

Сдвиг0

Калибровка измеренного значения Тнар

-100…100

real

R/W

658

AI2-ТдопОтключенСтрока-подсказка без возможности редактирования

Отключен,

РТ1000,

NTC10K

B25/1003950

Коэффициент температурной чувствительности В25/100 термистора NTC10k

1…9999

word

R/W

660

Сдвиг0,0

Калибровка измеренного значения температуры

-100…100

real

R/W

661

AI 3Ро (4-20мА)Строка-подсказка без возможности редактирования

Откл*,

То (РТ1000),

То (NTC10K),

Ро (4-20мА)

20мА11,0

Верхняя граница измерения давления всасывания, бар

-1…159

real

R/W

663

4мА-0,5

Нижняя граница измерения давления всасывания, бар

-1…159

real

R/W

665

B25/1003950

Коэффициент температурной чувствительности В25/100 термистора NTC10k

1…9999

word

R/W

667

Сдвиг0,0

Калибровка измеренного значения для входа AI3

-100…100

real

R/W

668

AI 4Рс (4-20мА)Строка-подсказка без возможности редактирования

Откл**,

Тс (РТ1000),

Тс (NTC10K),

Рс (4-20мА)

20мА30,0

Верхняя граница измерения давления конденсации, бар

-1…159

real

R/W

670

4мА0,0

Нижняя граница измерения давления конденсации, бар

-1…159

real

R/W

672

B25/1003950

Коэффициент температурной чувствительности В25/100 термистора NTC10k

1…9999

word

R/W

674

Сдвиг0,0

Калибровка измеренного значения для входа AI4

-100…100

real

R/W

675

Примечание

* Исключить отслеживание показаний датчика всасывания можно, если выбрано управление "только конденсаторами". Если датчик отключен, аварии по достижении предельных значений давления (температуры) всасывания не будут фиксироваться.

** Исключить отслеживание показаний датчика конденсации можно, если выбрано управление "только компрессорами". Если датчик отключен, авария по достижении максимального допустимого значения давления (температуры) конденсации не будет фиксироваться, а работа компрессоров не будет остановлена.

Пароли

Меню/Настройки/Пароли
ПараметрЗначение по умолчаниюОписаниеДиапазон
Пароли
 Пароль 10

Пароль доступа в меню Настройки

0 — нет

1...9999

 Пароль 20

Пароль доступа в меню Тест Вх/Вых

0 — нет

1...9999

Примечание
По умолчанию пароли не заданы.

Пароли блокируют доступ:

  • Пароль 1 — к группе Настройки;

  • Пароль 2 — к группе Тест Вх/Вых.

Для сброса паролей следует:

  1. Перейти в Меню прибора.

  2. Нажать комбинацию кнопок Graphic + Graphic.

  3. Набрать пароль 118 и подтвердить cброс.

Сброс настроек

Меню/Настройки/Сброс настроек
ПараметрЗначение по умолчаниюОписаниеДиапазон
Сброс настроекна заводские:

Нет

Сброс настроек на заводские значения

Нет

Да!

Внимание
Данная команда не распространяется на параметры меню Конфигурация, значения паролей, даты, времени и сетевые настройки прибора.

Тест Вх/Вых

Примечание
В зависимости от настроенных типов и количества ИМ состав и описание параметров изменяется. Для каждого дискретного входа и выхода отображается присвоенная ему в результате конфигурирования функция или исполнительный механизм.
Параметры режима Тест Вх/Вых
ПараметрЗначение по умолчанию

Описание, расшифровка

Диапазон

Экран 1
DO\DI контроллера
Режим Тест:Откл

Активация режима проверки входов, выходов

Откл.

Вкл

Выходы дискр:

Строка-подсказка

DO1:К1 :0

Сокращения распиновки:

К1 – компрессор 1

РУ1.1 – компрессор 1, разгрузка 1

Конд 1 – конденсатор, ступень 1

Термостат – реле Независимого термостата

Антизалив – реле Антизалива

Реле Авар – реле аварии

 

0, 1
DO2:РУ1.1:00, 1
DO 3:00, 1
DO 4:00, 1
DO 5:00, 1
DO 6:00, 1
DO 7:00, 1
DO 8:00, 1
Выходы аналог:

Обозначение раздела с аналоговыми выходами

АО 1:0

Мощность ведущего компрессора

0...100
АО 2:0

Мощность 1-й ступени конденсатора с ПЧ

0...100
Входы дискр:

Строка-подсказка

DI 1:0

Сокращения распиновки:

ЦЗ К1 – цепь защиты компрессора 1

НД К1 – низкое давление, компрессор 1

ВД К1 – высокое давление, компрессор 1

РУМ К1 – регулятор уровня масла, компрессор 1

ЦЗ Конд – общая цепь защиты конденсатора

ЦЗ Конд 1 – цепь защиты 1-й ступени конденсатора

Общее ВД – реле высокого давления на нагнетании

Общее НД – реле низкого давления на всасывании

Пуск/Стоп – кнопка дистанционного пуска

Оповещ. 1 – дополнительный аварийный сигнал 1

СмещУст – сигнал для смещения уставки Ро/То

0, 1
DI 2:00, 1
DI 3:00, 1
DI 4:00, 1
DI 5:00, 1
DI 6:00, 1
DI 7:00, 1
DI 8:00, 1
Входы аналог:

Строка-подсказка

AI1: ТнарДатчик температуры наружного воздуха
AI2: Тдоп

Дополнительный датчик температуры

AI3Датчик контура всасывания
AI 4Датчик контура конденсации
Далее -> ALT + Вниз

Подсказка перехода к меню проверки входов/выходов модуля ПРМ

 

Экран 2
DO DI модуля ПРМ

 

Строка-подсказка

 

Режим ТестОткл.

Активация режима проверки входов/выходов

Откл

Вкл

Выходы дискр:

Строка-подсказка

DO 100, 1
DO 200, 1
DO 300, 1
DO 400, 1
DO 500, 1
DO 600, 1
DO 700, 1
DO 800, 1
Входы дискр:

Строка-подсказка

DO 100, 1
DO 200, 1
DO 300, 1
DO 400, 1
DO 500, 1
DO 600, 1
DO 700, 1
DO 800, 1
Далее-> ALT+Вниз

 

Подсказка возврата к меню проверки входов/выходов контроллера

 

Аварии

Перечень параметров экрана Общие аварии

Тип аварии

Описание

Диапазон значений

Общие аварии

Строка-подсказка

 

Сброс Аварий

Команда на сброс критических аварий. Актуально для аварий по срабатыванию реле высокого или низкого давления, цепей безопасности ИМ и пороговых аварий, которые сбрасываются вручную по достижении заданного количества повторений этих аварий

Нет, Да

Дат.Ро/То

Авария датчика всасывания (вход AI3)

Норма,

Дат.Рс/Тс

Авария датчика конденсации (вход AI4)

Откл.,

Дат.Тнар

Авария датчика температуры наружного воздуха (вход AI1)

Авария

Дат.Тдоп

Авария дополнительного датчика температуры (вход AI2)

Реле ВД

Сработало реле высокого давления

Реле НД

Сработало реле низкого давления

Max Ро/То

Давление (температура) всасывания выше допустимого порога

Min Ро/То

Давление (температура) всасывания ниже допустимого порога

Max Рс/Тс

Давление (температура) конденсации выше допустимого порога

ПерегрMax

Величина перегрева на всасывании выше допустимого порога

ПерегрMin

Величина перегрева на всасывании ниже допустимого порога

Оповещ.1

Сработал предупредительный сигнал. В зависимости от настройки вместо “Оповещ.1…4” выводится:

  • ОбщееНазн;

  • ВысТемп;

  • НизкТемп;

  • Ур Масла;

  • Темп Масл;

  • Утечка;

  • Ур Фреон;

  • Отказ ПЧ

Оповещ.2
Оповещ.3
Оповещ.4
Пожар

Сработала внешняя аварийная сигнализация

ПРМ

Фиксируется в тех случаях, когда для работы выбранной конфигурации нужен модуль расширения ПРМ-1 (задействовано более 8 DO или DI), но ПРМ-1 физически не подключен к прибору или утеряна связь с модулем во время работы

Далее-> ALT+Вниз

Подсказка перехода к меню аварий компрессоров

 

Перечень параметров экрана Аварии компрессоров

Тип аварии

Описание

Диапазон значений

Аварии комп

Строка-подсказка

 

К1

...

К8

Авария компрессора 1…8. При наличии одной аварии компрессора выводится слово “Авария” и соответствующая аббревиатура:

  • ЦБ – цепь безопасности;

  • НД – реле низкого давления;

  • ВД – реле высокого давления;

  • РУМ – сигнал от регулятора уровня масла.

Если у одного компрессора произошло несколько аварий, то выводится несколько аббревиатур

Норма,

Авария,

ЦБ,

ВД,

НД,

РУМ,

Блокировка,

Отключен

Далее-> ALT+Вниз

Подсказка перехода к меню аварий конденсаторов

 

Перечень параметров экрана Аварии конденсаторов

Тип аварии

Описание

Диапазон значений

Аварии конден

Строка-подсказка

 

КонденОбщ

Сработала общая защита конденсаторов

Норма,

Авария,

Откл.

Конден 1

...

Конден 8

Сработала цепь безопасности ступени 1…8 конденсатора

Норма,

Авария,

Блок.,

Откл.

Далее-> ALT+Вниз

Подсказка возврата к меню общих аварий

 

Журнал аварий

Прибор фиксирует аварийные события в журнале.

В журнал заносятся следующие параметры:

  • краткое название аварии;

  • время аварии;

  • время сброса аварии.

Журнал рассчитан на 32 записи. При заполнении журнала наиболее старые записи удаляются.

Последнее событие находится в начале журнала под номером 1. Для пролистывания журнала на экране следует указать номер записи.

Перечень параметров экрана Архивный журнал
ПараметрЗначение по умолчаниюОписаниеДиапазон
Аварии: ЖурналНазвание раздела меню
01>Компрессор 10

Номер записи в журнале событий для отображения и краткое название аварии

1...32

Дата фиксации:22Ноя23 15:33:36

Дата и время возникновения аварии

Дата квитир-ния:

22Ноя23 15:34:49

Дата и время пропадания аварии

Сброс журналаНет

Команда на сброс журнала аварий

Нет

Да

Вид записей в журнале аварий

Краткое название аварии

Описание

Po/To Ав.Дат

Авария датчика всасывания (вход AI3)

Pc/Tc Ав.Дат

Авария датчика конденсации (вход AI4)

Тнар Ав.Дат

Авария датчика температуры наружного воздуха (вход AI1)

Тдоп Ав.Дат

Авария дополнительного датчика температуры (вход AI2)

Реле ВД

Сработало реле высокого давления

Реле НД

Сработало реле низкого давления

Po/To max

Давление (температура) всасывания выше допустимого порога

Po/To min

Давление (температура) всасывания ниже допустимого порога

Рс/Тс max

Давление (температура) конденсации выше допустимого порога

Перегрев max

Величина перегрева на всасывании выше допустимого порога

Перегрев min

Величина перегрева на всасывании ниже допустимого порога

Доп.опов-ие 1

Сработал предупредительный сигнал 1

Доп.опов-ие 2

Сработал предупредительный сигнал 2

Доп.опов-ие 3

Сработал предупредительный сигнал 3

Доп.опов-ие 4

Сработал предупредительный сигнал 4

ПРМ:нет связи

Пропала связь с модулем ПРМ

Комп.Х ЦБ

Сработала цепь безопасности компрессора №Х

Комп.Х ВД

Сработало реле высокого давления компрессора №Х

Комп.Х НД

Сработало реле низкого давления компрессора №Х

Комп.Х РУМ

Сработало реле регулятора уровня масла в компрессоре №Х

Конден:Общ.Ав

Сработала общая защита конденсаторов

Конденсатор Х

Сработала цепь безопасности конденсатора №Х

Пожар

Сработала внешняя аварийная сигнализация

Перечень параметров экрана “Исп-е авар. реле”

Параметр

Значение по умолчанию

Описание

Диапазон значений

Тип

Доступ

Регистр

Дат.Ро/То

да

Замыкание реле аварии произойдет при аварии датчика всасывания, подключенного ко входу AI3

нет,

да

bool

0 - нет

1 - да

R/W

704.0

Дат.Рс/Тс

да

Замыкание реле аварии произойдет при аварии датчика конденсации, подключенного ко входу AI4

нет,

да

bool

0 - нет

1 - да

R/W

704.1

Дат.Тнар

да

Замыкание реле аварии произойдет при аварии датчика температуры наружного воздуха, подключенного ко входу AI1

нет,

да

bool

0 - нет

1 - да

R/W

704.2

Дат.Тдоп

да

Замыкание реле аварии произойдет при аварии дополнительного датчика температуры, подключенного ко входу AI2

нет,

да

bool

0 - нет

1 - да

R/W

704.3

Реле НД, ВД

да

Замыкание реле аварии произойдет при срабатывании любого из реле давления

нет,

да

bool

0 - нет

1 - да

R/W

704.4

Min Ро/То

да

Замыкание реле аварии произойдет при снижении давления (температуры) всасывания до минимального порога

нет,

да

bool

0 - нет

1 - да

R/W

704.5

Max Ро/То

да

Замыкание реле аварии произойдет при превышении давлением (температурой) всасывания максимального порога

нет,

да

bool

0 - нет

1 - да

R/W

704.6

Max Рс/Тс

да

Замыкание реле аварии произойдет при превышении давлением (температурой) конденсации максимального порога

нет,

да

bool

0 - нет

1 - да

R/W

704.7

ПерегревMax

да

Замыкание реле аварии с заданной задержкой произойдет, когда Перегрев превысит допустимое значение

нет, да

bool

0 - нет

1 - да

R/W

704.8

ПерегревMin

да

Замыкание реле аварии с заданной задержкой произойдет, когда Перегрев будет ниже допустимого значения

нет, да

bool

0 - нет

1 - да

R/W

704.9

Компрессоры

да

Замыкание реле аварии произойдет при срабатывании цепи безопасности хотя бы одного компрессора

нет,

да

bool

0 - нет

1 - да

R/W

704.10

Конденсаторы

да

Замыкание реле аварии произойдет при срабатывании цепи безопасности хотя бы одной ступени конденсатора

нет,

да

bool

0 - нет

1 - да

R/W

704.11

Пожар

да

Замыкание реле аварии произойдет при срабатывании внешней аварийной сигнализации

нет,

да

bool

0 - нет

1 - да

R/W

704.13

Доп.Оповещ

да

Замыкание реле аварии с заданной задержкой произойдет при обрыве сигнала на соответствующем DI

нет,

да

bool

0 - нет

1 - да

R/W

704.12

Список аварий

Для того, чтобы уточнить причину перехода прибора в режим Авария, нужно перейти на экран аварий. В приборе предусмотрен пункт меню, в котором отображаются возможные причины неисправности. Причины аварий и методы их сброса представлены в таблице ниже.

Для перехода c Главного экрана на экран аварий предусмотрена комбинация кнопок Graphic + Graphic.

Если авария не контролируется, то напротив нее выводится "откл".

Перечень возможных аварий

Обозначение на ЖКИ

Описание

Причина

Действие

Сброс

Регистр
Общие аварии
Дат.Ро/То

Авария датчика всасывания (вход AI3)

Неисправность датчика или измеренное значение находится вне диапазона

Если установка запущена в работу, то для группы компрессоров устанавливается фиксированное значение производительности, заданное пользователем в настройках. Аварийная производительность задается в процентах от общего числа доступных ступеней регулирования и располагается в Меню → Настройки → Компрессоры → Регулирование → Ав.Произ-ть.

Таким образом, прибор включает то количество доступных ступеней производительности, которое соответствует заданному в параметре Ав. произ-ть значению. При ступенчатом регулировании (без частотного преобразователя) количество включенных ступеней округляется в большую сторону.

Если управление компрессорами выбрано ПЧ+Ступ, то количество включенных компрессоров соответствует Аварийной производительности, а ведущий компрессор добавляет ту мощность, которой не хватает для достижения заданной Аварийной производительности с учетом включенных опорных компрессоров. Считается, что все компрессоры имеют равную мощность относительно общей производительности контура.

Срабатывает сигнализация: мигает светодиод «Авария» и включается реле «Авария» (если назначено пользователем).

Контроль минимального/максимального давления (температуры) всасывания прекращается.

Автоматически после устранения неисправности

708.0

Дат.Рс/Тс

Авария датчика конденсации (вход AI4)

Неисправность датчика или измеренное значение находится вне диапазона

Если установка запущена в работу, то для группы компрессоров устанавливается фиксированное значение производительности, заданное пользователем в настройках. Аварийная производительность задается в процентах от общего числа доступных ступеней регулирования и располагается в Меню → Настройки → Конденсаторы → Ав.Произ-ть.

Таким образом, прибор включает то количество доступных ступеней производительности, которое соответствует заданному в параметре Ав. произ-ть значению. При ступенчатом регулировании (без частотного преобразователя) округление количества включенных ступеней осуществляется в большую сторону.

Если управление конденсатором выбрано «ПЧ+Ступени», то количество включенных ступеней конденсатора соответствует Аварийной производительности, а ведущая ступень добавляет ту мощность, которой не хватает для достижения заданной Аварийной производительности с учетом включенных опорных ступеней. Считается, что все ступени имеют равную мощность относительно общей производительности контура.

Срабатывает сигнализация: мигает светодиод «Авария» и включается реле «Авария» (если назначено пользователем).

Контроль максимального давления (температуры) конденсации прекращается

Автоматически после устранения неисправности

708.1

Дат.Тдоп

Авария дополнительногодатчика температуры (вход AI2)

Неисправность датчика или измеренное значение находится вне диапазона

Прекращение контроля перегрева на всасывании.

Прекращение работы функции Независимый термостат, если вход AI2 используется для этой функции.

Срабатывает сигнализация: мигает светодиод «Авария» и включается реле «Авария» (если назначено пользователем)

Автоматически после устранения неисправности.

Если датчик в управлении не задействован (не выбран в настройках входов), его авария не регистрируется прибором

708.2

Дат.Тнар

Авария датчика температуры наружного воздуха (вход AI1)

Неисправность датчика или измеренное значение находится вне диапазона

Если «плавающая» конденсация была включена, в качестве уставки конденсации принимается фиксированное значение.

Срабатывает сигнализация: мигает светодиод «Авария» и включается реле «Авария» (если назначено пользователем)

Автоматически после устранения неисправности

708.3

Реле ВД

Авария по реле высокого давления

Сработало реле высокого давления

Отключение всех компрессоров. Срабатывает сигнализация: мигает светодиод «Авария» и включается реле «Авария» (если назначено пользователем)

Автоматически, если количество срабатываний реле меньше, чем указанное количество повторов за заданное время.

Вручную, если произошло указанное количество срабатываний за заданное время

708.4

Реле НД

Авария по реле низкого давления

Сработало реле низкого давления

708.5

Max Po/To

Авария по высокому давлению (температуре) всасывания

Давление (температура) всасывания превысило заданное максимальное значение

Если Стоп комп: нет, то продолжается работа.

Если Стоп комп: да, то происходит останов компрессоров по истечении времени задержки.

Срабатывает сигнализация: мигает светодиод «Авария» и включается лампа «Авария» (если назначена пользователем).

Автоматически, если показания Po/To уменьшились до значения Po,max - Дифф-л (To max - Дифф-л), а количество переходов в аварию (с выдержанной Задержкой) меньше Кол-во повтор за интервал времени Вр.N Ав.

Иначе сброс ручной.

708.6

Min Po/To

Авария по низкому давлению (температуре) всасывания

Давление (температура) всасывания ниже заданного минимального значения

Работа группы компрессоров останавливается по истечении времени задержки. Срабатывает сигнализация: мигает светодиод «Авария» и включается лампа «Авария» (если назначена пользователем)

Автоматически, если показания Po/To увеличились до значения Po,min + Дифф-л (To,min + Дифф-л), а количество переходов в аварию (с выдержанной Задержкой) меньше Кол-во повтор за интервал времени Вр.N Ав.

Иначе сброс ручной.

708.7

Max Pc/Tc

Авария по высокому давлению (температуре) конденсации

Давление (температура) конденсации превысило заданное максимальное значение

Отключение всех компрессоров. Включается максимум производительности конденсатора до момента перевода в СТОП или пока Pc/Tc не опустится ниже Pc,max - Дифф-л (Tc max - Дифф-л).

Срабатывает сигнализация: мигает светодиод «Авария» и включается лампа «Авария» (если назначена пользователем).

Автоматически, если показания Pc/Tc уменьшились до значения Pc,max - Дифф-л (Tc,max - Дифф-л), а количество переходов в аварию (с выдержанной Задержкой) меньше Кол-во повтор за интервал времени Вр.N Ав.

Иначе сброс ручной

708.8

ПерегрMax

Авария по высокому перегреву

Величина перегрева превышала верхний предел в течение заданного времени

В зависимости от параметра Перегрев:

●      останов компрессоров;

●      останов компрессоров и активация реле антизалива;

●      активация реле антизалива;

●      отсутствие действий.

Срабатывает сигнализация: мигает светодиод «Авария» и включается лампа «Авария» (если назначена пользователем)

Автоматически, если Сброс: Авто при условии, что Перегрев < Max – Дифф-л в течение времени ВрВосст.

 

Ручной, если Сброс: Руч

708.9

ПерегрMin

Авария по низкому перегреву

Величина перегрева была ниже допустимого порога в течение заданного времени

Автоматически, если Сброс: Авто при условии, что Перегрев > Min + Дифф-л в течение времени ВрВосст.

 

Ручной, если Сброс: Руч

708.10

Оповещ. 1

Дополнительное оповещение 1

 

Вместо Оповещ.1 выводится назначенное наименование сигнала.

Сработал предупредительный сигнал 1

Срабатывает сигнализация: мигает светодиод «Авария» и включается лампа «Авария» (если назначена пользователем)

Автоматически после восстановления сигнала на дискретном входе

708.11

Оповещ. 2

Дополнительное оповещение 2

 

Вместо Оповещ.2 выводится назначенное наименование сигнала.

Сработал предупредительный сигнал 2

708.12

Оповещ.3

Дополнительное оповещение 3

Вместо Оповещ.3 выводится назначенное наименование сигнала

Сработал предупредительный сигнал 3

708.13

Оповещ. 4

Дополнительное оповещение 4

 

Вместо Оповещ.4 выводится назначенное наименование сигнала

Сработал предупредительный сигнал 4

708.14

Пожар

Внешняя авария (сигнал пожара)

Сработала внешняя аварийная сигнализация (пропал сигнал со входа КХУ1)

Аварийный останов системы.

Ручной

711.15

ПРМ

Обрыв связи с модулем расширения ПРМ-1

Авария фиксируется в тех случаях, когда для работы выбранной конфигурации требуется модуль расширения ПРМ-1 (т.е. в конфигурации задействовано более 8 дискретных входов или 8 дискретных выходов), но ПРМ-1 физически не подключен к прибору или потерялась связь с модулем во время работы.

Аварийный останов системы.

Включен светодиод «Авария»

Автоматически после восстановления подключения

708.15

Аварии компрессоров

При отсутствии аварий напротив номера компрессора выводится слово “Норма”. При наличии одной аварии компрессора выводится слово “Авария” вместе с аббревиатурой, соответствующей причине неисправности:

  • ЦБ – цепь безопасности;

  • НД – реле низкого давления;

  • ВД – реле высокого давления;

  • РУМ – сигнал от регулятора уровня масла.

Если у одного компрессора произошло несколько аварий, то выводится несколько аббревиатур. Если компрессор заблокирован вручную, то напротив него выводится статус "Блокировка"

К1: ЦБ

К8: ЦБ

Авария компрессора 1...8 по цепи безопасности

Сработала цепь безопасности

компрессора 1…8

Находящийся в аварии компрессор отключается и исключается из управления, пока сигнал вновь не появится на соответствующем ему дискретном входе. Аварийный ИМ мгновенно замещается другим доступным. При аварии ведущего компрессора он исключается из управления, а работа опорных компрессоров продолжается согласно ступенчатому принципу регулирования. Срабатывает сигнализация: мигает светодиод «Авария» и включается лампа «Авария» (если назначена пользователем)

Автоматически, если количество срабатываний защитного сигнала меньше, чем указанное количество повторов за заданное время. Вручную, если произошло указанное количество срабатываний за заданное время

709.0 - 709.7

К1: ВД

К8: ВД

Авария компрессора 1...8 по реле высокого давления

Сработало реле высокого давления

компрессора 1…8

709.8 - 709.15

К1: НД

К8: НД

Авария компрессора 1...8 по реле низкого давления

Сработало реле низкого давления

компрессора 1…8

710.0 - 710.7

К1: РУМ

К8: РУМ

Авария компрессора 1...8 по уровню масла

Сработало реле регулятора уровня масла компрессора 1…8

710.8-710.15

Аварии конденсатора

Конден 1

...

Конден 8

Авария ступени

конденсатора 1…8. Если ступень заблокирована вручную, то напротив неё выводится статус "Блокировка"

Сработала цепь безопасности ступени конденсатора

Ступень отключается и исключается из управления, пока сигнал вновь не появится на соответствующем дискретном входе.

Аварийная ступень мгновенно замещается другой доступной.

Срабатывает сигнализация: мигает светодиод «Авария» и включается лампа «Авария» (если назначена пользователем)

Автоматически, если количество срабатываний защитного сигнала меньше, чем указанное количество повторов за заданное время. Вручную, если произошло указанное количество срабатываний за заданное время

711.1 - 711.8

КонденОбщ

Общая авария конденсатора

Сработала общая защита конденсатора

Регулирование производительности конденсатора продолжается без изменений. Срабатывает сигнализация: мигает светодиод «Авария» и включается лампа «Авария» (если назначена пользователем)

711.9

Общая информация

На экране общей информации представлены: наименование модификации контроллера, версия ПО, дата релиза, текущее время и дата.

Перечень параметров экрана Общая
Параметр

Описание

Информация
КХУ1

Наименование модификации прибора

Версия: 3.0.7

Версия программного обеспечения

от 25.02.2025

Дата релиза программного обеспечения

Дата и время
21Сен25 11: 27:56Время и дата со встроенных часов прибора

Наработка ИМ

Перечень параметров экрана Наработка ИМ

Параметр

Значение по умолчанию

Описание

Диапазон

Тип

Доступ

Регистр

Наработка ИМ

 –

Строка-подсказка

 –

Время наработки

Строка-подсказка

 –

Комп-р 1:

Время наработки компрессора 1, ч

0…65535

word

R

680

Комп-р 2:

Время наработки компрессора 2, ч

word

R

681

Комп-р 3:

Время наработки компрессора 3, ч

word

R

682

Комп-р 4:

Время наработки компрессора 4, ч

word

R

683

Комп-р 5:

Время наработки компрессора 5, ч

word

R

684

Комп-р 6:

Время наработки компрессора 6, ч

word

R

685

Комп-р 7:

Время наработки компрессора 7, ч

word

R

686

Комп-р 8:

Время наработки компрессора 8, ч

word

R

687

Конд-р 1:

Время наработки ступени конденсатора 1, ч

word

R

688

Конд-р 2:

Время наработки ступени конденсатора 2, ч

word

R

689

Конд-р 3:

Время наработки ступени конденсатора 3, ч

word

R

690

Конд-р 4:

Время наработки ступени конденсатора 4, ч

word

R

691

Конд-р 5:

Время наработки ступени конденсатора 5, ч

word

R

692

Конд-р 6:

Время наработки ступени конденсатора 6, ч

word

R

693

Конд-р 7:

Время наработки ступени конденсатора 7, ч

word

R

694

Конд-р 8:

Время наработки ступени конденсатора 8, ч

word

R

695

Сброс:

<Выбрать>

Сброс времени наработки выбранного ИМ.

Все комп – сбросить наработку всех компрессоров;

Все конд – сбросить наработку всех ступеней конденсатора;

Всех – сбросить наработку всех исполнительных механизмов.

<Выбрать>

Компр-р 1

Компр-р 2

Компр-р 3

Компр-р 4

Компр-р 5

Компр-р 6

Компр-р 7

Компр-р 8

Конд-р 1

Конд-р 2

Конд-р 3

Конд-р 4

Конд-р 5

Конд-р 6

Конд-р 7

Конд-р 8

Все комп

Все конд

Всех

enum

W

696

Таймер:

 

Строка-подсказка.

Таймер ведет обратный отсчет от уставки для каждого ИМ. Отсчет ведется только при работе ИМ. По окончании отсчета прибор ставит флаг в регистре Modbus, который означает, что нужно провести техобслуживание ИМ.

По команде сброса (параметр ниже) флаг сбрасывается, а таймер начинает отсчет сначала.

 

word (bitmask)

в порядке от комп 1 до комп 8 и от конд ст.1 до конд ст.8

TRUE - таймер сработал

R

697.0-697.15

Уставка:

0

Уставка таймера.

При уставке равной 0 функция отключена.

0…65535 ч

word

R/W

698

Сброс:

<Выбрать>

Сброс таймера и флага выбранного ИМ.

Все комп – сбросить таймер всех компрессоров;

Все конд – сбросить таймер всех конденсаторов;

Всех – сбросить таймер всех исполнительных механизмов.

<Выбрать>

Компр-р 1

Компр-р 2

Компр-р 3

Компр-р 4

Компр-р 5

Компр-р 6

Компр-р 7

Компр-р 8

Конд-р 1

Конд-р 2

Конд-р 3

Конд-р 4

Конд-р 5

Конд-р 6

Конд-р 7

Конд-р 8

Все комп

Все конд

Всех

enum

W

699

Выход -> ESC

 –

Для выхода из меню нажать кнопку ESC

Блокировка ИМ

Параметр

Значение по умолчанию

Описание

Диапазон значений

Тип

Доступ

Регистр

Блокировка ИМ:

Строка-подсказка

Комп. 1:

раб.

раб. – компрессор может быть включен

блок. – компрессор заблокирован и не может быть включен в работу

раб., блок.

word (bitmask)

в порядке от комп 1 до комп 8

и от конд, ст.1 до конд ст.8

 

0 – блок

1 – раб

R

706.0-706.15

Комп. 2:

раб.

Комп. 3:

раб.

Комп. 4:

раб.

Комп. 5:

раб.

Комп. 6:

раб.

Комп. 7:

раб.

Комп. 8:

раб.

КондСт 1:

раб.

раб. – ступень конденсатора может быть включена

блок. – ступень конденсатора заблокирована и не может быть включена в работу

КондСт 2:

раб.

КондСт 3:

раб.

КондСт 4:

раб.

КондСт 5:

раб.

КондСт 6:

раб.

КондСт 7:

раб.

КондСт 8:

раб.

Дополнение к карте регистров

В таблице ниже описаны регистры Modbus, которые отсутствуют в меню контроллера, но доступны для чтения по сети.

Дополнительные регистры

Параметр/ИМ/Статус

Описание

Тип

Доступ

Регистр

Команды

Перейти в режим «Пуск»

1 – Подача команды «Пуск»

bool

W

548.0

Перейти в режим «Стоп»

1 – Подача команды «Стоп»

bool

W

548.1

Сбросить аварии

1 – Подача команды «Сброс».

Актуально для аварий по срабатыванию реле высокого или низкого давления, цепей безопасности ИМ и пороговых аварий, которые сбрасываются вручную по достижении заданного количества повторений этих аварий

bool

W

548.2

Состояние входных цепей

Кнопка “Пуск/Стоп”

Состояние внешней кнопки:

1 – замкнута (ПУСК)

0 – разомкнута (СТОП)

bool

R

715.0

Внешний сигнал для смещения уставки всасывания

0 – смещения нет

1 – смещение уставки

bool

R

715.1

Состояние выходных сигналов управления ИМ

К1, РУ 1 1, РУ 1 2, РУ 1 3,

К2, РУ 2 1, РУ 2 2, РУ 2 3,

К8, РУ 8 1, РУ 8 2, РУ 8 3

0 – откл

1 – вкл

По порядку: 716.0 – компрессор 1

716.1 – разгрузка 1 компрессора 1

716.2 – разгрузка 2 компрессора 1

716.3 – разгрузка 3 компрессора 1

716.4 – компрессор 2

716.5 – разгрузка 1 компрессора 2

716.6 – разгрузка 2 компрессора 2

716.7 – разгрузка 3 компрессора 2

716.8 – компрессор 3

716.9 – разгрузка 1 компрессора 3

716.10 – разгрузка 2 компрессора 3

716.11 – разгрузка 3 компрессора 3

716.12 – компрессор 4

716.13 – разгрузка 1 компрессора 4

716.14 – разгрузка 2 компрессора 4

716.15 – разгрузка 3 компрессора 4

717.0 – компрессор 5

717.1 – разгрузка 1 компрессора 5

717.2 – разгрузка 2 компрессора 5

717.3 – разгрузка 3 компрессора 5

717.4 – компрессор 6

717.5 – разгрузка 1 компрессора 6

717.6 – разгрузка 2 компрессора 6

717.7 – разгрузка 3 компрессора 6

717.8 – компрессор 7

717.9 – разгрузка 1 компрессора 7

717.10 – разгрузка 2 компрессора 7

717.11 – разгрузка 3 компрессора 7

717.12 – компрессор 8

717.13 – разгрузка 1 компрессора 8

717.14 – разгрузка 2 компрессора 8

717.15 – разгрузка 3 компрессора 8

bool

R

716.0-717.15

Конд 1…Конд 8

0 – откл

1 – вкл

bool

R

718.0-718.7

Реле Независимого термостата

0 – откл

1 – вкл

bool

R

718.8

Реле Антизалива

0 – откл

1 – вкл

bool

R

718.9

Реле аварии

0 – откл

1 – вкл

bool

R

718.10

Статус работы

Статус

Статус работы контроллера:

0  – режим «Тест вх/вых»;

1  – критическая авария, регистрируется при следующих событиях:

-       обрыв связи с ПРМ-1;

-       сработало реле низкого или высокого давления;

-       произошла авария ИМ;

-       за указанное время произошло заданное количество повторений аварий ИМ или сработок реле ВД, НД;

3  – регулирование остановлено, аварий нет;

4  – регулирование ведется с аварией датчика Ро/То;

5  – регулирование ведется с аварией датчика Рс/Тс;

6  – регулирование ведется с учетом перегрева То (авария Max Ро/То, установка в работе);

7  – регулирование ведется с учетом перегрева Тс (авария Max Рс/Тс, установка в работе);

8  – ожидание таймера на включение первого компрессора;

9  – ведение откачки;

10 – регулирование за пределами Нейтральной зоны+ компрессоров;

11 – регулирование за пределами Нейтральной зоны– компрессоров;

12 – регулирование в Нейтральной зоне компрессоров.

 

Для схемы, состоящей только из конденсаторов, предусмотрен вывод следующих статусов:

0 – режим «Тест вх/вых»;

1 – критическая авария;

3 – регулирование остановлено, аварий нет;

5 – регулирование ведется с аварией датчика Рс/Тс;

7 – регулирование ведется с учетом перегрева Тс (авария Max Рс/Тс, установка в работе);

12 – нормальное регулирование.

 

Приоритет вывода реализован в соответствии с порядковым номером статуса: статус 0 – высший приоритет, статус 12 – низший

word

R

722

Установка времени и даты

 

Graphic
Схема доступа к меню настройки времени и даты
Внимание
Часы реального времени настраиваются на заводе при изготовлении прибора. Коррекцию можно проводить, если время и дата прибора не соответствуют действительным.

В прибор встроены энергонезависимые часы реального времени. Время и дата поддерживаются, даже если основное питание отключено.

Просмотр и редактирование текущего времени и даты доступны из Системного меню.

Сетевой интерфейс

Опасность
ЗАПРЕЩЕНО вносить изменения в параметры системного меню «Прибор», «Входы», «Выходы».

В приборе установлен модуль интерфейса RS-485 для организации работы по протоколу Modbus в режиме Slave.

Для работы прибора в сети RS-485 следует задать его сетевые настройки в системном меню прибора с помощью кнопок и ЖКИ на лицевой панели (см. рисунок).

Прибор в режиме Slave поддерживает следующие функции:

  • чтение состояния входов/выходов;
  • чтение/запись сетевых переменных.

Прибор работает по протоколу Modbus в одном из двух режимов: Modbus-RTU или Modbus-ASCII и автоматически распознает режим обмена RTU/ASCII. Адреса регистров, тип переменных параметров, доступных по протоколу Modbus, приведены в разделах .

Graphic
Настройка параметров сетевого интерфейса

Работа с ПО Owen Configurator

Начало работы

Для установки Owen Configurator (далее - Конфигуратор) следует:

  1. Скачать с сайта архив с ПО (https://owen.ru/documentation/907).

  2. Извлечь из архива ехе-файл установщика.

  3. Запустить .ехе-файл.

Установить на ПК драйвер прибора (https://owen.ru/documentation/1103).

Для настройки связи с прибором следует:

  1. Подать питание на прибор.

  2. Подключить прибор к ПК с помощью кабеля USB A – miсroUSB.

  3. Уточнить номер COM-порта, присвоенный прибору, в Диспетчере устройств Windows.

  4. Запустить Конфигуратор.

  5. Нажать кнопку Graphic Добавить устройства.

  6. Выбрать интерфейс «PR200 (COM3)» (см. рисунок, 1). Номер СОМ порта, присвоенный прибору, можно узнать в Диспетчере устройств Windows.

  7. Выбрать протокол ОВЕН (см. рисунок, 2).

  8. Выбрать устройство (рисунок, 3). Модификация прибора указана на боковой стороне прибора.

  9. Выбрать «Найти одно устройство», если добавляется один прибор. Запустить поиск нажатием на кнопку «Найти» (см. рисунок, 4).

  10. Выделить найденное устройство (см. рисунок, 5).

  11. Добавить устройство в проект Конфигуратора кнопкой «Добавить устройства» (см. рисунок, 6).

    Graphic
    Настройки связи с устройством

Если после настройки изображение прибора серого цвета, а при попытке записи параметров в прибор появляется всплывающее окно красного цвета (см. рисунок), то следует проверить правильность подключения прибора к ПК.

Graphic
Ошибка при добавлении устройства
Предупреждение

Если в процессе настройки или работы в режиме «Офлайн» были изменены Сетевые настройки, то связь с прибором пропадет (см. раздел).

Подключение можно восстановить повтором настройки подключения.

Режим «офлайн»

Для конфигурирования прибора в режиме офлайн (без подключения прибора к ПК) следует:

  1. Нажать кнопку Graphic Добавить устройства.

  2. Появится окно. Выбрать Работа офлайн в списке Интерфейс.

    Graphic
    Добавление устройства
  3. Выбрать нужную модификацию прибора в списке «Устройства».

    Graphic
    Выбор модификации
  4. Нажать кнопку «Добавить». Параметры прибора появятся в главном окне.

    Graphic
    Отображение прибора в главном окне

Конфигурация доступна для редактирования. После подключения прибора к ПК конфигурацию можно будет загрузить в него.

Обновление встроенного ПО

Примечание

При загрузке ПО необходимо учитывать модификацию питания прибора.

Например, нельзя загрузить встроенное ПО для КХУ1-230 на КХУ1-24.

Примечание
Перед сменой встроенного ПО прибора следует добавить Конфигуратор в список исключений антивирусной программы. В противном случае обновление встроенного ПО прибора приведет к его неработоспособности.

Для обновления встроенного ПО следует:

  1. Нажать на кнопку Graphic Обновить устройство в контекстном меню выбранного устройства или в главном меню. Откроется диалоговое окно для смены встроенного ПО устройства.

    Примечание
    Можно обновить одно или несколько устройств. Устройства следует выделить в области устройств (см. рисунок, 5) и выбрать Обновить устройство в контекстном меню или главном меню.
  2. Выбрать источник загрузки:

    • Загрузить встроенное ПО из файла – требуется указать путь к файлу встроенного ПО в окне Проводника Windows;

    • Загрузить встроенное ПО, выбрав из списка – выбрать встроенное ПО из списка доступных вариантов для загрузки в прибор данного типа;

    • Обновить до последней версии – последняя версия встроенного ПО будет загружена автоматически (требуется подключение к Интернету). Пункт недоступен, если версия встроенного ПО прибора актуальная.

      Graphic
      Выбор источника встроенного ПО
  3. Выбрать необходимую модификацию прибора (см. рисунок ниже).

    Graphic
    Выбор алгоритма

  4. Нажать кнопку Загрузить (см. рисунок ниже).

    Graphic
    Начало загрузки встроенного ПО

    В окне индикатор загрузки показывает прогресс обновления ПО.

    Graphic
    Индикатор прогресса обновления ПО
  5. Дождаться сообщения об окончании загрузки встроенного ПО в прибор (см. рисунок ниже).

    Graphic
    Сообщение об окончании процесса смены встроенного ПО

    Примечание
    Если во время загрузки встроенного ПО происходит сбой, то процесс нужно запустить повторно.

Для проверки версии встроенного ПО прибора следует нажать кнопку Graphic Информация об устройстве. Откроется окно информации об устройстве.

Graphic
Окно информации о версии встроенного ПО

Настройка часов

Часы прибора можно настроить в Конфигураторе или из системного меню.

Graphic
Часы реального времени

Часы можно настроить в ветке Об устройстве/Часы в списке параметров устройства или из меню Конфигуратора. После нажатия кнопки Graphic Настроить часы появится меню, приведенное на рисунке ниже.

Graphic
Меню настройки часов

Для настройки часов следует:

  1. Выбрать дату с помощью календаря.

  2. Ввести время в поле часов или воспользоваться кнопкой Установить дату и время компьютера.

  3. Нажать кнопку Записать значения.

Загрузка конфигурации в прибор

Для загрузки конфигурации в прибор следует нажать кнопку Graphic Записать значения или щелкнуть правой кнопкой мыши на значке прибора и в появившемся меню выбрать пункт Записать значения.

Graphic
Контекстное меню

Техническое обслуживание

Во время выполнения работ по техническому обслуживанию прибора следует соблюдать требования безопасности из раздела.

Техническое обслуживание прибора проводится не реже одного раза в 6 месяцев и включает следующие процедуры:

  • проверка крепления прибора;
  • проверка винтовых соединений;
  • удаление пыли и грязи с клеммника прибора.

Маркировка

На корпус прибора нанесены:

  • наименование прибора;
  • степень защиты корпуса по ГОСТ 14254;
  • напряжение и частота питания;
  • потребляемая мощность;
  • класс защиты от поражения электрическим током по ГОСТ 12.2.007.0;
  • знак соответствия требованиям ТР ТС (ЕАС);
  • страна-изготовитель;
  • заводской номер прибора и год выпуска.

На потребительскую тару нанесены:

  • наименование прибора;
  • знак соответствия требованиям ТР ТС (ЕАС);
  • страна-изготовитель;
  • заводской номер прибора и год выпуска.

Упаковка

Упаковка прибора производится в соответствии с ГОСТ 23088-80 в потребительскую тару, выполненную из коробочного картона по ГОСТ 7933-89.

Упаковка прибора при пересылке почтой производится по ГОСТ 9181-74.

Транспортирование и хранение

Прибор должен транспортироваться в закрытом транспорте любого вида. В транспортных средствах тара должна крепиться согласно правилам, действующим на соответствующих видах транспорта.

Транспортирование приборов в упаковке предприятия-изготовителя должно соответствовать следующим условиям:

  • температура окружающего воздуха от минус 40 до плюс 70 °С;

  • относительная влажность от 10 до 95 % без конденсации влаги;

  • атмосферное давление не менее 80 кПа (эквивалентно высоте 3000 м над уровнем моря)

Прибор следует перевозить в транспортной таре поштучно или в контейнерах с соблюдением мер защиты от ударов и вибраций.

Условия хранения в таре на складе изготовителя и потребителя должны соответствовать условиям 1 по ГОСТ 15150-69. В воздухе не должны присутствовать агрессивные примеси.

Прибор следует хранить на стеллажах.

Комплектность

НаименованиеКоличество
Прибор*1 шт.
Руководство по эксплуатации1 экз.
Паспорт и Гарантийный талон1 экз.

Комплект клеммных соединителей

1 к-т
Кабель для программирования1 шт.

* Исполнение в соответствии с заказом.

Примечание
Изготовитель оставляет за собой право внесения дополнений в комплектность прибора.

Гарантийные обязательства

Изготовитель гарантирует соответствие прибора требованиям ТУ при соблюдении условий эксплуатации, транспортирования, хранения и монтажа.

Гарантийный срок эксплуатации – 24 месяца со дня продажи.

В случае выхода прибора из строя в течение гарантийного срока при соблюдении условий эксплуатации, транспортирования, хранения и монтажа предприятие-изготовитель обязуется осуществить его бесплатный ремонт или замену.

Порядок передачи прибора в ремонт содержится в паспорте и в гарантийном талоне.

Обработка ошибок обмена по Modbus

Список кодов общих ошибок Modbus

Возвращаемый код*

Описание ошибки

01

Прибор не может обработать запрашиваемую функцию

02

Адрес данных, указанный в запросе, отсутствует в приборе. Критерии проверки – совпадение с диапазоном начального адреса регистра и количество регистров

03

Значение в поле данных запроса, является недопустимой величиной. Критерий проверки – соответствие длины записываемых или читаемых данных размерности типа регистра; соответствие записываемой величины условиям минимального и максимального значений регистра

04

Невосстанавливаемая ошибка. Происходит при отправке запроса на прибор в состоянии «Авария»
05

Запрос принят в работу, но на его обработку требуется много времени. Код ошибки предохраняет ведущее устройство от генерации ошибки тайм-аута. Критерий проверки – время на обработку запроса превышает заданное значение (например, при приеме запроса при исполнении программы логики)

06

Устройство занято. Критерий – прием запроса при наличии в обработке предыдущего запроса

Примечание
* Согласно спецификации Modbus.

Обработка пакетов производится в следующем порядке:

  1. Проверяется валидность пакета. Не прошедший проверку пакет отбрасывается.

  2. Проверяется адрес (SlaveID), если получен чужой пакет, то такой пакет игнорируется.

  3. Проверка на функцию Modbus.

Если приходит запрос с функцией не из таблицы выше, то выдается ошибка «MODBUS_ILLEGAL_FUNCTION».

Обработка ошибок данных
Используемая функцияНаименование ошибкиВозможные ситуации, приводящие к ошибке
MODBUS_READ_ HOLDING_REGISTERSMODBUS_ILLEGAL_DATA_ADDRESS

Количество запрашиваемых регистров больше максимально возможного числа (125).

Запрос несуществующего параметра

MODBUS_READ_INPUT_ REGISTERSMODBUS_ILLEGAL_DATA_ADDRESS

Количество запрашиваемых регистров больше максимально возможного числа (125).

Запрос несуществующего параметра

MODBUS_WRITE_SINGLE_ REGISTERMODBUS_ILLEGAL_DATA_ADDRESS

Попытка записи параметра, размер которого превышает 2 байта.

Попытка записи параметра, доступ на запись к которому запрещен.

Попытка записи параметра такого типа, который не поддерживает данная функция.

Запрос несуществующего параметра.

Поддерживаемые типы данных:

  • знаковые и беззнаковые целые (размер не более 2 байт);

  • перечисляемые

MODBUS_ILLEGAL_DATA_VALUEВыход за пределы максимального или минимального ограничений для параметра
MODBUS_WRITE_ MULTIPLE_REGISTERSMODBUS_ILLEGAL_DATA_ADDRESS

Запись несуществующего параметра.

Попытка записи параметра, доступ на запись к которому запрещен.

Количество записываемых регистров больше максимального возможного числа (123)

MODBUS_ILLEGAL_DATA_VALUE

Не найден терминирующий символ (\0) в строковом параметре.

Размер запрашиваемых данных меньше размера первого или последнего в запросе параметра.

Выход за пределы максимального или минимального ограничений для параметра

Предупреждающие сообщения

В данном руководстве применяются следующие предупреждения:

Опасность

Ключевое слово ОПАСНОСТЬ сообщает о непосредственной угрозе опасной ситуации, которая приведет к смерти или серьезной травме, если ее не предотвратить.

Внимание

Ключевое слово ВНИМАНИЕ сообщает о потенциально опасной ситуации, которая может привести к небольшим травмам.

Предупреждение

Ключевое слово ПРЕДУПРЕЖДЕНИЕ сообщает о потенциально опасной ситуации , которая может привести к повреждению имущества.

Примечание

Ключевое слово ПРИМЕЧАНИЕ обращает внимание на полезные советы и рекомендации, а также информацию для эффективной и безаварийной работы оборудования.

Ограничение ответственности

Ни при каких обстоятельствах ООО «Производственное Объединение ОВЕН» и его контрагенты не будут нести юридическую ответственность и не будут признавать за собой какие-либо обязательства в связи с любым ущербом, возникшим в результате установки или использования прибора с нарушением действующей нормативно-технической документации.